Министерство жилищно-коммунального хозяйства РСФСР
Ордена Трудового Красного Знамени
Академия коммунального хозяйства им. К.Д. Памфилова

Утверждено

приказом министра жилищно-

коммунального хозяйства РСФСР

№ 22 от 15 января 1980 г.

РЕКОМЕНДАЦИИ
ПО ПОВЫШЕНИЮ ЭФФЕКТИВНОСТИ ОТОПЛЕНИЯ
ЛЕСТНИЧНЫХ КЛЕТОК
МНОГОЭТАЖНЫХ ЖИЛЫХ ЗДАНИЙ

Отдел научно-технической информации АКХ

Москва 1980

Рекомендации разработаны на основании наблюдения и исследования температурного режима в лестничных клетках эксплуатируемых многоэтапных зданий.

В рекомендациях даны указания по повышению надежности и эффективности действия, выбору схем присоединения, расчету рециркуляционных воздухонагревателей, а также указания по монтажу и эксплуатации отопительных установок лестничных клеток в эксплуатируемых и вновь строящихся многоэтажных зданиях.

Рекомендации составлены инженерами В.М. Ивановым и П.И. Виноградовым.

I. ОБЩИЕ ПОЛОЖЕНИЯ

1. Настоящие рекомендации разработаны в дополнение СНиП II-33-75 "Отопление, вентиляция и кондиционирование воздуха. Нормы проектирования", СНиП II-Л.1-71 "Жилые здания. Нормы проектирования" и распространяются на проектирование и реконструкцию отопления лестничных клеток многоэтажных зданий до 16 этажей.

2. Применяемые в настоящее время системы водяного отопления лестничных клеток (ЛК) многоэтажных зданий с проточными стояками и отопительными приборами, установленными в них на этажах, присоединенными к системе отопления здания, не обеспечивают равномерного распределения температуры внутреннего воздуха по высоте и ненадежны в эксплуатации из-за замерзания отопительных приборов в вестибюле и на первом этаже.

3. Системы воздушного отопления ЛК с рециркуляционными воздухонагревателями (РВ) в периоды низких температур наружного воздуха не всегда обеспечивают безаварийную работу при непосредственном присоединении их к системе отопления здания из-за завоздушивания трубок нагревательных элементов вследствие малых скоростей теплоносителя в них.

4. Для эффективной работы отопления рекомендуется всю необходимую поверхность нагрева ЛК устанавливать в вестибюле или на первом этаже, а при зонированных ЛК - в нижней части каждой зоны.

5. Конструкция РВ должна обеспечивать возможность пропуска теплоносителя в трубках нагревательных элементов со скоростью не менее 0,25 м/с и потерь давления в РВ не более 10 % от располагаемого напора на вводе в тепловой узел при пропуске через него всего количества воды, необходимого для отопления секции здания.

6. В эксплуатируемых домах, построенных в 50 - 60-х годах, теплопотери ЛК подсчитывали без учета инфильтрации воздуха через притворы окон и дверей, что привело к занижению установленной поверхности нагрева отопительных приборов против необходимой для поддержания нормальной температуры.

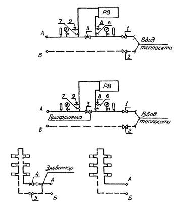
7. Присоединение нагревательных элементов РВ к системе теплоснабжения должно производиться, как правило, по предвключенной схеме к элеватору или системе отопления (рис. 1).

Рис. 1. Предвключенная к системе отопления
схема присоединения РВ

8. При подготовке системы отопления к зиме необходимо неудовлетворительно работающие системы отопления ЛК переключать на схему предвключенного элеватору присоединения стояков ЛК (рис. 2).

Рис. 2. Схема присоединения стояков отопления лестничных клеток к трубопроводу
перегретой воды теплосети с опрокинутой циркуляцией теплоносителя

9. Для отопления ЛК вновь строящихся и реконструируемых систем отопления следует применять серийно выпускаемые промышленностью РВ (типа KB НИИсантехника, РВ Мосгорисполкома и др.). Возможно применение РВ с нагревательными элементами из секций калориферов и ребристых труб.

II. РАСЧЕТ ТЕПЛОПОТЕРЬ ЛЕСТНИЧНЫХ КЛЕТОК

10. Теплопотери ЛК в эксплуатируемых домах определяют с учетом расхода тепла на нагрев инфильтрующего наружного воздуха через окна и двери по формуле

Qлк = [КсFс + F0(К0 + Кд)](tв - tн),

где Кс - коэффициент теплопередачи наружных стен, ккал/(м2∙°С∙ч); Fс - площадь наружных стен, м2; F0 - площадь окон или дверей, м2; К0 - коэффициент теплопередачи окна или двери, ккал/(м2∙°С∙ч); Кд - дополнительный коэффициент теплопередачи, учитывающий расход тепла на нагрев инфильтрующего воздуха, ккал/(м2∙°С∙ч); tв - расчетная температура в помещении ЛК, °С; tн - расчетная температура наружного воздуха, °С.

11. Для зданий с естественной вытяжной вентиляцией без организованного притока при расчетных наружных температурах воздуха от -20 до -35 °С дополнительный коэффициент теплопередачи принимается по табл. 1, 2.

Таблица 1

Кд

Этаж

5

9

10

11

12

13

14

15

16

Окна ЛК

2,4

4,7

4,8

4,9

5

5,2

5,4

5,6

5,8

Наружный вход в ЛК

22

28

29

30

31

35

39

43

48

Таблица 2

Кд

Этаж

1

2

3

4

5

6

7

8

9

10

11

12

13

14

15

16

Окна лифтовых холлов

6,5

6,4

6,2

6

5,7

5,4

5

4,6

4,2

3,6

3

2,4

2,2

2,1

2,1

2,1

Поэтажные наружные входы:

 

 

 

 

 

 

 

 

 

 

 

 

 

 

 

 

в лифтовые холлы

43

40

37

35

34

32

30

28

26

25

24

22

20

18

18

18

в ЛК

34

30

27

24

22

20

18

16

16

17

18

19

19

20

21

23

Примечание. Для окон ЛК следует принимать Кд = 22 ккал/(м2∙°С∙ч).

12. При других расчетных наружных температурах К1д определяют по формуле

где Кд - принимается по табл. 1 и 2; tн - расчетная наружная температура воздуха.

III. РАСЧЕТ РВ С НАГРЕВАТЕЛЬНЫМ ЭЛЕМЕНТОМ ИЗ ЧУГУННЫХ РЕБРИСТЫХ ТРУБ

13. В качестве нагревательных элементов РВ могут применяться чугунные ребристые трубы по ГОСТ 1816-76.

14. Ребристые трубы в РВ устанавливают горизонтально в два или три ряда по ходу воздуха. Ребра жесткости должны быть в вертикальном положении.

15. Для увеличения скорости движения теплоносителя внутри труб устанавливают вкладыши из труб диаметром 63,5×2,5 мм.

16. Необходимая поверхность нагрева ребристых труб РВ определяется по формуле

(1)

где Qрв - тепловая нагрузка РВ, ккал/ч; К - коэффициент теплопередачи, ккал/(м2∙°С∙ч); Δtср - перепад температур между средней температурой теплоносителя и воздуха, проходящих через РВ.

17. Предварительный коэффициент теплопередачи определяется по скорости теплоносителя в трубе и скорости воздуха в живом сечении РВ по графику на рис. 3. При этом скорость воздуха принимается в пределах 1,8 - 2,3 м/с, а скорость теплоносителя - по формуле

(2)

где Δt - перепад температур теплоносителя в РВ.

Рис. 3. Коэффициент теплопередачи чугунной ребристой трубы
К в зависимости от скорости движения воздуха V (м/с) и
скорости движения воды W (м/с) при tводы = 100 °С

18. Определяют поверхность нагрева по формуле (1), принимая коэффициент теплопередачи по п. 17 и температуру воздуха на выходе из РВ - 35 °С, а на входе - равной расчетной температуре воздуха в отапливаемом помещении.

19. По определенной поверхности нагрева принимают количество и длину ребристых труб и количество их рядов в РВ.

20. Количество воздуха, циркулирующего в РВ, определяют по формуле

(3)

где h - расстояние от центра нагрева до центра выхода воздуха из РВ, м; β - среднее приращение объемного веса воздуха при его нагреве на 1 °С, кг/м2∙°С; n - число рядов труб по ходу воздуха; fв - площадь живого сечения РВ по воздуху, м2; ξ - коэффициент местного сопротивления при входе и выходе из РВ; m - отношение площади живого сечения по воде к площади живого сечения по воздуху; A - коэффициент местного сопротивления трубы или по упрощенным формулам, приведенным в табл. 3.

Таблица 3

Длина ребристой трубы, м

Количество рядов по ходу воздуха

Расход воздуха Z, кг/ч

1

2

1

3

1

4

1,5

2

1,5

3

1,5

4

2,0

2

2,0

3

2,0

4

Примечания: 1. h - расстояние от центра нагрева до центра выходного отверстия воздуховода, м.

2. Qрв - тепловая нагрузка воздухонагревателя, ккал/ч.

3. При установке четырех рядов труб по ходу воздуха необходимо, чтобы высота от поверхности верхней трубы до центра выходного отверстая была не менее 1,5 м.

21. Определяют перепад температур воздуха в РВ по формуле

(4)

22. Скорость воздуха РВ определяют по формуле

(5)

где γ = 1,184 кгс/м3.

23. По определенной скорости воздуха по графику на рис. 3 уточняют коэффициент теплопередачи.

24. Определяют теплопроизводительность РВ при фактической его поверхности нагрева и уточненном коэффициенте теплопередачи по формуле

Qрв = КFΔtср.

(6)

IV. РАСЧЕТ РВ С НАГРЕВАТЕЛЬНЫМ ЭЛЕМЕНТОМ ИЗ СЕКЦИЙ КАЛОРИФЕРОВ

25. В качестве нагревательных элементов РВ могут применяться секции калориферов КMC, КЗВП и КЗПП.

26. Секции калориферов в РВ устанавливают горизонтально на высоте не менее 0,15 м от пола в кожухе, плотно прилегающем к их оребренной поверхности, с обеспечением возможности очистки нагревательного элемента.

27. Обвязку трубок секций калориферов производят с учетом обеспечения скорости теплоносителя в них не менее 0,25 м/с. Схемы обвязок даны на рис. 4.

Рис. 4. Схемы обвязок трубопроводов секций калориферов:

1 - одноходовая обвязка; 2 - двухходовая обвязка для вертикальных бифилярных
схем соединения; 3 - трехходовая обвязка; 4 - шестиходовая обвязка

28. Необходимую поверхность нагрева РВ определяют по формуле

(7)

где q - теплоотдача 1 м секции калорифера, ккал/ч; 4,5 - поверхность нагрева 1 м секции калорифера, м2.

29. Теплоотдачу 1 м секции калорифера определяют в зависимости от скорости теплоносителя в трубках, разности средней температуры теплоносителя в РВ и внутреннего воздуха в помещении и высоты кожуха РВ от центра нагрева до центра выхода воздуха из РВ по графикам на рис. 5.

Рис. 5. Теплоотдача нагревательных элементов из секции калорифера КФС, длиной 1 м

30. Возможно применение в качестве нагревательного элемента РВ калориферов КМС и КЗВП.

31. Необходимую поверхность нагрева калорифера определяют по формуле (7).

32. Калориферы в РВ устанавливают горизонтально. Расстояние от пола до нижней части калорифера должно быть не менее 250 мм. На калорифер устанавливают кожух, высота которого принимается исходя из возможности размещения РВ, но не менее 1 м.

V. СХЕМЫ ПРИСОЕДИНЕНИЯ РВ К СИСТЕМЕ ТЕПЛОСНАБЖЕНИЯ

33. Для обеспечения надежности и эффективности работы РВ следует применять предвключенную схему их присоединений с пропуском всего теплоносителя или его части через нагревательные элементы.

34. Расход сетевой воды на вводе теплового узла определяют по формуле

(8)

где Q и Qрв - тепловая нагрузка системы отопления и РВ, ккал/ч; T1 и T0 - температуры теплоносителя в теплосети.

35. Температуру воды после РВ определяют:

а) при пропуске всей воды

(9)

б) при частичном пропуске воды

(10)

где G' - количество воды, обеспечивающее скорость в трубках нагревательных элементов РВ не менее 0,25 м/с.

36. Температура воды перед элеватором или системой отопления при безэлеваторном присоединении будет равна температуре воды после РВ при пропуске всей воды через него. При частичном пропуске воды эту температуру определяют по формуле (9).

37. По полученным параметрам теплоносителя до и после РВ (T1 и Т2) определяют необходимую поверхность нагрева в соответствии с теплопотерями лестничной клетки. Расчет нагревательных элементов РВ из чугунных ребристых труб и секций калориферов производят в соответствии с указаниями разделов III и IV.

38. Теплопроизводительность серийно изготовляемых конвекторов типа КB определяют по формуле

Qрв = Qтφ1φ2,

(11)

где Qт - табличная теплоотдача конвектора, ккал/ч (принимается по табл. 4); φ1 - поправочный коэффициент на фактическую разность средней температуры теплоносителя и температуры воздуха в помещении (принимается по графику на рис. 6); φ2 - поправочный коэффициент, зависящий от относительного расхода теплоносителя (отношение фактического расхода к 300 кг/ч, принятого в табличной теплоотдаче), принимается по табл. 5.

Таблица 4

Конвектор

Поверхность нагрева Fr, экм

Теплоотдача Qт при Δtm = 64,5 и G0  = 300 кг/ч, ккал/ч

Размер Н, мм

Масса, кг

KB 20-10-600

10

4350

600

70,5

KB 20-12-900

12

5220

900

83,5

KB 20-13-1200

 

 

 

 

Таблица 5

G

0,2

0,4

0,6

0,8

1,0

1,2

1,4

1,6

1,8

2,0

φ2

0,83

0,9

0,94

0,97

1,0

1,02

1,04

1,05

1,06

1,08

39. Коэффициент местного сопротивления нагревательного элемента конвектора типа КB при диаметре подводок Ду = 20 мм составляет 45 единиц, что не позволяет присоединить его по предвключенной схеме. Для обеспечения возможности их присоединения по предвключенной схеме необходимо обвязку труб нагревательного элемента произвести по схеме I на рис. 4 и диаметр подводок к ним принять не менее Ду = 25 мм.

40. Воздухонагреватели типа РВ Мосгорисполкома имеют еще большее гидравлическое сопротивление по теплоносителю, поэтому не могут быть рекомендованы к применению для отопления лестничных клеток.

Рис. 6. Поправочный коэффициент φ на фактическую разность
средней температуры теплоносителя и температуры воздуха помещения

VI. РЕКОНСТРУКЦИЯ СУЩЕСТВУЮЩИХ СИСТЕМ ОТОПЛЕНИЯ ЛЕСТНИЧНЫХ КЛЕТОК

41. Теплопотери лестничных клеток определяют в соответствии с указаниями разд. II.

42. Расход воды на отопление лестничной клетки определяют по формуле

(12)

где T1 - - температура воды на входе в отопительный прибор ЛК; t2 - температура воды, выходящей из отопительных приборов ЛК.

43. В существующих системах водяного отопления ЛК с проточными стояками при неудовлетворительной их работе рекомендуется присоединять стояки ЛК к перегретой воде с помощью прокладки специального трубопровода от ввода теплосети до элеватора к основанию стояка, присоединив его к спускному тройнику (см. рис. 2). Температуру теплоносителя t2, выходящего из стояка, следует принимать равной температуре воды в системе отопления.

44. При реконструкции системы по п. 43 поверхность нагрева, превышающую расчетную, необходимо демонтировать, начиная с верхних отопительных приборов.

45. В существующих системах водяного отопления с параллельным присоединением отопительных приборов ЛК к секционной системе отопления или к системе теплоснабжения ввода теплового узла рекомендуется отопительные приборы ЛК присоединять предвключенно элеватору или системе отопления при безэлеваторном присоединении с пропуском всего или частичного количества теплоносителя для отопления блок-секции здания. Расчет параметров теплоносителя следует производить в соответствии с указаниями разд. V.

46. Существующие системы воздушного отопления ЛК с использованием различных конструкций РВ, присоединенных параллельно к системе отопления и непосредственно к системе теплоснабжения, следует реконструировать при достаточном располагаемом напоре на вводе перед узлом управления блок-секции на предвключенную схему с пропуском всего или частичного количества воды, необходимого для отопления блок-секции, с обеспечением скорости в нагревательных элементах и подводках к ним не менее 0,25 м/с.

47. В существующих системах с параллельным присоединением РВ к системе отопления после элеватора рекомендуется присоединить их непосредственно к перегретой воде предвключенно элеватору.

VII. УКАЗАНИЯ ПО МОНТАЖУ РВ

48. Монтаж и приемку РВ и подводок к нему ведут в соответствии со СНиП III-28-75.

49. РВ устанавливают у входных дверей вестибюля или лестничной клетки.

50. При монтаже РВ из чугунных ребристых труб или секций калориферов необходимо обеспечить плотное примыкание ограждений кожуха к оребрению нагревательного элемента, исключающее проход воздуха мимо него.

51. При монтаже РВ из калориферов последний устанавливают горизонтально, а кожух крепят к фланцам калорифера.

52. Выходное отверстие для воздуха в РВ должно иметь сечение в 1,4 раза больше живого сечения нагревательного элемента и закрываться металлической сеткой с ячейками 10×10 мм или декоративной решеткой.

53. На подающем и обратном трубопроводах подводок к РВ устанавливают отключающие и спускные краны.

54. При частичном пропуске воды через РВ на перемычке подводок к нему устанавливают между фланцами задвижки диафрагмы, диаметр отверстия которой определяется расчетом.

55. На подающем трубопроводе теплосети после присоединения обратного трубопровода от РВ необходимо устанавливать термометр в гильзе и манометр.

56. После монтажа РВ и подводок к нему необходимо произвести гидравлическое испытание давлением 10 кгс/см2.

VIII. УКАЗАНИЯ ПО ЭКСПЛУАТАЦИИ

57. Перед началом отопительного сезона производят герметизацию притворов входных дверей и окон ЛК, а входные двери оборудуют самозакрывающимися устройствами (доводчиками).

58. При пуске РВ задвижки 1, 2, 4, 5 и краны 6, 9 должны быть открыты, а задвижка 3 и краны 7, 8 закрыты (см. рис. 1), после удаления воздуха и промывки спускной кран 9 закрывают, а кран 7 открывают.

59. Задвижка 3 на перемычке при полном пропуске воды через РВ должна быть всегда закрыта, а при частичном пропуске воды и наличии диафрагмы при работе системы - полностью открыта.

60. Опорожнение РВ и подводок к нему при работающей системе отопления производят через спускные краны 8, 9 при закрытых кранах 6 и 7 и открытой задвижке 3.

61. Перед началом отопительного сезона осуществляют гидропневмопромывку совместно с тепловым узлом.

62. Систематически наблюдают за состоянием загрязнения оребрения нагревательных элементов и при необходимости производят их очистку пылесосом с последующей продувкой.

63. При приемке в эксплуатацию систем отопления обращают особое внимание на правильность установки нагревательных элементов и выполнение ограждений (кожуха) РВ, которые должны плотно прилегать к оребрению.

64. Неудовлетворительно работающие РВ, в которых неправильно установлены нагревательные элементы, отсутствуют ограждения их, имеются большие зазоры между оребрением и кожухом, а также присоединенные параллельно системе отопления, подлежат реконструкции в соответствии с настоящими рекомендациями.

ЛИТЕРАТУРА

1. Грудзинский М.М., Иванов В.М. Воздушное отопление лестничных клеток многоэтажных зданий. "Моспроект", № 3, М., 1958.

2. Шаповалов И.С. Отопление лестничных клеток нагревательными элементами, заделанными в лестничные площадки. Инф. сообщения № 18 "Специальное архитектурно-планировочное управление г. Москвы" М., 1958.

3. Иванов В.М., Грудзинский М.М. Применение воздушного отопления, совмещенного с приточно-вытяжной вентиляцией в современном жилищно-гражданском строительстве. "Водоснабжение и санитарная техника", 1958, 18.

4. Рекомендации по устройству и расчету рециркуляционных воздухонагревателей для отопления лестничных клеток многоэтажных домов. М., 1950.

5. Иванов В.М. Исследование температурно-влажностного режима в лестничных клетках многоэтажных зданий, отапливаемых рециркуляционными воздухонагревателями с естественным побуждением. Сб. трудов НИИсанитарной техники, "Отопление и вентиляция", Госстройиздат, 1961.

6. Михайлов Л.М. Проектирование отопительных шкафов. В сб. трудов "Моспроекта", № 3, М., 1963.

7. Иванов В.М. Применение высоких конвекторов для отопления общественных зданий и лестничных клеток, материалы к научно-техническому совещанию по конвекторному отоплению. М., 1965.

8. Иванов В.М. Указания по применению и расчету рециркуляционных воздухонагревателей (пособие для проектировщиков) НИ-572 (2-я ред.). МНИИТЭП. М., 1967.

9. Каменев П.Н. и др. Отопление и вентиляция. М., Стройиздат, 1975.

10. Рециркуляционные воздухонагреватели с нагревательными элементами типа "Комфорт" 20 РВ1М, РВ2М, РВ5М, РВ6М, РИ 3105. МНИИТЭП. 1976.

11. Строительный каталог, ч. 10. Санитарно-техническое оборудование, приборы и автоматические устройства, разд. 1. ГПИ Сантехпроект Главпромстройпроекта Госстроя СССР, М.

СОДЕРЖАНИЕ

I. Общие положения. 1

II. Расчет теплопотерь лестничных клеток. 3

III. Расчет РВ с нагревательным элементом из чугунных ребристых труб. 3

IV. Расчет РВ с нагревательным элементом из секций калориферов. 5

V. Схемы присоединения РВ к системе теплоснабжения. 7

VI. Реконструкция существующих систем отопления лестничных клеток. 9

VII. Указания по монтажу РВ.. 10

VIII. Указания по эксплуатации. 10