НАУЧНО-ИССЛЕДОВАТЕЛЬСКИЙ ИНСТИТУТ
БЕТОНА И ЖЕЛЕЗОБЕТОНА
ГОССТРОЯ СССР

РУКОВОДСТВО
ПО ПРИМЕНЕНИЮ ХИМИЧЕСКИХ
ДОБАВОК К БЕТОНУ

МОСКВА
1975

СОДЕРЖАНИЕ

1. Основные положения. 2

2. Требования к материалам.. 5

3. Выбор вида и назначение количества добавок. 5

4. Особенности подбора состава бетона. 8

5. Приготовление водных растворов добавок и бетонной смеси. 10

6. Назначение режима тепловой обработки изделий и конструкций. 12

7. Особенности контроля за производством работ и качеством бетона. 13

8. Техника безопасности и охрана труда. 14

Приложение 1. Влияние добавок на свойства бетонной смеси и затвердевшего бетона. 15

Приложение 2. Краткая характеристика добавок. 18

Приложение 3. Основные показатели водных растворов добавок. 21

Приложение 4. Ориентировочное содержание трехкальциевого алюмината в клинкерах цементов. 26

Приложение 5. Ориентировочные исходные данные для выбора вида добавки. 27

Приложение 6. Пример подбора состава бетона с добавкой ускорителя твердения при применении его для сокращения режима тепловой обработки. 29

Приложение 7. Пример подбора состава бетона с добавкой ускорителя твердения при применении его для сокращения расхода цемента. 30

Приложение 8. Пример подбора состава бетона с пластифицирующей добавкой. 32

Приложение 9. Методика определения образования высолов на поверхности бетона. 33

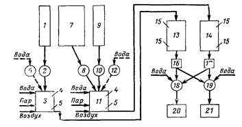
Приложение 10. Технологические схемы и расчеты при приготовлении растворов добавок. 34

Приложение 11. Приготовление и контроль качества водной эмульсии гкж-94. 39

Руководство по применению химических добавок к бетону. М., Стройиздат, 1975, 66 с. (Науч.-исслед. ин-т бетона и железобетона Госстроя СССР).

Руководство содержит основные положения по применению ускоряющих твердение, пластифицирующих, пластифицирующе-воздухововлекающих, воздухововлекающих, микрогазообразующих и комплексных добавок к бетону при производстве сборных изделий, возведении сборно-монолитных и монолитных конструкций различного назначения из тяжелого и конструктивного легкого бетонов.

Руководство предназначено для инженерно-технических работников предприятий сборного железобетона, строительных и проектных организаций.

Табл., 31, рис. 2.

ПРЕДИСЛОВИЕ

В руководстве приведены требования к материалам, рекомендации по выбору вида и количества добавок, особенности подбора состава бетона, рекомендации по приготовлению водных растворов или эмульсий добавок и бетонной смеси, по назначению режима тепловой обработки бетона, требования по контролю за производством работ и качеством бетона, по технике безопасности и охране труда.

Руководство разработано НИИЖБ Госстроя СССР (доктора технических наук С.А. Миронов, Б.А. Крылов, Ф.М. Иванов, С.Н. Алексеев; кандидаты технических наук А.В. Лагойда, О.Е. Королева, В.Г. Батраков, Н.К. Розенталь, А.М. Подвальный, Г.А. Бужевич, Л.И. Карпикова, А.В. Яшин, канд. хим. наук И.И. Курбатова, инж. Б.А. Усов) совместно с Ростовским Промстройниипроектом Госстроя СССР (канд. техн. наук Г.П. Иноземцев), Днепропетровским филиалом НИИСП Госстроя УССР (канд. техн. наук Г.В. Пухальский), институтом Оргпромстрой Минпромстроя СССР (канд техн. наук С.П. Тихонов), ВНИПИтеплопроектом Минмонтажспецстроя СССР (канд. техн. наук Б.Д. Тринкер), МАДИ Минвуза СССР (д-р хим. наук В.Б. Ратинов) и ГИСИ Минвуза РСФСР (кандидаты технических наук В.С. Исаев, Г.П. Федин).

В Руководстве использованы также результаты исследовании Донецкого Промстройниипроекта Госстроя СССР (канд. техн. наук Ю.П. Чернышев), ЦНИИОМТП Госстроя СССР (канд. техн. наук Г.П. Бовин), Ворошиловградского филиала НИИСП Госстроя УССР (инж. М.К. Целуйко), НИИЦемента Минстройматериалов СССР (д-р техн. наук Ю.С. Малинин, инж. Г.М. Тарнаруцкий), Алма-Атинского НИИстромпроекта Минстройматериалов СССР (канд. техн. наук У.А. Ляпов), УкрНИИГиМ Минводхоза СССР (канд. техн. наук В.Н. Лемехов), ЦНИИС Минтрансстроя СССР (кандидаты технических наук В.С. Гладков, Г.С. Рояк), ВНИИГ Минэнерго СССР (д-р техн. наук В.В. Стольников, канд. техн. наук Ц.Г. Гинзбург), ХСИ Минсельхоза СССР (канд. техн. наук Э.Е. Меламед), МАДИ Минвуза СССР (д-р техн. наук С.В. Шестоперов) и МХТИ Минвуза РСФСР (д-р техн. наук Ю.М. Бутт).

Дирекция НИИЖБ

1. ОСНОВНЫЕ ПОЛОЖЕНИЯ

1.1. Настоящее Руководство распространяется на применение при производстве сборных изделий и возведении сборно-монолитных и монолитных конструкций различного назначения из тяжелого и конструктивного (марок по прочности при сжатии более 100) легкого бетонов, подвергающихся тепловой обработке при температурах до 100 °C (пропариванию, электропрогреву, электрообогреву, электроразогреву и пароразогреву смеси, сухому прогреву и др.), следующих химических добавок (по виду и номенклатуре):

ускорителей твердения бетона - хлорида натрия NaCl, сульфата натрия Na2SO4, сульфата калия K2SO4, хлорида кальция СаСl2, нитрата кальция Ca(NO3)2, нитрит-нитрата кальция ННК, нитрит-нитрат-хлорида кальция ННХК, NaCl или СаСl2 в сочетании с нитритом натрия NaNO2 или ННК в соотношении 1:1 по массе;

пластифицирующих - сульфитно-дрожжевой бражки СДБ, сульфитно-спиртовой барды ССБ;

пластифицирующе-воздухововлекающих - мылонафта, омыленной растворимой смолы ВЛХК, этилсиликоната натрия ГКЖ-10, метилсиликоната натрия ГКЖ-11;

воздухововлекающих - смолы нейтрализованной воздухововлекающей СНВ, синтетической поверхностно-активной добавки СПД, омыленного древесного пека ЦНИПС-1;

микрогазообразующей - полигидросилоксана ГКЖ-94.

Возможно применение других добавок указанных видов при соответствующем технико-экономическом обосновании и обеспечении необходимого эффекта в бетоне.

Влияние добавок указанных видов на свойства бетонной смеси и затвердевшего бетона приводится в приложении 1.

Примечание. Основные положения настоящего Руководства распространяются и на бетон, выдерживаемый в естественных условиях в соответствии с требованиями главы СНиП III-В.1-70 «Бетонные и железобетонные конструкции монолитные. Правила производства и приемки работ».

1.2. В Руководстве даются основные положения по вопросам применения указанных в п. 1.1 добавок и некоторых их сочетаний (комплексных добавок) в бетоны на минеральных вяжущих и заполнителях с целью:

уменьшения расхода цемента;

улучшения свойств бетонной смеси (однородности, удобообрабатываемости, нерасслаиваемости, электропроводности и др.);

регулирования скорости процессов схватывания, твердения, тепловыделения;

сокращения режима тепловой обработки бетона;

повышения прочности, морозостойкости, плотности и непроницаемости, а также улучшения других свойств затвердевшего бетона.

Таблица 1

Область применения добавок

№ п/п

Тип изделий и конструкций, условия их эксплуатации

NaCl, CaCl2

Na2SO4, K2SO4

Ca(NO3)2, ННК

NaCl + +NaNO2, CaCl2 + NaNO2

NaCl + HHK, CaCl2 + HHK, HHXK

СДБ, ССБ, ВЛХК, ГКЖ, CHB, СПД, ЦНИПС-1, мылонафт

1

Предварительно-напряженные изделия, конструкции и стыки (каналы) сборных и сборно-монолитных изделий и конструкций, кроме случаев, указанных в п. 2 данной таблицы

-

+

+

-

-

+

2

Предварительно-напряженные изделия и конструкции, армированные сталью классов Ат-IV, Ат-V, Ат-VI, A-IV и A-V

-

+

-

-

-

+

3

Железобетонные изделия и конструкции с ненапрягаемой арматурой диаметром более 5 мм

+

+

+

+

+

+

4

Железобетонные изделия и конструкции с ненапрягаемой арматурой класса B-I и Вр-I диаметром 5 мм и менее

-

+

+

+

+

+

5

Стыки без напрягаемой арматуры сборных и сборно-монолитных железобетонных изделий и конструкций

-

+

+

-

-

+

6

Железобетонные изделия и конструкции, предназначенные для эксплуатации:

а) в воде и агрессивных растворах

+

+

+

+

+

+

б) в неагрессивной газовой среде при относительной влажности воздуха до 60 %

+

+

+

+

+

+

в) в агрессивной газовой среде

-

+

+

+

+

+

г) при относительной влажности воздуха более 60 %, если заполнитель имеет включения реакционноспособного кремнезема

-

-

+

-

-

+

д) в зонах действия блуждающих токов

-

-

-

-

-

+

7

Бетонные и железобетонные изделия и конструкции, имеющие закладные части с покрытиями из цинка или алюминия:

а) с лакокрасочными или другими защитными слоями по ним

+

+

+

+

+

+

б) без лакокрасочных слоев

-

-

+

-

-

+

8

Бетонные изделия и конструкции, предназначенные для эксплуатации в условиях, указанных в п. 6 «г» данной таблицы

-NaCl +СаСl2

-

+

-

+

+

Примечания: 1. Знак минус (-) означает запрещение, а плюс (+) допустимость введения добавки.

2. Возможность применения добавок по позициям 1 - 5 должна уточняться по позиции 6.

3. При применении добавок по п. 6 «а» и «в» необходимо учитывать требования главы СНиП II-28-73 «Защита строительных конструкций от коррозии»в части плотности и толщины защитного слоя бетона и защиты изделий и конструкций химически стойкими покрытиями.

4. При определении области применения комплексной добавки, содержащей ускоритель твердения, следует руководствоваться ограничениями по его применению.

5. Изделия и конструкции, периодически увлажняющиеся водой, конденсатом или технологическими жидкостями при относительной влажности воздуха менее 60 %, приравниваются к эксплуатируемым при относительной влажности воздуха более 60 %.

6. Выбор систем лакокрасочных или других защитных слоев по поз. 7 «а» производится на основании специальных исследований. Ограничения по применению добавок по поз. 7 «б» (кроме NaCl и CaCl2) введены из-за отсутствия исследований.

7. Агрессивность среды устанавливается по СНиП II-28-73 «Защита строительных конструкций от коррозии».

8. Наличие блуждающих токов устанавливается по СН 65-67 «Инструкция по защите железобетонных конструкций от коррозии, вызываемой блуждающими токами», в которых приведены также требования к толщине защитного слоя и плотности бетона.

9. Наличие включений реакционноспособного кремнезема устанавливается по «Рекомендациям по определению реакционной способности заполнителей бетона со щелочами цемента» (НИИЖБ, М., 1972) или «Руководству по применению бетонов с противоморозными добавками» (НИИЖБ, М., Стройиздат, 1968).

10. К п. 6 «в» в газовой среде, содержащей хлор и хлористый водород, добавки-электролиты, за исключением ННК, допускаются при наличии специального обоснования.

1.3. Добавки, указанные в п. 1.1, разрешается вводить в состав тяжелых и конструктивных легких бетонов при изготовлении неармированных и армированных изделий и конструкций в соответствии с указаниями, приведенными в табл. 1.

1.4. Для обеспечения высокого качества бетона с добавками должны соблюдаться требования, предусмотренные ГОСТ 13015-67* «Изделия железобетонные и бетонные. Общие технические требования», главами СНиП III-В.1-70 «Бетонные и железобетонные конструкции монолитные. Правила производства и приемки работ» и СНиП II-28-73 «Защита строительных конструкций от коррозии», а также рекомендации настоящего Руководства.

2. ТРЕБОВАНИЯ К МАТЕРИАЛАМ

2.1. Цементы, используемые для приготовления бетонов с добавками, должны удовлетворять требованиям ГОСТ 10178-62* «Портландцемент, шлакопортландцемент, пуццолановый портландцемент и их разновидности» или действующих ТУ на разновидности указанных цементов.

2.2. Заполнители для тяжелых и легких бетонов должны удовлетворять требованиям действующих ГОСТ и ТУ, а также требованиям ГОСТ 10268-70 «Заполнители для тяжелого бетона. Технические требования» и ГОСТ 9757-61 «Заполнители пористые неорганические для легких бетонов. Классификация».

2.3. Вода для приготовления бетонной смеси с добавками должна удовлетворять требованиям главы СНиП III-В.1-70 «Бетонные и железобетонные конструкции монолитные. Правила производства и приемки работ».

2.4. Материалы, используемые для приготовления гидротехнического бетона, должны удовлетворять требованиям ГОСТ 4797-69* «Бетон гидротехнический. Технические требования к материалам для его приготовления».

2.5. Химические добавки должны удовлетворять требованиям действующих ГОСТ и ТУ. Краткая характеристика добавок приводится в приложении 2, а основные показатели их водных растворов - в приложении 3.

3. ВЫБОР ВИДА И НАЗНАЧЕНИЕ КОЛИЧЕСТВА ДОБАВОК

3.1. Вид добавки в зависимости от цели ее применения необходимо назначать в соответствии с рекомендациями пп. 3.2 - 3.8 с учетом требований п. 1.3 и технико-экономических показателей. При выборе добавки необходимо исходить из того, что добавки одного и того же вида, кроме ускорителей твердения, по своему техническому эффекту практически равноценны, а стоимость добавки (руб.) в расчете на 1 м3 бетона в среднем составляет: ЦНИПС-1, СПД-0,01; ВЛХК, мылонафта - 0,03; СДБ, ССБ-0,05; СНВ-0,08; Na2SO4 - 0,1; NaCl - 0,2, СаСl2 - 0,25; NaCl + HHК, СаСl2 + ННК - 0,45: K2SO4, Ca(NO3)2, ННК, ННХК - 0,5; NaCl + NaNO2, СаСl2 + NaNO2 - 0,7; ГКЖ-10, ГКЖ-11 - 0,9; ГКЖ-94 - 1.

3.2. Для сокращения режима тепловой обработки, а также для ускорения твердения бетона, выдерживаемого в естественных условиях, в состав бетонной смеси рекомендуется вводить добавку ускорителя твердения бетона. При выборе добавки необходимо руководствоваться тем, что, как правило, Na2SO4, K2SO4, Ca(NO3)2 и HHК эффективны для бетонов, приготовленных на основе низко- и среднеалюминатных цементов, a NaCl, NaCl + NaNO2, NaCl+HHК, CaCl2 + NaNO2, СаСl2 + ННК и ННХК - также и на основе высокоалюминатных.

Ориентировочное содержание трехкальциевого алюмината в клинкерах различных цементных заводов приводится в приложении 4, а данные по влиянию добавок ускорителей твердения на прочность пропаренного бетона - в приложении 5 (табл. 23).

3.3. С целью уменьшения расхода цемента в состав бетонной смеси могут вводиться пластифицирующие, пластифицирующе-воздухововлекающие, воздухововлекающие и ускоряющие твердение добавки, а также сочетания последних с добавками указанных видов. Выбор добавки должен производиться в зависимости от технологии производства, с учетом влияния добавок на свойства бетонной смеси и затвердевшего бетона (приложение 1).

Для правильного выбора добавки необходимо руководствоваться следующим:

применение пластифицирующих или пластифицирующе-воздухововлекающих добавок без удлинения технологического цикла возможно в том случае, если он составляет соответственно не менее 13 и 14 ч для бетонов на портландцементах, 16 и 14 ч для бетонов на шлако- или пуццолановых портландцементах; при этом изделия и конструкции до тепловой обработки выдерживаются не менее 2 ч, а скорость подъема температуры не превышает 20 °C в час либо с меньшим предварительным выдерживанием, но со скоростью подъема температуры не более 15 °C в час; при меньших циклах тепловой обработки пластифицирующие или пластифицирующе-воздухововлекающие добавки могут применяться в случае использования закрытых форм или в сочетании с ускорителями твердения; возможность применения добавок других видов не зависит от продолжительности тепловой обработки;

эффективность применения пластифицирующих и пластифицирующе-воздухововлекающих добавок, как правило, возрастает с увеличением расхода цемента в бетоне (свыше 350 кг/м3), а эффективность воздухововлекающих и ускоряющих твердение добавок с увеличением расхода цемента, наоборот, уменьшается;

независимо от достигаемого эффекта по экономии цемента при приготовлении бетонов, к которым предъявляются повышенные требования по долговечности, в состав бетонной смеси целесообразно вводить воздухововлекающие, пластифицирующе-воздухововлекающие добавки или их сочетания с ускорителями твердения;

при введении пластифицирующих и пластифицирующе-воздухововлекающих добавок в бетон, предназначенный для выдерживания в естественных условиях, необходимо учитывать замедление темпа его твердения, особенно в ранние сроки и при пониженных температурах.

Ориентировочные данные по уменьшению расхода цемента благодаря введению добавок в бетон, подвергающийся тепловой обработке, приводятся в приложении 5 (табл. 24).

3.4. При невозможности получения бетона с требуемыми по проекту физико-техническими свойствами в его состав рекомендуется вводить:

для повышения прочности - добавку СДБ, ССБ или ускорителя твердения;

для повышения непроницаемости - добавку Са(NO3)2, СДБ, ССБ, мылонафта, ВЛХК, СНВ, СПД, СДБ + Ca(NO3)2 или CCB + Ca(NO3)2;

для повышения морозостойкости - добавку СНВ, СПД, мылонафта, ВЛХК, ГКЖ-10, ГКЖ-11, ГКЖ-94, ГКЖ-10 + Ca(NO3)2, ГКЖ-11 + Ca(NO3)2, ГКЖ-94 + Ca(NO3)2, СДБ + СНВ, СДБ + СПД, ССБ + СНВ или ССБ + СПД;

для повышения солестойкости бетона - добавку СНВ, СПД, мылонафта, ВЛХК, ГКЖ-10, ГКЖ-П или ГКЖ-94.

Целесообразность применения той или иной добавки из числа указанных должна определяться требуемым техническим эффектом и экономическими показателями. Ориентировочная рациональная область применения добавок с целью повышения долговечности бетона приводится в приложении 5 (табл. 25).

3.5. Для получения бетонной смеси с требуемыми свойствами в ее состав рекомендуется вводить:

для замедления времени загустевания смеси - добавку СДБ или ССБ, а в ряде случаев ГКЖ-10, ГКЖ-11 или ГКЖ-94;

для повышения связности (нерасслаиваемости) или мылонафта или ВЛХК;

уменьшения жесткости - добавку СНВ, СПД, ЦНИПС-1, для повышения электропроводности смеси, ускорения процесса ее схватывания - добавку ускорителя твердения бетона.

3.6. Для предотвращения замерзания бетона до начала его тепловой обработки в условиях строительной площадки, полигона или неотапливаемого цеха при отрицательных температурах воздуха в состав бетонной смеси целесообразно вводить добавку ускорителя твердения бетона. При этом бетон до начала тепловой обработки не должен охлаждаться ниже температуры замерзания применяемого раствора затворения.

Примечание. Допускается также применение добавки нитрита натрия в соответствии с указаниями главы СНиП III-В.1-70 Бетонные и железобетонные конструкции монолитные. Правила производства и приемки работ».

Таблица 2

Рекомендуемое количество добавок ускорителей твердения для тяжелого и легкого бетонов

Вид цемента

Тяжелый бетон с В/Ц

Легкий бетон с подвижностью или жесткостью смеси

Добавки в расчете на сухое вещество, % массы цемента

NaCl, Na24, K2SO4, CaCl,

Ca(NO3)2, HHК, HHXК, NaCl + NaNO2, NaCl + HHК, CaCl2 + NaNO3, CaCl2 + HHК

Портландцемент, быстротвердеющий портландцемент, сульфатостойкий портландцемент

0,35 - 0,55

10 - 60 с

1 - 2

2 - 3

0,55 - 0,75

2 - 6 см

0,5 - 1

1 - 2

Шлакопортландцемент, пуццолановый портландцемент, пластифицированный портландцемент, гидрофобный портландцемент

0,35 - 0,55

10 - 60 с

1,5 - 2

2,5 - 3,5

0,55 - 0,75

2 - 6 см

1 - 1,5

1,5 - 2,5

Примечание. Соотношение компонентов в добавках NaCl + NaNO2, NaCl + HHК, CaCl2 + NaNO2, CaCl2 + HHК должно составлять 1:1 по массе.

Таблица 3

Рекомендуемое количество пластифицирующих и пластифицирующе-воздухововлекающих добавок для тяжелого и легкого бетонов

Вид цемента

Добавки в расчете на сухое вещество, % массы цемента

СДБ, ССБ

мылонафта, ВЛХК, ГКЖ-10, ГКЖ-11

Портландцемент, быстротвердеющий портландцемент

0,15 - 0,25

0,1 - 0,2

Сульфатостойкий портландцемент

0,1 - 0,2

0,05 - 0,15

Пластифицированный портландцемент

-

0,05 - 0,15

Гидрофобный портландцемент

0,1 - 0,2

-

Шлакопортландцемент, пуццолановый портландцемент

0,2 - 0,3

0,1 - 0,2

3.7. Для замедления тепловыделения бетона на ранней стадии его твердения в состав бетонной смеси рекомендуется вводить добавку СДБ, ССБ, ГКЖ-10, ГКЖ-11 или ГКЖ-94.

3.8. Для предотвращения появления выцветов на поверхности бетона в состав бетонной смеси рекомендуется вводить добавку мылонафта, ВЛХК, ГКЖ-10, ГКЖ-11, ГКЖ-94, СНВ, СПД или ЦНИПС-1.

3.9. Оптимальное количество добавок устанавливается экспериментальным путем. При этом количество добавок (от массы цемента), в том числе и в составе комплексных добавок, не должно превышать:

NaCl и CaCl2 - в бетоне железобетонных изделий и конструкций - 2 %, а в бетоне неармированных изделий и конструкций - 3 %;

Na2SO4 и K2SO4 - 2 %;

Са(NO3)2, ННК и ННХК - 4 %.

Ориентировочное количество добавок приводится в табл. 2 - 4.

Таблица 4

Рекомендуемое количество воздухововлекаюших и микрогазообразующей добавок для тяжелого и легкого бетонов

Добавки

Количество в расчете на сухое вещество, % массы цемента при расходе его в кг/м3

до 300

300 - 400

более 400

СНВ, СПД, ЦНИПС-1

0,005 - 0,015

0,01 - 0,02

0,015 - 0,025

ГКЖ-94

0,06 - 0,08

0,05 - 0,07

0,03 - 0,05

Примечание. Дозировка ГКЖ-94 дана в расчете на исходное вещество 100 %-ной концентрации.

4. ОСОБЕННОСТИ ПОДБОРА СОСТАВА БЕТОНА

4.1. Назначение состава бетона с добавкой рекомендуется производить путем корректировки запроектированного и подобранного состава бетона без добавки.

Подбор состава бетона без добавки может производиться любыми проверенными на практике способами, обеспечивающими получение бетона с заданными свойствами при минимальном расходе цемента,

Корректировку состава бетона с добавкой в зависимости от ее вида и цели применения необходимо производить в соответствии с рекомендациями пп. 4.2 - 4.6.

Примечание. Проектирование и подбор состава бетона с добавкой может производиться сразу - без предварительного подбора состава бетона без добавки.

4.2. При применении добавки ускорителя твердения бетона с целью сокращения режима тепловой обработки или ускорения твердения бетона, выдерживаемого в естественных условиях, корректировка состава бетона заключается в установлении оптимального количества добавки, которое рекомендуется производить в следующем порядке: из подобранной бетонной смеси приготовляются замесы с введением добавки, количество которой назначается по табл. 2 с интервалом 0,5 %; из смесей формуются образцы, которые подвергаются тепловой обработке или выдерживаются в естественных условиях и испытываются на прочность при сжатии; по результатам испытаний образцов устанавливается оптимальное количество добавки; прирост прочности бетона, подвергающегося тепловой обработке, затем используется для сокращения режима тепловой обработки.

Пример подбора состава бетона с добавкой ускорителя твердения, применяемого с целью сокращения режима тепловой обработки, приводится в приложении 6.

4.3. При введении добавки ускорителя твердения бетона с целью уменьшения расхода цемента корректировку состава бетона рекомендуется производить следующим образом:

а) по п. 4.2 устанавливается оптимальное количество добавки и достигаемый прирост прочности в проектном возрасте за счет ее введения;

б) используя прирост прочности, пересчетом состава бетона устанавливается увеличенное значение В/Ц, при котором бетон с добавкой приобретает требуемую прочность; исходя из этого значения В/Ц при неизменном расходе воды и доле песка в смеси заполнителей, но уменьшенном расходе цемента подбирается смесь требуемой подвижности или жесткости;

в) из подобранной по п. 4.3 «б» бетонной смеси приготовляются замесы с введением добавки в оптимальном количестве, а также в уменьшенном, если это возможно, на 0,25 и 0,5 % массы цемента: из смесей формуются образцы, которые подвергаются тепловой обработке или выдерживаются в естественных условиях и испытываются на прочность при сжатии; по результатам испытаний устанавливается наиболее экономичный состав бетона.

Пример подбора состава бетона, подвергающегося тепловой обработке, при применении добавки ускорителя с целью сокращения расхода цемента приводится в приложении 7.

4.4. При применении пластифицирующей, пластифицирующе-воздухововлекающей или воздухововлекающей добавки с целью уменьшения расхода цемента корректировку состава бетона рекомендуется производить следующим образом:

а) производится пересчет подобранного исходного состава бетона при уменьшенном расходе цемента, но неизменной доле песка в смеси заполнителей для тяжелого бетона или неизменной объемной массе для конструктивного легкого бетона;

б) из рассчитанных бетонных смесей приготовляются замесы с введением добавки, количество которой назначается по табл. 3 или 4, причем за счет корректировки расхода воды подбираемые бетонные смеси, исходя из требуемой подвижности смеси без добавки и вида вводимой добавки, должны соответствовать данным табл. 5;

Таблица 5

Осадка конуса бетонной смеси (во время укладки), см

Бетонная смесь без добавки

Бетонная смесь с добавкой

СДБ, ССБ

мылонафта, ВЛХК, ГКЖ-10, ГКЖ-11

СНВ, СПД, ЦНИПС-1

0 - 1

0 - 1

0 - 1

0 - 1

1 - 3

1 - 2

1 - 2

0 - 2

3 - 6

3 - 5

2 - 5

2 - 4

6 - 8

5 - 7

4 - 6

3 - 5

8 - 10

7 - 9

6 - 8

4 - 6

10 - 12

9 - 11

8 - 10

5 - 7

12 - 14

11 - 13

10 - 12

6 - 8

Примечание. Жесткость бетонной смеси с добавкой должна соответствовать жесткости бетонной смеси без добавки

в) из бетонных смесей, соответствующих по осадке конуса данным табл. 5, а по жесткости - смеси без добавок, но содержащих не более 5 % воздуха, формуются образцы, которые затем подвергаются тепловой обработке или выдерживаются в естественных условиях и испытываются на прочность при сжатии; по результатам испытаний устанавливается оптимальный состав с минимальным расходом цемента.

Примечания: 1. При несоответствии прочности бетона требуемой производится повторная корректировка его состава при меньшем или большем сокращении расхода цемента либо в состав бетонной смеси вводится добавка ускорителя твердения с последующей корректировкой состава бетона по п. 4.5.

2. Для ускорения твердения бетона, выдерживаемого в естественных условиях, в состав подобранной бетонной смеси рекомендуется вводить добавку ускорителя твердения с последующей корректировкой состава бетона по п. 4.5.

3. Если проектирование исходного состава бетона без добавки производилось по плотности из расчета получения бетона требуемой морозостойкости или водонепроницаемости, то при корректировке состава бетона с воздухововлекающими или пластифицирующе-воздухововлекающими добавками целесообразно исходить из состава бетона, удовлетворяющего получению заданной прочности, а не плотности.

Пример подбора состава бетона с пластифицирующей добавкой, подвергающегося тепловой обработке, приводится в приложении 8.

4.5. Корректировку состава бетона с добавкой ускорителя твердения, вводимого совместно с пластифицирующей, пластифицирующе-воздухововлекающей или воздухововлекающей добавкой, рекомендуется производить в следующем порядке:

а) по п. 4.4 «а» и «б» подбираются бетонные смеси с пластифицирующей, пластифицирующе-воздухововлекающей или воздухововлекающей добавками;

б) в подобранную по п. 4.5 «а» бетонную смесь, характеризующуюся минимальным расходом цемента, вводится ускоритель твердения, количество которого назначается по табл. 2 с интервалом 0,5 %; из этих смесей формуются образцы, которые затем подвергаются тепловой обработке или выдерживаются в естественных условиях и испытываются на прочность при сжатии; по результатам испытаний устанавливается оптимальный состав бетона.

4.6. При применении добавок с целью улучшения свойств бетонной смеси и затвердевшего бетона (см. пп. 3.4 - 3.8) корректировку состава бетона, в зависимости от вида добавки, рекомендуется производить по пп. 4.2, 4.4 или 4.5, но она может также заключаться в установлении оптимального количества добавки с уменьшением при необходимости расхода воды.

4.7. При одновременном применении пластифицирующей и воздухововлекающей добавок по п. 4.4 рекомендуется производить корректировку состава бетона с пластифицирующей добавкой, а затем с воздухововлекающей добавкой при введении оптимальной дозировки пластификатора.

4.8. При подборе состава тяжелого и легкого бетонов с пластифицирующе-воздухововлекающими или воздухововлекающими добавками смеси обязательно должны перемешиваться в бетоносмесителе с максимальным приближением условий перемешивания (по виду смесителя и времени перемешивания) к производственным, а полученные данные затем проверяться в производственных условиях.

4.9. Определение подвижности, жесткости и объемной массы бетонной смеси должно производиться в соответствии с требованиями ГОСТ 10181-62 «Бетон тяжелый. Методы определения подвижности и жесткости бетонной смеси», ГОСТ 4799-69 «Бетон гидротехнический. Методы испытаний бетонной смеси» и ГОСТ 11051-70 «Бетон легкий на пористых заполнителях. Методы испытаний бетонной смеси», а воздухововлечение смеси - по ГОСТ 4799-69 и ГОСТ 11051-70.

4.10. При корректировке состава бетона с добавкой следует исходить из того, что обычное содержание вовлеченного воздуха в тяжелом и конструктивном легком бетонах не должно превышать 5 %. Могут назначаться и другие проценты содержания воздуха при соответствующем технико-экономическом обосновании. В гидротехническом бетоне объем вовлеченного воздуха должен находиться в пределах, указанных в ГОСТ 4797-69* «Бетон гидротехнический. Технические требования к материалам для его приготовления».

4.11. Для определения прочности бетонов с добавками образцы выдерживаются в естественных условиях или подвергаются тепловой обработке по применяемому на заводе, полигоне или стройке режиму. Размеры образцов, регламентированные сроки их испытаний принимаются такими же, как и для бетона без добавок, а определение прочности должно производиться по методике ГОСТ 10180-67 «Бетон тяжелый. Методы определения прочности» и ГОСТ 11050-64 «Бетон легкий на пористых заполнителях. Методы определения прочности и объемного веса».

4.12. При предъявлении к бетону требований по морозостойкости или водонепроницаемости испытания должны производиться в соответствии с требованиями ГОСТ 4800-59 «Бетон гидротехнический. Методы испытаний бетона», ГОСТ 10060-62 «Бетон тяжелый. Метод определения морозостойкости» или ГОСТ 7025-67 «Материалы стеновые и облицовочные. Методы определения водопоглощения и морозостойкости».

4.13. При изготовлении изделий и конструкций, к которым предъявляются архитектурные требования или поверхность которых предназначена для последующей отделки (малярные и другие работы), в случае применения ускорителя твердения бетона, в том числе и в сочетании с добавками других видов, а также при применении добавок для предотвращения появления выцветов на поверхности бетона (см. п. 3.8) необходимо производить испытание на образование высолов или выцветов по методике, приведенной в приложении 9.

4.14. Гидротехнический бетон с добавками должен быть проверен на соответствие требованиям ГОСТ 4795-68 «Бетон гидротехнический. Технические требования».

5. ПРИГОТОВЛЕНИЕ ВОДНЫХ РАСТВОРОВ ДОБАВОК И БЕТОННОЙ СМЕСИ

5.1. Технология приготовления бетона с добавкой от обычной отличается тем, что в бетоносмеситель вместе с водой подается необходимое на замес количество добавки, установленное при подборе состава бетона. При этом продолжительность перемешивания бетонной смеси должна соответствовать требованиям главы СНиП III-В.1-70 «Бетонные и железобетонные конструкции монолитные. Правила производства и приемки работ», но не превышать 3 мин для тяжелого бетона и 5 мин для легкого.

5.2. Введение необходимого количества добавки достигается затворением бетонной смеси раствором (для ГКЖ-94 эмульсией) добавки рабочей концентрации, который в зависимости от вида применяемой добавки (добавок) и условий производства приготовляется заранее или в дозаторе воды из раствора (эмульсии) повышенной концентрации по технологическим схемам, приведенным в приложении 10.

5.3. Растворы добавок рабочей или повышенной концентрации готовятся в емкостях путем растворения и последующего разбавления твердых, пастообразных или жидких продуктов. Для повышения скорости растворения продуктов рекомендуется подогревать воду до 40 - 70 °C и перемешивать растворы, а твердые продукты при необходимости предварительно дробить.

5.4. Растворы добавок рабочей или повышенной концентрации из твердых продуктов готовятся их растворением в заданном количестве воды. После полного растворения продукта ареометром проверяется плотность полученного раствора и доводится до заданной добавлением продукта или воды.

Количество продукта, необходимого для получения раствора добавки рабочей или повышенной концентрации, устанавливается по табл. 6, а их плотность - по табл. 7 - 22 приложения 3.

Таблица 6

Расход твердых продуктов добавок для приготовления водных растворов

Требуемая концентрация раствора, %

Содержание безводного продукта, кг, на 1 л воды

Требуемая концентрация раствора, %

Содержание безводного продукта, кг, на 1 л воды

Требуемая концентрация раствора, %

Содержание безводного продукта, кг, на 1 л воды

1

0,010

6

0,064

15

0,176

2

0,020

7

0,075

20

0,250

3

0,031

8

0,087

25

0,333

4

0,042

9

0,099

30

0,429

5

0,053

10

0,111

35

0,539

5.5. При приготовлении растворов добавок рабочей или повышенной концентрации из пастообразных или жидких продуктов определение содержания в них сухого вещества добавки рекомендуется производить высушиванием при 105 °C до постоянной массы навески (около 1,5 г с точностью до 1 мг) применяемого продукта.

Соотношение между продуктом и водой для приготовления раствора добавки рабочей или повышенной концентрации с последующим доведением его плотности до заданной добавлением продукта или воды целесообразно устанавливать по формулам, приведенным в приложении 10.

5.6. При использовании 50 %-ной эмульсии ГКЖ-94, поставляемой заводом, эмульсия добавки требуемой концентрации приготовляется смешением исходного продукта с водой в соотношении, устанавливаемом по формулам приложения 10.

При поставке ГКЖ-94 в виде продукта 100 %-ной концентрации эмульсию добавки следует приготовлять по методике, приведенной в приложении 11.

5.7. Растворы (эмульсию) добавок рабочей или повышенной концентрации следует хранить при положительной температуре (в условиях цеха), а жидкие, пастообразные и твердые продукты добавок - в соответствии с требованиями ГОСТ или ТУ на применяемую добавку.

6. НАЗНАЧЕНИЕ РЕЖИМА ТЕПЛОВОЙ ОБРАБОТКИ ИЗДЕЛИЙ И КОНСТРУКЦИЙ

6.1. При назначении режима тепловой обработки изделий и конструкций, отформованных из бетонов с добавками, следует исходить из режимов, применяемых для тепловой обработки изделий и конструкций из бетонов без добавок, и рекомендаций пп. 6.2 - 6.6.

Режим тепловой обработки бетонов с добавками благодаря правильному выбору их вида и количества, как правило, должен быть не продолжительнее применяемого для бетона без добавки.

Необходимость удлинения режима тепловой обработки бетона, которая возникнет при применении микрогазообразующей добавки, а в ряде случаев и пластифицирующей или пластифицирующе-воздухововлекающей добавки, т.е. целесообразность применения именно этих добавок, должна определяться соответствующим технико-экономическим обоснованием.

6.2. При применении добавок с целью сокращения режима тепловой обработки продолжительность последнего ориентировочно может устанавливаться по формуле

Bд = B - а · B(Rд - R),                                                   (1)

где Bд - продолжительность режима тепловой обработки (включая и предварительное выдерживание) бетона с добавкой, ч;

B - то же, бетона без добавки;

Rд - прочность бетона с добавкой в регламентированный после тепловой обработки срок, % от R28 (устанавливается по п. 4.2);

R - то же, бетона без добавки;

a - коэффициент, принимаемый равным 0,02, 0,03 или 0,04 при прочности бетона после тепловой обработки соответственно 50, 70 и 85 % от R28.

Возможность сокращения продолжительности отдельных этапов тепловой обработки устанавливается экспериментально.

6.3. Режим тепловой обработки бетона с воздухововлекающей добавкой, а также с добавкой ускорителя твердения бетона при применении последней для сокращения расхода цемента, улучшения свойств бетонной смеси или затвердевшего бетона, как правило, не должен отличаться от применяемого на заводе, полигоне или стройке для бетона без добавки.

6.4. Тепловая обработка изделий и конструкций, отформованных из бетонов с пластифицирующе-воздухововлекающими добавками, должна производиться по режимам продолжительностью не менее 11 ч для бетонов на портландцементах и не менее 14 ч для бетонов на шлако- или пуццолановых портландцементах.

При этом изделия и конструкции до тепловой обработки должны выдерживаться не менее 2 ч, а скорость подъема температуры не должна превышать 15 - 20 °C в час.

Режим тепловой обработки бетона с пластифицирующе-воздухововлекающей добавкой, вводимой совместно с ускорителем твердения, не должен отличаться от применяемого для бетона без добавки.

6.5. Тепловая обработка изделий и конструкций, отформованных из бетонов с добавкой СДБ или ССБ, должна производиться с соблюдением следующего режима (предварительное выдерживание при 15 - 20 °C + подъем температуры до максимальной + изотермический прогрев при максимальной температуре + снижение температуры) не менее (ч):

а) 3 + 3 + 10 + 2 при максимальной температуре 50 °C - для бетонов с Мрз300 и более или с В - 6 и более;

б) 2 + 3 + 8 + 2 при максимальной температуре 70 °C - для бетонов с Мрз до 300 или с В до 6;

в) 2 + 3 + 6 + 2 при максимальной температуре 80 - 85 °C - для бетонов на портландцементах при отсутствии специальных требований по морозостойкости или плотности;

г) 2 + 4 + 8 + 2 при максимальной температуре 90 - 95 °C - для бетонов на шлакопортландцементах или пуццолановых портландцементах при отсутствии специальных требований по морозостойкости или плотности.

Режим тепловой обработки бетона с добавкой СДБ или ССБ, вводимой совместно с ускорителем твердения, не должен отличаться от применяемого для бетона без добавки.

6.6. При введении в состав бетонной смеси добавки ГКЖ-94 изделия и конструкции до тепловой обработки необходимо выдерживать не менее 4 ч при температуре окружающей среды 20 - 30 °C и не менее 6 ч при 10 - 20 °C, а скорость подъема температуры до максимальной не должна превышать 10 °C в час. Продолжительность выдерживания изделий и конструкций при максимальной температуре определяется опытным путем в зависимости от величины требуемой прочности.

6.7. Режимы тепловой обработки изделий и конструкций должны уточняться лабораторией экспериментально для каждой партии вновь поступивших цемента и добавки.

6.8. Прочность бетона с добавками (технологическая, передаточная, отпускная или проектная) не должна отличаться от соответствующей прочности, установленной действующими ГОСТ и ТУ для бетона без добавок.

7. ОСОБЕННОСТИ КОНТРОЛЯ ЗА ПРОИЗВОДСТВОМ РАБОТ И КАЧЕСТВОМ БЕТОНА

7.1. Контроль за производством работ и качеством бетона изделий и конструкций должен осуществляться систематически в соответствии с действующими СНиП, ГОСТ, ТУ, технологическими картами и проектами, так же, как и при изготовлении изделий и конструкций из бетона без добавки.

7.2. Качество исходных материалов должно соответствовать требованиям раздела 2 настоящего Руководства.

По истечении гарантийного срока хранения добавок необходимо проверять их соответствие всем показателям действующих ГОСТ и ТУ.

7.3. Контроль за качеством растворов добавок состоит в проверке их плотности. Не допускается расходование растворов, концентрация которых отличается от заданной, а также без предварительного тщательного их перемешивания.

При проверке плотности раствора необходимо учитывать ее изменение в зависимости от температуры раствора по формуле

Пт = П20 - А(Т - 20),                                                       (2)

где Пт - замеряемая плотность раствора, г/см3;

П20 - плотность раствора при 20 °C (см. приложение 3), г/см3;

А - температурный коэффициент плотности (см. приложение 3);

Т - температура раствора в момент определения его плотности, °C.

7.4. Контроль за качеством эмульсии ГКЖ-94 должен производиться по методике, приведенной в приложении 11.

7.5. При приготовлении водных растворов или эмульсий добавок контролируется правильность дозирования воды и добавок.

7.6. Необходимо уточнять состав бетона при изменении предприятия - поставщика цемента или добавки, а также при изменении вида или марки цемента.

7.7. Особенности контроля за приготовлением бетонной смеси с добавками состоят в систематической проверке:

а) плотности раствора рабочей или повышенной концентрации и соответствия ее заданной (осуществляется после приготовления новой порции раствора в каждой емкости);

б) правильности дозирования раствора повышенной концентрации и воды (не реже двух раз в смену);

в) соответствия подвижности, жесткости, количества вовлеченного воздуха и объемной массы смеси с пластифицирующе-воздухововлекающими и воздухововлекающими добавками заданным (не реже двух раз в смену);

г) соответствия времени перемешивания бетонной смеси, особенно с пластифицирующе-воздухововлекающими и воздухововлекающими добавками, заданному.

7.8. Дозирование добавок должно осуществляться с точностью в пределах ± 2 % их расчетного количества.

При объемном дозировании растворов добавок необходимо учитывать влияние температуры на содержание добавки в 1 л раствора по формуле

                                                       (3)

где Дт - содержание добавки в л раствора при имеющейся температуре Т, кг;

Д20 - то же, при 20 °C (см. приложение 3);

Пт - плотность раствора при температуре Т;

П20 - то же, при 20 °C (см. приложение 3).

8. ТЕХНИКА БЕЗОПАСНОСТИ И ОХРАНА ТРУДА

8.1. При производстве работ необходимо строго соблюдать правила техники безопасности согласно требованиям главы СНиП III-А.11-70 «Техника безопасности в строительстве».

8.2. Нитрит натрия, нитрат кальция, ННК и ННХК должны храниться в индивидуальном складе. Запрещается их хранение в одном помещении с кислотами.

8.3. Запрещается курить и вести работы с открытым пламенем (газосварка, газорезка и др.) в помещении, где хранится кристаллический нитрит натрия. Сгораемые продукты, пропитанные раствором этой соли, легко воспламеняются и трудно поддаются тушению. Для тушения нельзя применять воду, а следует пользоваться огнетушителями или песком.

8.4. В отделениях приготовления растворов добавок и бетонной смеси, особенно при применении нитрита натрия, нитрата кальция, нитрит-нитрата кальция или нитрит-нитрат-хлорида кальция, необходимо предусматривать искусственную вентиляцию.

8.5. На емкостях, предусмотренных для хранения или приготовления растворов нитрита натрия, должна быть предупреждающая надпись «Яд».

8.6. При укладке бетонной смеси особое внимание следует обращать на соответствие технического состояния электроинструмента и проводок действующим правилам техники безопасности вследствие повышенной электропроводности бетонной смеси с добавками ускорителей твердения.

8.7. Рабочих, занятых приготовлением растворов добавок, необходимо специально инструктировать и обеспечивать резиновыми сапогами и перчатками, а также защитными очками.

8.8. Запрещается принимать пищу в помещениях, где хранятся или приготовляются растворы добавок. Необходимо остерегаться попадания растворов добавок, особенно нитрита натрия, на кожу и в пищу.

8.9. К работам по приготовлению водных растворов добавок нельзя допускать лиц, имеющих повреждения кожи рук и лица, а нитрита натрия, кроме того, лиц моложе 18 лет.

ПРИЛОЖЕНИЕ 1

ВЛИЯНИЕ ДОБАВОК НА СВОЙСТВА БЕТОННОЙ СМЕСИ И ЗАТВЕРДЕВШЕГО БЕТОНА

При введении в состав бетонной смеси добавки ускорителя твердения (NaCl, Na2SO4, K2SO4, СаСl2, Ca(NO3)2, ННК или ННХК) заряд клинкерных частиц цемента уменьшается, что приводит в начальный период к уменьшению слоя адсорбируемой ими воды, создавая предпосылки для получения более плотного и прочного бетона. Наряду с этим вводимая добавка увеличивает скорость взаимодействия клинкерных минералов цемента с водой (гидратацию) и соответственно скорость схватывания и твердения.

Положительным влиянием добавки ускорителя на уменьшение электрического заряда клинкерных частиц цемента, с одной стороны, и отрицательным - на сокращение сроков схватывания, с другой, объясняется наличие оптимума добавки и смещение его в сторону больших дозировок с уменьшением В/Ц бетона, а также различная эффективность добавки в зависимости от алюминатности цемента. В то время как для низкоалюминатного портландцемента ускоряющее действие добавки на процессы его гидратации дополняется уплотняющим ее действием в начальный период формирования структуры, для высокоалюминатного цемента уплотняющее действие не проявляется из-за ускорения схватывания цемента в присутствии добавки.

Ускоритель твердения, интенсифицируя процессы гидратации и оказывая положительное влияние на формирование структуры цементного камня, приводит к ускорению твердения бетона, выдерживаемого в естественных условиях, а также к увеличению прочности бетона сразу после тепловой обработки и в возрасте 28 суток. Это позволяет сократить сроки набора распалубочной прочности, уменьшить продолжительность тепловой обработки бетона на 10 - 20 % при применении высокоалюминатных цементов и на 20 - 40 % при применении низкоалюминатных цементов. За счет увеличения В/Ц бетона представляется возможным уменьшить расход цемента при неизменном режиме тепловой обработки или темпе набора прочности бетона естественного твердения.

Наиболее эффективным ускорителем твердения является хлорид кальция СаСl2, введение которого приводит к увеличению прочности бетона независимо от того, на каком цементе приготовлен бетон. Если же бетон приготовляется на низкоалюминатном портландцементе, то в этом случае такой же эффективной добавкой оказывается и сульфат натрия Na2SO4. Однако, если сульфат натрия в основном способствует увеличению ранней прочности бетона, то хлорид кальция повышает ее примерно одинаково во все сроки твердения. Прирост прочности бетонов с добавками Ca(NO3)2, ННК и ННХК, как правило, со временем увеличивается.

Ускорители твердения в своем составе содержат ионы, опасные с точки зрения коррозии арматуры, металла форм и трубопроводов (ион хлора - Сl-), стойкости высокопрочной арматуры (нитрат ион - ) или бетона (ион натрия - Na+ или калия - K+). Отрицательное влияние иона хлора на металл значительно уменьшается при одновременном присутствии нитрит-ионов (NO2).

Бетоны с добавками ускорителей твердения характеризуются повышенной водонепроницаемостью, особенно с добавками Ca(NO3)2, ННК и ННХК. Сульфат натрия или калия повышает стойкость бетона в агрессивных сульфатных средах, а ННК - стойкость арматуры в агрессивной хлоридной среде. Морозостойкость бетонов с добавками этого вида практически не отличается от морозостойкости бетонов без добавок.

При введении в состав бетонной смеси пластифицирующей добавки (ССБ или СДБ) поверхностно-активные вещества, входящие в состав добавки, адсорбируясь на поверхности клинкерных зерен цемента, устраняют слипание и уменьшают трение между ними, вследствие чего смесь становится более пластичной (текучей). Пластифицирующий эффект добавки увеличивается с повышением тонкости помола цемента, его расхода в бетоне, исходной подвижности бетонной смеси и больше для цементов свежего помола (нележалых). При применении шлако- или пуццолановых портландцементов, мелких песков, смесей с умеренным содержанием цемента добавки ССБ или СДБ способствуют вовлечению в бетонную смесь заметного количества воздуха (до 2 %), что приводит к увеличению ее связности и улучшению удобоукладываемости.

Однако пленки из поверхностно-активных веществ, образующихся на клинкерных зернах цемента, замедляют их гидратацию, вследствие чего бетоны характеризуется замедленным темпом твердения в раннем возрасте. Меньше всего это отрицательное действие пластификаторов проявляется при введении их в бетон на быстротвердеющих и высокоалюминатных портландцементах, подвергающихся тепловой обработке. Для бетонов, подвергающихся прогреву или обогреву, на низкоалюминатных портландцементах, шлако- и пуццолановых портландцементах введение добавок ССБ или СДБ целесообразно, когда бетон до тепловой обработки выдерживается не менее 2 ч, а скорость подъема температуры не превышает 20 °C в час. Если предварительное выдерживание меньше указанного, то введение пластифицирующих добавок возможно при скоростях подъема температуры не более 15 °C в час.

В указанных выше случаях применение добавок ССБ и СДБ позволяет сократить расход портландцемента. Однако превышение оптимальной дозировки добавки может привести к значительному замедлению твердения бетона, к получению пониженной прочности бетона как сразу после тепловой обработки, так и в более отдаленные сроки твердения.

При сохранении расхода цемента и заданной подвижности бетонных смесей пластифицирующие добавки позволяют снизить водоцементное отношение бетона и благодаря этому улучшить его технические свойства - повысить прочность, морозостойкость, водонепроницаемость, солестойкость и соответственно долговечность бетона.

Пластифицирующие добавки не изменяют прочности сцепления бетона с арматурой, не вызывают коррозии арматуры и приводят к получению бетона с пониженными усадочными деформациями, несколько повышенной трещиностойкостью и морозостойкостью, особенно когда при изготовлении смеси вовлекается заметное количество воздуха.

Введенная в состав бетонной смеси пластифицирующе-воздухововлекающая добавка (мылонафт, ВЛХК, ГКЖ-10 или ГКЖ-11) адсорбируется на клинкерных зернах цемента, уменьшая трение между ними. Особенно сильно «смазочное» действие добавки проявляется при вибрации бетонной смеси, которая по своей укладываемости вследствие этого соответствует смеси без добавки, имеющей на 1 - 2 см большую осадку конуса.

Одновременно с этим добавка способствует повышению связности смеси и ее однородности, что приводит к повышенной водоудерживающей способности вовлекаемого при перемешивании воздуха. Заметное количество последнего вовлекается при введении добавки сверх количества, адсорбируемого на поверхности клинкерных зерен.

Образующиеся на поверхности зерен пленки поверхностно-активного вещества замедляют гидратацию цемента и твердение бетона, но в меньшей степени, чем пластифицирующие добавки. При превышении оптимальных дозировок может проявляться значительное замедление твердения бетона на ранней стадии его выдерживания, особенно при введении добавок ГКЖ-10 или ГКЖ-11.

Замедляющее действие добавки на скорость гидратации цемента, а также увеличенное содержание воздуха в смеси приводят к замедлению темпа твердения бетона, понижению его прочности. Однако при содержании не более 5 % вовлеченного воздуха за счет использования благоприятного влияния добавки на формовочные свойства смеси представляется возможным, при несколько уменьшенном значении В/Ц, сократить расход цемента.

Пластифицирующе-воздухововлекающие добавки повышают морозостойкость затвердевшего бетона не менее чем в 1,5 - 2 раза благодаря вовлекаемому воздуху и гидрофобизации стенок пор и капилляров. Они повышают прочность бетона при растяжении, его трещиностойкость, газо- и водонепроницаемость, стойкость бетона при постоянном и циклическом воздействии солевых растворов, не оказывают отрицательного влияния на сцепление бетона с арматурой. Введение этих добавок уменьшает появление выцветов на поверхности затвердевшего бетона.

При введении в состав бетонной смеси воздухово-влекающей добавки (СНВ, СПД или ЦНИПС-1) поверхностно-активные вещества, входящие в состав добавки, являясь активными пенообразователями, способствуют вовлечению бетонной смесью воздуха в виде пузырьков сферической формы диаметром 25 - 250 мк.

Пузырьки воздуха придают бетонной смеси связность и повышают ее однородность. При вибрации благодаря уменьшению трения за счет вовлеченного воздуха связность смеси уменьшается, а удобообрабатываемость повышается. Вследствие этого смесь с воздухововлекающей добавкой по удобоукладываемости соответствует смеси без добавки, имеющей на 1 - 6 см большую осадку конуса.

Объем вовлекаемого бетоном воздуха определяется количеством добавки, зерновым составом и минералогической природой заполнителей, расходом цемента и его составом, способом и продолжительностью перемешивания. Практически воздух вовлекается растворной частью бетона и прежде всего зернами песка размером 0,3 - 1 мм. Если содержание в песке фракций менее 0,3 мм увеличивается, то при одном и том же количестве добавки объем вовлекаемого воздуха уменьшается. Цемент действует аналогично - увеличение его расхода снижает объем вовлекаемого воздуха. Известняковые пески вовлекают меньше воздуха, чем кварцевые.

Увеличение содержания воздуха приводит к уменьшению прочности затвердевшего бетона. Однако при содержании вовлеченного воздуха не более 5 % благодаря его пластифицирующему воздействию и уменьшению величины В/Ц представляется возможным получать бетон требуемой прочности с сокращенным расходом цемента. Эффективность применения воздухововлекающих добавок для уменьшения расхода цемента повышается с увеличением В/Ц бетона, уменьшением расхода цемента и содержания в нем трехкальциевого алюмината.

Поскольку воздухововлекающие добавки в количестве до 0,02 - 0,03 % практически не замедляют гидратацию цемента, бетоны с ними могут прогреваться по применяемым для бетонов без добавок режимам тепловой обработки. В связи с этим воздухововлекающие добавки по сравнению с пластифицирующими эффективнее применять при коротких и умеренных режимах прогрева.

Воздухововлекающие добавки повышают морозостойкость затвердевшего бетона не менее чем в 2 - 3 раза, существенно не снижают сцепления бетона с арматурой, несколько увеличивают прочность бетона при растяжении. Бетоны с этим видом добавок характеризуются несколько повышенной трещиностойкостью, газо- и водонепроницаемостью.

При введении в состав бетонной смеси добавки микрогазообразователя (ГКЖ-94) в результате реакции добавки с гидроокисью кальция выделяется водород, образующий равномерно распределенные замкнутые поры в бетоне. Эффект газообразования зависит от количества введенной добавки, температуры твердения, содержания щелочи в цементе. Эти добавки должны обеспечивать дополнительное образование газа в количестве 1 - 2 % в единице объема бетона.

Введение микрогазообразующей добавки практически не сказывается на формовочных свойствах смеси, но существенно замедляет твердение бетонов на ранних стадиях. Это приводит к необходимости удлинения предварительного выдерживания бетонов перед тепловой обработкой.

Бетоны с добавками ГКЖ-94 характеризуются повышенной прочностью при растяжении, повышенной солестойкостью в условиях капиллярного подсоса и испарения солевых растворов, попеременного увлажнения и высушивания, а также длительного и постоянного воздействия растворов солей. Кроме того, мелкопористая структура бетона и частичная гидрофобизация кремнийорганическими соединениями внутренней поверхности пор и капилляров обеспечивают высокую морозостойкость, газо- и водонепроницаемость и долговечность бетонов.

Введение этой добавки уменьшает возможность образования выцветов на поверхности бетона.

При введении в состав бетонной смеси комплексной добавки, состоящей из ускорителя твердения в сочетании с пластифицирующей, пластифицирующе-воздухововлекающей, воздухововлекающей или микрогазообразующей добавкой, ускоритель твердения частично или полностью нейтрализует отрицательное действие последних на схватывание и твердение бетона. При этом ускоритель не изменяет (Na2SO4, K2SO4) или несколько улучшает (NaCl, CaCl2, Ca(NO3)2, ННК, ННХК) начальную консистенцию бетонной смеси.

Введение ускорителя, как правило, не эффективно, если другая добавка в составе комплексной не замедляет процесс схватывания и твердения. В этом случае ускоритель твердения способствует лишь незначительному увеличению ранней прочности бетона.

Комплексная добавка, как правило, позволяет значительно уменьшить расход цемента, чем одна пластифицирующая добавка, причем практически при любых применяемых на практике режимах тепловой обработки. Однако применение комплексной добавки, состоящей из двух продуктов, менее технологично, в связи с чем ее целесообразно вводить в тех случаях, когда одна пластифицирующая, пластифицирующе-воздухововлекающая или воздухововлекающая добавка не обеспечивает получения такого же эффекта.

Влияние комплексной добавки на свойства затвердевшего бетона складывается из влияния на то или иное свойство входящих в нее индивидуальных добавок.

ПРИЛОЖЕНИЕ 2

КРАТКАЯ ХАРАКТЕРИСТИКА ДОБАВОК

Хлорид натрия NaCl представляет собой кристаллический продукт, который должен соответствовать требованиям ГОСТ 13830-68 «Соль поваренная пищевая», ТУ 6-12-26-69 Министерства химической промышленности СССР «Соль поваренная техническая. Отходы производства калия хлористого» или ТУ 6-01-540-70 Министерства химической промышленности СССР «Соль поваренная техническая». Хлорид натрия изготовляется предприятиями пищевой и химической промышленности и поставляется в расфасованном виде, а также навалом и должен храниться в условиях, исключающих увлажнение. Стоимость добавки 30 - 60 руб. за 1 т.

Нитрит натрия NaNO2 - кристаллы белого цвета с желтоватым оттенком. Изготовляется он в виде твердого и жидкого (содержание NaNO2 около 28 %) продуктов, которые должны удовлетворять требованиям ГОСТ 6194-69 «Натрий азотистокислый (нитрит натрия) технический», СТУ 302-64 или ВТУ АУ-152-62 Министерства химической промышленности СССР «Нитрит натрия в растворе». Добавка поставляется в деревянных бочках или ящиках, фанерных барабанах или бумажных мешках, а также в железнодорожных цистернах. Твердый продукт следует хранить в условиях, исключающих его увлажнение, а жидкий - в металлических емкостях, защищенных от попадания осадков, при температуре раствора не ниже точки его замерзания. Стоимость добавки 100 - 150 руб. за 1 т в расчете на сухое вещество.

Сульфат натрия Na2SO4 представляет собой нейтральную безводную натриевую соль серной кислоты и должен удовлетворять требованиям ГОСТ 6318-68 «Натрий сернокислый (сульфат натрия)» или ТУ 38-1-3-9-69 Министерства химической промышленности СССР «Натрий сернокислый гранулированный». Добавка изготовляется предприятиями химической, нефтеперерабатывающей и нефтехимической промышленности в виде порошкообразного или гранулированного продукта и поставляется в расфасованном виде; храниться должна в закрытых складских помещениях, защищенных от попадания влаги. Стоимость добавки 14 - 32 руб. за 1 т.

Сульфат калия K2SO4 - бесцветные прозрачные кристаллы, растворимые в воде. Он должен соответствовать требованиям ГОСТ 4145-65 «Калий сернокислый». Добавка изготовляется предприятиями химической промышленности и поставляется в железнодорожных вагонах; храниться должна в складских помещениях. Стоимость сульфата калия 80 - 120 руб. за 1 т.

Хлорид кальция CaCl2 изготовляется на предприятиях химической промышленности в виде обезвоженного (CaCl2), плавленого (CaCl2 · 2H2O), чешуированного и жидкого (содержание сухого вещества около 31 %) продукта и должен соответствовать требованиям ГОСТ 450-70 «Кальций хлористый технический». Обезвоженный хлорид кальция поставляется в металлических барабанах или многооборотной таре с герметичной крышкой, плавленый - в металлических барабанах, чешуированный - в полиэтиленовых мешках, жидкий - в бочках или железнодорожных цистернах. Твердые продукты могут поставляться также в бумажных мешках. Добавка в виде твердого продукта должна храниться в условиях, исключающих ее увлажнение, а в виде жидкости - в емкости, защищенной от попадания осадков, не допуская замерзания раствора. Стоимость хлорида кальция 26 - 76 руб. за 1 т в расчете на сухое вещество.

Нитрат кальция Ca(NO3)2 изготовляется в виде продуктов, состоящих из бесцветных, растворимых в воде кристаллов состава Ca(NO3)2 · 4H2O. расплывающихся на воздухе, и различных примесей. Продукты должны удовлетворять требованиям ГОСТ 4142-66 «Кальций азотнокислый» или МРТУ 6-03-195-67 Министерства химической промышленности СССР «Селитра кальциевая (техническая)». Добавка поставляется в расфасованном виде, храниться должна в сухом, закрытом складе. Стоимость добавки 60 - 70 руб. за 1 т.

Нитрит-нитрат кальция ННК представляет собой смесь нитрита (Ca(NO2)2) и нитрата (Ca(NO3)2) кальция, получаемую путем обработки отходящих окислов азота при производстве азотной кислоты гидроокисью кальция, и должен соответствовать требованиям ТУ 603-7-04-74 Министерства химической промышленности СССР «Нитрит-нитрат кальция (нитрит-нитратные щелока)». ННК изготовляется в виде пастообразного или жидкого продукта и поставляется в металлических или деревянных бочках, а также в железнодорожных цистернах. Храниться может в металлических емкостях из нелегированной стали без специальных мер защиты, а также в деревянных или бетонных емкостях. Стоимость добавки 60 - 70 руб. за 1 т.

Нитрит-нитрат-хлорид кальция ННХК - продукт, получаемый смешением нитрит-нитрат а кальция (ННК) с хлоридом кальция, и должен соответствовать требованиям ТУ 6-18-157-73 Министерства химической промышленности СССР «Хлористый кальций, ингибированный нитрит-нитратом кальция (ННХК)». Изготовляется ННХК в виде пастообразного или жидкого продукта и поставляется в металлических или деревянных бочках, а также в железнодорожных цистернах. Храниться может в металлических емкостях из нелегированной стали без специальных мер защиты, а также в деревянных или бетонных емкостях. Стоимость добавки 60 - 65 руб. за 1 т в расчете на сухое вещество.

Сульфитно-спиртовая барда (ССБ) - кальциевые соли лигно-сульфоновых кислот с примесью редуцирующих и минеральных веществ. Изготовляется ССБ на целлюлозно-бумажных комбинатах в виде концентратов барды жидких (КБЖ), твердых (КБТ) и порошкообразных (КБП) с содержанием сухих веществ соответственно не менее 50, 76 и 87 %; концентраты должны соответствовать требованиям ГОСТ 8518-57 «Концентраты сульфитно-спиртовой барды». КБЖ поставляется в железнодорожных цистернах и должен храниться в условиях, исключающих его увлажнение; КБТ и КБП поставляются в бумажных мешках, которые следует хранить в закрытых проветриваемых помещениях, располагая мешки в один ряд по вертикали, завязкой вверх. Стоимость добавки 45 - 65 руб. за 1 т в расчете на сухое вещество.

Сульфитно-дрожжевая бражка СДБ - продукт переработки ССБ, изготовляющийся в виде концентратов бражки жидких (КБЖ) и твердых (КБТ) с содержанием сухих веществ соответственно не менее 50 и 76 %. Концентраты должны соответствовать требованиям ОСТ 81-79-74 Министерства целлюлозно-бумажной промышленности СССР «Концентраты сульфитно-дрожжевой бражки». КБЖ поставляется в железнодорожных цистернах и должен храниться в условиях, исключающих его увлажнение. КБТ поставляется в бумажных мешках, которые следует хранить в закрытых проветриваемых помещениях, располагая мешки в один ряд по вертикали, завязкой вверх. Стоимость добавки 45 - 65 руб. за 1 т в расчете на сухое вещество.

Мылонафт - натриевые соли нерастворимых в воде органических кислот - должен соответствовать требованиям ГОСТ 13302-67 «Кислоты нефтяные». Поставляется он Краснодарским нефтеперерабатывающим комбинатом в виде пастообразного продукта с содержанием сухого вещества не менее 70 %, в металлических или деревянных бочках по 60 руб. за 1 т. Храниться добавка должна в закрытых складских помещениях.

Пластификатор ВЛХК - продукт омыления щелочью растворимой смолы из сточных вод, который должен соответствовать требованиям ТУ 81-05-34-73 Министерства целлюлозно-бумажной промышленности СССР «Смола омыленная водорастворимая ВЛХК». Добавка изготовляется Ветлужским лесохимическим комбинатом в виде пастообразного продукта и поставляется в металлических бочках или железнодорожных цистернах. Храниться она должна в закрытой таре в складском помещении. Стоимость добавки 60 - 70 руб. за 1 т в расчете на сухое вещество. Гарантийный срок хранения добавки 6 месяцев.

Кремнийорганические жидкости ГКЖ-10 и ГКЖ-11 - водноспиртовые растворы этил- (ГКЖ-10) или метилсиликоната натрия (ГКЖ-11) с содержанием основного вещества 30 ± 5 % - должны соответствовать требованиям МРТУ 6-02-271-63 Министерства химической промышленности СССР «Технические условия на жидкости ГКЖ-10 и ГКЖ-11». Жидкости поставляются по 650 - 700 руб. за 1 т в металлической таре, в которой они и должны храниться при температуре от 0 до 30 °C. Гарантийный срок хранения 6 месяцев.

Смола нейтрализованная воздухововлекающая СНВ - абиетиновая смола, омыленная каустической содой - должна соответствовать требованиям ТУ 81-05-75-69 Министерства целлюлозно-бумажной промышленности СССР «Смола нейтрализованная воздухововлекающая (СНВ)». Изготовляется она Тихвинским лесохимическим заводом в виде твердого продукта и поставляется в деревянных бочках. Стоимость добавки 1600 руб. за 1 т. Храниться она должна в закрытых помещениях, исключающих увлажнение продукта.

Синтетическая поверхностно-активная добавка СПД - водный раствор смеси натриевых солей высших жирных и алкилнафтеновых кислот, водорастворимых кислот и неомыляемых веществ с содержанием сухих веществ не менее 40 %. СПД должна соответствовать требованиям ТУ 38 101253-73 Министерства нефтеперерабатывающей и нефтехимической промышленности СССР «Синтетическая поверхностно-активная добавка СПД к бетонам и строительным растворам». Добавка изготовляется Ангарским нефтеперерабатывающим комбинатом, поставляется в железнодорожных цистернах и должна храниться в емкостях, защищенных от попадания осадков, при температуре не ниже точки замерзания продукта. Гарантийный срок хранения два года; стоимость 220 руб. за 1 т в расчете на сухое вещество.

Омыленный древесный пек (ЦНИПС-1) - продукт, получаемый омылением древесного пека щелочью - должен соответствовать требованиям ТУ 81-05-16-71 Министерства целлюлозно-бумажной промышленности СССР «Пластификатор древесно-пековый строительный ЦНИПС-1».

Добавка изготовляется Ветлужским и Сявским лесохимическими комбинатами в виде пастообразного продукта и поставляется в бумажных пакетах или мешках. Храниться добавка должна в крытом помещении. Гарантийный срок ее хранения 4 месяца, а стоимость 55 руб. за 1 т.

Кремнийорганическая жидкость ГКЖ-94 - полимер этилгидросилоксана, образующийся при гидролизе этилдихлорсилана - должна соответствовать требованиям ГОСТ 10834-64 «Жидкость гидрофобизирующая ГКЖ-94». Жидкость изготовляется на предприятиях химической промышленности и поставляется в герметизированной таре емкостью 5 - 20 л, в которой ее следует хранить при температуре от 0 до 20 °C. Гарантийный срок хранения один год. ГКЖ-94, поставляемую в виде водной эмульсии 50 %-ной концентрации, допускается хранить в течение 6 месяцев при температуре не выше 20 °C. Стоимость добавки 4800 руб. за 1 т.

ПРИЛОЖЕНИЕ 3

ОСНОВНЫЕ ПОКАЗАТЕЛИ ВОДНЫХ РАСТВОРОВ ДОБАВОК

Таблица 7

Содержание хлорида натрия в растворах и их плотность

Концентрация раствора, %

Плотность раствора при 20 °C, г/см3

Температурный коэффициент плотности

Содержание безводного NaCl, кг

в 1 л раствора

в 1 кг раствора

1

1,005

0,00022

0,010

0,01

2

1,013

0,00024

0,020

0,02

3

1,020

0,00026

0,031

0,03

4

1,027

0,00028

0,041

0,04

5

1,034

0,00030

0,052

0,05

6

1,041

0,00031

0,062

0,06

7

1,049

0,00033

0,073

0,07

8

1,056

0,00034

0,084

0,08

9

1,064

0,00036

0,096

0,09

10

1,071

0,00037

0,107

0,10

15

1,109

0,00043

0,166

0,15

20

1,148

0,00049

0,230

0,20

25

1,189

0,00054

0,297

0,25

30

1,228

0,00060

0,359

0,30

35

1,268

0,00066

0,423

0,35

Таблица 8

Содержание нитрита натрия в растворах и их плотность

Концентрация раствора, %

Плотность раствора при 20 °C, г/см3

Температурный коэффициент плотности

Содержание безводного NaNO2, кг

в 1 л раствора

в 1 кг раствора

1

1,005

0,00021

0,010

0,01

2

1,011

0,00023

0,020

0,02

3

1,017

0,00025

0,030

0,03

4

1,024

0,00027

0,041

0,04

5

1,031

0,00028

0,051

0,05

6

1,038

0,00030

0,062

0,06

7

1,045

0,00031

0,073

0,07

8

1,052

0,00033

0,084

0,08

9

1,058

0,00035

0,095

0,09

10

1,065

0,00036

0,106

0,10

15

1,099

0,00043

0,164

0,15

20

1,137

0,00051

0,227

0,20

25

1,176

0,00060

0,293

0,25

30

1,214

0,00070

0,364

0,30

35

1,256

0,00081

0,440

0,35

Таблица 9

Содержание сульфата натрия в растворах и их плотность

Концентрация раствора, %

Плотность раствора при 20 °C, г/см3

Температурный коэффициент плотности

Содержание безводного Na2SO4, кг

в 1 л раствора

в 1 кг раствора

1

1,007

0,00021

0,010

0,01

2

1,016

0,00023

0,020

0,02

3

1,026

0,00025

0,031

0,03

4

1,035

0,00027

0,041

0,04

5

1,044

0,00029

0,052

0,05

6

1,054

0,00030

0,063

0,06

7

1,063

0,00032

0,074

0,07

8

1,072

0,00033

0,086

0,08

9

1,082

0,00035

0,097

0,09

10

1,092

0,00036

0,109

0,10

11

1,101

0,00038

0,121

0,11

12

1,111

0,00039

0,133

0,12

13

1,121

0,00041

0,146

0,13

14

1,131

0,00042

0,158

0,14

15

1,141

0,00043

0,171

0,15

Таблица 10

Содержание сульфата калия в растворах и их плотность

Концентрация раствора, %

Плотность раствора при 20 °C, г/гм3

Температурный коэффициент плотности

Содержание безводного K2SO4, кг

в 1 л раствора

в 1 кг раствора

1

1,006

0,00022

0,010

0,01

2

1,014

0,00023

0,020

0,02

3

1,022

0,00024

0,031

0,03

4

1,031

0,00026

0,041

0,04

5

1,039

0,00027

0,052

0,05

6

1,047

0,00028

0,063

0,06

7

1,056

0,00029

0,074

0,07

8

1,064

0,00031

0,085

0,08

9

1,073

0,00032

0,097

0,09

10

1,081

0,00034

0,108

0,10

11

1,089

0,00036

0,118

0,11

12

1,097

0,00037

0,128

0,12

13

1,105

0,00038

0,139

0,13

14

1,113

0,00040

0,150

0,14

15

1,121

0,00041

0,161

0,15

Таблица 11

Содержание хлорида кальция в растворах и их плотность

Концентрация раствора, %

Плотность раствора при 20 °C, г/см3

Температурный коэффициент плотности

Содержание безводного CaCl2, кг

в 1 л раствора

в 1 кг раствора

1

1,010

0,00022

0,010

0,01

2

1,015

0,00023

0,020

0,02

3

1,023

0,00024

0,030

0,03

4

1,032

0,00025

0,041

0,04

5

1,040

0,00026

0,052

0,05

6

1,049

0,00027

0,063

0,06

7

1,058

0,00028

0,074

0,07

8

1,066

0,00029

0,085

0,08

9

1,075

0,00030

0,087

0,09

10

1,084

0,00031

0,108

0,10

15

1,130

0,00037

0,170

0,15

20

1,178

0,00042

0,236

0,20

25

1,228

0,00047

0,307

0,25

30

1,282

0,00052

0,385

0,30

35

1,362

0,00056

0,468

0,35

Таблица 12

Содержание нитрата кальция в растворах и их плотность

Концентрация раствора, %

Плотность раствора при 20 °C, г/см3

Температурный коэффициент плотности

Содержание безводного Ca(NO3)2, кг

в 1 л раствора

в 1 кг раствора

1

1,010

0,00021

0,010

0,01

2

1,014

0,00022

0,020

0,02

3

1,021

0,00023

0,031

0,03

4

1,029

0,00024

0,041

0,04

5

1,037

0,00025

0,052

0,05

6

1,045

0,00026

0,063

0,06

7

1,050

0,00027

0,074

0,07

8

1,055

0,00028

0,084

0,08

9

1,062

0,00029

0,095

0,09

10

1,077

0,00030

0,103

0,10

15

1,117

0,00035

0,173

0,15

20

1,154

0,00040

0,233

0,20

25

1,211

0,00045

0,303

0,25

30

1,259

0,00051

0,378

0,30

35

1,311

0,00055

0,459

0,35

Таблица 13

Содержание нитрит-нитрата кальция в растворах и их плотность

Концентрация раствора, %

Плотность раствора при 20 °C, г/см3

Температурный коэффициент плотности

Содержание безводного ННК, кг

в 1 л раствора

в 1 кг раствора

1

1,008

0,00021

0,010

0,01

2

1,016

0,00022

0,020

0,02

3

1,025

0,00023

0,030

0,03

4

1,034

0,00024

0,041

0,04

5

1,042

0,00025

0,051

0,05

6

1,051

0,00026

0,061

0,06

7

1,059

0,00027

0,072

0,07

8

1,068

0,00028

0,083

0,08

9

1,077

0,00029

0,094

0,09

10

1,085

0,00030

0,108

0,10

15

1,128

0,00035

0,170

0,15

20

1,171

0,00040

0,235

0,20

25

1,212

0,00045

0,302

0,25

30

1,255

0,00051

0,364

0,30

35

1,298

0,00055

0,427

0,35

Таблица 14

Содержание нитрит-нитрат-хлорида кальция в растворах и их плотность

Концентрация раствора, %

Плотность раствора при 20 °C, г/см3

Температурный коэффициент плотности

Содержание безводного ННХК, кг

в 1 л раствора

в 1 кг раствора

1

1,008

0,00022

0,010

0,01

2

1,018

0,00023

0,020

0,02

3

1,026

0,00024

0,031

0,03

4

1,035

0,00025

0,041

0,04

5

1,043

0,00026

0,054

0,05

6

1,052

0,00027

0,063

0,06

7

1,060

0,00028

0,076

0,07

8

1,070

0,00029

0,087

0,08

9

1,078

0,00030

0,099

0,09

10

1,087

0,00031

0,108

0,10

15

1,131

0,00036

0,170

0,15

20

1,175

0,00041

0,235

0,20

25

1,218

0,00046

0,305

0,25

30

1,263

0,00052

0,379

0,30

35

1,306

0,00056

0,450

0,35

Таблица 15

Содержание сульфитно-дрожжевой бражки в растворах и их плотность

Концентрация раствора, %

Плотность раствора при 20 °C, г/см3

Содержание безводной СДБ, кг

Концентрация раствора, %

Плотность раствора при 20 °C, г/см3

Содержание безводной СДВ, кг

в 1 л раствора

в 1 кг раствора

в 1 л раствора

в 1 кг раствора

1

1,004

0,010

0,01

12

1,053

0,126

0,12

2

1,009

0,020

0,02

14

1,063

0,149

0,14

3

1,013

0,031

0,03

16

1,073

0,171

0,16

4

1,017

0,041

0,04

18

1,083

0,195

0,18

5

1,021

0,051

0,05

20

1,091

0,218

0,20

6

1,025

0,061

0,06

25

1,117

0,279

0,25

7

1,029

0,072

0,07

30

1,144

0,343

0,30

8

1,033

0,083

0,08

35

1,173

0,412

0,35

9

1,038

0,093

0,09

40

1,202

0,480

0,40

10

1,043

0,104

0,10

50

1,266

0,633

0,50

Таблица 16

Содержание сульфитно-спиртовой барды в растворах и их плотность

Концентрация раствора, %

Плотность раствора при 20 °C, г/см3

Содержание безводной ССБ, кг

Концентрация раствора, %

Плотность раствора при 20 °C, г/см3

Содержание безводной ССБ, кг

в 1 л раствора

в 1 кг раствора

в 1 л раствора

в 1 кг раствора

1

1,004

0,010

0,01

12

1,054

0,124

0,12

2

1,009

0,020

0,02

14

1,061

0,148

0,14

3

1,013

0,031

0,03

16

1,072

0,170

0,16

4

1,017

0,041

0,04

18

1,081

0,191

0,18

5

1,020

0,051

0,05

20

1,100

0,220

0,20

6

1,022

0,061

0,06

25

1,120

0,275

0,25

7

1,024

0,072

0,07

30

1,150

0,330

0,30

8

1,026

0,082

0,08

35

1,175

0,405

0,35

9

1,037

0,093

0,09

40

1,200

0,480

0,40

10

1,042

0,104

0,10

50

1,270

0,630

0,50

Таблица 17

Содержание мылонафта в растворах и их плотность

Концентрация раствора, %

Плотность раствора при 20 °C, г/см3

Содержание мылонафта, кг

Концентрация раствора, %

Плотность раствора при 20 °C, г/см3

Содержание мылонафта, кг

в 1 л раствора

в 1 кг раствора

в 1 л раствора

в 1 кг раствора

1

1,002

0,010

0,01

12

1,023

0,121

0,12

2

1,004

0,020

0,02

14

1,027

0,141

0,14

3

1,005

0,030

0,03

16

1,030

0,161

0,16

4

1,007

0,040

0,04

18

1,034

0,182

0,18

5

1,009

0,050

0,05

20

1,038

0,203

0,20

6

1,011

0,060

0,06

22

1,042

0,224

0,22

7

1,013

0,070

0,07

24

1,046

0,246

0,24

8

1,015

0,080

0,08

26

1,050

0,267

0,26

9

1,017

0,090

0,09

28

1,053

0,290

0,28

10

1,019

0,100

0,10

30

1,057

0,314

0,30

Таблица 18

Содержание ВЛХК в растворах и их плотность

Концентрация раствора, %

Плотность раствора при 20 °C, г/см3

Содержание ВЛХК, кг

Концентрация раствора, %

Плотность раствора при 20 °C, г/см3

Содержание ВЛХК, кг

в 1 л раствора

в 1 кг раствора

в 1 л раствора

в 1 кг раствора

1

1,003

0,010

0,01

12

1,038

0,125

0,12

2

1,006

0,020

0,02

14

1,044

0,146

0,14

3

1,010

0,030

0,03

16

1,050

0,168

0,16

4

1,013

0,040

0,04

18

1,056

0,190

0,18

5

1,016

0,051

0,05

20

1,063

0,212

0,20

6

1,019

0,061

0,06

25

1,078

0,269

0,25

7

1,022

0,071

0,07

30

1,094

0,328

0,30

8

1,025

0,082

0,08

35

1,109

0,387

0,35

9

1,028

0,093

0,09

40

1,125

0,450

0,40

10

1,032

0,103

0,10

45

1,140

0,513

0,45

Таблица 19

Содержание ГКЖ-10 или ГКЖ-11 в растворах и их плотность

Концентрация раствора, %

Плотность раствора при 20 °C, г/см3

Содержание ГКЖ, кг

Концентрация раствора, %

Плотность раствора при 20 °C, г/см3

Содержание ГКЖ, кг

в 1 л раствора

в 1 кг раствора

в 1 л раствора

в 1 кг раствора

1

1,006

0,010

0,01

12

1,076

0,129

0,12

2

1,012

0,020

0,02

14

1,088

0,152

0,14

3

1,019

0,031

0,03

16

1,101

0,176

0,16

4

1,025

0,041

0,04

18

1,114

0,204

0,18

5

1,031

0,052

0,05

20

1,127

0,226

0,20

6

1,038

0,062

0,06

22

1,139

0,252

0,22

7

1,044

0,073

0,07

24

1,151

0,276

0,24

8

1,050

0,084

0,08

26

1,164

0,303

0,26

9

1,057

0,095

0,09

28

1,177

0,329

0,28

10

1,063

0,106

0,10

30

1,190

0,357

0,30

Таблица 20

Содержание СНВ в растворах и их плотность

Концентрация раствора, %

Плотность раствора при 20 °C, г/см3

Содержание СНВ, кг

Концентрация раствора, %

Плотность раствора при 20 °C, г/см3

Содержание СНВ, кг

в 1 л раствора

в 1 кг раствора

в 1 л раствора

в 1 кг раствора

1

1,003

0,010

0,01

12

1,036

0,124

0,12

2

1,005

0,020

0,02

14

1,042

0,146

0,14

3

1,009

0,031

0,03

16

1,048

0,168

0,16

4

1,012

0,041

0,04

18

1,054

0,190

0,18

5

1,015

0,051

0,05

20

1,060

0,212

0,20

6

1,018

0,061

0,06

25

1,075

0,269

0,25

7

1,021

0,072

0,07

30

1,089

0,327

0,30

8

1,024

0,082

0,08

35

1,105

0,386

0,35

9

1,027

0,093

0,09

40

1,120

0,448

0,40

10

1,030

0,103

0,10

45

1,135

0,511

0,45

Таблица 21

Содержание СПД в растворах и их плотность

Концентрация раствора, %

Плотность раствора при 20 °C, г/см3

Содержание СПД, кг

Концентрация раствора, %

Плотность раствора при 20 °C, г/см3

Содержание СПД, кг

в 1 л раствора

в 1 кг раствора

в 1 л раствора

в 1 кг раствора

1

0,997

0,010

0,01

12

1,026

0,123

0,12

2

1,000

0,020

0,02

14

1,030

0,144

0,14

3

1,003

0,030

0,03

16

1,034

0,165

0,16

4

1,006

0,040

0,04

18

1,038

0,188

0,18

5

1,009

0,051

0,05

20

1,042

0,209

0,20

6

1,012

0,061

0,06

25

1,052

0,263

0,25

7

1,014

0,071

0,07

30

1,061

0,318

0,30

8

1,016

0,081

0,08

35

1,071

0,375

0,35

9

1,119

0,092

0,09

40

1,080

0,432

0,40

10

1,021

0,102

0,10

45

1,090

0,491

0,45

Таблица 22

Содержание ЦНИПС-1 в растворах и их плотность

Концентрация раствора, %

Плотность раствора при 20 °C, г/см3

Содержание ЦНИПС-1, кг

Концентрация раствора, %

Плотность раствора при 20 °C, г/см3

Содержание ЦНИПС-1, кг

в 1 л раствора

в 1 кг раствора

в 1 л раствора

в 1 кг раствора

1

1,002

0,010

0,01

12

1,029

0,124

0,12

2

1,005

0,020

0,02

14

1,034

0,145

0,14

3

1,007

0,031

0,03

16

1,039

0,186

0,16

4

1,009

0,041

0,04

18

1,043

0,188

0,18

5

1,012

0,051

0,05

20

1,048

0,210

0,20

6

1,014

0,061

0,06

25

1,060

0,265

0,25

7

1,017

0,071

0,07

30

1,072

0,322

0,30

8

1,019

0,082

0,08

35

1,084

0,379

0,35

9

1,021

0,092

0,09

40

1,096

0,438

0,40

10

1,024

0,102

0,10

45

1,108

0,498

0,45

ПРИЛОЖЕНИЕ 4

ОРИЕНТИРОВОЧНОЕ СОДЕРЖАНИЕ ТРЕХКАЛЬЦИЕВОГО АЛЮМИНАТА В КЛИНКЕРАХ ЦЕМЕНТОВ

Высокоалюминатный цемент3А более 10 %) производят заводы: Ангренский, «Победа Октября», Подгоренский, Сас-Тюбинский, Сланцевский (шахтные печи), Спасский;

среднеалюминатный цемент3А = 6 - 10 %) - Акмянский, Амвросиевский (шахтные печи), Ангарский, Араратский, Ачинский, Бахчисарайский, Бекабадский, Броценский, Воркутинский, Воскресенский, «Гигант», Горнозаводский, Днепродзержинский, Днепропетровский, Душанбинский, Енакиевский, Жигулевский, Здолбуновский, Каменец-Подольский, Карагандинский, Карадагский, Каспский, Катав-Ивановский, Коркинский, Косогорский, Красноярский, Криворожский, Кричевский, Кузнецкий, Курментинский, Ленинградский, Липецкий, Магнитогорский, Михайловский, Невьянский, Николаевский, Новотроицкий, Норильский, Одесский, Ольшанский, Поронайский, «Пунане-Кунда», Разданский, Рижский, Руставский, Рыбницкий, Савинский, Себряковский, Семипалатинский, Сланцевский (вращающиеся печи), Старооскольский, Стерлитамакский, Сухоложский, Теплоозерский, Топкинский, Ульяновский, Усть-Каменогорский, Чернореченский, Чемкентский, Щуровский, Якутский, Ямницкий, Яшкинский;

низкоалюминатный цемент3А до 6 %) - Алексеевский, Амвросиевский (вращающиеся печи), Ахангаранский, Балаклейский, Безмеинский, Белгородский, «Большевик», Брянский, Волковыский, Волховский, Кантский, «Коммунар», «Комсомолец», Краматорский, «Красный Октябрь», Кувасайский, Нижне-Тагильский, «Октябрь», Первомайский, Пикалевский, Подольский, «Пролетарий», Сенгилеевский, «Спартак», Тимлюйский.

ПРИЛОЖЕНИЕ 5

ОРИЕНТИРОВОЧНЫЕ ИСХОДНЫЕ ДАННЫЕ ДЛЯ ВЫБОРА ВИДА ДОБАВКИ

Таблица 23

Прочность пропаренного бетона с добавками ускорителей твердения

Применяемый цемент

Добавка

Прочность бетона после пропаривания, % от R28

через 4 ч

в возрасте 28 сут

Быстротвердеющий портландцемент, высокоалюминатный портландцемент

Без добавки

50

100

NaCl

55

105

NaCl + NaNO2, NaCl + HHК

50

105

Na2SO4

60

105

K2SO4

55

100

CaCl2

60

110

CaCl2 + NaNO2, CaCl2 + HНК, HHXK

55

110

Ca(NO3)2, HHК

55

105

Среднеалюминатный портландцемент

Без добавки

50

100

NaCl

60

110

NaCl + NaNO2, NaCl + ННК

55

110

Na2SO4

65

110

K2SO4

60

105

CaCl2

65

115

CaCl2 + NaNO2, CaCl2 + ННК, ННХК

60

115

Ca(NO3)2, ННК

55

110

Низкоалюминатный портландцемент, шлакопортландцемент, пуццолановый портландцемент

Без добавки

50

100

NaCl

65

115

NaCl + NaNO2, NaCl + ННК

60

115

Na2SO4

70

110

K2SO4

65

110

CaCl2

70

120

CaCl2+NaNO2, CaCl2 + ННК, ННХК

65

120

Ca(NO3)2, ННК

60

115

Примечания: 1. Прочность пропаренного бетона с оптимальным количеством ускорителя твердения дана в % от 28-суточной прочности бетона стандартного хранения.

2. Приведенные в таблице данные получены при пропаривании тяжелого бетона, но в качестве ориентировочных они могут использоваться и для других методов тепловой обработки бетона, в том числе и легкого.

3. Прочность бетона с добавкой обязательно уточняется заводской или построечной лабораторией при подборе состава бетона по п. 4.2.

4. При тепловой обработке бетона по режиму, обеспечивающему получение бетоном без добавки через 4 ч после прогрева прочности более 50 % от R28, прирост прочности бетона за счет введения добавки уменьшается.

Таблица 24

Ориентировочные данные по уменьшению расхода цемента в бетоне за счет введения добавок

Применяемый цемент

Расход цемента в бетоне, кг/м3

Уменьшение расхода цемента в % при введении оптимального количества добавки

K2SO4, Ca(NO3)2, ННК

NaCl, NaCl + NaNO2, NCl + ННК, Na2SO4

CaCl2, CaCl2 + NaNO2, CaCl2 + ННК, ННХК

СДБ, ССБ

мылонафта, ВЛХК, ГКЖ-10, ГКЖ-11

СНВ, СПД, ЦНИПС-1

СДБ + Na2SO4, ССБ + Na2SO4

СДБ + CaCl2, ССБ + CaCl2

Быстротвердеющий портландцемент, высокоалюминатный портландцемент

До 300

2

4

4

2

4

4

2

4

300 - 400

0

2

2

4

4

2

4

6

Более 400

0

0

0

6

4

0

6

8

Среднеалюминатный портландцемент

До 300

4

6

8

4

6

6

4

6

300 - 400

2

4

6

6

6

4

6

8

Более 400

0

2

4

8

6

2

8

10

Низкоалюминатный портландцемент, шлакопортландцемент, пуццолановый портландцемент

До 300

6

8

10

6

8

8

6

8

300 - 400

4

6

8

8

8

6

8

10

Более 400

2

4

6

10

8

4

10

12

Таблица 25

Рациональная область применения добавок для повышения долговечности тяжелого и легкого бетонов

Требования к бетону

Ca(NO3)2

СДБ, ССБ

ВЛХК, мылонафт

СНВ, СПД

ГКЖ-10, ГКЖ-11

ГКЖ-94

СДБ + Ca(NO3)2, ССБ + Ca(NO3)2

СДБ + СНВ, СДБ + СПД, ССБ + СНВ, ССБ + СПД

ГКЖ-10 + Ca(NO3)2, ГКЖ-11 + Ca(NO3)2

ГКЖ-94 + Ca(NO3)2, ГКЖ-94 + СДБ

Водонепроницаемость:

до В - 6

+

+

+

+

+

+

+

+

-

-

более В - 6

+

-

-

+

-

+

+

+

+

+

Морозостойкость:

Мрз100, Мрз150

-

+

+

+

-

-

+

+

-

-

Мрз200, Мрз300

-

-

+

+

+

+

-

+

+

+

Мрз400, Мрз500

-

-

-

+

-

+

-

+

-

+

Солестойкость в среде:

слабоагрессивной

-

-

+

+

+

+

-

+

+

-

среднеагрессивной

-

-

-

-

+

+

-

+

+

+

сильноагрессивной

-

-

-

-

-

+

-

+

-

+

Примечания: 1. Знаком плюс указана целесообразная область применения добавки, а знаком минус - нецелесообразная.

2. Под солестойкостью подразумевается стойкость в условиях действия процессов коррозии III вида по главе СНиП II-28-73 «Защита строительных конструкций от коррозии».

3. Введение добавок в бетон, предназначенный для эксплуатации в агрессивных средах, не исключает необходимости проверки соответствия свойств этих бетонов требованиям главы СНиП II-28-73 «Защита строительных конструкций от коррозии».

ПРИЛОЖЕНИЕ 6

ПРИМЕР ПОДБОРА СОСТАВА БЕТОНА С ДОБАВКОЙ УСКОРИТЕЛЯ ТВЕРДЕНИЯ ПРИ ПРИМЕНЕНИИ ЕГО ДЛЯ СОКРАЩЕНИЯ РЕЖИМА ТЕПЛОВОЙ ОБРАБОТКИ

Требуется установить режим пропаривания бетона марки 200 с добавкой сульфата натрия, если расход материалов на 1 м3 бетона без добавки составляет: портландцемента - 310 кг, песка - 620 кг, щебня - 1315 кг, воды - 155 л. Пропаривание изделий, изготовляемых из бетона без добавки, производится по режиму 2 + 3 + 6 + 3 ч (предварительная выдержка + подъем температуры + изотермический прогрев + остывание) с получением через 4 ч после пропаривания бетона прочностью 14 МПа.

По табл. 2 находим, что при водоцементном отношении бетона 155:310 = 0,5 оптимальное количество добавки сульфата натрия составляет 1 - 2 % массы цемента. Значит, необходимо определить прирост прочности бетона с добавкой сульфата натрия в количестве 1; 1,5 и 2 % (см. п. 4.2).

Количество добавки с расходом ее 1 % составит

310 · 0,01 = 3,1 кг.

Сульфат натрия берется 10 %-ной концентрации. По табл. 9 находим, что содержание соли в 1 л такого раствора плотностью 1,092 г/см3 составляет 0,109 кг. Следовательно, для введения в бетон необходимого количества соли в виде 10 %-ного раствора на 1 м3 смеси его потребуется

3,1:0,109 = 28,4 л.

В найденном количестве раствора соли воды содержится

1,092 · 28,4 - 3,1 = 27,9 л.

С учетом воды, содержащейся в растворе добавки, количество воды для приготовления 1 м3 бетонной смеси составит

155 - 27,9 = 127,1 л.

Аналогичные расчеты производятся и при введении добавки в количестве 1,5 и 2 %, а результаты их сведены в табл. 26.

Таблица 26

Составы бетона с добавкой сульфата натрия

№ состава

Количество Na2SO4, %

Расход материалов в кг (воды и добавки, л) на 1 м бетона

цемента

песка

щебня

воды

10 %-ного раствора Na2SO4

1

0

310

620

1315

155

-

2

1

310

620

1315

127,1

28,4

3

1,5

310

620

1315

113,1

42,6

4

2

310

620

1315

99,1

56,8

Из рассчитанных бетонных смесей формуется по 6 образцов из каждого замеса. Образцы пропариваются по применяемому режиму и испытываются на прочность после пропаривания и в возрасте 28 сут.

По результатам испытаний образцов, представленных в табл. 27, видно, что к большему повышению прочности приводит введение 1,5 % соли.

Таблица 27

Результаты испытаний образцов из бетона с добавкой сульфата натрия

№ состава

Количество Na2SO4, %

Прочность образцов после пропаривания

через 4 часа

в возрасте 28 сут.

МПа

% от марки бетона 200

МПа

% от марки бетона 200

1

0

14

70

20,2

101

2

1

14,2

71

20,4

102

3

1,5

15,4

77

21,2

106

4

2

14,8

74

20,8

104

Исходя из превышения прочности бетона с добавкой над прочностью обычного бетона, по формуле (1) находится ориентировочная продолжительность пропаривания бетона с добавкой

Вд = 14 - 0,03 · 14(77 - 70) = 11 ч.

Для проверки этого положения приготовляются бетонные образцы с оптимальным количеством ускорителя, которые пропариваются по режимам 2 + 3 + 3 + 3 и 2 + 2 + 4 + 3 ч.

Прочность бетона с добавкой после пропаривания по указанным режимам уменьшилась соответственно до 13,2 и 14,5 МПа. Тогда за сокращенный режим окончательно принимается 2 + 2 + 4 + 3 ч, поскольку прочность бетона после пропаривания по этому режиму равна прочности бетона без добавки.

ПРИЛОЖЕНИЕ 7

ПРИМЕР ПОДБОРА СОСТАВА БЕТОНА С ДОБАВКОЙ УСКОРИТЕЛЯ ТВЕРДЕНИЯ ПРИ ПРИМЕНЕНИИ ЕГО ДЛЯ СОКРАЩЕНИЯ РАСХОДА ЦЕМЕНТА

За счет введения добавки ННХК требуется уменьшить расход цемента в бетоне марки 300, подвергающемся пропариванию, если прочность его через 4 ч после пропаривания и в возрасте 28 сут. составляет соответственно 21 и 33,5 МПа, а расход материалов на 1 м3 бетона без добавки составляет: портландцемента марки 400 - 380 кг, песка - 667 кг, щебня - 1186 кг, воды - 167 л.

Произведя корректировку состава бетона с добавкой в соответствии с указаниями п. 4.2 (по методике, описанной в приложении 6), установили, что оптимальной добавкой является 2 % ННХК. Ее введение приводит к увеличению прочности бетона через 4 ч после пропаривания и в возрасте 28 сут. соответственно на 10 и 10 % от R28.

В соответствии с указаниями п. 4.3 превышение прочности бетона необходимо понизить путем увеличения водоцементного отношения при неизменном расходе воды. Достигается это понижением 28-суточной прочности бетона на 10 %, т.е. до

33,5 - 33,5 · 0,1 = 30,2 МПа.

Увеличенное значение В/Ц, обеспечивающее получение бетона с этой прочностью, определяется по формуле

                                                     (4)

где Rб - требуемая прочность бетона, МПа;

Rц - активность (марка) цемента, МПа.

Подставляя в формулу (4) известные величины для применяемых материалов (Rб = 30,2 МПа, Rц = 40 МПа), находим, что В/Ц = 0,48.

Поскольку расход воды не изменяется (см. п. 4.3), то расход цемента составит

167:0,48 = 348 кг.

В соответствии с рекомендациями п. 4.3 для проверки рассчитанного состава бетона1 необходимо приготовить контрольные замесы с введением оптимального количества добавки и уменьшенного на 0,5 и 0,25 %, т.е. с дозировками ННХК 2; 1,75 и 1,5 % массы цемента.

___________

1 До применения добавки целесообразно проверить расчетную прочность бетона без добавки.

В 1 л применяемого раствора ННХК 10 %-ной концентрации (плотностью 1,087 г/см3) содержится 0,108 кг сухого вещества (см. табл. 14). Тогда для введения в бетон 2 % добавки в виде 10 %-ного раствора на 1 м3 его потребуется

348 · 0,02:0,108 = 64,4 л.

В найденном количестве раствора ННХК воды содержится

64,4 · 1,087 - 348 · 0,02 = 63 л,

т.е. расход воды на 1 м3 бетона необходимо уменьшить до

167 - 63 = 104 л.

Аналогичные расчеты производятся и при введении добавки в количестве 1,5 и 1,75 %. Результаты этих расчетов приведены в табл. 28.

Из рассчитанных бетонных смесей приготовляются контрольные замесы для определения их подвижности (жесткости). Если указанные параметры отличаются от заданных, требуемая подвижность (жесткость) смеси достигается некоторым изменением расхода цемента.

Таблица 28

Составы бетона с добавкой ННХК и уменьшенным расходом цемента

№ состава

Количество ННХК, %

Расход материалов в кг (воды и добавки в л) на 1 м3 бетона

В/Ц

Уменьшение расхода цемента, %

цемента

песка

щебня

воды

10 %-ного раствора ННХК

1

0

380

667

1186

167

-

0,45

0

2

1,5

348

678

1207

119,7

48,3

0,48

8

3

1,75

348

678

1207

111,9

56,3

0,48

8

4

2

348

678

1207

104

64,4

0,48

8

Затем из подобранных бетонных смесей формуются образцы - по 6 из каждого замеса. Образцы пропариваются по применяемому на практике режиму и испытываются на прочность через 4 ч после пропаривания и в возрасте 28 сут. Результаты этих испытаний приведены в табл. 29.

Таблица 29

Результаты испытаний образцов из бетона с добавкой ННХК и уменьшенным расходом цемента

№ состава

Прочность образцов после пропаривания

через 4 ч

в возрасте 28 сут.

МПа

% от марки бетона 300

МПа

% от марки бетона 300

1

21

70

33,5

112

2

20,1

67

30,9

103

3

20,7

69

31,5

105

4

18,9

63

29,7

99

По результатам испытаний видно, что оптимальным является бетон состава 3 с уменьшенным на 8 % расходом цемента.

При использовании заполнителей с естественной влажностью (песок - 3 %, щебень - 3 %) в расчете на 1 м3 бетона будет вводиться воды

678 0,03 + 1207 · 0,03 = 56,8 л,

в связи с чем расход воды необходимо уменьшить до

111,9 - 56,8 = 55,1 л.

Тогда расход материалов на 1 м3 бетона в производственных условиях составит:

цемента.................................................................................... 348 кг

песка (678 · 1,03)..................................................................... 698 »

щебня (1207 · 1,03)................................................................. 1243 »

10 %-ного раствора ННХК.................................................... 56,3 л

воды.......................................................................................... 55,1 »

ПРИЛОЖЕНИЕ 8

ПРИМЕР ПОДБОРА СОСТАВА БЕТОНА С ПЛАСТИФИЦИРУЮЩЕЙ ДОБАВКОЙ

Необходимо подобрать состав бетона с добавкой СДБ при условии, что расход материалов на 1 м3 бетона марки 400 без добавки составляет: среднеалюминатного портландцемента марки 500 - 425 кг, песка - 625 кг, щебня - 1159 кг, воды - 191 л. Подвижность бетонной смеси составляет 4 см по стандартному конусу, а прочность бетона через 4 ч после тепловой обработки по режиму 2 + 3 + 6 + 2 ч - около 28 МПа.

По табл. 24 (см. приложение 5) находим, что в данном случае расход цемента можно уменьшить на 8 %. При этом количество добавки должно находиться в пределах 0,15 - 0,25 % (см. табл. 3).

По п. 4.4 корректировка состава бетона с пластифицирующей добавкой должна производиться при неизменной доле песка в смеси заполнителей (625:1784 = 0,35). Тогда расход материалов при уменьшенном на 8 % расходе цемента составит:

цемента............................ 425 - 425 · 0,08 = 391 кг

воды...................................... 391 · 0,45 = 176 л

песка................................ 625 + (34 + 15)0,35 = 642 кг

щебня............................ 1159 + (34 + 15)0,65 = 1191 »

СДБ (сухого)............................... 391 · 0,0015 = 0,59 »

В 1 л имеющегося 5 %-ного раствора СДБ с плотностью 1,021 г/см3 содержится 0,051 кг сухого вещества (см. табл. 15). Для введения в бетон найденного выше количества СДБ в виде 5 %-ного раствора на 1 м3 его потребуется

0,59:0,051 = 11,5 л.

С учетом воды, содержащейся в 5 %-ном растворе СДБ, для затворения бетонной смеси всего воды потребуется

176 - (11,5 · 1,021 - 0,59) = 164,8 л.

Аналогичным образом производятся расчеты составов бетона с дозировками СДБ 0,2 и 0,25 %. Результаты этих расчетов представлены в табл. 30.

Таблица 30

Расчетные составы бетона с добавкой СДБ

№ состава

Количество СДБ, %

Расход материалов, кг (воды и добавки, л) на 1 м3 бетона

В/Ц

Уменьшение расхода цемента, %

цемента

песка

щебня

воды

5 %-ного раствора СДБ

1

0

425

625

1159

191

-

0,45

0

2

0,15

391

642

1191

164,8

11,5

0,45

8

3

0,2

391

642

1191

161,1

15,3

0,45

8

4

0,25

391

642

1191

157,4

19,1

0,45

8

Из рассчитанных составов бетона приготовляются контрольные замесы, причем за счет корректировки расхода воды добиваются получения смесей, по подвижности удовлетворяющих рекомендациям табл. 5 (в данном случае 3 см). Из подобранных смесей формуются образцы, которые прогреваются по действующему режиму и испытываются на прочность. Полученные опытные данные приведены в табл. 31.

Таблица 31

Показатели бетонной смеси и затвердевшего бетона с добавкой СДБ

№ состава

Фактические показатели бетонной смеси

Прочность образцов после пропаривания

объемная масса, кг/м3

осадка конуса, см

жесткость, с

В/Ц

через 4 ч.

в возрасте 28 сут.

МПа

% от марки бетона 400

МПа

% от марки бетона 400

1

2400

4

7

0,45

28

70

40,5

101

2

2400

3

6

0,47

25,2

63

36

90

3

2390

3

6

0,45

27,6

69

39,6

99

4

2385

3

6

0,43

24

60

36,8

92

По прочностным показателям образцов можно сделать вывод, что для производства следует принять бетон состава 3.

Для этого состава определяется фактический расход материалов в связи с изменением объемной массы смеси 1. Тогда расход материалов составит:

___________

1 Уменьшение объемной массы бетонной смеси наиболее значительно при введении пластифицирующе-воздухововлекающих и воздухововлекающих добавок.

цемента............................ 391 · 2400:2390 = 389 кг

песка................................. 642 · 2400:2390 = 638 »

щебня............................. 1191 · 2400:2390 = 1188 »

воды................................. 161,1 · 2400:2390 = 160 л

5 %-нота раствора.......... СДБ - 15,3 · 2400:2390 = 15,2 л.

Исходя из найденных значений, производится корректировка расхода материалов с естественной влажностью (по методике, описанной в приложении 7).

ПРИЛОЖЕНИЕ 9

МЕТОДИКА ОПРЕДЕЛЕНИЯ ОБРАЗОВАНИЯ ВЫСОЛОВ НА ПОВЕРХНОСТИ БЕТОНА

При введении в составы бетонных смесей добавок ускорителей твердения, главным образом солей натрия, возможно образование высолов на поверхности бетона, особенно при применении шлакопортландцемента, а также при расходах цемента свыше 400 кг/м3.

Для установления образования высолов из бетонов с различным количеством ускорителя твердения (см. пп. 4.2, 4.3 и 4.5) и без добавки изготовляется по три образца-призмы размером 10´10´30 или 15´15´45 см. После тепловой обработки, а для бетона, выдерживаемого в естественных условиях, через 28 сут. призмы на 3 - 5 см погружаются в ванну с водой, причем образцы каждой серии помещаются в различные ванны. Наружная поверхность образцов обдувается воздухом с температурой 20 - 30 °C.

В процессе испытания производится периодический осмотр поверхности образцов. Наличие высолов отмечается визуально по появлению выцветов или налету соли. Отсутствие последних в течение 7 сут свидетельствует о возможности применения этой добавки в бетоне, на поверхности которого не допускается образования высолов.

При появлении высолов необходимо уменьшать количество добавки, применять другую добавку или совместно с ускорителем твердения вводить добавку, предотвращающую образование выцветов (см. п. 3.8).

В случае применения добавок по п. 3.8 для предотвращения появления выцветов, образующихся при использовании некоторых материалов даже без добавки ускорителя твердения, испытания производятся по описанной выше методике с введением в бетон одной из этих добавок в количестве, указанном в табл. 3, с возможной последующей опытной корректировкой расхода добавки.

ПРИЛОЖЕНИЕ 10

ТЕХНОЛОГИЧЕСКИЕ СХЕМЫ И РАСЧЕТЫ ПРИ ПРИГОТОВЛЕНИИ РАСТВОРОВ ДОБАВОК

Вариант 1

Схема технологического процесса при предварительном приготовлении раствора (эмульсии) добавки рабочей концентрации показана на рис. 1.

Добавка со склада 1 через дозатор 4 подается 1 в приготовительную емкость 8 или 9. В нее же через дозатор 7 подается необходимое количество воды.

____________

1 Для подачи растворов NaCl, Na2SO4, K2SO4 и CaCl2 насос и трубопроводы (для сульфатов - до обратного клапана) целесообразно применять из химически стойких материалов.

Приготовительные емкости необходимо оборудовать системой трубопроводов для перемешивания сжатым воздухом, а при необходимости и паровыми регистрами для подогрева. Каждая приготовительная емкость должна обеспечивать бесперебойную работу бетоносмесителей в течение не менее часа.

При введении в бетон двух или трех добавок вторая и третья добавки со складов 2 и 3 через дозаторы 5 и 6 подаются в приготовительную емкость 8 или 9.

Из приготовительной емкости раствор рабочей концентрации подается в расходную емкость 10, а из нее через дозаторы воды 12 и 13 в бетоносмесители 14 и 15. В расходной емкости целесообразно установить датчики уровня 11 с соответствующей автоматикой.

Рис. 1. Схема технологического процесса при предварительном приготовлении раствора (эмульсии) добавки рабочей концентрации

При работе узла по этой схеме особое внимание следует уделять правильности дозирования компонентов в приготовительные емкости, по возможности определять плотность приготовляемого раствора после подачи в емкость каждой добавки.

В качестве дозаторов 4, 5 и 6 при применении добавок в виде твердых или пастообразных продуктов необходимо использовать весы с соответствующим пределом взвешивания, а при применении добавок в виде жидких продуктов - дозаторы для воды или точно оттарированные емкости.

Для получения раствора добавки требуемой концентрации из твердого или пастообразного продукта последний растворяется из расчета содержания сухого вещества на 1 л воды (по табл. 6) с учетом содержания основного вещества добавки в имеющемся продукте (по паспорту или анализу).

При приготовлении раствора добавок из жидких продуктов необходимое количество последних P, л, для заправки одной приготовительной емкости определяется по формуле

                                                             (5)

где Q - объем приготовляемого раствора, л;

Ц - расход цемента на 1 м3 бетона, кг;

В - расход воды на 1 м3 бетона, л;

С - дозировка добавки, % массы цемента;

Д - содержание безводного вещества добавки в 1 л продукта, кг (находится по табл. 7 - 22).

Необходимое количество воды Ф, л, для заправки одной приготовительной емкости определяется по формуле

Ф = Q - P.                                                          (6)

Плотность раствора затворения П определяется по формуле

                                                        (7)

где У - плотность жидкого продукта, г/см3.

Расход раствора рабочей концентрации на 1 м3 бетона определяется по формуле

                                                     (8)

Пример 1. Необходимо приготовить 1000 л раствора рабочей концентрации для затворения бетона с расходом цемента 320 кг/м3, воды 160 л. При подборе состава бетона установлено, что оптимальной добавкой является 0,2 % сульфитно-дрожжевой бражки. СДБ имеется в виде КБЖ с содержанием сухих веществ 50 % (плотностью 1,266 г/см3).

По формулам (5), (6) и (7) с использованием данных табл. 15 приложения 3 находим, что

Ф = 1000 - 6,3 = 993,7 л,

Таким образом, для приготовления раствора в приготовительной емкости необходимо смешать 6,3 л (6,3 · 1,266 = 8 кг) КБЖ и 993,7 л (993,7 · 1 = 993,7 кг) воды. Расход этого раствора на 1 м3 бетона составит

или 160,5 · 1,001 = 160,7 кг.

Пример 2. Необходимо приготовить 1000 л раствора рабочей концентрации для затворения бетона с расходом цемента 320 кг/м3, воды 160 л с добавкой 0,2 % СДБ + 1 % Na2SO4. Исходные продукты: КБЖ (50 %) и твердый сульфат натрия.

При указанном расходе цемента расход сульфата натрия на 1 м3 бетона составит

а концентрация раствора соли будет

По табл. 6 находим, что для получения 2 %-ного раствора сульфата натрия необходимо растворять в 1 л воды 0,02 кг безводной соли. Тогда для приготовления требуемого количества раствора из твердого продукта с содержанием в нем, например, 95 % Na2SO4 (по паспорту) в приготовительную емкость его необходимо отвесить

По формулам (5), (6) и (7) находим, что

Ф = 1000 - 6,3 = 993,7 л;

Таким образом, для приготовления раствора в приготовительной емкости необходимо смешать 21 кг сульфата натрия, 6,3 л (6,3 · 1,266 = 8 кг) КБЖ и 993,7 л (993,7 · 1 = 993,7 кг) воды. Расход этого раствора на 1 м3 бетона составит

или 160,2 · 1,023 = 163,9 кг.

Пример 3. Необходимо приготовить 1000 л раствора рабочей концентрации из КБЖ (50 %), хлорида кальция (31 %) и нитрита натрия (28 %) Для затворения бетона с расходом цемента 320 кг/м3, воды 160 л. При подборе состава бетона установлено, что оптимальной добавкой является 0,2 % СДБ + 1 % СаСl2 + 1 % NaNO2.

По формулам (5), (6) и (7) находим, что

РСДБ = 6,3 л, , ;

Ф = 1000 - 6,3 - 49,9 - 59,6 = 884,2 л;

Таким образом, для приготовления раствора в приготовительной емкости необходимо смешать 6,3 л (6,3 · 1,266 = 8 кг) КБЖ, 49,9 л (49,9 · 1,293 = 64,5 кг) раствора CaCl2, 59,6 л (59,6 · 1,198 = 71,4 кг) раствора NaNO2 и 884,2 л (884,2 · 1 = 884,2 кг) воды. Расход раствора на 1 м3 бетона составит

162,5 · 1,028 = 167,1 кг.

или

Вариант 2

На рис. 2 представлена схема технологического процесса при приготовлении раствора (эмульсии) добавки рабочей концентрации в дозаторе воды.

Добавка со склада 1 через дозатор 2 подается 1 в приготовительную емкость 3, оборудованную системой трубопроводов для перемешивания раствора сжатым воздухом, автоматической системой поддерживания температуры с точностью ± 2 °C при помощи паровых регистров и датчика температуры 4, а также датчиком 5 для контроля заданной концентрации или плотности.

____________

1 См. сноску на стр. 57.

В случае применения комплексной добавки ускоритель твердения бетона со склада 7, а при необходимости и ингибитор коррозии стали (NaNO2 или ННК) со оклада 9 через дозаторы 8 и 10 подаются в приготовительную емкость 11, оборудованную подобно емкости 3.

При отсутствии автоматической системы контроля концентрации или плотности растворов в приготовительных емкостях 3 и 11 подачу воды в них необходимо также осуществлять через дозаторы 6 и 12.

Из приготовительных емкостей 3 и 11 растворы подаются в соответствующие расходные емкости 13 и 14, каждая из которых должна обеспечивать бесперебойную работу бетоносмесителей не менее часа. В расходных емкостях целесообразно установить датчики уровня 15 с соответствующей автоматикой.

Рис. 2. Схема технологического процесса при приготовлении раствора (эмульсии) добавки рабочей концентрации в дозаторе воды

Из расходных емкостей 13 и 14 растворы повышенной концентрации через жидкостные дозаторы добавок 1 16 и 17 подаются в дозаторы воды 18 и 19. В последние вода подается из расчета получения в них растворов рабочей концентрации, которые и поступают затем в бетоносмесители 20 и 21.

___________

1 Жидкостные дозаторы добавок разработаны КТБ Стройиндустрия Минпромстроя СССР и другими организациями.

При работе по этой схеме в приготовительной емкости раствор воздухововлекающей добавки рекомендуется готовить 2 - 5 %-ной концентрации, пластифицирующей и пластифицирующе-воздухововлекающей добавки - 5 - 10 %-ной концентрации, а ускорителя твердения бетона - 10 %-мой концентрации.

Растворы добавок из твердых или пастообразных продуктов приготовляются из расчета содержания сухого вещества на 1 л воды (по табл. 6) с учетом содержания основного вещества в имеющемся продукте (по паспорту или анализу). После полного растворения проверяется плотность раствора и доводится до заданной добавлением продукта или воды.

Необходимое количество добавки в виде жидкого продукта Р, л, для заправки приготовительной емкости определяется по формуле

                                                              (9)

где Q - объем приготовляемого раствора, л;

D1 - содержание безводного вещества добавки в 1 л раствора требуемой концентрации, кг (находится по приложению 3);

D - то же, в 1 л жидкого продукта.

Необходимое количество воды Ф, л, для заправки приготовительной емкости определяется по формуле

Ф = Q - P.                                                          (10)

Расход приготовленного раствора А, л, на 1 м3 бетона определяется по формуле

                                                            (11)

где С - дозировка добавки, % массы цемента;

Ц - расход цемента на 1 м3, кг;

К - концентрация приготовленного раствора, %;

П - плотность приготовленного раствора, г/см3.

Недостающее количество воды Н в л определяется по формуле

Н = В - А,                                                           (12)

где В - расход воды на 1 м3, л.

Пример 1. Из промышленных растворов хлорида кальция (31 %) и нитрита натрия (28 %) необходимо приготовить 200 л раствора 10 %-ной концентрации по СаСl2 и 10 %-ной - по NaNO2.

По табл. 8 и 11 приложения 3 находим, что содержание безводного хлорида кальция в 1 л 10 %-ного и 31 %-ного растворов составляет соответственно 0,108 и 0,401 кг, а содержание безводного нитрита натрия в 1 л 10 %-ного и 28 %-ного растворов - 0,106 и 0,336 кг.

По формулам (9) и (10) находим, что

 

Ф = 200 - 57,9 - 63,1 = 79 л.

Значит, для приготовления раствора в приготовительной емкости необходимо смешать 57,9 л (57,9´1,293 = 74,8 кг) 31 %-ного раствора хлорида кальция, 63,1 л (63,1´1,198 = 75,8 кг) 28 %-ного раствора нитрита натрия и 79 л (79 · 1 = 79 кг) воды; плотность этого раствора должна составить

Пример 2. Требуется определить расход 5 %-ного раствора сульфитно-дрожжевой бражки для затворения бетона с расходом цемента 300 кг/м3, воды 150 л с добавкой 0,2 % СДБ.

По табл. 15 приложения 3 находим, что плотность 5 %-ного раствора СДБ составляет 1,021 г/см3. Тогда расход раствора будет

Н = 150 - 11,8 = 138,2 л,

т.е. в дозатор воды необходимо подавать 11,8 л (11,8´1,021 = 12 кг) 5 %-ного раствора СДБ и 138,2 и (138,2´1 = 138,2 кг) воды из расчета на 1 м3 бетона.

Пример 3. Требуется определить расход 5 %-ного раствора сульфитно-дрожжевой бражки и 10 %-ного раствора хлорида кальция, содержащего нитрит натрия (10 %), для затворения бетона с расходом цемента 300 кг/м3, воды 150 л, с добавкой 0,2 % СДБ + 1 % СаСl2 + 1 % NaNO2.

Плотность имеющихся растворов СДБ и СаСl2 + NaNO2 (в расчете на 10 %-ный раствор СаСl2) соответственно составляет 1,021 и 1,084 г/см3 (см. табл. 11 и 15 приложения 3). Тогда по формулам (11) и (12) находим, что

H = 150 - 11,8 - 27,7 = 110,5 л.

Таким образом, в дозатор воды необходимо подавать 11,8 л (11,8 · 1,021 = 12 кг) 5 %-ного раствора СДБ, 27,7 л (27,7 · 1,148 = 31,8 кг) раствора CaCl2 + NaNO2 и 110,5 л воды из расчета на 1 м3 бетона,

ПРИЛОЖЕНИЕ 11

ПРИГОТОВЛЕНИЕ И КОНТРОЛЬ КАЧЕСТВА ВОДНОЙ ЭМУЛЬСИИ ГКЖ-94

Водная эмульсия (10 %-ная) нерастворимой в воде кремнийорганической жидкости ГКЖ-94 готовится следующим образом.

К отмеренному объему холодной воды добавляется желатина из расчета получения 1 %-ного раствора. После введения желатины в воду раствор подогревается до 60 - 70 °C. Эта температура поддерживается до полного растворения желатины, после чего раствор охлаждается до комнатной температуры.

Охлажденный раствор желатины вливается в быстроходный смеситель (желательно с числом оборотов 5000 - 10000 об/мин), смеситель включается и в него вливается жидкость ГКЖ-94 100 %-ной концентрации. Соотношение жидкости к раствору желатины принимается 1:9.

Для получения стабильной однородной эмульсии рекомендуется пропускать получаемый продукт через эмульгатор не менее 5 раз. Приготовленная таким образом эмульсия может храниться при температуре не выше 20 °C в течение двух месяцев.

Однородность эмульсии и отсутствие в ней механических примесей определяют при помощи фильтрования под вакуумом через матерчатый фильтр на воронке Бюхнера. После фильтрования на фильтре не должно оставаться посторонних включений.

Для определения стабильности эмульсии в мерный цилиндр наливается 10 см3 эмульсии и 100 см3 воды. Содержимое цилиндра тщательно перемешивается в течение 1 мин и оставляется в покое на 2 ч. Эмульсия считается стабильной, если в течение этого времени в ней не наблюдается расслаивания.