Heating boilers. Part 7. Boilers with gas burners with forced air central heating supply with a thermal input not exceeding 1000 kW

ФЕДЕРАЛЬНОЕ АГЕНТСТВО
ПО ТЕХНИЧЕСКОМУ РЕГУЛИРОВАНИЮ И МЕТРОЛОГИИ

НАЦИОНАЛЬНЫЙ
СТА
НДАРТ
РОССИЙСКОЙ
ФЕДЕРАЦИИ

ГОСТ Р
54444-
2011

(ЕН 303-7:2006)

КОТЛЫ ОТОПИТЕЛЬНЫЕ

Часть 7

Котлы с газовыми горелками с принудительной
подачей воздуха для центрального отопления
с тепловой мощностью не более 1000 квт

EN 303-7:2006
Heating boilers - Part 7: Boilers with gas burners with
forced air central heating supply with a thermal input not exceeding 1000 Kw
(MOD)

Москва

Стандартинформ

2012

Предисловие

Цели и принципы стандартизации в Российской Федерации установлены Федеральным законом от 27 декабря 2002 г. № 184-ФЗ «О техническом регулировании», а правила применения национальных стандартов Российской Федерации - ГОСТ Р 1.0-2004 «Стандартизация в Российской Федерации. Основные положения»

Сведения о стандарте

1 ПОДГОТОВЛЕН ОАО «Научно-производственное объединение по исследованию и проектированию энергетического оборудования» (ОАО «НПО ЦКТИ»)

2 ВНЕСЕН Техническим комитетом по стандартизации ТК 345 «Аппаратура бытовая, работающая на жидком, твердом и газообразном видах топлива»

3 УТВЕРЖДЕН И ВВЕДЕН В ДЕЙСТВИЕ Приказом Федерального агентства по техническому регулированию и метрологии от 28 сентября 2011 г. № 392-ст

4 Настоящий стандарт является модифицированным по отношению к европейскому региональному стандарту ЕН 303-7:2006 «Котлы отопительные. Часть 7. Котлы с газовыми горелками с принудительной подачей воздуха для центрального отопления с тепловой мощностью не более 1000 кВт» (EN 303-7:2006 «Heating boilers - Part 7: Boilers with gas burners with forced air central heating supply with a thermal input not exceeding 1000 Kw») путем изменения отдельных фраз (слов, значений показателей, ссылок), которые выделены в тексте курсивом.

Дополнительные требования относительно требований европейского регионального стандарта EN 303-7:2006 для учета основополагающих стандартов, действующих в Российской Федерации и устанавливающих требования в части степеней защиты оболочек (кодов IP), приведены в дополнительном приложении ДА.

Сведения о соответствии ссылочных национальных и межгосударственных стандартов международным и европейским региональным стандартам, использованным в качестве ссылочных в примененном европейском региональном стандарте, приведены в дополнительном приложении ДБ

5 ВВЕДЕН ВПЕРВЫЕ

Информация об изменениях к настоящему стандарту публикуется в ежегодно издаваемом информационном указателе «Национальные стандарты», а текст изменений и поправок - в ежемесячно издаваемых информационных указателях «Национальные стандарты». В случае пересмотра (замены) или отмены настоящего стандарта соответствующее уведомление будет опубликовано в ежемесячно издаваемом информационном указателе «Национальные стандарты». Соответствующая информация, уведомление и тексты размещаются также в информационной системе общего пользования - на официальном сайте Федерального агентства по техническому регулированию и метрологии в сети Интернет

СОДЕРЖАНИЕ

1 Область применения. 3

2 Нормативные ссылки. 3

3 Термины и определения. 4

4 Требования к конструкции и эксплуатационным характеристикам.. 7

5 Методы испытаний. 14

6 Маркировка и инструкции. 27

Приложение А (справочное) Диаметры газоходов для отвода продуктов сгорания, применяемых в различных странах. 37

Приложение В (справочное) Практический метод калибровки испытательного стенда, предназначенного для определения тепловых потерь Dp 38

Приложение С (справочное) Определение тепловых потерь испытательного стенда косвенным методом и дополнительного подвода тепла от циркуляционного насоса испытательного стенда [см. 5.8.2.3, перечисление в)] 38

Приложение D (справочное) Определение времени работы в полном диапазоне до перехода в режим модуляции. 39

Приложение Е (обязательное) Определение содержания оксидов углерода и оксидов азота в продуктах сгорания. 39

Приложение F (обязательное) Случаи применения горелки с принудительной подачей воздуха для горения в соответствии с ГОСТ Р 51383. 40

Приложение G (справочное) Обозначения, применяемые в настоящем стандарте. 41

Приложение ZA (справочное) Связь между настоящим стандартом, техническим регламентом «О безопасности аппаратов, работающих на газообразном топливе», утвержденным постановлением правительства РФ от 11.02.2010 г. № 65 и Директивой ЕС 90/396/EWG.. 41

Приложение ДА (обязательное) Дополнительные требования к котлам с газовыми горелками с принудительной подачей воздуха для центрального отопления с тепловой мощностью не более 1000 кВт. 43

Приложение ДБ (справочное) Сведения о соответствии ссылочных национальных и межгосударственных стандартов международным и европейским региональным стандартам, использованным в качестве ссылочных в примененном европейском региональном стандарте. 43

Библиография. 43

Введение

Настоящий стандарт устанавливает технические требования и методы испытаний для проектирования, производства и безопасной эксплуатации с учетом рационального энергопотребления отопительных котлов с газовыми горелками с принудительной подачей воздуха с номинальной тепловой мощностью до 1000 кВт и рабочей температурой до 115 °С.

Котлы предназначены для систем центрального отопления. Теплоносителем является вода. Максимально допустимое рабочее давление до 8 ∙ 105 Па (8 бар).

НАЦИОНАЛЬНЫЙ СТАНДАРТ РОССИЙСКОЙ ФЕДЕРАЦИИ

КОТЛЫ ОТОПИТЕЛЬНЫЕ

Часть 7

Котлы с газовыми горелками с принудительной подачей воздуха
для центрального отопления с тепловой мощностью не более 1000 кВт

Heating boilers. Part 7. Boilers with gas burners with forced air central heating
supply with a thermal input not exceeding 1000 Kw

Дата введения - 2012-07-01

1 Область применения

Настоящий стандарт устанавливает требования к конструкции, безопасности и рациональному использованию энергии для газовых котлов центрального отопления, оборудованных газовыми горелками с принудительной подачей воздуха для горения, и методы их испытаний.

Настоящий стандарт распространяется на котлы типа В23 с номинальной тепловой мощностью не более 1000 кВт, температурой воды на выходе котла при нормальной эксплуатации не более 115 °С и максимальным давлением в водяном контуре не более 8 ∙ 105 Па (8 бар).

Настоящий стандарт распространяется на котлы, изготовленные вместе с газовой горелкой с принудительной подачей воздуха для горения в заводских условиях и поставляемые как единые изделия.

Настоящий стандарт не распространяется на котлы и газовые горелки с принудительной подачей воздуха для горения, которые изготавливаются и поставляются как отдельные изделия. В этом случае применяют ГОСТ Р 54442.

Настоящий стандарт не распространяется на:

- конденсационные и комбинированные котлы;

- котлы, устанавливаемые вне помещения;

- стационарные котлы, монтируемые более чем с одним газоходом;

- котлы, предназначенные для присоединения к общей системе вентиляции с принудительной вытяжкой;

- котлы, оборудованные несколькими камерами сгорания.

Настоящий стандарт не распространяется на котлы, устанавливаемые в жилых помещениях (см. 3.6).

Настоящий стандарт устанавливает только методы испытаний типа.

2 Нормативные ссылки

В настоящем стандарте использованы ссылки на следующие стандарты:

ГОСТ Р 51383-99 Горелки газовые автоматические с принудительной подачей воздуха. Технические требования, требования безопасности и методы испытаний

ГОСТ Р 52161.1-2004 (МЭК 60335-1:2001) Безопасность бытовых и аналогичных приборов. Часть 1. Общие требования

ГОСТ Р 54440-2011 (ЕН 303-1:1999) Котлы отопительные. Часть 1. Отопительные котлы с горелками с принудительной подачей воздуха. Терминология, общие требования, испытания и маркировка

ГОСТ Р 54442-2011 (ЕН 303-3:1998) Котлы отопительные. Часть 3. Газовые котлы центрального отопления. Агрегат, состоящий из корпуса котла и горелки с принудительной подачей воздуха. Требования к теплотехническим испытаниям

ГОСТ 14254-96 (МЭК 529-89) Степени защиты, обеспечиваемые оболочками (код IP) МК (ИСО 3166) 004-2004 Общероссийский классификатор стран мира

Примечание - При пользовании настоящим стандартом целесообразно проверить действие ссылочных стандартов и классификаторов в информационной системе общего пользования - на официальном сайте Федерального агентства по техническому регулированию и метрологии в сети Интернет или по ежегодно издаваемому информационному указателю «Национальные стандарты», который опубликован по состоянию на 1 января текущего года, и по соответствующим ежемесячно издаваемым информационным указателям, опубликованным в текущем году. Если ссылочный документ заменен (изменен), то при пользовании настоящим стандартом следует руководствоваться заменяющим (измененным) документом. Если ссылочный документ отменен без замены, то положение, в котором дана ссылка на него, применяется в части, не затрагивающей эту ссылку.

3 Термины и определения

В настоящем стандарте применены следующие термины с соответствующими определениями:

3.1 Расход газа

3.1.1 объемный расход газа: V, Vr, м3/ч: Объем газа, потребляемого котлом в единицу времени при непрерывной работе.

Примечание - V - при условиях испытаний; Vr - при стандартных условиях.

3.1.2 массовый расход газа М, Мr, кг/ч или г/ч: Масса газа, поступающая в котел в единицу времени при непрерывном режиме работы.

Примечание - М - при условии испытаний; Мr - при стандартных условиях.

3.2 тепловая мощность Q, кВт: Произведение объемного или массового расхода газа на величину низшей теплотворной способности газа, приведенное к стандартным условиям.

3.2.1 номинальная тепловая мощность Qn, кВт1): Тепловая мощность, указанная производителем.

_____________

1) Котлы, оборудованные устройствами регулирования расхода, работают при номинальной тепловой мощности между максимальной и минимальной регулируемой тепловой мощностью. Модулирующие котлы работают между номинальной тепловой мощностью и минимальной контролируемой тепловой мощностью. Максимальная тепловая мощность соответствует номинальной производимой мощности котла в соответствии с ГОСТ Р 54440.

3.3 Выходная мощность

3.3.1 теплопроизводительность Р, кВт: Количество теплоты, передаваемой теплоносителю за единицу времени.

3.3.2 номинальная теплопроизводительность Рп, кВт: Теплопроизводительность, указанная производителем.

3.4 коэффициент полезного действия ηu, %: Отношение теплопроизводительности к тепловой мощности.

3.5 номинальное напряжение: Напряжение или диапазон напряжения, указанный производителем, при котором котел функционирует в нормальном режиме.

3.6 котел, устанавливаемый в жилом помещении: Котел тепловой мощностью до 37 кВт с открытой камерой сгорания и естественной циркуляцией горячей воды, предназначенный для обогрева жилой зоны в месте установки посредством выделения тепла из корпуса.

3.7 котел: Устройство, состоящее из корпуса и газовой горелки с принудительной подачей воздуха, сконструированное и собранное изготовителем в заводских условиях и поставляемое как укомплектованное изделие.

3.8 газы и категории: Газы, классифицируемые по семействам, группам и классам в соответствии с [1].

Котлы классифицируют по категориям в соответствии с [1].

3.9 Классификация котлов в зависимости от способа отвода продуктов сгорания

3.9.1 тип В: Котел, предназначенный для подключения к дымоходу, который отводит продукты сгорания за пределы помещения, в котором находится котел. Воздух для горения подводится непосредственно из помещения.

3.9.2 тип В2: Котел типа В без стабилизатора тяги.

3.9.3 тип В23: Котел типа В2 со встроенным дутьевым устройством на входе камеры сгорания/теплообменника.

3.10 горелка с принудительной подачей воздуха: Горелка, в которой воздух для горения подается вентилятором.

3.11 автоматическая горелка с принудительной подачей воздуха: Горелка с принудительной подачей воздуха, оборудованная автоматическим зажиганием, системой контроля пламени и устройствами управления горелки. Зажигание, контроль пламени и включение/выключение горелки происходят автоматически. Тепловую мощность можно регулировать во время работы автоматически или вручную.

3.12 горелка предварительного смешивания: Горелка, в которой смешение газа и воздуха (в количестве не менее теоретически необходимого для полного сгорания) происходит перед отверстиями для выхода пламени.

3.13 горелка с соплом смешения: Горелка, в которой смешение газа и воздуха (в количестве не менее теоретически необходимого для полного сгорания) происходит в сопле или над отверстиями для подвода газа и воздуха.

3.14 расход пускового газа: Расход газа, сожженного в запальном устройстве во время запуска горелки.

3.15 камера сгорания: Часть котла, в которой происходит сгорание смеси воздуха и газа.

3.16 газовая линия (рампа): Часть горелки между входным газовым патрубком и соплом горелки, по которой подается газ и которая состоит из клапанов, устройств контроля и безопасности.

3.17 устройство регулирования расхода: Компонент горелки, предназначенный для регулирования тепловой мощности в диапазоне тепловой мощности, указанной производителем, для соответствия тепловой нагрузке установки. Регулировка может быть плавной или ступенчатой.

3.18 автоматический отсечный клапан: Устройство, автоматически открывающее, закрывающее или изменяющее расход газа по сигналу от системы управления и/или аварийной защиты.

3.19 устройство розжига: Любые средства (пламя, электрическое зажигание или иные средства), используемые для зажигания газа в запальной горелке или основной горелке.

3.20 продувка: Принудительный подвод воздуха в камеру сгорания и дымоотводящие каналы с целью удаления остатков газовоздушной смеси и/или продуктов сгорания.

3.21 стабильность пламени: Способность пламени удерживаться у выходного отверстия горелки или в зоне удержания пламени в соответствии с конструкцией.

3.22 отрыв пламени: Полный или частичный отрыв основания пламени от головки горелки или зона стабилизации пламени, предусмотренная проектом.

3.23 проскок пламени: Явление, характеризующееся перемещением пламени внутрь горелки.

3.24 термостат управления: Устройство, обеспечивающее автоматическое поддержание температуры воды в пределах заданного диапазона на определенном уровне.

3.25 регулируемый термостат управления: Термостат управления, позволяющий оператору установить требуемую температуру в диапазоне от минимального до максимального значений.

3.26 защитный ограничитель температуры: Устройство, обеспечивающее безопасное выключение и энергонезависимую блокировку с целью предотвращения превышения предустановленного предела температуры воды.

3.27 заслонка газохода: Устройство, имеющее закрывающий элемент, который блокирует проход газа в газовой линии (рампе) при выключении основной горелки.

3.28 заслонка воздуховода: Устройство, имеющее перекрывающий элемент, который фактически блокирует канал подачи воздуха при выключении основной горелки.

3.29 время безопасности розжига tSA: Время между командой открытия и командой закрытия подачи газа в случае необнаружения пламени.

3.30 время безопасности погасания tSE: Время между погасанием наблюдаемого пламени и командой закрытия подачи газа в горелку.

3.31 первое время безопасности: Период между подачей энергии к газовому клапану запальной горелки, пусковому газовому клапану или главному газовому клапану(ам) и отключением энергии от клапана запального газа, пускового газового клапана или главного газового клапана(ов), если устройство детектора пламени подаст сигнал об отсутствии пламени.

Примечание - В случаях, когда второе время безопасности отсутствует, данный период будет называться временем безопасности.

3.32 второе время безопасности: В случаях, когда первое время безопасности применимо только для запальной горелки или пламени пускового газа, второе время безопасности является периодом между подачей энергии к основным газовым клапанам и отключением энергии от основных газовых клапанов в случае, если устройство детектора пламени подаст сигнал об отсутствии пламени.

3.33 время полного закрытия: Период, начинающийся одновременно с сигналом о том, что пламя было погашено, и заканчивающийся с закрытием запорных клапанов.

3.34 автоматический повторный пуск: Процедура запуска, когда после потери пламени во время работы подача газа прерывается и автоматически повторно восстанавливается.

3.35 энергонезависимая блокировка: Условия безопасного отключения системы, при которых перезапуск можно завершить только ручным сбросом системы и никак иначе.

3.36 конденсат: Жидкость, формируемая продуктами горения во время процесса конденсации.

3.37 стандартный котел: Котел, для которого температура воды может быть ограничена по проекту.

3.38 низкотемпературный котел: Котел, который может работать непрерывно с температурой подачи воды от 35 °С до 40 °С, и в котором при определенных условиях может иметь место конденсация продуктов горения.

3.39 коэффициент избытка λ: Соотношение фактического объема воздуха к стехиометрическому объему воздуха.

3.40 число Воббе W, МДж/м3: Показатель, представляющий собой отношение теплоты сгорания газа к квадратному корню относительной плотности при стандартных условиях. Характеризует постоянство теплового потока, получаемого при сжигании газа. Число Воббе называют высшим (WOB) и низшим (WOH) в зависимости от используемой теплоты сгорания газа.

4 Требования к конструкции и эксплуатационным характеристикам

4.1 Общие требования

Котел должен соответствовать требованиям, установленным в ГОСТ Р 54440.

Конструкция и оборудование газовых горелок с принудительной подачей воздуха для горения должны соответствовать ГОСТ Р 51383.

Эксплуатационные характеристики горелок с принудительной подачей воздуха для горения следует проверять на котле.

Соответствующие требования и испытания установлены в настоящем стандарте.

В случае, если горелка с принудительной подачей воздуха для горения соответствует ГОСТ Р 51383, то проводят только испытания в соответствии с приложением F.

Для низкотемпературных котлов все детали теплообменника(ов) и другие детали котла, которые также контактируют с конденсатом, должны быть изготовлены из коррозионно-стойких материалов или из материалов с соответствующим покрытием, чтобы гарантировать установленный срок службы для котла при условии его установки, эксплуатации и обслуживания в соответствии с инструкциями изготовителя.

Поверхности, контактирующие с конденсатом (за исключением системы дренажа, влагоотделителей и сифонов), должны быть сконструированы таким образом, чтобы предотвращать появление конденсата.

4.2 Эксплуатационные требования

Соответствие следующим требованиям проверяют на котле по 5.1, если не указано иное.

4.2.1 Основные эксплуатационные требования

Устройство управления не должно прерывать работу какого-либо предохранительного устройства.

4.2.2 Внешняя герметичность газового тракта горелки

При проведении испытания в соответствии с 5.2 газосодержащие части горелки, вплоть до последнего по ходу газа отключающего устройства, должны быть герметичными.

4.2.3 Диапазон тепловой мощности

При условиях испытаний по 5.3 при нормальном испытательном давлении отклонение максимального и минимального значений тепловой мощности, указанных изготовителем, не должно превышать ±5 %.

4.2.4 Регулятор давления газа

Регуляторы давления газа должны отвечать требованиям ГОСТ Р 51383.

Подача газа при нормальной эксплуатации и розжиге должна контролироваться регулятором, поддерживающим стабильное давление газа на основной горелке. При условиях испытаний по 5.4 отклонение тепловой мощности не должно превышать ±5 % от установленного значения, если давление на входе изменяется в пределах между минимальным и максимальным значениями.

4.2.5 Требования безопасности

4.2.5.1 Предельная температура устройств управления и безопасности

При тестовых условиях по 5.5.1, окружающая температура устройств управления и безопасности не должна превышать максимальное значение, указанное производителем устройств, а уровень их работы должен оставаться удовлетворительным.

4.2.5.2 Предельная температура ручек управления и частей, к которым возможно прикосновение При условиях испытаний по 5.5.2 температура ручек управления и всех частей, к которым необходимо прикасаться, не должна превышать температуру окружающего воздуха более чем на:

25 °С - для металлов;

35 °С - для фарфора;

40 °С - для пластика.

4.2.5.3 Предельная температура боковых стенок, передней стороны и верха

При условиях испытаний по 5.5.3:

- температура боковых, передней стенок и крышки котла не должна превышать температуру окружающего воздуха более чем на 80 °С.

Данное требование не распространяется на части кожуха, отстоящие менее чем на 5 см от края смотрового окна и на 15 см от трубы газохода;

- средняя температура дверец котла и дверец для чистки не должна превышать температуру окружающего воздуха более чем на 100 °С.

4.2.5.4 Предельная температура пола

При условиях испытаний по 5.5.4 температура пола, на котором установлен котел, а также боковых и задних поверхностей, у которых установлен котел, не должна превышать 80 °С.

Если температура составляет от 50 °С до 80 °С, изготовитель должен указать в инструкции по монтажу вид защиты, которая должна быть установлена между котлом и полом или стенами из легковоспламеняющихся материалов.

4.2.5.5 Запуск котла

Запуск котла должен быть возможен только при выполнении следующих условий:

a) каждое блокировочное устройство, встроенное в котел (например, заслонка газохода), находится в правильном положении;

b) детектор обнаружения пламени проверен на правильность функционирования.

Это можно также проверить при выполнении предварительной продувки или после контролируемого выключения;

c) любой клапан с системой диагностики проверяют на отсутствие сбоев. Это можно проверить также при выполнении предварительной продувки или после контролируемого выключения;

d) устройство для отвода продуктов сгорания, входящее в общую систему котла, проверено на правильное функционирование.

При условиях испытаний по 5.5.5 в котле не должно возникать чрезмерного колебания давления или пульсации пламени.

4.2.5.6 Розжиг и устойчивость пламени

a) При условиях испытаний по 5.5.6 розжиг должен осуществляться корректно, быстро и без каких-либо пульсаций. Пламя должно быть стабильным и не должно создавать дополнительный шум. Допускается незначительный отрыв пламени в момент розжига, но затем пламя должно быть стабильным.

Для котлов, оборудованных устройствами задания диапазона, эти требования должны выполняться в диапазоне тепловой мощности, указанной изготовителем.

b) Розжиг котла при пониженном давлении перед срабатыванием реле низкого давления газа или устройства контроля пламени не должен вызвать возникновение опасных ситуаций при эксплуатации или повреждение котла.

4.2.5.7 Устойчивость горелки к перегреву

При тестовых условиях по 5.5.7 различные части горелки не должны подвергаться разрушению, допускается незначительное обгорание поверхности частей, находящихся в зоне высоких температур, с последующим контролем.

4.2.5.8 Предварительная продувка

Перед включением устройства розжига камера сгорания должна продуваться.

Продолжительность предварительной продувки должна:

a) составлять как минимум 20 с при расходе воздуха, соответствующем максимальной номинальной тепловой мощности, при котором происходит полное сжигание газа; или

b) при сниженном расходе воздуха - соответствовать периоду времени продувки, увеличенному обратно пропорционально значению уменьшения расхода воздуха.

Пример - 100 %-ный расход воздуха - минимум 20 с предварительной продувки; 50 %-ный расход воздуха - минимум 40 с предварительной продувки; 33 %-ный расход воздуха (минимально допустимый) - минимум 60 с предварительной продувки.

Уменьшение расхода воздуха не должно быть менее 33 % от расхода воздуха для полного сжигания.

Если расход воздуха опустится ниже допустимого уровня во время продувки, то:

a) должно произойти защитное отключение котла; или

b) продувка будет продолжена до тех пор, пока расход воздуха не начнет возрастать и достигнет 33 % от необходимого расхода воздуха, при этом общее время продувки не должно сократиться.

После управляемого отключения допускается производить повторный пуск без предварительной продувки для:

a) котлов с тепловой мощностью не более 70 кВт, оснащенных либо двумя защитными запорными клапанами класса А, либо двумя защитными запорными клапанами класса В с системой диагностики;

b) котлов с тепловой мощностью более 70 кВт, оснащенных двумя защитными запорными клапанами класса А с системой диагностики.

Предварительная продувка должна выполняться при любом повторном пуске, даже после защитного отключения.

4.2.6 Оборудование управления и безопасности

4.2.6.1 Тепловая мощность при запуске

Котлы с номинальной тепловой мощностью не более 120 кВт могут разжигаться напрямую.

Для горелок с номинальной тепловой мощностью более 120 кВт пусковая мощность розжига при соответствующем расходе газа при запуске не должна превышать 120 кВт или значение, определяемого из выражения

tSA Qs ≤ 100 или tSA Qs ≤ 150, где применимо (см. таблицу 1),

где tSA - время безопасности розжига, с;

Qs - максимальная пусковая мощность в % от номинальной тепловой мощности.

Испытания должны проводиться при условиях по 5.6.1.

Таблица 1 - Максимальная тепловая мощность при пуске Qs и время безопасности розжига tSA

Основная горелка

Прямой розжиг основной горелки при номинальном расходе

Прямой розжиг основной горелки при уменьшенном расходе

Прямой розжиг основной горелки при уменьшенном расходе с независимой подачей газа при пуске

Розжиг основной горелки с независимой запальной горелкой

Розжиг запальной горелки

Розжиг основной горелки

Значение Qn, кВт

Значение Qs, кВт

Время безопасности, с

Значение Qs, кВт

Время безопасности, с

Значение Qs, кВт

Время безопасности, с

Значение Qs, кВт

Первое время безопасности, с

Значение Qs, кВт

Второе время безопасности, с

До 70 включ.

Qn

5

Qn

5

Qn

5

≤ 0,1Qn

5

Qn

5

Св. 70 до 120 включ.

Qn

3

Qn

3

Qn

3

≤ 0,1Qn

5

Qn

3

Св. 120

Не допускается

120 кВт или tSAQs ≤ 100

(tSA, max = 3 с)

≤ 0,1Qn

3

120 кВт или tSAQs ≤ 150

(tSA, max = 5 с)

Примечание - Qn - максимальная тепловая мощность горелки, кВт;

Qs - максимальная пусковая мощность в % от номинальной тепловой мощности;

tSA - время безопасности розжига, с.

4.2.6.2 Пуск

Пусковые газовые клапаны для розжига должны открываться не ранее, чем появится зажигательная искра (или другой способ зажигания).

Если используется разогретая поверхность системы розжига, то система розжига должна включаться таким образом, чтобы источник розжига мог зажечь подаваемый газ перед началом открытия газового(ых) клапана(ов) для розжига.

Во время пуска должна быть обеспечена стабильность пламени. В случае, если пламя погаснет, должны выполняться требования 4.2.6.5.

Если газовая линия сконструирована таким образом, что подача газа на запальную горелку осуществляется путем отбора газа между двумя газовыми клапанами основной горелки, может возникнуть опасная ситуация при неполностью закрытом газовом клапане, расположенном перед основной горелкой, и зажженной запальной горелке.

Если пусковая мощность розжига контролируется устройством пусковой мощности, расположенным после основного запорного клапана, то должна быть обеспечена возможность предварительной настройки и герметизации этого устройства.

Испытания должны проводиться при условиях по 5.5.6.

4.2.6.3 Розжиг основной горелки

а) Розжиг с помощью запальной горелки

Если пусковое пламя было зажжено на отдельной запальной горелке и продиагностировано, то второе время безопасности не должно превышать время безопасности, указанное в таблице 1, по истечении которого должен начаться период распознавания основного пламени. Если пламя основной горелки не будет обнаружено по окончании этого периода, то применяют требования 4.2.6.5.

Испытания должны проводиться при условиях по 5.5.6.

б) Прямой розжиг основной горелки

Источник розжига не должен включаться, пока не завершится время предварительной продувки, или до истечения времени безопасности.

Для котлов, у которых используются системы розжига от разогретой поверхности, система розжига должна включаться таким образом, чтобы источник розжига мог зажечь подаваемый газ перед началом открытия газовых клапанов.

Испытания должны проводиться при условиях по 5.5.6.

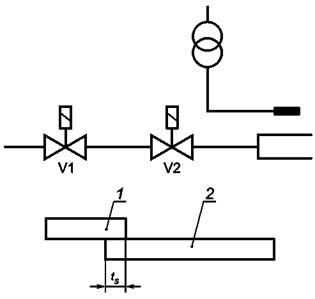
4.2.6.4 Время безопасности

а) Время безопасного розжига

Время безопасного розжига должно определяться по выражению, приведенному в 4.2.6.1, как функция расхода газа при розжиге газа и не должно превышать 5 с.

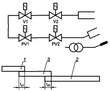
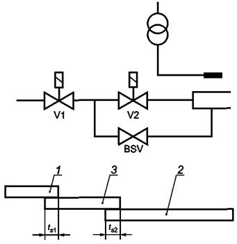
Розжиг основной и запальной горелок, максимальная пусковая мощность розжига и соответствующее время безопасности должны соответствовать значениям, указанным в таблице 1, согласно максимальной тепловой мощности горелки. Соответствующие системы розжига показаны на рисунках 8 - 11.

Розжиг горелки может быть осуществлен одним из следующих методов:

- прямой розжиг основной горелки при полном расходе Qn (см. таблицу 1, графы 2, 3 и рисунок 8);

- прямой розжиг основной горелки при уменьшенном расходе (см. таблицу 1, графы 4, 5 и рисунок 9);

- прямой розжиг основной горелки при уменьшенном расходе с независимой подачей газа при пуске (см. таблицу 1, графы 6, 7 и рисунок 10);

- розжиг основной горелки с помощью независимой запальной горелки (см. таблицу 1, графы 8 - 11 и рисунок 11).

Наибольшие значения пусковой мощности розжига, приведенные в таблице 1, могут быть достигнуты в конце безопасного времени розжига при условии, что общее количество энергии, выделенной в камеру сгорания в течение времени безопасности (времени срабатывания), не превышает количества выделяемой энергии, рассчитанной умножением значений максимальной пусковой мощности розжига на значения времени безопасности, указанные в таблице 1.

Если подводимое электрическое напряжение UN источника электропитания изменяется в пределах от 85 % до 110 % номинального напряжения, указанного изготовителем, то время безопасности, заявленное изготовителем, не должно быть превышено.

Значения времени безопасности, указанные в таблице 1, - это абсолютный максимум.

Испытания должны проводиться при условиях по 5.6.2.1.

б) Время безопасного погасания

При условиях испытаний по 5.6.2.2 время безопасного погасания не должно превышать 1 с.

в) Общее время закрытия

При условиях испытаний по 5.6.2.3 общее время закрытия не должно превышать 2 с. Два клапана должны закрываться одновременно, но если используется система контроля клапана, то возможна задержка для второго клапана до 2 с.

4.2.6.5 Сбой при розжиге

Для котлов с тепловой мощностью не более 120 кВт сбой при розжиге приводит к:

a) одной попытке повторного пуска и энергонезависимой блокировке в случае неудачной попытки; или

b) к энергонезависимой блокировке.

Для котлов с тепловой мощностью более 120 кВт сбой при розжиге приводит к энергонезависимой блокировке.

Испытание должно проводиться при условиях по 5.6.2.4.

4.2.6.6 Погасание пламени во время работы

В случае погасания пламени во время работы система контроля пламени должна подать сигнал на энергонезависимую блокировку. Исключением для котлов с тепловой мощностью не более 120 кВт с прямым розжигом основной горелки являются такие случаи, когда допускается попытка повторного пуска.

Если попытка повторного пуска оказалась неудачной, должна происходить энергонезависимая блокировка.

Испытание должно проводиться при условиях по 5.6.2.5.

4.2.6.7 Выключение котла

Срабатывание устройства безопасности, кроме устройства обнаружения низкого давления газа, должно приводить к энергонезависимой блокировке за время, не превышающее общего времени закрытия.

4.2.6.8 Термостаты управления и защитные ограничители температуры

При условиях по 5.6.3:

- проверяют, что термостат управления прерывает работу котла при достижении значения температуры, установленного изготовителем, но не выше 105 °С, с погрешностью ±10 °С;

- проверяют, что защитные ограничители температуры прерывают работу котла при достижении значения температуры, установленного изготовителем, которое должно быть ниже 110 °С или ниже 120 °С, если изготовитель указывает в инструкциях, что котел должен эксплуатироваться только с отопительной установкой, спроектированной для температуры не выше 120 °С.

Другие устройства безопасности не задействуются во время испытания.

4.2.7 Горение

При условиях по 5.7 содержание СО и NOx в сухих неразбавленных продуктах сгорания не должно превышать значения, указанные в 4.2.7.1 и 4.2.7.2.

4.2.7.1 Оксид углерода (СО)

a) Содержание СО в сухих неразбавленных продуктах сгорания не должно превышать 0,1 % при работе котла при номинальном напряжении на эталонном газе семейства или группы, для которых он предназначен, или на газе распределительной системы - для котлов с тепловой мощностью более 300 кВт.

b) Содержание СО в сухих неразбавленных продуктах сгорания не должно превышать 0,2 % при работе котла при напряжении, составляющем 85 % номинального напряжения, на эталонном газе семейства или группы, для которых он предназначен, или на газе распределительной системы - для котлов с тепловой мощностью более 300 кВт.

c) Содержание СО в сухих неразбавленных продуктах сгорания не должно превышать 0,2 % при работе котла при номинальном напряжении на газе для неполного сгорания семейства или группы, для которых он предназначен, или с перегрузкой, составляющей 9 % номинальной тепловой мощности.

d) Котел должен быть спроектирован так, чтобы в случае падения напряжения ниже 85 % номинального значения котел либо продолжал безопасно работать с концентрацией СО в продуктах сгорания менее 1 %, либо произошло защитное отключение.

4.2.7.2 Оксиды азота (NOx)

Общие сведения

Содержание NOx в продуктах сгорания определяют при следующих нормальных условиях (см. приложение Е):

- температуре 20 °С;

- относительной влажности 70 %.

Если предусмотрена возможность эксплуатации котла с использованием газов нескольких семейств после необходимой перенастройки, то предельное значение содержания NOx в продуктах сгорания должно соответствовать одному из указанных в перечислениях а) - с):

a) 170 мг/кВт ∙ ч - при испытании котла при электрическом напряжении питания, заявленном изготовителем, на эталонном газе G20 второго семейства групп Н и Е;

b) 170 мг/кВт ∙ ч - при испытании котла при электрическом напряжении питания, заявленном изготовителем, на эталонном газе G25 второго семейства группы L;

c) 230 мг/кВт ∙ ч - при испытании котла при электрическом напряжении питания, заявленном изготовителем, на эталонном газе G30 третьего семейства.

Классификация котлов по содержанию NOx

Изготовитель выбирает для котла класс NOx согласно таблице 2. По условиям испытаний согласно 5.7 содержание NOx в сухих неразбавленных продуктах сгорания не должно превышать предельное значение для соответствующего класса.

Таблица 2 - Классификация котлов по содержанию NOx

Класс NOx

Предельное значение содержания NOx, мг/кВт ∙ ч

1

170

2

120

3

80

Предельные значения указаны для газов второго семейства. Для газов третьего семейства предельные значения умножают на 1,30. При испытании котлов, работающих только на пропане, предельные значения умножают на 1,20.

Для многоступенчатых и модуляционных котлов с диапазоном регулирования содержание NOx равно среднеарифметическим значениям содержания NOx, измеренным на различных ступенях или на максимальной и минимальной тепловой мощности модуляционного котла.

Ни одно из отдельно измеренных значений не должно превышать значение для класса, указанное выше, которое соответствует среднему расчетному значению. Кроме того, ни одно из измеренных значений не должно превышать значение для класса 1.

4.2.8 Коэффициент полезного действия

4.2.8.1 Коэффициент полезного действия при максимальной номинальной тепловой мощности

При условиях испытаний по 5.8.1 КПД, выраженный в процентах, должен быть не менее значений, указанных в таблице 3.

Таблица 3 - Требования к КПД при максимальной номинальной тепловой мощности

Диапазон номинальной теплопроизводительности Рп, кВт

Требования к КПД в зависимости от максимальной номинальной тепловой мощности, %

4 ≤ Рп ≤ 400

≥ 84 + 2lgРп - для обычных котлов

≥ 87,5 + 1,5lgPn - для низкотемпературных котлов

400 ≤ Рп ≤ 1000

≥ 89,2 - для обычных котлов

≥ 91,4 - для низкотемпературных котлов

Примечание - Рп - максимальная номинальная теплопроизводительность, кВт.

4.2.8.2 Коэффициент полезного действия при частичной нагрузке

При условиях испытаний по 5.8.2 КПД при нагрузке, соответствующей 30 % максимальной номинальной тепловой мощности, выраженный в процентах, должен быть не менее значений, указанных в таблице 4.

Таблица 4 - Требования к КПД при частичной нагрузке

Диапазон номинальной теплопроизводительности Рп, кВт

Требования к КПД при частичной нагрузке, %

4 ≤ Рп ≤ 400

≥ 80 + 3lgPn - для обычных котлов

≥ 87,5 + 1,5lgРп - для низкотемпературных котлов

400 ≤ Рп ≤ 1000

≥ 87,8 - для обычных котлов

≥ 91,4 - для низкотемпературных котлов

Примечание - Рп - максимальная номинальная теплопроизводительность, кВт.

4.2.9 Конденсация

Для обычных котлов, не образующих конденсат, нет необходимости в индикации наличия конденсата.

Считается, что низкотемпературные котлы способны вызывать появление конденсата. Конденсат не должен влиять на работу низкотемпературного котла.

Испытания должны проводиться при условиях по 5.9.

4.2.10 Отвод конденсата для низкотемпературных котлов

Для низкотемпературных котлов необходимо снижать уровень образования конденсата, если из-за него:

- снижается безопасность или корректная работа;

- происходят утечки конденсата из прибора;

- происходит разрушение материала.

Для снижения уровня образования конденсата, при необходимости, используются труба или трубы. Внутренний диаметр наружного соединения системы, снижающей уровень образования конденсата, должен быть не менее 13 мм.

Система утилизации, являющаяся составной частью котла или присоединяемая к котлу, должна быть сконструирована так, чтобы:

- она была доступна для осмотра и очистки в соответствии с инструкциями изготовителя;

- предотвращала возможность проникновения продуктов сгорания в помещение, где установлен котел; это требование должно выполняться, если система утилизации оснащена водоотделителем (пароосушителем);

- водоотделитель имел затвор не менее 25 мм при максимальном давлении в камере сгорания и при максимальной длине газохода, указанной изготовителем.

4.2.11 Устойчивость материалов к давлению

Антикоррозионные покрытия низкотемпературных котлов не должны иметь следы повреждений после проведения испытаний материалов на устойчивость к давлению.

Примечание - Условия испытаний давлением приведены в ГОСТ Р 54440 (раздел 5).

5 Методы испытаний

5.1 Общие принципы

Применяются следующие условия испытаний, если в отдельных разделах не указано иное.

5.1.1 Проведение испытаний

Котел подключают к эталонному газу соответствующей категории (или газу распределительной системы для котлов с тепловой мощностью более 300 кВт) и настраивают в соответствии с указаниями изготовителя. Если не указано иное, испытания проводят при максимальной номинальной тепловой мощности.

5.1.2 Общие условия проведения испытаний

5.1.2.1 Испытательное помещение

Котел устанавливают в хорошо проветриваемом помещении без сквозняков, где температура окружающего воздуха приблизительно равна 20 °С; котел не должен устанавливаться в зоне попадания прямых солнечных лучей.

Температура окружающего воздуха измеряется на уровне 1,5 м от пола и на расстоянии не менее 3 м от котла. Термометр не должен находиться в зоне теплового воздействия испытуемого объекта.

5.1.2.2 Установка

При проведении всех испытаний котел монтируют, эксплуатируют и вводят в работу в соответствии с инструкциями изготовителя.

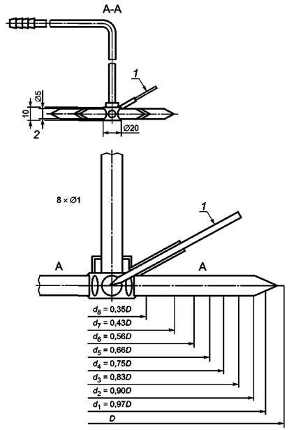
Отбор проб продуктов сгорания производят устройствами, показанными на рисунке 6 или 7.

5.1.2.3 Водяной контур

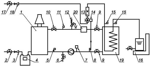
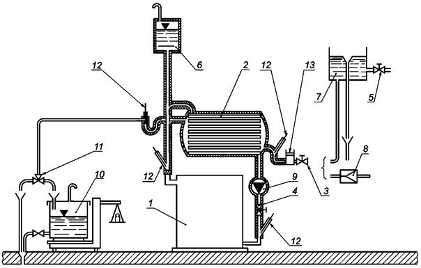
Котел подключают к отдельному испытательному стенду, схема которого показана на рисунках 1, 2 или 3, или к другому оборудованию, обеспечивающему получение эквивалентных результатов; выпуск воздуха производится в соответствии с инструкциями изготовителя.

Если котел оснащен термостатом, регулирующим температуру воды, то испытания проводят при температуре воды в подающей магистрали (80 ± 2) °С.

Если такие условия не могут быть обеспечены (из-за конструкции котла или нерегулируемого термостата), испытания проводят при максимально возможной температуре воды.

Вентили I и II, показанные на рисунках 1 и 2, используются для того, чтобы обеспечить разность температур воды в подающем и возвратном трубопроводах, равную (20 ± 1) °С или значению, указанному изготовителем, если конструкция системы регулирования котла не допускает нормальную работу при разности температуры 20 °С.

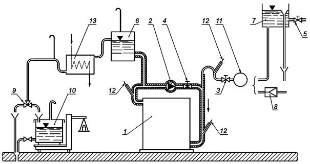
Клапаны I и II на рисунке 4 или 5 используются для получения разницы температур между первичным и вторичным контурами, равной (20 ± 1) °С или другому заводскому значению, если конструкция системы контроля котлов не позволяет осуществлять нормальную эксплуатацию при разнице температур в 20 °С.

5.1.2.4 Температурное равновесие

Если не указано иное, испытания проводят при тепловом равновесии котла, т.е. когда температура воды в подающем и возвратном трубопроводах является постоянной с отклонением ±2 °С.

5.1.2.5 Электропитание

Котел подключают к электрической сети с номинальным напряжением, если не указано иное.

5.1.2.6 Погрешности измерений

Если не указано иное, допускаются следующие максимальные погрешности при измерении:

1) атмосферного давления - ±500 Па (5 мбар);

2) давления в камере сгорания и газоходе - ±5 % от полной шкалы или 5 Па (0,05 мбар);

3) давления газа - ±2 % от полной шкалы;

4) падения давления воды - ±5 %;

5) расхода воды - ±1 %;

6) расхода газа - ±1 %;

7) времени: ±0,2 с - до 1 ч, ±0,1 % - свыше 1 ч;

8) вспомогательной электроэнергии - ±2 %;

9) температуры:

окружающей среды - ±1 °С,

воды - ±2 °С,

продуктов сгорания - ±5 °С,

газа - ±0,5 °С,

поверхностей - ±5 °С,

10) СО, СO2 и O2 для расчета потерь в продуктах сгорания - ±6 % от общего диапазона;

11) теплопроизводительности - ±1 %;

12) плотности газа - ±0,5 %;

13) массы - ±0,05 %.

Полная шкала измерений должна выбираться таким образом, чтобы она соответствовала ожидаемому максимальному значению.

Общая погрешность измерений зависит от погрешностей отдельных измерений. При измерениях, представляющих собой ряд отдельных измерений (например, определение коэффициента полезного действия), должны быть обеспечены малые погрешности, чтобы получить требуемую общую точность измерений.

5.1.2.7 Регулировка тепловой мощности

Значение тепловой мощности Q, кВт, получаемое при испытаниях, вычисляют по одной из следующих формул:

- при измерении объемного расхода:

Q = 0,278VrHi,                                                            (1)

- при измерении массового расхода:

Q = 0,278MrHi,                                                          (2)

где Hi - низшая теплотворная способность газа, используемого для проведения испытаний (сухой, 15 °С, 101,325 кПа), МДж/м3 в объемном отношении или МДж/кг в массовом отношении;

Vr - объемный расход сухого газа, м3/ч, при нормальных условиях (0 °С, 101,325 кПа), где

                                       (3)

где рs - давление насыщенного водяного пара при измеряемой температуре, Па;

ра - атмосферное давление при проведении испытаний, Па;

рg - давление газа на расходомере, Па;

tg - температура газа на расходомере, °С;

Мr - массовый расход сухого газа, кг/ч.

5.1.2.8 Регулировка избыточного воздуха

Если условиями проведения испытаний не предусматривается иного, коэффициент избытка воздуха λ, регулируется в соответствии с заводскими инструкциями.

5.2 Герметичность газопровода

Испытания проводят при температуре окружающего воздуха при давлении воздуха или газа в 15000 Па (150 мбар) или в 1,5 раза превышающем заводские значения максимального нагнетающего давления в зависимости от того, какое из них будет выше, в направлении газового потока.

Подачу воздуха или газа производят во входное отверстие газового тракта горелки.

Предохранительные запорно-регулирующие клапаны должны быть открыты, за исключением последнего замыкающего клапана, в целях изоляции.

Давление на входе устанавливают согласно указанному значению, все газоподводящие элементы также настраивают под это значение.

Испытания на отсутствие дефектов производят с использованием подходящего пенообразующего вещества (или любым эквивалентным способом), применяемого перед началом испытаний. Система считается герметичной при отсутствии образования пузырьков на ее поверхности.

При испытаниях на отсутствие течи интенсивность утечки должна быть менее 0,14 дм3/ч.

5.3 Тепловая мощность

Котел должен быть проверен на каждом из эталонных газов, которые соответствуют категории котла (или на газе распределительной системы для котлов с тепловой мощностью более 300 кВт), при нормальном давлении. Измеряют максимальную, а затем минимальную тепловые мощности. В котлах с фиксированной тепловой мощностью для данного испытания настройки не изменяют. Все имеющиеся регуляторы устанавливают в положение, указанное изготовителем. Значение объемного расхода V, полученное при этих условиях (ра, рg, tg, d), корректируют таким образом, как если бы испытание проводилось в стандартных условиях (101,325 кПа, 0 °С, сухой газ); а приведенное значение тепловой мощности вычисляют по одной из следующий формул:

- при измерении объемного расхода V:

                        (4)

следовательно,

                                  (5)

- при измерении массового расхода М:

                                (6)

следовательно,

                                   (7)

где Qc - приведенная тепловая мощность (газ сухой, 101,325 кПа, 15 °С), основанная на низшем значении теплотворной способности, кВт;

V - объемный расход газа при фактических влажности, температуре и давлении, м3/ч;

М - массовый расход влажного газа, выражаемый в килограммах в час (кг/ч);

Hi - низшая теплотворная способность сухого газа при 0 °С, 101,325 кПа, МДж/м3 в объемном отношении; или низшая теплотворная способность сухого газа, МДж/кг в массовом отношении;

tg - температура газа на расходомере, °С;

d - относительная плотность испытательного газа1);

_____________

1) Если для измерения расхода газа используется счетчик для влажного газа, то следует произвести коррекцию значения плотности газа, чтобы учесть влажность. Значение d следует заменить значением dh, которое рассчитывают по следующей формуле:

                                                               (8)

где ps - давление насыщенного пара воды при tg, Па (мбар).

dr - относительная плотность газа при стандартных условиях;

рg - давление газа на расходомере, кПа (мбар);

ра - атмосферное давление при проведении испытаний, Па.

При испытаниях тепловая мощность, скорректированная, как указано выше, должна соответствовать требованиям 4.2.3.

5.4 Регулятор газового давления

При необходимости регулятор настраивают так, чтобы обеспечивалась номинальная тепловая мощность на эталонном газе (или на газе распределительной системы, если он применяется) при номинальном давлении, соответствующем этому газу. Сохраняя начальные настройки, подводимое давление изменяют от pmin до рmax. Проверяют соответствие требованиям 4.2.4.

Номинальное давление рп, минимальное давление pmin и максимальное давление рmax приведены в [1].

Значения номинального, минимального и максимального давлений указывают в технических условиях на котел.

5.5 Безопасность эксплуатации

5.5.1 Предельные температуры для устройств регулировки, управления и защиты

Котел устанавливают и подключают к соответствующему эталонному газу (или к газу распределительной системы, если он применяется) при максимальной номинальной тепловой мощности. Температуру устройств регулирования и защиты измеряют после 30 мин работы котла. Проверяют соответствие требованиям 4.2.5.1.

Если возможен самонагрев электрического компонента (например, автоматических запорных клапанов), температуру компонента не измеряют. В этом случае места для измерения выбирают таким образом, чтобы измерять температуру воздуха вокруг устройства.

5.5.2 Предельные значения температуры ручек управления и частей, к которым возможно прикосновение

Котел устанавливают, как указано в 5.1, при этом регулируемый термостат управления должен находиться в положении, обеспечивающем наибольшую температуру.

Температуру ручек управления и частей, к которым возможно прикосновение измеряют средствами с термочувствительными датчиками, приложенными к наружной поверхности этих частей котла.

Температуру измеряют при установлении теплового равновесия.

Проверяют соответствие требованиям 4.2.5.2.

5.5.3 Предельные температуры для боковых, передней и верхней поверхностях

Котел устанавливают согласно 5.1, термостат устанавливают в позицию максимальной температуры.

Температуры в наиболее нагретых местах на боковых, передней и верхней поверхностях измеряют при помощи термометров, размещаемых на внешней стороне таких поверхностей котла.

Замер температуры производят после установления температурного равновесия.

Проверяют соблюдение требований 4.2.5.3.

5.5.4 Предельные температуры испытательных стендов и пола под котлом

5.5.4.1 Поверхность пола под котлом

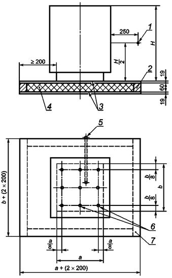
При определении температуры поверхности пола под котлом котел должен быть установлен на испытательный стенд согласно, например, рисунку 4. Температуру поверхности пола испытательного стенда измеряют не менее чем в пяти точках.

Температуру поверхности пола под котлом рекомендуется измерять с помощью термопар, показанных на рисунке 5, или с помощью датчиков для измерения температуры поверхности.

Проверяют соответствие требованиям 4.2.5.4.

5.5.4.2 Испытательные панели

Для котлов, которые, согласно заводским рекомендациям, могут устанавливаться рядом со стенозами), расстояния между боковыми и задней стенками и деревянными испытательными панелями указываются изготовителем; однако в любых случаях данное расстояние не должно быть более 200 мм.

Для котлов, которые согласно заводским рекомендациям могут устанавливаться под полками или под какими-либо подобными поверхностями, соответствующая испытательная панель должна размещаться над котлом на минимальном расстоянии, указанном в инструкции по установке.

В случаях, когда заводские рекомендации в отношении размещения котла около стен или под полками отсутствуют, испытания проводят при размещении соответствующих испытательных панелей напротив котла.

Толщина деревянных испытательных панелей должна быть (25 ± 1) мм, панели должны иметь черное матовое покрытие. Габариты панелей должны быть как минимум на 50 мм шире, чем соответствующие габариты поверхностей котла.

Температурные датчики помещают в центр панелей в квадраты площадью 100 мм2 с внешней стороны таким образом, чтобы спаи термопары находились на расстоянии 3 мм от поверхности, обращенной к котлу.

После работы котла в течение определенного времени и стабилизации температуры испытательной панели на определенном уровне с погрешностью ±2 °С проводят измерение температуры.

Проверяют соответствие требованиям 4.2.5.4.

5.5.5 Запуск

Котел устанавливают согласно инструкциям изготовителя в соответствии с требованиями 5.1.

Котел подключают к источнику эталонного газа соответствующего семейства или группы, для которых предназначен котел (или газа распределительной системы, если применимо), устанавливают значение коэффициента избытка воздуха λ в соответствии с указаниями изготовителя.

Электрическое подключение котла осуществляют при напряжении, соответствующем не менее 85 % номинального значения напряжения, установленного изготовителем.

Проводят три испытания на запуск; первое испытание начинают, когда котел находится в холодном состоянии.

Для второго и третьего испытаний на запуск котел выключают и сразу же опять включают в течение не более чем 5 с.

Проверяют соответствие требованиям 4.2.5.5.

5.5.6 Розжиг и стабильность пламени

5.5.6.1 Испытания на эталонном газе

Котел устанавливают в соответствии с 5.1 и подключают к источнику эталонного газа соответствующей категории (или газа распределительной системы, если применимо) при нормальном давлении таким образом, чтобы получить номинальную тепловую мощность. Затем котел выключают. При этих условиях проверяют соответствие требованиям 4.2.5.6 [перечисление а)], 4.2.6.2, 4.2.6.3 [перечисление а)] и 4.2.5.6.

Соответствие требованиям к стабильности пламени проверяют визуально.

Розжиг котла осуществляют, постепенно понижая давление до тех пор, пока не сработает реле низкого давления газа или устройство контроля пламени. Проверяют соответствие требованиям 4.2.5.6 [перечисление b)].

Тепловую мощность устанавливают на минимальное номинальное значение, коэффициент избытка воздуха λ настраивают на 1,5 или более или полностью открывают заслонку воздуховода (если применимо). Проверяют соответствие требованиям 4.2.5.6 [перечисление а)].

Если подача газа на запальную горелку осуществляется между двумя автоматическими клапанами основной горелки, то автоматический клапан, расположенный перед основной горелкой, искусственно оставляют полностью открытым. Котел подключают к источнику эталонного газа или газа распределительной системы при нормальном давлении. Проверяют соответствие требованиям 4.2.6.2.

5.5.6.2 Испытания на предельном газе

Для всех котлов тепловую мощность на эталонном газе повышают на 9 % или заменяют эталонный газ соответствующим предельным газом для неполного сгорания. Проверяют соответствие требованиям 4.2.5.6 [перечисление а)].

Для котлов, оснащенных горелкой с предварительным смешением, заменяют эталонный газ на предельный газ для проскока пламени. Котел выключают и проверяют соответствие требованиям 4.2.5.6 [перечисление а)].

Для котлов с тепловой мощностью, не превышающей 150 кВт, оснащенных горелкой с предварительным смешением, заменяют испытательный газ на предельный газ для отрыва пламени без перенастройки максимальной и минимальной тепловой мощности. Затем котел выключают. Проверяют соответствие требованиям 4.2.5.6 [перечисление а)].

5.5.7 Устойчивость горелки к перегреву

5.5.7.1 Котлы, оснащенные горелками с соплами смешения

Котел подключают к источнику эталонного газа (или газа распределительной системы, если применимо) при тепловой мощности, в 1,09 раза превышающей максимальную номинальную тепловую мощность, и давлении в камере сгорания, настроенном на максимальное значение при максимальной номинальной тепловой мощности, указанной изготовителем.

Горелка работает 10 мин, после чего проверяют соответствие требованиям 4.2.5.7.

5.5.7.2 Котлы, оснащенные горелками с предварительным смешением

Горелку настраивают в соответствии с требованиями 5.1. Не перенастраивая горелку, подключают ее к источнику соответствующего газа для проскока пламени, и она работает 10 мин. По истечении этого времени проверяют соответствие требованиям 4.2.5.7.

5.5.8 Предварительная продувка

Котел работает от начала действия контрольной программы горелки. Измеряют продолжительность предварительной продувки. Проверяют соответствие требованиям 4.2.5.8.

5.6 Устройства управления и безопасности

5.6.1 Тепловая мощность при запуске

Котел включают при номинальном напряжении электропитания. Измеряют максимальную тепловую мощность при запуске. Проверяют соблюдение требований 4.2.6.1.

5.6.2 Время безопасности

Испытания проводят на эталонном газе или на предельных газах соответствующего семейства или группы (или на газе распределительной системы, если применимо).

5.6.2.1 Время безопасности зажигания

Котел выключают, датчик контроля пламени убирают.

Или отключают датчик низкого давления газа при его наличии.

Подачу газа отключают.

По сигналу подают газ в запальную горелку (при наличии таковой) и основную горелку. Измеряют время от момента подачи сигнала до момента, когда устройство безопасности дает команду на закрытие газового клапана.

Проверяют соблюдение требований 4.2.6.4 [перечисление а)].

5.6.2.2 Время безопасности погасания

Во время работы котла имитируют погасание пламени путем выведения датчика пламени из зоны действия. Измеряют промежуток времени между началом такой имитации до момента подачи сигнала устройством на отключение газового клапана.

Проверяют соблюдение требований 4.2.6.4 [перечисление б)].

5.6.2.3 Суммарное время отключения

Во время работы котла имитируют погасание пламени путем выведения датчика пламени из зоны действия. Измеряют промежуток времени между началом такой имитации и моментом, когда происходит фактическое закрытие клапана.

Проверяют соблюдение требований 4.2.6.4 [перечисление в)].

5.6.2.4 Отказ зажигания

Отключают подачу газа. Включают котел. Проверяют соблюдение требований 4.2.6.5.

5.6.2.5 Погасание факела горелки

Включают котел. Перекрывают подачу газа и проверяют соответствие требованиям 4.2.6.6.

5.6.3 Проверка работы термостатов управления и защитных ограничителей температуры

Водяной контур котла настраивают на максимальную номинальную тепловую мощность. Тепловая мощность испытательного стенда должна составлять (40 ± 5) % номинальной тепловой мощности.

Приводят в действие циркуляционный насос. Термостат управления устанавливают на максимальное значение. Проверяют действие термостата управления.

Аналогичное испытание проводят после замыкания термостата управления накоротко.

Проверяют соответствие требованиям 4.2.6.8.

5.7 Горение

5.7.1 Горение при максимальной номинальной тепловой мощности

На соответствующем эталонном газе (или на газе распределительной системы, если применимо) при номинальном давлении подачи:

- регулируют тепловую мощность на максимальное номинальное значение;

- устанавливают напряжение электрического питания на номинальное значение;

- настраивают коэффициент избытка воздуха на соответствующее значение.

Отбор продуктов сгорания осуществляют по достижении теплового равновесия котла. Концентрацию СО и NOx определяют в сухих неразбавленных продуктах сгорания в соответствии с приложением Е.

Проверяют соответствие требованиям 4.2.7.1 [перечисление а)] и 4.2.7.2.

Напряжение питания уменьшают до 85 % номинального значения. Проверяют соответствие требованиям 4.2.7.1 [перечисление b)].

После уменьшения напряжения питания ниже 85 % номинального значения проверяют соответствие требованиям 4.2.7.1 [перечисление d)].

Увеличивают тепловую мощность на эталонном газе на 9 % или заменяют эталонный газ на соответствующий предельный газ для неполного сгорания.

Проверяют соответствие требованиям 4.2.7.1 [перечисление с)].

5.7.2 Горение при минимальной номинальной тепловой мощности

На соответствующем эталонном газе (или на газе распределительной системы, если применимо) при нормальном давлении подачи:

- регулируют тепловую мощность на минимальное номинальное значение;

- устанавливают напряжение электрического питания на номинальное значение;

- настраивают коэффициент избытка воздуха на соответствующее значение.

Отбор продуктов сгорания осуществляют по достижении теплового равновесия котла.

Концентрацию СО и NOx определяют в сухих неразбавленных продуктах сгорания в соответствии с приложением Е.

Проверяют соответствие требованиям 4.2.7.1 [перечисление а)] и 4.2.7.2.

Увеличивают тепловую мощность на эталонном газе на 9 % или заменяют эталонный газ на соответствующий предельный газ для неполного сгорания.

Проверяют соответствие требованиям 4.2.7.1 [перечисление с)].

5.7.3 Горение при минимальной контролируемой тепловой мощности (многоступенчатые котлы или горелки с диапазоном регулирования)

Эти испытания проводят для всех многоступенчатых котлов или котлов с диапазоном регулирования.

Котел работает на первой ступени или на нижнем значении тепловой мощности, если применимо.

Проверяют соответствие требованиям 4.2.7.1 [перечисление а)] и 4.2.7.2.

Затем испытание повторяют на значении тепловой мощности, соответствующем средней точке диапазона тепловой мощности.

5.8 Коэффициенты полезного действия

5.8.1 Коэффициент полезного действия при максимальной номинальной тепловой мощности

Котел подключают к испытательному патрубку, имеющему диаметр, соответствующий наибольшему диаметру, приведенному в инструкциях изготовителя.

Температуру подаваемой воды устанавливают на уровне (80 ± 2) °С, а разницу температур между подающим и обратным трубопроводами устанавливают в соответствии с 5.1.2.3.

Измерение коэффициента полезного действия начинают по достижении теплового равновесия котла при отключенном регуляторе температуры и постоянной температуре подающего и обратного трубопроводов.

Горячая вода проходит через сосуд, размещенный на весах (соответственно оттарированных перед началом испытания), и в это же время начинают измерение расхода газа (показание счетчика).

Регистрируют показания температуры воды в подающем и обратном трубопроводах таким образом, чтобы получить достаточно точные средние значения.

Массу воды m1 собирают за 10 мин. Если при работе котла требуется собрать большую массу воды для измерения, то испытание может быть проведено за более короткий промежуток времени.

Если массу воды невозможно измерить, допускается измерить расход воды в подающем трубопроводе в течение заданного периода и вычислить эквивалентную массу воды. Погрешность измерения расхода воды в подающем трубопроводе должна быть достаточной для расчета коэффициента полезного действия с требуемым допуском.

После выдержки в течение 10 мин (или меньше, при необходимости) может быть определено количество воды, испаряющейся во время проведения испытаний. Определяют m2.

Разность m1 - m2 = m3 является соответствующим количеством воды, которая испаряется, и должна быть прибавлена к m1, чтобы получить корректированное количество воды т = m1 + m3. Значение количества тепла, выделяемого котлом и передаваемого воде, которая собирается в сосуде, пропорционально корректированной массе m и разности между температурой t1 холодной воды на входе и t2 на выходе котла.

КПД η, %, вычисляют по формуле

                                                (9)

где m - приведенное количество воды, кг;

Vr(10) - расход газа, замеряемый в течение 10 мин испытаний, приведенный к 15 °С, 101,325 кПа, м3;

Нi - низшая теплотворная способность используемого газа, МДж/м3 (при 15 °С и 101,325 кПа, сухой газ);

Dp - потеря тепла испытательного стенда, соответствующая средней температуре потока воды, кДж, с учетом дополнительного подвода тепла от циркуляционного насоса (метод практической калибровки для определения Dp описан в приложении В).

Погрешности измерений выбирают таким образом, чтобы суммарная погрешность при измерении КПД не превышала ±2 %.

КПД определяют при максимальной номинальной тепловой мощности.

Проверяют соблюдение требований 4.2.8.1.

5.8.2 КПД при частичной нагрузке

5.8.2.1 Общие условия

Для определения КПД при нагрузке, соответствующей 30 % от максимальной тепловой мощности, производитель использует либо прямой, либо косвенный метод.

Проверяют соблюдение требований 4.2.8.2.

5.8.2.2 Прямой метод

Котел устанавливают так, как описано в 5.1.2.2, и подают один из эталонных газов (или газ распределительной системы, если применимо), как для определения коэффициента полезного действия при максимальной номинальной тепловой мощности.

Во время проведения испытаний объемный расход воды поддерживают на постоянном уровне с отклонением ±1 % с учетом колебаний температуры при работе насоса в непрерывном режиме.

а) режим работы № 1

Котел устанавливают на испытательном стенде, показанном на рисунке 1 или 2 (или на каком-либо другом испытательном стенде, обеспечивающем требуемые результаты измерений и обладающем соответствующей точностью измерений).

Температуру воды в обратном трубопроводе котла поддерживают постоянной, причем во время выполнения измерений допускается отклонение температуры на ±1 °С от постоянного уровня:

(47 ± 1) °С - для обычных котлов;

(37 ± 1) °С - для низкотемпературных котлов.

Если регулирующее устройство не допускает эксплуатацию котла при такой низкой температуре, то испытание проводят при самой низкой температуре, которую позволяет установить регулирующее устройство котла.

Таймер комнатного термостата устанавливают на значение рабочего цикла 10 мин.

Время выключения t3 и время работы t1, t2, t21 и t22 рассчитывают согласно 5.8.2.3.

Постоянно измеряют температуру непосредственно на выходном и входном водных патрубках котла.

Состояние котла считают установившимся, если результаты измерений коэффициента полезного действия по трем последовательным циклам не различаются более чем на 0,5 %, при этом любых два результата из трех объединяют. В этом случае результатом измерений является среднее значение по трем последовательным циклам измерений. Для любых других среднее значение рассчитывают как минимум по десяти последовательным циклам измерений (см. также рисунок 3).

За общее время проведения циклов измерений определяют расход газа и воды.

КПД определяют по формуле (9).

Допускается отклонение на ±2 % от мощности, составляющей 30 % номинальной тепловой мощности.

При отклонениях, превышающих 4 %, должны быть выполнены два измерения. Одно измерение выполняют при нагрузке на 30 % ниже, а другое - на 30 % выше уровня номинальной тепловой мощности.

КПД, соответствующий 30 % номинальной тепловой мощности, определяют методом линейной интерполяции.

б) режим работы № 2

Котел устанавливают на испытательном стенде, показанном на рисунке 1 или 2 (или на каком-либо другом испытательном стенде, обеспечивающем требуемые результаты измерений и обладающем соответствующей точностью измерений).

Температура воды, подаваемой в систему отопления, и температура обратной воды, а также циклы работы и выключения задаются регулирующим устройством котла.

Температура воды должна измеряться постоянно как можно ближе к выходному и входному водным патрубкам котла, если через теплообменник отводится (30 ± 2) % максимальной номинальной тепловой мощности.

Средняя температура воды не должна быть меньше:

50 °С - для обычных котлов;

40 °С - для низкотемпературных котлов.

Если регулирующее устройство котла не допускает эксплуатацию котла при такой низкой температуре, то испытание проводят при самой низкой температуре, которую позволяет установить регулирующее устройство котла.

Состояние котла считают установившимся, если результаты измерений коэффициента полезного действия по трем последовательным циклам не различаются более чем на 0,5 %, при этом любых два результата из трех объединяют. В этом случае результатом измерений является среднее значение по трем последовательным циклам измерений. Для любых других среднее значение рассчитывают как минимум по десяти последовательным циклам измерений.

За общее время проведения циклов измерений определяют расход газа и воды.

КПД определяют по формуле (9).

Допускается отклонение на ±2 % от мощности, составляющей 30 % номинальной тепловой мощности.

При отклонениях, превышающих 4 %, должны быть проведены два измерения. Одно измерение проводят при мощности на 30 % ниже, а другое - на 30 % выше уровня номинальной тепловой мощности.

КПД, соответствующий 30 % номинальной тепловой мощности, определяют линейной интерполяцией.

5.8.2.3 Косвенный метод

Измерения

а) определение КПД при номинальной тепловой мощности при температуре воды 50 °С

Испытания, описанные в 5.8.1, проведенные при номинальной тепловой мощности, проводят повторно при температуре воды первичного и вторичного контуров, указанной в таблице 5.

Таблица 5 - Температура воды первичного и вторичного контуров при номинальной тепловой мощности

Тип котла

Температура воды подающей линии, °С

Температура воды обратной линии, °С

Средняя температура воды, °С

Стандартный котел

60 ± 2

40 ± 1

50 ± 1

Низкотемпературный котел

50 ± 2

30 ± 1

40 ± 1

Фиксируют измеренное значение η1.

б) определение КПД при минимально регулируемом расходе

Если котел оборудован системой контроля, позволяющей регулировать пониженный расход основной горелки, испытания проводят при минимальной тепловой мощности, устанавливаемой таким регулятором, а также при температуре воды первичного и вторичного контуров, указанной в таблице 6.

Таблица 6 - Температура воды первичного и вторичного контуров при минимально регулируемом расходе

Тип котла

Температура воды подающей линии, °С

Температура воды обратной линии, °С

Средняя температура воды, °С

Стандартный котел

55 ± 2

45 ± 1

50 ± 1

Низкотемпературный котел

45 ± 2

35 ± 1

40 ± 1

Фиксируют измеренное значение η2.

Если котел оборудован системой контроля, позволяющей регулировать пониженный расход двух основных горелок, где тепловая мощность одной составляет более 30 % от номинальной, а другой - менее 30 %, то КПД определяется для двух горелок соответственно.

Измеряемым значениям присваиваются обозначения:

η21 - для большей тепловой мощности;

η22 - для меньшей тепловой мощности.

в) определение безнагрузочных потерь

Испытательный стенд показан на рисунке 12.

Контуры, связывающие различные части установки, должны быть теплоизолированы. Они должны быть как можно короче. Тепловые потери в испытательном стенде, а также количество теряемого тепла в насосе при различных расходах определяют заранее, чтобы их можно было затем учесть (см. приложение С).

Котел подключают к газоходу, который должен иметь максимальный диаметр, указанный в технической документации изготовителя.

Температуру воды, протекающей через котел, поднимают вначале до средней температуры, превышающей температуру окружающего воздуха на (30 ± 5) °С для обычных котлов или на (20 ± 5) °С - для низкотемпературных котлов. Подачу газа затем прекращают, дополнительный насос 11 и насос котла, при его наличии, останавливают, а контур теплообменника 12 блокируют.

При постоянной циркуляции воды с помощью насоса 5 испытательного стенда количество теплоты электрического котла устанавливают таким образом, чтобы в установившемся состоянии обеспечивалась разница между средней температурой воды и температурой окружающего воздуха (30 ± 5) °С для обычных котлов или (20 ± 5) °С - для низкотемпературных котлов.

Колебание температуры в помещении во время проведения испытаний не должно превышать 2 °С в течение 1 ч.

Безнагрузочные потери в горячем резерве Ps при температуре окружающего воздуха 20 °С, кВт, вычисляют по следующем формулам:

для стандартных котлов при средней температуре воды 50 °С

                                                   (10)

для низкотемпературных котлов при средней температуре воды 40 °С

                                                  (11)

где Pm - электрическая мощность, потребляемая электрическим вспомогательным котлом, скорректированная с учетом потерь испытательного стенда и количества тепла, потребляемого насосом 5, кВт;

Т - средняя температура воды, которая равна среднему значению температуры, измеренной в двух местах для отбора проб 2, расположенных на входе и выходе воды из испытуемого котла, °С;

ТА - температура окружающего воздуха во время проведения испытаний, °С.

г) расчет КПД при нагрузке 30 % от максимальной номинальной тепловой мощности

Расчет КПД при нагрузке 30 % от максимальной номинальной тепловой мощности при средней температуре воды 50 °С для стандартных котлов и 40 °С - для низкотемпературных котлов производят для регулируемого цикла.

При расчетах используют величины, приведенные в таблице 7.

Таблица 7 - Величины и их обозначения, используемые в расчете КПД при частичной нагрузке

Режимы работы основной горелки

Тепловая мощность, кВт

Время работы, с

Величины КПД, %, измеряемые при 50 °С

Полный расход

Q1

t1

η1

Частичный расход

Q2

t2

η2

Частичный расход > 0,3Q

Q21

t21

η21

Частичный расход < 0,3Q

Q22

t22

η22

Неконтролируемый режим

Q3

t3

Безнагрузочные потери Ps (кВт)

Режимы работы различаются в зависимости от вида нагрузки и описываются формулами, приведенными в таблице 8:

a) непрерывная работа при Q2 = 0,3Q1 (фиксированное значение пониженного расхода или диапазон регулирования);

b) полный расход/управляемое отключение (одно фиксированное значение расхода);

c) работа при пониженном расходе/управляемом отключении (одно или несколько значений пониженного расхода или диапазон регулирования с минимальным значением тепловой мощности Q2 > 0,3Q1) (или цикл 6, когда конструкцией предусмотрен розжиг при полном расходе);

d) работа при полном расходе/пониженном расходе (одно или несколько значений пониженного расхода с максимальным значением пониженной тепловой мощности Q2 < 0,3Q1);

e) работа при двух значениях пониженного расхода (где Q21 > 0,3Q1 и Q22 < 0,3Q1);

f) работа при полном расходе/пониженном расходе/управляемом отключении [конструкцией предусмотрен розжиг при Q1 в течение времени t1 с одним или несколькими значениями пониженного расхода или диапазоном регулирования, при этом цикл включает в себя управляемое отключение (t3 > 0); в ином случае применяют цикл 4].

КПД рассчитывают согласно таблице 8.

Таблица 8 - Расчет КПД при частичной нагрузке

Рабочий цикл

Тепловая мощность, кВт

Время рабочего цикла, с

Параметры для расчета КПД

КПД, %

1 Частичный расход, 30 %

Q2 = 0,3Q1

t2 = 600

η2

ηu = η2

2 Полный расход

Q1 = Qn1)

η1

Управляемое отключение

Q3 = тепловой мощности постоянной запальной горелки

t3 = 600 - t1

Ps

3 Частичный расход

Q21 > 0,3Qn

η21

Управляемое отключение

Q3 = тепловой мощности постоянной запальной горелки

t3 = 600 - t21

Ps

4 Полный расход

Q1 = Qn1)

η1

Частичный расход

Q22 < 0,3Qn

t22 = 600 - t1

η22

5 Частичный расход 1

Q21 > 0,3Qn

η21

Частичный расход 2

Q22 < 0,3Qn

t22 = 600 - t21

η22

6 Полный расход

Q1 = Qn1)

t1 = измеряемому значению (см. таблицу 7)

η1

Частичный расход

Q2

η2

Управляемое отключение

Q3 = тепловой мощности постоянной запальной горелки

t3 = 600 - (t1 + t2)

Ps

1) Qn заменяют среднеарифметическим значением Qa между максимальной и минимальной регулируемой тепловой мощности для котлов с регулируемым расходом.

5.9 Конденсация

Котел работает при наименьшей температуре, указанной в заводских инструкциях, в течение одного часа. Проверяют соблюдение требований 4.2.9.

6 Маркировка и инструкции

6.1 Маркировка

6.1.1 Маркировочная табличка

Каждый котел должен иметь маркировочную табличку с техническими данными, нанесенными способом, не допускающим их стирание. Маркировочная табличка должна располагаться таким образом, чтобы быть видимой на котле после возможного снятия части корпуса, быть жестко закреплена, долговечна и содержать как минимум следующую необходимую информацию:

a) наименование изготовителя1) или его товарный знак;

_____________

1) Термин «изготовитель» означает организацию или фирму, которая несет ответственность за изделие.

b) серийный номер и дату изготовления;

c) торговую марку котла;

d) страны прямого и непрямого применения.

Согласно МК (ИСО 3166)004 для стран ЕС приняты следующие обозначения:

Австрия

AT

Греция

GR

Бельгия

BE

Ирландия

IE

Швейцария

СН

Исландия

IS

Чехия

CZ

Италия

IT

Германия

DE

Люксембург

LU

Дания

DK

Нидерланды

NL

Испания

ES

Норвегия

NO

Финляндия

FI

Португалия

PT

Франция

FR

Швеция

SE

Великобритания

GB

-

-

Для стран СНГ приняты следующие обозначения

Азербайджан

AZ

Украина

UA

Беларусь

BY

Казахстан

KZ

Россия

RU

Молдова

MD

e) категорию(и) котла(ов) для страны прямого применения;

f) давление газа в кПа (мбар), если для групп газов может быть использовано несколько нормальных давлений. Указывают числовые значения и обозначение единицы измерения «кПа» («мбар»);

g) номинальную теплопроизводительность или (для котлов с устройствами задания диапазона) максимальную и минимальную теплопроизводительности в киловаттах, обозначаемые символом «Р» со знаком равенства, численным(ыми) значением(ями) и указанием единицы измерения «кВт»;

h) номинальную тепловую мощность или (для котлов с устройствами задания диапазона) максимальную и минимальную тепловую мощность в киловаттах, обозначаемые символом «Q» со знаком равенства, численным(ыми) значением(ями) и указанием единицы измерения «кВт»;

i) максимальное давление воды, при котором допускается использование котла, в барах, обозначаемое символом «PMS» со знаком равенства, численным значением и указанием единицы измерения «кПа», («мбар»);

j) электропитание:

- тип, обозначенный символом «~» или «=»,

- номинальное напряжение электрического подключения в вольтах, указанное как числовое значение и обозначение единицы измерения «В»,

- потребляемую мощность в ваттах, указанную как числовое значение и обозначение единицы измерения «Вт»,

- класс защиты по ГОСТ 14254;

k) класс котла по содержанию NOx с приведенным в скобках максимальным значением выбросов для данного класса, выраженным в мг/кВт ∙ ч;

l) знак обращения на рынке (наносится на каждый котел);

т) место нахождения изготовителя (адрес, страна и/или место происхождения продукции).

Нестираемость маркировки проверяют испытанием по ГОСТ Р 52161.1.

6.1.2 Дополнительная маркировка

Котел должен иметь дополнительную табличку, на которую должна быть нанесена видимая и нестираемая информация, касающаяся состояния регулировки котла:

a) страна(ы) прямого применения согласно обозначениям, приведенным в 6.1.1;

b) группа или семейство газа с обозначением типа газа, давления газа и/или пары давлений согласно [1] (например, 2L-G20-20 мбар).

Эта информация может быть приведена на маркировочной табличке.

6.1.3 Упаковка

На упаковку должны быть нанесены следующие данные: категория(и), тип прибора и информация, указанная на дополнительной табличке (см. 6.1.2), а также предупредительные надписи в соответствии с 6.1.4.

6.1.4 Предупредительные надписи на котле и упаковке

Предупредительные надписи, наносимые на котел, должны быть хорошо видимы для пользователя и содержать информацию о том, что:

a) допускается устанавливать котел только в помещении, соответствующем требованиям по вентиляции;

b) перед установкой котла следует ознакомиться с инструкциями по установке;

c) перед розжигом котла следует ознакомиться с руководством по эксплуатации.

6.1.5 Дополнительная информация

Размещение на котле или упаковке любой другой информации не допускается, если это может привести к неправильному пониманию состояния настройки прибора, соответствующей(их) категорией) и страны(стран) прямого применения.

6.2 Инструкции

6.2.1 Инструкции по установке

В комплект поставки котла должны входить инструкции, содержащие требования по правильной установке, настройке и техническому обслуживанию котла, соответствующим действующим предписаниям по установке в стране, где будет установлен котел. Во всех случаях документы должны быть выполнены на языке страны применения, и должна быть указана дата их публикации.

Инструкции должны содержать как минимум:

a) данные маркировочной таблички, за исключением серийного номера и года выпуска;

b) максимальную температуру воды в градусах Цельсия (≤ 115 °С);

c) минимальную температуру обратной воды в трубопроводе котла в градусах Цельсия;

d) предупреждение для котлов с нормальной температурой эксплуатации, превышающей 90 °С;

e) информацию о том, что котел должен использоваться с отопительными системами, разработанными для безопасных температур не ниже 110 °С или 120 °С;

f) информацию о необходимом техническом обслуживании и рекомендуемый межсервисный интервал;

g) рекомендуемый метод очистки котла;

h) ссылки на стандарты и/или особые предписания и требования, необходимые для правильной установки и эксплуатации котла;

i) электромонтажную схему с указанием выводов (в т.ч. для внешних управляющих устройств);

j) описание применяемых управляющих устройств, которые могут быть использованы;

k) перечень предупреждающих мероприятий по ограничению уровня рабочего шума котла;

l) указания о необходимости обеспечения заземления котла, имеющего электрическое оборудование;

m) для закрытых систем (отопления) - инструкции по подключению расширительного резервуара к котлу, разработанному для данного типа системы, если такое устройство не входит в комплект поставки котла;

n) при необходимости - указание о том, что котел может быть подключен только к системе центрального отопления, оснащенной открытым расширительным резервуаром;

o) необходимую информацию относительно подключения к источнику газа, давления газа, контроля и настройки давления;

p) для котлов, которые могут работать с несколькими газами, - указания о мерах, необходимых для переключения с одного вида газа на другой. Должны быть приведены также указания о том, что настройки и изменения разрешено проводить только квалифицированным специалистам, а устройство после проведения настройки должно быть опломбировано;

q) данные о минимальных расстояниях до легковоспламеняющихся материалов;

r) при необходимости - информацию о том, что стены, выполненные из горючих материалов, например дерева, должны быть защищены подходящим изоляционным материалом с указанием безопасного расстояния между стенами и горячими внешними частями котла;

s) таблицу, в которой приведены значения массового и объемного расходов газа в кубических метрах в час или килограммах в час для различных категорий и различных газов при стандартных условиях использования (температура 15 °С, давление 101,325 кПа, сухой газ) или давление газа на горелке как функция давления в камере сгорания;

t) общее описание котла с иллюстрациями принципиальных узлов (подсборок), которые могут быть удалены и заменены;

u) информацию о:

характеристической кривой давления воды (напора) в выпускном патрубке котла, если котел имеет встроенный насос, или

потере давления как функции расхода воды в графической форме или в виде таблицы - для котлов без насоса;

v) для расчета тяги газохода - данные массового расхода продуктов сгорания в граммах в секунду при средней температуре продуктов сгорания;

w) меры, предусматриваемые в том случае, если не выполняются национальные требования по предотвращению появления конденсата в газоходах;

x) при необходимости - указание о том, что котел предназначен исключительно для установки с регулятором давления на газовом счетчике;

у) информацию о требованиях, которые следует соблюдать при установке воздуховодов для котла и вентиляционных устройств в помещениях, в которых устанавливается котел.

6.2.2 Руководство по эксплуатации

Руководство по эксплуатации, которое должно прикладываться к каждому котлу, предназначено для пользователя.

В нем должны быть приведены следующие данные:

a) указания о том, что подключение и, если необходимо, настройку котла должен выполнять квалифицированный персонал;

b) описание действий, необходимых для пуска и остановки котла;

c) описание действий, необходимых для обеспечения нормальной работы котла и проведения его очистки, а также указание о том, что котел должен периодически проверяться и обслуживаться квалифицированным персоналом;

d) мероприятия, необходимые для обеспечения защиты котла от замерзания;

e) предупреждения о недопустимых действиях;

f) указания о том, что пользователь должен соблюдать требования по обеспечению подачи воздуха к котлу и вентиляции помещения, в котором устанавливается котел;

g) при необходимости - указание о том, что существует опасность ожога при непосредственном касании пользователем смотрового окна или поверхности около него.

6.2.3 Химический состав конденсата для низкотемпературных котлов

Изготовитель должен указывать возможный химический состав конденсата (уровень рН, содержание тяжелых металлов и т.д.), если это требуется национальными правилами.

6.2.4 Инструкции по перенастройке

К узлам, которые могут быть настроены на другое семейство или группу газа, другой диапазон и/или другое давление подключения, должны прикладываться инструкции по перенастройке, предназначенные для квалифицированного персонала.

В инструкциях следует:

a) указать узлы, необходимые для выполнения перенастройки, и средства их идентификации;

b) четко описать действия, выполняемые при замене деталей и проведении правильной настройки (при необходимости);

c) четко формулировать информацию о необходимости восстановления нарушенных пломб и/или опломбировании всех устройств регулировки;

d) указать, что для котлов, работающих с парой давлений, регуляторы либо не должны срабатывать в пределах диапазона номинальных давлений, либо должны быть отключены и опломбированы в таком положении.

6.3 Представление информации

Вся информация, указанная в 6.1 и 6.2, должна быть приведена на языке(ах) и в соответствии с порядком, установленным в стране(ах), где будет установлен котел.

1 - испытуемый котел; 2 - циркуляционный насос; 3 - клапан управления I;4 - клапан управления II;
5 - клапан управления III; 6 - компенсационный бак; 7 - бак постоянного уровня; 8 - подсоединение к
распределительной трубе постоянного давления; 9 - трехходовой кран; 10 - сосуд для взвешивания;
11 - водомер; 12 - термометры; 13 - охладитель

Рисунок 1 - Испытательный стенд с прямой рециркуляцией (см. 5.8.2.2 и приложение В)

1 - котел; 2 - теплообменник; 3 - клапан управления I; 4 - клапан управления II; 5 - клапан управления III;
6 - расширительный сосуд (вне системы циркуляции); 7 - бак постоянного уровня; 8 - подсоединение к
распределительной трубе постоянного давления; 9 - циркуляционный насос; 1
0 - сосуд для взвешивания;
11 - трехходовой кран; 12 - термометры; 13 - водомер

Рисунок 2 - Испытательный стенд с теплообменником (см. 5.8.2.2 и приложение В)

1 - испытуемый котел; 2, 17 - запорно-регулирующий клапан; 3, 18, 4 - газовый регулятор, газовый
счетчик; 5, 8, 11, 15 - термометр; 6, 14 - дренажный клапан, клапан управления; 7 - расширительный бак;
9, 10 - запорно-регулирующий клапан; 12 - предохранительный клапан; 13 - ротаметр; 16 - весы;
19 - теплообменник; 20 - тепловой компенсатор

Рисунок 3 - Испытательный стенд для определения КПД [см. 5.8.2.2, перечисление а)]

1 - точка замера температуры окружающего воздуха; 2 - квадратная деревянная панель; 3 - шпунтовая
панель; 4 - стекловолокно;
5 - тонкостенный трубчатый профиль для измерительного кабеля;
6
- точки замера; 7 - испытательная напольная поверхность для измерения напольной температуры

Рисунок 4 - Испытательная установка для определения температуры напольной поверхности (см. 5.5.4)

1 - термопара, припаянная к медной пластине; 2 - отверстие для установки медной пластины

Рисунок 5 - Установка термопары для измерения поверхностных температур
на напольной испытуемой поверхности (см. 5.5.4)

1 - термопара; 2 - 8 отверстий диаметром 1 мм в каждом отводе

Рисунок 6 - Измерительный зонд для отбора проб, предназначенный для газоходов
диаметром более
DN 100

1 - трубка Æ 6; 2 - трубка Æ 4/3; 3 - термопара; 4 - 8 отверстий диаметром 1 мм

Рисунок 7 - Измерительный зонд для отбора проб, предназначенный для газоходов
диаметром не более
DN 100

V1, V2 - магистральные запорные газовые клапаны; ts - время безопасности;
1 - розжиг;
2 - основная горелка

Рисунок 8 - Прямой розжиг основной горелки при максимальной мощности

V1 - основной предохранительный запорно-регулирующий газовый клапан; V1A - основной
предохранительный газовый медленно открывающийся клапан;
ts - время безопасности;
1 - зажигание; 2 - основная горелка

Рисунок 9 - Прямое зажигание основной горелки при частичном расходе

V1, V2 - основные предохранительные запорно-регулирующие газовые клапаны;
BSV - предохранительные клапаны подачи пускового газа;
ts1 - первое время безопасности;
ts2 - второе время безопасности; 1 - зажигание; 2 - основная горелка; 3 - запальная горелка

Рисунок 10 - Прямое зажигание основной горелки при частичном расходе
с независимой подачей пускового газа

V1, V2 - основные предохранительные запорно-регулирующие газовые клапаны;
PV1, PV2 - предохранительный запорно-регулирующий клапан запальной горелки;
ts1 - первое время
безопасности;
ts2 - второе время безопасности; 1 - зажигание; 2 - основная горелка; 3 - запальная горелка

Рисунок 11 - Зажигание основной горелки с независимой запальной горелкой

1 - испытуемый котел; 2 - измерители температуры; 3 - малоинерционная термопара; 4 - записывающее
устройство; 5 - насос с производительностью, позволяющий поддерживать разницу температур между
двумя измерителями на уровне 2 °С и 4 °С при максимальной температуре испытаний;
6 - дополнительный электрический котел; 7 - электросчетчик; 8 - регулятор напряжения;
9 - поворотные краны (1/4); 10 - подвод электропитания; 11 - дополнительный насос (при
необходимости); 12 - система охлаждения по принципу обмена или смешения

Рисунок 12 - Испытательный стенд для определения безнагрузочных потерь тепла

Приложение А
(справочное)

Диаметры газоходов для отвода продуктов сгорания,
применяемых в различных странах

В таблице А.1 приведены диаметры газоходов, применяемых в различных странах.

Таблица А.1 - Диаметры применяемых газоходов

Код страны

Диаметр

Диаметры газоходов для продуктов сгорания, мм

AT

Внутренний

60-70-80-90-100-110-120-130-140-150-160-170-180-200 - не стандартизировано для больших диаметров

BE

-

Не стандартизировано

СН

Внешний

70-80-90-100-110-120-130-150-180-200-250-300-350-400

DE

Внутренний

60-70-80-90-110-120-130-150-180-200-250-300-350

DK

Номинальный

50-60-70-80-90-100-110-120-130-150-180-200-250 - не стандартизировано для больших диаметров

ES

Внутренний

80-90-100-110-120-125-130-140-150-165-175-180-200- 250-300-350-400-450-500

FI

-

90-100-110-130-150-180-200

FR

Внешний

66-83-97-111-125-139-153-167-180 - не стандартизировано для больших диаметров

GB

Внутренний

75-101-126-152 (металлические трубы) 92-117-146-171 (асбестоцементные трубы) Не стандартизировано для больших диаметров

GR

-

-

IE

Внутренний

75-101-126-152 (металлические трубы) 84-109-136-162 (асбестоцементные трубы)

IS

-

-

IT

Внутренний

60-80-100-110-120-130-140-150-180-200-230-300-350-400-450-500

LU

-

-

NL

Внутренний

50-60-70-80-90-100-110-130-150-180-200 - не стандартизировано для больших диаметров

NO

-

Не стандартизировано

PT

Внешний

83-97-111-125-139-153-167-180

SE

-

-

RU

-

Не стандартизировано

Приложение В
(справочное)

Практический метод калибровки испытательного стенда, предназначенного
для определения тепловых потерь
Dp

Котел 1 (см. рисунок 1 или 2) заменяют резервуаром для воды, имеющим хорошую теплоизоляцию, небольшого объема (приблизительно 250 мл), в котором установлен электрический погружной кипятильник. Заполняют систему циркуляции водой и включают насос в нормальный режим работы. Погружной кипятильник подключают к источнику электропитания через трансформатор с плавной регулировкой и через ваттметр. Напряжение, подаваемое трансформатором, регулируют таким образом, чтобы температура циркулирующей воды достигла установившегося состояния (это может занять 4 ч или более). Записывают температуру окружающего воздуха и измеряют тепловую мощность. Определяют тепловые потери испытательного стенда, проводя серию испытаний при различных температурах с многократным подъемом температуры выше температуры окружающего воздуха.

Если испытание проводят при частичной нагрузке, то записывают температуру окружающего воздуха, а тепловые потери Dp определяют по разности температур окружающего воздуха и средних температур испытательного стенда.

Приложение С
(справочное)

Определение тепловых потерь испытательного стенда косвенным методом
и дополнительного подвода тепла от циркуляционного насоса испытательного
стенда
[см. 5.8.2.3, перечисление в)]

Котел отсоединяют от испытательного стенда (см. рисунок 12), а трубы подающей и обратной линии котла соединяют напрямую.

Дополнительный насос 11 блокируют, а краны 9 теплообменника закрывают.

Включают насос 5, который обеспечивает непрерывный проток воды.

Значения (Т - ТА) измеряют в установившемся режиме для трех следующих состояний:

a) при выключенном электрическом водонагревателе 6;

b) при включенном электрическом водонагревателе 6, чтобы получить значение (Т - ТА), составляющее (40 ± 5) °С;

c) при включенном электрическом водонагревателе 6, чтобы получить значение (Т - ТА), составляющее (60 ± 5) °С,

где Т - среднее значение температур, измеряемых двумя датчиками 2 на входе и выходе котла 1 во время проведения испытаний;

ТА - температура окружающего воздуха.

Для измеренных величин составляют график подвода тепла от электрического нагревателя, выраженного в ваттах, как функции значений разности температур (Т - ТА), выраженных в °С.

Полагают, что отображением характеристики будет прямая линия.

По полученному графику определяют значения тепловых потерь и дополнительного подвода тепла от циркуляционного насоса испытательного стенда как функции значений разности температур (Т - ТА).

Приложение D
(справочное)

Определение времени работы в полном диапазоне до перехода в режим модуляции

Котел устанавливают, как показано на рисунке 12. Водяной тракт представляет собой замкнутый теплоизолированный контур с котлом.

Установка должна содержать не менее 6 л воды на один киловатт номинальной теплопроизводительности.

Газовый тракт должен быть оснащен счетчиком газа или манометром, измеряющим давление газа перед форсункой.

Начальная температура воды составляет (47 ± 1) °С для обычных котлов и (37 ± 1) °С - для низкотемпературных котлов. Затем котел запускают и измеряют время U в секундах от момента розжига горелки до того момента, когда под воздействием регулировки:

- обеспечивается значение тепловой мощности, равной

0,37Qном + 0,63Qy,                                                  (D.1)

- или значение давления перед соплом снижается до значения, определенного по формуле

                                            (D.2)

где Qном - номинальная подводимая тепловая мощность, соответствующая полной нагрузке, кВт;

Qy - уменьшенная подводимая тепловая мощность, соответствующая частичной нагрузке, кВт;

рном - давление газа, соответствующее полной нагрузке, кПа (мбар);

ру - давление газа, соответствующее частичной нагрузке, кПа (мбар).

Приложение Е
(обязательное)

Определение содержания оксидов углерода и оксидов азота в продуктах сгорания

Испытания котлов, оснащенных устройствами регулирования тепловой мощности, проводят при максимальной и минимальной тепловой мощности. Котлы с диапазоном регулирования испытывают при номинальной и минимальной тепловой мощности, устанавливаемой посредством регулирования.

При достижении теплового равновесия котла отбирают пробу продуктов сгорания.

Содержание окиси углерода СО в сухих неразбавленных продуктах сгорания, %, вычисляют по формуле

                                                (E.1)

где (CO2)N - максимальное содержание диоксида углерода в сухих неразбавленных продуктах сгорания для природного газа, %;

(СО)М и (СO2)М - измеряемое содержание в образцах, отобранных во время проведения испытаний на сжигание, %.

Содержание СО в сухих неразбавленных продуктах сгорания вычисляют по формуле

                                           (E.2)

где (O2)M и (СО)M - измеряемое содержание кислорода и окиси углерода в образцах, отобранных во время проведения испытаний на сжигание, %.

Данную формулу рекомендуется использовать, когда содержание СО2 менее 2 %.

Содержание NOx измеряют, когда в котле установится температурное равновесие.

Нормальные условия для воздуха в камере сгорания:

- температура: 20 °С;

- относительная влажность: (10 г Н2O)/(кг воздуха).

Если условия испытаний отличаются от вышеуказанных нормальных условий, необходимо рассчитать скорректированное значение NOx,0, мг/кВт ∙ ч, по формуле

                 (Е.3)

где NOx,m - значение NOx, измеряемое при hm и Тт, выраженное в миллиграммах на киловатт в час (мг/кВт ∙ ч) в диапазоне 50 - 300 мг/кВт ∙ ч;

hm - влажность во время измерения NOx,m в г/кг в диапазоне 5 - 15 г/кг;

Тт - температура окружающего воздуха во время измерения NOx,т в диапазоне (15 - 25) °С.

Приложение F
(обязательное)

Случаи применения горелки с принудительной подачей воздуха для горения
в соответствии с
ГОСТ Р 51383

Необходимо проводить только испытания по:

- 5.3 «Тепловая мощность»;

- 5.5.1 «Предельные температуры устройств регулирования и безопасности»;

- 5.5.3 «Предельные температуры боковых стенок, передней стенки и крышки»;

- 5.5.4 «Предельные температуры стенок испытательного стенда и пола под котлом»;

- 5.6.3 «Проверка функционирования термостатов управления и защитных ограничителей температуры»;

- 5.7.1 «Горение при максимальной тепловой мощности»;

- 5.7.2 «Горение при минимальной номинальной тепловой мощности»;

- 5.7.3 «Горение при минимальной контролируемой тепловой мощности»;

- 5.8 «Коэффициент полезного действия»;

- 5.9 «Конденсация».

Приложение G
(справочное)

Обозначения, применяемые в настоящем стандарте

Обозначения, применяемые в настоящем стандарте, приведены в таблице G.1.

Таблица G.1

Наименование показателя

Обозначения

Теплота сгорания

Hi

Относительная плотность

d

Номинальное давление

pп

Минимальное давление

pтiп

Максимальное давление

pmax

Максимальное давление воды

PMS

Объемный расход газа при условиях испытаний

V

Объемный расход газа при стандартных условиях

Vr

Массовый расход газа при условиях испытаний

M

Массовый расход газа при стандартных условиях

Mr

Тепловая мощность

Q

Номинальная тепловая мощность

Qn

Теплопроизводительность

P

Номинальная теплопроизводительность

Pn

КПД

ηu

Время безопасности розжига

tSA

Максимальное время безопасности розжига

tSA, max

Время безопасности погасания

tSE

Приложение ZA
(справочное)

Связь между настоящим стандартом, техническим регламентом «О безопасности
аппаратов, работающих на газообразном топливе», утвержденным постановлением
правительства РФ от 11.02.2010 г. № 65 и Директивой ЕС 90/396/
EWG

Разделы настоящего стандарта затрагивают существенные требования технического регламента «О безопасности аппаратов, работающих на газообразном топливе», утвержденного постановлением правительства РФ от 11.02.2010 г. 65 и Директивы ЕС 90/396/EWG.

ПРЕДУПРЕЖДЕНИЕ - К товарам, подпадающим под действие данного стандарта, могут также применяться прочие технические регламенты и прочие директивы ЕС.

В следующих разделах данного стандарта выполняются требования технического регламента «О безопасности аппаратов, работающих на газообразном топливе», утвержденного постановлением правительства РФ от 11.02.2010 г. 65 и Директивы ЕС 90/396/EWG.

Таблица ZA.1 - Связь между настоящим стандартом техническим регламентом «О безопасности аппаратов, работающих на газообразном топливе», утвержденном постановлением правительства РФ от 11.02.2010 г. 65 и Директивой ЕС 90/396/EWG

Требование технического регламента

Требование директивы

Наименование

Разделы, пункты настоящего стандарта

1 Общие условия

Раздел V

1.1

Безопасность конструкции

1, 4, 5

Раздел IX

1.2

Инструкции по монтажу.

6.2.1

Руководства по эксплуатации.

6.2.2

Предупредительные надписи на приборе и упаковке.

6.1.3, 6.1.4

Официальный язык

6.2.1, 6.2.5

86

1.2.1

Инструкция по монтажу содержит:

6.2.1

- тип газа;

- присоединительное давление газа.

Требования по притоку свежего воздуха:

- для горения;

- опасность накопления несгоревшего газа (основополагающее требование 3.2.3).

Отвод продуктов сгорания

87

1.2.2

Содержание руководства по эксплуатации:

6.2.2

- все инструкции;

- ограничения использования

84

1.2.3

Предупредительные надписи, содержащие:

6.1.3, 6.1.4

- вид газа;

- присоединительное давление газа;

- ограничения

35

1.3

Арматура, инструкции

Отсутствует

2 Материалы

36

2.1

Соответствие назначению

4.1, 4.2

36

2.2

Свойства материалов

4.2

3 Проектирование и конструкция

-

3.1

Общие положения

-

36

3.1.1

Механическая прочность

4.1, 4.2

31, 32

3.1.2

Конденсация

4.1, 4.2.9, 5.9

17 - 19

3.1.3

Взрывоопасность

4.1

20, 21

3.1.4

Проникновение воды/воздуха в газовую линию

Отсутствует

39

3.1.5

Допустимое колебание дополнительной энергии

4.1, 4.2.5.5, 4.2.6.4, 4.2.7

39

3.1.6

Нестандартное колебание дополнительной энергии

4.1, 4.2.7.1 [перечисление d)]

40

3.1.7

Электрическая безопасность

4.1

36

3.1.8

Герметичность соединений

4.1

42

3.1.9

Сбой устройств безопасности газовой линии

4.1

43

3.1.10

Устройства безопасности

4.1

45

3.1.11

Защита настроек, установленных изготовителем

4.1

44

3.1.12

Разборчивость маркировки устройств

4.1

25

3.2

Выход несгоревшего газа

4.2.5.8

21

3.2.1

Опасность утечки газа

28

3.2.2

Опасность скопления газа во время розжига, повторного розжига, после погасания

4.1

23

3.2.3

Безопасность устройств при монтаже.

Помещение с достаточной вентиляцией

4.1

Отсутствует

24

27

3.3

Розжиг, повторный розжиг и перекрестный розжиг

4.1, 4.2.5.6, 4.2.6

27

3.4

Качество сгорания

Отсутствует

3.4.1

Стабильность пламени.

Недопустимые концентрации в продуктах сгорания

4.2.5.6

4.1, 4.2.7

28

3.4.2

Отсутствие случайного выброса продуктов сгорания

4.1

29

3.4.3

Предельная опасная концентрация

4.1

41

3.5

Рациональное использование энергии

4.2.8, 5.8

-

3.6

Температура

4.2.5

26

3.6.1

Пол и прилегающие поверхности

4.2.5.3, 4.2.5.4

37

3.6.2

Ручки управления

4.2.5.2

3.6.3

Внешние детали

4.2.5.2

33

3.7

Продукты питания и вода для санитарных целей

Отсутствует

Приложение ДА
(обязательное)

Дополнительные требования к котлам с газовыми горелками с принудительной подачей
воздуха для центрального отопления с тепловой мощностью не более 1000 кВт

Данные требования являются дополнительными относительно требований международного стандарта ЕН 13836:2006 «Котлы с газовой топкой центрального отопления. Котлы с номинальной тепловой мощностью свыше 300 кВт, но не более 1000 кВт».

ДА.1 Требования к степени защиты, обеспечиваемые оболочками

ГОСТ 14254-96 (МЭК 529-89) Степени защиты, обеспечиваемые оболочками (код IP).

Приложение ДБ
(справочное)

Сведения о соответствии ссылочных национальных и межгосударственных
стандартов международным и европейским региональным стандартам,
использованным в качестве ссылочных в примененном европейском
региональном стандарте

Таблица ДБ.1

Обозначение ссылочного национального, межгосударственного стандарта

Степень соответствия

Обозначение и наименование ссылочного международного стандарта

ГОСТ Р 51383-99

MOD

ЕН 257 «Горелки газовые автоматические с принудительной подачей воздуха. Технические требования, требования безопасности и методы испытаний»

ГОСТ Р 52161.1-2004

MOD

МЭК 60335-1:2001 «Бытовые и аналогичные электрические приборы. Безопасность. Часть 1. Общие требования»

ГОСТ Р 54440-2011

MOD

ЕН 303-1 «Котлы отопительные. Часть 1. Отопительные котлы с горелками с принудительной подачей воздуха. Терминология, общие требования, испытания и маркировка»

ГОСТ Р 54442-2011

MOD

ЕН 303-3 «Котлы отопительные. Часть 3. Газовые котлы центрального отопления»

ГОСТ 14254-96 (МЭК 529-89)

IDT

МЭК 529-89 «Степени защиты, обеспечиваемые оболочками (код IP

Примечание - В настоящей таблице использованы следующие условные обозначения степени соответствия стандартов:

- IDT - идентичные стандарты;

- MOD - модифицированные стандарты.

Библиография

[1] ЕН 437 Газы испытательные. Испытательные давления. Категории приборов

Ключевые слова: отопительные агрегаты, газовые приборы, котлы, центральное отопление, отопительные установки, горелки, определения, классификация, технические условия на оборудование, оценка характеристик, испытания, заводские таблички, технические сообщения, маркировка