Occupational safety standards system. Special clothing for protection against liquid chemicals. Method for determination of resistance of air-impermeable materials to permeation by liquids

МЕЖГОСУДАРСТВЕННЫЙ СОВЕТ ПО СТАНДАРТИЗАЦИИ, МЕТРОЛОГИИ И СЕРТИФИКАЦИИ
(МГС)
INTERSTATE COUNCIL FOR STANDARDIZATION, METROLOGY AND CERTIFICATION
 (ISC)

МЕЖГОСУДАРСТВЕННЫЙ
СТАНДАРТ

ГОСТ
12
.4.239-
2013

Система стандартов безопасности труда

ОДЕЖДА СПЕЦИАЛЬНАЯ ДЛЯ ЗАЩИТЫ
ОТ ЖИДКИХ ХИМИКАТОВ

Метод определения сопротивления
воздухонепроницаемых материалов
прониканию жидкостей

Москва

Стандартинформ

2019

Предисловие

Цели, основные принципы и общие правила проведения работ по межгосударственной стандартизации установлены ГОСТ 1.0 «Межгосударственная система стандартизации. Основные положения» и ГОСТ 1.2 «Межгосударственная система стандартизации. Стандарты межгосударственные, правила и рекомендации по межгосударственной стандартизации. Правила разработки, принятия, обновления и отмены»

Сведения о стандарте

1 ПОДГОТОВЛЕН Открытым акционерным обществом «Всероссийский научно-исследовательский институт сертификации (ОАО «ВНИИС»)

2 ВНЕСЕН Федеральным агентством по техническому регулированию и метрологии

3 ПРИНЯТ Межгосударственным советом по стандартизации, метрологии и сертификации (протокол от 28 августа 2013 г. № 58-П)

За принятие проголосовали:

Краткое наименование страны
по MK (ИСО 3166) 004-97

Код страны
по MK (ИСО 3166) 004-97

Сокращенное наименование национального органа
по стандартизации

Армения

AM

Минэкономики Республики Армения

Казахстан

KZ

Госстандарт Республики Казахстан

Киргизия

KG

Кыргызстандарт

Россия

RU

Росстандарт

Узбекистан

UZ

Узстандарт

(Поправка, Правка к ИУС 6-2019).

4 Приказом Федерального агентства по техническому регулированию и метрологии от 28 августа 2013 г. № 592-ст межгосударственный стандарт ГОСТ 12.4.239-2013 введен в действие в качестве национального стандарта Российской Федерации с 1 марта 2014 г.

5 Настоящий стандарт подготовлен на основе применения ГОСТ Р 12.4.197-99 (ИСО 6529-90)*

_________

* Приказом Федерального агентства по техническому регулированию и метрологии от 28 августа 2013 г № 592-ст межгосударственный стандарт ГОСТ Р 12.4.197-99 отменен с 1 марта 2014 г.

6 ВВЕДЕН ВПЕРВЫЕ

7 ПЕРЕИЗДАНИЕ. Апрель 2019

Информация о введении в действие (прекращении действия) настоящего стандарта и изменений к нему на территории указанных выше государств публикуется в указателях национальных стандартов, издаваемых в этих государствах, а также в сети Интернет на сайтах соответствующих национальных органов по стандартизации.

В случае пересмотра, изменения или отмены настоящего стандарта соответствующая информация будет опубликована на официальном интернет-сайте Межгосударственного совета по стандартизации, метрологии и сертификации в каталоге «Межгосударственные стандарты»

Содержание

1 Область применения. 3

2 Нормативные ссылки. 3

3 Термины и определения. 4

4 Метод отбора проб. 4

5 Аппаратура и реактивы.. 4

6 Подготовка к проведению испытаний. 7

7 Проведение испытания. 8

8 Обработка результатов. 9

9 Требования безопасности. 10

Введение

Для измерения проникания жидких химикатов через защитные материалы используют диффузионную ячейку, состоящую из двух камер, имеющих стандартные размеры. Используя время проникания, определяемое графическим путем, можно получить сравнительные характеристики образцов различных защитных материалов, отличающихся, например, толщиной, плотностью или составом материала.

Настоящий стандарт рассчитан на квалифицированный и опытный персонал, хорошо знающий правила техники безопасности и защиты окружающей среды.

ГОСТ 12.4.239-2013

МЕЖГОСУДАРСТВЕННЫЙ СТАНДАРТ

Система стандартов безопасности труда

ОДЕЖДА СПЕЦИАЛЬНАЯ ДЛЯ ЗАЩИТЫ ОТ ЖИДКИХ ХИМИКАТОВ

Метод определения сопротивления воздухонепроницаемых материалов прониканию жидкостей

Occupational safety standards system. Special clothing for protection against liquid chemicals. Method for determination
of resistance of air-impermeable materials to permeation by liquids

Дата введения - 2014-03-01

1 Область применения

В настоящем стандарте изложен лабораторный метод определения сопротивления защитных материалов прониканию испытательной жидкости. Он применим для испытания воздухонепроницаемых материалов. Метод позволяет определить время проникания при лабораторных условиях и количество испытательной жидкости, проникшей через материал. Он также позволяет наблюдать процесс проникания жидкости через защитный материал.

Настоящий метод испытаний основан на двух процессах: процессе диффузии жидкости от одной поверхности материала до другой и вторичного процесса десорбции испытательной жидкости в жидкость-носитель. Скорость вторичного процесса зависит от скорости диффузии жидкости через материл, от степени искривления и растяжения исследуемого образца, приводящей к увеличению поглощения жидкости, и используемого метода сбора и анализа количества проникшей жидкости.

Следует подчеркнуть, что испытания не должны обязательно копировать условия практического использования защитного материала. Поэтому результаты испытания следует использовать только для оценки материалов в соответствии с их показателем сопротивления прониканию жидкости.

Настоящий стандарт распространяется на изолирующие полимерные материалы, представляющие собой текстильный материал с резиновым или пластмассовым покрытием (искусственные кожи и прорезиненные ткани), предназначенные для изготовления средств индивидуальной защиты (далее - СИЗ), и устанавливает основные требования к методам газовой и жидкостной хроматографии (метод А) и гравиметрическому методу (метод Б) определения проницаемости этих материалов по отношению к жидкостям (для метода Б - к растворителям).

Материал резинового или пластмассового покрытия должен обладать достаточной химической стойкостью к жидкости (далее - испытательная жидкость), по отношению к которой оценивают его проницаемость.

Стандарт не распространяется на материалы с вспененными или пористыми покрытиями.

Применение стандарта предусматривается при постановке материалов на производство и оценке качества серийно выпускаемых материалов, предназначенных для изготовления СИЗ.

2 Нормативные ссылки

В настоящем стандарте использованы ссылки на следующие стандарты:

ГОСТ 12.1.005 Система стандартов безопасности труда. Общие санитарно-гигиенические требования к воздуху рабочей зоны

ГОСТ 12.4.029 Система стандартов безопасности труда. Фартуки специальные. Технические условия

ГОСТ 427 Линейки измерительные металлические. Технические условия

ГОСТ 11358 Толщиномеры и стенкомеры индикаторные с ценой деления 0,01 и 0,1 мм. Технические условия

ГОСТ 17073 Кожа искусственная. Метод определения толщины и массы 1 м2

ГОСТ 20010 Перчатки резиновые технические. Технические условия

ГОСТ 241041) Весы лабораторные общего назначения и образцовые. Общие технические условия

_________

1) В Российской Федерации действует ГОСТ Р 24104-2008.

ГОСТ 29104.1-91 Ткани технические. Методы определения линейных размеров, линейной и поверхностной плотностей

Примечание - При пользовании настоящим стандартом целесообразно проверить действие ссылочных стандартов и классификаторов на официальном интернет-сайте Межгосударственного совета по стандартизации, метрологии и сертификации (www.easc.by) или по указателям национальных стандартов, издаваемым в государствах, указанных в предисловии, или на официальных сайтах соответствующих национальных органов по стандартизации. Если на документ дана недатированная ссылка, то следует использовать документ, действующий на текущий момент, с учетом всех внесенных в него изменений. Если заменен ссылочный документ, на который дана датированная ссылка, то следует использовать указанную версию этого документа. Если после принятия настоящего стандарта в ссылочный документ, на который дана датированная ссылка, внесено изменение, затрагивающее положение, на которое дана ссылка, то это положение применяется без учета данного изменения. Если документ отменен без замены, то положение, в котором дана ссылка на него, применяется в части, не затрагивающей эту ссылку.

3 Термины и определения

В настоящем стандарте применяют следующие термины с соответствующими определениями:

3.1 воздухонепроницаемые материалы: Материалы, сквозь которые не могут проникать газы, за исключением процесса растворения газа в материале.

3.2 время проникания: Время между началом контакта испытательной жидкости с одной поверхностью материала и ее появлением на другой стороне материала, измеренное по методике, приведенной в настоящем стандарте.

3.3 проникание: Процесс молекулярной диффузии химического вещества через твердый материал, завершающийся десорбцией его в специальную среду.

3.4 стационарный режим проникания: Состояние процесса проникания, при котором скорость проникания становится постоянной.

3.5 испытательная жидкость: Жидкость, по отношению к которой проводят оценку проницаемости.

4 Метод отбора проб

4.1 Элементарные пробы для испытания [для методов газовой и жидкостной хроматографии (метода А)] вырезают в форме круга диаметром (50 ± 1) мм на расстоянии не менее 50 мм от кромки и 1 м от края рулона или не менее 50 мм от края детали изделия.

Для гравиметрического метода (метода Б) диаметр образца определяют посадочным местом диффузионной ячейки.

Элементарные пробы вырезают вручную или вырубают цилиндрическим штанцевым ножом. Для заготовки образцов из изделий выбирают ровный участок.

4.2 Поверхность образца должна быть гладкой, не должна иметь трещин, раковин, инородных включений.

4.3 Толщина элементарной пробы должна быть равна толщине испытуемого материала или изделия.

4.4 Допуск по толщине элементарных проб из изделий устанавливают в соответствии с нормативным документом на материал или изделие из него.

4.5 Толщина каждой испытуемой элементарной пробы не должна отличаться более чем на ±10 % среднего значения толщины испытуемой группы образцов.

4.6 Количество испытуемых элементарных проб должно быть не менее трех.

5 Аппаратура и реактивы

5.1 Метод А

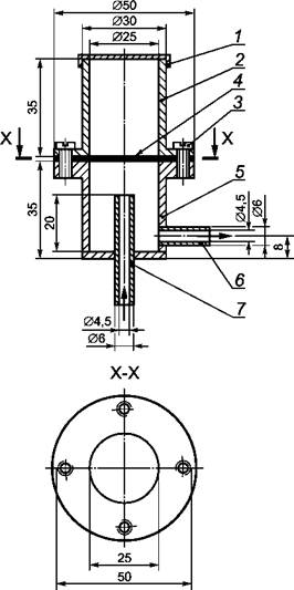
5.1.1 Диффузионная ячейка, состоящая из двух камер 2 и 5, скрепленных болтами 3 (см. рисунок 1). В верхнюю камеру 2 заливают испытательную жидкость. Проникшая через элементарную пробу 4 испытательная жидкость из нижней камеры 5 направляется на анализирующее устройство.

Верхняя камера снабжена неплотно закрывающейся крышкой 1. Это позволяет избежать, с одной стороны, повышения давления, а с другой стороны - свободного контакта верхней камеры диффузионной ячейки с окружающей средой (что особенно важно в случае летучих испытательных жидкостей).

Размеры диффузионной ячейки приведены на рисунке 1.

1 - крышка; 2 - верхняя камера; 3 - зажимные болты; 4 - элементарная проба;
5 - нижняя камера; 6 - выходной штуцер; 7 - входной штуцер

Рисунок 1 - Устройство диффузионной ячейки для испытания методами газовой
и жидкостной хроматографии

Размеры нижней камеры и штуцеры 6 и 7 позволяют газу-носителю или жидкости-носителю циркулировать в камере без повышения в ней давления.

5.1.2 Диффузионная ячейка и трубопроводы должны быть выполнены из материалов, инертных по отношению к испытательным жидкостям.

5.1.3 Газ-носитель или жидкость-носитель служат для транспортирования проникшей через элементарную пробу испытательной жидкости от нижней камеры диффузионной ячейки канализирующему прибору.

5.1.4 В качестве газа-носителя может быть использован сухой воздух или другой сухой невоспламеняющийся инертный газ (например азот или гелий).

5.1.5 В качестве жидкости-носителя может быть использована вода или другая жидкость, не влияющая на проницаемость материала.

5.1.6 Газ-носитель или жидкость-носитель должны непрерывно подаваться в нижнюю часть диффузионной ячейки в достаточном для анализа количестве.

5.1.7 Оборудование для подачи газа-носителя, включающее регулятор, расходомер и трубопровод для подключения к входному штуцеру диффузионной ячейки должно обеспечивать скорость подачи газа-носителя (500 ± 50) мл/мин.

5.1.8 Недопустима рециркуляция газа-носителя.

5.1.9 Требуемая скорость подачи газа-носителя обеспечивается регулированием давления газа на входе в диффузионную ячейку либо соответствующей скоростью откачки газа на выходе из анализирующего прибора. Варианты регулирования давления газа представлены на рисунке 2. Выбор варианта обусловливается методом транспортирования испытательной жидкости и анализа.

1 - диффузионная ячейка; 2 - самописец; 3 - выходной штуцер; 4 - насос;
5 - анализирующий прибор; 6 – регулируемый поток газа-носителя

Рисунок 2 - Варианты схемы испытательной установки методом газовой
или жидкостной хроматографии

5.1.10 Оборудование для подачи жидкости-носителя, включающее регулятор, расходомер и трубопровод для подключения к входному штуцеру диффузионной ячейки, должно обеспечивать скорость подачи жидкости-носителя (200 ± 20) мл/мин.

5.1.11 Материалы, используемые для изготовления оборудования, работающего с применением жидкости-носителя, не должны ее загрязнять продуктами экстракции, разложения или старения.

5.1.12 Анализирующий прибор, предназначенный для определения массы, проникшей через элементарную пробу испытательной жидкости или составляющих ее компонентов в газе-носителе или жидкости-носителе, должен обеспечивать измерение массы проникшей испытательной жидкости с чувствительностью не более 1 мг/(мин × см2) и периодичностью не реже раза в 60 с.

5.1.13 Шаблон для вырезки элементарных проб диаметром (50 ± 1) мм должен иметь отверстия, совпадающие с местами расположения зажимных болтов диффузионной ячейки.

5.2 Метод Б

5.2.1 Ячейка диффузионная, изготовленная из материала, стойкого к действию растворителей.

Диффузионная ячейка состоит из цилиндрического стакана с наружной резьбой, укрепленного на подставке-столике (рисунок 3), представляющем собой кольцо с бортом, имеющим внутреннюю резьбу. Подставка-столик навинчивается на цилиндрический стакан для закрепления образца и тефлоновой прокладки.

1 - корпус; 2, 4 - прокладка; 3 - винт; 5 - подставка-столик; 6 - стойка

Рисунок 3 - Диффузионная ячейка для испытания гравиметрическим методом

Допускается использовать ячейки других конструкций, обеспечивающих проведение испытаний в выбранных условиях.

Масса диффузионной ячейки с растворителем и образцом используемого материала должна быть не более (150 ± 10) г.

5.3 Секундомер или таймер с ценой деления 1 с.

5.4 Толщиномер с точностью до 0,01 мм - по ГОСТ 11358.

5.5 Весы с погрешностью взвешивания не более 0,5 % измеряемой массы и минимальным пределом взвешивания 10-3 г по ГОСТ 24104 или другому нормативному документу.

5.6 Линейка измерительная по ГОСТ 427 длиной не менее 0,5 м.

5.7 Испытательная жидкость в соответствии с нормативным документом, утвержденным в установленном порядке, в требуемом количестве.

5.8 Фартук - по ГОСТ 12.4.029.

5.9 Перчатки резиновые технические - по ГОСТ 20010.

5.10 Закрытые герметические защитные очки в соответствии с нормативным документом, утвержденным в установленном порядке.

6 Подготовка к проведению испытаний

6.1 Элементарные пробы кондиционируют в течение не менее 16 ч при температуре (23 ± 2) °С и влажности (50 ± 5) %, если в нормативном документе на материал или изделие нет указаний на другие условия кондиционирования.

6.2 В соответствии с требованиями ГОСТ 17073 в центре элементарной пробы оценивают ее толщину.

6.3 В соответствии с ГОСТ 17073 или ГОСТ 29104.1 оценивают массу 1 м2 исследуемой искусственной кожи или поверхностную плотность прорезиненной ткани.

6.4 Проводят калибровку аналитического прибора в соответствии с инструкцией по эксплуатации и/или методикой проведения анализа.

6.5 Собирают диффузионную ячейку в соответствии с 5.1 (метод А) или 5.2 (метод Б).

6.6 Если при испытании данного материала наблюдается капиллярное проникание испытательной жидкости по торцу элементарной пробы или по местам установки зажимных болтов, то следует поверх образца установить тонкую прокладку (с соответствующими болтам вырезами) из упругого стойкого к испытательной жидкости материала.

6.7 При испытании по методу А собирают испытательный прибор в соответствии с рисунком 2, включают подачу газа-носителя или жидкости-носителя и устанавливают требуемую скорость потока.

7 Проведение испытания

7.1 Метод А

7.1.1 Испытание проводят при температуре (23 ± 2) °С и влажности (50 ± 5) %, если в нормативном документе на материал или изделие нет указаний на другие условия проведения испытаний.

7.1.2 Заливают 10 см3 испытательной жидкости в диффузионную ячейку.

В случае оценки проницаемости мягких материалов по отношению к жидкости высокой плотности, с целью уменьшения искажений, связанных с повышенной деформацией элементарной пробы, допустимо заливать меньшее количество жидкости.

7.1.3 Одновременно запускают часы и/или делают отметку в самопишущем устройстве и закрывают крышку диффузионной ячейки.

7.1.4 Количественный анализ продиффундировавшей испытательной жидкости проводят химическим, хроматографическим или ионизационным методом в зависимости от физико-химических свойств диффузанта.

Анализ газа-носителя или жидкости-носителя, в зависимости от типа аналитического прибора и его возможностей, проводят непрерывно либо через соответствующие возможностям прибора интервалы времени.

7.1.5 Строят график изменения общей массы продиффундировавшей испытательной жидкости  во времени (рисунок 4).

7.1.6 Оценку проникания жидкости проводят по количеству проникшей жидкости за время 30 и 60 мин после достижения стационарного режима (постоянный наклон кривой графика на рисунке 4).

Рисунок 4 - Общий вид графика изменения общей массы
продиффундировавшей испытуемой жидкости во времени

7.1.7 По окончании испытания проводят демонтаж диффузионной ячейки, ее чистку и высушивание внутренних и наружных поверхностей.

7.1.8 Элементарную пробу подвергают визуальному осмотру. При осмотре регистрируют изменения внешнего вида и состояния элементарной пробы: расслоение, набухание, разрушение, появление хрупкости, изменение цвета и т. п.

7.2 Метод Б

7.2.1 Элементарную пробу помещают на борт цилиндрического стакана, слегка смазанного вакуумной смазкой, накладывают тефлоновую прокладку и затем привинчивают подставку-столик к стакану.

7.2.2 Через боковое отверстие в стакан пипеткой заливают (15 ± 0,5) см3 испытательной жидкости. Жидкость заливают так, чтобы она не попала на поверхность элементарной пробы. Отверстие завинчивают пробкой.

7.2.3 Собранную ячейку дном стакана ставят на чашку аналитических весов и взвешивают с погрешностью по 5.5. Затем ячейку переворачивают и, не снимая с весов, взвешивают через выбранные промежутки времени.

7.2.4 Строят график изменения общей массы продиффундировавшей испытательной жидкости  во времени (рисунок 4).

7.2.5 Оценку проникания жидкости проводят по количеству проникшей жидкости за время контакта элементарной пробы с испытательной жидкостью после достижения стационарного режима (постоянный наклон кривой графика на рисунке 4). Продолжительность контакта элементарной пробы с испытательной жидкостью зависит от свойств материала и устанавливается нормативным документом на материал или изделие. При отсутствии в нормативном документе указаний на продолжительность испытаний их проводят в соответствии с требованиями 7.1.6.

8 Обработка результатов

8.1 Метод А

8.1.1 При любом способе анализа на графике изменения общей массы продиффундировавшей испытательной жидкости (рисунок 4) проводят следующие графические построения. Продолжают прямолинейный участок кривой вниз до пересечения с осью абсцисс. Отсчет времени запаздывания τ3, с, проводят от начала испытания - момента залива испытательной жидкости.

8.1.2 Определяют количество испытательной жидкости, проникшей через испытуемую элементарную пробу за 30 мин от момента установления стационарного режима ΔQ30 по формуле

ΔQ30 = Q2 - Q1,

(1)

где Q1 - количество диффузанта, проникшего через элементарную пробу на момент установления стационарного режима, г;

Q2 - количество диффузанта, проникшего через элементарную пробу за 30 мин после установления стационарного режима, г.

Аналогично определяют ΔQ60 - количество испытательной жидкости, проникшей через испытуемую элементарную пробу за 60 мин от момента установления стационарного режима.

8.1.3 Скорость проникания жидкости через материал с покрытием характеризуется условным коэффициентом проницаемости Р, мг/см2 × с. Для метода газовой и жидкостной хроматографии рассчитывают коэффициенты проницаемости за время 30 и 60 мин с момента установления стационарного режима по формулам:

P30 = ΔQ30/30 · 60 · S;

(2)

P60 = ΔQ60/30 · 60 · S;

(3)

где S - площадь рабочей части образца, см2;

60 - переводной коэффициент минут в секунды.

8.2 Метод Б

Для гравиметрического метода коэффициент проницаемости жидкости через элементарную пробу Pграв рассчитывают по формуле

(4)

где т - масса растворителя, прошедшего через пленку за время измерения, г;

S - площадь элементарной пробы, через которую проникает растворитель, см2;

Δt - время контакта элементарной пробы с испытательной жидкостью после установления стационарного режима, с.

8.3 За результат испытания принимают средние арифметические значения проницаемости P30 и P60 или Pграв, каждый из которых вычисляют по результатам трех параллельных испытаний.

8.4 Разброс результатов отдельных определений не должен превышать ±20 %.

8.5 В случае если разброс результатов отдельных определений превышает ±20 %, то необходимо провести повторную серию из трех параллельных испытаний.

8.6 Если результаты испытаний повторной серии соответствуют требованиям 8.5, то эти результаты приводят в протоколе испытаний. В противном случае в протоколе приводят результаты обеих серий испытаний. В протоколе следует при этом также указать, что является для каждой элементарной пробы причиной разброса результатов испытаний - отличие в образцах (толщина и/или другое) или погрешности испытания.

8.7 Результаты испытания записывают в протокол, который должен содержать:

а) наименование и марку испытуемого материала (с указанием нормативного документа);

б) нормативный документ на изделие и положение вырезанной элементарной пробы в изделии (для случая испытания материала изделия);

в) дату изготовления материала и/или изделия;

г) метод испытания и указание на выполнение испытаний в соответствии с настоящим стандартом;

д) наименование испытательной жидкости (с указанием нормативного документа);

е) методику анализа испытательной жидкости (для метода А);

ж) температуру испытания, °С;

и) толщину, поверхностную плотность (массу 1 м2) испытуемого материала;

к) средние и индивидуальные значения для каждой элементарной пробы времени запаздывания (для метода А);

л) средние и индивидуальные значения для каждой элементарной пробы коэффициента проницаемости при времени диффузии жидкости после установления стационарного режима 30 и 60 мин (для метода А);

м) время проведения испытания после установления стационарного режима и средние и индивидуальные значения для каждой элементарной пробы коэффициента проницаемости (для метода Б);

н) число элементарных проб (и серий), взятых для испытания;

п) внешний вид элементарных проб после испытания;

р) копию графика, по которому проводили определение времени запаздывания, установления стационарного режима, ΔQ30 и ΔQ60;

с) дату проведения испытания.

9 Требования безопасности

9.1 Работы с токсичными жидкостями следует проводиться в вытяжном шкафу при включенной вентиляции.

9.2 Концентрация паров в воздухе рабочей зоны не должна превышать предельно допустимые по ГОСТ 12.1.005.

9.3 Испытания проводят с соблюдением правил по технике безопасности, установленных для работы с применяемыми жидкостями.

9.4 При проведении испытаний необходимо применять соответствующие средства индивидуальной защиты.

Ключевые слова: средства индивидуальной защиты, материалы с покрытием из резины, материалы с покрытием из пластмассы, проникание жидкостей