МЕЖГОСУДАРСТВЕННЫЙ СОВЕТ ПО СТАНДАРТИЗАЦИИ,
МЕТРОЛОГИИ И СЕРТИФИКАЦИИ
(МГС)
INTERSTATE COUNCIL FOR STANDARDIZATION, METROLOGY AND CERTIFICATION
(ISC)
|
МЕЖГОСУДАРСТВЕННЫЙ |
ГОСТ |
ОПАЛУБКА
Общие технические условия
|
|
Москва Стандартинформ 2018 |
Предисловие
Цели, основные принципы и основной порядок проведения работ по межгосударственной стандартизации установлены в ГОСТ 1.0-2015 «Межгосударственная система стандартизации. Основные положения» и ГОСТ 1.2-2015 «Межгосударственная система стандартизации. Стандарты межгосударственные, правила и рекомендации по межгосударственной стандартизации. Правила разработки, принятия, обновления и отмены»
Сведения о стандарте
1 РАЗРАБОТАН ООО «Научно-технический центр «Стройопалубка» (ООО НТЦ «Стройопалубка»)
2 ВНЕСЕН Техническим комитетом по стандартизации ТК 465 «Строительство»
3 ПРИНЯТ Межгосударственным советом по стандартизации, метрологии и сертификации (протокол от 30 ноября 2017 г. № 52-2017)
За принятие проголосовали:
|
Краткое наименование страны |
Код страны по |
Сокращенное наименование национального |
|
Узбекистан |
UZ |
Узстандарт |
|
Киргизия |
KG |
Кыргызстандарт |
|
Россия |
RU |
Росстандарт |
|
Таджикистан |
TJ |
Таджикстандарт |
|
Казахстан |
KZ |
Госстандарт Республики Казахстан |
4 Приказом Федерального агентства по техническому регулированию и метрологии от 14 декабря 2017 г. № 1954-ст межгосударственный стандарт ГОСТ 34329-2017 введен в действие в качестве национального стандарта Российской Федерации с 1 апреля 2018 г.
5 Настоящий стандарт подготовлен на основе применения ГОСТ Р 52085-2003*
__________
* Приказом Федерального агентства по техническому регулированию и метрологии от 14 декабря 2017 г. № 1954-ст ГОСТ Р 52085-2003 отменен с 1 апреля 2018 г.
6 ВВЕДЕН ВПЕРВЫЕ
Информация об изменениях к настоящему стандарту публикуется в ежегодном информационном указателе «Национальные стандарты», а текст изменений и поправок - в ежемесячном информационном указателе «Национальные стандарты». В случае пересмотра (замены) или отмены настоящего стандарта соответствующее уведомление будет опубликовано в ежемесячном информационном указателе «Национальные стандарты». Соответствующая информация, уведомление и тексты размещаются также в информационной системе общего пользования - на официальном сайте Федерального агентства по техническому регулированию и метрологии в сети Интернет (www.gost.ru)
Содержание
ГОСТ 34329-2017
МЕЖГОСУДАРСТВЕННЫЙ СТАНДАРТ
ОПАЛУБКА
Общие технические условия
Formworks. General specifications
Дата введения - 2018-04-01
Настоящий стандарт распространяется на опалубку всех типов для возведения монолитных бетонных и железобетонных конструкций. Стандарты конкретных типов опалубок и отдельных элементов разрабатываются дополнительно.
В настоящем стандарте использованы нормативные ссылки на следующие документы:
ГОСТ 2.601-2013 Единая система конструкторской документации. Эксплуатационные документы
ГОСТ 4.221-82 Система показателей качества продукции. Строительство. Строительные конструкции и изделия из алюминиевых сплавов. Номенклатура показателей
ГОСТ 9.014-78 Единая система защиты от коррозии и старения. Временная противокоррозионная защита изделий. Общие требования
ГОСТ 9.032-74 Единая система защиты от коррозии и старения. Покрытия лакокрасочные. Группы, технические требования и обозначения
ГОСТ 9.303-84 Единая система защиты от коррозии и старения. Покрытия металлические и неметаллические неорганические. Общие требования к выбору
ГОСТ 380-2005 Сталь углеродистая обыкновенного качества. Марки
ГОСТ 977-88 Отливки стальные. Общие технические условия
ГОСТ 1050-2013 Металлопродукция из нелегированных конструкционных качественных и специальных сталей. Общие технические условия
ГОСТ 1583-93 Сплавы алюминиевые литейные
ГОСТ 2695-83 Пиломатериалы лиственных пород. Технические условия
ГОСТ 3826-82 Сетки проволочные тканые с квадратными ячейками. Технические условия
ГОСТ 3916.1-96 Фанера общего назначения с наружными слоями из шпона лиственных пород. Технические условия
ГОСТ 3916.2-96 Фанера общего назначения с наружными слоями из шпона хвойных пород. Технические условия
ГОСТ 4598-86 Плиты древесно-волокнистые. Технические условия
ГОСТ 4784-97 Алюминий и сплавы алюминиевые деформируемые. Марки
ГОСТ 5264-80 Ручная дуговая сварка. Соединения сварные. Основные типы. Конструктивные элементы и размеры
ГОСТ 8486-86 Пиломатериалы хвойных пород. Технические условия
ГОСТ 8617-81 (СТ СЭВ 3843-82, СТ СЭВ 3844-82) Профили прессованные из алюминия и алюминиевых сплавов. Технические условия
ГОСТ 8713-79 Сварка под флюсом. Соединения сварные. Основные типы, конструктивные элементы и размеры
ГОСТ 8731-74 Трубы стальные бесшовные горячедеформированные. Технические условия
ГОСТ 9463-2016 Лесоматериалы круглые хвойных пород. Технические условия
ГОСТ 10632-2014 Плиты древесно-стружечные. Технические условия
ГОСТ 10706-76 Трубы стальные электросварные прямошовные. Технические условия
ГОСТ 11474-76 Профили стальные гнутые. Технические условия
ГОСТ 11533-75 Автоматическая и полуавтоматическая дуговая сварка под флюсом. Соединения сварные под острыми и тупыми углами. Основные типы, конструктивные элементы и размеры
ГОСТ 11534-75 Ручная дуговая сварка. Соединения сварные под острыми и тупыми углами. Основные типы, конструктивные элементы и размеры
ГОСТ 11539-2014 Фанера бакелизированная. Технические условия
ГОСТ 13118-83 (СТ СЭВ 3329-81) Штампы для листовой штамповки. Колонки направляющие гладкие. Конструкция и размеры
ГОСТ 13268-88 (СТ СЭВ 171-87) Электронагреватели трубчатые
ГОСТ 14192-96 Маркировка грузов
ГОСТ 14637-89 (ИСО 4995-78) Прокат толстолистовой из углеродистой стали обыкновенного качества. Технические условия
ГОСТ 14771-76 Дуговая сварка в защитном газе. Соединения сварные. Основные типы, конструктивные элементы и размеры
ГОСТ 14776-79 Дуговая сварка. Соединения сварные точечные. Основные типы, конструктивные элементы и размеры
ГОСТ 14806-80 Дуговая сварка алюминия и алюминиевых сплавов в инертных газах. Соединения сварные. Основные типы, конструктивные элементы и размеры
ГОСТ 15150-69 Машины, приборы и другие технические изделия. Исполнения для различных климатических районов. Категории, условия эксплуатации, хранения и транспортирования в части воздействия климатических факторов внешней среды
ГОСТ 16523-97 Прокат тонколистовой из углеродистой стали качественной и обыкновенного качества общего назначения. Технические условия
ГОСТ 17066-94 Прокат тонколистовой из стали повышенной прочности. Технические условия
ГОСТ 18482-79 Трубы прессованные из алюминия и алюминиевых сплавов. Технические условия
ГОСТ 19281-2014 Прокат повышенной прочности. Общие технические условия
ГОСТ 20850-2014 Конструкции деревянные клееные несущие. Общие технические условия
ГОСТ 21778-81 (СТ СЭВ 2045-79) Система обеспечения точности геометрических параметров в строительстве. Основные положения
ГОСТ 21779-82 (СТ СЭВ 2681-80) Система обеспечения точности геометрических параметров в строительстве. Технологические допуски
ГОСТ 22233-2001 Профили прессованные из алюминиевых сплавов для светопрозрачных ограждающих конструкций. Технические условия
ГОСТ 23518-79 Дуговая сварка в защитных газах. Соединения сварные под острыми и тупыми углами. Основные типы, конструктивные элементы и размеры
Примечание - При пользовании настоящим стандартом целесообразно проверить действие ссылочных стандартов в информационной системе общего пользования - на официальном сайте Федерального агентства по техническому регулированию и метрологии в сети Интернет или по ежегодному информационному указателю «Национальные стандарты», который опубликован по состоянию на 1 января текущего года, и по выпускам ежемесячного информационного указателя «Национальные стандарты» за текущий год. Если ссылочный стандарт заменен (изменен), то при пользовании настоящим стандартом следует руководствоваться заменяющим (измененным) стандартом. Если ссылочный стандарт отменен без замены, то положение, в котором дана ссылка на него, применяется в части, не затрагивающей эту ссылку.
В настоящем стандарте применены следующие термины с соответствующими определениями:
3.1 анкер: Опорный элемент, закрепляемый в какой-либо неподвижной конструкции или в грунте для закрепления опалубки.
3.2 блочная опалубка: Опалубка, состоящая из пространственных блоков.
3.2.1 опалубка внешнего контура (блок-форма): Блочная опалубка, применяемая для бетонирования замкнутых и отдельно стоящих монолитных конструкций типа колонн, ступенчатых фундаментов, ростверков и др.
3.2.2 опалубка внутреннего контура: Блочная опалубка внутренней поверхности замкнутых ячеек (например, квартир, комнат, лифтовых шахт).
3.2.3 опалубка внутреннего (внешнего) контура разъемная: Блочная опалубка (внешнего и внутреннего контура) с разъемными блоками.
3.2.4 опалубка внутреннего (внешнего) контура неразъемная: Блочная опалубка (внешнего и внутреннего контура) с неразъемными блоками.
3.2.5 опалубка внутреннего (внешнего) контура переналаживаемая: Блочная опалубка (внешнего и внутреннего контура), конструкция которой допускает изменение размеров в плане и по высоте.
3.3 горизонтально перемещаемая опалубка: Опалубка, конструкция которой перемещается горизонтально по мере бетонирования монолитной конструкции, состоящая из щитов, несущих, поддерживающих, соединительных элементов и механизмов для перемещения.
3.3.1 катучая опалубка: Горизонтально перемещаемая опалубка, перемещение которой осуществляется на тележках и с помощью других приспособлений для бетонирования протяженных стен, туннелей, возводимых открытым способом, и других подобных сооружений.
3.3.2 туннельная опалубка: Горизонтально перемещаемая опалубка, перемещение которой осуществляется с помощью специальных механизмов с гидравлическим, механическим или другим приводом для бетонирования обделки туннелей, возводимых закрытым способом.
3.4 греющая опалубка: Опалубка, предназначенная для бетонирования монолитных конструкций в условиях низких температур окружающего воздуха (от плюс 5 °С), а также для ускорения твердения бетона как в летних, так и в зимних условиях.
3.5 домкрат: Несущий и поддерживающий элемент (винтовой, гидравлический, пневматический и др.) для установки, демонтажа, рихтовки и подъема опалубки, в том числе скользящей, подъемно-переставной, а также опалубки перекрытий, рихтовочных элементов.
3.6 домкратная рама: Несущий элемент скользящей опалубки, воспринимающий нагрузки от щитов при бетонировании и рабочего пола и служащий для установки домкратов при подъеме опалубки.
3.7 домкратный стержень: Опорный элемент скользящей опалубки, расположенный внутри возводимого сооружения, на который опирается опалубка.
3.8 жесткость: Характеристика опалубки и ее элементов, зависящая от материала (модуль упругости Е) и момента инерции сечения опалубки.
3.9 замок: Соединительный элемент, объединяющий в том числе отдельные щиты.
3.10 захват: Монтажный элемент для строповки (захвата) опалубки при ее подъеме во время монтажа, распалубке или перемонтировании.
3.11 защитная трубка: Трубка для защиты от бетона в целях последующего использования, например защитная трубка домкратного стержня скользящей опалубки, стяжки и др.
3.12 инвентарная опалубка: Опалубка многократного применения.
3.13 каркас щита: Основной несущий элемент щита.
3.14 класс опалубки: Качественная характеристика опалубки.
3.15 крестовая связь: Шарнирно соединенные (крестообразные) связи для удержания рам опалубки перекрытий при монтаже.
3.16 кружало: Горизонтальная балка, объединяющая щиты скользящей опалубки и воспринимающая давление бетонной смеси.
3.17 крупнощитовая опалубка: Опалубка, состоящая из крупногабаритных щитов, поддерживающих, соединительных и монтажных элементов массой более 50 кг.
3.18 мелкощитовая опалубка: Опалубка, состоящая из малогабаритных щитов, поддерживающих, соединительных и монтажных элементов массой до 50 кг, допускающих монтаж опалубки вручную.
3.19 модульная опалубка: Крупнощитовая (мелкощитовая) опалубка, включающая в себя щиты и/или другие элементы с фиксированными размерами, кратными определенному модулю.
3.20 монтаж опалубки: Сборка и установка в рабочее положение опалубки и ее элементов.
3.21 монтажный элемент: Элемент опалубки (приспособление), служащий для монтажа и распалубки.
3.22 несущая способность: Расчетная несущая способность опалубки и ее элементов (нагрузки с учетом всех коэффициентов запаса).
3.23 несущий элемент: Элемент опалубки, воспринимающий все нагрузки при бетонировании и обеспечивающий прочность, жесткость и устойчивость ее конструкции.
3.24 несъемная опалубка: Опалубка, состоящая из щитов (панелей, блоков, пластин), остающихся после бетонирования в конструкции, и инвентарных поддерживающих элементов.
3.25 оборачиваемость: Количество использования опалубки (циклов бетонирования), определенное на основе опыта использования статистических данных или расчетным методом. Оборачиваемость до износа, ремонта, оборачиваемость в течение месяца, года и т.д.
3.26 объемно-переставная опалубка: Опалубка, состоящая из секций, которые при установке в рабочее положение образуют в поперечном сечении опалубку П-образной формы для одновременного бетонирования стен и перекрытий.
3.26.1 П-образная опалубка: Объемно-переставная опалубка, состоящая из П-образных секций.
3.26.2 Г-образная опалубка: Объемно-переставная опалубка, состоящая из Г-образных полусекций.
3.27 опалубка разового применения: Опалубка, применение которой осуществляется один раз, например несъемная, или для уникальных, неповторяемых конструкций.
3.28 опалубка: Конструкция, представляющая собой форму для укладки и выдерживания бетонной смеси.
3.29 палуба: Формообразующий элемент опалубки, представляющий собой поверхность, соприкасающуюся с бетоном.
3.30 панель: Несущий крупноразмерный элемент, собираемый из щитов или унифицированных несущих элементов, монтируемый или демонтируемый без переборок.
3.31 пневматическая опалубка: Опалубка, состоящая из формообразующей гибкой воздухоопорной оболочки или пневматических поддерживающих элементов с формообразующей оболочкой, поддерживаемых в рабочем положении избыточным давлением воздуха.
3.32 поддерживающий элемент: Элемент, поддерживающий опалубку и воспринимающий монтажные нагрузки.
3.33 подкос: Монтажный элемент для установки, рихтовки и распалубки щитов (панелей).
3.34 подмости для бетонирования: Технологический элемент, представляющий собой настил с ограждением, для удобства бетонирования монолитных конструкций и обеспечения безопасности работ, устраиваемый по кронштейнам подмостей.
3.35 подъемно-переставная опалубка: Опалубка, состоящая из щитов, отделяемых от бетонированной поверхности при подъеме, а также поддерживающих, крепежных, технологических элементов и приспособлений для подъема.
3.36 прогиб под нагрузкой: Прогиб опалубки и ее элементов под нагрузкой в вертикальной и горизонтальной плоскостях, характеризующий жесткость опалубки.
3.37 рабочий пол: Пол скользящей и подъемно-переставной опалубки (сплошной или вдоль внутренних щитов скользящей опалубки) для установки оборудования, размещения людей, материалов, насосных станций, обслуживания опалубки и бетонирования.
3.38 разборная опалубка: Крупнощитовая (мелкощитовая) опалубка, состоящая из съемной палубы и набора несущих элементов, из которых в различном их сочетании собираются каркасы щитов, панелей, блоков, столов в зависимости от нагрузки с последующим закреплением палубы, а также необходимых поддерживающих, соединительных и монтажных элементов.
3.39 рама: Несущий элемент опалубки перекрытия, объединяющий две или несколько стоек.
3.40 расчетная нагрузка: Нагрузка, принимаемая для расчета, с соответствующими нормативными коэффициентами запаса при монтаже, демонтаже, бетонировании.
3.41 скользящая опалубка: Опалубка, конструкция которой перемещается вертикально домкратами по мере бетонирования монолитной конструкции и которая состоит из щитов, домкратных рам, домкратных стержней, подъемных механизмов (домкратов, насосных или других подъемных станций) и технологических элементов (рабочий пол, подмости).
3.42 соединительный элемент: Монтажный элемент опалубки, который используется для объединения отдельных элементов опалубки стен и перекрытий (щитов, балок и пр.) и который воспринимает нагрузки при монтаже и частично при бетонировании.
3.43 специальная опалубка: Опалубка, применяемая для придания бетону или поверхности бетона специальных свойств, в том числе создания рельефа, поверхности с повышенной плотностью, а также с переменным термическим сопротивлением и др.
3.44 стяжка: Несущий элемент, соединяющий противоположные щиты и служащий в качестве опоры для восприятия бокового давления бетонной смеси.
3.45 схватка: Горизонтальная балка, закрепляемая на опалубке.
3.46 телескопическая стойка: Стойка с возможностью изменения размеров, выдвижения (перемещения) одной части относительно другой (базовой).
3.47 тренога: Монтажный элемент для удержания стоек, рам при монтаже.
3.48 формообразующий элемент: Элемент опалубки, который находится в непосредственном контакте с бетонной смесью и используется для придания бетону заданной геометрии конструкции (сооружения) и качества поверхности до набора бетоном необходимой прочности.
3.49 щит: Несущий и формообразующий элемент опалубки, состоящий из палубы, каркаса и/или других несущих элементов.
3.50 щит-компенсатор (промежуточная вставка): Формообразующий элемент, устанавливаемый между основными элементами опалубки (щитами, панелями) для получения немодульных размеров, а также для обеспечения распалубки внутренних замкнутых ячеек здания и сооружения. Промежуточные вставки могут изготовляться как разового (неинвентарная вставка), так и многоразового (инвентарная) применения.
4.1 Опалубка подразделяется на типы в зависимости:
- от вида бетонируемых монолитных и сборно-монолитных конструкций;
- конструкции;
- материалов несущих элементов;
- применяемости при различной температуре наружного воздуха и характера воздействия ее на бетон монолитных конструкций;
- оборачиваемости.
4.1.1 Типы опалубки в зависимости от вида бетонируемых монолитных конструкций
4.1.1.1 Опалубка вертикальных монолитных конструкций (в том числе наклонно-вертикальных):
- опалубка фундаментов;
- опалубка ростверков;
- опалубка стен;
- опалубка опор мостов, труб, градирен;
- опалубка колонн и т.п.
4.1.1.2 Опалубка горизонтальных монолитных конструкций (в том числе наклонно-горизонтальных):
- опалубка перекрытий (в том числе балочных и ребристых);
- опалубка куполов (сфер, оболочек, сводов);
- опалубка пролетных сводов мостов (эстакад и других подобных сооружений).
4.1.2 Типы опалубки в зависимости от конструкции
4.1.2.1 Мелкощитовая (разборно-переставная):
- модульная;
- разборная.
4.1.2.2 Крупнощитовая:
- модульная;
- разборная.
4.1.2.3 Блочная:
- внешнего контура (блок-форма) (разъемная, неразъемная, переналаживаемая);
- внутреннего контура (разъемная, неразъемная, переналаживаемая).
4.1.2.4 Объемно-переставная:
- П-образная;
- Г-образная.
4.1.2.5 Скользящая.
4.1.2.6 Горизонтально перемещаемая:
- катучая;
- туннельная.
4.1.2.7 Подъемно-переставная:
- с шахтным подъемником;
- с опиранием на сооружение.
4.1.2.8 Пневматическая:
- подъемная;
- стационарная.
4.1.2.9 Несъемная:
- включаемая в расчетное сечение конструкции;
- не включаемая в расчетное сечение конструкции;
- со специальными свойствами.
4.1.3 Типы опалубки в зависимости от материалов ее несущих элементов:
- стальная;
- алюминиевая;
- пластиковая;
- деревянная;
- комбинированная.
4.1.4 Типы опалубки в зависимости от применяемости при различной температуре наружного воздуха и характера воздействия опалубки на бетон монолитных конструкций:
- неутепленная;
- утепленная;
- греющая;
- специальная.
4.1.5 Типы опалубки в зависимости от оборачиваемости:
- разового применения (в том числе несъемная);
- инвентарная.
4.2 Применяемость типов опалубки приведена в приложении А, схемы опалубок - в приложении Б.
5.1 Все типы опалубки в зависимости от точности изготовления, точности монтажа и оборачиваемости подразделяются на классы: 1, 2 и 3-й.
Классы опалубки выбирают в зависимости от технологии бетонирования, характера монолитных конструкций, необходимого качества бетонных конструкций и поверхностей и других факторов. Применение опалубки исключительно 1-го класса во всех случаях не является обязательным и целесообразным, в том числе и из экономических соображений.
5.2 Показатели качества опалубки в зависимости от класса приведены в таблицах 1 и 2.
|
Наименование показателей, единица измерения |
Значение показателей для классов |
||
|
1 |
2 |
3 |
|
|
Точности изготовления и монтажа*: |
|
|
|
|
- отклонение линейных размеров щитов на длине до 1 м (до 3 м), мм, не более |
0,8 (1,0) |
1,5 (2,0) |
По требованию заказчика |
|
- отклонение линейных размеров панелей на длине до 3 м, мм, не более |
1,5 |
3 |
То же |
|
- перепады на формообразующих поверхностях: |
|
|
|
|
- стыковых соединений щитов, мм, не более |
1 |
2 |
- |
|
- стыковых соединений палубы, мм, не более |
0,5 |
2 |
- |
|
- специально образованный выступ, образующий запáд на бетонной поверхности, мм, не более |
2 |
3 |
- |
|
- отклонения от прямолинейности горизонтальных элементов опалубки перекрытий на длине l, мм |
l/1000, но не более 10 |
l/1000 |
- |
|
- отклонение от прямолинейности формообразующих элементов на длине 3 м, не более |
2 |
4 |
- |
|
- отклонения от прямолинейности вертикальных несущих элементов (стоек, рам) опалубки перекрытий на высоте h, мм, не более |
h/1000 |
h/800 |
- |
|
- отклонение от плоскости формообразующих элементов на длине 3 м, мм, не более |
2 |
4 |
- |
|
- разность длин диагоналей щитов высотой 3 м и шириной 1,2 м, мм, не более |
2 |
5 |
- |
|
- отклонение от прямого угла щитов формообразующих |
0,5 |
2 |
- |
|
элементов на ширине 0,5 м, мм, не более |
|
|
|
|
- сквозные щели в стыковых соединениях, мм, не более |
0,5 |
1 |
2 |
|
- высота выступов на формообразующих поверхностях, мм, не более |
1 |
2 |
- |
|
- количество выступов на 1 м2, шт., не более |
2 |
4 |
- |
|
- высота впадин на формообразующих поверхностях, мм, не более |
Не допускается |
1 |
- |
|
- количество впадин на 1 м2, шт., не более |
То же |
2 |
- |
|
Качество бетонной поверхности монолитной конструкции после распалубки: |
|
|
|
|
- отклонение от плоскостности на длине до 1 м (до 3 м) мм, не более |
4,5 (9,5) |
- |
- |
|
- диаметр или наибольший размер раковины, мм, не более |
4 |
- |
- |
|
- глубина впадины, мм, не более |
2 |
- |
- |
|
- высота местного наплыва (выступа), мм, не более |
Не допускается |
- |
- |
|
* Характеристика точности - по ГОСТ 21778, ГОСТ 21779. Примечание - Знак «-» означает необязательность установки показателя качества данного класса опалубки. |
|||
Таблица 2 - Оборачиваемость опалубки
|
Тип опалубки, материал элементов опалубки |
Оборачиваемость опалубки |
|||||
|
для формообразующих элементов, единиц оборотов* |
для поддерживающих и несущих элементов, единиц оборотов* |
|||||
|
1-й класс, не менее |
2-й класс, не менее |
3-й класс, до |
1-й класс, не менее |
2-й класс, не менее |
3-й класс, до |
|
|
Мелкощитовая: |
||||||
|
- сталь, алюминий |
200 |
100 |
100 |
250 |
150 |
150 |
|
- дерево, пластик |
20 |
15 |
15 |
30 |
20 |
20 |
|
- фанера**: |
|
|
|
|
|
|
|
- для опалубки стен |
60 |
30 |
30 |
- |
- |
- |
|
- для опалубки перекрытий |
20 |
10 |
10 |
- |
- |
- |
|
Крупнощитовая: |
|
|
|
|
|
|
|
- сталь, алюминий |
300 |
200 |
200 |
400 |
250 |
250 |
|
- дерево, пластик |
30 |
20 |
20 |
- |
- |
- |
|
- фанера**: |
|
|
|
|
|
|
|
- для опалубки стен |
80 |
60 |
60 |
- |
- |
- |
|
Блочная |
300 |
150 |
150 |
300 |
150 |
150 |
|
Объемно-переставная |
500 |
300 |
300 |
500 |
300 |
300 |
|
Скользящая: |
||||||
|
- сталь |
200* |
100* |
100* |
300* |
200* |
200* |
|
- дерево |
40* |
30* |
30* |
100 |
50 |
50 |
|
Подъемно-переставная |
100* |
60* |
60* |
120* |
80* |
80* |
|
Горизонтально перемещаемая |
150* |
80* |
80* |
200* |
100* |
100* |
|
Пневматическая |
10 |
5 |
5 |
- |
- |
- |
|
* Для скользящей, подъемно-переставной и горизонтально перемещаемой опалубки - в метрах подъема или перемещения. ** При применении с одной стороны. |
||||||
5.3 Размеры формообразующих элементов опалубки (кроме разборной) должны быть кратны укрупненному модулю 3М, равному 300 мм. Размеры, не кратные модулю М, допускаются по согласованию с потребителем.
5.4 Порядок индексации опалубки приведен в приложении В.
6.1 Характеристики
6.1.1 Опалубку следует изготовлять в соответствии с требованиями настоящего стандарта, стандартов и технических условий на опалубку конкретных типов и конструкторской документацией, разработанной и утвержденной в установленном порядке согласно нормативным документам*, действующим на территории государства - участника соглашения.
__________
* В Российской Федерации - согласно ГОСТ Р 15.201-2000 «Система разработки и постановки продукции на производство. Продукция производственно-технического назначения. Порядок разработки и постановки продукции на производство».
Примечания
1 Технические условия на опалубку конкретных типов 1-го и 2-го классов должны быть разработаны в соответствии с настоящим стандартом.
2 Изменения конструкции опалубки должны быть согласованы с предприятием-разработчиком.
6.1.2 Климатическое исполнение опалубки - В, категория 1 по ГОСТ 15150.
6.1.3 В технических условиях на опалубку конкретных типов должны быть установлены значения показателей качества, номенклатура которых приведена в приложении Г.
6.1.4 Конструкция опалубки должна обеспечивать:
- прочность, жесткость и геометрическую неизменяемость формы и размеров под воздействием монтажных, транспортных и технологических нагрузок;
- проектную точность геометрических размеров монолитных конструкций и заданное качество их поверхностей в зависимости от класса опалубки;
- максимальную оборачиваемость и минимальную стоимость в расчете на один оборот;
- минимальную адгезию к схватившемуся бетону (кроме несъемной);
- минимальное число типоразмеров элементов в зависимости от характера монолитных конструкций;
- возможность укрупнительной сборки и переналадки (изменения габаритных размеров или конфигурации) в условиях строительной площадки;
- возможность фиксации закладных деталей в проектном положении и с проектной точностью;
- технологичность при изготовлении и возможность применения средств механизации, автоматизации при монтаже (кроме монтируемой вручную);
- быстроразъемность соединительных элементов и возможность устранения зазоров, появляющихся в процессе длительной эксплуатации;
- минимизацию материальных, трудовых и энергетических затрат при монтаже и демонтаже;
- удобство ремонта и замены элементов, вышедших из строя;
- герметичность формообразующих поверхностей (кроме специальных);
- температурно-влажностный режим, необходимый для твердения и набора бетоном проектной прочности;
- химическую нейтральность формообразующих поверхностей к бетонной смеси, кроме специальных случаев;
- быструю установку и разборку опалубки без повреждения монолитных конструкций и элементов опалубки.
6.1.5 Прогиб формообразующей поверхности и несущих элементов опалубки под действием воспринимаемых нагрузок при пролете не должен превышать:
- l/400 (l/300) - для вертикальных элементов, 1-й (2-й) класс;
- l/500 (l/400) - для горизонтальных элементов, 1-й (2-й) класс.
6.1.6 Модульную опалубку 1-го класса следует изготовлять из профилей повышенной точности для получения после распалубки высококачественных бетонных поверхностей без стыков, не требующих трудоемкой отделки.
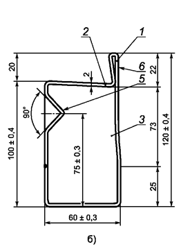
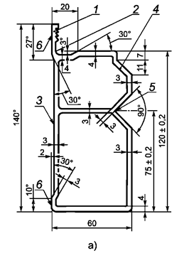
Ребра профиля 1 обеспечивают защиту торца фанеры, карман 2 обеспечивает удобство установки фанеры при изготовлении и служит для заливки герметика.
Выравнивание щитов по поверхности, примыкающей к бетону, обеспечивается замками, примыкающими к наружной поверхности щитов за счет высокой точности профиля, и низкими допусками размеров опорных поверхностей профиля.
|
1 - ребро защиты торца фанеры; 2 - карман для герметика и удобства установки фанеры; 3 - запас для уменьшения площади соприкосновения при стыковке щитов; 4 - опора установки второго замка; 5 - опора установки центрирующего замка соединения щитов; 6 - опорные площадки стыковки щитов Рисунок 1 - Алюминиевые (а) и стальные (б) профили высокой точности крупнощитовой модульной опалубки 1-го класса |
|
Защитные ребра профиля должны выступать над поверхностью фанеры на 1 - 2 мм для исключения выступов на бетоне после распалубки и образования легко отделываемых углублений 5 на рисунке 2 (доводки поверхности затиркой).
Точность изготовления профилей (несущих элементов) разборной опалубки при сложении плюсовых и минусовых допусков должна обеспечивать прогибы, не превышающие l/400.
1 - щиты; 2 - замок; 3 - клин; 4 - фанера; 5 - специально организованные углубления в бетонной поверхности
Рисунок 2 - Соединение модульных щитов центрирующими замками
6.1.7 Нагрузки и данные для расчета опалубки приведены в приложении Д.
6.1.8 Панели и блоки, собранные из элементов мелкощитовой, крупнощитовой, блочной и объемно-переставной опалубки должны обеспечивать легкость распалубки или иметь устройства для предварительного отделения их от поверхности забетонированных конструкций. Не допускается применение подъемных механизмов для срыва опалубки с бетона.
6.1.9 Конструкция греющей опалубки должна обеспечивать:
- равномерную температуру на палубе щита. Температурные перепады не должны превышать 5 °С;
- электрическое сопротивление изоляции при использовании электрических нагревателей и коммутирующей разводки - не менее 0,5 МОм;
- возможность замены нагревательных элементов в случае выхода из строя в процессе эксплуатации;
- контроль и регулируемость режимов прогрева;
- стабильность теплотехнических свойств щита.
6.1.10 В качестве нагревателей для греющей опалубки могут быть использованы трубчатые электронагреватели (ТЭН) по ГОСТ 13268 или нагревательные провода по техническим условиям на них.
Допускается применение нестандартных нагревателей, которые должны соответствовать требованиям нормативных документов в части виброустойчивости, электро- и пожарной безопасности.
6.1.11 Несъемные опалубки, входящие в сечение возводимой конструкции, должны соответствовать требованиям нормативных документов на строительные конструкции.
6.1.12 Люфт в шарнирных соединениях элементов опалубки 1-го и 2-го классов не должен превышать 1 мм.
6.1.13 Палубу конструкций опалубки (крупнощитовая, объемно-переставная, блочная), применяемая для получения поверхностей, готовых под окраску или оклейку обоями, следует изготовлять из целых листов. При изготовлении из двух или нескольких листов стыковые соединения палубы должны опираться на несущие элементы каркаса щита; сварные швы и герметизирующая обмазка должны быть зачищены заподлицо с основной поверхностью.
6.2 Требования к материалам
6.2.1 Элементы опалубки следует изготовлять из материалов, которые по качеству должны удовлетворять требованиям нормативных документов, указанных в конструкторской документации изделия.
6.2.2 Для несущих и поддерживающих элементов опалубки (каркасы, схватки, рамы, стойки, фермы и пр.) следует применять сталь Ст3* по ГОСТ 380.
__________
* Допускается применять другие марки металла, технические характеристики которых не ниже указанной марки.
Устройства для подъема опалубки (петли, штыри и пр.) следует изготовлять из стали марки Ст3пс любой категории по ГОСТ 380.
6.2.3 Марки сталей профилей, изделий (трубы, листы и др.) литья назначаются по стандартам на конкретную продукцию.
6.2.4 Для отдельных элементов опалубки (палуба, стойки, рамы, подкосы, балки и др.) используют прокат и профили по ГОСТ 14637, ГОСТ 16523, ГОСТ 8731, ГОСТ 10706, ГОСТ 11474, ГОСТ 17066, ГОСТ 13118, ГОСТ 19281, ГОСТ 1050.
Допускается применять другие стандарты и технические условия предприятия-изготовителя в соответствии с требованиями, указанных в чертежах.
6.2.5 Литьевые элементы должны соответствовать требованиям ГОСТ 977.
Для опалубки 1-го класса высокоточные изделия (в том числе замки соединения щитов) следует изготовлять методом литья по выплавляемым моделям.
6.2.6 Несущие элементы алюминиевой опалубки следует изготовлять из алюминиевых сплавов не ниже марки и состояния АД 31Т1 по ГОСТ 4784, ГОСТ 1583, профили - из алюминиевых сплавов по ГОСТ 4.221, ГОСТ 8617, ГОСТ 18482, ГОСТ 22233.
Для опалубки 1-го класса следует применять профили повышенной точности.
6.2.7 Характеристики и типы деревянных конструкций применяют по нормативным документам**, действующим на территории государства - участника соглашения.
__________
** В Российской Федерации применяют характеристики и типы деревянных конструкций по СП 64.13330.2011 «СНиП II-25-80 Деревянные конструкции».
6.2.8 Для деревянных несущих и поддерживающих элементов следует применять древесину по ГОСТ 8486-86, ГОСТ 2695, ГОСТ 9463, ГОСТ 8486.
6.2.9 Для палубы опалубки 1-го и 2-го классов должна применяться облицованная (ламинированная) березовая фанера; для 2-го класса допускается также комбинированная облицованная фанера; для 3-го класса - пиломатериалы хвойных пород по ГОСТ 8486 и лиственных пород по ГОСТ 2695 не ниже 2-го сорта, древесно-стружечные плиты по ГОСТ 10632, древесно-волокнистые плиты по ГОСТ 4598, бакелизированная фанера по ГОСТ 11539, фанера марки ФСФ по ГОСТ 3916.1, ГОСТ 3916.2 и другие материалы с аналогичными характеристиками.
В связи с кислотной средой для палубы не допускается применять древесину дуба.
6.2.10 Для снижения сцепления опалубки с бетоном и предотвращения срывов при подъеме для палубы скользящей опалубки следует применять материалы с низкой адгезией к бетонной смеси (ламинированная фанера, гетинакс).
6.2.11 В качестве формообразующих и несущих элементов опалубки допускается использовать клееные деревянные конструкции по ГОСТ 20850.
6.2.12 При использовании древесных материалов следует учитывать значительное влияние влажности древесины на ее расчетные характеристики и значительные понижающие коэффициенты с введением коэффициентов изменчивости и безопасности для различных пород древесины и характера действия нагрузок.
6.2.13 Пластмассовые палубы следует изготовлять из материалов, удовлетворяющих требованиям стандартов или технических условий на эти материалы и требованиям, предъявляемым к конкретной опалубке.
6.2.14 В качестве утеплителя греющей и утепленной опалубки следует применять теплоизоляционные материалы плотностью до 200 кг/м3. Фактическая плотность утеплителя не должна превышать паспортную более чем на 15 %, а влажность - на 6 %.
6.2.15 Металлическая сетка по ГОСТ 3826, применяемая для несъемной опалубки, должна иметь ячейки размерами не более 5×5 мм.
6.2.16 Для пневматических опалубок следует применять высокопрочные воздухопроницаемые капроновые прорезиненные ткани по техническим условиям предприятия-изготовителя.
6.3 Требования к покрытиям
6.3.1 Опалубка должна быть защищена от внешних воздействий.
6.3.2 Металлические поверхности элементов опалубки 1-го и 2-го классов, не соприкасающиеся с бетоном, должны иметь защитные покрытия по ГОСТ 9.032, ГОСТ 9.303 или иметь антикоррозионные свойства, обеспечивающие заданную оборачиваемость в условиях эксплуатации.
6.3.3 Фанера, применяемая в качестве палубы опалубок 1-го и 2-го классов, должна иметь водостойкое покрытие, пропитку или другую обработку рабочих поверхностей.
6.3.4 Торцы ламинированной фанеры и древесные материалы формообразующих элементов (палуба) опалубки 1-го и 2-го классов должны быть защищены от механических повреждений и проникновения влаги герметиком.
6.3.5 Стальные элементы опалубки 1-го класса целесообразно цинковать.
6.4 Требования к сварке
6.4.1 Виды сварных швов, их форму и размеры принимают по рабочим чертежам.
Сварка стальных конструкций осуществляется в соответствии с требованиями ГОСТ 5264, ГОСТ 8713, ГОСТ 11533, ГОСТ 11534, ГОСТ 14771, ГОСТ 23518.
6.4.2 Сварка алюминиевых конструкций осуществляется в соответствии с требованиями ГОСТ 14806, ГОСТ 14776. При расчете на прочность сварных конструкций с элементом без стыка, к которому прикрепляются сваркой поперечные элементы (рисунок 3), следует учитывать местное ослабление этих элементов в зоне термического воздействия путем снижения расчетного сопротивления.
6.5 Комплектность
6.5.1 Опалубка должна поставляться предприятием-изготовителем комплектно в состоянии, пригодном для эксплуатации, без дополнительных доработок и исправлений (или поэлементно по требованию заказчика).
6.5.2 Состав комплекта и наличие запасных частей определяются заказом потребителя.
6.5.3 При необходимости по согласованию с потребителем в комплект опалубки включают инструмент и приспособления для монтажа, демонтажа, перемещения.
6.5.4 Комплекты опалубки должны быть снабжены эксплуатационными документами по ГОСТ 2.601:
- паспортом на опалубку;
- инструкцией по эксплуатации (со схемами монтажа и допустимыми нагрузками).
6.6 Маркировка
6.6.1 На основных элементах опалубки 1-го и 2-го классов (щиты, рамы, балки) на поверхностях, не соприкасающихся с бетоном, с нерабочей стороны должны быть нанесены несмываемой краской ударным или другим способом следующие маркировочные знаки:
- индекс элемента опалубки в соответствии с настоящим стандартом;
- дата изготовления;
- наименование предприятия-изготовителя или его товарный знак.
6.6.2 Каждое грузовое место должно иметь транспортную маркировку по ГОСТ 14192.
6.7 Упаковка
6.7.1 Элементы опалубки размером более 1 м следует упаковывать по маркам в транспортные пакеты, обеспечивающие целостность и сохранность изделия при транспортировании и хранении.
6.7.2 Крепежные изделия, замки, гайки, шайбы и другие мелкоразмерные элементы опалубок, принадлежности, инструмент и соединительные элементы должны быть упакованы в тару, обеспечивающую сохранность изделий.
6.7.3 Перед упаковкой элементы опалубки должны быть подвергнуты консервации по ГОСТ 9.014.
6.7.4 К каждому пакету и ящику должен быть приложен упаковочный лист (опись) элементов данной упаковки. Опись должна быть доступна для изъятия без вскрытия упаковки и предохранена от влаги.
6.7.5 Документация (опись), поставляемая с опалубкой, должна быть герметически упакована и обеспечивать герметичность, водонепроницаемость, сохранность документации.
6.7.6 При поставке комплектов опалубки техническая документация должна быть вложена в тару, на которой должна быть надпись «Документация».
7.1 Соединительные (крепежные) элементы опалубки всех классов должны иметь устройства, препятствующие самопроизвольному раскрыванию, развинчиванию, расстыковке или выпадению в условиях бетонирования и других рабочих воздействий на опалубку.
7.2 Конструкция опалубки должна предусматривать наличие рабочей площадки. Ширина рабочей площадки должна быть вне габаритов опалубки не менее 800 мм.
7.3 Конструкция опалубки должна обеспечивать защиту от падения с высоты в виде ограждающих устройств. Ограждающие устройства должны быть по всей длине внешней рабочей площадки. Высота ограждения должны быть не менее 1100 мм, расстояния между горизонтальными элементами ограждения - не более 500 мм.
7.4 Конструкция опалубки должна предусматривать средства доступа для подъема на рабочую площадку (вертикальные или наклонные лестницы и т.п.).
7.5 Конструкция крупноразмерных элементов опалубки должна предусматривать средства для анкеровки, предназначенные для их подъема грузоподъемными механизмами при монтаже и демонтаже опалубки.
7.6 Монтаж и демонтаж опалубки следует осуществлять согласно проекту производства работ (ППР), где обязательно должны быть указаны схема сборки, технология монтажа и демонтажа, несущая способность опалубки и элементов, допустимая скорость бетонирования.
8.1 Опалубка должна быть принята службой технического контроля предприятия-изготовителя.
8.2 Приемку опалубки следует проводить партиями. Партия не должна превышать 5000 м2 (по площади опалубливаемой поверхности).
8.3 Для проверки качества изготовления серийно выпускаемой опалубки рекомендуется проводить приемо-сдаточные (ПС) и периодические (П) испытания.
8.4 Приемо-сдаточным испытаниям подвергают собранный фрагмент опалубки площадью не менее 20 м2 .
Объем и периодичность проведения периодических испытаний устанавливают в технических условиях на опалубку конкретных типов.
Периодическим испытаниям подвергается опалубка, прошедшая приемо-сдаточные испытания.
8.5 Параметры, контролируемые при испытаниях, - в соответствии с таблицей 3.
|
Проверяемый параметр и требования |
Вид испытания |
Номер таблицы или пункта настоящего стандарта |
|
|
ПС |
П |
||
|
Несущая способность |
+ |
- |
Таблица Г.1 |
|
Расчетные нагрузки |
+ |
- |
Таблица Г.1 |
|
Удельная масса |
+ |
- |
Таблица Г.1 |
|
Жесткость |
+ |
+ |
Таблица Г.1 |
|
Точность изготовления и монтажа |
+ |
+ |
Таблица 1 |
|
Оборачиваемость опалубки |
+ |
- |
Таблица 2 |
|
Адгезия к бетону |
+ |
- |
Таблица Г.1 |
|
Сопротивление изоляции, мощность и характеристики нагревателей греющей опалубки |
+ |
+ |
Таблица Г.1 |
|
Универсальность |
+ |
- |
Таблица Г.1 |
|
Уровень унификации изделия |
+ |
- |
Таблица Г.1 |
|
Трудоемкость монтажа и демонтажа |
+ |
- |
Таблица Г.1 |
|
Ремонтопригодность |
+ |
- |
Таблица Г.1 |
|
Герметичность формообразующих поверхностей |
+ |
+ |
|
|
Фиксация закладных изделий в проектном положении и с проектной точностью |
+ |
+ |
|
|
Быстроразъемность соединительных элементов и возможность устранения зазоров в элементах опалубки |
+ |
+ |
|
|
Установка и разборка опалубки без повреждения монолитных конструкций |
+ |
- |
|
|
Конструкции соединительных элементов опалубки |
+ |
+ |
|
|
Конструкции палубы |
+ |
+ |
|
|
Требования к материалам |
+ |
+ |
|
|
Требования к покрытиям |
+ |
+ |
|
|
Требования к сварке |
+ |
+ |
|
|
Примечание 1 - Знак «+» означает обязательность проверки параметра при проведении данного вида испытаний. Примечание 2 - Знак «-» означает, что параметр при проведении данного вида испытаний не проверяют. |
|||
Испытания опалубки проводят в соответствии с требованиями нормативных документов*, действующих на территории государства - участника соглашения по программам и методикам, разработанным предприятиями - разработчиками и изготовителями опалубки.
__________
* В Российской Федерации - в соответствии с требованиями ГОСТ Р 52752-2007 «Опалубка. Методы испытаний».
10.1 Транспортирование элементов опалубки допускается осуществлять открытым подвижным (железнодорожным, автомобильным) транспортом без укрытия в соответствии с правилами перевозок грузов на данном виде транспорта.
10.2 Группа условий хранения и транспортирования опалубки должна соответствовать группе 8 (ОЖ3) по ГОСТ 15150.
10.3 Хранение опалубки должно осуществляться в соответствии с условиями хранения 4 (Ж2), 3 (Ж3), 5 (ОЖ4), по ГОСТ 15150.
При сроке хранения до 12 мес элементы опалубки 1-го и 2-го классов должны быть рассортированы по маркам и размерам, уложены на деревянные подкладки в штабеля и храниться в закрытых помещениях или укрытиях.
10.4 Металлические рабочие поверхности при необходимости длительного хранения должны быть подвергнуты консервации по ГОСТ 9.014, группа II, вариант В3-1.
10.5 При сроке хранения более 12 мес элементы опалубки должны быть подвергнуты повторной консервации.
11.1 Опалубочные работы следует производить в соответствии с ППР.
11.2 Требования безопасности - по нормативным документам**, действующим на территории государства - участника соглашения.
__________
** В Российской Федерации требования безопасности - по СП 49.13330 «СНиП 12-03-2001 Безопасность труда в строительстве. Часть 1. Общие требования».
11.3 Монтаж и демонтаж опалубки может производиться только при наличии технологической карты или проекта производства работ.
11.4 К работам по монтажу и демонтажу опалубки на высоте допускаются рабочие, прошедшие инструктаж.
11.5 Каждый раз перед установкой греющей опалубки проверяются сохранность утеплителя, крепления токоприемников, соответствие омического сопротивления нагревателей паспортным данным, целостность изоляции нагревателей, работоспособность систем электроснабжения и регулирования режима прогрева, безопасность работ.
Предприятие-изготовитель должно гарантировать соответствие опалубки требованиям настоящего стандарта.
Гарантийный срок эксплуатации опалубки 1-го класса устанавливается 12 мес со дня отгрузки ее потребителю при соблюдении правил транспортирования, хранения, эксплуатации и при условии, что оборачиваемость ее не превысит нормативную, опалубки 2-го класса - 6 мес, опалубки 3-го класса - устанавливается по согласованию предприятия-изготовителя и заказчика.
Таблица А.1
|
Тип опалубки |
Применяемость |
|
Мелкощитовая (разборно-переставная) |
Бетонирование монолитных конструкций, в том числе с вертикальными (стен, колонн и т.п.), горизонтальными (перекрытий, ригелей и т.п.) и наклонными поверхностями различного очертания с разборкой на отдельные элементы при демонтаже, а также стыков, проемов монолитных конструкций с небольшой опалубочной поверхностью. Допускается к применению вместе с крупнощитовой опалубкой для бетонирования сложных по конфигурации монолитных конструкций и как вставки, в том числе в стесненных условиях производства |
|
Крупнощитовая |
Бетонирование крупноразмерных монолитных конструкций, в том числе стен и перекрытий зданий и сооружений с монтажом и демонтажом, крупными элементами (в том числе крупными щитами, панелями и блоками). В связи с универсальностью и рядом преимуществ крупнощитовая модульная опалубка имеет наибольшее применение |
|
Блочная |
Бетонирование замкнутых отдельно стоящих монолитных конструкций, например ростверков, колонн, фундаментов, а также внутренних поверхностей замкнутых ячеек жилых зданий и лифтовых шахт |
|
Объемно-переставная |
Одновременное бетонирование стен и перекрытий зданий и сооружений. Применяется редко |
|
Скользящая |
Бетонирование вертикальных (главным образом высотой более 40 м) стен зданий и сооружений, преимущественного постоянного сечения. Применяется очень редко |
|
Горизонтально перемещаемая |
Бетонирование водоводов, коллекторов, туннелей, возводимых открытым способом (катучая опалубка); обделка туннелей, возводимых открытым способом (туннельная опалубка). Катучая опалубка применяется редко |
|
Подъемно-переставная |
Бетонирование вертикальных высотных сооружений переменным сечением, например градирни, трубы, опоры мостов и эстакад значительной высоты |
|
Пневматическая |
Бетонирование пространственных монолитных конструкций криволинейного очертания, например сферы, купола и т.п. Применяется крайне редко |
|
Несъемная |
Бетонирование монолитных конструкций без распалубливания, создание гидроизоляции, облицовки, утепления, внешнего армирования и др. Может включаться или не включаться в расчетное сечение монолитной конструкции. Применяется редко |
|
Примечание - Типы опалубки применяют в зависимости от вида и размеров бетонируемых конструкций и способа производства бетонных работ. |
|

1 - подмости; 2 - угловой щит; 3 - модульные щиты; 4 - замки соединения щитов; 5 - подкос; 6 - стяжка
Рисунок Б.1 - Крупнощитовая модульная опалубка стен

1 - щиты (собранные в мельницу); 2 - подмости; 3 - подкос
Рисунок Б.2 - Крупнощитовая модульная опалубка колонн

1 - вертикальные фермы; 2 - схватки; 3 - подкос; 4 - подмости; 5 - палуба (фанера)
Рисунок Б.3 - Крупнощитовая разборная опалубка стен на деревянных и стальных балках

1 - фанера; 2 - вертикальная балка; 3 - сдвоенные балки
Рисунок Б.4 - Крупнощитовая разборная опалубка на деревянных балках

1 - палуба (фанера); 2 - горизонтальные балки (схватки); 3 - вертикальные балки; 4 - подмости
Рисунок Б.5 - Разборная крупнощитовая опалубка

1 - телескопические стойки; 2 - тренога; 3 - продольные балки; 4 - поперечные балки; 5 - ограждение
Рисунок Б.6 - Разборно-переставная опалубка перекрытий на стойках

1 - рамы; 2 - домкрат; 3 - продольные балки; 4 - поперечные балки; 5 - ограждение
Рисунок Б.7 - Разборно-переставная опалубка перекрытий на рамах

1 - стойки; 2 - шарнирное соединение; 3 - домкрат; 4 - вилки балок
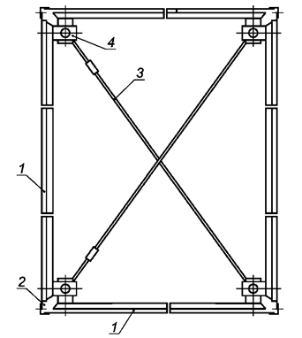
Рисунок Б.8 - Система пространственных стоек опалубки перекрытий

1 - несущая ферма; 2 - домкрат; 3 - поперечные балки; 4 - палуба (фанера)
Рисунок Б.9 - Крупнощитовая (столовая) опалубка перекрытий

1 - опалубка подколонника; 2 - опалубка ступеней; 3 - отжимное устройство
Рисунок Б.10 - Блок-форма ступенчатых фундаментов

1 - щиты; 2 - угловые соединения; 3 - связи; 4 - вертикальная стойка
Рисунок Б.11 - Блочная опалубка



а), б) - П-образная опалубка;
в) - Г-образная опалубка; 1 - Г-образный блок;
2 - распалубочный механизм; 3 - центральная вставка; 4 -
домкрат; 5 - ролик
Рисунок Б.12 - Объемно-переставная опалубка

1 - наружные
подмости; 2 - гидродомкрат с регулятором горизонтальности;
3 - домкратная рама; 4 - рабочий пол; 5 - щит опалубки; 6
- домкратный
стержень; 7 - подвески; 8 - внутренние подмости; 9 -
наружные подмости;
10 - кронштейн подмостей
Рисунок Б.13 - Скользящая опалубка
В.1 Порядок индексации приведен на рисунке В.1.
__________
* При необходимости по согласованию с заказчиком.
Примечание - В индексации опалубки по виду элементов монолитной конструкции приводятся буквенные обозначения только наиболее распространенных элементов [стен, колонн, перекрытий, балок (ригелей), фундаментов, ростверков].
Рисунок В.1
В.2 Условные обозначения типов опалубки приведены в таблице В.1.
|
Тип опалубки |
Условные обозначения в соответствии с порядком индексации |
||||||||||
|
О |
Х |
Х |
. |
Х |
- |
Х |
- |
Х |
. |
Х |
|
|
Тип опалубки по виду элемента монолитной конструкции: |
|
|
|
|
|
|
|
|
|
|
|
|
- фундаментов |
|
Ф |
|
|
|
|
|
|
|
|
|
|
- ростверков |
|
Р |
|
|
|
|
|
|
|
|
|
|
- стен |
|
С |
|
|
|
|
|
|
|
|
|
|
- колонн |
|
К |
|
|
|
|
|
|
|
|
|
|
- перекрытий (в том числе балочных и ребристых) |
|
П |
|
|
|
|
|
|
|
|
|
|
- куполов (сфер, оболочек, сводов) |
|
Кп |
|
|
|
|
|
|
|
|
|
|
- пролетных строений мостов, эстакад и других подобных сооружений |
|
М |
|
|
|
|
|
|
|
|
|
|
Тип опалубки по конструктивным признакам: |
|
|
|
|
|
|
|
|
|
|
|
|
- мелкощитовая (разборно-переставная) |
|
|
М |
|
|
|
|
|
|
|
|
|
- крупнощитовая |
|
|
К |
|
|
|
|
|
|
|
|
|
- блочная |
|
|
Б |
|
|
|
|
|
|
|
|
|
- объемно-переставная |
|
|
О |
|
|
|
|
|
|
|
|
|
- скользящая |
|
|
С |
|
|
|
|
|
|
|
|
|
- горизонтально перемещаемая |
|
|
Г |
|
|
|
|
|
|
|
|
|
- подъемно-переставная |
|
|
П |
|
|
|
|
|
|
|
|
|
- пневматическая |
|
|
Пн |
|
|
|
|
|
|
|
|
|
- несъемная |
|
|
Н |
|
|
|
|
|
|
|
|
|
Тип опалубки по материалам несущих и формообразующих элементов: |
|
|
|
|
|
|
|
|
|
|
|
|
- стальная |
|
|
|
|
Ст |
|
|
|
|
|
|
|
- алюминиевая |
|
|
|
|
Ал |
|
|
|
|
|
|
|
- пластиковая |
|
|
|
|
Пл |
|
|
|
|
|
|
|
- деревянная и из деревянных материалов |
|
|
|
|
Д |
|
|
|
|
|
|
|
- комбинированная |
|
|
|
|
К |
|
|
|
|
|
|
|
- прочие материалы |
|
|
|
|
Пм |
|
|
|
|
|
|
|
Класс опалубки: |
|
|
|
|
|
|
|
|
|
|
|
|
- 1-й |
|
|
|
|
|
|
1 |
|
|
|
|
|
- 2-й |
|
|
|
|
|
|
2 |
|
|
|
|
|
- 3-й |
|
|
|
|
|
|
3 |
|
|
|
|
|
Тип опалубки по применяемости при различной температуре наружного воздуха и характеру воздействия опалубки на бетон монолитной конструкции: |
|
|
|
|
|
|
|
|
|
|
|
|
- неутепленная |
|
|
|
|
|
|
|
|
|
|
Н |
|
- утепленная |
|
|
|
|
|
|
|
|
|
|
У |
|
- греющая |
|
|
|
|
|
|
|
|
|
|
Г |
|
- специальная |
|
|
|
|
|
|
|
|
|
|
С |
В.3 Пример индексации опалубки стен крупнощитовой алюминиевой первого класса несущей способностью 6 тс/м2 утепленной:
ОСК. АЛ - 1-6.У ПО ГОСТ ХХХХХ-2017
В.4 Порядок индексации элементов опалубки

__________
* Ширина на высоту - для щита, минимальная высота на максимальную высоту - для телескопической стойки, длина - для стяжки, максимальная ширина вставки - для замка и т.п.
* На максимальной высоте.
Рисунок В.2
В.5 Примеры индексации элементов опалубки
В.5.1 Пример индексации щита опалубки шириной 1,2 м и высотой 3 м:
Щ 1,2 × 3,0
В.5.2 Пример индексации телескопической стойки минимальной высотой 1,5 м и максимальной высотой 3,7 м, несущей способностью 0,9 тс на максимальной высоте:
Ст 1,5 × 3,7 (0,9)
Г.1 В технических условиях на опалубку конкретных типов устанавливают значения показателей качества, номенклатура которых приведена в таблице Г.1.
|
Наименование показателей, единица измерения |
Применяемость в технических условиях в зависимости от класса опалубки |
||
|
1-й класс |
2-й класс |
3-й класс |
|
|
Для всех типов опалубки |
|||
|
Класс опалубки |
+ |
+ |
+ |
|
Несущая способность, тс/м2 |
+ |
+ |
+ |
|
Удельная масса, кг/м2 |
+ |
+ |
+ |
|
Размеры и допуски основных элементов опалубки, мм |
+ |
+ |
+ |
|
Жесткость: |
|
|
|
|
- прогиб под нагрузкой, мм |
+ |
+ |
+ |
|
Расчетные нагрузки: |
|
|
|
|
- боковое давление бетонной смеси, кгс/м2 |
+ |
+ |
+ |
|
- нагрузка при бетонировании перекрытий, кгс/м2 |
+ |
+ |
+ |
|
- горизонтальные смещающие нагрузки, кгс/м2 |
+ |
+ |
+ |
|
Адгезия к бетону*: |
|
|
|
|
- нагрузка сцепления при отрыве под углами 0°, 45°, 90° (в зависимости от типа опалубки), кгс/м2 (справочный) |
+ |
+ |
+ |
|
Универсальность: |
|
|
|
|
- модуль, применимость (справочный) |
+ |
+ |
- |
|
Уровень унификации изделия: |
|
|
|
|
- количество унифицированных элементов, шт. (справочный) |
+ |
+ |
- |
|
Трудоемкость монтажа и демонтажа, чел.-ч (справочный) |
+ |
+ |
- |
|
Ремонтопригодность: |
|
|
|
|
- удельная суммарная трудоемкость ремонта, чел.-ч/ед. оборотов (справочный) |
+ |
+ |
- |
|
Блочная опалубка внешнего контура (блок-форма) |
|||
|
Размеры щитов и блоков, мм |
+ |
+ |
+ |
|
Угол наклона панелей, град |
+ |
+ |
+ |
|
Объемно-переставная опалубка |
|||
|
Размеры секций, мм |
+ |
+ |
+ |
|
Пролеты перекрытий, мм |
+ |
+ |
+ |
|
Способ монтажа и распалубки |
+ |
+ |
+ |
|
Скользящая опалубка |
|||
|
Размеры возводимого сооружения, в том числе толщина стен, мм |
+ |
+ |
+ |
|
Тип подъемного оборудования и его основные характеристики |
+ |
+ |
+ |
|
Способ монтажа, подъема и демонтажа Качество опалубки в значительной степени определяется эффективностью подъемного оборудования (в том числе возможности осуществлять «шаг на месте» и поддерживать горизонтальность рабочего пола), а также качеством поверхности палубы, примыкающей к бетону (низкая адгезия) |
+ |
+ |
+ |
|
Горизонтально перемещаемая опалубка |
|||
|
Катучая |
|
|
|
|
Длина щитов, мм |
+ |
+ |
+ |
|
Уклон щита, град |
+ |
+ |
+ |
|
Скорость горизонтального передвижения опалубки, м/ч |
+ |
+ |
- |
|
Туннельная |
|
|
|
|
Размеры туннелей, мм |
+ |
+ |
+ |
|
Способ монтажа, распалубки и перемещения |
+ |
+ |
+ |
|
Подъемно-переставная опалубка |
|||
|
Размеры щитов и сооружения, мм |
+ |
+ |
+ |
|
Толщина стен (пределы перемещения щитов), мм |
+ |
+ |
+ |
|
Тип привода подъемного оборудования и его основные характеристики |
+ |
+ |
+ |
|
Способ монтажа, подъема и распалубки |
+ |
+ |
+ |
|
Пневматическая опалубка |
|||
|
Размеры опалубок, мм |
+ |
+ |
+ |
|
Способ монтажа, подъема, перемещения и распалубки |
+ |
+ |
+ |
|
Избыточное давление, Па |
+ |
+ |
+ |
|
Несъемная опалубка |
|||
|
Характеристика материала опалубки в зависимости от назначения**, в том числе: |
|
|
|
|
- водопроницаемость |
+ |
+ |
+ |
|
- включение или невключение в расчетное сечение монолитных конструкций специальные свойства (гидроизоляция, отделка поверхности, утеплитель и др.) |
+ |
+ |
+ |
|
Греющая опалубка |
|||
|
Характеристики нагревателей: |
|
|
|
|
- вид нагревателя |
+ |
+ |
+ |
|
- материал и характеристики изоляции, в том числе электрическое сопротивление, МОм |
+ |
+ |
+ |
|
- номинальное напряжение, В |
+ |
+ |
+ |
|
- номинальная мощность, кВт |
+ |
+ |
+ |
|
- рабочая температура, град |
+ |
+ |
+ |
|
Перепады температур, град |
+ |
+ |
+ |
|
Вид и характеристики утеплителя, в том числе: |
+ |
+ |
+ |
|
- плотность, кг/м3 |
+ |
+ |
+ |
|
- коэффициент теплопроводности, Вт/(м · °С) |
+ |
+ |
+ |
|
* В зависимости от продолжительности контакта бетона с опалубкой в часах. ** Для облицовки или гидроизоляции. Примечания 1 Знак «+» означает, что для данного класса опалубки необходимо установить показатель качества. 2 Знак «-» означает необязательность установки показателя качества для данного класса опалубки. |
|||
Д.1 Вертикальные нагрузки
Д.1.1 Собственную массу опалубки определяют по чертежам.
Д.1.2 Массу бетонной смеси принимают: для тяжелого бетона - 2500 кг/м3, для других бетонов - по фактической массе.
Д.1.3 Массу арматуры принимают по проекту, при отсутствии проектных данных - 100 кг/м3.
Д.1.4 Нагрузки от людей и транспортных средств - 250 кгс/м2. Кроме того, опалубку следует проверять на сосредоточенную нагрузку от технологических средств согласно фактическому возможному загружению по ППР.
Примечание - То же для рабочего поля скользящей опалубки. Усилие подъема скользящей опалубки определяется суммированием: 1) нагрузок от людей, подъемного оборудования и транспортных средств; 2) собственной массы опалубки; 3) трения опалубки по бетонной смеси. Усилие подъема в зависимости от трения:
,
где
-
коэффициент трения;
- боковое давление бетонной
смеси, кгс/м2;
- нормальное сцепление кгс/м2;
-
площадь контакта или
,
здесь
,
- коэффициент сцепления и удельного трения, зависящие от
материала палубы.
Д.2 Горизонтальные нагрузки
Д.2.1 Ветровые нагрузки принимаются по нормативным документам*, действующим на территории государства - участника соглашения.
__________
* В Российской Федерации ветровые нагрузки принимают по СП 20.13330.2016 «СНиП 2.01.07-85* Нагрузки и воздействия».
Д.2.2 Максимальное боковое давление
бетонной смеси
,
кгс(тс)/м2.
Д.2.2.1 При уплотнении смеси наружными вибраторами (а также
внутренними при радиусе действия вибратора
,
где
- высота опалубки, м) давление
принимают гидростатическим с треугольной эпюрой распределения давления в
соответствии с рисунком Д.1 а.
![]()
Результирующее давление:
![]()
Д.2.2.2 При уплотнении бетонной смеси внутренними вибраторами
![]()
где
- объемная масса бетонной смеси, кг/м3;
-
скорость бетонирования (скорость заполнения опалубки по высоте), м/ч;
-
коэффициент, учитывающий влияние подвижности (жесткости) бетонной смеси,
=
0,8 для смесей с о. к. (осадкой конуса) 0 - 2 см;
= 1
для смесей с о. к. 2 - 7 см;
= 1,2 для смесей с о. к. 8 см и более;
- коэффициент, учитывающий влияние температуры бетонной
смеси:
=
1,15 для смесей с температурой 5 - 10 °С;
= 1,0 для смесей с температурой 10 - 25 °С;
=
0,85 для смесей с температурой более 25 °С.
Д.2.2.3 Динамические нагрузки, возникающие при выгрузке бетонной смеси, принимают по таблице Д.1.
Д.2.2.4 Нагрузки от вибрирования бетонной смеси принимают 400 кгс/м2.
Д.2.2.5 Коэффициенты запаса при расчете давления бетонной смеси принимают по таблице Д.2.
Д.2.2.6 Расчетная эпюра давления бетонной смеси - согласно рисунку Д.1 б.
-
высота, м, на которой достигается максимальное давление бетонной смеси
,
где
-
объемная масса для тяжелого бетона, принимается равной 2500 кг/м3.
Д.2.2.7 Максимальные нагрузки во всех случаях с учетом всех коэффициентов следует принимать не выше гидростатических.
|
а - гидростатическое давление; б - расчетное давление при уплотнении смеси внутренними вибраторами Рисунок Д.1 - Расчетные эпюры бокового давления бетонной смеси |
|
Таблица Д.1 - Дополнительные динамические нагрузки, возникающие при выгрузке бетонной смеси
|
Способ подачи бетонной смеси в опалубку |
Нагрузка, кгс/м2 |
|
Спуск по лоткам, хоботам |
400 |
|
Выгрузка из бадей вместимостью: |
|
|
- до 0,8 м3 |
400 |
|
- более 0,8 м3 |
600 |
|
Укладка бетононасосами |
800 |
Таблица Д.2 - Коэффициенты запаса при расчете давления бетонной смеси
|
Нагрузки |
Коэффициент |
|
Собственный вес опалубки |
1,1 |
|
Вес бетонной смеси и арматуры |
1,2 |
|
От движения людей, транспортных средств, сосредоточенной нагрузки |
1,3 |
|
От вибрирования бетонной смеси |
1,3 |
|
Боковое давление бетонной смеси |
1,3 |
|
То же при бетонировании колонн |
1,5 |
|
Динамические при выгрузке бетонной смеси в опалубку |
1,3 |
Д.2.2.8 Нагрузки Д.2.2 учитывают при монтаже и демонтаже опалубки, нагрузки по Д.1.4, Д.2.2.3, Д.2.2.4 учитывают при расчете на прочность.
Ключевые слова: тип опалубки, класс опалубки, оборачиваемость, точность изготовления и монтажа