|
МИНИСТЕРСТВО
СТРОИТЕЛЬСТВА |
|
|
СВОД ПРАВИЛ |
СП 14.13330.2018 |
СТРОИТЕЛЬСТВО
В СЕЙСМИЧЕСКИХ РАЙОНАХ
Актуализированная
редакция
СНиП II-7-81*
|
|
Москва
|
Предисловие
Сведения о своде правил
1 ИСПОЛНИТЕЛЬ - АО «НИЦ «Строительство» - ЦНИИСК им. В.А. Кучеренко
2 ВНЕСЕН Техническим комитетом по стандартизации ТК 465 «Строительство»
3 ПОДГОТОВЛЕН к утверждению Департаментом градостроительной деятельности и архитектуры Министерства строительства и жилищно-коммунального хозяйства Российской Федерации (Минстрой России)
4 УТВЕРЖДЕН Приказом Министерства строительства и жилищно-коммунального хозяйства Российской Федерации от 24 мая 2018 г. № 309/пр и введен в действие с 25 ноября 2018 г.
5 ЗАРЕГИСТРИРОВАН Федеральным агентством по техническому регулированию и метрологии (Росстандарт). Пересмотр СП 14.13330.2014 «СНиП II-7-81* Строительство в сейсмических районах»
В случае пересмотра (замены) или отмены настоящего свода правил соответствующее уведомление будет опубликовано в установленном порядке. Соответствующая информация, уведомление и тексты размещаются также в информационной системе общего пользования - на официальном сайте разработчика (Минстрой России) в сети Интернет.
СОДЕРЖАНИЕ
(Измененная редакция. Изм. № 1)
Введение
Настоящий свод правил составлен с учетом требований федеральных законов от 27 декабря 2002 г. № 184-ФЗ «О техническом регулировании», от 29 декабря 2009 г. № 384-ФЗ «Технический регламент о безопасности зданий и сооружений», от 23 ноября 2009 г. № 261-ФЗ «Об энергосбережении и о повышении энергетической эффективности и о внесении изменений в отдельные законодательные акты Российской Федерации».
Работа по пересмотру выполнена Центром исследований сейсмостойкости сооружений ЦНИИСК им. В.А. Кучеренко - института ОАО «НИЦ «Строительство» (руководитель работы - д-р техн. наук, член-корр. РАН, проф. Б.В. Гусев; научный руководитель рабочей группы - д-р техн. наук, проф. Я.М. Айзенберг, ответственный исполнитель - инж. А.А. Бубис) при участии рабочей группы в следующем составе: д-р техн. наук, проф. В.С. Беляев, д-р техн. наук, проф. Т.А. Белаш, канд. техн. наук М.А. Клячко, д-р техн. наук, проф. Ю.В. Кривцов, д-р физ.-мат. наук, проф. Ф.Ф. Аптикаев, канд. техн. наук А.В. Грановский, д-р техн. наук, проф. Ю.П. Назаров, канд. техн. наук Л.Н. Смирнова, инж. Г.Н. Юдакова, д-р техн. наук, проф. В.И. Травуш, д-р физ.-мат. наук Р.Э. Татевосян, д-р техн. наук, проф. В.А. Семенов, д-р техн. наук М.И. Богданов, д-р техн. наук, проф. A.M. Уздин, канд. геол.-мин. наук А.Л. Стром, д-р техн. наук, проф. Л.Р. Ставницер, д-р техн. наук, проф. И.Я. Дорман.
Подраздел 6.17 подготовлен при участии д-ра техн. наук, проф. В.С. Беляева, д-ра техн. наук, проф. Т.А. Белаш, канд. техн. наук В.В. Костарева, инж. П.С. Васильева, были использованы разработки канд. техн. наук, доц. В.И. Смирнова.
Подраздел 6.19 подготовлен при участии д-ра техн. наук, проф. М.А. Клячко.
Раздел 7 подготовлен д-ром геол.-мин. наук, проф. Г.С. Шестоперовым.
Раздел 8 подготовлен АО «Всероссийский научно-исследовательский институт гидротехники им. Б.Е. Веденеева (д-р техн. наук Е.Н. Беллендир, д-р техн. наук В.Б. Глаговский, д-р техн. наук А.А. Храпков, канд. техн. наук А.П. Пак, канд. техн. наук М.С. Ламкин) и Центром службы геодезических наблюдений в электроэнергетической отрасли - филиалом АО «Институт Гидропроект» (д-р физ.-мат. наук А.И. Савич, канд. техн. наук В.В. Речицкий, канд. физ.-мат. наук А.Г. Бугаевский, канд. геол.-мин. наук А.Л. Стром).
Раздел 9 подготовлен при участии д-ра техн. наук, проф. Ю.В. Кривцова, канд. техн. наук Д.Г. Пронина, канд. техн. наук В.В. Пивоварова.
Приложение А разработано коллективом авторов в следующем составе: д-р физ.-мат. наук, проф. Ф.Ф. Аптикаев, канд. геол.-мин. наук Ю.М. Вольфман, д-р геол.-мин. наук Н.Н. Гриб, д-р физ.-мат. наук А.А. Гусев, д-р геол.-мин. наук, проф. Г.С. Гусев, Г.Ю. Донцова, д-р геол.-мин. наук, проф. В.С. Имаев, канд. геол.-мин. наук Л.П. Имаева, Б.М. Козьмин, М.С. Кучай, канд. физ.-мат. наук А.И. Лутиков, канд. геол.-мин. наук А.Н. Овсюченко, д-р физ.-мат. наук Б.Г. Пустовитенко, д-р геол.-мин. наук, проф. Е.А. Рогожин, канд. геол.-мин. наук О.П. Смекалин, А.И. Сысолин, д-р физ.-мат. наук, проф. В.И. Уломов, д-р геол.-мин. наук А.В. Чипизубов.
Приложение В подготовлено при участии д-ра техн. наук, проф. В.С. Беляева, д-ра техн. наук, проф. Т.А. Белаш, канд. техн. наук В.В. Костарева, инж. П.С. Васильева, были использованы разработки канд. техн. наук, доц. В.И. Смирнова.
Приложение Г подготовлено при участии инж. Г.Н. Юдаковой.
Изменение № 1 СП 14.13330.2018 «СНиП II-7-81* Строительство в сейсмических районах» выполнено АО «НИЦ «Строительство» (руководитель темы - д-р техн. наук, проф. Ю.П. Назаров).
Ответственные исполнители: д-р геол.-минер. наук, проф. Е.А. Рогожин (Институт физики Земли им. О.Ю. Шмидта РАН), д-р техн. наук, проф. В.И. Травуш (ЗАО «Горпроект»), канд. техн. наук Е.В. Позняк (НИУ «МЭИ», АО «НИЦ «Строительство»), канд. геол.-минер. наук А.Л. Стром (ООО «Центр геодинамических исследований» (ООО «ЦГИ»), ООО «Институт геотехники и инженерных изысканий в строительстве» (ООО «ИГИИС»), г. Москва), канд. техн. наук Р.Т. Акбиев (ФГБУ «ЦНИИП Минстроя России»), канд. техн. наук Зак Борий (ООО «Гипрогорпроект», г. Москва), д-р техн. наук И.Н. Тихонов (АО «НИЦ «Строительство», г. Москва), д-р геол.-минер. наук, проф. Г.С. Шестоперов (ООО «ПОИСК», г. Москва), канд. техн. наук Г.М. Чентимиров (МАРХИ, г. Москва).
При подготовке свода правил были использованы материалы специалистов: д-р техн. наук, проф. B.И. Травуш (ЗАО «Горпроект», г. Москва), канд. геол.-минер. наук В.В. Севостьянов (Институт геоэкологии РАН, г. Москва), канд. техн. наук Р.Т. Акбиев (ФГБУ «ЦНИИП Минстроя России»), канд. техн. наук Зак Борий (ООО «Гипрогорпроект», г. Москва), д-р техн. наук, проф. Ю.В. Кривцов (АО «НИЦ «Строительство»), д-р техн. наук И.Н. Тихонов (АО «НИЦ «Строительство», г. Москва), д-р геол.-минер. наук, проф. Г.С. Шестоперов (ООО «ПОИСК», г. Москва), канд. геол.-минер. наук А.Л. Стром (ООО «Центр геодинамических исследований» (ООО «ЦГИ»), ООО «Институт геотехники и инженерных изысканий в строительстве» (ООО «ИГИИС»), г. Москва), д-р техн. наук В.Б. Глаговский (ВНИИГ им. Б.Е. Веденеева, г. Санкт-Петербург), канд. техн. наук Г.М. Чентимиров (МАРХИ, г. Москва), д-р техн. наук, проф. А.Е. Саргсян (АО «Атомэнергопроект», г. Москва), д-р техн. наук, проф. А.М. Белостоцкий (НИЦ «СтаДиО», г. Москва), д-р физ.-мат. наук, проф. В.Б. Заалишвили (ФГБУН Центр геофизических исследований ВНЦ РАН), д-р техн. наук, проф. Л.Р Ставницер (АО «НИЦ «Строительство», г. Москва), д-р техн. наук А.Г. Тяпин (АО «Атомэнергопроект», г. Москва), д-р техн. наук, проф. А.М. Уздин (ПГУПС им. Александра I, г. Санкт-Петербург), канд. техн. наук В.Н. Симбиркин (АО «НИЦ «Строительство», г. Москва), C.П. Манин (Евразийская Сейсмо Ассоциация).
Приложение А «Общее сейсмическое районирование территории Российской Федерации 2016 (ОСР-2016)» подготовлено авторским коллективом:
Главные редакторы: д-р физ.-мат. наук, проф. В.И. Уломов (Институт физики Земли им. О.Ю. Шмидта РАН, г. Москва), канд. геол.-минер. наук М.И. Богданов (ООО «Институт геотехники и инженерных изысканий в строительстве» (ООО «ИГИИС»), г. Москва).
Заместители главных редакторов: канд. геол.-минер. наук А.Л. Стром (ООО «Центр геодинамических исследований» (ООО «ЦГИ»), ООО «Институт геотехники и инженерных изысканий в строительстве» (ООО «ИГИИС»), г. Москва), канд. техн. наук С.А. Перетокин (Институт вычислительных технологий СО РАН, г. Красноярск, Институт физики Земли им. О.Ю. Шмидта РАН, г. Москва).
Ученый секретарь: канд. геол.-минер. наук Т.И. Данилова (Институт физики Земли им. О.Ю. Шмидта РАН, г. Москва).
Ответственные исполнители: д-р физ.-мат. наук, проф. В.И. Уломов (Институт физики Земли им. О.Ю. Шмидта РАН, г. Москва), канд. геол.-минер. наук М.И. Богданов (ООО «Институт геотехники и инженерных изысканий в строительстве» (ООО «ИГИИС»), г. Москва), д-р геол-минер. наук, проф. А.А. Никонов, канд. геол.-минер. наук Т.И. Данилова, К.Н. Акатова, Н.С. Медведева (Институт физики Земли им. О.Ю. Шмидта РАН, г. Москва), д-р геол.-минер. наук, проф. В.Г. Трифонов (Геологический институт РАН, г. Москва), д-р физ.-мат. наук А.А. Гусев (Институт вулканологии и сейсмологии ДВО РАН, г. Петропавловск-Камчатский), д-р геол.-минер. наук, проф. Г.С. Гусев (Институт минералогии, геохимии и кристаллохимии редких элементов Минприроды России, г. Москва), д-р физ.-мат. наук, проф. Ф.Ф. Аптикаев (Институт физики Земли им. О.Ю. Шмидта РАН, г. Москва), канд. геол.-минер. наук Д.М. Бачманов (Геологический институт РАН, г. Москва), А.Н. Гуляев (Институт геофизики УрО РАН, г. Екатеринбург), д-р геол.-минер. наук, проф. В.С. Имаев, канд. геол.-минер. наук Л.П. Имаева (Институт земной коры СО РАН, г. Иркутск), д-р геол.-минер. наук А.И. Кожурин (Институт вулканологии и сейсмологии ДВО РАН, г. Петропавловск-Камчатский), Н.Г. Корнева (ООО «Институт геотехники и инженерных изысканий в строительстве» (ООО «ИГИИС», г. Москва), д-р геол.-минер. наук, проф. В.И. Макаров (Институт геоэкологии РАН, г. Москва), д-р физ.-мат. наук Б.Г. Пустовитенко, канд. физ.-мат. наук А.А. Пустовитенко (Институт сейсмологии и геодинамики КФУ, ГАУ «Крымский экспертный совет по оценке сейсмической опасности и прогнозу землетрясений» Минстроя РК, г. Симферополь), д-р геол.-минер. наук, проф. В.Н. Смирнов (Северо-Восточный комплексный научно-исследовательский институт ДВО РАН, г. Магадан), д-р физ.-мат. наук И.Н. Тихонов (Институт морской геологии и геофизики ДВО РАН, г. Южно-Сахалинск).
Соисполнители: канд. геол.-минер. наук В.А. Бормотов, д-р геол.-минер. наук В.Ю. Забродин (Институт тектоники и геофизики ДВО РАН, г. Хабаровск), канд. физ.-мат. наук И.П. Габсатарова (Единая геофизическая служба РАН, г. Обнинск), канд. геол.-минер. наук В.С. Дружинин (Институт геофизики УрО РАН, г. Екатеринбург), д-р физ.-мат. наук А.Д. Завьялов (Институт физики Земли им. О.Ю. Шмидта РАН, г. Москва), Г.Ю. Караман (ООО «Институт геотехники и инженерных изысканий в строительстве» (ООО «ИГИИС», г. Москва), канд. геол.-минер. наук В.А. Килипко (Институт минералогии, геохимии и кристаллохимии редких элементов Минприроды России, г. Москва), Ю.Ф. Коновалов (АО «Производственный и научно-исследовательский институт по инженерным изысканиям в строительстве» (АО «ПНИИИС»), г. Москва), С.Л. Костюченко (ФГУП «ВНИИГеофизика» Минприроды России, г. Москва), канд. геол.-минер. наук О.Н. Круткина, канд. геол.-минер. наук В.В. Снежко (ФГУП «ВСЕГЕИ», г. Санкт-Петербург), С.Н. Никитин, д-р геол.-минер. наук Л.А. Сим, И.В. Уломов, Л.Д. Флейфель, канд. техн. наук С.В. Шварев, канд. физ.-мат. наук О.О. Эртелева (Институт физики Земли им. О.Ю. Шмидта РАН, г. Москва), В.М. Павлов (Камчатский филиал Единой геофизической службы РАН, г. Петропавловск-Камчатский), канд. геол.-минер. наук О.П. Смекалин, д-р геол.-минер. наук А.В. Чипизубов (Институт земной коры СО РАН, г. Иркутск), А.А. Полищук (ФГУП «ВИМС» Минприроды России, г. Москва).
(Измененная редакция. Изм. № 1)
СВОД ПРАВИЛ
|
СТРОИТЕЛЬСТВО В СЕЙСМИЧЕСКИХ РАЙОНАХ Seismic building design code |
Дата введения - 2018-11-25
Настоящий свод правил устанавливает требования по расчету с учетом сейсмических нагрузок к конструктивным и объемно-планировочным решениям зданий и сооружений, обеспечивающие их сейсмостойкость при новом строительстве и реконструкции.
Настоящий свод правил распространяется на проектирование зданий и сооружений на площадках с расчетной сейсмичностью 7, 8 и 9 баллов по шкале MSK-64 для районов с нормативной сейсмичностью 6, 7, 8, 9 и более баллов.
На площадках, сейсмичность которых превышает 9 баллов, проектирование и строительство зданий и сооружений осуществляются в порядке, установленном уполномоченным федеральным органом исполнительной власти.
Настоящий свод правил не распространяется на проектирование и строительство объектов атомной энергетики первой и второй категорий сейсмостойкости.
Примечание - Разделы 4, 5 и 6 относятся к проектированию жилых, общественных, производственных зданий и сооружений, транспортных и гидротехнических зданий, раздел 7 распространяется на транспортные сооружения, раздел 8 - на гидротехнические сооружения, раздел 9 - на все объекты, при проектировании которых следует предусматривать меры противопожарной защиты.
(Измененная редакция. Изм. № 1)
В настоящем своде правил использованы нормативные ссылки на следующие документы;
ГОСТ 111-2014 Стекло листовое бесцветное. Технические условия
ГОСТ 13015-2012 Изделия бетонные и железобетонные для строительства. Общие технические требования. Правила приемки, маркировки, транспортирования и хранения
ГОСТ 14098-2014 Соединения сварные арматуры и закладных изделий железобетонных конструкций. Типы, конструкции и размеры
ГОСТ 17625-83 Конструкции и изделия железобетонные. Радиационный метод определения толщины защитного слоя бетона, размеров и расположения арматуры
ГОСТ 22904-93 Конструкции железобетонные. Магнитный метод определения толщины защитного слоя бетона и расположения арматуры
ГОСТ 23858-79 Соединения сварные стыковые и тавровые арматуры железобетонных конструкций. Ультразвуковые методы контроля качества. Правила приемки
ГОСТ 24866-2014 Стеклопакеты клееные. Технические условия
ГОСТ 27751-2014 Надежность строительных конструкций и оснований. Основные положения
ГОСТ 30247.0-94 (ИСО 834-75) Конструкции строительные. Методы испытаний на огнестойкость. Общие требования
ГОСТ 30403-2012 Конструкции строительные. Метод испытания на пожарную опасность
ГОСТ 30546.1-98 Общие требования к машинам, приборам и другим техническим изделиям и методы расчета их сложных конструкций в части сейсмостойкости
ГОСТ 30698-2014 Стекло закаленное. Технические условия
ГОСТ 30826-2014 Стекло многослойное. Технические условия
ГОСТ 31364-2014 Стекло с низкоэмиссионным мягким покрытием. Технические условия
ГОСТ 31937-2011 Здания и сооружения. Правила обследования и мониторинга технического состояния
ГОСТ 32019-2012 Мониторинг технического состояния уникальных зданий и сооружений. Правила проектирования и установки стационарных систем (станций) мониторинга
ГОСТ 33087-2014 Стекло термоупрочненное. Технические условия
ГОСТ 34081-2017 Здания и сооружения. Определение параметров основного тона собственных колебаний
ГОСТ Р 53292-2009 Огнезащитные составы и вещества для древесины и материалов на ее основе. Общие требования. Методы испытаний
ГОСТ Р 53295-2009 Средства огнезащиты для стальных конструкций. Общие требования. Метод определения огнезащитной эффективности
СП 2.13130.2012 Системы противопожарной защиты. Обеспечение огнестойкости объектов защиты (с изменением № 1)
СП 5.13130.2009 Системы противопожарной защиты. Установки пожарной сигнализации и пожаротушения автоматические. Нормы и правила проектирования (с изменением № 1)
СП 10.13130.2009 Системы противопожарной защиты. Внутренний противопожарный водопровод. Требования пожарной безопасности (с изменением № 1)
СП 15.13330.2012 «СНиП II-22-81* Каменные и армокаменные конструкции» (с изменениями № 1, 2)
СП 16.13330.2017 «СНиП II-23-81* Стальные конструкции» (с изменением № 1)
СП 20.13330.2016 «СНиП 2.01.07-85* Нагрузки и воздействия»
СП 22.13330.2016 «СНиП 2.02.01-83* Основания зданий и сооружений»
СП 23.13330.2011 «СНиП 2.02.02-85* Основания гидротехнических сооружений»
СП 24.13330.2011 «СНиП 2.02.03-85 Свайные фундаменты» (с изменением № 1)
СП 25.13330.2012 «СНиП 2.02.04-88 Основания и фундаменты на вечномерзлых грунтах» (с изменением № 1)
СП 34.13330.2012 «СНиП 2.05.02-85* Автомобильные дороги» (с изменением № 1)
СП 35.13330.2011 «СНиП 2.05.03-84* Мосты и трубы» (с изменением № 1)
СП 39.13330.2012 «СНиП 2.06.05-84* Плотины из грунтовых материалов»
СП 40.13330.2012 «СНиП 2.06.06-85 Плотины бетонные и железобетонные»
СП 41.13330.2012 «СНиП 2.06.08-87 Бетонные и железобетонные конструкции гидротехнических сооружений»
СП 58.13330.2012 «СНиП 33-01-2003 Гидротехнические сооружения. Основные положения» (с изменением № 1)
СП 63.13330.2012 «СНиП 52-01-2003 Бетонные и железобетонные конструкции. Основные положения» (с изменениями № 1, 2)
СП 64.13330.2017 «СНиП II-25-80 Деревянные конструкции»
СП 70.13330.2012 «СНиП 3.03.01-87 Несущие и ограждающие конструкции» (с изменениями № 1, № 3)
СП 119.13330.2012 «СНиП 32-01-95 Железные дороги колеи 1520 мм» (с изменением № 1)
СП 120.13330.2012 «СНиП 32-02-2003 Метрополитены» (с изменениями № 1, 2)
СП 122.13330.2012 «СНиП 32-04-97 Тоннели железнодорожные и автодорожные» (с изменением № 1)
СП 128.13330.2016 «СНиП 2.03.06-85 Алюминиевые конструкции
СП 268.1325800.2016 Транспортные сооружения в сейсмических районах. Правила проектирования
СП 269.1325800.2016 Транспортные сооружения в сейсмических районах. Правила уточнения исходной сейсмичности и сейсмического микрорайонирования
СП 270.1325800.2016 Транспортные сооружения в сейсмических районах. Правила оценки повреждений дорог при землетрясениях в отдаленных и труднодоступных районах
СП 286.1325800.2016 Объекты строительные повышенной ответственности. Правила детального сейсмического районирования
СП 296.1325800.2017 Здания и сооружения. Особые воздействия
СП 330.1325800.2017 Здания и сооружения в сейсмических районах. Правила проектирования инженерно-сейсмометрических станций
СП 358.1325800.2017 Сооружения гидротехнические. Правила проектирования и строительства в сейсмических районах
СП 369.1325800.2017 Платформы морские стационарные. Правила проектирования
СП 385.1325800.2018 Защита зданий и сооружений от прогрессирующего обрушения. Правила проектирования. Основные положения» (с изменением № 1)
СП 426.1325800.2018 Конструкции фасадные светопрозрачные зданий и сооружений. Правила проектирования
СП 442.1325800.2019 Здания и сооружения. Оценка класса сейсмостойкости.
Примечание - При пользовании настоящим сводом правил целесообразно проверить действие ссылочных стандартов (сводов правил) в информационной системе общего пользования - на официальном сайте федерального органа исполнительной власти в сфере стандартизации в сети Интернет или по ежегодному информационному указателю «Национальные стандарты», который опубликован по состоянию на 1 января текущего года, и по выпускам ежемесячного информационного указателя «Национальные стандарты» за текущий год. Если заменен ссылочный документ, на который дана недатированная ссылка, то рекомендуется использовать действующую версию этого документа с учетом всех внесенных в данную версию изменений. Если заменен ссылочный документ, на который дана датированная ссылка, то рекомендуется использовать версию этого документа с указанным выше годом утверждения (принятия). Если после утверждения настоящего свода правил в ссылочный документ, на который дана датированная ссылка, внесено изменение, затрагивающее положение, на которое дана ссылка, то это положение рекомендуется применять без учета данного изменения. Если ссылочный документ отменен без замены, то положение, в котором дана ссылка на него, рекомендуется применять в части, не затрагивающей эту ссылку. Сведения о действии сводов правил целесообразно проверить в Федеральном информационном фонде стандартов.
(Измененная редакция. Изм. № 1)
(Новая редакция. Изм. № 1)
В настоящем своде правил применены следующие термины с соответствующими определениями:
3.1 акселерограмма: Запись процесса изменения во времени ускорения колебаний.
3.2 активный разлом: Тектоническое нарушение с признаками постоянных или периодических перемещений бортов разлома в позднем плейстоцене - голоцене (за последние ~ 100 000 лет), величина (скорость) которых такова, что она представляет опасность для сооружений и требует специальных конструктивных и (или) компоновочных мероприятий для обеспечения их безопасности.
3.3 антисейсмический деформационный шов: Шов, разделяющий здание или сооружение на несколько элементов (объемов, отсеков), осадка, горизонтальные и вертикальные перемещения которых независимы друг от друга, что позволяет обеспечить сохранность этих элементов и здания (сооружения) в целом при сейсмических воздействиях.
3.4 антисейсмический пояс: Железобетонный пояс, обвязывающий каменные стены по периметру в одном или разных (ступенчатых) горизонтальных уровнях (обычно на уровне перекрытий), объединяющий стены в пространственную конструкцию, способствующую совместной работе стен и перекрытий при сейсмическом воздействии.
3.5 балл: Категория, представляющая собой единицу измерения силы землетрясения по макро-сейсмической шкале интенсивности.
Примечание - В настоящем своде правил используется макросейсмическая шкала MSK-64.
3.6 детальное сейсмическое районирование; ДСР: Метод сейсмического районирования, который применяют для получения информации о расчетных параметрах сейсмических воздействий для конкретных существующих и проектируемых сооружений, населенных пунктов и отдельных территорий (без учета влияния грунтовых и топографических условий).
3.7 динамический расчет во временной области: Определение параметров динамической реакции конструкции на сейсмическое воздействие, заданное в виде акселерограмм, путем численного интегрирования уравнений движения во времени.
3.8 живучесть строительной конструкции: Способность конструкции сохранять ограниченную работоспособность при запроектных аварийных воздействиях, не допуская полного обрушения.
3.9 интенсивность землетрясения: Оценка воздействия землетрясения в баллах макросейсмической шкалы, определяемая по описаниям разрушений и повреждений зданий и сооружений, природных объектов, грунта, движений тел, а также по наблюдениям и ощущениям людей.
3.10 каркас рамно-связевой: Пространственная конструктивная система в виде рамного каркаса и вертикальных диафрагм жесткости, в которой рамный каркас воспринимает и передает на основание в основном вертикальные нагрузки, а горизонтальные нагрузки воспринимают совместно вертикальные диафрагмы жесткости и каркас.
3.11 каркас рамный: Пространственная конструктивная система колонн и ригелей с жесткими узлами в соединениях, воспринимающая всю совокупность вертикальных и горизонтальных нагрузок.
3.12 каркас с ядрами жесткости (каркасно-ствольная система): Связевая, рамно-связевая или каркасно-стеновая конструктивная система, в которой каркас выполняется в виде обстройки ствола или ядер жесткости (вертикальных пространственных элементов жесткости замкнутой формы в плане).
3.13 каркас связевой: Пространственная конструктивная система, включающая безригельный или ригельный каркас с нежесткими или жесткими узлами соединений ригелей с колоннами и вертикальные диафрагмы жесткости; основные вертикальные нагрузки воспринимаются и передаются на основание колоннами каркаса, а горизонтальные нагрузки - вертикальными диафрагмами жесткости.
3.14 каркасно-стеновая конструктивная система: Пространственная конструктивная система в виде каркаса (безригельного или ригельного) и несущих стен, в которой стены воспринимают и передают основанию не менее 60 % вертикальных нагрузок и не менее 80 % горизонтальных нагрузок.
3.15 каркасные здания: Конструктивная система, в которой как вертикальным, так и нагрузкам в любом из горизонтальных направлений в основном противодействует пространственный каркас, а его сопротивление горизонтальным нагрузкам составляет более 65 % общего сопротивления горизонтальным нагрузкам всей конструктивной системы.
3.16 класс сейсмостойкости здания или сооружения: Характеристика здания или сооружения, определяющая его сейсмостойкость, зависящая от расчетного сейсмического воздействия, на которое проектировалось здание или сооружение, и от категории его технического состояния на момент назначения класса сейсмостойкости.
3.17 конструктивная система: Совокупность взаимосвязанных элементов здания или сооружения, обеспечивающая его прочность, жесткость и устойчивость.
3.18 конструктивная схема: Конструктивная система здания или сооружения, классифицируемая по признакам состава и размещения ее основных несущих конструкций.
3.19 конструктивные системы каркасные: Системы, основными несущими конструкциями которых являются вертикальные колонны каркаса, на которые передается нагрузка от перекрытий (без-ригельных или ригельных).
Примечание - Прочность, устойчивость и пространственная жесткость каркасных зданий обеспечиваются совместной работой перекрытий и вертикальных конструкций. В зависимости от сочетания вертикальных конструкций, используемых для обеспечения прочности, устойчивости и жесткости конструктивных систем, различают рамные, связевые и рамно-связевые каркасные системы.
3.20 коэффициент динамичности; КД: Отношение максимального по модулю относительного динамического перемещения одномерного осциллятора (линейно-упругой диссипативной системы с одной степенью свободы) к модулю статического перемещения. Относительные динамические перемещения - это перемещения осциллятора во времени относительно движущегося основания в ответ на сейсмическое воздействие, заданное в виде акселерограммы. Статическое перемещение - это перемещение осциллятора на неподвижном основании от действия статической силы инерции, равной произведению массы осциллятора на величину пикового ускорения грунта.
3.21 линейно-спектральный метод; ЛСМ: Метод линейного статического расчета на сейсмические воздействия, заданные в виде пиковых ускорений и коэффициентов динамичности. Максимальные сейсмические усилия и другие параметры динамической реакции конструкции определяют для каждой собственной формы колебаний с учетом соответствующего этой форме направления воздействия и коэффициента динамичности. Результирующие сейсмические усилия определяют по специальным правилам.
3.22 нормативная сейсмичность: Интенсивность сейсмических воздействий на площадке строительства в баллах шкалы MSK-64 по данным общего сейсмического районирования для заданного периода повторяемости.
3.23 общее сейсмическое районирование; ОСР: Метод сейсмического районирования, заключающийся в оценке нормативной сейсмичности районов на территории всей страны для нормативных периодов повторяемости для грунтов категории II по сейсмическим свойствам.
3.24 опасные направления сейсмического воздействия: Направления сейсмического воздействия (в виде тройки направляющих косинусов единичного вектора), обеспечивающие максимальную динамическую реакцию конструкции.
Примечание - Понятие применимо только в рамках ЛСМ, когда сейсмические нагрузки приводятся к собственным формам колебаний и прикладываются к конструкции в виде модальных статических сил и моментов. Для каждой формы колебаний рассчитывают свое опасное направление приложения модальной сейсмической нагрузки, обеспечивающее максимум динамической реакции при движении по этой форме.
3.25 перекрестно-стеновая конструктивная схема: Конструктивная схема с поперечными и продольными несущими стенами, на которые перекрытия опираются по контуру или по трем сторонам.
3.26 пластические деформации: Необратимые деформации, которые возникают при пластическом деформировании и остаются после полной разгрузки конструкции.
3.27 пластическое деформирование: Деформирование, происходящее при нагрузке, превышающей предельное значение для упругого деформирования.
Примечание - Явление нелинейного деформирования связано как с нелинейной зависимостью напряжений от деформаций, так и с поведением материала при разгрузке и последующем нагружении. При пластическом деформировании следует учитывать, что: 1) разгрузка происходит, как правило, по линейному закону, 2) после разгрузки исчезают упругие деформации и остаются необратимые пластические деформации, а в статически-неопределимых системах - еще и остаточные напряжения, 3) предварительная пластическая деформация одного знака ухудшает сопротивляемость материала по отношению к пластической деформации обратного знака (эффект Баушингера).
3.28 поперечно-стеновая конструктивная схема: Конструктивная схема, в которой вертикальные нагрузки от перекрытий и ненесущих стен передаются в основном на поперечные несущие стены, а плиты перекрытия работают преимущественно по балочной схеме; горизонтальные нагрузки, действующие в направлениях поперечных стен, воспринимаются этими стенами; горизонтальные нагрузки, действующие перпендикулярно поперечным стенам, воспринимаются продольными диафрагмами жесткости, которыми могут служить продольные стены лестничных клеток, а также участки продольных наружных и внутренних стен.
3.29 прогрессирующее (лавинообразное) обрушение: Последовательное (цепное) разрушение несущих строительных конструкций, приводящее к обрушению всего сооружения или его частей вследствие начального локального повреждения.
3.30 продольно-стеновая конструктивная схема: Конструктивная схема, в которой вертикальные нагрузки от перекрытий и ненесущих стен передаются в основном на продольные несущие стены, а плиты перекрытия работают преимущественно по балочной схеме; горизонтальные нагрузки, действующие в направлениях продольных стен, воспринимаются этими стенами; горизонтальные нагрузки, действующие перпендикулярно продольным стенам, воспринимаются поперечными диафрагмами жесткости, которыми могут служить поперечные стены лестничных клеток, а также участки поперечных наружных и внутренних стен.
3.31 расчетная динамическая модель; РДМ: Дискретная совокупность инерционных элементов (сосредоточенных масс и абсолютно твердых тел), связанных между собой внутренними упругими и неупругими связями.
Примечание - Степени свободы РДМ - минимальное количество независимых переменных, однозначно определяющих ее положение в пространстве. Колебательный процесс РДМ описывается обобщенными координатами - поступательными и угловыми перемещениями по направлениям степеней свободы.
3.32 расчетная сейсмичность: Значение интенсивности сейсмического воздействия в баллах шкалы MSK-64 на площадке строительства для заданного периода повторяемости с учетом локальных грунтовых условий и рельефа.
3.33 расчетные параметры сейсмических воздействий: Зависимости от времени ускорений, скоростей и перемещений сейсмических движений грунта на площадке строительства в трех взаимно ортогональных направлениях, амплитуды ускорений, скоростей и перемещений сейсмических движений грунта, длительность сейсмического воздействия, спектры коэффициентов динамичности или спектры ответа в ускорениях.
3.34 сейсмическая нагрузка: Инерционная нагрузка, действующая на массы РДМ. Инерционная нагрузка зависит от абсолютных ускорений масс РДМ.
3.35 сейсмический район: Район с установленными и возможными очагами землетрясений, вызывающими на площадке строительства сейсмические воздействия интенсивностью 6 и более баллов по шкале MSK-64.
3.36 сейсмическое воздействие: Движение грунта в основании здания или сооружения, вызванное распространением сейсмических волн во время землетрясения, обусловливающее движение самого здания или сооружения, его деформации и разрушение.
3.37 сейсмическое микрорайонирование; СМР: Комплекс инженерно-геологических и сейсмометрических работ, выполняемых для определения влияния локальных инженерно-геологических (грунтовых) условий и рельефа площадки (участка строительства, трассы, территории населенного пункта) на интенсивность и расчетные параметры сейсмических воздействий.
3.38 спектр коэффициентов динамичности; спектр КД: Зависимость коэффициентов динамичности от собственных частот (периодов) одномерных осцилляторов (см. 3.39).
Примечание - Спектр коэффициентов динамичности равен спектру ответа в ускорениях, нормированному на величину пикового ускорения грунта. Параметром спектра КД является коэффициент вязкого демпфирования одномерного осциллятора.
3.39 спектр ответа в ускорениях: Зависимость спектральных ускорений от собственных частот (периодов) одномерных осцилляторов (линейно-упругих диссипативных систем с одной степенью свободы).
Примечание - Спектральное ускорение - максимальное по модулю абсолютное ускорение одномерного осциллятора при воздействии, заданном акселерограммой. Спектр ответа в ускорениях, нормированный на величину пикового ускорения грунта, равен спектру коэффициентов динамичности. Параметром спектра ответа в ускорениях является коэффициент затухания одномерного осциллятора (обычно равен 0,05 в долях от критического).
3.40 стеновые конструктивные системы: Пространственные конструктивные системы из несущих стен, объединенных для совместной работы горизонтальными дисками перекрытий, воспринимающих всю совокупность вертикальных и горизонтальных нагрузок.
Примечание - В зависимости от схемы расположения несущих стен в плане здания и характера опирания на них перекрытий различают перекрестно-стеновые, поперечно-стеновые и продольно-стеновые конструктивные схемы.
3.41 уровень сейсмического воздействия: Сейсмическое воздействие, заданное нормативной интенсивностью в баллах по картам OCР.
3.42 устройства сейсмической защиты: Устройства, специально встроенные в здания и сооружения для снижения динамической реакции на сейсмическое воздействие (сейсмоизолирующие элементы, динамические гасители колебаний, вязкоупругие демпферы и т.д.).
3.43 фазовая скорость волны (скорость волны): Скорость перемещения волновой поверхности (фронта волны) в пространстве.
Примечание - Волновая поверхность или фронт волны - геометрическое место точек среды, в которых в рассматриваемый момент времени фаза волны имеет одно и то же значение.
3.44 эффективная модальная масса: Доля массы сооружения, участвующей в динамической реакции по определенной форме колебаний при заданном направлении сейсмического воздействия.
Сокращения
В настоящем своде правил применены следующие сокращения:
ВВ - взрывчатые вещества;
ВОЗ - возможные очаги землетрясений;
ВСНФ - водоподпорное сооружение в составе напорного фронта;
ГТС - гидротехническое сооружение;
ГЭС - гидроэлектростанция;
КЭ-модель - конечно-элементная модель;
МГН - маломобильные группы населения;
МКЭ - метод конечных элементов;
МНГС - морское нефтегазопромысловое сооружение;
MPЗ - максимальное расчетное землетрясение;
МЧС - Министерство Российской Федерации по делам гражданской обороны, чрезвычайным ситуациям и ликвидации последствий стихийных бедствий;
НФ - навесные фасады;
ПЗ - проектное землетрясение;
СР - сейсмическое районирование.
4.1а Проектирование зданий и сооружений выполняется с учетом сейсмических воздействий, определяемых данными ОСР-2016, комплект которых приведен в приложении А, с указанием сейсмической интенсивности в баллах шкалы MSK-64.
(Введен дополнительно. Изм. № 1)
4.1 При проектировании гражданских и промышленных зданий и сооружений в указанных районах рекомендуется:
- применять, как правило, материалы, конструкции и конструктивные схемы, обеспечивающие снижение сейсмических нагрузок;
- принимать симметричные конструктивные и объемно-планировочные решения с равномерным распределением масс и жесткостей конструкций в плане и по высоте;
- располагать стыки элементов вне зоны максимальных усилий, обеспечивать монолитность, однородность и непрерывность конструкций;
- предусматривать условия, облегчающие развитие в элементах конструкций и их соединениях пластических деформаций, при условии обеспечения устойчивости строительных конструкций, зданий и сооружений в целом;
- обеспечивать динамическую симметрию («чистоту») форм собственных колебаний по отдельным направлениям, когда перемещения по первым формам происходят в ортогональных плоскостях и не накладываются друг на друга, что минимизирует сейсмическую нагрузку.
При назначении зон пластических деформаций и локальных разрушений следует принимать конструктивные решения, обеспечивающие зданиям или сооружениям живучесть и устойчивость к прогрессирующему обрушению при сейсмических воздействиях. Требования по проектированию зданий и сооружений в целях обеспечения их защиты от прогрессирующего обрушения следует принимать согласно СП 385.1325800.
Не следует применять конструктивные решения, допускающие обрушение сооружения в случае разрушения или недопустимого деформирования одного несущего элемента.
(Измененная редакция. Изм. № 1)
4.2 Проектирование зданий высотой более 75 м должно осуществляться в соответствии с требованиями действующих нормативных документов.
(Измененная редакция. Изм. № 1)
4.3 - 4.6 (Исключены. Изм. № 1)
4.7 Для снижения динамической реакции здания или сооружения могут применяться устройства сейсмической защиты, подходящие для выбранного конструктивного решения, назначения сооружения (жилые и общественные здания, архитектурные и исторические памятники, промышленные сооружения и др.), вида строительства (новое строительство, реконструкция, усиление), сейсмологических и грунтовых условий площадки. Устройства сейсмической защиты следует обязательно учитывать как составные элементы РДМ. Проектирование конструкции с устройствами сейсмической защиты должно иметь расчетное обоснование в виде сравнительного анализа результатов двух динамических расчетов во временной области: с устройствами сейсмической защиты и без них. Параметры динамического расчета следует принимать такими же, как в 5.14.
(Новая редакция. Изм. № 1)
4.7а В целях своевременного осуществления превентивных мероприятий по недопущению аварийного состояния объектов позиции 1 таблицы 5.3 в проектах следует предусматривать установку автоматизированных систем (станций) мониторинга технического состояния этих объектов в соответствии с ГОСТ 31937, ГОСТ 32019, ГОСТ 34081.
(Введен дополнительно. Изм. № 1)
4.8 Для получения достоверной информации о работе конструкций и колебаниях грунтов, прилегающих к зданиям и сооружениям, при интенсивных землетрясениях в проектах зданий и сооружений, указанных в позиции 1 таблицы 5.3, следует предусматривать установку инженерно-сейсмометрических станций наблюдения за динамическим поведением конструкций и прилегающих грунтов в соответствии с СП 330.1325800.
Допускается объединение инженерно-сейсмометрических станций с автоматизированными системами (станциями) мониторинга технического состояния в единые измерительные комплексы.
(Измененная редакция. Изм. № 1)
5.1 При проектировании гражданских и промышленных зданий и сооружений применяется одноуровневое сейсмическое воздействие.
5.2 Уровень сейсмического воздействия определяется по данным ОСР-2016, приведенным в приложении А. Характеристиками уровня сейсмического воздействия являются вероятность реализации в течение 50 лет (или средний период повторяемости) и нормативная сейсмичность в баллах по одной из карт комплекта ОСР-2016.
5.3 Карта ОСР-2016-А определяет нормативную сейсмичность с 10 %-ной вероятностью превышения или 90 %-ной вероятностью непревышения в течение 50 лет. Средний период повторяемости землетрясений данной интенсивности - 500 лет.
Карта ОСР-2016-В определяет нормативную сейсмичность с 5 %-ной вероятностью превышения или 95 %-ной вероятностью непревышения в течение 50 лет. Средний период повторяемости землетрясений данной интенсивности - 1000 лет.
Карта ОСР-2016-С определяет нормативную сейсмичность с 1 %-ной вероятностью превышения или 99 %-ной вероятностью непревышения в течение 50 лет. Средний период повторяемости землетрясений данной интенсивности - 5000 лет.
5.4 Расчетной характеристикой уровня воздействия являются пиковые сейсмические ускорения, соответствующие баллам по шкале MSK-64: 7 баллов - аg = 0,1g, 8 баллов - аg = 0,2g и 9 баллов - аg = 0,4g на средних грунтах (категория грунта по сейсмическим свойствам II таблицы 5.1).
5.5 Карта ОСР-2016-А предназначена для оценки нормативной сейсмичности при проектировании объектов, приведенных в позициях 3 и 4 таблицы 5.3. Технический заказчик вправе принять для проектирования объектов, приведенных в позиции 3 таблицы 5.3, карту ОСР-2016-В при соответствующем обосновании.
Карта ОСР-2016-В предназначена для оценки нормативной сейсмичности при проектировании объектов, приведенных в позициях 1 и 2 таблицы 5.3.
5.6 Категория грунтов по сейсмическим свойствам на площадке строительства устанавливается по таблице 5.1 исходя из результатов инженерных изысканий. Категория грунтов на площадке строительства может быть пересмотрена с учетом специфических условий строительства, например если предусмотрено локальное укрепление грунтов.
5.7 Для уточнения расчетной сейсмичности и определения параметров расчетных сейсмических воздействий на площадках строительства объектов, перечисленных в позиции 1 таблицы 5.3, большепролетных зданий и сооружений, высотных сооружений, перечисленных в позиции 2 таблицы 5.3, а также для объектов с включенными в состав РДМ нелинейными элементами (например, устройствами сейсмической защиты, включающимися и выключающимися связями, нелинейным грунтовым основанием и т.д.) при инженерно-геологических изысканиях помимо СМР дополнительно проводят ДСР согласно СП 286.1325800.
Для объектов, перечисленных в позициях 2 (за исключением большепролетных зданий и сооружений, высотных сооружений), 3 таблицы 5.3, уточнение расчетной сейсмичности площадки строительства осуществляется по результатам СМР. Для объектов, перечисленных в позиции 4 таблицы 5.3, расчетная сейсмичность площадки строительства устанавливается по описательным характеристикам таблицы 5.1.
5.8 Площадки строительства, в пределах которых отмечены активные разломы, участки с крутизной склонов более 15°, с оползнями, обвалами, осыпями, карстом, селями, участки, сложенные грунтами категорий III и IV, являются неблагоприятными в сейсмическом отношении.
При необходимости строительства зданий и сооружений на таких площадках следует принимать дополнительные меры по укреплению их оснований, усилению конструкций и инженерной защите территории от опасных геологических процессов.
Таблица 5.1 - Расчетная сейсмичность площадки строительства
|
Категория грунта по сейсмическим свойствам |
Грунты |
Скорость поперечных волн Vs,30, м/с |
Нормативная сейсмичность района расположения площадки, баллы |
||||
|
6 |
7 |
8 |
9 |
> 9 |
|||
|
Расчетная сейсмичность площадки |
|||||||
|
I |
Скальные грунты (в том числе многолетнемерзлые и многолетнемерзлые оттаявшие) невыветрелые и слабовыветрелые; крупнообломочные грунты плотные, маловлажные из магматических пород, содержащие до 30 % песчано-глинистого заполнителя; выветрелые и сильновыветрелые скальные и дисперсные твердомерзлые (многолетнемерзлые) грунты при температуре минус 2 °С и ниже при строительстве и эксплуатации с сохранением грунтов основания в мерзлом состоянии |
Vs,30 ≥ 800 |
5 |
6 |
7 |
8 |
9 |
|
II |
Скальные грунты выветрелые и сильновыветрелые, в том числе многолетнемерзлые, кроме отнесенных к категории I; крупнообломочные грунты, за исключением отнесенных к категории I, пески гравелистые, крупные и средней крупности, плотные и средней плотности, маловлажные и влажные; пески мелкие и пылеватые, плотные и средней плотности, маловлажные; глинистые грунты с показателем консистенции lL ≤ 0,5 при коэффициенте пористости е < 0,9 для глин и суглинков и е < 0,7 - для супесей; многолетнемерзлые нескальные грунты пластичномерзлые или сыпучемерзлые, а также твердомерзлые при температуре выше минус 2 °С при строительстве и эксплуатации с сохранением грунтов основания в мерзлом состоянии |
800 > Vs,30 ≥ 300 |
6 |
7 |
8 |
9 |
> 9 |
|
III |
Пески рыхлые независимо от степени влажности и крупности; пески гравелистые, крупные и средней крупности, плотные и средней плотности, водонасыщенные; пески мелкие и пылеватые, плотные и средней плотности, влажные и водонасыщенные; глинистые грунты с показателем консистенции lL > 0,5; глинистые грунты с показателем консистенции lL ≤ 0,5 при коэффициенте пористости е ≥ 0,9 - для глин и суглинков и е ≥ 0,7 - для супесей; многолетнемерзлые дисперсные грунты при строительстве и эксплуатации с учетом оттаивания грунтов основания |
300 > Vs,30 ≥ 100 |
7 |
8 |
9 |
> 9 |
> 9 |
|
IV |
Наиболее динамически неустойчивые разновидности песчано-глинистых грунтов, указанные в категории III, склонные к разжижению при сейсмических воздействиях |
Vs,30 < 100 |
7* |
8* |
9* |
> 9* |
> 9* |
|
____________ * Грунты с большей вероятностью склонны к разжижению и потере несущей способности при землетрясениях интенсивностью более 6 баллов. Примечания 1 При отсутствии данных о консистенции, влажности, скорости Vs глинистые и песчаные грунты при положении уровня грунтовых вод выше 5 м относятся к категории III или IV по сейсмическим свойствам. 2 При прогнозировании подъема уровня грунтовых вод и обводнения грунтов (в том числе просадочных) категорию грунтов следует определять в зависимости от свойств грунта в замоченном состоянии. 3 При строительстве на многолетнемерзлых грунтах их следует рассматривать по фактическому состоянию после оттаивания. 4 Если по результатам инженерных изысканий на площадке, расположенной в районе с нормативной сейсмичностью 6 баллов по карте ОСР-2016, грунты по их описанию соответствуют грунтам категории III или IV по сейсмическим свойствам, расчетную сейсмичность площадки следует определять по результатам СМР, выполняемого в составе инженерных изысканий с учетом требований 5.7. На площадках в районе с нормативной сейсмичностью 6 баллов, сложенных грунтами категорий по сейсмическим свойствам I или II, установленным по результатам инженерных изысканий, выполнение СМР не требуется, если это не предусмотрено иными нормативными документами. 5 Скорость Vs,30 является средневзвешенным значением для 30-метровой толщи, считая от планировочной отметки. При отсутствии данных о значении Vs,30 и многослойном строении грунтовой толщи, установленных по результатам изысканий, грунт относят к более неблагоприятной категории, если в пределах верхней 30-метровой толщи (считая от планировочной отметки) слои, относящиеся по описанию к этой категории, составляют 50 % и более ее мощности с учетом глубины залегания кровли грунтов категории I (5 м и более при глубине кровли скального основания 10 м; 10 м и более при глубине кровли скального основания 20 м; 15 м и более при глубине кровли скального основания 30 м и более) или имеют суммарную мощность более 10 м и залегают выше слоев, относящихся по описанию к более благоприятной категории. |
|||||||
5.9 Расчет конструкций и оснований зданий и сооружений, проектируемых для строительства в сейсмических районах, должен выполняться на основные и особые сочетания нагрузок с учетом сейсмических воздействий. При расчете зданий и сооружений на особое сочетание нагрузок значения расчетных нагрузок в соответствии с СП 20.13330 следует умножать на коэффициенты сочетаний, принимаемые по таблице 5.2.
5.10 Расчеты зданий и сооружений на особые сочетания нагрузок с учетом сейсмических воздействий выполняются на один уровень сейсмических воздействий, определяемый в соответствии с 5.5, с учетом назначения проектируемого здания или сооружения и применяемых методов расчета. Значение коэффициента ответственности K0 принимается максимальным из указанных в ГОСТ 27751 и в таблице 5.3.
Таблица 5.2 - Коэффициенты сочетаний нагрузок
|
Вид нагрузок |
Значение коэффициента пс |
|
Постоянные |
0,9 |
|
Временные длительные |
0,8 |
|
Кратковременные |
0,5 |
Таблица 5.3 - Классификация объектов по назначению и значения коэффициентов ответственности для расчетов на сейсмостойкость
|
Назначение здания или сооружения |
Коэффициент ответственности K0 |
|
|
Проектный расчет |
Проверочный расчет |
|
|
1 Объекты, перечисленные в [1, статья 48.1, часть 1, пункты 1) - 6), 9), 10.1), 11)], за исключением транспортных сооружений и ГТС; сооружения с пролетами более 100 м; объекты жизнеобеспечения городов и населенных пунктов; монументальные здания и другие сооружения; правительственные здания повышенной ответственности; жилые, общественные и административные здания высотой более 200 м |
1,2 |
1,4 |
|
2 Здания и сооружения: - объекты, указанные в [1, статья 48.1, часть 1, пункты 7), 8) и в [1, статья 48.1, часть 2, пункты 3), 4)]; - объекты, которые должны сохранять свою работоспособность при землетрясении и при ликвидации его последствий (объекты телекоммуникационной инфраструктуры, служб МЧС и полиции, энерго-, водо- и газоснабжения; объекты, аварии на которых могут привести к выбросу опасных для населения веществ; медицинские организации, имеющие оборудование для применения в аварийных ситуациях); - здания крупных государственных и частных музеев, библиотек, хранилищ культурных ценностей, государственных архивов; - объекты историко-культурного наследия; - капитальные объекты развлекательной инфраструктуры, учреждения здравоохранения и торговые предприятия с массовым нахождением людей; - сооружения с пролетом более 60 м; - общественные и административные здания многоэтажные и повышенной этажности; - жилые дома многоэтажные и повышенной этажности; мачты и башни сооружений связи и телерадиовещания высотой более 100 м, не вошедшие в [1, статья 48.1, часть 1, пункт 3)]; - трубы высотой более 100 м; - здания дошкольных образовательных организаций, общеобразовательных организаций, медицинских организаций, лечебных учреждений, родильных домов, интернатов; - другие здания и сооружения, разрушения которых могут привести к тяжелым экономическим, социальным и экологическим последствиям |
1,1 |
1,3 |
|
3 Здания и сооружения, не указанные в позициях 1 и 2 |
1,0 |
1 |
|
4 Здания и сооружения: временного (сезонного) назначения, а также здания и сооружения вспомогательного применения, в том числе связанные с осуществлением строительства или реконструкции здания или сооружения либо расположенные на земельных участках, предоставленных для индивидуального жилищного строительства |
0,8 |
- |
|
Примечания 1 Технический заказчик самостоятельно задает назначение сооружения, следуя указаниям нормативных документов. 2 Идентификация зданий и сооружений по принадлежности к опасным производственным объектам - в соответствии с [2]. |
||
При расчете на сейсмические воздействия не учитываются:
- температурные климатические воздействия;
- ветровые нагрузки;
- горизонтальные нагрузки от масс на гибких подвесках;
- динамические нагрузки от оборудования, в том числе возникающие в пуско-остановочном, переходном и испытательном режимах;
- динамические нагрузки от подвижного подъемно-транспортного оборудования (погрузчиков, электрокаров, кранов-штабелеров, тельферов, мостовых и подвесных кранов с весами транспортируемых грузов);
При определении расчетных вертикальной и горизонтальной сейсмических нагрузок от кранов следует учитывать полную массу крана (моста, тележки и т.д.) с массой груза, равной грузоподъемности крана с коэффициентом 0,3. Расчетную горизонтальную сейсмическую нагрузку от веса мостов и тележек кранов следует прикладывать в направлении, перпендикулярном оси подкрановых балок. Снижение крановых нагрузок, предусмотренное СП 20.13330, при этом не учитывают.
При расчете на сейсмические воздействия учитываются нагрузки, обусловленные деформациями основания, сопровождающимися коренным изменением структуры грунта (например, при замачивании просадочных грунтов) или его оседанием в районах горных выработок и в карстовых районах.
При расчете на сейсмические воздействия не следует заменять инерционные элементы конструкции эквивалентными статическими нагрузками.
Таблица 5.4 - Коэффициент, учитывающий способность зданий и сооружений к неупругим деформациям
|
Тип здания или сооружения |
Значения K1 |
|
1 Здания и сооружения, в конструкциях которых повреждения или неупругие деформации не допускаются |
1 |
|
2 Здания и сооружения, в конструкциях которых могут быть допущены остаточные деформации и повреждения, затрудняющие нормальную эксплуатацию, при обеспечении безопасности людей и сохранности оборудования, возводимые: |
|
|
- из деревянных конструкций |
0,15 |
|
- со стальным каркасом без вертикальных диафрагм или связей |
0,25 |
|
- то же, с диафрагмами или связями |
0,22 |
|
- со стенами из железобетонных крупнопанельных или монолитных конструкций |
0,25 |
|
- из железобетонных объемно-блочных и панельно-блочных конструкций |
0,3 |
|
- с железобетонным каркасом без вертикальных диафрагм или связей |
0,35 |
|
- то же, с заполнением из кирпичной или каменной кладки |
0,4 |
|
- то же, с диафрагмами или связями |
0,3 |
|
- из кирпичной или каменной кладки |
0,4 |
|
3 Здания и сооружения, в конструкциях которых могут быть допущены значительные остаточные деформации, трещины, повреждения отдельных элементов, их смещения, временно приостанавливающие нормальную эксплуатацию при наличии мероприятий, обеспечивающих безопасность людей (объекты пониженного уровня ответственности) |
0,12 |
|
Примечания 1 При выполнении расчета деформаций конструкций при сейсмическом воздействии с применением ЛСМ коэффициент K1 следует принимать равным 1,0. 2 При проектировании конкретного сооружения значение коэффициента K1 допускается уточнять, применяя нелинейные методы расчета с учетом реальной работы материала элементов конструкции. |
|
5.11 При расчете зданий и сооружений следует использовать пространственную РДМ.
Пространственная РДМ конструкции - дискретная трехмерная модель со множеством степеней свободы. По направлениям степеней свободы задаются обобщенные координаты, описывающие поступательные и угловые перемещения РДМ и однозначно определяющие ее положение в пространстве (например, как на рисунке 5.1).
Движение РДМ при сейсмическом воздействии описывается относительными обобщенными координатами, то есть заданными в подвижной системе координат (оси 0Х1Х2Х3 на рисунке 5.1). При относительном движении на массы РДМ действуют инерционные сейсмические силы и моменты.
Пространственная РДМ обычно моделируется с применением специализированных расчетных комплексов в виде КЭ-модели. В этом случае обобщенные координаты совпадают с глобальными перемещениями в узлах КЭ-модели. На рисунке 5.1 показан наиболее общий случай задания степеней свободы в узле РДМ в виде трех поступательных и трех угловых перемещений.
При расчете ЛСМ сейсмическую нагрузку определяют для каждой из учитываемых собственных форм колебаний. По значениям сейсмической нагрузки, решая статическую задачу, рассчитывают другие параметры динамической реакции (перемещения, деформации, внутренние силовые факторы, напряжения), которые не зависят от времени.
При динамическом расчете во временной области параметры динамической реакции определяются путем интегрирования дифференциальных уравнений движения и зависят от времени.
Консольную модель (рисунок 5.2) можно рассматривать как вырожденный частный случай пространственной РДМ, удобный для иллюстрации методов динамики сооружений, в том числе ЛСМ. Для проектирования современных зданий и сооружений консольная модель, как правило, не применяется.
5.12 Для зданий и сооружений, указанных в позиции 1, для большепролетных зданий и сооружений, высотных сооружений, указанных в позиции 2 таблицы 5.3, необходимо последовательно выполнять следующие расчеты:
а) проектный расчет с применением ЛСМ для получения данных для проектирования конструкции;
б) проверочный расчет в виде нелинейного динамического расчета во временной области.
Рисунок 5.1 - Пространственная РДМ
Рисунок 5.2 - Консольная РДМ
Расчеты выполняют на один уровень воздействия, принимая коэффициенты ответственности в зависимости от вида расчета и классификации объекта по назначению согласно таблице 5.3.
Для зданий и сооружений, указанных в позициях 2 (за исключением большепролетных зданий и сооружений, высотных сооружений), 3 и 4 таблицы 5.3, допускается проводить только проектный расчет по перечислению а) с применением ЛСМ.
Для зданий и сооружений с включенными в состав РДМ нелинейными элементами (устройствами сейсмической защиты, включающимися и выключающимися связями, частью нелинейного грунтового основания и т.д.) необходимо помимо проектного расчета по перечислению а) провести проверочный расчет по перечислению б) для оценки общей устойчивости здания или сооружения, параметров нелинейной динамической реакции, эффективности устройств сейсмической защиты.
5.13 Целью проектного расчета по перечислению а) 5.12 является уточнение проектных конструктивных форм и сечений несущих конструкций.
При выполнении проектного расчета принимают линейно-упругую модель деформирования несущих конструкций РДМ с учетом поправки на неупругие деформации, определяемые коэффициентом K1 по таблице 5.4, и с учетом коэффициента ответственности K0 по таблице 5.3 в зависимости от назначения здания или сооружения.
Проектный расчет проводят с применением ЛСМ в соответствии с указаниями 5.19 и 5.20. Для зданий и сооружений, перечисленных в позиции 1 таблицы 5.3, для большепролетных зданий и сооружений, высотных сооружений по позиции 2 таблицы 5.3, а также для зданий и сооружений с включенными в состав РДМ нелинейными элементами (устройствами сейсмической защиты, включающимися и выключающимися связями, частью нелинейного грунтового основания и т.д.) диаграмма КД строится по набору акселерограмм, полученных в ходе ДСР (см. 5.7). Диаграмма КД является огибающей графиков коэффициентов динамичности, каждый из которых построен по одной акселерограмме из набора. Для зданий и сооружений, перечисленных в позициях 2 (за исключением большепролетных зданий и сооружений, высотных сооружений), 3 и 4 таблицы 5.3, диаграмма КД приведена в 5.21.
5.14 Целью проверочного расчета по перечислению б) 5.12 является недопущение обрушения здания или сооружения.
Проверочный расчет выполняется в виде нелинейного динамического расчета во временной области на РДМ, полученной в результате проектного расчета по перечислению а) 5.12. При выполнении проверочного расчета принимается упруго-пластическая модель деформирования несущих конструкций РДМ, диаграммы нелинейного деформирования должны соответствовать требованиям нормативных документов. При расчете гибких, податливых, большепролетных конструкций расчет проводится с учетом геометрической нелинейности; при наличии в РДМ односторонних связей - с учетом конструктивной нелинейности.
Нагрузки задаются во временной области в виде набора трехмерных акселерограмм, полученных в результате ДСР (см. 5.7).
Коэффициент K1 не учитывают. Коэффициент ответственности K0 принимают по таблице 5.3 для проверочного расчета.
5.15 Параметр затухания ξ (при отсутствии других научно или экспериментально обоснованных значений) следует принимать в долях от критического не более чем: 0,025 - для стальных сооружений и стальных элементов сооружений; 0,05 - для бетонных и железобетонных сооружений и бетонных и железобетонных элементов сооружений; 0,15 - для сооружений из грунтовых материалов; 0,08 - для скальных пород оснований; 0,12 - для полускальных и нескальных грунтов оснований.
5.16 Расчет зданий и сооружений с учетом сейсмического воздействия, как правило, выполняют по предельным состояниям первой группы. В случаях, обоснованных технологическими требованиями, допускается выполнять расчет по предельным состояниям второй группы.
5.17 Сейсмические воздействия могут иметь любое направление в пространстве.
При расчете зданий и сооружений ЛСМ следует учитывать наиболее опасные направления сейсмических воздействий для каждой из учитываемых собственных форм колебаний.
Для зданий и сооружений простой геометрической формы с первой и второй формами собственных колебаний в направлении их продольной и поперечной осей при малых значениях перемещений в вертикальном направлении опасными являются горизонтальные направления сейсмических воздействий по этим же осям зданий.
При расчете по акселерограммам во временной области согласно 5.14 направления сейсмического воздействия носят случайный характер и определяются аналоговыми или синтезированными акселерограммами, характеризующими расчетное сейсмическое воздействие.
5.18 Вертикальное направление сейсмического воздействия совместно с горизонтальными направлениями обязательно определяет опасное направление при расчете:
- горизонтальных и наклонных консольных конструкций;
- большепролетных рам, арок, ферм, пространственных покрытий.
5.19 Расчетная сейсмическая нагрузка для здания и сооружения определяется по формулам:
|
SIjik = K0K1SI0jik, |
|
|
MIjik = K0K1MI0jik, |
где SIjik - расчетное значение сейсмической силы;
K0 - коэффициент надежности по ответственности рассчитываемого здания и сооружения, определяемый по таблице 5.3;
K1 - коэффициент, учитывающий способность зданий и сооружений к неупругому деформированию, принимается по таблице 5.4;
SI0jik - значение сейсмической силы для i-й формы собственных колебаний здания в k-м узле (k = 1, ..., п) РДМ (см. рисунок 5.1) в направлении j-й оси (j = 1, 2, 3) при I-й ориентации воздействия;
MIjik - расчетное значение сейсмического момента;
MI0jik - значение сейсмического момента для i-й формы собственных колебаний здания в k-м узле (k = 1, ..., п) РДМ (см. рисунок 5.1) (при шести степенях свободы узлов) относительно j-й оси (j = 1, 2, 3) при I-й ориентации воздействия, определяемого в предположении упругого деформирования конструкций.
Для консольной модели SIjik (SI0jik) - поэтажные сейсмические силы, где k = 1, ..., п, п - число уровней (этажей) РДМ (см. рисунок 5.2). При консольной РДМ рассматриваются колебания в плоскости, и поэтажные сейсмические силы определяются в направлении горизонтальной оси, по которой задается воздействие. Индексы направления оси для определения силы - j и направления воздействия - I совпадают, поэтому SIjik = Sik и SI0jik = S0ik.
5.20 Сейсмическая нагрузка для здания и сооружения при диагональной (несогласованной) матрице масс, сосредоточенных в узлах РДМ (см. рисунок 5.1), и при упругом деформировании конструкций определяется по формулам:
|
SI0jik = QkAβiKψηIjik, |
|
|
|
где g - ускорение силы тяжести;
Qk = gmk - вес k-го узла РДМ, mk - его масса;
Θjk - момент инерции массы k-го узла РДМ относительно j-й оси (j = 1, 2, 3);
А - коэффициент, значения которого следует принимать равными 1, 2 и 4 м/с2 для расчетной сейсмичности 7, 8 и 9 баллов соответственно;
βi - КД для i-й формы собственных колебаний здания и сооружения; значения КД следует принимать не меньше, чем по 5.21;
Kψ - коэффициент, учитывающий способность зданий и сооружений к рассеиванию энергии, принимаемый по таблице 5.5;
ηIjik
и
- коэффициенты пространственных форм
колебаний, учитывающие приведение сейсмического воздействия с I-й ориентацией
к k-му узлу РДМ для i-й формы собственных
колебаний здания и сооружения в направлении и относительно j-й оси (j = 1, 2, 3).
Примечание - Формулы (5.1), (5.2) и (5.3), (5.4) верны только для несогласованной диагональной матрицы масс РДМ. В большинстве вычислительных комплексов применяют более общие выражения в векторно-матричной форме.
5.21 При отсутствии данных ДСР площадки строительства для зданий и сооружений, указанных в позициях 2 (за исключением большепролетных зданий и сооружений, высотных сооружений), 3 и 4 таблицы 5.3, на стадии проектирования по 5.13 допускается определять значения коэффициента динамичности βi в зависимости от расчетного периода собственных колебаний Ti здания для i-й формы по формулам (5.5) и (5.6) или по рисунку 5.3.
Для грунтов категорий I и II по сейсмическим свойствам (см. рисунок 5.3) при:
|
Ti ≤ 0,1 c |
βi = 1 + 15Ti, |
|
|
0,1 c < Ti < 0,4 c |
βi = 2,5, |
(5.5) |
|
Ti ≥ 0,4 c |
|
|
Рисунок 5.3 - Коэффициенты динамичности
Для грунтов категории III по сейсмическим свойствам (см. рисунок 5.3) при:
|
Ti ≤ 0,1 c |
βi = 1 + 15Ti, |
|
|
0,1 c < Ti < 0,8 c |
βi = 2,5, |
(5.6) |
|
Ti ≥ 0,8 c |
|
|
5.22 Для зданий и сооружений, рассчитываемых по пространственной РДМ по рисунку 5.1 с шестью степенями свободы в узлах, коэффициенты форм колебаний определяются по следующим формулам:
|
ηIjik = xjikηIi, |
|
|
|
где xjik и αjik - перемещения и углы поворота k-го узла РДМ по i-й форме собственных колебаний в направлении и относительно j-й оси (j = 1, 2, 3);
ηIi - коэффициенты приведения сейсмического воздействия с I-й ориентацией к i-й форме собственных колебаний РДМ.
5.23 Для зданий и сооружений, рассчитываемых по пространственной РДМ с шестью степенями свободы в узлах (при несогласованной диагональной матрице масс), при учете только поступательного движения массива грунтового основания для высоких скоростей распространения сейсмических волн (при Vs ≥ 400 м/с), коэффициенты приведения воздействия к i-й форме колебаний с I-й ориентацией следует определять по формуле
|
|
(5.9) |
где
(j = 1, 2, 3) - направляющие косинусы I-й
ориентации вектора ускорения поступательного движения грунтового основания
, удовлетворяющие условию
|
|
(5.10) |
При трех степенях свободы в узлах при Θjр = 0 (5.9) имеет вид
|
|
(5.11) |
Примечания
1 Для зданий и сооружений, указанных в позиции 1 таблицы 5.3, для большепролетных зданий и сооружений, высотных сооружений, указанных в позиции 2 таблицы 5.3, при значениях фазовых скоростей распространения сейсмических волн Vs < 400 м/с необходимо учитывать волновой характер сейсмического воздействия.
2 При сейсмичности площадки 8 баллов и более, повышенной только в связи с наличием грунтов категории III, значения сейсмической нагрузки (5.1), (5.2) умножают на коэффициент 0,7, учитывающий нелинейное деформирование грунтов основания при сейсмических воздействиях.
5.24 Значения направляющих косинусов
, определяющие наиболее опасные
ориентации сейсмического воздействия (см. 5.23),
для рассчитываемого здания или сооружения вычисляются исходя из реализации
максимумов коэффициентов приведения (5.9)
или (5.11) с учетом условия (5.10).
5.25 Для каждой учитываемой i-й
формы собственных колебаний РДМ определяется своя опасная ориентация
воздействия с направляющими косинусами
, при которой реализуются максимумы
всех параметров динамической реакции (силы и моменты, перемещения и углы
поворотов и др.) по этой форме колебаний. Для других форм колебаний ориентация
воздействия с направляющими косинусами
не приводит к максимумам параметров
динамической реакции. Динамическая реакция по этим формам колебаний тем больше,
чем ближе по пространственному характеру они совпадают с i-й формой.
5.26 Для
зданий, рассчитываемых по консольной РДМ (см. рисунок 5.2), коэффициенты форм колебаний при поступательном
сейсмическом воздействии по одной горизонтальной оси без учета моментов инерции
масс уровней (этажей) следует определять как частный случай формул (5.7), (5.9)
при j = I = 1,
= 1 и Θjр = 0 в виде
|
|
(5.12) |
где xik и xip - перемещения k-го и р-го уровней РДМ (этажей здания) по i-й форме собственных колебаний.
Таблица 5.5 - Коэффициент, учитывающий способность зданий и сооружений к рассеиванию энергии
|
Характеристика зданий и сооружений |
Kψ |
|
1 Высокие сооружения небольших размеров в плане (башни, мачты, дымовые трубы, отдельно стоящие шахты лифтов и т.п.) и протяженные сооружения с точечным опиранием на основание (металлические мосты, надземные трубопроводы, акведуки, ЛЭП и т.п.) |
1,5 |
|
2 Каркасные бессвязевые здания, стеновое заполнение которых не оказывает влияния на их деформируемость |
1,3 |
|
3 Подземные сооружения |
0,7 |
|
4 Здания и сооружения, не указанные в позициях 1 - 3 настоящей таблицы, кроме ГТС |
1 |
5.27 Результирующие значения параметров динамической реакции РДМ следует определять с учетом тех форм собственных колебаний, которые вносят максимальный вклад в динамическую реакцию РДМ. Должны быть учтены все формы собственных колебаний, для которых эффективная модальная масса превышает 5 %. Минимальное число учитываемых в расчете форм собственных колебаний рекомендуется назначать так, чтобы сумма эффективных модальных масс составляла не менее 90 % общей массы системы. В случае невозможности выполнения этого условия вклад отброшенных форм колебаний в динамическую реакцию РДМ можно учитывать приближенным способом.
5.28 При использовании ЛСМ результирующие значения параметров динамической реакции РДМ (внутренних усилий, перемещений, напряжений и др.) R следует определять по формуле
|
|
где Ri и Rj - значения параметра динамической реакции, определенные по i-й и j-й формам собственных колебаний РДМ;
N - число учитываемых в расчете форм колебаний;
ρij - коэффициенты корреляции, определяемые по формуле
|
|
здесь
- отношение периодов собственных
колебаний по i-й и j-й
формам;
ξ - коэффициент затухания в долях от критического (см. 5.15).
Коэффициенты корреляции допускается рассчитывать по иным научно обоснованным формулам.
Если периоды собственных колебаний РДМ по i-й и j-й формам (i ≠ j) отличаются более чем на 10 %, результирующие значения параметров динамической реакции допускается определять по формуле
|
|
где Ri - значение параметра динамической реакции по i-й форме собственных колебаний;
N - число учитываемых в расчете форм колебаний.
Знак результирующего параметра R назначается в зависимости от вклада положительных и отрицательных Ri в формулы (5.13), (5.14). Для определения знака проводят расчет величины результирующих параметров R+ только для положительных Ri и Rˉ только для отрицательных Ri. Если Rˉ превышает R+, то знак результирующего параметра R принимается отрицательным, в противном случае - положительным.
5.29 Консольные конструкции, масса которых по сравнению с массой здания незначительна (балконы, козырьки, консоли для навесных стен и их крепления), допускается рассчитывать на вертикальную сейсмическую нагрузку при значении βη = 5.
5.30 Конструкции, возвышающиеся над зданием или сооружением и имеющие по сравнению с ним незначительные сечения и массу (парапеты, фронтоны и т.п.), а также крепления памятников, тяжелого оборудования, устанавливаемого на первом этаже, следует рассчитывать с учетом горизонтальной сейсмической нагрузки, вычисленной при значении βη = 5.
5.31 Стены, панели, перегородки, соединения между отдельными конструкциями, а также крепления технологического оборудования следует рассчитывать на горизонтальную сейсмическую нагрузку без учета динамических эффектов, но с учетом фактических коэффициентов динамичности для несущих конструкций, значения которых должны приниматься не менее 2.
5.32 При расчете конструкций на прочность и устойчивость помимо коэффициентов условий работы, принимаемых в соответствии с другими действующими нормативными документами, следует вводить дополнительно коэффициенты условий работы, определяемые по таблицам 5.6 - 5.8. На эти коэффициенты умножают расчетное сопротивление соответствующего материала конструкций.
Таблица 5.6 - Коэффициент условий работы конструкций mtr
|
Характеристика конструкций |
Значения mtr |
|
При расчете на прочность: |
|
|
1 Стальные, деревянные, железобетонные с жесткой арматурой |
1,3 |
|
2 Каменные, армокаменные и бетонные при расчете: |
|
|
- на внецентренное сжатие |
1,0 |
|
- на сдвиг и растяжение |
0,8 |
|
3 Сварные соединения |
1,0 |
|
4 Болтовые соединения |
1,1 |
|
5 Железобетонные со стержневой и в мотках арматурой, кроме проверки на прочность наклонных сечений |
|
|
6 Железобетонные при проверке на прочность наклонных сечений |
1,0 |
|
При расчетах на устойчивость: |
|
|
1 Стальные элементы с гибкостью свыше 100 |
1,0 |
|
2 Стальные элементы с гибкостью до 20 |
1,2 |
|
3 Стальные элементы гибкостью от 20 до 100 |
От 1,2 до 1,0 по интерполяции |
|
Примечание - При расчете стальных и железобетонных конструкций, подлежащих эксплуатации в неотапливаемых помещениях или на открытом воздухе при расчетной температуре ниже минус 40 °С, следует принимать mtr = 0,9, в случае проверки прочности наклонных сечений mtr = 0,8. |
|
Таблица 5.7 - Коэффициент условий работы бетона mbtr
|
Вид бетона |
Значения коэффициента условий работы mbtr при классе бетона по прочности на сжатие |
|||
|
В75 |
В15 |
В30 |
В45 |
|
|
1 Тяжелый, без рабочей арматуры в сжатых и сжатой зоне сжато-растянутых элементах |
- |
1,2 |
1,1 |
1,0 |
|
Тяжелый, с рабочей арматурой класса: |
|
|
|
|
|
А400 |
- |
1,1 |
1,0 |
1,0 |
|
А500 (А500С, А500СП, Ав500П), А600, А800 |
- |
1,2 |
1,1 |
1,0 |
|
2 Легкий |
1,0 |
1,0 |
1,0 |
- |
|
3 Ячеистый |
1,0 |
0,9 |
- |
- |
Таблица 5.8 - Коэффициент условий работы арматуры при растяжении mstr и при сжатии msctr
|
Усилия |
Коэффициент условий работы |
Классы арматуры |
||||
|
А400 |
А500, (А500С, А500СП, Ав500П) |
А600 |
А800 А1000 |
В500 |
||
|
Растяжение |
mstr |
1,16 |
1,1 |
1,05 |
1,0 |
1,0 |
|
Сжатие |
msctr |
1,1 |
1,1 |
1,0 |
1,0 |
1,0 |
5.33 Дополнительные коэффициенты условий работы для стальных и железобетонных конструкций следует принимать согласно приложению Б СП 296.1325800.2017, дополнительные коэффициенты условий работы для большепролетных сооружений - согласно приложению В СП 296.1325800.2017.
6.1.1 Требования раздела 6 должны выполняться независимо от результатов расчета в соответствии с разделом 5.
Требования раздела 6 следует применять в зависимости от расчетной сейсмичности, выраженной в целочисленных баллах сейсмической шкалы интенсивности MSK-64.
(Измененная редакция. Изм. № 1)
6.1.2 (Исключен. Изм. № 1)
6.1.2а Конструктивные и объемно-планировочные решения зданий должны соответствовать следующим требованиям.
Все вертикальные несущие конструкции, воспринимающие горизонтальные нагрузки, такие как ядра жесткости стены-диафрагмы и (или) колонны, должны проектироваться непрерывными от фундамента до верха здания или до верха соответствующего уступа, если на разных отметках по высоте присутствуют уступы.
Горизонтальные жесткости и массы отдельных этажей должны оставаться постоянными или постепенно уменьшаться без резких изменений от основания к верху здания.
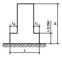
Конфигурации зданий в плане (в том числе размеры выступающих и западающих в плане участков) должны соответствовать соотношениям, указанным в таблице 6.1в и на рисунке 6.1.
В рамных каркасах с каменным заполнением следует по возможности избегать нерегулярности, асимметрии или неравномерности в расположении заполнений в плане.
(Введен дополнительно. Изм. № 1)
6.1.2б Высота (этажность) зданий не должна превышать параметров, указанных в таблице 6.1а.
Таблица 6.1а - Предельные высоты (этажность) зданий в зависимости от конструктивного решения
|
Несущие конструкции здания |
Высота, м (число этажей), при расчетной сейсмичности площадки, баллы |
||
|
7 |
8 |
9 |
|
|
1 Стальные каркасы |
Не более 200 м |
||
|
2 Железобетонные каркасы: |
|||
|
а) рамно-связевые и связевые (с железобетонными диафрагмами, ядрами жесткости или стальными связями) |
57 (16) |
43 (12) |
34 (9) |
|
б) рамные (с заполнением из штучной кладки, воспринимающей горизонтальные нагрузки, в том числе каркасно-каменной конструкции) |
34 (9) |
24 (7) |
18(5) |
|
в) рамные (без заполнения и с заполнением, отделенным от каркаса) |
24 (7) |
18 (5) |
11 (3) |
|
г) безригельные (с железобетонными диафрагмами, ядрами жесткости или стальными связями) |
57 (16) |
43 (12) |
34 (9) |
|
д) безригельные (без диафрагм и ядер жесткости) |
14 (4) |
11 (3) |
8 (2) |
|
3 Железобетонные стены: |
|||
|
а) монолитные |
75 (24) |
70 (20) |
57 (16) |
|
б) крупнопанельные |
63 (18) |
57 (16) |
43 (12) |
|
в) объемно-блочные и панельно-блочные |
50 (16) |
43 (14) |
38 (12) |
|
4 Стены из крупных бетонных или виброкирпичных блоков |
29 (9) |
23 (7) |
17 (5) |
|
5 Стены комплексной конструкции из керамических кирпичей и камней, бетонных блоков, природных камней правильной формы и мелких блоков, усиленные монолитными железобетонными включениями: |
|||
|
а) 1-й категории |
20 (6) |
17 (5) |
14 (4) |
|
б) 2-й категории |
17 (5) |
14 (4) |
11 (3) |
|
6 Стены из керамических кирпичей и камней, бетонных блоков, природных камней правильной формы и мелких блоков, кроме указанных в позиции 5: |
|||
|
а) 1-й категории |
17 (5) |
15 (4) |
12 (3) |
|
б) 2-й категории |
14 (4) |
11 (3) |
8 (2) |
|
7 Стены из мелких ячеистых и легкобетонных блоков |
8 (2) |
8 (2) |
4 (1) |
|
8 Деревянные бревенчатые, брусчатые и щитовые стены; деревянные рамные каркасы |
15 (4) |
13 (3) |
8 (2) |
|
Примечания 1 За предельную высоту здания принимается разность отметок среднего уровня спланированной поверхности земли, примыкающей к зданию, и верха наружных стен (без учета верхних технических и мансардных этажей) или низа стропильных конструкций. Подвальный этаж включают в число этажей в случае, если верх его перекрытия находится выше средней планировочной отметки земли не менее чем на 2 м. 2 В случаях, когда подземная часть здания конструктивно отделена от грунтовой засыпки или конструкций примыкающих участков подземной застройки, подземные этажи включают в этажность и предельную высоту здания. 3 Верхний этаж с массой покрытия менее 50 % средней массы перекрытий здания в этажность и предельную высоту, определяемые по настоящей таблице, не включают. 4 На строительных площадках с расчетной сейсмичностью 8 и более баллов высота зданий общеобразовательных организаций, медицинских организаций и дошкольных образовательных организаций (детских садов и яслей) ограничивается тремя этажами. 5 При разработке проектной документации в качестве обоснования предельной высоты (этажности) для конкретных конструктивных решений и типов зданий, указанных в позициях 3, 8 настоящей таблицы, должны быть приведены результаты расчетов с учетом фактической работы конструкций и стыков их соединений, результаты статических стыков и динамических испытаний натурных объектов (фрагментов). 6 В случае если по функциональным требованиям возникает необходимость повышения высоты (этажности) проектируемого здания сверх указанной в настоящей таблице нормы, следует применять дополнительные конструктивные мероприятия, компенсирующие отклонения от установленных в настоящей таблице требований. |
|||
При различных конструктивно-планировочных решениях разных этажей здания следует применять меньшее из приведенных в таблице 6.1а значений параметров для соответствующих несущих конструкций.
Максимальные значения отношения высоты здания или сооружения к ширине не должны превышать значений, приведенных в таблице 6.1б.
Таблица 6.1б - Максимальные значения отношения высоты здания к ширине
|
Конструктивные системы |
Расчетная сейсмичность площадки, баллы |
||
|
7 |
8 |
9 |
|
|
1 Каркас (с заполнением из штучной кладки, воспринимающей горизонтальные нагрузки, в том числе каркасно-каменной конструкции) |
4 |
3 |
2 |
|
2 Каркас рамно-связевой с железобетонными диафрагмами |
5 |
4 |
3 |
|
3 Каркас рамно-связевой с ядрами жесткости или стальными связями |
6 |
5 |
4 |
|
4 Стеновая система |
6 |
5 |
4 |
Предельные соотношения габаритов в плане зданий или отсеков (см. рисунок 6.1) не должны превышать значений, указанных в таблице 6.1в.
Таблица 6.1в - Предельные соотношения габаритов зданий в плане
|
Расчетная сейсмичность площадки, баллы |
Соотношение размеров здания |
||
|
L/B |
l/Втах |
l/b |
|
|
7 |
≤ 6 |
≤ 0,35 |
≤ 2,0 |
|
8, 9 |
≤ 5 |
≤ 0,30 |
≤ 1,5 |
Рисунок 6.1 - Планы зданий
В рамных конструктивных системах с ядром жесткости компоновочные размеры ядра должны удовлетворять следующим требованиям:
- ядро жесткости должно быть непрерывным по высоте и иметь симметричную компоновку в плане;
- отношение длины здания к ширине должно быть не более 2;
- отношение высоты здания (ядра) к ширине здания не более 5;
- соотношение длины и ширины ядра должно быть не более 2;
- отношение высоты здания к ширине ядра должно быть не более 12;
- отношение площади внутреннего ядра (в плане) к площади перекрытия должно быть в диапазоне 15 % - 25%.
В рамных конструктивных системах со стенами-диафрагмами расстояние между ними не должно превышать значений, приведенных в таблице 6.1г.
Таблица 6.1г - Расстояние между стенами-диафрагмами
|
Конструкция перекрытия |
Расчетная сейсмичность площадки, баллы |
||
|
7 |
8 |
9 |
|
|
1 Монолитное |
4В; 50 |
3В; 40 |
2В; 30 |
|
2 Сборное |
3В; 40 |
2,5В; 30 |
- |
|
Примечания 1 В - ширина здания, м. 2 Из приведенных расстояний принимается наименьшее значение. |
|||
Вертикальные несущие конструкции здания, определяющие горизонтальную жесткость конструктивной системы (ядра жесткости, стены-диафрагмы), должны быть непрерывны по высоте от фундаментов до верха сооружения. Здания и сооружения могут иметь горизонтальные уступы, величины которых, в зависимости от конфигурации уступов, не должны превышать пределов, указанных на рисунке 6.2, и при этом должны соблюдаться следующие условия:
- для равномерных уступов, сохраняющих осевую симметрию, уступ на любом этаже должен быть не более чем 20 % от предыдущего размера в плане, в направлении уступа (см. рисунки 6.2, а, и 6.2, б);
- для единичного уступа в пределах 15 % общей высоты основной конструктивной системы уступ должен быть не более чем 50 % предыдущего размера в плане (см. рисунок 6.2, в). В этом случае конструкция базовой зоны в рамках вертикальной проекции периметра верхних этажей должна проектироваться так, чтобы воспринимать не менее 75 % горизонтальных перерезывающих сил, которые будут развиваться в этой зоне в аналогичном здании, но без увеличенной базы;
- если уступы не сохраняют симметрию, то на каждой лицевой (фасадной) стороне сумма уступов на всех этажах не должна быть более 30 % размера в плане нижнего этажа над фундаментом или над верхом жесткого основания, а отдельные уступы не должны быть более 10 % предыдущего размера в плане (см. рисунок 6.2, г).
Размеры зданий в плане или отсеков, разделенных антисейсмическими швами, не должны превышать значений, приведенных в таблице 6.1д.
Рисунок 6.2 - Критерии регулярности зданий с уступами (лист 1)
Рисунок 6.2 - Лист 2
Превышение расстояний между антисейсмическими швами сверх установленных должно быть обосновано расчетами, иными исследованиями, выполненными по апробированным методикам, с учетом волнового характера сейсмического воздействия, неоднородности и неравномерности сейсмического воздействия в плане сооружения.
Таблица 6.1д - Предельные размеры зданий (отсеков) в плане
|
Конструктивная система здания |
Размеры по длине (ширине), м, при расчетной сейсмичности площадки, баллы |
||
|
7 |
8 |
9 |
|
|
1 Стальной каркас |
150 |
150 |
150 |
|
2 Железобетонный каркас |
80 |
80 |
60 |
|
3 Стеновая железобетонная структура |
80 |
80 |
60 |
|
4 Деревянные здания |
40 |
40 |
30 |
(Введен дополнительно. Изм. № 1)
6.1.3 - 6.1.5 (Исключены. Изм. № 1)
6.1.6 Антисейсмические швы следует выполнять путем возведения парных стен или рам либо рам и стен.
Ширину антисейсмического шва следует назначать по результатам расчетов в соответствии с 5.5, при этом ширина шва на каждом рассматриваемом уровне должна быть не менее суммы амплитуд колебаний смежных отсеков здания.
При высоте здания или сооружения до 5 м ширина такого шва должна быть не менее 30 мм. Ширину антисейсмического шва здания или сооружения большей высоты следует увеличивать на 20 мм на каждые 5 м высоты.
6.1.7 Конструкции примыкания отсеков здания или сооружения в зоне антисейсмических швов, в том числе по фасадам и в местах переходов между отсеками, не должны препятствовать их взаимным горизонтальным перемещениям.
6.1.8 Конструкция перехода между отсеками здания может быть выполнена в виде двух консолей из сопрягающихся блоков с устройством расчетного шва между концами консолей или переходов, надежно соединенных с элементами одного из смежных отсеков. Конструкцией их опирания на элементы другого отсека должны быть обеспечено взаимное расчетное смещение элементов и исключена возможность их обрушения и соударения при сейсмическом воздействии.
Переход через антисейсмический шов не должен быть единственным путем эвакуации из зданий или сооружений.
6.2.1 Проектирование фундаментов зданий следует выполнять в соответствии с требованиями нормативных документов на основания и фундаменты зданий и сооружений (СП 22.13330, СП 24.13330, СП 25.13330).
6.2.2 Фундаменты зданий и сооружений или их отсеков, возводимые на нескальных грунтах, должны, как правило, устраиваться на одном уровне.
В случае заложения смежных отсеков зданий на разных отметках переход от более углубленной части к менее углубленной делают уступами; при этом фундаменты примыкающих частей отсеков должны иметь одинаковое заглубление на протяжении не менее 1 м от шва, а отдельные столбчатые фундаменты под колонны, разделенные осадочным швом, должны располагаться на одном уровне. Уступы подошв фундаментов выполняют высотой до 0,6 м и заложением до 1:2 (высота к длине) для связных и до 1:3 для несвязных грунтов в местах переходов от глубоко заложенных фундаментов к фундаментам с меньшей глубиной заложения. Уступы в скальных грунтах допускается не устраивать.
При устройстве подвала под частью здания (отсека) следует стремиться к его симметричному расположению относительно главных осей.
6.2.3 Фундаменты высоких зданий (более 16 этажей) на нескальных грунтах следует выполнять свайными, свайно-плитными или в виде сплошной фундаментной плиты с заглублением подошвы фундаментов относительно отметки отмостки не менее 2,5 м.
Вертикальная арматура стен и элементов каркаса, в которой расчетом на особое сочетание нагрузок допускается растяжение, должна быть надежно заанкерена в фундаменте.
6.2.4 При строительстве в сейсмических районах по верху сборных ленточных фундаментов из бетонных блоков следует укладывать слой цементного раствора марки 100 или мелкозернистого бетона класса В10 толщиной не менее 40 мм и продольную арматуру диаметром 10 мм из трех, четырех и шести стержней при расчетной сейсмичности 7, 8 и 9 баллов соответственно. Через каждые 300 - 400 мм продольные стержни должны быть соединены поперечными стержнями диаметром не ниже 6 мм.
В случае выполнения стен подвалов из сборных панелей, конструктивно связанных с ленточными фундаментами, укладка указанного слоя раствора не требуется.
6.2.5 В фундаментах и стенах подвалов из крупных блоков должна быть обеспечена перевязка кладки в каждом ряду, а также во всех углах и пересечениях на глубину не менее 1/2 высоты блока; фундаментные блоки следует укладывать в виде непрерывной ленты.
Для заполнения швов между блоками следует применять цементный раствор марки не ниже М50.
6.2.6 В зданиях при расчетной сейсмичности 9 баллов должна быть предусмотрена укладка в горизонтальные швы в углах и пересечениях стен подвалов арматурных сеток длиной 2 м с продольной арматурой общей площадью сечения не менее 1 см2.
В зданиях до трех этажей включительно и сооружениях соответствующей высоты при расчетной сейсмичности 7 и 8 баллов допускается применение для кладки стен подвалов блоков пустотностью до 50 %.
(Введен дополнительно. Изм. № 1)
6.2а.1 Здания и сооружения следует разделять антисейсмическими швами на независимые отсеки в следующих случаях:
- здания и сооружения имеют сложную форму в плане;
- смежные участки здания или сооружения имеют перепады, превышающие 5 м;
- отдельные объемы здания в пределах общего плана, не являясь ядрами жесткости, имеют резко отличные (более 30 %) жесткости или массы;
- в одноэтажных зданиях высотой до 10 м при расчетной сейсмичности 7 баллов и менее антисейсмические швы допускается не устраивать с учетом требований по регулярности по высоте и в плане;
- допускается устройство антисейсмических швов между высокой частью и 1 - 2-этажными пристраиваемыми частями зданий путем шарнирного опирания перекрытия пристройки на консольную опору высокой части здания. Глубина опирания должна быть не менее суммы взаимных перемещений и минимальной площади опирания перекрытия, с обязательным устройством аварийных связей;
- для случаев, когда устройство осадочного шва не требуется, допускается не устраивать антисейсмические швы между стилобатом при расчетном обосновании совместности их работы и выполнении соответствующих конструктивных мероприятий;
- не допускается устройство антисейсмических швов внутри помещений, которые предназначены для постоянного проживания.
6.2а.2 Антисейсмические швы должны разделять здание на отсеки по всей высоте.
На площадках строительства с расчетной сейсмичностью 7, 8 баллов и 9 баллов (при грунтах категорий по сейсмическим свойствам I и II) допускается не устраивать швы в фундаментах, за исключением случаев, когда антисейсмический шов совпадает с осадочным. Температурные и осадочные швы следует выполнять как антисейсмические.
6.2а.3 В зданиях высотой более трех этажей эвакуационные пути, как правило, не должны проходить через антисейсмические швы.
В случае необходимости устройства эвакуации через антисейсмический шов необходимо, чтобы такой путь не был единственным путем эвакуации из здания или сооружения.
При устройстве двух и более путей эвакуации допускается, чтобы не более 50 % из них проходило через антисейсмические швы.
6.2а.4 Антисейсмические швы следует выполнять путем возведения парных стен и рам либо рамы и стены:
- ширину антисейсмического шва следует назначать по результатам расчетов, при этом ширина шва на каждом рассматриваемом уровне должна быть не менее суммы амплитуд колебаний смежных отсеков здания, в том числе с учетом неравномерных осадок основания;
- при высоте здания или сооружения до 5 м ширина такого шва должна быть не менее 30 мм. Ширину антисейсмического шва здания большей высоты следует увеличивать на 20 мм на каждые 5 м высоты;
- конструкция примыкания отсеков здания или сооружения в зоне антисейсмических швов, в том числе по фасадам и в местах переходов между отсеками, не должна препятствовать их взаимным горизонтальным перемещениям.
6.2а.5 Конструкция перехода между отсеками здания может быть выполнена в виде двух консолей из сопрягающихся блоков с устройством расчетного шва между концами консолей или переходов, надежно соединенных с элементами одного из смежных отсеков. Конструкцией их опирания на элементы другого отсека должны быть обеспечено взаимное расчетное смещение элементов и исключена возможность их обрушения и соударения при сейсмических воздействиях.
(Введен дополнительно. Изм. № 1)
6.2б.1 При расчете зданий и сооружений на сейсмические воздействия (при использовании модели с жестким защемлением в основании) значения периодов свободных колебаний должны находиться в диапазонах, приведенных в таблице 6.1е.
6.2б.2 При отклонениях расчетных периодов колебаний от приведенных в таблице 6.1е значений необходимо изменить исходные параметры расчетной модели: жесткостных характеристик вертикальных несущих конструкций (компоновку, количество, сечения).
Таблица 6.1е - Средние периоды собственных колебаний зданий по первой форме
|
Конструктивная система |
Периоды, с |
|
1 Каркасная |
Т1 = (0,12 ~ 0,15)·п |
|
2 Каркасная с диафрагмами |
Т1 = (0,08 ~ 0,12)·п |
|
3 Стеновая система |
Т1 = (0,04 ~ 0,08)·п |
|
4 Ствольная с внутренним ядром |
Т1 = (0,06 ~ 0,10)·п |
|
|
Т2 = (0,20 ~ 0,33)·Т1 |
|
|
Т3 = (0,14 ~ 0,20)·Т1 |
|
Примечания 1 Указанные периоды предназначены для оценки рациональности выбранного рабочего варианта конструктивного решения. 2 Диапазоны периодов колебаний применимы для зданий высотой до 100 м. 3 п - этажность здания. 4 Значения периодов Т1 приведены для зданий с регулярным расположением масс и жесткостей при числе этажей п. |
|
6.2б.3 В конструкциях с равномерно изменяющимися по вертикали жесткостями и массами расчетные значения внутренних сил, перемещений и форм свободных колебаний должны изменяться равномерно сверху вниз и иметь эпюры в виде плавных лекальных кривых без значительных скачков.
6.2б.4 Для снижения отрицательного влияния крутильных колебаний и эффективного повышения сейсмостойкости здания рекомендуется:
а) ограничить отношение первого периода собственных колебаний Tt при кручении к первому периоду собственных колебаний Т1 при поступательном движении:
|
|
(6.1а) |
б) обеспечить преобладание первых двух периодов собственных колебаний Т1 и Т2 над первым периодом собственных колебаний при кручении Tt;
в) отношение
максимального горизонтального перемещения угловой точки перекрытия Umах к среднему горизонтальному
перемещению
не должно превышать 1,8:
|
|
(6.1б) |
6.2б.5 Перекосы
этажей (отношение разности горизонтальных перемещений верха и низа k-го этажа к его высоте)
следует ограничивать согласно
требованиям, указанным в таблице 6.1ж.
Таблица 6.1ж - Предельные значения перекосов этажа
|
Конструктивная система здания |
Предельные значения перекосов этажа Δk |
|
1 Здания со стальным каркасом |
1/150 |
|
2 Здания с железобетонным каркасом |
1/150 |
|
3 Здания с железобетонным каркасом с диафрагмами или ядрами жесткости |
1/250 |
|
4 Здания со стенами из монолитного железобетона, крупнопанельные и крупноблочные здания |
1/350 |
|
5 Здания со стенами из каменной или кирпичной кладки |
1/400 |
|
Примечание - Если величина перекосов одного или нескольких этажей здания не отвечает требованиям 6.2б.5, то горизонтальные жесткости этих этажей должны быть увеличены. |
|
6.2б.6 В целях повышения способности к пластическому деформированию железобетонных колонн каркасных систем зданий отношение расчетной продольной силы к несущей способности бетонного сечения колонны N/(Rb·A) не должно превышать значений, указанных в таблице 6.1и.
Таблица 6.1и - Коэффициенты ограничения нормальных сжимающих напряжений в сечениях колонн
|
Конструктивная система здания |
Сейсмичность площадки, баллы |
||
|
7 |
8 |
9 |
|
|
1 Каркасная |
0,85 |
0,75 |
0,65 |
|
2 Каркасная с диафрагмами жесткости; каркасная с ядрами жесткости |
0,90 |
0,80 |
0,70 |
|
Примечания 1 Коэффициенты, приведенные в настоящей таблице, применяются для колонн из бетона класса по прочности на сжатие не более В60. 2 Значения расчетной продольной силы принимают с учетом сейсмического воздействия. 3 Максимальное значение коэффициента ограничения нормальных сжимающих напряжений не должно превышать 1,05. |
|||
6.2б.7 В целях повышения способности к пластическому деформированию железобетонных несущих стен, диафрагм и ядер жесткости зданий отношение расчетной продольной силы к несущей способности бетонного сечения стены N/(Rb·A) не должно превышать значений, указанных в таблице 6.1к.
Таблица 6.1к - Коэффициенты ограничения нормальных сжимающих напряжений в сечениях стен
|
Конструкции стен |
Сейсмичность площадки, баллы |
||
|
7 |
8 |
9 |
|
|
1 Стены с полкой или с торцевой колонной |
0,70 |
0,60 |
0,50 |
|
2 Стены без полки или без торцевой колонны |
0,60 |
0,50 |
0,40 |
|
3 Ветвь стены прямоугольного сечения |
0,60 |
0,50 |
0,40 |
|
Примечания 1 Значение расчетной продольной силы в ветви стены принимается от действия гравитационных нагрузок. 2 Коэффициенты, приведенные в настоящей таблице, применяются для стен из бетона класса по прочности на сжатие не более В60. |
|||
6.3.1 Железобетонные перекрытия и (или) покрытия следует выполнять как жесткие горизонтальные диски, соединенными с вертикальными конструкциями здания и обеспечивающими их совместную работу при сейсмических воздействиях.
Поэтажная масса должна быть приложена к каждому соответствующему уровню перекрытия.
6.3.2 Жесткость сборных железобетонных перекрытий и покрытий следует обеспечивать:
- устройством сварных соединений плит между собой, элементами каркаса или стенами;
- устройством болтовых соединений (с применением накладных деталей);
- соединением плит путем устройства замоноличиваемых шпонок с арматурной скобой, соединяющей петлевые арматурные выпуски из плит перекрытия;
- устройством монолитных железобетонных обвязок (антисейсмических поясов) с анкеровкой в них выпусков арматуры из плит;
- замоноличиванием швов между элементами перекрытий мелкозернистым бетоном.
6.3.3 Конструкция и число соединений элементов перекрытий должны быть рассчитаны на восприятие усилий растяжения и сдвига, возникающих в швах между плитами, а также в элементах каркаса или стенах.
Боковые грани панелей (плит) перекрытий и покрытий должны иметь шпоночную или рифленую поверхность. Для соединения с антисейсмическим поясом или для связи с элементами каркаса в панелях (плитах) следует предусматривать выпуски арматуры или закладные детали.
6.3.4 Длину участка опирания сборных плит перекрытий и покрытий на несущие конструкции принимают, мм, не менее:
|
- для кирпичных и каменных стен |
120; |
|
- для стен из вибрированных кирпичных блоков |
90; |
|
- для железобетонных и бетонных стен, стальных и железобетонных балок (ригелей): |
|
|
- при опирании по двум сторонам |
80; |
|
- при опирании по трем и четырем сторонам |
60; |
|
- для стен крупнопанельных зданий при опирании по двум противоположным сторонам |
70. |
6.3.5 Длина опирания деревянных, металлических и железобетонных балок на стены из штучных материалов и бетона должна быть не менее 200 мм. Опорные части балок должны быть надежно закреплены в несущих конструкциях здания.
Перекрытия в виде прогонов (балок с вкладышами между ними) должны быть усилены с помощью слоя монолитного армированного бетона класса не ниже В15 толщиной не менее 40 мм.
6.3.6 В зданиях до двух этажей включительно для площадок с сейсмичностью 7 баллов и одноэтажных зданиях для площадок сейсмичностью 8 баллов при расстояниях между стенами не более 6 м в обоих направлениях допускается устройство деревянных перекрытий (покрытий). Балки перекрытий (покрытий) следует конструктивно связывать с антисейсмическим поясом и устраивать по ним сплошной дощатый диагональный настил.
6.4.1 Лестничные клетки следует выполнять закрытыми с естественным освещением через окна в наружных стенах на каждом этаже. Расположение и число лестничных клеток - не менее одной между антисейсмическими швами в зданиях высотой более трех этажей.
Устройство лестничных клеток в виде отдельно стоящих сооружений не допускается.
6.4.2 Лестничные клетки и лифтовые шахты каркасных зданий с заполнением, не участвующим в работе, следует устраивать в виде ядер жесткости, воспринимающих сейсмическую нагрузку, или в виде встроенных конструкций с поэтажной разрезкой, не влияющих на жесткость каркаса, а для зданий высотой до пяти этажей при расчетной сейсмичности 7 и 8 баллов их допускается устраивать в пределах плана здания в виде конструкций, отделенных от каркаса здания.
Конструкции сборных лестничных маршей и узлов их креплений к несущим элементам зданий, как правило, не должны препятствовать взаимным горизонтальным смещениям смежных перекрытий. При этом лестничные марши должны быть надежно закреплены с одного конца, а конструкция опирания другого конца должна обеспечивать свободное смещение марша относительно опоры, не допуская его обрушения.
Допускается применять конструкции лестничных маршей, связанные с перекрытиями по обоим концам, при этом несущая способность лестничных маршей и узлов их креплений должна быть рассчитана на восприятие нагрузок, возникающих при взаимном смещении перекрытий.
6.4.3 Лестницы следует выполнять из монолитного железобетона, крупных сборных железобетонных элементов, соединяемых между собой с помощью сварки. Допускается устройство лестниц с применением металлических или железобетонных косоуров с наборными ступенями при условии соединения с помощью сварки или на болтах косоуров с площадками и ступеней с косоурами и деревянных лестниц в деревянных зданиях.
6.4.4 Междуэтажные лестничные площадки следует заделывать в стены. В каменных зданиях площадки следует заделывать на глубину не менее 250 мм и заанкеривать. Лестничные площадки, располагаемые в уровне междуэтажных перекрытий, должны надежно связываться с антисейсмическими поясами или непосредственно с перекрытиями.
Устройство консольных ступеней, заделанных в каменную кладку, не допускается.
6.4.5 Конструкции лестничных клеток и узлы крепления должны обеспечивать условия безопасного использования лестниц при эвакуации в режиме чрезвычайных ситуаций.
6.5.1 Перегородки следует выполнять ненесущими. Перегородки следует соединять с колоннами, несущими стенами или перекрытиями. При длине перегородки более 3,0 м крепление к перекрытию является обязательным. Допускается выполнять перегородки из штучной кладки в соответствии с требованиями 6.5.5 и 6.14.
6.5.2 Конструкция крепления перегородок к несущим элементам здания и узлов их примыкания должна исключать возможность передачи на них горизонтальных нагрузок, действующих в их плоскости. Крепления, обеспечивающие устойчивость перегородок из плоскости, должны быть жесткими.
Прочность перегородок и их креплений должна быть в соответствии с 5.5 подтверждена расчетом на действие расчетных сейсмических нагрузок из плоскости.
6.5.3 Для обеспечения независимого деформирования перегородок следует предусматривать антисейсмические швы между вертикальными торцевыми и верхней горизонтальной гранями перегородок и несущими конструкциями здания. Ширину швов принимают по максимальному значению перекоса этажей здания при действии расчетных нагрузок с учетом прогиба перекрытия в эксплуатационной стадии, но не менее 20 мм. Швы заполняют упругим эластичным материалом.
6.5.4 Крепление перегородок к несущим железобетоиным конструкциям следует выполнять соединительными элементами, приваренными к закладным изделиям или накладным элементам, а также анкерными болтами или стержнями.
Крепление перегородок к несущим элементам пристрелкой дюбелями не допускается.
6.5.5 Перегородки из кирпича или камня при их применении на площадках сейсмичностью 7 баллов следует горизонтально армировать на всю длину не реже чем через 700 мм по высоте арматурными стержнями общим сечением в шве не менее 0,2 см2.
Кирпичную (каменную) кладку перегородок на площадках сейсмичностью 8 и 9 баллов в дополнение к горизонтальному армированию следует усиливать вертикальными двухсторонними арматурными сетками, установленными в слоях цементного раствора марки не ниже М100 толщиной 25 - 30 мм. Арматурные сетки должны иметь надежное соединение с кладкой.
6.5.6 Дверные проемы в кирпичных (каменных) перегородках на площадках сейсмичностью 8 и 9 баллов должны иметь железобетонное или металлическое обрамление.
6.6.1 В зданиях, приведенных в позициях 6 - 9 таблицы 6.1, в районах сейсмичностью до 8 баллов включительно допускается устройство эркеров с усилением образованных в стенах проемов железобетонными рамами и установкой металлических связей стен эркеров с основными стенами.
6.6.2 Устройство встроенных лоджий допускается с установкой жесткого решетчатого или рамного ограждения в плоскости наружных стен. Устройство пристроенных лоджий допускается с установкой металлических связей с несущими стенами, сечение которых определяется по расчету, но не менее 1 см2 на 1 м.
6.6.3 Конструкции балконов в зданиях, приведенных в позициях 2, 4 таблицы 6.1, и их соединения с перекрытиями должны быть рассчитаны как консольные балки или плиты.
6.6.4 Вынос стен лоджий и эркеров, заделанных в каменные стены, не должен превышать 1,5 м. Вынос плит балконов, лоджий, эркеров, заделанных в каменные стены, не являющихся продолжением перекрытий, не должен превышать 1,5 м.
6.6.5 Конструкции перекрытий лоджий и эркеров в зданиях, приведенных в позициях 2, 4 таблицы 6.1, должны быть связаны с закладными деталями стеновых элементов или антисейсмическими поясами, устроенными в стенах лоджий и эркеров и связанными с антисейсмическими поясами примыкающих стен или непосредственно с внутренними перекрытиями.
6.7.1 Проектирование элементов железобетонных конструкций следует выполнять в соответствии с требованиями СП 63.13330 и с учетом дополнительных требований настоящего свода правил.
6.7.2 При расчете на прочность нормальных сечений изгибаемых и внецентренно сжатых элементов значения граничной относительной высоты сжатой зоны бетона ξR следует принимать по действующим нормативным документам на бетонные и железобетонные конструкции, умноженными на коэффициент, равный при расчетной сейсмичности: 7 баллов - 0,85; 8 баллов - 0,70; 9 баллов - 0,50.
Примечание - При расчете по прочности нормальных сечений на основе нелинейной деформационной модели характеристику ξR не применяют. Ее целесообразно использовать для оценки способности пластической работы сечений путем вычисления по полученному расчетному армированию фактических значений относительной высоты сжатой зоны бетона ξ и проверки выполнения условия ξ ≤ ξR.
(Измененная редакция. Изм. № 1)
6.7.3 В качестве ненапрягаемой рабочей арматуры следует преимущественно использовать свариваемую арматуру класса А500. Из-за повышенных характеристик сцепления с бетоном следует отдавать предпочтение арматуре с периодическим профилем поверхности, имеющим многорядное расположение поперечных ребер классов А500СП и Ав500П. Допускается применение арматуры классов А600, В500 и класса А400 из стали марки 25Г2С.
(Новая редакция. Изм. № 1)
6.7.4 В несущих элементах железобетонных конструкций не допускается применение стыкуемых дуговой сваркой отдельных стержней, сварных сеток и каркасов, а также анкерных стержней закладных деталей из арматурной стали класса А400 марки 35ГС.
6.7.5 В качестве напрягаемой арматуры следует преимущественно использовать стержневую горячекатаную или термомеханически упрочненную арматуру классов А800 и А1000, стабилизированную арматурную проволоку классов Вр1400, В1500 и В1600 и семипроволочные стабилизированные арматурные канаты классов К1500 и К1600.
6.7.6 Не допускается использовать в качестве рабочей арматуры, как напрягаемой, так и без предварительного напряжения, арматурный прокат с σв/σт(0,2) при расчетной сейсмичности 7 баллов ≤ 1,08, 8 и 9 баллов ≤ 1,15, имеющий полное относительное удлинение при максимальном напряжении δmах при расчетной сейсмичности 7 баллов ≤ 2,5 %, 8 баллов ≤ 5 %, 9 баллов ≤ 7 %, а также арматурную проволоку Вр500.
(Новая редакция. Изм. № 1)
6.7.7 При применении арматурного проката класса В500С на площадках с сейсмичностью 8 - 9 баллов удлинение при максимальном напряжении δmax (Agt) должно быть не менее 5,0 % или относительное равномерное удлинение δр не менее 4,5 %, а отношение σв/σ0,2 не менее 1,08.
6.7.8 При сейсмичности 9 баллов не допускается применять арматурные канаты и стержневую арматуру периодического профиля диаметром более 28 мм без специальных анкеров.
6.7.9 В стержневых изгибаемых (балки) и внецентренно сжатых (колонны, пилоны) элементах выделяются в качестве наиболее ответственных критические участки по длине.
Участки балок, отстоящие на расстоянии lcr = hw (hw - высота балки) от концевого поперечного сечения, где балки входят в узел соединения балки с колонной (пилоном), а также с обеих сторон любого поперечного сечения с максимальным изгибающим моментом, должны рассматриваться как критические.
В балках, поддерживающих вертикальные элементы (стены, стойки), участки длиной 2hw с каждой стороны опертого вертикального элемента должны считаться критическими.
Участки, отстоящие на расстоянии lcr от обоих концевых сечений колонн, пилонов, должны рассматриваться как критические.
Длина критических участков этих элементов lcr, м, должна быть:
lcr ≤ (hc или lcl/6, или 0,45 м),
где hc - наибольший размер поперечного сечения колонны или пилона, м;
lcl - длина элемента в свету, м.
Если lcl/hc < 3, вся длина элемента должна рассматриваться как критическая и иметь соответствующее армирование.
6.7.10 В пределах критических участков стержневых изгибаемых (балок) и внецентренно сжатых (колонн, пилонов) элементов не должно быть бессварных и сварных соединений внахлестку.
(Новая редакция. Изм. № 1)
6.7.11 Допускается применение сварных соединений арматуры внахлестку в стенах, плитах перекрытий, фундаментных плитах, а также малоответственных конструкциях. При этом значение длины сварных швов должно быть на 30 % больше значений, требуемых по ГОСТ 14098 для сварного соединения типа С23-Рэ.
6.7.12 Вне критических участков изгибаемых и внецентренно сжатых элементов конструкций, кроме колонн и пилонов, стыкование рабочей арматуры при диаметре стержней до 18 мм включительно допускается осуществлять при расчетной сейсмичности 7 и 8 баллов внахлестку без сварки. При расчетной сейсмичности 9 баллов допускается стыковка внахлестку без сварки, но с «лапками» или другими анкерными устройствами на концах стержней.
Длина нахлестки должна быть на 30 % больше значений, указанных в СП 63.13330.
Допускается применение для соединений арматуры специальных механических соединений (опрессованных или резьбовых муфт).
В колоннах и пилонах, а также в изгибаемых и внецентренно сжатых элементах при диаметре стержней 20 мм и более соединение стержней и каркасов должно выполняться с помощью специальных механических соединений (опрессованных и резьбовых муфт), а также сварки с парными накладками (до 22 мм включительно) или на стальной скобе-накладке независимо от сейсмичности площадки.
(Новая редакция. Изм. № 1)
6.7.12а В критических участках колонн и пилонов шаг хомутов S должен быть, мм, не более:
S ≤ (b0/2; 150 или 8ds),
где b0 - минимальное расстояние между осевыми линиями хомутов в ядре сечения колонны, ограниченного хомутами;
ds - минимальный диаметр продольных стержней.
Расстояние между соседними продольными стержнями, охваченными хомутами, не должно превышать 200 мм.
В критических участках балок:
а) шаг арматурных хомутов S, мм, не должен превышать:
S = min(hw/4; 24ds1; 200; 8ds),
где hw - высота балки, мм;
ds1 - диаметр хомутов, мм;
б) первый хомут должен располагаться не далее 50 мм от концевого сечения балки.
(Введен дополнительно. Изм. № 1)
6.7.12б Вне критических участков во внецентренно сжатых элементах, а также в изгибаемых элементах, в которых учитывается продольная сжатая арматура, при расчетной сейсмичности 8 и 9 баллов шаг хомутов следует устанавливать по расчету, но не более:
- при Rsc ≤ 450 МПа - 400 мм, а также 12ds для вязаных каркасов и 15ds для сварных каркасов;
- при Rsc > 450 МПа - 300 мм, а также 10ds для вязаных каркасов и 12ds для сварных каркасов.
(Введен дополнительно. Изм. № 1)
6.7.12в Если общее насыщение внецентренно сжатого элемента продольной арматурой превышает 3 %, хомуты следует устанавливать на расстоянии не более 8ds и не более 250 мм.
В вязаных каркасах концы хомутов необходимо загибать вокруг стержня продольной арматуры в направлении центра тяжести сечения и заводить их внутрь бетонного ядра не менее чем на 6ds1 хомута, считая от оси продольного стержня.
В угловых стержнях угол заведения должен быть 30° - 60°.
В местах стыкования внахлестку без сварки арматуры внецентренно сжатых элементов шаг хомутов S должен быть, мм, не более:
S ≤ (h/4; 100 или 8ds),
где h - минимальный размер поперечного сечения, мм.
(Введен дополнительно. Изм. № 1)
6.7.12г Диаметр хомутов должен быть не менее 6 мм. Хомуты, назначаемые по расчету, должны быть выполнены из арматуры с периодическим профилем классов А400 или А500, В500.
(Введен дополнительно. Изм. № 1)
6.7.12д В изгибаемых и внецентренно сжатых элементах стыки арматуры внахлестку со сваркой и без сварки следует располагать вне зон максимальных изгибающих моментов.
Стыкование арматуры в монолитных диафрагмах может быть выполнено сварным или вязаным внахлест.
В одном сечении должно стыковаться не более 50 % растянутой арматуры.
(Введен дополнительно. Изм. № 1)
6.7.13 Несущая способность предварительно напряженных конструкций, определяемая по прочности сечений, должна превышать не менее чем на 25 % усилия, воспринимаемые сечениями при образовании трещин.
6.7.14 В предварительно напряженных конструкциях с натяжением арматуры на бетон напрягаемую арматуру, устанавливаемую из расчета по прочности (предельному состоянию первой группы), следует располагать в закрытых каналах, замоноличиваемых бетоном или раствором прочностью не ниже прочности бетона конструкции.
В качестве напрягаемой арматуры, дополнительно устанавливаемой из расчета по предельным состояниям второй группы, допускается использовать арматурные канаты, располагаемые в закрытых трубках без сцепления с бетоном.
6.8.1 В каркасных зданиях конструкцией, воспринимающей горизонтальную сейсмическую нагрузку, могут служить: каркас; каркас с заполнением; каркас с вертикальными связями, диафрагмами или ядрами жесткости. В качестве несущих конструкций зданий высотой более девяти этажей следует использовать каркасы с диафрагмами, связями или ядрами жесткости.
Размеры выступов в здании (при наличии) в плане не должны превышать шага колонн.
При выборе конструктивных схем предпочтение следует отдавать схемам, в которых зоны пластичности возникают в первую очередь в горизонтальных элементах каркаса (ригелях, перемычках, обвязочных балках и т.п.).
6.8.2 В колоннах рамных каркасов многоэтажных зданий при расчетной сейсмичности 8 и 9 баллов шаг хомутов (кроме требований, изложенных в 6.7.9, 6.7.10) не должен превышать 1/2h, а для рамно-связевых каркасов - не более h, где h - наименьший размер стороны колонн прямоугольного или двутаврового сечения. Диаметр хомутов в этом случае должен быть не менее 8 мм.
6.8.3 В вязаных каркасах концы хомутов необходимо загибать вокруг стержня продольной арматуры и заводить внутрь бетонного ядра не менее чем на 6d хомута, считая от оси продольного стержня. В угловых стержнях угол заведения должен быть 30 - 60°.
6.8.4 Элементы сборных колонн многоэтажных каркасных зданий по возможности следует укрупнять на несколько этажей. Стыки сборных колонн рекомендуется располагать в зоне с наименьшими изгибающими моментами, при этом необходимо учитывать конструктивные особенности применяемых строительных систем. Не допускается стыкование продольной арматуры в сборных элементах колонн внахлестку без сварки.
(Измененная редакция. Изм. № 1)
6.8.5 Стыковать продольную арматуру монолитных колонн каркасных зданий следует в соответствии с требованиями 6.7.12. При стыковании арматуры сваркой следует применять соединения, выполняемые механизированной или ручной дуговой сваркой на стальной скобе-накладке. Для стержней арматуры диаметром до 22 мм включительно допускается стыкование дуговой сваркой продольными швами с парными накладками.
6.8.6 На опорных участках плит перекрытий число устанавливаемой поперечной арматуры, нормальной к плоскости плиты, определяют расчетом на продавливание и конструктивно. В обоих случаях стержни поперечной арматуры, ближайшие к контуру площадки передачи нагрузки, располагают на расстоянии не ближе 1/3h0 и не далее 1/2h0 от этого контура. Ширина зоны размещения расчетной или конструктивной поперечной арматуры в обоих осевых направлениях должна быть не менее 2h0, считая от контура площадки передачи нагрузки.
Поперечная арматура плиты должна состоять из стержней периодического профиля диаметром не менее 8 мм, которые следует соединять с продольной рабочей арматурой посредством контактной сварки или концевых отгибов (крюков). Шаг стержней поперечной арматуры принимают по нормам проектирования железобетонных конструкций.
6.8.7 Для железобетонных колонн многоэтажных каркасных зданий с арматурой классов А400 и А500 армирование рабочей продольной арматурой в любом сечении не должно превышать 6 %, а с арматурой класса А600 - 4 %.
Допускается более высокое насыщение колонн продольной арматурой при условии усиления при-опорных участков колонн с помощью конструктивного косвенного армирования сварными сетками с ячейками размером не более 100 мм не менее четырех, располагаемыми с шагом 60 - 100 мм на длине (считая от торца элемента не менее 10d, где d - наибольший диаметр стержней продольной арматуры). Сетки из арматуры классов А400, А500, В500 должны быть диаметром не менее 8 мм.
6.8.7а Минимальный процент армирования продольной рабочей арматуры в колоннах должен быть не меньше указанных в таблице 6.1л величин, причем армирование продольной арматурой на каждой стороне сечения колонны должно быть не менее чем 0,20 % (угловая арматура при этом не учитывается).
Таблица 6.1л - Минимальный процент армирования в колоннах каркасных систем
|
Тип колонны |
Сейсмичность площадки, баллы |
||
|
7 |
8 |
9 |
|
|
1 Центральные и крайние колонны |
0,3 |
0,4 |
0,7 |
|
2 Угловые колонны |
0,5 |
0,6 |
0,8 |
|
3 Колонны нижних этажей |
0,5 |
0,6 |
0,8 |
(Введен дополнительно. Изм. № 1)
6.8.7б Минимальный процент армирования вертикальной и горизонтальной арматуры в стеновых конструкциях зданий должен быть не менее указанного в таблице 6.1м.
Таблица 6.1м - Минимальный процент армирования в стеновых конструкциях
|
Вид и расположение конструкций |
Сейсмичность площадки, баллы |
||
|
7 |
8 |
9 |
|
|
1 Стены, диафрагмы и ядра жесткости |
0,2 |
0,25 |
0,30 |
|
2 Стены верхних этажей |
0,2 |
0,2 |
0,2 |
(Введен дополнительно. Изм. № 1)
6.8.7в В целях обеспечения условий пластичности деформирования опорных сечений ригелей в узлах каркаса отношение площади сечения продольной сжатой арматуры A's к площади сечения продольной растянутой арматуры As помимо результатов расчета должно удовлетворять требованиям:
- для условий 9-балльной сейсмичности A's/As ≥ 0,5;
- для условий 7- и 8-балльной сейсмичности A's/As ≥ 0,3.
(Введен дополнительно. Изм. № 1)
6.8.7г Минимальный процент насыщения продольной рабочей арматурой в сечениях ригелей должен быть не менее указанного в таблице 6.1н.
Таблица 6.1н - Минимальный процент армирования в ригелях каркаса
|
Расположение сечения в ригеле |
Сейсмичность площадки, баллы |
||
|
7 |
8 |
9 |
|
|
1 У опоры |
0,25; 55Rbt/Rs |
0,30; 65Rbt/Rs |
0,40; 80Rbt/Rs |
|
2 В середине пролета |
0,20; 45Rbt/Rs |
0,25; 55Rbt/Rs |
0,30; 65Rbt/Rs |
|
Примечание - Минимальный процент армирования принимается равным большему значению из двух приведенных. |
|||
(Введен дополнительно. Изм. № 1)
6.8.7д Жесткие узлы железобетонных каркасов зданий должны быть усилены применением сварных сеток, спиралей или замкнутых хомутов.
Зону пересечения ригелей и колонн, а также участки ригелей и колонн, примыкающие к жестким узлам рам на расстоянии, равном полуторной высоте их сечения (но не более 1/4 высоты этажа или пролета ригеля), следует армировать замкнутой поперечной арматурой (хомутами), устанавливаемой по расчету, но не реже чем через 100 мм, а для рамных систем с несущими диафрагмами - не реже чем через 200 мм.
(Введен дополнительно. Изм. № 1)
6.8.8 Жесткие узлы железобетонных каркасов зданий должны быть усилены применением сварных сеток, спиралей или замкнутых хомутов.
Зону пересечения ригелей и колонн, а также участки ригелей и колонн, примыкающие к жестким узлам рам на расстоянии, равном полуторной высоте их сечения (но не более 1/4 высоты этажа или пролета ригеля), следует армировать замкнутой поперечной арматурой (хомутами), устанавливаемой по расчету, но не реже чем через 100 мм, а для рамных систем с несущими диафрагмами - не реже чем через 200 мм.
6.8.9 Диафрагмы, связи и ядра жесткости, воспринимающие горизонтальную нагрузку, должны быть непрерывными по всей высоте здания и располагаться в обоих направлениях равномерно и симметрично относительно центра тяжести здания. В каждом направлении следует устанавливать не менее двух диафрагм, расположенных в разных плоскостях. Допускается в верхних этажах здания уменьшать число и протяженность диафрагм при сохранении симметричности их расположения в пределах этажа. Изменение сдвиговой (изгибной) жесткости диафрагм соседних этажей при этом не должно превышать 20 %, а длина каждой диафрагмы жесткости должна быть не менее высоты этажа. В каркасных железобетонных зданиях допускается применение рам-диафрагм и металлических связей.
6.8.10 При проектировании зданий с существенно меньшей жесткостью нижних этажей (здания с «гибким» нижним этажом) с расчетной сейсмичностью площадки строительства 8 и 9 баллов колонны «гибкого» этажа следует выполнять стальными или с жесткой арматурой.
6.8.11 Максимальные расстояния между осями колонн в каждом направлении при безбалочных плитах и безбалочных плитах с капителями следует принимать при сейсмичности 7 баллов - 7,2 м, при сейсмичности 8, 9 баллов - 6,0 м.
Толщину монолитных перекрытий с капителями и без них безригельного каркаса следует принимать не менее 1/30 расстояния между осями колонн, класс бетона - не ниже В20. Толщина сборных и сборно-монолитных перекрытий безригельного каркаса - в соответствии с расчетом согласно требованиям настоящего свода правил, но не менее 160 мм, класс бетона не ниже В20.
По наружному контуру вертикальных несущих конструкций зданий перекрытия следует опирать на ригели в уровне каждого этажа. Допускается устройство перекрытий и ограждающих конструкций, выступающих за пределы основного каркаса частично или по периметру здания на консольных свесах. Конструкции узлов сопряжения стен и перекрытий должны удовлетворять требованиям 6.8.15.
(Измененная редакция. Изм. № 1)
6.8.12 При расчете прочности нормального сечения плиты монолитных безригельных бескапительных каркасов на действие изгибающего момента расчетную ширину сжатой зоны бетона следует принимать не более трехкратной ширины колонн. На этой расчетной ширине в каждом осевом направлении должно быть размещено не менее 50 % общего количества продольной рабочей арматуры плиты, приходящейся на шаг колонн в направлении, перпендикулярном направлению арматуры, 10 % площади всей рабочей арматуры, размещенной на указанной расчетной ширине плиты, необходимо пропустить сквозь тело колонны.
Не менее 30 % всей расчетной продольной арматуры плиты следует устанавливать в форме групп каркасов, плоских вертикальных или пространственных прямоугольного или треугольного сечения. Такие каркасы в обоих осевых направлениях следует сосредотачивать в составе полос усиленного армирования над колоннами, где не менее двух плоских каркасов или двух верхних стержней пространственного каркаса должны быть пропущены сквозь тело колонны, а также в составе арматуры, проходящей через срединные участки пролетов. Непрерывность этих каркасов в пределах общих габаритов перекрытия должна быть обеспечена стыковыми сварными соединениями продольных стержней каркасов в соответствии с 6.7.12. Эти стыковые соединения должны располагаться в зонах минимальных изгибающих моментов по соответствующим осевым направлениям и иметь прочность не ниже нормативного сопротивления стыкуемых стержней.
Сборные каркасные здания, для которых невозможно выполнить данные требования, должны быть рассчитаны на устойчивость к прогрессирующему разрушению с использованием методик, согласованных в установленном порядке.
Безопасность и несущая способность элементов и узлов сборных, сборно-монолитных зданий с безригельным каркасом, ввиду конструктивных особенностей которых неприменимы вышеуказанные требования, должны быть подтверждены и обоснованы результатами исследований, расчетами и (или) испытаниями применяемых конструктивных систем.
(Измененная редакция. Изм. № 1)
6.8.13 В качестве ограждающих стеновых конструкций каркасных зданий следует применять легкие навесные панели. Допускается устройство кирпичного или каменного заполнения, соответствующего требованиям 6.14.4, 6.14.5.
6.8.14 Применение самонесущих стен из каменной кладки допускается:
- при шаге пристенных колонн каркаса - не более 6 м;
- при высоте стен зданий, возводимых на площадках сейсмичностью 7, 8 и 9 баллов, - не более 12, 9 и 6 м соответственно.
6.8.15 Для обеспечения раздельной работы ненесущих и несущих конструкций при сейсмических воздействиях конструкция узлов сопряжения каменных стен и колонн, диафрагм и перекрытий (ригелей) должна исключать возможность передачи на них нагрузок, действующих в их плоскости. Прочность элементов стен и узлы их крепления к элементам каркаса должны соответствовать 5.5 и быть подтверждены расчетом на действие расчетных сейсмических нагрузок из плоскости.
Кладка самонесущих стен в каркасных зданиях должна иметь гибкие связи с каркасом, не препятствующие горизонтальным смещениям каркаса вдоль стен.
Между поверхностями стен и колонн каркаса должен предусматриваться зазор не менее 20 мм. В местах пересечения торцевых и поперечных стен с продольными стенами должны устраиваться антисейсмические швы на всю высоту стен.
По всей длине стен в уровне плит покрытия и верха оконных проемов должны устраиваться антисейсмические пояса, соединенные с каркасом здания.
6.8.16 При проектировании каркасных зданий кроме деформаций изгиба и сдвига в стойках каркаса необходимо учитывать осевые деформации, а также должен быть выполнен расчет на устойчивость против опрокидывания.
6.8.17 Стены из штучной кладки поэтажной разрезки и узлы их крепления могут конструироваться как заполнение, участвующее в работе каркаса, либо как заполнение, отделенное от каркаса. Заполнение, участвующее в работе каркаса, рассчитывают и конструируют как несущую стену.
6.8.18 Конструкции узлов примыканий элементов ненесущих стен, отделенных от каркаса, к несущим конструкциям здания должны исключать возможность передачи на них нагрузок, действующих в их плоскости. Прочность элементов стен такой конструкции и узлов их крепления к элементам каркаса должна быть подтверждена расчетом на действие сейсмических нагрузок из плоскости. В узлах примыкания участков ненесущих стен различных направлений должны быть предусмотрены вертикальные антисейсмические швы толщиной не менее 20 мм, заполненные эластичным материалом.
6.8.19 Железобетонные каркасы одноэтажных зданий в поперечном направлении рекомендуется проектировать, как правило, по конструктивной схеме в виде стоек, защемленных в фундаментах и с шарнирным сопряжением с ригелями покрытия. Для районов сейсмичностью 7 баллов пролеты, стропильные и подстропильные конструкции принимают как для несейсмических районов. Для районов сейсмичностью 8 и 9 баллов пролеты принимают 24 и 12 м соответственно. Шаг стропильных конструкций принимают для районов сейсмичностью 8 баллов - 6 и 12 м, для районной сейсмичностью 9 баллов - 6 м; подстропильные конструкции не применяются.
6.9.1 Стальные колонны многоэтажных каркасов рамного типа следует проектировать замкнутого (коробчатого или круглого) сечения, равноустойчивого относительно главных осей инерций, а колонны рамно-связевых каркасов - двутаврового, крестового или замкнутого сечений.
Ригели стальных каркасов следует проектировать из прокатных или сварных двутавров, в том числе с гофрированной стенкой.
6.9.2 Стыки колонн следует, как правило, относить от узлов и устраивать в зоне действия наименьших изгибающих моментов.
В колоннах рамных каркасов на уровне ригелей должны быть установлены поперечные ребра жесткости. Зоны развития пластических деформаций в элементах стальных конструкций должны быть вынесены за пределы сварных и болтовых соединений.
6.9.3 При применении для ригелей рам сварных двутавров с плоской стенкой ее гибкость hw/tw (где hw и tw - высота и толщина стенки соответственно) должна быть не более 50.
Свес поясов сечений ригелей не должен превышать значения
0,25tf
, где tf - толщина
пояса; Е и Rу - модуль упругости и расчетное
сопротивление стали соответственно.
6.9.4 Опорные сечения ригелей стальных каркасов многоэтажных зданий следует развивать за счет увеличения ширины полок или устройства вутов в целях снижения напряжений в сварных соединениях в зоне примыкания ригелей к колоннам. Допускается стыки ригелей с колоннами выполнять на высокопрочных болтах без увеличения опорных сечений ригелей.
6.9.5 Для элементов, работающих в упругопластической стадии, следует применять малоуглеродистые и низколегированные стали с относительным удлинением не менее 20 %.
6.9.6 При проектировании одноэтажных производственных зданий с рамами в поперечном направлении и вертикальными связями по колоннам в продольном направлении вертикальные связи необходимо располагать по каждому продольному ряду колонн здания.
6.9.7 Для обеспечения пространственной жесткости и устойчивости покрытия и его элементов следует предусматривать систему связей между несущими конструкциями покрытия (фермами) в плоскости верхних и нижних поясов, а также в вертикальных плоскостях.
6.10.1 Крупнопанельные здания следует проектировать с продольными и поперечными стенами, объединенными между собой перекрытиями и покрытиями в единую пространственную систему, воспринимающую сейсмические нагрузки.
При проектировании крупнопанельных зданий необходимо:
- предусматривать панели стен и перекрытий, как правило, размером на комнату;
- осуществлять вертикальные и горизонтальные стыковые соединения панелей продольных и поперечных стен между собой и с панелями перекрытий (покрытий) сваркой арматурных выпусков, закладных деталей или на болтах и замоноличиванием вертикальных и горизонтальных стыков мелкозернистым бетоном класса не ниже В15 и не ниже класса бетона панелей. Все замоноличиваемые торцевые стыкуемые грани панелей стен и перекрытий (покрытий) следует выполнять с рифлеными или зубчатыми поверхностями. Глубину (высоту) шпонок и зубьев принимают не менее 40 мм;
- при опирании перекрытий на наружные стены здания и стены у антисейсмических швов предусматривать охват вертикальной арматуры стеновых панелей арматурой швов, приваренной к выпускам арматуры плит перекрытия.
При соответствующем обосновании допускается выполнять вертикальные стыковые соединения стен на закладных деталях, без устройства замоноличиваемых вертикальных колодцев и рифленых поверхностей граней панелей стен.
6.10.2 Армирование стеновых панелей следует выполнять двухсторонним, в виде пространственных каркасов или арматурных сеток. Площадь вертикальной и горизонтальной арматуры, устанавливаемой у каждой плоскости панели, должна составлять не менее 0,1 % площади соответствующего сечения стены.
Толщину внутреннего несущего слоя многослойных панелей следует определять по результатам расчета и принимать не менее 100 мм.
Закладные детали, служащие для соединения панелей между собой, должны быть приварены к рабочей арматуре.
(Измененная редакция. Изм. № 1)
6.10.3 В местах пересечения (стыках) панелей стен или в вертикальных каналах стен должна быть размещена арматура, непрерывная на всю высоту здания. Допускается к применению для поэтажной стыковки элементов панельного здания винтовая арматура со стяжными муфтами и контргайками. Рекомендуется натяжение арматурных стержней в пределах каждого этажа. Вертикальную арматуру также следует устанавливать по граням дверных и оконных проемов и при регулярном расположении проемов поэтажно необходимо стыковать. Площадь поперечного сечения арматуры, устанавливаемой в стыках и по граням проемов, следует определять по расчету, но принимать не менее 2 см2 на каждый стык или грань проема.
В местах пересечения стен допускается размещать в наружных панелях не более 60 % расчетного количества вертикальной арматуры с размещением остальной части арматуры во внутренних стеновых панелях на участке длиной не более 1 м от места пересечения стен (за исключением конструктивной арматуры).
(Измененная редакция. Изм. № 1)
6.10.4 Решения стыковых соединений должны обеспечивать восприятие расчетных усилий растяжения и сдвига. Сечение металлических связей в стыках панелей (горизонтальных и вертикальных) определяют расчетом, но их минимальное сечение должно быть не менее 1 см2 на 1 пог. м шва.
6.10.5 Встроенные лоджии выполняют длиной, равной расстоянию между соседними несущими стенами. В зданиях на площадках сейсмичностью 8 и 9 баллов в плоскости наружных стен в местах размещения лоджий следует предусматривать устройство железобетонных рам. В зданиях высотой до пяти этажей при расчетной сейсмичности 7 и 8 баллов допускается устройство пристроенных лоджий с выносом не более 1,5 м и связанных с основными стенами металлическими связями.
6.11.1 К монолитным зданиям помимо зданий, все стены и перекрытия которых выполняют из монолитного бетона, относятся также здания, наружные стены которых, а также отдельные участки внутренних стен и перекрытий монтируют из сборных элементов.
6.11.2 Монолитные здания следует проектировать, как правило, в виде перекрестно-стеновой системы с несущими или ненесущими наружными стенами. Жесткость верхнего этажа здания должна быть не менее 50 % жесткости нижележащего этажа.
При технико-экономическом обосновании монолитные здания возможно проектировать ствольностеновой конструкции с одним или несколькими стволами.
6.11.3 Внутренние поперечные и продольные стены зданий на площадках сейсмичностью 8 и 9 баллов должны быть без изломов в плане в пределах стены. Максимальное расстояние между несущими стенами не должно превышать 7,2 м. В зданиях с ненесущими наружными стенами должно быть не менее двух внутренних продольных и поперечных стен.
6.11.4 Выступ части наружных стен в плане не должен превышать 6 м для зданий с расчетной сейсмичностью 7 и 8 баллов и 3 м для зданий с расчетной сейсмичностью 9 баллов.
6.11.5 Перекрытия могут быть монолитными, сборными и сборно-монолитными, обеспечивающими жесткий горизонтальный диск (диафрагму жесткости). Рекомендуется применять балочные конструкции перекрытий или безбалочные конструкции перекрытий с капителями колонн.
(Новая редакция. Изм. № 1)
6.11.6 Стены лоджий следует выполнять как продолжение несущих стен.
6.11.7 При расчете конструкций следует проверять прочность горизонтальных и наклонных сечений глухих стен и простенков, вертикальных сопряжений стен, нормальных сечений в опорных зонах перемычек, сечений по полосе между возможными наклонными трещинами и по наклонной трещине.
6.11.8 Следует предусматривать конструктивное армирование по полю стен вертикальной и горизонтальной арматурой площадью сечения у каждой плоскости стены не менее 0,1 % площади соответствующего сечения стены, в пересечениях стен, местах резкого изменения толщины стены, у граней проемов - арматурой площадью сечения не менее 2 см2, объединенной замкнутым хомутом с шагом не более 400 мм.
(Измененная редакция. Изм. № 1)
6.11.9 Армирование монолитных стен следует, как правило, выполнять пространственными каркасами, собираемыми из плоских вертикальных каркасов и горизонтальных стержней или плоских горизонтальных каркасов.
В пространственных каркасах, применяемых для армирования поля стен, диаметр вертикальной арматуры должны быть не менее 10 мм, а горизонтальной - не менее 8 мм. Шаг горизонтальных стержней, объединяющих каркасы, не должен превышать 400 мм. Армирование широких простенков можно выполнять диагональными каркасами.
6.11.10 Стыкование стержней и арматурных каркасов при бетонировании конструкций монолитных зданий следует осуществлять в соответствии с 6.7.10 - 6.7.12д.
(Новая редакция. Изм. № 1)
6.11.11 Перемычки следует армировать пространственными каркасами и заводить их арматуру за грань проема по требованиям СП 63.13330 с учетом дополнительных требований настоящего свода правил, но не менее чем на 500 мм. Высокие перемычки допускается армировать диагональными каркасами.
Шаг поперечных стержней пространственных каркасов перемычек следует принимать не более 10d (d - диаметр продольных стержней) и не более 150 мм. Диаметр поперечных стержней следует принимать не менее 8 мм.
6.11.12 Вертикальные стыковые соединения стен следует армировать горизонтальными арматурными стержнями, площадь которых определяется расчетом, но должна быть не менее 0,5 см2 на 1 пог. м шва в зданиях до пяти этажей на территориях с расчетной сейсмичностью 7 и 8 баллов и не менее 1 см2 на 1 пог. м шва в остальных случаях.
6.12.1 Объемно-блочные и панельно-блочные здания следует проектировать из цельноформованных или сборных объемных блоков и панелей, изготовляемых из тяжелого или легкого бетона класса не менее В15, объединенных в единую пространственную систему, воспринимающую сейсмические воздействия.
6.12.2 Объединение объемных блоков в единую пространственную систему может осуществляться одним из следующих способов:
- сварка закладных деталей или арматурных выпусков из стен и перекрытий объемных блоков;
- устройство в вертикальных полостях между стенами объемных блоков монолитных бетонных или железобетонных шпонок;
- устройство горизонтальных обвязочных балок в уровнях междуэтажных перекрытий и покрытия;
- замоноличивание стыков по вертикальным и горизонтальным швам мелкозернистым бетоном с пониженной усадкой;
- обжатие столбов объемных блоков вертикальной арматурой, напрягаемой в построечных условиях.
6.12.3 В объемно-блочных зданиях наряду с объемными блоками для восприятия сейсмических нагрузок допускается применять «скрытый» монолитный железобетонный каркас и диафрагмы жесткости, расположенные в вертикальных полостях между блоками.
6.12.4 Плита потолка блока должна быть плоской со вспарушенностью в середине не менее 20 мм. Толщину ее на опорах и в середине принимают по расчету, но не менее 50 мм (в среднем).
6.12.5 Плиты пола и стены объемных блоков следует устраивать часторебристыми или гладкими, однослойными или многослойными. Толщина плоских однослойных стен и несущих слоев многослойных стен должна быть не менее 100 мм.
6.12.6 Толщина полок ребристых стен должна быть не менее 50 мм, а высота ребер, включая толщину полок, - не менее 100 мм.
6.12.7 Армирование объемных блоков следует выполнять двухсторонним, в виде пространственных каркасов, сварных сеток и отдельными стержнями, объединенными в единый арматурный пространственный блок. Допускается выполнять армирование плоских стен одинарным в виде плоской сварной сетки.
Площадь вертикальной и горизонтальной арматуры, устанавливаемой у каждой плоскости панели для арматуры каждого вида, должна составлять не менее 0,05 % площади соответствующего сечения плиты.
6.12.8 Объемные блоки с одинарным армированием трех плоских стен допускается применять:
- в зданиях со скрытым монолитным каркасом независимо от этажности;
- в зданиях других типов - высотой не более пяти этажей при расчетной сейсмичности 7, 8 баллов и не более трех этажей - при расчетной сейсмичности 9 баллов.
6.12.9 Поэтажное опирание объемных блоков должно быть, как правило, по всей длине несущих стен. В зданиях до пяти этажей при расчетной сейсмичности 7 и 8 баллов и до трех этажей при расчетной сейсмичности 9 баллов допускается опирание блоков только по углам. При этом длина зоны опирания должна быть не менее 300 мм в каждую сторону от угла.
6.12.10 В зданиях более двух этажей, как правило, должно быть не менее одной внутренней стены. При этом в наружных стенах допускается применять блоки различных типоразмеров, выступающие или западающие на длину до 1,5 м.
6.12.11 Выступ части наружных стен здания в плане не должен превышать 6,0 м.
6.12.12 Конструктивные решения вертикальных и горизонтальных связей должны обеспечивать восприятие расчетных усилий. Необходимое сечение металлических связей определяют расчетом, но принимают не менее:
- вертикальных - 30 мм2 на 1 пог. м горизонтального шва между смежными по высоте блоками при сейсмичности 7 и 8 баллов и 50 мм2 на 1 пог. м - при сейсмичности 9 баллов;
- горизонтальных- 150 мм2 на 1 пог. м горизонтального шва между смежными в плане блоками.
При этом связи между смежными блоками допускается выполнять сосредоточенными по углам блоков.
В расчетах трение в горизонтальных стыковых соединениях не учитывают.
6.12.13 Размеры поперечного сечения элементов «скрытого» монолитного каркаса (колонн и ригелей) определяют расчетом, но они должны быть не менее 160×200 мм. Армирование колонн и ригелей «скрытого» каркаса должно осуществляться пространственными каркасами. При этом колонны должны иметь продольную арматуру не менее 4 d12 класса А400, ригели - 4 d10 при расчетной сейсмичности 7 и 8 баллов и не менее 4 d12 при расчетной сейсмичности 9 баллов.
Класс бетона элементов «скрытого» каркаса должен быть не ниже В15.
6.12.14 Толщина монолитных диафрагм жесткости, выполняемых в полостях между блоками, должна быть не менее 100 мм. Армирование монолитных диафрагм жесткости допускается выполнять одинарными сетками.
6.12.15 Конструктивные решения диафрагм жесткости и элементов «скрытого» каркаса должны обеспечивать их совместную работу с объемными блоками.
6.12.16 При проектировании панельно-блочных зданий необходимо:
- предусматривать панели стен и перекрытий размером на комнату;
- соединять панели стен и перекрытий между собой и с блоками путем сварки выпусков арматуры, анкерных стержней или закладных деталей и замоноличивания вертикальных колодцев и участков стыков по горизонтальным швам мелкозернистым бетоном с пониженной усадкой;
- предусматривать сварные соединения выпусков арматуры из панелей перекрытий с вертикальной арматурой стеновых панелей при опирании перекрытий на наружные стены и стены у температурных швов.
6.13.1 Стеновые блоки могут быть выполнены из бетонов, в том числе легких, а также изготовлены из кирпича или других штучных материалов с применением вибрирования в формах на вибростоле. Требуемое значение нормального сцепления кирпича (камня) с раствором в блоках определяют расчетом, но оно не должно быть менее 120 кПа.
Блоки наружных стен могут быть однослойными или многослойными.
6.13.2 Стены из крупных блоков могут быть:
а) двухрядной и многорядной разрезки. Усилия в швах воспринимаются силами трения и шпонками. Число надземных этажей в таких зданиях не должно превышать трех на площадках сейсмичностью 7 баллов и одного на площадках сейсмичностью 8 баллов;
б) двухрядной или трехрядной разрезки, соединяемые между собой с помощью сварки закладных деталей или арматурных выпусков;
в) многорядной разрезки, усиленные вертикальными железобетонными включениями.
6.13.3 Стеновые блоки должны быть армированы пространственными каркасами. Вертикальную арматуру в блоках устанавливают по расчету, но не менее 2d8 класса А240 по каждой боковой грани. Неармированные блоки допускаются на площадках сейсмичностью 7 баллов в зданиях высотой до трех этажей, а на площадках сейсмичностью 8 баллов - в одноэтажных зданиях. Стеновые блоки (как для наружных, так и для внутренних стен) следует применять только с пазами или четвертями на торцевых вертикальных гранях.
Блоки следует соединять между собой сваркой закладных деталей или выпусков арматуры. Вертикальная арматура по торцам простеночных блоков, в том числе на глухих участках стен, должна быть соединена с выпусками арматуры из фундамента, вертикальной арматурой вышележащих и нижележащих простеночных блоков, в том числе блоков смежных этажей, и заанкерена в антисейсмическом поясе перекрытия верхнего этажа.
6.13.4 Антисейсмические пояса в крупноблочных зданиях могут быть монолитными или сборно-монолитными из армированных блоков-перемычек. Блоки-перемычки соединяют между собой в двух уровнях по высоте путем сварки выпусков арматуры или закладных деталей с последующим замоноличиванием.
6.13.5 В уровне перекрытий и покрытий, выполненных из сборных железобетонных плит, по всем стенам должны быть устроены антисейсмические пояса из монолитного бетона, объединяющие выпуски арматуры из торцов плит перекрытий и выпуски из поясных блоков. Ширина пояса должна быть не менее 90 мм, высота - соответствовать толщине плит перекрытий, класс бетона - не ниже В12,5. При подборе арматуры антисейсмических поясов допускается учитывать продольную арматуру поясных блоков.
6.13.6 Связь между продольными и поперечными стенами обеспечивают тщательным бетонированием вертикальных пазов примыкающих блоков, укладкой арматурных сеток в каждом горизонтальном растворном шве и антисейсмическими поясами.
6.13.7 Стержни вертикальной арматуры должны быть установлены на всю высоту здания в углах, местах изломов стен в плане и сопряжений наружных стен с внутренними, в обрамлении проемов во внутренних стенах, по длине глухих стен не более чем через 3 и, по длине наружных стен - в обрамлении простенков.
При непрерывном вертикальном армировании продольную арматуру пропускают через отверстия в поясных блоках и стыкуют сваркой. Пазы в блоках в местах установки вертикальной арматуры следует заделывать бетоном на мелком щебне класса не менее В15 с вибрированием.
6.13.8 Для повышения сейсмостойкости зданий из крупных блоков следует устраивать вертикальные железобетонные включения в местах пересечения и по свободным торцевым граням стен. Для повышения горизонтальной жесткости глухих участков стен в вертикальных швах между простеночными блоками допускается также устраивать бетонные шпонки и сварные связи выпусков горизонтальной арматуры соседних блоков.
6.14.1 Для возведения стен из каменной кладки применяют керамические кирпичи и камни, бетонные блоки, природные камни правильной формы и мелкие блоки.
Несущие каменные стены следует возводить из кладки на растворах со специальными добавками, повышающими сцепление раствора с кирпичом или камнем. Вертикальные швы кладки следует заполнять раствором, за исключением кладки из кирпича и камней с пазогребневыми соединениями.
При расчетной сейсмичности 7 баллов допускается возведение несущих стен зданий из кладки на растворах с пластификаторами без применения специальных добавок, повышающих прочность сцепления раствора с кирпичом или камнем.
6.14.2 Запрещается при отрицательной температуре выполнение кладки несущих, самонесущих стен, заполнение каркаса и перегородок, в том числе усиленных армированием или железобетонными включениями, из кирпича (камня, блоков) при возведении зданий на площадках сейсмичностью 9 баллов и более.
При расчетной сейсмичности 8 баллов и менее допускается выполнение зимней кладки с обязательным включением в раствор добавок, обеспечивающих твердение раствора при отрицательных температурах.
Допускается ведение кладки в сейсмических районах при отрицательной температуре воздуха из подогретого до положительной температуры кирпича (камня, блока) на растворах без противоморозных добавок с дальнейшим укрыванием и выдержкой при положительной температуре до набора прочности раствором не менее 20 % проектной.
6.14.3 Расчет каменных конструкций следует проводить на одновременное действие горизонтально и вертикально направленных сейсмических сил.
Значение вертикальной сейсмической нагрузки при расчетной сейсмичности 7 - 8 баллов должно быть 15 %, а при сейсмичности 9 баллов - 30 % соответствующей вертикальной статической нагрузки.
Направление действия вертикальной сейсмической нагрузки (вверх или вниз) следует принимать более невыгодным для напряженного состояния рассматриваемого элемента.
6.14.4 Для кладки несущих и самонесущих стен или заполнения каркаса применяют следующие изделия и материалы:
а) полнотелый и пустотелый кирпич, керамические камни и блоки марки не ниже М100.
Изделия с пустотами должны иметь: диаметр вертикальных пустот - не более 20 мм, стороны квадратных пустот - не более 22 мм, ширину щелевых пустот - не более 16 мм. Внутренние перегородки камня, параллельные плоскости стены, должны быть непрерывными. Пустотность изделий для кладки несущих и самонесущих стен без железобетонных включений или обойм (рубашек) не должна превышать 25 %; не допускается применение керамических камней, имеющих пустоты со значением углов между внутренними перегородками разных направлений, отличным от 90°, на площадках сейсмичностью более 7 баллов;
б) камни и блоки правильной формы из ракушечников, известняков марки не ниже М35 или туфов (кроме фельзитового) марки М50 и выше;
в) для несущих стен следует применять бетонные камни, сплошные и пустотелые блоки из легкого и ячеистого бетонов классов по прочности на сжатие не ниже В3,5, марок по средней плотности не ниже D600; для самонесущих стен - классов по прочности на сжатие не ниже В2,5, марок по средней плотности не ниже D500.
Для возведения перегородок и ненесущих стен допускается применение кирпича и керамических камней марки не ниже М75 без ограничения размеров и пустот и гипсовых пазогребневых плит.
Штучная кладка стен должна выполняться на смешанных цементных растворах марки не ниже М25 в летних условиях и не ниже М50 в зимних или на специальных клеях. Для кладки блоков следует применять раствор марки не ниже М50 и специальные клеи.
6.14.5 Кладки в зависимости от их сопротивляемости сейсмическим воздействиям подразделяют на категории.
Категория кирпичной или каменной кладки, выполненной из материалов, предусмотренных 6.14.4, определяется временным сопротивлением осевому растяжению по неперевязанным швам (нормальное сцепление), значение которого должно быть в пределах:
Rut ≥ 180 кПа - для кладки категории I;
180 кПа ≥ Rut ≥ 120 кПа - для кладки категории II.
Для повышения временного сопротивления осевому растяжению по неперевязанным швам (нормальное сцепление) Rut следует применять растворы со специальными добавками.
Требуемое значение Rut необходимо указывать в проекте. При проектировании значение Rut следует назначать в зависимости от результатов испытаний, проводимых в районе строительства.
При невозможности получения на площадке строительства (в том числе на растворах с добавками, повышающими прочность их сцепления с кирпичом или камнем) значения Rut ≥ 120 кПа применение кирпичной или каменной кладки не допускается.
Примечание - При расчетной сейсмичности 7 баллов допускается применение кладки из естественного камня при 120 кПа > Rut > 60 кПа. При этом высота здания должна быть не более трех этажей, ширина простенков - не менее 0,9 м, ширина проемов - не более 2 м, а расстояния между осями стен - не более 12 м.
Проектом производства каменных работ должны предусматриваться специальные мероприятия по уходу за твердеющей кладкой, учитывающие климатические особенности района строительства. Эти мероприятия должны обеспечивать получение необходимых прочностных показателей кладки.
6.14.6 Значения расчетных сопротивлений кладки Rt, Rsq, Rtw по перевязанным швам должны соответствовать СП 15.13330, а по неперевязанным швам - определяют по формулам (6.1) - (6.3) в зависимости от значения Rut, полученного в результате испытаний, проводимых в районе строительства:
|
Rt = 0,45 Rut, |
(6.1) |
|
Rsq = 0,7Rut, |
(6.2) |
|
Rtw = 0,8Rut. |
(6.3) |
Значения Rt, Rsq и Rtw не должны превышать соответствующих значений для кирпича или камня при разрушении кладки.
6.14.7 Высота этажа зданий с несущими стенами из кирпичной или каменной кладки, не усиленной армированием или железобетонными включениями, не должна превышать при расчетной сейсмичности 7, 8 и 9 баллов 5; 4 и 3,5 м соответственно.
При усилении кладки армированием или железобетонными включениями высоту этажа допускается принимать равной 6; 5 и 4,5 м соответственно.
При этом отношение высоты этажа к толщине стены должно быть не более 12.
6.14.8 Для зданий с неполным каркасом при расчетной сейсмичности 7 - 8 баллов допускается применение наружных каменных стен и внутренних железобетонных или металлических рам (стоек), при этом должны выполняться требования, установленные для каменных зданий. Высота таких зданий не должна превышать 7 м.
6.14.9 В зданиях с несущими стенами шириной более 6,4 м кроме наружных продольных стен, как правило, должно быть не менее одной внутренней продольной стены. Расстояния между осями поперечных стен или заменяющих их рам должны проверяться расчетом и быть не более приведенных в таблице 6.2. Суммарная длина заменяющих рам должна быть не более 25 % суммарной длины внутренних стен того же направления. Не допускается устройство двух рядом расположенных заменяющих рам одного направления.
В зданиях из мелких ячеисто-бетонных блоков расстояние между стенами независимо от расчетной сейсмичности не должно превышать 9 м.
Таблица 6.2 - Расстояния между осями поперечных стен или заменяющих их рам
|
Расчетная сейсмичность, баллы |
Расстояние между осями поперечных стен или заменяющих их рам, м |
|
7 |
18 |
|
8 |
15 |
|
9 |
12 |
6.14.10 Размеры элементов стен каменных зданий следует определять расчетом. Они должны соответствовать требованиям, приведенным в таблице 6.3.
Таблица 6.3 - Размеры элементов несущих и самонесущих стен каменных зданий
|
Элемент стены |
Размер элемента стены, м, при расчетной сейсмичности, баллы |
Примечание |
||
|
7 |
8 |
9 |
||
|
1 Простенки шириной, не менее, при кладке: |
|
|
|
Ширину угловых простенков следует принимать на 25 см больше указанной. Простенки меньшей ширины необходимо усиливать железобетонным обрамлением |
|
- категории I |
0,64 |
0,9 |
1,16 |
|
|
- категории II |
0,77 |
1,16 |
1,55 |
|
|
2 Проемы шириной, не более |
3,5 |
3 |
2,5 |
Проемы большей ширины следует окаймлять железобетонной рамкой |
|
3 Отношение ширины простенка к ширине проема, не менее |
0,33 |
0,5 |
0,75 |
- |
|
4 Выступ стен в плане, не более |
2 |
1 |
- |
- |
|
5 Вынос карнизов, не более: |
|
|
|
Вынос деревянных неоштукатуренных карнизов допускается до 1 м |
|
- из материала стен |
0,2 |
0,2 |
0,2 |
|
|
- из железобетонных элементов, связанных с антисейсмическими поясами |
0,4 |
0,4 |
0,4 |
|
|
- из деревянных, оштукатуренных по металлической сетке |
0,75 |
0,75 |
0,75 |
|
6.14.11 В уровне перекрытий и покрытий следует устраивать антисейсмические пояса по всем продольным и поперечным стенам, выполняемые из монолитного железобетона или сборные с замоноличиванием стыков и непрерывным армированием. Антисейсмические пояса верхнего этажа должны быть связаны с кладкой вертикальными выпусками арматуры.
В зданиях с монолитными железобетонными перекрытиями, заделанными по контуру в стены, антисейсмические пояса в уровне этих перекрытий не устраивают.
6.14.12 Антисейсмический пояс (с опорным участком перекрытия) следует устраивать, как правило, на всю ширину стены; в наружных стенах толщиной 500 мм и более ширина пояса может быть меньше на 100 - 150 мм. Высота пояса должна быть не менее 150 мм, класс бетона - не ниже В12,5.
Продольная арматура поясов устанавливается по расчету, но не менее 4 d10 при расчетной сейсмичности 7 - 8 баллов и не менее 4 d12 - при 9 баллах.
6.14.13 В сопряжениях стен в кладку должны укладываться арматурные сетки сечением продольной арматуры общей площадью не менее 1 см2, длиной 1,5 м через 700 мм по высоте при расчетной сейсмичности 7 - 8 баллов и через 500 мм - при 9 баллах.
Участки стен и столбы над чердачным перекрытием высотой более 400 мм должны быть армированы или усилены монолитными железобетонными включениями, заанкеренными в антисейсмический пояс. Стены по верху должны иметь обвязочный железобетонный пояс, связанный с вертикальными железобетонными сердечниками.
Кирпичные столбы допускаются только при расчетной сейсмичности 7 баллов. При этом марка раствора должна быть не ниже М50, а высота столбов - не более 4 м. В двух направлениях столбы следует связывать заанкеренными в стены балками.
6.14.14 Сейсмостойкость каменных стен здания следует повышать сетками из арматуры, созданием комплексной конструкции, предварительным напряжением кладки или другими экспериментально обоснованными методами.
Кладки следует армировать сетками в горизонтальных швах и отдельными вертикальными стержнями или каркасами, размещаемыми в теле кладки или штукатурных слоях. Вертикальная арматура должна быть непрерывной и соединяться с антисейсмическими поясами. Не допускается соединение арматуры внахлест без сварки. В случае размещения вертикальной арматуры в штукатурных слоях она должна быть связана с кладкой хомутами, расположенными в горизонтальных швах кладки.
Вертикальные железобетонные элементы (сердечники) должны соединяться с антисейсмическими поясами.
Железобетонные включения в кладку комплексных конструкций, открытые не менее чем с одной стороны, следует устраивать с минимальным размером сечения не менее 120 мм.
При устройстве закрытых железобетонных сердечников минимальный размер их сечения должен быть не менее 150 мм. При этом необходимо предусматривать конструктивные мероприятия, обеспечивающие контроль заполнения бетоном железобетонных сердечников.
При проектировании стен комплексной конструкции из кирпича усиленные монолитными железобетонными включениями антисейсмические пояса и их узлы сопряжения со стойками следует рассчитывать и конструировать как элементы каркасов с учетом работы заполнения. В этом случае предусмотренные для бетонирования стоек пазы должны быть открытыми не менее чем с двух сторон. Если стены комплексной конструкции из кирпича выполняют с железобетонными включениями по торцам простенков, продольная арматура должна быть надежно соединена хомутами, уложенными в горизонтальных швах кладки. Бетон включений должен быть класса не ниже В12,5, кладка должна выполняться на растворе марки не ниже М50, а количество продольной арматуры не должно превышать 0,8 % площади сечения бетона простенков.
Примечание - Несущую способность железобетонных включений, расположенных по торцам простенков, учитываемую при расчете на сейсмическое воздействие, не следует учитывать при расчете сечений на основное сочетание нагрузок.
6.14.15 В зданиях с несущими стенами в первых этажах, которые используют в качестве магазинов и других помещений, требующих большой свободной площади, следует применять железобетонные или стальные несущие конструкции.
6.14.16 Перемычки следует устраивать, как правило, на всю толщину стены и заделывать в кладку на глубину не менее 350 мм. При ширине проема до 1,5 м заделка перемычек допускается на глубину 250 мм. В ненесущих (навесных) стенах заделка перемычек допускается на глубину 200 мм.
6.15.1 Деревянные здания в сейсмических районах допускается проектировать каркасными, панельными, брусчатыми и бревенчатыми (СП 64.13330).
6.15.2 В каркасных и панельных зданиях сейсмическую нагрузку воспринимают вертикальные и горизонтальные элементы каркаса в сочетании с раскосами и обшивками.
6.15.3 Шаг стоек рекомендуется принимать не более 3 м. Каждая стойка должна крепиться к фундаменту анкерными болтами и иметь металлические связи с соответствующими им стойками по высоте здания и элементами горизонтальных обвязок в уровне перекрытий.
6.15.4 Перекрытия каркасных зданий могут выполняться с балками из сплошных или клеевых брусьев, круглых или окантованных бревен. Перекрытия панельных зданий могут выполняться из панелей или отдельных балок. В уровне перекрытий каркасных и панельных зданий по всем несущим стенам должны быть устроены непрерывные обвязки. Элементы обвязки должны соединяться между собой по всему контуру, включая угловые стыки, металлическими накладками на болтах или стяжками. Каждая балка перекрытия должна крепиться металлическими связями с балками примыкающего участка перекрытия и горизонтальными обвязками по контуру стен здания.
6.15.5 Жесткость стен и перекрытий каркасных и панельных зданий должна быть обеспечена раскосами, обшивкой из конструктивной фанеры или диагональной обшивкой из шпунтованных досок.
6.15.6 Конструкция панелей должна включать в себя контурную обвязку из брусьев с раскосами и обшивки из конструктивной фанеры или диагональные обшивки из шпунтованных досок. Каждая панель должна по всем углам быть связана с примыкающими панелями и горизонтальными обвязками в уровне перекрытий. Должны быть выполнены связи между вертикальными элементами обвязок панелей соседних этажей. Допускается конструктивно объединять связи панелей соседних этажей и их связи с обвязками в уровне перекрытий. Панели нижнего ряда должны быть связаны с фундаментом анкерными болтами. Допускается устанавливать один анкерный болт на две примыкающие стойки обрамления соседних панелей. Связи панелей между собой следует выполнять на болтах. Рекомендуется увеличивать жесткость панельных зданий креплением участка обшивки, выпущенной за контур обвязки панели стены или перекрытия, к обвязке примыкающей панели.
6.15.7 Жесткость стен из брусьев или бревен должна обеспечиваться постановкой стальных нагелей или шипов из древесины твердых пород по всей площади стен в шахматном порядке не реже 700 мм по длине, а также у углов и в пересечениях стен, на участках, примыкающих к оконным и дверным проемам.
6.15.8 Оконные и дверные проемы следует обрамлять жесткими вертикальными элементами, рассчитанными на восприятие сейсмических нагрузок из плоскости стены.
6.15.9 Венцы выше чердачного перекрытия, на которые должны опираться стропила, следует скреплять сквозными нагелями. Верхние венцы в углах и пересечениях следует объединять угловыми балками на врезках и сквозных нагелях.
6.15.10 В углах и пересечениях стен следует устанавливать сжимы в виде вертикальных стоек с обеих сторон, объединенных стяжными болтами с шагом по высоте не более 1,5 м. При этом отверстия под болты в сжимах следует выполнять продолговатыми, не препятствующими осадке срубов. Стойки рекомендуется выполнять неразрезными на всю высоту здания. Сжимы также необходимо ставить у проемов с пролетом более 1,5 м и на участках стен длиной более 6 м.
6.15.11 Пригонка венцов должна быть плотной. При сейсмичности 8 и 9 баллов следует применять врубку в полдерева с остатком не менее 250 мм или без остатка с усилением углов плоскими уголками жесткости с прошивкой их гвоздями. В районах с расчетной сейсмичностью 7 баллов допускается врубка в полдерева с прошивкой двумя нагелями в узле по осям брусьев или впритык.
6.15.12 В рубленых домах балки перекрытия следует соединять со стенами врубкой, а в районах сейсмичностью 9 баллов балки перекрытий должны скрепляться стальными гнутыми металлическими полосами с креплением к балке болтами, а к стене - нагелями.
6.15.13 В районах сейсмичностью 7 и 8 баллов в брусчатых и бревенчатых зданиях анкерные болты крепления обвязки по верху фундамента дополнительно следует устанавливать в углах и пересечениях стен, а при сейсмичности 9 баллов - и в местах расположения сжимов. При этом в целях обеспечения надежной связи стен с фундаментом основные анкеры должны пропускаться в обруб на один-два венца выше промежуточных дополнительных. Шаг основных анкеров следует принимать не более 1,5 м при сейсмичности 9 баллов и не более 2 м при сейсмичности 7 и 8 баллов.
6.15.14 Конструкции крыш следует принимать безраспорными, преимущественно с легкой кровлей. Жесткость конструкций крыш должна обеспечиваться установкой раскосов между стойками в обоих направлениях плана здания.
(Введен дополнительно. Изм. № 1)
6.18а.1 Навесные фасады зданий, в том числе выполняемые в виде светопрозрачных конструкций (далее - навесные фасады или НФ), состоят из вертикальных и горизонтальных профилей, заполнения или деталей, соединенных между собой и закрепленных на несущем каркасе здания или сооружения с помощью кронштейнов. Конструкции НФ образуют наружную оболочку здания, которая самостоятельно или в сочетании с каркасом здания выполняет функции наружной стены, но не участвует в восприятии нагрузок каркаса здания.
В сейсмических районах, как правило, используются конструкции НФ стоечно-ригельного или модульного фасада из элементов заводского изготовления.
6.18а.2 При проектировании НФ учитываются следующие факторы, влияющие на выбор его конструкции:
- климатические условия района строительства;
- уровень предполагаемых нагрузок и воздействий (ветровые, сейсмические и др.);
- требуемые эксплуатационные режимы помещений (параметры внутренней среды);
- архитектурные и функциональные требования (например, выбор материала и т.д.);
- надежность (долговечность, ремонтопригодность);
- соответствие изделий условиям их безопасной эксплуатации.
6.18а.3 При проектировании НФ необходимо выполнять расчетную проверку несущей способности элементов НФ и узлов их соединений по напряжениям и (или) разрушающей нагрузке, а также оценку прогибов и устойчивости конструкции.
6.18а.4 Конструкции НФ (несущие элементы конструкции, кронштейны крепления, элементы облицовки) должны быть рассчитаны на сейсмические воздействия в соответствии с разделом 5, а также ГОСТ 30546.1.
6.18а.5 Прочностные расчеты включают:
- расчет несущих профилей (проверка прочности на растяжение с изгибом, на сдвиг (срез); проверка прочности крепления профиля к несущему кронштейну; проверка жесткости профиля);
- расчет несущего кронштейна (проверка прочности на растяжение с изгибом, на срез) с учетом климатических и сейсмических нагрузок;
- проверку прочности крепления кронштейнов к несущим конструкциям здания или сооружения;
- проверку прочности крепления облицовки.
6.18а.6 Физико-механические характеристики материалов профилей, их соединений и крепежных элементов НФ принимаются согласно СП 16.13330 или СП 128.13330 в зависимости от используемого материала конструкций (стальные или алюминиевые).
6.18а.7 Элементы облицовки НФ устанавливаются без начального напряжения в них и в крепеже. Все элементы системы должны надежно соединяться между собой, в том числе для предотвращения вибрации и связанных с ней шумов или выпадения облицовки.
6.18а.8 Проектирование НФ со светопрозрачным заполнением осуществляется с учетом требований СП 426.1325800 и в соответствии с разделом 5.
Остекление НФ со светопрозрачным заполнением следует выполнять с использованием закаленного, термоупрочненного либо многослойного стекла, не допускающего травматизма людей, находящихся как внутри помещений, так и снаружи, в случае разрушения светопрозрачных конструкций.
Допускается выполнение расчетов стекла фасадных конструкций по МКЭ. Дополнительно необходимо выполнить расчеты светопрозрачных конструкций (стекла) по методу предельных состояний с учетом нагрузок от сейсмического воздействия.
Требования к подбору, расчету и проектированию приведены в [4].
Зоны герметизации стеклопакетов ограждающих конструкций должны быть закрыты непрозрачными конструктивными элементами (декоративными крышками, капотами). В случае их отсутствия по архитектурным соображениям (структурное остекление) для герметизации стеклопакетов следует применять герметики, стойкие к ультрафиолетовому излучению.
Толщину стекол и стекол в составе стеклопакетов следует принимать по расчету с учетом требований ГОСТ 111, ГОСТ 24866, ГОСТ 30698, ГОСТ 30826, ГОСТ 33087, ГОСТ 31364.
Максимальный прогиб элементов каркаса светопрозрачных ограждающих конструкций под действием нормативных нагрузок не должен превышать 1/200 расстояния между ближайшими опорами, но не более 15 мм в габаритах одного стеклопакета.
При расчете по предельному состоянию первой группы следует принимать для стекла следующие значения максимально допустимого нормального напряжения:
- флоат-стекло незакаленное - 15 МПа (ГОСТ 111);
- многослойное стекло из незакаленного флоат-стекла - не менее 15 МПа;
- флоат-стекло закаленное - не менее 50 МПа;
- многослойное стекло из закаленного флоат-стекла - не менее 50 МПа.
Модуль упругости стекла Е = 63765 МПа.
Для светопрозрачных конструкций из стекла площади блока остекления должны быть не более 12 м2.
При использовании в светопрозрачных конструкциях НФ разнородных металлов в зонах их контактов с учетом агрессивности среды необходимо предусматривать меры по предотвращению контактной коррозии.
6.18а.9 Основные несущие элементы НФ (кронштейны и направляющие) следует принимать из коррозионно-стойких сталей или оцинкованной стали, в том числе с полимерным (порошковым) покрытием, из алюминиевых профилей и крепить к несущим конструкциям здания. Шайбы, распорные элементы анкерных дюбелей, анкеры, вытяжные заклепки следует принимать из коррозионно-стойкой стали.
В качестве заполнения (облицовки) НФ следует применять металлические и композитные кассеты, плитные конструкции (плиты керамогранита, фибробетона и т.п.), а также светопрозрачные конструкции (стекло, стеклопакеты, полимерные материалы (поликарбонат и т.п.)).
Крепление кронштейнов к несущим конструкциям здания следует осуществлять с помощью анкеров с глубиной заделки не менее 100 мм, с диаметром шпильки не менее 10 мм.
6.18а.10 Анкерный крепеж НФ должен соответствовать следующим требованиям:
- крепление анкерного крепежа рассчитывается из условия прочности и деформативности на действия расчетных нагрузок от сейсмических воздействий, с учетом места расположения по высоте здания;
- не допускается применение анкерного крепежа в виде саморезов для соединения элементов НФ между собой и с конструкциями здания.
6.18а.11 Для установки НФ должны также выполняться следующие условия:
- применение фасадных конструкций в конкретном проекте должно соответствовать условиям (типоразмерный ряд, условия эксплуатации, места установки), для которых в отношении данного типа НФ выполнялись испытания на сейсмостойкость (при наличии положительного заключения по результатам таких испытаний);
- до начала монтажа несущих элементов НФ необходимо провести испытания ее конструкций, в том числе на вырыв анкеров из материала несущей системы здания. При этом значения расчетных усилий должны быть не менее значений, установленных в регламентных требованиях (технических условиях и пр.) организаций-производителей с учетом нагрузок от сейсмического воздействия;
- узлы крепления НФ к несущим конструкциям здания должны обеспечивать свободные деформации ограждений при температурно-влажностных воздействиях, в процессе прогнозируемой деформации каркаса здания, а также в процессе прогнозируемой осадки здания в период строительства и стабилизации осадок;
- не допускается установка анкерного крепежа в наружные ограждающие стены, выполненные из каменных материалов, легких и ячеистобетонных блоков плотностью ниже 800 кг/м3;
- все элементы крепления и фиксации несущего каркаса, которые после монтажа окажутся недоступными для технического осмотра, должны быть защищены от коррозии в соответствии с СП 28.13330;
- конструкции НФ и их крепление к несущим конструкциям следует рассчитывать по прочности, устойчивости и деформативности как в целом, так и для отдельных элементов (узлов);
- для конструкций следует учитывать температурные климатические воздействия, если конструкция фасада не предусматривает компенсации температурных деформаций соответствующих элементов. Значение компенсационного зазора между блоками конструкций фасадов необходимо устанавливать по конструктивным соображениям или на основании расчета на температурные климатические воздействия.
При проектировании следует предусматривать устройства и механизмы для обслуживания и ремонта фасадных конструкций.
6.18а.12 Изготовление и монтаж стальных деталей креплений конструкций НФ к конструкциям здания следует выполнять в соответствии с требованиями СП 70.13330, проектной документации, а также правилами приемки и монтажа металлических конструкций.
6.18а.13 Мероприятия по оценке и подтверждению соответствия характеристик НФ проектным данным в процессе строительства и при эксплуатации здания следует отражать в проектной документации.
6.18а.14 Способы контроля качества (правила контроля, методы испытаний) НФ определяются СП 70.13330, ГОСТ 13015, ГОСТ 17625, ГОСТ 22904, ГОСТ 23858 и др., а также техническими условиями на НФ, разрабатываемыми и утверждаемыми в установленном порядке организациями-производителями.
6.18а.15 Требования к организации наблюдений за техническим состоянием НФ (далее - мониторинг) приведены в ГОСТ 31937.
Периодичность мониторинга с геодезической проверкой пространственного положения конструкций НФ устанавливается не реже одного раза в три года.
Внеочередные обследования НФ следует проводить после стихийных бедствий или аварий, а также в случае выявления их аварийного состояния. В первые пять лет эксплуатации здания такие осмотры путем визуального обследования осуществляются после каждого землетрясения на площадке строительства интенсивностью более 3 баллов на площадке расположения здания, а далее в течение всей эксплуатации здания после каждого землетрясения интенсивностью более 5 баллов.
В соответствии с ГОСТ 31937 при мониторинге следует контролировать целостность облицовочного материала, состояние антикоррозионной защиты (металлических элементов, изделий, сварных швов и пр.), техническое состояние элементов подсистемы, влажность утеплителя, крепежа и др.
Конструкции НФ, в которых обнаружены деформации, трещины и другие повреждения, свидетельствующие об изменении пространственного положения, должны быть проверены дополнительно, в рамках специальной программы ремонтно-восстановительных мероприятий.
(Измененная редакция. Изм. № 1)
6.19.1 Требования настоящего подраздела следует соблюдать при разработке мероприятий по обеспечению сейсмической безопасности эксплуатируемых зданий, в том числе восстанавливаемых после землетрясения и усиливаемых в связи с изменением сейсмичности площадки или функционального назначения объекта.
Примечание - Под изменением функционального назначения здания подразумеваются изменения, влекущие за собой повышение ответственности зданий, а также отнесение здания к объектам, функционирование которых в работоспособном состоянии необходимо для ликвидации чрезвычайных ситуаций, обусловленных землетрясением.
(Измененная редакция. Изм. № 1)
6.19.2 Необходимость восстановления или усиления здания устанавливается с учетом СП 442.1325800 на основании результатов обследования, выполняемого в соответствии с ГОСТ 31937. Расчетную сейсмичность существующего сооружения следует принимать равной расчетной сейсмичности площадки расположения объекта (см. раздел 5). Элементы здания с недостаточной несущей способностью выявляют расчетом.
(Измененная редакция. Изм. № 1)
6.19.3 Необходимость восстановления или усиления здания устанавливается с учетом СП 442.1325800 на основании результатов обследования, выполняемого в соответствии с ГОСТ 31937. Расчетную сейсмичность для существующего сооружения следует принимать равной расчетной сейсмичности площадки расположения объекта (см. раздел 5). Элементы здания с недостаточной несущей способностью выявляют расчетом.
(Новая редакция. Изм. № 1)
6.19.4 Целью усиления является обеспечение необходимого класса сейсмостойкости здания или сооружения, при котором будет обеспечено его работоспособное состояние при реализации расчетной сейсмичности площадки расположения объекта.
(Новая редакция. Изм. № 1)
6.19.5 (Исключен. Изм. № 1)
6.19.6 Восстановление зданий, поврежденных землетрясениями, должно сопровождаться технико-экономическим обоснованием и выполняться в рамках проекта реконструкции.
6.19.7 Для удовлетворения требований механической безопасности эксплуатируемых зданий с недостаточным классом сейсмостойкости необходимо использовать следующие инженерные методы и решения:
- изменение объемно-планировочных решений путем разделения зданий сложных конструктивных схем на отсеки простой формы антисейсмическими швами, разборки верхних этажей здания, устройства дополнительных элементов жесткости для обеспечения симметричного расположения жесткостей в пределах отсека и уменьшения расстояния между ними;
- усиление стен, рам, вертикальных связей для обеспечения восприятия усилий от расчетных сейсмических воздействий;
- увеличение надежности соединения элементов сборных перекрытий устройством или усилением антисейсмических поясов;
- обеспечение связей между стенами различных направлений, между стенами и перекрытиями;
- усиление элементов соединения сборных конструкций стен;
- изменение конструктивной схемы здания, в том числе путем введения системы дополнительных конструктивных элементов;
- снижение массы здания, применение сейсмоизоляции, пассивного демпфирования и других методов регулирования сейсмической реакции;
- изменение функционального назначения здания (снижение уровня ответственности).
(Измененная редакция. Изм. № 1)
6.19.8 - 6.19.10 (Исключены. Изм. № 1)
6.19.11 Решения о восстановлении или усилении зданий следует принимать с учетом их физического и морального износа, назначения и социально-экономической целесообразности мероприятий по восстановлению или усилению.
7.1 Положения настоящего раздела распространяются на строительство сооружений скоростных магистралей, магистралей с преимущественно пассажирским движением, особо грузонапряженных магистралей и железных дорог категорий I - IV, автомобильных дорог общего пользования категорий I - IV, метрополитенов, скоростных городских дорог и магистральных улиц, пролегающих в районах сейсмичностью 6 - 10 баллов.
7.2 Транспортные сооружения в сейсмических районах, грунты строительных площадок и прилегающие к ним территории (акватории) следует рассматривать как составные части природно-технической системы, подвергающейся при землетрясениях воздействиям в виде сейсмических волн в грунте, перемещений крыльев сейсмоактивных разломов, тектонических разрывов земной поверхности, сейсмооползней, обвалов, осыпей, снежных лавин, селевых и водно-песчаных потоков, разжижения грунта, цунами, гравитационных волн, образующихся при обрушении в водохранилища, заливы и проливы больших масс горных пород, затопления участков местности из-за ее опускания или образования сейсмотектонических и сейсмогравитационных дамб в долинах рек, изменения условий работы грунтов и строительных материалов, влияющих на прочность и устойчивость оснований и несущих конструкций.
7.3 Мероприятия по защите транспортных сооружений от поражающих факторов землетрясений следует предусматривать при новом строительстве, капитальном ремонте (реконструкции) и восстановлении транспортной инфраструктуры после разрушительных подземных толчков.
7.4 Состав и объем защитных мероприятий должны быть достаточными для предотвращения летальных людских потерь, недопустимого экономического и экологического ущерба в результате обрушения сооружений, нарушения устойчивости склонов в полосе отвода транспортных коммуникаций, нарушения транспортной доступности района стихийного бедствия, аварий транспортных средств, выброса в окружающую среду перевозимых по дорожной сети углеводородов, радиоактивных и других опасных веществ, остановки работы предприятий из-за прекращения поставок угля, цемента, леса и других грузов вследствие землетрясения расчетной силы.
7.5 При проектировании транспортных сооружений выбор карты из комплекта карт ОСР-2016 следует выполнять по СП 268.1325800.
(Измененная редакция. Изм. № 1)
7.6 Мероприятия по защите от землетрясений транспортных сооружений разрабатываются с предварительным УИС района (пункта) строительства и с учетом результатов работ по СМР строительных участков. Работы выполняются при инженерных изысканиях по правилам, изложенным в СП 269.1325800, учитывающим сейсмотектоническую обстановку, особенности сейсмического режима местности, строение грунтовой толщи, геоморфологические условия, расположение в плане и глубину заложения объекта.
7.7 Проектирование транспортных сооружений в сейсмических районах, в том числе восстанавливаемых после разрушительного землетрясения или усиливаемых в процессе эксплуатации, следует выполнять согласно требованиям, изложенным в СП 268.1325800.
Примечание - Повреждения транспортных сооружений после землетрясения оцениваются согласно СП 270.1325800.
7.8 При проектировании транспортных сооружений следует учитывать требования ГОСТ 27751, СП 119.13330, СП 34.13330, СП 35.13330, СП 122.13330, СП 120.13330, СП 22.13330, СП 24.13330 и СП 63.13330.
(Новая редакция. Изм. № 1)
8.1 Положения настоящего раздела распространяются на проектирование, строительство новых и реконструируемых напорных и безнапорных ГТС в сейсмических районах: плотин, дамб, водоприемников, поверхностных и донных водосбросов, каналов, гидротехнических туннелей, напорных трубопроводов, сооружений на деривационных трактах, шлюзов, судоподъемников, направляющих и причальных сооружений, рыбопропускных сооружений, берегоукрепительных сооружений, причальных пирсов и стенок, волноломов, доков, подземных сооружений гидроэлектрических станций, ГТС тепловых и атомных станций, а также сооружений, возводимых на шельфе.
8.2 Настоящий раздел устанавливает требования для ГТС, размещаемых или расположенных в районах с нормативной сейсмичностью Inor, равной 6 баллам и более по карте С (со средним периодом повторяемости воздействия один раз в 5000 лет) комплекта карт ОСР-2016.
8.3 Для обеспечения сейсмостойкости проектируемых, строящихся и эксплуатируемых ГТС требуется:
- выполнение комплекса расчетов по оценке прочности и устойчивости сооружений и их элементов с учетом взаимодействия ГТС с основанием и водохранилищем;
- применение конструктивных решений и материалов, повышающих сейсмостойкость ГТС;
- проведение на стадии проектирования водоподпорных сооружений классов I и II и МНГС исследований с задачей установления исходной и расчетной сейсмичности площадки строительства, наличия опасных процессов и явлений, связанных с сейсмичностью, определения расчетных сейсмических воздействий, получение, при необходимости, набора акселерограмм для этих воздействий;
- включение в проекты водоподпорных сооружений классов I и II отдельного раздела о проведении в процессе эксплуатации сооружения мониторинга опасных геодинамических явлений;
- обследование состояния ГТС и их оснований после каждого перенесенного землетрясения интенсивностью 5 баллов и более.
8.4 Все ГТС следует рассчитывать на два уровня сейсмических воздействий: MPЗ и ПЗ.
За MPЗ принимается землетрясение (сейсмическое воздействие) максимальной интенсивности на площадке строительства со средней повторяемостью один раз в 5000 лет для водоподпорных сооружений классов I, II и III и МНГС и повторяемостью один раз в 1000 лет - для всех остальных ГТС.
За ПЗ принимается землетрясение (сейсмическое воздействие) максимальной интенсивности на площадке строительства с повторяемостью один раз в 500 лет для всех ГТС.
Гидротехнические сооружения должны воспринимать MPЗ без угрозы собственного разрушения, в том числе ВСНФ всех классов - без угрозы прорыва напорного фронта, а МНГС - без угрозы собственного разрушения и без угрозы повреждений, приводящих к выбросу в окружающую среду углеводородов.
Сейсмические воздействия уровня ПЗ должны восприниматься ГТС без угрозы для жизни и здоровья людей и с сохранением собственной ремонтопригодности (для ВСНФ - при любом предусмотренном правилами эксплуатации уровне верхнего бьефа). При этом допускаются остаточные смещения, деформации, трещины и иные повреждения.
Примечание - Морские портовые причальные сооружения классов I и II, а также оградительные сооружения класса I рассчитывают на два уровня сейсмических воздействий. Остальные портовые безнапорные сооружения допускается рассчитывать только на сейсмические воздействия уровня ПЗ.
8.5 При проектировании ГТС для определения нормативной сейсмичности района строительства необходимо использовать систему нормативных карт ОСР-2016 либо список населенных пунктов Российской Федерации, расположенных в сейсмических районах согласно приложению А. При этом используют карту:
- ОСР-2016-С - при расчете на MPЗ водоподпорных сооружений классов I, II и III;
- ОСР-2016-В - при расчете на MPЗ водоподпорных сооружений класса IV и безнапорных ГТС;
- ОСР-2016-А - при расчете на ПЗ ГТС всех классов и видов.
8.6 Исходную сейсмичность Ibg площадки ВСНФ классов I и II и МНГС для MPЗ и ПЗ следует определять по результатам ДСР При этом должна быть составлена сейсмотектоническая модель сейсмического района расположения объекта, содержащая карту основных зон ВОЗ с параметрами сейсмических воздействий (максимальные магнитуды, глубины очагов и эпицентральные расстояния, повторяемость землетрясений). Следует также установить расчетные параметры сейсмических воздействий из всех выделенных зон на площадке сооружения с определением значений максимальных пиковых ускорений. Должны быть приведены также сведения о наличии или отсутствии активных разломов и возможности склоновых смещений большого объема и их параметрах.
Исходную сейсмичность площадок других ГТС допускается принимать равной:
- при расчете на MPЗ:
- для ВСНФ класса III - значению величины Inor (карта ОСР-2016-С);
- для ВСНФ класса IV и безнапорных ГТС - значению величины Inor (карта ОСР-2016-В);
- при расчете на ПЗ для ГТС всех классов и видов - значению величины Inor (карта ОСР-2016-А).
В случаях, когда нормативная сейсмичность района для требуемого периода повторяемости превышает 9 баллов, исходную сейсмичность площадки ГТС независимо от вида и класса ГТС следует определять на основе ДСР или УИС.
8.7 Расчетную сейсмичность Ides площадки ГТС следует устанавливать исходя из исходной сейсмичности и с учетом данных СМР.
Расчетную сейсмичность принимают для уровней MPЗ и ПЗ.
8.8 Определение расчетных сейсмических воздействий для ГТС, расположенных в сейсмических районах, их проектирование, а также мониторинг опасных для ГТС геодинамических явлений проводят в соответствии с требованиями СП 358.1325800, СП 23.13330, СП 39.13330, СП 40.13330, СП 41.13330, СП 58.13330, СП 369.1325800.
(Измененная редакция. Изм. № 1)
Проектирование зданий и сооружений в сейсмических районах осуществляется в соответствии с действующими нормативными правовыми актами и нормативными документами по пожарной безопасности и положениями настоящего свода правил.
(Новая редакция. Изм. № 1)
9.1 При проектировании зданий и сооружений в сейсмических районах выбор строительных конструкций со средствами огнезащиты и систем противопожарной защиты следует проводить с учетом необходимого уровня их сейсмической безопасности, соответствующих расчетных сейсмических воздействий и оценки работоспособности после них.
(Новая редакция. Изм. № 1)
9.1.1 Для обеспечения требуемого предела огнестойкости строительных конструкций зданий и сооружений, при необходимости, следует применять средства огнезащиты, прошедшие подтверждение соответствия по утвержденным методам от испытательных центров и лабораторий, допущенных к проведению таких работ в порядке, установленном действующим законодательством. При этом требования по сейсмостойкости строительных конструкций со средствами огнезащиты, систем противопожарной защиты следует устанавливать в соответствии с настоящим сводом правил, СП 2.13130, СП 5.13130, СП 10.13130.
(Новая редакция. Изм. № 1)
9.1.2 Эффективность средств огнезащиты оценивают по ГОСТ Р 53292 и ГОСТ Р 53295. Пределы огнестойкости строительных конструкций с огнезащитой и их класс пожарной опасности устанавливают по ГОСТ 30247.0 и ГОСТ 30403. При этом применяемые средства огнезащиты должны обеспечивать:
- выполнение несущими конструкциями зданий и сооружений их несущих функций (признак R) после сейсмического воздействия на них, без ограничения требований по признакам Е и I, при температурном воздействии по стандартному температурному режиму по ГОСТ 30247.0 или иным режимам (углеводородный, альтернативный, реальный). При этом допускается снижение предела огнестойкости несущих конструкций зданий и сооружений не более чем в два раза после расчетного сейсмического воздействия при условии, что до момента ввода таких объектов в режим нормальной эксплуатации после землетрясения будут обеспечены проектные значения огнестойкости;
- сохранность прочностных характеристик несущих конструкций зданий и сооружений повышенного уровня сейсмической безопасности на уровне, достаточном, чтобы выдержать повторные толчки интенсивностью воздействия в два раза меньше, чем происшедшее расчетное землетрясение, и возможное одновременное воздействие пожара. Для наиболее ответственных несущих конструкций допускается применять преимущественно огнезащиту материалами, обеспечивающими их надежную адгезию или крепление к защищаемой конструкции и сохранение огнезащитных свойств для дальнейшей эксплуатации.
(Введен дополнительно. Изм. № 1)
9.1.3 Применяемые средства огнезащиты не должны снижать способность строительных конструкций противостоять сейсмическим воздействиям.
При повышении пределов огнестойкости покрытий и перекрытий зданий и сооружений подвесные потолки не учитываются.
(Введен дополнительно. Изм. № 1)
9.1.4 При проведении расчетов (в т.ч. огнестойкости) строительных конструкций со средствами огнезащиты, а также системами противопожарной защиты (орошения, охлаждения и пр.) следует руководствоваться требованиями раздела 5. В расчетах зданий и сооружений повышенного уровня ответственности и сейсмической безопасности следует учитывать изменение прочностных и деформационных характеристик строительных конструкций и материалов, вызванное огневым воздействием с длительностью, установленной в соответствии с 9.1.2.
(Введен дополнительно. Изм. № 1)
9.1.5 Устойчивость к сейсмическим воздействиям строительных конструкций со средствами огнезащиты и системами противопожарной защиты, а также их креплений следует подтверждать результатами испытаний, выполненных на натурных фрагментах, с учетом требований ГОСТ 30546.1.
Конструктивные и иные средства огнезащиты, не прошедшие испытаний на сейсмические воздействия по надежности крепления к конструкциям, применять не допускается.
(Введен дополнительно. Изм. № 1)
9.1.6 Для строительных площадок с различной сейсмичностью допускается формировать требования к пределам огнестойкости строительных конструкций объекта на основе данных, полученных путем расчетов динамики развития пожара или экспериментальным путем на здании или его фрагменте, с учетом эквивалентной продолжительности пожара.
Результаты таких исследований вместе с расчетами и испытаниями применяются для оценки эффективности технических решений по обеспечению требуемой огнестойкости строительных конструкций.
(Введен дополнительно. Изм. № 1)
9.2 Оборудование технологической части автоматических установок пожаротушения (насосные, иные силовые агрегаты, трубопроводы, их опорные конструкции, модули пожаротушения, коллекторы, распределительные устройства) также подлежит оценке на сейсмостойкость по апробированным методикам.
(Новая редакция. Изм. № 1)
9.2.1 Обоснование сейсмостойкости оборудования технологической части должно выполняться расчетными и (или) экспериментальными методами в соответствии с требованиями ГОСТ 30546.1.
(Новая редакция. Изм. № 1)
9.2.2 Проверка сейсмостойкости наружного и внутреннего противопожарного водопровода, модулей и батарей автоматических установок пожаротушения, а также автономных установок (устройств) проводится с учетом узлов их крепления к строительным конструкциям.
(Новая редакция. Изм. № 1)
9.2.3 Допускаемые перемещения для оборудования и трубопроводов определяются в зависимости от эксплуатационных условий (недопустимые соударения и перекосы, разуплотнение герметичных стыков и т.п.).
(Новая редакция. Изм. № 1)
9.2.4 Сейсмические нагрузки на оборудование технологической части систем противопожарной защиты задается с учетом одновременного сейсмического воздействия по трем пространственным компонентам.
9.2.5 При обосновании сейсмостойкости оборудования технологической части учитываются два вида сейсмических нагрузок:
- инерционные нагрузки, вызванные динамическими колебаниями системы при заданном сейсмическом воздействии;
- нагрузки, возникающие в результате относительного смещения опор оборудования технологической части установок (устройств) пожаротушения при расчетном землетрясении.
(Новая редакция. Изм. № 1)
9.2.6 При обосновании сейсмостойкости массивного оборудования технологической части следует учитывать влияние колебаний оборудования на его опорные элементы.
(Новая редакция. Изм. № 1)
9.2.7 Расчеты сейсмостойкости нестандартных по протяженности элементов оборудования технологической части следует выполнять с учетом различия в условиях сейсмического нагружения опорных конструкций.
(Новая редакция. Изм. № 1)
9.2.8 Сейсмостойкость оборудования технологической части автоматических установок, устройств пожаротушения (модули пожаротушения, трубопроводы и т.п.), полностью или частично наполненных жидкостными огнетушащими веществами, составами, должна быть обоснована с учетом гидродинамических воздействий при сейсмических колебаниях жидкости.
(Новая редакция. Изм. № 1)
9.2.9 Жесткая заделка труб при проходке трубопроводов установок, устройств пожаротушения через строительные конструкции стены (стены, перегородки, перекрытия и др.) не допускается. Размеры отверстий для пропусков труб через стены должны обеспечивать в стене зазор вокруг трубы не менее 0,2 м. Зазор следует заполнять эластичным негорючим материалом, обеспечивающим предел огнестойкости не ниже, чем у основной конструкции.
(Новая редакция. Изм. № 1)
9.2.10 (Исключен. Изм. № 1)
9.2.11 (Исключен. Изм. № 1)
9.3 В сейсмических районах также следует соблюдать требования по выполнению испытаний на сейсмостойкость элементов систем автоматической пожарной сигнализации, оповещения и управления эвакуацией людей при пожаре, приемно-контрольных приборов и приборов управления автоматических установок, устройств и первичных средств пожаротушения.
Элементы таких систем и приборы следует испытывать в собранном, закрепленном, отрегулированном и работоспособном состоянии в режиме, имитирующем рабочее состояние.
В случае если масса и габаритные размеры элементов и приборов не позволяют испытывать их в полном комплекте на испытательном оборудовании, то испытания допускается проводить по группам изделий или электротехнических панелей.
Параметры режимов нагрузок при испытаниях на стенде контролируют в основании крепления изделий. Способ крепления изделия на плите стенда должен быть аналогичен способу его крепления при эксплуатации.
(Новая редакция. Изм. № 1)
9.3.1 - 9.3.10 (Исключены. Изм. № 1)
Общее сейсмическое районирование территории Российской
Федерации
(ОСР-2016)
Список
населенных пунктов Российской Федерации, расположенных в
сейсмических районах, с указанием нормативной сейсмической интенсивности
в баллах шкалы MSK-64 для средних грунтовых условий и трех степеней
сейсмической опасности - А (10 %), В (5 %), С (1 %), вероятности превышения
соответственно 10 %, 5 % и 1 % в течение 50 лет в соответствии с комплектом
карт общего сейсмического районирования - ОСР-2016-А, ОСР-2016-В,
ОСР-2016-С
Степень сейсмической опасности, указанная в таблице арабскими цифрами 6 - > 9 в столбцах А, В и С, соответствует баллам шкалы MSK-64 и вероятности возможного превышения 10 % (карта ОСР-2016-А), 5 % (карта ОСР-2016-В) и 1 % (карта ОСР-2016-С) (или 90 %, 95 % и 99 % непревышения) расчетной сейсмической интенсивности в каждом из пунктов в течение 50 лет. Эти же оценки отражают 90 %-ную вероятность непревышения указанных значений сейсмической интенсивности в течение интервалов времени 50, 100 и 500 лет и соответствуют повторяемости таких сотрясений в среднем один раз в 500 (карта А), 1000 (карта В) и 5000 лет (карта С).
Каждая из карт, входящих в комплект ОСР-2016 (А, В, С), позволяет обеспечивать одинаковую степень инженерного риска на всей территории Российской Федерации.
Населенные пункты, по территории которых проходит граница зон разной балльности, отнесены к более сейсмоопасной зоне, и эти значения в таблице помечены звездочкой. Для таких населенных пунктов рекомендуется провести региональные сейсмологические исследования с целью уточнения опасности либо использовать указанное в таблице значение.
Субъекты Российской Федерации, их города и населенные пункты, территории которых расположены в пределах зон, характеризующихся сейсмической интенсивностью менее 6 баллов, в приведенный список не помещены.
|
Наименование субъектов РФ и населенных пунктов |
Карты ОСР-2016 |
Наименование субъектов РФ и населенных пунктов |
Карты ОСР-2016 |
Наименование субъектов РФ и населенных пунктов |
Карты ОСР-2016 |
||||||
|
А |
В |
С |
А |
В |
С |
А |
В |
С |
|||
|
РЕСПУБЛИКА АДЫГЕЯ |
|||||||||||
|
Абадзехская |
8 |
8 |
9 |
Игнатьевский |
7 |
7 |
8 |
Панахес |
8* |
8 |
9 |
|
Адамий |
7 |
7 |
8 |
Кабехабль |
7 |
7 |
8 |
Первомайский |
8 |
8 |
9 |
|
Адыгейск |
7 |
8 |
9 |
Каменномостский |
8 |
8 |
9 |
Понежукай |
7 |
8 |
9 |
|
Ассоколай |
7 |
8 |
9 |
Келермесская |
7 |
7 |
8 |
Преображенское |
7 |
7 |
8 |
|
Афипсип |
7 |
8 |
9 |
Козет |
7 |
8 |
9 |
Прикубанский |
7 |
8 |
9 |
|
Белое |
7 |
7 |
8 |
Кошехабль |
7 |
7 |
8 |
Пролетарский |
7 |
8 |
8 |
|
Блечепсин |
7 |
7 |
8 |
Красная Улька |
7 |
7 |
8 |
Пчегатлукай |
7 |
8 |
9 |
|
Большесидоровское |
7 |
7 |
8 |
Красногвардейское |
7 |
7 |
8 |
Пшичо |
7 |
7 |
8 |
|
Вольное |
7 |
7 |
8 |
Краснооктябрьский |
7 |
8 |
9 |
Садовое |
7 |
7 |
8 |
|
Вочепший |
7 |
8 |
9 |
Красный Мост |
7 |
8 |
9 |
Северо-Восточные Сады |
7 |
8 |
8 |
|
Габукай |
7 |
8 |
8 |
Кужорская |
7 |
7 |
8 |
Сергиевское |
7 |
7 |
8 |
|
Гатлукай |
7 |
8 |
9 |
Курджипская |
8 |
8 |
9 |
Совхозный |
7 |
8 |
9 |
|
Гиагинская |
7 |
7 |
8 |
Майкоп |
7 |
8 |
9* |
Старобжегокай |
7 |
8 |
9 |
|
Гончарка |
7 |
7 |
8 |
Майский |
7 |
7 |
8 |
Табачный |
7 |
8 |
9 |
|
Даховская |
8 |
8 |
9 |
Мамхег |
7 |
7 |
8 |
Тахтамукай |
7 |
8 |
9 |
|
Джерокай |
7 |
7 |
8 |
Натырбово |
7 |
7 |
8 |
Тимирязева |
7 |
8 |
9 |
|
Дондуковская |
7 |
7 |
8 |
Новая Адыгея |
7 |
8 |
9 |
Тимирязево |
7 |
8 |
9 |
|
Дружба |
7 |
7 |
8 |
Новосвободная |
8 |
8 |
9 |
Тлюстенхабль |
7 |
8 |
9 |
|
Егерухай |
7 |
7 |
8 |
Новый (Гиагинский р-н) |
7 |
7 |
8 |
Тульский |
7 |
8 |
9 |
|
Еленовское |
7 |
7 |
8 |
Новый (Тахтамукайский р-н) |
7 |
8 |
9 |
Удобный |
7 |
8 |
9 |
|
Зарево |
7 |
7 |
8 |
Новый Сад |
7 |
8 |
9 |
Уляп |
7 |
7 |
8 |
Продолжение таблицы
|
Наименование субъектов РФ и населенных пунктов |
Карты ОСР-2016 |
Наименование субъектов РФ и населенных пунктов |
Карты ОСР-2016 |
Наименование субъектов РФ и населенных пунктов |
Карты ОСР-2016 |
||||||
|
А |
В |
С |
А |
В |
С |
А |
В |
С |
|||
|
Хакуринохабль |
7 |
7 |
8 |
Ходзь |
7 |
8* |
8 |
Энем |
7 |
8 |
9 |
|
Хамышки |
8 |
8 |
9 |
Цветочный |
7 |
8 |
9 |
Яблоновский |
7 |
8 |
9 |
|
Ханская |
7 |
8 |
9* |
Шенджий |
7 |
8 |
9 |
|
|||
|
Хатукай |
7 |
7 |
8 |
Шовгеновский |
7 |
7 |
8 |
||||
|
РЕСПУБЛИКА АЛТАЙ |
|||||||||||
|
Акташ |
9 |
9 |
> 9 |
Катанда |
8 |
8 |
9 |
Турочак |
7 |
7 |
8 |
|
Актел |
8 |
8 |
9 |
Козуль |
8 |
8 |
9 |
Уймень |
8 |
8 |
9 |
|
Амур |
8 |
8 |
9 |
Кокория |
8 |
9 |
> 9 |
Улаган |
8 |
9 |
> 9* |
|
Анос |
8 |
8 |
9 |
Кош-Агач |
8 |
9 |
> 9 |
Улус-Черга |
8 |
8 |
9 |
|
Артыбаш |
7 |
8 |
9 |
Кулада |
8 |
8 |
9 |
Усть-Кан |
8 |
8 |
9 |
|
Багараш |
8 |
8 |
9 |
Купчегень |
8 |
8 |
9 |
Усть-Кокса |
8 |
8 |
9 |
|
Балыктуюль |
8 |
9 |
9 |
Курай |
9 |
9 |
> 9 |
Усть-Кумир |
8 |
8 |
9 |
|
Белый Ануй |
8 |
8 |
9 |
Курмач-Байгол |
7 |
7 |
8 |
Усть-Муны |
8 |
8 |
9 |
|
Бельтир |
8 |
9 |
> 9 |
Куюс |
8 |
8 |
9 |
Усть-Мута |
8 |
8 |
9 |
|
Беляши |
8 |
8 |
9 |
Кызылозек |
8 |
8 |
9 |
Усть-Улаган |
8 |
9 |
> 9 |
|
Бешозек |
8 |
8 |
9 |
Кырлык |
8 |
8 |
9 |
Хабаровка |
8 |
8 |
9 |
|
Бешпельтир |
8 |
8 |
9 |
Майма |
8 |
8 |
9 |
Чаган-Узун |
9 |
9 |
> 9 |
|
Бийка |
7 |
8 |
8 |
Малая Черга |
8 |
8 |
9 |
Чемал |
8 |
8 |
9 |
|
Бирюля |
8 |
8 |
9 |
Нижняя Талда |
8 |
8 |
9 |
Чендек |
8 |
8 |
9 |
|
Верх-Апшуяхта |
8 |
8 |
9 |
Огневка |
8 |
8 |
9 |
Черга |
8 |
8 |
9 |
|
Верхний Уймон |
8 |
8 |
9 |
Озеро-Куреево |
7 |
7 |
8 |
Черный Ануй |
8 |
8 |
9 |
|
Горбуново |
8 |
8 |
9 |
Онгудай |
8 |
8 |
9 |
Чибиля |
8 |
9 |
> 9 |
|
Горно-Алтайск |
8 |
8 |
9 |
Ортолык |
8 |
9 |
> 9 |
Чибит |
9 |
9 |
> 9 |
|
Дмитриевка |
7 |
7 |
8 |
Сейка |
7 |
8 |
9 |
Чоя |
7 |
8 |
9 |
|
Дьектиек |
8 |
8 |
9 |
Соузга |
8 |
8 |
9 |
Шашикман |
8 |
8 |
9 |
|
Ело |
8 |
8 |
9 |
Талда |
8 |
8 |
9 |
Шебалино |
8 |
8 |
9 |
|
Иня |
8 |
8 |
9 |
Тебелер |
8 |
9 |
> 9 |
Ынырга |
7 |
8 |
9 |
|
Иогач |
7 |
8 |
9 |
Теленгит-Сортовой |
8 |
9 |
> 9 |
Элекмонар |
8 |
8 |
9 |
|
Карагай |
8 |
8 |
9 |
Теньга |
8 |
8 |
9 |
Ябоган |
8 |
8 |
9 |
|
Каракокша |
8 |
8 |
9 |
Тондошка |
7 |
7 |
8 |
Яконур |
8 |
8 |
9 |
|
РЕСПУБЛИКА БАШКОРТОСТАН |
|||||||||||
|
Агидель |
- |
- |
6* |
Гафурово |
- |
- |
6 |
Первомайский |
- |
- |
6 |
|
Бакалы |
- |
- |
6 |
Емаши |
- |
- |
6 |
Старые Маты |
- |
- |
6 |
|
Большая Ока |
- |
- |
6 |
Месягутово |
- |
- |
6* |
Старые Туймазы |
- |
- |
6 |
|
Большеустьикинcкое |
- |
- |
6 |
Мурсалимкино |
- |
- |
6 |
Туймазы |
- |
- |
6 |
|
Верхнеяркеево |
- |
- |
6* |
Новобелокатай |
- |
- |
6 |
Тюменяк |
- |
- |
6 |
|
Верхние Киги |
- |
- |
6 |
Октябрьский |
- |
- |
6 |
Шаран |
- |
- |
6 |
|
РЕСПУБЛИКА БУРЯТИЯ |
|||||||||||
|
Адамово |
9 |
9 |
> 9 |
Аргада |
8 |
9 |
> 9 |
Бабушкин |
8 |
9 |
> 9 |
|
Алла |
8 |
9 |
> 9 |
Арзгун |
8 |
9 |
> 9 |
Багдарин |
7 |
7 |
8 |
|
Апцак |
7 |
8 |
9 |
Аршан |
9 |
9 |
> 9 |
Байкальское |
9 |
9 |
> 9 |
Продолжение таблицы
|
Наименование субъектов РФ и населенных пунктов |
Карты ОСР-2016 |
Наименование субъектов РФ и населенных пунктов |
Карты ОСР-2016 |
Наименование субъектов РФ и населенных пунктов |
Карты ОСР-2016 |
||||||
|
А |
В |
С |
А |
В |
С |
А |
В |
С |
|||
|
Бар |
8 |
8 |
9 |
Джида |
7 |
8 |
9 |
Кульский Станок |
7 |
8 |
8 |
|
Бараты |
8 |
8 |
9 |
Додо-Ичетуй |
7 |
8 |
9 |
Кумора |
9 |
9 |
> 9 |
|
Баргузин |
9 |
9 |
> 9 |
Дунда-Киреть |
8 |
8 |
9 |
Курукмкан |
8 |
9 |
> 9 |
|
Барыкино |
8 |
8 |
9 |
Дутулур |
7 |
8 |
9 |
Курумкан |
8 |
9 |
> 9 |
|
Баянгол |
8 |
8 |
9 |
Дырестуй |
7 |
8 |
9 |
Кусоты |
8 |
8 |
9 |
|
Белозерск |
7 |
8 |
9 |
Дэдэ-Ичетуй |
7 |
8 |
9 |
Кырен |
9 |
9 |
> 9 |
|
Билютай |
8 |
8 |
9 |
Дэдэ-Сутой |
8 |
8 |
9 |
Кяхта |
7 |
8 |
9 |
|
Бичура |
8* |
8 |
9 |
Елань |
7 |
8 |
9 |
Майский |
8 |
9 |
> 9 |
|
Большое Колесово |
9 |
9 |
> 9 |
Енгорбой |
7 |
8 |
9 |
Малая Кудара |
7 |
8 |
9 |
|
Большой Луг |
8 |
8 |
9 |
Енхор |
7 |
8 |
9 |
Малый Куналей |
8 |
8 |
9 |
|
Большая Речка |
9 |
9 |
> 9 |
Ехе-Цаган |
8 |
8 |
9 |
Михайловка |
7 |
8 |
9 |
|
Большой Куналей |
8 |
8 |
9 |
Ехэ-Цакир |
7 |
8 |
9 |
Могойто |
8 |
9 |
> 9 |
|
Бом |
8 |
8 |
9 |
Жаргаланта |
8 |
8 |
9 |
Могсохон |
7 |
8 |
8 |
|
Боргой |
7 |
8 |
9 |
Желтура |
7 |
8 |
9 |
Можайка |
7 |
7 |
8 |
|
Бортой |
8 |
8 |
9 |
Жемчуг |
9 |
9 |
> 9 |
Монгой |
7 |
7 |
8 |
|
Боций |
7 |
8 |
9 |
Загустай |
8 |
8 |
9 |
Монды |
8 |
9 |
> 9 |
|
Буй |
8 |
8 |
9 |
Заиграево |
8 |
8 |
9 |
Мурочи |
7 |
8 |
9 |
|
Булык |
7 |
8 |
9 |
Закаменск |
7 |
8 |
9 |
Мухоршибирь |
8 |
8 |
9 |
|
Бургуй |
7 |
8 |
9 |
Заречный |
8 |
8 |
9 |
Мыла |
8 |
8 |
9 |
|
Варваринский |
8 |
8 |
9 |
Зун-Адаг |
8 |
8 |
9 |
Нарсата |
8 |
8 |
9 |
|
Верх. Бургалтай |
7 |
8 |
9 |
Зурган-Дэбэ |
8 |
8 |
9 |
Нарын |
7 |
8 |
9 |
|
Верх. Заимка |
9 |
9 |
> 9 |
Зырянcк |
8 |
8 |
9 |
Наушки |
7 |
8 |
9 |
|
Верх. Тальцы |
7 |
8 |
9 |
Иволгинск |
8 |
8 |
9 |
Нестерово |
8 |
9 |
9 |
|
Верхний Жирим |
8 |
8 |
9 |
Ильинка |
8 |
9 |
9 |
Нижнеангарск |
9 |
9 |
> 9 |
|
Верхний Торей |
7 |
8 |
9 |
Илька |
7 |
8 |
9 |
Нижний Бургалтай |
7 |
8 |
9 |
|
Выдрино |
8 |
9 |
> 9* |
Инзагатуй |
7 |
8 |
9 |
Нижний Жирим |
8 |
8 |
9 |
|
Галбай |
9 |
9 |
> 9 |
Исинга |
7 |
7 |
8 |
Нижний Саянтуй |
8 |
8 |
9 |
|
Георгиевское |
7 |
7 |
8 |
Кабанск |
9 |
9 |
> 9 |
Нижний Торей |
7 |
8 |
9 |
|
Гонда |
7 |
7 |
8 |
Калиновка |
8 |
8 |
9 |
Нижняя Иволга |
8 |
8 |
9 |
|
Горхон |
7 |
8 |
9 |
Каменск |
9 |
9 |
> 9 |
Николаевский |
8 |
8 |
9 |
|
Гремячинск |
9 |
9 |
> 9 |
Кижинга |
7 |
8 |
8 |
Никольск |
8 |
8 |
9 |
|
Гунда |
7 |
7 |
8 |
Кичера |
9 |
9 |
> 9 |
Новая Брянь |
7 |
8 |
9 |
|
Гурульба |
8 |
8 |
9 |
Кома |
8 |
9 |
9 |
Новоильинск |
7 |
8 |
8 |
|
Гусиное Озеро |
8 |
8 |
9 |
Комсомольское |
7 |
7 |
8 |
Новокижинск |
7 |
8 |
9 |
|
Гусиноозерск |
8 |
8 |
9 |
Корсаково |
9 |
9 |
> 9 |
Новоселенгинск |
8 |
8 |
9 |
|
Гэгэтуй |
7 |
8 |
9 |
Кр. Яр |
9 |
9 |
> 9 |
Новосретинка |
8 |
8 |
9 |
|
Далахай (Закаменский р-н) |
8 |
8 |
9 |
Кудара |
9 |
9 |
> 9 |
Новый Заган |
8 |
8 |
9 |
|
Далахай (Тункинский р-н) |
9 |
9 |
> 9 |
Кудара-Сомон |
7 |
8 |
8 |
Новый Уоян |
9 |
9 |
> 9 |
|
Десятниково |
8 |
8 |
9 |
Куйтун |
8 |
8 |
9 |
Нурта |
7 |
8 |
9 |
Продолжение таблицы
|
Наименование субъектов РФ и населенных пунктов |
Карты ОСР-2016 |
Наименование субъектов РФ и населенных пунктов |
Карты ОСР-2016 |
Наименование субъектов РФ и населенных пунктов |
Карты ОСР-2016 |
||||||
|
А |
В |
С |
А |
В |
С |
А |
В |
С |
|||
|
Нур-Тухум |
8 |
8 |
9 |
Татарский Ключ |
7 |
8 |
9 |
Усть-Орот |
7 |
7 |
8 |
|
Оер |
7 |
8 |
9 |
Татаурово |
8 |
9 |
9 |
Усть-Эгита |
7 |
7 |
8 |
|
Озерный |
7 |
7 |
8 |
Ташелан |
7 |
8 |
8 |
Утата |
8 |
8 |
9 |
|
Оймур |
9 |
9 |
> 9 |
Ташир |
8 |
8 |
9 |
Хамней |
7 |
8 |
9 |
|
Окино-Ключи |
8 |
8 |
9 |
Телемба |
7 |
7 |
8 |
Хандагай |
7 |
8 |
8 |
|
Октябрьский |
7 |
8 |
8 |
Темник |
8 |
8 |
9 |
Харацай |
7 |
8 |
9 |
|
Ониноборск |
7 |
7 |
8 |
Тоннельный |
9 |
9 |
> 9 |
Харашибирь |
8 |
8 |
9 |
|
Онохой |
8 |
8 |
9 |
Топка |
7 |
8 |
9 |
Харбяты |
9 |
9 |
> 9 |
|
Орлик |
8 |
9 |
> 9 |
Торы |
9 |
9 |
> 9 |
Харгана |
8 |
8 |
9 |
|
Оронгой |
8 |
8 |
9 |
Тохой |
8 |
8 |
9 |
Хасурта |
8 |
8 |
9 |
|
Первомаевка |
8 |
8 |
9 |
Тресково |
8 |
9 |
> 9 |
Хилгана |
8 |
9 |
> 9 |
|
Петропавловка |
7 |
8 |
9 |
Тугнуй |
8 |
8 |
9 |
Холодная |
9 |
9 |
> 9 |
|
Подлопатки |
8 |
8 |
9 |
Тужинка |
7 |
7 |
8 |
Холтосон |
7 |
8 |
9 |
|
Потанино |
8 |
8 |
9 |
Тулдун |
7 |
7 |
8 |
Хонхолой (Бичурский р-н) |
8 |
8 |
9 |
|
Ранжурово |
9 |
9 |
> 9 |
Тунка |
9 |
9 |
> 9 |
Хонхолой (Мухоршибирский р-н) |
8 |
8 |
9 |
|
Романовка |
7 |
7 |
8 |
Туран |
8 |
9 |
> 9 |
Хоринск |
7 |
8 |
8 |
|
Россошино |
7 |
7 |
8 |
Турка |
9 |
9 |
> 9 |
Хоронхой |
7 |
8 |
9 |
|
Санага |
7 |
8 |
9 |
Турунтаево |
8 |
9* |
9 |
Хошун-Узур |
8 |
8 |
9 |
|
Санномыск |
7 |
8 |
8 |
Тэгда |
8 |
8 |
9 |
Хужир (Закаменский р-н) |
7 |
8 |
9 |
|
Сахули |
9 |
9 |
> 9 |
Уакит |
8 |
9 |
9 |
Хужир (Окинcкий р-н) |
8 |
9 |
> 9 |
|
Северный |
7 |
7 |
8 |
Удинск |
7 |
8 |
9 |
Хужиры |
9 |
9 |
> 9 |
|
Северобайкальск |
9 |
9 |
> 9 |
Улан-Удэ |
8 |
8 |
9 |
Хурай-Хобок |
9 |
9 |
> 9 |
|
Северомуйск |
9 |
9 |
> 9 |
Улекчин |
7 |
8 |
9 |
Хурамша |
8 |
8 |
9 |
|
Селенгинск |
8 |
9 |
> 9 |
Улентуй |
7 |
8 |
9 |
Хуртага |
7 |
8 |
9 |
|
Селендума |
8 |
8 |
9 |
Ульдурга |
7 |
7 |
8 |
Цаган-Усун |
7 |
8 |
9 |
|
Сокол |
8 |
8 |
9 |
Ульзытэ |
7 |
7 |
8 |
Цагатуй |
7 |
8 |
9 |
|
Солнечный |
9 |
9 |
> 9 |
Улюн |
8 |
9 |
> 9 |
Цайдам |
8 |
8 |
9 |
|
Сорок |
8 |
9 |
> 9 |
Улюнхан |
8 |
9 |
> 9 |
Цакир |
7 |
8 |
9 |
|
Сосново-Озерское |
7 |
7 |
8 |
Унгуркуй |
7 |
8 |
8 |
Целинный |
7 |
7 |
8 |
|
Сотниково |
8 |
8 |
9 |
Унэгэтэй |
8 |
8 |
9 |
Ципикан |
8 |
8 |
9 |
|
Старая Брянь |
7 |
8 |
9 |
Уоян |
9 |
9 |
> 9 |
Цолга |
8 |
8 |
9 |
|
Суво |
8 |
9 |
> 9 |
Уро |
8 |
9 |
> 9 |
Чесан |
7 |
7 |
8 |
|
Сулхара |
7 |
8 |
9 |
Усть-Баргузин |
9 |
9 |
> 9 |
Чикой |
7 |
8 |
8 |
|
Сухая |
9 |
9 |
> 9 |
Усть-Бургалтай |
7 |
8 |
9 |
Читкан |
8 |
9 |
> 9 |
|
Таксимо |
9 |
9 |
> 9 |
Усть-Джилинда |
7 |
8 |
8 |
Шанага |
8 |
8 |
9 |
|
Тамир |
7 |
8 |
8 |
Усть-Киран |
7 |
8 |
9 |
Шара-Азарга |
7 |
8 |
9 |
|
Танхой |
8 |
9 |
9 |
Усть-Кяхта |
7 |
8 |
9 |
Шарагол |
7 |
8 |
9 |
|
Тарбагатай |
8 |
8 |
9 |
Усть-Муя |
9 |
9 |
> 9 |
Шаралдай |
8 |
8 |
9 |
Продолжение таблицы
|
Наименование субъектов РФ и населенных пунктов |
Карты ОСР-2016 |
Наименование субъектов РФ и населенных пунктов |
Карты ОСР-2016 |
Наименование субъектов РФ и населенных пунктов |
Карты ОСР-2016 |
||||||
|
А |
В |
С |
А |
В |
С |
А |
В |
С |
|||
|
Шергино |
9 |
9 |
> 9 |
Эдэрмэг |
7 |
8 |
8 |
Югово |
8 |
9 |
> 9 |
|
Шибертуй |
8 |
8 |
9 |
Эрхирик |
8 |
8 |
9 |
Янчукан |
9 |
9 |
> 9 |
|
Шигаево |
9 |
9 |
> 9 |
Юбилейный |
8 |
9 |
9 |
|
|
|
|
|
РЕСПУБЛИКА ДАГЕСТАН |
|||||||||||
|
Авадан |
8 |
9 |
9 |
Арак |
8 |
8 |
9 |
Батлаич |
8 |
8 |
9 |
|
Аверьяновка |
8 |
8 |
9 |
Аракани |
8 |
8 |
9 |
Бацада |
8 |
8 |
9 |
|
Агач-Аул |
8 |
9 |
9 |
Аракул |
8 |
9 |
> 9 |
Башлыкент |
8 |
8 |
9 |
|
Агвали |
8 |
9 |
9 |
Арани |
8 |
8 |
9 |
Бежта |
8 |
9 |
> 9 |
|
Аглоби |
8 |
9 |
9 |
Аргвани |
8 |
9 |
9 |
Белиджи |
8 |
9 |
9 |
|
Аданак |
8 |
8 |
9 |
Аркас |
8 |
8 |
9 |
Берикей |
8 |
8 |
9 |
|
Аджидада |
8 |
8 |
9 |
Аркит |
8 |
8 |
9 |
Бетельда |
8 |
9 |
> 9 |
|
Адиль-отар |
8 |
8 |
9 |
Артлух |
8 |
9 |
9 |
Бильбиль-Казмаляр |
8 |
9 |
9 |
|
Адиль-Янгиюрт |
8 |
8 |
9 |
Арчиб |
8 |
9 |
9 |
Богатыревка |
8 |
9 |
9 |
|
Азадоглы |
8 |
9 |
9 |
Арчо |
8 |
8 |
9 |
Бол.арешевка |
7 |
8 |
9 |
|
Аймаки |
8 |
8 |
9 |
Асаб |
8 |
8 |
9 |
Большебредихинское |
7 |
8 |
9 |
|
Аймау-махи |
8 |
8 |
9 |
Атлан-Аул |
8 |
9 |
9 |
Большезадоевское |
8 |
8 |
9 |
|
Акайтала |
8 |
9 |
9 |
Ахалчи |
8 |
8 |
9 |
Борч |
9 |
9 |
> 9 |
|
Акбулатьюрт |
8 |
9 |
9 |
Ахар |
8 |
9 |
9 |
Боташ-Юрт |
8 |
9 |
9 |
|
Акнада |
8 |
9 |
9 |
Ахкент |
8 |
8 |
9 |
Бота-Юрт |
8 |
9 |
9 |
|
Аксай |
8 |
9 |
9 |
Ахметкент |
8 |
8 |
9 |
Ботлих |
8 |
8 |
9 |
|
Акуша |
8 |
8 |
9 |
Ахты |
8 |
9 |
> 9 |
Брянск |
7 |
7 |
8 |
|
Алак |
8 |
8 |
9 |
Ачису |
8 |
8 |
9 |
Буглен |
8 |
8 |
9 |
|
Аламаше |
8 |
9 |
9 |
Ачи-Су |
8 |
8 |
9 |
Буйнакск |
8 |
9 |
9 |
|
Александрийская |
7 |
8 |
9 |
Ашага-Стал |
8 |
9 |
9 |
Бурганкент |
8 |
8 |
9 |
|
Александро-Невское |
8 |
8 |
9 |
Ашага-Стал-Казмаляр |
8 |
9 |
9 |
Бургимак-Махи |
8 |
8 |
9 |
|
Алиханмахи |
8 |
8 |
9 |
Ашага-Ярак |
8 |
8 |
9 |
Бурдеки |
8 |
8 |
9 |
|
Алкадар |
8 |
9 |
9 |
Ашали |
8 |
9 |
9 |
Буркихан |
8 |
9 |
9 |
|
Алмак |
8 |
9 |
9 |
Ашар |
8 |
9 |
> 9 |
Буртунай |
8 |
9 |
9 |
|
Алмало |
8 |
9 |
9 |
Ашильта |
8 |
9 |
9 |
Буршаг |
8 |
8 |
9 |
|
Алхаджикент |
8 |
8 |
9 |
Ашты |
8 |
8 |
9 |
Бурши |
8 |
9 |
9 |
|
Альбурикент |
8 |
9* |
9 |
Аялакаб |
8 |
8 |
9 |
Бускри |
8 |
8 |
9 |
|
Амишта |
8 |
8 |
9 |
Аялизимахи |
8 |
8 |
9 |
Бут-Казмаляр |
8 |
9 |
9 |
|
Амсар |
9 |
9 |
> 9 |
Бабаюрт |
8 |
8 |
9 |
Бутри |
8 |
8 |
9 |
|
Амух |
8 |
9 |
9 |
Бавтугай |
8 |
9 |
9 |
Бухты |
8 |
8 |
9 |
|
Анди |
8 |
9 |
9 |
Байрамаул |
8 |
9 |
9 |
Буцра |
8 |
8 |
9 |
|
Андых |
8 |
8 |
9 |
Балахани |
8 |
8 |
9 |
Ванаши-Махи |
8 |
8 |
9 |
|
Ансалта |
8 |
9 |
9 |
Балхар |
8 |
8 |
9 |
Варсит |
8 |
8 |
9 |
|
Анчик |
8 |
8 |
9 |
Баммат-Юрт |
8 |
9 |
9 |
Вачи |
8 |
8 |
9 |
|
Апши |
8 |
8 |
9 |
Баршамай |
8 |
8 |
9 |
Великент |
8 |
8 |
9 |
|
Арабляр |
8 |
9 |
9 |
Баташюрт |
8 |
9 |
9 |
Верхний Арши |
8 |
8 |
9 |
Продолжение таблицы
|
Наименование субъектов РФ и населенных пунктов |
Карты ОСР-2016 |
Наименование субъектов РФ и населенных пунктов |
Карты ОСР-2016 |
Наименование субъектов РФ и населенных пунктов |
Карты ОСР-2016 |
||||||
|
А |
В |
С |
А |
В |
С |
А |
В |
С |
|||
|
Верхний Батлух |
8 |
8 |
9 |
Гимры |
8 |
9 |
9 |
Дубки |
8 |
9 |
9 |
|
Верхнее Гаквари |
8 |
9 |
9 |
Гинта |
8 |
8 |
9 |
Дубри-Махи |
8 |
8 |
9 |
|
Верхнее Инхело |
8 |
8 |
9 |
Гоготль |
8 |
8 |
9 |
Дулдуг |
8 |
9 |
9 |
|
Верхний Лабкомахи |
8 |
8 |
9 |
Голотль |
8 |
8 |
9 |
Дуранги |
8 |
8 |
9 |
|
Верхний Тогох |
8 |
8 |
9 |
Гонода |
8 |
8 |
9 |
Дусрах |
8 |
9 |
9 |
|
Верхний Убекимахи |
8 |
8 |
9 |
Гоор |
8 |
8 |
9 |
Дучи |
8 |
9 |
9 |
|
Верхний Дженгутай |
8 |
8 |
9 |
Гостала |
8 |
9 |
9 |
Дылым |
8 |
9 |
9 |
|
Верхнее Инхо |
8 |
8 |
9 |
Гочада |
8 |
8 |
9 |
Дюбек |
8 |
8 |
9 |
|
Верхнее Казанище |
8 |
8 |
9 |
Гочоб |
8 |
9 |
9 |
Ерси |
8 |
8 |
9 |
|
Верхний Каранай |
8 |
9 |
9 |
Губден |
8 |
8 |
9 |
Зеленоморское |
8 |
8 |
9 |
|
Верхний Катрух |
8 |
9 |
> 9 |
Гулли |
8 |
8 |
9 |
Зидьян-Казмаляр |
8 |
8 |
9 |
|
Верхние Мулебки |
8 |
8 |
9 |
Гуми |
8 |
8 |
9 |
Зизик |
8 |
8 |
9 |
|
Верхние Муребки |
8 |
8 |
9 |
Гуни |
8 |
9 |
9 |
Зило |
8 |
8 |
9 |
|
Вихли |
8 |
8 |
9 |
Гуниб |
8 |
8 |
9 |
Зильбачи |
8 |
8 |
9 |
|
Гагатли |
8 |
9 |
9 |
Гурбуки |
8 |
8 |
9 |
Зильдик |
8 |
8 |
9 |
|
Гадири |
8 |
9 |
9 |
Гурик |
8 |
8 |
9 |
Зубанчи |
8 |
8 |
9 |
|
Гакко |
8 |
9 |
9 |
Гюхряг |
8 |
8 |
9 |
Ибрагимотар |
8 |
8 |
9 |
|
Гамиях |
8 |
9 |
9 |
Дагбаш |
8 |
9 |
9 |
Игали |
8 |
8 |
9 |
|
Гапцах |
8 |
9 |
9 |
Дагестанские Огни |
8 |
9* |
9 |
Изано |
8 |
8 |
9 |
|
Гапшима |
8 |
8 |
9 |
Данух |
8 |
9 |
9 |
Избербаш |
8 |
8 |
9 |
|
Гведыш |
8 |
9 |
> 9 |
Дарваг |
8 |
8 |
9 |
Икра |
8 |
9 |
9 |
|
Гдым |
8 |
9 |
> 9 |
Даркушказмаляр |
8 |
9 |
9 |
Имени Жданова (Кизлярский район) |
8 |
8 |
9 |
|
Геба |
8 |
8 |
9 |
Дегва |
8 |
8 |
9 |
Имени Шаумяна |
8 |
8 |
9 |
|
Геджух |
8 |
8 |
9 |
Дейбук |
8 |
8 |
9 |
Ингердах |
8 |
8 |
9 |
|
Гели |
8 |
8 |
9 |
Дербент |
8 |
9* |
9 |
Ингиши |
8 |
9 |
9 |
|
Гельмец |
9 |
9 |
> 9 |
Джаба |
8 |
9 |
> 9 |
Инхоквари |
8 |
9 |
9 |
|
Гельхен |
8 |
9 |
> 9 |
Джаванкент |
8 |
8 |
9 |
Инчха |
8 |
9 |
9 |
|
Геметюбе |
8 |
8 |
9 |
Джавгат |
8 |
8 |
9 |
Ирганай |
8 |
8 |
9 |
|
Гента |
8 |
9 |
9 |
Джангамахи |
8 |
8 |
9 |
Ириб |
8 |
9 |
9 |
|
Гергебиль |
8 |
8 |
9 |
Джемикент |
8 |
8 |
9 |
Испик |
8 |
9 |
9 |
|
Гергебильская ГЭС |
8 |
8 |
9 |
Джепель |
8 |
9 |
9 |
Ихрек |
9 |
9 |
> 9 |
|
Герейхановский |
8 |
9 |
9 |
Джибахни |
8 |
8 |
9 |
Ицари |
8 |
8 |
9 |
|
Герейхановское |
8 |
9 |
9 |
Джинаби |
8 |
8 |
9 |
Иштибури |
8 |
8 |
9 |
|
Герменчик |
8 |
8 |
9 |
Джирабачи |
8 |
8 |
9 |
Кабир |
8 |
9 |
9 |
|
Гертма |
8 |
9 |
9 |
Джульджаг |
8 |
8 |
9 |
Кабир-Казмаляр |
8 |
9 |
9 |
|
Герхмахи |
8 |
8 |
9 |
Дзержинское |
8 |
9 |
9 |
Кавкамахч |
8 |
8 |
9 |
|
Гигатль |
8 |
9 |
9 |
Дибгалик |
8 |
8 |
9 |
Кадар |
8 |
8 |
9 |
|
Гилиб |
8 |
9 |
9 |
Дибгаши |
8 |
8 |
9 |
Казма-аул |
8 |
8 |
9 |
|
Гильяр |
8 |
9 |
9 |
Доргели |
8 |
8 |
9 |
Кака |
8 |
9 |
> 9 |
|
Гимра |
8 |
9 |
9 |
Дуакар |
8 |
8 |
9 |
Какамахи (Карабудахкентский р-н) |
8 |
8 |
9 |
Продолжение таблицы
|
Наименование субъектов РФ и населенных пунктов |
Карты ОСР-2016 |
Наименование субъектов РФ и населенных пунктов |
Карты ОСР-2016 |
Наименование субъектов РФ и населенных пунктов |
Карты ОСР-2016 |
||||||
|
А |
В |
С |
А |
В |
С |
А |
В |
С |
|||
|
Какамахи (Левашинский р-н) |
8 |
8 |
9 |
Качалай |
8 |
8 |
9 |
Красный Восход |
8 |
8 |
9 |
|
Какашура |
8 |
8 |
9 |
Кая |
8 |
8 |
9 |
Куаниб |
8 |
8 |
9 |
|
Кала |
9 |
9 |
> 9 |
Каякент |
8 |
8 |
9 |
Куба |
8 |
8 |
9 |
|
Каладжух |
8 |
9 |
> 9 |
Кванада |
8 |
9 |
9 |
Кубачи |
8 |
8 |
9 |
|
Калинин-Аул |
8 |
9 |
9 |
Кванхидатли |
8 |
8 |
9 |
Куг |
8 |
8 |
9 |
|
Калиновка |
7 |
8 |
9 |
Кегер |
8 |
8 |
9 |
Кудагу |
8 |
8 |
9 |
|
Калкни |
8 |
8 |
9 |
Кеди |
8 |
9 |
9 |
Кудали |
8 |
8 |
9 |
|
Калоб |
8 |
9 |
> 9 |
Кидеро |
8 |
9 |
> 9 |
Кудияб-росо |
8 |
8 |
9 |
|
Калук |
8 |
9 |
> 9 |
Кижани |
8 |
8 |
9 |
Кудутль |
8 |
8 |
9 |
|
Кальял |
9 |
9 |
> 9 |
Кизилюрт |
8 |
9 |
9 |
Куйсун |
8 |
9 |
9 |
|
Камахал |
8 |
8 |
9 |
Кизляр |
8 |
8 |
9 |
Кулецма |
8 |
8 |
9 |
|
Камилух |
8 |
9 |
> 9 |
Кикуни |
8 |
8 |
9 |
Кули |
8 |
8 |
9 |
|
Кана-Сираги |
8 |
8 |
9 |
Килер |
8 |
9 |
> 9 |
Куллар |
8 |
9 |
9 |
|
Кани |
8 |
8 |
9 |
Килятль |
8 |
8 |
9 |
Кулушац |
8 |
8 |
9 |
|
Капкайкент |
8 |
8 |
9 |
Кирка |
8 |
9 |
9 |
Кульзеб |
8 |
9 |
9 |
|
Кара |
8 |
8 |
9 |
Кирки |
8 |
8 |
9 |
Кума |
8 |
8 |
9 |
|
Карабаглы |
7 |
8 |
9 |
Кироваул |
8 |
9 |
9 |
Кумли |
7 |
8 |
9 |
|
Карабудахкент |
8 |
8 |
9 |
Кирцик |
8 |
8 |
9 |
Кумук |
8 |
9 |
9 |
|
Карагас |
7 |
7 |
8 |
Кичи-Гамри |
8 |
8 |
9 |
Кумух |
8 |
8 |
9 |
|
Каракюре |
8 |
9 |
> 9 |
Кища |
8 |
8 |
9 |
Кунды |
8 |
8 |
9 |
|
Кара-Махи |
8 |
8 |
9 |
Кокрек |
8 |
9 |
9 |
Кунки |
8 |
8 |
9 |
|
Каранай-Аул |
8 |
8 |
9 |
Коктюбей |
7 |
7 |
8 |
Куппа |
8 |
8 |
9 |
|
Карасу |
7 |
8 |
8 |
Коммуна |
8 |
9 |
9 |
Кураг |
8 |
9 |
9 |
|
Карата |
8 |
8 |
9 |
Комсомольский |
7 |
8 |
9 |
Курах |
8 |
9 |
> 9 |
|
Карацан |
8 |
8 |
9 |
Комсомольское |
8 |
9 |
9 |
Куркак |
8 |
8 |
9 |
|
Караша |
8 |
8 |
9 |
Кондик |
8 |
8 |
9 |
Куркент |
8 |
9 |
9 |
|
Карбучи-Махи |
8 |
8 |
9 |
Конциль |
8 |
8 |
9 |
Куркли |
8 |
8 |
9 |
|
Кардиб |
8 |
9 |
> 9 |
Коркмаскала |
8 |
9 |
9 |
Курми |
8 |
8 |
9 |
|
Кардоновка |
8 |
8 |
9 |
Корода |
8 |
8 |
9 |
Куруш |
8 |
8 |
9 |
|
Карлабко |
8 |
8 |
9 |
Кособ |
8 |
9 |
9 |
Кутиша |
8 |
8 |
9 |
|
Карлан-Юрт |
8 |
9 |
9 |
Костек |
8 |
8 |
9 |
Кутлаб |
8 |
9 |
> 9 |
|
Картас-Казмаляр |
8 |
9 |
9 |
Косякино |
8 |
8 |
9 |
Кутул |
8 |
9 |
9 |
|
Карчаг |
8 |
8 |
9 |
Кочкюр |
8 |
9 |
> 9 |
Кяхулай |
8 |
9* |
9 |
|
Каспийск |
8 |
8 |
9 |
Кочубей |
7 |
7 |
8 |
Ланда |
8 |
9 |
9 |
|
Кассагумахи |
8 |
8 |
9 |
Кошкент |
8 |
9 |
9 |
Леваши |
8 |
8 |
9 |
|
Касумкент |
8 |
9 |
9 |
Крайновка |
7 |
8 |
9 |
Ленин-Аул (Казбековский р-н) |
8 |
9 |
9 |
|
Кафыр-Кумух |
8 |
9 |
9 |
Красноармейск |
8 |
9 |
9 |
Ленин-Аул (Ногайский р-н) |
7 |
7 |
8 |
|
Кахиб |
8 |
8 |
9 |
Краснооктябрьское |
8 |
8 |
9 |
Ленинкент |
8 |
9 |
9 |
Продолжение таблицы
|
Наименование субъектов РФ и населенных пунктов |
Карты ОСР-2016 |
Наименование субъектов РФ и населенных пунктов |
Карты ОСР-2016 |
Наименование субъектов РФ и населенных пунктов |
Карты ОСР-2016 |
||||||
|
А |
В |
С |
А |
В |
С |
А |
В |
С |
|||
|
Лологонитль |
8 |
8 |
9 |
Мугерган |
8 |
9 |
9 |
Новогеоргиевка |
8 |
8 |
9 |
|
Луткун |
8 |
9 |
> 9 |
Муги |
8 |
8 |
9 |
Новодмитриевка |
7 |
8 |
8 |
|
Лучек |
9 |
9 |
> 9 |
Мугурух |
8 |
8 |
9 |
Новокаре |
8 |
8 |
9 |
|
Львовский 1-й |
8 |
8 |
9 |
Мужукай |
8 |
8 |
9 |
Новокаякент |
8 |
8 |
9 |
|
Люксембург |
8 |
8 |
9 |
Муни |
8 |
8 |
9 |
Новокохановское |
8 |
8 |
9 |
|
Ляхля |
8 |
8 |
9 |
Мурада |
8 |
8 |
9 |
Новокули |
8 |
9 |
9 |
|
Маали |
8 |
8 |
9 |
Мургук |
8 |
8 |
9 |
Новолакское |
8 |
9 |
9 |
|
Магар |
8 |
8 |
9 |
Муслах |
9 |
9 |
> 9 |
Новомехельта |
8 |
9 |
9 |
|
Магарамкент |
8 |
9 |
9 |
Мусультемахи |
8 |
8 |
9 |
Новомонастырское |
8 |
8 |
9 |
|
Маджалис |
8 |
8 |
9 |
Муцалаул |
8 |
9 |
9 |
Новосельское |
8 |
9 |
9 |
|
Мазада |
8 |
9 |
9 |
Муцал-Аул |
8 |
9 |
9 |
Новочуртах |
8 |
9 |
9 |
|
Майданское |
8 |
8 |
9 |
Мушули |
8 |
8 |
9 |
Новый аул |
8 |
9 |
9 |
|
Малая Арешевка |
7 |
8 |
9 |
Мюрего |
8 |
8 |
9 |
Новый Кяхулай |
8 |
9* |
9 |
|
Маллакент |
8 |
8 |
9 |
Нариман |
7 |
7 |
8 |
Новый Сулак |
8 |
9 |
9 |
|
Мамааул |
8 |
8 |
9 |
Наскент |
8 |
8 |
9 |
Новый Фриг |
8 |
9 |
9 |
|
Мамедкала |
8 |
9* |
9 |
Нахки |
8 |
8 |
9 |
Нурадилово |
8 |
9 |
9 |
|
Манас |
8 |
8 |
9 |
Наци |
8 |
8 |
9 |
Нюгди |
8 |
9 |
9 |
|
Манас-Аул |
8 |
9 |
9 |
Начада |
8 |
9 |
9 |
Нютюг |
8 |
8 |
9 |
|
Манаскент |
8 |
8 |
9 |
Нечаевка |
8 |
9 |
9 |
Обода |
8 |
8 |
9 |
|
Марага |
8 |
8 |
9 |
Нижний Батлух |
8 |
8 |
9 |
Обох |
8 |
8 |
9 |
|
Махачкала |
8 |
9* |
9 |
Нижнее Гаквари |
8 |
9 |
9 |
Октябрьское |
8 |
9 |
9 |
|
Мегеб |
8 |
8 |
9 |
Нижнее Инхело |
8 |
8 |
9 |
Орада Чугли |
8 |
8 |
9 |
|
Межгюль |
8 |
8 |
9 |
Нижнее Хваршини |
8 |
9 |
9 |
Ората |
8 |
8 |
9 |
|
Мекеги |
8 |
8 |
9 |
Нижнее Чугли |
8 |
8 |
9 |
Орта-Стал |
8 |
9 |
9 |
|
Местерух |
8 |
8 |
9 |
Нижний Дженгутай |
8 |
8 |
9 |
Оружба |
8 |
9 |
9 |
|
Меусиша |
8 |
8 |
9 |
Нижнее Инхо |
8 |
8 |
9 |
Османюрт |
8 |
9 |
9 |
|
Мехельта |
8 |
9 |
9 |
Нижние Ишкарты |
8 |
9 |
9 |
Остров Чечень |
7 |
8 |
9 |
|
Миарсо |
8 |
8 |
9 |
Нижнее Казанище |
8 |
8 |
9 |
Охли |
8 |
8 |
9 |
|
Миглакасимахи |
8 |
8 |
9 |
Нижний Катрух |
8 |
9 |
> 9 |
Очло |
8 |
8 |
9 |
|
Микрах |
8 |
9 |
> 9 |
Нижние Мулебки |
8 |
8 |
9 |
Падар |
8 |
8 |
9 |
|
Мискинджа |
8 |
9 |
> 9 |
Нижний Чирюрт |
8 |
9 |
9 |
Параул |
8 |
8 |
9 |
|
Митаги |
8 |
8 |
9 |
Новый Мугри |
8 |
8 |
9 |
Первомайское (Каякентский р-н) |
8 |
8 |
9 |
|
Михрек |
8 |
9 |
> 9 |
Новый Бирюзяк |
7 |
8 |
8 |
Первомайское (Кизлярский р-н) |
8 |
8 |
9 |
|
Мишлеш |
9 |
9 |
> 9 |
Новый Викри |
8 |
8 |
9 |
Покровское |
8 |
9 |
9 |
|
Могилевское |
8 |
9 |
9 |
Новая Коса |
7 |
8 |
8 |
Рассвет |
7 |
8 |
9 |
|
Могох |
8 |
8 |
9 |
Новый Костек |
8 |
8 |
9 |
Ратлуб |
8 |
9 |
9 |
|
Мокок |
8 |
9 |
> 9 |
Новый Кхушет |
8 |
8 |
9 |
Рахата |
8 |
9 |
9 |
|
Моксоб |
8 |
9 |
9 |
Новый Чиркей |
8 |
9 |
9 |
Ретлоб |
8 |
9 |
> 9 |
|
Мочох |
8 |
8 |
9 |
Новая Мака |
8 |
9 |
9 |
Риквани |
8 |
9 |
9 |
|
Мугарты |
8 |
8 |
9 |
Новогатли |
8 |
9 |
9 |
Рича |
8 |
9 |
> 9 |
Продолжение таблицы
|
Наименование субъектов РФ и населенных пунктов |
Карты ОСР-2016 |
Наименование субъектов РФ и населенных пунктов |
Карты ОСР-2016 |
Наименование субъектов РФ и населенных пунктов |
Карты ОСР-2016 |
||||||
|
А |
В |
С |
А |
В |
С |
А |
В |
С |
|||
|
Ругуджа |
8 |
8 |
9 |
Темиргое |
8 |
9 |
9 |
Уркарах |
8 |
8 |
9 |
|
Рукель |
8 |
8 |
9 |
Терекли-Мектеб |
7 |
8* |
8 |
Урма |
8 |
8 |
9 |
|
Рутул |
9 |
9 |
> 9 |
Теречное |
8 |
9 |
9 |
Урхучи-Махи |
8 |
8 |
9 |
|
Саидкент |
8 |
9 |
9 |
Терутли |
8 |
9 |
> 9 |
Усемикент |
8 |
8 |
9 |
|
Салта |
8 |
8 |
9 |
Тидиб |
8 |
9 |
9 |
Усиша |
8 |
8 |
9 |
|
Самур |
8 |
9 |
9 |
Тинди |
8 |
9 |
9 |
Усуг |
8 |
9 |
> 9 |
|
Санчи |
8 |
8 |
9 |
Тинит |
8 |
8 |
9 |
Усухчай |
8 |
9 |
> 9 |
|
Саситли |
8 |
9 |
9 |
Тисси |
8 |
9 |
9 |
Утамыш |
8 |
8 |
9 |
|
Семендер |
8 |
9 |
9 |
Тлайлух |
8 |
8 |
9 |
Ухул |
8 |
9 |
> 9 |
|
Сергокала |
8 |
8 |
9 |
Тлибишо |
8 |
8 |
9 |
Уцми-Юрт |
8 |
8 |
9 |
|
Сильди |
8 |
9 |
9 |
Тлогоб |
8 |
8 |
9 |
Учкент |
8 |
9 |
9 |
|
Сиух (Хасавюртовский р-н) |
8 |
9 |
9 |
Тлондода |
8 |
9 |
9 |
Фий |
9 |
9 |
> 9 |
|
Сиух (Хунзахский р-н) |
8 |
8 |
9 |
Тлох |
8 |
8 |
9 |
Филя |
8 |
9 |
9 |
|
Смугул |
9 |
9 |
> 9 |
Тлядал |
8 |
9 |
> 9 |
Хаджалмахи |
8 |
8 |
9 |
|
Советское |
8 |
9 |
9 |
Тлярата |
8 |
9 |
> 9 |
Хадиял |
8 |
9 |
> 9 |
|
Согратль |
8 |
8 |
9 |
Тлярота |
8 |
9 |
9 |
Хазар |
8 |
9 |
9 |
|
Средний Арадирих |
8 |
8 |
9 |
Тляцуда |
8 |
9 |
9 |
Халаг |
9 |
9 |
> 9 |
|
Стальское |
8 |
9 |
9 |
Тпиг |
8 |
9 |
9 |
Халимбек-Аул |
8 |
9 |
9 |
|
Старотеречное |
7 |
8 |
8 |
Трисанчи |
8 |
8 |
9 |
Хамав-Юрт |
8 |
9 |
9 |
|
Сулак |
8 |
8 |
9 |
Тукита (Ахвахский р-н) |
8 |
8 |
9 |
Хамамат-Юрт |
8 |
8 |
9 |
|
Сулевкент |
8 |
8 |
9 |
Тукита (Хасавюртовский р-н) |
8 |
8 |
9 |
Хапиль |
8 |
8 |
9 |
|
Султан-Янги-Юрт |
8 |
9 |
9 |
Тураг |
8 |
8 |
9 |
Хараг |
8 |
8 |
9 |
|
Сумбатль |
8 |
8 |
9 |
Турщунай |
8 |
8 |
9 |
Харахи |
8 |
8 |
9 |
|
Сумета |
8 |
9 |
9 |
Тухчар |
7 |
8 |
8 |
Харачи |
8 |
8 |
9 |
|
Сутбук |
8 |
8 |
9 |
Тушиловка |
7 |
7 |
8 |
Харбук |
8 |
8 |
9 |
|
Суюткино |
7 |
8 |
8 |
Тюбе |
8 |
9 |
9 |
Хариколо |
8 |
8 |
9 |
|
Сыртыч |
8 |
8 |
9 |
Уздал-Росо |
8 |
8 |
9 |
Хасавюрт |
8 |
9 |
9 |
|
Тагиркент-Казмаляр |
8 |
9 |
9 |
Уплуая |
8 |
8 |
9 |
Хасанай |
8 |
8 |
9 |
|
Тад-Магитль |
8 |
8 |
9 |
Уллубий-Аул |
8 |
8 |
9 |
Хахита |
8 |
8 |
9 |
|
Тамазатюбе |
8 |
8 |
9 |
Уллугатаг |
8 |
9 |
9 |
Хвартикуни |
8 |
8 |
9 |
|
Тамаза-Тюбе |
8 |
8 |
9 |
Уллучара |
8 |
8 |
9 |
Хварши |
8 |
9 |
9 |
|
Тандо |
8 |
9 |
9 |
Унцукуль |
8 |
9* |
9 |
Хебда |
8 |
9* |
9 |
|
Танты |
8 |
8 |
9 |
Унчукатль |
8 |
8 |
9 |
Хелетури |
8 |
8 |
9 |
|
Тануси |
8 |
8 |
9 |
Ураги |
8 |
8 |
9 |
Хели |
8 |
8 |
9 |
|
Тарки |
8 |
9* |
9 |
Урада |
8 |
9 |
9 |
Хибиятль |
8 |
9 |
> 9 |
|
Тарумовка |
7 |
8 |
9* |
Урари |
8 |
8 |
9 |
Хив |
8 |
9 |
9 |
|
Татаюрт |
8 |
8 |
9 |
Урахи |
8 |
8 |
9 |
Хидиб |
8 |
9 |
9 |
|
Тебек-Махи |
8 |
8 |
9 |
Урга |
8 |
8 |
9 |
Хиндах (Гунибский р-н) |
8 |
8 |
9 |
|
Телетль |
8 |
8 |
9 |
Ури |
8 |
8 |
9 |
Хиндах (Хунзахский р-н) |
8 |
8 |
9 |
|
Темир-Аул |
8 |
9 |
9 |
Уриб |
8 |
8 |
9 |
Хлют |
9 |
9 |
> 9 |
Продолжение таблицы
|
Наименование субъектов РФ и населенных пунктов |
Карты ОСР-2016 |
Наименование субъектов РФ и населенных пунктов |
Карты ОСР-2016 |
Наименование субъектов РФ и населенных пунктов |
Карты ОСР-2016 |
||||||
|
А |
В |
С |
А |
В |
С |
А |
В |
С |
|||
|
Хнов |
9 |
9 |
> 9 |
Цолода |
8 |
8 |
9 |
Шалиб |
8 |
9 |
9 |
|
Хойхи |
8 |
8 |
9 |
Цугни |
8 |
8 |
9 |
Шамилькала |
8 |
8 |
9 |
|
Хоредж |
8 |
9 |
9 |
Цудахар |
8 |
8 |
9 |
Шамхал |
8 |
9 |
9 |
|
Хосрек |
8 |
8 |
9 |
Цумада |
8 |
9 |
9 |
Шамхал-Термен |
8 |
9 |
9 |
|
Хотода |
8 |
9 |
9 |
Цуриб |
8 |
8 |
9 |
Шамхал-Янги-Юрт |
8 |
8 |
9 |
|
Хоточ |
8 |
8 |
9 |
Цущар |
8 |
8 |
9 |
Шангода |
8 |
8 |
9 |
|
Хубар |
8 |
9 |
9 |
Цыйши |
8 |
8 |
9 |
Шапих |
8 |
9 |
> 9 |
|
Хулисма |
8 |
8 |
9 |
Чагар-Отар |
8 |
9 |
9 |
Шара |
8 |
8 |
9 |
|
Хуна |
8 |
8 |
9 |
Чанко |
8 |
8 |
9 |
Шиляги |
8 |
8 |
9 |
|
Хунзах |
8 |
8 |
9 |
Чанкурбе |
8 |
8 |
9 |
Шимихюр |
8 |
9 |
> 9 |
|
Хури |
8 |
8 |
9 |
Чапаево |
8 |
9 |
9 |
Шиназ |
9 |
9 |
> 9 |
|
Хурик |
8 |
8 |
9 |
Чарода |
8 |
8 |
9 |
Шихикент |
8 |
9 |
9 |
|
Хурхи |
8 |
8 |
9 |
Чахчах-Казмаляр |
8 |
9 |
9 |
Шовкра |
8 |
8 |
9 |
|
Хуршни |
8 |
8 |
9 |
Червленные Буруны |
7 |
8 |
8 |
Шотота |
8 |
8 |
9 |
|
Хутхул |
8 |
9 |
9 |
Черняевка |
7 |
8 |
9 |
Штул |
8 |
9 |
9 |
|
Хучни |
8 |
8 |
9 |
Чираг |
8 |
9 |
9 |
Шукты |
8 |
8 |
9 |
|
Хушет |
8 |
9 |
> 9 |
Чирката |
8 |
9 |
9 |
Шулани |
8 |
8 |
9 |
|
Хуштада |
8 |
9 |
9 |
Чиркей |
8 |
9 |
9 |
Эбдалая |
8 |
8 |
9 |
|
Цадах |
8 |
8 |
9 |
Читль |
8 |
8 |
9 |
Эминхюр |
8 |
9 |
9 |
|
Цатаних |
8 |
8 |
9 |
Чишили |
8 |
8 |
9 |
Эндирей |
8 |
9 |
9 |
|
Цахур |
9 |
9 |
> 9 |
Чонтаул |
8 |
9 |
9 |
Эрпели |
8 |
9 |
9 |
|
Цветковка |
7 |
8 |
9 |
Чох |
8 |
8 |
9 |
Эчеда |
8 |
9 |
9 |
|
Цекоб |
8 |
9 |
9 |
Чувек |
8 |
8 |
9 |
Южное |
8 |
8 |
9 |
|
Целягюн |
8 |
9 |
9 |
Чулат |
8 |
8 |
9 |
Южно-Сухокумск |
6 |
7 |
7 |
|
Цизгари |
8 |
8 |
9 |
Чумли |
8 |
8 |
9 |
Юрковка |
7 |
7 |
8 |
|
Цилитль |
8 |
9 |
9 |
Чуни |
8 |
8 |
9 |
Ялак |
8 |
9 |
> 9 |
|
Цмур |
8 |
9 |
9 |
Шабдух |
8 |
9 |
9 |
Янгикент |
8 |
8 |
9 |
|
Цовкра 1-я |
8 |
8 |
9 |
Шагада |
8 |
8 |
9 |
Яраг-Казмаляр |
8 |
9 |
9 |
|
Цовкра 2-я |
8 |
8 |
9 |
Шаитли |
8 |
9 |
> 9 |
Ясная Поляна |
7 |
8 |
9 |
|
РЕСПУБЛИКА ИНГУШЕТИЯ |
|||||||||||
|
Али-Юрт |
8 |
9 |
9 |
Кантышево |
8 |
9* |
9 |
Пседах |
8 |
8 |
9 |
|
Алхасты |
8 |
9 |
9 |
Карабулак |
8 |
9* |
9 |
Сурхахи |
8 |
9 |
9 |
|
Барсуки |
8 |
9 |
9 |
Магас |
8 |
9 |
9 |
Троицкая |
8 |
9 |
9 |
|
Гази-Юрт |
8 |
9 |
9 |
Малгобек |
8 |
8 |
9 |
Экажево |
8 |
9 |
9 |
|
Галашки |
8 |
9 |
9 |
Назрань |
8 |
9 |
9 |
Яндаре |
8 |
9 |
9 |
|
Джейрах |
8 |
9 |
> 9 |
Орджоникидзевская |
8 |
9 |
9 |
|
|
|
|
|
Долаково |
8 |
8 |
9 |
Плиево |
8 |
9* |
9 |
|
|
|
|
Продолжение таблицы
|
Наименование субъектов РФ и населенных пунктов |
Карты ОСР-2016 |
Наименование субъектов РФ и населенных пунктов |
Карты ОСР-2016 |
Наименование субъектов РФ и населенных пунктов |
Карты ОСР-2016 |
||||||
|
А |
В |
С |
А |
В |
С |
А |
В |
С |
|||
|
РЕСПУБЛИКА КАБАРДИНО-БАЛКАРИЯ |
|||||||||||
|
Александровская |
8 |
8 |
9 |
Каменномостское |
8 |
8 |
9 |
Приречное |
8 |
8 |
9 |
|
Алтуд |
8 |
8 |
8 |
Камлюко |
8 |
8 |
9 |
Пролетарское |
7 |
8 |
8 |
|
Анзорей |
8 |
8 |
9 |
Камлюково |
8 |
8 |
9 |
Прохладный |
8* |
8 |
8 |
|
Аргудан |
8 |
8 |
9 |
Карагач |
8 |
8 |
9 |
Псыгансу |
8 |
8 |
9 |
|
Арик |
8 |
8 |
9 |
Карасу |
8 |
8 |
9 |
Псыкод |
8 |
8 |
9 |
|
Атажукино |
8 |
8 |
9 |
Кахун |
8 |
8 |
9 |
Псынабо |
8 |
8 |
9 |
|
Аушигер |
8 |
8 |
9 |
Кашхатау |
8 |
8 |
9 |
Псынадаха |
8 |
8 |
9 |
|
Бабугент |
8 |
8 |
9 |
Кенже |
8 |
8 |
9 |
Псынодаха |
8 |
8 |
9 |
|
Баксан |
8 |
8 |
9 |
Кичмалка |
8 |
8 |
9 |
Псыншоко |
8 |
8 |
9 |
|
Баксаненок |
8 |
8 |
9 |
Кишпек |
8 |
8 |
9 |
Псыхурей |
8 |
8 |
9 |
|
Батех |
8 |
8 |
9 |
Котляревская |
8 |
8 |
9 |
Псычох |
8 |
8 |
9 |
|
Бедык |
8 |
8 |
9 |
Красноармейское |
8 |
8 |
9 |
Светловодское |
8 |
8 |
9 |
|
Безенги |
8 |
8 |
9 |
Красносельское |
7 |
8 |
8 |
Совхозное |
8 |
8 |
9 |
|
Белая Речка |
8 |
8 |
9 |
Кременчуг-Константиновск |
8 |
8 |
9 |
Солдатская |
7 |
8 |
8 |
|
Белокаменское |
8 |
8 |
9 |
Куба |
8 |
8 |
9 |
Старый Урух |
8 |
8 |
9 |
|
Верхний Акбаш |
8 |
8 |
9 |
Куба-таба |
8 |
8 |
9 |
Старый Черек |
8 |
8 |
9 |
|
Верхний Баксан |
8 |
9 |
9 |
Кузбурун 1-й |
8 |
8 |
9 |
Тамбовское |
8 |
8 |
9 |
|
Верхняя Балкария |
8 |
9 |
9 |
Лашкута |
8 |
8 |
9 |
Ташлы-Тала |
8 |
9 |
9 |
|
Верхняя Жемтала |
8 |
8 |
9 |
Лескен 2-й |
8 |
8 |
9 |
Терек |
8 |
8 |
9 |
|
Верхний Куркужин |
8 |
8 |
9 |
Лечинкай |
8 |
8 |
9 |
Терекское |
8 |
8 |
9 |
|
Верхний Курп |
8 |
8 |
9 |
Майский |
8 |
8 |
9* |
Тырныауз |
8 |
9* |
9 |
|
Верхний Лескен |
8 |
8 |
9 |
Малка |
8 |
8 |
9 |
Урвань |
8 |
8 |
9 |
|
Верхний Чегем |
8 |
9 |
9 |
Морзох |
8 |
8 |
9 |
Урожайное |
8 |
8 |
8 |
|
Верхний Куркужин |
8 |
8 |
9 |
Нальчик |
8 |
8 |
9 |
Урух |
8 |
8 |
9 |
|
Верхняя Жемтала |
8 |
8 |
9 |
Нартан |
8 |
8 |
9 |
Учебный |
8 |
8 |
8 |
|
Герменчик |
8 |
8 |
9 |
Нарткала |
8 |
8 |
9 |
Хабаз |
8 |
8 |
9 |
|
Герпегеш |
8 |
8 |
9 |
Нижний Куркужин |
8 |
8 |
9 |
Хамидие |
8 |
8 |
9 |
|
Дальное |
7 |
8 |
8 |
Нижний Курп |
8 |
8 |
9 |
Хасанья |
8 |
8 |
9 |
|
Дейское |
8 |
8 |
9 |
Нижний Чегем |
8 |
8 |
9 |
Хатуей |
8 |
8 |
9 |
|
Дыгулыбгей |
8 |
8 |
9 |
Нижний Черек |
8 |
8 |
9 |
Хуштосырт |
8 |
8 |
9 |
|
Екатериноградская |
8 |
8 |
8 |
Новая Балкария |
8 |
8 |
9 |
Чегем |
8 |
8 |
9 |
|
Жанхотеко |
8 |
8 |
9 |
Новое Хамидие |
8 |
8 |
9 |
Чегем 2-й |
8 |
8 |
9 |
|
Жемтала |
8 |
8 |
9 |
Ново-Ивановская |
8 |
8 |
9 |
Чегем 1-й |
8 |
8 |
9 |
|
Залукодес |
8 |
8 |
9 |
Новоосетинский |
8 |
8 |
9 |
Черная речка |
8 |
8 |
9 |
|
Залукокоаже |
8 |
8 |
9 |
Ново-Полтавское |
8 |
8 |
8 |
Черниговское |
8 |
8 |
8 |
|
Зарагиж |
8 |
8 |
9 |
Озрек |
8 |
8 |
9 |
Шалушка |
8 |
8 |
9 |
|
Заюково |
8 |
8 |
9 |
Октябрьское |
8 |
8 |
8 |
Шардаково |
8 |
8 |
9 |
|
Зольское |
8 |
8 |
9 |
Плановское |
8 |
8 |
9 |
Шитхала |
8 |
8 |
9 |
|
Интернациональный |
8 |
8 |
9 |
Приближная |
8 |
8 |
8 |
Этоко |
8 |
8 |
9 |
|
Исламей |
8 |
8 |
9 |
Прималкинское |
8 |
8 |
8 |
Яникой |
8 |
8 |
9 |
Продолжение таблицы
|
Наименование субъектов РФ и населенных пунктов |
Карты ОСР-2016 |
Наименование субъектов РФ и населенных пунктов |
Карты ОСР-2016 |
Наименование субъектов РФ и населенных пунктов |
Карты ОСР-2016 |
||||||
|
А |
В |
С |
А |
В |
С |
А |
В |
С |
|||
|
РЕСПУБЛИКА КАЛМЫКИЯ |
|||||||||||
|
Большой Царын |
- |
- |
6 |
Лагань |
6 |
6 |
7 |
Цаган Аман |
- |
- |
6 |
|
Городовиковск |
6 |
6 |
7 |
Малые Дербеты |
- |
- |
6 |
Чилгир |
- |
- |
6 |
|
Ики-Бурул |
- |
6 |
7 |
Приютное |
- |
6 |
7 |
Элиста |
- |
6 |
7* |
|
Кетченеры |
- |
- |
6 |
Садовое |
- |
- |
6 |
Яшалта |
- |
6 |
7 |
|
Комсомольский |
6 |
6 |
7 |
Троицкое |
- |
- |
6 |
Яшкуль |
- |
- |
6 |
|
РЕСПУБЛИКА КАРАЧАЕВО-ЧЕРКЕСИЯ |
|||||||||||
|
Адиль-Халк |
7 |
8 |
8 |
Кичи-Балык |
8 |
8 |
9 |
Пхия |
8 |
9 |
> 9 |
|
Адыге-Хабль |
7 |
8 |
8 |
Койдан |
8 |
8 |
9 |
Садовое |
7 |
8 |
8 |
|
Али-Бердуковский |
8 |
8 |
9 |
Кош-хабль |
7 |
8 |
8 |
Сары-Тюз |
8 |
8 |
9 |
|
Апсуа |
7 |
8 |
8 |
Красный Курган |
8 |
8 |
9 |
Старокувинский |
7 |
8 |
8 |
|
Архиз |
8 |
9 |
9 |
Красногорская |
8 |
8 |
9 |
Сторожевая |
8 |
8 |
9 |
|
Бесленей |
7 |
8 |
8 |
Кубина |
7 |
8 |
9 |
Счастливое |
8 |
8 |
9 |
|
Важное |
8 |
8 |
9 |
Кумыш |
8 |
8 |
9 |
Теберда |
8 |
9* |
9 |
|
Верхняя Мара |
8 |
8 |
9 |
Курджиново |
8 |
8 |
9 |
Терезе |
8 |
8 |
9 |
|
Верхняя Теберда |
8 |
8 |
9 |
Кызыл-Октябрьский |
8 |
8 |
9 |
Ударный |
8 |
8 |
9 |
|
Даусуз |
8 |
8 |
9 |
Кызыл-Покун |
8 |
8 |
9 |
Уруп |
8 |
8 |
9 |
|
Джага |
8 |
8 |
9 |
Кызыл-Уруп |
8 |
8 |
9 |
Усть-Джегута |
7 |
8 |
9 |
|
Джингирик |
8 |
8 |
9 |
Майский |
8 |
8 |
9 |
Учкекен |
8 |
8 |
9 |
|
Домбой |
8 |
9 |
> 9 |
Малый Ззеленчук |
7 |
8 |
8 |
Учкулан |
8 |
8 |
9 |
|
Дружба |
7 |
8 |
9 |
Маруха |
8 |
8 |
9 |
Хабез |
7 |
8 |
9 |
|
Жако |
8 |
8 |
9 |
Медногорский |
8 |
8 |
9 |
Хасаут-Греческое |
8 |
8 |
9 |
|
Зеленчукская |
8 |
8 |
9 |
Нижняя Теберда |
8 |
8 |
9 |
Хумара |
8 |
8 |
9 |
|
Зеюко |
7 |
8 |
8 |
Николаевское |
8 |
8 |
9 |
Хурзук |
8 |
9 |
9 |
|
Знаменка |
7 |
8 |
9 |
Новая Джегута |
8 |
8 |
9 |
Чапаевское |
7 |
8 |
9 |
|
Икон-Халк |
7 |
8 |
8 |
Новый Карачай |
8 |
8 |
9 |
Черкесск |
7 |
8 |
9 |
|
Ильичевское |
7 |
8 |
9 |
Октябрьский |
8 |
8 |
9 |
Эльбрусский |
8 |
8 |
9 |
|
Инжич-Чукун |
7 |
8 |
9 |
Орджоникидзевский |
8 |
8 |
9 |
Эльбурган |
7 |
8 |
9 |
|
Исправная |
7 |
8 |
9 |
Первомайское |
8 |
8 |
9 |
Элькуш |
8 |
8 |
9 |
|
Кавказский |
7 |
8 |
9 |
Правокубанский |
8 |
8 |
9 |
Эльтаркач |
8 |
8 |
9 |
|
Карачаевск |
8 |
8 |
9 |
Преградная |
8 |
8 |
9 |
Эркен-Шахар |
7 |
8 |
8 |
|
Кардоникская |
8 |
8 |
9 |
Псаучье-Дахе |
7 |
8 |
8 |
Эркин-Юрт |
7 |
8 |
8 |
|
Карт-Джурт |
8 |
8 |
9 |
Псыж |
7 |
8 |
9* |
Эрсакон |
7 |
8 |
8 |
|
РЕСПУБЛИКА КАРЕЛИЯ |
|||||||||||
|
Беломорск |
- |
- |
6 |
Летнереченский |
- |
- |
6 |
Сегежа |
- |
- |
6 |
|
Видлица |
- |
- |
6 |
Лоухи |
- |
6 |
7 |
Сортавала |
- |
6* |
7 |
|
Вяртсиля |
- |
- |
6 |
Ляскеля |
- |
- |
6 |
Сосновец |
- |
- |
6 |
|
Кааламо |
- |
- |
6 |
Муезерский |
- |
- |
6 |
Суоярви |
- |
- |
6 |
|
Калевала |
6 |
6 |
7 |
Надвоицы |
- |
- |
6 |
Хелюля |
- |
- |
7 |
|
Кемь |
- |
- |
6 |
Питкяранта |
- |
- |
6 |
Хийденсельга |
- |
- |
7* |
|
Костомукша |
6 |
6 |
7 |
Пяозерский |
- |
6 |
6 |
Чупа |
- |
6 |
7 |
|
Лахденпохья |
- |
6 |
7 |
Салми |
- |
- |
6 |
|
|
|
|
Продолжение таблицы
|
Наименование субъектов РФ и населенных пунктов |
Карты ОСР-2016 |
Наименование субъектов РФ и населенных пунктов |
Карты ОСР-2016 |
Наименование субъектов РФ и населенных пунктов |
Карты ОСР-2016 |
||||||
|
А |
В |
С |
А |
В |
С |
А |
В |
С |
|||
|
РЕСПУБЛИКА КОМИ |
|||||||||||
|
Визинга |
- |
- |
6 |
Койгородок |
- |
- |
6 |
Объячево |
- |
- |
6 |
|
РЕСПУБЛИКА КРЫМ |
|||||||||||
|
Абрикосовка |
8 |
8 |
9 |
Вилино |
7 |
8 |
9 |
Дмитровка |
7 |
8* |
8 |
|
Абрикосово |
6 |
7 |
8* |
Винницкое |
7 |
8 |
9 |
Днепровка |
6 |
7 |
8 |
|
Аграрное |
7 |
8 |
9 |
Виноградное (Ленинский р-н) |
8 |
8 |
9 |
Доброе |
8 |
8 |
9 |
|
Азовское |
7 |
7 |
8 |
Виноградное (Ялтинский гор. совет) |
8 |
9 |
> 9 |
Добрушино |
7* |
7 |
8 |
|
Акимовка |
7 |
7 |
8 |
Виноградово |
7 |
7 |
8 |
Долинное |
8 |
8 |
9 |
|
Александровка |
7* |
7 |
8 |
Витино |
7 |
7 |
8 |
Донское |
7 |
8 |
9 |
|
Алексеевка |
6 |
7 |
7 |
Вишенное |
7 |
8 |
9 |
Дрофино |
7 |
8 |
8 |
|
Алупка |
8 |
9 |
> 9 |
Вишневка |
6 |
6 |
7 |
Евпатория |
7 |
7 |
8 |
|
Алушта |
8 |
9 |
> 9* |
Владимировка |
7 |
7 |
8 |
Емельяновка |
7 |
7 |
8 |
|
Амурское |
7 |
7 |
8 |
Владиславовка (Кировский р-н) |
8 |
8 |
9 |
Желябовка |
7 |
7 |
8 |
|
Армянск |
6 |
6 |
7 |
Владиславовка (Нижнегорский р-н) |
7 |
7 |
8 |
Жемчужина |
7 |
8 |
8 |
|
Ароматное |
8* |
8 |
9 |
Войково (Ленинский р-н) |
8 |
9 |
> 9 |
Журавки |
8 |
8 |
9 |
|
Аэрофлотский |
7 |
8 |
9 |
Войково (Первомайский р-н) |
6 |
7 |
8 |
Журавлевка |
7 |
7 |
8 |
|
Багерово |
8 |
9 |
9 |
Воинка |
6 |
6 |
7 |
Журавли |
7 |
7 |
8 |
|
Батальное |
8 |
8 |
9 |
Вольное |
7 |
7 |
8 |
Завет-Ленинский |
6 |
7 |
7 |
|
Бахчисарай |
8 |
8 |
9 |
Воробьево |
7 |
7 |
8 |
Заветное (Ленинский р-н) |
8 |
9* |
9 |
|
Белоглинка |
7 |
8 |
9 |
Восход |
7 |
7 |
8 |
Заветное (Советский р-н) |
7 |
8 |
8 |
|
Белогорск |
8 |
8 |
9 |
Гаспра |
8 |
9 |
> 9 |
Залесье |
8 |
8 |
9 |
|
Береговое |
8 |
8 |
9 |
Гвардейское (Первомайский р-н) |
6 |
7 |
8 |
Заозерное |
7 |
7 |
8 |
|
Березовка |
6 |
7 |
7 |
Гвардейское (Симферопольский р-н) |
7 |
8 |
8 |
Заречное (Джанкойский р-н) |
6 |
7 |
8 |
|
Ближнее |
8 |
8 |
9 |
Геройское |
7 |
7 |
8 |
Заречное (Симферопольский р-н) |
8 |
8 |
9 |
|
Богатое |
8 |
8 |
9 |
Глазовка |
8 |
9 |
9 |
Зеленогорское |
8 |
8 |
9 |
|
Ботаническое |
6 |
6 |
7 |
Голубинка |
8 |
8 |
9 |
Зеленое |
7 |
7 |
8 |
|
Братское |
6 |
6 |
7 |
Горностаевка |
8 |
9 |
9 |
Зерновое (Красногвардейский р.) |
7 |
7 |
8 |
|
Васильевка |
8* |
8 |
9 |
Гришино |
6 |
7 |
7 |
Зерновое (Сакский р-н) |
7 |
7 |
8 |
|
Вересаево |
7 |
7 |
8 |
Грушевка |
8 |
8 |
9 |
Зимино |
6 |
7 |
8 |
|
Верхняя Кутузовка |
8 |
8 |
9 |
Грэсовский |
7 |
8 |
9 |
Золотое Поле |
8 |
8 |
9 |
|
Верхоречье |
8 |
8 |
9 |
Гурзуф |
8 |
9 |
> 9 |
Зоркино |
7 |
7 |
8 |
|
Веселовка |
6 |
7 |
8 |
Далекое |
6 |
6 |
7 |
Зуя |
7 |
8 |
9 |
|
Веселое |
8 |
8 |
9 |
Дачное |
8 |
8 |
9 |
Зыбины |
7 |
8 |
9 |
|
Викторовка |
8 |
8 |
9 |
Джанкой |
6 |
7 |
8 |
Ивановка |
7 |
8 |
8 |
Продолжение таблицы
|
Наименование субъектов РФ и населенных пунктов |
Карты ОСР-2016 |
Наименование субъектов РФ и населенных пунктов |
Карты ОСР-2016 |
Наименование субъектов РФ и населенных пунктов |
Карты ОСР-2016 |
||||||
|
А |
В |
С |
А |
В |
С |
А |
В |
С |
|||
|
Изобильное |
7 |
7 |
8 |
Красная Зорька |
7 |
8 |
8 |
Луганское |
6 |
7 |
7 |
|
Изумрудное |
6 |
7 |
8 |
Красная Поляна |
6 |
7 |
7 |
Луговое |
8 |
8 |
9 |
|
Изюмовка |
8 |
8 |
9 |
Красноармейское |
6 |
6 |
7 |
Лучистое |
8 |
8 |
9 |
|
Ильинка |
6 |
6 |
7 |
Красногвардейское (Красногвардейский р-н) |
7 |
7 |
8 |
Льговское |
8 |
8 |
9 |
|
Ильичево (Ленинский р-н) |
8 |
8 |
9 |
Красногвардейское (Советский р-н) |
8 |
8 |
9 |
Магазинка |
6 |
7* |
7 |
|
Ильичево (Советский р-н) |
7 |
8 |
9 |
Красное |
7 |
8 |
8 |
Мазанка |
8* |
8 |
9 |
|
Источное |
6 |
6 |
7 |
Краснознаменка |
7 |
7 |
8 |
Майское |
7 |
7 |
8 |
|
Ишунь |
6 |
6 |
7 |
Краснокаменка (Феодосийский гор. сов.) |
8 |
8 |
9 |
Маленькое |
7 |
8 |
8 |
|
Калинино (Красногвардейский р.) |
7 |
7 |
8 |
Краснокаменка (Ялтинский гор. совет) |
8 |
9 |
> 9 |
Малореченское |
8 |
8 |
9 |
|
Калинино (Первомайский р-н) |
6 |
7 |
7 |
Краснолесье |
8 |
8 |
9 |
Малый Маяк |
8 |
9 |
> 9 |
|
Калиновка |
8 |
8 |
9 |
Красноперекопск |
6 |
6 |
7 |
Марфовка |
8 |
8 |
9 |
|
Каменоломня |
7 |
7 |
8 |
Краснофлотское |
7 |
8 |
9* |
Марьяновка |
7 |
7 |
8 |
|
Карповка |
7 |
7 |
8 |
Красный Мак |
8 |
8 |
9 |
Маслово |
6 |
7 |
7 |
|
Карьерное |
7 |
7 |
8 |
Крестьяновка |
6 |
7 |
7 |
Массандра |
8 |
9 |
> 9 |
|
Каштаны |
7 |
8 |
9 |
Кропоткино |
6 |
6 |
7 |
Медведевка |
6 |
7 |
7 |
|
Керчь |
8 |
9* |
> 9* |
Крымка |
6 |
7 |
8* |
Медведево |
6 |
7 |
8 |
|
Кирово |
8 |
8 |
9 |
Крымская Роза |
7 |
8 |
9 |
Межводное |
6 |
6 |
7 |
|
Кировское (Кировский р-н) |
8 |
8 |
9 |
Крымское |
7 |
7 |
8 |
Мирновка |
6 |
7 |
8 |
|
Кировское (Черноморский р-н) |
6 |
7 |
7 |
Куйбышево |
8 |
8 |
9 |
Мирное |
7 |
8 |
9 |
|
Клепинино |
7 |
7 |
8 |
Кукушкино |
6 |
6 |
7 |
Мирный |
6 |
7 |
8 |
|
Коктебель |
8 |
8 |
9 |
Кумово |
6 |
6 |
7 |
Митрофановка |
7 |
7 |
8 |
|
Колодезное |
7 |
8 |
8 |
Курское |
8 |
8 |
9 |
Митяево |
7 |
7 |
8 |
|
Колоски |
7 |
7 |
8 |
Лекарственное |
7 |
8 |
9 |
Михайловка (Нижнегорский р-н) |
7 |
7 |
8 |
|
Кольчугино |
7 |
8 |
9 |
Ленино |
8 |
8 |
9 |
Михайловка (Сакский р-н) |
7 |
7 |
8 |
|
Комсомольское |
7 |
8 |
9 |
Ленинское (Красногвардейский р-н) |
7 |
7 |
8 |
Молодежное |
7 |
8 |
9 |
|
Константиновка |
8 |
8 |
9 |
Ленинское (Ленинский р-н) |
8 |
8 |
9 |
Молочное |
7 |
7 |
8 |
|
Кореиз |
8 |
9 |
> 9 |
Лесновка |
7 |
7 |
8 |
Морское |
8 |
8 |
9 |
|
Кормовое |
6 |
7 |
8 |
Ливадия |
8 |
9 |
> 9 |
Мускатное |
7 |
7 |
8 |
|
Косточковка |
7 |
8 |
8 |
Литвиненково |
7 |
8 |
9 |
Найденовка |
7 |
8 |
8 |
|
Котельниково |
7 |
7 |
8 |
Лобаново |
6 |
7 |
7 |
Насыпное |
8 |
8 |
9 |
|
Крайнее |
7 |
7 |
8 |
Лозовое |
8 |
8 |
9 |
Наташино |
6 |
7 |
8 |
Продолжение таблицы
|
Наименование субъектов РФ и населенных пунктов |
Карты ОСР-2016 |
Наименование субъектов РФ и населенных пунктов |
Карты ОСР-2016 |
Наименование субъектов РФ и населенных пунктов |
Карты ОСР-2016 |
||||||
|
А |
В |
С |
А |
В |
С |
А |
В |
С |
|||
|
Некрасовка |
7 |
8* |
8 |
Охотниково |
7 |
7 |
8 |
Ровное |
7 |
7 |
8 |
|
Некрасово |
7 |
7 |
8 |
Охотское |
7 |
7 |
8 |
Родниково |
7 |
8 |
9 |
|
Нижнегорский |
7 |
7 |
8 |
Партенит |
8 |
9 |
> 9 |
Ромашкино |
7 |
7 |
8 |
|
Никита |
8 |
9 |
> 9 |
Партизанское |
8 |
8 |
9 |
Рощино |
7 |
7 |
8 |
|
Николаевка |
7 |
8 |
9 |
Партизаны |
8 |
8 |
9 |
Ручьи |
6 |
6 |
7 |
|
Новоандреевка |
7 |
8* |
8 |
Пахаревка |
6 |
7 |
7 |
Рыбачье |
8 |
8 |
9 |
|
Новогригорьевка |
7 |
7 |
8 |
Первомайское (Кировский р-н) |
8 |
8 |
9 |
Садовое |
7 |
8 |
8 |
|
Новожиловка |
7 |
8 |
8 |
Первомайское (Первомайский р-н) |
6 |
7 |
7 |
Саки |
7 |
7 |
8 |
|
Новоивановка |
6 |
7 |
8* |
Первомайское (Симферопольский р-н) |
7 |
8 |
8 |
Сары-Баш |
6 |
7 |
8 |
|
Новокрымское |
6 |
7 |
7 |
Перевальное |
8 |
8 |
9 |
Светлое |
7 |
7 |
8 |
|
Новониколаевка |
8 |
8 |
9 |
Перово |
8* |
8 |
9 |
Семисотка |
8 |
8 |
9 |
|
Новоозерное |
6 |
7 |
8 |
Петровка |
7 |
7 |
8 |
Сенокосное |
6 |
6 |
7 |
|
Новопавловка |
6 |
6 |
7 |
Пионерское |
8 |
8 |
9 |
Сизовка |
7 |
7 |
8 |
|
Новопокровка (Кировский р-н) |
8 |
8 |
9 |
Плодовое |
8* |
8 |
9 |
Симеиз |
8 |
9 |
> 9 |
|
Новопокровка (Красногвардейский р-н) |
7 |
7 |
8 |
Победное |
7* |
7 |
8 |
Симферополь |
8* |
8 |
9 |
|
Новоселовка |
7 |
8 |
9 |
Пожарское |
7 |
8 |
9 |
Синицыно |
8 |
8 |
9 |
|
Новоселовское |
7* |
7 |
8 |
Полтавка |
7 |
7 |
8 |
Скалистое |
8 |
8 |
9 |
|
Новосельское |
6 |
6 |
7 |
Почетное |
6 |
6 |
7 |
Славное |
6 |
6 |
7 |
|
Новостепное |
7* |
7 |
8 |
Почтовое |
8 |
8 |
9 |
Славянское |
6 |
6 |
7 |
|
Новофедоровка |
7 |
7 |
8 |
Правда |
6 |
7* |
7 |
Советский |
7 |
8 |
8 |
|
Новоэстония |
7 |
7 |
8 |
Приветное (Алуштинский гор. совет) |
8 |
8 |
9 |
Совхозное |
6 |
6 |
7 |
|
Новый Свет |
8 |
8 |
9 |
Приветное (Кировский р-н) |
8 |
8 |
9 |
Соколиное |
8 |
9 |
9 |
|
Октябрь |
7 |
7 |
8 |
Приморский |
8 |
8 |
9 |
Соленое Озеро |
6 |
7 |
7 |
|
Октябрьское (Красногвардейский р-н) |
7 |
7 |
8 |
Приозерное |
8 |
9 |
> 9 |
Солнечная Долина |
8 |
8 |
9 |
|
Октябрьское (Ленинский р-н) |
8 |
9 |
> 9 |
Прудовое |
7 |
8 |
9 |
Солнечное |
7 |
8 |
9 |
|
Октябрьское (Первомайский р-н) |
6 |
7 |
8* |
Пруды |
7 |
8 |
9 |
Софиевка |
7 |
8 |
8 |
|
Оленевка |
6 |
7* |
7 |
Пушкино |
8* |
8 |
9 |
Стальное |
7 |
7 |
8 |
|
Орджоникидзе |
8 |
8 |
9 |
Пшеничное |
7 |
7 |
8 |
Старый Крым |
8 |
8 |
9 |
|
Орехово |
7 |
7 |
8 |
Пятихатка |
7 |
7 |
8 |
Стахановка |
7 |
7 |
8 |
|
Орловка |
6 |
6 |
7 |
Равнополье |
7 |
8 |
9 |
Степное |
6 |
7 |
7 |
|
Орловское |
6 |
7 |
7 |
Раздолье |
7 |
8 |
9 |
Столбовое |
7 |
7 |
8 |
|
Останино |
8 |
8 |
9 |
Раздольное (Раздольненский р-н) |
6 |
6 |
7 |
Строгоновка |
8 |
8 |
9 |
|
Островское |
6 |
7 |
7 |
Раздольное (Советский р-н) |
7 |
8 |
8 |
Суворово |
6 |
6 |
7 |
Продолжение таблицы
|
Наименование субъектов РФ и населенных пунктов |
Карты ОСР-2016 |
Наименование субъектов РФ и населенных пунктов |
Карты ОСР-2016 |
Наименование субъектов РФ и населенных пунктов |
Карты ОСР-2016 |
||||||
|
А |
В |
С |
А |
В |
С |
А |
В |
С |
|||
|
Суворовское |
7 |
7 |
8 |
Урожайное (Симферопольский р-н) |
7 |
8 |
9 |
Чернышево |
6 |
6 |
7 |
|
Судак |
8 |
8 |
9 |
Урожайное (Советский р-н) |
7 |
8 |
9* |
Чистенькое |
8 |
8 |
9 |
|
Табачное (Бахчисарайский р-н) |
7 |
8 |
9 |
Уютное |
7 |
7 |
8 |
Чистополье |
8 |
8 |
9 |
|
Табачное (Джанкойский р-н) |
7 |
7 |
8 |
Феодосия |
8 |
8 |
9 |
Чкалово |
7 |
7 |
8 |
|
Танковое |
8 |
8 |
9 |
Филатовка |
6 |
6 |
7 |
Шелковичное |
7 |
7 |
8 |
|
Тенистое |
8 |
8 |
9 |
Фонтаны |
8 |
8 |
9 |
Широкое |
7 |
7 |
8 |
|
Тепловка |
7 |
8 |
8 |
Форос |
8 |
9 |
> 9 |
Школьное |
7 |
8 |
8 |
|
Токарево |
7 |
8 |
9 |
Фрунзе |
7 |
8 |
8 |
Шубино |
8* |
8 |
9 |
|
Трудовое (Сакский р-н) |
7 |
7 |
8 |
Холмовка |
8 |
8 |
9 |
Щебетовка |
8 |
8 |
9 |
|
Трудовое (Симферопольский р-н) |
7 |
8 |
9 |
Цветочное |
7 |
8 |
9 |
Щелкино |
8 |
8 |
9 |
|
Тургеневка |
8 |
8 |
9 |
Целинное |
6 |
6 |
7 |
Ялта |
8 |
9 |
> 9 |
|
Уваровка |
7 |
7 |
8 |
Чайкино |
6 |
7 |
8 |
Янтарное |
7 |
7 |
8 |
|
Уварово |
8 |
8 |
9 |
Чапаевка |
7 |
8 |
9 |
Яркое |
6 |
7 |
8 |
|
Угловое |
8* |
8 |
9 |
Червоное |
7 |
7 |
8 |
Яркое Поле (Джанкойский р-н) |
7 |
7 |
8 |
|
Удачное |
7 |
7 |
8 |
Черноземное |
7 |
7 |
8 |
Яркое Поле (Кировский р-н) |
8 |
8 |
9 |
|
Украинка |
8 |
8 |
9 |
Черноморское |
6 |
6 |
7 |
Яснополянское |
6 |
7* |
7 |
|
Укромное |
7 |
8 |
9* |
Чернополье |
8 |
8 |
9 |
|
|
|
|
|
РЕСПУБЛИКА САХА (ЯКУТИЯ) |
|||||||||||
|
Абага |
6 |
6 |
7 |
Балыктах (Усть-Алданский улус) |
6 |
6 |
7 |
Болугур |
6 |
6 |
7 |
|
Абый |
7 |
7 |
8 |
Барылас |
6 |
7 |
8 |
Большой Нимныр |
6 |
7 |
8 |
|
Алдан |
6 |
6 |
7 |
Батагай |
7 |
7 |
8 |
Боробул |
6 |
6 |
7 |
|
Аллах-Юнь |
7 |
7 |
8 |
Батагай-Алыта |
7 |
7 |
8 |
Борогонцы |
6 |
6 |
7 |
|
Амга |
6 |
6 |
7 |
Баханай |
- |
6 |
7 |
Бриндакит |
7 |
7 |
9 |
|
Аппаны |
6 |
6 |
7 |
Безымянный |
6 |
6 |
7 |
Булгунняхтах |
- |
- |
6 |
|
Арга-Мой |
8 |
8 |
9 |
Бейдинга |
6 |
6 |
7 |
Булун |
6 |
6 |
7 |
|
Аргас |
6 |
6 |
8 |
Беке |
6 |
6 |
7 |
Булус |
6 |
6 |
7 |
|
Артык |
8 |
8 |
9 |
Белая Гора |
7 |
7 |
8 |
Буор-сысы |
7 |
8 |
8 |
|
Арыктах |
- |
- |
6 |
Белькачи |
6 |
6 |
7 |
Быковский |
7 |
8 |
9 |
|
Арылах (Ленский улус) |
- |
- |
6 |
Беркакит |
7 |
8 |
8 |
Бютейдях |
6 |
6 |
7 |
|
Арылах (Чурапчинский улус) |
6 |
6 |
7 |
Бестях |
- |
6* |
6 |
Бярийе |
6 |
6 |
7 |
|
Асыма |
- |
- |
6 |
Бетенкес |
7 |
7 |
8 |
Верхнеколымск |
7 |
7 |
8 |
|
Бала |
7 |
7 |
8 |
Бетюнцы |
6 |
6 |
7 |
Верхоянск |
7 |
7 |
8 |
|
Балыктах (Мегино-Кангаласский улус) |
6 |
6 |
7 |
Бологур |
6 |
6 |
7 |
Витим |
- |
6 |
6 |
Продолжение таблицы
|
Наименование субъектов РФ и населенных пунктов |
Карты ОСР-2016 |
Наименование субъектов РФ и населенных пунктов |
Карты ОСР-2016 |
Наименование субъектов РФ и населенных пунктов |
Карты ОСР-2016 |
||||||
|
А |
В |
С |
А |
В |
С |
А |
В |
С |
|||
|
Власово |
7 |
7 |
8 |
Кыстатыам |
- |
- |
6 |
Нычалах |
6 |
6 |
7 |
|
Дабан |
- |
- |
6 |
Кысыл-Сыр |
6 |
6 |
7 |
Нюя |
- |
- |
6 |
|
Дайя-Амгата |
6 |
6 |
7 |
Кюерелях |
- |
- |
6 |
Огородтах |
6 |
6 |
7 |
|
Даркылах |
- |
6 |
7 |
Кюпцы |
7 |
7 |
8 |
Ой |
- |
6 |
7 |
|
Дебдирге |
6 |
6 |
7 |
Кюренг-ат |
6 |
6 |
7 |
Оймякон |
7 |
8 |
9 |
|
Дельгей |
- |
6 |
6 |
Кюсюр |
7 |
8 |
8 |
Ойотунг |
- |
- |
6 |
|
Депутатский |
7 |
7 |
8 |
Лазо |
7 |
7 |
8 |
Октемцы |
- |
6 |
7 |
|
Джебарики-Хая |
7 |
7 |
8 |
Лебединый |
6 |
6 |
7 |
Олекминск |
- |
6 |
7* |
|
Дикимдя |
6 |
7 |
7 |
Ленинский |
6 |
6 |
7 |
Олекминский |
- |
6 |
6 |
|
Диринг |
6 |
6 |
7 |
Ленск |
- |
- |
6 |
Оленегорск |
- |
6 |
6 |
|
Дыгдал |
6 |
6 |
7 |
Ломтука |
- |
6 |
7 |
Ольчан |
7 |
8 |
9 |
|
Дюпся |
6 |
6 |
7 |
Маган |
6 |
6 |
7 |
Орто-Балаган |
7 |
7 |
8 |
|
Дябыла |
6 |
6 |
7 |
Магарас |
- |
6 |
7 |
Орто-Нахара |
- |
- |
6 |
|
Елечей |
6 |
6 |
7 |
Майя |
6 |
6 |
7 |
Охотский Перевоз |
7 |
7 |
8 |
|
Жатай |
6 |
6 |
7 |
Марха |
- |
- |
6 |
Павловск |
- |
6 |
7 |
|
Жиганск |
- |
- |
6 |
Матта |
6 |
6 |
7 |
Пеледуй |
- |
6* |
6 |
|
Заречный |
6 |
6 |
7 |
Мача |
- |
6 |
6 |
Петровка |
6 |
6 |
7 |
|
Звездочка |
7 |
8 |
9 |
Маягас |
6 |
6 |
7 |
Петропавловск |
6 |
6 |
7 |
|
Золотинка |
7 |
8 |
8 |
Мегино-Алдан |
6 |
6 |
7 |
Покровка |
6 |
6 |
7 |
|
Зырянка |
7 |
7 |
8 |
Михайловка |
6 |
6 |
7 |
Покровск |
- |
6 |
7 |
|
Казачье |
7 |
7 |
8 |
Мохсоголлох |
- |
6 |
6 |
Предпорожный |
8 |
8 |
9 |
|
Кангалассы |
6 |
6 |
7 |
Мындагай |
6 |
6 |
7 |
Пригородный |
6* |
6 |
7 |
|
Канкунский |
7 |
7 |
8 |
Мырыла |
6 |
6 |
7 |
Сайды |
7 |
7 |
8 |
|
Качикатцы |
- |
- |
6 |
Мяндиги |
6 |
6 |
7 |
Сайылык |
- |
- |
6 |
|
Кенг-Кюель |
7 |
7 |
8 |
Нагорный |
7 |
7 |
8 |
Салдыкель |
- |
- |
6 |
|
Кептени |
6 |
6 |
7 |
Найба |
7 |
8 |
9 |
Сангар |
6 |
6 |
8 |
|
Кердем |
- |
6 |
7 |
Намцы |
6 |
6 |
7 |
Сарылах |
7 |
8 |
8 |
|
Кескил |
6 |
6 |
7 |
Намы |
7 |
7 |
8 |
Саскылах |
- |
- |
6 |
|
Килянки |
6 |
6 |
7 |
Натора |
- |
- |
6 |
Сасыр |
8 |
8 |
9 |
|
Кобяй |
- |
6 |
7 |
Нежданинское |
7 |
7 |
8 |
Сатагай |
6 |
6 |
7 |
|
Крест-Кытыл |
6 |
6 |
7 |
Нелемное |
7 |
7 |
8 |
Светлый |
6 |
7 |
8 |
|
Крест-Хальджай |
6 |
6 |
7 |
Нелькан |
7 |
8 |
8 |
Себян-Кюель |
6 |
6 |
7 |
|
Куберганя |
7 |
7 |
8 |
Нерюктяйнинск 1-й |
- |
- |
6 |
Северный |
7 |
7 |
8 |
|
Куду-Кюель |
6 |
6 |
7 |
Нерюктяйнинск 2-й |
- |
- |
6 |
Сегян-кюель |
6 |
7 |
8 |
|
Кулар |
7 |
7 |
8 |
Нерюнгри |
7 |
8 |
8 |
Серебряный Бор |
7 |
8 |
8 |
|
Кулун-Елбют |
7 |
8 |
8 |
Нижнеянск |
7 |
7 |
8 |
Сиктях |
7 |
7 |
8 |
|
Кутана |
6 |
6 |
7 |
Нижний Бестях |
6 |
6 |
7 |
Склад |
7 |
7 |
8 |
|
Кыйы |
6 |
6 |
7 |
Нижний Куранах |
6 |
6 |
7 |
Соболох |
7 |
8 |
9 |
|
Кылайы |
6 |
6 |
7 |
Никольский |
6 |
6 |
7 |
Солнечный |
7 |
8 |
9 |
|
Кыллах |
- |
6 |
6 |
Новый |
6 |
7 |
7 |
Солянка |
- |
6 |
7 |
Продолжение таблицы
|
Наименование субъектов РФ и населенных пунктов |
Карты ОСР-2016 |
Наименование субъектов РФ и населенных пунктов |
Карты ОСР-2016 |
Наименование субъектов РФ и населенных пунктов |
Карты ОСР-2016 |
||||||
|
А |
В |
С |
А |
В |
С |
А |
В |
С |
|||
|
Столбы |
6 |
6 |
7 |
Угольное |
7 |
7 |
8 |
Чапчылган |
6 |
6 |
7 |
|
Сулгаччы |
6 |
6 |
7 |
Улахан-Ан |
- |
- |
6 |
Чериктей |
6 |
6 |
7 |
|
Суордах |
7 |
7 |
8 |
Улахан-Кюель |
7 |
7 |
8 |
Черкех |
6 |
6 |
7 |
|
Сутуруоха |
7 |
7 |
8 |
Уолба |
6 |
6 |
7 |
Черский |
- |
- |
6 |
|
Сыаганнах |
7 |
7 |
8 |
Урицкое |
- |
- |
6 |
Чкалов |
6 |
6 |
7 |
|
Сымах |
6 |
6 |
7 |
Усть-Куйга |
7 |
7 |
8 |
Чокурдах |
- |
- |
6 |
|
Табага (гор. округ Якутск) |
- |
6 |
7 |
Усть-Мая |
6 |
6 |
7 |
Чульман |
7 |
7 |
8 |
|
Табага (Мегино-Кангаласский улус) |
6 |
6 |
7 |
Усть-Миль |
6 |
6 |
7 |
Чумпу-Кытыл |
8 |
9 |
> 9 |
|
Таймылыр |
7 |
8 |
9 |
Усть-Нера |
7 |
8 |
9 |
Чурапча |
6 |
6 |
7 |
|
Тектюр |
6 |
6 |
7 |
Усть-Янск |
7 |
7 |
8 |
Чыаппара |
6 |
6 |
7 |
|
Тенкели |
7 |
7 |
8 |
Усун-Кюель (Верхнеколымский улус) |
6 |
6 |
7 |
Чымнайи |
6 |
6 |
7 |
|
Теплый ключ |
7 |
7 |
8 |
Усун-Кюель (Чурапчинский улус) |
6 |
6 |
7 |
Чычымах |
6 |
6 |
7 |
|
Терют |
7 |
8 |
9 |
Уяндино |
7 |
7 |
8 |
Чюйя |
6 |
6 |
7 |
|
Тикси |
7 |
8 |
9 |
Хайыр |
7 |
8 |
9 |
Ыллымах |
6 |
6 |
7 |
|
Тит-Ары |
6 |
6 |
7 |
Хайысардах |
7 |
7 |
8 |
Ымыяхтах |
6 |
6 |
7 |
|
Тит-Эбя |
- |
6 |
7 |
Хандыга |
6 |
7 |
7 |
Ыныкчан |
7 |
8 |
9 |
|
Токко |
- |
6 |
6 |
Хани |
8 |
9 |
> 9 |
Ыстаннах-Хочо |
7 |
8 |
9 |
|
Толон (Ленский улус) |
- |
6 |
6 |
Хаптагай |
- |
6 |
7 |
Ытык-Кюель |
6 |
6 |
7 |
|
Толон (Чурапчинский улус) |
6 |
6 |
7 |
Хара-алдан |
6 |
6 |
7 |
Эжанцы |
6 |
7 |
8 |
|
Томмот |
6 |
6 |
7 |
Харбала 1-я |
6 |
6 |
7 |
Эльгинский |
7 |
8 |
9 |
|
Томтор |
7 |
7 |
8 |
Харбала 2-я |
6 |
6 |
7 |
Эльдикан |
6 |
7 |
8 |
|
Тополиное |
6 |
7 |
7 |
Харбалах |
6 |
6 |
7 |
Эсэ-Хайя |
7 |
7 |
8 |
|
Торго |
7 |
7 |
8 |
Харыялах |
- |
6 |
7 |
Югоренок |
7 |
7 |
9 |
|
Троицк |
- |
6 |
7 |
Хатас |
- |
6 |
7 |
Южная Нюя |
- |
- |
6 |
|
Тулуна |
6 |
6 |
7 |
Хатыстыр |
6 |
6 |
7 |
Юкагир |
6 |
6 |
7 |
|
Тумат |
6 |
7 |
7 |
Хонуу |
7 |
8 |
8 |
Юнкюр |
- |
6 |
6 |
|
Тумул (Намский улус) |
6 |
6 |
7 |
Хоринцы |
- |
- |
6 |
Юринг-Хая |
- |
6 |
7 |
|
Тумул (Усть-Алданский улус) |
6 |
6 |
7 |
Хочо |
6 |
6 |
7 |
Юрюнг-Кюель |
6 |
6 |
7 |
|
Туора-Кюель (Таттинский улус) |
6 |
6 |
7 |
Чагда (Алданский улус) |
6 |
6 |
7 |
Юрюнг-Хая |
- |
6 |
7 |
|
Туора-Кюель (Чурапчинский улус) |
6 |
6 |
7 |
Чагда (Кобяйский улус) |
- |
- |
6 |
Юттях |
7 |
7 |
8 |
|
Тюнгюлю |
6 |
6 |
7 |
Чакыр 2-й |
6 |
6 |
7 |
Якокут |
6 |
6 |
7 |
|
Тяня |
6 |
7 |
7 |
Чапаево |
- |
- |
6 |
Якутск |
6* |
6 |
7 |
|
РЕСПУБЛИКА СЕВЕРНАЯ ОСЕТИЯ - АЛАНИЯ |
|||||||||||
|
Алагир |
8 |
9 |
> 9* |
Ахсарисар |
8 |
9 |
9 |
Беслан |
8 |
9* |
9 |
|
Ардон |
8 |
9* |
9 |
Балта |
8 |
9 |
> 9 |
Бирагзанг |
8 |
9 |
> 9 |
|
Архонская |
8 |
9 |
9 |
Батако |
8 |
8 |
9 |
Брут |
8 |
8 |
9 |
Продолжение таблицы
|
Наименование субъектов РФ и населенных пунктов |
Карты ОСР-2016 |
Наименование субъектов РФ и населенных пунктов |
Карты ОСР-2016 |
Наименование субъектов РФ и населенных пунктов |
Карты ОСР-2016 |
||||||
|
А |
В |
С |
А |
В |
С |
А |
В |
С |
|||
|
Бурон |
9 |
9 |
> 9 |
Красногор |
8 |
8 |
9 |
Рамоново |
8 |
9 |
9 |
|
Верхний Згид |
9 |
9 |
> 9 |
Куртат |
8 |
9 |
9 |
Рассвет |
8 |
9 |
9 |
|
Верхний Ларс |
8 |
9 |
> 9 |
Лескен |
8 |
8 |
9 |
Садон |
9 |
9 |
> 9 |
|
Верхняя Саниба |
8 |
9 |
9 |
Луковская |
8 |
8 |
9 |
Синдзикау |
8 |
9 |
9 |
|
Верхний Фиагдон |
9 |
9 |
> 9 |
Майрамадаг |
8 |
9 |
9 |
Советский |
8 |
8 |
9 |
|
Веселовское |
8 |
8 |
9 |
Майский |
8 |
9 |
9 |
Средний Урух |
8 |
8 |
9 |
|
Виноградное |
8 |
8 |
9 |
Малгобек |
8 |
8 |
9 |
Ставд-Дурт |
8 |
8 |
9 |
|
Владикавказ |
8 |
9 |
> 9* |
Махческ |
8 |
9 |
> 9 |
Старый Батакоюрт |
8 |
8 |
9 |
|
Галиат |
8 |
9 |
> 9 |
Мизур |
9 |
9 |
> 9 |
Стур-Дигора |
8 |
9 |
> 9 |
|
Гизель |
8 |
9 |
9 |
Михайловское |
8 |
9 |
9 |
Суадаг |
8 |
9 |
9 |
|
Даргавс |
8 |
9 |
> 9 |
Мичурино |
8 |
9 |
9 |
Сунжа |
8 |
9 |
9 |
|
Дзуарикау |
9 |
9 |
> 9 |
Моздок |
8 |
8 |
9 |
Сурх-Дигора |
8 |
8 |
9 |
|
Дигора |
8 |
9* |
9 |
Мостиздах |
8 |
8 |
9 |
Сухотское |
8 |
8 |
9 |
|
Донгарон |
8 |
9 |
9 |
Нар |
9 |
9 |
> 9 |
Тарское |
8 |
9 |
> 9* |
|
Дур-Дур |
8 |
9 |
9 |
Нарт |
8 |
9 |
9 |
Терская |
8 |
8 |
9 |
|
Заводской |
8 |
9 |
9 |
Нижний Унал |
9 |
9 |
> 9 |
Толдзгун |
8 |
8 |
9 |
|
Заманкул |
8 |
8 |
9 |
Нижний Зарамаг |
9 |
9 |
> 9 |
Троицкое |
8 |
8 |
9 |
|
Зилга |
8 |
8 |
9 |
Нижний Цей |
9 |
9 |
> 9 |
Урсдон |
8 |
9 |
9 |
|
Змейская |
8 |
8 |
9 |
Николаевская |
8 |
8 |
9 |
Фарн |
8 |
9 |
9 |
|
Иран |
8 |
8 |
9 |
Новый Батакоюрт |
8 |
8 |
9 |
Фиагдон |
8 |
9 |
9 |
|
Кадгарон |
8 |
9 |
9 |
Новый Урух |
8 |
8 |
9 |
Хазнидон |
8 |
8 |
9 |
|
Калининский |
8 |
8 |
9 |
Новосетинская |
8 |
8 |
9 |
Хаталдон |
8 |
9 |
9 |
|
Камбилеевское |
8 |
9 |
9 |
Новый Батако |
8 |
9* |
9 |
Ход |
9 |
9 |
> 9 |
|
Карджин |
8 |
8 |
9 |
Ногир |
8 |
9 |
9 |
Холст |
9 |
9 |
> 9 |
|
Кармадон |
8 |
9 |
> 9 |
Ногкау |
9 |
9 |
> 9 |
Хумалаг |
8 |
8 |
9 |
|
Киевское |
8 |
8 |
9 |
Октябрьское |
8 |
9 |
9 |
Цалык |
8 |
8 |
9 |
|
Кизляр |
8 |
8 |
9 |
Ольгинское |
8 |
9 |
9 |
Црау |
8 |
9 |
9 |
|
Кирово |
8 |
9 |
9 |
Павлодольская |
8 |
8 |
9 |
Чермен |
8 |
9 |
9 |
|
Кобан |
8 |
9 |
> 9 |
Предгорное |
8 |
8 |
9 |
Чикола |
8 |
8 |
9 |
|
Комгарон |
8 |
9 |
9 |
Притеречный |
8 |
8 |
9 |
Эльхотово |
8 |
8 |
9 |
|
Комсомольское |
8 |
8 |
9 |
Раздзог |
8 |
8 |
9 |
|
|
|
|
|
Коста |
8 |
9 |
9 |
Раздольное |
8 |
8 |
9 |
|
|
|
|
|
РЕСПУБЛИКА ТАТАРСТАН |
|||||||||||
|
Агрыз |
- |
- |
6 |
Джалиль |
- |
- |
6 |
Лубяны |
- |
- |
6 |
|
Азнакаево |
- |
- |
6 |
Елабуга |
- |
- |
6 |
Мамадыш |
- |
- |
6 |
|
Актаныш |
- |
- |
6* |
Заинск |
- |
- |
6 |
Менделеевск |
- |
- |
6 |
|
Актюбинский |
- |
- |
6 |
Зеленая Роща |
- |
- |
6 |
Мензелинск |
- |
- |
6 |
|
Альметьевск |
- |
- |
6 |
Камские Поляны |
- |
- |
6 |
Муслюмово |
- |
- |
6 |
|
Бавлы |
- |
- |
6 |
Карабаш |
- |
- |
6 |
Набережные Челны |
- |
- |
6 |
|
Большое Афанасово |
- |
- |
6 |
Красный Ключ |
- |
- |
6 |
Нижнекамск |
- |
- |
6 |
|
Бугульма |
- |
- |
6 |
Кукмор |
- |
- |
6 |
Нижняя Мактама |
- |
- |
6 |
|
Дербешкинский |
- |
- |
6 |
Лениногорск |
- |
- |
6 |
Новошешминск |
- |
- |
6 |
Продолжение таблицы
|
Наименование субъектов РФ и населенных пунктов |
Карты ОСР-2016 |
Наименование субъектов РФ и населенных пунктов |
Карты ОСР-2016 |
Наименование субъектов РФ и населенных пунктов |
Карты ОСР-2016 |
||||||
|
А |
В |
С |
А |
В |
С |
А |
В |
С |
|||
|
Русский Акташ |
- |
- |
6 |
Уруссу |
- |
- |
6 |
Шугурово |
- |
- |
6 |
|
Сарманово |
- |
- |
6 |
Черемшан |
- |
- |
6 |
|
|
|
|
|
РЕСПУБЛИКА ТЫВА |
|||||||||||
|
Адыр-Кежиг |
8 |
8 |
9 |
Ишти-Хем |
8 |
8 |
9 |
Усть-Элегест |
8 |
8 |
9 |
|
Ак-Даш |
8 |
8 |
9 |
Каа-Хем |
8 |
8 |
9 |
Уюк |
7 |
8 |
9 |
|
Ак-Довурак |
8 |
8 |
9 |
Кара-Хаак |
8 |
8 |
9 |
Хадын |
8 |
8 |
9 |
|
Ак-Дуруг |
8 |
8 |
9 |
Кара-Холь |
8 |
8 |
9 |
Хайыракан (Дзун-Хемчикский кожуун) |
8 |
8 |
9 |
|
Ак-Тал |
8 |
8 |
9 |
Кок-Хаак |
8 |
8 |
9 |
Хайыракан (Улуг-Хемский кожуун) |
8 |
8 |
9 |
|
Ак-Чираа |
8 |
8 |
9 |
Кочетово |
8 |
8 |
9 |
Хандагайты |
8 |
8 |
9 |
|
Ак-Эрик |
8 |
8 |
9 |
Кунгуртуг |
8 |
9 |
9 |
Хову-Аксы |
8 |
8 |
9 |
|
Алдан-Маадыр |
8 |
8 |
9 |
Кундус-Туг |
8 |
8 |
9 |
Холь-Оожу |
8 |
8 |
9 |
|
Аржаан |
7 |
8 |
9 |
Кызыл |
8 |
8 |
9 |
Хонделен |
8 |
8 |
9 |
|
Арыг-Узуу |
8 |
8 |
9 |
Кызыл-Даг |
8 |
8 |
9 |
Хондергей |
8 |
8 |
9 |
|
Арыскан |
8 |
8 |
9 |
Кызыл-Мажалык |
8 |
8 |
9 |
Хорум-Даг |
8 |
8 |
9 |
|
Бажын-Алаак |
8 |
8 |
9 |
Кызыл-Тайга |
8 |
8 |
9 |
Хут |
7 |
8 |
8 |
|
Бай-Даг |
8 |
8 |
9 |
Кызыл-Хая |
8 |
9 |
> 9 |
Целинное |
8 |
8 |
9 |
|
Бай-Тал |
8 |
8 |
9 |
Межегей |
8 |
8 |
9 |
Чаа-Суур |
8 |
8 |
9 |
|
Бай-Хаак |
8 |
8 |
9 |
Морен |
8 |
8 |
9 |
Чаа-Холь |
8 |
8 |
9 |
|
Балгазын |
8 |
8 |
9 |
Мугур-Аксы |
8 |
9 |
> 9 |
Чадан |
8 |
8 |
9 |
|
Барлык |
8 |
8 |
9 |
Нарын |
8 |
8 |
9 |
Чазылары |
8 |
8 |
9 |
|
Баян-Кол |
8 |
8 |
9 |
Саглы |
8 |
8 |
9 |
Чал-Кежиг |
8 |
8 |
9 |
|
Баян-Тала |
8 |
8 |
9 |
Сайлыг |
8 |
8 |
9 |
Черби |
8 |
8 |
9 |
|
Бельдир-Арыг |
8 |
8 |
9 |
Самагалтай |
8 |
8 |
9 |
Чодураа |
8 |
8 |
9 |
|
Берт-Даг |
8 |
8 |
9 |
Сарыг-Сеп |
8 |
8 |
9 |
Чыраа-Бажы |
8 |
8 |
9 |
|
Бижиктиг-Хая |
8 |
8 |
9 |
Сесерлиг |
8 |
8 |
9 |
Шагонар |
8 |
8 |
9 |
|
Бора-Тайга |
8 |
8 |
9 |
Сизим |
8 |
9 |
9 |
Шамбалыг |
8 |
8 |
9 |
|
Бояровка |
8 |
8 |
9 |
Сосновка |
8 |
8 |
9 |
Шанчы |
8 |
8 |
9 |
|
Булун-Бажи |
8 |
8 |
9 |
Суг-Аксы |
8 |
8 |
9 |
Шекпээр |
8 |
8 |
9 |
|
Булун-Терек |
8 |
8 |
9 |
Суг-бажи |
8 |
8 |
9 |
Шеми |
8 |
8 |
9 |
|
Бурен-Бай-Хак |
8 |
8 |
9 |
Суклак |
8 |
8 |
9 |
Шуй |
8 |
8 |
9 |
|
Бурен-Хем |
8 |
8 |
9 |
Суш |
7 |
8 |
9 |
Шуурмак |
8 |
8 |
9 |
|
Владимировка |
8 |
8 |
9 |
Тарлаг |
7 |
8 |
9 |
Ырбан |
7 |
8 |
9 |
|
Дон-Терезин |
8 |
8 |
9 |
Теве-Хая |
8 |
8 |
9 |
Элегест |
8 |
8 |
9 |
|
Дурген |
8 |
8 |
9 |
Тоора-Хем |
8 |
8 |
9 |
Эрбек |
8 |
8 |
9 |
|
Ий |
7 |
8 |
9 |
Торгалыг |
8 |
8 |
9 |
Эрги-Барлык |
8 |
8 |
9 |
|
Ийи-Тал |
8 |
8 |
9 |
Туран |
7 |
8 |
9 |
Эрзин |
8 |
8 |
9 |
|
Ийме |
8 |
8 |
9 |
Тээли |
8 |
8 |
9 |
Ээрбек |
8 |
8 |
9 |
|
Ильинка |
8 |
8 |
9 |
Успенка |
8 |
8 |
9 |
|
|
|
|
|
Ишкин |
8 |
8 |
9 |
Усть-Бурен |
8 |
8 |
9 |
|
|
|
|
Продолжение таблицы
|
Наименование субъектов РФ и населенных пунктов |
Карты ОСР-2016 |
Наименование субъектов РФ и населенных пунктов |
Карты ОСР-2016 |
Наименование субъектов РФ и населенных пунктов |
Карты ОСР-2016 |
||||||
|
А |
В |
С |
А |
В |
С |
А |
В |
С |
|||
|
РЕСПУБЛИКА УДМУРТИЯ |
|||||||||||
|
Алнаши |
- |
- |
6 |
Кизнер |
- |
- |
6 |
Можга |
- |
- |
6 |
|
Грахово |
- |
- |
6 |
Киясово |
- |
- |
6 |
Пычас |
- |
- |
6 |
|
Каракулино |
- |
- |
6 |
Малая Пурга |
- |
- |
6 |
|
|
|
|
|
РЕСПУБЛИКА ХАКАСИЯ |
|||||||||||
|
Абаза |
7 |
8* |
9* |
Знаменка |
7 |
7 |
8 |
Пуланколь |
7 |
7 |
8 |
|
Абакан |
7 |
7 |
8 |
Изыхские Копи |
7 |
7 |
8 |
Пушное |
7 |
7 |
8 |
|
Анчул |
7 |
7 |
8 |
Имек |
7 |
7 |
8 |
Райков |
7 |
7 |
8 |
|
Арбаты |
7 |
8 |
9 |
Июс |
6 |
7 |
7 |
Расцвет |
7 |
7 |
8 |
|
Аршаново |
7 |
7 |
8 |
Калинино |
7 |
7 |
8 |
Сабинка |
7 |
8 |
9 |
|
Аскиз |
7 |
7 |
8 |
Кирба |
7 |
7 |
8 |
Сапогов |
7 |
7 |
8 |
|
Балыкса |
7 |
7 |
8 |
Кирово |
7 |
7 |
8 |
Сапогово |
7 |
7 |
8 |
|
Белый Яр |
7 |
7 |
8 |
Колодезный |
6 |
7 |
8 |
Сарагаш |
6 |
7 |
8 |
|
Бельтирское |
7 |
7 |
8 |
Коммунар |
6 |
7 |
7 |
Сарала |
6 |
6 |
7 |
|
Бельтырское |
7 |
7 |
8 |
Копьево |
6 |
6 |
7 |
Саяногорск |
7 |
8 |
9 |
|
Бея |
7 |
7 |
9* |
Куйбышево |
7 |
7 |
8 |
Солнечное |
7 |
7 |
8 |
|
Бирикчуль |
7 |
7 |
8 |
Кызлас |
7 |
7 |
8 |
Сон |
7 |
7 |
8 |
|
Бискамжа |
7 |
7 |
8 |
Майна |
7 |
8 |
9 |
Сонский |
7 |
7 |
8 |
|
Боград |
7 |
7 |
8 |
Малые Арбаты |
7 |
8 |
9 |
Сорск |
7 |
7 |
8 |
|
Большая Ерба |
7 |
7 |
8 |
Матур |
7 |
7 |
8 |
Табат |
7 |
8* |
9* |
|
Большая Сея |
7 |
7 |
8 |
Московское |
7 |
7 |
8 |
Таштып |
7 |
7 |
8 |
|
Большой Монок |
7 |
7 |
8 |
Ниж. сыры |
7 |
7 |
8 |
Тепличный |
7 |
7 |
8 |
|
Большой Он |
7 |
8 |
9 |
Нижняя База |
7 |
7 |
8 |
Троицкое |
7 |
7 |
8 |
|
Бондарево |
7 |
7 |
8 |
Новоенисейка |
7 |
8 |
9 |
Туим |
6 |
7 |
8 |
|
Борец |
6 |
7 |
8 |
Новокурск |
7 |
8 |
9 |
Устинкино |
6 |
6 |
7 |
|
Бородино |
7 |
7 |
8 |
Новомарьясово |
6 |
6 |
7 |
Усть-Абакан |
7 |
7 |
8 |
|
Верх-Аскиз |
7 |
7 |
8 |
Новомихайловка |
7 |
7 |
9* |
Усть-Бюр |
7 |
7 |
8 |
|
Вершина Тёи |
7 |
7 |
8 |
Новороссийское |
7 |
7 |
8 |
Усть-Камышта |
7 |
7 |
8 |
|
Вершино-Биджа |
7 |
7 |
8 |
Новотроицкое |
7 |
7 |
8 |
Целинное |
6 |
7 |
7 |
|
Весеннее |
7 |
7 |
8 |
Орджоникидзевский |
6 |
7 |
7 |
Чапаево |
7 |
7 |
8 |
|
Ворота |
6 |
7 |
8 |
Очуры |
7 |
8 |
9 |
Чарков |
7 |
7 |
8 |
|
Джирим |
6 |
7 |
7 |
Первомайское |
6 |
7 |
8 |
Черемушки |
7 |
8 |
9 |
|
Доможаков |
7 |
7 |
8 |
Подсинее |
7 |
7 |
8 |
Черногорск |
7 |
7 |
8 |
|
Ефремкино |
6 |
7 |
7 |
Полтаков |
7 |
7 |
8 |
Шира |
6 |
7 |
8* |
|
Жемчужный |
6 |
7 |
8 |
Пригорок |
7 |
7 |
8 |
|
|
|
|
|
Зеленое |
7 |
7 |
8 |
Приисковый |
6 |
7 |
8 |
|
|
|
|
|
ЧЕЧЕНСКАЯ РЕСПУБЛИКА |
|||||||||||
|
Автуры |
8 |
9 |
9 |
Ассиновская |
8 |
9 |
9 |
Верхний Наур |
8 |
8 |
9 |
|
Аллерой |
8 |
9 |
9 |
Ачхой-Мартан |
8 |
9 |
9 |
Гвардейское |
8 |
8 |
9 |
|
Алхазурово |
8 |
9 |
9 |
Бачи-Юрт |
8 |
9 |
9 |
Герменчук |
8 |
9 |
9 |
|
Алхан-Юрт |
8 |
9 |
9 |
Братское |
8 |
8 |
9 |
Гехи |
8 |
9 |
9 |
|
Аргун |
8 |
9 |
9 |
Валерик |
8 |
9 |
9 |
Гойское |
8 |
9 |
9 |
Продолжение таблицы
|
Наименование субъектов РФ и населенных пунктов |
Карты ОСР-2016 |
Наименование субъектов РФ и населенных пунктов |
Карты ОСР-2016 |
Наименование субъектов РФ и населенных пунктов |
Карты ОСР-2016 |
||||||
|
А |
В |
С |
А |
В |
С |
А |
В |
С |
|||
|
Гойты |
8 |
9 |
9 |
Кулары |
8 |
9 |
9 |
Самашки |
8 |
9 |
9 |
|
Грозный |
8 |
9 |
9 |
Курчалой |
8 |
9 |
9 |
Старые Атаги |
8 |
9 |
9 |
|
Гудермес |
8 |
9 |
9 |
Левобережное |
8 |
8 |
9 |
Терское |
8 |
8 |
9 |
|
Дарго |
8 |
9 |
9 |
Майртуп |
8 |
9 |
9 |
Урус-Мартан |
8 |
9 |
9 |
|
Дубовская |
8 |
8 |
9 |
Мескер-Юрт |
8 |
9 |
9 |
Центарой |
8 |
9 |
9 |
|
Знаменское |
8 |
8 |
9 |
Надтеречное |
8 |
8 |
9 |
Чири-Юрт |
8 |
9 |
9 |
|
Итум-Кали |
8 |
9 |
9 |
Наурская |
8 |
8 |
9 |
Шали |
8 |
9 |
9 |
|
Ишхой-Юрт |
8 |
9 |
9 |
Новые Атаги |
8 |
9 |
9 |
Шатой |
8 |
9 |
9 |
|
Калиновская |
8 |
8 |
9 |
Ножай-Юрт |
8 |
9 |
9 |
Шелковская |
8 |
9 |
9 |
|
Катар-Юрт |
8 |
9 |
9 |
Петропавловская |
8 |
9 |
9 |
|
|
|
|
|
АМУРСКАЯ ОБЛАСТЬ |
|||||||||||
|
Албазинка |
- |
- |
6 |
Борисоглебка |
- |
- |
6 |
Дальневосточный |
- |
- |
6 |
|
Албазино |
7 |
7 |
8 |
Бурея |
6 |
6 |
7 |
Джалинда |
7 |
7 |
8 |
|
Алгач |
7 |
8 |
8 |
Варваровка |
- |
- |
6 |
Дим |
- |
- |
6 |
|
Алексеевка |
6 |
6 |
7 |
Васильевка |
- |
- |
6 |
Дипкун |
7 |
7 |
8 |
|
Амаранка |
- |
- |
6 |
Верхний Уртуй |
- |
- |
6 |
Дмитриевка (Ивановский р-н) |
- |
- |
6 |
|
Амуро-Балтийск |
7 |
8 |
8 |
Верхнезейск |
7 |
7 |
8 |
Дмитриевка (Свободненский р-н) |
- |
- |
6 |
|
Амурское |
- |
- |
6 |
Верхнеильиновка |
- |
6 |
6 |
Дубовое |
- |
- |
6 |
|
Андреевка |
- |
- |
6 |
Верхнеполтавка |
- |
- |
6 |
Дугда |
7 |
8 |
9 |
|
Анновка |
- |
- |
6 |
Винниково |
- |
6 |
7 |
Дюгабуль |
8 |
8 |
9 |
|
Аносовский |
7 |
8 |
8 |
Виноградовка |
- |
6 |
7 |
Екатеринославка |
- |
- |
6 |
|
Антоновка (Архаринский р-н) |
7 |
7 |
8 |
Водораздельное |
- |
- |
6 |
Ерковцы |
- |
- |
6 |
|
Антоновка (Завитинский р-н) |
- |
6 |
6 |
Возжаевка |
- |
- |
6 |
Ерофей Павлович |
7 |
8 |
8 |
|
Апрельский |
7 |
8 |
8 |
Войково |
- |
- |
6 |
Жариково |
- |
- |
6 |
|
Арга |
- |
- |
6 |
Волково |
- |
- |
6 |
Желтоярово |
- |
- |
6 |
|
Аркадьевка |
7 |
7 |
8 |
Вольное |
7 |
7 |
8 |
Завитинск |
- |
6* |
6 |
|
Арсентьевка |
- |
- |
6 |
Воскресеновка |
- |
- |
6 |
Зеленый Бор |
- |
- |
6 |
|
Архара |
7 |
7 |
8 |
Восточный (Октябрьский р-н) |
- |
- |
6 |
Зельвино |
- |
6 |
7 |
|
Безозерный |
- |
- |
6 |
Восточный (Тындинский р-н) |
7 |
8* |
8 |
Зея |
7 |
8 |
9 |
|
Белогорск |
- |
- |
6 |
Гильчин |
- |
- |
6 |
Златоустовск |
7 |
7 |
8 |
|
Белогорье |
- |
- |
6* |
Глухари |
- |
- |
6 |
Знаменка |
- |
- |
6 |
|
Белоцерковка |
- |
- |
6 |
Голубое |
- |
- |
6 |
Золотая Гора |
7 |
8 |
9 |
|
Белый яр |
- |
- |
6 |
Гонжа |
7 |
7 |
8 |
Ивановка |
- |
- |
6 |
|
Береговой |
7 |
8 |
8 |
Горный |
7 |
7 |
8 |
Ивановское |
7 |
7 |
8 |
|
Берея |
- |
- |
6 |
Грибовка |
7 |
7 |
8 |
Игнашино |
7 |
7 |
8 |
|
Благовещенск |
- |
- |
6* |
Грибское |
- |
- |
6 |
Ильиновка |
- |
- |
6 |
|
Болдыревка |
- |
- |
6 |
Гудачи |
7 |
8 |
8 |
Калинино |
- |
6 |
7 |
|
Бомнак |
7 |
7 |
8 |
Дактуй |
7 |
7 |
8 |
Калиновка |
- |
- |
6 |
Продолжение таблицы
|
Наименование субъектов РФ и населенных пунктов |
Карты ОСР-2016 |
Наименование субъектов РФ и населенных пунктов |
Карты ОСР-2016 |
Наименование субъектов РФ и населенных пунктов |
Карты ОСР-2016 |
||||||
|
А |
В |
С |
А |
В |
С |
А |
В |
С |
|||
|
Касаткино |
7 |
7 |
8 |
Некрасовка |
- |
- |
6 |
Поярково |
- |
- |
6 |
|
Каховка |
- |
- |
6 |
Нижняя Ильиновка |
- |
- |
6 |
Правовосточное |
- |
- |
6 |
|
Кивда-Тюкан |
6 |
6 |
7 |
Нижние Бузули |
- |
- |
6 |
Пребреженовка |
- |
6 |
6 |
|
Климоуцы |
- |
- |
6 |
Нижняя Полтавка |
- |
- |
6 |
Пригородное |
- |
- |
6 |
|
Ключи |
- |
- |
6 |
Николаевка |
- |
- |
6 |
Придорожное |
- |
- |
6 |
|
Коболдо |
7 |
7 |
8 |
Николо-Александровка |
- |
- |
6 |
Прогресс |
6 |
6 |
7 |
|
Коврижка |
- |
- |
6 |
Новоалександровка |
- |
- |
6 |
Раздольное |
- |
- |
6 |
|
Козмодемьяновка |
- |
- |
6 |
Новоалексеевка (Ивановский р-н) |
- |
- |
6 |
Райчихинск |
- |
6 |
7* |
|
Козьмодемьяновка |
- |
- |
6 |
Новоалексеевка (Октябрьский р-н) |
- |
- |
6 |
Рогозовка |
- |
- |
6 |
|
Константиновка |
- |
- |
6 |
Новобурейский |
6 |
7* |
7 |
Родионовка |
6 |
6 |
7 |
|
Короли |
- |
- |
6 |
Нововоскресенка |
- |
6 |
6 |
Романовка |
- |
- |
6 |
|
Коршуновка |
- |
- |
6 |
Новогеоргиевка |
- |
- |
6 |
Ромны |
- |
- |
6 |
|
Красное |
- |
- |
6 |
Новое |
- |
- |
6 |
Садовое |
- |
- |
6 |
|
Красноярово |
- |
- |
6 |
Новоивановка |
- |
- |
6 |
Саскаль |
- |
- |
6 |
|
Крестовоздвиженка |
- |
- |
6 |
Новокиевский Увал |
- |
- |
6 |
Свободный |
- |
- |
6 |
|
Кувыкта |
7 |
8 |
8 |
Новопетровка |
- |
- |
6 |
Святоруссовка |
- |
- |
6 |
|
Кузнецово |
6 |
6 |
7 |
Новорайчихинск |
6 |
6 |
7 |
Северное |
6 |
6 |
7 |
|
Кундур |
7 |
7 |
8 |
Новосергеевка |
7 |
7 |
8 |
Селеткан |
- |
- |
6 |
|
Куприяновка |
- |
- |
6 |
Новоспасск |
6 |
6 |
7 |
Семеновка |
- |
- |
6 |
|
Куприяново |
- |
6 |
6 |
Новостепановка |
- |
- |
6 |
Семидомка |
- |
- |
6 |
|
Куропатино |
- |
- |
6 |
Новотроицкое |
- |
- |
6 |
Серебрянка |
- |
- |
6 |
|
Лазаревка |
- |
- |
6 |
Новочесноково |
- |
6 |
6 |
Серышево |
- |
- |
6* |
|
Ларба |
7 |
8 |
9 |
Овсянка |
7 |
8 |
8 |
Сиваки |
6 |
6 |
7 |
|
Ленинское |
7 |
7 |
8 |
Огоджа |
7 |
7 |
8 |
Симоново |
- |
- |
6 |
|
Лермонтовка |
- |
- |
6 |
Огорон |
7 |
8 |
9 |
Сковородино |
7 |
8 |
8 |
|
Лермонтово |
- |
- |
6 |
Озерное |
- |
- |
6 |
Снежногорский |
7 |
8 |
8 |
|
Лиманное |
- |
- |
6 |
Октябрьский |
7 |
7 |
8 |
Солнечный |
7 |
8 |
9 |
|
Магдагачи |
7 |
7 |
8 |
Олекма |
8 |
9 |
> 9 |
Соловьевск |
7 |
8 |
9 |
|
Майский |
6 |
6 |
7 |
Орловка |
- |
- |
6 |
Сосновый Бор |
7 |
8 |
9 |
|
Максимовка |
- |
- |
6 |
Отважное |
7 |
7 |
8 |
Среднеполтавка |
- |
- |
6 |
|
Малая Сазанка |
- |
- |
6 |
Панино |
- |
- |
6 |
Среднерейновский |
7 |
8 |
8 |
|
Малиновка |
6 |
6 |
7 |
Первомайское |
7 |
8 |
8 |
Стойба |
7 |
7 |
8 |
|
Маркучи |
- |
- |
6 |
Переясловка |
- |
- |
6 |
Талакан |
6 |
7 |
8* |
|
Михайловка |
- |
- |
6 |
Петропавловка |
- |
- |
6 |
Талали |
- |
- |
6 |
|
Могилевка |
7 |
7 |
8 |
Петруши |
- |
- |
6 |
Талдан |
7 |
8* |
8 |
|
Могот |
7 |
7 |
8 |
Плодопитомник |
- |
- |
6 |
Тамбовка |
- |
- |
6 |
|
Мухино |
- |
6 |
6 |
Поздеевка |
- |
- |
6 |
Тахтамыгда |
7 |
8 |
9 |
|
Мухинский |
- |
- |
6 |
Поляковский |
7 |
7 |
8 |
Токур |
7 |
7 |
8 |
|
Невер |
7 |
8 |
9* |
Поляна |
- |
- |
6 |
Толбузино |
7 |
7 |
8 |
Продолжение таблицы
|
Наименование субъектов РФ и населенных пунктов |
Карты ОСР-2016 |
Наименование субъектов РФ и населенных пунктов |
Карты ОСР-2016 |
Наименование субъектов РФ и населенных пунктов |
Карты ОСР-2016 |
||||||
|
А |
В |
С |
А |
В |
С |
А |
В |
С |
|||
|
Толстовка |
- |
- |
6 |
Усть-Ивановка |
- |
- |
6 |
Черниговка (Свободненский р-н) |
- |
- |
6 |
|
Томское |
- |
- |
6 |
Усть-Кивда |
6 |
6 |
7 |
Черняево |
6 |
7 |
8 |
|
Трудовой |
- |
- |
6 |
Усть-Нюкжа |
8 |
9 |
> 9 |
Чесноково |
- |
- |
6 |
|
Тыгда |
7 |
7 |
8 |
Усть-Уркима |
7 |
8 |
8 |
Чеугда |
6 |
7 |
8 |
|
Тында |
7 |
8 |
8 |
Ушаково |
- |
- |
6 |
Чигири |
- |
- |
6 |
|
Углегорск |
- |
- |
6 |
Ушумун |
6 |
7 |
8 |
Чильчи |
7 |
8 |
9 |
|
Украинка |
- |
- |
6 |
Февральск |
7* |
7 |
8 |
Шимановск |
- |
- |
6 |
|
Умлекан |
7 |
7 |
8 |
Фроловка |
- |
- |
6 |
Широкий |
- |
6 |
7 |
|
Ураловка |
6 |
6 |
7 |
Хвойный |
7 |
7 |
8 |
Широкий Лог |
- |
- |
6 |
|
Урил |
7 |
7 |
8 |
Хорогочи |
7 |
8 |
8 |
Экимчан |
7 |
7 |
8 |
|
Уркан |
7 |
8 |
9 |
Чагоян |
- |
- |
6 |
Юбилейный |
7 |
7 |
8 |
|
Уруша |
7 |
8 |
9 |
Чалбачи |
7 |
8 |
8 |
Юктали |
8 |
9 |
> 9 |
|
Успеновка (Бурейский р-н) |
- |
6 |
6 |
Черемхово |
- |
- |
6 |
|
|
|
|
|
Успеновка (Завитинский р-н) |
- |
- |
6 |
Черниговка (Архаринский р-н) |
6 |
7 |
8 |
|
|
|
|
|
АРХАНГЕЛЬСКАЯ ОБЛАСТЬ |
|||||||||||
|
Авнюга |
- |
- |
6 |
Коряжма |
- |
- |
6 |
Самодед |
- |
- |
7* |
|
Амдерма |
- |
- |
6 |
Котлас |
- |
- |
6 |
Светлый |
- |
- |
6* |
|
Архангельск |
6 |
6 |
7 |
Красноборск |
- |
- |
6 |
Северодвинск |
6 |
6 |
7 |
|
Белушья Губа |
- |
- |
6 |
Луковецкий |
- |
- |
6 |
Сельменьга |
- |
- |
6 |
|
Березник |
- |
- |
6 |
Малошуйка |
- |
- |
6 |
Сольвычегодск |
- |
- |
6 |
|
Брин-Наволок |
- |
- |
6 |
Мудьюга |
- |
- |
6 |
Уемский |
6 |
6 |
7 |
|
Верхняя Тойма |
- |
- |
6 |
Мухонская |
- |
- |
6 |
Усть-Ваеньга |
- |
- |
6 |
|
Вычегодский |
- |
- |
6 |
Новодвинск |
6 |
6 |
7 |
Усть-Пинега |
- |
- |
6 |
|
Двинской (Верхнетоемский р-н) |
- |
- |
6 |
Обозерский |
- |
- |
6 |
Харитоново |
- |
- |
6 |
|
Двинской (Холмогорский р-н) |
- |
- |
6 |
Онега |
- |
- |
6 |
Холмогоры |
- |
6 |
7 |
|
Емецк |
- |
- |
6 |
Приводино |
- |
- |
6 |
Черевково |
- |
- |
6 |
|
Емца |
- |
- |
6 |
Пянда |
- |
- |
6 |
Черемушский |
- |
- |
6 |
|
Ильинско-Подомское |
- |
- |
6 |
Рочегда |
- |
- |
6 |
Шипицыно |
- |
- |
6 |
|
Кодино |
- |
- |
6 |
Савинский |
- |
- |
6 |
|
|
|
|
|
АСТРАХАНСКАЯ ОБЛАСТЬ |
|||||||||||
|
Астрахань |
- |
- |
6 |
Ильинка |
- |
- |
6 |
Началово |
- |
- |
6 |
|
Ахтубинск |
- |
- |
6 |
Камызяк |
- |
- |
6 |
Нижний Баскунчак |
- |
- |
6 |
|
Верхний Баскунчак |
- |
- |
6 |
Капустин Яр |
- |
- |
6 |
Оранжереи |
- |
- |
6 |
|
Волго-Каспийский |
- |
- |
6 |
Кировский |
- |
- |
6 |
Растопуловка |
- |
- |
6 |
|
Володарский |
- |
- |
6 |
Красные Баррикады |
- |
- |
6 |
Солянка |
- |
- |
6 |
|
Енотаевка |
- |
- |
6 |
Красный Яр |
- |
- |
6 |
Трудфронт |
- |
- |
6 |
|
Знаменск |
- |
- |
6 |
Лиман |
- |
- |
6 |
Харабали |
- |
- |
6 |
|
Икряное |
- |
- |
6 |
Нариманов |
- |
- |
6 |
Черный Яр |
- |
- |
6 |
Продолжение таблицы
|
Наименование субъектов РФ и населенных пунктов |
Карты ОСР-2016 |
Наименование субъектов РФ и населенных пунктов |
Карты ОСР-2016 |
Наименование субъектов РФ и населенных пунктов |
Карты ОСР-2016 |
||||||
|
А |
В |
С |
А |
В |
С |
А |
В |
С |
|||
|
БЕЛГОРОДСКАЯ ОБЛАСТЬ |
|||||||||||
|
Айдар |
- |
- |
6 |
Губкин |
- |
- |
6 |
Новоуколово |
- |
- |
6 |
|
Алексеевка (Алексеевский р-н) |
- |
- |
6 |
Двулучное |
- |
- |
6 |
Новый Оскол |
- |
- |
6 |
|
Алексеевка (Корочанский р-н) |
- |
- |
6 |
Дубовое |
- |
- |
6 |
Обуховка |
- |
- |
6 |
|
Алексеевка (Яковлевский р-н) |
- |
- |
6 |
Ездочное |
- |
- |
6 |
Октябрьский |
- |
- |
6 |
|
Антоновка |
- |
- |
6 |
Журавлевка |
- |
- |
6 |
Песчанка |
- |
- |
6 |
|
Архангельское |
- |
- |
6 |
Замостье |
- |
- |
6 |
Погореловка |
- |
- |
6 |
|
Афанасьевка |
- |
- |
6 |
Засосна |
- |
- |
6 |
Подсереднее |
- |
- |
6 |
|
Белгород |
- |
- |
6 |
Ивня |
- |
- |
6 |
Поповка |
- |
- |
6 |
|
Беленихино |
- |
- |
6 |
Иловка |
- |
- |
6 |
Прибрежный |
- |
- |
6 |
|
Беленькое |
- |
- |
6 |
Ильинка |
- |
- |
6 |
Принцевка |
- |
- |
6 |
|
Беломестное |
- |
- |
6 |
Истобное |
- |
- |
6 |
Пролетарский |
- |
- |
6 |
|
Белый Колодезь |
- |
- |
6 |
Казацкое |
- |
- |
6 |
Прохоровка |
- |
- |
6 |
|
Белянка |
- |
- |
6 |
Казинка |
- |
- |
6 |
Пушкарное |
- |
- |
6 |
|
Березовка |
- |
- |
6 |
Каплино |
- |
- |
6 |
Пятницкое |
- |
- |
6 |
|
Бессоновка |
- |
- |
6 |
Козинка |
- |
- |
6 |
Радьковка |
- |
- |
6 |
|
Бехтеевка |
- |
- |
6 |
Короча |
- |
- |
6 |
Разумное |
- |
- |
6 |
|
Бирюч |
- |
- |
6 |
Красная Яруга |
- |
- |
6 |
Ракитное |
- |
- |
6 |
|
Бобрава |
- |
- |
6 |
Красногвардейское |
- |
- |
6 |
Ржевка |
- |
- |
6 |
|
Бобровы Дворы |
- |
- |
6 |
Красное |
- |
- |
6 |
Ровеньки |
- |
- |
6 |
|
Большебыково |
- |
- |
6 |
Крутой Лог |
- |
- |
6 |
Роговатое |
- |
- |
6 |
|
Большетроицкое |
- |
- |
6 |
Купино |
- |
- |
6 |
Рождествено |
- |
- |
6 |
|
Борисовка |
- |
- |
6 |
Курасовка |
- |
- |
6 |
Русская Халань |
- |
- |
6 |
|
Валуйки |
- |
- |
6 |
Кустовое |
- |
- |
6 |
Северный |
- |
- |
6 |
|
Вейделевка |
- |
- |
6 |
Ливенка |
- |
- |
6 |
Сергиевка |
- |
- |
6 |
|
Великомихайловка |
- |
- |
6 |
Майский |
- |
- |
6 |
Серетино |
- |
- |
6 |
|
Верхопенье |
- |
- |
6 |
Маслова Пристань |
- |
- |
6 |
Скородное |
- |
- |
6 |
|
Верхососна |
- |
- |
6 |
Монаково |
- |
- |
6 |
Советское |
- |
- |
6 |
|
Веселое |
- |
- |
6 |
Муром |
- |
- |
6 |
Солдатское |
- |
- |
6 |
|
Викторополь |
- |
- |
6 |
Мухоудеровка |
- |
- |
6 |
Староивановка |
- |
- |
6 |
|
Вознесеновка |
- |
- |
6 |
Нагольное |
- |
- |
6 |
Старый Оскол |
- |
- |
6 |
|
Волоконовка |
- |
- |
6 |
Насоново |
- |
- |
6 |
Стрелецкое |
- |
- |
6 |
|
Головчино |
- |
- |
6 |
Нежеголь |
- |
- |
6 |
Стригуны |
- |
- |
6 |
|
Голубино |
- |
- |
6 |
Незнамово |
- |
- |
6 |
Строитель |
- |
- |
6 |
|
Гора-Подол |
- |
- |
6 |
Никаноровка |
- |
- |
6 |
Теплый Колодезь |
- |
- |
6 |
|
Городище |
- |
- |
6 |
Никитовка |
- |
- |
6 |
Терновка |
- |
- |
6 |
|
Гостищево |
- |
- |
6 |
Новая Таволжанка |
- |
- |
6 |
Томаровка |
- |
- |
6 |
|
Грайворон |
- |
- |
6 |
Новенькое |
- |
- |
6 |
Троицкий |
- |
- |
6 |
|
Графовка |
- |
- |
6 |
Новоалександровка |
- |
- |
6 |
Уразово |
- |
- |
6 |
|
Грузское |
- |
- |
6 |
Новосадовый |
- |
- |
6 |
Федосеевка |
- |
- |
6 |
Продолжение таблицы
|
Наименование субъектов РФ и населенных пунктов |
Карты ОСР-2016 |
Наименование субъектов РФ и населенных пунктов |
Карты ОСР-2016 |
Наименование субъектов РФ и населенных пунктов |
Карты ОСР-2016 |
||||||
|
А |
В |
С |
А |
В |
С |
А |
В |
С |
|||
|
Фощеватово |
- |
- |
6 |
Чуево |
- |
- |
6 |
Яблоново |
- |
- |
6 |
|
Хотмыжск |
- |
- |
6 |
Шаталовка |
- |
- |
6 |
Яковлево |
- |
- |
6 |
|
Хохлово |
- |
- |
6 |
Шебекино |
- |
- |
6 |
Ясные Зори |
- |
- |
6 |
|
Чернянка |
- |
- |
6 |
Шелаево |
- |
- |
6 |
|
|
|
|
|
ВОЛГОГРАДСКАЯ ОБЛАСТЬ |
|||||||||||
|
2-й Плотников |
- |
- |
6 |
Золотари |
- |
- |
6 |
Палласовка |
- |
- |
6 |
|
2-й Сухов |
- |
- |
6 |
Кайсацкое |
- |
- |
6 |
Панфилово |
- |
- |
6 |
|
Алексеевская |
- |
- |
6 |
Карагичевский |
- |
- |
6 |
Петровский |
- |
- |
6 |
|
Алексиковский |
- |
- |
6 |
Клетская |
- |
- |
6* |
Преображенская |
- |
- |
6 |
|
Арчединская |
- |
- |
6 |
Колобовка |
- |
- |
6 |
Распопинская |
- |
- |
6 |
|
Безымянка |
- |
- |
6 |
Комсомольский |
- |
- |
6 |
Ромашки |
- |
- |
6 |
|
Березовка |
- |
- |
6 |
Краишево |
- |
- |
6 |
Савинка |
- |
- |
6 |
|
Большой (гор. округ Михайловка) |
- |
- |
6 |
Красноармейский |
- |
- |
6 |
Себрово |
- |
- |
6 |
|
Большой (Серафимовичский р-н) |
- |
- |
6 |
Красный Октябрь |
- |
- |
6 |
Серафимович |
- |
- |
6 |
|
Большой Морец |
- |
- |
6 |
Кругловка |
- |
- |
6 |
Серп и Молот |
- |
- |
6 |
|
Букановская |
- |
- |
6 |
Куликовский |
- |
- |
6 |
Сидоры |
- |
- |
6 |
|
Вишневка |
- |
- |
6 |
Кумылженская |
- |
- |
6 |
Солонка |
- |
- |
6 |
|
Вязовка |
- |
- |
6 |
Ленинск |
- |
- |
6* |
Терновое |
- |
- |
6 |
|
Глазуновская |
- |
- |
6 |
Маляевка |
- |
- |
6 |
Терса |
- |
- |
6 |
|
Гмелинка |
- |
- |
6 |
Мачеха |
- |
- |
6 |
Троицкий |
- |
- |
6 |
|
Двойновский |
- |
- |
6 |
Михайловка |
- |
- |
6 |
Урюпинск |
- |
- |
6 |
|
Деминский |
- |
- |
6 |
Нехаевская |
- |
- |
6 |
Филоновская |
- |
- |
6 |
|
Динамо |
- |
- |
6 |
Новоаннинский |
- |
- |
6 |
Царев |
- |
- |
6 |
|
Елань |
- |
- |
6 |
Новониколаевский |
- |
- |
6 |
Черкесовский |
- |
- |
6 |
|
Заволжский |
- |
- |
6 |
Новостройка |
- |
- |
6 |
Эльтон |
- |
- |
6 |
|
Завязка |
- |
- |
6 |
Отрадное |
- |
- |
6 |
|
|
|
|
|
Зимняцкий |
- |
- |
6 |
Паласовка |
- |
- |
6 |
|
|
|
|
|
ВОРОНЕЖСКАЯ ОБЛАСТЬ |
|||||||||||
|
Абрамовка |
- |
- |
6 |
Верхняя Тишанка |
- |
- |
6 |
Дракино |
- |
- |
6 |
|
Анна |
- |
- |
6 |
Верхняя Тойда |
- |
- |
6 |
Дьяченково |
- |
- |
6 |
|
Березовка |
- |
- |
6 |
Верхняя Хава |
- |
- |
6 |
Елань-Колено |
- |
- |
6 |
|
Бобров |
- |
- |
6 |
Воля |
- |
- |
6 |
Елань-Коленовский |
- |
- |
6 |
|
Богучар |
- |
- |
6 |
Воробьевка |
- |
- |
6 |
Залиман |
- |
- |
6 |
|
Борисоглебск |
- |
- |
6 |
Воронеж |
- |
- |
6 |
Землянск |
- |
- |
6 |
|
Бродовое |
- |
- |
6 |
Воронцовка |
- |
- |
6 |
Истобное |
- |
- |
6 |
|
Бутурлиновка |
- |
- |
6 |
Гвазда |
- |
- |
6 |
Калач |
- |
- |
6 |
|
Бутырки |
- |
- |
6 |
Гороховка |
- |
- |
6 |
Каменка |
- |
- |
6 |
|
Васильевка |
- |
- |
6 |
Грибановский |
- |
- |
6 |
Кантемировка |
- |
- |
6 |
|
Верхний Икорец |
- |
- |
6 |
Губари |
- |
- |
6 |
Каширское |
- |
- |
6 |
|
Верхний Карачан |
- |
- |
6 |
Давыдовка |
- |
- |
6 |
Козловка (Бутурлиновский р-н) |
- |
- |
6 |
|
Верхний Мамон |
- |
- |
6 |
Девица |
- |
- |
6 |
Козловка (Терновский р-н) |
- |
- |
6 |
Продолжение таблицы
|
Наименование субъектов РФ и населенных пунктов |
Карты ОСР-2016 |
Наименование субъектов РФ и населенных пунктов |
Карты ОСР-2016 |
Наименование субъектов РФ и населенных пунктов |
Карты ОСР-2016 |
||||||
|
А |
В |
С |
А |
В |
С |
А |
В |
С |
|||
|
Колодезный |
- |
- |
6 |
Ольховатка (Ольховатский р-н) |
- |
- |
6 |
Слобода |
- |
- |
6 |
|
Коротояк |
- |
- |
6 |
Орлово |
- |
- |
6 |
Сомово |
- |
- |
6 |
|
Коршево |
- |
- |
6 |
Острогожск |
- |
- |
6 |
Средний Икорец |
- |
- |
6 |
|
Красное |
- |
- |
6 |
Павловск |
- |
- |
6 |
Средний Карачан |
- |
- |
6 |
|
Краснолесный |
- |
- |
6 |
Панино |
- |
- |
6 |
Стрелица |
- |
- |
6 |
|
Краснолипье |
- |
- |
6 |
Перелешинский |
- |
- |
6 |
Сухая Березовка |
- |
- |
6 |
|
Купянка |
- |
- |
6 |
Перлевка |
- |
- |
6 |
Таловая |
- |
- |
6 |
|
Латная |
- |
- |
6 |
Пески |
- |
- |
6 |
Талы |
- |
- |
6 |
|
Латное |
- |
- |
6 |
Петропавловка |
- |
- |
6 |
Терновка |
- |
- |
6 |
|
Лещаное |
- |
- |
6 |
Поворино |
- |
- |
6 |
Троицкое |
- |
- |
6 |
|
Липовка |
- |
- |
6 |
Подгоренский |
- |
- |
6 |
Углянец |
- |
- |
6 |
|
Лиски |
- |
- |
6 |
Подколодновка |
- |
- |
6 |
Филиппенково |
- |
- |
6 |
|
Лозовое |
- |
- |
6 |
Подлесный |
- |
- |
6 |
Хохол |
- |
- |
6 |
|
Лосево |
- |
- |
6 |
Покровка |
- |
- |
6 |
Хохольский |
- |
- |
6 |
|
Манино |
- |
- |
6 |
Пригородный |
- |
- |
6 |
Хреновое (Бобровский р-н) |
- |
- |
6 |
|
Мечетка |
- |
- |
6 |
Придонской |
- |
- |
6 |
Хреновое (Новоусманский р-н) |
- |
- |
6 |
|
Митрофановка |
- |
- |
6 |
Радченское |
- |
- |
6 |
Чесменка |
- |
- |
6 |
|
Монастырщина |
- |
- |
6 |
Рамонь |
- |
- |
6 |
Чигорак |
- |
- |
6 |
|
Нижнедевицк |
- |
- |
6 |
Рамонье |
- |
- |
6 |
Шапошниковка |
- |
- |
6 |
|
Нижний Карачан |
- |
- |
6 |
Репьевка |
- |
- |
6 |
Шестаково |
- |
- |
6 |
|
Нижний Кисляй |
- |
- |
6 |
Рождественская Хава |
- |
- |
6 |
Шилово |
- |
- |
6 |
|
Николаевка |
- |
- |
6 |
Россошь |
- |
- |
6 |
Ширяево |
- |
- |
6 |
|
Новая Калитва |
- |
- |
6 |
Ростоши |
- |
- |
6 |
Шишовка |
- |
- |
6 |
|
Новая Усмань |
- |
- |
6 |
Русская Гвоздевка |
- |
- |
6 |
Эртиль |
- |
- |
6 |
|
Нововоронеж |
- |
- |
6 |
Русская Журавка |
- |
- |
6 |
Ямное |
- |
- |
6 |
|
Новомеловатка |
- |
- |
6 |
Садовое |
- |
- |
6 |
Ярки |
- |
- |
6 |
|
Новохоперск |
- |
- |
6 |
Семено-Александровка |
- |
- |
6 |
Ясенки |
- |
- |
6 |
|
Новохоперский |
- |
- |
6 |
Семидесятное |
- |
- |
6 |
|
|
|
|
|
Ольховатка (Верхнемамонский р-н) |
- |
- |
6 |
Семилуки |
- |
- |
6 |
|
|
|
|
|
ЕВРЕЙСКАЯ АВТОНОМНАЯ ОБЛАСТЬ |
|||||||||||
|
Амурзет |
7 |
7 |
8 |
Бирофельд |
7 |
7 |
8 |
Двуречье |
7 |
7 |
8 |
|
Аур |
7 |
7 |
8 |
Благословенное |
7 |
7 |
8 |
Дежнево |
7 |
7 |
8 |
|
Бабстово |
7 |
7 |
8 |
Будукан |
7 |
7 |
8 |
Дубовое |
7 |
7 |
8 |
|
Башмак |
7 |
7 |
8 |
Валдгейм |
7 |
7 |
8 |
Екатерино-Никольское |
7 |
7 |
8 |
|
Башурово |
7 |
7 |
8 |
Венцелево |
7 |
7 |
8 |
Желтый Яр |
7 |
7 |
8 |
|
Биджан |
7 |
7 |
8 |
Волочаевка 1-я |
7 |
7 |
8 |
Известковый |
7 |
7 |
8 |
|
Бира |
7 |
7 |
8 |
Волочаевка 2-я |
7* |
7 |
8 |
имени Тельмана |
6 |
7 |
8* |
|
Биракан |
7 |
7 |
8 |
Воскресеновка |
7 |
7 |
8 |
Калинино |
7 |
7 |
8 |
|
Биробиджан |
7 |
7 |
8 |
Даниловка |
7 |
7 |
8 |
Камышовка |
6 |
7 |
8 |
Продолжение таблицы
|
Наименование субъектов РФ и населенных пунктов |
Карты ОСР-2016 |
Наименование субъектов РФ и населенных пунктов |
Карты ОСР-2016 |
Наименование субъектов РФ и населенных пунктов |
Карты ОСР-2016 |
||||||
|
А |
В |
С |
А |
В |
С |
А |
В |
С |
|||
|
Кимкан |
7 |
7 |
8 |
Найфельд |
7 |
7 |
8 |
Птичник |
7 |
7 |
8 |
|
Кирга |
7 |
7 |
8 |
Николаевка |
6 |
7 |
8 |
Пузино |
7 |
7 |
8 |
|
Кирово |
7 |
7 |
8 |
Новое |
7 |
7 |
8 |
Радде |
7 |
7 |
8 |
|
Красивое |
7 |
7 |
8 |
Новотроицкое |
7 |
7 |
8 |
Ручейки |
7 |
7 |
8 |
|
Кукелево |
7 |
7 |
8 |
Облучье |
7 |
7 |
8 |
Самара |
7 |
7 |
8 |
|
Кульдур |
7 |
7 |
8 |
Партизанское |
7 |
7 |
8 |
Смидович |
7 |
7 |
8 |
|
Лазарево |
7 |
7 |
8 |
Пашково |
7 |
7 |
8 |
Степное |
7 |
7 |
8 |
|
Ленинское |
7 |
7 |
8 |
Песчаное |
7 |
7 |
8 |
Столбовое |
7 |
7 |
8 |
|
Лондоко |
7 |
7 |
8 |
Полевое |
7 |
7 |
8 |
Теплоозерск |
7 |
7 |
8 |
|
Нагибово |
7 |
7 |
8 |
Преображеновка |
7 |
7 |
8 |
Хинганск |
7 |
7 |
8 |
|
Надеждинское |
7 |
7 |
8 |
Приамурский |
6 |
7 |
8* |
Чурки |
7 |
7 |
8 |
|
ИРКУТСКАЯ ОБЛАСТЬ |
|||||||||||
|
Азей |
7 |
7 |
8 |
Байкал |
8 |
9 |
> 9 |
Большой Луг |
8 |
9 |
> 9* |
|
Аларь |
8 |
8 |
9 |
Байкальск |
8 |
9 |
> 9 |
Борисово |
6 |
6 |
7 |
|
Александровск |
7 |
8 |
9 |
Байша |
7 |
8 |
9 |
Бохан |
7 |
8 |
9 |
|
Александровское |
7 |
8 |
9 |
Баклаши |
8 |
8 |
9 |
Боярск |
6 |
6 |
7 |
|
Александро-Невский Завод |
7 |
7 |
8 |
Балаганка |
7 |
7 |
8 |
Братск |
- |
6 |
7* |
|
Алексеевск |
6 |
7 |
8 |
Балаганск |
7 |
7 |
8 |
Бубновка |
6 |
7 |
8 |
|
Алехино |
7 |
8 |
9 |
Балахнинский |
7 |
7 |
8 |
Бугульдейка |
9 |
9 |
> 9 |
|
Алзамай |
6 |
7* |
7 |
Барлук |
7 |
7 |
8 |
Будагово |
7 |
7 |
8 |
|
Алкин |
7 |
7 |
8 |
Батама |
7 |
8 |
9 |
Бузыканово |
- |
6 |
6 |
|
Алтарик |
7 |
8 |
9 |
Бахтай |
7 |
8 |
9 |
Булуса |
7 |
8 |
9 |
|
Алужина |
7 |
8 |
9 |
Баянда |
6 |
6 |
7 |
Булюшкина |
7 |
7 |
8 |
|
Алыгджер |
8 |
9 |
9 |
Баяндай |
8 |
8 |
9 |
Бунбуй |
- |
6 |
7 |
|
Алымовка |
6 |
7 |
8 |
Белореченский |
8* |
8 |
9 |
Буреть (Усольский р-н) |
7 |
8 |
9 |
|
Аляты |
8 |
8 |
9 |
Белоусово |
7 |
7 |
8 |
Буреть (округ Усть-Ордынский Бурятский) |
7 |
8 |
9 |
|
Анга |
7 |
8 |
8 |
Бельск |
8 |
8 |
9 |
Бурхун |
6 |
7 |
8 |
|
Ангарск |
8 |
8 |
9 |
Березовка |
6 |
6 |
7 |
Буря |
7 |
7 |
8 |
|
Ангарский |
7 |
8 |
8 |
Бикей |
- |
6 |
7 |
Бутаково |
7 |
7 |
8 |
|
Андрюшино |
7 |
7 |
8 |
Биликтуй |
8 |
8 |
9 |
Быстрая |
9 |
9 |
> 9 |
|
Аносово |
6 |
7 |
8 |
Бильчир |
7 |
7 |
8 |
Васильевка |
8 |
8 |
9 |
|
Апхульта |
7 |
8 |
9 |
Бирит |
7 |
7 |
8 |
Венгерка |
6 |
7 |
7 |
|
Артемовский |
6 |
7 |
8 |
Бирюлька |
7 |
8 |
8 |
Веренка |
7 |
8 |
9 |
|
Атагай |
6 |
7 |
8 |
Бирюса |
6 |
6 |
7 |
Верхнемарково |
6 |
6 |
7 |
|
Аталанка |
6 |
7 |
7 |
Бирюсинск |
6 |
6 |
7 |
Верхнемартыново |
7 |
8 |
8 |
|
Афанасьева |
7 |
7 |
8 |
Бодайбо |
7 |
7 |
8 |
Верхняя Гутара |
8 |
8 |
9 |
|
Ахины |
7 |
8 |
8 |
Большая Елань |
8 |
8 |
9 |
Верхоленск |
7 |
7 |
8 |
|
Бабагай |
8 |
8 |
9 |
Большая Речка |
8 |
9 |
> 9 |
Вершина Тутуры |
7 |
7 |
8 |
|
Бадагуй |
7 |
8 |
9 |
Большая Тарель |
8 |
8 |
9 |
Веселый |
6 |
6 |
7 |
|
Бадар |
7 |
7 |
8 |
Большеокинское |
6 |
6 |
7 |
Видим |
- |
- |
6 |
|
Бажир |
7 |
8 |
9 |
Большие Голы |
7 |
8 |
8 |
Визирный |
6 |
6 |
7 |
Продолжение таблицы
|
Наименование субъектов РФ и населенных пунктов |
Карты ОСР-2016 |
Наименование субъектов РФ и населенных пунктов |
Карты ОСР-2016 |
Наименование субъектов РФ и населенных пунктов |
Карты ОСР-2016 |
||||||
|
А |
В |
С |
А |
В |
С |
А |
В |
С |
|||
|
Витимский |
6 |
7 |
7 |
Зима |
7 |
8* |
9* |
Киренск |
6 |
7 |
8* |
|
Вихоревка |
- |
6 |
7 |
Змеиново |
6 |
7 |
8 |
Китой |
8 |
8 |
9 |
|
Владимир |
7 |
8 |
9 |
Знаменка |
7 |
7 |
8 |
Ключи-Булак |
6 |
6 |
7 |
|
Владимировка |
7 |
8 |
9 |
Золотой |
6 |
7 |
7 |
Кобляково |
- |
- |
6 |
|
Выдрино |
- |
- |
6 |
Зоны |
7 |
8 |
9 |
Кондратьево |
- |
- |
6 |
|
Гадалей |
7 |
7 |
8 |
Зулумай |
7 |
8 |
9 |
Коновалово |
7 |
7 |
8 |
|
Гаханы |
7 |
8 |
8 |
Иваническое |
8 |
8 |
9 |
Коношаново |
6 |
7 |
8 |
|
Головское |
6 |
7 |
7 |
Игжей |
7 |
7 |
8 |
Корсук |
8 |
8 |
9 |
|
Голуметь |
8 |
8 |
9 |
Игнино |
7 |
7 |
8 |
Коршуново |
6 |
6 |
7 |
|
Горно-Чуйский |
7 |
7 |
8 |
Идеал |
7 |
8 |
9 |
Коршуновский |
- |
6 |
6 |
|
Горохово |
7 |
8 |
9 |
Икей |
7 |
8 |
9 |
Костино |
6 |
6 |
7 |
|
Гуран |
7 |
7 |
8 |
Илир |
6 |
7 |
8* |
Котик |
7 |
7 |
8 |
|
Дальняя Закора |
7 |
7 |
8 |
Иргей |
7 |
7 |
8 |
Красноярово |
6 |
7 |
8 |
|
Джогино |
- |
6 |
6 |
Иркутск |
8 |
8 |
9 |
Кривая Лука |
6 |
7 |
8 |
|
Добчур |
6 |
6 |
7 |
Ирхидей |
7 |
7 |
8 |
Кропоткин |
6 |
7 |
7 |
|
Дундай |
7 |
8 |
8 |
Ишидей |
7 |
8 |
9 |
Кузнецовка |
- |
6 |
7 |
|
Егоровская |
7 |
8 |
9 |
Казачинское |
7 |
7 |
8 |
Куйтун |
7 |
7 |
8 |
|
Едогон |
7 |
8 |
9 |
Казачье |
7 |
8 |
9 |
Култук |
9 |
9 |
> 9 |
|
Еланцы |
9 |
9 |
> 9 |
Калтук |
6 |
6 |
7 |
Кумарейка |
6 |
7 |
8 |
|
Еловка |
7 |
8 |
9 |
Каменка (Нижнеудинский р-н) |
7 |
7 |
8 |
Кундуй |
7 |
7 |
8 |
|
Енисей |
7 |
7 |
8 |
Каменка (округ Усть-Ордынский Бурятский) |
7 |
8 |
9 |
Кунерма |
8 |
8 |
9 |
|
Ермаки |
7 |
7 |
8 |
Каменно-ангарск |
7 |
8 |
9 |
Кустова |
7 |
8 |
9 |
|
Железногорск-Илимский |
- |
- |
6 |
Каменск |
- |
6 |
7 |
Кутима |
7 |
7 |
8 |
|
Железнодорожный |
- |
- |
6 |
Капсал |
7 |
8 |
9 |
Кутулик |
7 |
8 |
9 |
|
Жигалово |
7 |
7 |
8 |
Каразей |
7 |
7 |
8 |
Ленино |
7 |
7 |
8 |
|
Забитуй |
7 |
8 |
9 |
Карам |
7 |
8 |
8 |
Лермонтовский |
7 |
7 |
8 |
|
Загатуй |
8 |
8 |
9 |
Каранцай |
7 |
8 |
9 |
Лесогорск |
6* |
6 |
7 |
|
Закулей |
7 |
7 |
8 |
Карахун |
6 |
6 |
7 |
Листвянка |
8 |
9 |
> 9 |
|
Залари |
7 |
8 |
9 |
Карлук (Иркутский р-н) |
8 |
8 |
9 |
Лохово |
7 |
8 |
9 |
|
Залог |
7 |
8 |
8 |
Карлук (Качугский р-н) |
8 |
8 |
9 |
Луговский |
7 |
7 |
8 |
|
Замзор |
6 |
7 |
8 |
Карнаухова |
7 |
8 |
8 |
Лукиново |
7 |
7 |
8 |
|
Заречное (Качугский р-н) |
8 |
8 |
9 |
Карымск |
7 |
7 |
8 |
Люры |
8 |
8 |
9 |
|
Заречное (Тайшетский р-н) |
6 |
6 |
7 |
Катарбей |
7 |
8 |
8 |
Магистральный |
7 |
7 |
8 |
|
Заречье |
6 |
6 |
7 |
Катарма |
6 |
6 |
7 |
Майская |
7 |
7 |
8 |
|
Заславская |
7 |
7 |
8 |
Качуг |
7 |
7 |
8 |
Макарово |
6 |
7 |
8 |
|
Заярск |
- |
6 |
6 |
Квиток |
6 |
6 |
7 |
Малое Голоустное |
8 |
9 |
9 |
|
Звездный |
6 |
7 |
7 |
Кеуль |
- |
- |
6 |
Малышевка |
7 |
7 |
8 |
|
Зерновое |
7 |
8 |
9 |
Кимильтей |
7 |
7 |
8 |
Мальта |
7 |
8 |
9 |
Продолжение таблицы
|
Наименование субъектов РФ и населенных пунктов |
Карты ОСР-2016 |
Наименование субъектов РФ и населенных пунктов |
Карты ОСР-2016 |
Наименование субъектов РФ и населенных пунктов |
Карты ОСР-2016 |
||||||
|
А |
В |
С |
А |
В |
С |
А |
В |
С |
|||
|
Мама |
6 |
7 |
8 |
Новая Уда |
7 |
7 |
8 |
Подымахино |
6 |
6 |
7 |
|
Мамакан |
7 |
7 |
8 |
Новобалтурина |
- |
6 |
7 |
Покосное |
6 |
6 |
7 |
|
Мамоны |
8 |
8 |
9 |
Новобирюсинский |
- |
- |
6 |
Покровка |
7 |
8 |
9 |
|
Манзурка |
8 |
8 |
9 |
Новогромово |
7 |
8 |
9 |
Покровка (округ Усть-Ордынский Бурятский) |
8 |
8 |
9 |
|
Маниловская |
7 |
8 |
9 |
Новожилкино |
8 |
8 |
9 |
Половинка |
8 |
8 |
9 |
|
Маракан |
6 |
6 |
7 |
Новоленино |
7 |
7 |
8 |
Половино-Черемхово |
6 |
6 |
7 |
|
Маритуй |
9 |
9 |
> 9 |
Новолетники |
7 |
8 |
9 |
Порог |
7 |
7 |
8 |
|
Маркова |
8 |
8 |
9 |
Новомальтинск |
7 |
8 |
9 |
Порожский |
- |
6 |
7 |
|
Марково |
8 |
8 |
9 |
Новониколаевск |
7 |
8 |
8 |
Прибойный |
6 |
6 |
7 |
|
Масляногорск |
7 |
8 |
9 |
Новонукутский |
7 |
8 |
8 |
Прибрежный |
6 |
7 |
8 |
|
Мегет |
8 |
8 |
9 |
Новостройка |
8 |
9 |
> 9 |
Приморский |
7 |
7 |
8 |
|
Мельница |
7 |
7 |
8 |
Новочеремхово |
7 |
8 |
9 |
Радищев |
- |
- |
6 |
|
Мингатуй |
7 |
7 |
8 |
Новочунка |
- |
6 |
7 |
Раздолье |
8 |
9 |
> 9 |
|
Мирный |
- |
- |
6 |
Нукуты |
7 |
7 |
8 |
Ревякина |
8 |
8 |
9 |
|
Мироново |
6 |
7 |
7 |
Ныгда |
8 |
8 |
9 |
Рождественка |
6 |
6 |
7 |
|
Михайловка |
7 |
8 |
9 |
Одинок |
8 |
8 |
9 |
Рудногорск |
- |
- |
6 |
|
Мишелевка |
8 |
8 |
9 |
Оек |
8 |
8 |
9 |
Рудовка |
7 |
7 |
8 |
|
Могоенок |
7 |
8 |
9 |
Озерный |
- |
6 |
7 |
Русские Янгуты |
7 |
7 |
8 |
|
Мойган |
7 |
8 |
9 |
Октябрьский |
- |
6 |
7 |
Ручей |
- |
6 |
6 |
|
Моисеевка |
7 |
8 |
9 |
Октябрьский 2-й |
6 |
7 |
8 |
Рысево |
7 |
8 |
9 |
|
Молька |
7 |
7 |
8 |
Окунайский |
7 |
8 |
8 |
Савватеевка |
8 |
9 |
9 |
|
Мугун |
7 |
7 |
8 |
Олой |
7 |
8 |
9 |
Саянск |
7 |
7 |
8 |
|
Мухино |
6 |
6 |
7 |
Олонки |
7 |
8 |
9 |
Саянское |
8 |
8 |
9 |
|
Мыс |
7 |
8 |
8 |
Ользоны |
8 |
8 |
9 |
Свердлово |
8 |
8 |
9 |
|
Нагалык |
7 |
8 |
9 |
Омолой |
6 |
7 |
7 |
Светлолобово |
6 |
7 |
8 |
|
Наратай (Братский р-н) |
- |
6 |
7 |
Онгурен |
8 |
9 |
> 9 |
Свирск |
7 |
8 |
9 |
|
Наратай (Куйтунский р-н) |
6 |
7 |
7 |
Онот |
8 |
9 |
> 9 |
Семеновск |
7 |
8 |
9 |
|
Небель |
7 |
7 |
8 |
Орлинга |
6 |
7 |
7 |
Семигорск |
- |
6 |
6 |
|
Нерпо |
7 |
8 |
8 |
Оса |
7 |
7 |
8 |
Середкина |
7 |
8 |
8 |
|
Нижнеудинск |
7 |
7 |
8 |
Осиновка |
- |
6 |
6 |
Сибиряк |
7 |
7 |
8 |
|
Нижний Бурбук |
7 |
8 |
9 |
Парфеново |
8 |
8 |
9 |
Слюдянка |
9 |
9 |
> 9 |
|
Нижняя Заимка |
6 |
6 |
7 |
Первомайское |
7 |
7 |
8 |
Смоленщина |
8 |
8 |
9 |
|
Нижняя Иреть |
8 |
8 |
9 |
Перевоз |
6 |
6 |
7 |
Согдиондон |
7 |
7 |
8 |
|
Николаевка |
6 |
6 |
7 |
Перфилово |
7 |
7 |
8 |
Солонцы |
7 |
7 |
8 |
|
Никольск |
7 |
8 |
9 |
Петрово |
7 |
7 |
8 |
Соляная |
6 |
7 |
8 |
|
Никулина |
6 |
7 |
7 |
Петропавловское |
6 |
7 |
7 |
Сосновка |
8 |
8 |
9 |
|
Ния |
6 |
7 |
8 |
Пивовариха |
8 |
8 |
9 |
Соцгородок |
- |
- |
6 |
|
Новая Игирма |
- |
- |
6 |
Подволочное |
6 |
6 |
7 |
Средний |
7 |
8 |
9 |
|
Новая Ида |
7 |
8 |
9 |
Подволошино |
6 |
6 |
7 |
Средняя Муя |
6 |
7 |
8 |
|
Новая Тельба |
6 |
7 |
8 |
Подкаменная |
8 |
9 |
> 9 |
Табарсук |
7 |
8 |
9 |
Продолжение таблицы
|
Наименование субъектов РФ и населенных пунктов |
Карты ОСР-2016 |
Наименование субъектов РФ и населенных пунктов |
Карты ОСР-2016 |
Наименование субъектов РФ и населенных пунктов |
Карты ОСР-2016 |
||||||
|
А |
В |
С |
А |
В |
С |
А |
В |
С |
|||
|
Тайтурка |
7 |
8 |
9 |
Усолье-Сибирское |
8* |
8 |
9 |
Целинный |
7 |
8 |
9 |
|
Тайшет |
6 |
6 |
7 |
Усть-Алтан |
7 |
7 |
8 |
Целоты |
8 |
8 |
9 |
|
Талая |
6 |
7 |
8 |
Усть-Илга |
7 |
7 |
8 |
Центральный Хазан |
7 |
8 |
9 |
|
Тальники |
8 |
9 |
> 9 |
Усть-Илимск |
- |
- |
6 |
Чеботариха |
7 |
7 |
8 |
|
Тальяны |
8 |
9 |
> 9 |
Усть-Када |
6 |
7 |
8 |
Чекановский |
- |
6 |
7 |
|
Тангуй |
6 |
6 |
7 |
Усть-Киренга |
7 |
7 |
8 |
Черемхово |
7 |
8 |
9 |
|
Тараса |
7 |
8 |
9 |
Усть-Кульск |
6 |
7 |
8 |
Черемшанка |
8 |
8 |
9 |
|
Тарасово |
7 |
8 |
9 |
Усть-Кут |
6 |
6 |
7 |
Черноруд |
9 |
9 |
> 9 |
|
Таргиз |
- |
6 |
7 |
Усть-Ордынский |
7 |
8 |
9 |
Черчет |
- |
6 |
6 |
|
Тарма |
- |
6 |
7 |
Усть-Уда |
7 |
7 |
8 |
Чехово |
7 |
8 |
8 |
|
Тарнополь |
7 |
7 |
8 |
Усть-Укыр |
7 |
8 |
8 |
Чечуйск |
6 |
7 |
7 |
|
Тельма |
8 |
8 |
9 |
Утулик |
9 |
9 |
> 9 |
Чикан |
7 |
7 |
8 |
|
Тимирязева |
6 |
6 |
7 |
Уховский |
7 |
7 |
8 |
Чунский |
- |
6 |
7 |
|
Тимошино |
7 |
7 |
8 |
Ухтуй |
7 |
7 |
8 |
Чуя |
- |
6 |
7 |
|
Тихоновка |
7 |
8 |
8 |
Уян |
7 |
7 |
8 |
Шаманка |
8 |
9 |
> 9 |
|
Троицк |
7 |
8 |
9 |
Филипповск |
7 |
7 |
8 |
Шарагай |
6 |
7 |
8 |
|
Тугутуй |
8 |
8 |
9 |
Хадахан |
7 |
7 |
8 |
Шараты |
7 |
7 |
8 |
|
Тулун |
7 |
7 |
8 |
Ханжиново |
7 |
8 |
9 |
Шеберта |
7 |
7 |
8 |
|
Тулюшка |
7 |
7 |
8 |
Харазаргай |
7 |
8 |
8 |
Шелаево |
- |
- |
6 |
|
Тунгуска |
8 |
9 |
9 |
Харайгун |
7 |
7 |
8 |
Шелехов |
8 |
9* |
9 |
|
Тургеневка |
8 |
8 |
9 |
Харанжино |
6 |
6 |
7 |
Шелехово |
6 |
7 |
7 |
|
Турука |
6 |
6 |
7 |
Харат |
8 |
8 |
9 |
Шерагул |
7 |
7 |
8 |
|
Тутура |
7 |
7 |
8 |
Харбатово |
7 |
8 |
8 |
Шестаково |
- |
- |
6 |
|
Тынкобь |
6 |
6 |
7 |
Хареты |
7 |
7 |
8 |
Широково |
6 |
7 |
7 |
|
Тыргетуй |
7 |
8 |
9 |
Харик |
7 |
7 |
8 |
Ширяева |
8 |
8 |
9 |
|
Тыреть 1-я |
7 |
8 |
9 |
Хогот |
8 |
8 |
9 |
Шиткино |
- |
6 |
7 |
|
Тэмь |
6 |
6 |
7 |
Хокта |
7 |
7 |
8 |
Шумилово |
- |
6 |
7 |
|
Узкий Луг |
7 |
8 |
9 |
Холмогой |
7 |
8 |
9 |
Шумский |
7 |
7 |
8 |
|
Ук |
7* |
7 |
8 |
Холмушино |
8 |
8 |
9 |
Юбилейный |
6 |
7 |
7 |
|
Укыр |
7 |
8 |
8 |
Хомутово |
8 |
8 |
9 |
Юголок |
6 |
7 |
8 |
|
Улькан |
7 |
8 |
9 |
Хор-Тагна |
8 |
8 |
9 |
Юрты |
6 |
6 |
7 |
|
Умбелла |
8 |
8 |
9 |
Хохорск |
7 |
8 |
8 |
Янгель |
- |
- |
6 |
|
Умыган |
7 |
7 |
8 |
Хребтовая |
- |
- |
6 |
Янталь |
- |
6 |
7 |
|
Унгин |
7 |
7 |
8 |
Худоеланское |
7 |
7 |
8 |
|
|
|
|
|
Урик |
8 |
8 |
9 |
Хужир |
9 |
9 |
> 9 |
|
|
|
|
|
КАЛИНИНГРАДСКАЯ ОБЛАСТЬ |
|||||||||||
|
Багратионовск |
6 |
6 |
7 |
Гурьевск |
6 |
6 |
7 |
Зеленоградск |
6 |
6 |
7 |
|
Балтийск |
6 |
6 |
7 |
Гусев |
- |
- |
6 |
Знаменск |
- |
6 |
7 |
|
Большаково |
- |
- |
6 |
Донское |
6 |
6 |
7 |
Калининград |
6 |
6 |
7 |
|
Большое Исаково |
6 |
6 |
7 |
Железнодорожный |
- |
6 |
7 |
Корнево |
6 |
6 |
7 |
|
Гвардейск |
6 |
6 |
7 |
Жилино |
- |
- |
6 |
Ладушкин |
6 |
6 |
7 |
Продолжение таблицы
|
Наименование субъектов РФ и населенных пунктов |
Карты ОСР-2016 |
Наименование субъектов РФ и населенных пунктов |
Карты ОСР-2016 |
Наименование субъектов РФ и населенных пунктов |
Карты ОСР-2016 |
||||||
|
А |
В |
С |
А |
В |
С |
А |
В |
С |
|||
|
Луговое |
6 |
6 |
7 |
Полесск |
6 |
6 |
7 |
Славск |
- |
- |
6 |
|
Малое Луговое |
6 |
6 |
7 |
Правдинск |
6 |
6 |
7 |
Советск |
- |
- |
6 |
|
Мамоново |
6 |
6 |
7 |
Прибрежный |
6 |
6 |
7 |
Тимирязево |
- |
6* |
7* |
|
Неман |
- |
- |
6 |
Приморск |
6 |
6 |
7 |
Черняховск |
- |
- |
6 |
|
Озерки |
6 |
6 |
7 |
Приморье |
6 |
6 |
7 |
Янтарный |
6 |
6 |
7 |
|
Озерск |
- |
- |
6 |
Светлогорск |
6 |
6 |
7 |
|
|
|
|
|
Пионерский |
6 |
6 |
7 |
Светлый |
6 |
6 |
7 |
|
|
|
|
|
КЕМЕРОВСКАЯ ОБЛАСТЬ |
|||||||||||
|
Абагур |
7 |
7 |
8 |
Борисово |
7 |
7 |
8 |
Ижморский |
- |
- |
6 |
|
Абышево |
6 |
7 |
8 |
Боровой |
6 |
6 |
7 |
Ильинка |
7 |
7 |
8 |
|
Алтамаш |
7 |
7 |
8 |
Ботьево |
- |
6 |
6 |
Инской |
7 |
7 |
8 |
|
Алчедат |
- |
6 |
6 |
Бурлаки |
7 |
7 |
8 |
Инюшка |
7 |
7 |
8 |
|
Андреевка |
6 |
6 |
7 |
Ваганово |
7 |
7 |
8 |
Итатский |
- |
- |
6 |
|
Анжеро-Судженск |
- |
6* |
6 |
Васьково |
7* |
7 |
8 |
Ишим |
- |
- |
6 |
|
Ариничево |
7 |
8 |
8 |
Верхний Падунский |
6 |
7 |
8 |
Каз |
7 |
7 |
8 |
|
Арлюк |
6 |
6 |
7 |
Верхняя Тайменка |
6 |
6 |
7 |
Кайла |
- |
- |
6 |
|
Арсеново |
7 |
7 |
8 |
Верхний Чумыш |
7 |
8 |
8 |
Кайчак |
6 |
6 |
7 |
|
Артышта |
7 |
8 |
8 |
Верхтомское |
6 |
6 |
7 |
Калары |
7 |
7 |
8 |
|
Атаманово |
7 |
7 |
8 |
Верх-Чебула |
- |
6* |
6 |
Калачево |
7 |
7 |
8 |
|
Банново |
7 |
7 |
8 |
Вознесенка |
- |
- |
6 |
Калининский |
- |
- |
6 |
|
Барановка |
6 |
6 |
7 |
Глубокое |
6 |
6 |
7 |
Калинкино |
7 |
7 |
8 |
|
Барачаты |
7 |
7 |
8 |
Горскино |
7 |
8 |
8 |
Калтан |
7 |
7 |
8 |
|
Барзас |
6 |
6 |
7 |
Грамотеино |
7 |
7 |
8 |
Каменка |
7 |
7 |
8 |
|
Бачатский |
7 |
8 |
8 |
Гурьевск |
7 |
8 |
8 |
Каменный Ключ |
7 |
8 |
8 |
|
Безруково |
7 |
7 |
8 |
Дворниково |
- |
6 |
7 |
Камышино |
7 |
7 |
8 |
|
Беково |
7 |
7 |
8 |
Демьяновка |
7 |
7 |
8 |
Карагайла |
7 |
8 |
8 |
|
Белово |
7 |
7 |
8 |
Дмитриевка |
- |
- |
6 |
Карагайлинский |
7 |
8 |
8 |
|
Белогородка |
- |
- |
6 |
Драченино |
7 |
7 |
8 |
Каракан |
7 |
7 |
8 |
|
Белогорск |
6 |
7 |
8 |
Евтино |
7 |
7 |
8 |
Кедровка |
6 |
6 |
7 |
|
Бенжереп 1-й |
7 |
7 |
8 |
Елань |
7 |
7 |
8 |
Кемерово |
6 |
7* |
8* |
|
Береговая |
6 |
7 |
8 |
Елыкаево |
6 |
7 |
8 |
Киселевск |
7 |
8 |
8 |
|
Березовка |
7 |
7 |
8 |
Журавлево |
7 |
7 |
8 |
Колба |
- |
6 |
7 |
|
Березово |
6 |
7 |
8 |
Загорский |
7 |
7 |
8 |
Колмогорово |
6 |
6 |
7 |
|
Березовский |
6 |
6 |
7 |
Зарубино |
6 |
6 |
7 |
Колыон |
- |
- |
6 |
|
Берикуль |
- |
- |
6 |
Звездный |
6 |
6 |
7 |
Комсомольск |
6 |
6 |
7 |
|
Берикульский |
6 |
6 |
7 |
Зеледеево |
- |
- |
6 |
Кондома |
7 |
7 |
8 |
|
Благовещенка |
- |
- |
6 |
Зеленовский |
7 |
7 |
8 |
Костенково |
7 |
7 |
8 |
|
Бол. Барандат |
- |
6 |
7 |
Зеленогорский |
7 |
7 |
8 |
Котино |
7 |
7 |
8 |
|
Бол. Талда |
7 |
7 |
8 |
Зырянка |
- |
6 |
7 |
Крапивинский |
7 |
7 |
8 |
|
Большая Талда |
7 |
7 |
8 |
Ивановка |
7 |
7 |
8 |
Краснинское |
7 |
7 |
8 |
|
Большепичугино |
6 |
6 |
7 |
Ижморка 2-я |
- |
- |
6 |
Краснобродский |
7 |
8 |
8 |
Продолжение таблицы
|
Наименование субъектов РФ и населенных пунктов |
Карты ОСР-2016 |
Наименование субъектов РФ и населенных пунктов |
Карты ОСР-2016 |
Наименование субъектов РФ и населенных пунктов |
Карты ОСР-2016 |
||||||
|
А |
В |
С |
А |
В |
С |
А |
В |
С |
|||
|
Красногорский |
7 |
7 |
8 |
Николаевка |
- |
6 |
7 |
Притомский |
7 |
7 |
8 |
|
Красное |
7 |
8 |
8 |
Николаевка 2-я |
- |
- |
6 |
Прокопьевск |
7 |
8* |
8 |
|
Красноселка |
- |
6 |
6 |
Новый Свет |
- |
6 |
7 |
Промышленная |
7 |
7 |
8 |
|
Красные Орлы |
- |
- |
6 |
Новобачаты |
7 |
8* |
8 |
Промышленновский |
6 |
6 |
7 |
|
Красный яр |
- |
6 |
7 |
Нововосточный |
- |
- |
6 |
Проскоково |
- |
6 |
6 |
|
Красулино |
7 |
7 |
8 |
Новогеоргиевка |
7 |
7 |
8 |
Раздольный |
7 |
8 |
8 |
|
Кубитет |
- |
- |
6 |
Новоискитимск |
6 |
7 |
8 |
Рудничный |
- |
6* |
6 |
|
Кузедеево |
7 |
7 |
8 |
Новокузнецк |
7 |
7 |
8 |
Руднычный |
- |
- |
6 |
|
Куликовка |
- |
6 |
7 |
Новониколаевка |
- |
- |
6 |
Салаир |
7 |
8 |
8 |
|
Кураково |
6 |
6 |
7 |
Новопестерево |
7 |
8 |
8 |
Саломатово |
- |
- |
6 |
|
Курск-Смолянка |
- |
6 |
6 |
Новоподзорново |
- |
6 |
6 |
Салтымаково |
7 |
7 |
8 |
|
Лебеди |
7 |
7 |
8 |
Новопокровка |
- |
6 |
6 |
Сарбала |
7 |
7 |
8 |
|
Лебяжий |
- |
- |
6 |
Новороманово |
6 |
6 |
7 |
Сары-Чумыш |
7 |
7 |
8 |
|
Лебяжье-Асаново |
- |
6 |
6 |
Новосафоновский |
7 |
8 |
8 |
Святославка |
- |
- |
6 |
|
Ленинский |
- |
- |
6 |
Новославянка |
- |
- |
6 |
Серебряково |
6 |
6 |
7 |
|
Ленинск-Кузнецкий |
7 |
7 |
8 |
Новостройка |
6 |
7 |
8 |
Сидорово |
7 |
7 |
8 |
|
Листвяги |
7 |
7 |
8 |
Новый Городок |
7 |
7 |
8 |
Силино |
6 |
7 |
8 |
|
Листвянка |
- |
6 |
6 |
Новый Каракан |
7 |
7 |
8 |
Симбирка |
- |
- |
6 |
|
Литвиново |
- |
6 |
6 |
Окунево |
7 |
7 |
8 |
Сосновка (Гурьевский р-н) |
7 |
8 |
8 |
|
Мазурово |
6 |
7 |
8* |
Опарино |
6 |
6 |
7 |
Сосновка (Новокузнецкий р-н) |
7 |
7 |
8 |
|
Макаракский |
6 |
6 |
7 |
Ортон |
7 |
7 |
8 |
Спасск |
7 |
7 |
8 |
|
Мал. Салаирка |
7 |
8 |
8 |
Осинники |
7 |
7 |
8 |
Старобачаты |
7 |
8 |
8 |
|
Малая Салаирка |
7 |
8 |
8 |
Осиновое Плесо |
7 |
7 |
8 |
Старобочаты |
7 |
8 |
8 |
|
Малиновка |
7 |
7 |
8 |
Падунская |
7* |
7 |
8 |
Старопестерево |
7 |
7 |
8 |
|
Малопесчанка |
- |
- |
6 |
Панфилово |
7 |
7 |
8 |
Старочервово |
6 |
7 |
8 |
|
Мальцево |
- |
- |
6 |
Пача |
6* |
6 |
7 |
Степной |
7 |
7 |
8 |
|
Мариинск |
- |
- |
6 |
Пашково |
- |
- |
6 |
Ступишино |
- |
- |
6 |
|
Марьевка |
- |
- |
6 |
Первомайский |
- |
- |
6 |
Судженка |
- |
- |
6 |
|
Междуреченск |
7 |
7 |
8 |
Перехляй |
7 |
7 |
8 |
Суслово |
- |
- |
6 |
|
Менчереп |
7 |
7 |
8 |
Пермяки |
7 |
7 |
8 |
Таежно-Михайловка |
- |
- |
6 |
|
Металл площадка |
6 |
7 |
8 |
Пионер |
6 |
7 |
8 |
Тайга |
- |
- |
6 |
|
Металлургов |
7 |
7 |
8 |
Плотниково |
7 |
7 |
8 |
Тайжина |
7 |
7 |
8 |
|
Михайловка |
7 |
8 |
8 |
Покровка |
- |
6 |
6 |
Талая |
- |
6 |
6 |
|
Мозжуха |
6 |
6 |
7 |
Поломошное |
- |
6 |
7 |
Таловка |
- |
6 |
6 |
|
Мохово |
7 |
7 |
8 |
Полуторник |
6 |
7 |
8 |
Тальжино |
7 |
7 |
8 |
|
Мрассу |
7 |
8 |
9 |
Полысаево |
7 |
7 |
8 |
Тамбар |
6 |
6 |
7 |
|
Мундыбаш |
7 |
7 |
8 |
Поперечное |
6 |
6 |
7 |
Тараданово |
7 |
7 |
8 |
|
Мурюк |
6 |
6 |
7 |
Постниково |
- |
- |
6 |
Тарасово |
7 |
7 |
8 |
|
Мусохраново |
7 |
7 |
8 |
Преображенка |
- |
- |
6 |
Таштагол |
7 |
7 |
8 |
|
Мыски |
7 |
7 |
8 |
Пригородный |
6 |
7 |
7 |
Темиртау |
7 |
7 |
8 |
|
Никитинский |
7 |
7 |
8 |
Пристань 2-я |
- |
- |
6 |
Терентьевское |
7 |
7 |
8 |
Продолжение таблицы
|
Наименование субъектов РФ и населенных пунктов |
Карты ОСР-2016 |
Наименование субъектов РФ и населенных пунктов |
Карты ОСР-2016 |
Наименование субъектов РФ и населенных пунктов |
Карты ОСР-2016 |
||||||
|
А |
В |
С |
А |
В |
С |
А |
В |
С |
|||
|
Тисуль (Тисульский р-н) |
6* |
6 |
7 |
Усть-Колба |
- |
6 |
7 |
Шевели |
7 |
7 |
8 |
|
Тисуль (Тяжинский р-н) |
- |
- |
6 |
Усть-Серта |
- |
6* |
6 |
Шерегеш |
7 |
7 |
8 |
|
Титово |
7 |
7 |
8 |
Усть-Сосново |
6 |
7 |
7 |
Шишино |
6 |
6 |
7 |
|
Топки |
6 |
7 |
7 |
Центральный |
7 |
7 |
8 |
Щебзавод |
7 |
8 |
8 |
|
Троицкое |
- |
- |
6 |
Черемичкино |
6 |
7 |
8 |
Юрга |
- |
6 |
7* |
|
Трудармейский |
7 |
8 |
8 |
Чилису-Анзас |
7 |
7 |
8 |
Юрга 2-я |
- |
6 |
7 |
|
Туйла |
- |
- |
6 |
Чистогорский |
7 |
7 |
8 |
Ягуново |
6 |
7 |
8 |
|
Тяжинский |
- |
- |
6 |
Чкаловский |
7 |
7 |
8 |
Ягуновский |
6 |
7 |
8 |
|
Улановка |
- |
- |
6 |
Чувашка |
7 |
7 |
8 |
Ясная Поляна |
7 |
8 |
8 |
|
Ур-Бедари |
7 |
7 |
8 |
Чугунаш |
7 |
7 |
8 |
Ясногорский |
6 |
7 |
7 |
|
Урск |
7 |
8 |
8 |
Чулым |
- |
- |
6 |
Ячменюха |
7 |
7 |
8 |
|
Усманка |
- |
6 |
6 |
Чумай |
6 |
6 |
7 |
Яшкино |
- |
6 |
6 |
|
Усть-Азас |
7 |
7 |
8 |
Чусовитино |
7 |
7 |
8 |
Яшкинский |
- |
6 |
6 |
|
Усть-Кабырза |
7 |
7 |
8 |
Шабаново |
7 |
7 |
8 |
Яя |
- |
- |
6 |
|
КИРОВСКАЯ ОБЛАСТЬ |
|||||||||||
|
Бахта |
- |
- |
6 |
Кумены |
- |
- |
6 |
Русское |
- |
- |
6 |
|
Белая Холуница |
- |
- |
6 |
Лальск |
- |
- |
6 |
Садаковский |
- |
- |
6 |
|
Большевик |
- |
- |
6 |
Лесной |
- |
- |
6 |
Слободской |
- |
- |
6 |
|
Боровой |
- |
- |
6 |
Луза |
- |
- |
6* |
Созимский |
- |
- |
6 |
|
Вахруши |
- |
- |
6 |
Лянгасово |
- |
- |
6 |
Сорда |
- |
- |
6 |
|
Вятские Поляны |
- |
- |
6 |
Мураши |
- |
- |
6 |
Сосновка |
- |
- |
6 |
|
Ганино |
- |
- |
6 |
Мурыгино |
- |
- |
6 |
Стрижи |
- |
- |
6 |
|
Дороничи |
- |
- |
6 |
Нагорск |
- |
- |
6 |
Суна |
- |
- |
6 |
|
Зуевка |
- |
- |
6* |
Нижнеивкино |
- |
- |
6 |
Торфаной |
- |
- |
6 |
|
Киров |
- |
- |
6 |
Опарино |
- |
- |
6* |
Чистые Пруды |
- |
- |
6 |
|
Кирово-Чепецк |
- |
- |
6 |
Первомайский |
- |
- |
6 |
Юрья |
- |
- |
6 |
|
Костино |
- |
- |
6 |
Порошино |
- |
- |
6 |
|
|
|
|
|
Красная поляна |
- |
- |
6 |
Радужный |
- |
- |
6 |
|
|
|
|
|
КУРСКАЯ ОБЛАСТЬ |
|||||||||||
|
Белая |
- |
- |
6 |
Ивановское |
- |
- |
6 |
Мантурово |
- |
- |
6 |
|
Белица |
- |
- |
6 |
имени Карла Либкнехта |
- |
- |
6 |
Маршала Жукова |
- |
- |
6 |
|
Большое Солдатское |
- |
- |
6 |
Касторное |
- |
- |
6 |
Медвенка |
- |
- |
6 |
|
Ворошнево |
- |
- |
6 |
Кировский |
- |
- |
6 |
Новокасторное |
- |
- |
6 |
|
Гирьи |
- |
- |
6 |
Коммунар |
- |
- |
6 |
Обоянь |
- |
- |
6 |
|
Глушково |
- |
- |
6 |
Конышевка |
- |
- |
6 |
Олымский |
- |
- |
6 |
|
Горшечное |
- |
- |
6 |
Коренево |
- |
- |
6 |
Поныри |
- |
- |
6 |
|
Дичня |
- |
- |
6 |
Курск |
- |
- |
6 |
Пристень |
- |
- |
6 |
|
Замостье |
- |
- |
6 |
Курчатов |
- |
- |
6 |
Прямицыно |
- |
- |
6 |
|
Золотухино |
- |
- |
6 |
Кшенский |
- |
- |
6 |
Рыльск |
- |
- |
6 |
|
Иванино |
- |
- |
6 |
Льгов |
- |
- |
6 |
Солнечный |
- |
- |
6 |
Продолжение таблицы
|
Наименование субъектов РФ и населенных пунктов |
Карты ОСР-2016 |
Наименование субъектов РФ и населенных пунктов |
Карты ОСР-2016 |
Наименование субъектов РФ и населенных пунктов |
Карты ОСР-2016 |
||||||
|
А |
В |
С |
А |
В |
С |
А |
В |
С |
|||
|
Солнцево |
- |
- |
6 |
Тим |
- |
- |
6 |
Щигры |
- |
- |
6 |
|
Суджа |
- |
- |
6 |
Фатеж |
- |
- |
6 |
Ястребовка |
- |
- |
6 |
|
Теткино |
- |
- |
6 |
Черемисиново |
- |
- |
6 |
|
|
|
|
|
ЛЕНИНГРАДСКАЯ ОБЛАСТЬ |
|||||||||||
|
Вещево |
- |
- |
6 |
Красносельское |
- |
- |
6 |
Пруды |
- |
6 |
7 |
|
Возрождение |
- |
6 |
7 |
Кривко |
- |
- |
6 |
Пушное |
- |
- |
6 |
|
Выборг |
- |
6* |
7 |
Кузнечное |
- |
6 |
7 |
Раздолье |
- |
- |
6 |
|
Гаврилово |
- |
- |
6 |
Лесогорский |
- |
6 |
7 |
Ромашки |
- |
- |
6 |
|
Глебычево |
- |
- |
6 |
Мельниково |
- |
6* |
7 |
Рощино |
- |
- |
6* |
|
Гончарово |
- |
6 |
7 |
Мичуринское |
- |
- |
6 |
Саперное |
- |
- |
6 |
|
Громово |
- |
- |
6 |
Первомайское |
- |
- |
6 |
Светогорск |
- |
6 |
7 |
|
Ермилово |
- |
- |
6 |
Перово |
- |
- |
7 |
Селезнево |
- |
6 |
7 |
|
Запорожское |
- |
- |
6 |
Петровское |
- |
- |
6 |
Семиозерье |
- |
- |
6 |
|
Каменка |
- |
- |
6 |
Плодовое |
- |
- |
6 |
Снегиревка |
- |
- |
6 |
|
Каменногорск |
- |
6 |
7 |
Победа |
- |
- |
6 |
Советский |
- |
- |
6 |
|
Кирпичное |
- |
- |
6 |
Поляны |
- |
- |
6 |
Сосново |
- |
- |
6 |
|
Кондратьево |
- |
6 |
7 |
Починок |
- |
- |
6 |
Суходолье |
- |
- |
6 |
|
Коробицыно |
- |
- |
6 |
Приморск |
- |
- |
6 |
Цвелодубово |
- |
- |
6 |
|
Красная Долина |
- |
- |
6 |
Приозерск |
- |
6* |
7 |
|
|
|
|
|
ЛИПЕЦКАЯ ОБЛАСТЬ |
|||||||||||
|
Аннино |
- |
- |
6 |
Задонск |
- |
- |
6 |
Матырский |
- |
- |
6 |
|
Бутырки |
- |
- |
6 |
Измалково |
- |
- |
6 |
Становое |
- |
- |
6 |
|
Волово |
- |
- |
6 |
Казинка |
- |
- |
6 |
Сырский |
- |
- |
6 |
|
Газопровод |
- |
- |
6 |
Карамышево |
- |
- |
6 |
Тербуны |
- |
- |
6 |
|
Грязи |
- |
- |
6 |
Ключ Жизни |
- |
- |
6 |
Усмань |
- |
- |
6 |
|
Добринка |
- |
- |
6 |
Красное |
- |
- |
6 |
Хлевное |
- |
- |
6 |
|
Доброе |
- |
- |
6 |
Лебедянь |
- |
- |
6 |
Ярлуково |
- |
- |
6 |
|
Долгоруково |
- |
- |
6 |
Лев Толстой |
- |
- |
6* |
|
|
|
|
|
Елец |
- |
- |
6 |
Липецк |
- |
- |
6 |
|
|
|
|
|
МАГАДАНСКАЯ ОБЛАСТЬ |
|||||||||||
|
Армань |
7 |
8 |
9 |
Галимый |
8 |
8 |
9 |
Магадан |
7 |
8 |
9 |
|
Атка |
7 |
8 |
8 |
Гарманда |
7 |
7 |
8 |
Мадаун |
7 |
8 |
8 |
|
Балаганное |
7 |
8 |
9 |
Гвардеец |
7 |
8 |
9 |
Меренга |
8 |
9 |
> 9 |
|
Беличан |
8 |
8 |
9 |
Гижига |
7 |
7 |
8 |
Мой-Уруста |
7 |
8 |
8 |
|
Большевик |
7 |
8 |
9 |
Дебин |
8 |
8 |
9 |
Мяунджа |
8 |
8 |
9 |
|
Бурхала |
7 |
8 |
9 |
Дукат |
8 |
8 |
9 |
Нелькоба |
7 |
8 |
8 |
|
Верхний Парень |
7 |
7 |
8 |
Кадыкчан |
8 |
8 |
9 |
Ола |
8 |
8 |
9 |
|
Верхний Ат-Урях |
8 |
8 |
9 |
Карамкен |
7 |
8 |
9 |
Омсукчан |
8 |
8 |
9 |
|
Верхний Балыгычан |
8 |
9 |
> 9 |
Клепка |
8 |
8 |
9 |
Омчак |
7 |
8 |
9 |
|
Верхний Сеймчан |
8 |
9 |
> 9 |
Колымское |
8 |
9 |
> 9 |
Оротук |
7 |
8 |
9 |
|
Гадля |
8 |
8 |
9 |
Кулу |
7 |
8 |
9 |
Оротукан |
8 |
8 |
9 |
Продолжение таблицы
|
Наименование субъектов РФ и населенных пунктов |
Карты ОСР-2016 |
Наименование субъектов РФ и населенных пунктов |
Карты ОСР-2016 |
Наименование субъектов РФ и населенных пунктов |
Карты ОСР-2016 |
||||||
|
А |
В |
С |
А |
В |
С |
А |
В |
С |
|||
|
Палатка |
8* |
8 |
9 |
Талая |
7 |
8 |
9 |
Усть-Среднекан |
8 |
9 |
9 |
|
Сеймчан |
8 |
9 |
> 9* |
Талон |
7 |
8 |
9 |
Холодный |
7 |
8 |
9 |
|
Синегорье |
7 |
8 |
9 |
Таскан |
8 |
8 |
9 |
Чайбуха |
7 |
7 |
8 |
|
Сокол |
8 |
8 |
9 |
Тауйск |
7 |
8 |
9 |
Широкий |
8 |
8 |
9 |
|
Солнечный |
7 |
8 |
9 |
Тахтоямск |
7 |
8 |
9 |
Штурмовой |
8 |
8 |
9 |
|
Сплавная |
7 |
8 |
9 |
Тополовка |
7 |
7 |
8 |
Эвенск |
7 |
7 |
8 |
|
Спорное |
8 |
8 |
9 |
Уптар |
8 |
8 |
9 |
Эльген |
8 |
8 |
9 |
|
Стекольный |
7 |
8 |
9 |
Усть-Хакчан |
8 |
8 |
9 |
Ягодное |
8* |
8 |
9 |
|
Сусуман |
7 |
8 |
9 |
Усть-Омчуг |
7 |
7 |
8 |
Ямок |
7 |
8 |
9 |
|
МУРМАНСКАЯ ОБЛАСТЬ |
|||||||||||
|
Алакуртти |
- |
- |
6 |
Кильдинстрой |
- |
- |
6 |
Полярные Зори |
- |
6 |
7 |
|
Апатиты |
- |
6 |
7 |
Кировск |
- |
6* |
7* |
Полярный |
- |
- |
6 |
|
Африканда |
- |
6 |
7 |
Ковдор |
- |
6 |
7 |
Приречный |
- |
- |
6 |
|
Верхнетуломский |
- |
- |
6 |
Кола |
- |
- |
6 |
Ревда |
- |
- |
6 |
|
Видяево |
- |
- |
6 |
Ловозеро |
- |
- |
6 |
Росляково |
- |
- |
6 |
|
Высокий |
- |
- |
6 |
Молочный |
- |
- |
6 |
Сафоново |
- |
- |
6 |
|
Гаджиево |
- |
- |
6 |
Мончегорск |
- |
- |
6 |
Североморск |
- |
- |
6 |
|
Енский |
- |
6 |
7 |
Мурманск |
- |
- |
6 |
Скалистый |
- |
- |
6 |
|
Заозерск |
- |
- |
6 |
Мурмаши |
- |
- |
6 |
Снежногорск |
- |
- |
6 |
|
Заполярный |
- |
- |
6 |
Нивский |
- |
6 |
7 |
Териберка |
- |
- |
6 |
|
Зашеек |
- |
6 |
7 |
Никель |
- |
- |
6 |
Тулома |
- |
- |
6 |
|
Зверосовхоз |
- |
- |
6 |
Оленегорск |
- |
- |
6 |
Туманный |
- |
- |
6 |
|
Зеленоборский |
- |
6 |
7 |
Островной |
- |
- |
6 |
Умба |
6 |
6 |
7 |
|
Кандалакша |
- |
6 |
7 |
Печенга |
- |
- |
6 |
Шонгуй |
- |
- |
6 |
|
НОВОСИБИРСКАЯ ОБЛАСТЬ |
|||||||||||
|
Агролес |
6 |
7* |
8 |
Борцово |
6 |
6 |
7 |
Восход |
6 |
6 |
7 |
|
Базово |
- |
6 |
7 |
Бочкарево |
7 |
7 |
8 |
Вьюны |
- |
- |
6 |
|
Байкал |
- |
6 |
6 |
Боярка |
- |
- |
6 |
Горный |
6 |
6 |
7 |
|
Барышево |
6 |
6 |
7 |
Буготак |
6 |
6 |
7 |
Гусельниково |
7 |
7 |
8 |
|
Безменово |
7 |
7 |
8 |
Бурмистрово |
6 |
7 |
8 |
Двуречье |
6 |
6 |
7 |
|
Бердск |
6 |
7* |
8* |
Быстровка |
6 |
7 |
8* |
Довольное |
- |
- |
6 |
|
Березиково |
6 |
7 |
8 |
Быструха |
- |
6 |
7 |
Дорогино |
7 |
7 |
8 |
|
Березовка |
6 |
6 |
7 |
Вагайцево |
6 |
6 |
7 |
Дубровино |
- |
6 |
6 |
|
Березово |
7 |
7 |
8 |
Варламово |
- |
- |
6 |
Дупленская |
- |
- |
6 |
|
Битки |
6 |
7 |
8 |
Верх-Сузун |
7 |
8 |
8 |
Евсино |
6 |
7 |
8 |
|
Бобровка |
7 |
7 |
8 |
Верх-Алеус |
6 |
7 |
7 |
Егорьевское |
7 |
7 |
8 |
|
Бол.изырак |
7 |
7 |
8 |
Верх-Ирмень |
6 |
6 |
7 |
Елбань |
7 |
7 |
8 |
|
Болотное |
- |
6 |
7* |
Верх-Кюен |
6 |
7 |
7 |
Железнодорожный |
6 |
6 |
7 |
|
Болтово |
7 |
7 |
8 |
Верх-Мильтюши |
6 |
7 |
8 |
Жуланка |
- |
6 |
6 |
|
Большеникольское |
- |
6 |
7 |
Верх-Тула |
6 |
6 |
7 |
Завьялово |
6 |
7 |
8 |
|
Борково |
7 |
7 |
8 |
Верх-Чик |
6 |
6 |
7 |
Заковряжино |
7 |
7 |
8 |
|
Боровое |
6 |
6 |
7 |
Воздвиженский |
- |
- |
6 |
Заречное |
6 |
7 |
7 |
Продолжение таблицы
|
Наименование субъектов РФ и населенных пунктов |
Карты ОСР-2016 |
Наименование субъектов РФ и населенных пунктов |
Карты ОСР-2016 |
Наименование субъектов РФ и населенных пунктов |
Карты ОСР-2016 |
||||||
|
А |
В |
С |
А |
В |
С |
А |
В |
С |
|||
|
Золотая грива |
- |
- |
6 |
Куликовское |
- |
- |
6 |
Новоцелинное |
- |
6 |
6 |
|
Зудово |
- |
- |
6 |
Кунчурук |
- |
- |
6 |
Новые Решеты |
- |
6 |
7 |
|
Индерь |
- |
- |
6 |
Лебедевка |
6 |
7 |
8 |
Новый Шарап |
6 |
6 |
7 |
|
Искитим |
6 |
7 |
8 |
Лебедево |
6 |
7 |
8 |
Обь |
6* |
6 |
7 |
|
Искра |
7 |
7 |
8 |
Легостаево |
7* |
7 |
8 |
Овчинниково |
- |
- |
6 |
|
Кабинетное |
- |
- |
6 |
Лекарственное |
6 |
6 |
7 |
Огнева Заимка |
7 |
7 |
8 |
|
Кайлы |
6 |
6 |
7 |
Ленинское |
6 |
6 |
7 |
Октябрьский |
6 |
6 |
7 |
|
Каменка |
6 |
6 |
7 |
Лесная поляна |
- |
6 |
6 |
Ордынское |
6 |
6 |
7 |
|
Кандаурово |
- |
- |
6 |
Линево |
6 |
7 |
8 |
Орехов Лог |
- |
- |
6 |
|
Карасево (Болотнинский р-н) |
- |
6 |
6 |
Листвянка |
7 |
7 |
8 |
Осиновский |
- |
6 |
6 |
|
Карасево (Черепановский р-н) |
7 |
7 |
8 |
Листвянский |
7 |
7 |
8 |
Ояш |
- |
6 |
6 |
|
Каргаполово |
7 |
8 |
8 |
Льниха |
6 |
6 |
7 |
Пашино |
- |
6 |
7 |
|
Керамкомбинат |
6 |
7 |
8 |
Майский |
7 |
7 |
8 |
Пенек |
- |
- |
6 |
|
Киик |
6 |
6 |
7 |
Майское |
- |
- |
6 |
Пеньково |
7 |
7 |
8 |
|
Кирза |
6 |
7 |
7 |
Малышево |
7 |
8 |
8 |
Первотроицк |
- |
- |
6 |
|
Ключики |
7 |
7 |
8 |
Мамоново |
7 |
7 |
8 |
Петровский |
6 |
6 |
7 |
|
Козиха |
6 |
6 |
7 |
Мамонтовое |
- |
- |
6 |
Пихтовка |
- |
- |
6 |
|
Кокошино |
- |
- |
6 |
Марусино |
- |
6 |
7 |
Плотниково |
6 |
6 |
7 |
|
Колыбелька |
- |
- |
6 |
Маслянино |
7 |
7 |
8 |
Поваренка |
- |
6 |
7 |
|
Колывань |
- |
6 |
6 |
Маюрово |
6 |
7 |
8 |
Половинное |
- |
- |
6 |
|
Кольцовка |
- |
- |
6 |
Медведское |
7 |
7 |
8 |
Полойка |
- |
- |
6 |
|
Кольцово |
6 |
6 |
7 |
Мереть |
7 |
8 |
8 |
Посевная |
7 |
7 |
8 |
|
Комарье |
- |
- |
6 |
Мичуринский |
6 |
6 |
7 |
Преображенка |
6 |
7 |
8 |
|
Корнилово |
6 |
6 |
7 |
Мохнатый Лог |
- |
- |
6 |
Прокудское |
- |
6 |
7 |
|
Королевка |
- |
- |
6 |
Мочище |
6* |
6 |
7 |
Пролетарский |
6 |
6 |
7 |
|
Коурак |
7 |
7 |
8 |
Мошково |
6* |
6 |
7 |
Пушной |
7 |
7 |
8 |
|
Коченево |
- |
6 |
7* |
Мышланка |
7 |
7 |
8 |
Пятилетка |
7 |
7 |
8 |
|
Кочки |
- |
6 |
6 |
Нечаевский |
6 |
6 |
7 |
Раздольное |
6 |
6 |
7 |
|
Красная Сибирь |
- |
6 |
6 |
Нижнекаменка |
6 |
7* |
7 |
Решеты |
- |
6* |
6 |
|
Красноглинное |
6 |
6 |
7 |
Новоиткульское |
- |
- |
6 |
Рогалево |
6 |
6 |
7 |
|
Краснозерское |
- |
- |
6 |
Новокремлевское |
- |
6 |
6 |
Садовый |
- |
6 |
7 |
|
Краснообск |
6 |
6 |
7 |
Новолокти |
6 |
7 |
8 |
Сарапулка |
6 |
6 |
7 |
|
Красный Яр (Новосибирский р-н) |
- |
6 |
7 |
Новолуговое |
6 |
6 |
7 |
Серебрянское |
- |
- |
6 |
|
Красный Яр (Ордынский р-н) |
6 |
6 |
7 |
Новомихайловка |
- |
- |
6 |
Сидоровка |
- |
- |
6 |
|
Криводановка |
- |
6 |
7 |
Новомошковское |
- |
6 |
7 |
Скала |
- |
6 |
6 |
|
Крутологово |
- |
- |
6 |
Новопичугово |
6 |
6 |
7 |
Согорное |
- |
- |
6 |
|
Кубовая |
- |
6 |
7 |
Новосибирск |
6* |
6 |
7 |
Соколово |
- |
6 |
6 |
|
Кудельный Ключ |
6 |
6 |
7 |
Новотроицк |
- |
- |
6 |
Сокур |
6 |
6 |
7 |
|
Кудряшовский |
- |
6 |
7 |
Новотырышкино |
- |
- |
6 |
Сосновка |
- |
6 |
7 |
Продолжение таблицы
|
Наименование субъектов РФ и населенных пунктов |
Карты ОСР-2016 |
Наименование субъектов РФ и населенных пунктов |
Карты ОСР-2016 |
Наименование субъектов РФ и населенных пунктов |
Карты ОСР-2016 |
||||||
|
А |
В |
С |
А |
В |
С |
А |
В |
С |
|||
|
Спирино |
6 |
7 |
8 |
Улыбино |
6 |
7 |
8 |
Чик |
- |
6 |
7 |
|
Станционно-Ояшинский |
- |
6 |
7 |
Усть-Каменка |
6 |
7 |
7 |
Чикман |
- |
6 |
6 |
|
Степной |
6 |
7 |
8 |
Усть-Луковка |
6 |
6 |
7 |
Чингис |
7 |
7 |
8 |
|
Сузун |
7 |
8 |
8 |
Усть-Чем |
6 |
7 |
8 |
Чистополье |
- |
6 |
7 |
|
Сумы |
- |
- |
6 |
Устюжанино |
6 |
7 |
7 |
Чулым |
- |
- |
6 |
|
Сурково |
6 |
6 |
7 |
Утянка |
- |
- |
6* |
Шагалка |
- |
- |
6 |
|
Тальменка |
6 |
7 |
8 |
Федосиха |
- |
6 |
7 |
Шагалово |
- |
6 |
7 |
|
Ташара |
- |
6 |
6 |
Филиппово |
6 |
6 |
7 |
Шарчино |
6 |
7 |
8 |
|
Тогучин |
6 |
6 |
7 |
Целинное |
- |
6 |
7 |
Шахта |
6 |
7 |
8 |
|
Толмачево |
6 |
6 |
7 |
Чемское |
6 |
7 |
8 |
Шибково |
6 |
7 |
8 |
|
Травное |
- |
- |
6 |
Черепаново |
7 |
7 |
8 |
Шипуново |
7 |
7 |
8 |
|
Троицкий |
- |
- |
6 |
Чернаково |
6 |
6 |
7 |
Широкий Яр |
- |
6 |
7 |
|
Тулинский |
6 |
6 |
7 |
Черновка |
- |
- |
6 |
Шурыгино |
7 |
7 |
8 |
|
Ужаниха |
- |
6 |
6 |
Чернореченский |
6 |
7 |
8 |
Ярково |
6 |
6 |
7 |
|
ОМСКАЯ ОБЛАСТЬ |
|||||||||||
|
Большие Уки |
- |
- |
6* |
Мангут |
- |
- |
6 |
Оглухино |
- |
- |
6 |
|
Колосовка |
- |
- |
6 |
Называевск |
- |
- |
6 |
Октябрьский |
- |
- |
6 |
|
Крутинка |
- |
6 |
7 |
Новокарасук |
- |
6 |
7 |
Тюкалинск |
- |
- |
6 |
|
ОРЕНБУРГСКАЯ ОБЛАСТЬ |
|||||||||||
|
Илек |
- |
- |
6 |
Переволоцкий |
- |
- |
6* |
Ташла |
- |
- |
6 |
|
Краснохолм |
- |
- |
6 |
Привольное |
- |
- |
6 |
Экспериментальный |
- |
- |
6 |
|
Нижняя Павловка |
- |
- |
6 |
Северное |
- |
- |
6 |
|
|
|
|
|
Первомайский |
- |
- |
6 |
Соль-Илецк |
- |
- |
6 |
|
|
|
|
|
ОРЛОВСКАЯ ОБЛАСТЬ |
|||||||||||
|
Верховье |
- |
- |
6 |
Колпна |
- |
- |
6 |
Орел |
- |
- |
6* |
|
Глазуновка |
- |
- |
6 |
Красная Заря |
- |
- |
6 |
Покровское |
- |
- |
6 |
|
Долгое |
- |
- |
6 |
Ливны |
- |
- |
6 |
Тросна |
- |
- |
6 |
|
Залегощь |
- |
- |
6 |
Малоархангельск |
- |
- |
6 |
Хомутово |
- |
- |
6 |
|
Змиевка |
- |
- |
6 |
Новосиль |
- |
- |
6 |
|
|
|
|
|
ПЕНЗЕНСКАЯ ОБЛАСТЬ |
|||||||||||
|
Анучино |
- |
- |
6 |
Кикино |
- |
- |
6 |
Пачелма |
- |
- |
6* |
|
Башмаково |
- |
- |
6 |
Кобылкино |
- |
- |
6 |
Сердобск |
- |
- |
6 |
|
Беково |
- |
- |
6 |
Колышлей |
- |
- |
6 |
Тамала |
- |
- |
6 |
|
Белинский |
- |
- |
6 |
Кондоль |
- |
- |
6 |
|
|
|
|
|
Каменка |
- |
- |
6* |
Малая Сердоба |
- |
- |
6 |
|
|
|
|
|
РОСТОВСКАЯ ОБЛАСТЬ |
|||||||||||
|
Аграфеновка |
- |
6 |
7 |
Алмазный |
- |
6 |
7 |
Багаевская |
- |
6 |
7 |
|
Азов |
- |
6 |
7 |
Анастасиевка |
- |
6 |
7 |
Базковская |
- |
- |
6 |
|
Аксай |
- |
6 |
7 |
Апаринский |
- |
6 |
7 |
Бакланники |
- |
6 |
7 |
|
Александровка |
6* |
6 |
7 |
Арпачин |
- |
6 |
7 |
Балко-Грузский |
- |
6 |
7 |
|
Алексеевка |
- |
6 |
7 |
Аютинский |
- |
6 |
7 |
Барило-Крепинская |
- |
6 |
7 |
Продолжение таблицы
|
Наименование субъектов РФ и населенных пунктов |
Карты ОСР-2016 |
Наименование субъектов РФ и населенных пунктов |
Карты ОСР-2016 |
Наименование субъектов РФ и населенных пунктов |
Карты ОСР-2016 |
||||||
|
А |
В |
С |
А |
В |
С |
А |
В |
С |
|||
|
Батайск |
- |
6 |
7 |
Дегтево |
- |
- |
6 |
Красноярская |
- |
- |
6 |
|
Белая Калитва |
- |
6* |
7 |
Донецк |
- |
6* |
7* |
Красный |
- |
6 |
7 |
|
Белогорский |
- |
- |
6 |
Донской |
- |
6 |
7 |
Красный Крым |
- |
6 |
7 |
|
Белозерный |
- |
6 |
7 |
Дячкино |
- |
- |
6 |
Красный Кут |
- |
6 |
7 |
|
Березовка |
- |
6 |
7 |
Егорлыкская |
- |
6 |
7 |
Красный Сулин |
- |
6 |
7 |
|
Бессергеневская |
- |
6 |
7 |
Ёлкин |
- |
6 |
7 |
Красюковская |
- |
6 |
7 |
|
Бессергеновка |
- |
6 |
7 |
Жирнов |
- |
- |
6 |
Криворожье |
- |
- |
6 |
|
Богоявленская |
- |
6 |
7 |
Заводской |
- |
- |
6 |
Кривянская |
- |
6 |
7 |
|
Богураев |
- |
6 |
7 |
Займо-Обрыв |
- |
6 |
7 |
Круглое |
- |
6 |
7 |
|
Божковка |
- |
6 |
7 |
Заплавская |
- |
6 |
7 |
Кружилинский |
- |
- |
6 |
|
Боковская |
- |
- |
6 |
Зверево |
- |
6 |
7 |
Крутинский |
- |
- |
6 |
|
Большая Мартыновка |
- |
6 |
7 |
Зерноград |
- |
6 |
7 |
Крым |
- |
6 |
7 |
|
Большая Неклиновка |
- |
6 |
7 |
Зимовники |
- |
- |
6 |
Крымский |
- |
6 |
7 |
|
Большая Орловка |
- |
6 |
7 |
Золотаревка |
- |
6 |
7 |
Кугейский |
- |
6 |
7 |
|
Большекрепинская |
- |
6 |
7 |
Ильинка |
- |
- |
6 |
Куйбышево |
- |
6 |
7 |
|
Большемечетный |
- |
6 |
7 |
Ильичевка |
- |
6 |
7 |
Кулешовка |
- |
6 |
7 |
|
Большие Салы |
- |
6 |
7 |
Интернациональный |
- |
6 |
7 |
Кутейниково |
- |
6 |
7 |
|
Большинка |
- |
- |
6 |
Кавалерский |
6 |
6 |
7 |
Лагутники |
- |
- |
6 |
|
Большовская |
- |
6* |
7 |
Кагальник |
- |
6 |
7 |
Лакедемоновка |
- |
6 |
7 |
|
Большой Лог |
- |
6 |
7 |
Кагальницкая |
- |
6 |
7 |
Латоново |
- |
6 |
7 |
|
Быстрогорский |
- |
- |
6 |
Кадамовский |
- |
6 |
7 |
Ленина |
- |
- |
6 |
|
Вареновка |
- |
6 |
7 |
Казанская |
- |
- |
6 |
Ленинаван |
- |
6 |
7 |
|
Верхнегрушевский |
- |
6 |
7 |
Казачьи Лагери |
- |
6 |
7 |
Летник |
6 |
6 |
7 |
|
Верхнеподпольный |
- |
6 |
7 |
Калинин |
- |
6 |
7 |
Литвиновка |
- |
- |
6 |
|
Веселый (Веселовский р-н) |
- |
6 |
7 |
Калининский |
- |
- |
6 |
Лиховской |
- |
6 |
7 |
|
Веселый (Мясниковский р-н) |
- |
6 |
7 |
Каменоломни |
- |
6 |
7 |
Лихой |
- |
6 |
7 |
|
Вешенская |
- |
- |
6 |
Каменск-Шахтинский |
- |
6* |
7* |
Лозной |
- |
- |
6 |
|
Вислый |
- |
6 |
7 |
Каргинская |
- |
- |
6 |
Лопанка |
- |
6 |
7 |
|
Владимировская |
- |
6 |
7 |
Кашары |
- |
- |
6 |
Лысогорка |
- |
6 |
7 |
|
Волгодонск |
- |
- |
6 |
Керчик-Савров |
- |
6 |
7 |
Майский |
- |
6 |
7 |
|
Волошино |
- |
- |
6 |
Киреевка |
- |
6 |
7 |
Малая Каменка |
- |
- |
7* |
|
Волченский |
- |
6 |
7 |
Кировская |
- |
6 |
7 |
Малокирсановка |
- |
6 |
7 |
|
Гигант |
- |
6 |
7 |
Коксовый |
- |
- |
7 |
Мальчевская |
- |
- |
6 |
|
Глубокий |
- |
- |
6 |
Колодези |
- |
- |
6 |
Манычская |
- |
6 |
7 |
|
Головатовка |
- |
6 |
7 |
Константиновск |
- |
6 |
7 |
Маньково-Калитвенское |
- |
- |
6 |
|
Горный |
- |
6 |
7 |
Костино-Быстрянский |
- |
- |
6 |
Маркин |
- |
6 |
7 |
|
Горняцкий |
- |
- |
6 |
Кочетовская |
- |
6 |
7 |
Маркинская |
- |
- |
6 |
|
Грузинов |
- |
- |
6 |
Красноармейский |
- |
- |
6 |
Марс |
- |
6 |
7 |
|
Грушевская |
- |
6 |
7 |
Красновка |
- |
- |
6 |
Матвеев Курган |
- |
6 |
7 |
|
Гуково |
- |
6 |
7 |
Красногорняцкий |
- |
6 |
7 |
Мелиховская |
- |
6 |
7 |
|
Гундоровский |
- |
6 |
7 |
Краснодонецкая |
- |
6 |
7 |
Меркуловский |
- |
- |
6 |
Продолжение таблицы
|
Наименование субъектов РФ и населенных пунктов |
Карты ОСР-2016 |
Наименование субъектов РФ и населенных пунктов |
Карты ОСР-2016 |
Наименование субъектов РФ и населенных пунктов |
Карты ОСР-2016 |
||||||
|
А |
В |
С |
А |
В |
С |
А |
В |
С |
|||
|
Мечетинская |
- |
6 |
7 |
Покровское |
- |
6 |
7 |
Сорговый |
- |
6 |
7 |
|
Мешковская |
- |
- |
6 |
Политотдельское |
- |
6 |
7 |
Сосны |
- |
- |
7 |
|
Мигулинская |
- |
- |
6 |
Порт-Катон |
- |
6 |
7 |
Старая Станица |
- |
- |
6 |
|
Миллерово |
- |
- |
6 |
Потапов |
- |
- |
6 |
Старокузнецов |
- |
- |
6 |
|
Милютинская |
- |
- |
6 |
Приморка |
- |
6 |
7 |
Староротовка |
- |
6 |
7 |
|
Мирный |
- |
6 |
7 |
Прогресс |
- |
- |
6 |
Старочеркасская |
- |
6 |
7 |
|
Михайлов |
- |
- |
6 |
Пролетарка |
- |
6 |
7 |
Табунщиково |
- |
6 |
7 |
|
Мишкинская |
- |
6 |
7 |
Пролетарск |
- |
6 |
7 |
Таганрог |
- |
6 |
7 |
|
Мокрый Батай |
- |
6 |
7 |
Пухляковский |
- |
6 |
7 |
Таловый |
- |
6 |
7 |
|
Морозовск |
- |
- |
6 |
Развильное |
6 |
6 |
7 |
Тарасовский |
- |
- |
6 |
|
Недвиговка |
- |
6 |
7 |
Раздорская |
- |
6 |
7 |
Тацинская |
- |
- |
6 |
|
Нижнедонской |
- |
6 |
7 |
Рассвет |
- |
6 |
7 |
Тополевый |
- |
6 |
7 |
|
Нижний Саловск |
- |
6 |
7 |
Ремонтное |
- |
- |
6 |
Троицкое |
- |
6 |
7 |
|
Николаевка |
- |
6 |
7 |
Роговский |
- |
6 |
7 |
Углегорский |
- |
- |
6 |
|
Николаевская |
- |
6 |
7 |
Родионово-Несветайская |
- |
6 |
7 |
Углеродовский |
- |
6 |
7 |
|
Новоалександровка |
- |
6 |
7 |
Романовка |
- |
6 |
7 |
Усть-Донецкий |
- |
6 |
7 |
|
Новобатайск |
- |
6 |
7 |
Романовская |
- |
- |
6 |
Федоровка |
- |
6 |
7 |
|
Новобессергеневка |
- |
6 |
7 |
Ростов-на-Дону |
- |
6 |
7 |
Халыбо-Адабашев |
- |
6 |
7 |
|
Новозарянский |
- |
6 |
7 |
Рябичев |
- |
- |
6 |
Хапры |
- |
6 |
7 |
|
Новокадамово |
- |
6 |
7 |
Ряженое |
- |
6 |
7 |
Целина |
- |
6 |
7 |
|
Новоперсиановка |
- |
6 |
7 |
Рясное |
- |
6 |
7 |
Цимлянск |
- |
- |
6 |
|
Новороговская |
6 |
6 |
7 |
Савдя |
- |
- |
6 |
Чалтырь |
- |
6 |
7 |
|
Новочеркасск |
- |
6 |
7 |
Садки |
- |
6 |
7 |
Чапаев |
- |
6 |
7 |
|
Новошахтинск |
- |
6 |
7 |
Сальск |
- |
6 |
7 |
Чернышевка |
- |
6 |
7 |
|
Новый Егорлык |
- |
6 |
7 |
Самарское |
- |
6 |
7 |
Чертково |
- |
- |
6 |
|
Объединенный |
- |
6 |
7 |
Самбек |
- |
6 |
7 |
Шаблиевка |
- |
6 |
7 |
|
Октябрьский |
- |
6 |
7 |
Сандата |
6* |
6 |
7 |
Шаумяновский |
6* |
6 |
7 |
|
Ольгинская |
- |
6 |
7 |
Саркел |
- |
- |
6 |
Шахты |
- |
6 |
7 |
|
Орловский |
- |
6 |
7 |
Селивановская |
- |
- |
6 |
Шолоховский |
- |
- |
6 |
|
Персиановский |
- |
6 |
7 |
Семикаракорск |
- |
6 |
7 |
Щепкин |
- |
6 |
7 |
|
Песчанокопское |
6 |
6 |
7 |
Синегорский |
- |
6 |
7 |
Юдин |
- |
- |
6 |
|
Петровка |
- |
6 |
7 |
Синявское |
- |
6 |
7 |
Южный |
- |
- |
6 |
|
Пешково |
- |
6 |
7 |
Советская |
- |
- |
6 |
Яново-Грушевский |
- |
6 |
7 |
|
Платово |
- |
6 |
7 |
Соколово-Кундрюченский |
- |
6 |
7 |
|
|
|
|
|
САМАРСКАЯ ОБЛАСТЬ |
|||||||||||
|
Исаклы |
- |
- |
6 |
Клявлино |
- |
- |
6 |
Шентала |
- |
- |
6 |
|
Камышла |
- |
- |
6 |
|
|
|
|
|
|
|
|
|
САРАТОВСКАЯ ОБЛАСТЬ |
|||||||||||
|
Алгайский |
- |
- |
6 |
Дергачи |
- |
- |
6 |
Мироновка |
- |
- |
6* |
|
Александров Гай |
- |
- |
6 |
Екатериновка |
- |
- |
6 |
Новоузенск |
- |
- |
6 |
|
Аркадак |
- |
- |
6 |
Калининск |
- |
- |
6* |
Озинки |
- |
- |
6 |
|
Балашов |
- |
- |
6 |
Куриловка |
- |
- |
6 |
Питерка |
- |
- |
6 |
Продолжение таблицы
|
Наименование субъектов РФ и населенных пунктов |
Карты ОСР-2016 |
Наименование субъектов РФ и населенных пунктов |
Карты ОСР-2016 |
Наименование субъектов РФ и населенных пунктов |
Карты ОСР-2016 |
||||||
|
А |
В |
С |
А |
В |
С |
А |
В |
С |
|||
|
Радищево |
- |
- |
6 |
Ртищево |
- |
- |
6 |
Старый Хопер |
- |
- |
6 |
|
Романовка |
- |
- |
6 |
Самойловка |
- |
- |
6 |
Турки |
- |
- |
6 |
|
САХАЛИНСКАЯ ОБЛАСТЬ |
|||||||||||
|
Адо-Тымово |
9 |
9 |
> 9 |
Колхозное |
9 |
9 |
> 9 |
Поречье (Углегорский р-н) |
9 |
9 |
> 9 |
|
Айнское |
9 |
9 |
> 9 |
Корсаков |
8 |
9* |
9 |
Поронайск |
8 |
9 |
> 9* |
|
Александровск-Сахалинский |
9 |
9 |
> 9 |
Костромское |
9 |
9 |
> 9 |
Правда |
9 |
9 |
> 9 |
|
Анива |
8 |
9 |
> 9 |
Крабозаводское |
> 9 |
> 9 |
> 9 |
Пугачево |
8 |
9 |
> 9 |
|
Арги-паги |
8 |
9 |
> 9 |
Красная Тымь |
9 |
9 |
> 9 |
Рейдово |
9 |
> 9 |
> 9 |
|
Арково |
9 |
9 |
> 9 |
Красногорск |
8 |
9 |
> 9 |
Рощино |
9 |
9 |
> 9 |
|
Березняки |
8 |
9 |
> 9 |
Краснополье |
9 |
9 |
> 9 |
Рыбновск |
8 |
9 |
9 |
|
Бошняково |
9 |
9 |
> 9 |
Курильск |
9 |
> 9 |
> 9 |
Рыбное |
8 |
9 |
9 |
|
Буревестник |
9 |
> 9 |
> 9 |
Леонидово |
9 |
9 |
> 9 |
Сабо |
9 |
9 |
> 9 |
|
Буюклы |
9 |
9 |
> 9 |
Макаров |
9* |
9 |
> 9 |
Северо-Курильск |
9 |
> 9 |
> 9 |
|
Быков |
8 |
9 |
> 9 |
Малиновка |
9 |
9 |
> 9 |
Синегорск |
9 |
9 |
> 9 |
|
Вал |
8 |
9 |
> 9 |
Мгачи |
9 |
9 |
> 9 |
Смирных |
9 |
9 |
> 9 |
|
Вахрушев |
9* |
9 |
> 9 |
Молодежное |
9 |
9 |
> 9 |
Соболиное |
8 |
8 |
9 |
|
Взморье |
8 |
9 |
> 9 |
Москальво |
9 |
9 |
> 9 |
Сокол |
8 |
9 |
> 9 |
|
Виахту |
8 |
9 |
9 |
Невельск |
9 |
9 |
> 9 |
Соловьевка |
8 |
9 |
9 |
|
Владимировка |
9 |
9 |
> 9 |
Некрасовка |
9 |
9 |
> 9 |
Стародубское |
8 |
9 |
> 9* |
|
Воскресеновка |
9 |
9 |
> 9 |
Новиково |
8 |
8 |
9 |
Таранай |
9 |
9 |
> 9 |
|
Воскресенское |
8 |
9 |
> 9 |
Новосибирское |
8 |
9 |
> 9 |
Тельновский |
9 |
9 |
> 9 |
|
Восток |
8 |
9 |
> 9 |
Новые Лангры |
8 |
9 |
9 |
Тихменево |
9 |
9 |
> 9 |
|
Восточный (округ Макаровский гор.) |
8 |
9 |
> 9 |
Ноглики |
8 |
9 |
9 |
Томари |
8 |
9 |
> 9 |
|
Восточный (Охинский гор. округ) |
9 |
9 |
> 9 |
Ныш |
8 |
9 |
> 9 |
Троицкое |
8 |
9 |
> 9 |
|
Восход |
9 |
9 |
> 9 |
Огоньки |
9 |
9 |
> 9 |
Трудовое |
8 |
8 |
9 |
|
Гастелло |
8 |
9 |
> 9 |
Озерский |
8 |
8 |
9 |
Тунгор |
9 |
9 |
> 9 |
|
Головнино |
> 9 |
> 9 |
> 9 |
Озерское |
8 |
8 |
9 |
Тымовское |
9 |
9 |
> 9 |
|
Горное |
9 |
> 9 |
> 9 |
Ольховка |
9 |
9 |
> 9 |
Углегорск |
9 |
9 |
> 9 |
|
Горнозаводск |
9 |
9 |
> 9 |
Онор |
9 |
9 |
> 9 |
Углезаводск |
8 |
9 |
> 9 |
|
Горячие Ключи |
9 |
> 9 |
> 9 |
Оха |
9 |
9 |
> 9 |
Ударный |
9 |
9 |
> 9 |
|
Дальнее |
8 |
9 |
> 9 |
Охотское |
8 |
8 |
9 |
Холмск |
9 |
9 |
> 9 |
|
Дачное |
8 |
9 |
> 9 |
Парусное |
8 |
9 |
> 9 |
Хоэ |
9 |
9 |
> 9 |
|
Долинск |
8 |
9 |
> 9 |
Пензенское |
8 |
9 |
> 9 |
Чапаево |
8 |
8 |
9 |
|
Дуэ |
9 |
9 |
> 9 |
Первомайск |
8 |
8 |
9 |
Чапланово |
9 |
9 |
> 9 |
|
Забайкалец |
9 |
9 |
> 9 |
Пильво |
9 |
9 |
> 9 |
Чехов |
8 |
9 |
> 9 |
|
Ильинский |
8 |
9 |
> 9 |
Пильтун |
9 |
9 |
> 9 |
Шахтерск |
9 |
9 |
> 9 |
|
Катангли |
8 |
9 |
9 |
Победино |
9 |
9 |
> 9 |
Шебунино |
9 |
9 |
> 9 |
|
Кировское |
9 |
9 |
> 9 |
Покровка |
8 |
9 |
> 9 |
Эхаби |
9 |
9 |
> 9 |
|
Колендо |
9 |
9 |
> 9 |
Поречье (Макаровский гор. округ) |
9 |
9 |
> 9 |
Южно-Курильск |
9 |
> 9 |
> 9 |
Продолжение таблицы
|
Наименование субъектов РФ и населенных пунктов |
Карты ОСР-2016 |
Наименование субъектов РФ и населенных пунктов |
Карты ОСР-2016 |
Наименование субъектов РФ и населенных пунктов |
Карты ОСР-2016 |
||||||
|
А |
В |
С |
А |
В |
С |
А |
В |
С |
|||
|
Южно-Сахалинск |
8 |
9 |
> 9* |
Яблочный |
9 |
9 |
> 9 |
Ясноморский |
9 |
9 |
> 9 |
|
Яблочное |
9 |
9 |
> 9 |
Ясное |
9 |
9 |
> 9 |
|
|
|
|
|
СВЕРДЛОВСКАЯ ОБЛАСТЬ |
|||||||||||
|
Азанка |
- |
- |
6 |
Дружинино |
- |
6 |
7 |
Монетный |
- |
6* |
7* |
|
Арамиль |
- |
6 |
7 |
Екатеринбург |
- |
6 |
7 |
Натальинск |
- |
- |
6 |
|
Арти |
- |
- |
6 |
Елкино |
- |
6 |
7 |
Невьянск |
- |
6 |
7 |
|
Асбест |
- |
- |
6 |
Заречный |
- |
- |
6 |
Нейво-Рудянка |
- |
6 |
7 |
|
Асбестовский |
- |
- |
6 |
Зюзельский |
- |
6 |
7 |
Нейво-Шайтанский |
- |
- |
6 |
|
Атиг |
- |
6 |
7 |
Ивдель |
- |
- |
6 |
Нижнеиргинское |
- |
- |
6 |
|
Ачит |
- |
- |
6 |
Изумруд |
- |
- |
6 |
Нижние Серги |
- |
6* |
7 |
|
Аять |
- |
6 |
7 |
Ис |
- |
6 |
7 |
Нижний Тагил |
- |
6 |
7 |
|
Байкалово |
- |
- |
6 |
Исеть |
- |
6 |
7 |
Нижняя Салда |
- |
- |
6 |
|
Барачинский |
- |
6 |
7 |
Калиново |
- |
6 |
7 |
Нижняя Тура |
- |
6 |
7 |
|
Басьяновский |
- |
- |
6 |
Калья |
- |
6 |
7 |
Николо-Павловское |
- |
6 |
7 |
|
Белоречка |
- |
6 |
7 |
Каменск-Уральский |
- |
- |
6* |
Новая Ляля |
- |
- |
6 |
|
Белоярский |
- |
- |
6 |
Карпинск |
- |
6 |
7 |
Новоасбест |
- |
6 |
7 |
|
Березовский |
- |
6 |
7 |
Карпушиха |
- |
6 |
7 |
Новоуральск |
- |
6 |
7 |
|
Билимбай |
- |
6 |
7 |
Качканар |
- |
6 |
7 |
Новоуткинск |
- |
6 |
7 |
|
Бисерть |
- |
6 |
7 |
Кедровое |
- |
6 |
7 |
Озерный |
- |
- |
6 |
|
Бобровский |
- |
6* |
7 |
Кировград |
- |
6 |
7 |
Павда |
- |
6 |
7 |
|
Большой Исток |
- |
6 |
7 |
Клевакинское |
- |
- |
6 |
Первоуральск |
- |
6 |
7 |
|
Валериановск |
- |
6 |
7 |
Ключевск |
- |
- |
6 |
Петрокаменское |
- |
- |
6 |
|
Верхнее Дуброво |
- |
- |
6 |
Кольцово |
- |
6 |
7 |
Покровское (Горноуральский горный округ) |
- |
6 |
7 |
|
Верхняя Пышма |
- |
6 |
7 |
Косья |
- |
6 |
7 |
Покровское (Каменский горный округ) |
- |
- |
6 |
|
Верх-Нейвинский |
- |
6 |
7 |
Краснотурьинск |
- |
- |
6 |
Покровск-Уральский |
- |
6 |
7 |
|
Верхние Серги |
- |
6 |
7 |
Красноуральск |
- |
6 |
7 |
Полевской |
- |
6 |
7 |
|
Верхний Тагил |
- |
6 |
7 |
Красноуфимск |
- |
- |
6 |
Полуночное |
- |
- |
6 |
|
Верхняя Пышма |
- |
6 |
7 |
Кузино |
- |
6 |
7 |
Привокзальный |
- |
- |
6 |
|
Верхняя Салда |
- |
- |
6 |
Кушва |
- |
6 |
7 |
Ревда |
- |
6 |
7 |
|
Верхняя Сысерть |
- |
6 |
7 |
Кытлым |
- |
6 |
7 |
Реж |
- |
- |
6 |
|
Верхняя Тура |
- |
6 |
7 |
Ларьковка |
- |
- |
6 |
Рефтинский |
- |
- |
6* |
|
Верхотурье |
- |
- |
6 |
Лая |
- |
6 |
7 |
Рудничный |
- |
- |
6 |
|
Веселовка |
- |
6 |
7 |
Левиха |
- |
6 |
7 |
Сарана |
- |
- |
6 |
|
Висим |
- |
6 |
7 |
Лесной |
- |
6 |
7 |
Сарапулка |
- |
- |
6 |
|
Висимо-Уткинск |
- |
6 |
7 |
Лобва |
- |
- |
6 |
Сарга |
- |
6 |
7 |
|
Волчанок |
- |
6* |
7* |
Лосиный |
- |
- |
6 |
Свободный |
- |
6 |
7 |
|
Воронцовка |
- |
- |
6 |
Малышева |
- |
- |
6 |
Северка |
- |
6 |
7 |
|
Горноуральский |
- |
6 |
7 |
Маминское |
- |
- |
6 |
Северный |
- |
6 |
7 |
|
Горный Щит |
- |
6 |
7 |
Марсяты |
- |
- |
6 |
Североуральск |
- |
6 |
7 |
|
Двуреченск |
- |
- |
6 |
Маслово |
- |
- |
6 |
Серов |
- |
- |
6 |
|
Дегтярск |
- |
6 |
7 |
Михайловск |
- |
- |
6 |
Синегорский |
- |
6 |
7 |
Продолжение таблицы
|
Наименование субъектов РФ и населенных пунктов |
Карты ОСР-2016 |
Наименование субъектов РФ и населенных пунктов |
Карты ОСР-2016 |
Наименование субъектов РФ и населенных пунктов |
Карты ОСР-2016 |
||||||
|
А |
В |
С |
А |
В |
С |
А |
В |
С |
|||
|
Сосновское |
- |
- |
6 |
Тугулым |
- |
- |
6 |
Черноисточинск |
- |
6 |
7 |
|
Среднеуральск |
- |
6 |
7 |
Туринск |
- |
- |
6 |
Шабровский |
- |
6 |
7 |
|
Старопышминск |
- |
6* |
7 |
Туринская Слобода |
- |
6 |
7* |
Шаля |
- |
6 |
7 |
|
Староуткинск |
- |
6 |
7 |
Уралец |
- |
6 |
7 |
Шамары |
- |
6 |
7 |
|
Сысерть |
- |
6 |
7 |
Уральский |
- |
- |
6 |
Широкая Речка |
- |
6 |
7 |
|
Таватуй |
- |
6 |
7 |
Уфимский |
- |
- |
6 |
Шувакиш |
- |
6 |
7 |
|
Тавда |
- |
- |
6 |
Филькино |
- |
- |
6 |
Щелкун |
- |
6 |
7 |
|
Третий Северный |
- |
6 |
7 |
Цементный |
- |
6 |
7 |
Юшала |
- |
- |
6 |
|
ТАМБОВСКАЯ ОБЛАСТЬ |
|||||||||||
|
Бондари |
- |
- |
6 |
Мичуринск |
- |
- |
6 |
Ржакса |
- |
- |
6 |
|
Гавриловка 2-я |
- |
- |
6 |
Мордова |
- |
- |
6 |
Сатинка |
- |
- |
6 |
|
Дмитриевка |
- |
- |
6 |
Мордово |
- |
- |
6 |
Сосновка |
- |
- |
6 |
|
Жердевка |
- |
- |
6 |
Моршанск |
- |
- |
6* |
Строитель |
- |
- |
6 |
|
Знаменка |
- |
- |
6 |
Мучкапский |
- |
- |
6 |
Тамбов |
- |
- |
6 |
|
Инжавино |
- |
- |
6 |
Новая ляда |
- |
- |
6 |
Токаревка |
- |
- |
6 |
|
Калинин |
- |
- |
6 |
Новопокровка |
- |
- |
6 |
Уварово |
- |
- |
6 |
|
Кирсанов |
- |
- |
6 |
Петровское |
- |
- |
6 |
Умет |
- |
- |
6 |
|
Котовск |
- |
- |
6 |
Пичаево |
- |
- |
6 |
|
|
|
|
|
Кузьмино-Гать |
- |
- |
6 |
Рассказово |
- |
- |
6 |
|
|
|
|
|
ТОМСКАЯ ОБЛАСТЬ |
|||||||||||
|
Аэропорт |
- |
- |
6 |
Кисловка |
- |
- |
6 |
Нелюбино |
- |
- |
6 |
|
Богашево |
- |
- |
6 |
Кожевникове |
- |
- |
6 |
Октябрьское |
- |
- |
6 |
|
Воронино |
- |
- |
6 |
Копылово |
- |
- |
6 |
Рассвет |
- |
- |
6 |
|
Вороново |
- |
- |
6 |
Красный Яр |
- |
- |
6* |
Самусь |
- |
- |
6 |
|
Зональная Станция |
- |
- |
6 |
Курлек |
- |
- |
6 |
Светлый |
- |
- |
6 |
|
Зоркальцево |
- |
- |
6 |
Лоскутово |
- |
- |
6 |
Северск |
- |
- |
6 |
|
Зырянское |
- |
- |
6* |
Лучаново |
- |
- |
6 |
Семилужки |
- |
- |
6 |
|
Итатка |
- |
- |
6 |
Малиновка |
- |
- |
6 |
Тимирязевское |
- |
- |
6 |
|
Калтай |
- |
- |
6 |
Мельниково |
- |
- |
6 |
Томск |
- |
- |
6 |
|
Кандинка |
- |
- |
6 |
Молодежный |
- |
- |
6 |
Турунтаево |
- |
- |
6 |
|
Кафтанчиково |
- |
- |
6 |
Моряковский Затон |
- |
- |
6 |
Черная Речка |
- |
- |
6 |
|
ТЮМЕНСКАЯ ОБЛАСТЬ |
|||||||||||
|
Абатское |
- |
6 |
7 |
Вагай |
- |
- |
6 |
Ишим |
- |
6 |
7 |
|
Андреевский |
- |
- |
6 |
Велижаны |
- |
6 |
7 |
Казанское |
- |
- |
6 |
|
Аромашево |
- |
6* |
6 |
Викулово |
- |
- |
6 |
Каменка |
- |
6* |
6 |
|
Бердюжье |
- |
- |
6 |
Винзили |
- |
- |
6 |
Каскара |
- |
6 |
7* |
|
Богандинский |
- |
- |
6 |
Голышманово |
- |
6 |
7 |
Киева |
- |
- |
6 |
|
Большие Ярки |
- |
- |
6 |
Горьковка |
- |
- |
6 |
Кулаково |
- |
6* |
6 |
|
Большое Сорокино |
- |
- |
6 |
Ембаево |
- |
6 |
6 |
Лебедевка |
- |
6* |
6 |
|
Борки |
- |
6 |
7 |
Заводоуковск |
- |
- |
6* |
Лесное |
- |
6 |
7 |
|
Боровский |
- |
- |
6 |
Иска |
- |
6 |
7 |
Луговое |
- |
6* |
6 |
Продолжение таблицы
|
Наименование субъектов РФ и населенных пунктов |
Карты ОСР-2016 |
Наименование субъектов РФ и населенных пунктов |
Карты ОСР-2016 |
Наименование субъектов РФ и населенных пунктов |
Карты ОСР-2016 |
||||||
|
А |
В |
С |
А |
В |
С |
А |
В |
С |
|||
|
Мальково |
- |
6 |
6 |
Омутинское |
- |
6* |
6 |
Стрехнино |
- |
6 |
7 |
|
Маслянский |
- |
6 |
7 |
Онохино |
- |
- |
6 |
Тоболово |
- |
6 |
7 |
|
Мелиораторов |
- |
6 |
6 |
Падун |
- |
- |
6 |
Тюмень |
- |
6* |
7* |
|
Мизоново |
- |
6 |
7 |
Патрушева |
- |
- |
6 |
Тюнево |
- |
6 |
7 |
|
Московский |
- |
- |
6 |
Перевалово |
- |
- |
6 |
Успенка |
- |
- |
6 |
|
Нариманова |
- |
6 |
7 |
Плешково |
- |
6 |
7 |
Ушакова |
- |
- |
6 |
|
Нижняя Тавда |
- |
6* |
6 |
Покровское |
- |
6 |
7 |
Червишево |
- |
- |
6 |
|
Новая Заимка |
- |
- |
6 |
Салаирка |
- |
6 |
7 |
Чикча |
- |
6 |
6 |
|
Новоселезнево |
- |
- |
6 |
Северо-Плетнево |
- |
6 |
7 |
Юргинское |
- |
6 |
7 |
|
Новотарманский |
- |
6 |
6 |
Ситниково |
- |
6* |
6 |
Ялуторовск |
- |
- |
6 |
|
Новый Тап |
- |
6 |
7 |
Сладково |
- |
- |
6 |
Яр |
- |
6 |
6 |
|
Октябрьский |
- |
6 |
7 |
Созоново |
- |
6 |
7 |
Ярково |
- |
6 |
7* |
|
ЧЕЛЯБИНСКАЯ ОБЛАСТЬ |
|||||||||||
|
Аргаяш |
- |
- |
7 |
Кундравы |
- |
6* |
7 |
Полетаево |
- |
- |
6 |
|
Багаряк |
- |
- |
6 |
Куса |
- |
- |
6 |
Рощино |
- |
- |
6 |
|
Бакал |
- |
- |
6 |
Кыштым |
- |
6 |
7 |
Сатка |
- |
- |
6 |
|
Бердяуш |
- |
- |
6 |
Ларино |
- |
- |
6 |
Снежинск |
- |
6 |
7 |
|
Бутаки |
- |
- |
6 |
Ленинск |
- |
6 |
7 |
Сулея |
- |
- |
6 |
|
Варламово |
- |
- |
6 |
Магнитка |
- |
6 |
7 |
Сыростан |
- |
6 |
7 |
|
Верхний Уфалей |
- |
6 |
7 |
Межевой |
- |
- |
6 |
Трехгорный 1-й |
- |
- |
6 |
|
Вишневогорск |
- |
6 |
7 |
Миасс |
- |
6 |
7 |
Тургояк |
- |
6 |
7 |
|
Демарино |
- |
- |
6 |
Мирный |
- |
- |
6 |
Тюбук |
- |
6* |
7 |
|
Долгодеревенское |
- |
- |
6 |
Нижний Уфалей |
- |
6 |
7 |
Уйское |
- |
- |
6 |
|
Златоуст |
- |
6* |
7 |
Новобурино |
- |
- |
6 |
Чебаркуль |
- |
6 |
7 |
|
Карабаш |
- |
6 |
7 |
Новогорный |
- |
6 |
7 |
Челябинск |
- |
- |
6* |
|
Касли |
- |
6 |
7 |
Нязепетровск |
- |
- |
7* |
Черемшанка |
- |
6 |
7 |
|
Коелга |
- |
- |
6 |
Озерск |
- |
6 |
7 |
Юрюзань |
- |
- |
6* |
|
Кунашак |
- |
- |
6 |
Первомайский |
- |
- |
6 |
|
|
|
|
|
АЛТАЙСКИЙ КРАЙ |
|||||||||||
|
10 лет Октября |
6 |
7 |
7 |
Алтай |
7 |
8 |
8 |
Баево |
6 |
6 |
7 |
|
12 лет Октября |
7 |
8 |
8 |
Алтайский |
8 |
8 |
9 |
Барановка |
7 |
8 |
8 |
|
Акимовка |
7 |
8 |
8 |
Алтайское |
8 |
8 |
9 |
Барнаул |
7 |
8 |
8 |
|
Акулово |
7 |
7 |
8 |
Ананьевка |
- |
- |
6 |
Бастан |
- |
- |
6 |
|
Акутиха |
7 |
8 |
8 |
Андроново |
6 |
7 |
8 |
Баталово |
6 |
7 |
7 |
|
Аламбай |
7 |
7 |
8 |
Анисимово |
7 |
7 |
8 |
Баюновские Ключи |
7 |
8 |
8 |
|
Алейск |
7 |
7 |
8 |
Антипино |
7 |
8 |
8 |
Безголосово |
7 |
7 |
8 |
|
Александровка (Локтевский р-н) |
7 |
8 |
8 |
Антоньевка |
8 |
8 |
9 |
Безрукавка |
7 |
7 |
8 |
|
Александровка (Суетский р-н) |
- |
6 |
6 |
Ануйское |
7 |
8 |
9 |
Белово |
6 |
7 |
7 |
|
Александровский |
7 |
8 |
8 |
Арбузовка |
7 |
7 |
8 |
Беловский |
7 |
8 |
8 |
|
Алексеевка |
8 |
8 |
9 |
Ащигуль |
- |
- |
6 |
Белоглазово |
7 |
8 |
8 |
|
Аллак |
7 |
8 |
8 |
Ая |
8 |
8 |
9 |
Белое (Алтайский р-н) |
8 |
8 |
9 |
Продолжение таблицы
|
Наименование субъектов РФ и населенных пунктов |
Карты ОСР-2016 |
Наименование субъектов РФ и населенных пунктов |
Карты ОСР-2016 |
Наименование субъектов РФ и населенных пунктов |
Карты ОСР-2016 |
||||||
|
А |
В |
С |
А |
В |
С |
А |
В |
С |
|||
|
Белое (Троицкий р-н) |
7 |
8 |
8 |
Буян |
7 |
7 |
8 |
Георгиевка (Ребрихинский р-н) |
6 |
6 |
7 |
|
Белокуриха |
8 |
8 |
9 |
Быково |
7 |
8 |
8 |
Гилевка |
6* |
6 |
6 |
|
Белояровка |
7 |
7 |
8 |
Быстрый Исток |
7 |
8 |
8 |
Гилёв-Лог |
- |
6 |
6 |
|
Белоярск |
7 |
8 |
8 |
Быстрянка |
7 |
8 |
9 |
Гилево |
7 |
8 |
8 |
|
Бельмесево |
7 |
8 |
8 |
Вавилон |
7 |
7 |
8 |
Глубокое |
- |
6 |
6 |
|
Береговое |
- |
6 |
6 |
Велижанка |
- |
6 |
6 |
Глушинка |
7 |
8 |
8 |
|
Березовка (Красногорский р-н) |
7 |
8 |
8 |
Верхнее Ануйское |
7 |
8 |
9 |
Глядень |
- |
- |
6 |
|
Березовка (Краснощековский р-н) |
7 |
8 |
9 |
Верхний Бехтемир |
7 |
7 |
8 |
Голуха |
7 |
7 |
8 |
|
Березовка (Первомайский р-н) |
7 |
8 |
8 |
Верхняя Бобровка |
7 |
8 |
8 |
Гонохово |
6 |
6 |
7 |
|
Березово |
7 |
7 |
8 |
Верхнее Жилино |
7 |
8 |
8 |
Гоношиха |
7 |
7 |
8 |
|
Березовский |
- |
6 |
7 |
Верх-Марушка |
7 |
7 |
8 |
Гордеевский |
7 |
8 |
8 |
|
Березовское |
- |
6 |
6 |
Верх-Неня |
7 |
7 |
8 |
Горновое |
7 |
8 |
8 |
|
Беспаловский |
7 |
8 |
8 |
Верх-Озерное |
7 |
8 |
8 |
Горняк |
7 |
8 |
8 |
|
Бешенцево |
7 |
8 |
8 |
Верх-Чуманка |
6 |
6 |
7 |
Горьковское |
7 |
7 |
8 |
|
Бийск |
7 |
8 |
8 |
Верх-Аллак |
7 |
7 |
8 |
Грановка |
- |
6 |
6 |
|
Благовещенка |
- |
- |
6 |
Верх-Ануйское |
7 |
8 |
9 |
Гришино |
7 |
8 |
8 |
|
Бобково |
7 |
7 |
8 |
Верх-Камышенка |
7 |
8 |
9 |
Грязново |
7 |
7 |
8 |
|
Бобровка |
7 |
8 |
8 |
Верх-Катунское |
7 |
8 |
8 |
Гуселетово |
6 |
6 |
7 |
|
Бол. калтай |
7 |
7 |
8 |
Верхний Кучук |
7 |
7 |
8 |
Дальний |
7 |
8 |
8 |
|
Бол. шелковка |
7 |
7 |
8 |
Верх-Обский |
7 |
8 |
8 |
Дегтярка |
- |
- |
6 |
|
Большепанюшево |
7 |
7 |
8 |
Верх-Пайва |
- |
6 |
7 |
Дектярка |
- |
- |
6 |
|
Борзовая Заимка |
7 |
8 |
8 |
Верх-Суетка |
- |
- |
6 |
Дмитро-Титово |
7 |
8 |
8 |
|
Борисово |
7 |
7 |
8 |
Веселоярск |
7 |
8 |
8 |
Долганка |
6 |
7 |
7 |
|
Борисовский |
- |
6 |
6 |
Ветреннотелеутское |
7 |
7 |
8 |
Долгово |
6 |
6 |
7 |
|
Бориха |
7 |
8 |
8 |
Вишневка |
7 |
8 |
8 |
Дружба |
7 |
7 |
8 |
|
Боровиха |
7 |
8 |
8 |
Власиха |
7 |
8 |
8 |
Думчево |
7 |
7 |
8 |
|
Боровлянка |
7 |
8 |
8 |
Воеводское |
7 |
8 |
8 |
Екатерининское |
7 |
8 |
8 |
|
Боровое |
7 |
7 |
8 |
Вознесенка |
- |
6 |
6 |
Еланда |
7 |
8 |
8 |
|
Боровское |
6 |
6 |
7 |
Володарка |
7 |
8 |
8 |
Елбанка |
7 |
8 |
9 |
|
Боронский |
- |
- |
6 |
Волчиха |
- |
6 |
6 |
Елунино |
7 |
8 |
8 |
|
Бор-Форпост |
- |
6 |
6 |
Волчно-Бурлинское |
6 |
6 |
7 |
Ельцовка |
7 |
7 |
8 |
|
Бочкари |
7 |
7 |
8 |
Ворониха |
6 |
6 |
7 |
Енисейское |
7 |
8 |
8 |
|
Брусенцово |
7 |
8 |
8 |
Воскресенка |
7 |
7 |
8 |
Ермачиха |
6 |
6 |
7 |
|
Бугрышиха |
7 |
8 |
9 |
Вострово |
- |
6 |
6 |
Ермошиха |
7 |
8 |
8 |
|
Буканское |
6 |
6 |
7 |
Вылково |
6 |
6 |
7 |
Жилино |
7 |
8 |
8 |
|
Буланиха |
7 |
8 |
8 |
Высокая Грива |
6 |
6 |
7 |
Жуланиха |
7 |
7 |
8 |
|
Бурановка |
7 |
7 |
8 |
Вяткино |
7 |
8 |
8 |
Журавлиха |
7 |
7 |
8 |
|
Бураново |
7 |
8 |
8 |
Георгиевка (Локтевский р-н) |
7 |
8 |
8 |
Заветы Ильича |
7 |
7 |
8 |
Продолжение таблицы
|
Наименование субъектов РФ и населенных пунктов |
Карты ОСР-2016 |
Наименование субъектов РФ и населенных пунктов |
Карты ОСР-2016 |
Наименование субъектов РФ и населенных пунктов |
Карты ОСР-2016 |
||||||
|
А |
В |
С |
А |
В |
С |
А |
В |
С |
|||
|
Заводское |
7 |
8 |
8 |
Казанцево |
7 |
8 |
8 |
Коробейниково |
7 |
8 |
9 |
|
Заводской |
7 |
7 |
8 |
Каип |
- |
- |
6 |
Коротояк |
- |
- |
6 |
|
Завьялово |
- |
6 |
6 |
Калманка |
7 |
8 |
8 |
Корчино |
6 |
6 |
7 |
|
Зайцево |
7 |
8 |
8 |
Калмыцкие Мысы |
7 |
8 |
8 |
Косиха |
7 |
8 |
8 |
|
Закладное |
- |
6 |
6 |
Камень-на-Оби |
7 |
8* |
8 |
Костин Лог |
6 |
6 |
7 |
|
Заковряшино |
7 |
7 |
8 |
Камышенка |
8 |
8 |
9 |
Кочки |
- |
6 |
6 |
|
Залесово |
7 |
7 |
8 |
Карабинка |
7 |
7 |
8 |
Красногорское |
7 |
8 |
8 |
|
Заречное |
7 |
8 |
8 |
Карамышево |
7 |
8 |
8 |
Краснодарское |
7 |
8 |
9 |
|
Заринск |
7 |
7 |
8 |
Каркавино |
7 |
8 |
8 |
Краснознаменка |
7 |
8 |
8 |
|
Заря |
7 |
8 |
8 |
Карповка |
6 |
7 |
7 |
Краснознаменский |
7 |
8 |
8 |
|
Затон |
7 |
8 |
8 |
Карпово Второе |
7 |
8 |
8 |
Краснощеково |
7 |
8 |
8 |
|
Зеленая Дубрава |
7 |
7 |
8 |
Кашино |
7 |
7 |
8 |
Красноярка (Топчихинский р-н) |
7 |
8 |
8 |
|
Зеленая Поляна |
- |
- |
6 |
Кашкарагаиха |
7 |
8 |
8 |
Красноярка (Усть-Пристанский р-н) |
7 |
8 |
9 |
|
Зеленая Роща |
7 |
7 |
8 |
Каяушка |
- |
- |
6 |
Красноярское |
7 |
7 |
8 |
|
Зеленый Дол |
7 |
8 |
9 |
Киприно |
7 |
8 |
8 |
Краснояры |
7 |
8 |
8 |
|
Зеленый Луг |
- |
- |
6 |
Кировский (Локтевский р-н) |
7 |
8 |
8 |
Красный Яр (Советский р-н) |
7 |
8 |
8 |
|
Зеркалы |
6 |
6 |
7 |
Кировский (Смоленский р-н) |
7 |
8 |
9 |
Красный Яр (Шипуновский р-н) |
7 |
7 |
8 |
|
Зимари |
7 |
8 |
8 |
Кировский (Топчихинский р-н) |
7 |
8 |
8 |
Крестьянка |
6 |
6 |
7 |
|
Зимино |
7 |
7 |
8 |
Кировское |
7 |
7 |
8 |
Кривое |
- |
6 |
6 |
|
Змеиногорск |
7 |
8 |
8 |
Клепечиха |
6 |
7 |
7 |
Круглое |
7 |
7 |
8 |
|
Знаменка |
- |
- |
6 |
Клепиково |
7 |
8 |
8 |
Кругло-Семенцы |
7 |
7 |
8 |
|
Золотуха |
7 |
8 |
8 |
Клочки |
7 |
7 |
8 |
Крутиха |
7 |
7 |
8 |
|
Зональное |
7 |
8 |
8 |
Ключи |
- |
- |
6 |
Крутишка |
7 |
7 |
8 |
|
Зудилово |
7 |
8 |
8 |
Кокши |
7 |
8 |
8 |
Кубанка |
7 |
8 |
8 |
|
Зятькова Речка |
- |
- |
6 |
Колово |
8 |
8 |
9 |
Кузнецово |
7 |
8 |
8 |
|
Зятьково |
6 |
6 |
7 |
Колыванское |
7 |
7 |
8 |
Кузнечиха |
7 |
8 |
9 |
|
Ивановка |
7 |
8 |
8 |
Колывань |
7 |
8 |
8 |
Кузьминка |
7 |
8 |
8 |
|
Ильинка (Шелаболихинский р-н) |
7 |
7 |
8 |
Комариха |
7 |
8 |
9 |
Куйбышево (Краснощёковский р-н) |
7 |
8 |
8 |
|
Ильинка (Шипуновский р-н) |
7 |
8 |
8 |
Комарская |
7 |
7 |
8 |
Куйбышево (Угловский р-н) |
7 |
7 |
8 |
|
Имени Владимира Ильича |
- |
- |
6 |
Коминтерн |
- |
- |
6 |
Курочкино |
7 |
8 |
8 |
|
Имени Мамонтова |
7 |
7 |
8 |
Комсомольский (Мамонтовский р-н) |
6 |
6 |
7 |
Курья |
7 |
8 |
8 |
|
Иня |
7 |
8 |
8 |
Комсомольский (Павловский р-н) |
7 |
8 |
8 |
Кучук |
7 |
8* |
8 |
|
Кабаково |
7 |
7 |
8 |
Контошино |
7 |
8 |
8 |
Куяган |
8 |
8 |
9 |
|
Кабаново |
7 |
8 |
9 |
Корболиха |
7 |
8 |
8 |
Куяча |
8 |
8 |
9 |
|
Кадниково |
6 |
6 |
7 |
Корнилово |
7 |
7 |
8 |
Кытманово |
7 |
8 |
8 |
Продолжение таблицы
|
Наименование субъектов РФ и населенных пунктов |
Карты ОСР-2016 |
Наименование субъектов РФ и населенных пунктов |
Карты ОСР-2016 |
Наименование субъектов РФ и населенных пунктов |
Карты ОСР-2016 |
||||||
|
А |
В |
С |
А |
В |
С |
А |
В |
С |
|||
|
Лазурка |
7 |
8 |
8 |
Малоенисейское |
7 |
8 |
8 |
Нижняя Ненинка |
7 |
7 |
8 |
|
Лаптев лог |
7 |
7 |
8 |
Малый Бащелак |
7 |
8 |
9 |
Нижняя Суетка |
- |
- |
6 |
|
Ларичиха |
7 |
8 |
8 |
Малышев Лог |
6 |
6 |
7* |
Николаевка (Михайловский р-н) |
- |
- |
6 |
|
Лебедино |
- |
- |
6 |
Мамонтово |
6 |
6 |
7 |
Николаевка (Поспелихинский р-н) |
7 |
8 |
8 |
|
Лебяжье (гор. округ Барнаул) |
7 |
8 |
8 |
Маралиха (Краснощековский р-н) |
7 |
8 |
8 |
Никольск |
7 |
8 |
8 |
|
Лебяжье (Егорьевский р-н) |
6 |
7 |
7 |
Маралиха (Чарышский р-н) |
7 |
8 |
9 |
Нов. чемровка |
7 |
8 |
8 |
|
Лебяжье (Павловский р-н) |
7 |
7 |
8 |
Марковка |
- |
- |
6 |
Новая Чемровка |
7 |
8 |
8 |
|
Леньки |
- |
- |
6 |
Мартовка |
- |
- |
6 |
Новенское |
7 |
8 |
8 |
|
Лесное |
7 |
8 |
8 |
Мартыново |
7 |
7 |
8 |
Новиково |
7 |
7 |
8 |
|
Линевский |
7 |
8 |
8 |
Марушка |
7 |
8 |
8 |
Новичиха |
6 |
6 |
7 |
|
Листвянка |
7 |
8 |
8 |
Масальский |
7 |
8 |
8 |
Новоалейское |
7 |
8 |
8 |
|
Лобаниха |
6 |
7 |
7 |
Маяк |
7 |
8 |
9 |
Новоалександровка |
7 |
8 |
8 |
|
Логовское |
7 |
8 |
8 |
Мезенцево |
7 |
7 |
8 |
Новоалтайск |
7 |
8 |
8 |
|
Ложкино |
7 |
8 |
8 |
Мельниково |
6 |
6 |
7 |
Новобураново |
7 |
8 |
9 |
|
Локоть |
7 |
8 |
8 |
Мирный (Зональный р-н) |
7 |
8 |
8 |
Нововознесенка |
- |
- |
6 |
|
Лосиха |
7 |
8 |
8 |
Мирный (Родинский р-н) |
- |
- |
6 |
Новодраченино |
7 |
7 |
8 |
|
Луговое (Каменский р-н) |
7 |
7 |
8 |
Михайловка |
8 |
8 |
9 |
Новоегорьевское |
6 |
7* |
7 |
|
Луговое (Тальменский р-н) |
7 |
8 |
8 |
Михайловское |
- |
6* |
6 |
Новоеловка |
7 |
8 |
8 |
|
Луговское |
7 |
8 |
8 |
Мичурино |
- |
- |
6 |
Новозыково |
7 |
8 |
9 |
|
Луковка |
- |
6 |
7 |
Мормыши |
6 |
6 |
7 |
Новозыряново |
7 |
7 |
8 |
|
Лютаево |
8 |
8 |
9 |
Моховское |
7* |
7 |
8* |
Новоивановка |
6 |
7 |
7 |
|
Макарово |
7 |
7 |
8 |
Налобиха |
7 |
8 |
8 |
Новоильинка |
- |
- |
6 |
|
Макарьевка (Алтайский р-н) |
8 |
8 |
9 |
Наумовка |
7 |
7 |
8 |
Новоиушино |
7 |
8 |
8 |
|
Макарьевка (Красногорский р-н) |
7 |
7 |
8 |
Научный Городок |
7 |
8 |
8 |
Новокалманка |
7 |
8 |
9 |
|
Макарьевка (Топчихинский р-н) |
7 |
7 |
8 |
Ненинка |
7 |
7 |
8 |
Новокаменка |
7 |
7 |
8 |
|
Малый Башелак |
7 |
8 |
9 |
Нечунаево |
7 |
7 |
8 |
Новокопылово |
7 |
8 |
8 |
|
Малые Бутырки |
6 |
6 |
7 |
Нижняя Суетка |
- |
- |
6 |
Новокормиха |
- |
- |
6 |
|
Малая Шелковка |
7 |
7 |
8 |
Нижнекаменка |
8 |
8 |
9 |
Новомоношкино |
7 |
8 |
8 |
|
Малахово |
7 |
8 |
8 |
Нижнеозерное |
7 |
8 |
9 |
Новониколаевка |
7 |
8 |
8 |
|
Малиновка |
6 |
7 |
7 |
Нижнепайва |
- |
6 |
7 |
Новообинка |
7 |
8 |
9 |
|
Малиновое Озеро |
- |
6 |
6 |
Нижнечуманка |
6 |
6 |
7 |
Новообинцево |
7 |
8 |
8 |
|
Малиновский |
- |
6 |
6 |
Нижний Кучук |
- |
- |
6 |
Новоперуново |
7 |
7 |
8 |
|
Маловолчанка |
6 |
7 |
7 |
Нижняя Гусиха |
7 |
8 |
9 |
Новопокровка |
7 |
8 |
9 |
Продолжение таблицы
|
Наименование субъектов РФ и населенных пунктов |
Карты ОСР-2016 |
Наименование субъектов РФ и населенных пунктов |
Карты ОСР-2016 |
Наименование субъектов РФ и населенных пунктов |
Карты ОСР-2016 |
||||||
|
А |
В |
С |
А |
В |
С |
А |
В |
С |
|||
|
Новоромановка |
7 |
8 |
8 |
Паутово |
7 |
8 |
9 |
Половинкино |
7 |
8 |
8 |
|
Новороманово |
7 |
8 |
8 |
Первокаменка |
7 |
8 |
8 |
Поломошное |
6 |
6 |
7 |
|
Новосиликатный |
7 |
8 |
8 |
Первомайский (Мамонтовский р-н) |
6 |
6 |
7 |
Полуямки |
- |
- |
6 |
|
Новосклюиха |
7 |
7 |
8 |
Первомайский (Третьяковский р-н) |
7 |
8 |
8 |
Пономарево |
7 |
8 |
9 |
|
Новотроицк |
7 |
7 |
8 |
Первомайский (Шипуновский р-н) |
7 |
7 |
8 |
Поперечное |
7* |
7 |
8 |
|
Новотырышкино |
8 |
8 |
9 |
Первомайское (Бийский р-н) |
7 |
8 |
8 |
Порожнее |
6 |
7 |
7 |
|
Новофирсово |
7 |
8 |
8 |
Первомайское (Первомайский р-н) |
7 |
8 |
8 |
Порошино |
7 |
8 |
8 |
|
Новошипуново |
7 |
8 |
9 |
Переясловка |
7 |
7 |
8 |
Поспелиха |
7 |
7 |
8 |
|
Новоярки |
7 |
7 |
8 |
Петровка |
7 |
8 |
8 |
Поспелихинский |
7 |
7 |
8 |
|
Новые Зори |
7 |
8 |
8 |
Петропавловское |
8* |
8 |
9 |
Правда |
- |
6 |
6 |
|
Овечкино |
6 |
6 |
7 |
Петрушиха |
7 |
8 |
8 |
Пригородный |
7 |
8 |
8 |
|
Овсянниково |
7 |
7 |
8 |
Петухи |
- |
- |
6 |
Приозерный |
7 |
8 |
9 |
|
Огни |
8 |
8 |
9 |
Пещерка |
7 |
7 |
8 |
Пролетарка |
8 |
8 |
9 |
|
Озерки |
7 |
8 |
8 |
Плесо-Курья |
- |
- |
6 |
Прослауха |
6 |
7 |
7 |
|
Озерно-Кузнецово |
6 |
6 |
7 |
Плешково |
7 |
8 |
8 |
Протасово |
- |
- |
6 |
|
Озерно-Кузнецовский лесхоз |
6 |
6 |
7 |
Плоское |
7 |
8 |
8 |
Прутской |
7 |
8 |
8 |
|
Озимая |
7 |
7 |
8 |
Плоскосеминский |
7 |
7 |
8 |
Прыганка |
6 |
7 |
7 |
|
Октябрьский (Змеиногорский р-н) |
7 |
8 |
8 |
Плотава (Алейский р-н) |
7 |
8 |
8 |
Пуштулим |
7 |
7 |
8 |
|
Октябрьский (Зональный р-н) |
7 |
8 |
8 |
Плотава (Баевский р-н) |
6 |
7 |
7 |
Пятков Лог |
" |
" |
6 |
|
Октябрьский (Кытмановский р-н) |
7 |
8 |
8 |
Плотинная |
7 |
8 |
8 |
Раздольное |
- |
- |
6 |
|
Омутское |
7 |
8 |
8 |
Плотниково |
7 |
8 |
8 |
Разумовка |
- |
- |
6 |
|
Орлеан |
- |
- |
6 |
Победим |
7 |
7 |
8 |
Ракиты (Михайловский р-н) |
- |
6 |
6 |
|
Орлово |
- |
- |
6 |
Повалиха |
7 |
8 |
8 |
Ракиты (Рубцовский р-н) |
7 |
7 |
8 |
|
Осколково |
7 |
8 |
8 |
Подборный |
7 |
7 |
8 |
Рассказиха |
7 |
8 |
8 |
|
Островное |
6 |
6 |
7 |
Подойниково |
6 |
6 |
7 |
Ребриха |
7* |
7 |
8 |
|
Отрадное |
7 |
8 |
8 |
Подстепное |
6 |
6 |
7 |
Речкуново |
7 |
8 |
8 |
|
Павловка |
6 |
6 |
7 |
Покровка (Мамонтовский р-н) |
6 |
6 |
7 |
Рогозиха |
7 |
7 |
8 |
|
Павловск |
7 |
8* |
8 |
Покровка (Родинский р-н) |
- |
- |
6 |
Родино (Родинский р-н) |
- |
- |
6 |
|
Паклино |
6 |
6 |
7 |
Покровска |
7 |
8 |
8 |
Родино (Шипуновский р-н) |
6 |
7 |
7 |
|
Панкрушиха |
6 |
6 |
7 |
Полевое |
- |
- |
6 |
Рожнев Лог |
6 |
7 |
7 |
|
Паново |
6 |
7* |
7 |
Полевой |
- |
- |
6 |
Романово |
6 |
6 |
6 |
|
Парфеново |
7 |
7 |
8 |
Полковниково |
7 |
8 |
8 |
Россоши |
8 |
8 |
9 |
Продолжение таблицы
|
Наименование субъектов РФ и населенных пунктов |
Карты ОСР-2016 |
Наименование субъектов РФ и населенных пунктов |
Карты ОСР-2016 |
Наименование субъектов РФ и населенных пунктов |
Карты ОСР-2016 |
||||||
|
А |
В |
С |
А |
В |
С |
А |
В |
С |
|||
|
Рубцовск |
7 |
8* |
8 |
Советское |
7 |
8 |
9 |
Титовка |
6 |
6 |
7 |
|
Рыбное |
7 |
8* |
8 |
Совхозный |
7 |
8 |
8 |
Тишинка |
7 |
7 |
8 |
|
Саввушка |
7 |
8 |
8 |
Соколово |
7 |
8 |
8 |
Тогул |
7 |
8 |
8 |
|
Савинка |
7 |
7 |
8 |
Солдатово |
7 |
8 |
9 |
Токарево |
6 |
6 |
7 |
|
Садоводов |
7 |
8 |
8 |
Солонешное |
8 |
8 |
9 |
Толстая Дубрава |
7 |
8 |
9 |
|
Садовый |
7 |
8 |
8 |
Солоновка |
8 |
8 |
9 |
Толстовский |
7 |
7 |
8 |
|
Сайдып |
7 |
7 |
8 |
Солтон |
7 |
7 |
8 |
Топольное |
8 |
8 |
9 |
|
Самарка (Локтевский р-н) |
7 |
8 |
8 |
Сорокино |
7 |
8 |
8 |
Топчиха |
7 |
7 |
8 |
|
Самарка (Рубцовский р-н) |
7 |
8 |
8 |
Сорочий Лог |
7 |
8 |
8 |
Точильное |
8 |
8 |
9 |
|
Самсоново |
7 |
8 |
9 |
Сосновка |
7 |
7 |
8 |
Третьякове |
7 |
8 |
8 |
|
Санниково |
7 |
8 |
8 |
Сосновый Лог |
7 |
8 |
8 |
Троицкое |
7 |
8 |
8 |
|
Сараса |
8 |
8 |
9 |
Соусканиха |
7 |
7 |
8 |
Трусово |
7 |
8 |
8 |
|
Саратовка |
7 |
8 |
8 |
Среднесибирский |
7 |
8 |
8 |
Тугозвоново |
7 |
8 |
9* |
|
Свердлово |
- |
- |
6 |
Сростки |
7 |
8 |
8 |
Тулата |
8 |
8 |
9 |
|
Свердловское |
- |
- |
6 |
Сросты |
6 |
6 |
7 |
Туманово |
8 |
8 |
9 |
|
Светлоозерское |
7 |
8 |
8 |
Стан-Бехтемир |
7 |
8 |
8 |
Тумановский |
- |
6 |
6 |
|
Светлый |
6 |
6 |
7 |
Староалейское |
7 |
8 |
8 |
Тундриха |
7 |
7 |
8 |
|
Северка |
- |
- |
6 |
Старобелокуриха |
8 |
8 |
9 |
Тюменцево |
7 |
7 |
8 |
|
Северное |
7 |
7 |
8 |
Стародраченино |
7 |
7 |
8 |
Тягун |
7 |
8* |
8 |
|
Северный |
7 |
7 |
8 |
Староперуново |
7 |
8 |
8 |
Тяхта |
7 |
8 |
8 |
|
Селиверстово |
6 |
6 |
6 |
Старый Тогул |
7 |
8 |
8 |
Угловское |
6 |
6 |
7 |
|
Семеновка |
- |
- |
6 |
Степное |
- |
- |
6 |
Украинка |
6 |
6 |
7 |
|
Семено-Красилово |
7 |
8 |
8 |
Степное Озеро |
- |
- |
6 |
Уксунай |
7 |
8 |
8 |
|
Сентелек |
8 |
8 |
9 |
Степной Кучук |
- |
- |
6 |
Урлапово |
6 |
6 |
7 |
|
Сетовка |
7 |
8 |
9 |
Столбово |
7 |
7 |
8 |
Урожайное |
7 |
8 |
9* |
|
Сибирские Огни |
7 |
8 |
8 |
Стуково |
7 |
8 |
8 |
Урываево |
- |
- |
6 |
|
Сибирский (ЗАТО Сибирский) |
7 |
8 |
8 |
Суворовка |
- |
- |
6 |
Урывки |
6 |
6 |
7 |
|
Сибирский (Первомайский р-н) |
7 |
8 |
8 |
Суетка |
7 |
8 |
8 |
Урюпино |
7 |
7 |
8 |
|
Сибирячиха |
8 |
8 |
9 |
Сузоп |
7 |
7 |
8 |
Успенка |
7 |
8 |
8 |
|
Сидоровка |
- |
6 |
6 |
Сунгай |
7 |
8 |
8 |
Усть-Алейка |
7 |
8 |
8 |
|
Симоново |
6 |
6 |
7 |
Суслово |
6 |
6 |
7 |
Усть-Ануй |
7 |
8 |
8 |
|
Ситниково |
6 |
6 |
7 |
Сухая Чемровка |
7 |
8 |
8 |
Усть-Белое |
7 |
8 |
8 |
|
Слюдянка |
8 |
8 |
9 |
Сычевка |
8 |
8 |
9 |
Усть-Волчиха |
- |
6 |
6 |
|
Смазнево |
7 |
7 |
8 |
Талица |
7 |
8 |
8 |
Усть-Гавриловка |
7 |
8 |
8 |
|
Смирново |
7 |
7 |
8 |
Таловка |
7 |
8 |
8 |
Усть-Иша |
7 |
8 |
9 |
|
Смоленское |
7 |
8 |
9 |
Тальменка |
7 |
8* |
8 |
Усть-Калманка |
7 |
8 |
9 |
|
Советский Путь |
7 |
8 |
8 |
Тамбовский |
- |
6 |
6 |
Усть-Камышенка |
7 |
8 |
9 |
Продолжение таблицы
|
Наименование субъектов РФ и населенных пунктов |
Карты ОСР-2016 |
Наименование субъектов РФ и населенных пунктов |
Карты ОСР-2016 |
Наименование субъектов РФ и населенных пунктов |
Карты ОСР-2016 |
||||||
|
А |
В |
С |
А |
В |
С |
А |
В |
С |
|||
|
Усть-Козлуха |
7 |
8 |
9 |
Центральный |
7 |
8 |
8 |
Шахи |
7 |
8 |
8 |
|
Усть-Мосиха |
7 |
7 |
8 |
Чарышское (Усть-Калманский р-н) |
7 |
8 |
9 |
Шебалино |
7 |
7 |
8 |
|
Усть-Порозиха |
7 |
8 |
9 |
Чарышское (Чарышский р-н) |
8* |
8 |
9 |
Шелаболиха |
7 |
8* |
8 |
|
Усть-Пустынка |
7 |
8 |
9 |
Чаузово |
7 |
8 |
8 |
Шилово |
7 |
7 |
8 |
|
Усть-Таловка |
7 |
8 |
8 |
Чеканиха |
7 |
8 |
9 |
Шимолино |
- |
- |
6 |
|
Усть-Чарышская Пристань |
7 |
8 |
9* |
Черемное |
7 |
8* |
8 |
Шипуниха |
7 |
8 |
8 |
|
Усятское |
7 |
8 |
8 |
Черемушкино |
7 |
7 |
8 |
Шипуново |
7 |
7 |
8 |
|
Утянка |
- |
- |
6 |
Черемшанка (Ельцовский р-н) |
7 |
7 |
8 |
Шишкино |
7 |
8 |
8 |
|
Факел Социализма |
7 |
7 |
8 |
Черемшанка (Тюменцевский р-н) |
6 |
7 |
7 |
Шпагино |
7 |
8 |
8 |
|
Фоминское |
7 |
8 |
8 |
Черкасово |
7 |
8 |
8 |
Шубенка |
7 |
8 |
8 |
|
Фунтики |
7 |
7 |
8 |
Чернавка |
- |
6 |
6 |
Шубинка |
6 |
7 |
8 |
|
Хабазино |
7 |
8 |
8 |
Черная Курья |
6 |
6 |
7 |
Шульгин Лог |
7 |
8 |
9 |
|
Хабары |
- |
- |
6 |
Черновая |
8 |
8 |
9 |
Шульгинка |
7 |
8 |
8 |
|
Хайрюзовка |
7 |
8 |
8 |
Чинета |
7 |
8 |
9 |
Шумилиха |
6 |
7 |
7 |
|
Харитоново |
6 |
6 |
7 |
Чистоозерка |
- |
6 |
6 |
Шумиха |
7 |
8 |
8 |
|
Харлово |
7 |
8 |
8 |
Чистюнька |
7 |
8* |
8 |
Юдихи |
7 |
7 |
8 |
|
Хлебороб |
7 |
7 |
8 |
Шадрино |
7 |
8 |
8 |
Южный |
7 |
8 |
8 |
|
Хпопуново |
7 |
7 |
8 |
Шадринцево |
7 |
7 |
8 |
Яготино |
- |
- |
6 |
|
Хмелевка |
7 |
7 |
8 |
Шадруха |
6 |
6 |
7 |
Яново |
7 |
7 |
8 |
|
Хомутино |
7 |
8 |
8 |
Шалап |
7 |
7 |
8 |
Ярославцев Лог |
- |
- |
6 |
|
Целинное |
7 |
8 |
8 |
Шарчино |
6 |
7 |
7 |
Ясная Поляна |
7 |
7 |
8 |
|
Целинный |
- |
- |
6 |
Шаталовка |
- |
- |
6 |
|
|
|
|
|
Центральное |
- |
6 |
6 |
Шатуново |
7 |
7 |
8 |
|
|
|
|
|
ЗАБАЙКАЛЬСКИЙ КРАЙ |
|||||||||||
|
Абагайтуй |
- |
6 |
7 |
Алия |
7 |
8 |
9 |
Архангельское |
7 |
8 |
9 |
|
Ага |
7* |
7 |
8 |
Алтан |
6 |
6 |
7 |
Атамановка |
7 |
8 |
9 |
|
Ага-Хангил |
6 |
7 |
8 |
Алханай |
6 |
7* |
7 |
Бада |
7 |
8 |
9 |
|
Агинское |
6 |
7 |
8 |
Альбитуй |
7 |
8 |
9 |
Байгул |
7 |
7 |
8 |
|
Адриановка |
7* |
7 |
8 |
Амазар |
7 |
7 |
8 |
Байхор |
7 |
8 |
9 |
|
Аксеново-Зиловское |
6 |
7 |
7 |
Амитхаша |
6 |
7 |
8 |
Балей |
7 |
7 |
8 |
|
Акурай |
6 |
6 |
7 |
Арахлей |
7 |
8 |
8 |
Бальзино |
6 |
7 |
7 |
|
Акша |
6 |
6 |
7 |
Арбагар |
7 |
8 |
9 |
Бальзой |
7 |
8 |
9 |
|
Александровка |
7 |
7 |
8 |
Аргунск |
- |
6 |
7 |
Баляга |
8 |
8 |
9 |
|
Александровский Завод |
6 |
6 |
7 |
Аренда |
7 |
7 |
8 |
Баляга-Катангар |
8 |
8 |
9 |
|
Алеур |
7 |
7 |
8 |
Арта |
7 |
8 |
9 |
Батакан |
6 |
7 |
8 |
Продолжение таблицы
|
Наименование субъектов РФ и населенных пунктов |
Карты ОСР-2016 |
Наименование субъектов РФ и населенных пунктов |
Карты ОСР-2016 |
Наименование субъектов РФ и населенных пунктов |
Карты ОСР-2016 |
||||||
|
А |
В |
С |
А |
В |
С |
А |
В |
С |
|||
|
Безречная |
6 |
6 |
7 |
Верх-Чита |
7 |
8 |
9 |
Захарово |
7 |
8 |
9 |
|
Беклемишево |
7 |
8 |
8 |
Вершино-Дарасунский |
6 |
7 |
8 |
Зеленое Озеро |
6 |
7 |
7 |
|
Биликтуй |
6 |
6 |
7 |
Вершино-Шахтаминский |
6 |
6 |
7 |
Зерен |
6 |
6 |
7 |
|
Билитуй |
- |
6 |
7 |
Гавань |
6 |
6 |
7 |
Знаменка |
7 |
7 |
8 |
|
Билютуй |
6 |
6 |
7 |
Газимурский Завод |
6 |
7* |
7 |
Золотореченск |
6 |
7 |
7 |
|
Бищигино |
7 |
8 |
9 |
Галкино |
7 |
7 |
8 |
Зоргол |
- |
6 |
7 |
|
Богдановка |
- |
6 |
7 |
Гаур |
7 |
7 |
8 |
Зугалай |
7 |
7 |
9* |
|
Богомягково |
7 |
7 |
8 |
Георгиевка |
6 |
6 |
7 |
Зугмара |
8 |
8 |
9 |
|
Большая Речка |
7 |
8 |
9 |
Глинка |
7 |
8 |
9 |
Зуткулей |
6 |
6 |
7 |
|
Большая Тура |
7 |
7 |
8 |
Глинянка |
7 |
7 |
8 |
Зюльзя |
6 |
7 |
8 |
|
Большие Боты |
7 |
7 |
9 |
Горбуновка |
- |
6 |
7 |
Икабья |
8 |
9 |
> 9 |
|
Большой Зерентуй |
6 |
6 |
7 |
Горекацан |
7 |
8 |
9 |
Икшица |
7 |
7 |
8 |
|
Боржигантай |
7 |
7 |
8 |
Горный |
7 |
8 |
9 |
Илим |
7 |
7 |
8 |
|
Борзя |
6 |
6 |
7 |
Горный Зерентуй |
- |
6 |
7 |
Иля |
6 |
7 |
7 |
|
Бохто |
6 |
6 |
7 |
Гуля |
7 |
7 |
8 |
Ингода |
7 |
8 |
9 |
|
Брусиловка |
- |
6 |
7 |
Гунэй |
6 |
6 |
7 |
Итака |
6 |
7 |
7 |
|
Будулан |
6 |
6 |
7 |
Давенда |
6 |
7 |
7 |
Кадахта |
7 |
7 |
8 |
|
Буйлэсан |
6 |
6 |
7 |
Дарасун |
7 |
7 |
8 |
Кадая |
- |
6 |
7 |
|
Букачача |
6 |
7 |
7 |
Даурия |
- |
6 |
7 |
Казаковский промысел |
7 |
7 |
8 |
|
Булдуруй 1-й |
- |
6 |
7 |
Долгокыча |
6 |
7 |
7 |
Казаново |
7 |
8 |
9 |
|
Булум |
6 |
6 |
7 |
Домна |
7 |
8 |
9 |
Кайдалово |
7 |
7 |
8 |
|
Бура |
- |
6 |
7 |
Доно |
6 |
6 |
7 |
Кайластуй |
- |
6 |
7 |
|
Бурукан |
6 |
7 |
8 |
Доронинское |
7 |
8 |
9 |
Кактолга |
6 |
6 |
7 |
|
Бурулятуй |
6 |
7 |
8 |
Досатуй |
- |
6 |
7 |
Калангуй |
6 |
7 |
7 |
|
Бутунтай |
- |
6 |
7 |
Дровяная |
7 |
8 |
9 |
Калга |
- |
6 |
7 |
|
Бухта |
6 |
7 |
7 |
Дульдурга |
6 |
6 |
7 |
Калинино |
7 |
8 |
9 |
|
Бушулей |
6 |
7 |
8 |
Дунаево |
7 |
8 |
9 |
Капцегайтуй |
- |
6 |
7 |
|
Бырка |
- |
6 |
7 |
Дурбачи |
- |
6 |
7 |
Карымское |
7 |
7 |
8 |
|
Бытэв |
6 |
6 |
7 |
Дурой |
- |
6 |
7 |
Катаево |
8 |
8 |
9 |
|
Васильевский хутор |
- |
6 |
7 |
Единение |
6 |
7 |
8 |
Катангар |
8 |
8 |
9 |
|
Верхние Куларки |
6 |
7 |
7 |
Елизаветино |
7 |
7 |
8 |
Кличка |
- |
6 |
7 |
|
Верхний Ульхун |
6 |
6 |
7 |
Жидка |
7 |
7 |
8 |
Ключевский |
6 |
7 |
7 |
|
Верхний Пасучей |
6 |
6 |
7 |
Жимбира |
7 |
7 |
8 |
Ключевское |
6 |
6 |
7 |
|
Верхний Шаранай |
6 |
7 |
8 |
Жиндо 1-е |
7 |
8 |
9 |
Ковыли |
- |
6 |
7 |
|
Верхний Шергольджин |
7 |
8 |
9 |
Жипхеген |
7 |
8 |
9* |
Козлово |
6 |
6 |
7 |
|
Верхний Калгукан |
- |
6 |
7 |
Жирекен |
6 |
7 |
8 |
Кокуй |
7 |
8 |
9 |
|
Верхний Ульхун |
6 |
6 |
7 |
Забайкальск |
- |
6 |
7 |
Кокуй 1-й |
6 |
6 |
7 |
|
Верхняя Куэнга |
7 |
8 |
9 |
Заречное |
6 |
7 |
7 |
Кокуй 2-й |
6 |
6 |
7 |
|
Верхняя Хила |
7 |
7 |
8 |
Заречный |
7 |
8 |
9 |
Колочное 2-е |
7 |
8 |
9 |
|
Верх-Усугли |
6 |
7 |
7 |
Засопка |
7 |
8 |
9 |
Комсомольское |
7 |
7 |
8 |
Продолжение таблицы
|
Наименование субъектов РФ и населенных пунктов |
Карты ОСР-2016 |
Наименование субъектов РФ и населенных пунктов |
Карты ОСР-2016 |
Наименование субъектов РФ и населенных пунктов |
Карты ОСР-2016 |
||||||
|
А |
В |
С |
А |
В |
С |
А |
В |
С |
|||
|
Кондуй |
6 |
6 |
7 |
Менза |
6 |
7 |
8 |
Новоивановка |
- |
6 |
7 |
|
Конкино |
7 |
8 |
9 |
Мильгидун |
6 |
7 |
8 |
Новоильинск |
7 |
7 |
8 |
|
Копунь |
7 |
7 |
8 |
Мирная |
6 |
6 |
7 |
Новокручининский |
7 |
7 |
8 |
|
Коротково |
7 |
8 |
9 |
Мироново |
7 |
7 |
9 |
Новоорловск |
6 |
7 |
8 |
|
Красная Ималка |
6 |
6 |
7 |
Мирсаново |
7 |
8 |
9 |
Новопавловка |
8 |
8 |
9 |
|
Краснокаменск |
- |
6 |
7 |
Митрофаново |
7 |
8 |
9 |
Новотроицк |
7 |
7 |
8 |
|
Красноярово |
6 |
6 |
7 |
Михайловка |
- |
6 |
7 |
Новоцурухайтуй |
- |
6 |
7 |
|
Красный Великан |
- |
6 |
7 |
Михайло-павловск |
6 |
6 |
7 |
Новый Акатуй |
6 |
6 |
7 |
|
Красный Чикой |
7 |
8 |
9 |
Могзон |
7 |
8 |
9 |
Новый Дурулгуй |
6 |
6 |
7 |
|
Ксеньевка |
6 |
7 |
7 |
Могойтуй |
7* |
7 |
8 |
Новый Олов |
6 |
7 |
8 |
|
Куанда |
9 |
9 |
> 9 |
Могоча |
6 |
7 |
8* |
Норинск |
- |
6 |
7 |
|
Кузнецово |
6 |
6 |
7 |
Моклакан |
7 |
7 |
8 |
Нуринск |
6 |
7 |
8 |
|
Куйтун |
- |
6 |
7 |
Молодежный |
- |
6 |
7 |
Октябрьский |
- |
6 |
7 |
|
Кулусутай |
6 |
6 |
7 |
Молодовск |
7 |
8 |
9 |
Олекан |
6 |
7 |
8 |
|
Кункур |
6 |
6 |
7 |
Мордой |
6 |
6 |
7 |
Оленгуй |
7 |
7 |
8 |
|
Курорт Дарасун |
6 |
7 |
8 |
Мулино |
- |
6 |
7 |
Олинск |
6 |
7 |
8 |
|
Курорт-Дарасун |
6 |
7 |
8 |
Нагорный |
7 |
8 |
9 |
Оловянная |
6 |
7 |
8 |
|
Курулга |
6 |
6 |
7 |
Надежный |
6 |
6 |
7 |
Олочи |
- |
6 |
7 |
|
Курунзулай |
6 |
6 |
7 |
Нарасун |
6 |
6 |
7 |
Онон |
7 |
8 |
9 |
|
Кусоча |
6 |
6 |
7 |
Нарын Талача |
7 |
7 |
8 |
Онон-Борзя |
6 |
6 |
7 |
|
Кутугай |
6 |
6 |
7 |
Неляты |
9 |
9 |
> 9 |
Ононское |
7 |
8 |
9 |
|
Кыкер |
6 |
7 |
7 |
Нерчинск |
7 |
8 |
9 |
Орловский |
6 |
7 |
8 |
|
Кыра |
6 |
6 |
7 |
Нерчинский Завод |
- |
6 |
7 |
Орой |
6 |
6 |
7 |
|
Ленинский (Улётовский р-н) |
7 |
7 |
8 |
Нижнее Гирюнино |
6 |
7 |
7 |
Ортуй |
6 |
7 |
7 |
|
Ленинский (Читинский р-н) |
7 |
7 |
8 |
Нижний Ильдикан |
7 |
7 |
8 |
Первомайский |
7 |
8 |
9 |
|
Лесной Городок |
7 |
8 |
9 |
Нижний Калгукан |
- |
6 |
7 |
Передняя Бырка |
6 |
6 |
7 |
|
Линево Озеро |
7 |
8 |
9 |
Нижние Ключи |
7 |
8 |
9 |
Пески |
8 |
8 |
9 |
|
Ложниково |
6 |
7 |
8 |
Нижний Кокуй |
7 |
7 |
8 |
Петровск-Забайкальский |
8 |
8 |
9 |
|
Любовь |
6 |
6 |
7 |
Нижний Стан |
6 |
7 |
8 |
Пешково |
7 |
8 |
9 |
|
Маккавеево |
7 |
7 |
8 |
Нижний Цасучей |
6 |
6 |
7 |
Погодаево |
- |
6 |
7 |
|
Мал. тонтой |
7 |
7 |
8 |
Нижняя шахтама |
6 |
7 |
7 |
Пограничный |
- |
6 |
7 |
|
Малета |
8 |
8 |
9 |
Николаевка |
6 |
6 |
7 |
Правые Кумаки |
7 |
7 |
9 |
|
Малоархангельск |
7 |
8 |
9 |
Николаевское |
7 |
8 |
9 |
Приаргунск |
- |
6 |
7 |
|
Малышево |
6 |
7 |
8 |
Новая Кука |
7 |
8 |
9 |
Приисковый |
7 |
8 |
9 |
|
Мангут |
6 |
6 |
7 |
Новая Заря |
6 |
6 |
7 |
Размахнино |
7 |
7 |
9* |
|
Манкечур |
6 |
6 |
7 |
Новая Чара |
9* |
9 |
> 9 |
Савва-Борзя |
- |
6 |
7 |
|
Маньково |
6 |
6 |
7 |
Новоберезовское |
7 |
7 |
8 |
Савватеево |
7 |
8 |
9 |
|
Маргуцек |
- |
6 |
7 |
Новоборзинское |
6 |
6 |
7 |
Сахюрта |
6 |
7 |
7 |
|
Матусово |
7 |
7 |
8 |
Новодоронинск |
7 |
7 |
8 |
Сбега |
6 |
7 |
7 |
Продолжение таблицы
|
Наименование субъектов РФ и населенных пунктов |
Карты ОСР-2016 |
Наименование субъектов РФ и населенных пунктов |
Карты ОСР-2016 |
Наименование субъектов РФ и населенных пунктов |
Карты ОСР-2016 |
||||||
|
А |
В |
С |
А |
В |
С |
А |
В |
С |
|||
|
Селинда |
- |
6 |
7 |
Укурей |
7 |
7 |
8 |
Харауз |
8 |
8 |
9 |
|
Семиозерный |
7 |
7 |
8 |
Укурик |
7 |
8 |
9 |
Хара-Шибирь |
7 |
7 |
9 |
|
Сивяково |
7 |
8 |
9 |
Улан |
- |
6 |
7 |
Хилогосон |
7 |
8 |
8 |
|
Смоленка |
7 |
8 |
9 |
Улан-цацык |
6 |
6 |
7 |
Хилок |
7 |
8 |
8 |
|
Соктуй-Милозан |
- |
6 |
7 |
Улача |
6 |
6 |
7 |
Хойто-Ага |
6 |
7 |
7 |
|
Соловьевск |
- |
6 |
7 |
Улеты |
7 |
8 |
9 |
Холбон |
7 |
8 |
9 |
|
Солонечный |
6 |
6 |
7 |
Ульхун-Партия |
6 |
6 |
7 |
Холуй-База |
6 |
6 |
7 |
|
Сохондо |
7 |
8 |
9 |
Ульякан |
6 |
7 |
7 |
Хохотуй |
7 |
8 |
9 |
|
Средний Калар |
8 |
9 |
9 |
Улятуй |
6 |
7 |
8 |
Хушенга |
7 |
8 |
9 |
|
Среднеаргунск |
- |
6 |
7 |
Унда |
7 |
7 |
8 |
Цаган-Ола |
7 |
8* |
9 |
|
Средняя Борзя |
- |
6 |
7 |
Ундино-Поселье |
7 |
7 |
8 |
Цаган-Олуй |
6 |
6 |
7 |
|
Средняя Олекма |
7 |
7 |
8 |
Урда-Ага |
6 |
7 |
7 |
Цаган-Челутай |
6 |
7 |
8 |
|
Сретенск |
7 |
8 |
9 |
Урейск |
6 |
6 |
7 |
Целинный |
- |
6 |
7 |
|
Староцурухайтуй |
- |
6 |
7 |
Урлук |
7 |
8 |
9 |
Цокто-Хангил |
6 |
7 |
7 |
|
Старый Олов |
7 |
7 |
8 |
Уровские Ключи |
6 |
6 |
7 |
Цугол |
6 |
7 |
8 |
|
Степной |
- |
6 |
7 |
Урульга |
7 |
7 |
8 |
Чалдонка |
6 |
7 |
7 |
|
Степь |
6 |
7 |
8 |
Урулюнгуй |
- |
6 |
7 |
Чапо-Олого |
8 |
9 |
> 9 |
|
Судунтуй |
6 |
6 |
7 |
Усть-Иля |
6 |
6 |
7 |
Чара |
8 |
9 |
> 9 |
|
Тайна |
6 |
6 |
7 |
Усть-Ималка |
- |
6 |
7 |
Чашино-Ильдикан |
- |
6 |
7 |
|
Талман-Борзя |
- |
6 |
7 |
Усть-Каренга |
7 |
7 |
8 |
Челутай |
6 |
7 |
8 |
|
Танга |
7 |
8 |
9 |
Усть-Карск |
6 |
7 |
8 |
Черемхово (Красночикойский р-н) |
7 |
8 |
9 |
|
Таптанай |
6 |
6 |
7 |
Усть-Наринзор |
7 |
8 |
9 |
Черемхово (Улётовский р-н) |
7 |
8 |
9 |
|
Таптугары |
7 |
7 |
8 |
Усть-Обор |
8 |
8 |
9 |
Чернышевск |
7 |
7 |
8 |
|
Тарбагатай |
8 |
8 |
9 |
Усть-Озерная |
6 |
6 |
7 |
Чикичей |
7 |
8 |
9 |
|
Тарбальджей |
6 |
6 |
7 |
Усть-Тасуркай |
- |
6 |
7 |
Чингильтуй |
- |
6 |
7 |
|
Татаурово |
7 |
8 |
9 |
Усть-Теленгуй |
7 |
8 |
9 |
Чиндагатай |
6 |
6 |
7 |
|
Токчин |
6 |
6 |
7 |
Усугли |
6 |
7 |
7 |
Чиндалей |
6 |
6 |
7 |
|
Толбага |
8 |
8 |
9 |
Утан |
7 |
7 |
8 |
Чиндант 2-й |
6 |
6 |
7 |
|
Тохтор |
6 |
6 |
7 |
Ушарбай |
7 |
7 |
8 |
Чирон |
7 |
8 |
9 |
|
Трубачево |
6 |
6 |
7 |
Ушмун |
6 |
7 |
8 |
Чита |
7 |
8 |
9 |
|
Тунгокочен |
6 |
7 |
7 |
Фирсово |
7 |
8 |
9 |
Чупрово |
- |
6 |
7 |
|
Тупик |
6 |
7 |
7 |
Хада-Булак |
6 |
6 |
7 |
Шара |
6 |
6 |
7 |
|
Турга |
6 |
7 |
7 |
Хадакта |
7 |
8 |
9 |
Шаранча |
6 |
6 |
7 |
|
Тыргетуй |
7 |
7 |
8 |
Хапчеранга |
6 |
6 |
7 |
Шелопугино |
6 |
7 |
8 |
|
Убур-Тохтор |
6 |
6 |
7 |
Хара-Бырка |
6 |
7 |
8 |
Шерловая Гора |
6 |
6 |
7 |
|
Угдан |
7 |
8 |
9 |
Харагун |
7 |
8 |
9 |
Шивия (Калганский р-н) |
- |
6 |
7 |
|
Узон |
6 |
6 |
7 |
Харанор |
- |
6 |
7 |
Шивия (Шелопугинский р-н) |
7 |
7 |
8 |
Продолжение таблицы
|
Наименование субъектов РФ и населенных пунктов |
Карты ОСР-2016 |
Наименование субъектов РФ и населенных пунктов |
Карты ОСР-2016 |
Наименование субъектов РФ и населенных пунктов |
Карты ОСР-2016 |
||||||
|
А |
В |
С |
А |
В |
С |
А |
В |
С |
|||
|
Шилка |
7 |
8 |
9 |
Шишкино |
7 |
8 |
9 |
Южный Аргалей |
6 |
7 |
7 |
|
Шилкинский Завод |
6 |
7 |
8 |
Шоноктуй |
6 |
6 |
7 |
Яблоново |
7 |
8 |
9 |
|
Шимбилик |
7 |
8 |
9 |
Шумунда |
6 |
6 |
7 |
Явленка |
- |
6 |
7 |
|
Широкая (Газимуро-Заводский р-н) |
6 |
6 |
7 |
Энгорок |
7 |
8 |
9 |
Ясная |
6 |
7* |
7 |
|
Широкая (Нерчинско-Заводский р-н) |
- |
6 |
7 |
Юбилейный |
- |
6 |
7 |
Ясногорск |
6 |
7 |
7 |
|
КАМЧАТСКИЙ КРАЙ |
|||||||||||
|
Анавгай |
8 |
8 |
9 |
Кострома |
8 |
9 |
> 9 |
Петропавловск-Камчатский |
9 |
9 |
> 9 |
|
Апача |
8 |
8 |
9 |
Крутоберегово |
> 9 |
> 9 |
> 9 |
Пионерский |
9 |
9 |
> 9 |
|
Апука |
8* |
8 |
9 |
Крутогорово |
7 |
7 |
7 |
Раздольный |
9 |
9 |
> 9 |
|
Атласово |
8 |
9 |
9 |
Крутогоровский |
7 |
7 |
7 |
Седанка |
7 |
7 |
8 |
|
Ачайваям |
7 |
8 |
9 |
Лазо |
8 |
9 |
9 |
Слаутное |
7 |
8 |
9 |
|
Аянка |
6 |
7 |
8 |
Лесная |
7 |
8 |
8 |
Соболево |
7 |
7 |
8 |
|
Вилючинск |
9 |
9 |
> 9 |
Лесной |
8 |
9 |
> 9 |
Сокоч |
8 |
9 |
9 |
|
Воямполка |
7 |
7 |
8 |
Манилы |
7 |
7 |
8 |
Средние пахачи |
8 |
8 |
9 |
|
Вулканный |
9 |
9 |
> 9 |
Мильково |
8 |
8 |
9 |
Таежный |
8 |
9 |
9 |
|
Вывенка |
8 |
9 |
> 9 |
Моховая |
9 |
9 |
> 9 |
Таловка |
8 |
8 |
9 |
|
Долиновка |
8 |
8 |
9 |
Начики |
8 |
9 |
> 9* |
Термальный |
9 |
9 |
> 9 |
|
Елизово |
9 |
9 |
> 9 |
Николаевка |
9 |
9 |
> 9 |
Тигиль |
7 |
7 |
8 |
|
Запорожье |
9 |
9 |
> 9 |
Никольское |
> 9 |
> 9 |
> 9 |
Тиличики |
8 |
9 |
> 9 |
|
Ивашка |
8 |
9* |
9 |
Озерновский |
9 |
9 |
> 9 |
Тымлат |
8 |
8 |
9 |
|
Ичинский |
7 |
7 |
7 |
Оклан |
7 |
8 |
9 |
Усть-Большерецк |
8 |
8 |
8 |
|
Каменское |
7 |
8 |
9 |
Октябрьский |
8 |
8 |
9 |
Устьевое |
7 |
7 |
8 |
|
Карага |
8 |
8 |
9 |
Оссора |
8 |
8 |
9 |
Усть-Камчатск |
> 9 |
> 9 |
> 9 |
|
Ключи |
9 |
9 |
> 9 |
Пакачи |
8 |
8 |
9 |
Усть-Хайрюзово |
7 |
7 |
7 |
|
Ковран |
7 |
7 |
7 |
Палана |
7 |
7 |
8 |
Хаилино |
8 |
9 |
> 9 |
|
Козыревск |
8 |
8 |
9 |
Паратунка |
9 |
9 |
> 9 |
Хайрюзово |
7 |
7 |
7 |
|
Корф |
8 |
9 |
> 9 |
Парень |
7 |
7 |
8 |
Шаромы |
8 |
8 |
9 |
|
Коряки |
8 |
9 |
> 9 |
Пахачи |
8 |
8 |
9 |
Эссо |
8 |
8 |
9 |
|
КРАСНОДАРСКИЙ КРАЙ |
|||||||||||
|
Абинск |
8 |
8 |
9 |
Александровка (Кущевский р-н) |
- |
6 |
7 |
Андрюки |
8 |
8 |
9 |
|
Абрау-Дюрсо |
8 |
8 |
9 |
Александровский |
7* |
7 |
8 |
Апшеронск |
8 |
8 |
9 |
|
Агой |
8 |
8 |
9 |
Алексеевская |
6 |
6 |
7 |
Армавир |
7 |
7 |
8 |
|
Агроном |
7 |
7 |
8 |
Алексее-Тенгинская |
7* |
7 |
8 |
Армянский |
8 |
8 |
9 |
|
Агуй-Шапсуг |
8 |
8 |
9 |
Альтмец |
8 |
8 |
9 |
Архангельская |
6 |
6 |
7 |
|
Адагум |
8 |
8 |
9 |
Анапа |
8 |
8 |
9 |
Архипо-Осиповка |
8 |
8 |
9 |
|
Адербиевка |
8 |
8 |
9 |
Анапская |
8 |
8 |
9 |
Атаманская |
6 |
6 |
7 |
|
Азовская |
8 |
8 |
9 |
Анастасиевская |
8 |
8 |
9 |
Афипский |
8* |
8 |
9 |
|
Александровка (Ейский р-н) |
6 |
6 |
7 |
Андреевская |
7 |
8 |
8 |
Ахметовская |
8 |
8 |
9 |
Продолжение таблицы
|
Наименование субъектов РФ и населенных пунктов |
Карты ОСР-2016 |
Наименование субъектов РФ и населенных пунктов |
Карты ОСР-2016 |
Наименование субъектов РФ и населенных пунктов |
Карты ОСР-2016 |
||||||
|
А |
В |
С |
А |
В |
С |
А |
В |
С |
|||
|
Ахтанизовская |
8 |
8 |
9 |
Большой Кичмай |
8 |
8 |
9 |
Вольное |
7 |
7 |
8 |
|
Ахтарский |
6 |
7 |
8 |
Болгов |
7 |
7 |
8 |
Воронежская |
7 |
7 |
8 |
|
Ахтырский |
8 |
8 |
9 |
Большие Хутора |
8 |
8 |
9 |
Воронцовская |
7 |
8 |
9* |
|
Ачуево |
7 |
8 |
8 |
Большой Бейсуг |
6 |
7 |
7 |
Воскресенский |
8 |
8 |
9 |
|
Бабиче-Кореновский |
7* |
7 |
8 |
Борисовка |
8 |
8 |
9 |
Восточная |
7* |
7 |
8 |
|
Баговская |
8 |
8 |
9 |
Бородинская |
6 |
7 |
7 |
Восточный |
7 |
7 |
8 |
|
Бакинская |
8 |
8 |
9 |
Братковское |
6 |
7 |
8* |
Восточный Сосык |
6 |
6 |
7 |
|
Балковская |
6 |
6 |
7 |
Братский (Тихорецкий р-н) |
6 |
6 |
7 |
Восход |
6 |
7 |
7 |
|
Бараниковский |
8 |
8 |
9 |
Братский (Усть-Лабинский р-н) |
7 |
7 |
8 |
Вперед |
8 |
8 |
9 |
|
Барановка |
8 |
8 |
9 |
Бриньковская |
6 |
7 |
7 |
Выселки |
6 |
7 |
7 |
|
Батуринская |
6 |
7 |
7 |
Брюховецкая |
6 |
7 |
8* |
Высокий |
7 |
7 |
8 |
|
Беднягина |
7 |
7 |
8 |
Бузиновская |
6 |
7 |
7 |
Высокое |
8 |
8 |
9 |
|
Безлесный |
6 |
7 |
7 |
Бураковский |
7* |
7 |
8 |
Вышестеблиевская |
8 |
8 |
9 |
|
Безымянное |
8 |
8 |
9 |
Ванновское |
6 |
7 |
7 |
Газырь |
6 |
6 |
7 |
|
Бейсуг |
6 |
6 |
7 |
Варваровка |
8 |
8 |
9 |
Гайдук |
8 |
8 |
9 |
|
Бейсужек Второй |
6 |
7 |
8* |
Варениковская |
8 |
8 |
9 |
Гай-Кодзор |
8 |
8 |
9 |
|
Белая Глина |
6 |
6 |
7 |
Варнавинское |
8 |
8 |
9 |
Галицын |
7 |
8 |
9 |
|
Белозерный |
7 |
8 |
9 |
Васюринская |
7 |
7 |
8 |
Гаркуша |
8 |
8 |
9 |
|
Белореченск |
7 |
8 |
8 |
Великовечное |
7 |
7 |
8 |
Геймановская |
6 |
7 |
7 |
|
Белый (Ленинградский р-н) |
6 |
6 |
7 |
Венцы |
6 |
7 |
7 |
Геленджик |
8 |
8 |
9 |
|
Белый (Темрюкский р-н) |
8 |
8 |
9 |
Верхнебаканский |
8 |
8 |
9 |
Георгиевское |
8 |
8 |
9 |
|
Беноково |
7 |
8 |
8 |
Beрхнеимеретинская Бухта |
8 |
8 |
9 |
Гирей |
6 |
7 |
7 |
|
Беранда |
8 |
8 |
9 |
Веселая |
6 |
6 |
7 |
Глафировка |
6 |
6 |
7 |
|
Береговое |
8 |
8 |
9 |
Веселовка |
8 |
8 |
9 |
Глебовка |
- |
6 |
7 |
|
Березанская |
6 |
7 |
7 |
Веселое |
8 |
8 |
9 |
Глебовское |
8 |
8 |
9 |
|
Березовый |
7 |
8 |
8 |
Веселый |
7 |
7 |
8 |
Глубокий |
7 |
7 |
8 |
|
Бесленеевская |
8 |
8 |
9 |
Вимовец |
7* |
7 |
8 |
Голубая Нива |
7 |
8 |
8 |
|
Бесскорбная |
7 |
7 |
8 |
Виноградный (гор. округ Анапа) |
8 |
8 |
9 |
Голубицкая |
8 |
8 |
9 |
|
Бесстрашная |
7 |
8 |
9 |
Виноградный (Темрюкский р-н) |
8 |
8 |
9 |
Горное Лоо |
8 |
8 |
9 |
|
Бестужевское |
8 |
8 |
9 |
Витязево |
8 |
8 |
9 |
Горный |
8 |
8 |
9 |
|
Бжедуховская |
7 |
8 |
8 |
Владимировка |
8 |
8 |
9 |
Горькая Балка |
6 |
6 |
7 |
|
Бичевый |
6 |
6 |
7 |
Владимирская |
7 |
7 |
8 |
Горячий Ключ |
8 |
8 |
9 |
|
Благовещенская |
8 |
8 |
9 |
Воздвиженская |
7 |
7 |
8 |
Гостагаевская |
8 |
8 |
9 |
|
Благодарное |
7 |
8* |
8 |
Вознесенская |
7 |
7 |
8 |
Гражданский |
6 |
6 |
7 |
|
Бойкопонура |
7 |
7 |
8 |
Возрождение |
8 |
8 |
9 |
Гречаная Балка |
7 |
7 |
8 |
|
Бойко-Понура |
7 |
7 |
8 |
Волковка |
8 |
8 |
9 |
Гривенская |
7 |
8* |
8 |
Продолжение таблицы
|
Наименование субъектов РФ и населенных пунктов |
Карты ОСР-2016 |
Наименование субъектов РФ и населенных пунктов |
Карты ОСР-2016 |
Наименование субъектов РФ и населенных пунктов |
Карты ОСР-2016 |
||||||
|
А |
В |
С |
А |
В |
С |
А |
В |
С |
|||
|
Григорьевская |
8 |
8 |
9 |
Заря |
8 |
8 |
9 |
Кирпичное |
8 |
8 |
9 |
|
Гришковское |
7 |
8 |
8 |
Зассовская |
7 |
8 |
8 |
Кисляковская |
6 |
6 |
7 |
|
Губская |
8* |
8 |
9 |
Знаменский |
7 |
8 |
8 |
Ковалевское |
6 |
7 |
8* |
|
Гулькевичи |
6 |
7 |
7 |
Ивановская |
7 |
8 |
9 |
Колосистый |
7 |
8 |
9* |
|
Гусаровское |
7 |
7 |
8 |
Ильинская |
6 |
6 |
7 |
Комсомолец |
6 |
6 |
7 |
|
Двубратский |
7 |
7 |
8 |
Ильинское |
- |
6 |
7 |
Комсомольский (Гулькевичский р-н) |
6 |
7 |
7 |
|
Дефановка |
8 |
8 |
9 |
Ильич |
8 |
8 |
9 |
Комсомольский (Кореновский р-н) |
6 |
7 |
7 |
|
Джигинка |
8 |
8 |
9 |
Ильский |
8 |
8 |
9 |
Коноково |
7 |
7 |
8 |
|
Джубга |
8 |
8 |
9 |
Имени Максима Горького |
6 |
6 |
7 |
Константиновская |
7 |
7 |
8 |
|
Джумайловка |
7 |
7 |
8 |
Имеретинская |
8 |
8 |
9 |
Копанская |
6 |
6 |
7 |
|
Дивноморское |
8 |
8 |
9 |
Имеритинская |
8 |
8 |
9 |
Копанской |
7 |
8 |
9* |
|
Динская |
7 |
7 |
8 |
Индустриальный |
7 |
8 |
8 |
Кореновск |
7 |
7 |
8 |
|
Дмитриевская |
6 |
6 |
7 |
Ирклиевская |
6 |
6 |
7 |
Коржевский |
8 |
8 |
9 |
|
Днепровская |
7 |
7 |
8 |
Кабардинка |
8 |
8 |
9 |
Коржи |
6 |
6 |
7 |
|
Долгогусевский |
7 |
8 |
8 |
Кабардинская |
8 |
8 |
9 |
Костромская |
7 |
8 |
8 |
|
Должанская |
6 |
6 |
7 |
Кавказская |
6 |
7* |
7 |
Краевско-Армянское |
8 |
8 |
9 |
|
Дружный |
7 |
8 |
9 |
Казанская |
6 |
7 |
7 |
Красная Поляна (гор. округ Армавир) |
7 |
7 |
8 |
|
Дядьковская |
7 |
7 |
8 |
Казачий |
7 |
7 |
8 |
Красная Поляна (гор. округ Сочи) |
8 |
9 |
9 |
|
Ейск |
6 |
6 |
7 |
Каладжинская |
7 |
8 |
9* |
Красноармейский |
8 |
8 |
9 |
|
Ейское Укрепление |
6 |
6 |
7 |
Калинина |
8 |
8 |
9 |
Красногвардеец |
6 |
6 |
7 |
|
Екатериновка |
6 |
6 |
7 |
Калинино |
7 |
8 |
8 |
Краснодар |
7 |
8 |
9* |
|
Екатериновский |
8 |
8 |
9 |
Калининская |
7 |
7 |
8 |
Красное |
- |
6 |
7 |
|
Елизаветинская |
7 |
8 |
9 |
Калниболотская |
6 |
6 |
7 |
Краснооктябрьская |
6 |
6 |
7 |
|
Елизаветинское |
7 |
8 |
9 |
Калужская |
8 |
8 |
9 |
Краснопартизанское |
6 |
6 |
7 |
|
Еремизино-Борисовская |
6 |
6 |
7 |
Каменный |
6 |
6 |
7 |
Красносельский |
6 |
7 |
7 |
|
Ерик |
8 |
8 |
9 |
Камышеватская |
6 |
6 |
7 |
Красносельское |
7 |
7 |
8 |
|
Железный |
7 |
7 |
8 |
Каневская |
6 |
6 |
7 |
Краснофлотский |
6 |
6 |
7 |
|
Журавская |
6 |
7 |
8* |
Канеловская |
6 |
6 |
7 |
Красный Октябрь |
8 |
8 |
9 |
|
Журавский |
6 |
7 |
8 |
Карла Маркса |
7 |
7 |
8 |
Кривенковское |
8 |
8 |
9 |
|
Забойский |
7 |
8 |
8 |
Кеслерово |
8 |
8 |
9 |
Кропоткин |
6 |
7* |
7 |
|
Заветный |
7 |
7 |
8 |
Киевское |
8 |
8 |
9 |
Кроянское |
8 |
8 |
9 |
|
Запорожская |
8 |
8 |
9 |
Кирилловка |
8 |
8 |
9 |
Крупская |
6 |
6 |
7 |
|
Заречный (Белореченский р-н) |
7 |
8 |
8 |
Кирова |
6 |
7 |
7 |
Крыловская (Крыловский р-н) |
6 |
6 |
7 |
|
Заречный (Выселковский р-н) |
6 |
7 |
7 |
Кирпильская |
7* |
7 |
8 |
Крыловская (Ленинградский р-н) |
6 |
6 |
7 |
Продолжение таблицы
|
Наименование субъектов РФ и населенных пунктов |
Карты ОСР-2016 |
Наименование субъектов РФ и населенных пунктов |
Карты ОСР-2016 |
Наименование субъектов РФ и населенных пунктов |
Карты ОСР-2016 |
||||||
|
А |
В |
С |
А |
В |
С |
А |
В |
С |
|||
|
Крымск |
8 |
8 |
9 |
Махошевская |
7 |
8 |
8 |
Николаенко |
8 |
8 |
9 |
|
Кубанская |
8 |
8 |
9 |
Маяк |
7 |
8 |
8 |
Николенское |
6 |
7 |
7 |
|
Кубанская Степь |
6 |
6 |
7 |
Медведовская |
7 |
7 |
8 |
Новоалексеевская |
7 |
7 |
8 |
|
Кубанский (Белореченский р-н) |
7 |
8 |
9 |
Мезмай |
8 |
8 |
9 |
Новоалексеевское |
7 |
7 |
8 |
|
Кубанский (Новопокровский р-н) |
6 |
6 |
7 |
Мерчанское |
8 |
8 |
9 |
Новобейсугская |
6 |
7 |
7 |
|
Кубань |
6 |
7 |
7 |
Мессажай |
8 |
8 |
9 |
Новоберезанский |
6 |
7 |
7 |
|
Кугоейская |
- |
6 |
7 |
Мингрельская |
8 |
8 |
9 |
Нововеличковская |
7 |
8* |
8 |
|
Кулешовка |
6 |
6 |
7 |
Мингрельское |
8 |
8 |
9 |
Нововладимировская |
6 |
7 |
7 |
|
Куликовский |
6 |
6 |
7 |
Мирской |
6 |
6 |
7 |
Новогражданская |
6 |
7 |
7 |
|
Курганинск |
7 |
7 |
8 |
Михайловская |
7 |
7 |
8 |
Новодеревянковская |
6 |
6 |
7 |
|
Кургоковский |
7 |
7 |
8 |
Михайловский Перевал |
8 |
8 |
9 |
Новоджерелиевская |
7 |
7 |
8 |
|
Куринская |
8 |
8 |
9 |
Михайловское |
8 |
8 |
9 |
Новодмитриевская |
8 |
8 |
9 |
|
Курчанская |
8 |
8 |
9 |
Мичуринский |
7 |
7 |
8 |
Новодонецкая |
6 |
7* |
7 |
|
Кутаис |
8 |
8 |
9 |
Молдаванское |
8 |
8 |
9 |
Новое Село |
6 |
6 |
7 |
|
Кухаривка |
6 |
6 |
7 |
Молдовка |
8 |
8 |
9 |
Новоивановская |
6 |
6 |
7 |
|
Кущевская |
6* |
6 |
7 |
Молодежный |
7 |
8 |
9 |
Новоивановский |
6 |
7 |
7 |
|
Лабинск |
7 |
7 |
8 |
Молькино |
8* |
8 |
9 |
Новокорсунская |
7* |
7 |
8 |
|
Ладожская |
7* |
7 |
8* |
Моревка |
6 |
6 |
7 |
Новокубанск |
7* |
7 |
8* |
|
Лазурный |
7 |
8* |
8 |
Мостовской |
7 |
8 |
8 |
Новолабинская |
7 |
7 |
8 |
|
Лебеди |
7 |
7 |
8 |
Мысхако |
8 |
8 |
9 |
Новолеушковская |
6 |
6 |
7 |
|
Ленина |
7 |
8 |
8 |
Надежная |
7 |
8 |
9* |
Новолокинская |
6 |
6 |
7 |
|
Ленинградская |
6 |
6 |
7 |
Натухаевская |
8 |
8 |
9 |
Новомалороссийская |
6 |
7* |
7 |
|
Ленинский |
7 |
7 |
8 |
Неберджаевская |
8 |
8 |
9 |
Новоминская |
6 |
6 |
7 |
|
Лермонтово |
8 |
8 |
9 |
Небуг |
8 |
8 |
9 |
Новомихайловская |
- |
6 |
7 |
|
Ловлинская |
6 |
7 |
7 |
Незаймановский |
6 |
7 |
7 |
Новомихайловский |
8 |
8 |
9 |
|
Лорис |
7 |
8 |
8 |
Незамаевская |
6 |
6 |
7 |
Новомихайловское (Гулькевичский р-н) |
6 |
7 |
7 |
|
Лосево |
6 |
6 |
7 |
Незамаевский |
6 |
6 |
7 |
Новомихайловское (Кущевский р-н) |
- |
6 |
7 |
|
Луч |
7 |
7 |
8 |
Некрасовская |
7 |
7 |
8 |
Новомышастовская |
7 |
8 |
9 |
|
Львовское |
8* |
8 |
9 |
Нефтегорск |
8 |
8 |
9 |
Новониколаевская |
7 |
7 |
8 |
|
Ляпино |
7 |
7 |
8 |
Нефтяная |
8 |
8 |
9 |
Новопавловка |
6 |
6 |
7 |
|
Майкопское |
6 |
7 |
7 |
Нещадимовский |
8 |
8 |
9 |
Новопашковская |
6 |
6 |
7 |
|
Маламино |
7 |
7 |
8 |
Нижегородская |
8 |
8 |
9 |
Новопетровская |
6 |
6 |
7 |
|
Малороссийский |
6 |
6 |
7 |
Нижнебаканская |
8 |
8 |
9 |
Новопластуновская |
6 |
6 |
7 |
|
Малотенгинская |
7 |
8 |
8 |
Нижнебаканский |
8 |
8 |
9 |
Новоплатнировская |
6 |
6 |
7 |
|
Мартанская |
7 |
8 |
9 |
Нижняя Шиловка |
8 |
8 |
9 |
Новопокровская |
6 |
6 |
7 |
|
Марьино |
7 |
7 |
8 |
Николаевка |
6 |
6 |
7 |
Новопокровский (Новопокровский р-н) |
6 |
6 |
7 |
|
Марьянская |
7 |
8 |
9 |
Николаевская |
7 |
8* |
8 |
Новопокровский (р-н Приморско-Ахтарский) |
7 |
7 |
8 |
Продолжение таблицы
|
Наименование субъектов РФ и населенных пунктов |
Карты ОСР-2016 |
Наименование субъектов РФ и населенных пунктов |
Карты ОСР-2016 |
Наименование субъектов РФ и населенных пунктов |
Карты ОСР-2016 |
||||||
|
А |
В |
С |
А |
В |
С |
А |
В |
С |
|||
|
Новорождественская |
6 |
6 |
7 |
Отрадо-Кубанское |
6 |
7 |
7 |
Приазовская |
7* |
7 |
8 |
|
Новороссийск |
8 |
8 |
9 |
Отрадо-Ольгинское |
6 |
7 |
7 |
Прибрежный |
8 |
8 |
9 |
|
Новосельское |
7 |
7 |
8 |
Павловская |
6 |
6 |
7 |
Привольная |
6 |
6 |
7 |
|
Новосергиевская |
6* |
6 |
7 |
Павловский |
8 |
8 |
9 |
Привольный |
6 |
6 |
7 |
|
Новосергиевское |
6 |
6 |
7 |
Парковый |
6 |
6 |
7 |
Пригородный |
6 |
6 |
7 |
|
Новотитаровская |
7 |
8* |
8 |
Пашковский |
7 |
8 |
9 |
Придорожная |
6 |
7 |
7 |
|
Новоукраинский |
8 |
8 |
9 |
Пенькозавод |
7 |
8 |
9 |
Прикубанский |
7 |
7 |
8 |
|
Новоукраинское |
6 |
7 |
7 |
Первая Синюха |
7 |
7 |
8 |
Приморский |
6 |
7 |
7 |
|
Новощербиновская |
6 |
6 |
7 |
Первомайский (Белореченский р-н) |
7 |
7 |
8 |
Приморско-Ахтарск |
6 |
7 |
8 |
|
Новоясенская |
6 |
6 |
7 |
Первомайский (гор. округ Горячий Ключ) |
8 |
8 |
9 |
Приреченский |
8 |
8 |
9 |
|
Новые Поляны |
8 |
8 |
9 |
Первомайский (Красноармейский р-н) |
8 |
8 |
9 |
Прогресс |
6 |
7 |
7 |
|
Образцовый |
6 |
6 |
7 |
Первомайский (Кущевский р-н) |
6 |
6 |
7 |
Протичка |
8 |
8 |
9 |
|
Октябрьская |
6 |
6 |
7 |
Первомайский (Ленинградский р-н) |
6 |
6 |
7 |
Протоцкие |
7 |
8 |
9* |
|
Октябрьский (Ейский р-н) |
6 |
6 |
7 |
Первореченское |
7 |
7 |
8 |
Прохладный |
7 |
7 |
8 |
|
Октябрьский (Красноармейский р-н) |
8 |
8 |
9 |
Передовая |
7 |
8 |
9 |
Прочноокопская |
7 |
7 |
8 |
|
Октябрьский (Курганинский р-н) |
7 |
7 |
8 |
Переправная |
7 |
8 |
9* |
Псебай |
8 |
8 |
9 |
|
Октябрьский (Ленинградский р-н) |
6 |
6 |
7 |
Переясловская |
6 |
7 |
7 |
Пушкинское |
6 |
7 |
7 |
|
Октябрьский (Павловский р-н) |
6 |
6 |
7 |
Песчаный |
6 |
7 |
7 |
Пшада |
8 |
8 |
9 |
|
Октябрьский (Северский р-н) |
8 |
8 |
9 |
Петровская |
8* |
8 |
9 |
Пшехская |
7 |
8 |
9 |
|
Октябрьский (Тбилисский р-н) |
6 |
7 |
7 |
Петропавловская |
7 |
7 |
8 |
Пятигорская |
8 |
8 |
9 |
|
Октябрьский (Туапсинский р-н) |
8 |
8 |
9 |
Пластуновская |
7 |
7 |
8 |
Пятихатки |
8 |
8 |
9 |
|
Ольгинка |
8 |
8 |
9 |
Платнировская |
7 |
7 |
8 |
Раевская |
8 |
8 |
9 |
|
Ольгинская |
6 |
7 |
8* |
Плодородный |
7 |
8 |
9* |
Раздольная |
7 |
7 |
8 |
|
Ольгинский |
8 |
8 |
9 |
Пляхо |
8 |
8 |
9 |
Раздольное |
- |
6 |
7 |
|
Ольховский |
7 |
7 |
8 |
Подгорная |
7 |
8 |
9* |
Рассвет (гор. округ Анапа) |
8 |
8 |
9 |
|
Отважная |
7 |
8 |
9 |
Подгорная Синюха |
7 |
8 |
8 |
Рассвет (Староминский р-н) |
6 |
6 |
7 |
|
Отдаленный |
8 |
8 |
9 |
Полтавская |
8* |
8 |
9 |
Рисовый |
8 |
8 |
9 |
|
Отрадная (Отрадненский р-н) |
7 |
8 |
8 |
Полтавченское |
- |
6 |
7 |
Рисоопытный |
8 |
8 |
9 |
|
Отрадная (Тихорецкий р-н) |
6 |
6 |
7 |
Попутная |
7 |
7 |
8 |
Роговская |
7 |
7 |
8 |
Продолжение таблицы
|
Наименование субъектов РФ и населенных пунктов |
Карты ОСР-2016 |
Наименование субъектов РФ и населенных пунктов |
Карты ОСР-2016 |
Наименование субъектов РФ и населенных пунктов |
Карты ОСР-2016 |
||||||
|
А |
В |
С |
А |
В |
С |
А |
В |
С |
|||
|
Родники |
7 |
8 |
8 |
Спокойная |
7 |
8 |
8 |
Терновская |
6 |
6 |
7 |
|
Родниковская |
7 |
7 |
8 |
Средние Чубурки |
- |
6 |
7 |
Тимашевск |
7 |
7 |
8 |
|
Родниковский |
7 |
7 |
8 |
Средний Челбас |
6 |
6 |
7 |
Тихорецк |
6 |
6 |
7 |
|
Рудь |
7 |
7 |
8 |
Ставропольская |
8 |
8 |
9 |
Трехсельское |
7 |
7 |
8 |
|
Рязанская |
7 |
7 |
8 |
Старая Станица |
7 |
7 |
8 |
Троицкая |
8 |
8 |
9 |
|
Садки |
7 |
7 |
8 |
Старовеличковская |
7 |
7 |
8 |
Трудобеликовский |
8 |
8 |
9 |
|
Садовый (Отрадненский р-н) |
7 |
8 |
8 |
Стародеревянковская |
6 |
6 |
7 |
Туапсе |
8 |
8 |
9 |
|
Садовый (Славянский р-н) |
8 |
8 |
9 |
Староджерелиевская |
7 |
8 |
9* |
Тысячный |
6 |
7 |
7 |
|
Саратовская |
8 |
8 |
9 |
Старокорсунская |
7 |
8* |
8 |
Тюменский |
8 |
8 |
9 |
|
Саук-Дере |
8 |
8 |
9 |
Старолеушковская |
6 |
6 |
7 |
Убеженская |
7 |
7 |
8 |
|
Светлая Заря |
7 |
7 |
8 |
Староминская |
6 |
6 |
7 |
Удобная |
7 |
8 |
8 |
|
Светлый Путь Ленина |
8 |
8 |
9 |
Старомышастовская |
7 |
7 |
8 |
Украинский |
7 |
7 |
8 |
|
Свободное |
6 |
7 |
7 |
Старонижестеблиевская |
7 |
8 |
9 |
Уманский |
6 |
6 |
7 |
|
Свободный |
6 |
7 |
8 |
Старотитаровская |
8 |
8 |
9 |
Унароково |
7 |
7 |
8 |
|
Северин |
6 |
7 |
7 |
Старощербиновская |
6 |
6 |
7 |
Упорная |
7 |
8 |
8 |
|
Северный |
6 |
6 |
7 |
Степная |
7 |
7 |
8 |
Упорный |
6 |
6 |
7 |
|
Северокубанский |
6 |
7 |
7 |
Степной (Ейский р-н) |
6 |
6 |
7 |
Урупский (Отрадненский р-н) |
7 |
8 |
8 |
|
Северская |
8 |
8 |
9 |
Степной (Кавказский р-н) |
6 |
6 |
7 |
Урупский (Успенский р-н) |
7 |
7 |
8 |
|
Семигорский |
8 |
8 |
9 |
Степной (Курганинский р-н) |
7 |
7 |
8 |
Успенская |
6 |
6 |
7 |
|
Семисводный |
8 |
8 |
9 |
Стрелка |
8 |
8 |
9 |
Успенское |
7 |
7 |
8 |
|
Сенной |
8 |
8 |
9 |
Суворовское |
7 |
7 |
8 |
Усть-Лабинск |
7 |
7 |
8 |
|
Сергей-Поле |
8 |
8 |
9 |
Суздальская |
8* |
8 |
9 |
Уташ |
8 |
8 |
9 |
|
Сергиевская |
7 |
7 |
8 |
Сукко |
8 |
8 |
9 |
Фастовецкая |
6 |
6 |
7 |
|
Скобелевская |
6 |
7 |
7 |
Супсех |
8 |
8 |
9 |
Федоровская |
8 |
8 |
9 |
|
Славянск-на-Кубани |
8 |
8 |
9 |
Таманский |
8 |
8 |
9 |
Фонталовская |
8 |
8 |
9 |
|
Сладкий |
7 |
7 |
8 |
Тамань |
8 |
8 |
9 |
Хадыженск |
8 |
8 |
9 |
|
Смоленская |
8 |
8 |
9 |
Танцура Крамаренко |
7 |
7 |
8 |
Ханьков |
8 |
8 |
9 |
|
Советская |
7 |
7 |
8 |
Тбилисская |
6 |
7 |
7 |
Харьковский |
7 |
7 |
8 |
|
Советский (Гулькевичский р-н) |
6 |
7 |
7 |
Тверская |
8 |
8 |
9 |
Холмская |
8 |
8 |
9 |
|
Советский (Ейский р-н) |
6 |
6 |
7 |
Текос |
8 |
8 |
9 |
Холмский |
8 |
8 |
9 |
|
Советский (Тимашевский р-н) |
7 |
7 |
8 |
Тельман |
6 |
7 |
7 |
Хоперская |
6 |
6 |
7 |
|
Совхозный |
8 |
8 |
9 |
Темижбекская |
6 |
7* |
7 |
Целинный |
7 |
8 |
8 |
|
Соколовское |
6 |
7 |
7 |
Темиргоевская |
7 |
7 |
8 |
Цемдолина |
8 |
8 |
9 |
|
Соленое |
8 |
8 |
9 |
Темрюк |
8 |
8 |
9 |
Центральный |
6 |
6 |
7 |
|
Солохаул |
8 |
8 |
9 |
Тенгинка |
8 |
8 |
9 |
Цибанобалка |
8 |
8 |
9 |
|
Сочи |
8 |
8 |
9 |
Тенгинская |
7 |
7 |
8 |
Цыпка |
8 |
8 |
9 |
Продолжение таблицы
|
Наименование субъектов РФ и населенных пунктов |
Карты ОСР-2016 |
Наименование субъектов РФ и населенных пунктов |
Карты ОСР-2016 |
Наименование субъектов РФ и населенных пунктов |
Карты ОСР-2016 |
||||||
|
А |
В |
С |
А |
В |
С |
А |
В |
С |
|||
|
Чамлыкская |
7 |
7 |
8 |
Шабельское |
6 |
6 |
7 |
Эриванская |
8 |
8 |
9 |
|
Чаплыгин |
6 |
7 |
8* |
Шаумян |
8 |
8 |
9 |
Юбилейный |
8 |
8 |
9 |
|
Чебурголь |
7 |
8 |
8 |
Шевченко |
6 |
7 |
7 |
Юго-Северная |
6 |
6 |
7 |
|
Чебургольская |
7 |
8 |
8 |
Шевченковское |
6 |
6 |
7 |
Южная Озереевка |
8 |
8 |
9 |
|
Чекон |
8 |
8 |
9 |
Шедок |
8* |
8 |
9 |
Южный (Белореченский р-н) |
7 |
8 |
8 |
|
Челбасская |
6 |
6 |
7 |
Шепси |
8 |
8 |
9 |
Южный (Динской р-н) |
7 |
8 |
8 |
|
Чепигинская |
6 |
7 |
7 |
Широчанка |
6 |
6 |
7 |
Южный (Крымский р-н) |
8 |
8 |
9 |
|
Черниговская |
7 |
8 |
9 |
Школьное |
7 |
7 |
8 |
Южный (Курганинский р-н) |
7 |
7 |
8 |
|
Черниговское |
8 |
8 |
9 |
Школьный |
8 |
8 |
9 |
Южный (Усть-Лабинский р-н) |
6 |
7 |
8 |
|
Черноерковская |
8 |
8 |
9 |
Шкуринская |
6 |
6 |
7 |
Юровка |
8 |
8 |
9 |
|
Черноморский |
8 |
8 |
9 |
Щербиновский |
6 |
6 |
7 |
Ярославская |
7 |
7 |
8 |
|
Шабановское |
8 |
8 |
9 |
Экономическое |
8 |
8 |
9 |
Ясенская |
6 |
6 |
7 |
|
КРАСНОЯРСКИЙ КРАЙ |
|||||||||||
|
Абан |
- |
6 |
7 |
Атаманово |
6 |
6 |
7 |
Большая Мурта |
- |
- |
6 |
|
Агинское |
7 |
8 |
9 |
Ачинск |
- |
- |
6 |
Бол. улуй |
- |
- |
6 |
|
Айтат |
- |
- |
6 |
Балай |
7 |
7 |
8 |
Болтурино |
- |
- |
6 |
|
Александровка (Боготольский р-н) |
- |
- |
6 |
Балахта |
6 |
7 |
8 |
Большая Ирба |
7 |
7 |
8 |
|
Александровка (Ирбейский р-н) |
7 |
7 |
8 |
Балахтон |
6 |
6 |
7 |
Большая Косуль |
- |
- |
6 |
|
Александровка (Казачинский р-н) |
- |
- |
6 |
Бартат |
- |
6 |
7 |
Большая Мурта |
- |
- |
6 |
|
Александровка (Рыбинский р-н) |
6 |
7 |
8 |
Бархатово |
6 |
7 |
8 |
Большая Ничка |
7 |
7 |
8 |
|
Александро-Ерша |
6 |
6 |
7 |
Беллык |
7 |
7 |
8 |
Большая Салба |
7 |
7 |
8 |
|
Алексеевка |
7 |
7 |
8 |
Белый Яр |
- |
- |
6 |
Большая Салырь |
- |
- |
6 |
|
Амонаш |
6 |
7 |
8 |
Беляки |
- |
- |
6 |
Большая Уря |
6 |
7 |
8 |
|
Анаш |
6 |
7 |
8 |
Березовка |
7* |
7 |
8 |
Большие Ключи |
6 |
7 |
8 |
|
Ангарский |
- |
- |
6 |
Березовский |
7 |
7 |
8 |
Большие Сыры |
7 |
7 |
8 |
|
Анцирь |
6 |
6 |
8 |
Березовское (Курагинский р-н) |
7 |
7 |
8 |
Большой Арбай |
7 |
8 |
9 |
|
Апано-Ключи |
- |
6 |
7 |
Березовское (Шарыповский р-н) |
- |
6 |
6 |
Большой Ильбин |
7 |
8 |
9 |
|
Арадан |
7 |
8 |
8 |
Благовещенка |
7 |
7 |
8 |
Большой Телек |
7 |
7 |
8 |
|
Арейское |
6 |
7 |
8 |
Бобровка |
- |
- |
6 |
Большой Улуй |
- |
- |
6 |
|
Арефьево |
- |
- |
6 |
Боготол (Боготольский р-н) |
- |
- |
6 |
Большой Унгут |
7 |
7 |
8 |
|
Артемовск |
7 |
7 |
8 |
Боготол (городской округ Боготол) |
- |
- |
6 |
Большой Хабык |
7 |
7 |
8 |
|
Артюгино |
- |
- |
6 |
Богучаны |
- |
- |
6 |
Бородино |
6 |
7 |
8 |
Продолжение таблицы
|
Наименование субъектов РФ и населенных пунктов |
Карты ОСР-2016 |
Наименование субъектов РФ и населенных пунктов |
Карты ОСР-2016 |
Наименование субъектов РФ и населенных пунктов |
Карты ОСР-2016 |
||||||
|
А |
В |
С |
А |
В |
С |
А |
В |
С |
|||
|
Борск |
6 |
6 |
7 |
Далай |
6 |
6 |
7 |
Зыково |
7 |
7 |
8 |
|
Брагино |
7 |
7 |
8 |
Двинка |
- |
- |
6 |
Ивановка (Ермаковский р-н) |
7 |
7 |
8 |
|
Бражное |
6 |
7 |
8 |
Двуречное |
7 |
7 |
8 |
Ивановка (Ирбейский р-н) |
7 |
7 |
8 |
|
Быстрая |
7 |
7 |
8 |
Денисово |
- |
6 |
7 |
Ивановка (Нижнеингашский р-н) |
6 |
6 |
7 |
|
Бычки |
- |
- |
6 |
Детлово |
7 |
7 |
8 |
Ивановка (Партизанский р-н) |
7 |
8 |
9 |
|
Вагино |
- |
- |
6 |
Дзержинское |
- |
6 |
7 |
Иджа |
7 |
8 |
9 |
|
Васильевка |
6 |
6 |
7 |
Дивногорск |
7* |
7 |
8 |
Идринское |
7 |
7 |
8 |
|
Вахрушево |
- |
- |
6 |
Добромысловка |
7 |
7 |
8 |
Иланский |
6 |
6 |
7 |
|
Верхнеусинское |
7 |
8 |
8 |
Долгий Мост |
- |
6 |
7 |
Ильинка (Нижнеингашский р-н) |
6 |
6 |
7 |
|
Верхний Ададым |
- |
6 |
6 |
Дорохово |
- |
6* |
6 |
Ильинка (Ужурский р-н) |
6 |
6 |
7 |
|
Верхний Ингаш |
6 |
6 |
7 |
Дрокино |
6 |
7 |
8 |
Ильичево |
7 |
8* |
9* |
|
Верхний Кужебар |
7 |
8 |
9 |
Дубинино |
6 |
6 |
7 |
Имисское |
7 |
7 |
8 |
|
Верхняя Уря |
7 |
7 |
8 |
Дудовка |
- |
- |
6 |
Иннокентьевка |
7 |
8 |
9 |
|
Вершино-Рыбное |
7 |
8 |
9 |
Екатериновка |
7 |
7 |
8 |
Ирбейское |
7 |
7 |
8 |
|
Веселое |
- |
- |
6 |
Еловка (Балахтинский р-н) |
6 |
7 |
8 |
Ирша |
6 |
7 |
8 |
|
Вознесенка |
7* |
7 |
8 |
Еловка (р-н Большемуртинский) |
- |
6 |
7 |
Кавказское |
7 |
7 |
8 |
|
Вороковка |
- |
- |
6 |
Еловое |
6 |
7 |
8* |
Казанцево |
7 |
7 |
8 |
|
Восточное (Краснотуранский р-н) |
7 |
7 |
8 |
Емельяново |
6 |
7* |
8* |
Казачинское |
- |
- |
6 |
|
Восточное (Уярский р-н) |
7 |
7 |
8 |
Ермаковское |
7 |
8 |
9 |
Камарчага |
7 |
7 |
8 |
|
Выезжий Лог |
7 |
8 |
9 |
Есаулово |
6 |
7 |
8 |
Канифольный |
6 |
6 |
7 |
|
Высотино |
- |
6 |
7 |
Жеблахты |
7 |
8 |
8 |
Канск |
6 |
7* |
8* |
|
Галанино |
- |
- |
6 |
Железногорск |
6 |
7* |
7 |
Каптырево |
7 |
8 |
9 |
|
Гаревое |
- |
6 |
7 |
Жуковка |
6 |
6 |
7 |
Карапсель |
6 |
6 |
7 |
|
Георгиевка |
6 |
6 |
7 |
Заледеево |
- |
- |
6 |
Каратузское |
7 |
7 |
8 |
|
Гладково |
7 |
8 |
9 |
Заозерка |
- |
6 |
7 |
Касьяново |
6 |
7 |
8 |
|
Глядень |
- |
6 |
7 |
Заозерный |
6 |
7 |
8 |
Качулька |
7 |
7 |
8 |
|
Горный |
- |
- |
6 |
Запасной Имбеж |
7 |
8 |
9 |
Кедровый |
6 |
6 |
7 |
|
Городок |
7 |
7 |
8 |
Зареченка |
- |
- |
6 |
Кежма |
- |
- |
6 |
|
Горячегорск |
6 |
6 |
7 |
Зачулымка |
- |
- |
6 |
Кирсантьево |
- |
- |
6 |
|
Гремучий |
- |
- |
6 |
Зеледеево |
6 |
7 |
8 |
Кияй |
7 |
8 |
9 |
|
Григорьевка |
7 |
8 |
9 |
Зеленогорск |
6 |
7* |
8* |
Ключи |
- |
- |
6 |
|
Громадск |
6 |
7 |
8 |
Зеленый Бор |
7 |
7 |
8 |
Кодинск |
- |
- |
6 |
|
Грузенка |
6 |
7 |
7 |
Знаменка |
7 |
7 |
8 |
Кожаны |
6 |
7 |
7 |
Продолжение таблицы
|
Наименование субъектов РФ и населенных пунктов |
Карты ОСР-2016 |
Наименование субъектов РФ и населенных пунктов |
Карты ОСР-2016 |
Наименование субъектов РФ и населенных пунктов |
Карты ОСР-2016 |
||||||
|
А |
В |
С |
А |
В |
С |
А |
В |
С |
|||
|
Кожелак |
7 |
8 |
9 |
Лебяжье |
7 |
7 |
8 |
Нижние Куряты |
7 |
7 |
8 |
|
Козулька |
6* |
6 |
7 |
Левоямное |
- |
6 |
6 |
Нижний Ингаш |
6 |
6 |
7 |
|
Колбинский |
7 |
7 |
8 |
Леонтьевка |
- |
- |
6 |
Нижний Кужебар |
7 |
7 |
8 |
|
Кома |
6 |
7 |
8 |
Локшино |
6 |
6 |
7 |
Нижний Тонай |
- |
6 |
7 |
|
Кононово |
6 |
6 |
7 |
Лугавское |
7 |
7 |
8 |
Нижняя Пойма |
6 |
6 |
7 |
|
Кордово |
7 |
7 |
8 |
Маганск |
7 |
7 |
8 |
Никольск |
- |
6 |
7 |
|
Кортуз |
7 |
7 |
8 |
Мазульский |
- |
- |
6 |
Никольское |
6 |
6 |
7 |
|
Кочергино |
7 |
7 |
8 |
Майское Утро |
7 |
7 |
8 |
Новая Еловка |
- |
- |
6 |
|
Кошурниково |
7 |
7 |
8 |
Малая Минуса |
7 |
7 |
8 |
Новая Солянка |
6 |
7 |
8 |
|
Красинка |
- |
- |
6 |
Малиновка |
- |
- |
6 |
Новая Сыда |
7 |
7 |
8 |
|
Красная Поляна |
- |
6 |
7 |
Малый Имыш |
6 |
6 |
7 |
Новоалександровка |
6 |
6 |
7 |
|
Красная Сопка |
6 |
6 |
7 |
Манзя |
- |
- |
6 |
Новоберезовка |
7 |
7 |
8 |
|
Красногорьевский |
- |
- |
6 |
Маринино |
7 |
7 |
8 |
Новобирилюссы |
- |
- |
6 |
|
Краснокаменск |
7 |
7 |
8 |
Машуковка |
- |
- |
6 |
Новогородка |
6 |
6 |
7 |
|
Краснотуранск |
7 |
7 |
8 |
Межево |
7 |
7 |
8 |
Новокамала |
6 |
7 |
8 |
|
Красноярск |
7* |
7 |
8 |
Межово |
- |
6 |
7 |
Новомитрополька |
- |
- |
6 |
|
Красные Ключи |
- |
- |
6 |
Мельничное |
7 |
7 |
8 |
Новониколаевка |
6 |
7 |
8 |
|
Красный Завод |
- |
- |
6 |
Мигна |
7 |
8 |
9 |
Новоникольск |
- |
- |
6 |
|
Красный Курыш |
6 |
6 |
7 |
Миндерла |
6 |
6 |
7 |
Новопокровка |
6 |
6 |
7 |
|
Красный Маяк |
6 |
7 |
8 |
Минино |
6 |
7 |
8 |
Новополтавка |
7 |
8 |
9 |
|
Критово |
- |
- |
6 |
Минусинск |
7 |
7 |
8 |
Новопятницкое |
7 |
7 |
8 |
|
Крутояр |
6 |
6 |
7 |
Михайловка (Дзержинский р-н) |
- |
6 |
7 |
Новоселово |
6 |
7 |
8* |
|
Кулижниково |
7 |
8 |
9 |
Михайловка (Емельяновский р-н) |
- |
6 |
6 |
Новотроицк |
- |
- |
6 |
|
Кулун |
6 |
6 |
7 |
Михайловка (Ужурский р-н) |
6 |
6 |
7 |
Новотроицкое (Идринский р-н) |
7 |
7 |
8 |
|
Курагино |
7 |
7 |
8 |
Можарка |
7 |
7 |
8 |
Новотроицкое (Минусинский р-н) |
7 |
7 |
8 |
|
Курай |
- |
6 |
7 |
Мокруша |
6 |
6 |
7 |
Новоуспенка |
- |
6 |
7 |
|
Курбатово |
- |
- |
6 |
Мокрушинское |
- |
- |
6 |
Новохайский |
- |
- |
6 |
|
Куреж |
7 |
7 |
8 |
Момотово |
- |
- |
6 |
Новочернореченский |
- |
6 |
6 |
|
Курское |
7 |
7 |
8 |
Моторское |
7 |
8 |
8 |
Овсянка |
7 |
7 |
8 |
|
Кучердаевка |
6 |
7 |
8 |
Нагорное |
7 |
8 |
9 |
Огур |
7 |
7 |
8 |
|
Кучерово |
6 |
6 |
7 |
Назарово |
- |
6* |
6 |
Ойский |
7 |
8 |
9 |
|
Кытат |
- |
- |
6 |
Нарва |
7 |
8 |
9 |
Октябрьский |
- |
- |
6 |
|
Лазарево |
- |
- |
6 |
Нахвальское |
- |
6 |
7 |
Орешное |
7 |
8 |
9 |
|
Лазурный |
6 |
6 |
7 |
Невонка |
- |
- |
6 |
Орловка (Бирилюсский р-н) |
- |
- |
6 |
|
Лапшиха |
- |
- |
6 |
Недокура |
- |
- |
6 |
Орловка (Дзержинский р-н) |
- |
6 |
7 |
|
Лебедевка |
7 |
7 |
8 |
Нижнесуэтук |
7 |
8 |
8 |
Орье |
8 |
8 |
9 |
Продолжение таблицы
|
Наименование субъектов РФ и населенных пунктов |
Карты ОСР-2016 |
Наименование субъектов РФ и населенных пунктов |
Карты ОСР-2016 |
Наименование субъектов РФ и населенных пунктов |
Карты ОСР-2016 |
||||||
|
А |
В |
С |
А |
В |
С |
А |
В |
С |
|||
|
Осиновый Мыс |
- |
- |
6 |
Рыбное |
7 |
7 |
8 |
Талое |
7 |
7 |
8 |
|
Отношка |
- |
- |
6 |
Сагайское |
7 |
7 |
8 |
Танзыбей |
7 |
8 |
9 |
|
Отрок |
7 |
7 |
8 |
Салба |
7 |
7 |
8 |
Тарутино |
- |
- |
6 |
|
Павловка (Назаровский р-н) |
- |
- |
6 |
Самойловка |
- |
6 |
7 |
Тасеево |
- |
- |
6 |
|
Павловка (Нижнеингашский р-н) |
6 |
6 |
7 |
Сахапта |
6 |
6 |
7 |
Таскино |
7 |
7 |
8 |
|
Памяти 13 Борцов |
6 |
6 |
7 |
Саянский |
7 |
8* |
9* |
Тесь |
7 |
7 |
8 |
|
Паново |
- |
- |
6 |
Светлолобово |
6 |
7 |
7 |
Тигрицкое |
7 |
7 |
8 |
|
Парная |
6 |
6 |
7 |
Селиваниха |
7 |
7 |
8 |
Тиличеть |
- |
6 |
6 |
|
Партизанское |
7 |
8 |
9 |
Семенниково |
7 |
8 |
9 |
Тинской |
6 |
6 |
7 |
|
Первоманск |
7 |
7 |
8 |
Сивохино |
- |
- |
6 |
Тины |
6 |
6 |
7 |
|
Переясловка |
7 |
7 |
8 |
Сизая |
7 |
8 |
9 |
Толстихино |
7 |
7 |
8 |
|
Петропавловка (Абанский р-н) |
- |
6 |
7 |
Сизое |
7 |
8 |
9 |
Толстый мыс |
6 |
7 |
7 |
|
Петропавловка (Балахтинский р-н) |
6 |
6 |
7 |
Синеборск |
7 |
7 |
8 |
Троицк |
- |
- |
6 |
|
Пинчуга |
- |
- |
6 |
Соколовка |
6 |
6 |
7 |
Тубинск |
7 |
7 |
8 |
|
Подгорный |
6 |
7 |
8 |
Солгон |
6 |
6 |
7 |
Тугач |
7 |
8 |
9 |
|
Подсопки |
6 |
6 |
7 |
Солнечный |
6 |
6 |
7 |
Тумаково |
6 |
7 |
8 |
|
Поймо-Тины |
6 |
6 |
7 |
Солонцы |
6 |
7 |
8 |
Турово |
- |
6 |
7 |
|
Поканаевка |
- |
6 |
7 |
Сосновоборск |
6 |
7 |
8 |
Тюльково |
6 |
7 |
8 |
|
Покровка |
- |
6 |
7 |
Сотниково |
6 |
6 |
7 |
Тюхтет |
- |
- |
6 |
|
Почет |
- |
- |
6 |
Средняя Агинка |
7 |
8 |
9 |
Удачное |
- |
- |
6 |
|
Предивинск |
- |
- |
6 |
Старая копь |
7 |
7 |
8 |
Ужур |
6 |
6 |
7 |
|
Преображенка |
- |
- |
6 |
Старцево |
6 |
7 |
8* |
Унер |
7 |
8 |
9 |
|
Преображенский |
- |
6 |
6 |
Степановка |
7 |
8 |
9 |
Урал |
6 |
7 |
8 |
|
Приморск |
6 |
7 |
8 |
Степной |
6 |
6 |
7 |
Успенка (Ирбейский р-н) |
7 |
8 |
9 |
|
Приреченск |
6 |
6 |
7 |
Степной Баджей |
7 |
8 |
9 |
Успенка (Рыбинский р-н) |
6 |
7 |
8 |
|
Прихолмье |
7 |
7 |
8 |
Стойба |
7 |
8 |
9 |
Усть-Каначуль |
6 |
7 |
8 |
|
Причулымский |
- |
- |
6 |
Стретенка |
6 |
6 |
7 |
Устьянск |
6 |
6 |
7 |
|
Проелихино |
- |
- |
6 |
Субботино |
7 |
8 |
9 |
Усть-Яруль |
6 |
7 |
8 |
|
Пятково |
- |
- |
6 |
Сухобузимское |
6* |
6 |
7 |
Устюг |
6 |
6 |
7 |
|
Разъезжее |
7 |
8 |
9 |
Сухово |
- |
- |
6 |
Уяр |
7 |
7 |
8 |
|
Рассвет |
- |
- |
6 |
Сухоной |
7 |
8 |
9 |
Фаначет |
- |
- |
6 |
|
Ровное |
6 |
7 |
8 |
Сучково |
- |
- |
6 |
Филимоново |
6 |
7 |
8 |
|
Рождественское |
- |
- |
6 |
Сушиновка |
7 |
7 |
8 |
Хандала |
- |
- |
6 |
|
Российка |
- |
- |
6 |
Тагара |
- |
- |
6 |
Хандальск |
- |
- |
6 |
|
Роща |
7 |
7 |
8 |
Таежное |
6 |
6 |
7 |
Холмогорское |
6 |
6 |
7 |
|
Рощинский |
7 |
7 |
8 |
Талажанка |
- |
- |
6 |
Хребтовый |
- |
- |
6 |
|
Рудяное |
6 |
6 |
7 |
Таловка |
- |
- |
6 |
Центральный |
7 |
7 |
8 |
Продолжение таблицы
|
Наименование субъектов РФ и населенных пунктов |
Карты ОСР-2016 |
Наименование субъектов РФ и населенных пунктов |
Карты ОСР-2016 |
Наименование субъектов РФ и населенных пунктов |
Карты ОСР-2016 |
||||||
|
А |
В |
С |
А |
В |
С |
А |
В |
С |
|||
|
Чайковский |
- |
- |
6 |
Шадрино |
6 |
6 |
7 |
Шушенское |
7 |
7 |
8 |
|
Частоостровское |
6 |
6 |
7 |
Шалинское |
7 |
7 |
9* |
Шушь |
6 |
6 |
7 |
|
Черемушка |
7 |
7 |
8 |
Шалоболино |
7 |
7 |
8 |
Щетинкино |
7 |
7 |
8 |
|
Черемушки |
7 |
7 |
8 |
Шарыпово |
6 |
6 |
7 |
Элита |
6 |
7 |
8 |
|
Черемшанка |
7 |
7 |
8 |
Шеломки |
- |
6 |
7 |
Юдино |
7 |
7 |
8 |
|
Чечеул |
6 |
7 |
8 |
Шиверский |
- |
- |
6 |
Южно-Александровка |
6 |
7 |
8 |
|
Чибижек |
7 |
7 |
8 |
Шила |
- |
6 |
7 |
Юксеево |
- |
6 |
6 |
|
Чистое Поле |
6 |
7 |
7 |
Ширыштык |
7 |
8 |
9 |
Яркино |
- |
- |
6 |
|
Чунояр |
- |
- |
6 |
Шошино |
7 |
7 |
8 |
Ястребово |
- |
6 |
6 |
|
Чухломино |
6 |
7 |
8 |
Шуваево |
6 |
7* |
7 |
|
|
|
|
|
ПЕРМСКИЙ КРАЙ |
|||||||||||
|
Александровск |
- |
6 |
7 |
Калино |
- |
6 |
7 |
Ленск |
- |
- |
6 |
|
Ашап |
- |
- |
6 |
Карагай |
- |
- |
6 |
Лобаново |
- |
- |
6 |
|
Белоево |
- |
- |
6 |
Карьер Известняк |
- |
6 |
7 |
Луньевка |
- |
6 |
7 |
|
Березники |
- |
6 |
7 |
Керчевский |
- |
- |
6 |
Лысьва |
- |
6 |
7 |
|
Березовка |
- |
6 |
7 |
Кизел |
- |
6 |
7 |
Ляды |
- |
- |
7* |
|
Беркутово |
- |
- |
6 |
Ключи |
- |
- |
6 |
Лямино |
- |
6 |
7 |
|
Бершеть |
- |
- |
6 |
Комарихинский |
- |
6 |
7 |
Майкор |
- |
- |
6 |
|
Валай |
- |
6 |
7 |
Комсомольский |
- |
- |
6 |
Майский |
- |
- |
6 |
|
Верещагино |
- |
- |
6* |
Кондратово |
- |
- |
6 |
Медведка |
- |
6 |
7 |
|
Верх-Иньва |
- |
- |
6 |
Кордон (Кишертский р-н) |
- |
6 |
7 |
Менделеево |
- |
- |
6 |
|
Верхнечусовские Городки |
- |
6 |
7 |
Кордон (Косинский р-н) |
- |
- |
6 |
Моховое |
- |
- |
6 |
|
Вознесенское |
- |
- |
6 |
Кормовище |
- |
6 |
7 |
Мулянка |
- |
- |
6 |
|
Всеволодо-Вильва |
- |
6 |
7 |
Коса |
- |
- |
6 |
Мысы |
- |
- |
6 |
|
Всесвятская |
- |
6 |
7 |
Кочево |
- |
- |
6 |
Нагорнский |
- |
6 |
7 |
|
Гамово |
- |
- |
6 |
Кояново |
- |
- |
6 |
Неволино |
- |
- |
6 |
|
Горнозаводск |
- |
6 |
7 |
Красновишерск |
- |
6 |
7 |
Нердва |
- |
- |
6 |
|
Горный |
- |
- |
6 |
Краснокамск |
- |
- |
6 |
Нестюково |
- |
- |
6 |
|
Гремячинск |
- |
6 |
7 |
Красный Берег |
- |
6 |
7 |
Нововильвенский |
- |
6 |
7 |
|
Григорьевское |
- |
- |
6 |
Красный Восход |
- |
- |
6 |
Новоильинский |
- |
- |
6 |
|
Губаха |
- |
6 |
7 |
Кудымкар |
- |
- |
6 |
Новые Ляды |
- |
- |
6 |
|
Дивья |
- |
6 |
7 |
Кукуштан |
- |
- |
6 |
Ныроб |
- |
- |
6 |
|
Добрянка |
- |
- |
6 |
Култаево |
- |
- |
6 |
Нытва |
- |
- |
6 |
|
Ергач |
- |
- |
6 |
Кунгур |
- |
- |
6 |
Оверята |
- |
- |
6 |
|
Железнодорожный |
- |
6 |
7 |
Курашим |
- |
- |
6 |
Октябрьский |
- |
- |
6 |
|
Звездный |
- |
- |
6 |
Кусье-Александровский |
- |
6 |
7 |
Орда |
- |
- |
6 |
|
Зюкайка |
- |
- |
6 |
Кушмангорт |
- |
- |
6 |
Орел |
- |
- |
7 |
|
Ильинский |
- |
- |
6 |
Кыласово |
- |
- |
6 |
Пашия |
- |
6 |
7 |
|
Калинино |
- |
- |
6 |
Кын |
- |
6 |
7 |
Пермь |
- |
- |
7* |
Продолжение таблицы
|
Наименование субъектов РФ и населенных пунктов |
Карты ОСР-2016 |
Наименование субъектов РФ и населенных пунктов |
Карты ОСР-2016 |
Наименование субъектов РФ и населенных пунктов |
Карты ОСР-2016 |
||||||
|
А |
В |
С |
А |
В |
С |
А |
В |
С |
|||
|
Песьянка |
- |
- |
6 |
Скобелевка |
- |
- |
6 |
Ферма |
- |
- |
6 |
|
Петровка |
- |
- |
6 |
Сокол |
- |
- |
6 |
Филипповка |
- |
- |
6 |
|
Платошино |
- |
- |
6 |
Соликамск |
- |
6* |
7* |
Фролы |
- |
- |
6 |
|
Плеханово |
- |
- |
6 |
Сретенское |
- |
- |
6 |
Центральный Коспашский |
- |
6 |
7 |
|
Пожва |
- |
- |
6 |
Старый Бисер |
- |
6 |
7 |
Чайковская |
- |
- |
6 |
|
Полазна |
- |
- |
6 |
Стряпунята |
- |
- |
6 |
Чердынь |
- |
- |
6 |
|
Половинка |
- |
6 |
7 |
Суда |
- |
- |
6 |
Чермоз |
- |
- |
6 |
|
Половодово |
- |
6 |
7 |
Суксун |
- |
- |
6 |
Черное |
- |
6 |
7 |
|
Посад |
- |
- |
6 |
Сылва |
- |
6 |
7 |
Чусовой |
- |
6 |
7 |
|
Промысла |
- |
6 |
7 |
Теплая Гора |
- |
6 |
7 |
Шадейка |
- |
- |
6 |
|
Родники |
- |
6 |
7 |
Тохтуева |
- |
6 |
7 |
Шахта |
- |
6 |
7 |
|
Рудничный |
- |
6 |
7 |
Тюлькино |
- |
- |
6 |
Широковский |
- |
6 |
7 |
|
Рябинино |
- |
- |
6 |
Тюш |
- |
- |
6 |
Шумихинский |
- |
6 |
7 |
|
Савино |
- |
- |
6 |
Углеуральский |
- |
6 |
7 |
Юбилейный |
- |
6 |
7 |
|
Сараны |
- |
6 |
7 |
Уинское |
- |
- |
6 |
Юг |
- |
- |
6 |
|
Сарс |
- |
- |
6 |
Уральский |
- |
- |
6 |
Юго-Камский |
- |
- |
6* |
|
Северный Коспашский |
- |
6 |
7 |
Усолье |
- |
6 |
7 |
Южный Коспашский |
- |
6 |
7 |
|
Серга |
- |
- |
7* |
Усть-Качка |
- |
- |
6 |
Юрла |
- |
- |
6 |
|
Сива |
- |
- |
6* |
Усть-Кишерть |
- |
- |
6 |
Юсьва |
- |
- |
6 |
|
Сим |
- |
6 |
7 |
Усть-Черная |
- |
- |
6 |
Яйва |
- |
6 |
7 |
|
Скальный |
- |
6 |
7 |
Усьва |
- |
6 |
7 |
|
|
|
|
|
ПРИМОРСКИЙ КРАЙ |
|||||||||||
|
Абрамовка |
6 |
6 |
7 |
Астраханка |
6 |
6 |
7 |
Варфоломеевка |
6 |
7 |
7 |
|
Авангард |
6 |
6 |
8 |
Барабаш |
6 |
6 |
7 |
Васильковка |
6 |
6 |
7 |
|
Авдеевка |
6 |
6 |
7 |
Барабаш-Левада |
6 |
6 |
7 |
Вассиановка |
6 |
6 |
7 |
|
Агзу |
6 |
6 |
7 |
Барано-Оренбургское |
6 |
6 |
7 |
Веденка |
6 |
6 |
7 |
|
Александровка |
6 |
6 |
7 |
Беневское |
6 |
7 |
8 |
Верхний Перевал |
6 |
7 |
7 |
|
Алтыновка |
6 |
6 |
7 |
Березовка |
6 |
7 |
8 |
Верхняя Бреевка |
6 |
7 |
8 |
|
Амгу |
7 |
7 |
8 |
Благодатное |
6 |
6 |
7 |
Веселый Яр |
6 |
7 |
8 |
|
Андреевка |
6 |
6 |
7 |
Боголюбовка |
6 |
7 |
8 |
Вишневка |
6 |
6 |
7 |
|
Анна |
6 |
6 |
7 |
Богуславка |
6 |
6 |
7 |
Владивосток |
6 |
6 |
7 |
|
Антоновка (Кировский р-н) |
6 |
6 |
7 |
Большой Камень |
6 |
6 |
7 |
Владимиро-Александровское |
6 |
6 |
8 |
|
Антоновка (Чугуевский р-н) |
6 |
7 |
8 |
Борисовка |
6 |
6 |
7 |
Владимировка |
6 |
6 |
7 |
|
Анучино |
6 |
6 |
7 |
Бровничи |
6 |
6 |
7 |
Владимиро-Петровка |
6 |
6 |
7 |
|
Ариадное |
6 |
7 |
8 |
Булыга-Фадеево |
6 |
7 |
8 |
Воздвиженка |
6 |
6 |
7 |
|
Арсеньев |
6 |
7* |
7 |
Буссевка |
6 |
6 |
7 |
Вознесенка |
6 |
6 |
7 |
|
Артем |
6 |
6 |
7 |
Вадимовка |
6 |
6 |
7 |
Волчанец |
6 |
6 |
7 |
|
Артемовский |
6 |
6 |
7 |
Валентин |
6 |
7 |
7 |
Вольно-Надеждинское |
6 |
6 |
7 |
Продолжение таблицы
|
Наименование субъектов РФ и населенных пунктов |
Карты ОСР-2016 |
Наименование субъектов РФ и населенных пунктов |
Карты ОСР-2016 |
Наименование субъектов РФ и населенных пунктов |
Карты ОСР-2016 |
||||||
|
А |
В |
С |
А |
В |
С |
А |
В |
С |
|||
|
Воскресенка |
6 |
6 |
7 |
Камень-Рыболов |
6 |
6 |
7 |
Меркушевка |
6 |
6 |
7 |
|
Восток |
6 |
7 |
8 |
Киевка |
6 |
7 |
8 |
Милоградово |
6 |
7 |
7 |
|
Вострецово |
6 |
7 |
8 |
Кипарисово |
6 |
6 |
7 |
Михайловка |
6 |
6 |
7 |
|
Врангель |
6 |
6 |
8 |
Кировский |
6 |
6 |
7 |
Многоудобное |
6 |
6 |
7 |
|
Высокогорск |
6 |
7 |
8 |
Кневичи |
6 |
6 |
7 |
Молчановка |
6 |
6 |
8 |
|
Гайворон |
6 |
6 |
7 |
Кокшаровка |
6 |
7 |
8 |
Монастырище |
6 |
6 |
7 |
|
Галенки |
6 |
6 |
7 |
Комаровка |
6 |
6 |
7 |
Моряк-Рыболов |
6 |
7 |
7 |
|
Глубинное |
6 |
7 |
8 |
Комиссарово |
6 |
6 |
7 |
Муравейка |
6 |
6 |
7 |
|
Гоголевка |
6 |
6 |
7 |
Корсаковка |
6 |
6 |
7 |
Нагорное |
6 |
6 |
7 |
|
Горбатка |
6 |
6 |
7 |
Краскино |
6 |
6 |
7 |
Находка |
6 |
6 |
8* |
|
Горное |
6 |
6 |
7 |
Краснореченский |
6 |
7 |
8 |
Невское |
6 |
6 |
7 |
|
Горнореченский |
6 |
7 |
8 |
Красный Кут |
6 |
6 |
7 |
Нежино |
6 |
6 |
7 |
|
Горные Ключи |
6 |
6 |
7 |
Красный яр |
6 |
7 |
8 |
Нестеровка |
6 |
6 |
7 |
|
Горный |
6 |
7 |
8 |
Кремово |
6 |
6 |
7 |
Николаевка |
6 |
6 |
8 |
|
Гражданка |
6 |
6 |
7 |
Кролевцы |
6 |
6 |
7 |
Новицкое |
6 |
6 |
8 |
|
Григорьевка |
6 |
6 |
7 |
Кронштадка |
6 |
6 |
7 |
Нововладимировка |
6 |
6 |
7 |
|
Дальнегорск |
7* |
7 |
8 |
Крыловка |
6 |
7 |
7 |
Новогеоргиевка |
6 |
6 |
7 |
|
Дальнереченск |
6 |
6 |
7 |
Курское |
6 |
6 |
7 |
Новодевица |
6 |
6 |
7 |
|
Дальний Кут |
6 |
7 |
8 |
Лазо (Дальнереченский гор. округ) |
6 |
6 |
7 |
Новокачалинск |
6 |
6 |
7 |
|
Дмитриевка |
6 |
6 |
7 |
Лазо (Лазовский р-н) |
6 |
7 |
8 |
Новокрещенка |
6 |
7 |
8 |
|
Дубовское |
6 |
6 |
7 |
Лесозаводск |
6 |
6 |
7 |
Новомихайловка |
6 |
7 |
8 |
|
Дунай |
6 |
6 |
7 |
Летно-Хвалынское |
6 |
6 |
7 |
Новонежино |
6 |
6 |
7 |
|
Духовское |
6 |
6 |
7 |
Ливадия |
6 |
6 |
7 |
Новоникольск |
6 |
6 |
7 |
|
Екатериновка |
6 |
6 |
8* |
Липовцы |
6 |
6 |
7 |
Новопокровка |
6 |
7 |
8 |
|
Жариково |
6 |
6 |
7 |
Лукьяновка |
6 |
7 |
7 |
Новороссия |
6 |
6 |
7 |
|
Заветное |
6 |
7 |
8 |
Лучегорск |
6 |
6 |
7 |
Новоселище |
6 |
6 |
7 |
|
Заводской |
6 |
6 |
7 |
Лучки |
6 |
6 |
7 |
Новосельское |
6 |
6 |
7 |
|
Загорное |
6 |
7 |
7 |
Любитовка |
6 |
7 |
8 |
Новостройка |
6 |
6 |
7 |
|
Занадворовка |
6 |
6 |
7 |
Ляличи |
6 |
6 |
7 |
Новосысоевка |
6 |
7 |
7 |
|
Зарубино |
6 |
6 |
7 |
Максимовка |
7 |
7 |
8 |
Новошахтинский |
6 |
6 |
7 |
|
Зеленовка |
6 |
6 |
7 |
Малая Кема |
7 |
7 |
8 |
Новый |
6 |
6 |
7 |
|
Зеркальное |
7 |
7 |
8 |
Малиново |
6 |
7 |
8 |
Октябрьское |
6 |
6 |
7 |
|
Золотая Долина |
6 |
6 |
8 |
Маргаритово |
6 |
7 |
7 |
Олений |
6 |
6 |
7 |
|
Ивановка |
6 |
6 |
7 |
Марково |
6 |
6 |
7 |
Ольга |
6 |
7 |
8* |
|
Игнатьевка |
6 |
6 |
7 |
Мартынова Поляна |
6 |
7 |
8 |
Орехово |
6 |
7 |
8 |
|
Измайлиха |
6 |
7 |
8 |
Марьяновка |
6 |
7 |
7 |
Осиновка |
6 |
6 |
7 |
|
Ильинка |
6 |
6 |
7 |
Междуречье |
6 |
7 |
7 |
Павлофедоровка |
6 |
6 |
7 |
|
Кавалерово |
6 |
7 |
8 |
Мельники |
6 |
6 |
7 |
Павло-Федоровка |
6 |
6 |
7 |
|
Каменка |
7 |
7 |
8 |
Мельничное |
6 |
7 |
8 |
Пантелеймоновка |
6 |
6 |
7 |
Продолжение таблицы
|
Наименование субъектов РФ и населенных пунктов |
Карты ОСР-2016 |
Наименование субъектов РФ и населенных пунктов |
Карты ОСР-2016 |
Наименование субъектов РФ и населенных пунктов |
Карты ОСР-2016 |
||||||
|
А |
В |
С |
А |
В |
С |
А |
В |
С |
|||
|
Партизанск |
6 |
6 |
8* |
Сальское |
6 |
6 |
7 |
Трудовое |
6 |
6 |
7 |
|
Первомайское |
6 |
6 |
7 |
Самарга |
6 |
7 |
8 |
Турий Рог |
6 |
6 |
7 |
|
Перетычиха |
6 |
7 |
7 |
Самарка |
6 |
7 |
8 |
Уборка |
6 |
7 |
8 |
|
Пермское |
6 |
7 |
7 |
Саратовка |
6 |
7 |
8 |
Увальное |
6 |
6 |
7 |
|
Петровка |
6 |
6 |
7 |
Светлая |
7 |
7 |
8 |
Углекаменск |
6 |
6 |
8 |
|
Пластун |
7 |
7 |
8 |
Светлогорье |
6 |
6 |
7 |
Угловое |
6 |
6 |
7 |
|
Пограничный |
6 |
6 |
7 |
Свиягино |
6 |
6 |
7 |
Уссурийск |
6 |
6 |
7 |
|
Подъяпольское |
6 |
6 |
7 |
Серафимовка |
6 |
7 |
7 |
Уссурка |
6 |
6 |
7 |
|
Пожарское |
6 |
6 |
7 |
Сергеевка (Партизанский р-н) |
6 |
6 |
8 |
Устиновка |
6 |
7 |
7 |
|
Покровка |
6 |
6 |
7 |
Сергеевка (Пограничный р-н) |
6 |
6 |
7 |
Усть-Соболевка |
7 |
7 |
8 |
|
Попова |
6 |
6 |
7 |
Сержантово |
7 |
7 |
8 |
Федосьевка |
6 |
6 |
7 |
|
Поповка |
6 |
6 |
7 |
Сибирцево |
6 |
6 |
7 |
Фокино |
6 |
6 |
7 |
|
Поречье |
6 |
6 |
7 |
Сиваковка |
6 |
6 |
7 |
Фроловка |
6 |
6 |
8 |
|
Посьет |
6 |
6 |
7 |
Синий Гай |
6 |
6 |
7 |
Хасан |
- |
6 |
7 |
|
Преображение |
6 |
7 |
8 |
Славянка |
6 |
6 |
7 |
Хвалынка |
6 |
6 |
7 |
|
Преображенка |
6 |
6 |
7 |
Смоляниново |
6 |
6 |
7 |
Хвищанка |
6 |
7 |
7 |
|
Прилуки |
6 |
6 |
7 |
Соболиный |
6 |
7 |
8 |
Хмыловка |
6 |
6 |
8 |
|
Приморский |
6 |
6 |
7 |
Соколовка |
6 |
7 |
8 |
Хороль |
6 |
6 |
7 |
|
Прохладное |
6 |
6 |
7 |
Спасск-Дальний |
6 |
6 |
7 |
Хрустальный |
6 |
7 |
8 |
|
Прохоры |
6 |
6 |
7 |
Спасское |
6 |
6 |
7 |
Центральное |
6 |
6 |
7 |
|
Путятин |
6 |
6 |
7 |
Староварваровка |
6 |
6 |
7 |
Черниговка |
6 |
6 |
7 |
|
Пшеницыно |
6 |
7 |
8 |
Старосысоевка |
6 |
6 |
7 |
Черноручье |
6 |
7 |
8 |
|
Раздольное |
6 |
6 |
7 |
Старый Ключ |
6 |
6 |
7 |
Чернышевка |
6 |
6 |
7 |
|
Ракитное |
6 |
7 |
7 |
Степное |
6 |
6 |
7 |
Чистоводное |
6 |
7 |
8 |
|
Раковка |
6 |
6 |
7 |
Стретенка |
6 |
6 |
7 |
Чкаловское |
6 |
6 |
7 |
|
Реттиховка |
6 |
6 |
7 |
Суражевка |
6 |
6 |
7 |
Чугуевка |
6 |
7 |
8 |
|
Рождественка |
6 |
6 |
7 |
Тавричанка |
6 |
6 |
7 |
Ширяевка |
6 |
6 |
7 |
|
Романовка |
6 |
6 |
7 |
Таежное |
6 |
7 |
8 |
Шкотово |
6 |
6 |
7 |
|
Рощино |
6 |
7 |
8 |
Терней |
7 |
7 |
8 |
Штыково |
6 |
6 |
7 |
|
Рудная Пристань |
7 |
7 |
8 |
Тигровой |
6 |
6 |
7 |
Шумный |
6 |
7 |
8 |
|
Рудный |
6 |
7 |
8 |
Тимирязевский |
6 |
6 |
7 |
Щербаковка |
6 |
7 |
7 |
|
Ружино |
6 |
6 |
7 |
Тимофеевка |
7 |
7 |
8 |
Яблоновка |
6 |
7 |
7 |
|
Руновка |
6 |
6 |
7 |
Тихменево |
6 |
6 |
7 |
Яковлевка |
6 |
7 |
7 |
|
Русский |
6 |
6 |
7 |
Троицкое |
6 |
6 |
7 |
Ярославский |
6 |
6 |
7 |
|
СТАВРОПОЛЬСКИЙ КРАЙ |
|||||||||||
|
Айгурский |
6 |
6 |
7 |
Алексеевское |
6 |
6 |
7 |
Андрей-Курган |
6 |
7 |
7 |
|
Александрийская |
7 |
8 |
8 |
Аликоновка |
8 |
8 |
9 |
Апанасенковское |
6 |
6 |
7 |
|
Александрия |
6 |
7 |
7 |
Алтухов |
6 |
6 |
7 |
Арзгир |
6 |
6 |
7 |
|
Александровское |
7 |
7 |
8 |
Анджиевский |
7 |
8 |
9 |
Архангельское |
6 |
7 |
7 |
Продолжение таблицы
|
Наименование субъектов РФ и населенных пунктов |
Карты ОСР-2016 |
Наименование субъектов РФ и населенных пунктов |
Карты ОСР-2016 |
Наименование субъектов РФ и населенных пунктов |
Карты ОСР-2016 |
||||||
|
А |
В |
С |
А |
В |
С |
А |
В |
С |
|||
|
Архиповское |
7 |
7 |
7 |
Георгиевская |
7 |
8 |
8 |
имени Кирова |
6 |
7 |
7 |
|
Ачикулак |
7 |
7 |
8 |
Горнозаводское |
7 |
8 |
8 |
Иноземцево |
8 |
8 |
9 |
|
Баклановская |
6 |
7 |
8 |
Горькая Балка |
7 |
7 |
8 |
Ипатово |
6 |
6 |
7 |
|
Балахановское |
7 |
8 |
8 |
Горьковский |
6 |
6 |
7 |
Иргаклы |
7 |
7 |
8 |
|
Балковский |
7 |
7 |
8 |
Горячеводский |
8 |
8 |
9 |
Искра |
6 |
6 |
7 |
|
Балтийский |
7 |
8 |
8 |
Гофицкое |
6 |
7 |
7 |
Казгулак |
6 |
6 |
7 |
|
Барсуковский |
7 |
8 |
9 |
Гражданское |
8 |
8 |
9 |
Казинка |
7 |
8 |
9 |
|
Безопасное |
6 |
6 |
7 |
Графский |
8 |
8 |
9 |
Казьминское |
7 |
8 |
8 |
|
Бекешевская |
8 |
8 |
9 |
Грачевка |
7 |
7 |
8 |
Калиновское |
7 |
7 |
8 |
|
Белые копани |
6 |
6 |
7 |
Греческое |
7 |
8 |
8 |
Камбулат |
6 |
6 |
7 |
|
Бешпагир |
7 |
7 |
8 |
Григорополисская |
6 |
7 |
7 |
Каменная Балка (Арзгирский р-н) |
6 |
6 |
7 |
|
Благодарный |
6 |
6 |
7 |
Грушевское |
7 |
7 |
8 |
Каменная Балка (Благодарненский р-н) |
6 |
6 |
7 |
|
Благодатное |
6 |
7 |
7 |
Демино |
7 |
8 |
8 |
Каменнобродская |
7 |
7 |
8 |
|
Богдановка |
7 |
8 |
8 |
Дербетовка |
6 |
6 |
7 |
Каново |
7 |
8 |
8 |
|
Бол. джалга |
6 |
6 |
7 |
Дивное |
6 |
6 |
7 |
Кара-Тюбе |
7 |
7 |
8 |
|
Большая Джалга |
6 |
6 |
7 |
Дмитриевское |
6 |
6 |
7 |
Кармалиновская |
6 |
7 |
8 |
|
Большевик |
6 |
6 |
7 |
Добровольное |
6 |
6 |
7 |
Каясула |
7 |
7 |
8 |
|
Боргустанская |
8 |
8 |
9 |
Долиновка |
7 |
7 |
8 |
Кевсала |
6 |
6 |
7 |
|
Бородыновка |
8 |
8 |
9 |
Донская Балка |
6 |
7 |
7 |
Кендже-Кулак |
6 |
6 |
7 |
|
Буденновск |
6 |
7 |
7 |
Донское |
6 |
7 |
8* |
Киевка |
6 |
6 |
7 |
|
Бурлацкое |
6 |
6 |
7 |
Дубовка |
7 |
7 |
8 |
Кисловодск |
8 |
8 |
9 |
|
Бурукшун |
6 |
6 |
7 |
Елизаветинское |
6 |
7 |
7 |
Китаевское |
6 |
7 |
7 |
|
Варенниковское |
7 |
7 |
8 |
Ессентуки |
8 |
8 |
9 |
Коммаяк |
7 |
7 |
8 |
|
Величаевское |
6 |
6 |
7 |
Ессентукская |
8 |
8 |
9 |
Комсомолец |
7 |
8 |
8 |
|
Верхнерусское |
7 |
7 |
8 |
Железноводск |
8 |
8 |
9 |
Константиновская |
8 |
8 |
9 |
|
Верхнестепной |
7 |
8 |
8 |
Железноводский |
8 |
8 |
9 |
Константиновское |
6 |
7 |
7 |
|
Винодельненский |
6 |
6 |
7 |
Журавское |
6 |
7 |
7 |
Кочубеевское |
7 |
8 |
8 |
|
Винсады |
8 |
8 |
9 |
Заветное |
7 |
8 |
8 |
Красногвардейское |
6 |
6 |
7 |
|
Владимировка |
6 |
7 |
7 |
Заря |
6 |
7 |
7 |
Красное |
7 |
7 |
8 |
|
Водораздел |
7 |
8 |
9 |
Затеречный |
6 |
7 |
7 |
Краснозоринский |
6 |
7 |
8 |
|
Воздвиженское |
6 |
6 |
7 |
Зеленогорский |
8 |
8 |
9 |
Краснокумское |
7 |
8 |
8 |
|
Вознесеновская |
6 |
6 |
7 |
Зеленокумск |
7 |
7 |
8 |
Красночервонный |
6 |
7 |
7 |
|
Ворововсколесская |
7 |
8 |
9 |
Зимняя ставка |
6 |
6 |
7 |
Красноярский |
7 |
8 |
9 |
|
Воровсколесская |
8* |
8 |
9 |
Золотаревка |
6 |
6 |
7 |
Красноярское |
7 |
8 |
9 |
|
Восточный |
7 |
7 |
8 |
Зольская |
8 |
8 |
9 |
Красный Маныч |
6 |
6 |
7 |
|
Вревское |
7 |
7 |
8 |
Зункарь |
7 |
7 |
8 |
Красный Октябрь |
6 |
7 |
7 |
|
Высоцкое |
7 |
7 |
8 |
Изобильный |
7 |
7 |
8 |
Красочный |
6 |
6 |
7 |
|
Галюгаевская |
8 |
8 |
9 |
Им. Кирова |
6 |
7 |
7 |
Круглолесское |
7 |
7 |
8 |
|
Георгиевск |
7 |
8 |
8 |
Им. Тельмана |
8 |
8 |
9 |
Крымгиреевское |
7 |
8 |
8 |
Продолжение таблицы
|
Наименование субъектов РФ и населенных пунктов |
Карты ОСР-2016 |
Наименование субъектов РФ и населенных пунктов |
Карты ОСР-2016 |
Наименование субъектов РФ и населенных пунктов |
Карты ОСР-2016 |
||||||
|
А |
В |
С |
А |
В |
С |
А |
В |
С |
|||
|
Кугульта |
6 |
7 |
7 |
Новая Кугульта |
6 |
6 |
7 |
Подкумок |
8 |
8 |
9 |
|
Куликовы Копани |
6 |
6 |
7 |
Новая Деревня |
7 |
8 |
8 |
Подлесное |
6 |
6 |
7 |
|
Курсавка |
7 |
8 |
9 |
Новая Жизнь |
6 |
6 |
7 |
Подлужное |
7 |
7 |
8 |
|
Курская |
7 |
8 |
8 |
Новкус-Артезиан |
7 |
7 |
8 |
Покойное |
6 |
7 |
7 |
|
Куршава |
7 |
8 |
9 |
Новоалександровск |
6 |
7 |
7 |
Покровское |
6 |
6 |
7 |
|
Кучерла |
6 |
6 |
7 |
Новоблагодарное |
8 |
8 |
9 |
Полтавское |
7 |
8 |
9 |
|
Ладовская Балка |
6 |
6 |
7 |
Новозаведенное |
7 |
7 |
8 |
Правокумское |
6 |
7 |
7 |
|
Левокумка |
7 |
8 |
9 |
Новоизобильный |
6 |
7 |
8 |
Прасковея |
6 |
7 |
7 |
|
Левокумское |
6 |
7 |
7 |
Новокавказский |
7 |
7 |
8 |
Преградное |
6 |
6 |
7 |
|
Лермонтов |
8 |
8 |
9 |
Новокумский |
6 |
7 |
7 |
Преображенское |
6 |
7 |
7 |
|
Летняя Ставка |
6 |
6 |
7 |
Новомарьевская |
7 |
7 |
8 |
Привольное |
6 |
6 |
7 |
|
Лиман |
6 |
6 |
7 |
Новомихайловское |
6 |
6 |
7 |
Прикалаусский |
6 |
6 |
7 |
|
Луначарский |
8 |
8 |
9 |
Новопавловск |
7 |
8 |
9* |
Прикумское |
8 |
8 |
9 |
|
Лысогорская |
7 |
8 |
9 |
Новоромановское |
6 |
6 |
7 |
Приозерское |
6 |
6 |
7 |
|
Малая Джалга |
6 |
6 |
7 |
Новоселицкое |
6 |
7 |
7 |
Прогресс |
8 |
8 |
9 |
|
Малые Ягуры |
6 |
6 |
7 |
Новотерский |
8 |
8 |
9 |
Просянка |
6 |
7 |
7 |
|
Малый Барханчак |
6 |
6 |
7 |
Новотроицкая |
7 |
7 |
8 |
Птичье |
6 |
7 |
7 |
|
Манычское |
6 |
6 |
7 |
Новоульяновский |
7 |
7 |
8 |
Пятигорск |
8 |
8 |
9 |
|
Марьины Колодцы |
7 |
8 |
8 |
Новый |
7 |
8 |
8 |
Рагули |
6 |
6 |
7 |
|
Махмуд-Мектеб |
7 |
7 |
8 |
Новый Маяк |
7 |
7 |
8 |
Радуга |
6 |
6 |
7 |
|
Медвеженский |
6 |
6 |
7 |
Новый Янкуль |
7 |
8 |
8 |
Раздольное |
6 |
7 |
8 |
|
Минеральные Воды |
8* |
8 |
9 |
Обильное |
7 |
7 |
8 |
Расшеватская |
6 |
6 |
7 |
|
Мирное |
6 |
6 |
7 |
Овощи |
6 |
6 |
7 |
Рогатая Балка |
6 |
7 |
7 |
|
Мирный |
7 |
8 |
8 |
Озек-Суат |
6 |
7 |
7 |
Родниковское |
6 |
6 |
7 |
|
Михайловск |
7 |
7 |
8 |
Октябрьское |
6 |
6 |
7 |
Родыки |
6 |
6 |
7 |
|
Московское |
7 |
7 |
8 |
Ольгино |
7 |
7 |
8 |
Рождественская |
7 |
7 |
8 |
|
Нагутское |
7 |
8 |
8 |
Орловка (Будённовский р-н) |
6 |
7 |
7 |
Розовка |
7 |
7 |
8 |
|
Надежда |
7 |
8* |
8 |
Орловка (Кировский р-н) |
7 |
8 |
8 |
Рощино |
7 |
8 |
8 |
|
Надзорное |
7 |
8 |
8 |
Острогорка |
8 |
8 |
9 |
Русское |
8 |
8 |
9 |
|
Невинномысск |
7 |
8 |
9* |
Отказное |
7 |
7 |
8 |
Рыздвяный |
7 |
7 |
8 |
|
Нежинский |
8 |
8 |
9 |
Падинское |
7 |
7 |
8 |
Саблинское |
7 |
7 |
8 |
|
Незлобная |
7 |
8 |
8 |
Пелагиада |
7 |
7 |
8 |
Садовое |
6 |
6 |
7 |
|
Нефтекумск |
6 |
7 |
7 |
Первомайский |
7 |
8 |
9 |
Светлоград |
6 |
7* |
7 |
|
Нижняя Александровка |
7 |
8 |
8 |
Первомайское |
6 |
6 |
7 |
Светлый |
6 |
7* |
7 |
|
Нижнезольский |
7 |
8 |
8 |
Перевальный |
7 |
7 |
8 |
Свободы |
8 |
8 |
9 |
|
Нижнеподкумский |
8 |
8 |
9 |
Передовой |
6 |
7 |
8 |
Северное |
7 |
7 |
8 |
|
Николина Балка |
6 |
6 |
7 |
Петропавловское |
6 |
6 |
7 |
Сенгилеевское |
7 |
7 |
8 |
|
Николо-Александровское |
6 |
6 |
7 |
Побегайловка |
8 |
8 |
9 |
Серафимовское |
6 |
6 |
7 |
|
Нины |
7 |
7 |
8 |
Подгорная |
7 |
8 |
8 |
Сергиевское |
7 |
7 |
8 |
Продолжение таблицы
|
Наименование субъектов РФ и населенных пунктов |
Карты ОСР-2016 |
Наименование субъектов РФ и населенных пунктов |
Карты ОСР-2016 |
Наименование субъектов РФ и населенных пунктов |
Карты ОСР-2016 |
||||||
|
А |
В |
С |
А |
В |
С |
А |
В |
С |
|||
|
Советская |
7 |
8 |
8 |
Суворовская |
8 |
8 |
9 |
Урухская |
7 |
7 |
8 |
|
Советское Руно |
6 |
6 |
7 |
Султан |
7 |
8 |
8 |
Фазанный |
7 |
8 |
8 |
|
Солдато-Александровское |
7 |
7 |
8 |
Суркуль |
7 |
8 |
9 |
Цимлянский |
7 |
8 |
9 |
|
Солнечнодольск |
7 |
7 |
8 |
Сухая буйвола |
6 |
7 |
7 |
Чернолесское |
6 |
7 |
7 |
|
Соломенское |
7 |
7 |
8 |
Татарка |
7 |
8 |
9 |
Чограйский |
6 |
6 |
7 |
|
Солуно-Дмитриевское |
7 |
8 |
9 |
Тахта |
6 |
6 |
7 |
Шангала |
6 |
6 |
7 |
|
Сотниковское |
6 |
6 |
7 |
Темижбекский |
6 |
7 |
7 |
Шаумянский |
7 |
8 |
8 |
|
Спасское |
6 |
6 |
7 |
Темнолесская |
7 |
8 |
9 |
Шведино |
6 |
6 |
7 |
|
Спицевка |
7 |
7 |
8 |
Терский |
7 |
7 |
8 |
Шишкино |
6 |
7 |
7 |
|
Спорный |
7 |
7 |
8 |
Тищенское |
6 |
7 |
8* |
Шпаковское |
7 |
7 |
8 |
|
Средний |
7 |
7 |
8 |
Толстово-Васюковское |
6 |
6 |
7 |
Щелкан |
6 |
7 |
7 |
|
Ставрополь |
7 |
8* |
9* |
Томузловское |
6 |
7 |
7 |
Эдельбай |
6 |
6 |
7 |
|
Ставропольский |
6 |
7 |
7 |
Труновское |
6 |
7 |
7 |
Эдиссия |
7 |
8 |
8 |
|
Стародворцовский |
7 |
8 |
9 |
Тугулук |
6 |
7 |
8 |
Этока |
8 |
8 |
9 |
|
Стародубское |
7 |
7 |
7 |
Тукуй-Мектеб |
7 |
7 |
8 |
Юца |
8 |
8 |
9 |
|
Староизобильная |
7 |
7 |
8 |
Турксад |
6 |
6 |
7 |
Янкуль |
7 |
8 |
8 |
|
Старомарьевка |
7 |
7 |
8 |
Ульяновка |
7 |
8 |
9 |
Ясная Поляна |
8 |
8 |
9 |
|
Степное |
7 |
8* |
8 |
Урожайное |
6 |
7 |
7 |
Ясный |
6 |
6 |
7 |
|
Стодеревская |
8 |
8 |
9 |
Урожайный |
8 |
8 |
9 |
|
|
|
|
|
ХАБАРОВСКИЙ КРАЙ |
|||||||||||
|
Амурск |
7* |
7 |
8 |
Гайтер |
6 |
7 |
8 |
Ильинка |
6 |
6 |
7 |
|
Анастасьевка |
6 |
6 |
7 |
Галкино |
6 |
7* |
7 |
имени Полины Осипенко |
7 |
7 |
8 |
|
Аян |
7 |
7 |
8 |
Гаровка 1-я |
6 |
6 |
7 |
Иннокентьевка |
6 |
7 |
7 |
|
Березовый |
7 |
7 |
8 |
Гаровка 2-я |
6 |
6 |
7 |
Калинка |
6 |
6 |
7 |
|
Бикин |
6 |
6 |
7 |
Георгиевка |
6 |
6 |
7 |
Князе-Волконское |
6 |
6 |
7 |
|
Бичевая |
6 |
6 |
7 |
Горин |
7 |
7 |
8 |
Комсомольск-на-Амуре |
7* |
7 |
8 |
|
Богородское |
7 |
7 |
8 |
Горный |
7 |
7 |
8 |
Корфовский |
6 |
6 |
7 |
|
Болонь |
7 |
7 |
8 |
Гродеково |
6 |
6 |
7 |
Краснореченское |
6 |
6 |
7 |
|
Большая Картель |
6 |
7 |
8 |
Гурское |
7 |
7 |
8 |
Лазарев |
8 |
8 |
9 |
|
Бриакан |
7 |
7 |
8 |
Де-Кастри |
7 |
8 |
8 |
Лермонтовка |
6 |
6 |
7 |
|
Булава |
7 |
7 |
8 |
Джонка |
6 |
7 |
7 |
Лесопильное |
6 |
6 |
7 |
|
Бычиха |
6 |
7 |
7 |
Дормидонтовка |
6 |
6 |
7 |
Лидога |
6 |
6 |
7 |
|
Ванино |
7 |
7 |
8 |
Дружба |
6 |
6 |
7 |
Литовко |
7 |
7 |
8 |
|
Вознесенское |
6 |
7 |
8 |
Дубовый Мыс |
6 |
6 |
7 |
Лососина |
7 |
7 |
8 |
|
Восточное |
6 |
7* |
7 |
Дуки |
7 |
7 |
8 |
Маго |
7 |
7 |
8 |
|
Высокогорный |
7 |
7 |
8 |
Заветы Ильича |
7 |
7 |
8 |
Майский |
7 |
7 |
8 |
|
Вяземский |
6 |
6 |
7 |
Заозерное |
6 |
7 |
7 |
Матвеевка |
6 |
7 |
7 |
|
Вятское |
6 |
6 |
7 |
Известковый |
7 |
7 |
8 |
Маяк |
6 |
6 |
7 |
Продолжение таблицы
|
Наименование субъектов РФ и на- селенных пунктов |
Карты ОСР-2016 |
Наименование субъектов РФ и населенных пунктов |
Карты ОСР-2016 |
Наименование субъектов РФ и населенных пунктов |
Карты ОСР-2016 |
||||||
|
А |
В |
С |
А |
В |
С |
А |
В |
С |
|||
|
Мирное |
6 |
7 |
7 |
Полетное |
6 |
6 |
7 |
Тополево |
6 |
7 |
7 |
|
Мичуринское |
6 |
7 |
8* |
Ракитное |
6 |
6 |
7 |
Троицкое |
6 |
6 |
7 |
|
Многовершинный |
7 |
7 |
8 |
Санболи |
7 |
7 |
8 |
Тырма |
7 |
7 |
8 |
|
Могилевка |
6 |
6 |
7 |
Селихино |
6 |
7 |
8 |
Уктур |
7 |
7 |
8 |
|
Молодежный |
6 |
7 |
8 |
Сергеевка |
6 |
6 |
7 |
Хабаровск |
6 |
7* |
8* |
|
Монгохто |
7 |
7 |
8 |
Сита |
6 |
6 |
7 |
Хор |
6 |
6 |
7 |
|
Мухен |
6 |
6 |
7 |
Снежный |
7 |
7 |
8 |
Хурба |
7* |
7 |
8 |
|
Некрасовка |
6 |
6 |
7 |
Советская Гавань |
7 |
7 |
8 |
Хурмули |
7 |
7 |
8 |
|
Николаевск-на-Амуре |
7 |
8* |
8 |
Согда |
7 |
7 |
8 |
Циммермановка |
7 |
7 |
8 |
|
Новый Мир |
6 |
7 |
8 |
Солнечный |
7 |
7 |
8 |
Чегдомын |
7 |
7 |
8 |
|
Новый Ургал |
7 |
7 |
8 |
Сосновка |
6 |
6 |
7 |
Черная Речка |
6 |
6 |
7 |
|
Октябрьский |
7 |
7 |
8 |
Софийск |
7 |
7 |
8 |
Черняево |
6 |
6 |
7 |
|
Осиновая Речка |
6 |
7* |
7 |
Средний Ургал |
7 |
7 |
8 |
Эворон |
7 |
7 |
8 |
|
Охотск |
7 |
7 |
8 |
Сукпай |
6 |
6 |
8 |
Эльбан |
7 |
7 |
8 |
|
Переяславка |
6 |
6 |
7 |
Таежное |
6 |
6 |
7 |
Ягодный |
7 |
7 |
8 |
|
Пивань |
6 |
7 |
8 |
Токи |
7 |
7 |
8 |
|
|
|
|
|
ГОРОД ФЕДЕРАЛЬНОГО ЗНАЧЕНИЯ СЕВАСТОПОЛЬ |
|||||||||||
|
Андреевка |
8 |
8 |
9 |
Кача |
8 |
8 |
9 |
Севастополь |
8 |
8 |
9 |
|
Балаклава |
8 |
8 |
> 9* |
Орлиное |
8 |
9 |
> 9 |
Солнечное |
8 |
8 |
9 |
|
Верхнесадовое |
8 |
8 |
9 |
Полюшко |
8 |
8 |
9 |
Терновка |
8 |
8 |
9 |
|
Инкерман |
8 |
8 |
9 |
Сахарная Головка |
8 |
8 |
9 |
Штурмовое |
8 |
8 |
9 |
|
ЧУКОТСКИЙ АВТОНОМНЫЙ ОКРУГ |
|||||||||||
|
Айон |
- |
- |
6 |
Золотогорье |
6 |
7 |
7 |
Нагорный |
7 |
7 |
8 |
|
Алискерово |
- |
6 |
7 |
Илирней |
6 |
6 |
7 |
Нешкан |
7 |
8 |
9 |
|
Алькатваам |
7 |
7 |
9 |
Инчоун |
7 |
7 |
8 |
Новое Чаплино |
6 |
7 |
8 |
|
Амгуэма |
6 |
7 |
8 |
Иультин |
6 |
7 |
7 |
Нунлигран |
6 |
7 |
7 |
|
Анадырь |
6 |
7 |
8 |
Канчалан |
6 |
7 |
8 |
Нутэпэльмен |
7 |
7 |
8 |
|
Апапельгино |
- |
- |
6 |
Кепервеем |
6 |
6 |
7 |
Омолон |
- |
6 |
7 |
|
Бараниха |
- |
6 |
6 |
Комсомольский |
- |
6 |
6 |
Островное |
6 |
6 |
7 |
|
Беринговский |
7 |
7 |
8 |
Конергино |
6 |
7 |
7 |
Отрожный |
6 |
6 |
7 |
|
Билибино |
- |
6 |
7 |
Краснено |
6 |
7 |
8 |
Певек |
- |
- |
6 |
|
Биллингс |
6 |
6 |
7 |
Красноармейский |
- |
6 |
6 |
Провидения |
6 |
7 |
8 |
|
Быстрый |
- |
- |
6 |
Лаврентия |
6 |
7 |
8 |
Рыркарпий |
6 |
6 |
7 |
|
Ваеги |
6 |
7 |
8 |
Ламутское |
6 |
7 |
8 |
Рыткучи |
- |
- |
6 |
|
Валькумей |
- |
- |
6 |
Ленинградский |
6 |
6 |
7 |
Сиреники |
6 |
7 |
8 |
|
Ванкарем |
7 |
7 |
8 |
Лорино |
7 |
7 |
8 |
Снежное |
6 |
6 |
7 |
|
Весенний |
6 |
6 |
7 |
Марково |
6 |
6 |
7 |
Тавайваам |
6 |
7 |
8 |
|
Встречный |
- |
6 |
7 |
Мейныпильгино |
7 |
7 |
8 |
Угольные Копи |
6 |
7 |
7 |
|
Дальний |
- |
- |
6 |
Мыс Шмидта |
6 |
6 |
7 |
Урелики |
6 |
7 |
8 |
Продолжение таблицы
|
Наименование субъектов РФ и населенных пунктов |
Карты ОСР-2016 |
Наименование субъектов РФ и населенных пунктов |
Карты ОСР-2016 |
Наименование субъектов РФ и населенных пунктов |
Карты ОСР-2016 |
||||||
|
А |
В |
С |
А |
В |
С |
А |
В |
С |
|||
|
Усть-Белая |
6 |
6 |
7 |
Шахтерский |
6 |
7 |
7 |
Янракыннот |
6 |
7 |
8 |
|
Уэлькаль |
6 |
7 |
7 |
Эгвекинот |
6 |
7 |
7 |
Янранай |
- |
- |
6 |
|
Хатырка |
7 |
7 |
8 |
Энмелен |
6 |
7 |
7 |
|
|
|
|
|
Чуванское |
6 |
7 |
8 |
Энурмино |
7 |
7 |
8 |
|
|
|
|
Карты общего сейсмического районирования территории Российской Федерации - ОСР-2016



[1] Федеральный закон от 29 декабря 2004 г. № 190-ФЗ «Градостроительный кодекс Российской Федерации»
[2] Федеральный закон от 21 июля 1997 г. № 116-ФЗ «О промышленной безопасности опасных производственных объектов»
[3] Постановление Государственного комитета Российской Федерации по строительству и жилищно-коммунальному хозяйству от 1 июля 2002 г. № 76 «О Порядке подтверждения пригодности новых материалов, изделий, конструкций и технологий для применения в строительстве»
[4] СН 481-75 Инструкция по проектированию, монтажу и эксплуатации стеклопакетов
(Измененная редакция. Изм. № 1)
|
Ключевые слова: карты сейсмического районирования, сейсмичность площадки, балл, сейсмическое воздействие, акселерограмма землетрясения, проектное землетрясение, максимальное расчетное землетрясение, расчетная динамическая модель, коэффициент динамичности, форма колебаний, антисейсмические мероприятия, сейсмостойкость сооружения |