МЕЖГОСУДАРСТВЕННЫЙ СОВЕТ ПО СТАНДАРТИЗАЦИИ,
МЕТРОЛОГИИ И СЕРТИФИКАЦИИ
(МГС)
INTERSTATE COUNCIL FOR STANDARDIZATION, METROLOGY AND CERTIFICATION
(ISC)
|
МЕЖГОСУДАРСТВЕННЫЙ |
ГОСТ |
ФОРМЫ СТАЛЬНЫЕ
ДЛЯ ИЗГОТОВЛЕНИЯ
ЖЕЛЕЗОБЕТОННЫХ ИЗДЕЛИЙ.
ПОДДОНЫ
Технические условия
|
|
Москва Стандартинформ 2019 |
Предисловие
Цели, основные принципы и общие правила проведения работ по межгосударственной стандартизации установлены ГОСТ 1.0 «Межгосударственная система стандартизации. Основные положения» и ГОСТ 1.2 «Межгосударственная система стандартизации. Стандарты межгосударственные, правила и рекомендации по межгосударственной стандартизации. Правила разработки, принятия, обновления и отмены»
Сведения о стандарте
1 РАЗРАБОТАН Научно-исследовательским, проектно-конструкторским и технологическим институтом бетона и железобетона им. А.А. Гвоздева (НИИЖБ), отделением (Акционерное Общество «НИЦ «Строительство»)
2 ВНЕСЕН Техническим комитетом по стандартизации ТК 465 «Строительство»
3 ПРИНЯТ Межгосударственным советом по стандартизации, метрологии и сертификации (протокол от 20 декабря 2018 г. № 114-П)
За принятие проголосовали:
|
Краткое
наименование страны |
Код страны
по |
Сокращенное
наименование национального |
|
Армения |
AM |
Минэкономики Республики Армения |
|
Киргизия |
KG |
Кыргызстандарт |
|
Россия |
RU |
Росстандарт |
|
Таджикистан |
TJ |
Таджикстандарт |
|
Узбекистан |
UZ |
Узстандарт |
4 Приказом Федерального агентства по техническому регулированию и метрологии от 18 июня 2019 г. № 314-ст межгосударственный стандарт ГОСТ 25878-2018 введен в действие в качестве национального стандарта Российской Федерации с 1 сентября 2019 г.
5 ВЗАМЕН ГОСТ 25878-85
Информация об изменениях к настоящему стандарту публикуется в ежегодном информационном указателе «Национальные стандарты», а текст изменений и поправок - в ежемесячном информационном указателе «Национальные стандарты». В случае пересмотра (замены) или отмены настоящего стандарта соответствующее уведомление, будет опубликовано в ежемесячном информационном указателе «Национальные стандарты». Соответствующая информация, уведомление и тексты размещаются также в информационной системе общего пользования - на официальном сайте Федерального агентства по техническому регулированию и метрологии в сети Интернет (www.gost.ru)
Содержание
ГОСТ 25878-2018
МЕЖГОСУДАРСТВЕННЫЙ СТАНДАРТ
ФОРМЫ СТАЛЬНЫЕ ДЛЯ ИЗГОТОВЛЕНИЯ ЖЕЛЕЗОБЕТОННЫХ
ИЗДЕЛИЙ.
ПОДДОНЫ
Технические условия
Steel moulds for reinforced concrete members. Pallets. Specifications
Дата введения - 2019-09-01
Настоящий стандарт распространяется на поддоны стальных форм для изготовления железобетонных изделий по ГОСТ 25781 и устанавливает требования к конструкции и размерам основных сборочных единиц и деталей поддонов.
В настоящем стандарте использованы нормативные ссылки на следующие межгосударственные стандарты:
ГОСТ 2.312-72 Единая система конструкторской документации. Условные изображения и обозначения швов сварных соединений
ГОСТ 9.301-86 Единая система защиты от коррозии и старения. Покрытия металлические и неметаллические неорганические. Общие требования
ГОСТ 9.303-84 Единая система защиты от коррозии и старения. Покрытия металлические и неметаллические неорганические. Общие требования к выбору
ГОСТ 103-2006 Прокат сортовой стальной горячекатаный полосовой. Сортамент
ГОСТ 380-2005 Сталь углеродистая обыкновенного качества. Марки
ГОСТ 397-79 Шплинты, технические условия
ГОСТ 977-88 Отливки стальные. Общие технические условия
ГОСТ 1050-2013 Металлопродукция из нелегированных конструкционных качественных и специальных сталей. Общие технические условия
ГОСТ 2591-2006 Прокат сортовой стальной горячекатаный квадратный. Сортамент
ГОСТ 2789-73 Шероховатость поверхности. Параметры и характеристики
ГОСТ 3212-92 Комплекты модельные. Уклоны формовочные, стержневые знаки, допуски размеров
ГОСТ 5264-80 Ручная дуговая сварка. Соединения сварные. Основные типы, конструктивные элементы и размеры
ГОСТ 5781-82 Сталь горячекатаная для армирования железобетонных конструкций. Технические условия
ГОСТ 5919-73 Гайки шестигранные прорезные и корончатые низкие класса точности В. Конструкция и размеры
ГОСТ 7505-89 Поковки стальные штампованные. Допуски, припуски и кузнечные напуски
ГОСТ 7798-70 Болты с шестигранной головкой класса точности В. Конструкция и размеры
ГОСТ 8240-97 Швеллеры стальные горячекатаные. Сортамент
ГОСТ 8239-89 Двутавры стальные горячекатаные. Сортамент
ГОСТ 8338-75 Подшипники шариковые радиальные однорядные. Основные размеры
ГОСТ 8509-93 Уголки стальные горячекатаные равнополочные. Сортамент
ГОСТ 8510-86 Уголки стальные горячекатаные неравнополочные. Сортамент
ГОСТ 8752-79 Манжеты резиновые армированные для валов. Технические условия
ГОСТ 11534-75 Ручная дуговая сварка. Соединения сварные под острыми и тупыми углами. Основные типы, конструктивные элементы и размеры
ГОСТ 11871-88 Гайки круглые шлицевые класса точности А. Технические условия
ГОСТ 11872-89 Шайбы стопорные многолапчатые. Технические условия
ГОСТ 13015-2012 Изделия бетонные и железобетонные для строительства. Общие технические требования. Правила приемки, транспортирования и хранения
ГОСТ 14771-76 Дуговая сварка в защитном газе. Соединения сварные. Основные типы, конструктивные элементы и размеры
ГОСТ 14792-80 Детали и заготовки, вырезаемые кислородной и плазменно-дуговой резкой. Точность, качество поверхности реза
ГОСТ 14959-2016 Металлопродукция из рессорно-пружинной нелегированной и легированной стали. Технические условия
ГОСТ 19903-2015 Прокат листовой горячекатаный. Сортамент
ГОСТ 21780-2006 Система обеспечения точности геометрических параметров в строительстве. Расчет точности.
ГОСТ 23117-78 Зажимы полуавтоматические для натяжения арматуры железобетонных конструкций. Технические условия
ГОСТ 23518-79 Дуговая сварка в защитных газах. Соединения сварные под острыми и тупыми углами. Основные типы, конструктивные элементы и размеры
ГОСТ 25346-2013 (ISO 286-1:2010) Основные нормы взаимозаменяемости. Характеристики изделий геометрические. Система допусков на линейные размеры. Общие положения, допуски, отклонения и посадки
ГОСТ 25781-83 Формы стальные для изготовления железобетонных изделий. Технические условия
Примечание - При пользовании настоящим стандартом целесообразно проверить действие ссылочных стандартов в информационной системе общего пользования - на официальном сайте Федерального агентства по техническому регулированию и метрологии в сети Интернет или по ежегодному информационному указателю «Национальные стандарты», который опубликован по состоянию на 1 января текущего года, и по выпускам ежемесячного информационного указателя «Национальные стандарты» за текущий год. Если ссылочный стандарт заменен (изменен), то при пользовании настоящим стандартом следует руководствоваться заменяющим (измененным) стандартом. Если ссылочный стандарт отменен без замены, то положение, в котором дана ссылка на него, применяется в части, не затрагивающей эту ссылку.
В настоящем стандарте применены следующие термины с соответствующими определениями:
3.1
|
поддон: Элемент формы, предназначенный для образования в процессе формования нижней поверхности изделия. [ГОСТ 25781-2018, раздел 3] |
3.2 проушина: Часть поддона, снабженная отверстием для соединения с грузоподъемными механизмами.
3.3
|
форма: Технологическое оборудование для получения из формовочных смесей строительных изделий с заданными размерами и конфигурацией. [ГОСТ 25781-2018, раздел 3] |
4.1 Поддоны состоят из основных сборочных единиц и деталей, указанных на рисунках 1 и 2:
- рамы;
- проушин для подъема;
- устройств для перемещения и пакетирования в технологическом потоке;
- упоров для натяжения предварительно напрягаемой арматурной стали;
- плит для электромагнитного крепления к виброплощадке;
- фиксаторов для крепления к поддону закладных деталей;
- кронштейн для автоматического захвата.
Примечание - Набор сборочных единиц и деталей поддона устанавливается в зависимости от конкретных условий производства и конструкций железобетонных изделий.
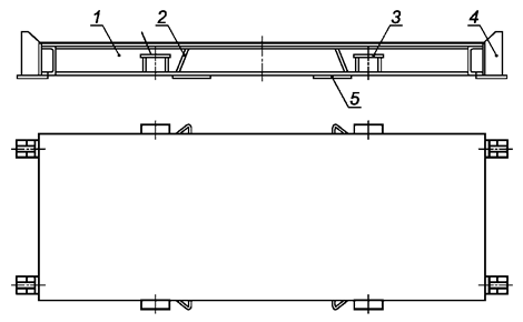
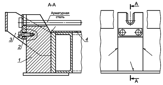
1 - рама; 2
- проушина; 3 - колесо; 4 - плита для электромагнитного крепления
формы к виброплощадке;
5 - фиксатор закладных деталей
Рисунок 1 - Конструкция поддона
1 - рама; 2 - проушина; 3 - кронштейн для
автоматического захвата; 4 - упор для натяжения арматуры;
5 - плита для электромагнитного крепления формы к виброплощадке
Рисунок 2 - Конструкция поддона для изготовления изделий из предварительно напряженного железобетона
4.2 Технические требования, требования безопасности, комплектность, правила приемки, методы контроля, маркировка, упаковка, транспортирование, хранение и гарантийный срок эксплуатации поддонов, а также сборочных единиц и деталей должны соответствовать требованиям ГОСТ 25781 и настоящего стандарта.
5.1 Раму поддона выполняют открытого или замкнутого сечения.
Рама открытого сечения, фрагменты которой указаны на рисунке 3, состоит из каркаса и настила. Рама замкнутого сечения, фрагменты которой указаны на рисунке 4, - из каркаса, настила и нижней обшивки.
5.2 Конструкцию и размеры рамы (в плане) устанавливают в зависимости от конфигурации и размеров железобетонных изделий и технологии их изготовления. При этом размеры настила должны превышать размеры прилегающей к настилу поверхности изделия, изготовляемого с применением этого поддона, не менее чем на 15 мм с каждой стороны.
5.3 Конструкция каркаса может быть раскосной, комбинированной или прямоугольной.
5.3.1 Примеры конструкции каркаса приведены на рисунках 5 - 7.
1 - плоский настил; 2 - комбинированный настил; 3 – каркас
Рисунок 3 - Фрагменты рамы открытого сечения
1 - настил (плоский или комбинированный); 2 - каркас; 3 - нижняя обшивка
Рисунок 4 - Фрагменты рамы замкнутого сечения
Рисунок 5 - Раскосный каркас

Рисунок 6 - Комбинированный каркас
Рисунок 7 - Прямоугольный каркас
5.3.2 Каркас поддона формы для поточно-агрегатного, полуконвейерного и конвейерного производства следует выполнять раскосным или комбинированным.
В технически обоснованных случаях допускается применять прямоугольный каркас.
Каркас поддона стендовой формы допускается выполнять любого вида.
5.3.3 Каркасы должны быть изготовлены из L-образных гнутых профилей или швеллеров по ГОСТ 8240 (далее - балки).
Раскосы выполняют из указанных балок или листового горячекатаного проката по ГОСТ 19903, ГОСТ 103 или стальных горячекатаных уголков по ГОСТ 8509 или ГОСТ 8510 с расположением горизонтальных полок в плоскости нижних швеллеров.
5.3.4 Обвязочные балки раскосного или комбинированного каркаса следует располагать полками наружу.
В технически обоснованных случаях допускается в каркасах любого вида устанавливать обвязочные балки полками внутрь или коробчатого сечения.
5.3.5 Размер, число и расположение элементов каркаса определяют расчетным путем с учетом обеспечения увязки с технологическим оборудованием для производства железобетонных изделий.
5.3.6 Размеры ячеек каркаса не должны быть более 0,5 м2 при максимальной длине ячейки 1 м. Допускается увеличение размеров ячейки выше указанного при подтверждении расчетом на статические и динамические воздействия.
5.4 Настилы изготовляют плоскими или комбинированными (с участками криволинейной конфигурации). Детали настила криволинейной конфигурации могут быть съемными.
5.4.1 Плоский настил следует изготовлять толщиной не менее 8 мм, а участки криволинейной конфигурации - толщиной не менее 6 мм.
Настил, отличающийся по толщине более чем на 2 мм от указанного, допускается применять в технически обоснованных случаях.
Примечание - Требование, ограничивающее минимальную толщину настила, не относится к формам с упруго работающими элементами.
5.4.2 Значения предельных отклонений при изготовлении поддонов по ГОСТ 21779 принимают в зависимости от значений допусков для соответствующих классов точности геометрических параметров бетонных и железобетонных изделий по ГОСТ 13015.
5.5 Нижняя обшивка должна быть изготовлена из стального листа толщиной 4 - 5 мм.
В случае изготовления обшивки из нескольких частей сварные швы должны быть расположены на полках балок каркаса.
5.6 Поддоны с рамой замкнутого сечения выполняют без паровой или с паровой полостью. Паровую полость выполняют в поддонах, используемых для контактного прогрева бетона.
5.6.1 В поддонах замкнутого сечения без паровой полости в нижней обшивке следует выполнять отверстия диаметром 200 - 300 мм общей площадью до 30 % площади обшивки. При этом отверстия должны располагаться в каждой ячейке рамы поддона.
5.6.2 В балках каркаса поддона с паровой полостью должны быть отверстия, обеспечивающие циркуляцию пара между смежными ячейками, а также отверстия для прохода конденсата.
5.6.3 Распределение пара в паровой полости должно проводиться посредством системы труб с отверстиями - перфорированным трубам, обеспечивающим равномерную подачу пара во все ячейки. Расположение отверстий в перфорированных трубах должно создавать вращательное движение пара в ячейках.
При подаче пара по неперфорированным трубам (регистрам) или при использовании теплоэлектронагревателей устройства для подачи теплоносителя должны быть расположены равномерно по площади поддона.
5.6.4 Диаметр отверстий в перфорированных трубах для подачи пара должен быть 3 - 5 мм. При этом суммарная площадь всех отверстий не должна превышать площади внутреннего поперечного сечения пароподводящей трубы.
5.6.5 Рабочее давление пара в полости должно быть не более 0,1 кгс/см2 (9800 Па).
Примечание - Система пароснабжения и отвода конденсата от поддона должна иметь контрольно-предохранительную аппаратуру режима термообработки, исключающую избыточное давление в полости поддона.
Контрольно-предохранительная аппаратура не входит в состав формы, но является принадлежностью предприятия - изготовителя железобетонных изделий.
5.6.6 Поддоны должны иметь штуцеры, предназначенные для подачи пара и отвода конденсата.
Штуцеры для отвода конденсата должны быть расположены в нижней части паровой полости поддона.
5.6.7 Покрытие штуцеров - Ц6.хр. по ГОСТ 9.303.
Допускается применять другие виды защитных покрытий, отвечающие требованиям ГОСТ 9.301. При этом требования к защитному покрытию штуцеров не распространяются на штуцеры исполнения 2 по приложению А настоящего стандарта, приваренные к форме.
5.6.8 Конструкция и размеры штуцеров приведены в приложении А.
5.6.9 Неуказанные предельные отклонения размеров: отверстий
- Н14, валов - h14, остальных -
по ГОСТ
25346.
6.1 Продольные и поперечные балки каркаса и раскосы в местах их стыка следует сваривать непрерывным односторонним швом по ГОСТ 14771 и ГОСТ 23518. Условное обозначение сварных швов - по ГОСТ 2.312.
Катет шва в тавровых соединениях должен быть не менее 5 мм.
Полки спаренных балок следует сваривать прерывистым швом сварного соединения. При толщине полок спаренных балок от 3,0 до 6,0 мм швом сварного соединения С2-УП-100/250 по ГОСТ 14771, а со стороны, примыкающей к настилу, - швом сварного соединения С2-УП-100/1000 по ГОСТ 14771. При толщине полок спаренных балок от 3 до 60 мм следует сваривать прерывистым швом С17-УП-100/250 по ГОСТ 14771, а со стороны, примыкающей к настилу, - швом С2-УП-100/1000 по ГОСТ 14771. При способе сварки С17-УП следует подготовить кромки свариваемых элементов согласно ГОСТ 14771. Усиление сварного шва в местах прилегания к настилу, нижней обшивке и плитам для электромагнитного крепления форм к виброплощадке должно быть снято.
6.2 Настил необходимо приваривать к каркасу по контуру прилегания прерывистым швом сварного соединения Н1-УП-А5-100/500 по ГОСТ 14771, в углах рамы - сварными швами длиной 100 мм в каждую сторону от вершины угла. Сварные швы необходимо располагать с обеих сторон полок балок каркаса в шахматном порядке. При приварке к настилу ребер сварные швы допускается располагать с одной стороны. Сварные швы необходимо располагать с обеих сторон полок балок каркаса в шахматном порядке. При приварке к настилу ребер сварные швы допускается располагать с одной стороны.
В поддонах с паровой полостью настил каркаса по наружному контору следует приваривать непрерывным швом Н1-УП-А5-100/500 по ГОСТ 14771.
Примечание - Местные зазоры между настилом и каркасом не должны быть более 3 мм. При этом общая длина зазоров не должна превышать 0,5 длины прилегания.
6.3 Нижнюю обшивку в поддонах с паровой полостью следует приварить к каркасу по контуру прилегания непрерывным швом по ГОСТ 14771; в поддонах без паровой полости - прерывистым швом Н1-УП-А4-100/400 по ГОСТ 14771.
6.4 В технически обоснованных случаях допускается уменьшать длину провариваемого участка в прерывистых швах до 80 мм.
6.5 В нижней обшивке в местах прилегания к внутренним балкам должны быть выполнены отверстия для сварки с каркасом. Сварку по контуру отверстий следует выполнять непрерывным швом Н1-УП-А4 по ГОСТ 14771; диаметр и число отверстий определяют расчетом.
6.6 В технически обоснованных случаях допускается применение сварных швов других размеров.
6.7 Сварные швы допускается выполнять по ГОСТ 5264 и ГОСТ 11534.
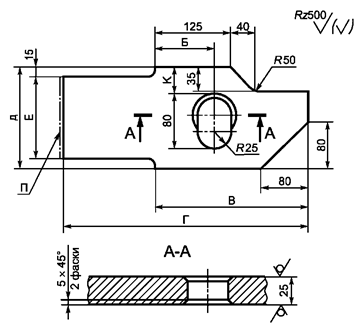
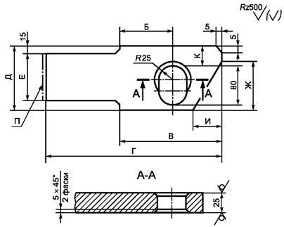
7.1 Конструкция и размеры, а также установка проушин на поддоне приведены на рисунках Б.1 - Б.13 и в таблицах Б.1 - Б.6 приложения Б.
В технически обоснованных случаях допускается применение проушин других конструкций.
Примечания
1 Конструкция и размеры проушин установлены из условия их монтажа в рамах, выполненных из швеллеров. При выполнении каркаса из других видов фасонного проката или гнутых профилей присоединительные размеры проушин должны быть уточнены расчетом.
2 При определении возможности транспортирования нагруженной формы краном за проушины следует учитывать распределение всей вертикальной нагрузки от массы изделия и формы на две проушины.
7.2 Условные обозначения проушин должны состоять из наименования, обозначения типа, номера швеллера каркаса и обозначения настоящего стандарта.
В случае применения проушин типов 3 - 6 для поддонов формы с определенной шириной борта к условному обозначению после указания номера швеллера дополнительно указывают ширину борта.
Пример условных обозначений:
Проушина типа 1 для формы с каркасом из швеллера 16:
Проушина 1-16 ГОСТ 25878-2018
Проушина типа 2, правого исполнения для формы с каркасом из швеллера 20:
Проушина 2-20 ГОСТ 25878-2018
То же, левого исполнения:
Проушина 2-20Л ГОСТ 25878-2018
Проушина типа 3 для формы с каркасом из швеллера 18 с шириной борта 110 мм:
Проушина 3-18-110 ГОСТ 25878-2018
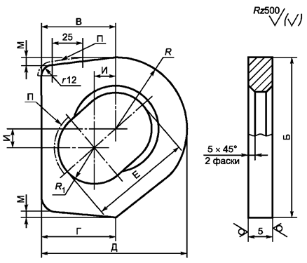
7.3 Проушины типов 1 и 2 допускается изготовлять с фаской 12 × 45° вместо R12.
7.4 При изготовлении проушин типов 3 - 6 для установки на раму поддона, изготовленную из швеллеров 16, 18, 20, 22 или 24, соединенных сваркой в виде короба, размер Г, указанный на рисунках Б.6, Б.7, Б.10 приложения Б, должен быть увеличен соответственно на 80, 90, 90, 100 или 100 мм.
При бортах шириной более 120 мм допускается частичное изменение конфигурации и размеров проушин указанных типов.
7.5 Проушины следует изготовлять методом штамповки или с применением кислородной или плазменной резки из стали марки Ст3пс любой категории по ГОСТ 380 или из стали марки 20 по ГОСТ 1050.
7.6 Ось проушин типов 5 и 6 следует изготовлять из стали марки 20 по ГОСТ 1050.
7.7 Качество металла для изготовления проушин и осей должно соответствовать сертификату предприятия - изготовителя металла или акту о результатах лабораторных испытаний.
7.8 Предельные отклонения размеров: валов - h16, остальных -
по ГОСТ
25346.
7.9 При изготовлении проушин с помощью кислородной или плазменной резки точность и качество обработанной поверхности должно соответствовать классу К 2330 по ГОСТ 14792.
Примечание - На поверхности П, указанной на рисунках Б.1, Б.3 и Б.4 приложения Б, допускаются подрезы глубиной не более 3 мм.
7.10 Проушины не должны иметь механических повреждений (деформаций, трещин и т. п.). Исправление дефектов не допускается.
7.11 Места наложения сварных швов показаны на рисунках Б.2, Б.5, Б.8 - Б.13 приложения Б.
Параметры сварных швов определяют расчетом.
Сварные швы следует выполнять по ГОСТ 14771 и ГОСТ 23518.
Допускается выполнять швы по ГОСТ 5264 и ГОСТ 11534.
7.12 На поверхности каждой проушины должны быть нанесены: товарный знак предприятия-изготовителя, условное обозначение проушины и год выпуска.
Примечание - Маркировку проушин допускается не проводить при изготовлении и монтаже их на поддонах предприятием-изготовителем.
8.1 В зависимости от технологии производства изделий и способа транспортирования поддонов устройства выполняют в виде колес, направляющих для рольганга, строповочных устройств или элементов, взаимодействующих с автоматическим захватом и пакетировщиком.
В технически обоснованных случаях допускается применять устройства для перемещения и пакетирования других конструкций.
Примечания
1 Колеса должны иметь ограждение.
2 Поддоны форм, транспортируемых краном, оснащают специальными опорными элементами для пакетирования.
8.1.1 Конструкция и размеры, а также примеры установки колес приведены на рисунках Б.1 - Б.3 приложения Б.
8.1.2 Колеса следует изготовлять из стали марки 65Г по ГОСТ 14959 или марки 45 по ГОСТ 1050. Допускается изготавливать литые колеса из стали марок 35ГЛ, 45Л, 50Л по ГОСТ 977.
8.1.3 Допуски, припуски и кузнечные напуски для штампованных колес-по группе П по ГОСТ 7505.
Припуски на механическую обработку литых колес - по нормативному документу*, действующему на территории государства, принявшего настоящий стандарт, формовочные уклоны - по ГОСТ 3212.
__________
* В Российской Федерации припуски на механическую обработку литых колес принимают по ГОСТ Р 53464-2009 «Отливки из металлов и сплавов. Допуски размеров, массы и припуски на механическую обработку».
8.1.4 Поверхность катания и реборды должны быть термически обработаны.
При поверхностной закалке твердость поверхности на глубине 2 - 3 мм должна быть 38 - 42 HRC3, при объемной закалке - 28 - 30 HRC3
8.1.5 Неуказанные отклонения размеров: отверстий - Н14,
валов - h14, остальных -
по ГОСТ
25346.
8.1.6 На поверхности каждого колеса должно быть нанесено его условное обозначение, состоящее из значения диаметра поверхности катания колеса и обозначения настоящего стандарта.
Примечание - Маркировку колес допускается не производить при изготовлении и установке их в поддонах предприятием-изготовителем.
8.1.7 Устройства для перемещения форм по рольгангу выполняют в виде направляющих толщиной не менее 10 мм, шириной не менее 70 мм, изготовляемых из полосовой стали по ГОСТ 103 или листовой стали по ГОСТ 19903, или из квадрата не менее 40 × 40 мм по ГОСТ 2591 (см. рисунок 8).
Направляющие приваривают к нижней поверхности балок каркаса прерывистым швом Н1-УП-А5-100/500 по ГОСТ 14771. Сварные швы необходимо располагать с обеих сторон направляющей в шахматном порядке.
Допускается сварные швы выполнять по ГОСТ 5264.
8.1.8 Элементы поддона, взаимодействующие с автоматическим захватом, выполняют в виде кронштейнов, располагаемых по продольным сторонам поддона.
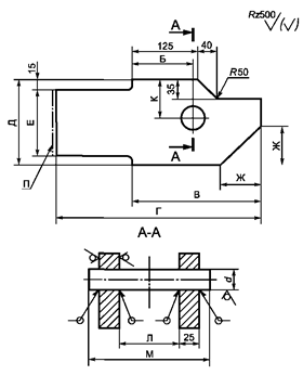
Примеры конструкции и размеров элементов опорных кронштейнов для поддонов, применяемых при поточно-агрегатном и полуконвейерном способах производства изделий, приведены на рисунках 9 и 10. В технически обоснованных случаях допускается применение опорных кронштейнов других конструкций.
Примечание - Размер Н, указанный на рисунке 10, должен быть не менее 140 мм и определяться расчетом из условия прочности кронштейна.
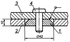
1 - направляющая; 2 - поддон; 3 - каток рольганга
Рисунок 8 - Устройство для перемещения форм по рольгангу
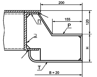
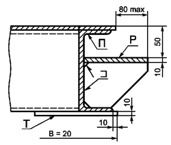
В - расстояние между направляющими поверхностями стоек
пакетировщика; П - поверхность, взаимодействующая с крюком
автоматического захвата; Р - опорная поверхность для стойки автоматического
захвата; Т - поверхность, опирающаяся
на кронштейн пакетировщика
Рисунок 9 - Пример конструкции и размеров элементов опорных кронштейнов для поддона
В - расстояние между направляющими поверхностями стоек
пакетировщика; П - поверхность, взаимодействующая с крюком
автоматического захвата; Р - опорная поверхность для стойки автоматического
захвата; Т - поверхность, опирающаяся на
кронштейн пакетировщика
Рисунок 10 - Пример конструкции и размеров элементов опорных кронштейнов для поддона
8.1.9 Места наложения сварных швов показаны на рисунках 9 и 10.
Сварные швы следует выполнять по ГОСТ 14771 и ГОСТ 23518. Допускается швы выполнять по ГОСТ 5264 и ГОСТ 11534.
Параметры сварных швов определяют расчетом.
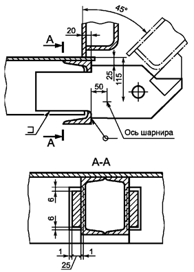
9.1 Требования к конструкции упорных устройств (далее - упоров) для натяжения предварительно напрягаемой арматуры механическим, электротермическим или электротермомеханическим способом определяют в зависимости от схемы армирования изделий и конструкции формы. Упоры рекомендуется изготовлять из стали марок Ст3 и Ст5 и твердостью Rc = 45 - 50.
9.2 Примеры конструкции вилочных упоров при электротермическом способе натяжения арматурной стали приведены на рисунках Г.1 - Г.4 приложения Г.
9.3 Размеры упоров и толщину съемных пластин определяют расчетом в зависимости от диаметра и количества предварительно напрягаемой арматурной стали по ГОСТ 5781, а также от значения ее натяжения.
9.4 Места наложения сварных швов показаны на рисунках Г.1 - Г.4 рекомендуемого приложения Г.
Сварные швы следует выполнять по ГОСТ 14771 и ГОСТ 23518.
Допускается выполнять швы по ГОСТ 11534 и ГОСТ 5264.
Параметры сварных швов определяют расчетом.
9.5 Упоры, показанные на рисунках Г.1 - Г.3 приложения Г, должны быть оснащены съемными пластинами, предназначаемыми для опирания временных анкеров напрягаемой арматурной стали или зажимов по ГОСТ 23117.
9.6 Глубина пазов упоров должна быть не менее двух диаметров напрягаемой арматуры, а ширина - на 2 - 3 мм превышать максимальный с учетом допуска диаметр арматуры, размещаемой в упорах.
9.7 Съемные пластины должны иметь паз, ширина которого на 2 - 3 мм превышает максимальный с учетом допуска диаметр размещаемой в пластинах арматуры.
9.8 По контуру паза в съемной пластине с внешней стороны должна быть выполнена фаска размерами 5 × 45° в случае натяжения стержней с высаженными головками. При изготовлении съемных пластин способом штамповки допускается фаску выполнять размерами 2 × 45°, а также в случае натяжения стержней опрессованными обоймами, шайбами или закрепления зажимами по ГОСТ 23117.
9.9 Шероховатость опорных поверхностей упоров, съемных пластин должна быть не грубее Ra = 25 мкм, а поверхностей по контуру пазов в съемной пластине и упоре - не грубее Ra = 50 мкм по ГОСТ 2789.
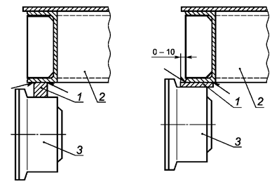
10.1 Конструкция и размеры плит для электромагнитного крепления формы к виброплощадке должны соответствовать указанным на рисунке 11.
Рисунок 11 - Плита для электромагнитного крепления формы к виброплощадке
Углы плиты допускается выполнять радиусом r, равным 12 мм.
В технически обоснованных случаях допускается изготовлять плиты круглой или прямоугольной формы. При этом диаметр круглой плиты или меньшая сторона прямоугольной плиты должны быть не менее (460 ± 4) мм.
10.2 Поверхности А и Б допускается обрабатывать механическим способом. При этом шероховатость поверхности должна быть не более Ra = 20 мкм по ГОСТ 2789.
10.3 Примеры установки плит на раме поддона и места наложения сварных швов приведены в приложении Д.
10.4 Приварку плит следует проводить к элементам каркаса сварным швом с катетом не менее 8 мм по ГОСТ 14771.
Допускается выполнять швы по ГОСТ 5264.
11.1 Типы, конструкция и размеры фиксаторов закладных деталей и опорного платика, а также примеры применения фиксаторов и платика приведены на рисунках Е.1 - Е.7 приложения Е.
Неуказанные предельные отклонения размером
по ГОСТ
25346.
11.2 Тип фиксатора и размер l1 выбирают в зависимости от места размещения на поддоне фиксируемой закладной детали (рисунок Е.4 приложения Е).
Примечание - Размеры L и l выбирают в зависимости от толщины s фиксируемой закладной детали, указанной в таблице Е.1 приложения Е.
11.3 Применение фиксаторов типов 1 и 2 в формах, в которых съем изделий проводят на кантователе или с подъемом на ребро, не допускается. В указанных случаях рекомендуется применять фиксаторы, изготовленные из пластмассы (см. рисунки Е.5 - Е.7 приложения Е).
11.4 Места наложения сварных швов показаны на рисунках Е.4 и Е.7 приложения Е. Сварные швы следует выполнять по ГОСТ 14771. Допускается выполнять швы по ГОСТ 5264.
11.5 В технически обоснованных случаях допускается применять фиксаторы другой конструкции.
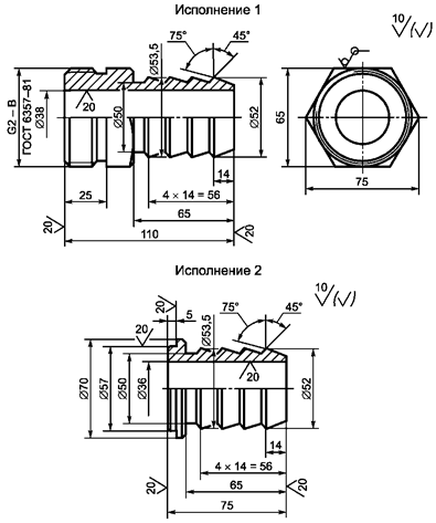
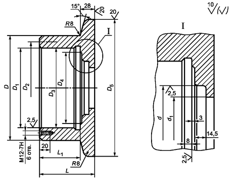
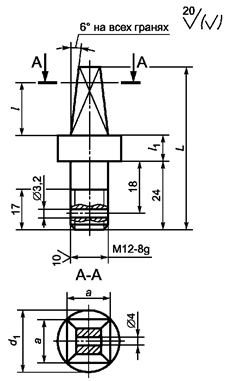
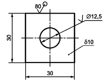
Рисунок А.1 - Штуцер
|
Примечание - Обозначения см. в таблице Б.1. |
|
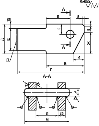
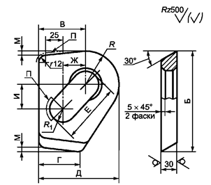
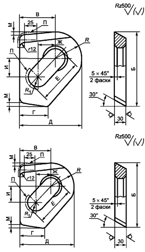
Рисунок Б.1 - Конструкция проушин и схема их установки на поддонах. Тип 1 |
Таблица Б.1 - Обозначения для проушин типа 1
Размеры в миллиметрах
|
Номер швеллера каркаса |
Б |
В |
Г |
Д |
Е |
И |
М |
R |
R1 |
s |
Масса, кг |
Максимальная грузоподъемность одной проушины, кг |
|
16 |
147 |
68 |
56 |
128 |
90 |
28 |
6 |
60 |
25 |
25 |
2,2 |
3000 |
|
16П |
141 |
- |
||||||||||
|
18 |
160 |
75 |
62 |
147 |
110 |
35 |
6,5 |
70 |
30 |
30 |
3,4 |
3200 |
|
18П |
160 |
- |
||||||||||
|
20 |
187 |
85 |
66 |
155 |
115 |
40 |
7 |
70 |
30 |
4,2 |
3500 |
|
|
20П |
180 |
- |
5,0 |
|||||||||
|
22 |
206 |
95 |
72 |
180 |
125 |
40 |
8 |
85 |
35 |
35 |
5,3 |
4000 |
|
22П |
198 |
- |
6,2 |
|
Рисунок Б.2 - Схема установки проушины. Тип 2 |
Примечание - Обозначения см. в таблице Б.1. Рисунок Б.3 - Тип 2. Правое исполнение |
|
Примечание - Обозначения см. в таблице Б.2. Рисунок Б.4 - Тип 2. Левое исполнение |
Таблица Б.2 - Обозначения для проушин типа 2
Размеры в миллиметрах
|
Номер швеллера каркаса |
Б |
В |
Г |
Д |
Е |
Ж |
И |
М |
R |
R1 |
Масса, кг |
Максимальная грузоподъемность одной проушины, кг |
|
20 |
232 |
85 |
66 |
155 |
120 |
40 |
45 |
7 |
70 |
30 |
4,9 |
5500 |
|
20П |
222 |
- |
5,0 |
|||||||||
|
20 |
258 |
95 |
72 |
180 |
138 |
45 |
50 |
9 |
85 |
35 |
6,4 |
6500 |
|
22П |
246 |
- |
6,5 |
|||||||||
|
24 |
278 |
110 |
80 |
200 |
152 |
55 |
60 |
11,5 |
90 |
7,1 |
7500 |
|
|
24П |
268 |
- |
8,0 |
|
Рисунок Б.5 - Схема установки проушины. Тип 3 |
|
Примечание - Обозначения см. в таблице Б.3. Рисунок Б.6 - Схема установки проушины. Тип 3 для форм с углом открывания борта 30° |
Таблица Б.3 - Обозначения для проушин типа 3
Размеры в миллиметрах
|
Номер швеллера каркаса |
Ширина борта |
Б |
В |
Г |
Д |
Е |
Ж |
И |
К |
Масса, кг |
Максимальная грузоподъемность одной проушины, кг |
|
16 |
100 |
110 |
215 |
365 |
135 |
100 |
60 |
30 |
7,2 |
2700 |
|
|
110 |
120 |
226 |
376 |
7,6 |
|||||||
|
120 |
130 |
238 |
388 |
7,9 |
|||||||
|
18 |
100 |
110 |
215 |
365 |
155 |
120 |
72 |
40 |
8,3 |
3700 |
|
|
110 |
120 |
226 |
376 |
8,7 |
|||||||
|
120 |
130 |
238 |
388 |
9,0 |
|||||||
|
Примечание - Обозначения см. в таблице Б.4. Рисунок Б.7 - Тип 4. Проушина для форм с углом открывания борта 45° |
Таблица Б.4 - Обозначения для проушин типа 4 с углом открывания борта 45°
Размеры в миллиметрах
|
Номер швеллера каркаса |
Ширина борта |
Б |
В |
Г |
Д |
Е |
К |
Масса, кг |
Максимальная грузоподъемность одной проушины, кг |
|
16 |
100 |
100 |
232 |
382 |
135 |
100 |
30 |
7,2 |
2700 |
|
110 |
110 |
245 |
395 |
35 |
7,4 |
||||
|
120 |
120 |
260 |
410 |
40 |
7,7 |
||||
|
18 |
100 |
100 |
232 |
382 |
155 |
120 |
30 |
8,4 |
|
|
110 |
110 |
245 |
395 |
35 |
8,6 |
||||
|
120 |
120 |
260 |
410 |
40 |
9,0 |
|
Рисунок Б.8 - Схема установки проушины типа 3 |
|
|
Примечание - В проушинах типов 1 - 4 (рисунки Б.1, Б.3, Б.4, Б.6, Б.7) вместо фаски 5 × 45° допускается выполнять притупление по контуру отверстия. Рисунок Б.9 - Проушина с осью для форм с углом открывания борта 30°. Тип 5 |
|
|
Примечание - Обозначения см. в таблице Б.5. Рисунок Б.10 - Проушина с осью для форм открывания борта 30° |
|
Таблица Б.5 - Обозначения для проушин с осью для форм открывания борта 30°
Размеры в миллиметрах
|
Номер швеллера каркаса |
Ширина борта |
Б |
В |
Г |
Д |
Е |
Ж |
И |
К |
Л |
М |
d |
Масса, кг |
Максимальная грузоподъемность одной проушины, кг |
|
16 |
100 |
140 |
|
365 |
135 |
100 |
60 |
55 |
116 |
185 |
36 |
17,8 |
2900 |
|
|
110 |
150 |
226 |
376 |
18,4 |
||||||||||
|
120 |
160 |
238 |
388 |
19,0 |
||||||||||
|
18 |
100 |
140 |
215 |
365 |
155 |
120 |
72 |
128 |
200 |
38 |
20,2 |
3100 |
||
|
110 |
150 |
226 |
376 |
21,0 |
||||||||||
|
120 |
160 |
238 |
388 |
21,6 |
||||||||||
|
20 |
100 |
140 |
215 |
365 |
175 |
140 |
130 |
75 |
65 |
140 |
210 |
45 |
21,9 |
4800 |
|
110 |
150 |
226 |
376 |
23,3 |
||||||||||
|
120 |
160 |
238 |
388 |
23,9 |
||||||||||
|
22 |
100 |
140 |
215 |
365 |
195 |
160 |
150 |
85 |
70 |
152 |
220 |
50 |
23,5 |
6000 |
|
110 |
150 |
226 |
376 |
24,6 |
||||||||||
|
120 |
160 |
238 |
388 |
25,7 |
||||||||||
|
24 |
100 |
140 |
215 |
365 |
215 |
180 |
170 |
95 |
78 |
164 |
235 |
58 |
25,9 |
8700 |
|
110 |
150 |
226 |
376 |
27,7 |
||||||||||
|
120 |
160 |
238 |
388 |
28,5 |
||||||||||
|
30 |
100 |
140 |
215 |
365 |
275 |
240 |
85 |
180 |
250 |
65 |
39,2 |
11000 |
||
|
110 |
150 |
226 |
376 |
40,4 |
||||||||||
|
120 |
160 |
238 |
388 |
41,7 |
||||||||||
|
Рисунок Б.11 - Схема установки проушины. Тип 6 |
|
Примечание - Обозначения см. в таблице Б.6. Рисунок Б.12 - Проушина с осью для формы с углом открывания борта 45°. Тип 6 |
Таблица Б.6 - Обозначения проушин с осью для формы с углом открывания борта 45°. Тип 6
Размеры в миллиметрах
|
Номер швеллера каркаса |
Ширина борта |
Б |
В |
Г |
Д |
Е |
Ж |
К |
Л |
М |
d |
Масса кг |
Максимальная грузоподъемность одной проушины, кг |
|
16 |
100 |
110 |
232 |
382 |
135 |
100 |
80 |
70 |
116 |
185 |
36 |
17,2 |
2900 |
|
110 |
120 |
245 |
395 |
17,6 |
|||||||||
|
120 |
130 |
260 |
410 |
18,2 |
|||||||||
|
18 |
100 |
110 |
232 |
382 |
155 |
120 |
128 |
200 |
38 |
20,7 |
3100 |
||
|
110 |
120 |
245 |
395 |
21,1 |
|||||||||
|
120 |
130 |
260 |
410 |
21,8 |
|||||||||
|
20 |
100 |
110 |
232 |
382 |
175 |
140 |
110 |
80 |
140 |
210 |
45 |
23,2 |
4800 |
|
110 |
120 |
245 |
395 |
24,0 |
|||||||||
|
120 |
130 |
260 |
410 |
25,2 |
|||||||||
|
22 |
100 |
110 |
232 |
382 |
195 |
160 |
130 |
85 |
152 |
220 |
50 |
24,4 |
6000 |
|
110 |
120 |
245 |
395 |
25,2 |
|||||||||
|
120 |
130 |
260 |
410 |
26,8 |
|||||||||
|
24 |
100 |
110 |
232 |
382 |
215 |
180 |
150 |
93 |
164 |
235 |
58 |
26,2 |
8700 |
|
110 |
120 |
245 |
395 |
27,0 |
|||||||||
|
120 |
130 |
260 |
410 |
28,6 |
|||||||||
|
30 |
100 |
110 |
232 |
382 |
275 |
240 |
100 |
180 |
250 |
65 |
38,6 |
11000 |
|
|
110 |
120 |
245 |
395 |
40,0 |
|||||||||
|
120 |
130 |
260 |
410 |
41,6 |
|
Примечание - Обозначения см. в таблице В.1 Рисунок
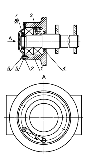
В.1 - Колеса форм-вагонеток (примеры применения колес форм вагонеток |
Таблица В.1 - Обозначения колес форм-вагонеток
Размеры в миллиметрах
|
D |
D1 |
D2 |
d |
d1 |
D3 |
D4 |
D5 |
L |
L1 |
Теоретическая масса, кг |
Допускаемая нагрузка на одно колесо, кН |
|
Поле допуска |
|||||||||||
|
h17 |
К7 |
Н9 |
|||||||||
|
220 |
160 |
190 |
92 |
120 |
161 |
145 |
280 |
104 |
83 |
20,4 |
74,1 |
|
270 |
170 |
210 |
97 |
171 |
156 |
320 |
100 |
78 |
34,5 |
103,2 |
|
|
1 - колесо; 2
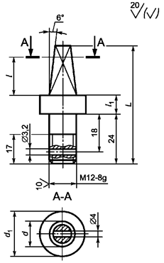
- прокладка; 3 - подшипник 315 или 316 Рисунок В.2 - Примеры применения колес форм-вагонеток |
1 - колесо; 2
- прокладка; 3 - подшипник 315 или 316 по Рисунок В.3 - Примеры применения колес форм-вагонеток |
1 - упор; 2 - съемная пластина; 3 - ограждение; 4 - настил
Рисунок Г.1 - Упор для однорядного армирования
Рисунок Г.2 - Упор для двурядного армирования
Рисунок Г.3 - Упор, расположенный на настиле поддона
Рисунок Г.4 - Съемный упор
Рисунок Д.1 - Установки плит на поддоне. Вариант 1
Рисунок Д.2 - Установки плит на поддоне. Вариант 2
Рисунок Д.3 - Установки плит на поддоне. Вариант 3
Рисунок Д.4 - Установки плит на поддоне. Вариант 4
Сварные швы - по ГОСТ 14771. Допускается выполнять швы по ГОСТ 5264.
|
Рисунок Е.1 - Тип 1 |
Примечание - Обозначения см. в таблице Е.1. Рисунок Е.2 - Тип 2 |
Таблица Е.1 - Обозначения фиксаторов для закладных деталей типа 1 и 2
Размеры в миллиметрах
|
Тип фиксатора |
А, мм |
d, мм |
d, мм |
S, мм |
L, мм |
L, мм |
L, мм |
|
1 |
12 |
- |
18 |
6 - 10 |
12 |
8; 18 |
49 |
|
16 |
- |
22 |
12 - 16 |
18 |
65 |
||
|
2 |
- |
12 |
18 |
6 - 10 |
12 |
49 |
|
|
- |
16 |
22 |
12 - 16 |
18 |
65 |
Рисунок Е.3 - Опорный платик
1 - фиксатор; 2 - платик; 3 - гайка по ГОСТ 5919; 4 - шплинт по ГОСТ 397
Рисунок Е.4 - Примеры применения фиксаторов
Рисунок Е.5 - Пластмассовый фиксатор
Рисунок Е.6 - Шайба
1 - шайба; 2 - поддон; 3 - закладная деталь; 4 - фиксатор
Рисунок Е.7 - Пример применения фиксатора
Ключевые слова: формы стальные, железобетонные изделия, поддоны, технические условия, конструкция, типы, размеры, рамы, проушины, упоры, плиты, фиксаторы