ФЕДЕРАЛЬНОЕ АГЕНТСТВО
ПО ТЕХНИЧЕСКОМУ РЕГУЛИРОВАНИЮ И МЕТРОЛОГИИ
|
|
НАЦИОНАЛЬНЫЙ |
ГОСТ Р |
Единая энергетическая
система и изолированно
работающие энергосистемы
РЕЛЕЙНАЯ ЗАЩИТА.
ТРАНСФОРМАТОРЫ ТОКА ИЗМЕРИТЕЛЬНЫЕ
ИНДУКТИВНЫЕ С ЗАМКНУТЫМ
МАГНИТОПРОВОДОМ ДЛЯ ЗАЩИТЫ
Методические указания по определению времени
до насыщения при коротких замыканиях
|
|
Москва |
Предисловие
1 РАЗРАБОТАН Акционерным обществом «Системный оператор Единой энергетической системы» (АО «СО ЕЭС»)
2 ВНЕСЕН Техническим комитетом по стандартизации ТК 016 «Электроэнергетика»
3 УТВЕРЖДЕН И ВВЕДЕН В ДЕЙСТВИЕ Приказом Федерального агентства по техническому регулированию и метрологии от 19 ноября 2019 г. № 1195-ст
4 ВВЕДЕН ВПЕРВЫЕ
Правила применения настоящего стандарта установлены в статье 26 Федерального закона от 29 июня 2015 г. № 162-ФЗ «О стандартизации в Российской Федерации». Информация об изменениях к настоящему стандарту публикуется в ежегодном (по состоянию на 1 января текущего года) информационном указателе «Национальные стандарты», а официальный текст изменений и поправок - в ежемесячном информационном указателе «Национальные стандарты». В случае пересмотра (замены) или отмены настоящего стандарта соответствующее уведомление будет опубликовано в ближайшем выпуске ежемесячного информационного указателя «Национальные стандарты». Соответствующая информация, уведомление и тексты размещаются также в информационной системе общего пользования - на официальном сайте Федерального агентства по техническому регулированию и метрологии в сети Интернет (www.gost.ru)
Содержание
Введение
Положения настоящего стандарта направлены на обеспечение выполнения требований правил [1] (пункт 128), в соответствии с которыми технические характеристики трансформаторов тока и подключенных к ним устройств релейной защиты в совокупности должны обеспечивать правильную работу устройств релейной защиты при коротких замыканиях, в том числе при возникновении апериодической составляющей тока.
Определение времени до насыщения трансформаторов тока необходимо для:
- выбора трансформаторов тока с учетом требований производителей устройств релейной защиты при новом строительстве, реконструкции и техническом перевооружении объектов электроэнергетики;
- выбора устройств релейной защиты при создании новых или модернизации существующих устройств релейной защиты на существующих трансформаторах тока;
- проверки правильности функционирования устройств релейной защиты в переходных режимах при коротких замыканиях на существующих трансформаторах тока.
ГОСТ Р 58669-2019
НАЦИОНАЛЬНЫЙ СТАНДАРТ РОССИЙСКОЙ ФЕДЕРАЦИИ
Единая энергетическая система и изолированно работающие энергосистемы
РЕЛЕЙНАЯ ЗАЩИТА.
ТРАНСФОРМАТОРЫ ТОКА ИЗМЕРИТЕЛЬНЫЕ ИНДУКТИВНЫЕ
С ЗАМКНУТЫМ МАГНИТОПРОВОДОМ ДЛЯ ЗАЩИТЫ
Методические указания по определению времени до насыщения при коротких замыканиях
United power system and isolated
power systems. Relay protection.
Inductive measuring current transformers for protection with a closed magnetic
circuit.
Methodology guidelines for determination of time to saturation during short
circuits
Дата введения - 2020-01-01
1.1 Настоящий стандарт устанавливает методы расчета времени до насыщения измерительных индуктивных трансформаторов тока для защиты с замкнутым магнитопроводом при коротких замыканиях (классов точности Р, РХ и ТРХ), определяет исходные данные, необходимые для применения каждого из методов, устанавливает требования по подготовке к проведению расчетов времени до насыщения измерительных индуктивных трансформаторов тока и порядок выполнения указанных расчетов с использованием каждого из установленных методов.
1.2 Настоящий стандарт предназначен для применения собственниками и иными законными владельцами объектов электроэнергетики, субъектами оперативно-диспетчерского управления в электроэнергетике, проектными организациями, организациями, осуществляющими создание новых или модернизацию существующих устройств релейной защиты.
В настоящем стандарте использованы нормативные ссылки на следующие стандарты:
ГОСТ 15150 Машины, приборы и другие технические изделия. Исполнения для различных климатических районов. Категории, условия эксплуатации, хранения и транспортирования в части воздействия климатических факторов внешней среды
ГОСТ 18685 Трансформаторы тока и напряжения. Термины и определения
ГОСТ 19693 Материалы магнитные. Термины и определения
ГОСТ 22483 (IEC 60228:2004) Жилы токопроводящие для кабелей, проводов и шнуров
ГОСТ 26522 Короткие замыкания в электроустановках. Термины и определения
ГОСТ Р 52735 Короткие замыкания в электроустановках. Методы расчета в электроустановках переменного тока напряжением свыше 1 кВ
Примечание - При пользовании настоящим стандартом целесообразно проверить действие ссылочных стандартов в информационной системе общего пользования - на официальном сайте Федерального агентства по техническому регулированию и метрологии в сети Интернет или по ежегодному информационному указателю «Национальные стандарты», который опубликован по состоянию на 1 января текущего года, и по выпускам ежемесячного информационного указателя «Национальные стандарты» за текущий год. Если заменен ссылочный стандарт, на который дана недатированная ссылка, то рекомендуется использовать действующую версию этого стандарта с учетом всех внесенных в данную версию изменений. Если заменен ссылочный стандарт, на который дана датированная ссылка, то рекомендуется использовать версию этого стандарта с указанным выше годом утверждения (принятия). Если после утверждения настоящего стандарта в ссылочный стандарт, на который дана датированная ссылка, внесено изменение, затрагивающее положение, на которое дана ссылка, то это положение рекомендуется применять без учета данного изменения. Если ссылочный стандарт отменен без замены, то положение, в котором дана ссылка на него, рекомендуется применять в части, не затрагивающей эту ссылку.
3.1 Термины и определения
В настоящем стандарте применены термины по ГОСТ 18685, ГОСТ 26522, а также следующие термины с соответствующими определениями:
3.1.1 ветвь вторичного тока трансформатора тока: Цепь, образуемая вторичной обмоткой и присоединенной к ней вторичной цепью трансформатора тока.
3.1.2 вольтамперная характеристика; ВАХ: Выраженная графически или табличным способом зависимость между действующими значениями тока и напряжения на вторичной обмотке при приложении к последней синусоидального напряжения, причем первичная и все остальные обмотки разомкнуты.
3.1.3 время до насыщения трансформатора тока: Время до насыщения вторичной обмотки для защиты измерительного индуктивного трансформатора тока с замкнутым магнитопроводом при коротких замыканиях.
3.1.4 коэффициент остаточной намагниченности Кr: Отношение остаточного потокосцепления Ψr к потокосцеплению насыщения Ψнас, выраженное в относительных единицах или процентах.
Примечание - Коэффициент остаточной намагниченности можно также выразить в виде отношения Вr/Внас, что соответствует коэффициенту прямоугольности предельной петли гистерезиса в соответствии с ГОСТ 19693.
(Поправка).
3.1.5 коэффициент переходного режима (переходный коэффициент) Кп.p(t): Функция, характеризующая изменение во времени отношения мгновенного значения потокосцепления при наличии апериодической составляющей в первичном токе к амплитудному значению потокосцепления, которое имело бы место при токе номинальной предельной кратности, не содержащем апериодической составляющей.
Примечание - Переходный коэффициент численно равен отношению мгновенного значения тока погрешности при наличии апериодической составляющей к амплитудному значению тока погрешности при токе номинальной предельной кратности, не содержащем апериодической составляющей.
3.1.6 номинальная мощность вторичной нагрузки трансформатора тока (номинальная мощность трансформатора тока) Sн.ном: Значение полной мощности (в вольт-амперах при установленном коэффициенте мощности), которую трансформатор тока должен передавать во вторичную цепь при номинальном вторичном токе и номинальной нагрузке.
Примечание - Номинальная мощность трансформатора тока является номинальной нагрузкой, выраженной в вольт-амперах при установленном коэффициенте мощности.
3.1.7 номинальный вторичный ток трансформатора тока I2ном: Указанное в паспорте действующее значение вторичного тока, при котором трансформатор тока рассчитан функционировать в течение срока службы.
3.1.8 номинальный первичный ток трансформатора тока I1ном: Указанное в паспорте действующее значение первичного тока, при котором трансформатор тока рассчитан функционировать в течение срока службы.
3.1.9 номинальная предельная кратность трансформатора тока Кном: Наибольшая кратность первичного синусоидального тока по отношению к его номинальному значению при номинальной вторичной нагрузке, при которой полная погрешность не превышает полной погрешности, заданной классом точности.
3.1.10 остаточная (начальная) магнитная индукция Вr: Магнитная индукция, сохраняющаяся в ферромагнитном веществе при изменении напряженности магнитного поля от некоторого значения до нуля.
3.1.11 остаточное потокосцепление Ψr: Значение потокосцепления, определяемое магнитным потоком, остающимся в магнитопроводе после отключения тока с амплитудным значением, обеспечивающим потокосцепление насыщения Ψнас.
Примечание - Остаточная магнитная индукция Вr - магнитная индукция, соответствующая остаточному потокосцеплению Ψr.
3.1.12 параметр режима А: Отношение потокосцепления насыщения к амплитуде потокосцепления, созданного периодической составляющей тока короткого замыкания при фактическом сопротивлении ветви вторичного тока трансформатора тока.
3.1.13 постоянная времени вторичного контура трансформатора тока Ts: Постоянная времени контура, образуемого вторичной обмоткой трансформатора тока и присоединенной к ней внешней электрической цепью, определяемая отношением суммы индуктивностей намагничивания, рассеяния вторичной обмотки и нагрузки к суммарному активному сопротивлению вторичной обмотки и нагрузки.
3.1.14 потокосцепление насыщения обмотки трансформатора тока Ψнас: Максимальное значение магнитного потока, соответствующее насыщению материала магнитопровода трансформатора тока, умноженное на число витков обмотки.
Примечание - Магнитная индукция насыщения Внас - максимальное значение магнитной индукции, соответствующее потокосцеплению насыщения обмотки трансформатора тока Ψнас.
3.1.15 трансформатор тока для защиты класса точности Р (трансформатор тока класса Р):
Трансформатор тока для защиты, для которого не задается требование ограничения остаточного потокосцепления, а уровень насыщения определяется в установившемся режиме короткого замыкания действующим значением периодического тока при значениях всех прочих параметров, соответствующих номинальным данным.
3.1.16 трансформатор тока для защиты класса точности РХ (трансформатор тока класса РХ): Трансформатор тока для защиты с пренебрежимо малым реактивным сопротивлением рассеяния, для которого не задано требование ограничения остаточного потокосцепления и известны характеристика намагничивания, активное сопротивление вторичной обмотки, сопротивление вторичной нагрузки и коэффициент трансформации.
3.1.17 трансформатор тока для защиты класса точности ТРХ (трансформатор тока класса ТРХ): Трансформатор тока для защиты, для которого не задается требование ограничения остаточного потокосцепления, а уровень насыщения определяется в переходном режиме короткого замыкания максимальным значением мгновенной погрешности при значениях всех прочих параметров, соответствующих номинальным данным.
3.1.18 фактическая кратность первичного тока трансформатора тока Кфакт: Кратность фактического первичного тока по отношению к его номинальному значению.
3.1.19 характеристика намагничивания трансформатора тока Вт = f(Н): Зависимость амплитудного значения магнитной индукции в магнитопроводе от действующего значения напряженности магнитного поля в нем, снятая при подведении ко вторичной обмотке трансформатора тока синусоидального напряжения.
3.1.20 эквивалентная постоянная времени Тр.экв: Постоянная времени затухания свободной апериодической составляющей тока, затухающей по экспоненциальному закону, которой заменяют сумму свободных апериодических составляющих, имеющих неодинаковые начальные значения и постоянные времени затухания.
3.2 Сокращения
В настоящем стандарте применены следующие сокращения:
ВАХ - вольтамперная характеристика трансформатора тока;
КЗ - короткое замыкание;
ЛЭП - линия электропередачи;
ОРУ - открытое распределительное устройство;
ПХН - прямоугольная характеристика намагничивания;
ТТ - трансформатор тока;
ЭДС - электродвижущая сила.
4.1 В зависимости от объема сведений о ТТ, имеющихся у собственников и иных законных владельцев объектов электроэнергетики, субъектов оперативно-диспетчерского управления в электроэнергетике, проектных организаций, организаций, осуществляющих создание новых или модернизацию существующих устройств релейной защиты, следует использовать один или несколько из следующих методов расчета времени до насыщения измерительных индуктивных трансформаторов тока для защиты с замкнутым магнитопроводом при КЗ (далее - время до насыщения ТТ, tнac):
- аналитический метод;
- графический метод по паспортным данным;
- графический метод с использованием ВАХ ТТ;
- графический метод с использованием характеристики намагничивания ТТ.
4.2 При использовании каждого из методов расчета времени до насыщения ТТ для определения его величины (tнac) необходимо подготовить исходные данные для расчетов, определить расчетную схему, схемно-режимные условия и расчетную точку КЗ, выполнить подготовительные расчеты.
4.2.1 К исходным данным для расчетов относятся:
I1.ном - номинальный первичный ток ТТ;
I2.ном - номинальный вторичный ток ТТ;
R2 - активное сопротивление вторичной обмотки ТТ;
Х2 - индуктивное сопротивление вторичной обмотки ТТ;
zн.ном - номинальная нагрузка ТТ (или Sн.ном - номинальная мощность вторичной нагрузки ТТ);
ɛ - полная погрешность ТТ;
Кном - номинальная предельная кратность ТТ.
Значения сопротивлений приводят к нормальной температуре в соответствии с ГОСТ 15150.
4.2.2 Расчетная схема электрической станции должна содержать все питающие элементы [генераторы, трансформаторы и(или) автотрансформаторы блоков], трансформаторы и(или) автотрансформаторы связи, а также линии связи с системными эквивалентами, соответствующими максимальному режиму работы системы. В состав расчетной схемы подстанции должны входить питающие линии и силовые трансформаторы (автотрансформаторы). Расчетная схема должна содержать эквиваленты систем, соответствующие максимальному режиму их работы.
4.2.3 Схемно-режимные условия и расчетную точку КЗ необходимо выбирать таким образом, чтобы через проверяемый ТТ при КЗ проходил наибольший ток Iкз.
4.2.4 Для определения значения tнac необходимо произвести расчеты при трехфазных КЗ, для сетей с глухозаземленной нейтралью и при однофазных КЗ. Результатом расчета значения tнac должна являться наименьшая из полученных величин.
4.2.5 При осуществлении подготовительных расчетов необходимо определить величину нагрузки во вторичных цепях ТТ и Тр.экв для каждого из расчетных видов КЗ.
4.2.6 Расчет нагрузок во вторичных цепях ТТ, используемых в схемах защит, должен осуществляться с использованием расчетных формул в соответствии с приложением А.
4.2.7 Эквивалентную постоянную времени Тр.экв необходимо рассчитывать с использованием специализированных программных комплексов и созданных в них моделей сети, предназначенных для расчета электромагнитных переходных процессов.
При приближенных расчетах эквивалентную постоянную времени Тр.экв допускается рассчитывать по формуле
|
(1) |
где IКЗΣ - действующее значение суммарного тока КЗ;
IКЗi - действующее значение тока КЗ в i-й ветви;
Tp.i - постоянная времени затухания апериодической составляющей тока в каждой из i-й ветви, питающей место КЗ.
Постоянную времени затухания апериодической составляющей тока в каждой i-й ветви, питающей место КЗ, Tp.i необходимо определять с использованием одного из следующих способов.
4.2.7.1 Рассчитывать по формуле
|
|
(2) |
где Xi - эквивалентное индуктивное сопротивление i-й ветви относительно точки КЗ;
ω - угловая частота;
Ri - эквивалентное активное сопротивление i-й ветви относительно точки КЗ.
4.2.7.2 При наличии осциллограмм токов КЗ соответствующих ЛЭП и оборудования Тр.экв допускается определять графически с использованием следующего способа. В токе КЗ необходимо выделить апериодическую составляющую (например, с использованием сервисных возможностей программного обеспечения осциллографа) и по ней определить Тр.экв как время, за которое начальное значение апериодической составляющей уменьшилось в е раз, где е - основание натурального логарифма. Найденное с использованием указанного способа значение Тр.экв необходимо применять только к той схеме сети и составу ЛЭП и оборудования, которое находилось в работе на момент возникновения записанного на осциллограмме КЗ.
4.3 Расчеты времени до насыщения ТТ следует выполнять при отсутствии в сердечниках ТТ остаточной магнитной индукции и при наличии в сердечниках ТТ предельных значений остаточной магнитной индукции Вr.пред, где Вr.пред=0,86 Внас.
5.1 Определение времени до насыщения трансформаторов тока аналитическим методом
5.1.1 При применении аналитического метода следует использовать исходные данные в соответствии с 4.2.1.
5.1.2 При применении аналитического метода при отсутствии в сердечниках ТТ остаточной магнитной индукции время до насыщения ТТ необходимо рассчитывать по 5.1.4, при наличии в сердечниках ТТ остаточной магнитной индукции время до насыщения ТТ необходимо рассчитывать по 5.1.5.
5.1.3 При расчете времени до насыщения ТТ аналитическим методом:
- параметр режима А необходимо определять в соответствии с 5.1.6;
- коэффициент остаточной намагниченности сердечника ТТ Кr необходимо принимать равным 0,86.
5.1.4 При отсутствии в сердечниках ТТ остаточной магнитной индукции время до насыщения ТТ tнac необходимо рассчитывать по формуле
|
(3) |
Расчет по формуле (3) допустим при соблюдении условий (4) и (5):
|
(4) |
|
|
(5) |
Невыполнение условия (4) означает, что насыщение магнитопровода отсутствует, и время до насыщения ТТ равно бесконечности.
Невыполнение условия (5) означает, что эксплуатация ТТ в таких условиях недопустима, т.к. ток предельной кратности меньше действующего значения тока КЗ.
5.1.5 При наличии в сердечниках ТТ остаточной магнитной индукции время до насыщения ТТ необходимо рассчитывать по формуле
|
(6) |
Расчет по формуле (6) допустим при соблюдении условий (7) и (8):
|
(7) |
|
|
(8) |
Невыполнение условия (7) означает, что насыщение магнитопровода отсутствует и время до насыщения ТТ равно бесконечности.
В случае, если условие (8) не выполняется, значение tнac, вычисленное по формуле (6), принимает отрицательное значение, и для определения времени до насыщения ТТ следует использовать графический метод по паспортным данным в соответствии с 5.2.
5.1.6 Параметр режима А необходимо вычислять по формуле
|
(9) |
где z2Σном - номинальное полное сопротивление вторичной нагрузки ТТ;
z2Σ - полное сопротивление ветви вторичного тока.
Номинальное полное сопротивление вторичной нагрузки ТТ z2Σном необходимо рассчитывать по формуле
|
|
(10) |
где φн.ном - номинальное значение угла сопротивления нагрузки ТТ.
Полное сопротивление ветви вторичного тока z2Σ необходимо вычислять по формуле
|
(11) |
где Rн.факт - фактическое активное сопротивление нагрузки ТТ,
Хн.факт - фактическое индуктивное сопротивление нагрузки ТТ.
5.1.7 Если значение tнac, полученное по результатам вычислений по аналитическому методу, составило менее 15 мс, следует использовать графический метод по паспортным данным в соответствии с 5.2.
5.2 Определение времени до насыщения трансформаторов тока графическим методом по паспортным данным
5.2.1 При применении графического метода по паспортным данным следует использовать исходные данные в соответствии с 4.2.1.
5.2.2 При применении графического метода по паспортным данным время до насыщения ТТ необходимо определять графически в соответствии с универсальными характеристиками (приложение Б).
Для выбора универсальных характеристик необходимо рассчитать косинус угла сопротивления ветви вторичной нагрузки ТТ по формуле
|
(12) |
5.2.2.1 Для определения времени до насыщения ТТ без учета остаточной магнитной индукции в сердечнике ТТ на оси Кп.р необходимо отложить значения А, которые необходимо рассчитывать в соответствии с 5.1.6, и на универсальных характеристиках, соответствующих рассчитанному значению Тр.экв, необходимо определять соответствующие им значения tнac:
|
(13) |
5.2.2.2 Для определения времени до насыщения ТТ с учетом остаточной магнитной индукции в сердечнике ТТ на оси Кп.р необходимо отложить значения А(1 – Кr), и на универсальных характеристиках, соответствующих рассчитанному значению Тр.экв, следует определять соответствующие им значения tнac:
|
(14) |
где Кr - коэффициент остаточной намагниченности, который необходимо принимать равным 0,86.
5.2.3 В целях уточнения расчетов времени до насыщения ТТ допускается выполнить расчет по сумме воздействий апериодических составляющих токов в отдельных ветвях (без использования Тр.экв) согласно следующему методу.
5.2.3.1 Необходимо построить временные диаграммы по формуле
|
|
(15) |
где
- доля тока в i-ой ветви по
отношению к суммарному току КЗ IКЗΣ;
α - угол сопротивления ветви вторичного тока ТТ;
ϑ - начальная фаза периодической составляющей тока КЗ.
(Поправка).
5.2.3.2 Для определения времени до насыщения ТТ без учета остаточной магнитной индукции в сердечнике ТТ на оси Кп.р необходимо отложить значения А, которые необходимо рассчитывать в соответствии с 5.1.6, и на построенных характеристиках Кп.р(t) следует определять соответствующие им значения tнac по формуле (13).
5.2.3.3 Для определения времени до насыщения ТТ с учетом остаточной магнитной индукции в сердечнике ТТ на оси Кп.р необходимо отложить значения А(1 – Кr), и на построенных характеристиках Кп.р(t) следует определять соответствующие им значения tнac по формуле (14).
5.3 Определение времени до насыщения трансформаторов тока графическим методом с использованием вольтамперной характеристики трансформаторов тока
5.3.1 При применении графического метода с использованием ВАХ ТТ следует использовать исходные данные в соответствии с 4.2.1 и ВАХ ТТ. ВАХ ТТ должна быть снята до значений тока намагничивания, соответствующих полной погрешности ТТ ɛ, т.е. не менее чем до 0,1(0,05) расчетной кратности тока КЗ.
5.3.2 Графический метод с использованием ВАХ ТТ допускается использовать, если выполняется условие:
|
(16) |
где
-
ток намагничивания;
-
напряжение намагничивания, которое необходимо определить по ВАХ ТТ для
рассчитанного значения
;
- ток, соответствующий
;
- напряжение, соответствующее середине линейного участка
ВАХ.
Ток намагничивания
необходимо
вычислять по формуле
|
(17) |
где Кфакт - фактическая кратность первичного тока КЗ.
Фактическую кратность первичного тока КЗ Кфакт необходимо вычислять по формуле
|
(18) |
где IКЗ - действующее значение тока КЗ в расчетной точке КЗ.
5.3.3 При применении графического метода с использованием ВАХ ТТ время до насыщения ТТ необходимо определять графически в соответствии с универсальными характеристиками (приложение Б).
Для выбора универсальных характеристик необходимо рассчитать косинус угла сопротивления ветви вторичной нагрузки ТТ по формуле (12).
5.3.3.1 Для определения времени до насыщения ТТ без учета остаточной магнитной индукции в сердечнике ТТ на оси Кп.р необходимо отложить значения А, которые необходимо рассчитывать в соответствии с 5.3.4, и на универсальных характеристиках, соответствующих рассчитанному значению Тр.экв, необходимо определять соответствующие им значения tнac по формуле (13).
5.3.3.2 Для определения времени до насыщения ТТ с учетом остаточной магнитной индукции в сердечнике ТТ на оси Кп.р необходимо отложить значения А(1 – Кr), и на универсальных характеристиках, соответствующих рассчитанному значению Тр.экв, необходимо определять соответствующие им значения tнac по формуле (14).
5.3.4 Параметр режима А необходимо вычислять по формуле
|
(19) |
где Uɛ
- напряжение намагничивания, которое необходимо определить по ВАХ ТТ для
рассчитанного значения
;
U2sin - напряжение, соответствующее ЭДС вторичной обмотки при фактической кратности первичного тока ТТ Кфакт и суммарном сопротивлении ветви вторичного тока z2Σ.
Напряжение U2sin необходимо вычислять по формуле
|
(20) |
где Кфакт - фактическая кратность первичного тока ТТ, которую необходимо вычислять по формуле (18);
z2Σ - полное сопротивление ветви вторичного тока, которое необходимо вычислять по формуле (11).
5.3.5 В целях уточнения расчетов времени до насыщения ТТ допускается выполнить расчет по сумме воздействий апериодических составляющих токов в отдельных ветвях (без использования Тр.экв) согласно следующему методу.
5.3.5.1 Необходимо построить временные диаграммы по формуле (15).
5.3.5.2 Для определения времени до насыщения ТТ без учета остаточной магнитной индукции в сердечнике ТТ на оси Кп.р необходимо отложить значения А, которые необходимо рассчитывать в соответствии с 5.3.4, и на построенных характеристиках Кп.р(t) следует определять соответствующие им значения tнac по формуле (13).
5.3.5.3 Для определения времени до насыщения ТТ с учетом остаточной магнитной индукции в сердечнике ТТ на оси Кп.р необходимо отложить значения А(1 – Кr), и на построенных характеристиках Кп.р(t) следует определять соответствующие им значения tнac по формуле (14).
5.4 Определение времени до насыщения трансформаторов тока графическим методом с использованием характеристики намагничивания трансформаторов тока
5.4.1 При применении графического метода с использованием характеристики намагничивания ТТ следует использовать исходные данные в соответствии с 4.2.1, а также:
- дополнительные данные ТТ (число витков вторичной обмотки ТТ w2, поперечное сечение сердечника ТТ s и среднюю длину силовой линии I);
- характеристику намагничивания ТТ Вт = f(H),
где Вт - амплитуда магнитной индукции;
Н - действующее значение напряженности магнитного поля.
5.4.2 Графический метод с использованием характеристики намагничивания ТТ допускается использовать, если выполняется условие:
|
(21) |
где Втɛ - амплитуда магнитной индукции, определенная по характеристике намагничивания ТТ для действующего значения напряженности магнитного поля Нɛ.
Действующее значение напряженности магнитного поля Нɛ необходимо вычислять по формуле
|
(22) |
где
- ток намагничивания, который необходимо вычислять по
формуле (17);
w2 - число витков вторичной обмотки ТТ;
I - средняя длина силовой линии.
5.4.3 При применении графического метода с использованием характеристики намагничивания ТТ время до насыщения ТТ необходимо определять графически в соответствии с универсальными характеристиками (приложение Б).
Для выбора универсальных характеристик необходимо рассчитать косинус угла сопротивления ветви вторичной нагрузки ТТ по формуле (12).
5.4.3.1 Для определения времени до насыщения ТТ без учета остаточной магнитной индукции в сердечнике ТТ на оси Кп.р необходимо отложить значения А, которые необходимо рассчитывать в соответствии с 5.4.4, и на универсальных характеристиках, соответствующих рассчитанному значению Тр.экв, следует определять соответствующие им значения tнac по формуле (13).
5.4.3.2 Для определения времени до насыщения ТТ с учетом остаточной магнитной индукции в сердечнике ТТ на оси Кп.р необходимо отложить значения А(1 – Кr), и на универсальных характеристиках, соответствующих рассчитанному значению Тр.экв, следует определять соответствующие им значения tнac по формуле (14).
5.4.4 Параметр режима А необходимо определять по формуле
|
(23) |
где Втɛ - амплитуда магнитной индукции, определенная по характеристике намагничивания ТТ для действующего значения напряженности магнитного поля;
Вт - амплитуда магнитной индукции, соответствующая значению напряжения, соответствующего ЭДС вторичной обмотки, U2sin при частоте электрического тока 50 Гц.
Значение амплитуды магнитной индукции Вт необходимо определять по формуле
|
(24) |
где w2 - число витков вторичной обмотки ТТ;
s - поперечное сечение сердечника магнитопровода ТТ.
Напряжение U2sin необходимо определять по формуле (20).
5.4.5 В целях уточнения расчетов времени до насыщения ТТ допускается выполнить расчет по сумме воздействий апериодических составляющих токов в отдельных ветвях (без использования Тр.экв) согласно следующему методу.
5.4.5.1 Необходимо построить временные диаграммы по формуле (15).
5.4.5.2 Для определения времени до насыщения ТТ без учета остаточной магнитной индукции в сердечнике ТТ на оси Кп.р необходимо отложить значения А, которые необходимо рассчитывать в соответствии с 5.4.4, и на построенных характеристиках Кп.р(t) необходимо определять соответствующие им значения tнac по формуле (13).
5.4.5.3 Для определения времени до насыщения ТТ с учетом остаточной магнитной индукции в сердечнике ТТ на оси Кп.р необходимо отложить значения А(1 – Кr), и на построенных характеристиках Кп.р(t) необходимо определять соответствующие им значения tнac по формуле (14).
5.5 Примеры выполнения расчетов времени до насыщения ТТ приведены в приложении В. Теоретические основы моделирования и расчета режимов работы ТТ приведены в приложении Г.
А.1 Контрольные кабели необходимо моделировать активным сопротивлением rпр и определять по ГОСТ 22483 по формуле
|
|
(А.1) |
где ρ - удельное сопротивление проводника, Ом·мм2/м;
I - длина контрольного кабеля, м;
s - площадь поперечного сечения жилы контрольного кабеля, мм2.
А.2 Для схемы соединения группы ТТ «полная звезда» сопротивление нагрузки необходимо определять следующим образом:
- при трехфазном КЗ - по формуле
|
(А.2) |
- при однофазном КЗ - по формуле
|
(А.3) |
где zрф - суммарное сопротивление устройств релейной защиты (для наиболее загруженной фазы);
zpo - суммарное сопротивление устройств релейной защиты, включенных в цепь общего провода.
А.3 Для схемы соединения группы ТТ «неполная звезда» сопротивление нагрузки необходимо определять при трехфазном КЗ по формуле
|
|
(А.4) |
А.4 Для схемы соединения группы ТТ «треугольник» сопротивление нагрузки необходимо определять следующим образом:
- при трехфазном КЗ - по формуле
|
|
(А.5) |
- при однофазном КЗ - по формуле
|
|
(А.6) |

а) Тр = (0,03 - 0,1) с для t = (0 - 0,05) с
Рисунок Б.1 - Универсальные характеристики ТТ при cos α = 1, лист 1

б) Тр = (0,1 - 0,3) с для t = (0 - 0,05) с
Рисунок Б.1, лист 2

в) Тр = (0,03 - 0,3) с для t = (0,05 - 0,12) с
Рисунок Б.1, лист 3

а) Тр = (0,03 - 0,1) с для t = (0 - 0,05) с
Рисунок Б.2 - Универсальные характеристики ТТ при cos α = 0,95, лист 1

б) Тр = (0,1 - 0,3) с для t = (0 - 0,05) с
Рисунок Б.2, лист 2

в) Тр = (0,03 - 0,3) с для t = (0,05 - 0,12) с
Рисунок Б.2, лист 3

а) Тр = (0,03 - 0,1) с для t = (0 - 0,05) с
Рисунок Б.3 - Универсальные характеристики ТТ при cos α = 0,9, лист 1

б) Тр = (0,1 - 0,3) с для t = (0 - 0,05) с
Рисунок Б.3, лист 2

в) Тр = (0,03 - 0,3) с для t = (0,05 - 0,12) с
Рисунок Б.3, лист 3

а) Тр = (0,03 - 0,1) с для t = (0 - 0,05) с
Рисунок Б.4 - Универсальные характеристики ТТ при cos α = 0,85, лист 1

б) Тр = (0,1 - 0,3) с для t = (0 - 0,5) с
Рисунок Б.4, лист 2

в) Тр = (0,03 - 0,3) с для t = (0,05 - 0,12) с
Рисунок Б.4, лист 3

а) Тр = (0,03 - 0,1) с для t = (0 - 0,05) с
Рисунок Б.5 - Универсальные характеристики ТТ при cos α = 0,8, лист 1

б) Тр = (0,1 - 0,3) с для t = (0 - 0,05) с
Рисунок Б.5, лист 2

в) Тр = (0,03 - 0,3) с для t = (0,05 - 0,12) с
Рисунок Б.5, лист 3
В.1 Примеры расчетов времени до насыщения трансформаторов тока аналитическим методом
В.1.1 Расчет времени до насыщения ТТ типа SAS 550/5G 2000/1
В.1.1.1 Исходные данные (номинальные параметры ТТ типа SAS 500/5G 2000/1):
I1.ном = 2000 А; I2.ном = 1 А; R2 = 7,51 Ом; X2 = 0 Ом; zн.ном = 40 Ом; ɛ = 10 %; Кном = 20, cos φн.ном = 0,8.
В.1.1.2 Расчетная схема электрической станции приведена на рисунке В.1.
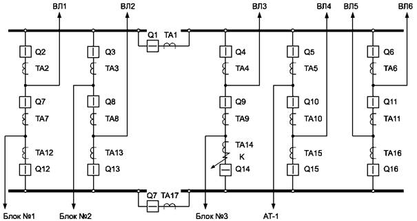
В.1.1.3 В качестве схемно-режимного условия и расчетного места КЗ выбрана точка К (см. рисунок В.1) при отключенном выключателе Q14, при этом через проверяемый ТТ при КЗ проходит наибольший ток. Значения токов в ветвях, питающих точку КЗ, и постоянные времени затухания апериодических составляющих токов в ветвях приведены в таблице В.1.
Таблица В.1 - Токи трехфазного и однофазного КЗ и постоянные времени затухания апериодических составляющих
|
№ ветви |
Наименование ветви |
Тр.i (3), мс |
IКЗ (3),A |
Тр.i (1), мс |
IКЗ (1),A |
|
1 |
Блок генератор-трансформатор 1 |
283 |
2899 |
217 |
7226 |
|
2 |
Блок генератор-трансформатор 2 |
283 |
2882 |
217 |
6980 |
|
3 |
Блок генератор-трансформатор 3 |
283 |
2861 |
217 |
6948 |
|
4 |
Автотрансформатор связи |
60 |
1766 |
60 |
2366 |
|
5 |
ВЛ1 |
32,4 |
3248 |
32,4 |
832 |
|
6 |
ВЛ2 |
32,2 |
3172 |
32,2 |
797 |
|
7 |
ВЛ3 |
32,8 |
1642 |
32,8 |
401 |
|
8 |
ВЛ4 |
32,4 |
1328 |
32,4 |
441 |
|
9 |
ВЛ5 |
32,2 |
1684 |
32,2 |
458 |
|
10 |
ВЛ6 |
32,6 |
1663 |
32,6 |
451 |
|
Суммарные токи |
- |
23145 |
- |
26900 |
|
В качестве максимальных значений токов в первичных обмотках ТТ, используемых в цепях основных (быстродействующих) защит и быстродействующих ступеней резервных защит, приняты следующие значения:
- ток однофазного близкого КЗ - 26900 А;
- ток трехфазного близкого КЗ - 23145 А.
Расчет постоянных времени затухания апериодических
составляющих токов КЗ
-
выполняют в соответствии с ГОСТ
Р 52735.
В.1.1.4 Определение величины нагрузки во вторичных цепях ТТ
Поперечное сечение жилы контрольного кабеля марки КВВГЭнг-LS S = 2,5 мм2. Наибольшая длина контрольного кабеля (от ТТ до устройства релейной защиты) на ОРУ-500 кВ составляет 900 м. Поэтому при расчете максимальной нагрузки во вторичных цепях ТТ принимается I = 900 м. Удельное сопротивление проводника для меди ρ = 0,0175 Ом мм2/м.
В примерах при расчете нагрузки во вторичных цепях ТТ входное сопротивление микропроцессорного устройства релейной защиты не учитывается, так как оно незначительно.
В соответствии с формулой (А.2) величина нагрузки во вторичных цепях ТТ при трехфазных КЗ:
![]()
В соответствии с формулой (А.3) величина нагрузки во вторичных цепях ТТ при однофазных КЗ:
![]()
Рисунок В.1 - Пример схемы электрических соединений ОРУ-500 кВ
В.1.1.5 Определение Тр.экв для трехфазного и однофазного КЗ по формуле (1):
|
|
|
|
Определение параметра режима А для трехфазного и однофазного КЗ в соответствии с формулой (9):
|
|
|
|
В.1.1.6 Выполнение проверки по условиям (7), (8) для трехфазного КЗ:
- по условию (7):
|
|
при Кr = 0: 41,2 > 5,785 - неравенство выполняется;
при Кr = 0,86: 41,2 > 0,81 - неравенство выполняется;
- по условию (8):
|
|
при Кr = 0: 5,785 > 1 - неравенство выполняется;
при Кr= 0,86: 0,81 > 1 - неравенство не выполняется.
В.1.1.7 Выполнение проверки по условиям (7), (8) для однофазного КЗ:
- по условию (7):
|
|
при Кr= 0: 57,5 > 3,418 - неравенство выполняется;
при Кr= 0,86: 57,5 > 0,48 - неравенство выполняется;
- по условию (8):
|
|
при Кr = 0: 3,418 > 1 - неравенство выполняется;
при Кr= 0,86: 0,48 > 1 - неравенство не выполняется.
В.1.1.8 Определение времени до насыщения ТТ при трехфазном КЗ:
- без учета остаточной индукции по формуле (3):
|
|
- расчет по формуле (6) с учетом остаточной индукции невозможен, т.к. не выполняется условие (8).
В.1.1.9 Определение времени до насыщения ТТ при однофазном КЗ:
- без учета остаточной индукции по формуле (3):
|
|
- расчет по формуле (6) с учетом остаточной индукции невозможен, т.к. не выполняется условие (8).
В.1.2 Расчет времени до насыщения трансформаторов тока типа ТФЗМ-500Б-IV 2000/1
В.1.2.1 Исходные данные (номинальные параметры ТТ типа ТФЗМ-500Б-IV 2000/1):
I1.ном = 2000 А; I2.ном = 1 А; R2 = 10 Ом; X2 = 0 Ом; zн.ном = 50 Ом; ɛ = 10 %; Кном = 20, cos φн.ном = 0,8.
Данный ТТ имеет каскадное исполнение. Магнитопровод верхнего каскада имеет сечение, превышающее сечение каждого из магнитопроводов нижнего каскада в 4,5 раза. По этой причине расчет выполняют для нижнего каскада.
В.1.2.2 Расчетная схема электрической станции, схемно-режимные условия и расчетное место КЗ, величина нагрузки во вторичных цепях ТТ и Тр.экв аналогичны расчету по В.1.1.
В.1.2.3 Определение параметра режима А для трехфазного и однофазного КЗ в соответствии с формулой (9):
- для режима трехфазного КЗ:
|
|
- для режима однофазного КЗ:
|
|
В.1.2.4 Выполнение проверки по условиям (7), (8) для трехфазного КЗ:
- по условию (7):
|
|
при Кr = 0: 41,2 > 5,564 - неравенство выполняется;
при Кr = 0,86: 41,2 > 0,78 - неравенство выполняется;
- по условию (8):
![]()
при Кr= 0: 5,564 > 1 - неравенство выполняется;
при Кr= 0,86: 0,78 > 1 - неравенство не выполняется.
В.1.2.5 Выполнение проверки по условиям (7), (8) для однофазного КЗ:
- по условию (7):
![]()
при Кr= 0: 57,5 > 3,453 - неравенство выполняется;
при Кr= 0,86: 57,5 > 0,48 - неравенство выполняется;
- по условию (8):
![]()
при Кr= 0: 3,453 > 1 - неравенство выполняется;
при Кr= 0,86: 0,48 > 1 - неравенство не выполняется.
В.1.2.6 Определение времени до насыщения ТТ при трехфазном КЗ:
- без учета остаточной индукции по формуле (3):
![]()
- расчет по формуле (6) с учетом остаточной индукции невозможен, т.к. не выполняется условие (8).
В.1.2.7 Определение времени до насыщения ТТ при однофазном КЗ:
- без учета остаточной индукции по формуле (3):
![]()
- расчет по формуле (6) с учетом остаточной индукции невозможен, т.к. не выполняется условие (8).
В.1.3 Расчет времени до насыщения трансформаторов тока типа JK ELK СВ3 4000/1
В.1.3.1 Исходные данные (номинальные параметры ТТ типа JK ELK СВ3 4000/1):
I1.ном = 4000 А; I2.ном = 1 А; R2 = 10,5 Ом; X2 = 0 Ом; zн.ном = 30 Ом; ɛ = 5 %; Кном = 20, cos φн.ном = 0,8.
В.1.3.2 Расчетная схема электрической станции, схемно-режимные условия и расчетное место КЗ, величина нагрузки во вторичных цепях ТТ и Тр.экв аналогичны расчету по В.1.1.
В.1.3.3 Определение параметра режима А для трехфазного и однофазного КЗ в соответствии с формулой (9):
- для режима трехфазного КЗ:

- для режима однофазного КЗ:

В.1.3.4 Выполнение проверки по условиям (7), (8) для трехфазного КЗ:
- по условию (7):
![]()
при Кr= 0: 41,2 > 8,0 - неравенство выполняется;
при Кr= 0,86: 41,2 > 1,12 - неравенство выполняется;
- по условию (8):
![]()
при Кr= 0: 8,0 > 1 - неравенство выполняется;
при Кr= 0,86: 1,12 > 1 - неравенство выполняется.
В.1.3.5 Выполнение проверки по условиям (7), (8) для однофазного КЗ:
- по условию (7):
![]()
при Кr= 0: 57,5 > 5,0 - неравенство выполняется;
при Кr= 0,86: 57,5 > 0,7 - неравенство выполняется;
- по условию (8):
![]()
при Кr= 0: 5,0 > 1 - неравенство выполняется;
при Кr= 0,86: 0,7 > 1 - неравенство не выполняется.
В.1.3.6 Определение времени до насыщения ТТ при трехфазном КЗ:
- без учета остаточной индукции по формуле (3):
![]()
- с учетом остаточной индукции по формуле (6):
![]()
В.1.3.7 Определение времени до насыщения ТТ при однофазном КЗ:
- без учета остаточной индукции по формуле (3):
![]()
- расчет по формуле (6) с учетом остаточной индукции невозможен, т.к. не выполняется условие (8).
В.2 Расчет времени до насыщения трансформаторов тока графическим методом по паспортным данным
В.2.1 Расчет времени до насыщения трансформаторов тока типа SAS 550/5G 2000/1
В.2.1.1 Исходные данные (номинальные параметры ТТ типа SAS 500/5G 2000/1):
I1.ном = 2000 А; I2.ном = 1 А; R2 = 7,51 Ом; X2 = 0 Ом; zн.ном = 40 Ом; ɛ = 10 %; Кном = 20, cos φн.ном = 0,8.
В.2.1.2 Расчетная схема электрической станции, схемно-режимные условия и расчетное место КЗ, величина нагрузки во вторичных цепях ТТ и Тр.экв аналогичны расчету по В.1.1.
В.2.1.3 Определение параметра режима А для трехфазного и однофазного КЗ по формуле (9):
- для режима трехфазного КЗ:

![]()
- для режима однофазного КЗ:

![]()
В.2.1.4 Определение времени до насыщения ТТ осуществляют графически в соответствии с универсальными характеристиками (приложение Б).
В.2.1.5 Для выбора универсальной характеристики рассчитывают косинус угла ветви вторичной нагрузки ТТ по формуле (12):
- для трехфазного КЗ:
![]()
- для однофазного КЗ:
![]()
В.2.1.6 Для определения времени до насыщения ТТ без учета остаточной магнитной индукции в сердечнике ТТ на оси Кп.р необходимо отложить значения А, рассчитанные в В.2.1.3, и на универсальных характеристиках, соответствующих рассчитанному значению Тр.экв и cos α, определить соответствующие им значения tнac:
![]()
- для трехфазного КЗ:
![]()
- для однофазного КЗ:
![]()
В.2.1.7 Для определения времени до насыщения ТТ с учетом остаточной магнитной индукции в сердечнике ТТ на оси Кп.р необходимо отложить значения А(1 – Кr), рассчитанные в В.2.1.3, и на универсальных характеристиках, соответствующих рассчитанному значению Тр.экв и cos α, определить соответствующие им значения tнac:
![]()
- для трехфазного КЗ:
![]()
- для однофазного КЗ:
![]()
В.2.1.8 Определение времени до насыщения ТТ по сумме воздействий апериодических составляющих токов в отдельных ветвях (без использования Тр.экв)
Согласно формуле (15) строят временные диаграммы Кп.р(t) для трехфазного и однофазного КЗ, которые приведены на рисунке В.2.
Рисунок В.2 - Временные диаграммы коэффициента Кп.р(t), построенные по формуле (15)
Для определения времени до насыщения ТТ без учета остаточной магнитной индукции в сердечнике ТТ на оси Кп.р необходимо отложить значения А, рассчитанные в В.2.1.3, и на построенных характеристиках (см. рисунок В.2) определить соответствующие им значения tнac:
![]()
- для трехфазного КЗ:
![]()
- для однофазного КЗ:
![]()
Для определения времени до насыщения ТТ с учетом остаточной магнитной индукции в сердечнике ТТ на оси Кп.р необходимо отложить значения А(1 – Кr), рассчитанные в В.2.1.3, и на построенных характеристиках (см. рисунок В.2) определить соответствующие им значения tнac:
![]()
- для трехфазного КЗ:
![]()
- для однофазного КЗ:
![]()
В.2.2 Расчет времени до насыщения трансформаторов тока типа ТФЗМ-500Б-IV 2000/1
В.2.2.1 Исходные данные (номинальные параметры ТТ типа T03M-500B-IV 2000/1):
I1.ном = 2000 А; I2.ном = 1 А; R2 = 10 Ом; X2 = 0 Ом; zн.ном = 50 Ом; ɛ = 10 %; Кном = 18, cos φн.ном = 0,8.
В.2.2.2 Расчетная схема электрической станции, схемно-режимные условия и расчетное место КЗ, величина нагрузки во вторичных цепях ТТ и Тр.экв аналогичны расчету по В.1.1.
Данный ТТ имеет каскадное исполнение. Магнитопровод верхнего каскада имеет сечение, превышающее сечение каждого из магнитопроводов нижнего каскада в 4,5 раза. По этой причине расчет произведен для нижнего каскада.
В.2.2.3 Определение параметра режима А для трехфазного и однофазного КЗ по формуле (9):
- для режима трехфазного КЗ:

![]()
- для режима однофазного КЗ:

![]()
В.2.2.4 Определение времени до насыщения ТТ осуществляют графически в соответствии с универсальными характеристиками (приложение Б).
В.2.2.5 Для выбора универсальной характеристики рассчитывают косинус угла ветви вторичной нагрузки ТТ по формуле (12):
- для трехфазного КЗ:
![]()
- для однофазного КЗ:
![]()
В.2.2.6 Для определения времени до насыщения ТТ без учета остаточной магнитной индукции в сердечнике ТТ на оси Кп.р необходимо отложить значения А, рассчитанные в В.2.2.3, и на универсальных характеристиках, соответствующих рассчитанному значению Тр.экв и cos α, определить соответствующие им значения tнac:
![]()
- для трехфазного КЗ:
![]()
- для однофазного КЗ:
![]()
В.2.2.7 Для определения времени до насыщения ТТ с учетом остаточной магнитной индукции в сердечнике ТТ на оси Кп.р необходимо отложить значения А(1 – Кr), рассчитанные в В.2.2.3, и на универсальных характеристиках, соответствующих рассчитанному значению Тр.экв и cos α, определить соответствующие им значения tнac:
![]()
- для трехфазного КЗ:
![]()
- для однофазного КЗ:
![]()
В.2.2.8 Определение времени до насыщения ТТ по сумме воздействий апериодических составляющих токов в отдельных ветвях (без использования Тр.экв)
Согласно формуле (15) строят временные диаграммы Кп.р(t) для трехфазного и однофазного КЗ (см. рисунок В.2).
Для определения времени до насыщения ТТ без учета остаточной магнитной индукции в сердечнике ТТ на оси Кп.р необходимо отложить значения А, рассчитанные в В.2.2.3, и на построенных характеристиках (см. рисунок В.2) определить соответствующие им значения tнac:
![]()
- для трехфазного КЗ:
![]()
- для однофазного КЗ:
![]()
Для определения времени до насыщения ТТ с учетом остаточной магнитной индукции в сердечнике ТТ на оси Кп.р необходимо отложить значения А(1 – Кr), рассчитанные в В.2.2.3, и на построенных характеристиках (см. рисунок В.2) определить соответствующие им значения tнac:
![]()
- для трехфазного КЗ:
![]()
- для однофазного КЗ:
![]()
В.2.3 Расчет времени до насыщения трансформаторов тока типа JK ELK СВ3 4000/1
В.2.3.1 Исходные данные (номинальные параметры ТТ типа JK ELK СВ3 4000/1):
I1.ном = 4000 А; I2.ном = 1 А; R2 = 10,5 Ом; X2 = 0 Ом; zн.ном = 30 Ом; ɛ = 5 %; Кном = 20, cos φн.ном = 0,8.
В.2.3.2 Расчетная схема электрической станции, схемно-режимные условия и расчетное место КЗ, величина нагрузки во вторичных цепях ТТ и Тр.экв аналогичны расчету по В.1.1.
В.2.3.3 Определение параметра режима А для трехфазного и однофазного КЗ по формуле (9):
- для режима трехфазного КЗ:

![]()
- для режима однофазного КЗ:

![]()
В.2.3.4 Определение времени до насыщения ТТ осуществляют графически в соответствии с универсальными характеристиками (приложение Б).
В.2.3.5 Для выбора универсальной характеристики рассчитывают косинус угла ветви вторичной нагрузки ТТ по формуле (12):
- для трехфазного КЗ:
![]()
- для однофазного КЗ:
![]()
В.2.3.6 Для определения времени до насыщения ТТ без учета остаточной магнитной индукции в сердечнике ТТ на оси Кп.р необходимо отложить значения А, рассчитанные в В.2.2.3, и на универсальных характеристиках, соответствующих рассчитанному значению Тр.экв и cos α, определить соответствующие им значения tнac:
![]()
- для трехфазного КЗ:
![]()
- для однофазного КЗ:
![]()
В.2.3.7 Для определения времени до насыщения ТТ с учетом остаточной магнитной индукции в сердечнике ТТ на оси Кп.р необходимо отложить значения А(1 – Кr), рассчитанные в В.2.2.3, и на универсальных характеристиках, соответствующих рассчитанному значению Тр.экв и cos α, определить соответствующие им значения tнac:
![]()
- для трехфазного КЗ:
![]()
- для однофазного КЗ:
![]()
В.2.3.8 Определение времени до насыщения ТТ по сумме воздействий апериодических составляющих токов в отдельных ветвях (без использования Тр.экв)
Согласно формуле (15) строят временные диаграммы Кп.р(t) для трехфазного и однофазного КЗ (см. рисунок В.2).
Для определения времени до насыщения ТТ без учета остаточной магнитной индукции в сердечнике ТТ на оси Кп.р необходимо отложить значения А, рассчитанные в В.2.2.3, и на построенных характеристиках (см. рисунок В.2) определить соответствующие им значения tнac:
![]()
- для трехфазного КЗ:
![]()
- для однофазного КЗ:
![]()
Для определения времени до насыщения ТТ с учетом остаточной магнитной индукции в сердечнике ТТ на оси Кп.р необходимо отложить значения А(1 – Кr), рассчитанные в В.2.2.3, и на построенных характеристиках (см. рисунок В.2) определить соответствующие им значения tнac:
![]()
- для трехфазного КЗ:
![]()
- для однофазного КЗ:
![]()
В.3 Расчет времени до насыщения трансформаторов тока графическим методом с использованием вольтамперной характеристики трансформаторов тока
В.3.1 Расчет времени до насыщения трансформаторов тока типа SAS 550/5G 2000/1
В.3.1.1 Исходные данные (номинальные параметры ТТ типа SAS 550/5G 2000/1):
I1.ном = 2000 А; I2.ном = 1 А; R2 = 7,51 Ом; X2 = 0 Ом; zн.ном = 340 Ом; ɛ = 10 %; Кном = 20, cos φн.ном = 0,8.
ВАХ ТТ приведена на рисунке В.3.
В.3.1.2 Расчетная схема электрической станции, схемно-режимные условия и расчетное место КЗ, величина нагрузки во вторичных цепях ТТ и Тр.экв аналогичны расчету по В.1.1.
Рисунок В.3 - Вольтамперная характеристика ТТ SAS 550/5G 2000/1
В.3.1.3 Выполнение проверки допустимости использования метода
Определение фактической кратности тока КЗ:
- для трехфазного КЗ:
![]()
- для однофазного КЗ:
![]()
Определение тока намагничивания, соответствующего классу точности ТТ, по формуле (17):
- для трехфазного КЗ:
![]()
- для однофазного КЗ:
![]()
По ВАХ ТТ (см. рисунок В.3) определить
значения напряжений, соответствующие рассчитанным значениям
и
:
![]()
![]()
По ВАХ ТТ (см. рисунок В.3) определить параметры середины линейного участка ВАХ:
![]()
![]()
Проверка выполнения условия (16):
- для трехфазного КЗ:
![]()
- для однофазного КЗ:
![]()
В.3.1.4 Определение параметра режима А для трехфазного и однофазного КЗ по формуле (19):
- для трехфазного КЗ:

![]()
где
определяют
по формуле (20):
![]()
- для однофазного КЗ:

![]()
где ![]()
В.3.1.5 Определение времени до насыщения ТТ осуществляют графически в соответствии с универсальными характеристиками (приложение Б).
В.3.1.6 Для выбора универсальной характеристики рассчитывают косинус угла ветви вторичной нагрузки ТТ по формуле (12):
- для трехфазного КЗ:
![]()
- для однофазного КЗ:
![]()
В.3.1.7 Для определения времени до насыщения ТТ без учета остаточной магнитной индукции в сердечнике ТТ на оси Кп.р необходимо отложить значения А, рассчитанные в В.3.1.4, и на универсальных характеристиках, соответствующих рассчитанному значению Тр.экв и cos α, определить соответствующие им значения tнac:
![]()
- для трехфазного КЗ:
![]()
- для однофазного КЗ:
![]()
В.3.1.8 Для определения времени до насыщения ТТ с учетом остаточной магнитной индукции в сердечнике ТТ на оси Кп.р необходимо отложить значения А(1 – Кr), рассчитанные в В.2.1.3, и на универсальных характеристиках, соответствующих рассчитанному значению Тр.экв и cos α, определить соответствующие им значения tнac:
![]()
- для трехфазного КЗ:
![]()
- для однофазного КЗ:
![]()
В.3.1.9 Определение времени до насыщения ТТ по сумме воздействий апериодических составляющих токов в отдельных ветвях (без использования Тр.экв).
Согласно формуле (15) строят временные диаграммы Кп.р(t) для трехфазного и однофазного КЗ (см. рисунок В.2).
Для определения времени до насыщения ТТ без учета остаточной магнитной индукции в сердечнике ТТ на оси Кп.р необходимо отложить значения А, рассчитанные в В.3.1.4, и на построенных характеристиках (см. рисунок В.2) определить соответствующие им значения tнac:
![]()
- для трехфазного КЗ:
![]()
- для однофазного КЗ:
![]()
Для определения времени до насыщения ТТ с учетом остаточной магнитной индукции в сердечнике ТТ на оси Кп.р необходимо отложить значения А(1 – Кr), рассчитанные в В.3.1.4, и на построенных характеристиках (см. рисунок В.2) определить соответствующие им значения tнac:
![]()
- для трехфазного КЗ:
![]()
- для однофазного КЗ:
![]()
В.3.2 Расчет времени до насыщения трансформаторов тока типа ТФЗМ-500Б-IV 2000/1
В.3.2.1 Исходные данные (номинальные параметры ТТ типа T03M-500B-IV 2000/1):
I1.ном = 2000 А; I2.ном = 1 А; R2 = 10 Ом; X2 = 0 Ом; zн.ном = 50 Ом; ɛ = 10 %; Кном = 18, cos φн.ном = 0,8.
ВАХ ТТ приведена на рисунке В.4.
В.3.2.2 Расчетная схема электрической станции, схемно-режимные условия и расчетное место КЗ, величина нагрузки во вторичных цепях ТТ и Тр.экв аналогичны расчету по В.1.1.
Данный ТТ имеет каскадное исполнение. Магнитопровод верхнего каскада имеет сечение, превышающее сечение каждого из магнитопроводов нижнего каскада в 4,5 раза. По этой причине расчет произведен для нижнего каскада.
В.3.2.3 Выполнение проверки допустимости использования метода Определение фактической кратности тока КЗ:
- для трехфазного КЗ:
![]()
- для однофазного КЗ:
![]()
Определение тока намагничивания, соответствующего классу точности ТТ, по формуле (17):
- для трехфазного КЗ:
![]()
- для однофазного КЗ:
![]()
По ВАХ ТТ (см. рисунок В.4)
определить значения напряжений, соответствующие рассчитанным значениям
и
:
![]()
![]()
По ВАХТТ (см. рисунок В.4) определить параметры середины линейного участка ВАХ:
![]()
![]()
Проверка выполнения условия (16):
- для трехфазного КЗ:
![]()
- для однофазного КЗ:
![]()
Рисунок В.4 - Вольтамперная характеристика ТТ ТФЗМ-500Б-2000/1
В.3.2.4 Определение параметра режима А для трехфазного и однофазного КЗ по формуле (19):
- для трехфазного КЗ:

![]()
где
определяют
по формуле (20):
![]()
- для однофазного КЗ:

![]()
где ![]()
В.3.2.5 Определение времени до насыщения ТТ осуществляют графически в соответствии с универсальными характеристиками (приложение Б).
В.3.2.6 Для выбора универсальной характеристики рассчитывают косинус угла ветви вторичной нагрузки ТТ по формуле (12):
- для трехфазного КЗ:
![]()
- для однофазного КЗ:
![]()
В.3.2.7 Для определения времени до насыщения ТТ без учета остаточной магнитной индукции в сердечнике ТТ на оси Кп.р необходимо отложить значения А, рассчитанные в В.3.2.4, и на универсальных характеристиках, соответствующих рассчитанному значению Тр.экв и cos α, определить соответствующие им значения tнac:
![]()
- для трехфазного КЗ:
![]()
- для однофазного КЗ:
![]()
В.3.2.8 Для определения времени до насыщения ТТ с учетом остаточной магнитной индукции в сердечнике ТТ на оси Кп.р необходимо отложить значения А(1 – Кr), рассчитанные в В.3.2.4, и на универсальных характеристиках, соответствующих рассчитанному значению Тр.экв и cos α, определить соответствующие им значения tнac:
![]()
- для трехфазного КЗ:
![]()
- для однофазного КЗ:
![]()
В.3.2.9 Определение времени до насыщения ТТ по сумме воздействий апериодических составляющих токов в отдельных ветвях (без использования Тр.экв).
Согласно формуле (15) строят временные диаграммы Кп.р(t) для трехфазного и однофазного КЗ (см. рисунок В.2).
Для определения времени до насыщения ТТ без учета остаточной магнитной индукции в сердечнике ТТ на оси Кп.р необходимо отложить значения А, рассчитанные в В.3.2.4, и на построенных характеристиках (см. рисунок В.2) определить соответствующие им значения tнac:
![]()
- для трехфазного КЗ:
![]()
- для однофазного КЗ:
![]()
Для определения времени до насыщения ТТ с учетом остаточной магнитной индукции в сердечнике ТТ на оси Кп.р необходимо отложить значения А(1 – Кr), рассчитанные в В.3.2.4, и на построенных характеристиках (см. рисунок В.2) определить соответствующие им значения tнac:
![]()
- для трехфазного КЗ:
![]()
- для однофазного КЗ:
![]()
В.3.3 Расчет времени до насыщения трансформаторов тока типа JK ELK СВ3-780 4000/1
В.3.3.1 Исходные данные (номинальные параметры ТТ типа JK ELK СВ3 4000/1):
I1.ном = 4000 А; I2.ном = 1 А; R2 = 10,5 Ом; X2 = 0 Ом; zн.ном = 30 Ом; ɛ = 5 %; Кном = 20, cos φн.ном = 0,8.
ВАХ ТТ приведена на рисунке В.5.
В.3.3.2 Расчетная схема электрической станции, схемно-режимные условия и расчетное место КЗ, величина нагрузки во вторичных цепях ТТ и Тр.экв аналогичны расчету по В.1.1.
В.3.3.3 Выполнение проверки допустимости использования метода Определение фактической кратности тока КЗ:
- для трехфазного КЗ:
![]()
- для однофазного КЗ:
![]()
Определение тока намагничивания, соответствующего классу точности ТТ, по формуле (17):
- для трехфазного КЗ:
![]()
- для однофазного КЗ:
![]()
Определение по ВАХ ТТ (см. рисунок В.5) значения напряжений, соответствующие рассчитанным
значениям
и ![]()
![]()
![]()
Рисунок
В.5 - Вольтамперная характеристика ТТ JK ELK СВ3-780 с nном 4000/1 (верхняя кривая) и 2000/1
(нижняя кривая)
Определение по ВАХ ТТ (см. рисунок В.5) параметров середины линейного участка ВАХ:
![]()
![]()
Проверка выполнения условия (16):
- для трехфазного КЗ:
![]()
- для однофазного КЗ:
![]()
В.3.3.4 Определение параметра режима А для трехфазного и однофазного КЗ по формуле (19):
- для трехфазного КЗ:

![]()
где
определяют
по формуле (20):
![]()
- для однофазного КЗ:

![]()
где ![]()
В.3.3.5 Определение времени до насыщения ТТ осуществляют графически в соответствии с универсальными характеристиками (приложение Б).
В.3.3.6 Для выбора универсальной характеристики рассчитывают косинус угла ветви вторичной нагрузки ТТ по формуле (12):
- для трехфазного КЗ:
![]()
- для однофазного КЗ:
![]()
В.3.3.7 Для определения времени до насыщения ТТ без учета остаточной магнитной индукции в сердечнике ТТ на оси Кп.р необходимо отложить значения А, рассчитанные в В.3.3.4, и на универсальных характеристиках, соответствующих рассчитанному значению Тр.экв и cos α, определить соответствующие им значения tнac:
![]()
- для трехфазного КЗ:
![]()
- для однофазного КЗ:
![]()
В.3.3.8 Для определения времени до насыщения ТТ с учетом остаточной магнитной индукции в сердечнике ТТ на оси Кп.р необходимо отложить значения А(1 – Кr), рассчитанные в В.3.3.4, и на универсальных характеристиках, соответствующих рассчитанному значению Тр.экв и cos α, определить соответствующие им значения tнac:
![]()
- для трехфазного КЗ:
![]()
- для однофазного КЗ:
![]()
В.3.3.9 Определение времени до насыщения ТТ по сумме воздействий апериодических составляющих токов в отдельных ветвях (без использования Тр.экв).
Согласно формуле (15) строят временные диаграммы Кп.р(t) для трехфазного и однофазного КЗ (см. рисунок В.2).
Для определения времени до насыщения ТТ без учета остаточной магнитной индукции в сердечнике ТТ на оси Кп.р необходимо отложить значения А, рассчитанные в В.3.3.4, и на построенных характеристиках (см. рисунок В.2) определить соответствующие им значения tнac:
![]()
- для трехфазного КЗ:
![]()
- для однофазного КЗ:
![]()
Для определения времени до насыщения ТТ с учетом остаточной магнитной индукции в сердечнике ТТ на оси Кп.р необходимо отложить значения А(1 – Кr), рассчитанные в В.3.3.4, и на построенных характеристиках (см. рисунок В.2) определить соответствующие им значения tнac:
![]()
- для трехфазного КЗ:
![]()
- для однофазного КЗ:
![]()
В.4 Расчет времени до насыщения трансформаторов тока графическим методом с использованием характеристики намагничивания трансформаторов тока
В.4.1 Расчет времени до насыщения трансформаторов тока типа SAS 550/5G 2000/1
В.4.1.1 Исходные данные (номинальные параметры ТТ типа SAS 550/5G 2000/1):
I1.ном = 2000 А; I2.ном = 1 А; R2 = 7,51 Ом; X2 = 0 Ом; zн.ном = 40 Ом; ɛ = 10 %; Кном = 20, cos φн.ном = 0,8; w2 = 1997 витков, s = 13,125 см2, I = 1,437 м.
Характеристика намагничивания ТТ приведена на рисунке В.6.
Рисунок В.6 - Зависимость Вт(Н) холоднокатаной электротехнической стали по [2]
В.4.1.2 Расчетная схема электрической станции, схемно-режимные условия и расчетное место КЗ, величин; нагрузки во вторичных цепях ТТ и Тр.экв аналогичны расчету по В.1.1.
В.4.1.3 Выполнение проверки допустимости использования метода
Определение фактической кратности тока КЗ:
- для трехфазного КЗ:
![]()
- для однофазного КЗ:
![]()
Определение тока намагничивания, соответствующего классу точности ТТ, по формуле (17):
- для трехфазного КЗ:
![]()
- для однофазного КЗ:
![]()
Определение действующего значения напряженности магнитного поля Н10 по формуле (22):
![]()
![]()
Определение по характеристике намагничивания ТТ Вт(Н)
(см. рисунок В.6) для рассчитанных
значений
и
магнитной
индукции насыщения:
![]()
![]()
Проверка выполнения условия (21):
- для трехфазного КЗ:
![]()
- для однофазного КЗ:
![]()
В.4.1.4 Определение параметра режима А для трехфазного и однофазного КЗ по формуле (23):
- для трехфазного КЗ:

![]()
где
определяют
по формуле (24):
![]()
где
определяют
по формуле (20):
![]()
- для однофазного КЗ:

![]()
где
определяют
по формуле (24):
![]()
где
определяют
по формуле (20):
![]()
(Поправка).
В.4.1.5 Определение времени до насыщения ТТ осуществляют графически в соответствии с универсальными характеристиками (приложение Б).
В.4.1.6 Для выбора универсальной характеристики рассчитывают косинус угла ветви вторичной нагрузки ТТ по формуле (12):
- для трехфазного КЗ:
![]()
- для однофазного КЗ:
![]()
В.4.1.7 Для определения времени до насыщения ТТ без учета остаточной магнитной индукции в сердечнике ТТ на оси Кп.р необходимо отложить значения А, рассчитанные в В.4.1.4, и на универсальных характеристиках, соответствующих рассчитанному значению Тр.экв и cos α, определить соответствующие им значения tнac:
![]()
- для трехфазного КЗ:
![]()
- для однофазного КЗ:
![]()
В.4.1.8 Для определения времени до насыщения ТТ с учетом остаточной магнитной индукции в сердечнике ТТ на оси Кп.р необходимо отложить значения А(1 – Кr), рассчитанные в В.4.1.4, и на универсальных характеристиках, соответствующих рассчитанному значению Тр.экв и cos α, определить соответствующие им значения tнac:
![]()
- для трехфазного КЗ:
![]()
- для однофазного КЗ:
![]()
В.4.2 Расчет времени до насыщения трансформаторов тока типа ТФЗМ-500Б-IV 2000/1
В.4.2.1 Исходные данные (номинальные параметры ТТ типа T03M-500B-IV 2000/1):
I1.ном = 2000 А; I2.ном = 1 А; R2 = 10 Ом; X2 = 0 Ом; zн.ном = 50 Ом; ɛ = 10 %; Кном = 18, cos φн.ном = 0,8, w2 = 1185 витков, s = 26,5 см2; I = 1,3 м.
Характеристика намагничивания ТТ приведена на рисунке В.6.
В.4.2.2 Расчетная схема электрической станции, схемно-режимные условия и расчетное место КЗ, величина нагрузки во вторичных цепях ТТ и Тр.экв аналогичны расчету по В.1.1.
Данный ТТ имеет каскадное исполнение. Магнитопровод верхнего каскада имеет сечение, превышающее сечение каждого из магнитопроводов нижнего каскада в 4,5 раза. По этой причине расчет произведен для нижнего каскада.
В.4.2.3 Выполнение проверки допустимости использования метода Определение фактической кратности тока КЗ:
- для трехфазного КЗ:
![]()
- для однофазного КЗ:
![]()
Определение тока намагничивания, соответствующего классу точности ТТ, по формуле (17):
- для трехфазного КЗ:
![]()
- для однофазного КЗ:
![]()
Определение действующего значения напряженности магнитного поля Н10 по формуле (22):
![]()
![]()
Определение по характеристике намагничивания ТТ Вт(Н)
(см. рисунок В.6) для рассчитанных
значений
и
магнитной
индукции насыщения:
![]()
![]()
Проверка выполнения условия (21):
- для трехфазного КЗ:
![]()
- для однофазного КЗ:
![]()
В.4.2.4 Определение параметра режима А для трехфазного и однофазного КЗ по формуле (23):
- для трехфазного КЗ:

![]()
где
определяют
по формуле (24):
![]()
где
определяют
по формуле (20):
![]()
- для однофазного КЗ:

![]()
где определяют по формуле (24):
![]()
где
определяют
по формуле (20):
![]()
(Поправка).
В.4.2.5 Определение времени до насыщения ТТ осуществляют графически в соответствии с универсальными характеристиками (приложение Б).
В.4.2.6 Для выбора универсальной характеристики рассчитывают косинус угла ветви вторичной нагрузки ТТ по формуле (12):
- для трехфазного КЗ:
![]()
- для однофазного КЗ:
![]()
В.4.2.7 Для определения времени до насыщения ТТ без учета остаточной магнитной индукции в сердечнике ТТ на оси Кп.р необходимо отложить значения А, рассчитанные в В.4.2.4, и на универсальных характеристиках, соответствующих рассчитанному значению Тр.экв и cos α, определить соответствующие им значения tнac:
![]()
- для трехфазного КЗ:
![]()
- для однофазного КЗ:
![]()
В.4.2.8 Для определения времени до насыщения ТТ с учетом остаточной магнитной индукции в сердечнике ТТ на оси Кп.р необходимо отложить значения А(1 – Кr), рассчитанные в В.4.2.4, и на универсальных характеристиках, соответствующих рассчитанному значению Тр.экв и cos α, определить соответствующие им значения tнac:
![]()
- для трехфазного КЗ:
![]()
- для однофазного КЗ:
![]()
В.4.3 Расчет времени до насыщения трансформаторов тока типа JK ELK СВ3-780 4000/1
В.4.3.1 Исходные данные (номинальные параметры ТТ типа JK ELK СВЗ 4000/1):
I1.ном = 4000 А; I2.ном = 1 А; R2 = 10,5 Ом; X2 = 0 Ом; zн.ном = 30 Ом; ɛ = 5 %; Кном = 20, cos φн.ном = 0,8, w2 = 4000 витков, s = 8,2 см2; I = 1,2 м.
Характеристика намагничивания ТТ приведена на рисунке В.6.
В.4.3.2 Расчетная схема электрической станции, схемно-режимные условия и расчетное место КЗ, величина нагрузки во вторичных цепях ТТ и Тр.экв аналогичны расчету по В.1.1.
В.4.3.3 Выполнение проверки допустимости использования метода
Определение фактической кратности тока КЗ:
- для трехфазного КЗ:
![]()
- для однофазного КЗ:
![]()
Определение тока намагничивания, соответствующего классу точности ТТ, по формуле (17):
- для трехфазного КЗ:
![]()
- для однофазного КЗ:
![]()
Определение действующего значения напряженности магнитного поля Н5 по формуле (22):
![]()
![]()
Определение по характеристике намагничивания ТТ Вт(Н)
(см. рисунок В.6) для рассчитанных
значений
и
магнитной
индукции насыщения:
![]()
![]()
Проверка выполнения условия (21):
- для трехфазного КЗ:
![]()
- для однофазного КЗ:
![]()
(Поправка).
В.4.3.4 Определение параметра режима А для трехфазного и однофазного КЗ по формуле (23):
- для трехфазного КЗ:

![]()
где
определяют
по формуле (24):
![]()
где
определяют
по формуле (20):
![]()
- для однофазного КЗ:

![]()
где
определяют
по формуле (24):
![]()
где
определяют
по формуле (20):
![]()
(Поправка).
В.4.3.5 Определение времени до насыщения ТТ осуществляют графически в соответствии с универсальными характеристиками (приложение Б).
В.4.3.6 Для выбора универсальной характеристики рассчитывают косинус угла ветви вторичной нагрузки ТТ по формуле (12):
- для трехфазного КЗ:
![]()
- для однофазного КЗ:
![]()
В.4.3.7 Для определения времени до насыщения ТТ без учета остаточной магнитной индукции в сердечнике ТТ на оси Кп.р необходимо отложить значения А, рассчитанные в В.4.3.4, и на универсальных характеристиках, соответствующих рассчитанному значению Тр.экв и cos α, определить соответствующие им значения tнac:
![]()
- для трехфазного КЗ:
![]()
- для однофазного КЗ:
![]()
В.4.3.8 Для определения времени до насыщения ТТ с учетом остаточной магнитной индукции в сердечнике ТТ на оси Кп.р необходимо отложить значения А(1 – Кr), рассчитанные в В.4.3.4, и на универсальных характеристиках, соответствующих рассчитанному значению Тр.экв и cos α, определить соответствующие им значения tнac:
![]()
- для трехфазного КЗ:
![]()
- для однофазного КЗ:
![]()
В.5 Сопоставление результатов расчета времени до насыщения по разным методам
Таблица В.2 - Значения времени до насыщения для трехфазного КЗ
|
Тип ТТ |
По аналитическому |
По графическому |
По графическому |
По графическому методу |
||
|
Тр.экв |
Σia,i |
Тр.экв |
Σia,i |
|||
|
Kr = 0 |
||||||
|
SAS 550/5G 2000/1 |
16,22 |
16,8 |
26,2 |
27,2 |
29,1 |
27,0 |
|
ТФЗМ-500Б-IV 2000/1 |
15,42 |
15,1 |
25,6 |
27,5 |
29,5 |
27,0 |
|
JK ELK СВ3 4000/1 |
24,5 |
28,9 |
31,0 |
54,6 |
88,6 |
52,3 |
|
Kr = 0,86 |
||||||
|
SAS 550/5G 2000/1 |
- |
4,2 |
4,2 |
4,7 |
4,7 |
4,6 |
|
ТФЗМ-500Б-IV 2000/1 |
- |
4,1 |
4,1 |
4,7 |
4,8 |
4,6 |
|
JK ELK СВ3 4000/1 |
0,39 |
5,0 |
5,0 |
7,0 |
7,2 |
6,8 |
Таблица В.3 - Значения времени до насыщения для однофазного КЗ
|
Тип ТТ |
По аналитическому |
По графическому |
По графическому |
По графическому методу |
||
|
Тр.экв |
Σia,i |
Тр.экв |
Σia,i |
|||
|
Kr = 0 |
||||||
|
SAS 550/5G 2000/1 |
7,87 |
9,6 |
9,6 |
11,1 |
11,2 |
11,0 |
|
ТФЗМ-500Б-IV 2000/1 |
7,98 |
9,6 |
9,7 |
11,9 |
12,0 |
11,5 |
|
JK ELK СВ3 4000/1 |
13,24 |
13,0 |
13,2 |
30,9 |
31,6 |
30,1 |
|
Kr = 0,86 |
||||||
|
SAS 550/5G 2000/1 |
- |
3,2 |
3,2 |
3,5 |
3,5 |
3,5 |
|
ТФЗМ-500Б-IV 2000/1 |
- |
3,2 |
3,2 |
3,7 |
3,7 |
3,6 |
|
JK ELK СВ3 4000/1 |
- |
3,9 |
3,9 |
5,4 |
5,4 |
5,3 |
Г.1 Общие положения
Г.1.1 Допущения при моделировании
Моделирование и расчеты переходных и установившихся режимов работы ТТ выполняют при следующих допущениях:
- рассматривается одиночный одноступенчатый ТТ;
- сложная картина магнитного поля заменяется суммой трех магнитных потоков: Ф0 - основной магнитный поток (взаимной индукции), Фσ1 и Фσ2 - потоки рассеяния первичной и вторичной обмоток, соответственно [см. рисунок Г.1, а)];
- полагают, что потоки рассеяния Фσ1 и Фσ2 пропорциональны первичному i1 и вторичному i2 токам соответственно, и следовательно, можно считать постоянными индуктивности рассеяния первичной Lσ1 и вторичной L2 обмоток;
- активные сопротивления потерь на гистерезис и вихревые токи не учитываются или учитываются путем введения эквивалентных активных сопротивлений потерь в стали на гистерезис и вихревые токи, зависящих от магнитной индукции.
Относительно тока в первичной цепи в переходном режиме приняты следующие допущения:
- отсутствуют периодические вынужденные составляющие второй и последующих гармоник;
- не учитывается изменение амплитуды периодической составляющей тока (первой гармоники) в ходе переходного процесса (например, действием автоматических регуляторов возбуждения генераторов и вследствие электромеханических переходных процессов);
- на протяжении всего рассматриваемого переходного процесса свободная периодическая составляющая первичного тока повреждения отсутствует;
- рабочий ток в доаварийном режиме принимается равным нулю;
- ЛЭП представляется схемой с сосредоточенными параметрами, при этом поперечными параметрами (емкостными и активными проводимостями) пренебрегают.
Г.1.2 Схема замещения трансформатора тока и ее параметры
Схема замещения ТТ, приведенная на рисунке Г.1, б), подключена к источнику тока i1 (первичной электрической сети) через идеальный трансформатор с номинальным коэффициентом трансформации nном и содержит активное сопротивление вторичной обмотки R2, индуктивность рассеяния вторичной обмотки L2 и индуктивность намагничивающей ветви L0. К зажимам вторичной обмотки подключена активно-индуктивная нагрузка Rн, Lн.
Так как первичная обмотка ТТ подключена к источнику тока, то для схемы замещения ТТ при активно-индуктивном характере сопротивления его вторичной ветви ТТ справедливы следующие уравнения:
|
|
(Г.1) |
|
|
|
|
|
|
где Ψ02 = w2Ф0 - потокосцепление вторичной обмотки, обусловленное основным магнитным потоком Ф0;
-
приведенный ко вторичной цепи ТТ первичный ток;
-
вторичный ток;
- намагничивающий ток;
,
-
магнитная индукция и напряженность магнитного поля в сердечнике,
соответственно;
w2 - число витков вторичной обмотки;
s, I - поперечное сечение магнитопровода и средняя длина магнитной силовой линии соответственно.
В расчетах переходных процессов в ТТ используются следующие обозначения:
|
|
|
|
|
(Г.2) |
где L2 - сумма индуктивностей намагничивающей ветви, рассеяния вторичной обмотки и нагрузки на ТТ;
Rs - суммарное активное сопротивление вторичной обмотки и нагрузки на ТТ.
Рисунок Г.1 - Трансформатор тока, а), и его схема замещения, б)
Г.1.3 Режим работы трансформатора тока при коротком замыкании
Г.1.3.1 Режим работы ТТ при КЗ в первичной сети определяется характеристикой намагничивания сердечника (зависимостью В(Н) с учетом остаточной магнитной индукции Вr), параметрами ТТ (числом витков вторичной обмотки w2, поперечным сечением сердечника s, средней длиной силовой линии I, активными сопротивлениями вторичной обмотки R2 и нагрузки Rн, индуктивностями вторичной обмотки L2 и нагрузки Lн), а также фактической кратностью первичного тока ТТ:
|
|
(Г.3) |
где Iкз - действующее значение периодической составляющей тока КЗ;
I1.ном - номинальный первичный ток ТТ.
При наличии в токе КЗ одной апериодической составляющей необходимо учитывать постоянную времени ее затухания:
|
|
(Г.4) |
где L1, R1 - параметры контура первичного тока.
Кроме того, на режим работы ТТ влияет постоянная времени вторичного контура ТТ:
|
|
(Г.5) |
и относительное содержание апериодической составляющей тока КЗ в начальный момент времени:
|
|
(Г.6) |
где Ia.0 - начальное значение апериодической составляющей тока КЗ;
Iт - амплитуда периодической составляющей тока КЗ.
Приведенный ко вторичной цепи ТТ первичный ток с апериодической составляющей с учетом начальной фазы периодической составляющей описывается уравнением:
где
-
амплитуда приведенной к вторичной цепи периодической составляющей первичного
тока;
ϑ - начальная фаза периодической составляющей первичного тока в момент возникновения КЗ (t = 0). Часто в расчетах ее принимают равной нулю, что соответствует максимальному относительному содержанию апериодической составляющей в первичном токе.
Г.1.3.2 Сердечники большинства отечественных ТТ изготовлены из холоднокатаной текстурованной электротехнической стали, обладающей высокой прямоугольностью характеристики намагничивания. Для такой стали допустимость замены характеристики намагничивания ПХН при расчете времени до насыщения ТТ объясняется тем, что пренебрежение частными циклами петель гистерезиса и намагничивающим током до колена кривой намагничивания вносит в расчеты времени до насыщения незначительную погрешность, не превышающую 2 % от номинального вторичного тока. Однако применение ПХН - аппроксимации характеристики намагничивания в расчетах времени до насыщения ТТ должно быть обосновано, например, с помощью следующего критерия.
Замена реальной характеристики намагничивания прямоугольной допустима, если в условиях 10(5) %-ной погрешности ТТ при заданных значениях кратности синусоидального тока и сопротивления вторичной цепи ТТ рабочая точка последнего находится выше точки перегиба (излома) реальной характеристики намагничивания.
Этому условию соответствует увеличение проводимости ветви намагничивания ТТ при 10(5) %-ной погрешности у10(5) в 3 и более раза по сравнению с проводимостью на ненасыщенном участке кривой улин. Отношение проводимостей - коэффициент нелинейности:
|
|
(Г.8) |
Значение проводимости улин вычисляют по ВАХ ТТ как отношение тока намагничивания I0лин к напряжению Uлин на середине линейного участка характеристики.
Если расчет выполняют по ВАХ ТТ, то при токе намагничивания I10(5), составляющем 10(5) % от тока КЗ Iкз, находят соответствующее ему значение напряжения U10(5). Затем вычисляют проводимость намагничивающей ветви по выражению:
|
|
(Г.9) |
Условие допустимости расчетов по ПХН при этом имеет вид:
|
|
(Г.10) |
Г.1.3.3 Для современных холоднокатаных сталей условие допустимости расчетов по ПХН выполняется, если амплитуда магнитной индукции в сердечнике при напряженности магнитного поля Н10(5), соответствующей 10(5) %-ной погрешности ТТ, превышает 1,8 Тл. Значения Н10 и Н5 вычисляют по выражениям:
|
|
(Г.11) |
Если амплитуда магнитной индукции Вт, соответствующая для современных электротехнических холоднокатаных сталей вычисленным значениям Н10 или Н5, оказывается не ниже, чем 1,8 Тл, то условие допустимости расчетов по ПХН выполнено.
Г.1.3.4 В переходных режимах КЗ часто заменяют намагничивающую ветвь ТТ классов Р и ТРХ ключом S, управляемым значениями магнитной индукции насыщения ± Внас, т.е. элементом с идеальной ПХН, которая в пределах ± Внас совпадает с осью магнитных индукций В, а вне указанных пределов представляет собой отрезки прямых линий, параллельных оси абсцисс Н, где Н - напряженность магнитного поля. Вид ПХН приведен на рисунке Г.2 (а).
Схема замещения ТТ с ПХН принимает вид, приведенный на рисунке Г.2 (б), где i0 - намагничивающий ток. До насыщения ТТ намагничивающий ток i0 отсутствует, а после насыщения (замыкания ключа S) резко возрастает. Замена реальной характеристики намагничивания ПХН удобна для определения времени до насыщения ТТ, так как последнее при этом определяется первичным током, приведенным ко вторичной цепи и параметрами ветви вторичного тока.
Расчет времени до насыщения ТТ может быть значительно упрощен при использовании коэффициента переходного режима Кп.р(t) (см. [3]).
Рисунок Г.2
- Идеальная прямоугольная характеристика ПХН, а), и схема замещения ТТ с ПХН,
б), при активном
характере сопротивления ветви вторичного тока
Г.2 Коэффициент переходного режима трансформаторов тока с прямоугольной характеристикой намагничивания
Коэффициентом переходного режима Кп.р(t) называют функцию, характеризующую изменение во времени отношения мгновенного значения потокосцепления при наличии в первичном токе ТТ апериодической составляющей Ψп.р к амплитудному значению потокосцепления Ψm, которое имело бы место при токе КЗ, не содержащем апериодической составляющей:
|
|
(Г.12) |
Коэффициент Кп.р(t) показывает, во сколько раз при заданных значениях периодической составляющей первичного тока и сопротивления ветви вторичного тока потокосцепление Ψп.р (и магнитная индукция Вп.р в магнитопроводе ТТ) возрастает в переходном процессе по отношению к потокосцеплению Ψm, соответствующему отсутствию в токе апериодической составляющей (за счет подмагничивания магнитопровода апериодической составляющей первичного тока ТТ).
Кп.р(t) вычисляют при условии отсутствия насыщения манитопровода ТТ в переходном режиме.
Г.3 Расчет Кп.р(t) при наличии в токе короткого замыкания одной апериодической составляющей
Г.3.1 В общем случае при наличии в токе КЗ одной свободной апериодической составляющей, изменяющейся по экспоненциальному закону, выражение первичного тока ТТ при КЗ соответствует уравнению (Г.7).
У ТТ с ПХН индуктивностью намагничивающей ветви
пренебрегают, то есть полагают, что L0
= ∞. Тогда до насыщения сердечника
=
.
Г.3.2 В случае активно-индуктивного характера сопротивления ветви вторичного тока ТТ с момента возникновения КЗ в первичной сети до момента насыщения сердечника ТТ, то есть в течение времени до насыщения ТТ, справедливо уравнение:
Г.3.3 Амплитуда потокосцепления вторичной обмотки ТТ в установившемся режиме при синусоидальном первичном токе равна:
|
|
(Г.14) |
Г.3.4 После интегрирования уравнения (Г.13) в пределах от 0 до t
при токе, описываемом уравнением (Г.7),
и деления полученного выражения для изменения потокосцепления вторичной обмотки
ТТ во время переходного процесса
на
Ψ2m получают
уравнение следующего вида для коэффициента переходного режима:
где α - угол сопротивления ветви вторичного тока ТТ;
![]()
![]()
-
полное сопротивление ветви вторичного тока ТТ.
Г.3.5 У большинства современных ТТ сверхвысокого напряжения класса Р, являющихся источниками информации для микропроцессорных устройств релейной защиты, индуктивность рассеяния вторичной обмотки ТТ L2 пренебрежимо мала, причем нагрузка также имеет активный характер. Тогда уравнение для Кп.р(t) принимает вид:
Г.3.6 В частном случае максимального относительного содержания апериодической составляющей в первичном токе (начальная фаза периодической составляющей тока КЗ ϑ = 0) уравнения (Г.15) и (Г.16) преобразуют к виду:
- при активно-индуктивном характере сопротивления вторичной цепи ТТ:
|
|
(Г.17) |
- активном характере сопротивления вторичной цепи ТТ:
|
|
(Г.18) |
Г.3.7 Универсальные характеристики ТТ классов Р и ТРХ для определения коэффициента переходного режима Кп.р(t) ТТ при активно-индуктивном и активном характерах сопротивления вторичной цепи определяют в соответствии с приложением Б с учетом уравнения (Г.15). Характеристики построены для начальных фаз периодической составляющей тока КЗ ϑ, при которых время до насыщения ТТ получается наименьшим.
Универсальные характеристики построены для частного случая наличия в первичном токе апериодической составляющей с постоянной времени затухания Тр в диапазоне от 0,03 до 0,3 с.
Г.4 Расчет Кп.р(t) с использованием эквивалентной постоянной времени затухания апериодических составляющих тока короткого замыкания
Г.4.1 В реальных условиях на электростанциях и подстанциях в суммарном токе КЗ содержатся токи, имеющие разные постоянные времени затухания апериодических составляющих. Расчет коэффициента переходного режима Кп.р(t) в этом случае часто выполняют с использованием одной эквивалентной постоянной времени затухания апериодической составляющей тока КЗ.
Г.4.2 Условием эквивалентности Тр.экв является тождественность расчетного коэффициента реальному значению в любой момент времени переходного режима. Однако теоретически заменить сумму экспонент одной невозможно. В настоящем стандарте приближенный расчет выполняют по методике, описанной в [3].
Г.4.3 Основным допущением в расчете является пренебрежение сдвигом по фазе между периодическими составляющими токов КЗ в ветвях. При этом условии периодическая составляющая суммарного тока КЗ равна арифметической сумме периодических составляющих токов отдельных ветвей:
|
|
(Г.19) |
где
- действующее значение суммарной периодической составляющей
тока КЗ;
- действующее значение периодической составляющей тока КЗ i-й ветви, i = 1, 2, ..., п.
Г.4.4 Постоянную времени затухания апериодической составляющей тока в каждой из i-й ветвей, питающих место КЗ, и эквивалентную постоянную времени Тр.экв вычисляют согласно 4.2.7.
Г.4.5 Расчет с использованием эквивалентной постоянной времени Тр.экв требует меньших затрат времени, чем приведенный ниже расчет по сумме воздействий апериодических составляющих токов КЗ в отдельных ветвях, питающих точку КЗ. Однако в первом случае получают меньшее время до насыщения, чем во втором. По этой причине рекомендуется вначале выполнить расчет времени до насыщения ТТ с использованием эквивалентной постоянной времени. Затем, если полученное время недостаточно для правильного функционирования релейной защиты, следует выполнить расчет по сумме воздействий апериодических составляющих токов в отдельных ветвях.
Г.5 Расчет Кп.р(t) по индивидуальному изменению апериодических составляющих тока в ветвях, питающих точку короткого замыкания
Г.5.1 Расчет выполняют в следующей последовательности.
Г.5.2 Выполняют расчет постоянных времени затухания апериодической составляющей тока каждой из i-й ветвей, питающих место КЗ.
Сумма апериодических составляющих имеет вид:
|
|
(Г.20) |
где
- начальное значение апериодической составляющей в i-й ветви;
- постоянная времени затухания апериодической составляющей
тока в i-й ветви.
Г.5.3 Путем преобразований можно получить уравнение для расчета Кп.р(t) ТТ с ПХН при активно-индуктивном характере нагрузки и различных начальных фазах периодической составляющей первичного тока:
где
-
доля тока в i-й ветви по отношению к суммарному
току КЗ
.
(Поправка).
Г.5.4 В частном случае активного характера сопротивления вторичной цепи (α = 0) уравнение (Г.21) преобразуют к виду:
Г.5.5 Если при активном характере сопротивления во вторичной
цепи (α = 0) относительное содержание апериодической
составляющей в токах ветвей, питающих точку КЗ, максимально и одинаковы
начальные фазы периодической составляющей токов в указанных ветвях (
=
0), то уравнение (Г.22)
преобразуют к виду:
|
|
(Г.23) |
Г.6 Методы решения уравнения переходного процесса в трансформаторах тока
Г.6.1 Возможность насыщения ТТ в установившемся режиме КЗ учитывают с помощью параметра режима А, отражающего соотношение между номинальными параметрами ТТ и реальными его параметрами в месте его установки, определяемого как
где Ψm - потокосцепление вторичной обмотки, созданное установившейся вынужденной периодической составляющей вторичного тока при идеальной трансформации и заданном сопротивлении ветви вторичного тока;
Ψнас - потокосцепление насыщения вторичной обмотки ТТ, созданное вторичным током ТТ при идеальной трансформации первичного тока и заданном сопротивлении ветви вторичного тока, включая нагрузку;
Внас - магнитная индукция насыщения;
- магнитная индукция, созданная установившейся
вынужденной периодической составляющей вторичного тока при идеальной
трансформации и заданном сопротивлении ветви вторичного тока;
Uнас - напряжение на вторичной обмотке, соответствующее насыщению сердечника;
-
напряжение, равное ЭДС вторичной обмотки при вторичном номинальном токе I2ном, кратности синусоидального тока Kфакт и суммарном сопротивлении ветви
вторичного тока z2Σ.
Г.6.2 Время до насыщения ТТ (первый момент насыщения) ТТ с ПХН определяют путем решения трансцендентного уравнения переходного процесса в ТТ:
где А - параметр режима работы ТТ, определяемый по уравнению (Г.24);
-
коэффициент переходного режима;
-
коэффициент остаточной магнитной индукции, то есть отношение остаточной
магнитной индукции Вr к
магнитной индукции насыщения Внас. Указанный коэффициент
можно вычислить также по отношению напряжений или потокосцеплений.
Выражение, стоящее в левой части уравнения (Г.25), показывает, во сколько раз разность потокосцепления насыщения и остаточного потокосцепления больше амплитуды потокосцепления в установившемся режиме при синусоидальном первичном токе, заданном сопротивлении ветви вторичного тока и идеальной трансформации. Выражение, стоящее в правой части уравнения, показывает, во сколько раз потокосцепление (напряжение или магнитная индукция) возрастает при переходном процессе за счет влияния свободных апериодических составляющих. Равенство левой и правой частей уравнения достигается в момент насыщения магнитопровода ТТ.
Г.6.3 Решение уравнения (Г.25) может быть выполнено аналитически, графически или с помощью специализированного программного обеспечения.
Г.6.4 Аналитическое решение уравнения (Г.25) возможно в частных случаях, например, при максимальном содержании апериодической составляющей в первичном токе и активном характере нагрузки ТТ.
Аналитический расчет усложняется при учете возможности возникновения КЗ не в момент перехода периодической составляющей тока КЗ через амплитудное значение. ТТ может насыщаться быстрее при других начальных фазах периодической составляющей первичного тока (см. [3]).
Г.6.5 Графическое решение уравнения (Г.25) с помощью универсальных характеристик, определяемых в соответствии с приложением Б, для ручных расчетов является более приемлемым.
Учет различия начальных значений и постоянных времени затухания апериодических составляющих в токах КЗ в ветвях, питающих точку КЗ, можно производить следующими способами:
1) с использованием в расчете Кп.р(t) эквивалентной постоянной времени затухания апериодической составляющей тока КЗ Тр.экв (см. [3]);
2) по индивидуальному изменению апериодических составляющих тока в ветвях, питающих точку КЗ [в общем случае по уравнению (Г.21)].
Расчет по индивидуальному изменению апериодических составляющих токов КЗ в отдельных ветвях позволяет получить более точные результаты по сравнению с расчетами, выполненными с использованием эквивалентной постоянной времени. Однако затраты времени на расчет по указанной сумме выше, чем по первому способу.
Г.6.6 Анализ универсальных характеристик, определяемых в соответствии с приложением Б, показывает, что при времени до насыщения около 8 мс оно почти не зависит от значения Тp Поэтому, если время до насыщения с использованием Тр.экв составило менее 8 мс, уточнение этого времени с учетом индивидуального изменения апериодических составляющих токов КЗ в отдельных ветвях нецелесообразно.
|
[1] |
Правила технологического функционирования электроэнергетических систем (утверждены постановлением Правительства Российской Федерации от 13 августа 2018 г. № 937) |
|
|
[2] |
ДИН ЕН 10107-2014 |
Листы и полосы из электротехнической стали с ориентированной зернистой структурой, поставляемые в полностью обработанном состоянии (Grain-oriented electrical steel strip and sheet delivered in the fully processed state) |
|
[3] |
МЭК 61869-2:2012 |
Трансформаторы измерительные. Часть 2. Дополнительные требования к трансформаторам тока (Instrument transformers - Part 2: Additional requirements for current transformers) |
Ключевые слова: релейная защита, трансформатор тока для защиты, насыщение, короткое замыкание