
ГОСУДАРСТВЕННЫЙ СТАНДАРТ СОЮЗА ССР
БОЛТЫ С
УВЕЛИЧЕННОЙ ПОЛУКРУГЛОЙ
ГОЛОВКОЙ И УСОМ
КЛАССА ТОЧНОСТИ С
ГОСТ 7801-81
ГОСУДАРСТВЕННЫЙ КОМИТЕТ СССР ПО СТАНДАРТАМ
Москва
ГОСУДАРСТВЕННЫЙ СТАНДАРТ СОЮЗА ССР
|
БОЛТЫ
С УВЕЛИЧЕННОЙ ПОЛУКРУГЛОЙ Конструкция и размеры Increased
cup nibbed head bolts, product grade C. |
ГОСТ Взамен |
Постановлением Государственного комитета СССР по стандартам от 15 января 1981 г. № 3 срок введения установлен
с 01.01.82
Проверен в 1986 г. Постановлением Госстандарта СССР от 23.06.86 № 1643 срок действия продлен
до 01.01.97
Несоблюдение стандарта преследуется по закону
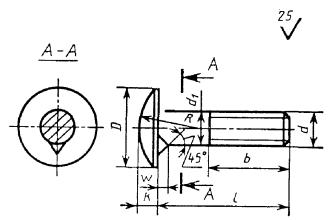
1. Настоящий стандарт распространяется на болты с увеличенной полукруглой головкой и усом класса точности С с номинальным диаметром резьбы от 6 до 20 мм.
(Измененная редакция, Изм. № 1).
2. Конструкция и размеры болтов должны соответствовать указанным на чертеже и в табл. 1 и 2.

Таблица 1
мм
|
6 |
8 |
10 |
12 |
16 |
20 |
||
|
Диаметр головки D |
14 |
18 |
23 |
28 |
35 |
44 |
|
|
Высота головки k |
3 |
4 |
5 |
6 |
8 |
10 |
|
|
Радиус сферы R » |
11 |
14 |
18 |
22 |
26 |
32 |
|
|
Высота уса W, не менее |
3 |
3,5 |
5 |
6 |
8 |
9 |
|
|
Длина резьбы b |
Для l £ 120 |
18 |
22 |
26 |
30 |
38 |
46 |
|
Для l > 120 |
- |
- |
32 |
36 |
44 |
52 |
|
Пример условного обозначения болта с диаметром резьбы d = 12 мм, с крупным шагом резьбы с полем допуска 8g, длиной l = 60 мм, класса прочности 3.6, с цинковым покрытием толщиной 6 мкм, нанесенным способом катодного восстановления, хроматированным:
Болт M12´60.36.016 ГОСТ 7801-81
Таблица 2
мм
|
Номинальный диаметр резьбы d |
||||||
|
6 |
8 |
10 |
12 |
16 |
20 |
|
|
25 |
|
- |
- |
- |
- |
- |
|
30 |
|
|
- |
- |
- |
- |
|
35 |
|
|
|
- |
- |
- |
|
40 |
|
|
|
|
|
- |
|
45 |
|
|
|
|
|
- |
|
50 |
|
|
|
|
|
- |
|
55 |
|
|
|
|
|
|
|
60 |
|
|
|
|
|
|
|
65 |
|
|
|
|
|
|
|
70 |
|
|
|
|
|
|
|
75 |
|
|
|
|
|
|
|
80 |
|
|
|
|
|
|
|
90 |
|
|
|
|
|
|
|
100 |
|
|
|
|
|
|
|
110 |
- |
|
|
|
|
|
|
120 |
- |
|
|
|
|
|
|
130 |
- |
|
|
|
|
|
|
140 |
- |
|
|
|
|
|
|
150 |
- |
|
|
|
|
|
|
160 |
- |
- |
|
|
|
|
|
170 |
- |
- |
|
|
|
|
|
180 |
- |
- |
|
|
|
|
|
190 |
- |
- |
|
|
|
|
|
200 |
- |
- |
|
|
|
|
|
Примечания: 1. Болты изготовляют с длинами, заключенными между жирными линиями. 2. Болты в области от верхней жирной линии до пунктирной линии изготовляют с резьбой до уса. |
||||||
1, 2. (Измененная редакция, Изм. № 1).
3. Резьба - по ГОСТ 24705-81, шаг резьбы - крупный. Сбег и недорез резьбы - по ГОСТ 27148-86. Концы болтов - по ГОСТ 12414-66.
(Измененная редакция, Изм. № 1, 2).
3а. Радиус под головкой - по ГОСТ 24670-81.
3б. Допуски и методы контроля размеров и отклонений формы и расположения поверхностей - по ГОСТ 1759.1-82.
По согласованию между изготовителем и потребителем допускается изготовлять болты с полем допуска резьбы 6е.
3в. Дефекты поверхности и методы контроля - по ГОСТ 1759.2-82.
3а - 3в. (Введены дополнительно, Изм. № 1).
4. Диаметр гладкой части стержня d1 примерно равен среднему диаметру резьбы или равен номинальному диаметру резьбы.
5. Технические требования - по ГОСТ 1759.0-87. Механические свойства болтов должны соответствовать классам прочности 3.6, 4.6, 4.8, 5.6 и 5.8.
(Измененная редакция, Изм. № 1).
6. Теоретическая масса болтов указана в справочном приложении.
ПРИЛОЖЕНИЕ
Справочное
|
Длина болта l, мм |
Теоретическая масса 1000 шт. болтов, кг, при номинальном диаметре резьбы d, мм |
|||||
|
6 |
8 |
10 |
12 |
16 |
20 |
|
|
25 |
6,501 |
- |
- |
- |
- |
- |
|
30 |
7,346 |
14,34 |
- |
- |
- |
- |
|
35 |
8,191 |
15,88 |
27,16 |
- |
- |
- |
|
40 |
9,035 |
17,42 |
29,87 |
46,53 |
90,15 |
- |
|
45 |
9,880 |
18,95 |
32,32 |
50,08 |
96,67 |
- |
|
50 |
10,725 |
20,48 |
34,76 |
53,62 |
103,20 |
- |
|
55 |
11,570 |
22,03 |
37,20 |
57,16 |
109,73 |
188,2 |
|
60 |
12,415 |
23,57 |
39,64 |
60,70 |
116,25 |
198,5 |
|
65 |
13,260 |
25,11 |
42,08 |
64,24 |
122,78 |
208,7 |
|
70 |
14,105 |
26,65 |
44,53 |
67,78 |
129,31 |
219,0 |
|
75 |
14,950 |
28,19 |
46,97 |
71,32 |
135,83 |
229,2 |
|
80 |
15,795 |
29,73 |
49,41 |
74,86 |
142,36 |
239,5 |
|
90 |
17,484 |
32,80 |
54,30 |
81,94 |
155,42 |
259,9 |
|
100 |
19,174 |
35,89 |
59,19 |
89,01 |
168,47 |
280,4 |
|
110 |
- |
38,97 |
64,06 |
96,09 |
181,52 |
300,9 |
|
120 |
- |
42,04 |
68,95 |
103,17 |
194,58 |
321,3 |
|
130 |
- |
45,12 |
73,83 |
110,25 |
207,63 |
341,8 |
|
140 |
- |
48,20 |
78,72 |
117,33 |
220,69 |
362,3 |
|
150 |
- |
51,28 |
83,60 |
124,41 |
233,74 |
382,7 |
|
160 |
- |
- |
88,49 |
131,49 |
246,79 |
403,2 |
|
170 |
- |
- |
93,37 |
138,57 |
259,85 |
422,9 |
|
180 |
- |
- |
98,25 |
145,65 |
272,90 |
443,4 |
|
190 |
- |
- |
103,14 |
152,73 |
285,95 |
463,8 |
|
200 |
- |
- |
108,02 |
159,81 |
299,01 |
484,3 |