ГОСТ 10605-94
(ИСО 4032-86)
МЕЖГОСУДАРСТВЕННЫЙ СТАНДАРТ
ГАЙКИ
ШЕСТИГРАННЫЕ С ДИАМЕТРОМ РЕЗЬБЫ СВЫШЕ 48 мм
КЛАССА ТОЧНОСТИ В
ТЕХНИЧЕСКИЕ УСЛОВИЯ
МЕЖГОСУДАРСТВЕННЫЙ СОВЕТ
ПО СТАНДАРТИЗАЦИИ,
МЕТРОЛОГИИ И СЕРТИФИКАЦИИ
Минск
Предисловие
1 РАЗРАБОТАН Всероссийским научно-исследовательским институтом стандартизации и сертификации в машиностроении Госстандарта России
ВНЕСЕН Госстандартом России
2 ПРИНЯТ Межгосударственным Советом по стандартизации, метрологии и сертификации (протокол № 6-94 от 21 октября 1994 г.)
За принятие проголосовали:
|
Наименование государства |
Наименование национального органа по стандартизации |
|
Азербайджанская Республика |
Азгосстандарт |
|
Республика Армения |
Армгосстандарт |
|
Республика Беларусь |
Белстандарт |
|
Республика Грузия |
Грузстандарт |
|
Республика Казахстан |
Госстандарт Республики Казахстан |
|
Кыргызская Республика |
Кыргызстандарт |
|
Республика Молдова |
Молдовастандарт |
|
Российская Федерация |
Госстандарт России |
|
Республика Узбекистан |
Узгосстандарт |
|
Украина |
Госстандарт Украины |
Настоящий стандарт представляет собой полный аутентичный текст ИСО 4032-86 «Гайки шестигранные типа I классов А и В» в части гаек с диаметром резьбы 52, 56 и 64 мм класса точности В и содержит дополнительные требования, отражающие потребности народного хозяйства
3 Постановлением Комитета Российской Федерации по стандартизации, метрологии и сертификации от 10 октября 1995 г. № 524 межгосударственный стандарт ГОСТ 10605-94 (ИСО 4032-86) введен в действие непосредственно в качестве государственного стандарта Российской Федерации с 1 января 1996 г.
4 ВЗАМЕН ГОСТ 10605-72
ГОСТ 10605-94
(ИСО 4032-86)
МЕЖГОСУДАРСТВЕННЫЙ СТАНДАРТ
ГАЙКИ ШЕСТИГРАННЫЕ С
ДИАМЕТРОМ РЕЗЬБЫ
СВЫШЕ 48 мм КЛАССА ТОЧНОСТИ В
Технические условия
Hexagon nuts with thread diameter over 48 mm.
Product grade B.
Specifications
Дата введения 1996-01-01
Настоящий стандарт распространяется на шестигранные гайки с диаметром резьбы от 52 до 150 мм, класса точности В.
В настоящем стандарте использованы ссылки на следующие стандарты:
ГОСТ 9.301-86 ЕСЗКС. Покрытия металлические и неметаллические неорганические. Общие требования
ГОСТ 9.303-84 ЕСЗКС. Покрытия металлические и неметаллические неорганические. Общие требования к выбору
ГОСТ 1759.1-82 Болты, винты, шпильки, гайки и шурупы. Допуски. Методы контроля размеров и отклонений формы и расположения поверхностей
ГОСТ 9150-81 ОНВ. Резьба метрическая. Профиль.
ГОСТ 16093-81 ОНВ. Резьба метрическая. Допуски. Посадки с зазором
ГОСТ 17769-83 Изделия крепежные. Правила приемки
ГОСТ 18126-72 Болты и гайки с диаметром резьбы свыше 48 мм. Технические условия
ГОСТ 18160-72 Изделия крепежные. Общие технические условия. Упаковка. Маркировка. Транспортирование и хранение
ГОСТ 24705-81 ОНВ. Резьба метрическая. Основные размеры
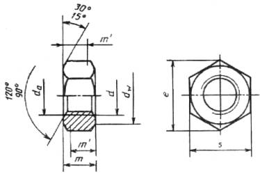
Конструкция и размеры гаек должны соответствовать указанным на рисунке 1 и в таблице 1.
Рисунок 1
Пример условного обозначения гайки диаметром резьбы 56 мм, с крупным шагом резьбы с полем допуска 6Н, из материала группы 05, с цинковым покрытием толщиной 9 мкм, хроматированным:
Гайка М 56.05.019 ГОСТ 10605-94
То же, с мелким шагом резьбы с полем допуска 6Н, из материала группы 21, из стали марки 12Х18Н9Т без покрытия:
Гайка М 56´4.21.12Х18Н9Т ГОСТ 10605-94
Таблица 1 мм
|
Резьба d |
(52) |
56 |
64 |
72 |
(76) |
80 |
90 |
100 |
110 |
125 |
140 |
150 |
|
|
Р |
крупный |
5,0 |
5,5 |
6,0 |
- |
- |
- |
- |
- |
- |
- |
- |
- |
|
мелкий |
3,0 |
4,0 |
6,0 и 4,0 |
||||||||||
|
da |
мин. |
52 |
56 |
64 |
72 |
76 |
80 |
90 |
100 |
110 |
125 |
140 |
150 |
|
макс. |
56,2 |
60,5 |
69,1 |
77,8 |
82,1 |
68,4 |
97,2 |
108,0 |
118,8 |
135,0 |
151,2 |
162,0 |
|
|
dw мин. |
74,2 |
78,7 |
88,2 |
97,7 |
102,4 |
107,2 |
121,1 |
135,4 |
144,9 |
168,6 |
187,2 |
211,0 |
|
|
e мин. |
88,25 |
93,56 |
104,86 |
116,16 |
121,81 |
127,46 |
144,08 |
161,03 |
172,33 |
200,58 |
222,72 |
250,97 |
|
|
m |
макс. |
42 |
45 |
51 |
58 |
61 |
64 |
72 |
80 |
88 |
100 |
112 |
128 |
|
мин. |
40,4 |
43,4 |
49,1 |
56,1 |
59,1 |
62,1 |
70,1 |
78,1 |
85,8 |
97,8 |
109,8 |
125,5 |
|
|
т* мин. |
32,3 |
34,7 |
39,3 |
44,9 |
47,3 |
49,7 |
56,1 |
62,5 |
68,6 |
78,2 |
87,8 |
100,4 |
|
|
S |
ном.-макс. |
80 |
85 |
95 |
105 |
110 |
115 |
130 |
145 |
155 |
180 |
200 |
225 |
|
мин. |
78,1 |
82,8 |
92,8 |
102,8 |
107,8 |
112,8 |
127,5 |
142,5 |
152,5 |
177,5 |
197,1 |
222,1 |
|
|
Примечание - Размеры гаек, заключенные в скобки, применять не рекомендуется. |
|||||||||||||
Таблица 3
|
Материал |
Углеродистая сталь |
Коррозионностойкая сталь |
|
|
Общие технические требования |
|||
|
Резьба |
Размеры |
Профиль и основные размеры |
|
|
Стандарт |
|||
|
Допуски |
6Н |
||
|
Стандарт |
|||
|
Механические свойства |
Группа |
02, 04, 05, 06, 07 |
11, 21, 23, 25 |
|
Стандарт |
|||
|
Допуски |
Класс точности |
В |
|
|
Стандарт |
|||
|
Окончательная обработка поверхности изделия |
Требования к гальванопокрытиям по ГОСТ 9.301, ГОСТ 9.303 Покрытия - по ГОСТ 18126 |
||
|
Приемка |
|||
|
Маркировка и упаковка |
|||
Теоретическая масса стальных болтов указана в приложении А.
|
Шаг резьбы, мм |
Теоретическая масса гайки, кг » при номинальном диаметре резьбы d, мм |
|||||||||||
|
(52) |
56 |
64 |
72 |
(76) |
80 |
90 |
100 |
110 |
125 |
140 |
150 |
|
|
Крупный 5,0; 5,5 и 6,0 |
1,21 |
1,45 |
1,99 |
- |
- |
- |
- |
- |
- |
- |
- |
- |
|
Мелкий 3,0 и 4,0 |
1,18 |
1,42 |
1,94 |
2,63 |
2,99 |
3,39 |
4,88 |
6,76 |
8,12 |
12,79 |
17,43 |
24,51 |
|
Мелкий 6,0 |
- |
- |
- |
2,69 |
3,06 |
3,47 |
4,98 |
6,88 |
8,27 |
12,99 |
17,67 |
24,83 |
Ключевые слова: крепежные изделия, гайки, шестигранные гайки, технические требования, размеры, обозначение, теоретическая масса
СОДЕРЖАНИЕ