
МИНИСТЕРСТВО ЭНЕРГЕТИКИ
И ЭЛЕКТРИФИКАЦИИ СССР
Главное техническое управление
строительства
Всесоюзный институт по проектированию организации
энергетического строительства
«Оргэнергострой»
Одесский филиал
УТВЕРЖДАЮ
Главный инженер ССО
«Электромонтаж»
_______ Б.П. Городецкий
«___» _____________ 1989
ТЕХНОЛОГИЧЕСКАЯ КАРТА
МОНТАЖА ВЕНТИЛЬНЫХ РАЗРЯДНИКОВ
ТИПА РВМК НАПРЯЖЕНИЕМ
330 - 750 кВ
Москва 1990
Технологическая карта монтажа вентильных разрядников типа РВМК на напряжение 330 - 750 кВ предназначена для использования при монтаже разрядников на открытых распределительных устройствах, при составлении проектов организации строительства (ПОС) и проектов производства электромонтажных работ (ППР).
Разрядники предназначены для защиты изоляции электрооборудования переменного тока от атмосферных и коммутационных перенапряжений. Разрядники 330 (рис. 1) и 500 кВ (рис. 2) собираются в объемную конструкцию, разрядник 750 кВ (рис. 3) - одноколонковый.
Технологическая карта содержит указания по организации и технологии монтажа, перечень механизмов, инструментов и приспособлений, сведения о затратах материалов, калькуляции трудовых затрат, графики производства работ и потребности в рабочих.
В карте принято, что работы, связанные с монтажом разрядников, производятся непосредственно на монтажной площадке, у места их установки.
Количество одновременно поднимаемых при укрупнительной сборке элементов (изоляторов), определенное настоящей картой, ограничено заводом-изготовителем разрядников.
Все данные в карте приведены для монтажа одной группы (трех фаз) разрядников.
Трудозатраты на наладочные работы графиком монтажа и калькуляцией не учтены.
Технологическая карта разработана в соответствии с «Методическими указаниями по разработке типовых технологических карт в строительстве». М., 1987, ЦНИИОМТП Госстроя СССР.
Рис. 1. Вентильный комбинированный разрядник РВМК-330П:
1 - опора; 2 - рама нижняя; 3 - изолятор ИОР-10/750; 4 - элемент искровой; 5 - изолятор опорный ОНСУ-400-1000; 6 - элемент вентильный; 7 - изолятор КО-15С; 8 - рама промежуточная; 9 - плита шарнирная; 10 - изолятор КО-35СУ; 11 - элемент основной; 12 - кольцо экранирующее; 13 - рама верхняя; 14 - контакт; 15 - перемычка; 16 - регистратор срабатывания; 17 - имитатор
Рис. 2. Вентильный разрядник РВМК-500П:
1 - опора; 2 - рама нижняя; 3 - изолятор КО-20С; 4 - элемент вентильный; 5 - элемент искровой; 6 - рама промежуточная большая; 7 - плита шарнирная; 8 - изолятор КО-15С; 9 - изолятор КО-35С; 10 - рама промежуточная малая; 11 - элемент основной; 12 - кольцо экранирующее; 13 - рама верхняя; 14 - контакт; 15 - перемычка; 16 - регистратор срабатывания; 17 - имитатор
Рис. 3. Разрядник вентильный РВМК-750М:
1 - опора; 2 - регистратор; 3 - имитатор; 4 - элемент; 5 - кольцо экранирующее; 6 - пластина контактная; 7 - плита
2.1. Общие указания.
2.1.1. К началу монтажных работ должны быть выполнены:
подъезды к месту установки разрядников;
опоры под разрядники, а также планировка прилегающей к ним территории;
площадка с твердым покрытием или настил для установки элементов и изоляторов;
силовая сеть 380/220 В;
молниезащита ОРУ и заземляющее устройство.
2.1.2. Разрядники поставляются заводом в виде узлов, упакованных в деревянные ящики. При транспортировании разрядников и погрузо-разгрузочных работах следует руководствоваться указаниями маркировочных знаков на таре и соблюдать меры предосторожности, исключающие возможность повреждения элементов и других частей.
Во избежание поломок ящиков при подъеме краном необходимо, чтобы стропы образовывали с горизонтальной плоскостью крышки ящика угол не менее 45°. Ящики с элементами необходимо опускать на землю плавно, без толчков.
2.1.3. При получении разрядника необходимо проверить наличие полного комплекта поставки, количество мест, состояние упаковки, сохранность груза, наличие техдокументации (передается заказчику). Элементы разрядника и комплектующие детали могут храниться в помещении или на открытой площадке. Элементы должны храниться и перемещаться только в вертикальном положении. Допускается переноска элементов вручную в горизонтальном положении.
2.1.4. При сборке разрядников необходимо соблюдать заводскую маркировку. Каждый разрядник и элемент имеют порядковые номера. Порядковый номер разрядника приведен на одном из нижних элементов, порядковый номер элемента - на табличке, установленной на верхнем фланце элемента.
2.1.5. Подъем, перенос и опускание собранных колонн изоляторов необходимо производить плавно, без толчков.
2.1.6. При монтаже разрядников необходимо руководствоваться документацией, приведенной в прил. 1.
2.2. Подготовительные работы.
2.2.1. Производится приемка от строителей опорных конструкций под разрядник. Приемка оформляется актом, подписанным представителями заказчика, строительной и электромонтажной организацией.
2.2.2. Уточняется рабочий график производства работ в соответствии с технологической картой. Электромонтажники знакомятся с технической документацией, объемом работ и принятой организацией работ. Бригада инструктируется по технике безопасности ответственным руководителем работ.
Рис. 4. План размещения оборудования и механизмов при монтаже разрядника РВМК-330П:
1 - кольцо экранирующее; 2 - рамы верхняя и промежуточная; 3 - опора; 4 - рама нижняя; 5 - настил из досок; 6 - площадка разгрузки ящиков с изоляторами и элементами

Рис. 5. План размещения оборудования и механизмов при монтаже разрядника РВМК-500П:
1 - кольцо экранирующее; 2 - рама промежуточная большая; 3 - рамы промежуточная малая и верхняя; 4 - опора; 5 - рама нижняя; 6 - настил из досок; 7 - площадка разгрузки ящиков с изоляторами и элементами
Рис. 6. План размещения оборудования и механизмов при монтаже разрядника РВМК-750М:
1 - кольцо экранирующее; 2 - плита; 3 - опора; 4 - настил из досок; 5 - площадка разгрузки ящиков с изоляторами и элементами
2.2.3. Подготавливается деревянный настил для установки элементов и изоляторов.
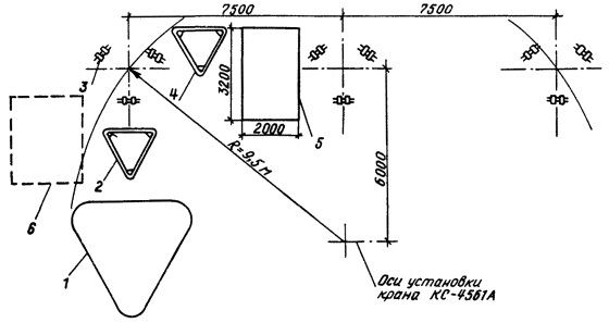
2.2.4. Доставляются на строительную площадку монтажные механизмы, оборудование, инвентарные устройства и размещаются в соответствии со схемами, приведенными на рис. 4 - 6.
Разрядники распаковываются. Расконсервируются узлы и детали.
2.2.5. Производится приемка разрядника в монтаж. Перед монтажом элементы и изоляторы испытываются согласно заводской инструкции (выполняет группа наладки).
2.3. Монтаж разрядника 330 кВ.
Монтаж первого этажа разрядника (рис. 7).
2.3.1. В углах нижней рамы устанавливают и закрепляют три шарнирные плиты. Проверяют уровнем горизонтальность нижней рамы.
2.3.2. Выставляют двенадцать изоляторов на ровном гладком месте (дощатый настил) и комплектуют из них три комплекта по четыре изолятора (три изолятора ИОС-35-1000 и один - КО-15С) для окончательного выравнивания с помощью приспособления, показанного на рис. 8. Выравнивание производят с учетом устанавливаемых в колоннах плит для крепления элементов. Разницу высот изоляторов компенсируют металлическими пластинами (количество пластин должно быть минимальным). Для этого:
устанавливают на основание приспособления три изолятора;
опускают талрепами линейку на верхние фланцы изоляторов;
заполняют зазоры между линейкой и фланцами изоляторов пластинами;
закрепляют проволокой пластины на фланцах.
2.3.3. Собирают поочередно три колонны по четыре изолятора, устанавливают и закрепляют их на плитах нижней рамы таким образом, чтобы шарнир сохранял некоторую подвижность. Сборку колонн выполняют методом «подращивания» с использованием рым-болтов, стропа 2СК-0,5/0-0,5/К-0,4/900. В местах крепления рабочих элементов между изоляторами устанавливают плиты с серьгами. При этом между плитами и серьгами устанавливают специальные шайбы.
2.3.4. Устанавливают и закрепляют в углах промежуточной рамы с верхней стороны три шарнирные плиты. Оцинкованная плита (ИП.066.010) устанавливается со стороны подсоединения основного элемента.
2.3.5. Промежуточную раму поднимают (строп СКП 1-0,5/1500), устанавливают и закрепляют на колоннах изоляторов. Совмещение отверстий рамы и на фланцах верхних изоляторов достигается поворотом колонн в шарнирах. Проверяют вертикальность установки колонн изоляторов и горизонтальность установки средней рамы (при необходимости выравнивает прокладками). В случае непараллельности верхних фланцев изоляторов и горизонтальной плоскости рамы надевают шайбы или прокладки на отдельные (там, где необходимо) болты. После закрепления промежуточной рамы производят окончательную затяжку болтов шарнирных плит.
Рис. 7. Монтаж первого этажа разрядника РВМК-330П:
1 - настил из досок; 2 - изолятор ИОС-35-1000; 3 - стропа 2СК-0,5/0-0,5/К-0,4/900; 4 - изолятор КО-15С; 5 - рым-болт М16; 6 - рама нижняя; 7 - рама промежуточная; 8 - строп СКП1-0,5/1500; 9 - элемент искровой; 10 - строп типа СКК из капронового каната КК 30 мм 56 ктекс Об ГОСТ 10293-77; 11 - опора; 12 - строп СКП1-1,0/4000; 13 - элемент вентильный; 14 - элемент основной
Рис. 8. Приспособление для подбора изоляторов на высоте;
1 - швеллер № 24; 2 - уголок 25´25; 3 - талреп; 4 - труба; 5 - линейка; 6 - рейка; 7 - изолятор
2.3.6. К промежуточной раме закрепляют скобу для крепления основного элемента.
2.3.7. На нижние фланцы нижних элементов (вентильного и искрового) устанавливают крышки с предварительно установленными изоляторами ИОР-10-750-А и скобами. Между крышками и изоляторами устанавливают прокладки. Под один из болтов элементов подсоединяют по одному концу проводов, идущих к регистраторам срабатывания, так, чтобы после навески элементов вторые концы проводов находились со стороны регистраторов срабатывания.
На верхние фланцы нижних элементов, а также на фланцы остальных элементов устанавливают крышки со скобами.
2.3.8. Навешивают элементы начиная с нижнего с помощью стропа из капронового каната КК 30 мм 56 ктекс Об ГОСТ 10293-77. Вначале укрепляется верх элемента, а затем низ (верх элемента определяется по табличке с порядковым номером элемента, установленной на верхнем фланце).
Элементы соединяются при помощи перемычек. Болтовые соединения элемента с серьгой и серьги с промежуточной плитой затягивают до отказа в целях обеспечения надежного электрического контакта и жесткости конструкции разрядника.
2.3.9. Регистраторы срабатывания устанавливают на нижней раме и соединяют проводами с нижними элементами. Устанавливают имитатор.
2.3.10. Сборную конструкцию первого этажа разрядника стропят (строп СКП1-1,0/4000) за нижнюю раму и устанавливают на опорные конструкции. Проверяют горизонтальность нижней рамы, а также повторно - вертикальность колонн и горизонтальность установок промежуточной рамы. При необходимости выравнивают с помощью прокладок. Закрепляют нижнюю раму на опорных конструкциях.
Монтаж второго этапа разрядника (рис. 9).
2.3.11. Выставляют изоляторы второго этажа разрядника и комплектуют из них три комплекта по семь изоляторов (четыре изолятора КО-15С и три изолятора КО-35С) по методике, изложенной в п. 2.3.2.
2.3.12. Собирают поочередно три колонны по семь изоляторов, устанавливают и закрепляют их на плитах промежуточной рамы таким образом, чтобы шарнир сохранял некоторую подвижность. Сборку колонн выполняют методом «подращивания» с использованием стропа 2СК-0,5/0-0,5/К-0,4/900. В местах крепления рабочих элементов между изоляторами устанавливают плиты с серьгами. Между плитами и серьгами устанавливают специальные шайбы.
2.3.13. Верхнюю раму устанавливают на козлах (подставках) высотой 1,3 м внутри экранирующего кольца. К раме вначале прикрепляется болтами, а затем по контуру обваривается контактная пластина. Закрепляют скобу для крепления основного элемента.
Рис. 9. Монтаж второго этажа разрядника РВМК-330П:
1 - опора; 2 - первый этаж разрядника; 3 - изолятор КО-35СУ; 4 - изолятор КО-15С; 5 - строп 2СК-0,5/0-0,5/К-0,4/900; 6 - кольцо экранирующее; 7 - рама верхняя; 8 - строп СКП1-0,5/1500; 9 - элемент основной; 10 - строп типа СКК из капронового капрона КК 30 мм 56 ктекс Об ГОСТ 10293-77
Рис. 10. Монтаж первого этажа разрядника РВМК-500П:
1 - настил из досок; 2 - изолятор КО-20С; 3 - строп 2СК-0,5/0-0,5/К-0,4/900; 4 - рым-болт М16; 5 - рама нижняя; 6 - рама промежуточная большая; 7 - строп СКП1-0,5/1500; 8 - элемент; 9 - строп типа СКК из капронового каната КК 30 мм 56 ктекс ГОСТ 10293-77; 10 - опора; 11 - строп СКП1-1,0/4000
2.3.14. Собирают экранирующее кольцо с надетыми за него хомутами. Трубы подвески экранирующего кольца поочередно заводят в цилиндры верхней рамы и закрепляют болтами с гайками. Экранирующее кольцо поднимают так, чтобы трубы подвески вошли в хомут. Сверлят отверстия и закрепляют трубы болтами с гайками.
2.3.15. Верхнюю раму в сборе с экранирующим кольцом стропят (строп СКП1-0,5/1500), устанавливают и закрепляют на колоннах изоляторов. Совмещение отверстий рамы и на фланцах верхних изоляторов достигается поворотом колонн в шарнирах промежуточной рамы. После закрепления верхней рамы производят окончательную затяжку болтов шарнирных плит промежуточной рамы.
2.3.16. Проверяют вертикальность установки колонн изоляторов.
2.3.17. Навешивают элементы второго этажа разрядника начиная с нижнего элемента.
2.3.18. Аналогично производят монтаж остальных двух фаз разрядника.
2.4. Монтаж разрядника 500 кВ.
Монтаж первого этажа разрядника (рис. 10).
2.4.1. В углах нижней рамы устанавливают и закрепляют шесть шарнирных плит. Проверяют уровнем горизонтальность нижней рамы.
2.4.2. Выставляют тридцать изоляторов на ровном гладком месте (дощатый настил) и комплектуют из них шесть комплектов по пять изоляторов КО-20С по методике, изложенной в п. 2.3.2.
2.4.3. Собирают поочередно шесть колонн по пять изоляторов, устанавливают и закрепляют их на плитах нижней рамы таким образом, чтобы шарнир сохранял некоторую подвижность. Сборку колонн выполняют методом «подращивания» с использованием стропа 2СК-0,5/0-0,5/К-0,4/900. Во внутренних колоннах, в местах крепления рабочих элементов устанавливают плиты с серьгами. Между плитами и серьгами устанавливают специальные шайбы. В наружных колоннах устанавливают промежуточные плиты в тех же местах, что и во внутренних колоннах.
2.4.4. Устанавливают и закрепляют в углах большой промежуточной рамы с верхней стороны три шарнирные плиты.
2.4.5. Выполняют работы по п. 2.3.5. Между изоляторами сдвоенной колонны поярусно устанавливают перемычки.
2.4.6. К большой промежуточной раме закрепляют скобы для крепления вентильного и искрового элементов.
2.4.7. Выполняют работы по п. 2.3.7 - 2.3.10.
Рис. 11. Монтаж второго этажа разрядника РВМК-500П:
1 - опора; 2 - первый этаж разрядника; 3 - изолятор КО-15С; 4 - строп 2СК-0,5/0-0,5/К-0,4/900; 5 - изолятор КО-35С; 6 - рама промежуточная малая; 7 - строп СКП1-0,5/1500; 8 - элемент основной; 9 - строп типа СКК из капронового каната КК 30 мм 56 ктекс Об ГОСТ 10293-77
Рис. 12. Монтаж третьего этажа разрядника РВМК-500П:
1 - опора; 2 - первый этаж разрядника; 3 - второй этаж разрядника; 4 - изолятор КО-15С; 5 - строп 2СК-0,5/0-0,5/К-0,4/900; 6 - изолятор КО-35С-У; 7 - кольцо экранирующее; 8 - рама верхняя; 9 - строп СКП1-0,5/1500; 10 - элемент основной; 11 - строп типа СКК из капронового каната КК 30 мм 56 ктекс об ГОСТ 10293-77
Рис. 13. Монтаж разрядника РВМК-750М:
1 - опора; 2 - плита; 3 - строп 1СК-0,5/0-0,5/К1-0,5/1100; 4 - приспособление для установки плиты; 5 - элемент; 6 - рым-гайка М24; 7 - строп 2СК-1,6/0-2,0/К-1,0/1100; 8 - кольцо экранирующее
Монтаж второго этажа разрядника (рис. 11).
2.4.8. Выставляют изоляторы второго этажа разрядника и комплектуют из них три комплекта по пять изоляторов (три изолятора КО-15С и два изолятора КО-35С) по методике, изложенной в п. 2.3.2.
2.4.9. Собирают поочередно три колонны по пять изоляторов, устанавливают и закрепляют их на плитах большой промежуточной рамы таким образом, чтобы шарнир сохранял некоторую подвижность. Сборку колонн выполняют методом «подращивания» с использованием стропа 2СК-0,5/0-0,5/К-0,4/900. В местах крепления рабочих элементов устанавливают плиты с серьгами, между плитами и серьгами устанавливают специальные шайбы.
2.4.10. Устанавливают и закрепляют в углах малой промежуточной рамы с верхней стороны три шарнирные плиты.
2.4.11. Выполняют работы по п. 2.3.5.
2.4.12. Проверяют вертикальность колонн изоляторов.
2.4.13. К малой промежуточной раме закрепляют скобы для крепления основного элемента.
2.4.14. Навешивают элементы второго этажа разрядника начиная с нижнего элемента.
Монтаж третьего этажа разрядника (рис. 12).
2.4.15. Выставляют изоляторы третьего этажа разрядника и комплектуют из них три комплекта по семь изоляторов (четыре изолятора КО-15С и три изолятора КО-35С) по методике, изложенной в п. 2.3.2.
2.4.16. Выполняют работы по пп. 2.3.12 - 2.3.16.
2.4.17. Навешивают элементы третьего этажа разрядника начиная с нижнего элемента.
2.4.18. Аналогично производят монтаж остальных двух фаз разрядника.
2.5. Монтаж разрядника 750 кВ (рис. 13).
2.5.1. Устанавливают плиту на опорных конструкциях. Установку производят с помощью приспособления (рис. 14) и стропа 1СК-0,5/0-0,5/К1-0,5/1100. Проверяют уровнем горизонтальность плиты. При необходимости выравнивают прокладки.
2.5.2. Снимают с нижнего днища каждого элемента диски, предохраняющие мембраны клапанов. В верхние днища нижних четырех элементов ввинчивают по две диаметрально расположенные шпильки для центровки при установке.
2.5.3. Последовательно устанавливают и закрепляют с первого по четвертый элементы. Установку производят с помощью стропа 2СК-1,6/0-2,0/К-1,0/1100. Первый элемент крепится фундаментными болтами М24, последующие - шпильками М24. Каждый элемент устанавливают после тщательного закрепления и выверки предыдущего.
Рис. 14. Приспособление для установки плиты на опорную конструкцию:
1 - плита; 2 - планка (2 шт., полоса 50´10, l = 600 мм); 3 - рым-болт М20´90 (ГОСТ 4751-73); 4 - гайка М20 (2 шт.); 5 - шайба диаметром 21 мм (2 шт.)
2.5.4. Устанавливают и закрепляют на пятом элементе контактный вывод и экранодержатели. К экранодержателям прикрепляют экранное кольцо.
2.5.5. Пятый элемент в сборе с экранным кольцом устанавливают и закрепляют на четвертом элементе.
2.5.6. Проверяют отклонение колонны разрядника от вертикали, которое не должно превышать 30 мм.
2.5.7. Устанавливают и закрепляют экраны между элементами, регистраторы срабатывания и имитатор.
2.5.8. Аналогично производят монтаж остальных двух фаз разрядника.
2.6. Заключительные работы.
2.6.1. Производят окончательную затяжку всех болтовых соединений разрядника.
2.6.2. Разрядник заземляют (полоса заземления к стойкам пристреливается, к металлоконструкциям приваривается).
2.6.3. Восстанавливают лакокрасочные покрытия металлических частей в поврежденных местах и красят сварочные швы.
2.6.4. Разрядник присоединяют к ошиновке высокого напряжения. Длина спуска к аппарату должна обеспечивать в наиболее неблагоприятных погодных условиях (гололед) допустимое тяжение на контактный вывод разрядника не более 490 Н.
2.6.5. Силовой ящик демонтируют, убирают механизмы и инвентарь.
До начала работ по монтажу разрядников выверяются проектные горизонтальные и вертикальные оси и отметки опорных конструкций. При приемке разрядников в монтаж (входной контроль) проверяют целостность фарфоровых покрышек элементов и изоляторов - они не должна иметь трещин и сколов, а цементные швы - повреждений эмалевого покрытия, превышающих допустимые размеры. Технические критерии и средства контроля операций и процессов приводятся в табл. 1.
Приемочный контроль смонтированных разрядников осуществляют согласно СНиП 3.05.06-85. При приемке работ предъявляют протоколы испытаний и монтажа разрядников.
Таблица 1
|
Предмет контроля |
Инструмент и способ контроля |
Время контроля |
Ответственный контролер |
Технические критерии оценки качества |
|
|
1 |
2 |
3 |
4 |
5 |
6 |
|
Подготовительные предмонтажные работы |
Опорные конструкции. Выверка проектных горизонтальных и вертикальных осей и отметок |
Нивелир, отвес |
До начала монтажа |
Мастер |
Отклонение отметки верха стойки не более ±15 мм, смещение по горизонтали относительно главных осей вдоль и поперек опоры 20 мм, разворот стоек в плане 5°; |
|
отклонение от вертикали - 1:100 ее высоты |
|||||
|
|
Разметка отверстий под фундаментные болты |
Транспортир, линейка |
То же |
Мастер |
В соответствии с заводским чертежом |
|
Монтаж разрядников РВМК-330П и РВМК-500П |
Сборка первого этажа разрядника |
|
|
|
|
|
|
Установка нижней рамы |
Уровень |
До монтажа колонн изоляторов |
Бригадир |
Отклонение не более ± 10 мм |
|
Горизонтальность установки |
|||||
|
Монтаж колонн изоляторов и навешивание элементов |
|||||
|
|
Целостность фарфоровых покрышек элементов |
Визуально |
До навешивания элементов |
То же |
Суммарная площадь допустимых сколов 150 мм2. Допустимая глубина сколов 1 мм |
|
|
Целостность фарфоровых изоляторов |
То же |
До монтажа колонн изоляторов |
-"- |
Суммарная площадь сколов на изоляторе не более 100 мм2, глубина скола не более 2 мм |
|
|
Отсутствие повреждений эмалевого покрытия цементных швов |
Визуально |
До монтажа колонн изоляторов |
Бригадир |
Поверхностное выкрашивание цементной связки у двух фланцев не более 10·103 мм3 |
|
|
Установка колонн Отклонение колонн от вертикали |
Отвес, линейка |
До монтажа колонн изоляторов |
Бригадир |
Отклонение не должно превышать 5 мм |
|
|
Установка промежуточной рамы. Горизонтальность установки |
Уровень |
До навешивания элементов |
То же |
Отклонение не более ±10 мм |
|
|
Навешивание элементов Правильность навешивания |
Визуально |
До установки на опорную конструкцию |
-"- |
Внешний осмотр |
|
|
Установка первого этажа разрядника Горизонтальность установки нижней рамы |
Уровень |
До монтажа колонн изоляторов второго яруса разрядника |
Мастер |
Отклонение не более ±10 мм |
|
|
Горизонтальность установки промежуточной рамы |
То же |
То же |
То же |
То же |
|
|
Отклонение колонн от вертикали |
Теодолит |
До монтажа колонн изоляторов второго яруса разрядника |
Мастер |
Отклонение не должно превышать 5 мм |
|
|
Монтаж второго этажа разрядника РВМК-330П, второго и третьего - РВМК-500П Монтаж колонн изоляторов и навешивание элементов |
|
|
|
|
|
|
Целостность фарфоровых покрышек элементов |
Визуально |
До навешивания элементов |
Бригадир |
Суммарная площадь допустимых сколов 150 мм2. Допустимая глубина сколов 1 мм |
|
|
Целостность фарфоровых изоляторов |
То же |
До монтажа колонн изоляторов |
То же |
Суммарная площадь сколов на изоляторе, не более 100 мм2, глубина сколов не более 2 мм |
|
|
Отсутствие повреждений эмалевого покрытия цементных швов |
-"- |
То же |
-"- |
Поверхностное выкрашивание цементной связки у двух фланцев не более 10 · 103 мм3 |
|
|
Установка колонн изоляторов Отклонение колонн от вертикали |
Теодолит |
До навешивания элементов |
Мастер |
Отклонение не должно превышать 5 мм |
|
|
Навешивание элементов Правильное навешивания |
Визуально |
До подсоединения к ошиновке |
Бригадир |
Внешний осмотр |
|
Монтаж разрядника РВМК-750М |
Установка плиты. Горизонтальность установки |
Уровень |
До монтажа элементов |
Бригадир |
|
|
|
Монтаж элементов Целостность фарфоровых покрышек элементов |
Визуально |
До монтажа колонн элементов |
Бригадир |
Суммарная площадь допустимых сколов 250 мм2. Допустимая глубина сколов 1 мм |
|
|
Отсутствие повреждений эмалевого покрытия цементных швов |
То же |
-"- |
То же |
Поверхностное выкрашивание цементной связки у двух фланцев не более 10 · 103 мм3 |
|
|
Соблюдение заводской маркировки |
Визуально |
В процессе сборки |
Бригадир |
Внешний осмотр |
|
|
Отклонение колонны от вертикали |
Теодолит |
После окончания монтажа |
Мастер |
Отклонение не должно превышать 50 мм |
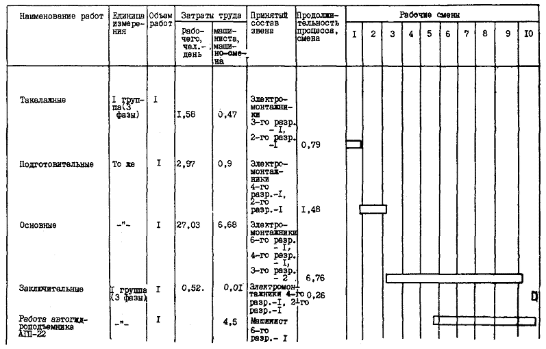
4.1. Разрядник РВМК-330П
Таблица 2
|
Наименование процесса |
Единица измерения |
Объем работ |
Обоснование (ЕНиР и другие нормы) |
Норма времени, чел.-ч |
Расценка, руб |
Затраты труда чел.-ч |
Заработная плата, руб. |
||||
|
рабочего |
машиниста |
рабочего |
машиниста |
рабочего |
машиниста |
рабочего |
машиниста |
||||
|
1 |
2 |
3 |
4 |
5 |
6 |
7 |
8 |
9 |
10 |
11 |
12 |
|
Такелажные работы |
|
|
|
|
|
|
|
|
|
|
|
|
1. Погрузка автокраном деталей и узлов разрядников |
1 т |
13,0 |
24-13, табл. 2 пп. 2е, 2д Н. вр. К = 0,96 Расц. К = 1,25 |
0,32 |
0,16 |
0-21,6 |
01-14,9 |
4,16 |
2,08 |
2-81 |
1-94 |
|
2. То же, разгрузка |
1 т |
13,0 |
24-13, табл. 2 пп. 15е, 15д Н. вр. К = 0,96 Расц. К = 1,25 |
0,27 |
0,13 |
0-18,4 |
0-12,2 |
3,51 |
1,69 |
2-39 |
1-59 |
|
3. Погрузка материалов и инструмента вручную на автомашину |
1 т |
0,58 |
Е1-22, п. 2а |
0,67 |
- |
0-39,5 |
- |
0,39 |
- |
0-23 |
- |
|
4. То же, выгрузка |
1 т |
0,58 |
Е1-22, п. 2б |
0,51 |
- |
0-30,1 |
- |
0,30 |
- |
0-17 |
- |
|
5. Подбор деталей и узлов оборудования на окладе |
|
- |
2 % от основных работ |
- |
- |
- |
- |
- |
4,32 |
3-55 |
- |
|
ИТОГО |
- |
- |
- |
- |
- |
- |
- |
12,68 |
3,77 |
9-15 |
3-53 |
|
Подготовительные работы |
|
|
|
|
|
|
|
|
|
|
|
|
6. Укладка деталей и узлов разрядника по рабочим местам |
1 т |
11,1 |
Е1-20, п. 9 (применительно) |
1,3 |
0,65 |
0-76,7 |
0-59,2 |
14,43 |
7,22 |
8-51 |
6-57 |
|
7. Установка силового ящика до 200 А на конструкцию |
1 ящик |
1 |
Е23-7-21 табл. 2, п. 2а |
0,75 |
- |
0-53,6 |
- |
0,75 |
- |
0-54 |
- |
|
8. Прокладка кабеля, питающего силовой ящик |
100 м |
0,5 |
Е23-4-4, А табл. 2. п. 1а |
3,8 |
- |
2-85 |
- |
1,9 |
- |
1-42 |
- |
|
9. Присоединение проводов и подготовка к включению силового ящика до 200 А |
1 ящик |
1 |
Е23-7-21 табл. 2, п. 2в + 2г |
1,92 |
- |
1-75 |
- |
1,92 |
- |
1-75 |
- |
|
10. Прокладка временных шин заземления в траншее для заземления силового ящика и сварочного аппарата |
100 м |
0,3 |
Е23-3-53 табл. 1, п. 1а |
8,6 |
- |
6-02 |
- |
2,58 |
- |
1-81 |
- |
|
11. Сварка стыков шин заземления |
100 стыков |
0,04 |
Е23-3-53, А табл. 1, п. 2а + 3а К = 1,12 Общая часть п. 5 |
11,6 |
- |
8-60,7 |
- |
0,46 |
- |
0-34 |
- |
|
12. Присоединение шин заземления к аппаратам |
1 присоединение |
2 |
Е23-3-53, А табл. 1. п. 5а |
0,26 |
- |
0-18,2 |
- |
0,52 |
- |
0-36 |
- |
|
13. Присоединение проводов и подготовка к включению сварочного аппарата |
1 аппарат |
1 |
Е23-7-21 табл. 2, п. 1в + 1г |
1,18 |
- |
0-93,2 |
- |
1,18 |
- |
0,93 |
- |
|
ИТОГО |
- |
- |
- |
- |
- |
- |
- |
23,74 |
7,22 |
15,66 |
6-57 |
|
Основные работы |
|
|
|
|
|
|
|
|
|
|
|
|
14. Монтаж разрядника РВМК-330П |
1 группа (3 фазы) |
1 |
23-5-30, п. 5 Н. вр. К = 0,93 Расц. К = 1,21 |
213,9 |
53,48 |
175-69,2 |
43-92,3 |
213,9 |
53,48 |
175-69 |
43-92 |
|
15. Прокладка полосы заземления по железобетонной стойке с пристрелкой строительно-монтажным пистолетом |
100 м |
0,075 |
Е23-6-23, табл. 2, п. 1а + 2а + 3а, К. п. 2а + 3а К = 1,12 |
13,3 |
- |
10-35,4 |
- |
1,00 |
- |
0-78 |
- |
|
16. Прокладка полосы заземления в траншее |
100 м |
0,018 |
Е23-3-51, А табл. 1, п. 1а |
8,6 |
- |
6-02 |
- |
0,15 |
- |
0-11 |
- |
|
17. Присоединение полосы заземления сваркой к общему контуру заземления |
1 присоединение |
6 |
Е23-3-53, А табл. 1, п. 4а К = 1,12 общая часть п. 5 |
0,12 |
- |
0-09,4 |
- |
0,72 |
- |
0-56 |
- |
|
18. Первичное и вторичное окрашивание проложенной по железобетонной стойке полосы заземления |
100 м |
0,075 |
Е23-6-27, п. 4 + 5 |
6,1 |
- |
3-91 |
- |
0,46 |
- |
0-29 |
- |
|
ИТОГО |
- |
- |
- |
- |
- |
- |
- |
216,23 |
53,48 |
177-43 |
43-92 |
|
Заключительные работы |
|
|
|
|
|
|
|
|
|
|
|
|
19. Отсоединение проводов от сварочного аппарата |
1 аппарат |
1 |
Е23-7-21, табл. 2, п. 1в К = 0,5 |
0,48 |
- |
0-37,9 |
- |
0,48 |
- |
0-38 |
- |
|
20. Отсоединение проводов от силового ящика |
1 ящик |
1 |
Е23-7-21, табл. 2, п. 2в К = 0,5 |
0,85 |
- |
0-77,5 |
- |
0,85 |
- |
0-78 |
- |
|
21. Демонтаж силового ящика |
То же |
1 |
Е23-7-21, табл. 2, п. 2а К = 0,5 |
0,38 |
- |
0-26,8 |
- |
0,38 |
- |
0-27 |
- |
|
22. Демонтаж питающего кабеля |
100 м |
0,5 |
Е23-4-4, А табл. 2, п. 1а К = 0,5 |
1,9 |
- |
1-42,5 |
- |
0,95 |
- |
0-71 |
- |
|
23. Демонтаж временных шин заземления |
100 м |
0,3 |
Е23-3-53, А табл. 1, п. 1а К = 0,5 |
4,3 |
- |
3-01 |
- |
1,29 |
- |
0-90 |
- |
|
24. Погрузка автокраном монтажного оборудования |
1 т |
0,3 |
24-13, табл. 2 п. 2е Н. вр. К = 0,96 Расц. К = 1,25 |
0,32 |
0,163 |
0-21,6 |
0-14,9 |
0,1 |
0,05 |
0-06 |
0-04 |
|
25. Погрузка инструмента вручную на автомашину |
1 т |
0,1 |
E1-22, п. 2а |
0,67 |
- |
0-39,5 |
- |
0,07 |
- |
0-04 |
- |
|
ИТОГО |
- |
- |
- |
- |
- |
- |
- |
4,12 |
0,05 |
3-14 |
0-04 |
|
ВСЕГО |
- |
- |
- |
- |
- |
- |
- |
256,77 |
64,52 |
205-38 |
54-06 |
4.2. Разрядник РВМК-500П
Таблица 3
|
Наименование процесса |
Единица измерения |
Объем работ |
Обоснование (ЕНиР и другие нормы) |
Норма времени, чел.-ч |
Расценка, руб |
Затраты труда чел.-ч |
Заработная плата, руб. |
||||
|
рабочего |
машиниста |
рабочего |
машиниста |
рабочего |
машиниста |
рабочего |
машиниста |
||||
|
1 |
2 |
3 |
4 |
5 |
6 |
7 |
8 |
9 |
10 |
11 |
12 |
|
Такелажные работы |
|
|
|
|
|
|
|
|
|
|
|
|
1. Погрузка автокраном деталей и узлов разрядника |
1 т |
23 |
24-13, табл. 2 п. 2е Н. вр. К = 0,96 Расц. К = 1,25 |
0,32 |
0,16 |
0-21,6 |
0-14,9 |
7,36 |
3,68 |
4-97 |
3-43 |
|
2. То же, разгрузка |
1 т |
23 |
24-13, табл. 2 п. 15е Н. вр. К = 0,96 Расц. К = 1,25 |
0,27 |
0,13 |
0-18,4 |
0-12,2 |
6,21 |
2,99 |
4-23 |
2-81 |
|
3. Погрузка материалов и инструмента вручную на автомашину |
1 т |
0,58 |
Е1-22, п. 2а |
0,67 |
- |
0-39,5 |
- |
0,39 |
- |
0-23 |
- |
|
4. То же, выгрузка |
1 т |
0,58 |
Е1-22, п. 2б |
0,51 |
- |
0-30,1 |
- |
0,30 |
- |
0-17 |
- |
|
5. Подбор деталей и узлов оборудования на складе |
- |
- |
2 % от основных работ |
- |
- |
- |
- |
8,42 |
- |
6-91 |
- |
|
ИТОГО |
- |
- |
- |
- |
- |
- |
- |
22,68 |
6,67 |
16-51 |
6,24 |
|
Подготовительные работы |
|
|
|
|
|
|
|
|
|
|
|
|
6. Укладка деталей и узлов разрядника по рабочим местам |
1 т |
19,8 |
Е1-20, п. 9 (применительно) |
1,3 |
0,65 |
0-76,7 |
0-59,2 |
25,74 |
12,87 |
15-19 |
11-72 |
|
Пункты 7 - 13 (см. пп. 6...13 табл. 2) |
- |
- |
- |
- |
- |
- |
- |
9,31 |
- |
7-15 |
- |
|
ИТОГО |
- |
- |
- |
- |
- |
- |
- |
35,05 |
12,87 |
22-34 |
11-72 |
|
Основные работы |
|
|
|
|
|
|
|
|
|
|
|
|
14. Монтаж разрядника РВМК-500П |
1 группа (3 фазы) |
1 |
23-5-30, п. 6 Н. вр. К = 0,93 Расц. К = 1,21 |
418,5 |
104,63 |
343-74,9 |
85-94 |
418,5 |
104,63 |
343-75 |
85-94 |
|
15. Прокладка полосы заземления по железобетонной стойка с пристрелкой строительно-монтажным пистолетом |
100 м |
0,081 |
Е23-6-23, Б табл. 2, п. 1а + 2а +3а К п. 2а + 3а К = 1,12 |
13,3 |
- |
10-35,4 |
- |
1,08 |
- |
0-84 |
- |
|
16. Прокладка полосы заземления в траншее |
100 м |
0,018 |
Е23-3-51, А табл. 2, п. 1а |
8,6 |
- |
6-02 |
- |
0,15 |
- |
0-11 |
- |
|
17. Присоединение полосы заземления сваркой к общему контуру заземления |
1 присоединение |
6 |
Е23-3-53, А табл. 1. п. 4а К = 1,12 Общая часть п. 5 |
0,12 |
- |
0-09,4 |
- |
0,72 |
- |
0-56 |
- |
|
18. Первичное и вторичное окрашивание проложенной по железобетонной стойке полосы заземления |
100 м |
0,081 |
Е23-6-27 п. 4 + 5 |
6,1 |
- |
3-91 |
- |
0,49 |
- |
0-32 |
- |
|
ИТОГО |
- |
- |
- |
- |
- |
- |
- |
420,9 |
104,63 |
345-58 |
85-94 |
|
Заключительные работы |
|
|
|
|
|
|
|
|
|
|
|
|
Пункты 19 - 25 (см. пп. 19...25 табл. 2) |
- |
- |
- |
- |
- |
- |
- |
4,12 |
0,05 |
3-14 |
0-04 |
|
ВСЕГО |
- |
- |
- |
- |
- |
- |
- |
432,79 |
124,22 |
387-57 |
103-94 |
4.3. Разрядник РВМК-750
Таблица 4
|
Наименование процесса |
Единица измерения |
Объем работ |
Обоснование (ЕНиР и другие нормы) |
Норма времени, чел.-ч |
Расценка, руб |
Затраты труда чел.-ч |
Заработная плата, руб. |
||||
|
рабочего |
машиниста |
рабочего |
машиниста |
рабочего |
машиниста |
рабочего |
машиниста |
||||
|
1 |
2 |
3 |
4 |
5 |
6 |
7 |
8 |
9 |
10 |
11 |
12 |
|
Такелажные работы |
|
|
|
|
|
|
|
|
|
|
|
|
1. Погрузка автокраном деталей и узлов разрядников |
1 т |
21,7 |
24-13, табл. 2, п. 2е Н. вр. К = 0,96 Расц. К = 1,25 |
0,32 |
0,16 |
0-21,6 |
0-14,9 |
6,94 |
3,47 |
4-69 |
3-23 |
|
2. То же, разгрузка |
1 т |
21,7 |
24-13, табл. 2. п. 15е Н. вр. К = 0,96 Расц. К = 1,25 |
0,27 |
0,13 |
0-18,4 |
0-12 |
5,86 |
2,82 |
3-99 |
2-65 |
|
3. Погрузка материалов и инструмента вручную на автомашину |
1 т |
0,58 |
Е1-22, п. 2а |
0,67 |
- |
0-39,5 |
- |
0,39 |
- |
0-23 |
- |
|
4. То же, выгрузка |
1 т |
0,58 |
Е1-22, п. 2г |
0,51 |
- |
0-30,1 |
- |
0,3 |
- |
0-18 |
- |
|
5. Подбор деталей и узлов оборудования на складе |
|
|
2 % от основных работ |
|
|
|
|
1,4 |
|
1-19 |
|
|
ИТОГО |
- |
- |
- |
- |
- |
- |
- |
14,89 |
6,29 |
10-28 |
5-88 |
|
Подготовительные работы |
|
|
|
|
|
|
|
|
|
|
|
|
6. Укладка деталей и узлов разрядника по рабочим местам |
1 т |
18,6 |
Е1-20, п. 9 (применительно) |
1,3 |
0,65 |
0-76,7 |
0-59,2 |
24,18 |
12,09 |
14-27 |
11-01 |
|
Пункты 7 - 13 (см. пп. 7...13 табл. 2) |
- |
- |
- |
- |
- |
- |
- |
9,31 |
- |
7-15 |
- |
|
ИТОГО |
- |
- |
- |
- |
- |
- |
- |
33,49 |
12,09 |
21-42 |
11-01,1 |
|
Основные работы |
|
|
|
|
|
|
|
|
|
|
|
|
14. Монтажразрадни-каРВМК-750 |
1 группа (3 фазы) |
1 |
Е23-5-28, п. 8 + 9 К п. 9 К = 1,12 |
67,5 |
16,88 |
57-53,7 |
14-38 |
67,5 |
16,88 |
57-54 |
14-38 |
|
15. Прокладка полосы заземления по железобетонной стойке с пристрелкой строительно-монтажным пистолетом |
100 м |
0,09 |
Е23-6-23, Б табл. 2, пп. 1а + 2а + 3а К п. 2а + 3а К = 1,12 |
13,3 |
- |
10-35,4 |
- |
1,2 |
- |
0-93 |
- |
|
16. Прокладка полосы заземления в траншее |
100 м |
0,03 |
Е23-3-51, А табл. 1, п. 1а |
8,6 |
- |
6-02 |
- |
0,26 |
- |
0-18 |
- |
|
17. Присоединение полосы заземления сваркой к общему контуру заземления |
1 присоединение |
6 |
Е23-3-53, А табл. 1, п. 4а К = 1,12 Общая часть п. 5 |
0,12 |
- |
0-09,4 |
- |
0,72 |
- |
0-56 |
- |
|
18. Первичное и вторичное окрашивание проложенной по железобетонной стойке полосы заземления |
100 м шин |
0,09 |
Е23-6-27 пп. 4 + 5 |
6,1 |
- |
3-91 |
- |
0,55 |
- |
0-35 |
- |
|
ИТОГО |
- |
- |
- |
- |
- |
- |
- |
70,23 |
16,88 |
59-56 |
14-38 |
|
Заключительные работы |
|
|
|
|
|
|
|
|
|
|
|
|
Пункты 19 - 25 (см. пп. 19...25 табл. 2) |
- |
- |
- |
- |
- |
- |
- |
4,12 |
0,05 |
3-15 |
0-04 |
|
ВСЕГО |
- |
- |
- |
- |
- |
- |
- |
122,74 |
35,31 |
93-94 |
31-32 |
5.1. График монтажа разрядника РВМК-330П
Таблица 5

5.2. График монтажа разрядника РВМК-500П
Таблица 6

5.3. График монтажа разрядника РВМК-750
Таблица 7

6.1. Монтажные механизмы и инвентарь
Таблица 8
|
Наименование |
Марка, ГОСТ |
Количество, шт. |
Назначение |
|
1 |
2 |
3 |
4 |
|
1. Автокран грузоподъемностью 16 т. Стрела 18 м |
КС-4561А |
1 |
Монтаж разрядников |
|
2. Автокран грузоподъемностью 6,3 т. Стрела 8 м |
КС-2561К-1 |
1 |
Погрузо-разгрузочные работы |
|
3. Автомашина |
МАЗ-507 |
1 |
Перевозка оборудования, механизмов, инвентаря, материалов |
|
4. Автоприцеп двухосный |
МАЗ-5243 |
1 |
То же |
|
5. Автогидроподъемник |
АГП-22 |
1 |
Монтаж разрядников |
|
6. Строп 2СК-0,5/0-0,5/К-0,4/900 |
ОСТ 34-13-910-86 |
1 |
То же |
|
7. То же, СКП1-0,5/1500 |
То же |
3 |
-"- |
|
8. Канат капроновый КК 30 мм 56 ктекс Об, м |
ГОСТ 10293-77 |
7 |
-"- |
|
9. Строп СКП1-1,0/4000 |
ОСТ 34-13-910-86 |
3 |
Монтаж разрядников |
|
10. Аппарат сварочный |
ТД-500 |
1 |
Сварка прокладок, контактных пластин |
|
11. Приспособление для подбора изоляторов по высоте |
Рис. 8 |
1 |
Монтаж колонн изоляторов |
|
12. Маска защитная для электросварщика |
- |
1 |
Сварка прокладок, контактных пластин |
|
13. Пистолет строительно-монтажный, комплект |
ПЦ-84-1 |
1 |
Пристрелка полосы заземления к стойке |
|
14. Арматуроискатель |
- |
1 |
Пристрелка полос заземления к стойке |
|
15. Рым-болт М16 |
ГОСТ 4751-73 |
2 |
Монтаж колонн изоляторов |
|
16. Рым-гайка М24 |
ГОСТ 4751-73 |
2 |
Монтаж колонн элементов РВМК-750 |
|
17. Лестница приставная, 3,5 м |
- |
1 |
Монтаж разрядников |
|
18. Пояс монтерский предохранительный |
ГОСТ 14185-77 |
2 |
То же |
|
19. Электросверлилка |
ИЭ-1023 |
1 |
Монтаж экранирующих колец |
|
20. Мегаомметр 2,5 кВ |
МС-0,5 |
1 |
Измерение сопротивления изоляции |
|
21. Уровень строительный УСЧ-2 |
1 |
Проверка горизонтальности |
|
|
22. Рулетка |
РЗ-10 ГОСТ 7502-80 |
1 |
Проверка проектных горизонтальных и вертикальных осей и отметок опор |
|
23. Указатель напряжения |
УН-1 |
1 |
Подключение механизмов и оборудования |
|
24. Электрододержатель на 500 А |
ЭД-3105-VI |
1 |
Сварка прокладок, контактных пластин |
|
25. Леса инвентарные, металлические сборно-разборные, комплект |
- |
1 |
Монтаж разрядников |
6.2. Инструмент
Таблица 9
|
Наименование |
Марка, ГОСТ |
Количество, шт. |
Назначение |
|
1 |
2 |
3 |
4 |
|
1. Ключи гаечные с открытым зевом двусторонние S = 11´14 мм; 17´22 мм; 22´24 мм; 12´14 мм; 17´19 мм; 10´12 мм; 22´27 мм, 14´17 мм; 27´30 мм, комплект |
ГОСТ 2839-80 |
2 |
Монтаж разрядников |
|
2. Отвертка слесарно-монтажная |
2 |
То же |
|
|
7810-0309 |
|||
|
7810-0330 |
|||
|
3. Отвертки диэлектрические: |
ГОСТ 21010-75 |
3 |
-"- |
|
7810-0434 |
|||
|
7810-0439 |
|||
|
7810-0446 |
|||
|
4. Плоскогубцы комбинированные с изолирующими ручками |
ГОСТ 5547-86 |
1 |
-"- |
|
5. Теодолит |
- |
1 |
Выверка вертикальности |
|
6. Транспортир |
- |
1 |
Проверка разметки отверстий под фундаментные болты |
|
7. Метр складной металлический |
ТУ 2-12-156-76 |
1 |
То же |
|
8. Линейка измерительная метрическая 1 - 500 мм |
2 |
Проверка разметки отверстий под фундаментные болты |
|
|
9. Отвес стальной строительный |
ОТ-200-1 |
1 |
Выверка вертикальности |
|
10. Рамка ножовочная ручная 6920-0001 |
ГОСТ 17270-71 |
1 |
Работа с металлом |
|
11. Полотно ножовочное дм металла (250´13´0,65 мм) |
ГОСТ 6645-86 |
3 |
Работа с металлом |
|
12. Лом-гвоздодер ЛГ-20 |
ГОСТ 1405-83 |
1 |
Распаковка оборудования |
|
13. Лом монтажный ЛМ-24 |
То же |
1 |
Монтаж оснований |
|
14. Молоток слесарный стальной 7850-0122 |
ГОСТ 2310-77 |
1 |
Очистка мест сварки |
|
15. Кувалда 1212-0006 |
ГОСТ 11401-75 |
1 |
Монтаж оснований |
|
16. Кернер 7643-0036 |
ГОСТ 7213-72 |
1 |
Монтаж экранирующих колец |
|
17. Зубило слесарное |
ГОСТ 7211-86 |
1 |
Работа с металлом |
|
18. Напильник (плоский, квадратный, полукруглый, круглый, трехгранный) |
ГОСТ 1465-80 |
5 |
То же |
|
19. Топор строительный, |
ГОСТ 18578-73 |
1 |
Плотничные работы |
|
20. Ножовка по дереву |
1 |
То же |
|
|
21. Штангенциркуль |
ГОСТ 166-80 |
1 |
Работы с металлом |
|
22. Щетка ручная из проволоки |
ОСТ 17-830-80 |
|
Очистка поверхностей |
|
23. Кисть флейцевая, КФ75-1 |
1 |
Окраска мест сварки и мест с поврежденной окраской |
|
|
24. Набор сверл, диаметр 5...18 мм, комплект |
ГОСТ 886-77 |
1 |
Монтаж экранирующих колец |
6.3. Материалы (1 группа - 3 фазы)
Таблица 10
|
Наименование материала |
Марка, ГОСТ |
Потребность для разрядника на номинальное напряжение, кВ |
||
|
330 |
500 |
750 |
||
|
1 |
2 |
3 |
4 |
5 |
|
1. Ветошь, кг |
ТУ 63-17877-79 |
2,5 |
2,8 |
2,7 |
|
2. Бензин-растворитель, кг |
0,5 |
2,63 |
0,62 |
|
|
3. Бязь, м2 |
ГОСТ 11680-76 |
0,47 |
1,76 |
0,51 |
|
4. Смазка ГОИ-54П, кг |
ГОСТ 3276-74 |
0,8 |
1,2 |
0,9 |
|
5. Электроды Э-42, кг |
0,5 |
0,8 |
0,8 |
|
|
6. Эмаль ПФ-115, кг |
1,0 |
1,0 |
1,0 |
|
|
7. Доски толщиной 40 мм, м3 |
0,26 |
0,26 |
0,26 |
|
|
8. Гвозди строительные диаметром 4 мм, длиной 100 мм, кг |
1,3 |
1,3 |
1,3 |
|
|
9. Сталь полосовая сеч. 30´4 мм2, м/кг |
9,3/8,7 |
10,9/9,9 |
12/11,3 |
|
|
10. Дверь, шт. |
ТУ 14.4.1231-83 ДГ-Х; 4,5´40 |
9 |
6 |
12 |
|
11. Патрон, шт. |
ДЗ |
9 |
6 |
12 |
|
12. Наконечник, шт. |
№ 1 |
9 |
6 |
12 |
|
13. Болт М20´70. шт. |
36 |
36 |
- |
|
|
14. Гайка М20, шт. |
36 |
36 |
- |
|
|
15. Шайба диаметром 21 мм, шт. |
36 |
36 |
- |
|
|
16. Болт М24. шт. |
- |
- |
36 |
|
|
17. Гайка М24, шт. |
- |
- |
36 |
|
|
18. Шайба диаметром 25 мм, шт. |
- |
- |
36 |
|
|
19. Проволока стальная вязальная диаметром 0,5 мм, кг |
0,12 |
0,12 |
0,12 |
|
Примечания: 1. Расход материалов принят по сборнику 05 «Открытые распределительные устройства напряжением 35 кВ и выше», а также на основании установочных чертежей.
2. Позиции 9 - 18 подлежат уточнению по конкретному проекту.
Таблица 11
|
Наименование показателя |
Количество |
||
|
РВМК-330П |
РВМК-500П |
РВМК-750 |
|
|
Нормативные затраты труда рабочих, чел.-дн. |
32,1 |
60,3 |
15,3 |
|
Нормативные затраты машинного времени, маш.-смена: |
|
|
|
|
автокрана грузоподъемностью 6,3 т |
0,48 |
0,84 |
0,79 |
|
автокрана грузоподъемностью 16 т |
7,58 |
14,69 |
3,62 |
|
автогидроподъемника АГП-22 |
4,58 |
9,8 |
2,11 |
|
Заработная плата рабочих-монтажников, руб. |
205,38 |
387,57 |
94,41 |
|
Продолжительность выполнения работ, смена |
9,5 |
17,5 |
5,5 |
|
Среднее количество занятых на монтаже рабочих, чел. |
4 |
4 |
3 |
|
Максимально потребляемая мощность, кВА |
32 |
32 |
32 |
7.1. Работы по монтажу разрядников выполняют с соблюдением требований техники безопасности согласно действующим нормам и правилам (прил. 1).
7.2. Перед началом работ мастер или прораб проводит инструктаж на рабочем месте: объясняет задание, способы выполнения намечаемых работ и приемы пользования предохранительными приспособлениями.
7.3. Такелажное оборудование и инвентарь, используемые при монтаже, должны иметь отметки об испытаниях в соответствии с требованиями Госгортехнадзора СССР.
7.4. При монтаже обращают внимание на состояние и правильную установку подъемных средств и одинаковое натяжение всех стропов.
7.5. Подращивание элементов выполняют с особой осторожностью. При наведении собранной части колонны изоляторов на подращиваемые изоляторы монтажники находятся вне контура монтируемой конструкции со стороны, противоположной подаче краном. При наведении собранной части на подращиваемый изолятор зазор между ними не должен превышать 30 см. Крепление троса за ребра элемента (изолятора) не допускается.
7.6. На период монтажа опасная зона, ограниченная радиусом 19 м и для РВМК-330П, 17,5 м для РВМК-500П и 15 м для РВМК-750 от оси поворотной части крана, ограждается и обозначается хорошо видимыми предупредительными знаками.
Проектная документация
1. Планы и разрезы открытого распределительного устройства 330 - 750 кВ.
2. Установочные чертежи разрядников типа РВМК напряжением 330 - 750 кВ.
3. Руководящие технические материалы на производство погрузо-разгрузочных работ грузоподъемными механизмами. РТМ 002.00-83. Ч. III. РТМ по строповке электротехнического оборудования РТМ 002.03-83. СКТБ треста «Электроцентромонтаж».
Заводская документация
1. Разрядник вентильный комбинированный типа РВМК-330П.
Техническое описание и инструкция по эксплуатации ОИП.140.022 ТО.
2. Разрядник вентильный типа РВМК-500П.
Техническое описание и инструкция по эксплуатации ОИП.143.018-01.
3. Разрядник РВМК-750М.
Техническое описание и инструкция по эксплуатации ОИП.140.012.ТО.
Общетехническая документация
1. Правила устройства электроустановок. М.: Энергоатомиздат, 1985.
2. СНиП 3.05.06-85 «Электротехнические устройства». М.: Стройиздат, 1986.
3. СНиП III-4-80. «Правила производства и приемки работ. Техника безопасности в строительстве». М.: Стройиздат, 1980.
4. Правила техники безопасности при производстве электромонтажных работ на объектах Минэнерго СССР. М.: Информэнерго, 1984.
5. Инструкция по организации и производству работ повышенной опасности в строительно-монтажных организациях и на промышленных предприятиях. М.: Минэнерго СССР, Информэнерго, 1987.
6. Правила устройства и безопасной эксплуатации грузоподъемных кранов. Киев: Техника, 1973.
7. Правила пожарной безопасности при производстве строительно-монтажных работ. ППБ-05-86. М.: Стройиздат, 1988.
1. Акт готовности опорных конструкций под установку разрядников.
2. Акт приемки разрядников в монтаж.
3. Протокол ревизии и монтажа разрядников.
Примечание. Образцы форм документации приведены в «Инструкции по оформлению приемо-сдаточной документации по электромонтажным работам» ВСН 123-79 МСС СССР.
|
Наименование показателя |
Величина показателя |
||
|
РВМК-330П |
РВМК-500П |
РВМК-750 |
|
|
Номинальное напряжение, кВ |
288 |
420 |
750 |
|
Масса, кг |
3692 |
6590 |
6200 |
|
Габариты, мм |
4300´4070´5700 |
4300´4700´8400 |
2700´2700´11380 |
|
Наименование узла |
РВМК-330П |
РВМК-500П |
РВМК-750М |
|
Плита |
- |
- |
75 |
|
Рама нижняя |
200 |
- |
- |
|
То же, большая |
- |
305 |
- |
|
Рама промежуточная |
170 |
160 |
- |
|
То же, большая |
- |
330 |
- |
|
Элемент |
- |
- |
1170 |
|
Элемент с экраном |
- |
- |
1230 |
|
Элемент основной |
105 |
105 |
- |
|
Элемент вентильный |
110 |
110 |
- |
|
Элемент искровой |
90 |
90 |
- |
|
Четыре изолятора (1´КО-15С + 3´ИОС-35-1000) |
160 |
- |
- |
|
Пять изоляторов КО-20С-У |
- |
170 |
- |
|
То же, (3´КО-15С + 2´КО-35С-У) |
- |
200 |
- |
|
Семь изоляторов (4´КО-15С + 3´КО-35С-У) |
270 |
270 |
- |
|
Первый этаж разрядника в сборе |
1580 |
2900 |
- |
|
Рама верхняя с экраном |
200 |
210 |
- |
СОДЕРЖАНИЕ