|
МЕЖГОСУДАРСТВЕННЫЙ СТАНДАРТ |
|
|
ВИНТЫ С ЦИЛИНДРИЧЕСКОЙ ГОЛОВКОЙ Конструкция и размеры Cheese-head
non-falling-out screws with hexagon socket |
ГОСТ Взамен |
Постановлением Государственного комитета СССР по
стандартам от 7 июля
01.01.82
Ограничение срока действия снято по протоколу № 7-95 Межгосударственного совета по стандартизации, метрологии и сертификации (ИУС 11-95)
Издание с Изменением № I, утвержденным в декабре
Настоящий стандарт распространяется на
винты с цилиндрической головкой и шестигранным углублением «под ключ»
невыпадающие класса точности В с номинальным диаметром резьбы от 6 до
(Введено дополнительно, Изм. № 1).
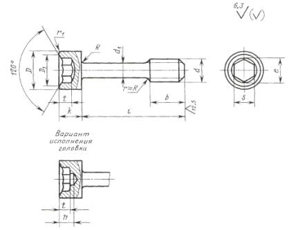
1. Размеры винтов должны соответствовать указанным на чертеже и в табл. 1 и 2.

Таблица 1
мм
|
Номинальный диаметр резьбы d |
6 |
8 |
10 |
12 |
16 |
|
Диаметр стержня d1 (пред. откл. h13) |
4,0 |
5,5 |
7,0 |
9,0 |
11,0 |
|
Длина резьбы b |
8 |
10 |
12 |
16 |
20 |
|
Диаметр головки D (пред. откл. h13) |
10,0 |
13,0 |
16,0 |
18,0 |
24,0 |
|
Высота головки k |
6 |
8 |
10 |
12 |
16 |
|
Размер «под ключ» S |
5 |
6 |
8 |
10 |
14 |
|
Диаметр описанной окружности l, не менее |
5,8 |
6,9 |
9,2 |
11,5 |
16,2 |
|
Диаметр фаски D1 |
6,1 |
7,2 |
9,7 |
12,0 |
16,7 |
|
Величина шестигранного углубления t |
3,4 |
4,4 |
5,5 |
6,5 |
8,5 |
|
Глубина сверления h, не более |
3,7 |
4,7 |
6,0 |
7,2 |
9,2 |
|
Радиус под головкой R, не более |
0,4 |
0,5 |
0,6 |
0,8 |
|
|
Радиус r1 или фаска С1, не более |
0,5 |
0,8 |
1,0 |
||
Таблица 2
|
Длина
винта l, |
Диаметр резьбы d, мм |
||||
|
6 |
8 |
10 |
12 |
16 |
|
|
(18) |
|
- |
- |
- |
- |
|
20 |
|
- |
- |
- |
- |
|
(22) |
|
|
|
- |
- |
|
25 |
|
|
|
- |
- |
|
(28) |
|
|
|
|
- |
|
32 |
|
Стандартные длины |
|
- |
|
|
(36) |
|
|
- |
||
|
40 |
|
|
- |
||
|
(45) |
|
|
|
|
- |
|
50 |
|
|
|
|
|
|
(55) |
|
|
|
|
|
|
60 |
|
|
|
|
|
|
(70) |
- |
|
|
|
|
|
80 |
- |
|
|
|
|
Примечание. Длины винтов, заключенные в скобки, применять не рекомендуется.
Пример условного
обозначения винта диаметром резьбы d =
Винт MS-6g× 25.58 ГОСТ 10342-80
То же, класса прочности 8.8, из стали марки 35Х, с цинковым покрытием толщиной 9 мкм, хроматированным:
Винт M8-6g×25.88.35X.019 ГОСТ 10342-80
2. Резьба - по ГОСТ 24705-2004, шаг резьбы - крупный. Сбег резьбы - по ГОСТ 10549-80.
1, 2. (Измененная редакция, Изм. № 1).
2а. Допуски и методы контроля размеров и отклонений формы и расположения поверхностей - по ГОСТ 1759.1-82.
2б. Дефекты поверхности и методы контроля - по ГОСТ 1759.2-82.
2а, 2б. (Введены дополнительно, Изм. № 1).
3. Технические требования - по ГОСТ 1759.0-87.
4. Теоретическая масса винтов указана в приложении 1.
5. (Исключен, Изм. № 1).
ПРИЛОЖЕНИЕ 1
Справочное
|
Длина
винта l, |
Теоретическая масса 1000 шт. стальных винтов, кг, при номинальном диаметре резьбы d, мм |
||||
|
6 |
8 |
10 |
12 |
16 |
|
|
(18) |
5,238 |
- |
- |
- |
- |
|
20 |
5,435 |
- |
- |
- |
- |
|
(22) |
5,633 |
11,25 |
19,80 |
- |
- |
|
25 |
5,929 |
11,81 |
20,70 |
- |
- |
|
(28) |
6,225 |
12,36 |
21,60 |
34,72 |
- |
|
32 |
6,620 |
13,12 |
22,82 |
36,72 |
- |
|
(36) |
7,015 |
13,87 |
24,03 |
38,72 |
- |
|
40 |
7,409 |
14,62 |
25,24 |
40,72 |
- |
|
(45) |
7,903 |
15,55 |
26,75 |
43,20 |
- |
|
50 |
8,396 |
16,49 |
28,26 |
45,70 |
92,52 |
|
(55) |
8,890 |
17,42 |
29,77 |
48,19 |
96,25 |
|
60 |
9,393 |
18,36 |
31,28 |
50,19 |
99,98 |
|
(70) |
- |
20,23 |
34,30 |
55,68 |
107,40 |
|
80 |
- |
22,10 |
37,32 |
60,67 |
114,80 |
Примечание. Для определения массы винтов из латуни массы, указанные в таблице, следует умножить на коэффициент 1,08.
ПРИЛОЖЕНИЕ 2. (Исключено, Изм. № 1).