Главная // Актуальные документы // Актуальные документы (обновление 2025.09.01-2025.09.27) // ГОСТ (Государственный стандарт)
СПРАВКА
Источник публикации
М.: ФГБУ "Институт стандартизации", 2025
Примечание к документу
Документ вводится в действие с 01.07.2026 с правом досрочного применения.

Название документа
"ГОСТ IEC 60335-2-17-2025. Межгосударственный стандарт. Бытовые и аналогичные электрические приборы. Безопасность. Часть 2-17. Частные требования к одеялам, подушкам, одежде и аналогичным гибким нагревательным приборам"
(введен в действие Приказом Росстандарта от 08.07.2025 N 710-ст)

"ГОСТ IEC 60335-2-17-2025. Межгосударственный стандарт. Бытовые и аналогичные электрические приборы. Безопасность. Часть 2-17. Частные требования к одеялам, подушкам, одежде и аналогичным гибким нагревательным приборам"
(введен в действие Приказом Росстандарта от 08.07.2025 N 710-ст)


Содержание


Введен в действие
Приказом Федерального
агентства по техническому
регулированию и метрологии
от 8 июля 2025 г. N 710-ст
МЕЖГОСУДАРСТВЕННЫЙ СТАНДАРТ
БЫТОВЫЕ И АНАЛОГИЧНЫЕ ЭЛЕКТРИЧЕСКИЕ ПРИБОРЫ.
БЕЗОПАСНОСТЬ
ЧАСТЬ 2-17
ЧАСТНЫЕ ТРЕБОВАНИЯ К ОДЕЯЛАМ, ПОДУШКАМ, ОДЕЖДЕ
И АНАЛОГИЧНЫМ ГИБКИМ НАГРЕВАТЕЛЬНЫМ ПРИБОРАМ
Household and similar electrical appliances. Safety.
Part 2-17. Particular requirements for blankets, pads,
clothing and similar flexible heating appliances
(IEC 60335-2-17:2022, IDT)
ГОСТ IEC 60335-2-17-2025
МКС 97.040.50
13.120
Дата введения
1 июля 2026 года
с правом досрочного применения
Предисловие
Цели, основные принципы и общие правила проведения работ по межгосударственной стандартизации установлены ГОСТ 1.0 "Межгосударственная система стандартизации. Основные положения" и ГОСТ 1.2 "Межгосударственная система стандартизации. Стандарты межгосударственные, правила и рекомендации по межгосударственной стандартизации. Правила разработки, принятия, обновления и отмены"
Сведения о стандарте
1 ПОДГОТОВЛЕН Обществом с ограниченной ответственностью Научно-методический центр "Электромагнитная совместимость" (ООО "НМЦ ЭМС") на основе собственного перевода на русский язык англоязычной версии стандарта, указанного в пункте 5
2 ВНЕСЕН Федеральным агентством по техническому регулированию и метрологии
3 ПРИНЯТ Межгосударственным советом по стандартизации, метрологии и сертификации (протокол от 30 мая 2025 г. N 185-П)
За принятие проголосовали:
Краткое наименование страны по МК (ИСО 3166) 004-97
Код страны по МК (ИСО 3166) 004-97
Сокращенное наименование национального органа по стандартизации
Армения
AM
ЗАО "Национальный орган по стандартизации и метрологии" Республики Армения
Беларусь
BY
Госстандарт Республики Беларусь
Киргизия
KG
Кыргызстандарт
Россия
RU
Росстандарт
Узбекистан
UZ
Узбекское агентство по техническому регулированию
4 Приказом Федерального агентства по техническому регулированию и метрологии от 8 июля 2025 г. N 710-ст межгосударственный стандарт ГОСТ IEC 60335-2-17-2025 введен в действие в качестве национального стандарта Российской Федерации с 1 июля 2026 г. с правом досрочного применения
5 Настоящий стандарт идентичен международному стандарту IEC 60335-2-17:2022 "Бытовые и аналогичные электрические приборы. Безопасность. Часть 2-17. Частные требования к одеялам, подушкам, одежде и аналогичным гибким нагревательным приборам" ("Household and similar electrical appliances - Safety - Part 2-17: Particular requirements for blankets, pads, clothing and similar flexible heating appliances", IDT).
Международный стандарт разработан Техническим комитетом по стандартизации TC 61 "Безопасность бытовых и аналогичных электроприборов" Международной электротехнической комиссии (IEC).
При применении настоящего стандарта рекомендуется использовать вместо ссылочных международных стандартов соответствующие им межгосударственные стандарты, сведения о которых приведены в дополнительном приложении ДА
6 ВЗАМЕН ГОСТ IEC 60335-2-17-2014
Информация о введении в действие (прекращении действия) настоящего стандарта и изменений к нему на территории указанных выше государств публикуется в указателях национальных стандартов, издаваемых в этих государствах, а также в сети Интернет на сайтах соответствующих национальных органов по стандартизации.
В случае пересмотра, изменения или отмены настоящего стандарта соответствующая информация будет опубликована на официальном интернет-сайте Межгосударственного совета по стандартизации, метрологии и сертификации в каталоге "Межгосударственные стандарты"
Введение
Международный стандарт IEC 60335-2-17 разработан Техническим комитетом по стандартизации TC 61 "Безопасность бытовых и аналогичных электрических приборов" Международной электротехнической комиссии (IEC).
Четвертое издание отменяет и заменяет третье издание, опубликованное в 2012 г., изменение 1:2015 (Amd.1:2015) и изменение 2:2019 (Amd.2:2019). Настоящее издание представляет собой техническую редакцию.
Основные изменения в настоящем стандарте по сравнению с предыдущей редакцией заключаются в следующем:
a) текст стандарта приведен в соответствие с IEC 60335-1:2020;
b) текст некоторых примечаний перемещен в основной текст стандарта (раздел 1, 19.106, 21.103, 21.104, 21.110, 30.1, 30.102, приложение BB, CC.19.3);
c) уточнено определение блока управления (3.6.105);
d) доработан пункт, касающийся регулировки напряжения питания приборов, отличных от управляемых приборов, при работе при номинальной потребляемой мощности, умноженной на коэффициент (5.12);
e) добавлено разъяснение по испытаниям одеял, которые невозможно сложить в пять слоев (19.101);
f) обновлены критерии соответствия, включающие поломку электродов (21.1);
g) добавлено разъяснение метода испытаний матрацев, основанного на показателе жесткости гибкой части (21.111.1, приложение DD);
h) добавлено разъяснение по испытанию нагревательных элементов некруглой конструкции (21.111.3);
i) добавлены требования по защите пользователя от перегрева в случае перебоя в электроснабжении (22.111);
j) включен метод испытания давлением из IEC 60320-1:2001 (30.1);
k) обновлены методы испытаний на огнестойкость (30.101.1, 30.102).
Настоящий стандарт следует применять совместно с ГОСТ IEC 60335-1-2024, разработанным на основе шестого издания IEC 60335-1:2020.
Примечание 1 - В настоящем стандарте при упоминании "часть 1" подразумевается IEC 60335-1.
Настоящий стандарт дополняет или изменяет соответствующие положения ГОСТ IEC 60335-1-2024.
Если конкретный пункт части 1 не упоминается в настоящем стандарте, этот пункт применяют в зависимости от возможности. Если в настоящем стандарте указано "дополнение", "изменение" или "замена", соответствующий текст в части 1 следует адаптировать соответствующим образом.
Примечание 2 - Используется следующая система нумерации:
- подразделы, таблицы и рисунки, пронумерованные начиная со 101, являются дополнительными к тем, что приведены в части 1;
- если примечания не включены в новый пункт или не включают примечания в части 1, они нумеруются начиная с 101, включая примечания в замененном пункте или подпункте;
- дополнительные приложения обозначены буквами AA, BB и т.д.
Примечание 3 - В настоящем стандарте использованы следующие шрифтовые выделения:
- текст требований - светлый;
- методы испытаний - курсив;
- примечания - светлый петит.
Термины, применяемые в настоящем стандарте, выделены полужирным шрифтом. Когда определение касается прилагательного, прилагательное и связанное с ним существительное также выделяют жирным шрифтом.
Выполнение требований настоящего стандарта допустимо проводить лицам, имеющим соответствующие квалификацию и опыт.
Настоящий стандарт устанавливает признанный международным сообществом уровень защиты от опасностей, создаваемых прибором при его нормальном применении, с учетом инструкций изготовителя, включая электрические, механические, термические, пожарные и радиационные опасности. В настоящем стандарте рассмотрены возможные нештатные ситуации, которые могут возникать на практике, а также вопросы влияния электромагнитных воздействий на безопасную работу приборов.
Настоящий стандарт, по мере возможности, учитывает требования серии стандартов IEC 60364 с целью обеспечения совместимости с правилами подключения прибора к электросети.
Если устройство, входящее в область применения настоящего стандарта, также включает в себя функции, которые входят в область применения другого стандарта серии IEC 60335-2, соответствующий стандарт из серии IEC 60335-2 применяют к каждой функции отдельно, в зависимости от целесообразности. Если применимо, учитывают влияние одной функции на другую.
Если стандарт части 2 не содержит дополнительных требований для учета опасностей, рассматриваемых в части 1, применяют часть 1.
Примечание 4 - Это означает, что технические комитеты, ответственные за стандарты, входящие в серию стандартов IEC 60335-2, определили, что отсутствует необходимость указывать отдельные требования к рассматриваемому прибору сверх общих требований.
Настоящий стандарт относится к серии стандартов, рассматривающих безопасность приборов, и имеет приоритет над горизонтальными и общими стандартами, в область применения которых входят указанные аспекты стандартизации.
Примечание 5 - Горизонтальные и общие стандарты, рассматривающие аспекты безопасности, неприменимы, поскольку они учитывались при разработке общих и частных требований для серии стандартов IEC 60335.
Если при осмотре и испытании обнаружено, что прибор, соответствующий настоящему стандарту, имеет другие характеристики, которые снижают установленный уровень безопасности, то такой прибор не считают соответствующим требованиям безопасности, установленным настоящим стандартом.
Прибор, в котором используют материалы или формы конструкции, отличающиеся от указанных, допускается считать соответствующим требованиям настоящего стандарта, если он выдержал испытания и установлено, что он эквивалентен приборам, описание которых приведено в настоящем стандарте.
Примечание 6 - Стандартами, касающимися аспектов, не связанных с безопасностью бытовой техники, являются:
- стандарты МЭК, опубликованные Техническим комитетом 59, касающиеся методов измерения производительности;
- CISPR 11, CISPR 14-1 и соответствующие стандарты серии IEC 61000-3, касающиеся электромагнитных излучений;
- CISPR 14-2, касающийся электромагнитной помехоустойчивости;
- стандарты IEC, опубликованные Техническим комитетом 111, касающиеся вопросов охраны окружающей среды.
1 Область применения
Данный раздел части 1 заменен нижеприведенным.
Настоящий стандарт устанавливает требования безопасности электрических одеял, подушек, одежды и других гибких приборов, предназначенных для обогрева кровати или человеческого тела, бытового и аналогичного назначения номинальным напряжением не выше 250 В, включая приборы, питаемые постоянным током (DC), и приборы с батарейным питанием.
Настоящий стандарт также распространяется на управляющие модули, поставляемые с прибором.
Настоящий стандарт также распространяется на приборы, не предназначенные для обычного бытового применения, но которые тем не менее могут стать источником опасности, например: приборы, применяемые в салонах красоты или используемые при низких температурах окружающей среды.
Требования к одежде и соответствующие испытания приведены в приложении CC.
Настоящий стандарт устанавливает основные виды опасностей при применении пользователями приборов, которые находятся как внутри, так и за пределами дома. Настоящий стандарт не учитывает опасности, возникающие при использовании:
- приборов без надзора и инструкций пользователями (включая детей), у которых выявлены физические, нервные или психические отклонения или недостаток опыта и знаний, препятствующие безопасной эксплуатации прибора без надзора и инструкций;
- приборов детьми для игр.
Детей считают достаточно взрослыми для самостоятельного использования бытового прибора без надзора в том случае, если они были соответствующим образом проинструктированы родителями или опекуном и являются достаточно компетентными для безопасного пользования бытовым прибором.
Необходимо обратить внимание на следующее:
- в отношении приборов, предназначенных для использования в транспортных средствах или на борту судов или самолетов, могут быть предъявлены дополнительные требования;
- во многих странах национальные органы здравоохранения, охраны труда, и прочие подобные организации предъявляют к данным приборам дополнительные требования.
Настоящий стандарт не распространяется:
- на приборы, предназначенные для использования в местах с особыми условиями, такими как наличие коррозийной или взрывоопасной атмосферы (пыли, пара или газа);
- жесткие нагреватели для кроватей, например из металлических или керамических материалов;
- нагреватели кроватей с водяным матрацем (IEC 60335-2-66);
- нагревательные приборы для выращивания и разведения животных (IEC 60335-2-71);
- грелки для ног и коврики с подогревом (IEC 60335-2-81);
- приборы для медицинских целей (IEC 60601-2-35);
- подогреваемые ковры (IEC 60335-2-106).
2 Нормативные ссылки
Применяют данный раздел части 1, за исключением нижеприведенного.
Дополнение
ISO/IEC Guide 37 <*>, Instructions for use of products by consumers (Инструкции по применению продукции потребителями)
--------------------------------
<*> Отменен.
ISO 2439, Flexible cellular polymeric materials - Determination of hardness (indentation technique) [Материалы полимерные ячеистые эластичные. Определение твердости (метод вдавливания)]
ISO 3758, Textiles - Care labelling code using symbols (Текстиль. Маркировка символами по уходу)
3 Термины и определения
Применяют данный раздел части 1, за исключением нижеприведенного.
3.1 Определения, относящиеся к физическим характеристикам
3.1.9 Дополнение
Работа прибора при следующих условиях:
- одеяла и подушки располагают между листами теплоизоляции;
- стеганые одеяла укладывают на теплоизоляционный лист, но не накрывают;
- матрацы накрывают теплоизоляционным листом.
Примечание 101 - Требования к теплоизоляции приведены в приложении AA.
Гибкую часть размещают на фанерном основании толщиной 20 мм и располагают на высоте не менее 300 мм от пола. Фанерное основание должно быть такого размера, чтобы теплоизоляция поддерживалась по всей ее площади. Края листов теплоизоляции должны выходить за контур нагреваемой поверхности не менее чем на 100 мм.
Управляющие модули, которые держат в руках при использовании, и выключатели в шнурах подвешивают в стороне от фанерного основания. Другие управляющие устройства располагают на подставке в стороне от основания из фанеры.
3.5 Определения, относящиеся к типам приборов
3.5.101 одеяло (blanket): Прибор, состоящий в основном из плоской гибкой части, предназначенный для обогрева кровати и являющийся ее составной частью.
3.5.102 нижнее одеяло (underblanket): Одеяло, укладываемое на кровать под спящего человека.
3.5.103 верхнее одеяло (overblanket): Одеяло, предназначенное для укрывания спящего человека сверху.
3.5.104 стеганое одеяло (duvet): Стеганое верхнее одеяло, предназначенное для использования без применения дополнительного покрывала поверх спящего человека, с нагревательным элементом, электропроводящей тканью, обеспечивающими дополнительное тепло.
3.5.105 подушка (pad): Прибор, состоящий из гибкой части, имеющей нагреваемую поверхность площадью не более 0,3 м2 с каждой стороны, предназначенный для обогрева части человеческого тела.
Если подушка сконструирована в цилиндрической или аналогичной форме, ограничение для нагреваемой поверхности составляет 0,6 м2.
3.5.106 матрац (mattress): Прибор, помещаемый под постельные принадлежности и состоящий из обшитой гибкой части, предназначенной для обогрева кровати.
Примечание 1 - Прибор может быть размещен на полу и называться ковром.
3.5.107 управляемый прибор (controlled appliance): Прибор, оснащенный в гибкой части устройствами, которые чувствительны к изменению температуры при нормальной эксплуатации прибора и позволяют автоматически управлять средней потребляемой мощностью.
3.5.108 влагозащищенный прибор (moisture-proof appliance): Прибор, имеющий гибкую часть, которая предназначена для использования во влажных условиях.
3.5.109 плед (wrap): Прибор, состоящий из гибкой части, предназначенной для оборачивания вокруг человеческого тела для поддержания тепла.
3.6 Определения, относящиеся к частям приборов
3.6.101 гибкая часть (flexible part): Все слои материала, формирующие постоянную оболочку прибора вместе с нагревательным элементом, электропроводящей тканью, терморегуляторами и другими токоведущими частями внутри нее.
Примечание - Гибкая часть может находиться внутри съемного чехла.
3.6.102 нагревательный элемент (heating element): Нагреваемый проводник с жилой, на которую он накручен, и изоляцией вместе с любым другим присоединенным проводником.
3.6.103 нагреваемая поверхность (heated area): Поверхность гибкой части, заключенная внутри внешнего периметра нагревательного элемента или электропроводящей ткани.
Она также включает в себя край за периметром шириной, равной половине среднего расстояния между соседними проводниками нагревательного элемента.
Нагреваемая поверхность включает край нагревательного элемента, если среднее расстояние между этой частью и прилегающим нагревательным элементом не превышает среднее расстояние между соседними проводниками нагревательного элемента.
Если одеяло или матрац имеют две отдельные нагреваемые поверхности, область между двумя поверхностями считают частью нагреваемых поверхностей в том случае, если расстояние между двумя нагревательными элементами не превышает более чем в 1,5 раза среднее расстояние между соседними проводниками нагревательного элемента.
3.6.104 скрепленная оболочка (bonded enclosure): Оболочка гибкой части, у которой противоположные стороны склеены или сварены.
3.6.105 управляющий модуль (control unit): Устройство, находящееся вне гибкой части, с помощью которого можно настроить или регулировать среднюю потребляемую мощность прибора или температуру.
Примечание 1 - Управляющие модули могут быть установлены в шнуре питания или на конце промежуточного шнура.
3.6.106 электропроводящая ткань (electro-conductive textile): Ткань, содержащая графит или другой проводящий материал для обеспечения равномерного нагревания поверхности.
3.6.107 нагревательный элемент с характеристиками ПТК (с положительным температурным коэффициентом) (heating element with PTC characteristics): Нагревательный элемент, состоящий из пары проводников, разделенных электропроводящим материалом, который характеризуется быстрым нелинейным увеличением сопротивления, когда температура возрастает в определенном диапазоне.
4 Общие требования
Применяют данный раздел части 1.
5 Общие условия испытаний
Применяют данный раздел части 1, за исключением нижеприведенного.
5.2 Изменение
Испытания проводят на двух приборах, обозначенных как прибор A и B.
Дополнение
Если требуется дополнительный прибор для продолжения испытаний после испытания по разделу 19, он должен быть надлежащим образом подготовлен с учетом требований 21.102 - 21.107.
Для приборов со скрепленной оболочкой требуются дополнительные приборы для испытаний по 21.108 и 21.111. Для других приборов требуется нагревательный элемент длиной 15 м для испытаний по 21.111.
Для влагозащищенных подушек, испытуемых по 21.110, требуются пять дополнительных приборов и 1 м2 материала оболочки.
При использовании материала с термоусадкой для изоляции соединений в гибкой части для проведения испытаний по 30.102 требуется образец длиной не менее 150 мм.
Дополнительный прибор может потребоваться для испытаний по 19.107.
Дополнительные образцы подушек могут потребоваться для испытания по 30.101.
Для приборов с гибкой частью, включающей электропроводящую ткань, рабочим напряжением выше 24 В, для испытаний по 21.113.2 может потребоваться дополнительный образец, а для испытаний по 21.113.1 следует использовать образец изоляции длиной 1 м.
5.3 Замена
Порядок проведения испытаний должен быть следующим:
Прибор A: раздел 7, 22.11, раздел 8, 22.108, раздел 10, 21.102 - 21.107, 22.104, разделы 13, 15, 16, 17, 20, 25.15, 25.16, раздел 19 (за исключением 19.106), 21.108, 22.18, разделы 30, 31 и 32. Испытания, указанные в разделах 13, 15 и 16, не проводят на приборах класса III номинальным напряжением не выше 24 В или на конструкциях класса III рабочим напряжением не выше 24 В.
Прибор B: раздел 10, раздел 11, 19.106, раздел 21 (оставшаяся часть), раздел 22 (оставшаяся часть), разделы 23, 24, 25 (оставшаяся часть), разделы 26, 27, 28, 29 и 14.
Гибкая часть пригодных для стирки приборов проходит стирку два раза в соответствии с инструкциями до начала испытаний.
Если неприменимость испытания в связи с особенностями конструкции прибора очевидна, испытания не проводят.
5.5 Дополнение
Если гибкую часть прибора поставляют со съемным чехлом, испытания проводят с чехлом или без него в зависимости от того, какое из условий является наиболее неблагоприятным. Тем не менее стеганые одеяла испытывают без съемных чехлов.
Если конструкция матраца включает в себя отдельную гибкую часть, которая является съемной, то съемную гибкую часть испытывают как нижнее одеяло.
Если нагревательный элемент может перемещаться в каналах, его устанавливают таким образом, чтобы отдельные проводники находились в наиболее неблагоприятном положении.
5.6 Дополнение
При испытаниях приборов, работающих только от сети постоянного тока, следует учитывать возможное влияние полярности на работу прибора.
5.7 Изменение
Для управляемых одеял и матрацев испытания по разделам 10, 11 и 19 проводят при наиболее неблагоприятной температуре окружающей среды (15 +/- 5) °C.
5.8.1 Дополнение
Приборы, работающие только от сети постоянного тока, испытывают при постоянном токе.
5.8.101 Управляемые приборы питаются так же, как установлено для электромеханических приборов.
5.12 Замена
Для приборов, отличных от управляемых приборов, если указано, что прибор должен работать при номинальной потребляемой мощности, умноженной на коэффициент, напряжение питания определяют, подавая сначала на прибор номинальное напряжение до достижения нагревательным элементом своей рабочей температуры.
Затем напряжение питания быстро увеличивают до значения, необходимого для получения потребляемой мощности, требуемой для соответствующего испытания, и это значение напряжения питания поддерживают на протяжении всего испытания.
5.101 Стеганые одеяла и пледы испытывают так же, как и верхние одеяла.
6 Классификация
Применяют данный раздел части 1, за исключением нижеприведенного.
6.1 Изменение
Приборы должны быть класса II или III.
7 Маркировка и инструкции
Применяют данный раздел части 1, за исключением нижеприведенного.
7.1 Изменение
На приборах должна быть маркировка номинальной потребляемой мощности. Если прибор имеет два способа подключения к источнику питания, номинальная потребляемая мощность должна быть указана для каждой цепи отдельно, а информация приведена на одной этикетке.
Номинальная потребляемая мощность может быть выражена как 2 x номинальная потребляемая мощность для каждой цепи в ваттах. Могут быть использованы другие способы выражения номинальной потребляемой мощности и приведена общая сумма при условии, что они не вызовут недоразумений.
Части конструкции класса III не должны иметь маркировку номинального напряжения прибора.
Дополнение
Гибкие части и съемные чехлы должны иметь маркировку с указанием наименования, торговой марки или фирменного знака изготовителя или ответственного поставщика.
Съемные чехлы должны иметь маркировку с указанием модели или типа прибора, для которого они предназначены.
Гибкая часть приборов, используемая со съемными управляющими модулями, должна иметь маркировку с указанием управляющего модуля, который должен быть использован.
Гибкая часть приборов, используемая со съемными трансформаторами, должна иметь маркировку с указанием трансформатора, который должен быть использован.
Гибкие части должны иметь маркировку следующего содержания:
- обозначение ISO 7000-0790 (2004-01) или текст "Ознакомьтесь с инструкцией";
- символ, приведенный на рисунке 101, или текст "Не втыкайте булавки";
- символ, приведенный на рисунке 102, или текст "Не давать очень маленьким детям (0 - 3 года)", или аналогичный текст;
- обозначение ISO 7000-3114 (2011-10) и обозначение ISO 7000-3124 (2011-10);
- правильной ориентации одеял и матрацев (данная маркировка не требуется, если прибор удовлетворяет требованиям 11.101 при любом расположении на кровати).
Нижние одеяла, кроме тех, у которых имеется нагревательный элемент с характеристиками ПТК, должны быть маркированы символом, изображенным на рисунке 103, или надписью "Не использовать в сложенном или согнутом состоянии".
Съемные чехлы должны быть маркированы:
- символом согласно ISO 7000-0790 (2004-01);
- символом, приведенным на рисунке 101.
Гибкие части одеял и съемных чехлов должны иметь маркировку с указанием соответствующих символов с рекомендациями по стирке согласно ISO 3758. Приборы, которые предназначены для стирки, оснащенные несъемным гибким шнуром, маркируют символом ISO 7000-3125 (2011-10). Приборы, которые не предназначены для стирки, должны быть маркированы символом ISO 7000-3123 (2011-10).
7.6 Дополнение
[символ ISO 7000-3114
(2011-10)]
Сухая чистка запрещена
[символ ISO 7000-3123
(2011-10)]
Стирка запрещена
[символ ISO 7000-3124
(2011-10)]
Нельзя отбеливать
[символ ISO 7000-3125
(2011-10)]
Ручная стирка
7.12 Дополнение
Инструкции должны содержать следующую информацию:
"Важные инструкции. Сохраните для дальнейшего использования".
При использовании символов, приведенных на рисунке 101, рисунке 102, рисунке 103 или в дополнении к 7.6, следует привести их расшифровку.
Инструкции для одеял должны содержать информацию, является ли прибор верхним одеялом или нижним одеялом.
В инструкции должны быть указаны соответствующие настройки органов управления для непрерывного использования прибора.
В инструкциях для подушек должна содержаться информация о том, что в случае использования прибора в течение значительного времени, например спящим человеком, управляющие устройства должны быть отрегулированы на уставки для длительной эксплуатации. В инструкциях для одеял и матрацев должно быть указано, что при включении прибора во время сна с регуляторами, установленными на более высокую температуру, пользователь может получить ожоги кожи или тепловой удар.
В инструкциях для приборов, поставляемых со съемными управляющими модулями или съемными трансформаторами, должно быть указано, что прибор следует использовать только с устройствами, маркированными на приборе.
В инструкциях для стеганых одеял должны быть указаны длина и ширина используемого съемного чехла.
В инструкциях должно быть указано следующее:
- когда прибор не используют, его следует хранить соответствующим образом (привести необходимые инструкции);
- следует дать прибору остыть, прежде чем свернуть его для хранения;
- не следует класть на прибор какие-либо предметы и тем самым сминать его при хранении (только для одеял и подушек);
- следует периодически осматривать прибор для выявления изношенности или повреждений. При обнаружении подобных дефектов или в случае использования прибора не по назначению следует возвратить его поставщику;
- данный прибор не предназначен для использования в медицинских целях в больницах;
- не использовать прибор, если он намок (данная инструкция не требуется при применении влагозащищенных приборов или приборов класса III);
- данный прибор запрещено использовать лицам, которые нечувствительны к теплу, а также другим чрезмерно восприимчивым людям, которые не в состоянии реагировать на перегрев;
- не давать использовать очень маленьким детям (0 - 3 года) данный прибор из-за их неспособности реагировать на перегрев.
В инструкциях для нижних одеял должно быть указано:
- прибор не следует использовать на кровати с регулируемым положением, или
- при использовании прибора на кровати с регулируемым положением следует убедиться в том, что одеяло или шнур не застревают и не сминаются, например в шарнирах.
Инструкции должны указывать, что прибор не предназначен для использования маленькими детьми младше трех лет, если только управляющее устройство не было заранее настроено родителем или опекуном или если только ребенок был достаточно проинструктирован о том, как безопасно приводить в действие управляющее устройство.
К приборам, которые можно стирать, должны прилагаться инструкции по стирке. В инструкциях к приборам, оснащенным несъемным шнуром, которые можно стирать, указывают, что выключатель или устройство управления не должны подвергаться воздействию влаги при стирке, а при сушке шнур должен быть расположен так, чтобы влага не могла попасть на выключатель или управляющее устройство.
В инструкциях к приборам, не предназначенным для стирки, указывают способы их очистки, например очистка влажной губкой.
7.14 Изменение
Для проверки маркировки на гибких частях и съемных чехлах вместо бензина используют жидкое моющее средство.
Дополнение
Высота надписей на гибкой части должна быть не менее 2,5 мм.
Высота символов, приведенных на рисунках 101, 102 и 103, должна быть не менее 15 мм.
Высота надписей "Важные инструкции" и "Сохраните для будущего использования" должна быть не менее 4 мм.
Соответствие требованию проверяют путем измерения по ISO/IEC Guide 37.
7.15 Дополнение
Символы, требуемые для маркировки на съемных чехлах, должны быть видны снаружи после того, как чехол будет надет.
Символ IEC 60417-5018 (2011-07) должен быть расположен рядом с символом IEC 60417-5172 (2003-02) или символом IEC 60417-5180 (2003-02), где применимо.
7.101 На съемных управляющих модулях должна быть маркировка номера или другого способа идентификации.
Соответствие требованию проверяют путем осмотра.
8 Защита от доступа к токоведущим частям
Применяют данный раздел части 1.
9 Пуск электромеханических приборов
Данный раздел части 1 не применяют.
10 Потребляемая мощность и ток
Применяют данный раздел части 1, за исключением нижеприведенного.
10.1 Изменение
Отрицательное отклонение, указанное в таблице 1, увеличено до 20%.
Если прибор имеет два способа подключения к источнику питания, допустимое отклонение потребляемой мощности, указанное в таблице 1, следует измерять для каждой цепи отдельно.
10.101 Потребляемая мощность приборов, содержащих нагревательные элементы с характеристиками ПТК, должна значительно уменьшаться при повышении температуры.
Соответствие требованию проверяют путем проведения следующих испытаний.
Прибор питается номинальным напряжением и работает как при нормальной работе. Потребляемая мощность должна уменьшиться не менее чем на 50% по сравнению с первоначальным значением (при достижении установившегося состояния), при этом любое управляющее устройство, работающее в течение этого периода, замыкают накоротко.
11 Нагрев
Применяют данный раздел части 1, за исключением нижеприведенного.
11.2 Изменение
Основание из фанеры устанавливают вдали от стен испытательного угла.
Дополнение
Нижние одеяла, длина самой длинной стороны которых составляет менее 1 м, и стеганые одеяла, кроме одеял, имеющих нагревательные элементы с характеристиками ПТК, также испытывают в свернутом виде. Один сгиб по всей длине стеганого одеяла делают с одного края на расстоянии 4-й части длины от края. Управляющие устройства устанавливают в положение наивысшей уставки для длительной эксплуатации.
Испытания пледов, за исключением имеющих нагревательные элементы с характеристиками ПТК, также проводят в свернутом виде. Один сгиб делают поперек гибкой части в наиболее неблагоприятном месте.
11.3 Дополнение
Термопары, используемые для определения температуры нагревательных элементов или оболочек, в которых они находятся, закрепляют текстильной нитью на длину не менее 10 мм.
Термопары, используемые для определения температуры поверхности электропроводящих тканей, закрепляют с помощью тонкой клейкой ленты.
Термопары, используемые для определения температуры поверхности подушек, крепят к латунным или медным пластинам размерами 65 x 65 x 0,5 мм. Пластины располагают таким образом, чтобы они закрывали как можно больше проводников нагревательного элемента, при этом одна из сторон должна быть параллельна проводникам. Температуру измеряют не менее чем в шести местах - по три с каждой стороны гибкой части.
11.4 Дополнение
Приборы, имеющие гибкие части конструкции класса III, питаются наиболее неблагоприятным напряжением от 0,94 до 1,06 номинального напряжения.
11.7 Дополнение
Приборы работают до достижения установившегося состояния.
11.8 Дополнение
Для управляемых приборов температура не должна превышать значений, указанных в таблице 101. Если гибкая часть выполнена из электропроводящей ткани, то значения, указанные для нагревательных элементов, применимы для поверхности дополнительной изоляции, или усиленной изоляции, или к проводящей поверхности, если изоляция отсутствует.
Таблица 101
Максимальные значения температуры
Часть
Температура, °C
Нагревательный элемент одеял и матрацев:
- перед вторым срабатыванием термоуправляющего устройства
115
- при установившихся условиях
95
Нагревательный элемент подушек:
- перед вторым срабатыванием термоуправляющего устройства
120 <a>
- при установившихся условиях
100
Поверхность подушек
50 <b>
<a> Температура 140 °C разрешается только в течение 10 мин.
<b> Температура может быть выше 50 °C, но не выше 85 °C в течение не более 2 ч. Период начинается, когда температура первый раз превысит 50 °C.
Для других приборов превышение температуры не должно быть более значений, указанных в таблице 102.
Таблица 102
Максимальные значения превышения температур
Часть
Превышение температуры, К <a>
Нагревательный элемент
80
Поверхность подушек
35
<a> Данные значения основаны на значениях нормальной температуры окружающей среды, при этом учитывают максимально допустимые значения температуры окружающей среды при проведении испытаний.
Если концы нагревательного элемента подушек находятся в пластиковой оболочке, прикрепленной к гибкой части, температура или превышение температуры, указанные для поверхности, также применимы к доступной поверхности этой оболочки.
11.101 При эксплуатации одеял и матрацев не должно быть риска ожога кожи или теплового удара для пользователя.
Соответствие требованию проверяют проведением следующих испытаний.
Прибор питается, как указано в 11.4, и работает в условиях нормальной работы до достижения установившегося состояния. Температуру окружающей среды поддерживают на уровне (15 +/- 2) °C. Управляющие модули и выключатели в шнурах настраивают на максимальные уставки, рекомендованные для длительного применения; при выполнении испытания пледов используют минимальные уставки.
Температуру поверхности гибкой части определяют термопарами, прикрепленными к центру медной или латунной пластины размером 300 x 300 x 0,5 мм. Для верхних одеял пластину располагают под гибкой частью, для нижних одеял и матрацев - над гибкой частью.
Температура не должна превышать 50 °C в течение первого часа работы. В дальнейшем температура не должна превышать:
- 45 °C - для 3-й части длины гибкой части со стороны нижнего края кровати;
- 37 °C - для оставшегося участка гибкой части.
Превышение температуры других приборов должно быть не более 33 К в течение первого часа работы. Затем оно не должно превышать:
- 28 К - для 3-й части длины гибкой части со стороны нижнего края кровати;
- 20 К - для оставшегося участка гибкой части.
Если концы нагревательного элемента находятся в пластиковой оболочке, прикрепленной к гибкой части, указанные температурные ограничения также применимы и к доступной поверхности оболочки.
Если управляющий модуль автоматически переключается на более низкую уставку в течение первого часа работы, то при отсутствии уверенности испытание должно быть продолжено после установления устойчивых условий, чтобы гарантировать, что управляющий модуль впоследствии не вернется к более высокой уставке нагрева, что приведет к превышению предельных значений температуры.
11.102 Температура поверхности подушек не должна быть превышена в том случае, если подушку используют частично закрытой в течение длительного периода.
Соответствие требованию проверяют проведением следующих испытаний.
Подушки питаются, как указано в 11.4, и работают в условиях нормальной работы, но при этом их располагают таким образом, что 2/3 гибкой части свисают над краем основания из фанеры. Управляющие устройства переводят в положение максимальных уставок, рекомендованных для длительного использования, а температуру поверхности подушки измеряют (см. 11.3).
Температура поверхности гибкой части управляемых подушек не должна превышать 85 °C, а превышение температуры поверхности других подушек должно быть не выше 60 К.
Накрываемая часть может быть закреплена для предотвращения соскальзывания подушки с опоры.
12 Заряд металл-ионных батарей
Применяют данный раздел части 1.
13 Ток утечки и электрическая прочность при рабочей температуре
Применяют данный раздел части 1, за исключением нижеприведенного.
13.1 Дополнение
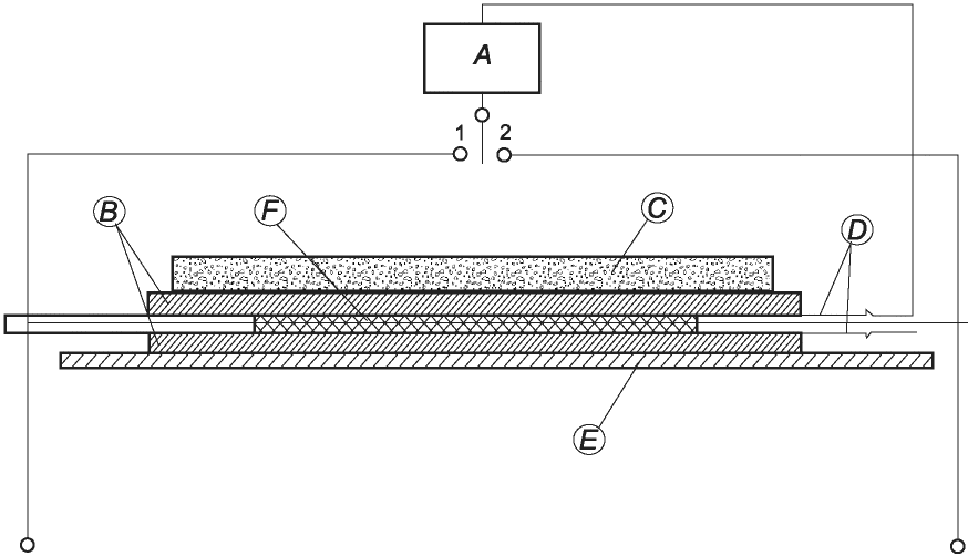
Для матрацев лист металлической фольги толщиной примерно 0,1 мм и достаточного размера, чтобы закрыть часть матраца, в которой находятся токоведущие части, вставляют между матрацем и теплоизоляцией. Для других приборов используют два листа металлической фольги - один сверху, другой снизу гибкой части, причем листы соединяют друг с другом электрической связью. Равномерно распределенную нагрузку примерно 35 кг/м2 устанавливают на верхний слой теплоизоляции.
Расположение показано на рисунке 104.
13.2 Изменение
Для гибких частей ток утечки измеряют между любым полюсом электропитания и листами металлической фольги.
Вместо указанных значений ток утечки для гибких частей не должен превышать:
- 0,5 мА - для подушек;
- 1 мА/м2 нагреваемой поверхности, но не более 2,5 мА - для одеял и матрацев.
13.3 Изменение
Для гибких частей испытательное напряжение прикладывают между токоведущими частями и листами металлической фольги.
14 Динамические перегрузки по напряжению
Применяют данный раздел части 1.
15 Влагостойкость
Применяют данный раздел части 1, за исключением нижеприведенного.
15.1 Дополнение
Для гибких частей соответствие требованию проверяют следующим образом:
- для одеял и подушек - испытаниями по 15.101;
- для влагозащищенных приборов - испытаниями по 15.101 и 15.102. Однако подушки, испытуемые по 21.109 и 21.110, не подлежат испытаниям по 15.102;
- для матрацев - испытаниями по 15.103.
Испытания не применяют к приборам класса III и конструкциям класса III.
Испытания по разделу 16 проводят на приборах, погруженных или находящихся в контакте с соляным раствором.
15.3 Дополнение
Гибкие части не подлежат испытаниям.
15.101 Приборы, которые можно стирать, стирают в соответствии с инструкциями, погружая в воду все части гибкой части.
Затем гибкую часть погружают на 1 ч в воду, содержащую примерно 1% NaCl при температуре (20 +/- 5) °C; съемные части удаляют. Гибкую часть погружают полностью, за исключением:
- приборных вводов;
- места ввода гибкого шнура, за исключением влагозащищенных приборов;
- присоединений нагревательного элемента или внутренней проводки к приборному вводу.
Непосредственно после проведения этого испытания прибор должен выдержать испытание на электрическую прочность по 16.3, а осмотр должен показать, что на изоляции отсутствуют следы воды, которая может привести к уменьшению воздушных зазоров или путей утечки ниже значений, указанных в разделе 29.
Для влагозащищенных приборов осмотр должен показать, что вода не проникла в гибкую часть в такой степени, что могла попасть на нагревательные элементы и другие части, находящиеся под напряжением.
Гибкую часть приборов, предназначенных для стирки, оснащенную несъемным гибким шнуром, повторно погружают в солевой раствор до намокания. Затем ее складывают по основной оси и располагают на веревке, находящейся на расстоянии 2 м над полом. Шнур должен свисать свободно, его конец в случае избыточной длины должен лежать на полу, гибкая часть должна сушиться без выжимания в течение 24 ч.
Выключатель или управляющий модуль затем испытывают на электрическую прочность по 16.3. Проверка должна показать отсутствие следов воды на изоляции, которая может привести к уменьшению воздушных зазоров или путей утечки ниже значений, указанных в разделе 29.
15.102 На постоянной оболочке делают надрез и гибкую часть затем помещают в соляной раствор так, чтобы раствор проник внутрь.
Через 1 ч прибор должен пройти испытания на электрическую прочность по 16.3, и осмотр должен показать, что на изоляции отсутствуют следы воды, которая может привести к уменьшению воздушных зазоров или путей утечки ниже значений, указанных в разделе 29.
15.103 Матрацы располагают на куске фанеры. Количество воды, содержащей примерно 1% NaCl, соответствующее 1 л/м2 площади верхней поверхности, выливают равномерно на матрац со скоростью 1 л/мин.
Соляному раствору позволяют впитаться в матрац в течение 30 мин.
Затем гибкая часть должна выдержать испытание на электрическую прочность по 16.3, и осмотр должен показать, что на изоляции отсутствуют следы воды, которая может привести к уменьшению воздушных зазоров или путей утечки ниже значений, указанных в разделе 29.
16 Ток утечки и электрическая прочность
Применяют данный раздел части 1, за исключением нижеприведенного.
16.2 Дополнение
Гибкую часть одеял и подушек испытывают напряжением, подаваемым между токоведущими частями и электродом, погруженным в соляной раствор.
Гибкую часть матрацев покрывают металлической фольгой.
Ток утечки гибких частей не должен превышать:
- 1 мА - для подушек;
- 5 мА - для одеял и матрацев.
16.3 Изменение
Гибкую часть одеял и подушек испытывают напряжением, подаваемым между токоведущими частями и электродом, погруженным в соляной раствор. Однако когда испытания проводят на одеялах и подушках без выполнения предварительных испытаний по разделу 15, гибкую часть вместо этого покрывают металлической фольгой.
Дополнение
После испытаний гибкую часть одеял и подушек тщательно промывают водой и затем просушивают в течение не менее 24 ч при температуре от 20 °C до 40 °C. Во время сушки прибор растягивают, чтобы восстановить его первоначальные размеры.
Матрацы промывают количеством воды, соответствующим 0,5 л/м2 верхней поверхности. Верхнюю поверхность равномерно поливают водой, затем воду протирают губкой, стараясь убрать максимальное количество воды. Данную обработку проводят три раза, а затем матрац протирают сухой тканью.
17 Защита от перегрузки трансформаторов и соединенных с ними цепей
Применяют данный раздел части 1.
18 Износостойкость
Данный раздел части 1 не применяют.
19 Ненормальная работа
Применяют данный раздел части 1, за исключением нижеприведенного.
19.1 Изменение
Вместо указанных испытаний применяют нижеприведенные.
Одеяла испытывают по 19.101 и 19.103.
Подушки испытывают по 19.103 и 19.105. Управляемые подушки также испытывают по 19.104.
Матрацы испытывают по 19.103 и 19.108.
Приборы, оборудованные плавкими вставками или преднамеренно ослабленной частью, которые разрушаются при коротком замыкании, также испытывают по 19.102.
Встроенные в прибор плавкие вставки для защиты гибкой части от перегрева или возгорания не испытывают по 19.12, и они могут не соответствовать IEC 60127.
Приборы, содержащие электронные цепи, также испытывают по 19.11 и 19.12.
Если не указано иное, прибор питается напряжением:
- от 0,9 до 1,1 номинального напряжения - для управляемых приборов;
- таким, что потребляемая мощность равна от 0,85 до 1,24 номинальной потребляемой мощности - для остальных приборов.
19.11.3 Дополнение
Испытание по 19.106 не повторяют.
19.13 Дополнение
Испытания по 15.101 проводят до выполнения испытаний по 16.3.
Если произошел отказ электронного выключателя в положении "выключено" или режиме ожидания и прибор постоянно находится под напряжением, то температура или превышение температуры не должны превышать значений, указанных в 19.106.
Температура гибкой части, соприкасающейся с теплоизоляцией, должна быть не выше 165 °C для управляемых приборов, а для остальных приборов превышение температуры должно быть не выше 150 К.
Если после проведения испытаний прибор находится в рабочем состоянии, температура нагревательных элементов или электропроводящей ткани должна быть не выше 160 °C для управляемых приборов, а для остальных приборов превышение температуры должно быть не выше 145 К.
19.101 Одеяла работают в условиях нормальной работы, за исключением того, что гибкая часть не закрыта и согнута в пять раз в наиболее неблагоприятном месте толщиной, имеющей наиболее неблагоприятные размеры. Слой теплоизоляции, указанный в приложении AA, имеющий размеры 300 x 450 x 72 мм, укладывается на сложенное одеяло в наиболее неблагоприятном месте. Мешок с песком или другой равномерно распределенный груз массой 5 кг распределяют сверху слоя теплоизоляции.
Ширина каждой складки может быть разной.
Если одеяло не может быть сложено в пять раз, его испытания проводят так же, как матраца в соответствии с 19.108.
Прибор питают напряжением, соответствующим верхней границе диапазона, указанного в 19.1.
19.102 Если соответствие требованиям 19.101, 19.105 или 19.108 зависит от срабатывания плавкой вставки или преднамеренно ослабленной части, испытания повторяют с гибкой частью, подготовленной согласно указаниям, причем точка максимального полного сопротивления цепи защиты должна находиться в наиболее неблагоприятной части сгиба. Прибор питают напряжением, соответствующим нижней границе диапазона, указанного в 19.1.
19.103 Приборы работают в условиях по разделу 11. Любое управляющее устройство, которое ограничивает температуру при испытании по разделу 11, замыкают накоротко.
Если прибор оборудован более чем одним управляющим устройством, их замыкают накоротко по очереди.
19.104 Управляемые подушки работают в условиях нормальной работы, за исключением того, что 2/3 гибкой части располагают таким образом, что подушка свисает над краем основания из фанеры.
Закрытая часть может быть закреплена для предотвращения соскальзывания подушки с опоры.
19.105 Подушки работают в условиях нормальной работы, за исключением того, что гибкая часть не закрыта и согнута в три раза в самом неблагоприятном месте толщиной, имеющей наиболее неблагоприятные размеры. Слой теплоизоляции, указанный в приложении AA, имеющий размеры 300 x 450 x 72 мм, укладывается на сложенную подушку в наиболее неблагоприятном месте. Мешок с песком или другой равномерно распределенный груз массой 5 кг распределяют сверху слоя теплоизоляции.
Ширина каждой складки может быть разной.
19.106 Приборы должны быть сконструированы так, чтобы неисправность одного из элементов не вызывала чрезмерного превышения температуры.
Соответствие требованию проверяют нижеприведенным образом.
Одеяла и матрацы работают в условиях по 11.101.
Подушки работают в условиях нормальной работы. Управляющие устройства переведены в положение максимальных уставок, рекомендованных для длительного использования, при этом подушка питается, как указано в 11.4.
Имитируется неисправность компонентов, за исключением нагревательных элементов и внутренней проводки, которая возможна при нормальной эксплуатации, за исключением того, что контакты переключателей не замыкают накоротко. За один раз имитируют только одну неисправность.
Возможная неисправность компонентов - это состояния отказа, указанные в перечислениях a) - g) 19.11.2.
Во время испытаний температура поверхности гибкой части управляемых приборов не должна превышать:
- 60 °C - для одеял и матрацев;
- 85 °C - для подушек.
Превышение температуры других приборов должно быть не выше:
- 43 К - для одеял и матрацев;
- 60 К - для подушек.
19.107 Приборы, содержащие:
- нагревательные элементы;
- внутреннюю проводку, имеющую многожильные проводники, или
- безоболочный сердечник гибкого шнура в пределах гибкой части, выходящей более чем на 100 мм из крепления шнура, не должны достигать избыточных температур при нормальном использовании, если одна или несколько жил переломлены.
Соответствие требованию проверяют при необходимости выполнений испытаний по 19.107.1 - 19.107.3 или после оценки системы защиты.
19.107.1 Если нагревательные элементы или внутренняя проводка не имеют общей изоляции и имеют отдельные жилы, которые электрически не изолированы друг от друга, оболочку гибкой части вскрывают в наиболее неблагоприятном месте и делают открытым небольшой участок неизолированного проводника. Все жилы, кроме одной, отрезают и загибают назад примерно на 15 мм. Затем кожух закрывают, и прибор работает в условиях нормальной работы в течение 4 ч.
Если необрезанная жила разрушается до возникновения каких-либо повреждений, испытания повторяют с количеством необрезанных жил, увеличенным до минимально необходимого для предотвращения разрушения.
После проведения испытаний на оболочке или любом материале, соприкасающемся с необрезанными жилами, не должно быть подпалин.
19.107.2 Если нагревательные элементы или внутренняя проводка имеют общую изоляцию и отдельные жилы, которые электрически не изолированы друг от друга, оболочку гибкой части вскрывают в наиболее неблагоприятном месте и делают открытым небольшой участок неизолированного проводника. Одну идентичную жилу длиной 100 мм оборачивают на один полный виток вокруг изоляции проводника, при этом концы витка располагают на расстоянии 1 мм. Жилу соединяют последовательно с проводником, затем оболочку закрывают, и прибор работает в условиях нормальной работы в течение 4 ч.
Если одна жила разрушается до возникновения каких-либо повреждений, испытания повторяют с количеством жил, увеличенным до минимально необходимого для предотвращения разрушения.
После проведения испытаний на изоляции проводника и других материалах гибкой части не должно быть следов повреждений.
Примечание - Небольшие порезы изоляции проводника не принимают во внимание.
19.107.3 Если нагревательные элементы или внутренняя проводка имеют отдельные жилы, которые электрически изолированы друг от друга, нагревательный элемент или проводку отсоединяют от зажимов. Между двумя любыми жилами подают постоянный ток под напряжением примерно 500 В в течение 1 мин.
Затем измеряют сопротивление изоляции, при этом оно должно быть не менее:
- 0,1 МОм - для приборов класса III;
- 1 МОм - для других приборов.
19.108 Матрацы работают в условиях нормальной работы, за исключением того, что гибкая часть не закрыта, а пять проводников нагревательного элемента собраны вместе самым неблагоприятным образом. В наиболее неблагоприятном месте удаляется достаточное количество материала, из которого изготовлена несъемная оболочка гибкой части, чтобы получить доступ к проводникам нагревательного элемента. Проводники нагревательного элемента собраны в пучок длиной 150 мм и закреплены тонкой термостойкой лентой, которую не допускается накладывать внахлест более одного раза. Слой теплоизоляции, указанный в приложении AA, имеющий размеры 300 x 450 x 72 мм, укладывается на собранные в пучок проводники нагревательного элемента в наиболее неблагоприятном месте. Мешок с песком или другой равномерно распределенный груз массой 5 кг распределяют сверху слоя теплоизоляции.
Если конструкция не позволяет соединить проводники нагревательного элемента вместе, нагревательный элемент в сборе извлекают из матраца и подвергают испытанию по 19.101.
20 Устойчивость и механические опасности
Применяют данный раздел части 1, за исключением нижеприведенного.
20.1 Дополнение
Испытания применяют только к управляющим модулям, предназначенным для расположения на поверхности.
21 Механическая прочность
Применяют данный раздел части 1, за исключением нижеприведенного.
21.1 Дополнение
Испытания управляющих модулей, предназначенных для расположения на поверхности, проводят по 21.101.
Соответствие требованиям, установленным для гибкой части, проверяют:
- для одеял - испытаниями по 21.102, 21.105 и 21.106;
- для матрацев - испытаниями по 21.104 - 21.106;
- для подушек - испытаниями по 21.103 и 21.105 - 21.107.
После испытаний при осмотре гибкой части не должно быть:
- повреждений между электрическими шинами и электропроводящей тканью или между электрическими шинами и их соединениями;
- повреждений оболочки (лопнула или порвалась), если она обеспечивает электрическую изоляцию или защиту от влаги;
- сдвига нагревательного элемента в каналах таким образом, что два провода вошли в соприкосновение друг с другом;
- поломок (обрыва) любой токопроводящей нити из электропроводящей ткани;
- поломок проводников нагревательного элемента;
- поломок более чем 10% жил внутренней проводки;
- поломок электродов;
- повреждения конструкционных швов или разрушения клееных или сварных швов до такой степени, что будет нарушено соответствие требованиям стандарта;
- ослабления соединения несъемного гибкого шнура с гибкой частью;
- ослабления или разрушения электрических соединений;
- размыкания управляющих устройств, установленных в гибкой части.
21.2 Дополнение
Не применяют для гибких частей, за исключением тех, которые содержат электропроводящую ткань и имеют рабочее напряжение выше 24 В.
21.101 Управляющий модуль сбрасывают с высоты 40 мм на закрепленную стальную плиту толщиной не менее 15 мм и массой не менее 15 кг. Устройство сбрасывают таким образом, чтобы оно упало на основание. Испытание проводят 100 раз.
Затем управляющий модуль сбрасывают три раза с высоты 500 мм на твердый деревянный пол, стягивая его за шнур таким образом, чтобы оно свободно упало.
После проведения испытаний управляющий модуль не должен быть поврежден в такой степени, что соответствие требованиям стандарта было бы нарушено. Если управляющий модуль продолжает работать, испытания прибора проводят по разделу 11.
21.102 Одеяла прочно закрепляют на стенде согласно приложению BB.
Одеяло натягивается приводной планкой, ведущая звездочка вращается со скоростью 33 об/мин.
Одеяло прокатывают 1000 раз, при этом один конец прикреплен к приводной планке. Затем его поворачивают на 90° и прокатывают еще 1000 раз.
Испытания проводят с одной и той же поверхностью одеяла, прилегающей к барабану.
Когда очевидно, какой край одеяла будет расположен в изголовье кровати, этот край прикрепляют к приводной планке. Когда это неочевидно, к приводной планке прикрепляют край, противоположный входу шнура.
Когда одеяло поворачивают на 90°, тогда сторону, противоположную входу шнура, крепят к приводной планке.
21.103 Подушки со снятым съемным чехлом передвигают вперед и назад по ровному горизонтальному ролику диаметром 25 мм. Подушку располагают так, что один конец вертикально свисает за роликом, а другой крепят к устройствам привода, которые передвигают ее в горизонтальной плоскости.
Зажим крепят к концу вертикальной части подушки по всей ее длине. Массу, равную 0,5 кг или эквивалентную 3 г/мм длины прикрепленного конца, крепят к зажиму в зависимости от того, что больше.
Ход устройств привода должен быть таким, чтобы как можно большая площадь подвергалась изгибу.
Устройства привода работают со скоростью примерно 125 мм/с в течение 2000 циклов. Затем подушку поворачивают на 90° и испытывают в течение еще 2000 циклов. Цикл состоит из двух перемещений - по одному в каждом направлении.
Испытания проводят с одной и той же поверхностью подушки, прилегающей к ролику.
21.104 Матрацы укладывают на плоское горизонтальное основание из фанеры. Валик с конструкцией, аналогичной барабану (см. приложение BB), массой 61,5 кг и длиной 1 м прокатывают медленно назад и вперед по поверхности гибкой части в самом неблагоприятном месте. Валик прокатывают в направлении основной оси по одному и тому же месту в течение 1000 циклов. Цикл состоит из двух перемещений - по одному в каждом направлении.
21.105 Приборы работают непрерывно в условиях, указанных в разделе 11. Неуправляемые и управляемые приборы с металлическим датчиком температуры испытывают в течение 500 ч. Для остальных приборов продолжительность испытаний составляет 1000 ч. Температуру поверхности гибкой части управляемых приборов измеряют при установившемся состоянии в начале и в конце этого периода. Она не должна вырасти более чем на 5 К. Для приборов с нагревательными элементами с характеристикой ПТК испытания проводят, но при этом гибкая часть полностью покрыта слоем теплоизоляции толщиной 90 мм, как указано в приложении AA. Температуру нагревательного элемента с характеристикой ПТК измеряют через 100 ч и в конце испытаний при условиях, указанных в разделе 11. Она не должна вырасти более чем на 5 К.
21.106 Гибкую часть подвергают нижеприведенному испытанию.
Для одеял испытания по 21.102 повторяют, но с другой стороной гибкой части, прилегающей к барабану.
Для подушек испытания по 21.103 повторяют, но с другой стороной гибкой части, прилегающей к валику.
Для матрацев испытания по 21.104 повторяют, но при этом валик перемещают в направлении короткой оси. Выполняют 2000 циклов - по 1000 циклов в каждом из двух непересекающихся направлениях.
21.107 Испытания подушек проводят во вращающемся барабане, как показано на рисунке 105, при этом шнуры питания отрезают на расстоянии 100 мм от гибкой части. Барабан вращают со скоростью 6 - 7 об/мин таким образом, чтобы подушка падала на стальную плиту два раза при каждом обороте, при этом общее число оборотов - 500.
21.108 Приборы, в которых нагревательные элементы удерживаются на месте скрепленными слоями, должны иметь соответствующую механическую прочность.
Соответствие требованию проверяют проведением следующего испытания.
Шесть образцов скрепленного материала размером 100 x 130 мм каждый отрезают от гибкой части: три образца в направлении проводников нагревательного элемента, а другие три образца перпендикулярно к этому направлению.
Полоску материала, закрепляющую нагревательный элемент, шириной 25 мм отрезают со стороны края 100 мм с одной стороны каждого образца. Другую такую же полоску отрезают от противоположной стороны с противоположного края образца. Нагревательный элемент, расположенный под отрезанными полосками материала, также отрезают.
Примечание - Может потребоваться отрезать более одного слоя, чтобы испытать скрепление слоев, удерживающих нагревательный элемент.
Зажимы закрепляют по всей длине оставшихся слоев с обоих концов образца.
Затем образец подвешивают на одном из зажимов и подвергают общей нагрузке 1,25 кг, используя другой зажим. Испытания проводят в течение 1 ч при температуре 20 °C, а затем в течение еще 1 ч при температуре 80 °C.
Испытания повторяют на шести образцах, взятых с гибкой части нового прибора.
Слои, удерживающие нагревательный элемент, не должны разделяться.
21.109 Оболочка влагозащищенных приборов, состоящая из полимерной пленки, должна иметь надлежащую гибкость в условиях низкой температуры.
Соответствие требованию проверяют нижеприведенным испытанием, если только прибор не удовлетворяет испытанию по 15.102 или не имеет оболочку, сделанную из усиленной полимерной пленки.
Пленку разрезают на 10 прямоугольных образцов длиной 145 мм и шириной 50 мм каждый, причем длинная сторона должна быть перпендикулярной к любым линиям, нанесенным при изготовлении.
Каждый образец сгибают по малой оси и формируют петлю без замятин. Его крепят двумя скобами к картону, при этом скобы располагают близко друг к другу и на расстоянии примерно 30 мм от краев, как показано на рисунке 106.
Испытательное устройство, показанное на рисунке 106, имеет стальной рычаг, который свободно поворачивается на одном конце таким образом, что другой конец можно уронить на стальную опору, на которой располагают образец. Масса рычага в сборе - (3,1 +/- 0,03) кг. Рычаг и опора имеют пазы, чтобы скобы, фиксирующие образцы на картоне, не мешали.
Когда рычаг находится в поднятом положении, испытательное устройство располагают в камере с верхней загрузкой, в которой поддерживают температуру минус (20 +/- 2) °C.
При достижении установившегося состояния все 10 образцов помещают на 1 ч на дно камеры, при этом их петли должны быть направлены вверх. Затем один образец помещают на наковальню испытательного устройства петлей вверх.
Затем рычаг испытательного устройства роняют на образец под углом 85° к горизонтальной поверхности.
Испытания проводят как можно быстрее и на других образцах.
При этом должно разломаться на отдельные куски не более двух образцов.
21.110 Оболочка влагозащищенных приборов должна быть достаточно устойчива к разрыву при нормальных условиях эксплуатации.
Для оболочек из полимерной пленки соответствие требованию проверяют испытаниями по 21.110.1. Испытания не проводят, если прибор испытывали по 15.102 или если оболочка сделана из армированной полимерной пленки.
Для оболочек из прорезиненного или подобного материала, соответствие требованию проверяют испытаниями по 21.110.2 - 21.110.4: для оболочек, сшитых из ткани, - также испытаниями по 21.110.5.
21.110.1 Пять образцов полимерной пленки, как показано на рисунке 107, выдерживают при температуре окружающей среды (23 +/- 2) °C. Длинная сторона должна быть перпендикулярной к любым линиям, нанесенным при изготовлении.
Короткие края каждого образца прикрепляют по всей длине зажимами к установке для проведения испытаний на разрыв, причем образцы и зажимы должны находиться в одной плоскости. Зажимы разводят со скоростью 50 мм/мин до тех пор, пока образец не разорвется. При этом измеряют разрывное усилие.
Среднее разрывное усилие пяти образцов должно быть не менее 12,5 Н.
21.110.2 Образец пропитанной ткани диаметром 76 мм зажимают между двумя дисками, каждый диаметром не менее 76 мм, имеющими концентрические отверстия диаметром (26 +/- 0,7) мм. Собранный блок помещают на испытательное устройство так, чтобы непропитанную сторону ткани можно было подвергнуть воздействию давления воды. Давление воды постепенно увеличивают и измеряют в тот момент, когда материал начнет протекать. Давление должно быть не менее 410 кПа.
Это испытание проводят на трех образцах.
Среднее значение давления должно быть не менее 490 кПа.
21.110.3 Три комплекта по три образца, как указано в 21.110.2, готовят нижеприведенным образом.
Первый комплект погружают в кипящую воду на 1 ч, а затем подвергают старению в термошкафу при температуре (100 +/- 1) °C в течение 1000 ч. Затем образцы повторно погружают в кипящую воду на 1 ч.
Второй комплект подвергают старению в кислородном баллоне в течение 168 ч, давление кислорода должно составлять примерно 2,0 МПа, а температура должна быть (80 +/- 1) °C.
Третий комплект подвергают старению в воздушном баллоне в течение 20 ч, давление воздуха должно составлять примерно 0,55 МПа, а температура должна быть (127 +/- 1) °C.
Затем на каждом образце проводят испытания по 21.110.2.
Среднее значение давления для каждого комплекта образцов должно быть не менее 70% значения, полученного в ходе первоначальных испытаний по 21.110.2.
21.110.4 Три образца, как указанно в 21.110.2, сгибают назад и вперед 10 раз.
Данные испытания также проводят на трех аналогичных образцах, которые подготовлены так, как указано в 21.110.3 для первого комплекта.
На образцах не должно быть следов трещин, твердых включений и других признаков износа.
21.110.5 20 образцов сшитой ткани размерами 75 x 25 мм нарезают так, чтобы шов проходил вдоль малой оси. Затем их разделяют на четыре комплекта по пять образцов и три комплекта подготавливают так, как указано в 21.110.3.
Затем испытания всех четырех комплектов образцов проводят путем воздействия постепенно увеличивающейся растягивающей силы до тех пор, пока шов не начнет разделяться.
Среднее значение силы, необходимой для разрыва швов, должно быть не менее 22 Н.
21.111 Изоляция нагревательных элементов и внутренней проводки гибкой части должна сохранять достаточную гибкость и изолирующие свойства в течение срока службы прибора.
Это требование не распространяется на приборы класса III номинальным напряжением не выше 24 В или на конструкции класса III рабочим напряжением не выше 24 В.
Соответствие требованиям проверяют путем проведения испытаний по 21.111.1, а также испытаний по 21.111.2 и 21.111.3, если:
- нагрев изоляции превышает температуру 75 °C для управляемых приборов или температуру 50 К для других приборов при выполнении испытаний по разделу 11, или
- нагрев изоляции превышает температуру 135 °C для управляемых приборов или температуру 110 К для других приборов при выполнении испытаний по разделу 19.
Испытания проводят на новых образцах нагревательных элементов или внутренней проводки. Для приборов со скрепленной оболочкой образцы берут от нового прибора.
Для проведения испытаний: по 21.111.1 требуется один образец длиной примерно 4 м; по 21.111.2 необходимо не менее 12 образцов, каждый длиной 300 мм; по 21.111.3 - 12 образцов, каждый длиной 300 мм.
Испытания по 21.111.2 также применяют к полимерным пленкам, которые защищают концы нагревательного элемента и крепят к гибкой части.
Испытания также применяют к оболочке, включающей основную изоляцию заземленных частей в тех случаях, когда оболочка составляет одно целое с нагревательным элементом.
21.111.1 Образец нагревательного элемента или внутренней проводки крепят к устройству, показанному на рисунке 108. Данное устройство имеет тележку с двумя блоками, каждый блок имеет желобки радиусом 4 мм, диаметр основания желобков - 25 мм. Для образцов, не имеющих круглого поперечного сечения, форма канавки в блоке соответствующим образом изменяется. Блоки установлены таким образом, что образец находится в горизонтальном положении, когда проходит через них.
Образец растягивают через блоки, при этом груз массой 0,25 кг прикрепляют к каждому концу. При необходимости массу на концах увеличивают, добавляя по 0,1 кг, с целью обеспечить параллельность проводов, выходящих из блоков. Удерживающие зажимы располагают так, чтобы натяжение происходило за счет массы в направлении, противоположном движению тележки.
Диаметр блока увеличивают до 60 мм, а начальную нагрузку - до 0,5 кг для нагревательных элементов с характеристикой ПТК, используемых в матрацах. Ширина и форма канавки блока должны соответствовать испытуемому образцу.
Тележку перемещают, используя цепь, на расстояние 1 м с постоянной скоростью примерно 0,33 м/с в течение 25 000 циклов.
Цикл состоит из двух перемещений - по одному в каждом направлении.
Образец не должен разорваться во время испытаний.
Контрольный ток, не превышающий 50 мА, может быть пропущен через образец во время испытаний, что позволит обнаружить обрыв проводника.
Для нагревательных элементов с характеристикой ПТК входную мощность измеряют до и после проведения испытаний. Измерения проводят с нагревательным элементом, подвешенным вертикально в воздухе и подключенным к номинальному напряжению прибора. Оба измерения выполняют при одинаковой температуре окружающей среды, когда потребляемая мощность стабилизируется. Потребляемая мощность не должна возрастать во время испытаний.
Затем образец погружают в воду, содержащую примерно 1% NaCl. Постоянный ток с напряжением примерно 500 В подают между проводником и соляным раствором.
Сопротивление изоляции измеряют спустя 1 мин после погружения, оно должно быть не менее 1 МОм.
Для нагревательных элементов с характеристикой ПТК, встроенных в гибкую часть матрацев, имеющих индекс жесткости, измеренный в соответствии с приложением DD, не менее 25 Н/м, испытание проводят с двумя блоками, диаметр основания канавки которых изменяется, как указано в таблице 103.
Таблица 103
Диаметр блока для нагревательных элементов
с характеристикой ПТК в матрацах
Площадь проводимости поперечного сечения нагревательного элемента, мм2
Диаметр блока, мм
До 6,0 включ.
120
Св. 6,0 до 10 включ.
160
Св. 10
200
21.111.2 Изоляцию снимают с 12 образцов нагревательного элемента или внутренней проводки. Все проводящие материалы, включая провода датчиков, удаляют. Если изоляция не может быть удалена, она должна быть разрезана в продольном направлении, и она должна закрыться после удаления проводящего материала. Если изоляция нагревательного элемента состоит из более чем одного слоя, удаляют только внешний слой.
В дополнение, если нагревательный элемент включает в себя функциональный заземляющий проводник, основную изоляцию данного проводника удаляют и подвергают испытанию.
Шесть образцов подготавливают, подвешивая их вертикально в термошкафу при температуре (125 +/- 2) °C на 336 ч. Образцы вынимают из шкафа и дают остыть при комнатной температуре. Когда материал стабилизируется, проводят измерение длины образцов; длина должна составлять не менее 90% первоначальной длины. Материал ПВХ стабилизируется через 16 ч после извлечения из шкафа.
12 образцов располагают в установке для испытаний на разрыв по очереди таким образом, чтобы длина между зажимами была не менее 50 мм. Установка работает с постоянной скоростью (500 +/- 50) мм/мин. Силу и удлинение определяют в момент разрыва.
Результаты, полученные при испытании любых образцов, которые разорвались при воздействии силы, отличающейся от среднего значения на 10%, и тех образцов, которые разорвались на расстоянии 15 мм от зажима, не учитывают. Дополнительные образцы испытывают с целью получить 12 достоверных результатов.
Удлинение каждого из неподготовленных образцов должно составлять не менее 100%, а их предел прочности должен быть не менее 8,75 МПа.
Средние значения вытягивания и предела прочности подготовленных образцов должны быть не менее 75% среднего значения, определенного для неподготовленных образцов.
21.111.3 Часть изоляции длиной 10 мм снимают с каждого конца 12 образцов нагревательного элемента или внутренней проводки.
Шесть образцов наматывают плотной спиралью в шесть витков на металлическую оправку диаметром, примерно равным внешнему диаметру образцов. Если нагревательный элемент имеет некруглую форму, диаметр оправки приблизительно равен длине его малой оси. Образцы, вместе с оставшимися шестью образцами, помещают в термошкаф с принудительной циркуляцией воздуха при температуре (125 +/- 2) °C на 336 ч.
Образцы извлекают из шкафа и дают им остыть при комнатной температуре. Когда материал стабилизируется, остальные шесть образцов также наматывают на оправку аналогичным способом. Материал из ПВХ стабилизируется через 16 ч после извлечения из шкафа.
Оправку погружают на 1 ч в воду содержащую примерно 1% NaCl. Затем на образцы подают испытательное напряжение 1000 В для приборов класса II и 500 В - для приборов класса III. Напряжение подают в течение 1 мин между проводниками и раствором. В результате не должно произойти пробоев.
Образцы разматывают с оправки и проводят проверку на наличие видимых трещин.
21.112 Нагревательные элементы с характеристикой ПТК должны быть устойчивыми к сдавливанию.
Соответствие требованию проверяют проведением следующего испытания.
Гибкую часть полностью располагают на листе фанеры толщиной 20 мм и питают, как указано в 11.4. При достижении установившегося состояния проводят измерение температуры нагревательного элемента. На поверхность в самом неблагоприятном месте на 5 мин устанавливают блок размером 100 x 300 мм и массой 80 кг.
После того как блок убрали, прибор снова работает до достижения установившегося состояния, затем проводят измерение температуры нагревательного элемента.
Температура нагревательного элемента в том месте, где был установлен блок, не должна возрасти более чем на 10 К.
Примечание - Наиболее неблагоприятным местом для расположения блока, как правило, является виток в элементе.
21.113 Изоляция гибких частей, выполненных из электропроводящей ткани, должна сохранять достаточную гибкость и изоляционные характеристики в течение всего срока службы прибора. Требование не распространяется на приборы класса III номинальным напряжением не выше 24 В или на конструкции класса III рабочим напряжением не выше 24 В.
Соответствие требованиям проверяют проведением испытаний по 21.113.1 и 21.113.2, если:
- нагрев изоляции превышает температуру 75 °C для управляемых приборов или температуру 50 К для других приборов при испытаниях по разделу 11, или
- нагрев изоляции превышает температуру 135 °C для управляемых приборов или температуру 110 К для других приборов при испытаниях по разделу 19.
Испытания проводят на новых образцах гибких частей.
21.113.1 12 образцов, имеющих форму, показанную на рисунке 109, штампуют из дополнительной изоляции или усиленной изоляции, шесть - в продольном направлении и шесть - в поперечном. Если изоляция представляет собой единое целое с тканью, поддерживающей токопроводящие нити, испытание не проводят.
Три образца с каждого направления подготавливают, подвешивая их вертикально так, чтобы они свободно висели в термошкафу с принудительной циркуляцией воздуха, при температуре (125 +/- 2) °C в течение 336 ч. Образцы извлекают из шкафа и дают им остыть при комнатной температуре. Когда материал стабилизируется, проводят измерение длины образцов; длина должна составлять не менее 90% первоначальной длины.
12 образцов располагают в установке для испытаний на разрыв. Установка работает с постоянной скоростью (500 +/- 50) мм/мин. Силу и удлинение определяют в момент разрыва.
Удлинение каждого из неподготовленных образцов должно составлять не менее 100%, а их предел прочности должен быть не менее 8,75 МПа.
Средние значения вытягивания и предела прочности подготовленных образцов должны быть не менее 75% среднего значения, определенного для неподготовленных образцов.
21.113.2 12 образцов размером 200 x 100 мм вырезают из электропроводящей ткани, удаляя любое другое покрытие. По крайней мере, один образец должен содержать часть электрода. Затем образцы плотно наматывают на металлическую оправку диаметром 25 мм вдоль линии токопроводящих нитей, при их наличии. Рулон можно скрепить подходящей лентой.
Образцы помещают в термошкаф с принудительной циркуляцией воздуха при температуре (125 +/- 2) °C в течение 336 ч. Образцы вынимают из шкафа и дают им остыть до комнатной температуры. Затем их разматывают и снимают с оправки.
Далее образец помещают по центру на металлическую пластину размером 180 x 80 мм, а сверху аналогичную пластину и взвешивают таким образом, чтобы приложенная масса составляла 5 кг. После этого образец подвергают испытанию на электрическую прочность по 16.3. Затем таким же образом по очереди тестируют остальные 11 образцов.
Осмотр должен показать, что в изоляции отсутствуют видимые трещины.
22 Конструкция
Применяют данный раздел части 1, за исключением нижеприведенного.
22.101 Гибкая часть должна быть сконструирована так, чтобы нагревательные элементы, электропроводящие ткани и внутренняя проводка удерживались в правильном положении. Ни одна из частей нагревательного элемента не должна пересекать другую часть нагревательного элемента.
Если нагревательный элемент или электропроводящая ткань поддерживаются отдельным слоем материала, этот материал должен быть надежно прикреплен к оболочке, чтобы предотвратить образование складок внутри.
Следует избегать пересечений внутренней проводки. Когда это неизбежно, проводка должна быть надежно закреплена, чтобы избежать относительного перемещения. Данное требование не применяют к сигнальным проводникам с рассеиванием менее чем 150 мВт/м.
Соответствие требованию проверяют осмотром.
22.102 Не должно быть значительного смещения положения нагревательных элементов или электрических шин, если швы, удерживающие их, разорвутся.
Соответствие требованию проверяют путем осмотра после разрыва нити шва в наиболее неблагоприятном месте.
22.103 Терморегуляторы и термовыключатели, установленные внутри гибкой части, должны быть обернуты изолирующим материалом.
Соответствие требованию проверяют путем осмотра.
22.104 Размеры съемных чехлов должны быть больше размеров гибкой части.
Соответствие требованию проверяют путем измерения после трех стирок чехла согласно инструкциям.
22.105 Управляющие модули, предназначенные для установки на столе, не должны иметь отверстий в нижней части, через которые мелкие предметы могут попасть внутрь на токоведущие части.
Соответствие требованию проверяют путем осмотра и измерения расстояния между поддерживающей поверхностью и токоведущими частями через отверстия. Это расстояние должно быть не менее 6 мм.
22.106 Плавкие вставки или термозвенья, которые установлены для защиты гибкой части от перегрева или воспламенения, не должны быть предназначены для замены потребителем.
Соответствие требованию проверяют путем осмотра.
22.107 Стеганые одеяла должны иметь соответствующие термические характеристики.
Соответствие требованию проверяют проведением следующих испытаний.
Стеганое одеяло располагают на листе теплоизоляции толщиной 72 мм, как указано в приложении AA. Источник тепла (см. AA) устанавливают между теплоизоляцией и стеганым одеялом. При достижении соответствующего состояния превышение температуры должно быть не более 40 К.
22.108 Приборы должны быть оснащены ручным переключателем для отключения гибкой части. Переключатель должен быть сконструирован так, чтобы не допускать постоянного вращения приводного элемента в одном направлении. Переключатели, приводимые в действие прикосновением или близостью пальца, с небольшим перемещением контактной поверхности или без него, должны реагировать по крайней мере на две операции для включения нагревательного элемента и только на одну операцию для его выключения. Двойное прикосновение к контактной поверхности в одной и той же точке не считают двумя операциями.
Переключатели и управляющие устройства в гибких шнурах должны иметь положение "выключено" в обоих крайних положениях перемещения приводного элемента, если не установлена лампа индикации, показывающая, что переключатель находится во включенном положении.
Соответствие требованию проверяют путем осмотра.
22.109 Пледы и подушки, используемые в непосредственном контакте с телом человека для обогрева или создания влажности в косметических целях, должны быть влагозащищенными либо их гибкая часть должна быть конструкции класса III.
Соответствие требованию проверяют путем осмотра и проведения испытания.
22.110 Одеяла, имеющие съемный шнур для подсоединения гибкой части, должны поддаваться стирке.
Соответствие требованию проверяют путем осмотра.
22.111 Повторное включение одеяла или матраца к электросети после перерыва не должно приводить к перегреву пользователя.
Соответствие требованию проведением следующих испытаний.
Регулятор настраивается на любую уставку, указанную для непрерывного использования, и прибор работает при номинальном напряжении в течение 1 мин. Затем он отключается от сети на 1 мин, после чего подключается снова. Он не должен работать при настройке регулятора, превышающей максимальную уставку, установленную для непрерывного использования.
23 Внутренняя проводка
Применяют данный раздел части 1.
24 Компоненты
Применяют данный раздел части 1, за исключением нижеприведенного.
24.1.3 Изменение
Переключатели испытывают на 6000 циклов срабатывания.
24.1.4 Изменение
Терморегуляторы работают 10 0000 циклов срабатывания, термовыключатели с самовозвратом - 10 000 циклов срабатывания.
24.1.5 Дополнение
Приборные соединители, используемые для питания гибкой части, должны соответствовать требованиям IEC 60320-1, насколько это приемлемо.
24.2 Изменение
Приборы могут быть оснащены переключателями и управляющими модулями в гибких шнурах.
25 Присоединение к источнику питания и внешние гибкие шнуры
Применяют данный раздел части 1, за исключением нижеприведенного.
25.2 Дополнение
Одеяла и матрацы для двуспальных кроватей, имеющие две отдельные нагреваемые поверхности, могут иметь два подключения к источнику питания.
25.5 Дополнение
Крепление типа Z разрешается.
Несъемные гибкие шнуры следует присоединять к гибкой части только креплениями типов Y или Z.
25.7 Дополнение
Допускается использовать легкие шнуры в поливинилхлоридной оболочке независимо от массы прибора.
25.8 Изменение
Допускается использовать шнуры номинальной площадью поперечного сечения 0,5 мм2 независимо от их длины.
25.14 Дополнение
Испытание проводят в отношении приборов, оснащенных несъемным гибким шнуром. Его также применяют к выключателям и управляющим устройствам, встроенным в гибкий шнур.
25.15 Изменение
Гибкие шнуры, присоединенные к гибкой части, подвергают тянущей силе 100 Н, которую прикладывают три раза, каждый раз на 1 мин, при этом измерение длины вдоль оси не проводят. Гибкую часть прочно крепят зажимами, которые закреплены по всей длине края, противоположного входному отверстию шнура. Если шнур вводят через угол, зажимы закрепляют по всей длине обоих краев, прилежащих к противоположному углу.
Гибкие шнуры, присоединенные к переключателям и управляющим модулям, подвергают тянущей силе 100 Н и моменту 0,1 Н·м.
25.23 Дополнение
Если промежуточный шнур имеет более двух проводников, плотность тока каждого проводника не должна превышать 12 А/мм2, а сумма площадей поперечного сечения должна быть не менее 1 мм2.
Если используют нестандартные гибкие шнуры, то их электрические и механические свойства должны быть не хуже свойств, указанных в IEC 60227.
Когда концы нагревательного элемента находятся в пластиковой оболочке, присоединенной к гибкой части, тогда требования в отношении плотности тока и требования IEC 60227 не применяют к нагревательному элементу или пластиковой оболочке.
25.101 Измеренная между точкой входа в гибкую часть и выключателем или управляющим модулем длина шнура приборов, которые можно стирать и которые оснащены несъемным гибким шнуром, должна быть не менее 0,4 м.
Соответствие требованию проверяют путем осмотра и измерения.
26 Зажимы для внешних проводов
Применяют данный раздел части 1.
27 Заземление
Применяют данный раздел части 1.
28 Винты и соединения
Применяют данный раздел части 1, за исключением нижеприведенного.
28.2 Дополнение
Требование не распространяется на соединения с нагревательными элементами и электропроводящей тканью.
29 Воздушные зазоры, пути утечки и непрерывная изоляция
Применяют данный раздел части 1, за исключением нижеприведенного.
29.1.3 Дополнение
Воздушные зазоры между контактной поверхностью и соединительными трубками приборных соединителей, используемых для питания гибкой части, должны быть не менее 3,5 мм.
29.2 Дополнение
Микросреда гибкой части имеет степень загрязнения 3, если изоляция не закрыта или расположена таким образом, что она не подвергается загрязнению при нормальной эксплуатации прибора.
29.3 Дополнение
Требование не применяют относительно гибкой части.
30 Теплостойкость и огнестойкость
Применяют данный раздел части 1, за исключением нижеприведенного.
30.1 Дополнение
Требование не распространяется на оболочки гибких частей.
Изменение
Части из упругого пластика, устанавливаемые в гибкой части, такие как внутренние соединители и соединительные блоки, подвергают нижеприведенным испытаниям вместо испытаний давлением шарика по IEC 60695-2-10.
Части подвергают испытанию давлением в устройстве, аналогичном показанному на рисунке 110, причем испытание проводят в термошкафу при температуре (100 +/- 2) °C.
Образец зажимают между стальными зажимами, имеющими цилиндрическую поверхность радиусом 25 мм, шириной 15 мм и длиной 50 мм. Углы закруглены радиусом 2,5 мм. Образец зажимают таким образом, чтобы зажимы прижимались к нему в том месте, где он захватывается при обычном использовании, причем центральная линия зажимов максимально близко совпадала с центром этой области. Усилие, прилагаемое к зажимам, составляет 20 Н.
Через 1 ч зажимы удаляют, и на образце не должно быть повреждений.
30.2 Дополнение
Оболочку гибкой части не подвергают испытаниям.
30.2.1 Дополнение
Электропроводящая ткань должна соответствовать требованиям, указанным в ISO 9772 для материалов категории HBF.
30.2.2 Не применяют.
30.2.3.2 Дополнение
Испытания игольчатым пламенем не проводят на оболочке гибкой части.
30.101 Оболочка гибкой части должна быть устойчивой к возгоранию, если прибор не оснащен средствами для предотвращения перегрева в результате искрения проводников.
Соответствие требованию проверяют испытаниями:
- по 30.101.1 - для оценки устойчивости к воспламенению гибкой части, или
- по 30.101.2 - для приборов, оснащенных средствами для предотвращения перегрева в результате искрения проводников.
30.101.1 Шесть образцов размером 100 x 200 мм каждый отрезают от оболочки так, чтобы их короткие стороны были параллельны проводникам нагревательного элемента или токопроводящим нитям электропроводящей ткани. Их выбирают из частей оболочки так, чтобы два любых образца не содержали одной и той же основной и поперечной нити. Если это невозможно, образцы выбирают так, чтобы одинаковые нити были не более чем в двух образцах. Любые части нагревательного элемента или электропроводящей ткани, а также обрезки убирают с образцов.
Испытательная установка, приведенная на рисунке 111, с двумя латунными электродами диаметром 3 мм, которые поддерживают латунные стойки, установленные на основе изолирующего материала так, чтобы их оси располагались параллельно. Основание также поддерживает платформу из изолирующего материала размером 100 x 100 мм и располагается по центру между латунными стойками. Должны быть предусмотрены специальные приспособления для регулирования высоты платформы.
Один из электродов находится в закрепленном положении, в то время как другой электрод остается подвижным, что позволяет вставлять образцы. Конец закрепленного электрода располагают под углом 45°. Электрод расположен так, что точка, наиболее удаленная от латунной стойки, находится наверху и на расстоянии приблизительно 3 мм от центра платформы. Подвижный электрод имеет плоский конец.
Нижняя часть маски из твердого дерева, как показано на фрагменте A рисунка 112a, располагается на регулируемой платформе в указанном положении.
Испытательную установку, включая верхнюю часть маски, как показано на фрагменте B рисунка 112b, устанавливают в термошкафу, оснащенном дверцей со смотровым окном, в котором циркуляция воздуха происходит за счет естественной конвекции. Электроды подсоединяют последовательно с регулируемым безындукционным резистором к источнику питания с синусоидальным выходным напряжением 10 кВ, при этом выходное напряжение не должно падать более чем на 100 В при протекании тока 1 мА.
Температуру термошкафа повышают до (65 +/- 2) °C. Затем электроды замыкают накоротко, а резистор регулируют таким образом, чтобы протекающий ток был силой 1 мА. Затем источник питания отсоединяют и образцы помещают в термошкаф на 3 ч.
Не вынимая установку из термошкафа, вынимают подвижный электрод и один образец протягивают поверх фиксированного электрода так, чтобы электрод находился в центральном положении в том месте, где обычно находится нагревательный элемент или электропроводящая ткань. Образец располагают таким образом, чтобы его конец был примерно на одном уровне с краем регулируемой платформы. Затем подвижный электрод вставляют в другой конец области расположения элемента и фиксируют так, чтобы расстояние между электродами было (6,0 +/- 0,1) мм. Образец распрямляют и верхнюю часть маски устанавливают в необходимое положение. Дверцу термошкафа закрывают на 5 мин, чтобы стабилизировать температуру.
Затем включают источник питания и между электродами пропускают искровой разряд в течение 2 мин, при этом любое воспламенение не должно достигать внутреннего края маски. Испытание повторяют с двумя дополнительными образцами.
30.101.2 Проводник подходящей длины зачищают, снимая изоляцию на длину 25 мм. Эту часть проводника изгибают радиусом 75 мм и погружают в непроводящую жидкость температурой (230 +/- 2) °C, прибор питается номинальным напряжением. В течение 30 с система защиты должна сработать так, чтобы потребляемая мощность гибкой части не превышала 1 Вт.
Проводник вынимают из жидкости после срабатывания системы защиты. Если потребляемая мощность гибкой части впоследствии возрастает более чем на 1 Вт, испытания проводят 100 раз или до тех пор, пока потребляемая мощность не снизится устойчиво до значения ниже 1 Вт в зависимости от того, что произойдет раньше.
30.102 Изоляция нагревательных элементов или электропроводящей ткани и внутренней проводки внутри гибкой части должна быть достаточно устойчивой к чрезмерному повышению температуры и возгоранию.
Соответствие требованию проверяют проведением следующих испытаний.
Образец нагревательного элемента или внутренней проводки длиной не менее 150 мм размещают на решетке, наклоненной на 45°. Если используется электропроводящая ткань, то образец имеет размеры 150 x 150 мм. Решетка изготовлена из параллельных проволок диаметром 0,6 мм, расположенных на расстоянии 20 мм друг от друга, и она достаточна для того, чтобы полностью удерживать образец. Образец располагают перпендикулярно к горизонтальным проволокам и по центру между остальными.
Вторую решетку такого же размера располагают поверх образца так, что ее горизонтальные проволоки смещены на 10 мм от горизонтальных проволок первой решетки.
Проволоки обеих решеток параллельны образцу и друг другу.
Две решетки расположены по центру лабораторного вытяжного шкафа/камеры, как указано в IEC 60695-11-5:2016, и удерживаются в таком положении, чтобы во время испытания не происходило каких-либо перемещений.
Игольчатое пламя, как указано в IEC 60695-11-5:2016 (рисунок 2a), прикладывают к образцу в точке посередине между проволоками так, чтобы кончик пламени соприкасался с поверхностью образца и находился вблизи его нижнего конца. Кроме того, при наличии соединений, подлежащих испытанию, игольчатое пламя, как указано в IEC 60695-11-5 (рисунок 2a), прикладывают к образцу таким образом, чтобы кончик пламени соприкасался с поверхностью изоляции соединения.
На образец воздействуют игольчатым пламенем, как указано в IEC 60695-11-5, до тех пор, пока изоляция не перестанет гореть.
Испытание проводят повторно на двух дополнительных образцах.
В любом из испытуемых образцов длина образца, поврежденного огнем, не должна превышать 65 мм. Длину измеряют начиная от точки воздействия пламени.
31 Стойкость к коррозии
Применяют данный раздел части 1.
32 Радиация, токсичность и подобного рода опасности
Применяют данный раздел части 1.
Рисунок 101 - Символ "Не втыкайте булавки"
Рисунок 102 - Символ "Не давать очень маленьким детям
(0 - 3 года)"
Рисунок 103 - Символ "Не использовать в сложенном
или согнутом состоянии"
A - цепь, приведенная в IEC 60990:2016 (рисунок 4);
B - листы термоизоляции; C - равномерно распределенная
нагрузка; D - алюминиевая фольга; E - основание
из фанеры; F - гибкая часть
Рисунок 104 - Расположение образцов для измерения тока
утечки и электрической прочности гибкой части
Размеры в миллиметрах
A - деревянная основа; B - стальная пластина;
C - гладкие металлические стороны
Рисунок 105 - Вращающийся барабан для выполнения испытания
механической прочности подушек
Размеры в миллиметрах
A - основание; B - рычаг; C - неплотно пригнанный штифт;
D - утопленное смазочное отверстие; E - механически
обработанная шайба; F - отверстие с внутренней резьбой
для установочных винтов; G - опора рычага; H - ручка;
I - паз; J - образец; K - картон; L - опора; M - скобы
Рисунок 106 - Ударная установка для испытания оболочек
влагозащищенных приборов
Размеры в миллиметрах
A - направление натяжения; B - направление полос
Рисунок 107 - Форма образца для испытаний на разрыв
Размеры в миллиметрах
A - блок диаметром более 50 мм; B - тележка; C - блок
с желобками; D - удерживающий зажим; E - сцепляющий штырь;
F - цепь с шагом 12,7 мм; G - зубчатое колесо
с 20 зубчиками, диаметром начальной окружности 88,9 мм
Рисунок 108 - Оборудование для изгиба нагревательных
элементов и внутренней проводки
Размеры в миллиметрах
1 - контрольные отметки
Рисунок 109 - Форма образца для испытания на растяжение
Размеры в миллиметрах
Рисунок 110 - Устройство для испытания
соединителей давлением
A - регулируемая платформа; B - нижняя часть маски
(см. фрагмент A рисунка 112a); C - фиксированный электрод;
D - верхняя часть маски (см. фрагмент B рисунка 112b);
E - зажимы; F - подвижный электрод; G - пластина основания
Рисунок 111 - Установка для проведения испытаний
на воспламенение от искры
Размеры в миллиметрах
a) Фрагмент A. Нижняя часть маски
Размеры в миллиметрах
b) Фрагмент B. Верхняя часть маски
Примечание - Масса верхней части маски - приблизительно 100 г, что достигается за счет изменения ее толщины.
Рисунок 112 - Оборудование для испытания на искровое
воспламенение. Детальный чертеж маски
Приложения
Применяют приложения части 1, за исключением нижеприведенного.
Приложение A
(справочное)
ПРИЕМО-СДАТОЧНЫЕ ИСПЫТАНИЯ
Применяют данное приложение части 1, за исключением нижеприведенного.
A.3 Испытания на электрическую прочность
Дополнение
Дополнительные испытания на электрическую прочность проводят между токоведущими частями и доступными частями гибкой части, кроме частей, работающих при безопасном сверхнизком напряжении. Испытательное напряжение определяют по таблице A.101.
Таблица A.101
Испытательные напряжения
Тип испытательного напряжения
Испытательное напряжение, В, при номинальном напряжении
<= 150
> 150 и < 250
Переменный ток
2000 + X
2500 + X
Постоянный ток
3000 + X
3750 + X
Значение X определяют нижеприведенным образом.
Гибкую часть открывают и изоляцию нагревательного элемента или электропроводящей ткани снимают на длину 5 мм, чтобы оголить проводник. Затем нагревательный элемент или электропроводящую ткань заново вставляют в корпус гибкой части. Испытательное напряжение 1000 В (1500 В постоянного тока) пропускают между проводником и внешней поверхностью гибкой части. Напряжение увеличивают с шагом 500 В (750 В постоянного тока) до возникновения пробоя изоляции. Значение X - это значение испытательного напряжения перед возникновением пробоя.
Если гибкая часть имеет постоянный внешний кожух, выполненный из электроизолирующего материала, например ПВХ, значение X определяют, когда этот кожух снят.
Допустимые методы применения испытательного напряжения:
- пропускание гибкой части между валиками;
- пропускание гибкой части на конвейере вдоль металлической пластины;
- расположение гибкой части между металлическими пластинами;
- волочение цепной проволочной щетки по гибкой части.
A.4 Испытания на функционирование
Дополнение
Испытания на функционирование включают в себя проверку:
- соответствия сопротивления нагревательного элемента или электропроводящей ткани допустимым значениям;
- на отсутствие тока при положении "выключено" управляющего устройства.
Примечание 101 - Выбранные допустимые значения должны обеспечивать предельные отклонения потребляемой мощности, указанные в разделе 10.
Приложение AA
(обязательное)
ТЕХНИЧЕСКОЕ ОПИСАНИЕ ТЕПЛОИЗОЛЯЦИИ
Теплоизоляция имеет следующий состав:
полиэфир с открытой ячейкой:
количество ячеек - 18 + 2 на 1 см,
удельная масса - 30 кг/м3 + 10%;
твердость от 120 до 170 Н при вдавливании 40%, измеренная согласно ISO 2439.
Для определения толщины используемой прослойки теплоизоляции источник равномерно распределенного тепла размером 1 x 1 м и потребляемой мощностью (100 +/- 2) Вт располагают по центру между двумя слоями теплоизоляции размерами не менее 1,2 x 1,2 м.
Пластину из оксидированной меди размером 65 x 65 x 0,5 мм, к которой прикреплена термопара с проводом малого сечения, располагают в центре верхней поверхности источника тепла.
Источник тепла присоединяют к источнику питания и затем измеряют превышение температуры. Толщину теплоизоляции определяют в тот момент, когда регистрируют следующие установившиеся значения превышения температуры:
- (25 +/- 1) К - для верхних одеял и одежды;
- (60 +/- 2) К - для нижних одеял, подушек и матрацев.
Если толщина теплоизоляции под источником тепла 2d, то примерная толщина теплоизоляции, покрывающей источник тепла, составит:
- 0,2d - соответствует превышению температуры 25 К;
- d - соответствует превышению температуры 60 К.
Размер d составляет приблизительно 36 мм.
Источник тепла может состоять из проводящего слоя или двух слоев хлопка, между которыми равномерно расположен проводник так, что расстояние между соседними проводниками не превышает 20 мм.
Небольшое регулирование тепловыделения возможно путем добавления нескольких прослоек из подходящего текстильного материала.
Верхнюю поверхность теплоизоляции не подвергают дополнительной нагрузке.
Приложение BB
(обязательное)
ОБОРУДОВАНИЕ ДЛЯ ИСПЫТАНИЙ НА МЕХАНИЧЕСКУЮ ПРОЧНОСТЬ ОДЕЯЛ
Оборудование (см. рисунок BB.1) снабжено вращающимся барабаном диаметром 160 мм и длиной, достаточной для того, чтобы вместить одеяло по длине. Сферы из монолитной резины диаметром (60 +/- 2,5) мм и твердостью от 40 до 50 IRHD (степень твердости резины по международной шкале) разрезают и прикрепляют к барабану так, что они выступают над поверхностью на 25 мм. Сферы располагают в шесть рядов, равномерно распределенных по окружности барабана, при этом сферы в каждом ряду должны находиться на расстоянии 320 мм друг от друга. Сферы устанавливают посередине между парами сфер в соседнем ряду, как это показано на рисунке BB.2. Барабан свободно вращается вокруг ведущего вала.
Ниже барабана прикреплена планка с квадратным сечением 25 мм так, что она может свободно вращаться в ходовом механизме, установленном на рельсовые направляющие, которые свободно перемещаются вверх и вниз. На ходовые механизмы можно прикреплять грузы, чтобы регулировать общую массу планки и ходовых механизмов.
Гладкие цилиндры из твердого дерева диаметром 65 мм и длиной 140 мм устанавливают выше барабана. Каждый цилиндр прикреплен к паре кронштейнов, которые вращаются вокруг оси на расстоянии 160 мм от оси цилиндра. Цилиндры расположены таким образом, что сферы проходят под центром цилиндра. Ось, к которой крепят кронштейны, расположена так, что, когда цилиндры соприкасаются с верхней частью барабана, ось кронштейнов находится под углом 25° к горизонтали. Сила, прилагаемая каждым цилиндром к барабану, составляет 5,1 Н.
Зубчатые колеса диаметром начальной окружности 230 мм прикреплены к каждому концу ведущего вала барабана. Замкнутые цепи, которые перемещают приводную планку, проходят через эти зубчатые колеса и вокруг стержня с квадратным сечением в его нижнем положении.
Прижимную планку, показанную на рисунке BB.3, прикрепляют к движущемуся стержню винтами диаметром 3,5 мм; проволочные поворотные соединения - к нижнему краю прижимной планки (см. рисунок BB.3).
Одеяло прикрепляют по всей его длине к проволочным поворотным соединениям зажимами и ткаными ремешками. Затем его пропускают сверху барабана под планкой с квадратным сечением и крепят зажимами к другому концу тканых ремешков. Одеяло и ремешки формируют бесконечную ленту, которая натягивается при добавлении грузов на ходовых механизмах, таким образом, что суммарная масса стержня и ходовых механизмов в сборе составляет 6 кг/м прикрепленного края одеяла или 6,5 кг в зависимости от того, что больше. Тканые ремешки регулируют таким образом, что стержень с квадратным сечением и ходовые механизмы поднимаются на 50 мм выше их исходного положения. Натяжение на ремешках впоследствии не изменяется. Ремешки расположены так, что они проходят между сферами на барабане.
Для предотвращения образования складок на одеяле устанавливают достаточное количество ремней.
Шнур питания прикрепляют к приводной планке так, чтобы он не повлиял на результат испытаний.
Предусмотрены устройства для подъема цилиндров в тот момент, когда приводная планка проходит над барабаном, чтобы избежать повреждения оборудования.
Приводную планку приводят в движение отдельно. Барабан и планка с квадратным сечением вращаются в результате того, что по ним проходит одеяло.
A - приводная цепь; B - прижимная планка; C - приводная
цепь; D - саморегулирующиеся подшипники; E - цилиндры,
объединенные в один блок; F - кронштейн цилиндра;
G - зубчатое колесо; H - приводная планка; I - планка
с квадратным сечением; J - испытуемое одеяло
Рисунок BB.1 - Установка для проведения испытаний одеял
на механическую прочность
A - цилиндр; B - кронштейн цилиндра;
C - сферы из монолитной резины
Рисунок BB.2 - Детальный эскиз барабана и цилиндров
Размеры в миллиметрах
A - стальной желоб диаметром 25 мм и толщиной 1,6 мм;
B - поворотные соединения из стальной проволоки
диаметром 2,5 мм; C - петли, припаянные к желобу
Рисунок BB.3 - Детальный чертеж прижимной планки
Приложение CC
(обязательное)
ОДЕЖДА
Для одежды применяют нижеприведенные изменения настоящего стандарта.
Номера пунктов в данном приложении относятся к номерам пунктов в основной части настоящего стандарта, которые изменены или неприменимы. Пункты, которые являются дополнительными к пунктам в основной части настоящего стандарта, обозначаются добавлением буквы приложения, за которой следует нумерация, начинающаяся с 1.
3 Определения
3.1.9 Дополнение
Одежду помещают между изоляционными слоями. Нижний слой имеет толщину 2d, а верхний - 0,2d, как указано в приложении AA. Одежду размещают так, что различные обогреваемые зоны отделены друг от друга, за исключением тех случаев, когда возможно их соприкосновение при нормальной эксплуатации.
Для разделения обогреваемых зон может потребоваться разрезание одежды.
5 Общие условия испытаний
5.7 Изменение не применяют.
6 Классификация
6.1 Изменение
Одежда должна быть класса III.
7 Маркировка и инструкции
7.1 Изменение
Маркировка "Не используйте в свернутом или смятом виде" или символ, приведенный на рисунке 103, не требуются.
7.12 Изменение
Указание "Не следует сминать прибор, располагая предметы поверх него во время хранения" также применяют и к одежде.
Дополнение
В инструкциях для одежды должно быть установлено, что если одежду будут использовать в течение длительного времени, то управляющие устройства должны быть отрегулированы на уставки, рекомендованные для длительной эксплуатации. Инструкции также должны содержать рекомендации в отношении мер предосторожности, а также обнаружения признаков термической усталости и приближения теплового удара.
Инструкции к одежде, за исключением управляемой одежды, должны указывать следующее:
"ВНИМАНИЕ! Во избежание теплового удара рекомендуется отключать одежду от источника питания при перемещении в среду, характеризующуюся более высокой температурой".
11 Нагрев
11.3 Первый абзац дополнения следует заменить нижеприведенным.
Термопары, используемые для определения температуры нагревательных элементов, крепятся к ним текстильной нитью длиной не менее 10 мм. Температуру поверхности гибкой части, наиболее близкой к человеческому телу, определяют термопарой, прикрепленной к центру медного или латунного диска диаметром 15 мм и толщиной 1,0 мм.
11.8 Таблицу 101 дополняют следующим:
Часть
Температура, °C
Поверхность одежды
50
Таблицу 102 дополняют следующим:
Часть
Превышение температуры, К <a>
Поверхность одежды для использования при температурах ниже нуля <b>
45
Поверхность другой одежды
30
<b> Пример подобной одежды - одежда, используемая на холодных складах и в приполярных районах.
19 Ненормальная работа
19.1 Дополнение
Одежду подвергают испытаниям по 19.102, 19.103, CC.19.1 и CC.19.2.
19.11.3 Дополнение
Испытание по CC.19.3 не повторяют.
19.107 Изменение
Ссылки на 19.101, 19.105 или 19.108 следует заменить на CC.19.1 и CC.19.2.
CC.19.1 Одежда работает при условиях нормальной работы, за исключением того, что гибкая часть раскрыта и согнута наиболее неблагоприятным образом так, чтобы четыре слоя гибкой части располагались друг над другом.
Примечание - Разглаженный рукав рассматривают как два слоя гибкой части.
Слой изоляции размером 300 x 450 x 90 мм размещают на сложенном предмете одежды в наиболее неблагоприятном месте. Мешок с песком или другой равномерно распределенный груз массой 5 кг распределяют сверху слоя теплоизоляции.
CC.19.2 Одежду складывают таким образом, чтобы отдельные обогреваемые зоны располагались как можно ближе друг к другу, а затем помещают на слой изоляции, предназначенный для использования при условиях нормальной работы. Одежду используют без дополнительного чехла.
CC.19.3 Одежда должна быть сконструирована так, чтобы отказ компонента не вызывал превышения температуры, создающего опасность для тела человека.
Соответствие требованию проверяют при испытании по разделу 11, но при этом управляющие устройства устанавливают на наибольшую уставку, рекомендованную для длительной эксплуатации. Имитируют неисправности компонентов, которые могут возникнуть при нормальной эксплуатации, за исключением короткого замыкания переключающих контактов. Условия неисправности имитируют поочередно.
Случаи возможных неисправностей, отличных от нагревательных элементов и внутренней проводки, указаны в перечисления a) - g) 19.11.2.
Во время испытания температура поверхности управляемой одежды должна быть не выше 75 °C. Превышение температуры поверхности другой одежды должно быть не выше:
- 70 К - если одежда предназначена для ношения при температурах ниже нуля;
- 55 К - для другой одежды.
21 Механическая прочность
21.1 Дополнение
Соответствие требованиям к одежде проверяют испытаниями по 21.103 - 21.107.
21.104 Изменение
Фанерную опору покрывают слоем теплоизоляции толщиной 36 мм согласно приложению AA.
22 Конструкция
22.105 Не применяют.
25 Присоединение к источнику питания и внешние гибкие шнуры
25.1 Изменение
Одежда должна быть оснащена приборным вводом.
25.23 Дополнение применяют к одежде.
30 Теплостойкость и огнестойкость
30.2 Дополнение
Одежду подвергают испытаниям по 30.2.2.
Приложение DD
(обязательное)
ИСПЫТАНИЕ МАТРАЦЕВ НА ЖЕСТКОСТЬ
Матрац укладывают на ровную и жесткую поверхность в соответствии с рисунком DD.1; затем приподнимают 1 м или половину длины матраца, в зависимости от того, что короче, в то время как остальная часть покрывается твердой пластиной.
Стальную тяговую планку длиной 1,5 м и диаметром 12 мм надлежащим образом крепят к верхнему краю матраса, чтобы равномерно растягивать его по всей ширине.
Свободно вращающийся направляющий шкив закреплен на высоте 1 м от жесткой плоской поверхности.
Измеряют тяговое усилие для подъема штанги на 45°, как показано на рисунке DD.1.
Измеренное тяговое усилие должно быть разделено на ширину в метрах, чтобы получить показатель жесткости в Н/м.
1 - образец матраца; 2 - твердая пластина;
3 - стальная тяговая планка длиной 1,5 м и диаметром 12 мм;
4 - свободно вращающийся направляющий шкив с диаметром
канавки 57 мм; 5 - жесткая плоская поверхность;
6 - указатель поворота на 45°
Рисунок DD.1 - Установка для испытания жесткости матраца
Приложение ДА
(справочное)
СВЕДЕНИЯ О СООТВЕТСТВИИ ССЫЛОЧНЫХ МЕЖДУНАРОДНЫХ СТАНДАРТОВ
МЕЖГОСУДАРСТВЕННЫМ СТАНДАРТАМ
Таблица ДА.1
Обозначение ссылочного международного документа
Степень соответствия
Обозначение и наименование соответствующего межгосударственного стандарта
ISO/IEC Guide 37
-
ISO 2439
MOD
ГОСТ 24616-2017 "Пластмассы ячеистые и эластичные и пенорезины. Метод определения твердости"
<*> Соответствующий межгосударственный стандарт отсутствует. До его принятия рекомендуется использовать перевод на русский язык данного международного стандарта. Официальный перевод данного стандарта находится в Федеральном информационном фонде стандартов.
Примечание - В настоящей таблице использовано следующее условное обозначение степени соответствия стандарта:
- MOD - модифицированный стандарт.
БИБЛИОГРАФИЯ
Применяют библиографию части 1, за исключением нижеприведенного.
Дополнение
IEC 60335-2-66
Household and similar electrical appliances - Safety - Part 2-66: Particular requirements for waterbed heaters (Бытовые и аналогичные электрические приборы. Безопасность. Часть 2-66. Частные требования к подогревателям кроватей с водяным матрасом)
IEC 60335-2-71
Household and similar electrical appliances - Safety - Part 2-71: Particular requirements for electrical heating appliances for breeding and rearing animals (Бытовые и аналогичные электрические приборы. Безопасность. Часть 2-71. Частные требования к электронагревательным приборам для разведения и выращивания животных)
IEC 60335-2-81
Household and similar electrical appliances - Safety - Part 2-81: Particular requirements for foot warmers and heating mats (Бытовые и аналогичные электрические приборы. Безопасность. Часть 2-81. Частные требования к электрическим чехлам и коврикам для обогревания ног)
IEC 60335-2-106
Household and similar electrical appliances - Safety - Part 2-106: Particular requirements for heated carpets and for heating units for room heating installed under removable floor coverings (Бытовые и аналогичные электрические приборы. Безопасность. Часть 2-106. Частные требования к подогреваемым коврам и нагревающим устройствам для обогрева комнаты, установленным под снимающимся напольным покрытие)
IEC 60601-2-35
Medical electrical equipment - Part 2-35: Particular requirements for the safety of blankets, pads and mattresses, intended for heating in medical use (Медицинское электрооборудование. Часть 2-35. Особые требования к безопасности использования одеял, подушек и матрасов, предназначенных для обогрева в медицинских целях)
УДК 662.917:006.354
МКС 97.040.50
IDT
Ключевые слова: бытовые и аналогичные электрические приборы, электрические одеяла, подушки, матрацы, одежда, управляемый прибор, управляющий модуль, требования безопасности, методы испытаний