Главная // Актуальные документы // Актуальные документы (обновление 2025.08.04-2025.08.30) // ГОСТ (Государственный стандарт)СПРАВКА
Источник публикации
М.: ФГБУ "Институт стандартизации", 2025
Примечание к документу
Документ
вводится в действие с 01.09.2026.
Название документа
"ГОСТ IEC 62722-2-1-2025. Межгосударственный стандарт. Светильники. Часть 2-1. Частные требования к характеристикам для светильников со светодиодными модулями"
(введен в действие Приказом Росстандарта от 15.07.2025 N 763-ст)
"ГОСТ IEC 62722-2-1-2025. Межгосударственный стандарт. Светильники. Часть 2-1. Частные требования к характеристикам для светильников со светодиодными модулями"
(введен в действие Приказом Росстандарта от 15.07.2025 N 763-ст)
агентства по техническому
регулированию и метрологии
от 15 июля 2025 г. N 763-ст
МЕЖГОСУДАРСТВЕННЫЙ СТАНДАРТ
СВЕТИЛЬНИКИ
ЧАСТЬ 2-1
ЧАСТНЫЕ ТРЕБОВАНИЯ К ХАРАКТЕРИСТИКАМ
ДЛЯ СВЕТИЛЬНИКОВ СО СВЕТОДИОДНЫМИ МОДУЛЯМИ
Luminaires. Part 2-1. Particular requirements
for luminaires with LED modules
(IEC 62722-2-1:2023, Luminaire performance -
Part 2-1: Particular requirements - LED luminaires, IDT)
ГОСТ IEC 62722-2-1-2025
Дата введения
1 сентября 2026 года
Цели, основные принципы и общие правила проведения работ по межгосударственной стандартизации установлены
ГОСТ 1.0 "Межгосударственная система стандартизации. Основные положения" и
ГОСТ 1.2 "Межгосударственная система стандартизации. Стандарты межгосударственные, правила и рекомендации по межгосударственной стандартизации. Правила разработки, принятия, обновления и отмены"
1 ПОДГОТОВЛЕН Обществом с ограниченной ответственностью "Всесоюзный научно-исследовательский светотехнический институт имени С.И. Вавилова" (ООО "ВНИСИ") на основе собственного перевода на русский язык англоязычной версии стандарта, указанного в
пункте 5
2 ВНЕСЕН Межгосударственным техническим комитетом по стандартизации МТК 332 "Светотехнические изделия"
3 ПРИНЯТ Межгосударственным советом по стандартизации, метрологии и сертификации (протокол от 24 июня 2025 г. N 67-2025)
За принятие проголосовали:
Краткое наименование страны по МК (ИСО 3166) 004-97 | Код страны по МК (ИСО 3166) 004-97 | Сокращенное наименование национального органа по стандартизации |
Азербайджан | AZ | Азстандарт |
Армения | AM | ЗАО "Национальный орган по стандартизации и метрологии" Республики Армения |
Беларусь | BY | Госстандарт Республики Беларусь |
Казахстан | KZ | Госстандарт Республики Казахстан |
Киргизия | KG | Кыргызстандарт |
Молдова | MD | Институт стандартизации Молдовы |
Россия | RU | Росстандарт |
Таджикистан | TJ | Таджикстандарт |
Туркмения | TM | Главгосслужба "Туркменстандартлары" |
Узбекистан | UZ | Узбекское агентство по техническому регулированию |
4
Приказом Федерального агентства по техническому регулированию и метрологии от 15 июля 2025 г. N 763-ст межгосударственный стандарт ГОСТ IEC 62722-2-1-2025 введен в действие в качестве национального стандарта Российской Федерации с 1 сентября 2026 г.
5 Настоящий стандарт идентичен международному стандарту IEC 62722-2-1:2023 "Характеристики светильников. Часть 2-1. Частные требования. Светильники светодиодные" ("Luminaire performance - Part 2-1: Particular requirements - LED luminaires", IDT).
Международный стандарт разработан подкомитетом 34D "Освещение" Технического комитета по стандартизации IEC/TC 34 "Лампы и связанное с ними оборудование" Международной электротехнической комиссии (IEC).
Наименование настоящего стандарта изменено относительно наименования указанного международного стандарта для приведения в соответствие с ГОСТ 1.5
(подраздел 3.6).
При применении настоящего стандарта рекомендуется использовать вместо ссылочных международных стандартов соответствующие им межгосударственные стандарты, сведения о которых приведены в дополнительном
приложении ДА
Информация о введении в действие (прекращении действия) настоящего стандарта и изменений к нему на территории указанных выше государств публикуется в указателях национальных стандартов, издаваемых в этих государствах, а также в сети Интернет на сайтах соответствующих национальных органов по стандартизации.
В случае пересмотра, изменения или отмены настоящего стандарта соответствующая информация будет опубликована на официальном интернет-сайте Межгосударственного совета по стандартизации, метрологии и сертификации в каталоге "Межгосударственные стандарты"
Настоящий стандарт распространяется на светильники со светодиодными модулями (далее - СД светильники), излучающими белый свет, и устанавливает частные требования к характеристикам и методы испытаний.
Настоящий стандарт распространяется на СД светильники для общего освещения.
Настоящий стандарт не распространяется на светильники с органическими светодиодами (технологии ОСД).
Настоящий стандарт не распространяется на лампы-светильники, а также на СД светильники некоторых типов (например, декоративные или для освещения жилых зданий).
Настоящий стандарт распространяется на СД светильники следующих типов:
- тип A - с СД модулями, соответствие которых подтверждено требованиями IEC 62717;
- тип B - с СД модулями, соответствие которых не подтверждено требованиями IEC 62717.
Настоящий стандарт не распространяется на СД светильники со светодиодными лампами, требования к которым установлены в IEC 62722-1.
В настоящем стандарте установлены методы испытаний типа.
Ресурс СД светильников, как правило, значительно превышает приемлемые сроки проведения испытаний, что затрудняет проведение соответствующих им по длительности испытаний, целью которых является подтверждение заявленного изготовителем ресурса.
В настоящем стандарте в испытаниях на ресурс установлены методы определения коэффициента стабильности светового потока в течение заданного времени. При этом коэффициент стабильности светового потока не указывает на возможный ресурс СД светильника. Эти коэффициенты предназначены для подтверждения соответствия заявленной изготовителем стабильности светового потока СД светильника до начала испытаний.
В настоящем стандарте использованы нормативные ссылки на следующие стандарты [для датированных ссылок применяют только указанное издание ссылочного стандарта, для недатированных - последнее издание (включая все изменения)]:
IEC 60598-1:2020 <1> Luminaires - Part 1: General requirements and tests (Светильники. Часть 1. Общие требования и испытания)
--------------------------------
<1> Заменен на IEC 60598-1:2024. Однако для однозначного соблюдения требования настоящего стандарта, приведенного в датированной ссылке, рекомендуется использовать только указанное в этой ссылке издание.
IEC 60598-2-3:2002, Luminaires - Part 2-3: Particular requirements - Luminaires for road and street lighting (Светильники. Часть 2-3. Частные требования. Светильники для освещения улиц и дорог)
IEC 60598-2-5:2015, Luminaires - Part 2-5: Particular requirements - Floodlights (Светильники. Часть 2-5. Частные требования. Прожекторы заливающего света)
IEC 62031:2018, LED modules for general lighting - Safety specifications (Светодиодные модули для общего освещения. Требования безопасности)
IEC 62717:2014, LED modules for general lighting - Performance requirements (Светодиодные модули для общего освещения. Эксплуатационные требования)
IEC 62717:2014/AMD1:2015
IEC 62717:2014/AMD2:2019
IEC 62722-1, Luminaire performance - Part 1: General requirements (Характеристики светильников. Часть 1. Общие требования)
В настоящем стандарте применены термины по IEC 62717, а также следующие термины с соответствующими определениями.
ISO и IEC поддерживают терминологические базы данных, используемые в целях стандартизации по следующим адресам:
- Электропедия IEC, доступная по адресу: http://www.electropedia.org/;
- платформа онлайн-просмотра ISO, доступная по адресу: http://www.iso.org/obp.
3.1 светодиодный светильник; СД светильник (LED luminaire): Светильник, в котором установлен по меньшей мере один светодиодный источник света.
Примечание 1 - СД источник(и) света может (могут) быть неотъемлемой частью СД светильника.
[IEC 60050-845:2020, 845-30-056]
3.2 нормируемое значение рабочей температуры окружающего воздуха tq (rated ambient performance temperature value tq): Заявленная изготовителем или ответственным поставщиком максимальная допустимая температура воздуха около светильника, связанная с нормируемыми значениями характеристик светильника при нормальных условиях работы, заявленными изготовителем или ответственным поставщиком.
Примечание 1 - Значение tq выражают в градусах Цельсия, °C.
Примечание 2 - Для СД светильника может быть задано несколько значений tq, связанных с его заявленным ресурсом (см. 3.3).
3.3 ресурс <СД светильника> LxBy (useful life LxBy): Период времени, в течение которого y % By работающих СД светильников, входящих в серию, световой поток не снижается до начального значения излучаемого светового потока, умноженного на коэффициент стабильности светового потока x.
Примечание 1 - Испытания на ресурс СД светильников относят к испытаниям типа.
Примечание 2 - В определении термина "ресурс" не предусмотрена возможность замены источника света в СД светильнике.
Примечание 3 - Ресурс выражают в часах, ч.
3.4 средний ресурс <СД светильника> Lx (median useful life Lx): Период времени, в течение которого y 50% B50 работающих СД светильников, входящих в серию, световой поток снижается до начального значения, умноженного на коэффициент стабильности светового потока x.
Примечание 1 - При определении ресурса учитывают только СД модули в рабочем состоянии.
Примечание 2 - В настоящем стандарте термин "средний ресурс СД светильника" является синонимом термина "срок службы СД светильника".
Примечание 3 - Средний ресурс выражают в часах, ч.
3.5 световая отдача светильника (LED luminaire luminous efficacy): Отношение излучаемого светового потока СД светильника к потребляемой им мощности.
3.6 показатель внезапного отказа <СД светильника>; AFV (abrupt failure value, AFV): Доля СД светильников, внезапно вышедших из строя в течение среднего ресурса Lx.
Примечание 1 - Показатель внезапного отказа выражают в процентах, %.
4 Информация о светодиодных светильниках
Изготовитель или ответственный поставщик в эксплуатационной документации или на веб-сайте должен предоставить информацию о параметрах СД светильников, приведенную в
таблице 1.
Проверку наличия информации о параметрах СД светильников проводят путем внешнего осмотра.
Таблица 1
Информация о параметрах СД светильников, предоставляемая
изготовителем или ответственным поставщиком
Перечисление | Параметр |
a | Нормируемая потребляемая мощность, Вт |
b | |
c | Нормируемый световой поток, лм |
d | Нормируемый средний ресурс Lx, ч, и соответствующий ему коэффициент стабильности светового потока x <e> |
e | Нормируемый AFV, % |
f | Код стабильности светового потока <b> |
g | Нормируемые значения координат цветности (начальные и установившиеся) <c> |
h | Нормируемое значение коррелированной цветовой температуры (КЦТ), К |
i | Нормируемое значение индекса цветопередачи (ИЦ) |
j | Значение tq, связанное с эксплуатационными параметрами СД светильника <d>, °C |
k | Нормируемая световая отдача СД светильника, лм/Вт |
l | Время отжига, если оно отлично от 0 ч |
Примечание - Допускается применение региональных нормативных требований. <a> См. IEC 62717:2014 (приложение D) и IEC 62717:2014/AMD2:2019 (приложение D). <b> См. IEC 62717:2014 (таблица 6) и IEC 62717:2014/AMD2:2019 (таблица 6). <c> См. IEC 62717:2014 (таблица 5). <e> Нормируемый ресурс LxBy, ч, и связанные с ним коэффициент стабильности светового потока x и долю отказов y допускается указывать дополнительно в эксплуатационной документации или на веб-сайте. |
Частные требования к характеристикам СД светильников, установленные в настоящем стандарте, применяют как дополнительные к требованиям IEC 62722-1, за исключением требований к применению альтернативных методов испытаний и допусков, приведенных в настоящем стандарте.
СД светильники относят к одной серии, если:
- СД модули имеют одинаковый принцип управления и работы (со встроенным УУ и частично встроенным УУ);
- СД модули имеют одинаковую классификацию по способу установки по IEC 62031:2018 (раздел 4), при этом СД модули должны быть той серии, которая указана в IEC 62717:2014 (6.2), и иметь тот же класс защиты от поражения электрическим током;
- СД светильники имеют одинаковые конструктивные характеристики, отличающиеся общими свойствами материалов и компонентов, или способом изготовления и наличием радиатора, либо тем и другим.
Обоснование рекомендуемого ресурса СД светильников приведено в
приложении B.
6 Условия проведения испытаний
6.1 Общие условия проведения испытаний
Условия проведения испытаний для проверки электрических и светотехнических характеристик, коэффициента стабильности светового потока и ресурса СД светильников установлены в
приложении A. Для СД светильников, относящихся к одной серии (см.
раздел 5), имеющих один или несколько одинаковых СД модулей, рекомендуется рассчитывать электрические и светотехнические характеристики с использованием методов и условий, приведенных в
приложении C.
Приложение C применяют только к СД светильникам с одним СД модулем или с идентичными СД модулями.
Примечание - При применении
приложения C для испытаний источников света, цвет излучения которых получают путем смешивания излучения с различным спектральным составом, необходимо учитывать требования к испытаниям конкретных источников света, не предусмотренные в
приложении C.
Все испытания проводят на
n СД светильниках одного типа. Объем выборки
n СД светильников для испытаний типа приведен в
таблице 3. СД светильники, выдержавшие испытание на ресурс, не подвергают другим испытаниям.
Каждый образец СД светильника должен выдержать все испытания, за исключением испытаний по
10.3, в котором установлено, что для проведения каждого испытания по
таблицам 2 и
3 используют один отдельный образец. Для сокращения длительности испытаний изготовитель или ответственный поставщик может предоставить дополнительные СД светильники или их части при условии, что они изготовлены из тех же материалов и имеют ту же конструкцию, что и представленные на испытания, и что результаты этих испытаний будут положительными.
Испытания СД светильников с устройствами регулирования светового потока проводят при максимальной мощности.
Испытания СД светильников с регулируемой КЦТ проводят при одном фиксированном значении tq, которое указано изготовителем или ответственным поставщиком.
Испытания линейных СД светильников, имеющих регулируемую длину, проводят при одном значении длины, указанном изготовителем или ответственным поставщиком (например, мощность на x см).
6.2 Светодиодные светильники со светодиодными модулями, соответствие которых подтверждено требованиям IEC 62717 (тип A)
Проверяют только начальные значения характеристик СД светильников при условии, что рабочая температура СД модуля не превышает предельного значения
tp (см.
6.4).
В IEC 62717:2014 (B.1) установлено, что эксплуатация СД модулей должна осуществляться в пределах их рабочих температур tp. Значение tp измеряют по IEC 60598-1:2020 (12.4) (при нормальном режиме работы). Если СД светильник работает при максимальном значении tq, то предельное значение tp СД модулей не должно превышать указанного в IEC 62717:2014 и IEC 62717:2014/AMD2:2019 (таблица 2). Напряжение, при котором проводят испытания, должно соответствовать нормируемому напряжению питания СД светильника. Испытания СД светильников, предназначенных для работы при постоянном значении тока, проводят при нормируемом значении рабочего тока.
Для СД светильников и прожекторов заливающего света для наружного освещения не применяют требования IEC 60598-2-3:2002 (3.12.1) и IEC 60598-2-5:2015 (5.12.1) по уменьшению измеренного значения tp СД модулей.
Значение tq измеряют в защищенной от сквозняков камере около одной из перфорированных стенок на уровне центра СД светильника (см. IEC 60598-1 [раздел K.1, перечисление e)]).
6.3 Светодиодные светильники со светодиодными модулями, соответствие которых подтверждено требованиям IEC 62717 (тип B)
6.3.1 Общие положения
Требования к СД модулям применяют и к СД светильникам (см.
6.4).
6.3.2 Формирование серий светодиодных модулей для уменьшения объема испытаний
6.3.2.1 Общие положения
Для СД светильников применяют IEC 62717:2014 (6.2.1).
6.3.2.2 Разброс значений параметров СД модулей в серии
Для СД светильников применяют IEC 62717:2014 (6.2.2).
6.3.2.3 Испытание серии СД модулей
Для СД светильников применяют IEC 62717:2014 (6.2.3).
6.4 Требования к объему испытаний
Требования к объему испытаний СД светильников, которые приведены в
таблице 2, применяют к СД светильникам типов A и B. Эксплуатационные характеристики
n СД светильников, прошедших испытания, должны соответствовать установленным требованиям. Параметры, установленные в IEC 62722-1, заменяют на параметры, приведенные в
таблице 2.
Примечание - Как указано в
разделе 5, требования к объему испытаний, установленные в настоящем подразделе, являются дополнительными к требованиям IEC 62722-1. Следует применять параметры и требования к объему испытаний, не перечисленные в таблице 2, но указанные в IEC 62722-1 (например, мощность СД светильников следует измерять в неактивном режиме).
Таблица 2
Требования к объему испытаний СД светильников типов A и B
Структурный элемент настоящего стандарта (в скобках пункт или подпункт IEC 62717:2014, IEC 62717:2014/AMD1:2015 и IEC 62717:2014/AMD2:2019) | Параметр | СД светильники типа A <a>, <b> | СД светильники типа B |
| Рабочая температура СД модуля | x | x |
| Потребляемая мощность | x | x |
| Световой поток | x | x |
| Распределение силы света <c> | x | x |
| Максимальная сила света <c>, <d> | x | x |
| | x | x |
| Световая отдача | x | x |
| Начальные координаты цветности источника света <e> | - | x |
| Установившиеся координаты цветности источника света <e> | - | x |
| Начальная КЦТ источника света | - | x |
| | - | x |
| Коэффициент стабильности светового потока | - | x |
| Стойкость к циклическому изменению значения tq (при включенном СД светильнике) | - | x |
| Работоспособность СД светильника при переключении источника питания | - | x |
| Ресурс при ускоренном испытании | - | x |
В настоящей таблице использованы следующие обозначения: - "x" - требуется проведение испытаний; - "-" - не требуется проведения испытаний. Необходимые испытания для СД светильников каждого типа обозначены знаком "x". <a> Если изготовителем предоставлены данные, подтверждающие соответствие СД модулей требованиям IEC 62717, то испытания СД светильников проводят в объеме требований, установленных для светильников типа A. <b> К СД светильникам типа A применяют требования IEC 62717. Повторное измерение значений характеристик, соответствующих требованиям IEC 62722-1, не проводят. Если СД светильник содержит различающиеся по характеристикам СД модули или вторичную оптику, то может потребоваться измерение дополнительных параметров. Например, если СД светильник содержит СД модули с различными цветовыми характеристиками, то дополнительно следует определить ИЦ и измерить КЦТ. <c> Применяют к СД светильникам с вторичной оптикой. <d> Если изготовителем заявлены значения параметра. <e> В 9.1 - 9.3 установлены значения для источников света. |
Для СД светильников применяют IEC 62717:2014 (раздел 7). Потребляемую мощность измеряют при подаче напряжения питания на СД светильник (см.
рисунок 1). При непостоянстве значений мощности определяют среднее значение мощности за соответствующий промежуток времени по разбросу полученных значений.
Примечание - СД светильник может содержать компоненты (например, цифровые контроллеры или датчики), которые постоянно не потребляют мощность (могут находиться в режиме ожидания, а затем начать работать и потреблять мощность).
8 Светотехнические характеристики
Для СД светильников применяют IEC 62717:2014 (8.1). Если изготовителем установлено значение
tq, отличное от 25 °C, то применяют приложение A
(A.1, второй абзац).
8.2 Распределение силы света, максимальная сила света и угол излучения
8.2.1 Общие положения
Для СД светильников применяют IEC 62717:2014 (8.2.1).
8.2.2 Проведение измерений
Для СД светильников применяют IEC 62717:2014 (8.2.2).
8.2.3 Распределение силы света
Для СД светильников применяют IEC 62717:2014 (8.2.3).
8.2.4 Максимальная сила света
Для СД светильников применяют IEC 62717:2014 (8.2.4).
Для СД светильников применяют IEC 62717:2014 (8.2.5).
Световую отдачу СД светильника определяют, как отношение измеренного начального светового потока светильника к измеренной начальной потребляемой им электрической мощности. Измерение светового потока выполняют в соответствии с
8.1, измерение потребляемой электрической мощности - в соответствии с
разделом 7.
9 Координаты цветности, коррелированная цветовая температура и индекс цветопередачи
Для СД светильников применяют IEC 62717:2014 (9.1).
9.2 Коррелированная цветовая температура
Для СД светильников применяют IEC 62717:2014 (9.2).
Для СД светильников применяют IEC 62717:2014 (9.3) и IEC 62717:2014/AMD2:2019 (9.3).
10.1 Общие положения
Для СД светильников применяют IEC 62717:2014 (10.1).
10.2 Коэффициент стабильности светового потока
Данное испытание СД светильника с СД модулями, соответствие которых подтверждено требованиям IEC 62717 (см.
6.2), допускается не проводить. Значение коэффициента стабильности светового потока, заявленное для СД модуля при значении
tp, допускается указывать в качестве значения коэффициента стабильности светового потока СД светильника при соответствующем значении
tq.
Другие СД светильники подвергают данному испытанию. К СД светильникам применяют IEC 62717:2014 (10.2) и IEC 62717:2014/AMD2:2019 (10.2), за исключением того, что испытание на стабильность светового потока следует проводить при температуре в заданном диапазоне [нормируемое значение

нормируемое значение (
tq - 2)].
Критерии соответствия:
- измеренное значение светового потока должно быть не менее значения светового потока, определяемого нормируемым значением коэффициента стабильности светового потока, соответствующего нормируемому среднему ресурсу;
- у всех испытанных СД светильников измеренные значения должны соответствовать коэффициенту стабильности светового потока, заявленному изготовителем или ответственным поставщиком. Все СД модули испытанных СД светильников должны выдержать это испытание.
Для СД светильников применяют IEC 62717:2014 (10.3) и IEC 62717:2014/AMD2:2019 (10.3).
Испытание на ресурс проводят только для СД светильников с СД модулями, соответствие которых не подтверждено требованиям IEC 62717.
Ускоренное испытание на ресурс СД светильников с СД модулями, соответствие которых не подтверждено требованиям IEC 62717, проводят при температуре на 10 °C выше максимальной температуры tq, заявленной изготовителем или ответственным поставщиком. Для каждого испытания на ресурс по IEC 62717:2014 (10.3.2 - 10.3.4) и по IEC 62717:2014/AMD2:2019 (10.3.2 - 10.3.4) используют разные образцы СД светильников.
Если в IEC 62717:2014 (10.3) и IEC 62717:2014/AMD2:2019 (10.3) указано, что испытания проводят на СД модулях, то для целей настоящего стандарта, если применимо, вместо образцов СД модулей используют образцы СД светильников.
Минимальный объем выборки для испытаний типа должен соответствовать указанному в
таблице 3. СД светильники в выборке должны быть репрезентативными для продукции изготовителя. Если в СД светильнике характеристики светодиодов или СД модулей не изменяются, то допускается использовать результаты испытаний, представленные изготовителем этих СД источников света.
Требования к объему испытаний выборки СД светильников - по
таблице 2.
Примечание 1 - Требования к объему испытаний всей продукции находятся в стадии рассмотрения.
Таблица 3
Объем выборки СД светильников для испытаний типа
Структурный элемент настоящего стандарта (в скобках пункт или подпункт IEC 62717:2014, IEC 62717:2014/AMD1:2015 и IEC 62717:2014/AMD2:2019) | Параметр | Данные о достоверности результатов испытаний компонентов отсутствуют. Минимальный объем выборки (единиц) для испытания длительностью 25% от среднего ресурса (не более 6000 ч), шт. | СД модули, соответствие которых подтверждено требованиям IEC 62717. Минимальный объем выборки (единиц) для испытания (при наработке 0 ч), шт. |
| Рабочая температура СД модуля | 5 (используют одни и те же образцы) | 1 |
| Потребляемая мощность | 1 |
| Световой поток | 1 |
| Распределение силы света | 1 |
| Максимальная сила света | 1 |
| Угол излучения | 1 |
| Световая отдача СД светильника | 1 |
| Начальные координаты цветности источника света | - |
| Установившиеся координаты цветности источника света | - |
| Начальная КЦТ источника света | - |
| ИЦ | - |
| Коэффициент стабильности светового потока | - |
| Стойкость к циклическому изменению значения tq (при включенном СД светильнике) | 5 | - |
| Работоспособность СД светильника при переключении источника питания | 5 | - |
| Ресурс при ускоренном испытании | 5 | - |
Примечание 2 - Для СД светильников с внешним устройством управления следует учитывать потребляемую мощность на входе внешнего устройства управления, если требуется измерить мощность всей схемы (СД светильник плюс внешнее устройство управления). Измерение потребляемой мощности устройств управления проводят в соответствии с IEC 62442-3.
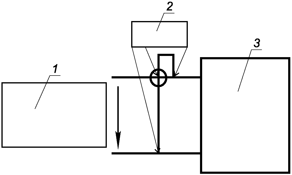
1 - испытательное напряжение на контактных зажимах СД
светильника; 2 - место для измерения потребляемой мощности;
3 - СД светильник + устройство управления
Испытательное напряжение измеряют на питающих контактных зажимах СД светильника.
a) СД светильник со встроенным устройством управления
(используют также при предварительном подключении устройства
управления к контактным зажимам СД светильника)
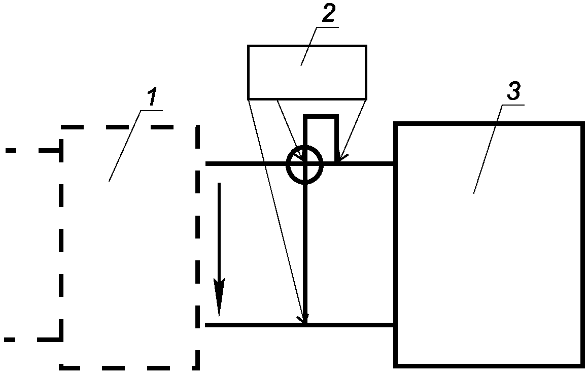
1 - устройство управления; 2 - место для измерения
потребляемой мощности; 3 - СД светильник
Испытательное напряжение, мощность или ток измеряют на питающих контактных зажимах СД светильника.
b) СД светильник с внешним устройством управления
(внешнее устройство управления не поставляется
как неотъемлемая часть светильника)
Рисунок 1 - Месторасположение контактных зажимов
для измерения потребляемой мощности
(обязательное)
МЕТОДЫ ОПРЕДЕЛЕНИЯ ХАРАКТЕРИСТИК СВЕТОДИОДНЫХ СВЕТИЛЬНИКОВ
A.1 Общие положения
Применяют IEC 62717:2014 (A.1) и IEC 62717:2014/AMD2:2019 (A.1), за исключением того, что испытания СД светильника проводят при значении tq, равном (25 +/- 1,2) °C.
Если заявленное изготовителем значение
tq отличается от 25 °C, то вводят поправочный коэффициент для корректировки измеренного значения светового потока при значении
tq, равном 25 °C, для значения светового потока, измеренного при заявленном изготовителем значении
tq. Поправочный коэффициент определяют путем проведения сравнительных измерений в испытательной камере с регулируемой температурой.
Для СД светильников допускается применять международные и региональные требования к методам испытаний и предоставлению данных. При этом формат предоставления данных не является обязательным.
A.2 Электрические характеристики
Для СД светильников применяют IEC 62717:2014 (A.2) и IEC 62717:2014/AMD2:2019 (A.2).
A.3 Светотехнические характеристики
Для СД светильников применяют IEC 62717:2014 (A.3) и IEC 62717:2014/AMD2:2019 (A.3).
(справочное)
ОБОСНОВАНИЕ РЕКОМЕНДУЕМОГО РЕСУРСА СВЕТОДИОДНЫХ СВЕТИЛЬНИКОВ
B.1 Общие положения
Ресурс СД светильников может значительно превышать срок наработки, который можно проверить при проведении испытаний. Разные изготовители заявляют различные значения снижения светового потока, что затрудняет общие методы прогнозирования ресурса СД светильников. В настоящем стандарте установлены методы испытаний СД светильников по определению коэффициента стабильности светового потока за период его снижения от начального значения до завершения эксплуатации (см.
6.1). Поскольку длительность испытания на ресурс ограничена, то по результатам испытаний невозможно однозначно подтвердить заявленный ресурс СД светильника.
Примечание - Ресурс СД светильника соответствует прогнозируемому периоду снижения светового потока встроенных в него СД источников света или количеству часов, в течение которых СД светильник будет излучать достаточное количество света, необходимого для конкретной области применения.
Ресурс СД светильника связан с надежностью его компонентов, включая электронику, материалы, корпус, провода, соединители, уплотнения и т.д. СД светильник прослужит только до тех пор, пока не выйдет из строя критический компонент с наименьшим ресурсом, например оптический элемент, светодиод и т.д. При этом СД источники света являются критическими и самыми надежными компонентами.
Если СД светильник оснащен заменяемым СД модулем, то его ресурс не зависит от ресурса СД модуля. В связи с этим ресурс СД светильника можно определить методами, применяемыми для светильников с другими источниками света.
B.2 Определение ресурса
С целью получения более точных данных об изменении светового потока при определении ресурса СД светильников постепенный и внезапный отказы следует указывать отдельно и в стандартизованной форме. Ресурс СД светильников определяют по отказам двух типов.
a) Определение ресурса по постепенному отказу (постепенному снижению светового потока)
Постепенное снижение к определенному моменту времени светового потока СД светильников, входящих в серию, называют ресурсом и обозначают как LxBy.
У СД светильников со световым потоком менее заданного коэффициента стабильности светового потока x происходит частичный отказ, поскольку они излучают меньше света, но продолжают работать. Ресурс LxB10 - это период времени, в течение которого у 10% СД светильников снижается световой поток. Период времени, в течение которого у 50% СД светильников происходит снижение светового потока, называют средним ресурсом и его обозначают как Lx. В результатах испытаний серии учитывают только СД светильники в рабочем состоянии, СД светильники в нерабочем состоянии исключают.
b) Определение ресурса по внезапному отказу (внезапному снижению светового потока или внезапному прекращению его излучения)
Внезапное снижение светового потока или внезапное прекращение его излучения у СД светильников, входящих в серию, в определенный момент времени называют наработкой до внезапного отказа и обозначают как Cy.
Рекомендуемые методы испытаний на ресурс СД модулей приведены в IEC 62717:2014 (приложение C) и IEC 62717:2014/AMD2:2019 (приложение C). Критерии соответствия СД светильников при оценке результатов испытаний - по
10.2.
(обязательное)
МЕТОДЫ ИСПЫТАНИЙ ДЛЯ ОПРЕДЕЛЕНИЯ ЭЛЕКТРИЧЕСКИХ
И СВЕТОТЕХНИЧЕСКИХ ХАРАКТЕРИСТИК СВЕТОДИОДНЫХ СВЕТИЛЬНИКОВ
C.1 Общие положения
В настоящем приложении использованы следующие обозначения и сокращения:
LUMO - базовый СД светильник: светильник, измеренные светотехнические, колориметрические и электрические характеристики которого используют в качестве эталона;
LUMD - испытуемый СД светильник: светильник, отличающийся от LUMO по некоторым параметрам или компонентам, для которого электрические и светотехнические характеристики определяют путем измерений и расчетов на основе параметров базового светильника;
ФO - световой поток LUMO;
ФD - световой поток LUMD;
PO - потребляемая мощность LUMO;
PD - потребляемая мощность LUMD;
LED_MODO - базовый СД модуль: один или несколько модулей, используемых в LUMO;
LED_MODD - испытуемый СД модуль: один или несколько модулей, используемых в LUMD;
MPO - измеренная потребляемая мощность LUMO: параметр LUMO, измеренный в заданных условиях для целей сравнения.
Примечание 1 - Измеренный фотометрический параметр - это показатель элемента системы регистрации в фотометрической измерительной системе. Данный параметр используют только для целей сравнения, поэтому не имеет значения, какую физическую величину измеряют, т.к. измерения являются относительными;
MPD - измеренная потребляемая мощность LUMD: параметр LUMD, измеренный в заданных условиях для целей сравнения.
Примечание 2 - Измеренный фотометрический параметр - это показатель элемента системы регистрации в фотометрической измерительной системе. Данный параметр используют только для целей сравнения, поэтому не имеет значения, какую физическую величину измеряют, т.к. измерения являются относительными;
КФ - коэффициент светового потока СД светильника: отношение светового потока LUMD к световому потоку LUMO.
C.2 Общие требования
Методы и условия проведения испытаний ограничены изменением одного параметра или компонента в LUMO.
C.3 Метод 1. Установка различных значений тока
C.3.1 Общие положения
Этот метод применяют, если LUMD отличается от LUMO только установленными значениями тока и если СД светильник оснащен или связан с устройством управления, с помощью которого устанавливают различные значения тока на СД модуле, а также для СД модулей, предназначенных для питания постоянным током, регулируемым только устройством управления.
При указанных выше условиях относительное распределение силы света LUMO не меняется для всех LUMD, поскольку СД светильник один и тот же, за исключением установленных различных значений тока светодиодов. Различия между LUMO и LUMD заключаются только в значении светового потока, потребляемой мощности и, следовательно, в световой отдаче.
Примечание - Предполагается, что все остальные параметры LUMO и LUMD не отличаются или их отличия незначительные, что является приемлемыми для целей настоящего стандарта.
Методами, установленными в настоящем разделе, определяют такие характеристики СД светильника, как кривые зависимости светового потока от потребляемого тока и потребляемой мощности оттока.
Этот метод позволяет интерполировать значения между различными значениями тока. Любая экстраполяция за пределы минимальных и максимальных измеренных значений не допустима.
C.3.2 Метод испытаний
C.3.2.1 Общие требования
Данным методом определяют значения ФD и PD путем измерения значений MPO и MPD при различных значениях тока.
Если для СД светильника допускается установка только двух различных значений тока, то проводят два измерения LUMO и LUMD. Если требуется установка большего числа значений тока, то испытание проводят как минимум при трех различных значениях: максимального значения тока LUMO и как минимум при двух других различных значениях тока, которые охватывают весь диапазон (например, минимальное и среднее значения).
Разница между значениями тока должна составлять не более 40% от максимального значения тока. Для промежуточных значений допускается линейная интерполяция между двумя соседними измеренными значениями. Если минимальное значение составляет менее 20% от максимального значения тока, то следует применять более трех значений тока.
C.3.2.2 Проведение испытаний
Для проведения испытаний применяют данные испытанного LUM
O (в соответствии с
разделами 7 и
8) с одним значением тока (как правило, значение максимального тока), полученным ранее.
Испытуемым образцом является LUMO, который устанавливают в фиксированное положение:
- на гониофотометре силу света измеряют в одном направлении в той области, в которой изменение силы света незначительное, например в 0° или вблизи направления максимальной силы света. Это направление должно оставаться постоянным во время измерений;
- в интегрирующей сфере положение LUMO должно оставаться постоянным во время измерений.
Примечание - При проведении относительных измерений одного и того же LUMO допускается не учитывать ограничение, связанное с его максимально допустимым размером по сравнению с размером интегрирующей сферы.
При подаче тока на СД модуль, используемый для испытания LUM
O, измеряют значения
MPO (относительное значение силы света в гониофотометре или относительное значение светового потока в сфере) и
PO с последующим измерением этих параметров при различных значениях тока. Световой поток LUM
O должен быть стабилизирован после любого изменения значения тока и перед измерением в соответствии с методами испытаний, приведенными в
приложении A.
C.3.2.3 Расчет производных параметров
Значение светового потока ФD(x) при других установленных значениях тока вычисляют по формуле

,
где x - значение тока при каждом измерении.
По результатам трех измерений и более можно получить кривые "световой поток-ток" и "потребляемая мощность-ток" (см.
рисунок C.1).
Световой поток и мощность в промежуточных (если применимо) точках установки значений тока (A, B, C, ...) рассчитывают путем линейной интерполяции между ближайшими измеренными значениями, как показано на
рисунке C.2.
C.3.3 Применение метода 1 с использованием гониофотометра
Методом 1 с использованием гониофотометра определяют значения ФD и PD, сравнивая показания приборов при различных значениях потребляемого тока LUMO. Испытание проводят нижеприведенным образом.
a) Проведение испытаний
LUM
O проверяют в соответствии с
разделами 7 и
8 путем проведения полных измерений при одном значении тока (как правило, максимальном). Затем, не выполняя никаких регулировок LUM
O, устанавливают его в фиксированное положение таким образом, чтобы прибор измерял силу света в одном направлении, близком к направлению максимальной силы света. В этом положении LUM
O измеряют значения
MPO и
PO.
При том же положении LUMO изменяют значение тока и проводят те же измерения на LUMD, получая значения MPD и PD. После любого изменения положения светильника его излучение должно быть стабилизировано, как это требуется при проведении фотометрических измерений в соответствии со стандартной методикой.
b) Расчет производных параметров
Применяют метод расчета по
C.3.2.3.

- световой поток-ток

- потребляемая мощность-ток
Рисунок C.1 - Пример кривых зависимости светового потока
от тока (синий цвет) и потребляемой мощности оттока
(оранжевый цвет), полученных по результатам
измерений LUMO или LUMD

- световой поток-ток

- потребляемая мощность-ток
Черные точки - измеренные значения, синие
и оранжевые точки - интерполированные значения (D)
Рисунок C.2 - Пример кривых зависимости светового потока
оттока (синим цветом) и потребляемой мощности оттока
(оранжевым цветом)
C.4 Метод 2. Бинирование характеристик (определение светового потока, коррелированной цветовой температуры и индекса цветопередачи) корпусированных светодиодов (сборок светодиодов) или светодиодных модулей
C.4.1 Общие требования
Метод 2 применяют для испытаний корпусированных светодиодов (СД сборок), используемой в LUMD и отличающейся по определенной характеристике от корпусированных светодиодов (СД сборок) LUMO. Метод 2 применяют только в том случае, если корпусированные светодиоды (СД сборки) не различаются по геометрическим параметрам (имеют одинаковый дизайн чипа или модели светодиода, геометрию, размеры, материалы) и по относительному распределению силы света. Применяют три варианта метода 2 с разными значениями:
- светового потока;
- КЦТ;
- ИЦ.
Этот метод не применяют, если СД светильник оснащен селективной вторичной оптикой, чувствительной к длине волны.
Если в LUMO и LUMD применены идентичные СД чипы, то входная мощность СД модуля остается неизменной, и, следовательно, выполнять дальнейший расчет значения PD не требуется.
C.4.2 Вариант I метода 2 (определение коэффициента светового потока светодиодных модулей)
C.4.2.1 Общие положения
Применяя вариант I метода 2, рассчитывают значение КФ путем сравнения светового потока LED_MODD со световым потоком LED_MODO. Если коэффициент КФ СД светильника постоянен, то световой поток LUMD рассчитывают путем умножения значения светового потока LUMO на коэффициент КФ.
Вариант I метода 2 применяют только для СД модулей, предназначенных для питания постоянным током, в которых ток регулируется только устройством управления.
C.4.2.2 Проведение испытаний
Вариант I метода 2 основан на сравнении измеренных параметров LED_MODO и LED_MODD, установленных в одном и том же положении в фотометрической измерительной системе:
- при использовании гониофотометра силу света измеряют в одном направлении в той области, в которой изменение силы света не значительно, например при 0° или вблизи направления максимальной интенсивности. Это направление должно оставаться постоянным во время измерений;
- измерении в интегрирующей сфере положение СД модулей должно оставаться постоянным.
Для обеспечения теплового режима СД модулей и для того, чтобы они работали при одинаковой температуре tp (tp не должна отличаться более чем на 5 °C), следует подавать одинаковый ток.
Измерение проводят при значении тока, на которое рассчитан СД светильник, в котором предполагают установить СД модуль, или при максимальном значении тока СД светильника.
По показаниям фотометрических приборов измеряют значения MPO для LED_MODO и MPD для LED_MODD.
При измерениях с применением гониофотометра рекомендуется сравнивать общие световые потоки для снижения возможной погрешности измерений, связанной с изменением положения СД модуля.
C.4.2.3 Расчет производных параметров
Коэффициент светового потока КФ вычисляют по формуле

.
Коэффициент КФ допускается применять для вычисления светового потока ФD LED_MODD из светового потока ФO LED_MODO по формуле
ФD = КФ·ФO.
Коэффициент КФ допускается использовать для расчета ФO LUMD.
Измерения следует проводить на трех - пяти образцах СД модулей для расчета среднего значения с учетом разброса параметров.
C.4.3 Вариант II метода 2 (определение коэффициента светового потока светодиодных светильников)
C.4.3.1 Общие положения
Применяя вариант II метода 2, можно рассчитать коэффициент КФ по варианту I, но с использованием вместо LED_MODO и LED_MODD светильников LUMO и LUMD. Световой поток LUMD рассчитывают путем умножения светового потока LUMO на КФ.
Примечание - Этот вариант метода 2 применяют в том случае, если измеряемый фотометрический параметр (например, сила света) пропорционален световому потоку, который требуется для того, чтобы определить КФ для расчета ФD светильника.
C.4.3.2 Проведение испытаний
Применяют
C.4.2.2, но заменяют СД модули на СД светильники.
C.4.3.3 Расчет производных параметров
Применяют
C.4.2.3 с учетом измеренных фотометрических параметров, значений
MPD и
MPO СД светильников вместо СД модулей.
C.4.4 Вариант III метода 2 [определение коэффициента светового потока корпусированных светодиодов (сборок светодиодов)]
C.4.4.1 Общие положения
Применяя вариант III метода 2, можно рассчитать коэффициент КФ путем сравнения результатов измерений корпусированных светодиодов (СД сборок) по CIE 235. Полученные результаты измерений корпусированных светодиодов (СД сборок), используемых в LUMO, сравнивают с теми же результатами корпусированных светодиодов (СД сборок), используемых в LUMD.
C.4.4.2 Проведение испытаний
Применяют
C.4.2.2, при этом измерения выполняют по CIE 235.
C.4.4.3 Расчет производных параметров
C.5 Метод 3. Использование иного устройства управления светодиодами или дополнительных электрических компонентов
C.5.1 Общие положения
Метод 3 применяют в случае отличия LUMD от LUMO устройством управления светодиодами или наличием дополнительных электрических компонентов. Данный метод применяют только в том случае, если СД модуль LUMO идентичен СД модулю LUMD и работает в тех же рабочих условиях, включая ток потребления.
Вариант I метода 3 применяют в случае использования различных устройств управления светодиодами; вариант II метода 3 - в случае установки дополнительных электрических компонентов внутри СД светильника.
C.5.2 Использование иного устройства управления светодиодами
В отдельных случаях в конкретном СД светильнике необходимо заменить или использовать альтернативное устройство управления СД модулем.
При замене устройства управления, даже если ток на светодиодах одинаковый, значение PD может отличаться от значения PO. Следовательно, световая отдача будет отличаться, но относительное распределение силы света не изменится, и при выполнении приведенных ниже условий испытаний общий световой поток также не изменится.
Общий световой поток не изменяется, если выполнены следующие условия:
- ток СД модуля в СД светильнике находится в пределах +/- 2,5% от тока СД модуля в LUMO;
- значение tp СД модуля не изменяется более чем на 5 °C.
Примечание - Вышеуказанные условия гарантируют, что различные мощности компонентов внутри СД светильника не повлияют на работу и температуру СД модуля.
Входную мощность LUM
D измеряют в соответствии
разделом 7. Все остальные параметры принимают такими же, как у LUM
O.
C.6 Применение методов 1, 2 и 3 к светодиодным светильникам одной серии
Методы 1, 2 и 3 применяют в условиях и с ограничениями, приведенными в
C.3 -
C.5, и их результаты допускается распространять на СД светильники одной серии, в которых используют разную вторичную оптику для получения различного распределения силы света и светового потока.
Примечание - Разная вторичная оптика не влияет на зависимость характеристик СД светильников от изменения тока.
Эти методы применяют для расчета светового потока и потребляемой мощности при различных значениях тока (см. метод 1) или при различных параметрах (см. методы 2 и 3) для СД светильников, имеющих:
- одинаковый корпус: теплоотвод и одинаковые основные характеристики (например, материал, форма, дизайн);
- температуру СД модуля, не изменяющуюся более чем на 5 °C;
- разную вторичную оптику.
В этом случае входную мощность, световой поток и распределение силы света для каждого СД светильника с разной оптикой измеряют как для LUMO, а производные параметры ФD и PD рассчитывают с применением вышеуказанных методов.
C.7 Применение методов, установленных в настоящем приложении
Применение методов, установленных в настоящем приложении, и параметров СД светильников, которые определяют на основе характеристик LUMO, приведено в таблице C.1.
Таблица C.1
Применение методов, установленных в настоящем приложении,
и параметров СД светильников, которые определяют
на основе характеристик LUMO
Структурный элемент настоящего стандарта (в скобках пункт IEC 62717:2014, IEC 62717:2014/AMD1:2015 и IEC 62717:2014/AMD2:2019) | LUMO | LUMD |
Установка различных значений тока | Разные значения светового потока | Разные значения КЦТ | Разные значения ИЦ | Разные устройства управления светодиодами | Дополнительные электрические компоненты | Разная вторичная оптика |
| Рабочая температура СД модуля | Аналогично LUMO | Аналогично LUMO | Аналогично LUMO | Аналогично LUMO | Аналогично LUMO | Аналогично LUMO | Аналогично LUMO |
| Потребляемая мощность | | Аналогично LUMO | Аналогично LUMO | Аналогично LUMO | Измеряют | Измеряют | Аналогично LUMO |
| Общий световой поток | | | | | Аналогично LUMO | Аналогично LUMO | Измеряют |
| Распределение силы света | Аналогично LUMO | Аналогично LUMO | Аналогично LUMO | Аналогично LUMO | Аналогично LUMO | Аналогично LUMO | Измеряют |
| Максимальное(ые) значение(я) сила света | | | | | Аналогично LUMO | Аналогично LUMO | Измеряют |
| Угол излучения | Аналогично LUMO | Аналогично LUMO | Аналогично LUMO | Аналогично LUMO | Аналогично LUMO | Аналогично LUMO | Измеряют |
| Световая отдача | Рассчитывают | Рассчитывают | Рассчитывают | Рассчитывают | Рассчитывают | Рассчитывают | Рассчитывают |
| Начальные координаты цветности источника света | Аналогично LUMO | Аналогично LUMO | Измеряют | Измеряют | Аналогично LUMO | Аналогично LUMO | Аналогично LUMO |
| Установившиеся координаты цветности источника света | Аналогично LUMO | Аналогично LUMO | Измеряют | Измеряют | Аналогично LUMO | Аналогично LUMO | Аналогично LUMO |
| Начальная КЦТ источника света | Аналогично LUMO | Аналогично LUMO | Измеряют | Измеряют | Аналогично LUMO | Аналогично LUMO | Аналогично LUMO |
| ИЦ | Аналогично LUMO | Аналогично LUMO | Измеряют | Измеряют | Аналогично LUMO | Аналогично LUMO | Аналогично LUMO |
| Коэффициент сохранения светового потока | Аналогично LUMO | Аналогично LUMO | Аналогично LUMO | Аналогично LUMO | Измеряют | Аналогично LUMO | Аналогично LUMO |
| Стойкость к циклическому изменению значения tq (при включенном СД светильнике) | Аналогично LUMO | Аналогично LUMO | Аналогично LUMO | Аналогично LUMO | Измеряют | Аналогично LUMO | Аналогично LUMO |
| Работоспособность СД светильника при переключении источника питания | Аналогично LUMO | Аналогично LUMO | Аналогично LUMO | Аналогично LUMO | Измеряют | Аналогично LUMO | Аналогично LUMO |
| Ресурс при ускоренном испытании | Аналогично LUMO | Аналогично LUMO | Аналогично LUMO | Аналогично LUMO | Измеряют | Аналогично LUMO | Аналогично LUMO |
(справочное)
СВЕДЕНИЯ О СООТВЕТСТВИИ ССЫЛОЧНЫХ МЕЖДУНАРОДНЫХ СТАНДАРТОВ
МЕЖГОСУДАРСТВЕННЫМ СТАНДАРТАМ
Таблица ДА.1
Обозначение ссылочного международного стандарта | Степень соответствия | Обозначение и наименование соответствующего межгосударственного стандарта |
IEC 60598-1:2020 | - | |
IEC 60598-2-3:2002 | IDT | |
IEC 60598-2-5:2015 | - | |
IEC 62031:2018 | IDT | ГОСТ IEC 62031-2022 "Модули светодиодные для общего освещения. Требования безопасности и методы испытаний" |
IEC 62717:2014 | IDT | ГОСТ IEC 62717-2017 "Модули со светоизлучающими диодами для общего освещения. Требования к эксплуатационным характеристикам" <3> |
IEC 62722-1 | IDT | |
<*> Соответствующий межгосударственный стандарт отсутствует. До его принятия рекомендуется использовать перевод на русский язык данного международного стандарта. Примечание - В настоящей таблице использовано следующее условное обозначение степени соответствия стандартов: - IDT - идентичные стандарты. |
--------------------------------
<1> Действует
ГОСТ IEC 60598-1-2017 "Светильники. Часть 1. Общие требования и методы испытаний", идентичный IEC 60598-1:2014.
<2> В Российской Федерации действует
ГОСТ Р МЭК 60598-2-5-2021 "Светильники. Часть 2-5. Частные требования. Прожекторы заливающего света", идентичный IEC 60598-2-5:2015.
<3> В Российской Федерации действует
ГОСТ Р 56230-2014/IEC/PAS 62717:2011 "Модули светодиодные для общего освещения. Эксплуатационные требования", идентичный IEC/PAS 62717:2011.
IEC 60050-845, International Electrotechnical Vocabulary (IEV) - Part 845: Lighting [Международный электротехнический словарь (IEV). Часть 845. Освещение], доступный на http://www.electropedia.org/ |
IEC 62442-3, Energy performance of lamp controlgear - Part 3: Controlgear for tungsten - halogen lamps and LED light sources - Method of measurement to determine the efficiency of controlgear (Энергетические характеристики устройств управления для галогенных ламп накаливания и светодиодных источников света. Часть 3. Устройства управления для галогенных ламп накаливания и светодиодных источников света. Метод измерения для определения эффективности устройств управления) |
УДК 621.316:006.354 | | IDT |
Ключевые слова: светильники со светодиодными модулями, частные требования к характеристикам, методы испытаний |