Главная // Актуальные документы // Актуальные документы (обновление с 29.09.2025 по 01.11.2025) // ГОСТ (Государственный стандарт)СПРАВКА
Источник публикации
М.: ФГБУ "Институт стандартизации", 2025
Примечание к документу
Документ
вводится в действие с 01.07.2026.
Взамен ГОСТ 31507-2012.
Название документа
"ГОСТ 31507-2025. Межгосударственный стандарт. Автомобильные транспортные средства. Управляемость и устойчивость. Технические требования и методы испытаний"
(введен в действие Приказом Росстандарта от 14.08.2025 N 882-ст)
"ГОСТ 31507-2025. Межгосударственный стандарт. Автомобильные транспортные средства. Управляемость и устойчивость. Технические требования и методы испытаний"
(введен в действие Приказом Росстандарта от 14.08.2025 N 882-ст)
агентства по техническому
регулированию и метрологии
от 14 августа 2025 г. N 882-ст
МЕЖГОСУДАРСТВЕННЫЙ СТАНДАРТ
АВТОМОБИЛЬНЫЕ ТРАНСПОРТНЫЕ СРЕДСТВА
УПРАВЛЯЕМОСТЬ И УСТОЙЧИВОСТЬ
ТЕХНИЧЕСКИЕ ТРЕБОВАНИЯ И МЕТОДЫ ИСПЫТАНИЙ
Motor vehicles. Handling and stability.
Technical requirements and test methods
ГОСТ 31507-2025
Дата введения
1 июля 2026 года
Цели, основные принципы и общие правила проведения работ по межгосударственной стандартизации установлены
ГОСТ 1.0 "Межгосударственная система стандартизации. Основные положения" и
ГОСТ 1.2 "Межгосударственная система стандартизации. Стандарты межгосударственные, правила и рекомендации по межгосударственной стандартизации. Правила разработки, принятия, обновления и отмены"
1 РАЗРАБОТАН Федеральным государственным унитарным предприятием "Центральный ордена Трудового Красного Знамени научно-исследовательский автомобильный и автомоторный институт "НАМИ" (ФГУП "НАМИ")
2 ВНЕСЕН Межгосударственным техническим комитетом по стандартизации МТК 56 "Дорожный транспорт"
3 ПРИНЯТ Межгосударственным советом по стандартизации, метрологии и сертификации (протокол от 31 июля 2025 г. N 187-П)
За принятие проголосовали:
Краткое наименование страны по МК (ИСО 3166) 004-97 | Код страны по МК (ИСО 3166) 004-97 | Сокращенное наименование национального органа по стандартизации |
Армения | AM | ЗАО "Национальный орган по стандартизации и метрологии" Республики Армения |
Беларусь | BY | Госстандарт Республики Беларусь |
Киргизия | KG | Кыргызстандарт |
Россия | RU | Росстандарт |
Таджикистан | TJ | Таджикстандарт |
Узбекистан | UZ | Узбекское агентство по техническому регулированию |
4
Приказом Федерального агентства по техническому регулированию и метрологии от 14 августа 2025 г. N 882-ст межгосударственный стандарт ГОСТ 31507-2025 введен в действие в качестве национального стандарта Российской Федерации с 1 июля 2026 г.
5 ВЗАМЕН ГОСТ 31507-2012
Информация о введении в действие (прекращении действия) настоящего стандарта и изменений к нему на территории указанных выше государств публикуется в указателях национальных стандартов, издаваемых в этих государствах, а также в сети Интернет на сайтах соответствующих национальных органов по стандартизации.
В случае пересмотра, изменения или отмены настоящего стандарта соответствующая информация будет опубликована на официальном интернет-сайте Межгосударственного совета по стандартизации, метрологии и сертификации в каталоге "Межгосударственные стандарты"
Настоящий стандарт распространяется на автомобильные транспортные средства (далее - АТС) категорий M, N и O в соответствии с
[1], кроме АТС:
- имеющих максимальную скорость менее 40 км/ч;
- прицепов-тяжеловозов и полуприцепов-тяжеловозов;
- не предназначенных для эксплуатации на дорогах общего пользования.
Настоящий стандарт устанавливает технические требования в отношении управляемости и устойчивости АТС и методы испытаний.
В настоящем стандарте использованы нормативные ссылки на следующие межгосударственные стандарты:
ГОСТ 15467 Управление качеством продукции. Основные понятия. Термины и определения
ГОСТ 16504 Система государственных испытаний продукции. Испытания и контроль качества продукции. Основные термины и определения
ГОСТ 17697 Автомобили. Качение колеса. Термины и определения
Примечание - При пользовании настоящим стандартом целесообразно проверить действие ссылочных стандартов и классификаторов на официальном интернет-сайте Межгосударственного совета по стандартизации, метрологии и сертификации (www.easc.by) или по указателям национальных стандартов, издаваемым в государствах, указанных в предисловии, или на официальных сайтах соответствующих национальных органов по стандартизации. Если на документ дана недатированная ссылка, то следует использовать документ, действующий на текущий момент, с учетом всех внесенных в него изменений. Если заменен ссылочный документ, на который дана датированная ссылка, то следует использовать указанную версию этого документа. Если после принятия настоящего стандарта в ссылочный документ, на который дана датированная ссылка, внесено изменение, затрагивающее положение, на которое дана ссылка, то это положение применяется без учета данного изменения. Если ссылочный документ отменен без замены, то положение, в котором дана ссылка на него, применяется в части, не затрагивающей эту ссылку.
В настоящем стандарте применены термины по
ГОСТ 17697 и
ГОСТ 16504, а также следующие термины с соответствующими определениями:
3.1 скорость автомобильного транспортного средства v: Линейная скорость центра масс АТС.
3.2
заброс угловой скорости автомобильного транспортного средства
: Превышение угловой скорости АТС над установившимся ее значением, возникающим при переходе от прямолинейного движения к движению по окружности.
3.3 усилие на рулевом колесе Fн: Усилие, приложенное в касательном направлении к ободу рулевого колеса в его плоскости, необходимое для его поворота или предотвращения поворота.
3.4 стабилизация рулевого управления: Свойство рулевого управления, заключающееся в самостоятельном возвращении выведенных из нейтрального положения управляемых колес и рулевого колеса в нейтральное положение, соответствующее прямолинейному движению АТС, после снятия усилия с рулевого колеса.
3.5 передаточное число рулевого управления is: Отношение угла поворота рулевого колеса к среднему углу поворота управляемых колес, которое может определиться при любом значении угла поворота рулевого колеса.
3.6 прицеп (полуприцеп)-тяжеловоз: АТС категории O, предназначенное для перевозки неделимых крупногабаритных, в том числе негабаритных тяжеловесных, грузов массой 20 т и более.
3.7 специализированное автомобильное транспортное средство: АТС, предназначенное для перевозки определенных видов грузов (нефтепродукты, пищевые жидкости, сжиженные углеводородные газы, пищевые продукты и т.д.).
3.8 габаритный радиус автомобильного транспортного средства: Радиус окружности, которую описывает на горизонтальной опорной поверхности наиболее удаленная от центра поворота точка АТС во время его движения по окружности.
Примечание - Проекции выступающих частей кузова типа зеркал заднего вида при измерении габаритного радиуса не учитывают.
3.9 база автомобильного транспортного средства: Расстояние между центрами колес осей при максимальной массе АТС (для полуприцепа - расстояние между осью шкворня и первой от шкворня осью).
3.10
автомобильные транспортные средства повышенной проходимости: АТС категории G по
[1].
3.11 тип автомобильного транспортного средства в отношении управляемости и устойчивости: АТС одной марки, типа и изготовителя, не имеющие существенных различий в отношении следующих характеристик:
а) категории АТС;
б) колесной формулы;
в) типа привода;
г) массы и ее распределения по осям, высоте центра масс;
д) габаритных размеров;
е) базы;
ж) колеи;
и) электронных систем контроля устойчивости АТС;
к) рулевого управления:
1) конструкции элементов рулевого привода и геометрии их установки;
2) рулевого механизма и его передаточного отношения;
3) усилителя и (или) демпфера;
4) автоматических систем, влияющих на рулевое управление;
л) подвески и ее геометрии:
1) направляющих, демпфирующих и упругих элементов, стабилизаторов;
2) начальной регулировки параметров подвески;
3) автоматических систем изменения параметров подвески;
м) шин:
1) размера;
2) конструкции шин;
3) категории скорости и индекса грузоподъемности;
4) области применения (летние, зимние, всесезонные, универсальные, повышенной проходимости, спортивные, запасные временного использования, специальные).
3.12
угловая скорость автомобильного транспортного средства
: Скорость вращения АТС вокруг вертикальной оси, проходящей через центр масс.
4.1 Усилие на рулевом колесе
Усилие на рулевом колесе АТС категорий M и N не должно превышать значений, указанных в таблице 1.
Таблица 1
Предельные величины усилий на рулевом колесе
Категория АТС | Усилие на рулевом колесе, H, не более |
Неподвижное АТС | Движущееся АТС |
без рулевого усилителя | с рулевым усилителем | с исправным рулевым управлением | при отказе усилителя |
M1 | 200 | 60 | 150 | 300 |
M2 | 250 |
M3 | 350 | 250 | 200 | 450 |
N1 | 300 | 180 | 300 |
N2 | 350 | 250 | 400 |
N3 | 250 | 200 | |
<*> Для АТС с двумя или большим числом мостов (осей) с управляемыми колесами допускается усилие 500 H. |
4.2 Стабилизация рулевого управления
4.2.1 Требования распространяются на АТС категорий M и N.
4.2.2 Угол поворота рулевого колеса после его освобождения не должен увеличиваться.
4.2.3 Управляемые колеса и рулевое колесо должны самостоятельно возвращаться в сторону нейтрального положения.
4.2.4 Максимальное значение угла поворота рулевого колеса, не достигшего нейтрального положения в течение 6 с после его освобождения, не должно превышать 30% величины угла поворота рулевого колеса, соответствующего движению АТС по окружности радиусом 50 м.
4.2.5 Процесс возврата рулевого колеса через нейтральное положение не должен быть колебательным. Допускается один переход рулевого колеса через нейтральное положение в любом из заездов.
4.3 Поперечная статическая устойчивость при испытаниях "опрокидывание на стенде"
4.3.1 Требования распространяются на АТС категорий M, N, O (применительно к категории M1 - только на АТС повышенной проходимости, применительно к категории O для полуприцепов - только в составе автопоезда).
4.3.2 Показателями поперечной статической устойчивости против опрокидывания АТС являются:
- угол статической устойчивости

- угол наклона опорной поверхности опрокидывающей платформы относительно горизонтальной плоскости, при котором произошел отрыв всех колес одной стороны одиночного АТС или всех колес одной стороны одного из звеньев автопоезда (АТС с прицепом/полуприцепом) от опорной поверхности;
- угол крена подрессоренных масс

- угол между опорной поверхностью опрокидывающей платформы и поперечной осью подрессоренных масс, проходящей через центр масс АТС, полученный в результате наклона АТС на опрокидывающей платформе.
4.3.3 Величина угла

статической устойчивости АТС против опрокидывания, полученная в результате испытаний, должна быть не меньше нормативного значения

, зависящего от коэффициента
qs поперечной устойчивости АТС.
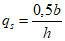
Коэффициент поперечной статической устойчивости qs вычисляют по формуле

, (1)
где
b - колея колес, приведенная к поперечному сечению АТС в плоскости, проходящей через его центр масс (см.
рисунок 1), мм;
h - высота центра масс над опорной поверхностью, мм.
Величину приведенной колеи колес полуприцепа вычисляют как среднее между серединами наружных колес задней оси (тележки) тягача и серединами наружных колес оси (тележки) полуприцепа.
Ц.М. - центр масс
Рисунок 1 - Схемы определения величины приведенной колеи
b
4.3.4 Высоту центра масс вычисляют по формуле

, (2)
где hк.п - высота оси крена над опорной поверхностью в поперечном сечении, проходящем через центр масс, мм;

- боковое смещение центра масс, определяемое по результатам измерений боковой деформации шин, мм.
При отсутствии точных данных величина hк.п может быть принята равной статическому радиусу колеса АТС.
При определении соответствия величины угла

нормативным значениям

, АТС всех категорий, в зависимости от коэффициента поперечной устойчивости (большего или меньшего единицы), разделены на две группы, каждой из которых соответствует своя зависимость

:

, (3)

, (4)

.
График зависимостей
(3) и
(4) для АТС различных категорий приведен на рисунке 2.
А - диапазон значений qs для автокранов,
автобетоносмесителей, рефрижераторов, контейнеровозов
категории N3, двухэтажных АТС категории M3; А1 - диапазон
значений qs для автомобилей-цистерн категории N3,
прицепов-цистерн категорий O3, O4; Б - диапазон значений qs
для рефрижераторов, самосвалов категории N3, одноэтажных АТС
категории M3, прицепов категорий O3, O4; В - диапазон
значений qs для автокранов, самосвалов, рефрижераторов
категории N1, N2, бортовых АТС категории N3, АТС категории M2
и прицепов категории O2; Г - диапазон значений qs
для бортовых АТС категорий N1, N2, фургонов категории АТС
повышенной проходимости категории M1; Д - диапазон значений qs
для АТС категории M1 (за исключением АТС повышенной
проходимости), прицепов категории O1
Рисунок 2 - Зависимость угла

опрокидывания АТС
на стенде от коэффициента поперечной устойчивости qs
АТС различных категорий и типов
(зоны А, А1, Б, В, Г, Д приведены для справок)
Для автомобилей-контейнеровозов, предназначенных для эксплуатации на магистральных автомобильных дорогах общегосударственного значения (в том числе для международного сообщения), республиканского, областного (краевого) значения, при загрузке более 0,8 полного объема контейнера и расположении центра масс балласта в геометрическом центре контейнера минимальное допустимое значение

равно 19°.
4.3.5 Угол крена

подрессоренных масс определяют при угле наклона платформы, при котором происходит отрыв всех колес одной стороны одиночного АТС или всех колес одного из звеньев автопоезда от опорной поверхности. Максимальное допустимое значение угла крена

подрессоренных масс в центре масс АТС, полученное в результате испытаний, не должно превышать предельных значений

, заданных в зависимости от коэффициента поперечной устойчивости
qs.
При этом АТС всех категорий (аналогично
4.3.4) разделены на две группы, каждой из которых соответствует своя зависимость

:
- при  | |
- при  . | |
Критерием соответствия нормативным требованиям данного стандарта является условие

, (6)
где

- предельно допустимое значение угла крена.
График зависимостей
(5) и
(6) представлен на рисунке 3.
Рисунок 3 - Зависимость угла крена

подрессоренных
масс АТС от коэффициента поперечной устойчивости qs
4.4 Устойчивость при испытаниях "рывок руля"
4.4.1 Требования распространяются на АТС (за исключением троллейбусов) категорий M и N.
4.4.2 Курсовую устойчивость оценивают характеристиками поворачиваемости и чувствительности к управлению АТС, забросом угловой скорости и временем 90%-ной реакции по угловой скорости.
4.4.3 Характеристика поворачиваемости и чувствительности к управлению АТС представляет собой зависимость угла поворота рулевого колеса

от установившегося бокового ускорения

.
4.4.4 Углы поворота рулевого колеса, определенные по
4.4.3 для АТС категорий M
1, M
2 и N
1, должны находиться в пределах, установленных в таблице 2.
Таблица 2
Предельные величины углов поворота
рулевого колеса для АТС категорий M1, M2, N1
Боковое ускорение, м/с2 | Радиус траектории, м (для справок) | Угол поворота рулевого колеса, ...° |
минимальный | максимальный |
1 | 500 | | |
2 | 250 | | |
4 | 125 | | |
где L - база АТС, м; is - среднее передаточное число рулевого управления. |
4.4.5 Углы поворота рулевого колеса, определенные по
4.4.3 для АТС категорий M
3, N
2 и N
3, должны находиться в пределах, установленных в таблице 3.
Таблица 3
Предельные величины углов поворота
рулевого колеса для АТС категорий M3, N2, N3
Боковое ускорение, м/с2 | Радиус траектории, м (для справок) | Угол поворота рулевого колеса, ...° |
минимальный | максимальный |
1 | 280 | | |
2 | 140 | | |
где L - база АТС, м; is - передаточное число рулевого управления. |
4.4.6 Заброс угловой скорости АТС вычисляют по формуле

. (7)
Заброс угловой скорости

АТС над установившимся значением не должен превышать указанного в таблице 4.
Таблица 4
Предельные величины заброса угловой скорости АТС
Категория АТС | Значение заброса  угловой скорости, %, не более, при установившемся боковом ускорении  , м/с 2 |
2 | 4 |
M1, M2, N1 | 30 | 80 |
M3, N2, N3 | 10 | - |
4.4.7 Характеристика времени 90%-ной реакции АТС

.
90%-ная реакция при боковых ускорениях от 2 до 4 м/с2 не должна превышать:
0,3 с - для АТС категорий M1, M2, N1;
2,0 с - для АТС категорий M3, N2, N3.
4.5 Управляемость и устойчивость при испытаниях "поворот" и "переставка"
4.5.1 Требования распространяются на АТС категорий M, N и O (категории O - в составе автопоезда).
4.5.2 Максимальную скорость АТС при выполнении маневра (далее - скорость маневра
v'м) определяют как среднее арифметическое значение скоростей трех заездов с наибольшей скоростью, при которых не было выхода за пределы разметки или отрыва одного из колес АТС от поверхности дороги.
При выполнении маневров на АТС категории M1 не должен происходить отрыв всех колес одной из сторон от поверхности дороги.
4.5.3 Величины
v'м, полученные при испытаниях, не должны быть ниже нормативных значений
vм (см.
приложение А).
4.5.4 Для специализированных АТС нормативные значения скоростей выполнения маневров "поворот" и "переставка" снижают на 5%.
4.5.5 При выполнении маневра "поворот" не должны возникать незатухающие курсовые колебания у АТС всех категорий.
4.5.6 При значении
v'м для испытуемого АТС ниже нормативного значения
vм не более чем на 10%, возможность эксплуатации испытуемого АТС на дорогах общего пользования определяют по результатам испытаний "пробег" в соответствии с
4.7.
4.5.7 При значении v'м для испытуемого АТС ниже нормативного значения vм более 10% эксплуатация на дорогах общего пользования не допускается.
4.6 Управляемость при испытаниях "прямая"
4.6.1 Требования распространяются на АТС категорий M и N, в том числе в составе автопоезда.
4.6.2 Средняя угловая скорость корректирующих поворотов рулевого колеса

при движении по полосе заданной ширины не должна превышать значений, указанных в таблице 5.
Таблица 5
Предельные величины средних угловых скоростей
Категория АТС | Значения средних угловых скоростей  , °/с, не более |
M1, N1 | 7 |
M2 | 10 |
M3, N2, N3 | 14 |
4.7 Управляемость и устойчивость автомобильных транспортных средств при испытаниях "пробег" в эксплуатационных режимах движения
4.7.1 Испытания "пробег" проводят для определения допустимых скоростей в эксплуатационных режимах движения, если по результатам испытаний "поворот" и "переставка" (в соответствии с
4.5) скорости маневров
vм АТС ниже нормативных значений.
4.7.2 Требования распространяются на АТС всех категорий (категории O - в составе автопоезда).
4.7.3 Управляемость и устойчивость АТС в эксплуатационных режимах движения оценивают эксперты-испытатели в баллах по пятибалльной шкале (см.
приложение Б). Оценки показателей должны быть не ниже рекомендованных значений.
4.7.4 При оценке любого из показателей ниже 3,5 балла испытания повторяют еще двое испытателей.
4.7.5 Если в результате испытаний оценки отдельных показателей оказались ниже значений, приведенных в
приложении Б, АТС может быть допущено к эксплуатации на дорогах общего пользования при условии ограничения эксплуатационной скорости, обеспечивающей требуемый уровень оценок показателей. Это ограничение указывают в протоколе испытаний.
5.1 Требования к средствам измерений и испытательному оборудованию, погрешности измерений
5.1.1 Погрешности средств измерений не должны превышать значений, указанных в таблице 6, для соответствующих диапазонов измерений.
Таблица 6
Допустимые значения погрешности измерений
Измеряемый параметр | Диапазон измерений | Погрешность, не более | Вид испытаний |
Угол поворота рулевого колеса, ° | +/- 1080 | +/- 2 | Определение усилия на рулевом колесе (5.3) |
+/- 270 | +/- 1 | Испытания "стабилизация" (5.4), "рывок руля" (5.6), "поворот" и "переставка" (5.7) |
+/- 30 | +/- 0,5 | |
Усилие на рулевом колесе, даН | без усилителя | +/- 70 | +/- 1 | Определение усилия на рулевом колесе (5.3) |
с усилителем | +/- 30 | +/- 0,5 |
Скорость АТС, км/ч | от 10 до 150 | +/- 0,5 | Определение усилия на рулевом колесе (5.3). |
Угловая скорость АТС, °/с | +/- 60 | +/- 0,5 | Испытания "рывок руля" (5.6) |
Боковое ускорение, м/с2 | +/- 10 | +/- 0,15 |
Угол крена АТС, ° | +/- 15 | +/- 0,25 | Испытания "опрокидывание на стенде" (5.5) |
Угол наклона платформы стенда-опрокидывателя, ° | +/- 70 | +/- 0,25 |
Линейные размеры, мм | до 500 | +/- 3 | Испытания "опрокидывание на стенде" (5.5), "поворот" и "переставка" (5.7), "прямая" (5.8) |
св. 500 до 5000 | +/- 5 |
св. 5000 | +/- 10 | Испытания "поворот" и "переставка" (5.7) |
Время, с | - | +/- 0,1 | Определение усилия на рулевом колесе (5.3). |
Температура, °C | - | +/- 1 | - |
5.1.2 Датчики для измерения различных параметров должны быть установлены в соответствии с инструкциями по их использованию и обеспечивать требуемую точность измерений.
5.1.3 Страховочные приспособления, предотвращающие опрокидывание АТС при испытаниях, должны быть оснащены элементами, защищающими от повреждений внешние панели и детали АТС.
5.1.4 Для определения поперечной статической устойчивости АТС используют стенд (стенд-опрокидыватель), имеющий платформу, размеры которой позволяют разместить одиночное АТС или автопоезд (АТС с прицепом/полуприцепом).
Опорная поверхность платформы стенда должна поворачиваться вокруг оси, параллельной продольной оси АТС, на угол не менее 60° относительно горизонтальной плоскости. Платформа должна быть оснащена страховочными приспособлениями в виде цепей или тросов и упорами, которые должны предотвращать скольжение шин АТС в поперечном направлении.
5.2 Условия проведения испытаний
5.2.1 Испытания проводят при соблюдении правил техники безопасности, приведенных в
приложении В.
5.2.2 Техническое состояние представленного на испытания АТС, его агрегатов и узлов должно соответствовать технической документации предприятия-изготовителя (техническому описанию, техническим условиям и другой технической документации), утвержденной в установленном порядке.
Седельные тягачи испытывают в составе автопоезда, при этом прицепной состав испытывают со штатными тягачами.
Допускается проведение испытаний прицепов на статическую устойчивость без тягача.
5.2.3 При проведении испытаний должны соблюдаться требования руководства по эксплуатации.
5.2.4 Износ шин АТС перед испытаниями должен быть равномерным, остаточная глубина протектора шины должна быть не менее 2 мм. На время проведения испытаний при температурах ниже плюс 5 °C АТС может быть оборудовано зимними нешипованными шинами, остаточная глубина протектора шины должна быть не менее 4 мм.
5.2.5 При проведении оценки соответствия в испытательную лабораторию вместе с испытуемым АТС представляют техническое описание типа транспортного средства в отношении управляемости и устойчивости в соответствии с
приложением Г. При проведении других видов испытаний считается достаточным представление информации в объеме, необходимом для оформления отчетного документа (протокола испытаний) в соответствии с требованиями испытательной лаборатории.
Если в техническое описание включено несколько модификаций АТС, испытания проводят на репрезентативном(ых) образце(ах) (с ожидаемыми наихудшими показателями), определяющем(их) тип АТС в отношении управляемости и устойчивости.
5.2.6 Перед испытаниями АТС нагружают до полной массы, заявленной предприятием-изготовителем.
Масса балласта, имитирующего людей, должна соответствовать следующим значениям:
- водитель и единица обслуживающего персонала в АТС категорий N, M2, M3 - (75 +/- 1) кг;
- водитель АТС категории M1, пассажир АТС категории M - (68 +/- 1) кг.
Масса балласта, имитирующего людей, для АТС, разработанных по заказу Минобороны России, должна соответствовать значениям, указанным в нормативной документации.
В качестве балласта, имитирующего людей, рекомендуется применять объемные манекены.
Платформы АТС категорий N и O нагружают балластом в соответствии с их грузоподъемностью таким образом, чтобы высота центра масс балласта над платформой соответствовала высоте центра масс при равномерном распределении по платформе груза плотностью (0,80 +/- 0,05) т/м3. Для полноприводных АТС категории N центр масс балласта должен располагаться на высоте середины бортов платформы с учетом надставных бортов.
Специализированные АТС испытывают при высоте центра масс балласта исходя из плотности груза, для перевозки которого предназначено данное специализированное АТС, подтвержденной документацией предприятия-изготовителя.
В качестве балласта для цистерн допускается использовать воду.
5.2.7 Участок дороги, на котором проводят испытания, должен быть горизонтальным, сухим, ровным, чистым, с асфальтобетонным или цементобетонным покрытием.
Под сухим покрытием понимают асфальтобетонное или цементобетонное покрытие с коэффициентом сцепления не ниже 0,7.
Максимально допустимый уклон в любом направлении - не более 1%. Участок дороги для испытаний "прямая" не должен иметь локальных выступов и впадин, превышающих по высоте и глубине 20 мм, если их площадь превышает 20 см2.
Дороги, на которых проводят испытания "пробег", должны быть как с сухим, так и с мокрым покрытием.
Под мокрым покрытием понимают асфальтобетонное или цементобетонное покрытие, политое водой, с коэффициентом сцепления 0,3 - 0,6.
5.2.8 Участки испытаний размечают эластичными элементами, ограничивающими ширину коридора движения в зависимости от габаритной ширины АТС по колесам на высоте 150 мм.
Размеры участков и схемы разметки приведены в разделах стандарта, описывающих соответствующие методики.
5.2.9 При испытаниях скорость ветра не должна превышать 5 м/с в любом направлении.
Испытания проводят при температуре окружающего воздуха от минус 5 °C до плюс 30 °C.
5.2.10 Перед проведением испытательных заездов проверяют давление воздуха в шинах, прогревают агрегаты и шины АТС пробегом не менее 15 км.
5.2.11 Во время испытаний фиксируют первичные наблюдения, данные и расчеты, включая условия испытаний, выполненные заезды с указанием их особенностей (появление сноса, заноса, курсовых колебаний и их демпфирование, отрыва колес от поверхности дороги, возможные отклонения от условий испытаний, отклонения в работе средств измерений, замечания водителей-испытателей, оператора и контролера, результаты замеров).
5.2.12 По результатам испытаний оформляют отчетный документ (протокол испытаний/отчет) в соответствии с требованиями испытательной лаборатории, содержащий информацию, приведенную в
приложении Д.
5.3 Определение усилия на рулевом колесе
5.3.1 Испытания "усилие на рулевом колесе" предназначены для определения усилий, которые должен прилагать водитель для поворота управляемых колес.
5.3.2 Испытания "усилие на рулевом колесе" проводят на испытательном участке дороги как на неподвижном АТС, так и на движущемся со скоростью 10 км/ч при переходе от прямолинейного движения к движению по окружности радиуса Rn = 12 м или минимального радиуса Rмин, если он больше 12 м, внутри которой находятся проекции всех точек АТС, за исключением внешних зеркал и передних указателей поворота.
5.3.3 Проведение испытаний на неподвижном АТС
5.3.3.1 При наличии рулевого усилителя испытания проводят с работающим в режиме холостого хода двигателем, при отсутствии усилителя - с неработающим двигателем.
5.3.3.2 На неподвижном испытуемом АТС медленно поворачивают рулевое колесо из нейтрального положения вправо до упора. Фиксируют положение рулевого колеса и перемещают АТС на 0,4 - 0,6 м вперед или назад, после чего на неподвижном АТС поворачивают рулевое колесо из крайнего правого положения в крайнее левое положение. Фиксируют положение рулевого колеса и проводят следующее перемещение АТС на 0,4 - 0,6 м, после чего на неподвижном АТС возвращают рулевое колесо в нейтральное положение. Максимальное значение угловой скорости поворота рулевого колеса, замеренное по зависимости

, не должно превышать 60 °/с. Допускается кратковременная остановка рулевого колеса без снижения усилия на нем.
5.3.3.3 Производят не менее двух поворотов рулевого колеса из одного крайнего положения в другое.
В процессе испытаний непрерывно измеряют и регистрируют:

- угол поворота рулевого колеса, °;
Fн - усилие на рулевом колесе, Н;
t - время поворота рулевого колеса, с.
5.3.3.4 Результатами испытаний являются средние по всем замерам значения усилий на рулевом колесе при его повороте отдельно влево Fн.л и вправо Fн.п на углы, соответствующие движению по окружности радиусом Rп = 12 м или по окружности минимального габаритного радиуса Rмин, если он больше 12 м.
5.3.4 Проведение испытаний при движении АТС
5.3.4.1 АТС разгоняют до скорости (10 +/- 2) км/ч, и с этой скоростью оно движется равномерно и прямолинейно.
Передачу в коробке передач выбирают наивысшую, которая обеспечивает устойчивую работу двигателя.
При въезде на испытательный участок поворачивают рулевое колесо с постоянной угловой скоростью поочередно: в одну сторону до крайнего положения, а затем в другую сторону также до крайнего положения.
5.3.4.2 Для АТС всех категорий без рулевого усилителя или с работающим усилителем скорость поворота рулевого колеса задают такую, чтобы обеспечить переход АТС за максимально допустимое время не более 4 с от прямолинейного движения к движению по окружности, габаритный радиус которой
Rп равен (12,00 +/- 0,05) м, или по окружности минимального габаритного радиуса, если
Rмин больше 12 м.
5.3.4.3 Для АТС с неработающим рулевым усилителем скорость поворота рулевого колеса задают такую, чтобы обеспечить переход АТС категорий M
1, M
2, N
1 и N
2 за максимально допустимое время не более 4 с, а для АТС категорий M
3 и N
3 - за максимально допустимое время не более 6 с от прямолинейного движения к движению по окружности, радиус которой равен (20,00 +/- 0,05) м.
Неисправность усилителя следует имитировать отсоединением гидронасоса или энергопитания электроусилителя.
5.3.4.4 Проводят не менее трех поворотов влево и вправо для условий, установленных в
5.3.4.2 и
5.3.4.3.
5.3.4.5 В процессе испытаний измеряют и регистрируют:

- угол поворота рулевого колеса, °;
Fн - усилие на рулевом колесе, Н;
v - скорость движения, км/ч;
t - время поворота рулевого колеса, с.
| | ИС МЕГАНОРМ: примечание. В официальном тексте документа, видимо, допущена опечатка: имеется в виду п. 5.3.4.3, а не п. 5.2.4.3. | |
5.3.4.6 Результатами испытаний при поворотах вправо и влево являются средние значения усилий
Fн.п и
Fн.л, определенные в соответствии с
5.3.4.2,
5.2.4.3 и
5.3.4.5.
5.4 Испытания "стабилизация"
5.4.1 Испытания "стабилизация" предназначены для определения параметров, характеризующих самовозврат управляемых колес и рулевого колеса в нейтральное положение.
5.4.2 Проведение испытаний
5.4.2.1 Оценку показателей стабилизации рулевого управления проводят при равномерном движении АТС внутренним (к центру поворота) управляемым колесом (или колесами) по дуге окружности радиусом 50 м расположением следа пятна контакта шины в диапазоне полосы движения радиусом от 50 до 51 м со скоростями (50 +/- 2) км/ч для АТС категорий M1, N1; (40 +/- 2) км/ч - для АТС категорий M2, M3, N2, N3 с последующим уходом АТС с круговой траектории после освобождения обода рулевого колеса от прилагаемых усилий. Скорость поддерживают постоянной до прекращения вращения освобожденного от усилий рулевого колеса, но не более 6 с, после чего испытательный заезд считают законченным. По истечении 6 с регистрируют угол, оставшийся до возврата в нейтральное положение, или фиксируют возврат в нейтральное положение. При повороте рулевого колеса в каждую сторону проводят не менее трех заездов.
5.4.2.2 В процессе испытаний измеряют и регистрируют по времени угол поворота рулевого колеса

.
5.4.3 Результатами испытаний являются:
- средние значения остаточного угла поворота рулевого колеса;
- вывод о наличии или отсутствии колебаний рулевого колеса.
5.5 Испытания "опрокидывание на стенде"
5.5.1 Испытания проводят с целью определения показателей поперечной устойчивости против опрокидывания при наклоне платформы стенда до величины, при которой наблюдается отрыв колес одной стороны одиночного АТС или колес одной стороны одного из звеньев автопоезда (АТС с прицепом/полуприцепом) от опорной поверхности.
5.5.2 Испытания "опрокидывание на стенде" проводят на стенде с опрокидывающей платформой.
Испытуемое АТС устанавливают на опорной поверхности платформы таким образом, чтобы его продольная ось была параллельна оси поворота платформы. Управляемые колеса АТС должны находиться в положении, соответствующем прямолинейному движению. Стояночный тормоз при этом должен быть включен. Для предотвращения скольжения и опрокидывания АТС устанавливают соответствующие приспособления (см.
5.1.4).
5.5.3 Наклон платформы осуществляют с угловой скоростью, не превышающей 0,5 °/с, до отрыва одного, а затем всех колес одной стороны одиночного АТС (звена автопоезда) от опорной поверхности. Момент отрыва определяют визуально.
Платформу возвращают в исходное положение.
Примечание - Определение скорости подъема платформы производится способом замера времени подъема платформы с объектом испытаний на угол, равный 80% полученного угла опрокидывания АТС от начала подъема платформы.
5.5.4 В процессе испытаний измеряют и регистрируют:

- угол наклона опорной поверхности опрокидывающей платформы относительно горизонтальной опорной поверхности;

,

- углы наклона подрессоренных масс АТС относительно горизонтальной опорной поверхности в зонах переднего и заднего свесов соответственно, в местах, удобных для установки измерительных приборов (на элементах вторично подрессоренных масс измерения не проводят),
где i - порядковый номер зачетного измерения.
При положении платформы, соответствующем углу опрокидывания АТС, дополнительно измеряют боковые деформации шин каждой из осей АТС.
Боковые деформации шины

оси определяют как разницу двух расстояний между диском колеса и внешней боковой поверхностью неподвижного упора, измеренных параллельно плоскости платформы. Измерение проводят в начальном положении и положении платформы, соответствующем углу опрокидывания АТС. Измерение проводится линейкой и угольником с углом 90 градусов, прикладываемым к внешней боковой поверхности упора.
На записях

,

и

делают отметки в моменты отрыва колес одной стороны от платформы.
Допускается ступенчатый подъем платформы с регистрацией углов

и

при остановках платформы через каждые 1° - 2° в области, близкой к отрыву всех колес одной стороны от платформы.
5.5.5 Величины углов крена подрессоренных масс АТС (звена автопоезда) относительно платформы, при которых происходит отрыв колес одной стороны от платформы в зонах переднего

и заднего

свесов, вычисляют по формулам:

, (8)

, (9)
для каждого i-го зачетного измерения.
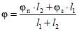
Средние значения углов крена подрессоренных масс в центре масс вычисляют по формуле

, (10)
где l1 - расстояние от переднего сечения, в котором проводят измерение крена, до центра масс АТС;
l2 - расстояние от заднего сечения, в котором проводят измерение крена, до центра масс АТС.
5.5.6 Результатами испытаний являются:
- среднее значение угла поперечной устойчивости

, при котором происходит отрыв колес одной стороны АТС (звена автопоезда) от платформы;
- среднее значение угла крена

в тот же момент.
5.6 Испытания "рывок руля"
5.6.1 Для испытаний используют площадку минимальным диаметром 100 м с примыкающей к ней разгонной полосой длиной не менее 1000 м и шириной не менее 7 м.
5.6.2 Проведение испытаний
5.6.2.1 АТС испытывают при скоростях:
(80 +/- 3) км/ч - для АТС категорий M1, M2 и N1;
(60 +/- 3) км/ч - для АТС категорий M3, N2 и N3.
Если максимальная скорость АТС равна или меньше указанной, то скорость при испытаниях принимают на 10 км/ч ниже максимальной, установленной в технической документации предприятия-изготовителя.
При этой скорости АТС движется равномерно и прямолинейно до начала поворота рулевого колеса.
5.6.2.2 При испытаниях производят максимально быстрый, с угловой скоростью не менее 200 °/с, поворот рулевого колеса в заданное положение. Рулевое колесо удерживают в этом положении до начала установившегося кругового движения или, если криволинейное движение не становится установившимся, в течение 3 с.
5.6.2.3 Угол поворота рулевого колеса увеличивают ступенчато от заезда к заезду до достижения бокового ускорения для АТС категорий M1, M2 и N1 не менее 4,5 м/с2, для АТС категорий M3, N2 и N3 - не менее 2,5 м/с2, или близкого к предельному по условиям сцепления шин с дорогой, или максимально возможного по условиям безопасности.
Первый испытательный заезд выполняют при угле поворота рулевого колеса, соответствующем боковому ускорению 1,0 - 1,5 м/с2.
Всего с постепенным увеличением бокового ускорения должно быть выполнено не менее 12 заездов в каждую сторону как влево, так и вправо.
5.6.2.4 В процессе испытаний измеряют и непрерывно регистрируют во времени:

- угол поворота рулевого колеса, ...°;

- угловую скорость АТС, °/с;

- боковое ускорение АТС, м/с
2;
v - скорость АТС, м/с.
Примечание - Допускается не регистрировать скорость АТС непрерывно. В этом случае скорость контролируют в начале и конце заезда.
5.6.2.5 Образец записи угла поворота рулевого колеса и угловой скорости АТС приведен на рисунке 4.
Рисунок 4 - Записи угла поворота рулевого колеса

и угловой скорости

АТС при испытании "рывок руля"
5.6.3 Обработка результатов испытаний
5.6.3.1 При обработке результатов определяют:
- установившееся значение угла

и момент времени достижения 50% этого значения;
- параметры записи угловой скорости АТС:

- установившееся значение угловой скорости АТС;

- заброс угловой скорости АТС над установившимся значением;
- момент времени достижения значения угловой скорости АТС, равного 90% установившейся угловой скорости:

- время 90%-ной реакции АТС, представляющее собой интервал времени между моментами достижения 50% установившегося значения угла поворота рулевого колеса и 90% установившегося значения угловой скорости АТС.
5.6.3.2 Если датчик бокового ускорения размещен не на гиростабилизированной платформе, то необходимо установить датчик крена в месте установки датчика бокового ускорения

, показания которого корректируют по формуле

, (11)
где

- показания датчика.
В случае если датчик крена не установлен,

рассчитывают по формуле

, (12)
где v - скорость АТС, м/с.
5.6.4 Результатами испытаний являются следующие характеристики устойчивости АТС, представляемые в графической форме:
- характеристика чувствительности к управлению и поворачиваемости АТС, представляющая собой зависимость угла поворота рулевого колеса

от установившегося бокового ускорения

;
- характеристика заброса угловой скорости АТС, представляющая собой зависимость заброса угловой скорости АТС

от бокового ускорения

;
- характеристика времени 90%-ной реакции АТС, представляющая собой зависимость времени 90%-ной реакции АТС

от бокового ускорения

.
5.7 Испытания "поворот" и "переставка"
5.7.1 Испытания проводят с целью определения показателей, характеризующих управляемость и устойчивость АТС в критических режимах движения.
Испытания "поворот Rп = 35 м" предназначены для определения максимальной скорости маневра при входе в поворот.
Испытания "переставка Sп = 16 м", "переставка Sп = 20 м" предназначены для определения максимальной скорости маневра при смене полосы движения на ограниченном участке пути.
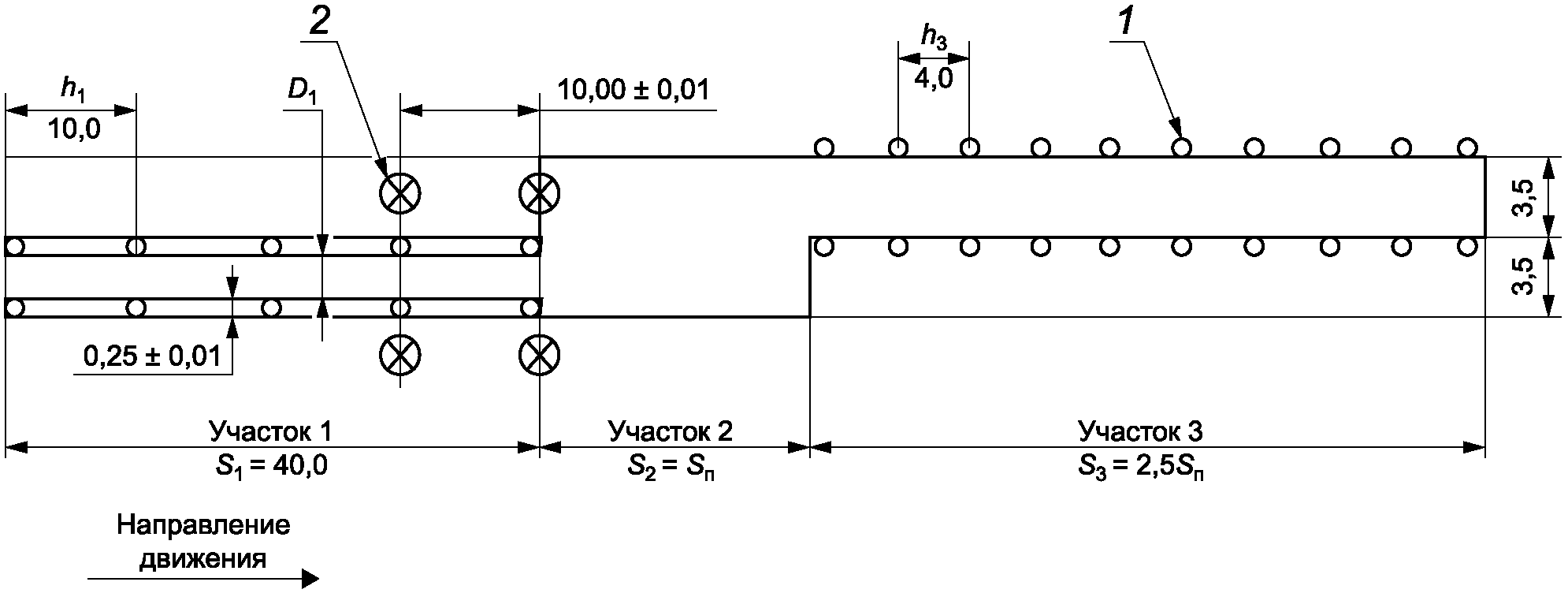
5.7.2 Разметку участков для испытаний "поворот
Rп = 35 м" и "переставка" осуществляют в соответствии со схемами, приведенными на рисунках 5 и
7.
Размеры в метрах
1 - вертикальные ограничители разметки коридоров движения
на участках 1, 2 и 3; 2 - датчики измерения скорости;
h1 - шаг установки вертикальных ограничителей на участке 1;
h3 - шаг установки вертикальных ограничителей на участке 3;
D1 - ширина коридора на участке 1;
D3 - ширина коридора на участке 3
Точность разметки ширины коридора D1...+/- 0,1 м.
Точность разметки ширины коридора D3...+/- 0,05 м.
Рисунок 5 - Разметка участка испытаний "поворот
Rп = 35 м"
5.7.3 Ширина D1 коридора участков 1 для всех вариантов испытаний "поворот", "переставка" и "прямая" приведена в таблице 7 в зависимости от максимальной ширины АТС, измеренной на высоте от 0 до 150 мм от опорной поверхности.
Таблица 7
В метрах
Максимальная ширина АТС | До 1,3 | Св. 1,3 до 1,5 | Св. 1,5 до 1,7 | Св. 1,7 до 1,9 | Св. 1,9 до 2,1 | Св. 2,1 до 2,3 | Св. 2.3 до 2,5 | Св. 2,5 |
Ширина входного коридора D1 | 1,7 | 1,9 | 2,1 | 2,3 | 2,5 | 2,7 | 2,9 | Дополнительно 0,5 к максимальной ширине АТС |
5.7.4 Испытания "поворот Rп = 35 м"
5.7.4.1 При испытаниях выполняют заданный разметкой маневр (разметка участка испытаний представлена на
рисунке 5) при постепенном увеличении скорости от заезда к заезду.
5.7.4.2 АТС вводят в режим равномерного прямолинейного движения. Передачу в коробке передач выбирают наивысшую, обеспечивающую устойчивую работу двигателя. Положение рук водителя на рулевом колесе не регламентируют.
5.7.4.3 При пересечении передними колесами АТС границы между участками 1 и 2 размеченного коридора
(рисунок 5) водитель быстро снимает ногу с педали газа и начинает поворачивать рулевое колесо вправо для выполнения маневра. Положение всех остальных органов управления должно оставаться постоянным.
5.7.4.4 Внешний наблюдатель отмечает отрывы колес от дороги, выходы АТС за пределы коридора и информирует о них водителя.
5.7.4.5 Все заезды подразделяются на предварительные и зачетные.
Предварительные заезды проводят без регистрации измеряемых параметров для определения диапазона начальных скоростей зачетных заездов. Начальные скорости предварительных заездов выбирают такими, при которых не происходит снижения показателей управляемости и устойчивости. Это условие обеспечивается значениями скоростей, равными 60% от
vм, указанных в
приложении А для АТС соответствующих категорий. Заканчиваются заезды на скорости, при которой начинает проявляться ухудшение свойств управляемости и устойчивости.
5.7.4.6 Начальную скорость зачетных заездов принимают на 10% ниже скорости окончания предварительных заездов. В последующих заездах скорость увеличивают с интервалом 1 - 2 км/ч, причем с увеличением скорости этот интервал должен уменьшаться.
5.7.4.7 При появлении в заезде отрыва колеса от дороги или выходе АТС за боковые границы коридора заезд повторяют с прежней скоростью. Если явление не повторяется, скорость увеличивают. Если в трех заездах на одной скорости происходит отрыв колеса от дороги или выход за пределы коридора, то испытания заканчивают.
В случае отсутствия явлений, ограничивающих скорость выполнения маневра, испытания заканчивают при скорости АТС, на 5% превышающей нормативное значение vм.
5.7.4.8 В процессе испытаний регистрируют скорость vм АТС на участке 1 и отмечают заезды, в которых происходит отрыв колес от поверхности дороги или выход их за пределы размеченного коридора.
Дополнительно регистрируют угол поворота рулевого колеса, позволяющий определить максимальный угол поворота рулевого колеса, момент начала маневра, наличие заноса, сноса или ошибки водителя.
Заезд не засчитывают, если расстояние между границей участков 1 и 2 размеченной траектории и точкой, соответствующей началу поворота руля, превышает 1 м.
Форма графика записи и величина углов поворота руля позволяют судить о наличии сноса или заноса в заезде.
5.7.4.9 Результатом испытаний "поворот
Rп = 35 м" является средняя скорость маневров
v'м, которая определяется в соответствии с
4.5.2.
5.7.4.10 Допускается по согласованию с заказчиком проведение испытаний "поворот
Rп = 25 м"
(рисунок 6) вместо испытаний "поворот
Rп = 35 м" для АТС многоцелевого назначения категории N.
5.7.4.11 В испытаниях "поворот Rп = 25 м" водитель, в отличие от испытания "поворот Rп = 35 м", при пересечении границ участков 1 и 2 не снимает ноги с педали подачи топлива, а поддерживает скорость движения постоянной на протяжении всего заезда. Угол поворота рулевого колеса не регламентируется.
В остальном (
5.7.4.1,
5.7.4.2,
5.7.4.4 -
5.7.4.9) методика испытаний "поворот
Rп = 25 м" не отличается от методики испытаний "поворот
Rп = 35 м".
Размеры в метрах
1 - вертикальные ограничители разметки коридоров движения;
2 - датчики измерения скорости; h1,5 - шаг установки
вертикальных ограничителей на участках 1 и 5; h3 - шаг
установки вертикальных ограничителей на участке;
D1 - ширина коридора на участках 1 и 5.
Точность разметки ширины коридора D1...+/- 0,1 м.
Точность разметки ширины коридора D3...+/- 0,05 м.
Участки 4 и 5 размечаются только
при испытании АТС с задними управляемыми колесами.
Размер D3 (ширина коридора на участке 3) и размеры,
определяющие коридоры движения на участках 2 и 4,
устанавливаются по согласованию с заказчиком
Рисунок 6 - Разметка участка испытаний "поворот
Rп = 25 м"
5.7.5 Испытания "переставка Sп = 20 м" и "переставка Sп = 16 м"
5.7.5.1 Разметка участков испытаний приведена на рисунке 7.
Размеры в метрах
1 - вертикальные ограничители разметки коридоров движения;
2 - датчики измерения скорости; h1 - шаг установки
вертикальных ограничителей на участке 1; h3 - шаг установки
вертикальных ограничителей на участке 3;
D1 - ширина коридора на участке 1.
Точность разметки коридора на участках 1 и 3 ... +/- 0,05 м
Рисунок 7 - Разметка участка испытаний
"переставка Sп = 16 м" и "переставка Sп = 20 м"
5.7.5.2 Испытания проводят на участке 2, имеющем длину Sп = 20 м. Если на длине Sп = 20 м максимальная скорость выполнения маневра не достигнута из-за ограниченной мощности двигателя, то испытания проводят при Sп = 16 м.
5.7.5.3 При испытаниях выполняют заданный разметкой маневр при постепенном увеличении скорости от заезда к заезду.
5.7.5.4 АТС вводят в режим равномерного прямолинейного движения. Передачу в коробке передач выбирают наивысшую, обеспечивающую устойчивую работу двигателя. Положение рук водителя на рулевом колесе соответствует цифрам "3" и "9" циферблата часов.
5.7.5.5 При пересечении передними колесами АТС границы между участками 1 и 2 размеченного коридора водитель быстро снимает ногу с педали подачи топлива и начинает выполнение маневра.
5.7.5.6 Перехват рулевого колеса допускают только при достижении угла поворота, при котором происходит предельное перекрещивание рук водителя. Воздействия на остальные органы управления не допускаются.
5.7.5.7 Внешний наблюдатель отмечает отрывы колес от дороги, выходы АТС за пределы коридора и информирует о них водителя.
5.7.5.8 Перед зачетными заездами выполняют предварительные заезды, которые допускается проводить без регистрации измеряемых параметров. Эти заезды заканчиваются на скорости, при которой водитель вынужден корректировать поворотом рулевого колеса занос, снос, курсовые колебания АТС или возникновение опасности опрокидывания.
5.7.5.9 Начальную скорость зачетных заездов принимают на 10% ниже скорости окончания предварительных заездов.
В последующих заездах скорость увеличивают с интервалом 1 - 2 км/ч, причем с увеличением скорости этот интервал должен уменьшаться.
5.7.5.10 При появлении в заезде отрыва колеса от дороги или выходе АТС за боковые границы коридора заезд повторяют с прежней скоростью. Если явление не повторяется, скорость увеличивают. Если в трех заездах на одной скорости происходит отрыв колеса от дороги или выход за пределы коридора, то испытания заканчивают.
В случае отсутствия явлений, ограничивающих скорость выполнения маневра, испытания заканчиваются при скорости АТС, на 5% превышающей нормативное значение
vм (см.
приложение А).
5.7.5.11 В процессе испытаний регистрируют скорость v АТС на участке 1 и отмечают те заезды, в которых происходит отрыв колес (колеса) от поверхности дороги или выход их (его) за пределы коридора.
Дополнительно регистрируют угол поворота рулевого колеса, позволяющий определить максимальный угол поворота рулевого колеса, момент начала маневра, наличие заноса, сноса или ошибки водителя.
Заезд не засчитывают, если:
- расстояние между границей участков 1 и 2 размеченной траектории
(рисунок 7) и точкой, соответствующей началу поворота руля, превышает 1,0 м;
- на записи угла поворота имеется резкий скачок в сторону увеличения кривизны траектории на угол

,
где L - база АТС;
iр - передаточное число рулевого управления.
5.7.5.12 Результатом испытаний "переставка
Sп = 16 м", "переставка
Sп = 20 м" является среднее арифметическое значение максимальной скорости
v'м, которая определяется в соответствии с
4.5.2.
5.8.1 Испытания "прямая" предназначены для определения средней угловой скорости корректирующих поворотов рулевого колеса.
5.8.2 Коридор для испытания "прямая", длиной не менее 400 м, ограничивают по ширине установкой элементов разметки с интервалом 20 - 25 м. На расстоянии 50 м до первого элемента и 50 м после последнего элемента разметки коридора устанавливают дополнительно еще по два элемента в виде ворот той же ширины, что и коридор, чтобы обозначить вход в коридор и выход по прямой. Ширина коридора приведена в
таблице 7.
5.8.3 Проведение испытаний
При испытаниях выполняют испытательные заезды в размеченном коридоре без выхода АТС за его границы.
АТС испытывают при скоростях:
80 км/ч - для категорий M1 и N1, в том числе с прицепом;
70 км/ч - для категорий M2 и M3;
60 км/ч - для остальных категорий, в том числе с прицепами.
Выполняют не менее 10 заездов.
В процессе испытаний с общей длиной зачетного пробега не менее 4 км измеряют и регистрируют:

- угол поворота рулевого колеса;
t - время прохождения мерного участка.
Скорость АТС фиксируют в начале заезда и поддерживают постоянной на всем испытательном участке.
5.8.4 Обработка результатов испытаний
5.8.4.1 При испытаниях может производиться непрерывная запись угла поворота рулевого колеса либо вывод на счетчик суммарного угла за время заезда. При обработке записи или выводе на счетчик должны учитываться углы поворота, превышающие 0,5°.
Обработка записи заключается в суммировании углов поворота рулевого колеса

, произведенных за время заезда на заданном отрезке пути.
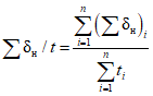
5.8.4.2 Показателем управляемости АТС при прямолинейном движении является средняя скорость корректирующих поворотов рулевого колеса

, определяемая как отношение суммарного угла поворота рулевого колеса по всем испытательным заездам к суммарному времени всех заездов

, (13)
где ti - время i-го испытательного заезда, с;
n - число зачетных заездов.
5.9.1 Цель испытаний - оценка значений показателей управляемости и устойчивости по
4.7, а также определение допустимой скорости движения испытуемого АТС на дорогах общего пользования.
5.9.2 Управляемость и устойчивость в эксплуатационных режимах движения по дорогам общего пользования оценивают эксперты-испытатели с применением балльного способа выражения показателей в соответствии с
ГОСТ 15467.
5.9.3 Испытатель должен оценивать управляемость и устойчивость АТС на дорогах с различным состоянием покрытия в следующих режимах:
- движение на участках, имитирующих горную дорогу (выполнение последовательных поворотов влево и вправо по кривым малого радиуса с допустимой по условиям безопасности скоростью);
- движение по прямой (стационарное, с ускорением, при торможении с различной интенсивностью);
- движение в повороте (стационарное, с ускорением, при торможении с различной интенсивностью);
- смена ряда (полосы) движения при ускорении и торможении;
- маневрирование в условиях интенсивного городского движения;
- маневрирование в ограниченном пространстве на скорости до 10 км/ч при вращении руля от крайнего левого до крайнего правого положения и обратно.
(обязательное)
НОРМАТИВНЫЕ ЗНАЧЕНИЯ VМ СКОРОСТЕЙ
ВЫПОЛНЕНИЯ МАНЕВРОВ "ПОВОРОТ" И "ПЕРЕСТАВКА"
Таблица А.1
Нормативные значения vм скоростей выполнения маневра
"поворот Rп = 35 м"
Категория АТС | M1 | | | Автопоезда M1 с прицепом |
vм, км/ч | 72 | 65 | 67 | 65 |
Продолжение таблицы А.1
Категория АТС | M2 | |
Габаритная длина, м |
до 8 | от 8 до 12 | св. 12 |
vм, км/ч | 60 | 56 | 51 | 48 |
Продолжение таблицы А.1
Категория АТС | N1 | | N2 |
vм, км/ч | 60 | 60 | 50 |
Продолжение таблицы А.1
Категория АТС | N3 Полная масса до 20 т | N3 Полная масса св. 20 т | Автопоезда N2 с полуприцепом |
vм, км/ч | 49 | 46 | 42 |
Окончание таблицы А.1
Категория АТС | Автопоезда N2 с прицепом | Автопоезда N3 с полуприцепом | Автопоезда N3 с прицепом |
vм, км/ч | 42 | 42 | 42 |
<*> АТС категории M 1 с числом посадочных мест свыше пяти (включая водителя) и (или) полной массой свыше 2,2 т. <**> АТС повышенной проходимости. <***> В том числе сочлененные автобусы. Примечание - Нормативное значение vм скорости выполнения маневра "поворот Rп = 25 м" для АТС категорий N составляет 45 км/ч. |
Таблица А.2
Нормативные значения vм скоростей выполнения маневра
"переставка Sп = 20 м"
Категория АТС | M1 | | | Автопоезда M1 с прицепом |
vм, км/ч | 83 | 76 | 74 | 69 |
Продолжение таблицы А.2
Категория АТС | M2 | |
Габаритная длина, м |
до 8 | от 8 до 12 | св. 12 |
vм, км/ч | 71 | 63 | 56 | 52 |
Продолжение таблицы А.2
Категория АТС | N1 | | N2 |
vм, км/ч | 70 | 66 | 59 |
Продолжение таблицы А.2
Категория АТС | N3 | Автопоезда N2 с полуприцепом |
Полная масса, т |
до 20 | св. 20 |
vм, км/ч | 56 | 54 | 48 |
Окончание таблицы А.2
Категория АТС | Автопоезда N2 с прицепом | Автопоезда N3 с полуприцепом | Автопоезда N3 с прицепом |
vм, км/ч | 47 | 52 | 50 |
<*> АТС категории M 1 с числом посадочных мест свыше пяти (включая водителя) и (или) полной массой свыше 2,2 т. <**> АТС повышенной проходимости. <***> В том числе сочлененные автобусы. |
Таблица А.3
Нормативные значения vм скоростей выполнения маневра
"переставка Sп = 16 м"
Категория АТС | M1 | | | Автопоезда M1 с прицепом |
vм, км/ч | 70 | 65 | 62 | 59 |
Продолжение таблицы А.3
Категория АТС | M2 | |
Габаритная длина, м |
до 8 | от 8 до 12 | св. 12 |
vм, км/ч | 59 | 53 | 48 | 42 |
Продолжение таблицы А.3
Категория АТС | N1 | | N2 |
vм, км/ч | 59 | 56 | 49 |
Продолжение таблицы А.3
Категория АТС | N3 Полная масса до 20 т | N3 Полная масса св. 20 т | Автопоезда N2 с полуприцепом |
vм, км/ч | 46 | 44 | 42 |
Окончание таблицы А.3
Категория АТС | Автопоезда N2 с прицепом | Автопоезда N3 с полуприцепом | Автопоезда N3 с прицепом |
vм, км/ч | 41 | 44 | 43 |
<*> АТС категории M 1 с числом посадочных мест свыше пяти (включая водителя) и (или) полной массой свыше 2,2 т. <**> АТС повышенной проходимости. <***> В том числе сочлененные автобусы. |
(рекомендуемое)
ОЦЕНКА УПРАВЛЯЕМОСТИ И УСТОЙЧИВОСТИ АВТОМОБИЛЬНЫХ
ТРАНСПОРТНЫХ СРЕДСТВ В ЭКСПЛУАТАЦИОННЫХ РЕЖИМАХ ДВИЖЕНИЯ
Таблица Б.1
Шкала оценок управляемости и устойчивости АТС в баллах
Оценка | Балл |
Отлично, улучшать не требуется | 5,0 |
Между хорошо и отлично | 4,5 |
Хорошо, желательно улучшить | 4,0 |
Между хорошо и посредственно | 3,5 |
Посредственно, необходимо улучшить | 3,0 |
Между посредственно и плохо | 2,5 |
Плохо | 2,0 |
Очень плохо | 1,0 |
Оценки управляемости и устойчивости АТС выставляют исходя из следующих положений.
Балл 5,0 - водитель не ощущает затруднений при управлении АТС.
Балл 4,0 - водитель начинает ощущать небольшие затруднения, заключающиеся в появлении некоторого несоответствия реакции АТС на управляющее воздействие (по моменту его начала и амплитуде) по отношению к желаемой.
Балл 3,0 - водитель ощущает значительные затруднения в управлении скоростью, замедлением, траекторией, стабилизацией курса и крена. При выставлении этой оценки безопасное движение возможно при максимальном внимании к управлению АТС.
Балл 2,0 - водитель работает на пределе своих возможностей. Минимальная ошибка в выборе момента приложения и величины управляющего воздействия приводит к потере устойчивости и управляемости АТС.
Балл 1,0 - устойчивое управление АТС невозможно.
Таблица Б.2
Рекомендуемые значения оценок
Показатель | Оценка, балл, для АТС различных категорий |
M1 | | | M2 | M3 | N1 | N2 | N3 | Автопоезда N с прицепом/полуприцепом |
Траекторная и курсовая управляемость | 4,5 | 4,0 | 4,0 | 4,0 | 4,0 | 4,0 | 4,0 | 3,5 | 3,5 |
Траекторная устойчивость | 4,5 | 4,0 | 4,0 | 4,0 | 4,0 | 4,0 | 4,0 | 3,5 | 3,5 |
Курсовая устойчивость | 4,5 | 4,0 | 4,0 | 4,5 | 4,5 | 4,0 | 4,0 | 4,0 | 3,5 |
Устойчивость против опрокидывания | 5,0 | 4,5 | 4,0 | 5,0 | 5,0 | 4,0 | 4,0 | 4,0 | 4,0 |
Управление скоростью | 4,0 | 4,0 | 4,0 | 4,0 | 4,0 | 4,0 | 4,0 | 3,5 | 3,5 |
Управление замедлением | 4,0 | 3,5 | 4,0 | 4,0 | 4,0 | 3,5 | 3,5 | 3,5 | 3,5 |
Траекторная устойчивость при торможении | 4,0 | 3,5 | 4,0 | 4,0 | 4,0 | 3,5 | 3,5 | 3,5 | 3,5 |
Курсовая устойчивость при торможении | 4,0 | 3,5 | 4,0 | 4,0 | 4,0 | 3,5 | 3,5 | 3,5 | 3,5 |
Маневрирование в ограниченном пространстве | 4,5 | 4,0 | 4,0 | 4,0 | 4,0 | 4,0 | 4,0 | 3,5 | 3,5 |
<*> АТС повышенной проходимости. |
(рекомендуемое)
В.1 Испытания устойчивости и управляемости АТС являются испытаниями повышенной опасности.
В.2 При проведении испытаний необходимо соблюдать действующие в Российской Федерации
правила дорожного движения, за исключением испытаний, проводимых на специально выделенных участках, инструкции по технике безопасности, безопасности движения и пользования стендами, приспособлениями и аппаратурой предприятий и организаций, на базе которых проводят испытания.
В.3 К проведению дорожных испытаний допускаются только опытные работники испытательной лаборатории с водительскими удостоверениями на право управления АТС соответствующей категории (со стажем практического вождения не менее пяти лет), прошедшие аттестацию и получившие допуск на проведение вышеоговоренных испытаний.
В.4 Для проведения испытаний должен быть назначен ответственный за проведение испытаний, который несет ответственность за безопасность людей и оборудования.
В.5 Ответственный за испытания (руководитель испытаний) должен наблюдать за четким соблюдением правил и инструкций, перечисленных в
В.2.
В.6 Руководитель должен разъяснить каждому участнику испытаний его задание и обязанности и указать рабочее место, которое необходимо занимать во время испытаний.
В.7 Во время испытаний по
5.6 и
5.7 водитель и контролер должны быть пристегнуты ремнями безопасности и находиться в защитных шлемах.
В.8 Применяемые при проведении испытаний приборы, устройства и т.п. не должны мешать управлению АТС или заставлять водителя управлять им в неудобном положении.
В.9 Испытания должны быть прекращены при обнаружении неисправностей АТС или изменения их состояния (например, смещение или ослабление крепления балласта), влияющих на безопасность испытаний, если эти неисправности и изменения состояния не являются предметом исследования.
В.10 При проведении испытаний по
5.6 и
5.7 движение испытуемого АТС должно контролироваться внешним наблюдателем, который информирует водителя о появлении отрывов колес от поверхности дороги. При возникновении отрыва одного из колес АТС от дороги, а также неуверенности водителя в возможности корректировки заноса АТС не допускается дальнейшее увеличение скорости испытательных заездов или увеличение угла поворота рулевого колеса при испытаниях.
В.11 Если при проведении испытаний по
5.6 и
5.7 скорость движения должна быть увеличена до отрыва всех колес одной стороны от поверхности дороги, то АТС оборудуют дополнительными страховочными приспособлениями, предохраняющими его от полного бокового опрокидывания.
(рекомендуемое)
ФОРМА ТЕХНИЧЕСКОГО ОПИСАНИЯ АВТОМОБИЛЬНОГО ТРАНСПОРТНОГО
СРЕДСТВА В ОТНОШЕНИИ УПРАВЛЯЕМОСТИ И УСТОЙЧИВОСТИ
ТЕХНИЧЕСКОЕ ОПИСАНИЕ
автомобильного транспортного средства ___________ в отношении управляемости
и устойчивости
Г.1 Общие сведения
Марка АТС
Коммерческое наименование
Тип АТС
Модификация
Категория АТС
Идентификационный номер (код VIN)
___________________________________________________________________________
Наименование и адрес предприятия-изготовителя
Сборочный(е) завод(ы)
Наименование и адрес заявителя
Г.2 Технические характеристики
Параметры | Модификации |
1 | 2 | 3 | 4 |
Колесная формула и тип привода | | | | |
Масса, кг: | |
- полная | | | | |
- на переднюю ось | | | | |
- на заднюю ось | | | | |
Максимальная технически допустимая масса, заявленная заводом-изготовителем, кг: | |
- полная | | | | |
- на переднюю ось | | | | |
- на заднюю ось | | | | |
Габаритные размеры, мм | | | | |
- длина | | | | |
- ширина | | | | |
- высота | | | | |
База, мм | | | | |
Колея, мм: | |
- передних колес; | | | | |
- задних колес | | | | |
Минимальный радиус поворота, м | | | | |
Максимальная технически допустимая скорость, заявленная изготовителем, км/ч: | |
- в снаряженном состоянии | | | | |
- при полной массе | | | | |
Рулевое управление: | |
- передаточное число (в положении, соответствующем прямолинейному движению) | | | | |
- число оборотов рулевого колеса от упора до упора | | | | |
- тип рулевого механизма | | | | |
- усилитель рулевого управления | | | | |
- марка насоса гидроусилителя | | | | |
- производительность насоса | | | | |
- диаметр рулевого колеса, мм | | | | |
- управляемые колеса | | | | |
- углы установки управляемых колес, ...° | | | | |
- схождение, мм | | | | |
- автоматические системы, влияющие на рулевое управление | | | | |
Подвеска; тип, направляющие элементы, упругие элементы: | |
- передняя | | | | |
- задняя | | | | |
Автоматические системы, влияющие на параметры и характеристики подвески | | | | |
Электронные системы контроля устойчивости | | | | |
- тип, марка | | | | |
- принцип действия | | | | |
Стабилизаторы, диаметр, мм | | | | |
Амортизаторы, тип | | | | |
| |
- размер | | | | |
- индекс грузоподъемности | | | | |
- индекс скорости | | | | |
Давление в шинах, кПа (кгс/см2): | |
- передних колес | | | | |
- задних колес | | | | |
Статический радиус колеса (переднего/заднего), мм | | | | |
Тип кузова | | | | |
Двигатель: | |
- рабочий объем, мощность | | | | |
Трансмиссия, тип | | | | |
Модели, на которые распространяется техническое описание | |
Дополнительные сведения об объектах испытаний (конструктивные особенности) | | | | |
<1> В случае, если на различных осях АТС применяются шины разной размерности, указываются характеристики шин для каждой из осей. |
Г.3 Графическая информация
Общий вид АТС с указанием основных габаритных размеров.
Схема рулевого управления.
Чертеж передней подвески.
Чертеж задней подвески.
Эскиз автоматической системы, влияющей на рулевое управление.
Эскиз автоматической системы, влияющей на параметры и характеристики подвески.
Эскиз электронной системы контроля устойчивости.
Г.4 Описание маркировки автомобильного транспортного средства
Место расположения таблички изготовителя.
Место расположения идентификационного номера (код VIN).
Структура и содержание идентификационного номера (номеров) АТС:
| 2 | | | 5 | 6 | 7 | 8 | | | 11 | 12 | 13 | 14 | 15 | 16 | |
- | - | - | - | - | - | - | - | - | - | - | - | - | - | - | - | - |
позиция 1 -
3: WMI (международный идентификационный код изготовителя);
позиция 4 -
9: описательная часть идентификационного номера;
позиция 10 -
17: указательная часть идентификационного номера.
Примечание - На каждой странице технического описания указывается общее количество страниц описания и номер данной страницы.
(рекомендуемое)
ФОРМА ПРЕДСТАВЛЕНИЯ РЕЗУЛЬТАТОВ ИСПЫТАНИЙ ПРОТОКОЛА
ИСПЫТАНИЙ/ОТЧЕТА ПО РЕЗУЛЬТАТАМ ИСПЫТАНИЙ
Д.1 Усилие на рулевом колесе
Условие измерения | Нормативное требование | Результат измерения |
Поворот влево | Поворот вправо |
Усилие, даН, не более | Время поворота, с, не более | Усилие, даН | Время поворота, с | Усилие, даН | Время поворота, с |
Неподвижное АТС | | - | | - | | - |
Вход в поворот радиусом 12 м со скоростью 10 км/ч | | | | | | |
Неработающий усилитель: вход в поворот радиусом 20 м со скоростью 10 км/ч | | | | | | |
Вывод: усилие на рулевом колесе соответствует/не соответствует нормативным требованиям (ненужное вычеркнуть).
Д.2 Стабилизация рулевого управления при выходе из круга радиусом 50 м
Показатель | Нормативное требование | Результат испытания |
Поворот влево | Поворот вправо |
Скорость движения v, км/ч | - | | |
Угол поворота рулевого колеса, ...° | начальный | - | | |
остаточный | - | | |
Увеличение угла поворота рулевого колеса после его освобождения | Отсутствие увеличения угла | | |
Возврат рулевого колеса в нейтральное положение | Наличие возврата. Допускается один переход рулевого колеса через нейтральное положение при отсутствии колебательного процесса | | |
Вывод: показатели стабилизации рулевого управления соответствуют/не соответствуют нормативным требованиям (ненужное вычеркнуть).
Д.3 Статическая устойчивость при испытаниях "опрокидывание на стенде"
Показатель | Нормативное требование | Результат испытания |
Высота центра масс h, мм | - | |
Коэффициент поперечной устойчивости qs | - | |
Угол опрокидывания на стенде  , ...°, не менее | | |
Угол крена подрессоренных масс  при опрокидывании, ...°, не более | | |
Вывод: показатели статической устойчивости соответствуют/не соответствуют нормативным требованиям (ненужное вычеркнуть).
Д.4 Устойчивость при испытаниях "рывок руля"
Показатель | Нормативное требование | Результат испытаний при установившемся боковом ускорении, м/с2 |
1 | 2 | 3 |
Скорость, км/ч | | | | |
Угол поворота рулевого колеса, ...° | | | | |
Радиус траектории, м (расчетный параметр) | | | | |
Заброс угловой скорости, % | | | | |
Время 90%-ной реакции по угловой скорости, с | | | | |
Вывод: показатели при испытании "рывок руля" соответствуют/не соответствуют нормативным требованиям (ненужное вычеркнуть).
Д.5 Управляемость и устойчивость при испытаниях в критических режимах движения
Д.5.1 Испытания при выполнении маневра "поворот Rп = 35 м" ("поворот Rп = 25 м")
Показатель | Нормативное значение (не менее) | Результат испытания |
Скорость маневра vм, км/ч | | |
Максимальный угол поворота рулевого колеса при vм, ...° | - | |
Чем ограничена скорость vм | |
Заключение о соответствии АТС нормативным требованиям | |
Д.5.2 Испытания при выполнении маневра "переставка Sп = 20 м" ("переставка Sп = 16 м")
Показатель | Нормативное значение (не менее) | Результат испытания |
Скорость маневра vм, км/ч | | |
Максимальный угол поворота рулевого колеса при vм, ...° | - | |
Чем ограничена скорость vм | |
Заключение о соответствии АТС нормативным требованиям | |
Вывод: в критических режимах движения показатели управляемости и устойчивости соответствуют/не соответствуют нормативным требованиям (ненужное вычеркнуть).
Д.6 Управляемость при испытаниях "прямая"
Показатель | Нормативное требование | Результаты испытания |
Средняя угловая скорость корректирующих поворотов рулевого колеса, °/с, не более | | |
Вывод: управляемость при испытаниях "прямая" соответствует/не соответствует нормативным требованиям (ненужное вычеркнуть).
Д.7 Управляемость и устойчивость в эксплуатационных режимах движения при испытаниях "пробег"
Дорожные условия, режим движения | Состояние покрытия | Соответствие (несоответствие) показателей рекомендованным значениям | Скорость АТС, допустимая для движения при несоответствии показателей рекомендованным значениям, км/ч |
Имитация горной дороги | | | |
Движение по прямой: | |
- равномерное | | | |
- с ускорением | | | |
- при торможении | | | |
Движение на повороте: | |
- равномерное | | | |
- с ускорением | | | |
- при торможении | | | |
Смена ряда (полосы) движения: | |
- с ускорением | | | |
- при торможении | | | |
Маневрирование в условиях: | |
- интенсивного городского движения | | | |
- в ограниченном пространстве | | | |
| ECE/TRANS/WP.29/78/Rev.6 | Сводная резолюция о конструкции транспортных средств (СР.3) |
УДК 629.114-592:006.354 | |
Ключевые слова: автомобильные транспортные средства, управляемость и устойчивость, категории автомобильных транспортных средств, усилие на рулевом колесе, статическая устойчивость, методы испытаний |