Главная // Актуальные документы // Актуальные документы (обновление 2024.12.02-2025.01.05) // ГОСТ (Государственный стандарт)
СПРАВКА
Источник публикации
М.: ФГБУ "Институт стандартизации", 2024
Примечание к документу
Документ вводится в действие с 01.09.2025 с правом досрочного применения.
Название документа
"ГОСТ IEC 61000-4-16-2023. Межгосударственный стандарт. Электромагнитная совместимость. Часть 4-16. Методы испытаний и измерений. Испытания на помехоустойчивость к кондуктивным помехам общего вида в диапазоне частот от 0 Гц до 150 кГц"
(введен в действие Приказом Росстандарта от 29.08.2024 N 1137-ст)

"ГОСТ IEC 61000-4-16-2023. Межгосударственный стандарт. Электромагнитная совместимость. Часть 4-16. Методы испытаний и измерений. Испытания на помехоустойчивость к кондуктивным помехам общего вида в диапазоне частот от 0 Гц до 150 кГц"
(введен в действие Приказом Росстандарта от 29.08.2024 N 1137-ст)


Содержание


Введен в действие
Приказом Федерального
агентства по техническому
регулированию и метрологии
от 29 августа 2024 г. N 1137-ст
МЕЖГОСУДАРСТВЕННЫЙ СТАНДАРТ
ЭЛЕКТРОМАГНИТНАЯ СОВМЕСТИМОСТЬ
ЧАСТЬ 4-16
МЕТОДЫ ИСПЫТАНИЙ И ИЗМЕРЕНИЙ
ИСПЫТАНИЯ НА ПОМЕХОУСТОЙЧИВОСТЬ К КОНДУКТИВНЫМ ПОМЕХАМ
ОБЩЕГО ВИДА В ДИАПАЗОНЕ ЧАСТОТ ОТ 0 Гц ДО 150 кГц
Electromagnetic compatibility. Part 4-16. Testing and
measurement techniques. Tests for immunity to conducted,
common mode disturbances in the frequency range
0 Hz to 150 kHz
(IEC 61000-4-16:2015,
Electromagnetic compatibility (EMC) - Part 4-16: Testing
and measurement techniques - Test for immunity to conducted,
common mode disturbances in the frequency range
0 Hz to 150 kHz, IDT)
ГОСТ IEC 61000-4-16-2023
МКС 33.100.20
Дата введения
1 сентября 2025 года
с правом досрочного применения
Предисловие
Цели, основные принципы и общие правила проведения работ по межгосударственной стандартизации установлены ГОСТ 1.0 "Межгосударственная система стандартизации. Основные положения" и ГОСТ 1.2 "Межгосударственная система стандартизации. Стандарты межгосударственные, правила и рекомендации по межгосударственной стандартизации. Правила разработки, принятия, обновления и отмены"
Сведения о стандарте
1 ПОДГОТОВЛЕН Открытым акционерным обществом "Испытания и сертификация бытовой и промышленной продукции "БЕЛЛИС" на основе собственного перевода на русский язык англоязычной версии стандарта, указанного в пункте 5
2 ВНЕСЕН Государственным комитетом по стандартизации Республики Беларусь
3 ПРИНЯТ Межгосударственным советом по стандартизации, метрологии и сертификации (протокол от 31 мая 2023 г. N 162-П)
За принятие проголосовали:
Краткое наименование страны по МК (ИСО 3166) 004-97
Код страны по МК (ИСО 3166) 004-97
Сокращенное наименование национального органа по стандартизации
Армения
AM
ЗАО "Национальный орган по стандартизации и метрологии" Республики Армения
Беларусь
BY
Госстандарт Республики Беларусь
Казахстан
KZ
Госстандарт Республики Казахстан
Киргизия
KG
Кыргызстандарт
Россия
RU
Росстандарт
Узбекистан
UZ
Узбекское агентство по техническому регулированию
4 Приказом Федерального агентства по техническому регулированию и метрологии от 29 августа 2024 г. N 1137-ст межгосударственный стандарт ГОСТ IEC 61000-4-16-2023 введен в действие в качестве национального стандарта Российской Федерации с 1 сентября 2025 г. с правом досрочного применения
5 Настоящий стандарт идентичен международному стандарту IEC 61000-4-16:2015 "Электромагнитная совместимость (ЭМС). Часть 4-16. Методы испытаний и измерений. Испытание на помехоустойчивость к кондуктивным помехам общего вида в диапазоне частот от 0 Гц до 150 кГц" ("Electromagnetic compatibility (EMC) - Part 4-16: Testing and measurement techniques - Test for immunity to conducted, common mode disturbances in the frequency range 0 Hz to 150 kHz", IDT).
Наименование настоящего стандарта изменено относительно наименования указанного международного стандарта для приведения в соответствие с ГОСТ 1.5 (подраздел 3.6).
Международный стандарт разработан Подкомитетом 77A "Низкочастотные явления" Технического комитета TC 77 "Электромагнитная совместимость" Международной электротехнической комиссии (IEC)
6 ВВЕДЕН ВПЕРВЫЕ
Информация о введении в действие (прекращении действия) настоящего стандарта и изменений к нему на территории указанных выше государств публикуется в указателях национальных стандартов, издаваемых в этих государствах, а также в сети Интернет на сайтах соответствующих национальных органов по стандартизации.
В случае пересмотра, изменения или отмены настоящего стандарта соответствующая информация будет опубликована на официальном интернет-сайте Межгосударственного совета по стандартизации, метрологии и сертификации в каталоге "Межгосударственные стандарты"
Введение
Стандарты серии IEC 61000 публикуются отдельными частями в соответствии со следующей структурой:
- часть 1.
Общие положения:
Общее рассмотрение (введение, фундаментальные принципы).
Определения, терминология;
- часть 2.
Электромагнитная обстановка:
Описание электромагнитной обстановки.
Классификация электромагнитной обстановки.
Уровни электромагнитной совместимости;
- часть 3.
Нормы:
Нормы помехоэмиссии.
Нормы помехоустойчивости (в тех случаях, когда они не являются предметом рассмотрения техническими комитетами, разрабатывающими стандарты на продукцию);
- часть 4.
Методы испытаний и измерений:
Методы измерений.
Методы испытаний;
- часть 5.
Руководство по установке и помехоподавлению:
Руководство по установке.
Методы помехоподавления и устройства;
- часть 6.
Общие стандарты;
- часть 9.
Разное.
Каждая часть далее подразделяется на несколько частей, публикуемых либо в виде международных стандартов, либо в виде технических спецификаций или технических отчетов, некоторые из которых уже опубликованы в виде разделов. Другие будут опубликованы с дополнительной цифрой, следующей за дефисом, и вторым номером, идентифицирующим подразделение (например, IEC 61000-6-1).
Настоящий стандарт устанавливает требования устойчивости оборудования к кондуктивным помехам общего вида в диапазоне частот от 0 Гц до 150 кГц и методы испытаний.
1 Область применения
Настоящий стандарт устанавливает требования помехоустойчивости и методы испытаний для электрического и электронного оборудования к кондуктивным помехам общего вида в диапазоне от постоянного тока до 150 кГц.
Целью настоящего стандарта является установление общих и воспроизводимых основ испытаний электрического и электронного оборудования на устойчивость к помехам общего вида, которые могут возникать на портах электропитания, портах управления, сигнальных и телекоммуникационных портах.
Настоящий стандарт устанавливает требования к:
- формам испытательных напряжений и токов;
- уровням испытательных напряжений;
- испытательному оборудованию;
- организованному месту для испытаний;
- методам испытаний.
Для некоторых типов портов, предназначенных, например, для использования в высокосбалансированных линиях, дополнительные требования к испытаниям могут быть установлены комитетом в стандартах на конкретную продукцию.
Испытания предназначены для проверки устойчивости электронного и электротехнического оборудования к кондуктивным помехам общего вида, наведенным токами линий электропередачи вследствие токов утечки в системе заземления.
Настоящий стандарт не распространяется на помехи, наведенные от сетей электропитания с частотой 400 Гц.
Существенное влияние помех данного вида на оборудование проявляется относительно редко, за исключением оборудования, расположенного на территории промышленных предприятий. Поэтому технические комитеты, разрабатывающие стандарты на конкретную продукцию или группу продукции, должны оценить целесообразность применения настоящего стандарта в своих стандартах на конкретную продукцию или группу продукции (см. раздел 4).
Испытания не проводят на портах оборудования, предназначенных для подключения коротких кабелей длиной менее 20 м.
Испытания на устойчивость к гармоникам и интергармоникам, включая передачу сигналов в сети электропитания переменного тока (в дифференциальном режиме), не входят в область применения настоящего стандарта и подпадают под действие IEC 61000-4-13 и IEC 61000-4-19.
Испытания на устойчивость к кондуктивным помехам, создаваемым преднамеренно радиочастотными передатчиками, не входят в область применения настоящего стандарта и регулируются IEC 61000-4-6.
2 Нормативные ссылки
В настоящем стандарте нормативные ссылки отсутствуют.
3 Термины и определения
В настоящем стандарте применены следующие термины с соответствующими определениями.
Примечание - Не все определения, приведенные в разделе 3, содержатся в IEC 60050-161.
3.1 испытуемое оборудование; ИО (equipment under test; EUT): Оборудование (устройства, приборы и системы), подлежащее испытаниям.
3.2 вспомогательное оборудование; ВО (auxiliary equipment; AE): Оборудование, необходимое для настройки всех функций испытуемого оборудования, а также для оценки качества функционирования (работы) испытуемого оборудования во время проведения испытаний.
3.3 порт (port): Граница между конкретным оборудованием и внешней электромагнитной обстановкой (см. рисунок 1).
Примечание - Положение переключателя зависит от возможной конфигурации портов: несимметричные, изолированные и т.д.
Рисунок 1 - Примеры портов испытуемого оборудования
3.4 связь (coupling): Соединение между цепями, предназначенное для передачи энергии из одной цепи в другую.
3.5 устройство связи (coupling network): Электрическое устройство, предназначенное для передачи энергии из одной цепи в другую.
3.6 устройство развязки (decoupling network): Электрическое устройство, предназначенное для предотвращения воздействия подводимого к испытуемому оборудованию испытательного сигнала на другие приборы, оборудование или системы, не подвергаемые испытанию.
3.7 помехоустойчивость (immunity (to a disturbance)): Способность устройства, оборудования или системы работать без ухудшения характеристик при наличии электромагнитной помехи.
[ИСТОЧНИК: IEC 60050-161:1990 (терминологическая статья 161-01-20)].
3.8 импеданс источника испытательного генератора (source impedance of the test generator): Соотношение между напряжением холостого хода и током короткого замыкания, выраженное как: напряжение холостого хода Voc/ток короткого замыкания Isc.
4 Общие положения
Кондуктивные помехи общего вида в полосе частот от постоянного тока до 150 кГц могут оказывать влияние на надежность функционирования оборудования и систем, установленных в жилых и промышленных зонах, а также на электростанциях.
Требования настоящего стандарта относятся только к тем портам испытуемого оборудования, которые могут быть подвержены помехам, рассматриваемым в настоящем стандарте.
Источниками таких помех являются:
- системы распределения энергии на своей основной частоте, существенных гармониках и интергармониках;
- силовое электронное оборудование (например, силовые преобразователи), которые могут генерировать помехи в заземляющие проводники и системы заземления (например, через паразитные емкости или фильтры) или индуцировать помехи на сигнальные линии и линии управления.
Помехи на основных частотах сети электропитания и гармониках частот сети обычно генерируются силовыми распределительными системами (ток короткого замыкания и токи утечки в системах заземления).
Помехи на частотах свыше области гармоник основной частоты (до 150 кГц) обычно генерируются электронным силовым оборудованием, которое часто находится на территории промышленных предприятий и электростанций.
Воздействия источника помех на источники электропитания, сигнальные, контрольные кабели, а также кабели связи приводят к возникновению помех на портах испытуемого оборудования.
Так как указанные выше механизмы возникновения помех не могут быть полностью устранены, то необходимо, чтобы у оборудования был достаточный уровень устойчивости к перечисленным помехам.
В зависимости от электромагнитной обстановки в месте, где происходит эксплуатация оборудования, помехи могут быть классифицированы следующим образом:
a) напряжение/ток на частотах электропитания: постоянный ток, 162/3, 50 и 60 Гц;
b) напряжение/ток в полосе частот 15 Гц - 150 кГц (включая гармоники частоты питания электросети).
Настоящий стандарт устанавливает методы испытаний к двум категориям помех, указанным выше. Применимость испытаний должна быть установлена в стандартах на испытуемое оборудование конкретного вида.
В приложении A приведена более подробная информация об источниках помех и механизмах связи.
5 Испытательные уровни
5.1 Общие положения
Предпочтительные испытательные уровни, применяемые к портам оборудования в зависимости от вида и источника помех, приведены в 5.2 и 5.3.
Испытательные уровни приведены для проведения испытаний на частотах питания электросети (постоянный ток, 162/3, 50 и 60 Гц) и в полосе частот 15 Гц - 150 кГц.
Применимость каждого испытания установлена в стандарте на испытуемое оборудование конкретного вида.
Испытательное напряжение должно применяться к портам электропитания, портам управления, сигнальным и телекоммуникационным портам (дифференциальное напряжение зависит от несбалансированности цепи).
Рекомендации по выбору испытательного уровня приведены в приложении B.
5.2 Испытательные уровни для частоты сети электропитания
Предпочитаемые испытательные уровни приведены в таблицах 1 и 2.
Таблица 1
Испытательные уровни при воздействии длительных помех
Испытательный уровень
Испытательное напряжение, В
(среднеквадратическое значение напряжения холостого хода)
1
1
2
3
3
10
4
30
x
Специальное
Примечание - "x" представляет собой открытый испытательный уровень, который может быть установлен в стандарте на конкретное оборудование.
Таблица 2
Испытательные уровни при воздействии кратковременных помех
Испытательный уровень
Испытательное напряжение, В
(среднеквадратическое значение напряжения холостого хода)
1
10
2
30
3
100
4
300
x
Специальное
Примечание - "x" представляет собой открытый испытательный уровень, который может быть установлен в стандарте на конкретное оборудование.
Испытательные уровни применяются к испытательному напряжению для постоянного тока и на частотах 162/3, 50 и 60 Гц.
Время воздействия каждой кратковременной помехи составляет 1 с. В стандартах на испытуемое оборудование конкретного вида может быть установлено иное время воздействия помехи.
Испытания должны проводиться на одной (или более) следующей частоте: постоянный ток, 162/3, 50 и 60 Гц в зависимости от частоты сети электропитания на месте, где будет происходить эксплуатация испытуемого оборудования (см. приложение A); испытание на частоте 162/3 Гц применимо к оборудованию, расположенному в непосредственной близости от железнодорожных систем, электропитание которых происходит на этой частоте.
Испытательный уровень не должен превышать значения, указанного в стандартах на испытуемое оборудование конкретного вида.
Информация по выбору испытательного уровня приведена в приложении B.
5.3 Испытательные уровни при воздействии помех в полосе частот от 15 Гц до 150 кГц
Предпочтительные испытательные уровни приведены в таблице 3.
Таблица 3
Испытательные уровни в полосе частот 15 Гц - 150 кГц
Испытательный уровень
Испытательное напряжение, В
(среднеквадратическое значение напряжения холостого хода)
15 - 150 Гц
150 Гц - 1,5 кГц
1,5 - 15 кГц
15 - 150 кГц
1
1 - 0,1
0,1
0,1 - 1
1
2
3 - 0,3
0,3
0,3 - 3
3
3
10 - 1
1
1 - 10
10
4
30 - 3
3
3 - 30
30
x
x
x
x
x
Примечание 1 - "x" представляет собой открытый испытательный уровень, который может быть установлен в стандарте на конкретное оборудование.
Примечание 2 - В зависимости от частоты испытательное напряжение изменяется следующим образом (см. приложение B для информации):
- в диапазоне частот от 15 до 150 Гц уровень убывает на 20 дБ/декада;
- в диапазоне частот 150 Гц - 1,5 кГц уровень не изменяется;
- в диапазоне частот от 1,5 до 15 кГц уровень возрастает на 20 дБ/декада;
- в диапазоне частот 15 - 150 кГц уровень не изменяется.
Зависимость испытательного напряжения от частоты представлена на рисунке 2.
Рисунок 2 - Зависимость испытательного напряжения от частоты
Требования устойчивости к помехам на частотах ниже 15 Гц, кроме помех постоянного тока, не устанавливают, так как на указанных частотах помехи не считаются существенными.
6 Испытательное оборудование
6.1 Испытательные генераторы
6.1.1 Общие положения
Характеристики испытательных генераторов для каждого вида специфических испытаний приведены в 6.1.2, 6.1.3 и 6.1.4.
В испытательных генераторах должны быть предусмотрены меры по предупреждению значительных помех, которые при их эмиссии в электрическую сеть могут повлиять на результаты испытаний.
Информация о выходном полном сопротивлении испытательных генераторов приведена в приложении A.
6.1.2 Характеристики и производительность испытательного генератора для создания помех постоянного тока
Как правило, испытательный генератор включает в себя источник постоянного тока с регулируемым выходным напряжением и управляемый по времени ключ для обеспечения коммутации выходного напряжения при испытаниях кратковременными помехами.
Характеристики испытательного генератора длительных помех:
- форма испытательного напряжения:
постоянный ток, уровень пульсаций менее 5%;
- выходное напряжение холостого хода (среднеквадратическое значение):
от 1 В с относительным допустимым отклонением -10% до 30 В с относительным допустимым отклонением +10%;
- полное сопротивление источника:
Voc/Isc = 50 Ом с относительным допустимым отклонением +/- 10%.
Характеристики испытательного генератора кратковременных помех:
- форма испытательного напряжения:
постоянный ток, уровень пульсаций менее 5%;
- выходное напряжение холостого хода (среднеквадратическое значение):
от 10 В с относительным допустимым отклонением -10% до 300 В с относительным допустимым отклонением +10%;
- полное сопротивление источника:
Voc/Isc = 50 Ом с относительным допустимым отклонением +/- 10%;
- длительность возрастания и спада выходного напряжения при включении и выключении помехи:
от 1 до 5 мкс.
Схема испытательного генератора помех приведена на рисунке 3.
SG - генератор сигнала;
S - ключ и схема управления;
R - резистор схемы
Рисунок 3 - Пример испытательного генератора для испытаний
к помехам постоянного тока и для создания испытательного
напряжения помех в полосе частот от 15 Гц до 150 кГц
6.1.3 Рабочие характеристики испытательного генератора для создания помех переменного тока частотой 162/3, 50 и 60 Гц
Как правило, испытательный генератор включает в себя управляемый трансформатор (подключенный к сети электропитания), изолирующий трансформатор и управляемый по времени ключ для обеспечения коммутации напряжения при испытаниях кратковременными помехами; ключ должен быть синхронизирован с точкой, при которой фазовый угол напряжения сети составляет 0°.
Характеристики испытательного генератора длительных помех:
- форма испытательного напряжения:
синусоидальная, общий коэффициент нелинейных искажений менее 10%;
- выходное напряжение холостого хода (среднеквадратическое значение):
от 1 В с относительным допустимым отклонением -10% до 30 В с относительным допустимым отклонением +10%;
- полное сопротивление источника:
Voc/Isc = 50 Ом с относительным допустимым отклонением +/- 10%;
- частота:
выбранная основная частота сети электропитания.
Характеристики испытательного генератора кратковременных помех:
- форма испытательного напряжения:
синусоидальная, общий коэффициент нелинейных искажений менее 10%;
- выходное напряжение холостого хода (среднеквадратическое значение):
от 10 В с относительным допустимым отклонением -10% до 300 В с относительным допустимым отклонением +10%;
- полное сопротивление источника:
Voc/Isc = 50 Ом с относительным допустимым отклонением +/- 10%;
- частота:
выбранная основная частота сети электропитания;
- включение и выключение выходного напряжения помехи:
синхронизированы с точкой, при которой фазовый угол напряжения сети составляет (0° +/- 5%).
Схема испытательного генератора помех приведена на рисунке 4.
PA - питающий усилитель 162/3, 50, 60 Гц;
Vr - регулятор напряжения;
S - ключ, схема управления;
IT - изолирующий трансформатор;
R - резистор схемы
Рисунок 4 - Пример испытательного генератора для испытаний
с помехами переменного тока (162/3, 50 и 60 Гц)
6.1.4 Рабочие характеристики испытательного генератора для создания помех в диапазоне частот от 15 Гц до 150 кГц
Как правило, испытательный генератор включает в себя генератор сигналов, обеспечивающий перекрытие заданной полосы частот. Испытательный генератор должен обладать возможностью автоматической перестройки частоты со скоростью 1·10-2 декада/с или ниже. В случае применения синтезаторов частоты испытательный генератор должен быть программируемым для установки шага перестройки частоты, составляющего 10% предыдущего значения частоты. Также испытательный генератор должен иметь возможность ручной настройки.
Характеристики испытательного генератора:
- форма испытательного напряжения:
синусоидальная, общий коэффициент нелинейных искажений менее 1%;
- выходное напряжение холостого хода (среднеквадратическое значение):
от 0,1 В с относительным допустимым отклонением -10% до 30 В с относительным допустимым отклонением +10%;
- полное сопротивление источника:
Voc/Isc = 50 Ом с относительным допустимым отклонением +/- 10%;
- частотный диапазон:
от 15 Гц с относительным допустимым отклонением -10% до 150 кГц с относительным допустимым отклонением +10%.
6.2 Проверка характеристик испытательного генератора
Чтобы иметь возможность сравнения результатов, полученных от различных испытательных генераторов, необходимо калибровать либо проверять наиболее важные характеристики испытательного генератора.
Проверке подлежат следующие характеристики:
- форма испытательного выходного напряжения;
- полное сопротивление источника (напряжение холостого хода Voc/ток короткого замыкания Isc).
Импеданс источника должен быть проверен:
- на самом высоком и самом низком испытательном уровне для всех генераторов: постоянный ток; переменный ток; свипирование;
- дополнительно для свип-генератора на частотах: 15 Гц, 1,5; 15; 150 кГц.
При проведении проверки полного сопротивления источника генератора кратковременных помех начальные 50 мс можно не учитывать;
- точность установки частоты;
- точность установки выходного напряжения холостого хода;
- длительность возрастания и спада выходного напряжения при включении и выключении помехи (при необходимости).
Проверки должны проводиться пробниками для измерения напряжения и тока совместно с осциллографом или другим эквивалентным измерительным прибором с пропускной способностью измерительного канала не менее 1 МГц.
Точность измерений должна быть менее +/- 5%.
6.3 Устройства связи/развязки
6.3.1 Общие положения
Устройства связи применяются для подачи испытательного напряжения в общем режиме к портам электропитания, входным/выходным (сигнальным и контрольным) портам и телекоммуникационным портам испытуемого оборудования. Устройства развязки применяются для предотвращения воздействия испытательного напряжения на вспомогательное оборудование при проведении испытаний.
6.3.2 Устройства связи
6.3.2.1 Устройства связи для портов электропитания, входных/выходных портов
Для портов электропитания, входных/выходных портов устройство связи для каждого проводника представляет собой резистор и конденсатор, соединенные последовательно. Устройства связи для каждого проводника соединяют параллельно для образования устройства связи порта.
На рисунке 6 показана принципиальная схема устройства связи, в которой значение емкости конденсатора C = 1,0 мкФ и значение сопротивления резистора R = 100·n Ом, где n - количество проводников, подключаемых к порту (n обычно больше или равно 2).
Конденсаторы и резисторы для каждого из проводников соединительной сети для порта должны иметь номинальные значения с допуском 1%.
При подаче помехи постоянного тока конденсаторы 1,0 мкФ должны быть короткозамкнуты.
Примечание - При выполнении испытаний на помехоустойчивость к помехам постоянного тока для сигнальных портов полное сопротивление электрической цепи устройства связи может стать причиной уменьшения напряжения полезного сигнала.
Для экранированных кабелей испытательный сигнал помехи подается непосредственно в экран кабеля, так как применения устройства связи не требуется (см. рисунок 6).
6.3.2.2 Устройства связи для коммуникационных портов
Для коммуникационных и других портов, предназначенных для подключения к сбалансированным линиям (одиночным парам или состоящим из нескольких пар проводников), в качестве устройства связи применяется Т-образная цепь.
На рисунке 5 показана принципиальная схема Т-образной цепи. Значение номинала емкости конденсатора C = 4,7 мкФ, сопротивления резистора R = 200 Ом и индуктивности катушки L = 2 x 38 мГн (бифилярная намотка).
R - резистор 200 Ом;
C - конденсатор 4,7 мкФ; для обеспечения короткого замыкания конденсатора применяется переключатель SW при проведении испытаний к воздействию напряжения постоянному току;
L - индуктивность 2 x 38 мГн (бифилярная намотка).
Рисунок 5 - Схема Т-образной цепи связи, предназначенной
для подачи помех в порты связи и другие порты,
предназначенные для подключения к сбалансированным линиям
Погрешность номинальных значений компонентов Т-образной цепи должна быть такой, чтобы коэффициент подавления синфазной помехи испытуемого оборудования значительно не ухудшался.
Возможно создание Т-образной цепи, пригодной для использования с коэффициентами подавления синфазных помех более 80 дБ, и в этом случае в стандартах на испытуемое оборудование конкретного вида должен быть определен альтернативный метод связи.
6.3.3 Устройства развязки
6.3.3.1 Основные характеристики
Функция развязывающего устройства состоит в том, чтобы изолировать вспомогательное оборудование и/или имитатор от порта испытуемого оборудования, который подвергается воздействию помехи, и тем самым предотвратить приложение испытательного напряжения к вспомогательному оборудованию и/или имитатору.
Наиболее важной характеристикой устройства развязки является ослабление общего несимметричного напряжения помехи в полосе частот от 0 Гц до 150 кГц.
Допускается применение как пассивных, так и активных устройств развязки; в качестве примера активные устройства могут включать в себя усилители и оптические развязывающие компоненты, в то время как пассивные устройства могут включать в себя изолирующие трансформаторы.
6.3.3.2 Технические требования
Спецификации изоляции и развязки, применимые ко всем устройствам для всех типов рабочих сигналов, следующие:
- электрическая прочность изоляции (между входом и выходом, входом и заземлением, выходом и заземлением):
1 кВ на частоте 50/60 Гц в течение 1 мин;
- ослабление общего несимметричного напряжения в полосе частот 15 Гц - 150 кГц:
60 дБ.
Требования к электрической прочности изоляции устройств развязки могут быть снижены при проведении испытаний с испытательным уровнем ниже 4.
Ослабление общего несимметричного напряжения устройством развязки должно быть как можно выше, чтобы уменьшить изменение коэффициента подавления синфазного напряжения портом испытуемого оборудования.
Требования настоящего подраздела также применяются к комплексным устройствам, таким как источники питания, включающие в свой состав изолирующие трансформаторы и преобразователи "переменный ток - постоянный ток".
Для сбалансированных линий Т-образная цепь с характеристиками, приведенными в 6.3.2.2, обеспечивает эффективную развязку в полосе частот от 10 до 150 кГц. На частотах ниже 10 кГц применение устройств развязки также необходимо.
7 Организованное место для испытаний
7.1 Общие положения
Требования организованного места для испытаний установлены для:
- проводников заземления;
- испытуемого оборудования;
- испытательного генератора;
- устройств связи и развязки (развязывающих/изолирующих устройств).
7.2 Проводники заземления
Требования к защитному заземлению испытуемого оборудования, вспомогательного оборудования и испытательного оборудования должны соблюдаться всегда.
Испытуемое оборудование должно быть подключено к системе защитного заземления в соответствии с технической документацией на испытуемое оборудование. Испытательный генератор и устройства связи и устройства развязки подключаются к эталонной пластине заземления или к общей шине защитного заземления. Длина заземляющего проводника для подключения к пластине заземления или общей шине заземления должна быть не более 1 м.
7.3 Испытуемое оборудование
Испытуемое оборудование должно быть установлено и подключено в соответствии с технической документацией на испытуемое оборудование.
Порты электропитания, входные/выходные сигнальные, контрольные порты и порты связи подключаются через развязывающие/изолирующие устройства (см. 6.3.3).
Полезные сигналы к испытуемому оборудованию могут подаваться от вспомогательного оборудования или имитатора.
При испытаниях необходимо использовать кабели, предусмотренные технической документацией на испытуемое оборудование. Если в технической документации не установлены требования к кабелям, то используют неэкранированные кабели, пригодные для использования с данными типами сигналов.
Длина соединительных кабелей выбирается произвольно, за исключением экранированных кабелей (см. 8.3). Если в технической документации на испытуемое оборудование установлены максимальные длины экранированных кабелей, то используют кабели указанной длины. В остальных случаях длина экранированного кабеля должна составлять 20 м.
7.4 Испытательный генератор
Испытательный генератор должен быть подключен к устройству связи или резистору связи в соответствии с требованиями раздела 8.
7.5 Устройства связи/развязки
Устройства связи/развязки подключаются между всеми портами испытуемого оборудования, которые подвергаются испытаниям, и соответствующими сигнальными портами и портами электропитания.
Устройства связи/развязки не требуется применять, если входы/выходы вспомогательного оборудования или источника электропитания развязаны с источником полезного сигнала.
Устройства связи/развязки должны быть расположены на стороне кабелей, предназначенной для подключения к вспомогательному оборудованию, чтобы можно было использовать обычные разъемы, поставляемые с кабелями, без необходимости их обрезать.
В случае экранированных кабелей (например, коаксиальных кабелей) испытательный генератор подключается непосредственно к экрану кабеля (применение цепей резисторов и конденсаторов не требуется).
8 Методы испытаний
8.1 Общие положения
Процедура испытаний включает в себя:
- предварительную проверку правильности работы испытуемого оборудования;
- проведение испытаний.
8.2 Условия испытаний в испытательной лаборатории
8.2.1 Общие положения
Чтобы минимизировать влияние окружающей среды на результаты испытаний, испытания должны быть проведены в климатических условиях и в условиях электромагнитной обстановки, установленных в 8.2.2 и 8.2.3.
8.2.2 Климатические условия
Если иное не установлено в основополагающих стандартах, стандартах на продукцию или группу продукции, то климатические условия в лаборатории должны быть в пределах, установленных для функционирования испытуемого и испытательного оборудования соответственно их изготовителями.
Испытания не должны проводиться, если относительная влажность настолько высока, что вызывает конденсацию на испытуемом или испытательном оборудовании.
При наличии обоснованных доказательств влияния условий окружающей среды на явления, рассматриваемые в настоящем стандарте, технический комитет, ответственный за разработку настоящего стандарта, должен быть об этом проинформирован.
8.2.3 Электромагнитная обстановка
Электромагнитная обстановка в испытательной лаборатории не должна влиять на результаты испытаний.
8.3 Проведение испытаний
Испытуемое оборудование должно быть сконфигурировано для нормальных рабочих условий.
Испытания проводят в соответствии с программой испытаний, где указывают:
- вид испытания;
- испытательный уровень;
- продолжительность испытаний;
- порты испытуемого оборудования, подлежащие воздействию помехи;
- характерные условия эксплуатации испытуемого оборудования;
- вспомогательное оборудование.
Испытания проводят при номинальных значениях напряжения электропитания и номинальных уровнях полезных сигналов, подаваемых на порты испытуемого оборудования. Если при испытаниях невозможно применить действительные источники полезных сигналов, то допускается использовать имитаторы.
Испытания проводят в следующей последовательности:
- предварительная проверка рабочих характеристик испытуемого оборудования;
- подключение устройств связи и развязки к портам испытуемого оборудования, которые подвергаются испытаниям;
- проверка параметров и характеристик входных сигналов при необходимости;
- подача испытательного напряжения помех.
Испытательная конфигурация может влиять на условия эксплуатации входных/выходных портов испытуемого оборудования. Эти новые условия должны рассматриваться как эталонные при оценке влияния испытательного напряжения.
Испытательное напряжение должно быть подано в течение времени, достаточного для оценки качества функционирования испытуемого оборудования. При подаче кратковременных помех (длительностью 1 с) испытания повторяются несколько раз для достоверной оценки качества функционирования испытуемого оборудования.
Испытания в диапазоне частот 15 Гц - 150 кГц начинают с частоты 15 Гц; скорость плавной перестройки частоты не должна превышать 1 x 10-2 декада/с. При использовании генератора с шаговой перестройкой частоты шаг перестройки частоты должен составлять 10% от предыдущего значения частоты.
Качество функционирования испытуемого оборудования должно непрерывно контролироваться. Любое ухудшение качества функционирования должно быть отмечено в протоколе испытаний.
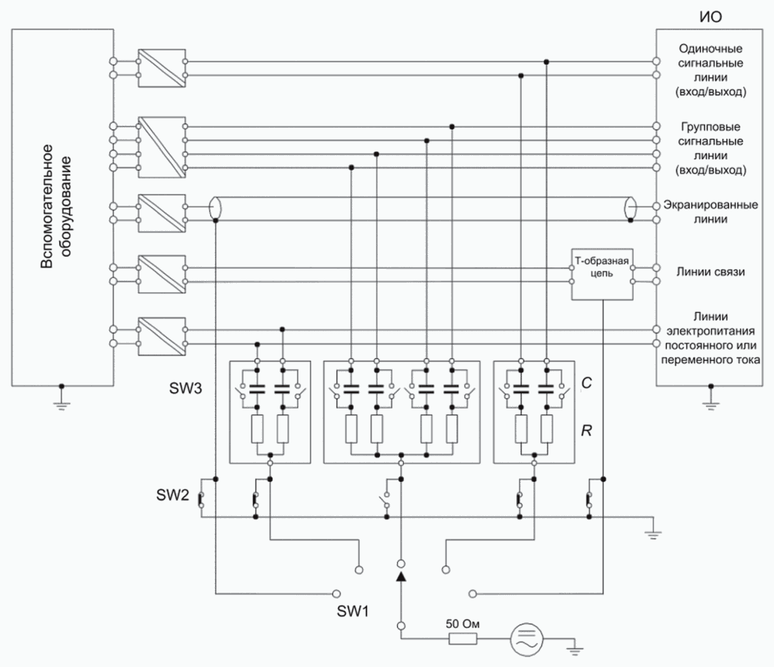
Испытательный генератор подключают к каждому порту по очереди. Входные зажимы устройств связи/развязки испытуемого оборудования, не подвергаемые воздействиям, должны быть заземлены (см. рисунок 6).
Емкость конденсатора C = 1,0 мкФ, при испытаниях на устойчивость к напряжению помех постоянного тока должна быть закорочена ключом SW3.
Сопротивление резистора R = 100·n Ом (n - количество проводников).
Для примера: если n = 4, то R = 400 Ом.
Примечание 1 - Ключ SW2 предназначен для подключения на землю всех входных портов, не используемых при испытаниях (см. 8.3).
Рисунок 6 - Общая схема проведения типовых испытаний
Если устройство имеет значительное количество идентичных портов, то для испытаний должно быть выбрано достаточное количество указанных портов, чтобы воспроизвести действительные условия функционирования испытуемого оборудования и обеспечить проверку соединений всех типов.
Порты, к которым подключают неэкранированные кабели, должны быть испытаны при подаче напряжений помех непосредственно на зажимы портов.
Для экранированных кабелей (например, коаксиальных кабелей) выход испытательного генератора должен быть непосредственно подключен к экрану кабеля (применение дополнительных резисторов и конденсаторов не требуется).
При испытаниях портов, имеющих в своем составе более двух контактов (например, группа контактов), испытательное напряжение должно быть подано одновременно между всеми контактами испытуемого порта и землей (общий режим работы).
Для портов, предназначенных для подключения к сбалансированным линиям, испытательное напряжение должно быть подано с использованием Т-образной цепи, описанной в 6.3.2.2.
При испытаниях с использованием постоянного напряжения полярность испытательного напряжения должна быть изменена на противоположную.
Общая схема подачи испытательного напряжения приведена на рисунке 6.
Испытательное напряжение должно применяться в общем режиме работы к следующим портам:
- портам электропитания;
- входным и выходным портам;
- портам связи.
Отдельные испытания портов заземления не проводят.
Работоспособность испытуемого оборудования должна проверяться согласно требованиям, установленным в программе.
При проведении испытаний могут возникать опасности от испытательного напряжения или тока утечки на землю, поэтому адекватные меры предосторожности необходимы, чтобы избежать рисков для операторов.
9 Оценка результатов испытаний
Результаты испытаний должны быть классифицированы в зависимости от прекращения функционирования или возможного ухудшения характеристик функционирования испытуемого оборудования и основаны на уровне качества функционирования, указанного изготовителем испытуемого оборудования или заказчиком испытаний или установленного по согласованию между изготовителем и покупателем данного изделия. Рекомендуется использование классификации следующего вида:
a) нормальное функционирование в рамках, установленных изготовителем, заказчиком или покупателем;
b) временное прекращение функционирования, или ухудшение качества функционирования, или постепенный отказ с восстановлением нормального функционирования при прекращении воздействия помехи, осуществляемые без вмешательства оператора;
c) временное прекращение функционирования или ухудшение качества функционирования, при которых для восстановления нормального функционирования требуется вмешательство оператора;
d) прекращение функционирования или ухудшение качества функционирования, которые не могут быть восстановлены из-за повреждения оборудования (компонентов), нарушения программного обеспечения или потери данных.
Инструкции изготовителя могут определять некоторые эффекты воздействия помех на испытуемое оборудование как незначительные и, следовательно, приемлемые.
Настоящая классификация может использоваться комитетами, ответственными за разработку основополагающих стандартов, стандартов на продукцию или группу продукции, в качестве руководства по определению критериев качества функционирования или в качестве основы для согласования критериев качества функционирования изделий между изготовителем и покупателем, например в случае отсутствия подходящего основополагающего стандарта, стандарта на продукцию или группу продукции.
10 Протокол испытаний
Протокол испытаний должен содержать всю информацию, необходимую для воспроизведения испытания. В частности, должно быть указано следующее:
- позиции, приведенные в программе испытаний, согласно разделу 8;
- обозначение испытуемого оборудования и любого вспомогательного оборудования, например торговая марка, тип испытуемого оборудования, серийный номер;
- обозначение испытательного оборудования, например торговая марка, тип оборудования, серийный номер;
- любые особые условия окружающей среды, в которых было проведено испытание, например применение экранированного корпуса;
- любые особые условия, которые необходимо соблюсти для проведения испытания;
- уровень качества функционирования, установленный изготовителем, заказчиком или покупателем;
- критерий качества функционирования, установленный в основополагающем стандарте, стандарте на продукцию или группу продукции;
- любое ухудшение качества функционирования испытуемого оборудования во время или после проведения испытания, а также время, в течение которого данный эффект сохраняется;
- критерий определения результата испытания (основанный на критерии качества функционирования, установленном в основополагающем стандарте, стандарте на продукцию или группу продукции, или являющийся предметом соглашения между изготовителем и покупателем);
- любые особые условия использования или эксплуатационный режим испытуемого оборудования, соблюдение которых требуется для достижения соответствия, например длина или тип кабеля, экранирование или заземление.
Приложение A
(справочное)
ИСТОЧНИКИ ПОМЕХ И МЕХАНИЗМЫ СВЯЗИ
A.1 Источники помех
Кондуктивные помехи общего вида на частотах электропитания и их гармониках образуются в результате неисправностей в системах распределения электроэнергии и вследствие протекания токов утечки в системах заземления.
Источниками помех общего вида в виде напряжения постоянного тока являются сети электропитания постоянного тока, используемые на промышленных предприятиях, электростанциях и в телекоммуникационных центрах, особенно когда положительный или отрицательный зажим соединен с землей.
Электрифицированная железная дорога также является источником помех (обычно на частоте 162/3 Гц).
Наводимые помехи подробно описаны в IEC 61000-2-3 и IEC TR 61000-2-5. Различные виды указанных выше помех могут одновременно с разными уровнями воздействовать на оборудование.
Кроме того, повреждения и аварии в системах распределения энергии могут приводить к помехам, в 10 раз превышающим уровни, установленные для нормальной эксплуатации оборудования. Однако такие помехи являются кратковременными (обычно длительностью не более 1 с).
Помехи на частоте сети и ее гармониках могут воздействовать на сигнальные порты оборудования, если степень подавления помех общего вида недостаточна.
Помехи на частотах до 1 - 2 кГц обусловлены гармониками основной частоты электропитания.
На более высоких частотах помехи обусловлены работой силового электронного оборудования, которое при коммутациях способно создавать значительные токи в системе заземления, что влечет за собой возникновение кондуктивных помех общего вида.
A.2 Механизмы связи
Механизм связи помех общего вида может носить емкостный, индуктивный и кондуктивный характер. Более детально механизмы связи рассмотрены в IEC 61000-2-3. Емкостный характер связи не оказывает существенного влияния в системах, где сигнальные линии связаны с заземлением или емкостными фильтрами.
Индуктивный характер связи, обусловленный магнитным полем источников помех (например, линий электропередачи, систем заземления), может приводить к значительным помехам в сигнальных линиях.
Кондуктивный (общего полного сопротивления) характер связи может непосредственно влиять на сигнальные линии через системы заземления или наводить помехи в экран сигнальных кабелей. Этот вид воздействия может наиболее существенно влиять на корректную работу оборудования и зачастую является следствием влияния емкостного и индуктивного характера связи.
Полное эквивалентное сопротивление механизмов связи может находиться в широких пределах в зависимости от расположения оборудования и источника помех.
В наихудшем случае полное эквивалентное сопротивление составляет величину порядка нескольких Ом. В других случаях полное эквивалентное сопротивление может превышать на несколько порядков эту величину, например в случае сбалансированных линий, подвергаемых влиянию емкостного характера связи.
Экспериментально установлено, что испытания на помехоустойчивость различных портов оборудования могут эффективно осуществляться с одним источником, полное сопротивление которого составляет величину 150 Ом. Это значение сопротивления также может представлять собой полное сопротивление линий электропередачи или сигнальных линий в соответствии с основополагающими стандартами серии IEC 61000-4.
Приложение B
(справочное)
ВЫБОР ИСПЫТАТЕЛЬНЫХ УРОВНЕЙ
Настоящий стандарт описывает различные виды испытаний. Применимость каждого испытательного уровня и критерия качества функционирования должна быть определена в стандарте на конкретный вид оборудования.
Испытательный уровень выбирается исходя из условий электромагнитной обстановки в месте расположения испытуемого оборудования.
Общие подходы к применимости вида испытаний и выбору уровня испытаний для различного вида установок приведены в IEC 61000-2-5. Стандарт IEC 61000-2-5 также приводит классификацию помех для различных мест установки оборудования.
На основании экспериментальных данных электромагнитная обстановка может быть классифицирована следующим образом:
Уровень 1: хорошо защищенная электромагнитная обстановка, характеризующаяся следующими признаками:
- сеть электропитания оборудования отделена от общей распределительной сети электропитания, например, изолирующим трансформатором;
- электронное оборудование соединено с отдельной шиной заземления, которая в свою очередь соединяется с системой заземления.
Примером может служить электромагнитная обстановка внутри компьютерных залов.
Уровень 2: защищенная электромагнитная обстановка, характеризующаяся следующими признаками:
- оборудование непосредственно соединено с низковольтной системой электропитания;
- электронное оборудование соединено с системой заземления.
Примером может служить электромагнитная обстановка в помещениях управления, расположенная в специально отведенном здании промышленных предприятий и электростанций.
Уровень 3: обычная промышленная электромагнитная обстановка, характеризующаяся следующими признаками:
- оборудование непосредственно соединено с низковольтной системой или системой среднего напряжения электропитания;
- электронное оборудование соединено с системой заземления;
- используются силовые преобразователи, создающие значительные токи в системах заземления.
Примером может служить электромагнитная обстановка на промышленных предприятиях и электростанциях.
Уровень 4: жесткая промышленная электромагнитная обстановка, характеризующаяся следующими признаками:
- оборудование непосредственно соединено с низковольтной системой или системой среднего напряжения электропитания;
- электронное оборудование соединено с системой заземления высоковольтного оборудования и высоковольтных систем;
- используются силовые преобразователи, создающие значительные токи в системах заземления.
Примером может служить электромагнитная обстановка на электростанциях и высоковольтных подстанциях.
Уровень 5: особенная электромагнитная обстановка.
Уровень 5 устанавливается ниже или выше указанных уровней в зависимости от исследованных и проанализированных условий эксплуатации оборудования.
БИБЛИОГРАФИЯ
[1]
IEC 60381-2, Analogue signals for process control systems - Part 2: Direct voltage signals (Аналоговые сигналы для систем управления технологическими процессами. Часть 2. Сигналы постоянного напряжения)
[2]
IEC 61000-2-3, Electromagnetic compatibility (EMC) - Part 2: Environment - Section 3: Description of the environment - Radiated and non-network-frequency-related conducted phenomena (Электромагнитная совместимость (ЭМС). Часть 2. Условия окружающей среды. Раздел 3. Описание окружающей среды. Излучаемые и связанные с несетевой частотой кондуктивные явления)
[3]
IEC TR 61000-2-5, Electromagnetic compatibility (EMC) - Part 2: Environment - Section 5: Classification of electromagnetic environments (Электромагнитная совместимость (ЭМС). Часть 2. Электромагнитная обстановка. Раздел 5. Классификация электромагнитных помех)
[4]
IEC 61000-4-6, Electromagnetic compatibility (EMC) - Part 4-6: Testing and measurement techniques - Immunity to conducted disturbances, induced by radio-frequency fields (Электромагнитная совместимость (ЭМС). Часть 4-6. Методы испытаний и измерений. Испытания на устойчивость к кондуктивным помехам, наведенным радиочастотными электромагнитными полями)
[5]
IEC 61000-4-13, Electromagnetic Compatibility (EMC) - Part 4: Testing and measurement techniques - Section 13: Test for immunity to harmonics and interharmonics including mains signalling on a.c. power port - Basic EMC publication (Электромагнитная совместимость (ЭМС). Часть 4-13. Методы испытаний и измерений. Испытание на помехоустойчивость к низким частотам гармоник и интергармоник, включая передачу сигналов по сети электропитания переменного тока)
[6]
IEC 61000-4-19, Electromagnetic compatibility (EMC) - Part 4-19: Testing and measurement techniques - Test for immunity to conducted, differential mode disturbances and signalling in the frequency range 2 kHz to 150 kHz at a.c. power ports (Электромагнитная совместимость (ЭМС). Часть 4-19. Методы испытаний и измерений. Испытание на устойчивость к проводимым помехам дифференциального режима и сигнализации в диапазоне частот от 2 кГц до 150 кГц на портах питания переменного тока)
[7]
IEC 60068-1, Environmental testing - Part 1: General and guidance (Испытания, относящиеся к окружающей среде. Часть 1. Общие положения и руководство)
[8]
IEC 60050-161, International Electrotechnical Vocabulary - Part 161: Electromagnetic compatibility (Международный электротехнический словарь. Часть 161. Электромагнитная совместимость)
[9]
IEC 61000-4 (all parts), Electromagnetic compatibility (EMC) - Part 4XX: Testing and measurement techniques (Электромагнитная совместимость (ЭМС). Часть 4XX. Методы испытаний и измерений)
УДК 621.396/.397:006.354
МКС 33.100.20
IDT
Ключевые слова: электромагнитная обстановка, помехоустойчивость, испытуемое оборудование, испытательный уровень, кондуктивные помехи общего вида, источники помех, электромагнитная совместимость, методы испытаний, оценка результатов испытаний