Главная // Актуальные документы // Актуальные документы (обновление 2024.12.02-2025.01.05) // ГОСТ (Государственный стандарт)СПРАВКА
Источник публикации
М.: ФГБУ "Институт стандартизации", 2024
Примечание к документу
Документ
вводится в действие с 01.09.2025 с правом досрочного применения.
Название документа
"ГОСТ IEC 61000-4-10-2022. Межгосударственный стандарт. Электромагнитная совместимость. Часть 4-10. Методы испытаний и измерений. Испытание на устойчивость к колебательному затухающему магнитному полю"
(введен в действие Приказом Росстандарта от 29.08.2024 N 1135-ст)
"ГОСТ IEC 61000-4-10-2022. Межгосударственный стандарт. Электромагнитная совместимость. Часть 4-10. Методы испытаний и измерений. Испытание на устойчивость к колебательному затухающему магнитному полю"
(введен в действие Приказом Росстандарта от 29.08.2024 N 1135-ст)
Приказом Федерального
агентства по техническому
регулированию и метрологии
от 29 августа 2024 г. N 1135-ст
МЕЖГОСУДАРСТВЕННЫЙ СТАНДАРТ
ЭЛЕКТРОМАГНИТНАЯ СОВМЕСТИМОСТЬ
ЧАСТЬ 4-10
МЕТОДЫ ИСПЫТАНИЙ И ИЗМЕРЕНИЙ
ИСПЫТАНИЕ НА УСТОЙЧИВОСТЬ
К КОЛЕБАТЕЛЬНОМУ ЗАТУХАЮЩЕМУ МАГНИТНОМУ ПОЛЮ
Electromagnetic compatibility. Part 4-10. Testing
and measurement techniques. Damped oscillatory
magnetic field immunity test
(IEC 61000-4-10:2016,
Electromagnetic compatibility (EMC) - Part 4-10: Testing
and measurement techniques - Damped oscillatory magnetic
field immunity test, IDT)
ГОСТ IEC 61000-4-10-2022
Дата введения
1 сентября 2025 года
с правом досрочного применения
Цели, основные принципы и общие правила проведения работ по межгосударственной стандартизации установлены
ГОСТ 1.0 "Межгосударственная система стандартизации. Основные положения" и
ГОСТ 1.2 "Межгосударственная система стандартизации. Стандарты межгосударственные, правила и рекомендации по межгосударственной стандартизации. Правила разработки, принятия, обновления и отмены"
1 ПОДГОТОВЛЕН Открытым акционерным обществом "Испытания и сертификация бытовой и промышленной продукции "БЕЛЛИС" на основе собственного перевода на русский язык англоязычной версии стандарта, указанного в
пункте 5
2 ВНЕСЕН Государственным комитетом по стандартизации Республики Беларусь
3 ПРИНЯТ Межгосударственным советом по стандартизации, метрологии и сертификации (протокол от 22 ноября 2022 г. N 156-П)
За принятие проголосовали:
Краткое наименование страны по МК (ИСО 3166) 004-97 | Код страны по МК (ИСО 3166) 004-97 | Сокращенное наименование национального органа по стандартизации |
Армения | AM | ЗАО "Национальный орган по стандартизации и метрологии" Республики Армения |
Беларусь | BY | Госстандарт Республики Беларусь |
Киргизия | KG | Кыргызстандарт |
Россия | RU | Росстандарт |
Узбекистан | UZ | Узбекское агентство по техническому регулированию |
4 Приказом Федерального агентства по техническому регулированию и метрологии от 29 августа 2024 г. N 1135-ст межгосударственный стандарт ГОСТ IEC 61000-4-10-2022 введен в действие в качестве национального стандарта Российской Федерации с 1 сентября 2025 г. с правом досрочного применения
5 Настоящий стандарт идентичен международному стандарту IEC 61000-4-10:2016 "Электромагнитная совместимость (ЭМС). Часть 4-10. Методы испытаний и измерений. Испытание на устойчивость к воздействию магнитного поля с затухающими колебаниями" ("Electromagnetic compatibility (EMC) - Part 4-10: Testing and measurement techniques - Damped oscillatory magnetic field immunity test", IDT).
Наименование настоящего стандарта изменено относительно наименования указанного международного стандарта для увязки с наименованиями, принятыми в существующем комплексе межгосударственных стандартов.
Международный стандарт разработан Подкомитетом 77B "Высокочастотные явления" Технического комитета TC 77 "Электромагнитная совместимость" Международной электротехнической комиссии (IEC).
При применении настоящего стандарта рекомендуется использовать вместо ссылочных международных стандартов соответствующие им межгосударственные стандарты, сведения о которых приведены в дополнительном
приложении ДА
Информация о введении в действие (прекращении действия) настоящего стандарта и изменений к нему на территории указанных выше государств публикуется в указателях национальных стандартов, издаваемых в этих государствах, а также в сети Интернет на сайтах соответствующих национальных органов по стандартизации.
В случае пересмотра, изменения или отмены настоящего стандарта соответствующая информация будет опубликована на официальном интернет-сайте Межгосударственного совета по стандартизации, метрологии и сертификации в каталоге "Межгосударственные стандарты"
Стандарты серии IEC 61000 публикуются отдельными частями в соответствии со следующей структурой:
- часть 1. | Общие положения: Общее рассмотрение (введение, фундаментальные принципы). Определения, терминология; |
- часть 2. | Электромагнитная обстановка: Описание электромагнитной обстановки. Классификация электромагнитной обстановки. Уровни электромагнитной совместимости; |
- часть 3. | Нормы: Нормы помехоэмиссии. Нормы помехоустойчивости (в тех случаях, когда они не являются предметом рассмотрения техническими комитетами, разрабатывающими стандарты на продукцию); |
- часть 4. | Методы испытаний и измерений: Методы измерений. Методы испытаний; |
- часть 5. | Руководство по установке и помехоподавлению: Руководство по установке. Методы помехоподавления и устройства; |
- часть 6. | Общие стандарты; |
- часть 9. | Разное. |
Каждая часть состоит из разделов, которые могут быть опубликованы как международные стандарты или как технические отчеты. Некоторые из них уже опубликованы. Другие будут опубликованы с номером части, за которым следуют дефис и второй номер, идентифицирующий раздел (например, 61000-6-1).
Настоящий стандарт устанавливает требования помехоустойчивости и методы испытаний применительно к колебательному затухающему магнитному полю.
1 Область применения и цель
Настоящий стандарт устанавливает требования к устойчивости, методы испытания и диапазон рекомендуемых испытательных уровней для оборудования, подвергающегося воздействию колебательного затухающего магнитного поля, создаваемого подстанциями среднего и высокого напряжения.
Испытания, указанные в настоящем стандарте, применяются к оборудованию, которое предполагается для установки в местах, определяемых условиями эксплуатации, как указано в
разделе 4.
Настоящий стандарт не распространяется на помехи из-за емкостной или индуктивной связи в кабелях или других частях установки. IEC 61000-4-18, распространяющийся на кондуктивные помехи, включает в себя эти аспекты.
Целью настоящего стандарта является установление общей и воспроизводимой базы для оценки качества функционирования электротехнического и электронного оборудования при воздействии колебательных затухающих магнитных полей от подстанций среднего и высокого напряжения.
Испытания главным образом применяются к электронному оборудованию, установленному на высоковольтных подстанциях. Электростанции, распределительные установки, системы умных электрических сетей также могут применяться в рамках настоящего стандарта и могут быть рассмотрены комитетами по продукции.
Примечание - Как указано в IEC Guide 107, настоящий стандарт является базовым стандартом по электромагнитной совместимости (ЭМС) для использования техническими комитетами IEC, разрабатывающими стандарты на конкретную продукцию, которые несут ответственность за определение необходимости применения настоящего стандарта и в случае применения стандарта - за выбор испытательных уровней и критериев качества функционирования оборудования. ТК 77 и его подкомитеты совместно с техническими комитетами IEC, разрабатывающими стандарты на конкретную продукцию, осуществляют оценку частных испытательных уровней помехоустойчивости для соответствующей продукции.
Настоящий стандарт устанавливает:
- диапазон испытательных уровней;
- испытательное оборудование;
- испытательные установки;
- порядок проведения испытаний.
В настоящем стандарте использована нормативная ссылка на следующий стандарт [для датированной ссылки применяют только указанное издание ссылочного стандарта, для недатированной - последнее издание (включая все изменения)]:
IEC 60050 (all parts)
<*>, International Electrotechnical Vocabulary (IEV) (Международный электротехнический словарь)
--------------------------------
<*> Наличие гармонизированных стандартов следует проверять в национальных фондах стандартов стран, на территории которых применяется настоящий стандарт.
3 Термины, определения и сокращения
3.1 Термины и определения
В настоящем стандарте применены термины, установленные в IEC 60050, а также следующие термины с соответствующими определениями:
3.1.1 калибровка (calibration): Набор действий, который устанавливает, со ссылкой на стандарты, существующую при определенных условиях взаимосвязь между показаниями измерительного оборудования и результатами измерений.
Примечание 1 - Данный термин основан на принципе "неопределенности".
Примечание 2 - Взаимосвязь между показаниями измерительного оборудования и результатами измерений может быть выражена калибровочной диаграммой.
[Источник: IEC 60050-311:2001, 311-01-09]
3.1.2 генератор затухающей колебательной волны (damped oscillatory wave generator): Генератор, создающий затухающие колебания с установленной частотой 100 кГц или 1 МГц и постоянной времени затухания, составляющей пять периодов.
3.1.3 устойчивость (immunity): Способность устройства, оборудования или системы функционировать без ухудшения рабочих характеристик при воздействии электромагнитных помех.
[Источник: IEC 60050-161:1990, 161-01-20]
3.1.4 индукционная катушка (induction coil): Проводящая обмотка установленной формы и размеров, по которой протекает ток, создающий магнитное поле определенной однородности в определенном объеме.
3.1.5 коэффициент индукционной катушки (induction coil factor): Отношение напряженности магнитного поля, создаваемого индукционной катушкой заданных размеров, к соответствующему значению тока.
Примечание 1 - Магнитное поле измеряется в центре плоскости катушки при отсутствии испытуемого оборудования.
3.1.6 метод приближения (proximity method): Метод воздействия магнитным полем на испытуемое оборудование, при котором небольшая индукционная катушка перемещается вдоль стороны испытуемого оборудования, чтобы выявить особые зоны восприимчивости.
3.1.7 опорная земля (reference ground): Часть Земли, принятая в качестве проводящей и находящаяся вне зоны влияния какого-либо заземляющего устройства, электрический потенциал которой обычно принимают равным нулю.
[Источник: IEC 60050-195:1998, 195-01-01]
3.1.8 система (system): Набор взаимосвязанных элементов, собранных для достижения заданных целей путем выполнения определенных функций.
Примечание 1 - Система считается отделенной от окружающей обстановки и других внешних систем воображаемой поверхностью, которая прерывает связи между ними и рассматриваемой системой. Благодаря этим связям система подвергается воздействию окружающей обстановки, находится под воздействием внешних систем или сама воздействует на окружающую среду или внешние системы.
3.1.9 переходный процесс (существительное и прилагательное) (transient [adjective and noun]): Относится или обозначает явление или величину, которые изменяются между двумя последовательными установившимися состояниями за короткий по сравнению с рассматриваемой шкалой времени интервал.
[Источник: IEC 60050-161:1990, 161-02-01]
3.1.10 проверка (verification): Набор действий, который используется для проверки системы испытательного оборудования (например, испытательного генератора и его соединительных кабелей), для демонстрации того, что испытательная система нормально функционирует.
Примечание 1 - Методы, используемые для проверки, могут отличаться от методов, используемых при калибровке.
Примечание 2 - Для целей настоящего базового стандарта ЭМС это определение отличается от определения, указанного в IEC 60050-311:2001, 311-01-13.
ВО (AE) - вспомогательное оборудование;
ЭМС (EMC) - электромагнитная совместимость;
ИО (EUT) - испытуемое оборудование;
НИ (MU) - неопределенность измерения;
ЗЗ (PE) - защитное заземление;
ОПЗ (RGP) - опорная пластина заземления.
Колебательные затухающие магнитные поля образуются при переключении изоляторами или разъединителями высоковольтных шин. Магнитные поля, воздействующие на оборудование, могут влиять на надежность функционирования оборудования и систем.
Испытания, устанавливаемые настоящим стандартом, предназначены для подтверждения устойчивости оборудования к колебательному затухающему магнитному полю в определенных условиях эксплуатации и при определенном условии размещения (например, при размещении оборудования вблизи источника помех).
Форма волны испытательного поля соответствует колебательной затухающей волне (см.
рисунок 2), характеристики которой приведены в
6.2.2.
Предпочтительные испытательные уровни указаны в
таблице 1.
Таблица 1
Испытательный уровень | Напряженность колебательного затухающего магнитного поля, пиковое значение, А/м |
1 | Не применяется |
2 | Не применяется |
3 | 10 |
4 | 30 |
5 | 100 |
| Специальная |
Примечание - Напряженность магнитного поля выражена в амперах на метр (А/м); 1 А/м соответствует магнитной индукции в свободном пространстве, равной 1,26 мкТл. <a> "X" может быть любым уровнем: выше, ниже или между другими уровнями. Этот уровень, так же как и продолжительность испытаний, должен быть указан в документации к специальному оборудованию. |
Выбор испытательных уровней производится в соответствии с условиями установки. Классы установки приведены в
приложении B.
6 Испытательное оборудование
Испытательная система включает в себя генератор затухающей колебательной волны и индукционную катушку для испытания настольного оборудования, а также ОПЗ для испытания напольного оборудования.
6.2 Генератор затухающей колебательной волны
6.2.1 Общие положения
Генератор затухающей колебательной волны должен обеспечивать необходимый импульсный ток в индукционных катушках, описанных в
6.3.
Примечание - В данном случае в качестве источника тока используется модифицированная версия генератора затухающей колебательной волны, аналогичная генератору, упомянутому в IEC 61000-4-18.
Форма сигнала представляется как ток короткого замыкания, поэтому она должна измеряться с подключенной индукционной катушкой.
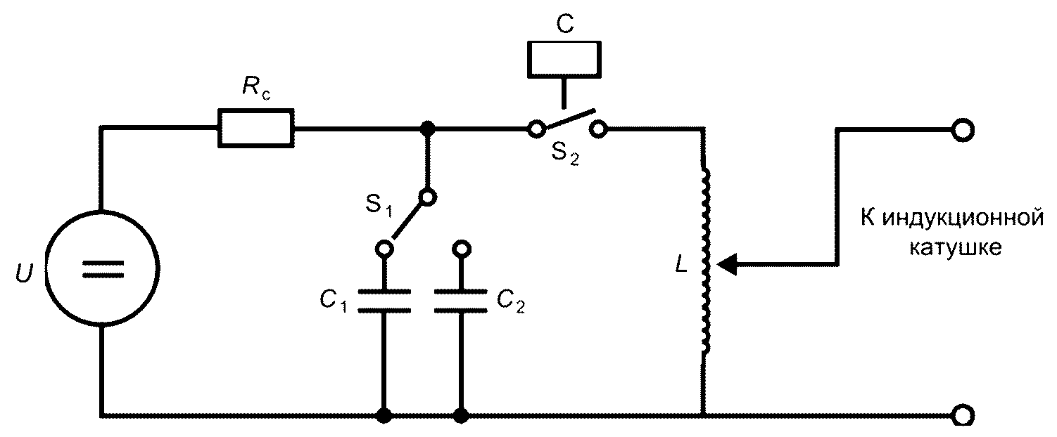
Упрощенная принципиальная электрическая схема генератора представлена на
рисунке 1.
U - источник высокого напряжения; | Rc - зарядный резистор; |
C - контроль продолжительности воздействия; | L - колебательная цепь катушки; |
S1 - переключатель частоты; | S2 - переключатель продолжительности воздействия; |
C1, C2 - конденсаторы колебательной цепи (переключаемые для 0,1 - 1 МГц) |
Рисунок 1 - Упрощенная схема испытательного генератора
колебательного затухающего магнитного поля
6.2.2 Рабочие характеристики генератора, подключенного к стандартной индукционной катушке
Для генератора, подключенного к стандартным индукционным катушкам, указанным в
6.3, должны применяться следующие рабочие характеристики.
Период колебания | |
Ток в катушках (значение Pk1) | |
Форма сигнала колебательного затухающего магнитного поля | |
Скорость затухания Dr1, Dr2 | Pk5 должно быть > 50% от значения Pk1 и Pk10 должно быть < 50% от значения Pk1 |
| 40/с +/- 10% для 100 кГц и 400/с +/- 10% для 1 МГц |
Продолжительность испытаний | не менее чем 2 с |
Сдвиг фаз | нет требований |
Таблица 2
Характеристики пикового тока испытательной системы
Испытательный уровень | Пиковый ток I +/- 20%, А |
Система, использующая стандартную индукционную катушку размером 1 м x 1 м | Система, использующая стандартную индукционную катушку размером 1 м x 2,6 м |
1 | Не применяется | Не применяется |
2 | Не применяется | Не применяется |
3 | 11,1 | 15,2 |
4 | 33,3 | 45,5 |
5 | 111 | См. примечание 2 |
X | Специальный/0,9 | Специальный/0,66 |
Примечание 1 - Значения 0,9 и 0,66 являются рассчитанными коэффициентами индукционной катушки стандартных индукционных катушек. Примечание 2 - Расчетное значение равно 152, однако в настоящее время таких генераторов нет в свободной продаже. |
Таблица 3
Характеристики формы сигнала испытательной системы
Калибровочные характеристики | Частота колебаний |
100 кГц | 1 МГц |
Период колебаний | T = 10 мкс +/- 1 мкс | T = 1 мкс +/- 0,1 мкс |
Время повторения импульсов | Trep = 25 мкс +/- 2,5 мкс | Trep = 2,5 мкс +/- 0,25 мкс |
Скорость затухания одного импульса | | |
T = 1 мкс (1 МГц) или 10 мкс (0,1 МГц)
Рисунок 2 - Форма сигнала тока короткого замыкания
в стандартных катушках
Рисунок 3 - Форма сигнала тока короткого замыкания,
показывающая время повторения Trep
Частота колебания определяется как величина, обратно пропорциональная периоду, равному диапазону между первым и третьим пересечениями нуля после прохождения первоначального пика. Этот период показан как
T на
рисунке 2.
Формула идеальной формы сигнала из
рисунка 2,
IDOS(
t):

(1)

(2)
где параметры для периода колебаний T = 1 мкс:
Ki = 1;
i1 = 0,963;
t1h = 0,08 мкс;
t2h = 4,8 мкс;
nh = 2,1;

;
А параметры для периода колебаний T = 10 мкс:
Ki = 1;
i1 = 0,963;
t1h = 0,8 мкс;
t2h = 48 мкс;
nh = 2,1;

.
6.3 Стандартная индукционная катушка
Для двух одновитковых стандартных катушек размером 1 м x 1 м и 1 м x 2,6 м распределение поля известно и показано в
приложении A. Следовательно, нет необходимости в проверке или калибровке поля. Достаточно измерения тока, как показано на
рисунке 4.
Рисунок 4 - Пример измерения тока
стандартной индукционной катушки
Индукционная катушка должна быть изготовлена из медного, алюминиевого или другого проводящего немагнитного материала; площадь ее поперечного сечения и конструктивное исполнение должны обеспечивать устойчивую установку при испытаниях.
Характеристики индукционных катушек относительно распространения магнитного поля указаны в
приложении A.
6.4 Калибровка испытательной системы
Основные характеристики испытательной системы должны быть калиброваны посредством измерения тока, как показано на
рисунке 4.
Выходной ток должен быть проверен при помощи генератора, подключенного к стандартной индукционной катушке, описанной в
6.3. Соединение должно быть выполнено скрученным проводом или коаксиальным кабелем подходящего сечения длиной до 3 м.
При выполнении калибровки для испытательного уровня 5 с подключенной стандартной индукционной катушкой размером 1 м x 2,6 м технические характеристики, указанные в
таблице 3, не применяются. В данном случае калибровка должна выполняться только с использованием стандартной индукционной катушки размером 1 м x 1 м.
Должны быть подтверждены следующие технические характеристики, указанные в
таблицах 2 и
3.
Калибровка должна проводиться на всех испытательных уровнях, используемых лабораториями.
Калибровка должна проводиться при помощи токового пробника и осциллографа или другого эквивалентного оборудования с минимальной шириной полосы 10 МГц.
7 Испытательная установка
7.1 Испытательное оборудование
Следующее оборудование входит в состав испытательной установки:
- испытуемое оборудование (ИО);
- вспомогательное оборудование (ВО), когда требуется;
- кабели (определенного типа и длины);
- генератор затухающей колебательной волны;
- стандартная индукционная катушка;
- опорная пластина заземления (ОПЗ), в случае проведения испытания напольного испытуемого оборудования.
7.2 Проверка испытательного оборудования
Цель проверки - убедиться, что испытательная установка правильно функционирует. Испытательная установка включает в себя:
- генератор затухающей колебательной волны;
- индукционную катушку;
- соединительные кабели испытательного оборудования.
Для подтверждения того, что система правильно функционирует, должен быть проверен следующий сигнал:
- наличие импульса на выводах стандартной индукционной катушки.
Используя подходящее измерительное оборудование (например, токовый пробник, осциллограф), достаточно убедиться, что импульс присутствует на любом уровне.
Примечание - Для данной процедуры проверки испытательные лаборатории могут установить свое внутреннее опорное значение.
7.3 Испытательная установка для воздействия колебательного затухающего магнитного поля на настольное испытуемое оборудование
Настольное испытуемое оборудование должно располагаться на непроводящем столе. Для ИО с габаритными размерами до 0,6 м x 0,6 м x 0,5 м (длина x ширина x высота) можно использовать стандартную индукционную катушку размером 1 м x 1 м. Для ИО с габаритными размерами до 0,6 м x 0,6 м x 2 м (длина x ширина x высота) можно использовать стандартную индукционную катушку размером 1 м x 2,6 м.
Индукционная катушка должна располагаться в трех ортогональных плоскостях.
Если ИО невозможно расположить внутри индукционной катушки размером 1 м x 2,6 м, тогда должен применяться метод приближения (см.
7.4).
В процессе данного испытания нет необходимости в максимизации воздействия кабелей. Кабели, располагаемые возле индукционной катушки, могут воздействовать на результаты испытаний, поэтому кабели должны быть проложены так, чтобы минимизировать это влияние. При определении максимальных размеров ИО необходимо учитывать минимальные размеры кабелей.
Располагать ОПЗ под ИО не требуется (см.
рисунок 5 ниже). Индукционная катушка должна располагаться на расстоянии минимум 0,5 м от любых проводящих поверхностей, например стен или экранированной части поверхности пола.
Рисунок 5 - Пример испытательной установки
для настольного оборудования
7.4 Испытательная установка для воздействия колебательного затухающего магнитного поля на напольное испытуемое оборудование
Стандартная индукционная катушка для испытания напольного оборудования (например, стойки) имеет прямоугольную форму размером 1 м x 2,6 м, где при испытании крупногабаритного оборудования в качестве короткой стороны может выступать ОПЗ (см.
рисунок 7). Для напольного оборудования с максимальными габаритными размерами 0,6 м x 0,6 м можно использовать индукционную катушку размером 1 м x 1 м.
ОПЗ должна быть толщиной не менее 0,65 мм и размерами не менее 1 м x 1 м. ИО должно быть изолировано от ОПЗ.
Для напольного оборудования (например, шкафов), где верх ИО находится на расстоянии более чем 0,75 м над ОПЗ, испытания должны проводиться более чем в одном положении. В любом случае индукционная катушка, показанная на
рисунке 6, не должна размещаться на высоте ниже 0,5 м. На
рисунке 7 показан пример расположения индукционной катушки в вертикальной ортогональной плоскости.
Рисунок 6 - Пример испытательной установки для напольного
оборудования с расположением индукционной катушки
в горизонтальной ортогональной плоскости
Рисунок 7 - Пример испытательной установки для напольного
оборудования с расположением индукционной катушки
в вертикальной ортогональной плоскости
Рабочий объем прямоугольной катушки составляет 0,6 м x 0,6 м x 2 м (длина x ширина x высота).
Если ИО невозможно расположить внутри прямоугольной катушки размером 1 м x 2,6 м, тогда должен применяться метод приближения (более подробную информацию см. на
рисунке 8 и в
7.5).
Рисунок 8 - Пример испытательной установки с использованием
метода приближения
В процессе данного испытания нет необходимости в максимизации воздействия кабелей. Кабели, располагаемые возле индукционной катушки, могут воздействовать на результаты испытаний, поэтому кабели должны быть проложены так, чтобы минимизировать это влияние. При определении максимальных размеров ИО необходимо учитывать минимальные размеры кабелей.
7.5 Испытательная установка для воздействия колебательного затухающего магнитного поля на оборудование, испытываемое на месте эксплуатации
Испытание на месте эксплуатации, как правило, является единственным возможным методом, доступным для крупногабаритного машинного и аналогичного оборудования. Во время испытаний на месте эксплуатации ОПЗ, как правило, отсутствует. Поэтому в отсутствие на месте ОПЗ метод приближения является единственным возможным методом испытания. На
рисунке 8 показан пример испытательной установки на месте эксплуатации. При испытаниях ИО методом приближения должна использоваться стандартная индукционная катушка размером 1 м x 1 м. Необходимо, чтобы стандартная индукционная катушка была изолирована от ИО. Расстояние между стандартной изоляционной катушкой и ИО должно быть (10 +/- 1) см.
Примечание - Расстояние было установлено, чтобы обеспечить такую же напряженность поля, как и в центре стандартной индукционной катушки.
8 Порядок проведения испытаний
Процедура испытаний включает:
- проверку испытательного оборудования в соответствии с
7.2;
- установку стандартных условий испытаний в лаборатории;
- подтверждение правильности функционирования испытуемого оборудования;
- выполнение испытаний;
- оценку результатов испытаний (см.
раздел 9).
8.2 Стандартные условия испытаний в лаборатории
8.2.1 Климатические условия
Если иное не установлено в основополагающем стандарте или стандарте на продукцию, климатические условия в лаборатории должны быть в пределах, установленных изготовителями ИО и испытательного оборудования для нормального их функционирования.
Испытания не должны проводиться, если уровень относительной влажности в лаборатории настолько высок, что это приводит к образованию конденсата на ИО или испытательном оборудовании.
8.2.2 Электромагнитная обстановка
Электромагнитная обстановка в испытательной лаборатории должна обеспечивать нормальное функционирование ИО и не должна влиять на результаты испытаний.
Должна быть выполнена проверка. Предпочтительно выполнять проверку перед испытаниями (см.
7.2).
Испытания должны выполняться в соответствии с программой испытаний, которая должна определять испытательную установку, включая:
- испытательный уровень;
- продолжительность испытания (не менее чем 2 с);
- частоты колебаний;
- типовые условия эксплуатации ИО;
- ориентацию поля;
- число испытательных точек;
- расположение стандартной индукционной катушки относительно ИО (испытательные точки);
- выбор испытательных точек и его обоснование (рекомендуется выбирать те участки ИО, которые наиболее чувствительны к колебательному затухающему магнитному полю).
Испытания и калибровка должны проводиться на основании форм сигнала, указанных на
рисунках 2 и
3.
Примечание - Технические комитеты, разрабатывающие стандарты на продукцию, могут устанавливать более длительную продолжительность испытания, если для их продукции это является более подходящим решением.
Для каждой ориентации продолжительность испытаний применяется только один раз.
9 Оценка результатов испытаний
Результаты испытаний классифицируют исходя из прекращения функционирования ИО или ухудшения его рабочих характеристик с учетом критериев качества функционирования, установленных изготовителем или заявителем на процедуру испытаний или согласованных между изготовителем и покупателем оборудования. Рекомендуемая классификация включает следующее:
a) нормальное функционирование в рамках предельных значений, установленных изготовителем, заявителем или потребителем;
b) временная потеря функционирования или ухудшение рабочих характеристик, которые прекращаются после завершения воздействия помехи и после которых нормальное функционирование ИО восстанавливается без вмешательства оператора;
c) временное прекращение функционирования или ухудшение рабочих характеристик, коррекция которых требует вмешательства оператора;
d) прекращение функционирования или ухудшение рабочих характеристик, восстановление которых невозможно из-за повреждения компонентов или программного обеспечения оборудования либо потери данных.
В технической документации на ИО могут быть указаны нарушения функционирования ИО, которые рассматриваются как незначительные и допустимые.
Приведенная классификация может использоваться в качестве руководства при определении критериев качества функционирования оборудования при разработке основополагающих стандартов, стандартов на продукцию или группу продукции или в качестве основания для согласования критериев качества функционирования между изготовителем и покупателем, например, при отсутствии соответствующего основополагающего стандарта или стандарта на продукцию или группу продукции.
В результате проведенных испытаний оборудование не должно стать небезопасным.
Протокол испытаний должен содержать всю информацию, необходимую для воспроизведения испытания. В частности, должно быть указано следующее:
- пункты программы испытаний, требуемые в соответствии с
8.3;
- обозначение ИО и любого связанного с ним оборудования, например торговая марка, тип продукции, серийный номер;
- обозначение испытательного оборудования, например торговая марка, тип продукции, серийный номер;
- любые особые условия окружающей среды при испытаниях, например в случае использования экранированной камеры;
- любые особые условия, необходимые для проведения испытания;
- критерии качества функционирования, установленные изготовителем, заявителем или потребителем;
- критерии качества функционирования, установленные в основополагающем стандарте, стандарте на продукцию или группу продукции;
- любые отклонения в функционировании ИО, наблюдаемые во время или после испытательного воздействия, а также продолжительность указанных отклонений;
- обоснование принятия решения о соответствии/несоответствии ИО (на основе критериев качества функционирования, указанных в основополагающем стандарте, стандарте на продукцию или группу продукции либо согласованных между изготовителем и потребителем);
- любые особые условия эксплуатации, например длина или тип кабеля, экранирование или заземление, или какие-либо условия эксплуатации ИО, которые требовались для обеспечения соответствия;
- индукционные катушки, выбранные для проведения испытания;
- расположение и ориентация индукционной катушки относительно ИО.
(справочное)
О РАСПРОСТРАНЕНИИ ПОЛЯ В СТАНДАРТНЫХ
ИНДУКЦИОННЫХ КАТУШКАХ
A.1 Общие положения
В
приложении A приведена информация о максимальных размерах и расположении ИО в индукционных катушках. Поле считается достаточно однородным, если предельные значения напряженности магнитного поля находятся в границах +/- 3 дБ от величины напряженности поля в центре индукционной катушки.
При расчете поля конечным поперечным сечением проводников обмотки пренебрегают (принимается равным тонкой проволоке).
A.2 Определение коэффициента индукционной катушки
A.2.1 Общие положения
Коэффициент индукционной катушки определяют расчетом. Этот коэффициент используется при расчете тока в индукционной катушке для получения требуемой величины напряженности магнитного поля в центре катушки.
A.2.2 Расчет коэффициента индукционной катушки
Коэффициент индукционной катушки может быть рассчитан исходя из геометрических размеров индукционной катушки. Для одновитковой прямоугольной индукционной катушки со сторонами
a +
b и
c (см.
рисунок A.1) коэффициент индукционной катушки
kCF определяется как:

(A.1)
где H(P) - магнитное поле в точке P, а I - ток индукционной катушки.
Рисунок A.1 - Прямоугольная индукционная катушка
со сторонами a + b и c
Уравнение A.1 действительно, если наибольший размер поперечного сечения проводника катушки является достаточно малым по сравнению с короткой стороной индукционной катушки. Если для квадратной индукционной катушки со стороной
c точка
P находится в центре катушки, тогда
a =
b =
c/2. Если точка
P находится в центре прямоугольной катушки, тогда
a =
b. Если нижней стороной катушки является ОПЗ, тогда
уравнение A.1 все еще будет действительно, но необходимо будет брать в расчет фактическое (физическое) изображение катушки. В случае если точка
P находится в центре физической катушки, то коэффициент
kCF катушки, образованной физической катушкой плюс ее изображением, определяется
уравнением A.1, где
b = 3 x
a.
A.3 Стандартная индукционная катушка размером 1 м x 1 м
На
рисунке A.2 для плоскости
x -
y и на
рисунке A.3 для плоскости
x -
z показаны изолинии +3 дБ и -3 дБ напряженности магнитного поля (предельные значения). Максимальный размер ИО - 0,6 м x 0,6 м x 0,5 м (ширина x длина x высота).
Примечание - Изолиния -3 дБ не показана, потому что она находится вне обмотки катушки.
Рисунок A.2 - Изолиния +3 дБ напряженности магнитного поля
(предельные значения) в плоскости x - y для индукционной
катушки размером 1 м x 1 м
Рисунок A.3 - Изолинии +3 дБ и -3 дБ напряженности
магнитного поля (предельные значения) в плоскости x - z
для индукционной катушки размером 1 м x 1 м
A.4 Стандартная индукционная катушка размером 1 м x 2,6 м с опорной пластиной заземления
На
рисунке A.4 для плоскости
x -
z и на
рисунке A.5 для плоскости
x -
y показаны изолинии +3 дБ и -3 дБ напряженности магнитного поля (предельные значения). Максимальный размер ИО - 0,6 м x 0,6 м x 2 м (длина x ширина x высота).
Примечание - Изолиния -3 дБ не показана, потому что она находится вне обмотки катушки.
Рисунок A.4 - Изолиния +3 дБ напряженности магнитного поля
(предельные значения) в плоскости x - z для индукционной
катушки размером 1 м x 2,6 м с опорной пластиной заземления
Рисунок A.5 - Изолинии +3 дБ и -3 дБ напряженности
магнитного поля (предельные значения) в плоскости x - y
для индукционной катушки размером 1 м x 2,6 м с опорной
пластиной заземления
Для расчета изолиний +/- 3 дБ размер опорной пластины заземления принимается равным бесконечному.
A.5 Стандартная индукционная катушка размером 1 м x 2,6 м без опорной пластины заземления
На
рисунке A.6 для плоскости
x -
y и на
рисунке A.7 для плоскости
x -
z показаны изолинии +3 дБ и -3 дБ напряженности магнитного поля (предельные значения). Максимальный размер ИО - 0,6 м x 0,6 м x 2 м (длина x ширина x высота).
Примечание - Изолиния -3 дБ не показана, потому что она находится вне обмотки катушки.
Рисунок A.6 - Изолиния +3 дБ напряженности магнитного поля
(предельные значения) в плоскости x - y для индукционной
катушки размером 1 м x 2,6 м без опорной пластины заземления
Рисунок A.7 - Изолинии +3 дБ и -3 дБ напряженности
магнитного поля (предельные значения) в плоскости x - z
для индукционной катушки размером 1 м x 2,6 м без опорной
пластины заземления
(справочное)
ВЫБОР ИСПЫТАТЕЛЬНЫХ УРОВНЕЙ
Испытательные уровни выбирают исходя из электромагнитной обстановки, в которой предполагается использовать данное оборудование, с учетом наиболее вероятных условий эксплуатации.
Общая информация в отношении испытательных уровней приведена в
разделе 5. При выборе испытательного уровня необходимо принимать во внимание:
- электромагнитную обстановку;
- потенциальную близость расположения источников помех колебательного затухающего магнитного поля к данному оборудованию;
- предполагаемые типовые условия установки для эксплуатации в рассматриваемой электромагнитной обстановке;
- размер пределов совместимости и их необходимость, т.е. разницу между максимальным уровнем помехи и рассматриваемым уровнем устойчивости к помехе.
Выбор соответствующего испытательного уровня зависит от электромагнитной обстановки, в которой предполагается использовать данное оборудование. Руководство по выбору испытательных уровней при испытаниях оборудования на устойчивость к воздействию колебательного затухающего магнитного поля учитывает общие условия установки и эксплуатации, которые рассматриваются для данной электромагнитной обстановки. Испытательные уровни могут быть следующими.
Класс 1:
Электромагнитная обстановка с особыми мерами по помехоподавлению, которые допускают появление электромагнитных явлений только до определенной степени (например, явление не происходит вовсе, явление происходит, но только с относительно низкой амплитудой и т.д.).
Контролируемая электромагнитная обстановка: обстановка, в которой планируется использование чувствительных устройств (например, электронных микроскопов, электронно-лучевых трубок и т.д.).
Для оборудования, предназначенного для использования в данном классе электромагнитной обстановки, испытания не проводятся.
Класс 2:
Электромагнитная обстановка жилых районов.
Для оборудования, предназначенного для использования в данном классе электромагнитной обстановки, испытания не проводятся, так как соответствующие местоположения не подвержены воздействию полей при переключениях на средне- и высоковольтных подстанциях.
Класс 3:
Электромагнитная обстановка офисных/коммерческих районов.
Местоположения в данном классе электромагнитной обстановки характеризуются потенциальной близостью к средне- и высоковольтным коммутационным устройствам или проводникам, по которым протекают соответствующие переходные процессы. В качестве таких местоположений могут рассматриваться компьютерные залы вблизи подстанций.
Класс 4:
Электромагнитная обстановка промышленных районов.
Местоположения в данном классе электромагнитной обстановки характеризуются наличием средне- и высоковольтных подстанций и проводников, по которым протекают переходные токи короткого замыкания. В качестве таких местоположений могут рассматриваться посты управления подстанций и пространства с сильноточным оборудованием/установками.
Класс 5:
Суровая электромагнитная обстановка, которая может характеризоваться следующими признаками: проводники, шины или линии передачи среднего или высокого напряжения, по которым проходит ток в десятки кА.
В качестве местоположения с такой электромагнитной обстановкой могут рассматриваться места расположения распределительных устройств объектов тяжелой промышленности, подстанции среднего и высокого напряжения и электрические станции.
Класс X:
Специальная электромагнитная обстановка.
В зависимости от большей или меньшей степени разделения источников помех и цепей оборудования, кабелей, линий и т.д., а также качества установок может потребоваться применение более высокого или более низкого испытательного уровня защищенности электромагнитной обстановки, чем указанный выше. Может потребоваться оценка для каждого отдельного случая.
Следует учитывать, что цепи оборудования (например, кабели, шины, высоковольтные линии передачи), эксплуатируемые на более высоком испытательном уровне электромагнитной обстановки, могут проходить сквозь среду с более низким испытательным уровнем электромагнитной обстановки. В таких случаях должна проводиться повторная оценка последней области расположения, принимая во внимание соответствующие испытательные уровни.
Вышеупомянутый выбор испытательных уровней с точки зрения электромагнитной обстановки используется только как руководство. Возможны случаи, когда местоположение может быть отнесено к одному из перечисленных выше типов электромагнитной обстановки, но из-за особенностей оборудования или других обстоятельств может стать более подходящим другой испытательный уровень, отличный от того, которому соответствует данная электромагнитная обстановка. Соответствующая оценка должна быть проведена заинтересованными сторонами (например, техническими комитетами, разрабатывающими стандарты на продукцию).
(справочное)
ЧАСТОТА КОЛЕБАТЕЛЬНОГО ЗАТУХАЮЩЕГО МАГНИТНОГО ПОЛЯ
Явление характерно при переключении высоковольтных проводов в высоковольтных подстанциях переключателями и непосредственно в высоковольтных проводах.
Операции включения и выключения высоковольтных переключателей вызывают возникновение резких волновых переходных процессов, время протекания которых составляет порядка десятков нс. Эти явления сглаживаются комплексной емкостью всех составляющих высоковольтного оборудования.
Фронт напряжения изменяется, это связано с отражениями из-за рассогласования характеристического импеданса высоковольтных цепей. Исходя из этого, получившийся переходной процесс напряжения и тока в высоковольтных проводах характеризуется основной частотой колебания, которая зависит от длины цепи и времени распространения.
Пиковое значение тока переходного процесса, который генерирует магнитное поле, описываемое настоящим стандартом, напрямую зависит от пикового напряжения в проводах и их характеристического импеданса; напряжение приблизительно удваивается относительно пикового значения фазы высоковольтной системы, и ток (определяемый также характеристическим импедансом таких цепей) составляет примерно 2 кА (пиковое значение).
Частота колебания определяется длиной и собственной индуктивностью высоковольтной цепи (1 мкГн/м), емкостной связью автоматических выключателей в выключенном состоянии (500 пФ), сосредоточенной емкостью емкостных трансформаторов напряжения (несколько нФ), трансформаторов тока (300 пФ), высоковольтными креплениями (20 пФ каждое).
Диапазон частоты колебания составляет примерно от 100 кГц до нескольких МГц в зависимости от влияния параметров, указанных выше, и длины проводов, которая может варьироваться от десятков до сотен метров (может достигать 400 м).
Таким образом, частота колебания 1 МГц может считаться типичной для большинства ситуаций, но для больших высоковольтных подстанций характерной частотой считается частота 100 кГц.
Частота повторения варьируется и в случае, если другие условия не изменяются, она является функцией от расстояния между переключающимися контактами: т.е. при замкнутых контактах существует максимальная частота повторения, а для расстояния между контактами на пределе исчезновения электрической дуги наблюдается минимальная частота повторения, и в отношении каждой фазы является двойной частотой сети (100/с для 50 Гц и 120/с для 60 Гц высоковольтных систем), но на этих частотах возникает максимальная напряженность магнитного поля.
Выбранная частота повторения для испытательных полей частотой 0,1 МГц и 1 МГц представляет собой компромисс, принимая во внимание различную длительность явления, представление различных частот и проблемы, связанные с мощностью ИГ.
(справочное)
РЕКОМЕНДАЦИИ
ПО НЕОПРЕДЕЛЕННОСТИ ИЗМЕРЕНИЯ
Соответствие полученной величины помехи относительно величины помехи, указанной в настоящем стандарте, как правило, подтверждается посредством ряда измерений (например, измерения пикового значения колебательного затухающего импульса тока с помощью осциллографа с использованием токового пробника). Результат каждого измерения содержит некоторую часть неопределенности измерения (НИ) из-за несовершенства измерительных приборов, а также вследствие недостаточной воспроизводимости самой измеряемой величины. Оценка НИ выполняется в соответствии с принципами и методами, описанными в IEC TR 61000-1-6.
Для того чтобы произвести оценку неопределенности измерения, необходимо:
a) определить источники неопределенности, относящиеся как к измерительным приборам, так и к измеряемой величине;
b) определить функциональную зависимость (измерительную модель) между влияющими (входными) величинами и измеряемой (выходной) величиной;
c) получить оценку и стандартную неопределенность входных величин;
d) получить оценку интервала, с высоким уровнем достоверности содержащего истинное значение измеряемой величины.
Более подробная информация представлена в IEC TR 61000-1-6.
Эти оценки и неопределенности, полученные для конкретных величин помехи, не характеризуют степень соответствия между имитацией электромагнитного явления, установленной в основном стандарте, и реальным электромагнитным явлением, происходящим за пределами лаборатории.
Поскольку влияние на ИО параметров помехи заранее неизвестно и в большинстве случаев ИО демонстрирует нелинейное поведение, то для получения величины помехи невозможно определить единую оценку и количество неопределенностей. Поэтому каждый из этих параметров помехи будет сопровождаться соответствующими оценкой и неопределенностью. Это приводит к более чем одному бюджету неопределенности.
D.2 Условные обозначения
IP - пиковое значение колебательного затухающего импульса тока, подаваемого на катушку;
HP - пиковое значение импульса магнитного поля;
kCF - коэффициент индукционной катушки: HP = kCF·IP.
Примечание - Значения и взаимосвязь между символами u(xi), ci, ui(y), uc(y), U(y) и y разъяснены в IEC TR 61000-1-6.
D.3 Составляющие неопределенности пикового тока и неопределенности измерения колебательного затухающего магнитного поля
В следующем списке показаны составляющие, используемые для оценки воздействия как измерительных приборов, так и испытательной установки:
- показания пикового значения;
- полоса пропускания измерительной системы;
- форма импульсной характеристики измерительной системы;
- погрешность измерения горизонтальной оси осциллографа;
- погрешность измерения вертикальной оси осциллографа;
- измерительная система, измеряемая величина и воспроизводимость испытательной установки (тип A);
- калибровка осциллографа и измерительной системы;
- коэффициент индукционной катушки.
D.4 Неопределенность при калибровке пикового тока и колебательного затухающего магнитного поля
D.4.1 Общие положения
В случае испытания магнитного поля величинами помехи являются колебательный затухающий ток, создаваемый испытательным генератором и подаваемый на контактные зажимы катушки, и колебательное затухающее магнитное поле, воздействующее на ИО. Как говорилось в
пункте D.1, необходимо составлять бюджет неопределенности для каждого измеряемого параметра величины помехи. Параметрами этих величин помехи являются
IP для импульса тока и
HP для импульса магнитного поля. Предполагается, что магнитное поле, создаваемое индукционной катушкой, пропорционально току, протекающему через контактные зажимы катушки, при этом коэффициентом пропорциональности является коэффициент индукционной катушки
kCF. Отсюда следует, что импульс магнитного поля имеет такую же форму волны, как и импульс тока, а пиковое значение магнитного поля представляется как
HP =
kCF·
IP.
Дополнительные параметры характеризуют помеху, т.е. частоту колебания и затухание. Однако оценка неопределенности измерения этих параметров хоть и важна, но менее необходима, чем оценка пикового значения импульса. Поэтому здесь внимание сосредоточено на неопределенности измерения пикового значения импульса.
Подход, применяемый для оценки НИ импульса, описан в
D.4.4 и
D.4.5. В
таблице D.1 приведен пример бюджета неопределенности пикового значения импульса тока. В таблицу включены входные параметры, которые рассматриваются как наиболее значимые для данного примера, подробная информация (числовые значения, тип плотности распределения вероятности и т.д.) о каждой составляющей неопределенности измерения и результаты расчетов, требуемые для определения бюджета неопределенности.
Таблица D.1
Пример бюджета неопределенности для пикового значения
колебательного затухающего импульса тока
Условное обозначение | Оценка | Ед. | Предел погрешности | Ед. | | Коэффициент | u(xi) | ci | Ед. | ui(y) | Ед. |
VPR | 0,115 | В | 0,000 2 | В | треугольное | 2,45 | 0,000 09 | 1 004 | 1/Ом | 0,092 | А |
RT | 0,001 | Ом | 0,000 05 | Ом | прямоугольное | 1,73 | 0,000 03 | -115 470 | А/Ом | 3,33 | А |
| 0 | 1 | 0,03 | 1 | нормальное (k = 1) | 1,00 | 0,030 | 115,5 | А | 3,46 | А |
| 0 | 1 | 0,02 | 1 | прямоугольное | 1,73 | 0,011 6 | 115,5 | А | 1,33 | А |
| 638 | кГц | 71 | кГц | прямоугольное | 1,73 | 40,99 | 0,001 48 | А/кГц | 0,061 | А |
B | 10 000 | кГц | 1 000 | кГц | прямоугольное | 1,73 | 577,4 | -0,000 09 | А/кГц | 0,054 | А |
| | 4,99 | А |
U(y) = uc(y) | 9,98 | А |
Y | 115 | А |
Выражение в % от 115 А | 8,6 | % |
--------------------------------
<a> Плотность распределения вероятности.
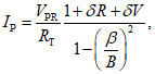
D.4.2 Пиковый ток
Измеряемой величиной является пиковое значение колебательного затухающего импульса тока, рассчитанное с помощью следующей функциональной зависимости:

(D.1)
где VPR - пиковое значение напряжения импульса;
RT - переходное сопротивление токового пробника;

- поправка на невоспроизводимость;

- точность отображения постоянного тока на экране;
B - полоса пропускания измерительной системы -3 дБ;

- коэффициент, равный (63,8 +/- 7,1) кГц на частоте колебания
f0 = 0,1 МГц и (638 +/- 71) кГц на частоте колебания
f0 = 1 МГц.
Для следующего примера бюджета неопределенности частота колебания колебательного затухающего импульса тока принята равной f0 = 1 МГц.
VPR - это пиковое значение напряжения на выходе токового пробника или через токовый шунт. Предел погрешности получается исходя из того, что экран имеет 8-битное разрешение в вертикальной плоскости со способностью к интерполяции (треугольная плотность распределения вероятности). Если способность к интерполяции недоступна или ее невозможно активировать, то используется прямоугольная плотность распределения вероятности.
RT - это полное переходное сопротивление (или чувствительность) токового шунта или пробника. Предполагаемое значение - 0,001 Ом, предел погрешности - 5% (прямоугольная плотность распределения вероятности).

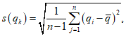
- количественное выражение невоспроизводимости измерительной установки, оборудования и его расположения. Это оценка типа A, основанная на полученном опытным путем среднеквадратичном отклонении
s(
qk) выборки из
n повторяемых измерений
qj и выраженная в виде:

(D.2)
где

- это среднее арифметическое значений
qj.

выражено в относительных единицах, и оценка принята равной 0% с пределом погрешности 3% (1 среднеквадратичное отклонение).

- количественно выраженная погрешность измерения амплитуды на экране при постоянном токе.

выражено в относительных единицах. Предел погрешности прямоугольной плотности распределения вероятности - 2%, оценка принята равной 0%.

- коэффициент, который зависит от формы импульсной характеристики измерительной системы и стандартной формы волны импульса в окрестности пика (смотри
D.4.5). Интервал (638 +/- 71) кГц представляет широкий класс систем, каждая из которых имеет различные формы импульсной характеристики.
B. Для полосы пропускания B измерительной системы, которая может быть получена экспериментально (прямым измерением полосы пропускания) или рассчитана исходя из полосы пропускания Bi для каждого элемента измерительной системы (по большей части это токовый пробник или токовый шунт, кабель и экран), используется следующее уравнение:

(D.3)
Для B приняты оценка 10 МГц и предел погрешности 1 МГц при прямоугольной плотности распределения вероятности.
Примечание - Неопределенность измерения пикового значения импульса магнитного поля получается из функциональной зависимости
HP =
kCF·
IP, где
kCF - коэффициент индукционной катушки, измеренный посредством процедуры калибровки, описанной в настоящем стандарте (т.е. на частоте промышленной сети). Отсюда следует, что если измеренное значение
kCF = 0,90 (например, в случае квадратной петли индуктивности со стороной 1 м) и его расширенная неопределенность равна 5%, то лучшая оценка для
HP = 104 А/м и ее расширенная неопределенность равна 9,9% (см.
таблицу D.1).
D.4.3 Дополнительные составляющие НИ для измерения времени и амплитуды
Следующие составляющие также могут иметь воздействие на бюджет неопределенности измерения.
Смещение постоянного тока. Смещение постоянного тока на экране способствует созданию погрешности измерения пикового значения напряжения, если пиковое значение измеряется от номинальной нулевой линии постоянного тока на экране. Этой составляющей можно пренебречь, если программное обеспечение считывает с экрана измеряемое пиковое значение относительно линии основания импульса.
Ошибки и нестабильность синхронизации по времени - характеристики осциллографа, которые можно рассматривать как предел погрешности при прямоугольной плотности распределения вероятности. Обычно эти составляющие незначительны.
Разрешение в вертикальной плоскости - составляющая, зависящая от разрешения амплитуды колебаний в вертикальной плоскости

и наклона кривой графика
dA/
dt. Неопределенность связана с полушириной разрешения и составляет

. Если производится интерполяция кривой графика (см. руководство по эксплуатации осциллографа), то используется треугольная плотность распределения вероятности, в ином случае используется прямоугольная плотность распределения вероятности. Эта составляющая может быть значительной, если

, где
Ti - интервал выборки на экране.
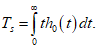
D.4.4 Время нарастания реакции на входное ступенчатое воздействие и полоса пропускания частотной характеристики измерительной системы
Пусть
TMS будет временем нарастания реакции на входное ступенчатое воздействие измерительной системы, как определено
уравнением D.4:

(D.4)
где
h0(
t) - импульсная характеристика измерительной системы, имеющая стандартизованную площадь

и
Ts - время запаздывания, равное:

(D.5)
С математической точки зрения с
уравнением D.4 проще работать, чем с обычным, основанным на пороговых уровнях 10% и 90%. Тем не менее в техническом применении обычно используют определение времени нарастания с 10% до 90%. При наличии полосы пропускания системы минус 3 дБ эти два определения приводят к сопоставимым временам нарастания. Получается, если мы определим:

(D.6)
то обнаружим, что значения

, полученные из двух определений времен нарастаний, не будут очень сильно отличаться. Значения

, соответствующие различным формам импульсной характеристики
h(
t), приведены в
таблице D.2. Из
таблицы D.2 очевидно, что невозможно установить уникальное значение

, поскольку

зависит как от используемого определения времени нарастания (например, на основе предельных величин или
уравнения D.4), так и от формы импульсной характеристики измерительной системы. Реальная оценка

может быть получена как среднее арифметическое между минимальным (321 x 10
-3) и максимальным (399 x 10
-3) значениями, указанными в
таблице D.2, т.е. равняться 360 x 10
-3. Кроме того, предполагается, что если информация об измерительной системе недоступна, кроме ее полосы пропускания, то равновероятно любое значение

между 321 x 10
-3 и 399 x 10
-3. Другими словами, предполагается, что значение

будет случайной величиной, имеющей прямоугольную плотность распределения вероятности с нижней и верхней границами 321 x 10
-3 и 399 x 10
-3 соответственно. Стандартная неопределенность количественного выражения значения

: a) не зависит от математической модели, принятой для определения времени нарастания, и b) не зависит от формы импульсной характеристики системы.
Таблица D.2
однонаправленных импульсных характеристик, соответствующих
одной и той же полосе пропускания системы B
Значение  , умноженное на 10 3 | Гауссовское | Функция I порядка | Функция II порядка (критическое затухание) | Прямоугольное | Треугольное |
| 332 | 399 | 363 | 321 | 326 |
 , при пороговых уровнях от 10% до 90% | 339 | 350 | 344 | 354 | 353 |
D.4.5 Искажение пикового значения импульса вследствие ограничения полосы пропускания измерительной системы
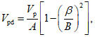
Искажение формы волны импульса Vвых(t) на выходе измерительной системы определяется интегралом свертывания:

(D.7)
где Vвх(t) - форма волны входного импульса и h(t) - импульсная характеристика измерительной системы. При этом A·h(t) = h0(t), где A - это коэффициент затухания постоянного тока измерительной системы. Форма входной волны может быть аппроксимирована путем разложения в ряд Тейлора в точке tp, когда входной сигнал достигает пикового значения Vp:

(D.8)
Обратите внимание, что в
уравнении D.8 отсутствует первый член ряда, так как
V'(
tp) = 0. Кроме того,

, потому что точки вогнутости направлены вниз (максимум), и

, потому что для интересующей нас сейчас стандартной формы волны время нарастания меньше, чем время спада. Подставляем
уравнение D.8 в
уравнение D.7, и после упрощений получается, что полоса пропускания измерительной системы велика по сравнению с полосой пропускания входного сигнала (так что члены степенного ряда, порядок которых больше двух, становятся незначительными):

(D.9)
где Vpd - пиковое значение выходного импульса;
A - коэффициент затухания постоянного тока измерительной системы и

(D.10)
Обратите внимание, что параметр

зависит от второй производной стандартной формы входной волны и от параметра

, полученного в
D.4.4. Простое математическое выражение для стандартной колебательной затухающей формы волны, применяемое для расчета неопределенности, представляется в виде:

(D.11)
где

- колебательная частота и

- затухание. Значение

может быть аналитически получено из
уравнений D.10 и
D.11 как:

(D.12)
Таблица D.3
затухающей формы волны
кГц | f0 = 0,1 МГц | f0 = 1 МГц |
| 63,8 +/- 7,1 | 638 +/- 71 |
Примечание 1 -
Уравнение D.12 представляет собой приближение, потому что затуханием по экспоненциальному закону в точке
t =
tp пренебрегают.
Примечание 2 - Значения

, полученные с помощью
уравнения D.12 и указанные в
таблице D.3, существенно не отличаются от тех, которые получены в ходе расчета математической формы волны, установленной в настоящем стандарте.
Примечание 3 - Затухание

может быть получено путем измерения соотношения

между амплитудой колебания одного максимума (или минимума) и следующего. Оно определяется
уравнением D.11.

(D.13)
Для соответствующей формы волны

находится в диапазоне 0,02 - 0,04.
D.5 Применение неопределенностей для выполнения критерия генератора затухающей колебательной волны
Как правило, для того чтобы быть уверенным в том, что ток и колебания магнитного поля в переходных процессах будут в рамках их технических характеристик, результаты калибровки должны быть в заданных пределах настоящего стандарта (допустимые отклонения не уменьшаются из-за неопределенности измерения).
Дополнительные указания приведены в IEC TR 61000-1-6:2016, раздел 6.
(справочное)
E.1 Общие положения
В настоящем приложении изложены некоторые дополнительные сведения о распределениях магнитного поля внутри и снаружи катушек для испытания с помощью 3D-моделирования во временной области (динамические результаты) и частотной области (двумерный график магнитного поля) как продолжение двумерных графиков из
приложения A (статические результаты).
E.2 Моделирование
- Катушки возбуждаются от идеального источника тока (см. символ "порт"), имеющего математическую форму волны, указанную в тексте настоящего стандарта и нормированную на значение 1 А.
- Рассматриваются два крайних варианта формы проводников катушки: прямоугольный размером 10 см x 1 см (указан в
приложении E) и с круглой жилой радиусом 1 мм (для краткости результаты не указываются).
- По умолчанию для графиков на
рисунках E.2 и
E.3 ячейки сетки используются для ускорения расчета; на других рисунках для повышения точности используются оптимизированные ячейки сетки.
- Амплитуда магнитного поля, обозначаемая как Hxi, где x указывает, что рассматриваемый компонент магнитного поля параллелен оси x, а подстрочный индекс i указывает на соответствующее положение пробника для измерения напряженности магнитного поля от центра петли и до последнего удаленного положения.
- Двумерные графики магнитного поля рассчитаны для частоты 1 МГц, а 0 дБ относится к 1 А/м.
Примечание - Амплитуда магнитного поля Hx с внутренней стороны петли отрицательная из-за выбранных направлений пробника.
Рисунок E.1 - Значение тока с периодом в 1 мкс и значение
магнитного поля в центре стандартной индукционной катушки
размером 1 м x 1 м
Рисунок E.2 - Значение магнитного поля
Hx, в А/м,
вдоль стороны стандартной индукционной катушки
размером 1 м x 1 м
Рисунок E.3 - Значение магнитного поля
Hx в направлении
x,
перпендикулярном плоскости стандартной индукционной катушки
размером 1 м x 1 м
Рисунок E.4 - Значение магнитного поля Hx, в дБ,
вдоль стороны для стандартной индукционной катушки
размером 1 м x 1 м
Рисунок E.5 - Значение магнитного поля Hx, в дБ,
вдоль диагонали для стандартной индукционной катушки
размером 1 м x 1 м
Рисунок E.6 - График магнитного поля Hx в плоскости y - z
для стандартной индукционной катушки размером 1 м x 1 м
Рисунок E.7 - График магнитного поля Hx в плоскости x - y
для стандартной индукционной катушки размером 1 м x 1 м
Рисунок E.8 - Значение магнитного поля Hx, в дБ,
вдоль средней вертикальной линии для стандартной
индукционной катушки размером 1 м x 2,6 м
Рисунок E.9 - Двумерный график магнитного поля Hx
в плоскости y - z для стандартной индукционной катушки
размером 1 м x 2,6 м
Рисунок E.10 - Двумерный график магнитного поля
Hx
в плоскости x - y с z = 0,5 м для стандартной индукционной
катушки размером 1 м x 2,6 м
E.3 Комментарии
В процессе моделирования рассматривается следующее.
- Расчетная форма волны магнитного поля такая же, как и форма источника тока для катушки.
- Сравнение расчетных форм волны магнитного поля при использовании двух крайних вариантов формы проводников для катушки с одними и теми же размерами свидетельствует о том, что они будут иметь очень небольшие различия.
- Коэффициенты индукционной катушки в центре катушки составляют 0,90 м-1 и 0,65 м-1 для квадратных и прямоугольных катушек соответственно и практически не зависят от формы проводника катушки.
- Также с помощью моделирований переходных процессов подтверждается, что отклонение магнитного поля составляет меньше чем +3 дБ для областей, показанных в
приложении A.
- Показано и установлено количественно, что магнитное поле быстро увеличивается, когда пробник, используемый для расчета магнитного поля, подходит к проводникам катушки.
- Значение магнитного поля с внешней стороны петли составляет на 20 - 40 дБ (1/10 - 1/100) меньше, чем значение поля в центре петли. Это должно приниматься во внимание при проведении испытаний методом приближения.
(справочное)
СВЕДЕНИЯ О СООТВЕТСТВИИ ССЫЛОЧНЫХ МЕЖДУНАРОДНЫХ СТАНДАРТОВ
МЕЖГОСУДАРСТВЕННЫМ СТАНДАРТАМ
Таблица ДА.1
Обозначение ссылочного международного стандарта | Степень соответствия | Обозначение и наименование соответствующего межгосударственного стандарта |
IEC 60050-311:2001 | - | |
IEC 60050-195:1998 | - | |
IEC 60050-161:1990 | MOD | ГОСТ 30372-2017 (IEC 60050-161:1990) "Совместимость технических средств электромагнитная. Термины и определения" |
<*> Соответствующий межгосударственный стандарт отсутствует. До его принятия рекомендуется использовать перевод на русский язык данного международного стандарта. Примечание - В настоящей таблице использовано следующее условное обозначение степени соответствия стандарта: - MOD - модифицированный стандарт. |
--------------------------------
<1> В Российской Федерации действует
ГОСТ Р МЭК 60050-195-2005 "Заземление и защита от поражения электрическим током. Термины и определения".
[1] | IEC TR 61000-1-6:2012 | Electromagnetic compatibility (EMC) - Part 1-6: General - Guide to the assessment of measurement uncertainty (Электромагнитная совместимость (ЭМС). Часть 1-6. Общие положения. Руководство по оценке неопределенности измерений) |
[2] | IEC 61000-4-18 | Electromagnetic compatibility (EMC) - Part 4-18: Testing and measurement techniques - Damped oscillatory wave immunity test (Электромагнитная совместимость (ЭМС). Часть 4-18. Методы испытаний и измерений. Испытание на устойчивость к затухающей колебательной волне) |
[3] | IEC Guide 107 | Electromagnetic compatibility - Guide to the drafting of electromagnetic compatibility publications (Электромагнитная совместимость. Рекомендации по разработке проектов публикаций по электромагнитной совместимости) |
УДК 621.391.82:621.317.41:006.354 | | IDT |
Ключевые слова: колебательное затухающее магнитное поле, помехоустойчивость, оборудование, испытательный генератор, индукционная катушка, электромагнитная совместимость, методы испытаний, оценка результатов испытаний |