Краткое наименование страны по МК (ИСО 3166) 004-97 | Код страны по МК (ИСО 3166) 004-97 | Сокращенное наименование национального органа по стандартизации |
Армения | AM | ЗАО "Национальный орган по стандартизации и метрологии" Республики Армения |
Беларусь | BY | Госстандарт Республики Беларусь |
Казахстан | KZ | Госстандарт Республики Казахстан |
Россия | RU | Росстандарт |
Таджикистан | TJ | Таджикстандарт |
Узбекистан | UZ | Узбекское агентство по техническому регулированию |
Приложение | Технологии | Список основных принципов безопасности | Список испытанных принципов безопасности | Список испытанных элементов | Списки неисправностей и исключения неисправностей |
Таблица(ы) | |||||
Механическая | |||||
Пневматическая | - | ||||
Гидравлическая | - | ||||
Электрическая (включая электронику) | |||||

Требования документации | Категория, для которой требуется документация | ||||
B | 1 | 2 | 3 | 4 | |
Основные принципы безопасности | X | X | X | X | X |
Ожидаемые рабочие нагрузки | X | X | X | X | X |
Влияние используемого материала | X | X | X | X | X |
Эффективность защиты во время других значимых внешних воздействий | X | X | X | X | X |
Испытанные компоненты | X | ||||
Испытанные принципы безопасности | X | X | X | X | |
Среднее время наработки на опасный отказ (MTTFd) каждого канала | X | X | X | X | X |
Процедура проверки функций безопасности | X | ||||
Выполненные диагностические мероприятия, включая реакцию на неисправность | X | X | X | ||
Интервалы валидации, если указано | X | X | X | ||
Диагностический охват (DCaVg) | X | X | X | ||
Предполагаемые при конструировании отдельные неисправности и методы их обнаружения | - | - | X | X | X |
Отказ по общей причине (CCF) и способы его предотвращения) | X | X | X | ||
Предполагаемое исключение одиночной неисправности | X | X | |||
Неисправности, которые необходимо обнаружить | X | X | X | ||
Как функция безопасности поддерживается в случае каждой неисправности | X | X | |||
Как поддерживается функция безопасности для каждой комбинации неисправностей | X | ||||
Меры против систематических отказов | X | X | X | X | X |
Меры против программных неисправностей | X | X | X | X | |
X - документация требуется - - документация не требуется | |||||
Примечание - Категории даны в ISO 13849-1:2006. | |||||
Основной принцип безопасности | Примечания |
Использование подходящих материалов и надлежащего производства | Выбор материала, способы изготовления и обработки по отношению, например, к напряжению, долговечности, эластичности, трению, износу, коррозии, температуры |
Правильные размеры и форма | Учитывайте, например, напряжение, деформацию, усталость, шероховатость поверхности, допуски, застревание, изготовление |
Правильный выбор, комбинация, расположение, сборка и установка компонентов/системы | Используйте указания производителя по применению, например, каталожные листы, инструкции по установке, технические условия, а также установившуюся практику в области машиностроения в аналогичных компонентах/системах |
Использование принципа обесточивания | Безопасное состояние достигается путем отключения электрического напряжения. См. правильный процесс останова в ISO 12100:2010, 6.2.11.3. Энергия подается для начала движения механизма. См. правильный процесс пуска в ISO 12100:2010, 6.2.11.3. Рассмотрите различные режимы, например режим эксплуатации, режим технического обслуживания. ВАЖНО - Этот принцип не следует соблюдать, когда потеря энергии может создать опасность, например, для сохранения энергии в зажимных устройствах |
Правильное крепление | Для применения винтовой блокировки рассмотрите указания производителя по применению. Необходимо избегать перегрузок путем применения соответствующей технологии прилагаемой нагрузки, создаваемой крутящим моментом |
Ограничение генерации и/или передачи силы и подобных параметров | Примерами являются распорный болт, тормозная пластина и муфта ограничения крутящего момента. ВАЖНО - Этот принцип не следует соблюдать, когда постоянная целостность компонентов необходима для поддержания требуемого уровня контроля |
Ограничение диапазона параметров окружающей среды | Примерами являются температура, влажность и загрязнение в месте установки. См. раздел 10 и учтите указания производителя по применению |
Ограничение скорости и подобные параметры | Учитывайте, например, скорость, ускорение, замедление, требуемые приложением |
Необходимое время срабатывания | Например, следует учитывать усталостное напряжение пружин, трение, смазку, температуру, инерцию во время ускорения и замедления, сочетание допусков |
Защита от самопроизвольного пуска | Учитывайте самопроизвольный пуск, вызванный накопленной энергией, а также после восстановления питания для различных режимов (рабочий режим, режим обслуживания и т.д.). Может потребоваться специальное оборудование для высвобождения накопленной энергии. Специальные приложения, например, для сохранения энергии для зажимных устройств или обеспечения положения, необходимо рассматривать по отдельности |
Упрощение | Избегайте ненужных компонентов в системе безопасности |
Разделение | Отделение функций безопасности от других функций |
Правильная смазка | Учитывайте потребность в смазочных приспособлениях, информацию о смазочных материалах и интервалах смазки |
Надлежащее предотвращение попадания жидкостей и пыли | Учитывайте степень IP-защиты (см. IEC 60529) |
Испытанный принцип безопасности | Примечания |
Использование тщательно отобранных материалов и методов производства | Выбор подходящего материала, соответствующих методов производства и обработки, связанных с применением |
Использование компонентов с определенным режимом отказа | Преобладающий вид отказа компонента известен заранее и всегда один и тот же. См. ISO 12100:2010, 6.2.12.3 |
Сверхзаданные параметры или показатели безопасности | Коэффициенты безопасности указаны в стандартах или на основании положительного опыта в приложениях, связанных с безопасностью |
Безопасное положение | Подвижная часть компонента удерживается в безопасном положении механическим путем (одного трения недостаточно). Для выхода из безопасного положения требуется сила |
Увеличенная сила отключения | Безопасное положение/состояние достигается увеличением силы отключения по сравнению с силой включения |
Правильный выбор, комбинирование, размещение, монтаж и установка элементов, системы | - |
Тщательный выбор крепления, связанного с приложением | Не полагайтесь только на трение |
Положительное механическое воздействие | Для достижения положительного механического воздействия, все движущиеся механические компоненты, необходимые для выполнения функции безопасности, неизбежно должны перемещать связанные компоненты, т.е. кулачковая шайба напрямую размыкает контакты электрического переключателя, а не опирается на пружину. См. ISO 12100:2010, 6.2.5 |
Составные части | Уменьшение влияния отказов за счет параллельной работы нескольких элементов, например, когда выход из строя одной из нескольких пружин не приводит к опасному состоянию |
Использование испытанной пружины (см. также таблицу A.3) | Испытанная пружина требует: - использования тщательно отобранных материалов, методов изготовления (например, предварительная установка и циклование перед использованием) и обработки (например, прокатка и дробеструйная обработка); - обоснованной документации на пружины; - обоснованных показателей безопасности при усталостном напряжении (т.е. с высокой вероятностью того, что разрушение не произойдет). Испытанные винтовые пружины сжатия также могут быть разработаны путем: - использования тщательно отобранных материалов, методов изготовления (например, предварительная установка и циклование перед использованием) и обработки (например, прокатка и дробеструйная обработка); - зазора между витками меньше диаметра проволоки в ненагруженном состоянии; - сохранения остаточной работоспособности после разлома (т.е. разлом не приведет к опасному состоянию). Примечание - Предпочтительны пружины сжатия. |
Ограниченный диапазон силы и аналогичные параметры | Определите необходимое ограничение в части опыта и применения. Примерами являются распорный болт, тормозная пластина и муфта ограничения крутящего момента. ВАЖНО. Этот принцип не следует соблюдать, когда важна постоянная целостность компонентов. Это необходимо для поддержания необходимого уровня контроля |
Ограниченный диапазон скоростей и подобных параметров | Определить необходимое ограничение, учитывая опыт и применение. Примерами являются центробежный регулятор, безопасный контроль скорости и ограничение перемещения |
Ограниченный диапазон параметров окружающей среды | Определите необходимые ограничения. Примерами являются температура, влажность, загрязнение на месте установки. См. раздел 10 и примите к сведению указания производителя по применению |
Ограниченный диапазон времени реакции, ограниченный гистерезис | Определите необходимые ограничения. Рассмотрите, например, усталостное напряжение пружины, трение, смазку, температуру, инерцию при разгоне и торможении, сочетание допусков |
Испытанный компонент | Условия для "испытанного" компонента | Стандарт или технические условия |
Винт | Необходимо учитывать все факторы, влияющие на винтовое соединение и применение. См. таблицу A.2 | Механические соединения, такие как винты, гайки, шайбы, заклепки, штифты, болты и т.д. стандартизированы |
Пружина | См. таблицу A.2, "Использование испытанной пружины" | Технические спецификации для пружинных сталей и других специальных применений приведены в ISO 4960 |
Кулачковая шайба | Необходимо учитывать все факторы, влияющие на расположение кулачковой шайбы (например, блокировочные устройства). См. таблицу A.2 | См. ISO 14119 (блокировочные устройства) |
Распорный болт | Необходимо учитывать все факторы, влияющие на применение. См. таблицу A.2 | - |
Рассматриваемая неисправность | Исключение неисправности | Примечания | ||||
Износ/коррозия | Да, в случае тщательно подобранного материала (избыточного) размера, производственного процесса, обработки и надлежащей смазки в соответствии с указанным сроком службы (см. также таблицу A.2) | См. ISO 13849-1:2006, 7.3 | ||||
Растягивание/ослабление | Да, в случае тщательно отобранного материала процесса изготовления, средства блокировки и обработки в соответствии с установленным сроком службы (см. также таблицу A.2) | - | ||||
| ||||||
Повреждение | Да, в случае тщательно подобранного материала (избыточного) размера, производственного процесса, обработки и надлежащей смазки в соответствии с указанным сроком службы кже таблицу A.2) | - | ||||
Деформация при перенапряжении | Да, в случае тщательно подобранного материала (избыточного) размера, обработки и производственного процесса в соответствии с указанным сроком службы (см. также таблицу A.2) | - | ||||
Жесткость/заедание | Да, в случае тщательно подобранного материала (избыточного) размера, производственного процесса, обработки и надлежащей смазки в соответствии с указанным сроком службы (см. также таблицу A.2) | - | ||||
Рассматриваемая неисправность | Исключение неисправности | Примечания |
Износ/коррозия | Да, при использовании испытанных пружин и тщательно подобранных креплений (см. таблицу A.2) | См. ISO 13849-1:2006, 7.3 |
Снижение силы за счет схватывания и повреждения | ||
Повреждение | ||
Жесткость/застревание | ||
Ослабление | ||
Деформация при перенапряжении |
Основной принцип безопасности | Примечания |
Использование подходящих материалов и надлежащее производство | Выбор материала, методов изготовления и обработки в отношении, например, напряжения, долговечности, эластичности, трения, износа, коррозии, температуры |
Правильные размеры и форма | Учитывайте, например, напряжение, деформацию, усталостное напряжение, шероховатость поверхности, допуски и производство |
Правильный выбор, комбинация, расположение, сборка и установка компонентов/системы | Используйте указания производителя по применению, например, каталожные листы, инструкции по установке, технические условия, а также установившуюся практику в области машиностроения в аналогичных компонентах/системах |
Использование принципа обесточивания | Безопасное состояние достигается за счет отключения энергии на всех соответствующих устройствах. См. основное действие для остановки в ISO 12100:2010, 6.2.11.3. Энергия подводится для начала движения механизма. См. правильный процесс пуска в ISO 12100:2010, 6.2.11.3. Рассмотрите различные режимы, например режим эксплуатации, режим технического обслуживания. Этот принцип не должен использоваться в некоторых приложениях, например, когда потеря пневматического давления создаст дополнительную опасность |
Правильное крепление | При применении, например, винтовых замков, фитингов, клейких средств или зажимного кольца учитывайте указания производителя по применению. Перегрузки можно избежать, применяя адекватную технологию нагрузки крутящим моментом |
Ограничение давления | Примерами являются предохранительный клапан, редукционный/регулирующий клапан |
Ограничение скорости/снижение скорости | Примером является ограничение скорости хода поршневого или дроссельного клапана |
Достаточное предотвращение загрязнения жидкости | Следует учитывать фильтрацию и отделение твердых частиц и воды в жидкости |
Надлежащий диапазон времени переключения | Учитывайте, например, длину труб, давление, мощность выхлопа, силу, усталостное напряжение пружины, трение, смазку, температуру, инерцию при ускорении и торможении, а также комбинацию допусков |
Устойчивость к условиям окружающей среды | Сконструируйте оборудование таким образом, чтобы оно могло работать во всех ожидаемых условиях и в любых предсказуемых неблагоприятных условиях, например температура, влажность, вибрация, загрязнение. См. раздел 10 и учитывайте технические характеристики/примечания производителя |
Защита от самопроизвольного запуска | Учитывайте самопроизвольный пуск, вызванный накопленной энергией, а также после восстановления питания для различных режимов, например, режим эксплуатации, режим технического обслуживания. Может потребоваться специальное оборудование для высвобождения накопленной энергии (см. ISO 14118:2000, 5.3.1.3). Специальные применения (например, для сохранения энергии для зажимных устройств или обеспечения положения) необходимо рассматривать по отдельности |
Упрощение | Избегайте ненужных компонентов в системе безопасности |
Правильный температурный диапазон | Необходимо учитывать во всей системе |
Разделение | Разделение функций безопасности от других функций (например, логическое разделение) |
Испытанный принцип безопасности | Примечания |
Сверхзаданные параметр или показатели безопасности | Показатели безопасности приводятся в стандартах или устанавливаются на основании имеющегося опыта в их безопасном применении |
Безопасное положение | Подвижная часть детали удерживается в одном из возможных положений механическими средствами (одного трения недостаточно). Для изменения положения необходимо применить силу |
Увеличенная сила отключения | Одним из решений может быть то, что отношение площади для перемещения выключателя в безопасное положение (положение "ВЫКЛ") будет значительно больше, чем для перемещения выключателя в положение "ВКЛ" (коэффициент безопасности) |
Клапан, закрывающийся под давлением | Обычно это относится к клапанам пневмоаппаратов, например, тарельчатые клапаны, шаровые клапаны. Следует учитывать давление нагрузки, чтобы клапан оставался закрытым, даже если, например, сломается пружина, закрывающая клапан |
Положительное механическое воздействие | Положительное механическое воздействие используется для движущихся частей внутри пневматических компонентов. См. также таблицу A.2 |
Множественные элементы | См. таблицу A.2 |
Использование испытанной пружины | См. таблицу A.2 |
Ограничение скорости/снижение скорости сопротивлением заданному потоку | Примерами являются фиксирующая дроссельная шайба, фиксирующий дроссель |
Ограничение силы/уменьшение силы | Это может быть достигнуто с помощью сброса давления испытанного клапана, который, например, оснащен испытанной пружиной, имеет правильные размеры и корректно выбран |
Соответствующий диапазон рабочих условий | Следует учитывать ограничения рабочих условий, например, диапазон давления, скорости потока и температурный диапазон |
Надлежащее предотвращение загрязнения жидкости | Учитывать необходимость высокой степени фильтрации и отделения твердых частиц и воды в жидкости |
Достаточное принудительное закрытие поршневого клапана | Принудительное перекрытие обеспечивает функцию остановки и предотвращает недопустимые движения |
Ограниченный гистерезис | Например, повышенное трение или комбинация допусков увеличат гистерезис |
Рассматриваемая неисправность | Исключение неисправности | Примечания |
Изменение времени переключения | Да, в случае принудительного механического воздействия (см. таблицу A.2) движущихся компонентов, если приводная сила достаточно велика | - |
Непереключение (застревание в конечном или нулевом положении) или неполное переключение (застревание в произвольном промежуточном положении) | Да, в случае положительного механического воздействия (см. таблицу A.2) движущихся компонентов, если приводная сила достаточно велика | |
Самопроизвольное изменение исходного положения переключения (без входного сигнала) | Да, в случае положительного механического воздействия (см. таблицу A.2) движущихся компонентов, если удерживающая сила достаточно велика или если используются испытанные пружины (см. таблицу A.2) и применяются нормальные условия установки и эксплуатации (см. примечание), или в случае использования переключателей с эластичной перемычкой и при нормальных условиях установки и эксплуатации (см. примечание) | - учтены условия, установленные изготовителем; - вес подвижного компонента не оказывает неблагоприятного воздействия на безопасность (например, горизонтальная установка); - отсутствуют силы инерции, отрицательно воздействующие на движущиеся компоненты (например, направление движения компонента клапана учитывает величину и направление сил инерции), и отсутствие экстремальных вибрационных и ударных нагрузок. |
Утечка | Да, в случае применения переключателей с эластичной перемычкой, при наличии достаточного принудительного перекрытия [см. примечание 1)], применяются нормальные условия эксплуатации, и обеспечивается достаточная очистка и фильтрация сжатым воздухом; или, в случае применения клапанного пневмоаппарата, если применяются нормальные условия эксплуатации [см. примечание 2)] и обеспечивается достаточная обработка и фильтрация сжатым воздухом | |
Если функции управления реализуются рядом однофункциональных клапанов, то анализ неисправностей должен быть выполнен для каждого клапана. Та же процедура должна быть выполнена в случае управляемых клапанов | ||
Изменение скорости потока утечки в течение длительного периода использования | Нет | - |
Разрыв корпуса клапана или поломка подвижного(ых) компонента(ов), а также поломка/трещина крепежных или установочных винтов | Да, если конструкция, размеры и установка соответствуют надлежащей инженерной практике | |
Для вспомогательных и пропорциональных клапанов: пневматические неисправности, вызывающие неконтролируемое поведение | Да, в случае вспомогательных и пропорциональных направляющих клапанов, если они могут быть оценены с точки зрения технической безопасности как обычные направляющие пневмораспределители, благодаря их форме и конструкции | - |
Если функции управления реализуются рядом однофункциональных клапанов, то анализ неисправностей должен быть выполнен для каждого клапана. Та же процедура должна быть выполнена в случае управляемых клапанов | ||
Рассматриваемая неисправность | Исключение неисправности | Примечания |
Изменение времени переключения | Нет | |
Неоткрытие, неполное открытие, незакрытие или неполное закрытие (застревание в конечном положении или в случайном промежуточном положении) | Да, если система управления подвижным компонентом(-ами) с конструирована так же, как и для пневморегулятора непрерывного действия с шаровыми клапанами без тормозной системы (см. примечание), и, если используются испытанные пружины (см. таблицу A.2) | |
Самопроизвольное изменение исходного положения переключения (без входного сигнала) | Да, при нормальных условиях установки и эксплуатации (см. примечание), а также при наличии достаточного закрывающего усилия в зависимости от предусмотренных давлений и площадей | - выполняются условия, установленные производителем; - на движущиеся компоненты не действуют никакие силы инерции, например, направление движения учитывает ориентацию движущихся частей машины; - отсутствие экстремальных вибрационных или ударных нагрузок |
Для регулируемых клапанов: одновременное закрытие обоих входных соединений | Да, если, исходя из конструкции и проекта подвижного элемента, одновременное закрытие маловероятно | - |
Утечка | Да, если применяются нормальные условия эксплуатации (см. примечание) и осуществляется достаточная очистка и фильтрация сжатым воздухом | |
Изменение скорости потока утечки в течение длительного периода использования | Нет | - |
Разрыв корпуса клапана или поломка подвижного(ых) компонента(ов), а также поломка/трещина крепежных или нажимных винтов | Да, если конструкция, размеры и установка соответствуют надлежащей инженерной практике |
Рассматриваемая неисправность | Исключение неисправности | Примечания |
Изменение скорости потока без каких-либо изменений в установочном устройстве | Да, для клапанов управления потоком с неподвижными элементами [см. примечание 1)], например, дроссельных клапанов, если применимы нормальные условия эксплуатации [см. примечание 2)], и обеспечена достаточная очистка и фильтрация сжатым воздухом | |
Изменение скорости потока в случае нерегулируемых круглых отверстий и форсунок | Да, если диаметр >= 0,8 мм, применяются нормальные условия эксплуатации [см. примечание 2)], и если обеспечивается достаточная обработка и фильтрация сжатым воздухом | |
Для пропорциональных клапанов управления потоком: изменение скорости потока из-за непреднамеренного изменения заданного значения | Нет | - |
Непосредственное изменение в установочном устройстве | Да, где есть эффективная защита установочного устройства, адаптированная к конкретному случаю, на основании технических условий безопасности | |
Непреднамеренное ослабление (отвинчивание) рабочего элемента(ов) установочного устройства | Да, если предусмотрено эффективное принудительное блокирующее устройство в случае ослабления (отвинчивания) | - |
Разрыв корпуса клапана или поломка подвижного(ых) компонента(ов), а также поломка/разлом крепежных или установочных винтов | Да, если конструкция, размеры и установка соответствуют надлежащей инженерной практике |
Рассматриваемая неисправность | Исключение неисправности | Примечания |
Неоткрытие или недостаточное открытие при превышении заданного давления (застревание или застой подвижного компонента) [см. примечание 1)] | Да, если: - система управления подвижным(и) компонентом(ами) аналогична методике пневморегулятора непрерывного действия с шаровым или мембранным клапаном [см. примечание 2)], например, для редукционного клапана со вторичным сбросом давления и - установлены испытанные пружины (см. таблицу A.2) | |
Незакрытие или недостаточное закрытие при падении давления ниже установленного значения (застревание или застой подвижного компонента) [см. примечание 1)] | ||
Изменение режима регулирования давления без изменения установочного устройства [см. примечание 1)] | Да, для клапанов ограничения давления прямого действия и клапанов переключения давления, если установлены испытанные пружины (см. таблицу A.2) | |
Для пропорциональных клапанов давления: изменение режима регулирования давления из-за непреднамеренного изменения заданного значения [см. примечание 1)] | Нет | |
Непосредственное изменение в установочном устройстве | Да, где есть эффективная защита установочного устройства в соответствии с требованиями применения, например, запайка ввода | - |
Непреднамеренное отвинчивание рабочего элемента установочного устройства | Да, если предусмотрено эффективное принудительное блокирующее устройство в случае отвинчивания | |
Утечка | Да, для клапанов пневмоаппаратов, мембранных клапанов и регулируемых клапанов с эластичной перемычкой в нормальных условиях эксплуатации (см. примечание) и при условии достаточной обработки и фильтрации сжатым воздухом | |
Изменение расхода при утечке при длительном использовании | Нет | - |
Разрыв корпуса клапана или поломка подвижного(ых) компонента(ов), а также поломка/разрыв установки или корпуса крепежных соединений | Да, если конструкция, размеры и установка соответствуют надлежащей инженерной практике |
Рассматриваемая неисправность | Исключение неисправности | Примечания |
Разрыв и утечка | Да, если размеры, выбор материалов и крепление соответствуют надлежащей инженерной практике (см. примечание) | При использовании пластиковых труб, необходимо учитывать данные производителя, в частности, в отношении эксплуатационных воздействий окружающей среды, например, термические воздействия, химические воздействия или воздействия радиации. При использовании стальных труб, не обработанных антикоррозионным средством, особенно важно обеспечить достаточную осушку сжатым воздухом |
Неисправность на соединителе (например, отрыв, утечка) | Да, при использовании врезных фитингов или труб с резьбой (например, стальные фитинги, стальные трубы), и если размеры, выбор материалов, изготовление, конфигурация и крепление соответствуют надлежащей инженерной практике | - |
Закупорка (блокировка) | Да, для трубопроводов в силовой цепи. Да, для контрольно-измерительных трубопроводов, если номинальный диаметр >= 2 мм | |
Скручивание пластиковых труб с малым номинальным диаметром | Да, если они должным образом защищены и установлены, принимая во внимание соответствующие данные производителя, например, минимальный радиус изгиба |
Рассматриваемая неисправность | Исключение неисправности | Примечания |
Разрыв, отрыв в месте крепления фитинга и протечка | Да, если в шланговых установках используются шланги, изготовленные в соответствии с ISO 4079-1, или аналогичные шланги (см. примечание) с соответствующими фитингами для шлангов | - истек предполагаемый срок службы; - произошло изменение усталостных характеристик; - произошло внешнее повреждение |
Закупорка (блокировка) | Да, для шланговых трубопроводов силовой цепи, а в случае контрольно-измерительных шлангов в сборе, если номинальный диаметр >= 2 мм | - |
Рассматриваемая неисправность | Исключение неисправности | Примечания |
Разрыв, поломка винтов или срыв резьбы | Да, если размеры, выбор материала, изготовление, конфигурация и соединение с трубопроводом и/или фитингами для труб/шлангов соответствуют надлежащей инженерной практике | - |
Утечка (потеря герметичности) | Нет | Исключение дефектов невозможно, если в течение длительного времени эксплуатации произошли износ, старение, ухудшение эластичности и т.д. Внезапная серьезная неисправность в герметичности не допускается |
Закупорка (блокировка) | Да, для применения в силовых цепях и, в случае контрольно-измерительных соединителей, если номинальный диаметр >= 2 мм | - |
Рассматриваемая неисправность | Исключение неисправности | Примечания |
Потеря или изменение герметичности или маслопроницаемости напорных камер | Нет | - |
Разрыв напорных камер, а также разлом соединений или крышек креплений | Да, если размеры, выбор материала, конфигурация и крепление соответствуют надлежащей инженерной практике |
Рассматриваемая неисправность | Исключение неисправности | Примечания |
Закупорка фильтрующего элемента | Нет | - |
Разрыв или частичный порыв фильтрующего элемента | Да, если фильтрующий элемент достаточно устойчив к давлению | |
Повреждение индикатора загрязненности или устройства для контроля загрязненности | Нет | |
Разрыв корпуса фильтра или разлом крепежных или соединительных элементов | Да, если размеры, выбор материала, расположение в системе и крепление соответствуют надлежащей инженерной практике |
Рассматриваемая неисправность | Исключение неисправности | Примечания |
Изменение заданного значения (объема масла в единицу времени) без изменения установочного устройства | Нет | - |
Самопроизвольное изменение в установочном устройстве | Да, если обеспечена эффективная защита установочного устройства, адаптированная к конкретному случаю | |
Непреднамеренное развинчивание рабочего элемента установочного устройства | Да, при применении эффективных блокирующих устройств, предохраняющих от развинчивания | |
Разрыв корпуса или разлом крышки, фиксирующего или соединительного элементов | Да, если размеры, выбор материалов, расположение в системе и крепление соответствуют надлежащей инженерной практике |
Рассматриваемая неисправность | Исключение неисправности | Примечания |
Блокировка (закупорка) глушителя | Да, если проект и конструкция элемента глушителя соответствует примечанию | Закупорка элементов глушителя и (или) увеличение выхлопов из-за повышенного давления до критических значений являются маловероятными в случае, если глушитель имеет достаточно большой диаметр и разработан с учетом условий эксплуатации |
Рассматриваемая неисправность | Исключение неисправности | Примечания |
Разлом или разрыв аккумулятора или баллона со сжатым газом или соединителей, либо истирание резьбы крепежных элементов | Да, если конструкция, выбор оборудования, выбор материалов и расположение в системе соответствуют надлежащей инженерной практике | - |
Рассматриваемая неисправность | Исключение неисправности | Примечания |
Неисправный датчик (см. примечание) | Нет | |
Изменение обнаруживающих или выводных характеристик | Нет | - |
Рассматриваемая неисправность | Исключение неисправности | Примечания |
Неисправный логический элемент (например, элемент "И", элемент "ИЛИ", логический элемент запоминающего устройства), например из-за изменения времени переключения, отказа при переключении или неполного переключения | Для соответствующих предположений о неисправностях и исключений неисправностей см. таблицы B.3, B.4 и B.5 и соответствующие связанные компоненты | - |
Рассматриваемая неисправность | Исключение неисправности | Примечания |
Неисправное реле времени, например, пневматические и пневмомеханическое реле времени и вычислительные элементы | Да, для реле времени без подвижных компонентов, например, с постоянным сопротивлением, если применимы нормальные условия эксплуатации (см. примечание) и обеспечена достаточная очистка и фильтрация сжатым воздухом | |
Изменение характеристик определения и выхода | ||
Разрыв корпуса или разлом соединений или крышек креплений | Да, если конструкция, размеры и установка соответствуют надлежащей инженерной практике | - |
Рассматриваемая неисправность | Исключение неисправности | Примечания |
Неисправный преобразователь [см. примечание 1)] | Да, для преобразователей без подвижного компонента, например, автоматический переключатель, если применимы нормальные условия эксплуатации [см. примечание 2)] и обеспечена соответствующая очистка и фильтрация сжатым воздухом | |
Изменение характеристик на входе или выходе | ||
Разрыв корпуса или разлом крепежных элементов | Да, если конструкция, размеры и установка соответствуют надлежащей инженерной практике |
Основной принцип безопасности | Примечания |
Использование подходящих материалов и надлежащее производство | Следует сделать правильный выбор материала, технологии изготовления и обработки с учетом, например, напряжения, долговечности, эластичности, трения, износа, коррозии, температуры, гидравлической жидкости |
Правильный выбор параметров и формы | Следует учитывать, например, напряжение, деформацию, усталостное напряжение, неровность поверхности, допуски, производство. |
Правильный выбор, комбинирование, размещение, монтаж и установка элементов, системы | Используйте указания производителя по применению, например, каталожные листы, инструкции по установке, спецификации и надлежащую инженерную практику в аналогичных компонентах/системах |
Применение принципа передачи энергии | Безопасное состояние достигается при отключении энергии в соответствующих устройствах. См. основное действие для остановки в ISO 12100:2010, 6.2.11.3. Для приведения механизма в движение подается энергия. См. основное действие для запуска в ISO 12100:2010, 6.2.11.3. Рассмотрите различные режимы, например режим работы, режим обслуживания. Этот принцип нельзя использовать в некоторых случаях, например, когда потеря гидравлического давления создает дополнительную опасность |
Правильное скрепление | При использовании винтов, фурнитуры, клейких средств, зажимных колец следует учитывать рекомендации изготовителя по применению. Перегрузки можно избежать, применяя адекватную технологию нагрузки крутящим моментом |
Ограничение давления | Примерами являются клапан сброса давления, редукционный клапан, клапан регулирования давления |
Ограничение/снижение скорости | Примером является ограничение скорости хода поршневого клапана или дроссельного клапана |
Обоснование избежания загрязнения жидкости | Следует учитывать фильтрацию и отделение твердых частиц и воды в жидкости. Также следует учитывать необходимые указания служб, занимающихся фильтрацией жидкости |
Надлежащий диапазон времени переключения | Необходимо, например, учитывать длину труб, давление, способность выхлопов, силу, усталостное напряжение пружин, трение, смазку, температуру, вязкость, инерцию во время ускорения и замедления, сочетание допусков |
Устойчивость к условиям окружающей среды | Следует конструировать оборудование таким образом, чтобы оно могло работать во всех ожидаемых условиях и в любых предсказуемых неблагоприятных условиях, например температура, влажность, вибрация, загрязнение. См. раздел 10 и примите к сведению спецификации производителя и указания по применению |
Защита от самопроизвольного запуска | Следует учитывать самопроизвольный пуск, вызванный сохранившейся остаточной энергией, а также после восстановления питания для различных режимов, например, режима работы, режима обслуживания. Может потребоваться специальное оборудование для высвобождения накопленной энергии. Специальные применения (например, для сохранения энергии для зажимных устройств или обеспечения положения) необходимо рассматривать по отдельности |
Упрощение | Избегайте ненужных компонентов в системе безопасности |
Правильный температурный диапазон | Необходимо учитывать во всей системе |
Разделение | Разделение функций, связанных с безопасностью, от других функций |
Испытанный принцип безопасности | Примечания |
Сверхзаданные параметры, показатель безопасности | Показатели безопасности приводятся в стандартах или устанавливаются на основании имеющегося опыта в их безопасном применении |
Безопасное положение | Подвижная часть элемента безопасности перемещается в одно из необходимых положений при помощи механических средств (одно трение является недостаточным). Для изменения положения необходимо применить силу |
Увеличенная сила выключения | Один из способов решения: соотношение площади для переключения выключателя в безопасное положение (положение "выключено") должно значительно превышать площадь для переключения выключателя в положение "включено" (фактор безопасности) |
Клапан, закрывающийся под давлением нагрузки | Примерами являются клапаны и картриджи гидроаппаратов. Следует учитывать применение давления для того, чтобы клапан, находящийся в состоянии равновесия, закрывался даже при поломке пружины |
Положительное механическое воздействие | Положительное механическое воздействие используется для движущихся частей внутри гидравлических компонентов. См. также таблицу A.2. |
Составные части | См. таблицу A.2 |
Использование испытанной пружины | См. таблицу A.2 |
Ограничение скорости/снижение скорости за счет сопротивления заданному потоку | Примерами являются фиксирующая дроссельная шайба, фиксирующий дроссель |
Ограничение силы/уменьшение силы | Это может быть достигнуто с помощью испытанного клапана сброса давления, который, к примеру, оснащен испытанной пружиной, имеет правильные размеры и корректно выбран |
Соответствующий диапазон рабочих условий | Следует учитывать ограничения рабочих условий, например диапазон давления, скорости потока и температурный диапазон |
Мониторинг состояния жидкости | Следует учитывать высокую степень фильтрации/отделения твердых частиц/воды в жидкости. Следует также учитывать химические/физические условия жидкости. Рассмотрение указаний на необходимость обслуживания фильтра |
Обоснованное принудительное закрытие поршневого клапана | Принудительное закрытие обеспечивает функцию остановки и предупреждает нежелательные движения |
Ограниченный гистерезис | Например, увеличение трения повышает гистерезис. Комбинация допусков также повлияет на гистерезис |
Рассматриваемая неисправность | Исключение неисправности | Примечания |
Изменение времени переключения | Да, в случае положительного механического воздействия (см. таблицу A.2) движущихся компонентов, если приводное усилие достаточно велико; или, в случае нераскрытия специального картриджа клапанного гидрораспределителя, если при необходимости отработанный клапан заменяется другим для регулирования основного потока жидкости [см. примечание 1)] | - активная зона для безопасного переключения движения составляет как минимум 90% всей площади подвижного элемента (клапана гидрораспределителя); |
Непереключение (застревание на конечном или нулевом положении) или неполное переключение (застревание в случайном промежуточном положении) | Да, в случае положительного механического воздействия (см. таблицу A.2) на подвижные элементы, если приложено достаточно большое усилие, или Да, в случае нераскрытия специального картриджа клапанного гидрораспределителя, если при необходимости отработанный клапан заменяется другим для регулирования основного потока жидкости [см. примечание 1)] | - давление, действующее на активную зону в системе регулирования, должно возрастать за счет увеличения до максимума рабочего давления (в соответствии с ISO 5598:2008, 3.2.429) в клапанном гидрораспределителе; - давление, действующее на участке, расположенном в активной зоне подвижных элементов системы регулирования, сводится к очень низкому значению в сравнении с максимальным рабочим давлением, например противодавление при давлении в кранах сброса воды или давление в области нагнетания при применении всасывающих или наполнительных клапанов; - подвижный элемент (клапан гидрораспределителя) оснащен пазами с периферийной балансировкой; - управляемые клапаны в этих клапанных гидрораспределителях выполнены по проекту как часть коллектора гидросистемы (т.е. без шланговых установок и труб для соединений с этими клапанами) |
Самопроизвольное изменение начального положения переключения (без входного сигнала) | Да, в случае положительного механического воздействия (см. таблицу A.2) движущихся компонентов, если удерживающая сила достаточно велика; или если используются испытанные пружины (см. таблицу A.2) и применяются нормальные условия монтажа и эксплуатации [см. примечание 2)]; или, в случае нераскрытия специального картриджа клапанного гидрораспределителя, если при необходимости отработанный клапан заменяется другим для регулирования основного потока жидкости (см. графу примечания 1) и при применении нормальных условий установки и эксплуатации [см. примечание 2)] | - учтены условия, установленные изготовителем; - вес подвижного компонента не оказывает неблагоприятного воздействия на безопасность, например, при горизонтальной установке; - на движущиеся компоненты не воздействуют никакие специальные силы инерции (например, направление движения учитывает их ориентацию); - отсутствие экстремальных вибрационных и ударных нагрузок |
Утечка | Да, в случае применения клапанного гидрораспределителя при соблюдении нормальных условий установки и эксплуатации (см. примечание), а также имеется достаточная система фильтрации | |
Изменение скорости потока утечки в течение длительного периода использования | Нет | - |
Разрыв корпуса клапана или поломка подвижного(ых) компонента(ов), а также разлом крепежных или установочных винтов | Да, если конструкция, размеры и установка соответствуют надлежащей инженерной практике | - |
Для вспомогательных и пропорциональных клапанов: неисправности гидравлики, вызывающие неконтролируемое поведение | Да, в случае вспомогательных и пропорциональных распределителей, если они могут быть оценены с точки зрения безопасности как направляющие гидрораспределители по форме и конструкции | - |
Если функции управления реализуются рядом функциональных клапанов, то анализ неисправностей должен быть выполнен для каждого клапана. Такая же процедура должна выполняться в случае испытываемых клапанов | ||
Рассматриваемая неисправность | Исключение неисправности | Примечания |
Изменение времени переключения | Нет | |
Неоткрытие, неполное открытие, незакрытие или неполное закрытие (застревание в конечном положении или в произвольном промежуточном положении) | Да, если руководство системы подвижных элементов разработано аналогично методике гидрорегулятора непрерывного действия с шаровыми клапанами без тормозной системы (см. примечание), и если используются испытанные пружины (см. таблицу A.2) | |
Самопроизвольное изменение начального положения переключения (без входного сигнала) | Да, для нормальных условий установки и эксплуатации (см. примечание), а также при наличии достаточного закрывающего усилия в зависимости от предусмотренных давлений и площадей | - соблюдены условия, установленные изготовителем, и - на движущиеся компоненты не действуют особые силы инерции, например, направление движения учитывает ориентацию движущихся частей машины; - отсутствие экстремальных вибрационных или ударных нагрузок |
Для регулируемых клапанов: одновременное закрытие обоих входных разъемов | Да, если на основании конструкции и проекта подвижных элементов одновременное закрывание является маловероятным | |
Утечка | Да, если применимы нормальные условия эксплуатации (см. примечание) и обеспечена достаточная система фильтрации | |
Изменение скорости движения струи при утечке в течение длительного периода использования | Нет | - |
Разрыв корпуса клапана корпуса или поломка подвижного(ых) компонента(ов), а также разлом крепежных или установочных винтов | Да, если конструкция, определение размеров и установка соответствуют надлежащей инженерной практике |
Рассматриваемая неисправность | Исключение неисправности | Примечания |
Изменение скорости потока без изменения в установочном устройстве | Да, в случае применения гидрораспределителей с неподвижными элементами [см. примечание 1)], например, дроссельные клапаны, если применяются нормальные условия эксплуатации [см. примечание 2)] и имеется соответствующая система фильтрации [см. примечание 3)] | |
Изменение скорости потока в случае нерегулируемых круговых отверстий и форсунок | Да, если диаметр > 0,8 мм, применяются нормальные условия работы [см. примечание 2)] и обеспечивается достаточная система фильтрации | |
Для пропорциональных клапанов расхода: изменение скорости потока из-за непреднамеренного изменения заданного значения | Нет | - |
Самопроизвольное изменение в установочном устройстве. | Да, если имеется эффективная защита установочного устройства, адаптированного к конкретному случаю, основанному на технической(их) спецификации(ях) безопасности | - |
Непреднамеренное ослабление (развинчивание) рабочего элемента(ов) установочного устройства | Да, если предусмотрено эффективное принудительное блокирующее устройство в случае ослабления (развинчивания) | - |
Разрыв корпуса клапана или поломка подвижного(ых) компонента(ов), а также поломка или разлом крепежных или установочных винтов | Да, если конструкция, размеры и установка соответствуют надлежащей инженерной практике | - |
Рассматриваемая неисправность | Исключение неисправности | Примечания |
Неоткрытие или недостаточное открытие (в пространстве и времени) при превышении установленного давления (застревание или застой подвижных элементов) [см. примечание 1)] | Да, в случае нераскрытия специального картриджа клапанного гидрораспределителя, если при необходимости отработанный клапан заменяется другим для регулирования основного потока жидкости [см. примечание 1)] в таблице C.3); или если руководство системы подвижных элементов разработано аналогично методике гидрорегулятора непрерывного действия с шаровым клапаном без тормозного устройства (см. графу примечания 2) или если установленные пружины являются испытанными (см. таблицу A.2) | 1) Эта неисправность проявляется только тогда, когда клапаны давления используются для вынужденных действий, например для остановки и регулирования опасных явлений, таких как временная приостановка под нагрузкой. Эта неисправность не проявляется при нормальном функционировании гидравлических систем, например ограничении давления, падении давления. |
Незакрытие или недостаточное закрытие (в пространстве и времени), если давление падает ниже установленного значения (застревание или застой подвижных элементов) [см. примечание 1)] | - | - |
Изменение режима регулирования давления без изменения установочного устройства [см. примечание 1)] | Да, в случае предохранительных клапанов прямого действия, если установлены испытанные пружины (см. таблицу A.2) | - |
Для пропорциональных клапанов давления: изменение режима регулирования давления из-за непреднамеренного изменения установленного значения [см. примечание 1)] | Нет | - |
Непосредственное изменение в установочном устройстве | Да, если имеется эффективная защита установочного устройства, адаптированная к конкретному случаю с точки зрения технической безопасности (например, запайка ввода) | - |
Непреднамеренное развинчивание рабочего элемента установочного устройства | Да, если предусмотрено эффективное принудительное блокирующее устройство в случае отвинчивания | - |
Утечка | Да, для клапанов гидроаппаратов, если применяются нормальные рабочие условия (см. примечание), и если имеется достаточная система фильтрации | |
Изменение расхода при утечке в течение длительного периода использования | Нет | - |
Разрыв корпуса клапана или поломка подвижного(ых) компонента(ов), а также поломка или разрыв установки или корпуса крепежных соединений | Да, если конструкция, размеры и установка соответствуют надлежащей инженерной практике | - |
Рассматриваемая неисправность | Исключение неисправности | Примечания |
Разрыв и утечка | Да, если размеры, выбор материалов и крепление соответствуют надлежащей инженерной практике | - |
Поломка в соединениях (например, порыв, утечка) | Да, если используются приварные фитинги, приварные фланцы или развальцовочные фитинги, а также размеры, выбор материалов, производство, конфигурация и крепление соответствуют передовой инженерной практике | - |
Закупорка (блокировка) | Да, для трубопроводов в силовой цепи и для контрольно-измерительных трубопроводов, если номинальный диаметр >= 3 мм | - |
Рассматриваемая неисправность | Исключение неисправности | Примечания |
Разрыв, отрыв в месте крепления фитинга и утечка | Нет | - |
Закупорка (блокировка) | Да, для шланговых трубопроводов в силовой цепи, и при контроле и измерении шлангов, если номинальный диаметр >= 3 мм. |
Рассматриваемая неисправность | Исключение неисправности | Примечания |
Разрыв, поломка винтов или срыв резьбы | Да, если размеры, выбор материала, изготовление, конфигурация и подключение к трубопроводу и/или к компоненту жидкостной технологии соответствуют надлежащей инженерной практике | - |
Утечка (потеря герметичности) | Нет (см. примечание) | |
Закупорка (блокировка) | Да, для применения в силовой цепи, а также для контроля и измерения соединителей, если номинальный диаметр >= 3 мм | - |
Рассматриваемая неисправность | Исключение неисправности | Примечания |
Закупорка фильтрующего элемента | Нет | - |
Разрыв фильтрующего элемента | Да, если фильтрующий элемент достаточно устойчив к давлению и имеет эффективный перепускной клапан, либо обеспечивается эффективный мониторинг загрязнения | |
Выход из строя перепускного клапана | Да, если система управления перепускным клапаном сконструирована аналогично методике гидрорегулятора непрерывного действия с шаровым клапаном без тормозного устройства (см. таблицу C.4), и если используются испытанные пружины (см. таблицу A.2) | |
Повреждение индикатора загрязненности или устройства для контроля загрязненности | Нет | |
Разрыв корпуса фильтра или разлом крепежных или соединительных элементов | Да, если размеры, выбор материала, расположение в системе и крепление соответствуют надлежащей инженерной практике |
Рассматриваемая неисправность | Исключение неисправности | Примечания |
Разрыв, разлом приспособления для накопления энергии или крепежных соединений, а также истирание резьбы | Да, если конструкция, выбор оборудования, выбор материалов и размещение в системе соответствуют надлежащей инженерной практике | - |
Утечка в разделяющем элементе между газом и рабочей жидкостью | Нет | |
Выход из строя/поломка разделяющего элемента между газом и рабочей жидкостью | Да, если это цилиндр (поршень) (см. примечание) | |
Выход из строя заправочного клапана на стороне газа | Да, если заправочный клапан установлен в соответствии с надлежащей инженерной практикой и если обеспечена достаточная защита от внешних воздействий | - |
Рассматриваемая неисправность | Исключение неисправности | Примечания |
Неисправный датчик (см. примечание) | Нет | |
Изменение характеристик обнаружения или вывода | Нет | - |
Основной принцип безопасности | Примечания |
Использование подходящих материалов и качественное производство | Следует сделать правильный выбор материала, методов изготовления и обработки в отношении, например, напряжения, долговечности, эластичности, трения, износа, коррозии, температуры, электропроводности, диэлектрической прочности |
Правильные размеры и форма | Следует учитывать, например, напряжение, деформацию, усталость, шероховатость поверхности, допуски, изготовление |
Правильный выбор, комбинирование, размещение, монтаж и установка элементов, системы | Используйте указания производителя по применению, например, каталожные листы, инструкции по установке, спецификации и надлежащую инженерную практику |
Правильное защитное соединение | Одна сторона цепи управления, одна клемма рабочей катушки каждого электромагнитного устройства или одна клемма другого электрического устройства подключены к цепи защитного заземления (см. IEC 60204), 1:2005, 9.4.3.1) |
Контроль изоляции | Использование устройства контроля изоляции, которое либо указывает на замыкание на землю, либо автоматически прерывает цепь после замыкания на землю (см. IEC 60204-1:2005, 6.3.3) |
Отключение питания | Безопасное состояние достигается путем отключения питания во всех соответствующих устройствах, например, путем использования нормально замкнутых (NC) контактов для входов (кнопочных и переключателей с нормально разомкнутыми контактами (NO), контактов для реле (см. также ISO 12100:2010, 6.2.11.3). Исключения могут существовать в некоторых приложениях, например, когда потеря электропитания создает дополнительную опасность. Функции временной задержки могут быть необходимы для достижения безопасного состояния системы (см. IEC 60204-1:2005, 9.2.2) |
Подавление помех | Следует применять устройства подавления помех (дистанционное управление, диоды, регулируемые сопротивления) параллельно нагрузке, исключая непараллельное соединение. Примечание - Диод увеличивает время выключения. |
Сокращение времени срабатывания | Необходимо сводить к минимуму время срабатывания отключения питания элементами переключения |
Совместимость | Используйте компоненты, совместимые с применяемыми напряжением и током |
Устойчивость к условиям окружающей среды | Следует конструировать оборудование так, чтобы оно могло работать во всех ожидаемых условиях и в любых прогнозируемых неблагоприятных условиях, например, при температуре, влажности, вибрации и электромагнитных помехах (EMI) (см. раздел 10) |
Безопасная установка входных устройств | Следует применять безопасные входные устройства, например, блокирующие переключатели, позиционные выключатели, концевые выключатели, бесконтактные выключатели, чтобы положение, выравнивание и допуск переключения сохранялись при всех ожидаемых условиях, например, при вибрации, нормальном износе, попадании посторонних предметов, температуре. См. ISO 14119:1998, раздел 5 |
Защита от самопроизвольного пуска | Предупреждение самопроизвольного пуска, например, после восстановления подачи питания (см. ISO 12100:2010, 6.2.11.4, ISO 14118, IEC 60204-1) |
Защита цепи управления | Цепь управления должна быть защищена в соответствии с IEC 60204-1:2005, 7.2 и 9.1.1 |
Последовательное переключение для схемы последовательных контактов резервных сигналов | Во избежание отказа по общей причине привариванием обоих контактов, включение и выключение не происходит одновременно, так что один контакт всегда переключается без тока |
Испытанный принцип безопасности | Примечания |
Положительное механическое соединение контактов | Следует использовать положительное механическое соединение контактов, например, для функции контроля в системах категорий 2, 3 и 4 (см. EN 50205, IEC 60947-4-1:2001, приложение F, IEC 60947-5-1:2003+A1:2009, приложение L) |
Предотвращение неисправности кабеля | Чтобы избежать короткого замыкания между двумя соседними проводниками: - используйте экранированный кабель, подключенный к цепи защитного заземления на каждом отдельном проводнике; - в плоских кабелях используйте один заземленный проводник между каждым сигнальным проводником |
Интервал | Используйте достаточное расстояние между клеммами положения, компонентами и проводкой, чтобы избежать непреднамеренных подключений |
Ограничение подачи энергии | Использование конденсатора для подачи конечного количества энергии, например, при применении регуляторов |
Ограничение электрических параметров | Ограничение напряжения, тока, энергии или частоты для ограничения движения, например, ограничение крутящего момента, удержание в рабочем состоянии с ограничением смещения/времени, снижение скорости во избежание опасного состояния |
Непредсказуемое состояние | Следует избегать непредсказуемых состояний в системах управления. Необходимо прогнозировать и планировать проектирование и конструирование системы управления так, чтобы обеспечить нормальную эксплуатацию, а также рабочие условия, например производительность |
Приведение в действие | Прямое действие передается посредством формы (и без усилия) с неэластичными элементами, например, при помощи пружины между рукояткой привода и контактами (см. ISO 14119:1998, 5.1, ISO 12100:2010, 6.2.5) |
Ориентация режима отказа | Там, где это возможно, устройство/схема должны перейти в безопасное положение или состояние |
Ориентированный режим отказа | Компоненты или системы, ориентированные на режим отказа, должны использоваться везде, где это возможно (см. ISO 12100:2010, 6.2.12.3) |
Сверхзаданные параметры | В целях безопасности следует использовать снижение значений следующих параметров: - ток, проходящий через переключаемые контакты, должен быть меньше половины их номинального тока; - частота переключения компонентов должна быть менее половины их номинального значения; - общее количество ожидаемых переключений должно быть не более 10% электрического ресурса устройства. Примечание - Снижение номинальных характеристик может зависеть от обоснования проектного решения. |
Сведение к минимуму возможности возникновения неисправностей | Разделение функции безопасности на другие функции |
Баланс между сложными и простыми процессами | Следует установить баланс между: - сложными процессами для достижения более совершенного управления и - простыми процессами для достижения большей надежности |
Испытанный компонент | Дополнительные условия для "испытаний" | Стандарт или технические условия |
Переключатели с приведением в действие положительным воздействием (прямое действие включения), например: - кнопка; - позиционный переключатель; - кулачковый управляемый переключатель, например, для более эффективного включения | - | IEC 60947-5-1:2003, приложение K |
Устройство аварийной остановки | - | ISO 13850 IEC 60947-5-5 |
Предохранитель | - | IEC 60269-1 |
Автоматический выключатель | - | IEC 60947-2 |
Выключатели, разъединители | - | IEC 60947-3 |
Дифференциальный выключатель/RCD (устройство защитного отключения) | - | IEC 60947-2:2006, приложение B |
Главный контактор | Считается испытанным, только если: а) учитываются другие воздействия, например вибрация; б) неисправности можно избежать с помощью соответствующих методов, например завышения размеров (см. таблицу D.2); в) ток нагрузки ограничивается устройством тепловой защиты; г) цепи защищены устройством защиты от перегрузки. Примечание - Исключение неисправности невозможно. | IEC 60947-4-1 |
Устройство или оборудование управления и защитного переключения (CPS) | - | IEC 60947-6-2 |
Вспомогательный контактор (например, реле контактора) | Испытания подтверждаются, если: a) были учтены другие влияния, например, вибрация; b) используется положительное воздействие от напряжения; c) согласно соответствующей методике были исключены повреждения, например, возникшие из-за сверхзаданных параметров (см. таблицу D.2); d) ограничение тока в контактах, за исключением сварных контактов, осуществляется плавким предохранителем или масляным выключателем; e) используемые для контроля контакты функционируют под положительным механическим воздействием. Примечание - Исключение неисправности невозможно. | EN 50205 IEC 60947-5-1 IEC 60947-4-1:2001, приложение F |
Реле | Испытания подтверждаются, если: a) были учтены другие влияния, например вибрация, и b) используется положительное воздействие от напряжения, и c) согласно соответствующей методике были исключены повреждения, например, возникшие из-за сверхзаданных параметров (см. таблицу D.2), и d) ограничение тока в контактах, за исключением сварных контактов, осуществляется плавким предохранителем или масляным выключателем. Примечание - Исключение неисправности невозможно. | IEC 61810-1 IEC 61810-2 |
Трансформатор | IEC 61558 | |
Кабель | Поверхность укладываемого кабеля должна быть защищена от механических повреждений (включая, например, вибрацию или изгиб) | IEC 60204-1:2005, раздел 12 |
Штепсельная вилка и розетка | - | Согласно электрическому стандарту, соответствующему предполагаемому применению. Для блокировки см. также ISO 14119 |
Температурный переключатель | По электротехнике см. EN 60730-1 | |
Переключатель давления | - | По электротехнике см. IEC 60947-5-1. По давлению см. приложения B и C |
Соленоидный клапан | - | - |
Рассматриваемая неисправность | Исключение неисправности | Примечания |
Короткое замыкание между любыми двумя проводами | Короткого замыкания можно избежать, если провода являются: - постоянно соединенными (скрепленными) и защищенными от внешнего повреждения, например, в канальной системе для кабелей, в арматуре; - отдельными многожильными кабелями; - находящимися внутри электроизоляции (см. примечание); - индивидуально защищенными заземлением | |
Короткое замыкание любого провода к открытой проводящей части или к земле, или к защитному проводнику | Короткие замыкания между проводом и любой открытой проводящей частью в электрическом корпусе (см. примечание) | |
Обрыв цепи на любом проводе | Нет | - |
Рассматриваемая неисправность | Исключение неисправности | Примечания |
Короткое замыкание между двумя смежными проводниками в дорожках, колодках | Исключение короткого замыкания между смежными проводниками в соответствии с примечаниями | Воздушные зазоры и пути утечки соответствуют, по крайней мере, IEC 60664-5 (IEC 60664-1 для сечения более 2 мм) со степенью загрязнения 2/категорией перенапряжения III; если обе дорожки снабжаются от источника питания SELV/PELV, применяется степень загрязнения 2/категория перенапряжения II с минимальным зазором 0,1 мм. Собранная плата монтируется в корпус, обеспечивающий защиту от токопроводящих загрязнений, например, корпус со степенью защиты не менее IP54, а печатная сторона (стороны) покрыта стойким к старению лаком или защитным слоем, покрывающим все дорожки проводников. Примечания 1 Опыт показал, что паяльные маски удовлетворительны в качестве защитного слоя. 2 Дополнительное покрытие защитным слоем в соответствии с IEC 60664-3 может уменьшить пути утечки и размеры воздушных зазоров |
Обрыв цепи на любой дорожке | Нет | - |
Рассматриваемая неисправность | Исключение неисправности | Примечания |
Короткое замыкание между смежными контактами | Короткое замыкание между смежными контактами в соответствии с примечаниями 1) или 2) | |
Обрыв цепи в отдельных контактах | Нет | - |
Рассматриваемая неисправность | Исключение неисправности | Примечания |
Короткое замыкание между любыми двумя смежными разъемами | Короткое замыкание между смежными разъемами в соответствии с примечанием. Если разъем смонтирован на печатной плате, применяются положения таблицы D.5 | |
Перестановка или неправильная установка разъема, если для этого не предусмотрено устройство автоматической защиты | Нет | - |
Короткое замыкание любого провода (см. примечание) на землю или токопроводящую часть или на защитный провод | Нет | |
Обрыв цепи в отдельных разъемах | Нет | - |
Рассматриваемая неисправность | Исключение неисправности | Примечания |
Контакт не замыкается | Устройства, чувствительные к давлению в соответствии с ISO 13856 | - |
Контакт не размыкается | Ожидается, что контакты в соответствии с IEC 60947-5-1:2003, приложение K, разомкнутся | - |
Короткое замыкание между смежными контактами, изолированными друг от друга | Короткое замыкание может быть исключено для переключателей в соответствии с IEC 60947-5-1 (см. примечание) | |
Одновременное короткое замыкание между тремя периодически переключаемыми контактами | Одновременные короткие замыкания могут быть исключены для переключателей в соответствии с IEC 60947-5-1 (см. примечание) | |
Для PL e, исключение неисправностей по механическим (например, механической связи между исполнительным механизмом и контактным элементом) и электрическим аспектам не допускается. В этом случае необходимо резервирование. Для устройств аварийной остановки в соответствии с IEC 60947-5-5, допускается исключение неисправности по механическим аспектам, если учитывается максимальное количество операций | ||
Примечание - Списки неисправностей для механических аспектов рассматриваются в приложении A. | ||
Рассматриваемая неисправность | Исключение неисправности | Примечания |
Все контакты остаются под напряжением, когда катушка обесточена (например, из-за механической неисправности). | Нет | - |
Все контакты остаются в обесточенном положении при подаче питания (например, из-за механической неисправности, обрыва цепи катушки) | Нет | |
Контакт не размыкается | Нет | |
Контакт не замыкается | Нет | |
Одновременное короткое замыкание между тремя периодически переключаемыми контактами | Одновременное короткое замыкание можно исключить, если принять во внимание примечания | Пути утечки и воздушные зазоры соответствуют, по крайней мере, IEC 60664-1 со степенью загрязнения не менее 2/категорией перенапряжения III. Проводящие части, которые ослабевают, не могут соединить изоляцию между контактами и катушкой |
Короткое замыкание между двумя парами контактов и/или между контактами и клеммой катушки | Короткое замыкание можно исключить, если учесть примечания | |
Одновременное замыкание нормально разомкнутых и нормально замкнутых контактов | Одновременное замыкание контактов можно исключить, если учесть примечание |
Рассматриваемая неисправность | Исключение неисправности | Примечания |
Постоянно низкое сопротивление на выходе | Нет (см. примечание) | |
Постоянно высокое сопротивление на выходе | Нет (см. примечание) | |
Перебои в электроснабжении | Нет | |
Переключатель не работает из-за механической неисправности | Не работает из-за механической неисправности, если принять во внимание примечание | Все части выключателя должны быть достаточно хорошо закреплены. Механические аспекты см. в приложении A |
Короткое замыкание между тремя клеммами переключателя | Нет | - |
Рассматриваемая неисправность | Исключение неисправности | Примечания |
Не заряжает энергией | Нет | |
Не обесточивается | Нет | |
Примечание - Перечни неисправностей для механических аспектов пневматических и гидравлических клапанов рассматриваются в приложениях B и C соответственно. | ||
Рассматриваемая неисправность | Исключение неисправности | Примечания |
Обрыв цепи в одной из обмоток | Нет | |
Короткое замыкание между разными обмотками | Короткое замыкание между разными обмотками можно исключить, если принять во внимание примечания 1) и 2) | 2) Между разными обмотками применяется двойная или усиленная изоляция или защитный экран. Применяются испытания в соответствии с IEC 61558-1:2005, раздел 18. Соответствующие тестовые напряжения приведены в IEC 61558-1:2005, таблица 8 a). Короткие замыкания в катушках и обмотках необходимо избегать, принимая соответствующие меры, например: пропитка катушек таким образом, чтобы заполнить все полости между отдельными витками, корпусом катушки и сердечника; использование изолированных и выдерживающих максимальные температурные характеристики жил обмотки. |
Короткое замыкание в одной обмотке | Короткое замыкание в одной обмотке можно исключить, если принять во внимание примечание 1) | |
Изменение эффективного коэффициента трансформации | Изменение эффективного коэффициента трансформации можно исключить, если принять во внимание замечание 1). См. также примечание 3) |
Рассматриваемая неисправность | Исключение неисправности | Примечания |
Обрыв цепи | Нет | - |
Короткое замыкание | Короткое замыкание можно исключить, если принять во внимание примечание | |
Случайное изменение значения 0,5LN < L < LN + допуск, где LN - номинальное значение индуктивности | Нет | В зависимости от типа конструкции могут быть рассмотрены и другие диапазоны |
Рассматриваемая неисправность | Исключение неисправности | Примечания |
Обрыв цепи | Нет | |
Короткое замыкание | Короткое замыкание можно исключить, если принять во внимание примечание 1) или 2) | 1) Применяется резистор пленочного или проволочного типа с защитой, предотвращающей в случае поломки от раскручивания проволоки, установленной по оси с осевым сращиванием проводов и лаковым покрытием. |
Случайное изменение значения 0,5RN < R < 2RN, где RN - номинальное значение сопротивления [см. также примечание 3)] | Нет | В зависимости от типа конструкции могут быть рассмотрены и другие диапазоны |
Рассматриваемая неисправность | Исключение неисправности | Примечания |
Обрыв цепи | Нет | - |
Короткое замыкание между любыми двумя контактами | Нет | |
Короткое замыкание между любыми контактами | Нет | |
Случайное изменение значения 0,5RN < R < 2RN, где RN - номинальное значение сопротивления | Нет | В зависимости от типа конструкции могут быть рассмотрены и другие диапазоны |
Рассматриваемая неисправность | Исключение неисправности | Примечания |
Обрыв цепи в одном из соединений | Нет | - |
Короткое замыкание между всеми соединениями | Нет | |
Короткое замыкание между любыми двумя соединениями | Нет | |
Случайное изменение значения 0,5Rp < R < 2Rp, где Rp - номинальное значение сопротивления | Нет | В зависимости от типа конструкции могут быть рассмотрены и другие диапазоны |
Рассматриваемая неисправность | Исключение неисправности | Примечания |
Обрыв цепи | Нет | - |
Короткое замыкание | Нет | |
Случайное изменение значения 0,5CN < C < CN + допуск, где CN - номинальное значение емкости | Нет | В зависимости от типа конструкции могут быть рассмотрены и другие диапазоны |
Изменение значения тангенса, | Нет | - |
Рассматриваемая неисправность | Исключение неисправности | Примечания |
Обрыв цепи в одном из соединений | Нет | - |
Короткое замыкание между любыми двумя соединениями | Нет | |
Короткое замыкание между всеми соединениями | Нет | |
Изменение характеристик | Нет |
Рассматриваемая неисправность | Исключение неисправности | Примечания |
Обрыв цепи в одном из соединений | Нет | - |
Короткое замыкание между любыми двумя соединениями на входе | Нет | |
Короткое замыкание между любыми двумя соединениями на выходе | Нет | |
Короткое замыкание между любыми двумя соединениями на входе и выходе | Короткого замыкания на входе или выходе можно избежать, если выполняется требование | Оптопара построена в соответствии с категорией перенапряжения III согласно IEC 60664-1. Если используется источник питания SELV/PELV, применяется степень загрязнения 2/категория перенапряжения II. Примечание - См. таблицу D.5. Принимаются меры для того, чтобы внутренний отказ оптопары не мог привести к чрезмерному нагреву ее изоляционного материала |
Рассматриваемая неисправность | Исключения ошибок | Примечания |
Обрыв цепи в одном из соединений | Нет | - |
Короткое замыкание между любыми двумя соединениями | Нет | |
Ошибка типа "постоянная" (т.е. короткое замыкание на 1 и 0 при изолированном входе или отключенном выходе). Статический сигнал "0" и "1" на всех входах и выходах по отдельности или одновременно | Нет | |
Побочные колебания на выходах | Нет | |
Изменение значений (например, входное/выходное напряжение аналоговых устройств) | Нет | |
Примечание - В этой части ISO 13849, ICs с менее чем 1000 элементами и/или менее чем 24 контактами, операционные усилители, сдвиговые регистры и гибридные модули считаются несложными. Это определение произвольно. | ||
Рассматриваемая неисправность | Исключения ошибок | Примечания |
Неисправности во всей схеме или в ее отдельной части, включая ошибки программного обеспечения. | Нет | - |
Обрыв цепи в одном из соединений | Нет | |
Короткое замыкание между любыми двумя соединениями | Нет | |
Ошибка типа "постоянная" (т.е. короткое замыкание на 1 и 0 при изолированном входе или отключенном выходе). Статический сигнал "0" и "1" на всех входах и выходах по отдельности или одновременно | Нет | |
Побочные колебания на выходах | Нет | |
Изменение значения, например, входное/выходное напряжение аналоговых устройств | Нет | |
Неустановленные неисправности в аппаратном обеспечении, которые не проявляются из-за сложности интегральных схем | Нет | |
Анализ должен выявить дополнительные неисправности, которые следует учитывать, если они влияют на работу функции безопасности | ||
Примечание - В этой части ISO 13849, IC считается сложной, если она состоит из более чем 1000 элементов и/или более 24 контактов. Это определение произвольно. | ||

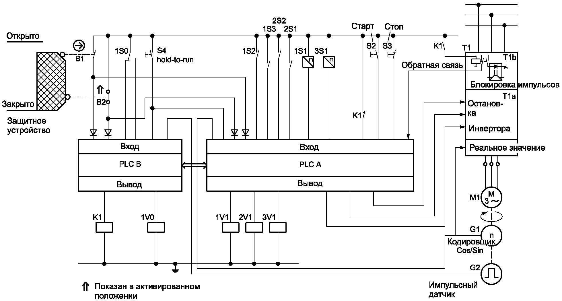
Режим работы | Функция безопасности | |||||
SF 1.0 | SF 1.1 | SF 1.2 | SF 1.3 | SF2 | SF3 | |
Автоматический режим (блокировочная решетка закрыта) | X | X | X | X | ||
Режим настройки (защитное ограждение открыто) | X | X | X | X | X | |
X - активная функция безопасности. | ||||||


Метка компонента | Функция | Элемент | Атрибут | Испытанный принцип безопасности <a> | Возможное исключение неисправности |
B1 | Контроль положения защитного ограждения | Блокирующий переключатель | IEC 60947-5-1:2003, включая прямое открытие в соответствии с IEC 60947-5-1:2003, приложение K | Активация принудительного режима | Невозможность размыкания контактов переключателя при срабатывании может быть исключена. Электрические неисправности, так как B1 имеет принудительный режим срабатывания |
B2 | Контроль положения защитного ограждения | Блокирующий переключатель | IEC 60947-5-1 | Нет | Нет |
S4 | Генерирует удерживающее движение в режиме настройки | Нормально открытый нажимная кнопка | Нет | Нет | |
PLC A PLC B | Обработка связанных с безопасностью и не связанных с безопасностью сигналов | Программируемый логический контроллер (PLC) | IEC 61131-1 и IEC 61131-2 | Нет | Нет |
K1 | Генерирует резервный сигнал СТОП для инвертора в случае сбоя в маршруте PLC A | Релейный контактор | IEC 60947-5-1, включая механически соединенные контактные элементы в соответствии с IEC 60947-5-1:2003, приложение L, и EN 50205 | Механически соединенные контакты | Нет |
T1 | Электродвигатель привода поворотного стола | Инвертор | Инвертор имеет дополнительный маршрут отключения с помощью блокировки импульсов | Реле блокировки с принудительно механически соединенными контактами | Нет |
G1 | Измеряет скорость электродвигателя поворотного стола | Датчик вращения (кодировщик cos/sin) | - | Нет | Нет |
G2 | Контролирует движение поворотного стола | Импульсный датчик | - | Нет | Нет |
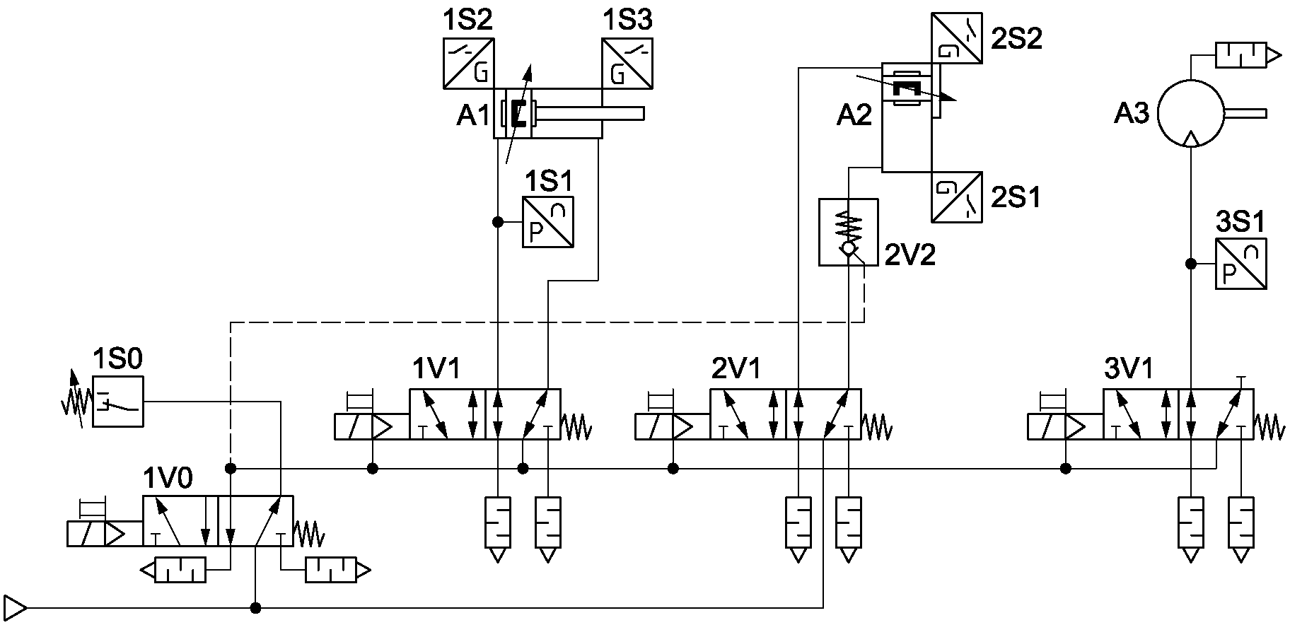
1V0 | Воздух системы управления для направляющих клапанов 1V1, 2V1, 3V1 и для обратного клапана 2V2 | Электромагнитный клапан управления направлением движения | Пружинный клапан, 5/2-функция, пилотный, внутренняя подача пилотного воздуха, золотниковый клапан с перекрытием | Таблица B.2. Завышение размеров/коэффициент безопасности, безопасное положение (использование испытанной пружины), достаточное принудительное перекрытие в поршневых клапанах | Повышение давления в канале 4 при откачанном канале 5 в нормальном положении, нарушение герметичности из-за выдавливания, перемещение золотника клапана без рабочей мощности |
1V1 2V1 3V1 | Управление цилиндром вставки шарика A1 Контроль вставки винта цилиндр A2 Управление шуруповертом (пневмодвигатель) A3 | См. 1V0 | См. 1V0 | См. 1V0 | См. 1V0 |
2V2 | Устройство защиты от падения для вертикально установленного цилиндра для вставки винта (A2) блока шуруповерта | Обратный клапан | Обратный клапан с управляющим золотником, подпружиненный тарельчатый клапан | Таблица B.2. Клапан закрыт под нагрузкой давление | Открытие без пилотного воздуха |
1S0 | Контролирует состояние клапана 1V0 | Реле давления | Фиксированная точка переключения | Для мониторинга не требуются базовые принципы безопасности (нет функции безопасности) | Нет |
1S1 3S1 | Контролирует давление, приложенное во время процесса введения шарика. Контролирует крутящий момент (давление), применяемый в процессе завинчивания | Датчик давления | Аналоговый выходной сигнал | Для мониторинга не требуются базовые принципы безопасности (нет функции безопасности) | Нет |
1S2, 1S3 2S1, 2S2 | Концевые выключатели для цилиндра вставки шарика A1. Концевые выключатели для цилиндра для вставки винта A2 | Датчик приближения | Магнитный принцип измерения | Для мониторинга не требуются базовые принципы безопасности (нет функции безопасности) | Нет |
A1 | Цилиндр вставки шарика | Пневматический цилиндр | Не входит в область действия настоящего стандарта согласно ISO 13849-1:2006, 3.1.1. | ||
A2 | Цилиндр вставки винта | Бесштоковый пневматический цилиндр с внешней направляющей | Не входит в область действия настоящего стандарта согласно ISO 13849-1:2006, 3.1.1. | ||
A3 | Блок шуруповерта | Пневматический двигатель | Не входит в область действия настоящего стандарта в соответствии с ISO 13849-1:2006, 3.1.1. | ||
<a> Основные принципы безопасности также учитывались при конструировании компонентов (см. таблицу D.1 для электрических компонентов и таблицу B.1 для пневматических компонентов). | |||||
ИС МЕГАНОРМ: примечание. Нумерация пунктов дана в соответствии с официальным текстом документа. |









Компонент/блок | Возможная неисправность | Обнаружение неисправностей | Эффект/реакция | Тесты для подтверждения | |
F1 | Блокирующий переключатель B1 | Контакт не размыкается при открытии защитного ограждения (механическая неисправность) <a> | Неисправность распознается независимо PLC A и PLC B посредством изменения сигнала в B2, когда запрашивается функция безопасности (открытие защитного ограждения, проверка правдоподобия) | Электродвигатель M1 останавливается через T1a PLC A и через K1 и T1b PLC B, и повторный запуск предотвращается | Подайте статический высокий уровень на соответствующий вход обоих PLC, прежде чем защитное ограждение будет открыто |
F2 | Отсутствие опасной неисправности при открытом ограждении (исключение неисправности) | - | - | - | |
Проверка правдоподобия B1 и B2 с помощью PLC A и PLC B дает DC 99% для B1 (см. ISO 13849-1:2006, таблица E.1). | |||||
F3 | Блокирующий переключатель B2 | Контакт не размыкается при открытии защитного ограждения (электрическая или механическая неисправность) | Неисправность распознается независимо PLC A и PLC B посредством изменения сигнала в B1, когда запрашивается функция безопасности (открытие защитного ограждения, проверка достоверности) | Электродвигатель M1 останавливается через T1a PLC A и через K1 и T1b PLC B, и повторный запуск предотвращается | Подайте статический высокий уровень на соответствующий вход обоих PLC, прежде чем защитное ограждение будет открыто |
Самопроизвольное замыкание контактов при открытом ограждении (механические неисправности) | Неисправность распознается независимо и немедленно PLC A и PLC B в результате отсутствия соответствующего изменения сигнала в B1 | Электродвигатель M1 останавливается через T1a PLC A и через K1 и T1b PLC B, и повторный запуск предотвращается | Подайте статический высокий уровень на соответствующий вход обоих PLC, пока защита открыта | ||
Проверка правдоподобия B1 и B2 с помощью PLC A и PLC B дает DC 99% для B2 (см. ISO 13849-1:2006, таблица E.1). | |||||
Примечание - Проводники не включаются в анализ неисправностей, поскольку считается, что они выходят из строя только по систематическим причинам. | |||||
Компонент/блок | Потенциальные неисправности | Обнаружение неисправностей | Эффект/реакция | Тесты для подтверждения | |
F1 | PLC A | Неисправность плат ввода/вывода, зависание, неправильное кодирование или отсутствие выполнения в CPU, что предотвращает отправку PLC A команды остановки на T1a до или во время открытия ограждения | Неисправность распознается PLC B посредством считывания G2 для сравнения его сигнала, зависящего от времени, с ожидаемым изменением числа оборотов. Некоторые неисправности (например, выходные карты) распознаются PLC A посредством считывания G1 при рабочей остановке электродвигателя M1 или при запросе функции безопасности. Другие неисправности могут быть обнаружены заранее с помощью встроенной функции "сторожевого" устройства (WD <a>) PLC A | Электродвигатель M1 останавливается PLC B через K1 и T1b после временной задержки, когда защитное ограждение открывается, и повторный запуск предотвращается. В случае неисправности, обнаруженной PLC A посредством считывания G1 во время рабочей остановки, PLC A информирует PLC B. В результате сообщения PLC B электродвигатель M1 останавливается, а повторный пуск предотвращается PLC B. В случае неисправности, обнаруженной WD, PLC A пытается остановить электродвигатель M1 и предотвратить повторный запуск через T1a до срабатывания функции безопасности, или до того, как электродвигатель M1 остановится, а затем проинформирует об этом PLC B | Подайте статический высокий уровень на стоп-выход PLC A перед тем, как защитное ограждение откроется |
F2 | Залипание с ошибкой на платах ввода/вывода, или застревание, или неправильное кодирование или отсутствие выполнения в CPU, который удаляет команду остановки PLC A из T1a, когда защита открыта | Ошибки не могут быть распознаны PLC B посредством считывания G2, поскольку двигатель M1 остается приостановленным. PLC B через K1 и T1b, когда защита открыта. Некоторые неисправности (например, карты выходов) распознаются PLC A посредством считывания G1 при закрытии ограждения. Вышеуказанные и дополнительные неисправности обнаруживаются оператором через наблюдение за процессом при закрытии ограждения или с помощью PLC B, когда в следующий раз потребуется функция безопасности (открытие защитного ограждения). Другие неисправности могут быть обнаружены заранее с помощью WD через функцию PLC A | Электродвигатель M1 остается приостановленным PLC B через K1 и T1b, пока защитное ограждение открыто. В случае неисправности, обнаруженной PLC A посредством считывания G1 при закрытии ограждения, PLC A информирует PLC B. В результате отчета PLC B, непреднамеренный запуск электродвигателя M1 предотвращается PLC B. В случае неисправности, обнаруженной WD, PLC A пытается остановить электродвигатель M1 и предотвратить повторный запуск через T1a, а также сообщить об этом PLC B | Передача пускового сигнала на инвертор, когда защитное ограждение открыто | |
<a> Некоторые внутренние неисправности PLC, которые априори не приводят к отказу функции безопасности (например, неспособность PLC отправить команду остановки на привод или клапан, или неспособность удерживать команду остановки на приводе или на клапане) могут быть обнаружены функцией WD. В результате косвенного контроля PLC A с помощью PLC B через G2, косвенного контроля PLC A своей собственной выходной карты через G1, контроля последовательности выполнения программы внутренним "сторожевым" устройством и обнаружения ошибок посредством наблюдения за процессом, PLC A считается имеющим неисправность DC 90% (см. ISO 13849-1:2006, таблица E.1). Вышеупомянутые меры можно рассматривать как относящиеся к ISO 13849-1:2006, таблица E.1, примечание 2. Примечание - Считается, что большинство сбоев PLC происходит на платах ввода/вывода и относится к типу "постоянные" (90% всех сбоев в PLC), но функция WD PLC может обнаруживать только некоторые сбои, влияющие на последовательность выполнения программы. | |||||
Компонент/блок | Потенциальные неисправности | Обнаружение неисправностей | Эффект/реакция | Тесты для подтверждения | |
F3 | Инвертор T1a | Устойчивая неисправность и другие сложные внутренние неисправности в управляющей и силовой электронике инвертора, которые не позволяют T1a остановить двигатель до или при открытии защитного ограждения | Неисправность распознается PLC B посредством считывания G2, когда запрашивается функция безопасности. Неисправность также распознается PLC A посредством считывания G1 при рабочей остановке электродвигателя M1 или когда требуется срабатывание функции безопасности | Электродвигатель M1 останавливается PLC B через K1 и T1b после временной задержки, когда защитное ограждение открывается, и повторный запуск предотвращается. PLC A информирует PLC B, когда неисправность распознается во время рабочей остановки. В результате оповещения PLC B, электродвигатель M1 останавливается, а повторный запуск предотвращается PLC B | Установите вход остановки инвертора на высокий уровень до или во время открытия защитного ограждения |
F3 | Инвертор T1a | Устойчивая неисправность и другие сложные внутренние неисправности в управляющей и силовой электронике инвертора, которые не позволяют T1a остановить двигатель до или при открытии защитного ограждения | Неисправность распознается PLC B посредством считывания G2, когда запрашивается функция безопасности. Неисправность также распознается PLC A посредством считывания G1 при рабочей остановке электродвигателя M1 или когда требуется срабатывание функции безопасности | Электродвигатель M1 останавливается PLC B через K1 и T1b после временной задержки, когда защитное ограждение открывается, и повторный запуск предотвращается. PLC A информирует PLC B, когда неисправность распознается во время рабочей остановки. В результате оповещения PLC B, электродвигатель M1 останавливается, а повторный запуск предотвращается PLC B | Установите вход остановки инвертора на высокий уровень до или во время открытия защитного ограждения |
F4 | Устойчивая неисправность и другие сложные внутренние неисправности в управляющей и силовой электронике инвертора, которая выдает стробирующие сигналы на силовые полупроводники T1a при открытом защитном ограждении | Неисправность не может быть распознана PLC B посредством считывания G2, поскольку двигатель M1 остается приостановленным PLC B через K1 и T1b, когда защита открыта. Неисправность будет обнаружена оператором посредством наблюдения за процессом при закрытии ограждения. Неисправность также распознается PLC A посредством считывания G1 при закрытии ограждения | Электродвигатель M1 остается приостановленным PLC B через K1 и T1b, пока ограждение открыто. При закрытии ограждения происходит непреднамеренный пуск двигателя (неопасно). PLC A информирует PLC B, когда обнаруживается ошибка. В результате уведомления PLC B, непреднамеренный запуск электродвигателя M1 предотвращается, а повторный запуск предотвращается PLC B | Передача пускового сигнала на инвертор, когда защитное ограждение открыто | |
В результате косвенного контроля T1a с помощью PLC B до G2, косвенного контроля T1a с помощью PLC от A до G1 и обнаружения неисправностей посредством наблюдения за процессом считается, что T1a имеет DC 99% <a> Некоторые внутренние неисправности PLC, которые априори не приводят к отказу функции безопасности (например, неспособность PLC отправить команду остановки на привод или клапан, или неспособность удерживать команду остановки на приводе или на клапане) могут быть обнаружены функцией WD. | |||||
F5 | PLC B | Устойчивая неисправность на платах ввода/вывода, или ошибка типа "постоянная", или неправильное кодирование, или отсутствие выполнения в CPU, который предотвращает отключение PLC B K1 до или во время открытия защитного ограждения | Неисправность распознается PLC A, контролирующим механически связанный контакт обратной связи K1, когда запрашивается функция безопасности. Некоторые неисправности могут быть обнаружены на ранней стадии с помощью WD как функции PLC B | Электродвигатель M1 немедленно останавливается PLC A через T1a, когда защитное ограждение открывается и повторный пуск предотвращается. В случае неисправности, обнаруженной WD, PLC B пытается сообщить об этом PLC A, а затем остановить электродвигатель M1 и предотвратить повторный запуск через T1b до того, как будет затребована функция безопасности | Держите K1 в положении питания при открытии защитного ограждения |
F6 | Устойчивая неисправность на платах ввода/вывода, или ошибка типа "постоянная", или неправильное кодирование, или отсутствие выполнения в CPU, который снимает команду остановки PLC B с K1, когда защитное ограждение открыто | Неисправность немедленно распознается PLC A, контролирующим механически связанный контакт обратной связи K1. Некоторые неисправности могут быть обнаружены на ранней стадии с помощью WD как функции PLC B | Электродвигатель M1 останавливается PLC A через T1a, пока защитное ограждение открыто, и повторный запуск невозможен. В случае неисправности, обнаруженной WD, PLC B пытается остановить электродвигатель M1 и предотвратить повторный запуск через T1b, и сообщить PLC A | Переключите K1 в его положение питания, когда защита открыта | |
В результате косвенного контроля PLC B со стороны PLC A через положение контакта обратной связи K1 и контроля последовательности выполнения программы внутренним сторожевым устройством считается, что PLC B имеет DC 90% | |||||
Примечание - Считается, что большинство сбоев PLC происходят на платах ввода-вывода и относятся к типу "постоянные" (90% всех сбоев в PLC), но функция WD PLC может обнаруживать только некоторые сбои, влияющие на последовательность выполнения программы. | |||||
F7 | Релейный контактор K1 | Контакт не размыкается при открытии защитного ограждения (электрическая неисправность, например, приварены контакты) | Неисправность распознается PLC A, контролирующим механически связанный контакт обратной связи K1, когда запрашивается функция безопасности | Электродвигатель M1 немедленно останавливается PLC A через T1a, когда защитное ограждение открывается и повторный пуск предотвращается | Держите контакт K1 в положении ВКЛ при открытии защитного ограждения |
F8 | Отсутствие опасной неисправности при открытом ограждении (исключение неисправности) | ||||
Контроль релейного контактора K1 с помощью PLC A посредством положения механически связанного контакта обратной связи K1 дает DC 99% для K1 | |||||
<a> Некоторые внутренние неисправности PLC, которые априори не приводят к отказу функции безопасности (например, неспособность PLC отправить команду остановки на привод или клапан, или неспособность удерживать команду остановки на приводе или на клапане), могут быть обнаружены функцией WD. | |||||
F9 | Инвертор T1b | Неоткрытие внутреннего релейного контакта при открытии ограждения | Неисправность распознается PLC A, контролирующего механически связанный контакт обратной связи для внутреннего реле T1b, когда срабатывает функция безопасности | Электродвигатель M1 немедленно останавливается PLC A через T1a, когда защитное ограждение открывается и повторный пуск предотвращается | Держите вход катушки реле блокировки в T1b на высоком уровне, когда ограждение открыто |
F10 | Отсутствие опасной неисправности при открытом ограждении (исключение неисправности) | ||||
Контроль внутреннего (блокирующего импульсы) реле T1b с помощью PLC A дает DC 99% для T1b | |||||
<a> Некоторые внутренние неисправности PLC, которые априори не приводят к отказу функции безопасности (например, неспособность PLC отправить команду остановки на привод или клапан, или неспособность удерживать команду остановки на приводе или на клапане), могут быть обнаружены функцией WD. | |||||

Компонент/блок | Возможные неисправности/сбои | Обнаружение неисправностей | Эффект/реакция | Тесты для подтверждения | |
F1 | PLC A | Устойчивая неисправность на платах ввода/вывода, или ошибка типа "постоянная", или неправильное кодирование, или отсутствие выполнения в CPU, который предотвращает отключение PLC A 3V1 до или при открытии защитного ограждения | Некоторые неисправности (например, карты выходов) распознаются PLC A посредством считывания показаний датчика давления 3S1 при рабочей остановке пневматического двигателя A3 или при запросе функции безопасности. Другие неисправности могут быть обнаружены заранее с помощью WD как функции PLC A | Пневматический двигатель A3 останавливается PLC B через 1V0 после временной задержки, когда защитное ограждение открывается. В случае ошибок, обнаруженных PLC A посредством считывания 3S1 во время рабочей остановки, PLC A информирует об этом PLC B. В результате уведомления PLC B, пневматический двигатель A3 останавливается через 3V1 и повторный запуск предотвращается PLC B. При ошибках, обнаруженных WD, PLC A пытается остановить пневматический двигатель A3 и предотвратить повторный пуск через 3V1 до того, как будет запрошена функция безопасности или до того, как пневматический двигатель A3 останавливается, а затем информирует PLC B | Примените статический высокий уровень на выход 3V1 PLC A перед открытым защитным ограждением |
F2 | Устойчивая неисправность на платах ввода/вывода, или ошибка типа "постоянная", или неправильное кодирование, или отсутствие выполнения в CPU, который приводит к тому, что PLC A включает 3V1, когда защитное ограждение открыто | Некоторые неисправности (например, карты выходов) распознаются PLC A посредством считывания показаний датчика давления 3S1 при закрытии ограждения. Другие неисправности могут быть обнаружены на ранней стадии с помощью функции WD. PLC A | Пневматический двигатель A3 останавливается PLC B через 1V0, пока ограждение открыто. При закрытии ограждения, PLC B подает питание 1V0, и пневматический двигатель A3 перезапускается (безопасно). В случае неисправности, обнаруженной PLC A посредством считывания 3S1 при закрытии ограждения, PLC A информирует PLC B. В результате уведомления PLC B, непреднамеренный пуск пневматического двигателя A3 предотвращается, а повторный пуск предотвращается PLC B. При неисправностях, обнаруженных WD, PLC A пытается остановить пневматический двигатель A3 и предотвратить повторный запуск через 3V1, а также сообщить об этом PLC B | Измените выход 3V1 PLC A на высокий уровень, пока защитное ограждение открыто | |
В результате косвенного контроля PLC A своей собственной платы вывода через 3S1 и контроля последовательности выполнения программы внутренним сторожевым устройством считается, что PLC A имеет DC 90% | |||||
Примечание - Считается, что большинство сбоев PLC происходят на платах ввода/вывода и относятся к типу "постоянные" (90% всех сбоев в ПЛК), но функция WD PLC может обнаруживать только некоторые сбои, влияющие на последовательность выполнения программы. | |||||
F3 | Электромагнитный клапан управления направлением движения 3V1 | Непереключение (залипание в конечном положении) или неполное переключение (залипание в произвольном промежуточном положении) или изменение времени переключения до или во время открытия ограждения | Неисправность распознается PLC A посредством считывания показаний датчика давления 3S1 при рабочей остановке пневматического двигателя A3 или при запросе функции безопасности. Неисправности также выявляет оператор через наблюдение за процессом | Пневматический двигатель A3 останавливается PLC B через 1V0 после временной задержки, когда защитное ограждение открывается. PLC A информирует PLC B при обнаружении неисправности. По результатам этого сообщения, PLC B останавливает посредством 1V0 пневматический двигатель A3, и любой повторный запуск предотвращается | Держите электрические и пневматические управляющие сигналы для 3V1 на высоком уровне при открытии ограждения |
F4 | Самопроизвольное изменение начального положения переключения (без входного сигнала) при открытом ограждении. ПРИМЕЧАНИЕ: Эту неисправность можно исключить, поскольку 3V1 имеет испытанные пружины, а также применяются нормальные условия монтажа и эксплуатации | - | - | - | |
В результате косвенного контроля 3V1 PLC A через 3S1 и обнаружения неисправностей с помощью наблюдения за процессом считается, что 3V1 имеет DC 99% | |||||
F5 | PLC B | Устойчивая неисправность на платах ввода/вывода, или ошибка типа "постоянная", или неправильное кодирование, или отсутствие выполнения в CPU, что не позволяет PLC B отключить 1V0 до или при открытии защитного ограждения | Некоторые сбои (например, карты выходов) распознаются PLC B посредством считывания реле давления 1S0, когда требуется функция безопасности. Другие могут быть обнаружены на ранней стадии с помощью функции WD <a>. PLC B | Пневмодвигатель A3 немедленно останавливается PLC A через 3V1 при открытии защитного ограждения. В случае ошибок, обнаруженных PLC B посредством считывания реле давления 1S0, PLC B сообщает PLC A и держит K1 деактивированным. В результате уведомления, PLC A предотвращает повторный запуск. Для неисправностей, обнаруженных WD, PLC B пытается проинформировать PLC A, а затем остановить пневматический двигатель A3 через 1V0 и предотвратить повторный запуск до срабатывания функции безопасности. | Подайте статический высокий уровень на выход 1V0 PLC B перед открытым защитным ограждением |
F6 | Устойчивая неисправность на платах ввода/вывода, или ошибка типа "постоянная", или неправильное кодирование, или отсутствие выполнения на CPU, что заставляет PLC B включать 1V0, когда защитное ограждение открыто | Некоторые неисправности (например, платы вывода) немедленно распознаются PLC B путем считывания реле давления 1S0. Другие могут быть обнаружены на ранней стадии с помощью функции WD <a>. PLC B | |||
В результате косвенного контроля PLC B собственной выходной платы через 1S0, косвенного контроля PLC B PLC A через положение контакта обратной связи K1 и контроля последовательности выполнения программы внутренним сторожевым устройством, считается, что PLC B имеет DC 90% | |||||
Примечание - Считается, что большинство сбоев PLC происходят на платах ввода-вывода и относятся к типу "постоянные" (90% всех сбоев в PLC), но функция WD PLC может обнаруживать только некоторые сбои, влияющие на последовательность выполнения программы. | |||||
F7 | Электромагнитный клапан управления направлением движения 1V0 | Непереключение (залипание в конечной позиции) или неполное переключение (залипание в произвольном промежуточном положении) или изменение времени переключения до или во время открывания защитного ограждения | Неисправность распознается PLC B посредством считывания реле давления 1S0, когда срабатывает функция безопасности | Пневмодвигатель A3 немедленно останавливается PLC A через 3V1 при открытии защитного ограждения. В случае ошибок, обнаруженных PLC B посредством считывания реле давления 1S0, PLC B сообщает PLC A и держит K1 обесточенным. В результате уведомления, PLC A предотвращает повторный запуск | Подайте статический высокий уровень на выход 1V0 PLC B перед открытым защитным ограждением |
F8 | Магнитный клапан 1V0 | Самопроизвольное изменение исходного положения переключения (без входного сигнала), во время открытия защитного ограждения. Примечание - Эта неисправность может быть исключена, так как 1V0 имеет испытанные пружины и применяются нормальные условия установки и эксплуатации | - | - | - |
Косвенный контроль 1V0 с помощью PLC B через 1S0 дает DC 99% для 1V0 | |||||
Обозначение ссылочного международного стандарта | Степень соответствия | Обозначение и наименование соответствующего межгосударственного стандарта |
ISO 12100:2010 | IDT | ГОСТ ISO 12100-2013 "Безопасность машин. Основные принципы конструирования. Оценки риска и снижения риска" |
ISO 13849-1:2006 | IDT | ГОСТ ISO 13849-1-2014 "Безопасность оборудования. Элементы систем управления, связанные с безопасностью. Часть 1. Общие принципы конструирования" |
Примечание - В настоящей таблице использовано следующее условное обозначение степени соответствия стандартов: - IDT - идентичные стандарты. | ||
[1] | ISO 4079-1 | Rubber hoses and hose assemblies - Textile-reinforced hydraulic types - Specification - Part 1: Oil-based fluid applications (Рукава и рукава в сборе резиновые. Рукава с текстильными прокладками для гидравлических жидкостей. Технические условия. Часть 1. Применение для жидкостей на нефтяной основе) |
[2] | ISO 4413:2010 | Hydraulic fluid power - General rules and safety requirements for systems and their components (Гидравлика. Общие правила и требования безопасности, касающиеся систем и их компонентов) |
[3] | ISO 4414:2010 | Pneumatic fluid power - General rules and safety requirements for systems and their components (Пневматика. Общие правила и требования безопасности, касающиеся систем и их компонентов) |
[4] | ISO 4960 | Cold-reduced carbon steel strip with a mass fraction of carbon over 0,25% (Сталь углеродистая полосовая, обжатая в холодном состоянии, с содержанием углерода свыше 0,25%) |
[5] | ISO 5598:2008 | Fluid power systems and components - Vocabulary (Приводы гидравлические и пневматические и их элементы. Словарь) |
[6] | ISO 11161 | Safety of machinery - Integrated manufacturing systems - Basic requirements (Безопасность машин и механизмов. Интегрированные производственные системы. Основные требования) |
[7] | ISO 13850 | Safety of machinery - Emergency stop - Principles for design (Безопасность машин. Аварийный останов. Принципы проектирования) |
[8] | ISO 13851 | Safety of machinery - Two-hand control devices - Functional aspects and design principles (Безопасность машин. Двуручные устройства управления. Принципы проектирования и выбора) |
[9] | ISO 13855 | Safety of machinery - Positioning of safeguards with respect to the approach speeds of parts of the human body (Позиционирование защитного оборудования с учетом скорости сближения частей человеческого тела) |
[10] | ISO 13856 (все части) | Safety of machinery - Pressure-sensitive protective devices (Безопасность машин. Сенсорные защитные устройства) |
[11] | ISO 14118:2000 | Safety of machinery - Prevention of unexpected start-up (Безопасность машин. Предупреждение неожиданных пусков) |
[12] | ISO 14119:1998 | Safety of machinery - Interlocking devices associated with guards - Principles for design and selection (Безопасность машин. Блокировочные устройства для ограждений. Принципы конструкции и выбора) |
[13] | IEC 60204-1:2005 | Safety of machinery - Electrical equipment of machines - Part 1: General requirements (Безопасность машин. Электрооборудование промышленных машин. Часть 1. Общие требования) |
[14] | IEC 60269-1 | Low-voltage fuses - Part 1: General requirements (Предохранители плавкие низковольтные. Часть 1. Общие требования) |
[15] | IEC 60529 | Degrees of protection provided by enclosures (IP code) (Степени защиты, обеспечиваемые оболочками (код IP)) |
[16] | IEC 60664 (все части) | Insulation coordination for equipment within low-voltage systems (Координация изоляции для оборудования в низковольтных системах) |
[17] | IEC 60812 | Analysis techniques for system reliability - Procedure for failure mode and effects analysis (FMEA) (Техника анализа надежности систем. Метод анализа вида и последствий отказа (FMEA)) |
[18] | IEC 60893-1 | Insulating materials - Industrial rigid laminated sheets based on thermosetting resins for electrical purposes - Part 1: Definitions, designations and general requirements (Материалы изоляционные. Материалы промышленные жесткие слоистые листовые на основе термореактивных смол электротехнического назначения. Часть 1. Определения, обозначения и общие требования) |
[19] | IEC 60947 (все части) | Low-voltage switchgear and controlgear (Аппаратура распределения и управления низковольтная) |
[20] | IEC 61025 | Fault tree analysis (FTA) (Анализ диагностического дерева неисправностей (FTA)) |
[21] | IEC 61078 | Analysis techniques for dependability - Reliability block diagram and boolean methods (Методы анализа общей надежности. Метод блок-схемы и булев метод) |
[22] | IEC 61131-1 | Programmable controllers - Part 1: General information (Контроллеры программируемые. Часть 1. Общие сведения) |
[23] | IEC 61131-2 | Programmable controllers - Part 2: Equipment requirements and tests (Контроллеры программируемые. Часть 2. Требования к оборудованию и испытания) |
[24] | IEC 61165 | Application of Markov techniques (Применение методики Маркова) |
[25] | IEC 61249 (все части) | Materials for printed boards and other interconnecting structures (Материалы для печатных плат и других структур межсоединений) |
[26] | IEC 61508 | Functional safety of electrical/electronic/programmable electronic safety-related systems (Системы электрические/электронные/программируемые электронные, связанные с функциональной безопасностью) |
[27] | IEC 61558 (все части) | Safety of power transformers, power supplies, reactors and similar products (Трансформаторы силовые, блоки питания и аналогичные изделия) |
[28] | IEC 61800-5-2 | Adjustable speed electrical power drive systems - Part 5-2: Safety requirements - Functional (Системы силовых электроприводов с регулируемой скоростью. Часть 5-2. Функциональные требования безопасности) |
[29] | IEC 61810 (все части) | Electromechanical elementary relays (Реле логические электромеханические) |
[30] | EN 952:1996 | Safety of machinery - Safety requirements for fluid power systems and their components - Hydraulics (Безопасность машин. Требования безопасности для гидравлических систем и их компонентов. Гидравлика) |
[31] | EN 953:1996 | Safety of machinery - Safety requirements for fluid power systems and their components - Pneumatics (Безопасность машин. Требования безопасности для гидравлических систем и их компонентов. Пневматика) |
[32] | EN 50205 | Relays with forcibly guided (mechanically linked) contacts (Реле с принудительно управляемыми (механически связанными) контактами) |
[33] | EN 60730 (все части) | Automatic electric controls for household and similar use (Автоматическое электрическое управление для бытового и аналогичного использования) |
JESD22A121.01 | Test Method for Measuring Whisker Growth on Tin and Alloy Surfaces Finishes (Метод испытаний для измерения роста "усов" на поверхностях из олова и сплавов) <1> | |
JESD201 | Environmental Acceptance Requirements for Tin Whisker Susceptibility of Tin and Alloy Surface Finishes (Требования к приемлемости для окружающей среды в отношении восприимчивости поверхностей олова и сплавов к образованию оловянных "усов") <1> |
УДК 62.93:006.354 | МКС 13.110 | IDT |
Ключевые слова: процесс валидации, принципы валидации, план валидации, блок-схема функции, валидация функций безопасности, валидация на соответствие категорий, валидация требований окружающей среды | ||