Главная // Актуальные документы // Актуальные документы (обновление 2025.02.03-2025.03.01) // ГОСТ (Государственный стандарт)СПРАВКА
Источник публикации
М.: ФГБУ "Институт стандартизации", 2024
Примечание к документу
Документ
вводится в действие с 01.06.2025.
Название документа
"ГОСТ 23961-2024. Межгосударственный стандарт. Метрополитены. Габариты приближения строений, оборудования и подвижного состава"
(введен в действие Приказом Росстандарта от 05.12.2024 N 1849-ст)
"ГОСТ 23961-2024. Межгосударственный стандарт. Метрополитены. Габариты приближения строений, оборудования и подвижного состава"
(введен в действие Приказом Росстандарта от 05.12.2024 N 1849-ст)
агентства по техническому
регулированию и метрологии
от 5 декабря 2024 г. N 1849-ст
МЕЖГОСУДАРСТВЕННЫЙ СТАНДАРТ
МЕТРОПОЛИТЕНЫ
ГАБАРИТЫ ПРИБЛИЖЕНИЯ СТРОЕНИЙ,
ОБОРУДОВАНИЯ И ПОДВИЖНОГО СОСТАВА
Subways. Constraction, equipment
and rolling stock clearances
ГОСТ 23961-2024
Дата введения
1 июня 2025 года
Цели, основные принципы и общие правила проведения работ по межгосударственной стандартизации установлены
ГОСТ 1.0 "Межгосударственная система стандартизации. Основные положения" и
ГОСТ 1.2 "Межгосударственная система стандартизации. Стандарты межгосударственные, правила и рекомендации по межгосударственной стандартизации. Правила разработки, принятия, обновления и отмены"
1 РАЗРАБОТАН Акционерным обществом "Центральный научно-исследовательский и проектно-экспериментальный институт промышленных зданий и сооружений" (АО "ЦНИИПромзданий"), Акционерным обществом "Мосинжпроект" (АО "Мосинжпроект") совместно с ОАО "НИПИИ "Ленметрогипротранс"; ГУП "Московский Метрополитен"; АО "Метрогипротранс"; АО "Моспромпроект", ГУП "Петербургский метрополитен"; Тоннельной Ассоциацией России под научным руководством д.т.н. Д.С. Конюхова, д.т.н. И.Я. Дормана при участии А.В. Панфилова, Т.Е. Мозжухиной, П.В. Кочеткова, А.М. Потокиной, Я.А. Рейсбих, А.А. Бочанаева, И.В. Муравьева, А.В. Ефремова, Е.В. Рытниковой, Е.В. Ивановой, Л.Б. Никандрова, Э.И. Ханукова, П.А. Якимова, В.Ю. Шибалева, к.т.н. Д.А. Цюпы, М.В. Королева, Е.А. Стрекаловского
2 ВНЕСЕН Техническим комитетом по стандартизации ТК 465 "Строительство"
3 ПРИНЯТ Межгосударственным советом по стандартизации, метрологии и сертификации (протокол от 29 ноября 2024 г. N 179-П)
За принятие проголосовали:
Краткое наименование страны по МК (ИСО 3166) 004-97 | Код страны по МК (ИСО 3166) 004-97 | Сокращенное наименование национального органа по стандартизации |
Азербайджан | AZ | Азстандарт |
Армения | AM | ЗАО "Национальный орган по стандартизации и метрологии" Республики Армения |
Беларусь | BY | Госстандарт Республики Беларусь |
Россия | RU | Росстандарт |
Таджикистан | TJ | Таджикстандарт |
Узбекистан | UZ | Узбекское агентство по техническому регулированию |
4
Приказом Федерального агентства по техническому регулированию и метрологии от 5 декабря 2024 г. N 1849-ст ГОСТ 23961-2024 введен в действие в качестве национального стандарта Российской Федерации с 1 июня 2025 г.
Информация о введении в действие (прекращении действия) настоящего стандарта и изменений к нему на территории указанных выше государств публикуется в указателях национальных стандартов, издаваемых в этих государствах, а также в сети Интернет на сайтах соответствующих национальных органов по стандартизации.
В случае пересмотра, изменения или отмены настоящего стандарта соответствующая информация будет опубликована на официальном интернет-сайте Межгосударственного совета по стандартизации, метрологии и сертификации в каталоге "Межгосударственные стандарты"
Настоящий стандарт разработан в целях реализации требований Федерального
закона от 30 декабря 2009 г. N 384-ФЗ "Технический регламент о безопасности зданий и сооружений" по обеспечению защиты жизни и здоровья граждан, имущества физических или юридических лиц, государственного или муниципального имущества, обеспечению безопасных для здоровья человека условий проживания и пребывания в зданиях и сооружениях, безопасности для пользователей зданий и сооружений, энергетической эффективности зданий и сооружений, безопасного уровня воздействия зданий и сооружений на окружающую среду. Кроме того, настоящий стандарт обеспечивает соблюдение требований Федерального
закона от 23 ноября 2009 г. N 261-ФЗ "Об энергосбережении и о повышении энергетической эффективности и о внесении изменений в отдельные законодательные акты Российской Федерации", повышение уровня гармонизации нормативных требований с европейскими и международными нормативными документами, приведение к единообразию методов определения эксплуатационных характеристик и методов оценки, взаимную согласованность действующих нормативных документов в сфере строительства, снижение стоимости и сроков строительства, внедрение новых материалов и технологий.
1.1 Настоящий стандарт распространяется на габариты приближения строений, оборудования и подвижного состава линий метрополитенов.
1.2 Установленные настоящим стандартом габариты необходимо применять при проектировании и строительстве новых линий метрополитена, сооружений и устройств на них, реконструкции существующих линий метрополитена, сооружений и устройств на них, проектировании, изготовлении, модернизации и ремонте подвижного состава для метрополитенов.
2 Термины, определения, сокращения и обозначения
2.1 Термины и определения
В настоящем стандарте применены следующие термины с соответствующими определениями:
2.1.1 габарит подвижного состава (rolling stock gauge): Предельное поперечное (перпендикулярное оси пути) очертание, внутри которого должен помещаться подвижной состав (с учетом максимальных нормируемых допусков и износов, а также бокового наклонения на рессорах), установленный на прямом горизонтальном пути и в кривой расчетного радиуса как в ненагруженном, так и в нагруженном состоянии при максимальной вместимости.
2.1.2 габарит приближения оборудования (equipment clearance): Предельное поперечное (перпендикулярное оси пути) очертание, внутрь которого не должны заходить никакие части оборудования и устройств за исключением края станционной и служебной платформ или служебного мостика, элементов автоматических станционных дверей и частей устройств, предназначенных для непосредственного взаимодействия с соответствующими частями подвижного состава (например, скоба путевого автостопа, контактный рельс).
2.1.3 габарит приближения строений (constraction clearance): Предельное поперечное (перпендикулярное оси пути) очертание, внутрь которого, помимо подвижного состава и оборудования, не должны попадать никакие части станционных сооружений и строительных конструкций, кроме лестниц с торцов пассажирских платформ, лотковой части обделки, обжатой на породу, упоров тоннельных затворов с учетом нормируемых допусков на их изготовление и монтаж.
2.1.4 геометрический вынос подвижного состава (geometric offset of rolling stock): Отклонение частей подвижного состава относительно оси пути в кривой, определяемое расположением его продольной оси по хорде, проходящей через направляющие сечения.
2.1.5 контактный рельс (conductor rail): Вид контактной сети, предназначенный для контакта с рельсовыми токоприемниками подвижного состава.
2.1.6 направляющие сечения (guiding sections): Сечения, проходящие через оси колесных пар для двухосных единиц подвижного состава, через вертикальные оси шкворней тележек для четырехосных и по оси пятников кузова шестиосных.
2.1.7 проектное очертание подвижного состава (rolling stock design outline): Поперечное (перпендикулярное оси пути) очертание, подлежащее расчету для всех характерных сечений, внутри которого должны находиться все расположенные в рассматриваемом сечении элементы конструкции проектируемого подвижного состава, имеющие номинальные размеры.
2.1.8 пространство между габаритом приближения строений и габаритом приближения оборудования (space between structure gauge and rolling stock clearance): Пространство, установленное для размещения устройств пути, автоматики и телемеханики для движения поездов, связи, электроснабжения, освещения, электромеханических устройств, а также дорожки для прохода обслуживающего персонала, путей вывода людей при нештатной остановке поезда в тоннеле, пешеходных мостиков и платформ на перегонах между станциями и других эксплуатационных обустройств.
2.1.9 пространство между габаритом приближения оборудования и габаритом подвижного состава (space between the equipment gauge and rolling stock clearance): Пространство между габаритом приближения оборудования и габаритом подвижного состава, установленное для перемещений подвижного состава, вызываемых отклонениями в состоянии отдельных элементов пути, а также динамическими колебаниями подвижного состава на рессорах; для размещения края станционной и служебной платформы или служебного мостика и частей устройств, предназначенных для непосредственного взаимодействия с соответствующими частями подвижного состава (например, скоба путевого автостопа, контактный рельс).
2.1.10 станция (station): Комплекс сооружений и устройств, позволяющих производить операции по приему, отправлению подвижного состава и обслуживанию пассажиров.
2.1.11 станция закрытого типа (platform screen doors station): Станция, пассажирский зал которой отделен от путевых тоннелей стенами (колоннами) с автоматическими станционными дверями.
2.1.12 строительное очертание подвижного состава (construction outline of rolling stock): Поперечное (перпендикулярное оси пути) очертание, подлежащее расчету для всех характерных сечений, наружу которого не должна выступать ни одна часть подвижного состава в этих сечениях, в его ненагруженном состоянии при нахождении на прямом горизонтальном пути и при совмещении его продольной, вертикальной, срединной плоскости с осью пути.
2.1.13 уровень головок рельсов (top of rails): Плоскость, горизонтальная относительно верха головок рельсов.
Примечания
1 На прямых участках трассы - горизонтальная линия, касательная к верху головок рельсов.
2 На участках трассы, требующих устройства возвышения наружного рельса в тоннелях и закрытых наземных участках, - горизонтальная линия с отклонением от нее на половину возвышения вверх наружного рельса, вниз внутреннего рельса.
3 На открытых участках трассы, требующих устройства возвышения наружного рельса - горизонтальная линия с отклонением от нее на величину возвышения вверх наружного рельса.
2.2 Сокращения и обозначения
В настоящем стандарте применены следующие сокращения и обозначения:
ДАС - двери автоматические станционные;
УГР - уровень головок рельсов;
Cмк - габарит приближения строений, установленный для тоннелей кругового очертания;
Cмкд - габарит приближения строений, установленный для тоннелей кругового очертания в двухпутном исполнении в зоне служебных мостиков и платформ;
Cмп - габарит приближения строений, установленный для тоннелей, сооружений и устройств наземных и надземных участков на перегонах;
Cмпп - габарит приближения строений, установленный для тоннелей прямоугольного очертания, сооружений и устройств наземных и надземных участков в зоне служебных мостиков и платформ;
Cмс - габарит приближения строений для станций в границах пассажирских платформ;
Cмз - габарит приближения строений для станций закрытого типа;
Oм - габарит приближения оборудования;
Oмк - габарит приближения оборудования, установленный для тоннелей кругового очертания;
Oмп - габарит приближения оборудования, установленный для тоннелей, сооружений и устройств наземных и надземных участков на перегонах;
Oмс - габарит приближения оборудования для станций в границах пассажирских платформ;
Oмз - габарит приближения оборудования для станций закрытого типа;
M - габарит подвижного состава, в том числе путевых и других машин в транспортном положении, предназначенных для эксплуатации на линиях метрополитена;
a - 1/2 ширины водоотводного лотка;
q - смещение оси габарита во внутреннюю сторону кривой относительно оси пути.
3.1 Настоящий стандарт устанавливает:
- габариты приближения строений;
- габарит приближения оборудования;
- габарит подвижного состава;
- строительное очертание подвижного состава;
- проектное очертание подвижного состава;
- пространство между габаритом приближения строений и габаритом приближения оборудования;
- пространство между габаритом приближения оборудования и габаритом подвижного состава;
- расстояния между осями смежных путей.
3.2 Для двухпутных тоннелей допускается совмещать Cмк и Cмп и принимать минимальное совмещенное очертание габарита приближения строений.
3.3 Пространство между габаритом подвижного состава и его строительным очертанием установлено для перемещений подвижного состава, вызываемых:
- допускаемыми в эксплуатации конструктивными зазорами при максимальных износах;
- наклонами кузова при асимметрии нагрузки, неравномерной осадке рессор и выборе зазора в скользунах;
- наклонами кузова из-за поломки элемента центральной рессоры.
Кроме того, дополнительно следует учитывать перемещения кузова вследствие боковой качки, крена и геометрических выносов в кривых участках, превышающие аналогичные перемещения кузова расчетного вагона.
3.4 Пространство между строительными и проектными очертаниями подвижного состава установлено для компенсации плюсовых допусков при изготовлении и ремонте подвижного состава.
4 Габариты приближения строений
4.1 Габариты приближения строений должны соответствовать для однопутных тоннелей указанным на
рисунках 1 -
3 при расположении контактного рельса слева от оси пути и на
рисунке 4 - при расположении контактного рельса слева или справа от оси пути.
Габарит
Cмс (см.
рисунок 4) допускает расположение контактного рельса слева или справа от оси пути.
4.2 Габарит приближения строений
Cмк (см.
рисунок 1) установлен для прямых участков пути и кривых радиусом 200 м и более.
В кривых участках пути ось габарита должна быть смещена относительно оси пути во внутреннюю сторону кривой на величину
q, мм, определяемую по формулам (1) и
(2) при рельсах типов Р50 и Р65.

; (1)

, (2)
где 1700 - расстояние от центра габарита до точки, лежащей в плоскости касательной к головкам рельсов посередине пути, соответственно, при рельсах типа Р50, мм;
1670 - расстояние от центра габарита до точки, лежащей в плоскости касательной к головкам рельсов посередине пути, соответственно, при рельсах типа Р65, мм;

- тангенс угла наклона пути к горизонтали, определяемый по
формуле (Б.20).
В кривых участках пути радиусом менее 200 м применение габарита Cсм должно быть обосновано размещением необходимого технологического оборудования и кабелей.
Ширину водоотводного лотка в границах укладки железобетонных полушпал и блоков с упругими элементами в чехлах следует принять не менее 400 мм на перегонах, не менее 700 мм в границах перегонного затвора и не менее 900 мм на станциях, продольный уклон дна водоотводного лотка - не менее

.
Размер a устанавливают в зависимости от конструкции пути с учетом требований к конструктивным особенностям подрельсового основания.
За ось габарита следует принимать линию, проходящую через середину пути перпендикулярно к плоскости, касательной к головкам рельсов, на прямых участках пути и кривых участках без возвышения. Ось габарита совпадает с осью пути.
Габариты тоннелей кругового очертания диаметрами более 5200 мм следует определять расчетом, но принимать не менее габарита Cмк.

- линия приближения дорожки для прохода обслуживающего персонала;

- линия приближения водоотводного лотка;

- линия приближения основания пути или лотковой части обделки, обжатой на породу
--------------------------------
<*> Приведенные числовые значения размеров применяются при укладке в путь рельсов типа Р50. Размер следует увеличить на 30 мм при укладке в путь рельсов типа Р65.
Рисунок 1 - Габарит
Cмк для тоннелей
кругового очертания на перегонах
4.3 Очертание габарита приближения строений
Cмп (см.
рисунок 2), расположенное выше УГР, установлено для прямых участков пути. Для кривых участков пути поперечные размеры этого очертания следует увеличивать в соответствии с
А.1.
Очертание габарита Cмп, расположенное ниже УГР, установлено для прямых и кривых участков пути.
Размер a следует устанавливать в зависимости от конструкции пути с учетом требований к конструктивным особенностям подрельсового основания.

- линия приближения колонн;

- линия приближения перил на мостах и эстакадах, а также подпорных стен на открытых наземных участках линий;

- линия приближения водоотводного лотка при укладке верхнего строения пути на бетонном слое;

- линия приближения основания пути на бетонном слое;

- линия приближения основания пути на щебеночном балласте
--------------------------------
<*> Приведенные числовые значения размеров применяются при укладке в путь рельсов типа Р50. Размер следует увеличить на 30 мм при укладке в путь рельсов типа Р65.
Рисунок 2 - Габарит
Cмп для тоннелей прямоугольного
очертания, сооружений устройств наземных
и надземных участков на перегонах

- линия приближения водоотводного лотка при укладке верхнего строения пути на бетонном слое;

- линия приближения служебного мостика и платформы;

- линия приближения основания пути на бетонном слое;

- линия приближения основания пути на щебеночном балласте
--------------------------------
<*> Приведенные числовые значения размеров применяются при укладке в путь рельсов типа Р50. Размер следует увеличить на 30 мм при укладке в путь рельсов типа Р65.
<**> Высоту платформы от УГР принимают не менее 1100 мм.
<***> Ширину прохода по платформе принимают не менее 700 мм.
Рисунок 3 - Габарит
Cмпп для тоннелей прямоугольного
очертания, сооружений и устройств наземных
и надземных участков в зоне служебных мостиков и платформ
4.4 Очертание габаритов приближения строений
Cмс (см.
рисунок 4), расположенное выше УГР (кроме линии приближения колонн), установлено для прямых участков пути. Поперечные размеры правой части этого очертания и расстояние до перил на платформах, расположенных в кривых участках пути, увеличивают в соответствии с
А.1.
Координаты верхнего края платформ на станциях на кривых участках пути следует принимать в соответствии с
А.2.
Очертание габарита Cмс, расположенное ниже УГР, а также расстояние по горизонтали до линии приближения колонн установлено для прямых и кривых участков пути.
Размер a следует устанавливать в зависимости от конструкции пути с учетом требований к конструктивным особенностям подрельсового основания.
Размер 3150 мм допускается применять для стен служебных помещений, расположенных на пассажирских платформах, на длине до 10 м от их торца.
При оборудовании платформенного участка системой ДАС расстояние от линии приближения колонн до оси пути составляет 1750 мм.

- линия приближения перил на мостах и эстакадах, а также подпорных стен на открытых наземных участках линий;

- линия приближения основания пути на бетонном слое;

- линия приближения основания пути на щебеночном балласте;

- линия приближения перил на платформах;

- линия приближения водоотводного лотка при укладке верхнего строения пути на бетонном слое;

- линия приближения колонн
--------------------------------
<*> Приведенные числовые значения размеров применяются при укладке в путь рельсов типа Р50. Размер следует увеличить на 30 мм при укладке в путь рельсов типа Р65.
<**> При размещении контактного рельса со стороны путевой стены размер 1350 мм увеличивают на 150 мм.
Рисунок 4 - Габарит
Cмс для станций
в границах пассажирской платформы
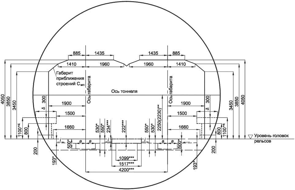
4.5 Габариты приближения строений для двухпутных тоннелей должны соответствовать указанным на
рисунке 5.
В двухпутных тоннелях, в местах изменения типа обделки с круглого на прямоугольное, в местах внутреннего усиления обделок и в других случаях невозможности использования одного из габаритов Cмкд и Cмп допускается комбинировать габариты Cмкд и Cмп и принимать минимальное совмещенное очертание габарита приближения строений.

- линия приближения водоотводного лотка;

- линия приближения служебного мостика и платформы;

- линия приближения зоны эвакуационного прохода;

- линия приближения дорожки для прохода обслуживающего персонала;

- линия приближения основания пути
--------------------------------
<*> Приведенные числовые значения размеров применяются при укладке в путь рельсов типа Р50. Размер следует увеличить на 30 мм при укладке в путь рельсов типа Р65.
<**> Расстояние от оси тоннеля до УГР. Для тоннелей диаметром более 9400 мм следует определять расчетом.
<***> Размер может быть изменен с учетом используемой конструкции верхнего строения пути.
<*4> Высоту платформы от УГР принимают не менее 1100 мм.
<*5> Ширину прохода по платформе принимают не менее 700 мм.
Рисунок 5 - Габарит
Cмкд для тоннелей кругового очертания
в двухпутном исполнении в зоне служебных мостиков и платформ
4.6 Расстояние между осями смежных путей на прямых участках, а также на кривых радиусом 500 м и более должно быть не менее:
- на главных путях в двухпутных тоннелях кругового и прямоугольного очертания без промежуточных опор - 3400 мм;
- мостах и эстакадах - 3700 мм;
- главных путях наземных участков и в местах укладки перекрестных съездов, а также путях для оборота составов - 4000 мм;
- парковых путях - 4200 мм;
- парковых путях, предназначенных также для обращения подвижного состава железных дорог колеи 1520 - 4800 мм;
- деповских путях (в здании) - 4500 мм.
Для кривых участков пути радиусом менее 500 м указанные расстояния, кроме расстояний на парковых путях, следует увеличивать с учетом максимально допускаемых скоростей движения поездов на перспективу в соответствии с
А.3.
5 Габарит приближения оборудования
5.1 Габарит приближения оборудования на прямых участках пути должен соответствовать габариту
Oм, указанному на
рисунках 6 -
7.
Размеры по вертикали до точек д, е, ж, з допускается принимать уменьшенными на 30 мм для тоннелей кругового очертания при обращении вагонов в случае укладки в путь рельсов типа Р65.
Нижнее очертание габарита по линии в-р-с-т следует применять в местах отсутствия контактного рельса, а при наличии контактного рельса - по линии а-б.
Ширина желоба

между боковой рабочей гранью головки ходового рельса и устройствами, расположенными внутри колеи, должна быть не менее 90 мм.
Ширина желоба

между рельсом и контррельсом должна быть не менее 42 мм при условии обеспечения плавного отвода до ширины 90 мм в начале и конце контррельса.
Рисунок 6 - Габарит
Oм. Верхнее очертание габарита
Oм

- основное очертание габарита приближения оборудования;

- линия приближения контактного рельса;

- линия приближения порога и настилов;

- линия приближения шины автостопа в поднятом положении;

- линия приближения скобы пикетоотметчика;

- для мест установки автостопа на перегонах из железобетонных блоков и чугунных тюбингов, в которых отсутствует межреберное пространство или под конструкцией автостопа находятся ребра тюбинга, применяют габарит приближения автостопа по линии, отнесенной к "стесненным условиям";

- линия приближения датчиков автоведения (действительно и для правой части);

- линия приближения пункта подключения кабелей к контактному рельсу;

- линия приближения нижней постели шпалы при укладке бетонного основания пути в тоннелях кругового очертания
--------------------------------
<*> Приведенные числовые значения размеров применяются при укладке в путь рельсов типа Р50. Размер следует увеличить на 30 мм при укладке в путь рельсов типа Р65.
<**> Размер допускается увеличивать до 890 мм в местах установки уплотнителей на порогах.
Рисунок 7 - Габарит
Oм. Нижнее очертание габарита
Oм
5.2 Размеры верхнего очертания, а также расстояние от оси пути до точки
p нижнего очертания габарита
Oм в кривых участках пути следует увеличивать на величины перемещений расчетного вагона (длина кузова - 18,2 м, база вагона - 12,6 м и база тележки - 2,1 м) в соответствии с
приложением Б.
5.3 Размеры нижнего очертания габарита Oм (кроме размеров до точки p) действительны также и для кривых участков пути радиусом 200 м и более.
Для кривых участков пути радиусом менее 200 м расстояния по горизонтали до точек нижнего очертания габарита со стороны внутренней нитки следует дополнительно увеличивать:
- при радиусе кривой менее 100 м - на 20 мм;
- радиусе кривой от 100 до 124 м - на 16 мм;
- радиусе кривой от 125 до 149 м - на 11 мм;
- радиусе кривой от 150 до 199 м - на 6 мм.
5.4 В пространстве между габаритами Cмк и Oм в кривых участках радиусом 350 м и менее не допускается переход кабелей по своду с одной стороны тоннеля на другую.
5.5 Элементы конструкций и оборудования системы ДАС должны размещаться за пределами габарита приближения подвижного состава, за исключением расстояния от оси пути до полотна раздвижных автоматических дверей, которое следует принимать равным 1505 мм (с допуском +50 мм), и расстояния от оси пути до скоб безопасности, установленных на створках, которое следует принимать равным 1430 мм (с допуском +20 мм).
5.6 Для станций закрытого типа габариты приближения строений и приближения оборудования должны соответствовать указанным на рисунках 8 -
9.

- габарит приближения строений;

- габарит приближения оборудования
Рисунок 8 - Габариты приближения строений Cмз и приближения
оборудования Oмз станций закрытого типа

- основное очертание габарита приближения оборудования;

- линия приближения контактного рельса;

- линия приближения путевых устройств автоведения;

- линия приближения порога и настилов. В местах установки уплотнителей на порогах допускается увеличение размера от 880 до 890 мм со стороны, противоположной контактному рельсу;

- линия приближения путевой скобы автостопа в поднятом положении;

- линия приближения скобы пикетоотметчика;
a - наименьшая ширина желоба между рельсом и контррельсом - 44 мм
Рисунок 9 - Нижнее очертание габарита приближения
оборудования Oмз станций закрытого типа
6 Габарит подвижного состава
Габарит подвижного состава, а также путевых и других машин в транспортном положении, предназначенных для эксплуатации на линиях метрополитена, должен соответствовать указанному на
рисунках 10 и
11.
Габариты путевых и других машин в рабочем положении следует устанавливать с учетом технологии выполняемых ими работ, безопасности эксплуатационной работы и сохранности оборудования, расположенного в соответствии с габаритом приближения оборудования Oм.

- только для зеркал заднего вида, видеокамер и другого дополнительного оборудования на внешней стороне кузова вагонов без изменения габаритов подвижного состава
Рисунок 10 - Габарит
M. Верхнее очертание габарита
M

- для токоприемника и индуктора автоведения расстояние от УГР до верхней плоскости индуктора автоведения должно быть не более 137 мм;

- для токоприемника в рабочем положении;

- только для скобы автостопа;

- только для корпуса редуктора
Рисунок 11 - Габарит
M. Нижнее очертание габарита
M
7 Совмещенные габариты приближения строений и оборудования
Совмещенные габариты приближения строений и приближения оборудования должны соответствовать
[1] и указанным на рисунках 12 -
15.

- основное очертание габарита приближения оборудования;

- линия приближения контактного рельса;

- линия приближения порога и настилов;

- линия приближения шины автостопа в поднятом положении;

- линия приближения основания пути на бетонном слое;

- для мест установки автостопа на перегонах из железобетонных блоков и чугунных тюбингов, в которых отсутствует межреберное пространство или под конструкцией автостопа находятся ребра тюбинга, применяют габарит приближения автостопа по линии, отнесенной к "стесненным условиям";

- линия приближения датчиков автоведения (действительно и для правой части);

- линия приближения пункта подключения кабелей к контактному рельсу;

- линия приближения нижней постели шпалы при укладке бетонного основания пути в тоннелях кругового очертания
--------------------------------
<*> Приведенные числовые значения размеров применяются при укладке в путь рельсов типа Р50. Размер следует увеличить на 30 мм при укладке в путь рельсов типа Р65.
Рисунок 12 - Совмещенные габариты приближения строений Cмк
и приближения оборудования Oмк

- основное очертание габарита приближения оборудования;

- линия приближения контактного рельса;

- линия приближения порога и настилов;

- линия приближения шины автостопа в поднятом положении;

- линия приближения основания пути на бетонном слое;

- линия приближения основания пути на щебеночном балласте;

- для мест установки автостопа на перегонах из железобетонных блоков и чугунных тюбингов, в которых отсутствует межреберное пространство или под конструкцией автостопа находятся ребра тюбинга, применяют габарит приближения автостопа по линии, отнесенной к "стесненным условиям";

- линия приближения датчиков автоведения (действительно и для правой части);
- линия приближения пункта подключения кабелей к контактному рельсу
--------------------------------
<*> Приведенные числовые значения размеров применяются при укладке в путь рельсов типа Р50. Размер следует увеличить на 30 мм при укладке в путь рельсов типа Р65.
Рисунок 13 - Совмещенные габариты приближения строений Cмп
и приближения оборудования Oмп

- основное очертание габарита приближения оборудования;

- линия приближения контактного рельса;

- линия приближения порога и настилов;

- линия приближения шины автостопа в поднятом положении;

- линия приближения основания пути на бетонном слое;

- линия приближения основания пути на щебеночном балласте;

- для мест установки автостопа на перегонах из железобетонных блоков и чугунных тюбингов, в которых отсутствует межреберное пространство или под конструкцией автостопа находятся ребра тюбинга, применяют габарит приближения автостопа по линии, отнесенной к "стесненным условиям";

- линия приближения датчиков автоведения (действительно и для правой части);

- линия приближения пункта подключения кабелей к контактному рельсу
--------------------------------
<*> Приведенные числовые значения размеров применяются при укладке в путь рельсов типа Р50. Размер следует увеличить на 30 мм при укладке в путь рельсов типа Р65.
Рисунок 14 - Совмещенные габариты приближения строений Cмс
и приближения оборудования Oмс

- основное очертание габарита приближения оборудования;

- линия приближения контактного рельса;

- линия приближения порога и настилов
Рисунок 15 - Совмещенные габариты приближения строений
Cмз
и приближения оборудования Oмз для станций закрытого типа
8 Строительное и проектное очертания подвижного состава
| | ИС МЕГАНОРМ: примечание. В официальном тексте документа, видимо, допущена опечатка: имеется в виду рисунок 10, а не рисунок 16. | |
8.1 Максимально допускаемые поперечные размеры
Boi строительного очертания подвижного состава метрополитенов следует определять путем уменьшения размеров по горизонтали габарита
M (см.
рисунок 16) с каждой стороны на величину необходимых горизонтальных ограничений габарита
Eв или
Eн (поперечных перемещений подвижного состава при вписывании в кривую расчетного радиуса с учетом наибольших допускаемых износов ходовых частей) по формуле
Boi = Bi - E, (3)
где Boi - расстояние по горизонтали от оси пути до искомой i-й точки строительного очертания, мм;
Bi - расстояние по горизонтали от оси пути до i-й точки габарита подвижного состава M, мм;
E - одно из указанных выше горизонтальных ограничений габарита подвижного состава Eв или Eн (внутреннее или наружное), мм.
8.2 Расстояния по вертикали до точек верхнего очертания габарита
M (
рисунок 10, кроме точки 11) являются одновременно и максимальными расстояниями по вертикали до соответствующих точек строительного очертания верхней части подвижного состава в ненагруженном состоянии при колесах наибольшего диаметра.
Размеры строительного очертания нижней части подвижного состава (кроме токоприемника) по вертикали следует определять путем увеличения размеров по вертикали габарита
M (рисунок 11) в точках 11, 12, 13, 14, 15 - 27 на величину вертикальных ограничений (понижений соответствующих частей подвижного состава, возможных в процессе эксплуатации, вследствие максимального нормируемого износа ходовых частей, равномерной осадки рессор и их прогиба от расчетной нагрузки и динамических колебаний).
Размеры строительного очертания токоприемника по вертикали необходимо определять с учетом следующих требований:
- токоприемник нового вагона в верхнем положении не должен выходить по высоте за пределы линии 13-13' нижнего очертания габарита
M (рисунок 11);
- нижняя плоскость токоприемника должна быть выше линии 15-15' нижнего очертания габарита M на величину возможного понижения токоприемника вследствие износа колесных пар за период между регулировками высоты токоприемника.
8.3 Методика определения строительных размеров подвижного состава приведена в
приложении В.
8.4 Проектное очертание подвижного состава следует определять путем уменьшения его строительного очертания на величину соответствующих плюсовых допусков при изготовлении и ремонте подвижного состава.
8.5 Вписывание проектируемого подвижного состава в габарит M следует осуществлять посредством совмещения на одном чертеже строительного и проектного очертаний подвижного состава и внешнего контура соответствующих его частей (кузова, тележки и укрепленных на них деталей).
Для наиболее приближенной к габариту точки, вписываемой в габарит части подвижного состава, необходимо указать координаты: горизонтальная - от продольной, вертикальной, серединной плоскости подвижного состава; вертикальная - от УГР.
Кроме того, на схеме расположения надкузовного и подкузовного оборудования должны быть указаны расстояния от проверяемых сечений рассматриваемой части подвижного состава до направляющих сечений.
8.6 Запрещается выпуск предприятием-изготовителем единиц подвижного состава с нарушением строительного очертания.
(обязательное)
МЕТОДИКА ОПРЕДЕЛЕНИЯ ПОПЕРЕЧНЫХ РАЗМЕРОВ ГАБАРИТОВ
ПРИБЛИЖЕНИЯ СТРОЕНИЙ, ПРИВЯЗОК ВЕРХНЕГО КРАЯ ПЛАТФОРМ
И РАССТОЯНИЙ МЕЖДУ ОСЯМИ СМЕЖНЫХ ПУТЕЙ В КРИВЫХ УЧАСТКАХ
А.1 Поперечные размеры габарита
Cмп (см.
рисунок 2), а также поперечные размеры правой части габарита
Cмс (см.
рисунок 4) и расстояние до перил на платформах в кривых участках пути следует увеличивать:
- с внутренней стороны кривой - на величину dвн, мм, по формуле
dвн = bR + bh; (А.1)
- с наружной стороны кривой - на величину dнар, мм, по формуле
dнар = bR - bh, (А.2)
где bR - максимальный геометрический вынос расчетного вагона в кривой данного радиуса, мм;
bh - горизонтальное перемещение расчетного вагона при его наклоне от возвышения наружного рельса, мм.
При определении расстояний от оси пути до стен тоннелей прямоугольного очертания величину bh следует принимать:
- для наружной стороны кривой при H = 1000 мм,
- для внутренней - при H = 3260 мм.
Таблица А.1
Геометрический вынос расчетного вагона в кривой радиуса
R
R, м | bR, мм | R, м | bR, мм | R, м | bR, мм | R, м | bR, мм |
4000 | 5 | 1000 | 21 | 350 | 60 | 150 | 140 |
3000 | 7 | 800 | 26 | 300 | 70 | 125 | 168 |
2000 | 10 | 600 | 35 | 250 | 84 | 100 | 210 |
1500 | 14 | 500 | 42 | 200 | 105 | 80 | 262 |
1200 | 18 | 400 | 52 | 175 | 120 | 60 | 350 |
Таблица А.2
Горизонтальные перемещения
bh
Высота H от УГР до точек габарита | Горизонтальные перемещения bh при возвышении наружного рельса h, мм |
10 | 20 | 30 | 40 | 50 | 60 | 70 | 80 | 90 | 100 | 110 | 120 |
3950 - 3901 | 25 | 49 | 74 | 99 | 123 | 148 | 173 | 197 | 222 | 247 | 271 | 296 |
3900 - 3801 | 24 | 49 | 73 | 97 | 122 | 146 | 171 | 195 | 219 | 244 | 268 | 292 |
3800 - 3701 | 24 | 48 | 71 | 95 | 119 | 142 | 166 | 190 | 214 | 237 | 261 | 285 |
3700 - 3601 | 23 | 46 | 69 | 92 | 116 | 139 | 162 | 185 | 208 | 231 | 254 | 277 |
3600 - 3501 | 22 | 45 | 67 | 90 | 112 | 135 | 157 | 180 | 202 | 225 | 247 | 270 |
3500 - 3401 | 22 | 44 | 66 | 87 | 109 | 131 | 153 | 175 | 197 | 219 | 241 | 262 |
3400 - 3301 | 21 | 43 | 64 | 85 | 106 | 127 | 149 | 170 | 191 | 212 | 234 | 255 |
3300 - 3201 | 21 | 41 | 62 | 82 | 103 | 124 | 144 | 165 | 186 | 206 | 227 | 247 |
3200 - 3101 | 20 | 40 | 60 | 80 | 100 | 120 | 140 | 160 | 180 | 200 | 220 | 240 |
3100 - 3001 | 19 | 39 | 58 | 77 | 97 | 116 | 136 | 155 | 174 | 194 | 213 | 232 |
3000 - 2901 | 19 | 38 | 56 | 75 | 94 | 112 | 131 | 150 | 169 | 187 | 206 | 225 |
2900 - 2801 | 18 | 36 | 54 | 72 | 91 | 109 | 127 | 145 | 163 | 181 | 199 | 217 |
2800 - 2701 | 18 | 35 | 52 | 70 | 87 | 105 | 122 | 140 | 157 | 175 | 192 | 210 |
2700 - 2601 | 17 | 34 | 51 | 67 | 84 | 101 | 118 | 135 | 152 | 169 | 186 | 202 |
2600 - 2501 | 16 | 32 | 49 | 65 | 81 | 97 | 114 | 130 | 146 | 162 | 179 | 195 |
2500 - 2401 | 16 | 31 | 47 | 62 | 78 | 94 | 109 | 125 | 141 | 156 | 172 | 187 |
2400 - 2301 | 15 | 30 | 45 | 60 | 75 | 90 | 105 | 120 | 135 | 150 | 165 | 180 |
2300 - 2201 | 14 | 29 | 43 | 57 | 72 | 86 | 101 | 115 | 129 | 144 | 158 | 172 |
2200 - 2101 | 14 | 28 | 41 | 55 | 69 | 82 | 96 | 110 | 124 | 137 | 151 | 165 |
2100 - 2001 | 13 | 26 | 39 | 52 | 66 | 79 | 92 | 105 | 118 | 131 | 144 | 157 |
2000 - 1901 | 12 | 25 | 37 | 50 | 62 | 75 | 87 | 100 | 112 | 125 | 137 | 150 |
1900 - 1801 | 12 | 24 | 36 | 47 | 59 | 71 | 83 | 95 | 107 | 119 | 131 | 142 |
1800 - 1701 | 11 | 22 | 34 | 45 | 56 | 67 | 79 | 90 | 101 | 112 | 124 | 135 |
1700 - 1601 | 11 | 21 | 32 | 42 | 53 | 64 | 74 | 85 | 96 | 106 | 117 | 127 |
1600 - 1501 | 10 | 20 | 30 | 40 | 50 | 60 | 70 | 80 | 90 | 100 | 110 | 120 |
1500 - 1401 | 9 | 19 | 28 | 37 | 47 | 56 | 66 | 75 | 84 | 94 | 103 | 112 |
1400 - 1301 | 9 | 18 | 26 | 35 | 44 | 52 | 61 | 70 | 79 | 87 | 96 | 105 |
1300 - 1201 | 8 | 16 | 24 | 32 | 41 | 49 | 57 | 65 | 73 | 81 | 89 | 97 |
1200 - 1101 | 8 | 15 | 22 | 30 | 37 | 45 | 52 | 60 | 67 | 75 | 82 | 90 |
1100 - 1001 | 7 | 14 | 21 | 27 | 34 | 41 | 48 | 55 | 62 | 69 | 76 | 82 |
1000 - 901 | 6 | 12 | 19 | 25 | 31 | 37 | 44 | 50 | 56 | 62 | 69 | 75 |
900 - 801 | 6 | 11 | 17 | 22 | 28 | 34 | 39 | 45 | 51 | 56 | 62 | 67 |
800 - 701 | 5 | 10 | 15 | 20 | 25 | 30 | 35 | 40 | 45 | 50 | 55 | 60 |
700 - 601 | 4 | 9 | 13 | 17 | 22 | 26 | 31 | 35 | 39 | 44 | 48 | 52 |
600 - 501 | 4 | 8 | 11 | 15 | 19 | 22 | 26 | 30 | 34 | 37 | 41 | 45 |
500 - 401 | 3 | 6 | 9 | 12 | 16 | 19 | 22 | 25 | 28 | 31 | 34 | 37 |
400 - 301 | 2 | 5 | 7 | 10 | 12 | 15 | 17 | 20 | 22 | 25 | 27 | 30 |
300 - 201 | 2 | 4 | 6 | 7 | 9 | 11 | 13 | 15 | 17 | 19 | 21 | 22 |
200 - 101 | 1 | 2 | 4 | 5 | 6 | 7 | 9 | 10 | 11 | 12 | 14 | 15 |
100 - 0 | 1 | 1 | 2 | 2 | 3 | 4 | 4 | 5 | 6 | 6 | 7 | 7 |
А.2 Координаты верхнего края платформ на станциях на кривых участках пути следует принимать по
таблице А.3.
Координаты верхнего края служебных платформ на кривых участках пути на перегонах следует принимать по
таблице А.4
Таблица А.3
Координаты верхнего края платформы
на станциях на кривых участках пути
Радиус кривой, м | Обозначение координат | Координаты верхнего края платформы, мм, при возвышении наружного рельса h, мм |
10 | 20 | 30 | 40 | 50 | 60 | 70 | 80 | 90 | 100 | 110 | 120 |
3000 | Y0 | 1100 | 1100 | 1100 | 1100 | | | | | | | | |
X0 | 1457 | 1457 | 1457 | 1457 | | | | | | | | |
Yвн | 1091 | 1082 | 1072 | 1063 | | | | | | | | |
Xвн | 1464 | 1471 | 1477 | 1484 | | | | | | | | |
Yнар | 1109 | 1118 | 1127 | 1136 | | | | | | | | |
Xнар | 1450 | 1443 | 1436 | 1429 | | | | | | | | |
2000 | Y0 | 1100 | 1100 | 1100 | 1100 | 1100 | 1100 | | | | | | |
X0 | 1460 | 1460 | 1460 | 1460 | 1460 | 1460 | | | | | | |
Yвн | 1091 | 1082 | 1072 | 1063 | 1054 | 1044 | | | | | | |
Xвн | 1467 | 1474 | 1480 | 1487 | 1494 | 1500 | | | | | | |
Yнар | 1109 | 1118 | 1127 | 1136 | 1145 | 1154 | | | | | | |
Xнар | 1453 | 1446 | 1439 | 1432 | 1425 | 1418 | | | | | | |
1500 | Y0 | 1100 | 1100 | 1100 | 1100 | 1100 | 1100 | 1100 | 1100 | | | | |
X0 | 1464 | 1464 | 1464 | 1464 | 1464 | 1464 | 1464 | 1464 | | | | |
Yвн | 1091 | 1082 | 1072 | 1063 | 1053 | 1044 | 1035 | 1025 | | | | |
Xвн | 1471 | 1478 | 1484 | 1491 | 1498 | 1504 | 1511 | 1517 | | | | |
Yнар | 1109 | 1118 | 1127 | 1136 | 1145 | 1154 | 1163 | 1172 | | | | |
Xнар | 1457 | 1450 | 1443 | 1436 | 1429 | 1422 | 1414 | 1407 | | | | |
1200 | Y0 | 1100 | 1100 | 1100 | 1100 | 1100 | 1100 | 1100 | 1100 | 1100 | 1100 | 1100 | |
X0 | 1468 | 1468 | 1468 | 1468 | 1468 | 1468 | 1468 | 1468 | 1468 | 1468 | 1468 | |
Yвн | 1091 | 1082 | 1072 | 1063 | 1053 | 1044 | 1034 | 1025 | 1015 | 1006 | 997 | |
Xвн | 1475 | 1482 | 1488 | 1495 | 1502 | 1508 | 1515 | 1521 | 1528 | 1534 | 1540 | |
Yнар | 1109 | 1118 | 1127 | 1136 | 1146 | 1154 | 1163 | 1172 | 1181 | 1190 | 1199 | |
Xнар | 1461 | 1454 | 1447 | 1440 | 1433 | 1426 | 1418 | 1411 | 1404 | 1396 | 1389 | |
1000 | Y0 | 1100 | 1100 | 1100 | 1100 | 1100 | 1100 | 1100 | 1100 | 1100 | 1100 | 1100 | 1100 |
X0 | 1471 | 1471 | 1471 | 1471 | 1471 | 1471 | 1471 | 1471 | 1471 | 1471 | 1471 | 1471 |
Yвн | 1091 | 1081 | 1072 | 1063 | 1053 | 1044 | 1034 | 1025 | 1015 | 1006 | 996 | 986 |
Xвн | 1478 | 1485 | 1491 | 1498 | 1505 | 1511 | 1519 | 1524 | 1531 | 1537 | 1543 | 1550 |
Yнар | 1109 | 1118 | 1127 | 1137 | 1146 | 1155 | 1164 | 1172 | 1181 | 1190 | 1199 | 1208 |
Xнар | 1464 | 1457 | 1450 | 1443 | 1436 | 1429 | 1421 | 1414 | 1406 | 1399 | 1392 | 1384 |
800 | Y0 | 1100 | 1100 | 1100 | 1100 | 1100 | 1100 | 1100 | 1100 | 1100 | 1100 | 1100 | 1100 |
X0 | 1476 | 1476 | 1476 | 1476 | 1476 | 1476 | 1476 | 1476 | 1476 | 1476 | 1476 | 1476 |
Yвн | 1091 | 1081 | 1072 | 1063 | 1053 | 1044 | 1034 | 1024 | 1015 | 1005 | 996 | 986 |
Xвн | 1483 | 1490 | 1496 | 1503 | 1510 | 1516 | 1523 | 1529 | 1536 | 1542 | 1548 | 1555 |
Yнар | 1109 | 1118 | 1128 | 1137 | 1146 | 1155 | 1164 | 1173 | 1182 | 1190 | 1199 | 1208 |
Xнар | 1469 | 1462 | 1455 | 1448 | 1441 | 1434 | 1426 | 1419 | 1412 | 1404 | 1397 | 1389 |
600 | Y0 | 1100 | 1100 | 1100 | 1100 | 1100 | 1100 | 1100 | 1100 | 1100 | 1100 | 1100 | 1100 |
X0 | 1485 | 1485 | 1485 | 1485 | 1485 | 1485 | 1485 | 1485 | 1485 | 1485 | 1485 | 1485 |
Yвн | 1091 | 1081 | 1072 | 1062 | 1053 | 1043 | 1034 | 1024 | 1014 | 1005 | 995 | 985 |
Xвн | 1492 | 1499 | 1505 | 1512 | 1519 | 1525 | 1532 | 1538 | 1545 | 1551 | 1557 | 1564 |
Yнар | 1109 | 1118 | 1128 | 1137 | 1146 | 1155 | 1164 | 1173 | 1182 | 1191 | 1200 | 1209 |
Xнар | 1478 | 1471 | 1464 | 1457 | 1450 | 1442 | 1435 | 1428 | 1420 | 1413 | 1406 | 1398 |
500 | Y0 | 1100 | 1100 | 1100 | 1100 | 1100 | 1100 | 1100 | 1100 | 1100 | 1100 | 1100 | 1100 |
X0 | 1492 | 1492 | 1492 | 1492 | 1492 | 1492 | 1492 | 1492 | 1492 | 1492 | 1492 | 1492 |
Yвн | 1091 | 1081 | 1072 | 1062 | 1053 | 1043 | 1033 | 1024 | 1014 | 1004 | 994 | 985 |
Xвн | 1499 | 1506 | 1512 | 1519 | 1526 | 1532 | 1539 | 1545 | 1552 | 1558 | 1564 | 1571 |
Yнар | 1109 | 1118 | 1128 | 1137 | 1146 | 1155 | 1164 | 1173 | 1182 | 1191 | 1200 | 1209 |
Xнар | 1485 | 1478 | 1471 | 1464 | 1457 | 1450 | 1442 | 1435 | 1428 | 1420 | 1412 | 1405 |
400 | Y0 | 1100 | 1100 | 1100 | 1100 | 1100 | 1100 | 1100 | 1100 | 1100 | 1100 | 1100 | 1100 |
X0 | 1502 | 1502 | 1502 | 1502 | 1502 | 1502 | 1502 | 1502 | 1502 | 1502 | 1502 | 1502 |
Yвн | 1091 | 1081 | 1072 | 1062 | 1052 | 1043 | 1033 | 1023 | 1013 | 1004 | 994 | 984 |
Xвн | 1509 | 1516 | 1522 | 1529 | 1536 | 1542 | 1549 | 1555 | 1562 | 1568 | 1574 | 1580 |
Yнар | 1109 | 1118 | 1128 | 1137 | 1146 | 1156 | 1165 | 1174 | 1183 | 1192 | 1201 | 1210 |
Xнар | 1495 | 1488 | 1481 | 1474 | 1467 | 1460 | 1452 | 1445 | 1437 | 1430 | 1422 | 1415 |
350 | Y0 | 1100 | 1100 | 1100 | 1100 | 1100 | 1100 | 1100 | 1100 | 1100 | 1100 | 1100 | 1100 |
X0 | 1510 | 1510 | 1510 | 1510 | 1510 | 1510 | 1510 | 1510 | 1510 | 1510 | 1510 | 1510 |
Yвн | 1090 | 1081 | 1071 | 1062 | 1052 | 1042 | 1033 | 1023 | 1013 | 1003 | 993 | 983 |
Xвн | 1517 | 1524 | 1530 | 1537 | 1544 | 1550 | 1557 | 1563 | 1570 | 1576 | 1582 | 1588 |
Yнар | 1109 | 1119 | 1128 | 1138 | 1147 | 1156 | 1165 | 1174 | 1184 | 1193 | 1202 | 1211 |
Xнар | 1503 | 1496 | 1489 | 1482 | 1475 | 1468 | 1460 | 1453 | 1446 | 1438 | 1430 | 1423 |
300 | Y0 | 1100 | 1100 | 1100 | 1100 | 1100 | 1100 | 1100 | 1100 | 1100 | 1100 | 1100 | 1100 |
X0 | 1520 | 1520 | 1520 | 1520 | 1520 | 1520 | 1520 | 1520 | 1520 | 1520 | 1520 | 1520 |
Yвн | 1090 | 1081 | 1071 | 1062 | 1052 | 1042 | 1032 | 1022 | 1012 | 1002 | 992 | 982 |
Xвн | 1527 | 1534 | 1540 | 1547 | 1554 | 1560 | 1567 | 1573 | 1580 | 1586 | 1592 | 1598 |
Yнар | 1110 | 1119 | 1128 | 1138 | 1147 | 1156 | 1165 | 1175 | 1184 | 1193 | 1202 | 1211 |
Xнар | 1513 | 1506 | 1499 | 1492 | 1485 | 1478 | 1470 | 1463 | 1455 | 1448 | 1440 | 1433 |
Примечание - В таблице приведены следующие координаты: Y0 - высота платформ, измеряемая по перпендикуляру к плоскости, касательной к головкам рельсов; X0 - расстояние от оси габарита до края платформы, измеряемое параллельно плоскости, касательной к головкам рельсов; Yвн, Yнар - высота платформ, измеряемая по вертикали от горизонтальной плоскости, проходящей через середину пути, имеющего возвышение наружного рельса, соответственно с внутренней и наружной сторон кривой; Xвн, Xнар - расстояния по горизонтали от оси пути (вертикальной линии, проходящей через середину пути) до края платформы соответственно с внутренней и наружной сторон кривой. |
Для промежуточных значений кривых участков пути и возвышений наружного рельса координаты следует определять по линейной интерполяции.
Таблица А.4
Координаты верхнего края служебных платформ и мостиков
на кривых участках пути
Радиус кривой, м | Обозначение координат | Координаты верхнего края платформы, мм, при возвышении наружного рельса h, мм |
0 | 10 | 20 | 30 | 40 | 50 | 60 | 70 | 80 | 90 | 100 | 110 | 120 |
4000 | Y0 | 1100 | 1100 | 1100 | 1100 | 1100 | 1100 | 1100 | 1100 | 1100 | 1100 | 1100 | 1100 | 1100 |
X0 | 1505 | 1505 | 1505 | 1505 | 1505 | 1505 | 1505 | 1505 | 1505 | 1505 | 1505 | 1505 | 1505 |
Yвн | 1100 | 1091 | 1081 | 1072 | 1062 | 1052 | 1043 | 1033 | 1023 | 1014 | 1004 | 994 | 984 |
Xвн | 1505 | 1512 | 1519 | 1525 | 1532 | 1539 | 1545 | 1552 | 1558 | 1564 | 1571 | 1577 | 1583 |
Yнар | 1100 | 1109 | 1119 | 1128 | 1137 | 1146 | 1156 | 1165 | 1174 | 1183 | 1192 | 1201 | 1209 |
Xнар | 1505 | 1498 | 1491 | 1484 | 1477 | 1470 | 1463 | 1455 | 1448 | 1441 | 1433 | 1426 | 1419 |
3000 | Y0 | 1100 | 1100 | 1100 | 1100 | 1100 | 1100 | 1100 | 1100 | 1100 | 1100 | 1100 | 1100 | 1100 |
X0 | 1507 | 1507 | 1507 | 1507 | 1507 | 1507 | 1507 | 1507 | 1507 | 1507 | 1507 | 1507 | 1507 |
Yвн | 1100 | 1091 | 1081 | 1072 | 1062 | 1052 | 1043 | 1033 | 1023 | 1014 | 1004 | 994 | 984 |
Xвн | 1507 | 1514 | 1521 | 1527 | 1534 | 1541 | 1547 | 1554 | 1560 | 1566 | 1573 | 1579 | 1585 |
Yнар | 1100 | 1109 | 1119 | 1128 | 1137 | 1147 | 1156 | 1165 | 1174 | 1183 | 1192 | 1201 | 1210 |
Xнар | 1507 | 1500 | 1493 | 1486 | 1479 | 1472 | 1465 | 1457 | 1450 | 1443 | 1435 | 1428 | 1421 |
2000 | Y0 | 1100 | 1100 | 1100 | 1100 | 1100 | 1100 | 1100 | 1100 | 1100 | 1100 | 1100 | 1100 | 1100 |
X0 | 1510 | 1510 | 1510 | 1510 | 1510 | 1510 | 1510 | 1510 | 1510 | 1510 | 1510 | 1510 | 1510 |
Yвн | 1100 | 1091 | 1081 | 1071 | 1062 | 1052 | 1043 | 1033 | 1023 | 1013 | 1004 | 994 | 984 |
Xвн | 1510 | 1517 | 1524 | 1530 | 1537 | 1544 | 1550 | 1557 | 1563 | 1569 | 1576 | 1582 | 1588 |
Yнар | 1100 | 1109 | 1119 | 1128 | 1137 | 1147 | 1156 | 1165 | 1174 | 1183 | 1192 | 1201 | 1210 |
Xнар | 1510 | 1503 | 1496 | 1489 | 1482 | 1475 | 1468 | 1460 | 1453 | 1446 | 1438 | 1431 | 1424 |
1500 | Y0 | 1100 | 1100 | 1100 | 1100 | 1100 | 1100 | 1100 | 1100 | 1100 | 1100 | 1100 | 1100 | 1100 |
X0 | 1510 | 1510 | 1510 | 1510 | 1510 | 1510 | 1510 | 1510 | 1510 | 1510 | 1510 | 1510 | 1510 |
Yвн | 1100 | 1091 | 1081 | 1071 | 1062 | 1052 | 1042 | 1033 | 1023 | 1013 | 1003 | 994 | 984 |
Xвн | 1514 | 1521 | 1528 | 1534 | 1541 | 1548 | 1554 | 1561 | 1567 | 1573 | 1580 | 1586 | 1592 |
Yнар | 1100 | 1109 | 1119 | 1128 | 1137 | 1147 | 1156 | 1165 | 1174 | 1183 | 1192 | 1201 | 1210 |
Xнар | 1514 | 1507 | 1500 | 1493 | 1486 | 1479 | 1472 | 1464 | 1457 | 1510 | 1442 | 1435 | 1427 |
1200 | Y0 | 1100 | 1100 | 1100 | 1100 | 1100 | 1100 | 1100 | 1100 | 1100 | 1100 | 1100 | 1100 | 1100 |
X0 | 1518 | 1518 | 1518 | 1518 | 1518 | 1518 | 1518 | 1518 | 1518 | 1518 | 1518 | 1518 | 1518 |
Yвн | 1100 | 1090 | 1081 | 1071 | 1062 | 1052 | 1042 | 1033 | 1023 | 1013 | 1003 | 993 | 983 |
Xвн | 1518 | 1525 | 1532 | 1538 | 1545 | 1552 | 1558 | 1565 | 1571 | 1577 | 1584 | 1590 | 1596 |
Yнар | 1100 | 1109 | 1119 | 1128 | 1138 | 1147 | 1156 | 1165 | 1174 | 1184 | 1193 | 1202 | 1210 |
Xнар | 1518 | 1511 | 1504 | 1497 | 1790 | 1483 | 1476 | 1468 | 1461 | 1454 | 1446 | 1439 | 1431 |
1000 | Y0 | 1100 | 1100 | 1100 | 1100 | 1100 | 1100 | 1100 | 1100 | 1100 | 1100 | 1100 | 1100 | 1100 |
X0 | 1521 | 1521 | 1521 | 1521 | 1521 | 1521 | 1521 | 1521 | 1521 | 1521 | 1521 | 1521 | 1521 |
Yвн | 1100 | 1090 | 1081 | 1071 | 1062 | 1052 | 1042 | 1032 | 1023 | 1013 | 1003 | 993 | 983 |
Xвн | 1521 | 1528 | 1535 | 1541 | 1548 | 1555 | 1561 | 1568 | 1574 | 1580 | 1587 | 1593 | 1599 |
Yнар | 1100 | 1109 | 1119 | 1128 | 1138 | 1147 | 1156 | 1165 | 1175 | 1184 | 1193 | 1202 | 1211 |
Xнар | 1521 | 1514 | 1507 | 1500 | 1493 | 1486 | 1479 | 1471 | 1464 | 1457 | 1449 | 1442 | 1434 |
800 | Y0 | 1100 | 1100 | 1100 | 1100 | 1100 | 1100 | 1100 | 1100 | 1100 | 1100 | 1100 | 1100 | 1100 |
X0 | 1526 | 1526 | 1526 | 1526 | 1526 | 1526 | 1526 | 1526 | 1526 | 1526 | 1526 | 1526 | 1526 |
Yвн | 1100 | 1090 | 1081 | 1071 | 1062 | 1052 | 1042 | 1032 | 1022 | 1013 | 1003 | 993 | 983 |
Xвн | 1526 | 1533 | 1540 | 1546 | 1553 | 1560 | 1566 | 1573 | 1579 | 1585 | 1592 | 1598 | 1604 |
Yнар | 1100 | 1110 | 1119 | 1128 | 1138 | 1147 | 1156 | 1166 | 1175 | 1184 | 1193 | 1202 | 1211 |
Xнар | 1526 | 1519 | 1512 | 1505 | 1498 | 1491 | 1484 | 1476 | 1469 | 1462 | 1454 | 1447 | 1439 |
600 | Y0 | 1100 | 1100 | 1100 | 1100 | 1100 | 1100 | 1100 | 1100 | 1100 | 1100 | 1100 | 1100 | 1100 |
X0 | 1542 | 1542 | 1542 | 1542 | 1542 | 1542 | 1542 | 1542 | 1542 | 1542 | 1542 | 1542 | 1542 |
Yвн | 1100 | 1090 | 1081 | 1071 | 1061 | 1052 | 1042 | 1032 | 1022 | 1012 | 1002 | 992 | 982 |
Xвн | 1535 | 1542 | 1549 | 1555 | 1562 | 1569 | 1575 | 1582 | 1588 | 1594 | 1601 | 1607 | 1613 |
Yнар | 1100 | 1110 | 1119 | 1129 | 1138 | 1147 | 1157 | 1166 | 1175 | 1184 | 1194 | 1203 | 1212 |
Xнар | 1535 | 1528 | 1521 | 1514 | 1507 | 1500 | 1493 | 1485 | 1478 | 1471 | 1463 | 1456 | 1448 |
500 | Y0 | 1100 | 1100 | 1100 | 1100 | 1100 | 1100 | 1100 | 1100 | 1100 | 1100 | 1100 | 1100 | 1100 |
X0 | 1542 | 1542 | 1542 | 1542 | 1542 | 1542 | 1542 | 1542 | 1542 | 1542 | 1542 | 1542 | 1542 |
Yвн | 1100 | 1090 | 1081 | 1071 | 1061 | 1051 | 1041 | 1032 | 1022 | 1012 | 1002 | 992 | 982 |
Xвн | 1542 | 1549 | 1556 | 1562 | 1569 | 1576 | 1582 | 1589 | 1595 | 1601 | 1608 | 1614 | 1620 |
Yнар | 1100 | 1110 | 1119 | 1129 | 1138 | 1148 | 1157 | 1166 | 1176 | 1185 | 1194 | 1203 | 1212 |
Xнар | 1542 | 1535 | 1528 | 1521 | 1514 | 1507 | 1500 | 1492 | 1485 | 1478 | 1470 | 1463 | 1455 |
400 | Y0 | 1100 | 1100 | 1100 | 1100 | 1100 | 1100 | 1100 | 1100 | 1100 | 1100 | 1100 | 1100 | 1100 |
X0 | 1552 | 1552 | 1552 | 1552 | 1552 | 1552 | 1552 | 1552 | 1552 | 1552 | 1552 | 1552 | 1552 |
Yвн | 1100 | 1090 | 1081 | 1071 | 1061 | 1051 | 1041 | 1031 | 1021 | 1011 | 1001 | 991 | 981 |
Xвн | 1552 | 1559 | 1566 | 1572 | 1579 | 1586 | 1592 | 1599 | 1605 | 1611 | 1618 | 1624 | 1630 |
Yнар | 1100 | 1110 | 1119 | 1129 | 1138 | 1148 | 1157 | 1167 | 1176 | 1185 | 1195 | 1204 | 1213 |
Xнар | 1552 | 1545 | 1538 | 1531 | 1524 | 1517 | 1510 | 1502 | 1495 | 1488 | 1480 | 1473 | 1465 |
350 | Y0 | 1100 | 1100 | 1100 | 1100 | 1100 | 1100 | 1100 | 1100 | 1100 | 1100 | 1100 | 1100 | 1100 |
X0 | 1560 | 1560 | 1560 | 1560 | 1560 | 1560 | 1560 | 1560 | 1560 | 1560 | 1560 | 1560 | 1560 |
Yвн | 1100 | 1090 | 1080 | 1071 | 1061 | 1051 | 1041 | 1031 | 1021 | 1011 | 1001 | 990 | 980 |
Xвн | 1560 | 1567 | 1574 | 1580 | 1587 | 1594 | 1600 | 1607 | 1613 | 1619 | 1626 | 1632 | 1638 |
Yнар | 1100 | 1110 | 1119 | 1129 | 1139 | 1148 | 1158 | 1167 | 1177 | 1186 | 1195 | 1204 | 1214 |
Xнар | 1560 | 1553 | 1546 | 1539 | 1532 | 1525 | 1518 | 1510 | 1503 | 1496 | 1488 | 1481 | 1473 |
300 | Y0 | 1100 | 1100 | 1100 | 1100 | 1100 | 1100 | 1100 | 1100 | 1100 | 1100 | 1100 | 1100 | 1100 |
X0 | 1570 | 1570 | 1570 | 1570 | 1570 | 1570 | 1570 | 1570 | 1570 | 1570 | 1570 | 1570 | 1570 |
Yвн | 1100 | 1090 | 1080 | 1070 | 1060 | 1050 | 1040 | 1030 | 1020 | 1010 | 1000 | 990 | 979 |
Xвн | 1570 | 1577 | 1584 | 1590 | 1497 | 1604 | 1610 | 1617 | 1623 | 1629 | 1636 | 1642 | 1648 |
Yнар | 1100 | 1110 | 1120 | 1129 | 1139 | 1149 | 1158 | 1168 | 1177 | 1186 | 1196 | 1205 | 1214 |
Xнар | 1570 | 1563 | 1556 | 1549 | 1542 | 1535 | 1528 | 1520 | 1513 | 1506 | 1498 | 1491 | 1483 |
250 | Y0 | 1100 | 1100 | 1100 | 1100 | 1100 | 1100 | 1100 | 1100 | 1100 | 1100 | 1100 | 1100 | 1100 |
X0 | 1584 | 1584 | 1584 | 1584 | 1584 | 1584 | 1584 | 1584 | 1584 | 1584 | 1584 | 1584 | 1584 |
Yвн | 1100 | 1090 | 1080 | 1070 | 1060 | 1050 | 1040 | 1030 | 1020 | 1009 | 999 | 989 | 978 |
Xвн | 1584 | 1591 | 1598 | 1604 | 1611 | 1618 | 1624 | 1631 | 1637 | 1643 | 1650 | 1656 | 1662 |
Yнар | 1100 | 1110 | 1120 | 1130 | 1139 | 1149 | 1159 | 1168 | 1178 | 1187 | 1197 | 1206 | 1215 |
Xнар | 1584 | 1577 | 1570 | 1563 | 1556 | 1549 | 1542 | 1534 | 1527 | 1520 | 1512 | 1505 | 1497 |
200 | Y0 | 1100 | 1100 | 1100 | 1100 | 1100 | 1100 | 1100 | 1100 | 1100 | 1100 | 1100 | 1100 | 1100 |
X0 | 1605 | 1605 | 1605 | 1605 | 1605 | 1605 | 1605 | 1605 | 1605 | 1605 | 1605 | 1605 | 1605 |
Yвн | 1100 | 1090 | 1080 | 1070 | 1060 | 1049 | 1039 | 1029 | 1018 | 1008 | 998 | 987 | 977 |
Xвн | 1605 | 1612 | 1619 | 1625 | 1632 | 1639 | 1645 | 1652 | 1658 | 1664 | 1670 | 1677 | 1683 |
Yнар | 1100 | 1110 | 1120 | 1130 | 1140 | 1150 | 1159 | 1169 | 1170 | 1188 | 1198 | 1207 | 1217 |
Xнар | 1605 | 1598 | 1591 | 1584 | 1577 | 1570 | 1563 | 1555 | 1548 | 1541 | 1533 | 1526 | 1518 |
175 | Y0 | 1100 | 1100 | 1100 | 1100 | 1100 | 1100 | 1100 | 1100 | 1100 | 1100 | 1100 | 1100 | 1100 |
X0 | 1620 | 1620 | 1620 | 1620 | 1620 | 1620 | 1620 | 1620 | 1620 | 1620 | 1620 | 1620 | 1620 |
Yвн | 1100 | 1090 | 1080 | 1069 | 1059 | 1049 | 1039 | 1028 | 1018 | 1007 | 997 | 986 | 976 |
Xвн | 1620 | 1627 | 1634 | 1640 | 1647 | 1654 | 1660 | 1667 | 1673 | 1679 | 1685 | 1692 | 1698 |
Yнар | 1100 | 1110 | 1120 | 1130 | 1140 | 1150 | 1160 | 1170 | 1180 | 1189 | 1199 | 1209 | 1218 |
Xнар | 1620 | 1613 | 1606 | 1599 | 1592 | 1585 | 1578 | 1570 | 1563 | 1556 | 1548 | 1541 | 1533 |
150 | Y0 | 1100 | 1100 | 1100 | 1100 | 1100 | 1100 | 1100 | 1100 | 1100 | 1100 | 1100 | 1100 | 1100 |
X0 | 1640 | 1640 | 1640 | 1640 | 1640 | 1640 | 1640 | 1640 | 1640 | 1640 | 1640 | 1640 | 1640 |
Yвн | 1100 | 1090 | 1079 | 1069 | 1059 | 1048 | 1038 | 1027 | 1017 | 1006 | 996 | 985 | 974 |
Xвн | 1640 | 1647 | 1654 | 1660 | 1667 | 1674 | 1680 | 1687 | 1693 | 1699 | 1705 | 1712 | 1718 |
Yнар | 1100 | 1110 | 1120 | 1131 | 1141 | 1151 | 1161 | 1171 | 1181 | 1190 | 1200 | 1210 | 1220 |
Xнар | 1640 | 1633 | 1626 | 1619 | 1612 | 1605 | 1598 | 1590 | 1583 | 1576 | 1568 | 1561 | 1553 |
125 | Y0 | 1100 | 1100 | 1100 | 1100 | 1100 | 1100 | 1100 | 1100 | 1100 | 1100 | 1100 | 1100 | 1100 |
X0 | 1668 | 1668 | 1668 | 1668 | 1668 | 1668 | 1668 | 1668 | 1668 | 1668 | 1668 | 1668 | 1668 |
Yвн | 1100 | 1090 | 1079 | 1069 | 1058 | 1047 | 1037 | 1026 | 1015 | 1005 | 994 | 983 | 972 |
Xвн | 1668 | 1675 | 1682 | 1688 | 1695 | 1702 | 1708 | 1714 | 1721 | 1727 | 1733 | 1740 | 1746 |
Yнар | 1100 | 1110 | 1121 | 1131 | 1141 | 1152 | 1162 | 1172 | 1182 | 1192 | 1202 | 1212 | 1222 |
Xнар | 1668 | 1661 | 1654 | 1647 | 1640 | 1633 | 1626 | 1618 | 1611 | 1604 | 1596 | 1589 | 1581 |
100 | Y0 | 1100 | 1100 | 1100 | 1100 | 1100 | 1100 | 1100 | 1100 | 1100 | 1100 | 1100 | 1100 | 1100 |
X0 | 1710 | 1710 | 1710 | 1710 | 1710 | 1710 | 1710 | 1710 | 1710 | 1710 | 1710 | 1710 | 1710 |
Yвн | 1100 | 1089 | 1079 | 1068 | 1057 | 1046 | 1035 | 1024 | 1013 | 1002 | 991 | 980 | 969 |
Xвн | 1710 | 1717 | 1724 | 1730 | 1737 | 1744 | 1750 | 1756 | 1763 | 1769 | 1775 | 1781 | 1787 |
Yнар | 1100 | 1111 | 1121 | 1132 | 1142 | 1153 | 1163 | 1174 | 1184 | 1194 | 1205 | 1215 | 1225 |
Xнар | 1710 | 1703 | 1696 | 1689 | 1682 | 1675 | 1668 | 1660 | 1653 | 1646 | 1638 | 1631 | 1623 |
А.3 Расстояния между осями смежных путей на кривых участках пути радиусом менее 500 м следует увеличивать:
- на значение dм - при отсутствии возвышения, или при равных возвышениях наружных рельсов обоих путей, или при возвышении наружного рельса внешнего пути менее возвышения наружного рельса внутреннего пути;
- на значение

- при возвышении наружного рельса внешнего пути более возвышения наружного рельса внутреннего пути.
А.4 Отводы уширений габаритов приближения строений, а также габарита приближения оборудования и расстояний между осями смежных путей на подходах к кривым участкам следует производить от нуля до полной нормы, соответствующей круговой кривой по прямолинейной зависимости.
Отводы уширений габаритов следует начинать:
- при наличии переходной кривой - за 10 м до начала этой кривой со стороны наружной рельсовой нити и за 5 м - со стороны внутренней рельсовой нити;
- отсутствии переходной кривой - соответственно за 12 и 8 м до начала круговой кривой.
Отводы уширений габаритов следует заканчивать:
- при наличии переходной кривой - за 5 м до начала круговой кривой со стороны наружной рельсовой нити и в начале круговой кривой - со стороны внутренней рельсовой нити;
- отсутствии переходной кривой - за 2 м до начала круговой кривой со стороны наружной рельсовой нити и на круговой кривой, в 5 м от ее начала - со стороны внутренней рельсовой нити.
Таблица А.5
Нормы увеличения горизонтальных расстояний
между осями смежных путей в кривых участках
Радиус кривой, м | dм, мм, при возвышении наружного рельса внешнего пути hнар, мм | При возвышении наружного рельса внешнего пути hнар, мм, более возвышения наружного рельса внутреннего пути hвн, мм |
0 | 10 | 20 | 30 | 40 | 50 | 60 | 70 | 80 | 90 | 100 | 110 | 120 | hнар - hвн, мм |  , мм |
400 | - | 122 | 130 | 137 | 145 | 152 | 159 | 167 | 174 | 182 | 189 | 196 | 204 | 5 | dм + 10 |
350 | - | 137 | 145 | 152 | 160 | 167 | 174 | 182 | 189 | 197 | 204 | 211 | 219 | 10 | dм + 20 |
15 | dм + 30 |
300 | 150 | 157 | 165 | 172 | 180 | 187 | 194 | 202 | 209 | 217 | 224 | 231 | 239 | 20 | dм + 41 |
25 | dм + 51 |
250 | 178 | 185 | 193 | 200 | 208 | 215 | 222 | 230 | 237 | 245 | 252 | 259 | 267 | 30 | dм + 61 |
35 | dм + 71 |
200 | 220 | 227 | 235 | 242 | 250 | 257 | 264 | 272 | 279 | 287 | 294 | 301 | 309 | 40 | dм + 82 |
45 | dм + 92 |
175 | 250 | 257 | 265 | 272 | 280 | 287 | 294 | 302 | 309 | 317 | 324 | 331 | 339 | 50 | dм + 102 |
55 | dм + 112 |
150 | 290 | 297 | 305 | 312 | 320 | 327 | 334 | 342 | 349 | 357 | 364 | 371 | 379 | 60 | dм + 122 |
65 | dм + 132 |
125 | 346 | 353 | 361 | 368 | 376 | 383 | 390 | 398 | 405 | 412 | 420 | 427 | 435 | 70 | dм + 143 |
75 | dм + 153 |
100 | 430 | 437 | 450 | 452 | 460 | 467 | 474 | 482 | 489 | 497 | 504 | 511 | 519 | 80 | dм + 163 |
90 | dм + 183 |
80 | 535 | 542 | 550 | 557 | 565 | 572 | 579 | 587 | 594 | 602 | 609 | 616 | 624 | 100 | dм + 204 |
110 | dм + 224 |
60 | 710 | 717 | 725 | 732 | 740 | 747 | 754 | 762 | 769 | 777 | 784 | 791 | 799 | 120 | dм + 244 |
А.5 Вновь сооружаемые или реконструируемые служебные платформы (сходные устройства для машинистов, технические платформы, служебные мостики), расположенные на перегонах главных путей, оборотных (станционных), смотровых и деповских путях, в прямых участках пути должны иметь привязку верхнего края:
- от оси пути - 1500 мм;
- УГР - не менее 1100 мм и не более 1150 мм.
На кривых участках пути привязку верхнего края служебных платформ и мостиков высотой 1100 мм принимают по
таблице А.4.
На кривых участках пути привязку верхнего края служебных платформ и мостиков высотой 1150 мм принимают по
таблице А.4, к значениям координат Y
0, Y
вн, Y
нар необходимо прибавить 50 мм либо произвести расчет
Yвн,
Xвн,
Yнар,
Xнар по
формулам (Б.16) -
(Б.19), используя привязки
Y0 = 1150 мм,
X0 = 1500 мм +
bR.
При расчетах габаритных норм таких платформ, расположенных на подходах к кривым участкам путей, необходимо использовать указания
пункта А.4.
(обязательное)
МЕТОДИКА ОПРЕДЕЛЕНИЯ РАЗМЕРОВ ГАБАРИТА ПРИБЛИЖЕНИЯ
ОБОРУДОВАНИЯ ДЛЯ КРИВЫХ УЧАСТКОВ ПУТИ
Б.1 Размеры габарита
Oм в точках а, б, в, г, д, е, ж, з, р, с, т для кривых участков пути необходимо увеличивать на следующие дополнительные смещения в кривых расчетного вагона:
- bR - максимальный геометрический вынос, мм, расчетного вагона в кривой данного радиуса, определяемый по формуле

, (Б.1)
где R - радиус кривой, м;
-

и

- соответственно горизонтальное и вертикальное смещения точек расчетного вагона при наклоне на рессорах под воздействием центробежной силы и силы тяжести, мм.
Величины

и

определяют по формулам:

; (Б.2)

, (Б.3)
где h - возвышение наружного рельса в кривой, мм;
H - высота рассматриваемой точки габарита приближения оборудования в прямой, считая от УГР, мм;
B - расстояние от оси пути до данной точки габарита приближения оборудования в прямой, мм;
h0 - высота центра поворота кузова вагона на рессорах при боковых колебаниях, мм.
Б.2 Размеры габарита
Oм, увеличенные на указанные в
Б.1 смещения, допускается принимать в двух системах координат (см.
рисунок Б.1):
- первая (наклонная) - ось ординат Y0-Y0 проходит через середину пути (точку 0) и перпендикулярна к касательной к головкам рельсов X0-X0;
Рисунок Б.1 - Система координат для измерения габарита
Oм
в кривых участках пути
В первой системе координат габарит приближения оборудования в кривой симметричен относительно оси Y0-Y0, то есть координаты X0 и Y0 какой-либо его точки как для наружной, так и для внутренней стороны данной кривой установлены одинаковыми.
Вторая (горизонтально-вертикальная) ось ординат Y-Y проходит через середину пути (точку 0) и перпендикулярна к горизонтальной оси X-X, проходящей также через точку 0.
Во второй системе координат габарит приближения оборудования в кривой не симметричен относительно оси Y-Y, то есть координаты какой-либо точки при ее расположении с наружной и внутренней сторон одной и той же кривой разные.
Б.3 Вертикальную Y0 и горизонтальную X0 координаты габарита Oм в первой системе координат определяют по формулам:
- для точки а
Y0 = H = 0; (Б.4)
X0 = B = 1660; (Б.5)
- для точки б
Y0 = 550; (Б.6)
X0 = B = 1660; (Б.7)
- для точек в, р
Y0 = H(Hв = 550 мм; Hр = 300 мм); (Б.8)

; (Б.9)
- для точек е, д, г
Y0 = H - B·0,000134h; (Б.10)

; (Б.11)
- для точек ж, з
Y0 = H + B·0,000134h; (Б.12)

; (Б.13)
- для точек с, т
Y0 = H; (Б.14)
X0 = B. (Б.15)
Координаты
X0 и
Y0 точек нижнего очертания габарита
Oм, не указанные в
Б.1, следует принимать по
рисунку 7.
Б.4 Вертикальные и горизонтальные координаты точек габарита Oм (соответственно Yвн, Yнар и Xвн, Xнар) для внутренней и наружной сторон кривой во второй системе координат определяют по формулам:

; (Б.16)

; (Б.17)

; (Б.18)

, (Б.19)
где

- угол наклона пути к горизонтали в градусах, определяемый по формуле

, (Б.20)
где h - возвышение наружного рельса в кривой, мм;
1600 - расстояние между кругами катания колес по рельсам, мм.
Б.5 Числовые значения координат X0, Y0, Xвн, Yвн, Xнар, Yнар, рассчитанные в соответствии с данной методикой, приводят в соответствующей инструкции по применению габаритов приближения строений, оборудования и подвижного состава метрополитенов.
(обязательное)
МЕТОДИКА ОПРЕДЕЛЕНИЯ СТРОИТЕЛЬНЫХ РАЗМЕРОВ
ПОДВИЖНОГО СОСТАВА ГАБАРИТА M
В.1 Определение горизонтальных ограничений габарита M
В.1.1 Горизонтальные ограничения подразделяются на внутренние (Eв) и наружные (Eн).
Ограничения следует определять:
- внутренние - для поперечных сечений, расположенных в пределах базы подвижного состава (между направляющими сечениями
<*>);
- наружные - для поперечных сечений, расположенных за пределами базы подвижного состава (снаружи направляющих сечений <*>).
--------------------------------
<*> Направляющие сечения - сечения, проходящие через оси колесных пар для двухосных единиц подвижного состава и через вертикальные оси шкворней тележек для четырехосных.
В.1.2 Величину внутренних ограничений Eв, мм, и наружных Eн, мм, определяют по формулам:

, (В.1)

. (В.2)
В.1.2.1

- горизонтальное перемещение подвижного состава соответственно в кривой и в прямой при извилистом его движении из-за наличия зазора между внутренней рабочей гранью рельса и гребнем поверхности катания колеса при максимальной (с учетом допуска) ширине рельсовой колеи (в кривой -
Sкр, в прямой -
Sпр) и минимально допустимой в эксплуатации толщине гребня поверхности катания колеса.
Величины Sкр и Sпр, мм, определяют по формулам:

, (В.3)

, (В.4)
где d = d' + 2h' - минимальное расстояние между наружными гранями предельно изношенных гребней поверхностей катания колес, мм;
d' - минимальное расстояние между внутренними гранями поверхностей катания колес с учетом минусового допуска, мм;
h' - минимальная толщина гребня поверхности катания колеса, мм.
В случае, если сумма

для
Eв меньше минус 8, а

для
Eн - меньше минус

, то ее следует принимать равной нулю, а расчеты вести из условий вписывания подвижного состава в прямую, заменив в
формулах (В.1) и
(В.2) член

на

.
В.1.2.2 q - наибольшее возможное поперечное перемещение рамы тележки в направляющем сечении в одну сторону из центрального положения относительно колесной пары вследствие зазоров при максимальных износах в буксовом узле и узле сочленения рамы тележки с буксой, мм.
В.1.2.3 w - наибольшее возможное поперечное перемещение кузова в направляющем сечении в одну сторону из центрального положения относительно рамы тележки вследствие зазоров при максимальных износах и упругих колебаний в узле сочленения кузова и рамы тележки, мм.
В.1.2.4

- геометрический вынос рассматриваемого внутреннего поперечного сечения подвижного состава в кривой расчетного радиуса сверх выноса в этой кривой середины расчетного вагона, мм.
Величину

, мм, определяют по формуле

, (В.5)
где nв - расстояние от рассматриваемого внутреннего поперечного сечения подвижного состава до его ближайшего направляющего сечения, м;
l - база вагона, м;
p - база тележки, м.
Для наиболее неблагоприятного внутреннего сечения - до среднего сечения (где nв = nср = 0,5l).
Величину

, мм, определяют по формуле

. (В.6)
В.1.2.5

- геометрический вынос рассматриваемого наружного поперечного сечения подвижного состава в кривой расчетного радиуса сверх выноса в этой кривой конца расчетного вагона, мм.
Величину

, мм, определяют по формуле

, (В.7)
где nн - расстояние от рассматриваемого наружного поперечного сечения подвижного состава до его ближайшего направляющего сечения, м.
Для наиболее неблагоприятного наружного сечения - концевого, для которого
nн =
nк = 0,5, где
L - длина кузова вагона, м, величину геометрического выноса

, мм, определяют по формуле

. (В.8)
В.1.2.6

- боковое перемещение кузова рассматриваемого подвижного состава во внутреннюю сторону кривой (при максимальном возвышении наружного рельса
h = 120 мм) из-за его наклона на рессорах под воздействием силы тяжести при остановке сверх аналогичного перемещения кузова расчетного вагона.
Величину

, мм, определяют по формуле

, (В.9)
где H - высота рассматриваемой точки габарита, м;
h0 - высота центра поворота кузова на рессорах, считая от УГР, определяемая расчетом или экспериментально.
При отсутствии расчетных или экспериментальных данных величину h0 для проектируемого вагона допускается принимать равной расстоянию от УГР до оси колесной пары;

- коэффициент наклона проектируемого вагона, определяемый по формуле

, (В.10)
где G1 - вес обрессоренных частей тележки, тс;
G2 - вес кузова брутто, тс;
H1 - расстояние от оси колесной пары до центра тяжести обрессоренных частей тележки, мм;
H2 - расстояние от оси колесной пары до центра тяжести кузова, мм;
H3 - расстояние от оси колесной пары до верхней опорной поверхности рессор центрального подвешивания тележки, мм;

- жесткость рессор буксового подвешивания тележки, тс/мм;

- жесткость рессор центрального подвешивания тележки, тс/мм;
Cб, Cц - половина расстояния между серединами комплектов в поперечном направлении соответственно буксового и центрального подвешивания тележки, мм;
Жг - поперечная жесткость буксового и центрального подвешивания тележки, тс/мм.
Для ориентировочных расчетов коэффициент

допускается определять по формуле

(В.11)
где Жу - угловая жесткость тележки, тс/мм, определяемая по формуле

, (В.12)
где Жэ - общая жесткость эквивалентного рессорного подвешивания одной стороны вагона, тс/мм, определяемая по формуле

, (В.13)
где Жб - жесткость рессор буксового подвешивания с одной стороны тележки, тс/мм;
Жц - жесткость рессор центрального подвешивания с одной стороны тележки, тс/мм.
В.1.2.7

- боковое перемещение кузова проектируемого вагона в наружную сторону кривой при его наклоне на рессорах под воздействием избыточной центробежной силы при непогашенном поперечном ускорении 0,5 м/с
2 сверх аналогичного перемещения кузова расчетного вагона.
Величину

, мм, определяют по формуле

. (В.14)
В.1.2.8
bac - боковое перемещение кузова при его наклоне на рессорах на угол

от неравномерного (асимметричного) расположения полезной нагрузки.
Величину bac, мм, определяют по формуле

. (В.15)
Величину угла

, рад, необходимо определять из условия поперечного перемещения центра тяжести стоящих пассажиров на величину
ep = 100 мм от оси кузова, по формуле

, (В.16)
где

- угол наклона кузова на буксовых рессорах от неравномерной загрузки подвижного состава, рад;

- то же, на центральных рессорах, рад.
Величины

и

определяют по формулам:

; (В.17)

, (В.18)
где pac - вес стоящих пассажиров при плотности 10 человек на 1 м2 свободной площади пола салона вагона, тс.
Для вагонов с пневморессорами величину угла

, рад, определяют по формуле

, (В.19)
где f' - возможный перепад высоты центральных рессор за счет нечувствительности высокорегулирующих клапанов.
В.1.2.9

- боковое перемещение кузова при наклоне на рессорах на угол

вследствие неравномерной осадки рессор ненагруженного вагона и выбора зазора в скользунах, рад.
Величину

, мм, определяют по формуле

. (В.20)
В.1.2.10
bn - боковое перемещение кузова при его наклоне на угол

вследствие поломки одного витка в каждой центральной пружине одной стороны тележки.
Величину bn, мм, определяют по формуле

, (В.21)
Величину

, рад, определяют по формуле

(В.22)
где

- расстояние от центра поворота кузова на рессорах до его центра тяжести, мм;
f - дополнительный прогиб центральных пружин при поломке одного их витка одной стороны тележки.
Величину f, мм, определяют по формуле

, (В.23)
где Hц - расчетная высота пружины, мм;
dц - диаметр прутка пружины, мм;
i - число рабочих витков.
Величину Hц, мм, определяют по формуле

, (В.24)
где

- номинальная высота пружин под нагрузкой брутто, мм;

- угол боковой качки кузова проектируемого вагона, определяемый расчетом или экспериментально с учетом максимальных скоростей движения на перегоне, рад. При отсутствии расчетных или экспериментальных данных величину

допускается принимать равной 0,011.
Для вагонов на пневморессорах величину f, мм, определяют по формуле

, (В.25)
где fобщ - величина осадки лопнувшей пневморессоры в первый момент поломки, мм.
В.1.2.11

- разность перемещений кузова проектируемого и расчетного вагонов, возникающих при боковой качке.
Величину

, мм, для всех точек габарита
M, кроме точек 7, 8 и 9, определяют по формуле

, (В.26)
а для точек 7, 8 и 9 - по формуле

, (В.27)
где

, (В.28)

, (В.29)
где 0,011 - угол боковой качки, рад, учтенный при расчетах зазора между габаритом приближения оборудования и габаритом подвижного состава во всех его точках, кроме точек 7, 8 и 9;
0,0035 - то же, для точек 7, 8 и 9;

- угол боковой качки кузова проектируемого вагона, определяемый расчетом или экспериментально с учетом скоростей движения на станциях, рад.
При отсутствии расчетных или экспериментальных данных величины

и

для проектируемого вагона допускается принимать:

;

.
В.1.3
Формулы (В.1) и
(В.2) необходимо применять при определении допустимого строительного очертания кузова вагона и укрепленных на нем деталей по точкам 1 - 4, 5(5'), 6(6') и 7 - 11 габарита
M. При этом для точек 7, 8 и 9 член

в
формулах (В.1) и
(В.2) следует принимать с коэффициентом 0,7.
В
формуле (В.2) выражение

для вагонов, имеющих по экспериментальным данным угол влияния кузова не более 3·10
-3 рад, допускается принимать с коэффициентом 0,7. При этом член

следует принимать равным полному его значению.
В.1.4 При определении допустимого строительного очертания кузова вагона и укрепленных на нем деталей (подвагонного оборудования по точкам 12, 13, 14, 15 габарита
M) перемещения
bn,
bac,

,

,

и

учитывать не следует, а ограничения
Eв и
Eн, мм, определяют по формулам:

, (В.30)

, (В.31)
где 25 - коэффициент, учитывающий увеличение расстояния до контактного рельса и ограничение скорости движения в кривой радиусом 60 м.
В.1.5 Расчет горизонтальных ограничений Eв и Eн, мм, габарита M для определения строительного очертания рамы тележки и укрепленных на ней деталей следует производить по формулам, приведенным ниже.
Для точек 8 - 11:

, (В.32)

, (В.33)
для точек 12 - 15:

, (В.34)

, (В.35)
где

и

- расстояние от ближайшей оси колесной пары тележки до рассматриваемого соответственно наружного (находящегося за пределами базы тележки) и внутреннего (в пределах базы тележки) сечения тележки, м;

- возможное в эксплуатации поперечное перемещение рассматриваемой детали относительно рамы тележки, мм.
В.1.6 Расчет горизонтальных ограничений Eв и Eн, мм, для определения строительного очертания необрессоренных частей (колесных пар и жестко или шарнирно укрепленных на них деталей) по соответствующим точкам габарита M следует производить по формулам:

, (В.36)

, (В.37)
где

- возможное в эксплуатации поперечное перемещение рассматриваемой детали относительно колесной пары, мм.
В.1.7 Горизонтальные ограничения Eв и Eн для кузова и тележки следует рассчитывать сначала для их внутреннего среднего и наружного концевого сечений. По наибольшим величинам из полученных ограничений должна быть определена допустимая ширина соответственно кузова и тележки.
Допустимые размеры деталей, укрепленных на кузове и тележке, следует определять для каждого из сечений, в которых находятся соответствующие детали.
В.2 Определение вертикальных ограничений габарита M
В.2.1 Возможное в эксплуатации понижение необрессоренных частей h1, мм (колесных пар и жестко или шарнирно укрепленных на них деталей, а также деталей, опирающихся на буксы), определяют по формуле

, (В.38)
где

- понижение колесных пар вследствие уменьшения толщины обода колес в результате их обточек при ремонтах, износа и местных неровностей на поверхности катания. Величину

, мм, следует определять как разность между проектной толщиной обода нового колеса и допускаемой в эксплуатации наименьшей (браковочной) толщиной обода колеса;

- понижение деталей, опирающихся на буксы, вследствие износа опорных поверхностей, мм.
В.2.2 Возможное понижение h2, мм, обрессоренной рамы тележки и укрепленных на ней деталей определяют по формуле

, (В.39)
где f01 - равномерная статическая осадка рессорных комплектов буксового подвешивания порожнего вагона вследствие старения рессор, принимаемая равной 5 мм;
f1 - статический прогиб, мм, рессор надбуксового подвешивания от расчетной нагрузки, определяемой по формуле

, (В.40)
где Pp - расчетная нагрузка на вагон, тс;

- гибкость рессор надбуксового подвешивания тележки, мм/тс;

- износ в узле соединения рамы тележки и рассматриваемой детали, мм.
Расчетную нагрузку на вагон следует определять исходя из следующих условий:
- вес одного пассажира - 70 кгс;
- все места для сидения заняты, а на 1 м2 свободной площади пола салона вагона находится 10 человек.
В.2.3 Возможное понижение h3, мм, надрессорного бруса и укрепленных на нем деталей определяют по формуле
h3 = h2 + f02 + f2, (В.41)
где f02 - равномерная статическая осадка рессорных комплектов центрального подвешивания ненагруженного вагона вследствие старения рессор, принимаемая равной 10 мм;
f2 - статический прогиб, мм, рессор центрального подвешивания от расчетной нагрузки, определяемый по формуле

, (В.42)
где

- гибкость рессор центрального подвешивания тележки, мм/тс.
В.2.4 Возможное понижение h4, мм, обрессоренного кузова (рамы) и укрепленных на нем деталей определяют по формуле

, (В.43)
где

- вертикальный износ пятника и подпятника, мм;

- износ в узле соединения кузова (рамы) и рассматриваемой детали, мм;

- понижение кузова (рамы) и укрепленных на нем деталей вследствие галопирования и подпрыгивания, мм.
В.2.5 При расчете предельных понижений частей подвижного состава, расположенных на значительных расстояниях от опорных пятников (в средних и концевых сечениях), следует учитывать также прогибы элементов конструкции от расчетной нагрузки. Для промежуточных сечений величину указанных понижений следует определять исходя из линейного закона изменения прогиба, принимая величину прогиба в направляющих сечениях равной нулю.
| Указания по применению габаритов приближения строений, оборудования и подвижного состава метрополитенов ГОСТ 23961-80 (утверждены заместителем Министра путей сообщения СССР 30 июля 1981 г.) |
УДК 629.4.012 | |
Ключевые слова: метрополитен, тоннели, габарит подвижного состава, транспорт |