Главная // Актуальные документы // Журнал (форма)СПРАВКА
Источник публикации
М.: Стройиздат, 1979
Примечание к документу
Название документа
"Руководство по съемке и составлению планов подземных коммуникаций и сооружений"
"Руководство по съемке и составлению планов подземных коммуникаций и сооружений"
ПО СЪЕМКЕ И СОСТАВЛЕНИЮ ПЛАНОВ
ПОДЗЕМНЫХ КОММУНИКАЦИЙ И СООРУЖЕНИЙ
Рекомендовано к изданию Отделом типового проектирования и организации проектно-изыскательских работ Госстроя СССР и Секцией инженерной геодезии НТС ПНИИИС.
В Руководстве приведены общие сведения об устройстве, размещении и внешних признаках подземных инженерных коммуникаций (сетей), изложены методы работ по перенесению в натуру и съемке подземных коммуникаций в процессе строительства, а также работ по съемке и обследованию существующих подземных коммуникаций, находящихся в эксплуатации, приведено описание современных отечественных приборов поиска, принципов их работы и методов отыскания скрытых подземных коммуникаций, изложено содержание планов подземных коммуникаций в масштабах 1:5000 - 1:500 и дана методика их составления.
Руководство предназначено для работников изыскательских, проектно-изыскательских и строительных организаций, выполняющих работы по исполнительной съемке подземных коммуникаций в процессе строительства, по поиску и съемке существующих подземных коммуникаций.
Руководство составлено ПНИИИС Госстроя СССР (кандидаты техн. наук С.А. Алейников, Т.А. Ларина, инженеры Е.Н. Говорушенко, П.И. Остапенко, В.Н. Хабаров), а также Мосгоргеотрестом (канд. техн. наук Б.И. Коськов) и объединением Стройизыскания (канд. техн. наук Е.И. Фокин, инж. В.М. Тверской).
Редакторы - кандидаты техн. наук В.И. Леонов (Госстрой СССР), С.А. Алейников (ПНИИИС) и Б.И. Коськов (Мосгоргеотрест)
1.1. С ростом благоустройства городов и сельских населенных пунктов, технического уровня современных промышленных предприятий, добычи полезных ископаемых непрерывно растет насыщенность их территорий различными инженерными коммуникациями. Для строительства, проектирования и эксплуатации городских и промышленных объектов требуются точные данные о размещении в плане и по высоте всего комплекса инженерных коммуникаций с указанием их технических характеристик. Это вызывает необходимость проведения большого объема инженерно-геодезических работ по съемке и составлению планов инженерных коммуникаций.
1.2. Инженерные коммуникации - это линейные сооружения с технологическими устройствами на них, предназначенные для транспортирования жидкостей, газов и передачи энергии. Их можно разделить на две группы: подземные и надземные коммуникации. В качестве синонимов их также называют инженерными сетями, а отдельные коммуникации - трассами или прокладками.
1.3. Подземные инженерные коммуникации состоят из трубопроводов, кабельных линий и коллекторов, а надземные - из трубопроводов, линий электропередач (ЛЭП) и связи (ЛЭС).
1.4. Инженерные коммуникации классифицируют по видам в зависимости от характера транспортируемых жидкостей, газов и энергии. Так, трубопроводы обобщенно принято делить на водопроводы, канализацию, теплопроводы, газопроводы и специального назначения, а кабельные линии, ЛЭП и ЛЭС - на сети высокого и низкого напряжения и сети слабых токов.
1.5. Характер обустройства местности, где проложены инженерные коммуникации, во многом определяет особенности их размещения и технологических связей.
1.6. Территории современных городов насыщены системой инженерных коммуникаций, проложенных преимущественно ниже поверхности земли. Размещение городских инженерных коммуникаций определяется размером и конфигурацией территории города, плотностью и этажностью застройки, уровнем развития коммунального хозяйства города (поселка).
Наиболее полно использовано подземное пространство города в пределах территорий городских улиц. Здесь размещение подземных инженерных коммуникаций осуществлено при преимущественно минимальных расстояниях в плане между отдельными прокладками, а также между ними и зданиями, сооружениями, дорогами и т.д.
(прил. 1). Большое распространение получили совмещенные прокладки подземных коммуникаций в коллекторах. Особо плотное размещение коммуникаций характерно для центральных улиц и площадей. На территориях внутри городских кварталов подземные инженерные коммуникации размещены со значительно меньшей плотностью.
1.7. Территории промышленных предприятий в большинстве случаев характеризуются сложной сетью подземных и надземных коммуникаций, особенно на предприятиях химической, нефтеперерабатывающей и металлургической промышленности. Инженерные сети на территориях промышленных предприятий прокладываются вдоль проездов, а также между зданиями и сооружениями. В результате вся территория многих предприятий заполнена сплошной сетью инженерных коммуникаций разнообразного назначения.
1.8. Существенные отличия в размещении и технологических связях инженерных коммуникаций наблюдаются для территорий разрабатываемых месторождений полезных ископаемых. Наиболее характерными являются территории нефтепромыслов, где сбор и транспортирование нефти и газа, водоснабжение, энергоснабжение и связь обеспечиваются развитой сетью подземных трубопроводов, а также ЛЭП и ЛЭС. Инженерные коммуникации на территориях нефтепромыслов размещены неравномерно. Подземные инженерные коммуникации представлены в основном нефтепроводами, газопроводами, водопроводами и кабелями технических средств управления и связи. Исключение составляют участки товарных парков, сборных пунктов, нефтебензиновых заводов и других локальных объектов, которые по насыщенности и многообразию инженерных коммуникаций можно приравнять к территориям промышленных предприятий.
1.9. Инженерные коммуникации территорий сельских населенных пунктов характеризуются небольшим числом видов сетей главным образом коммунально-бытового назначения. При этом трубопроводы, как правило, подземные, а кабельные линии - надземные. Совмещенные прокладки на этих территориях обычно не применяются.
1.10. На незастроенных территориях инженерные коммуникации представлены отдельными магистральными трубопроводами, надземными и подземными линиями электропередач и связи. При этом местоположение и назначение магистральных коммуникаций в большинстве случаев определяется опознавательными столбами.
1.11. Различают исполнительную съемку коммуникаций и съемку существующих коммуникаций. Исполнительная съемка инженерных коммуникаций выполняется в процессе и по окончании строительства, но до засыпки траншей подземных инженерных коммуникаций землей. Съемку существующих коммуникаций выполняют в случаях отсутствия, утраты или недостаточной полноты и точности имеющихся материалов исполнительной съемки. При этом подземные коммуникации для съемки приходится предварительно отыскивать шурфованием или с помощью специальных приборов поиска - трубокабелеискателей. Съемка существующих инженерных коммуникаций, особенно их подземной, скрытой части, является более сложной и трудоемкой, чем исполнительная съемка, поэтому при организации инженерно-геодезических и других работ необходимо своевременно и качественно проводить исполнительные съемки в процессе строительства.
1.12. Исполнительная съемка инженерных коммуникаций содержит следующие виды работ:
подготовительные;
создание планово-высотной съемочной геодезической сети (обоснования);
планово-высотная съемка элементов инженерных коммуникаций с обмерами сооружений на них.
1.13. В дополнение к перечисленным видам работ при исполнительной съемке в состав съемки существующих инженерных коммуникаций входят рекогносцировка и обследование сооружений инженерных коммуникаций, а также отыскивание местоположения скрытых подземных сетей.
Содержание видов работ, выполняемых при съемке существующих инженерных коммуникаций, определяется характером снимаемой территории, объемом требуемых сведений о местоположении и технических характеристиках инженерных коммуникаций, наличием и качеством материалов исполнительной съемки.
1.14. По завершении полевых работ выполняется комплекс вычислительных, графических и картосоставительских работ. При исполнительной съемке эти работы заключаются в вычислении координат и высот точек планово-высотного обоснования, а также в составлении исполнительных чертежей, которые должны быть использованы при создании планов инженерных коммуникаций. В необходимых случаях составляются каталоги координат и технических характеристик коммуникаций и сооружений на них. При съемке существующих инженерных коммуникаций камеральные работы состоят в основном в составлении планов с выпиской на них основных технических характеристик инженерных коммуникаций. В отдельных случаях составляются планы инженерных коммуникаций по их отдельным видам, различного рода схемы и обмерные чертежи справочного или иллюстративного характера.
1.15. Содержание полевых и камеральных работ по съемке инженерных коммуникаций определяется в программе. Для производства исполнительной съемки отдельных коммуникаций или съемки существующих коммуникаций на малых участках местности достаточно вместо программы составлять техническое предписание. В указанной документации следует предусматривать состав, объемы, сроки выполнения, технические особенности производства работ, а также перечень материалов, представляемых заказчику.
1.16. По завершении полевых и камеральных работ составляется технический отчет (пояснительная записка), где приводятся фактически выполненные состав и объемы работ, технологические особенности съемки на данной территории, характеристика точности полученных планов или исполнительных чертежей.
А. СВЕДЕНИЯ О ПОДЗЕМНЫХ ИНЖЕНЕРНЫХ КОММУНИКАЦИЯХ
И ИХ ВНЕШНИХ ПРИЗНАКАХ
1.17. Трубопроводы обеспечивают транспортирование жидкостей и газов. Они бывают самотечные и напорные, токопроводящие и токонепроводящие. Большинство напорных трубопроводов являются токопроводящими. Подземные трубопроводы условно можно разделить на три группы: магистральные или транзитные, разводящие и внутриквартальные. Магистральные трубопроводы обслуживают отдельные городские районы, поселки и промышленные предприятия или нефтепромыслы. Разводящие сети обслуживают отдельные городские кварталы, группы цехов промышленных предприятий, сельские населенные пункты, а внутриквартальные - отдельные здания и сооружения.
ВОДОПРОВОД
1.18. Водопровод обеспечивает хозяйственно-питьевые, производственные и противопожарные нужды. Городская водопроводная сеть состоит из труб разного диаметра и назначения: водоводов, магистральных линий, распределительной сети и вводов в отдельные здания. Водоводы подают транзитом воду от водопроводной станции к району водопотребления. Магистральные линии являются ответвлениями от водоводов. Распределительная сеть подводит воду к отдельным зданиям и сооружениям.
Магистральные сети, как правило, делают кольцевыми.
1.19. На промышленных предприятиях водопроводная сеть может делиться на хозяйственно-противопожарную и промышленного водоснабжения.
Сеть промышленного водоснабжения может иметь различные виды водопроводов. Так, на предприятиях химической промышленности различают водопроводы умягченной, осветленной и речной воды, водопровод оборотных систем и др. со своими технологическими связями.
1.20. Для водоснабжения сельских населенных пунктов часто используются автономные водозаборы или артезианские скважины с разводящей сетью к отдельным зданиям.
1.21. Водоснабжение нефтепромыслов включает в себя водоводы от водозаборных сооружений до кустовых насосных станций (КНС) и распределительную сеть от КНС до нагнетательных скважин. Водоснабжение промышленных объектов и поселков, расположенных на территории нефтепромыслов, осуществляется от локальных водозаборов или магистральных водоводов с ответвлениями в виде разводящей сети и вводами в отдельные здания и сооружения.
1.22. Трубы водопроводной сети независимо от их диаметра, как правило, чугунные или стальные. На промышленных предприятиях, особенно для транспортирования неочищенных речных вод, применяются асбестоцементные или железобетонные трубы. Трубы водопроводной сети укладываются обычно параллельно поверхности земли на 0,2 - 0,5 м ниже глубины промерзания. Диаметры применяемых для водопроводной сети труб даны в
прил. 2.
1.23. Для эксплуатации и наблюдения за работой оборудования водопроводной сети сооружаются колодцы, габариты которых зависят от диаметров труб, глубины их заложения и типа установленной в них арматуры. Различают колодцы с задвижкой для включения и выключения сети, с вантузом для выпуска воздуха, скапливающегося в верхних точках перелома профиля водопровода, с выпуском, устанавливаемым в нижних точках перелома профиля для сбросов воды в водостоки или пониженные участки местности
(рис. 1). Различают также колодцы с противопожарными гидрантами
(рис. 2), обратными и предохранительными клапанами.
Рис. 1. Колодец с вантузом и задвижкой
на напорном трубопроводе
а - разрез; б - план; 1 - железобетонное перекрытие;
2 - бетон; 3 - щебеночное основание; 4 - заделка
глинобетоном; 5 - заделка смоляным канатом;
6 - стальное кольцо диаметром 300 мм
Рис. 2. Пожарные гидранты ленинградского и московского типов
а - сборный железобетонный круглый колодец над пожарным
гидрантом ленинградского типа; б - сборный железобетонный
круглый колодец над пожарным гидрантом московского типа;
1 - люк; 2 - конус; 3 - кольцо; 4 - плита для основания;
5 - пожарный гидрант
Колодцы на водопроводах устраиваются, как правило, при вводах в крупные здания и сооружения, в точках резкого перелома профиля, особенно на магистральных линиях. Колодцы с противопожарными гидрантами устанавливаются на разводящей и магистральной сети у въездов во дворы зданий, но не реже чем через 400 м. На промышленных предприятиях пожарные гидранты устанавливаются через 50 - 150 м. Повороты водопроводов, как правило, осуществляют без устройства колодцев. Наименьшее число колодцев характерно для водопроводов промышленного водоснабжения, межгородских магистральных водоводов, водопроводной сети на нефтепромыслах.
КАНАЛИЗАЦИЯ
1.24. Канализация представляет собой сеть подземных труб и каналов, служащих для удаления сточных загрязненных вод в очистные сооружения, а также атмосферных вод - в ближайшие водоемы.
1.25. Сточные воды подразделяются на хозяйственно-бытовые, промышленные и дождевые (ливневые). Соответственно этому разделяется и канализационная сеть. Городские канализационные сети в основном хозяйственно-бытовые и ливневые. При этом в больших городах хозяйственно-бытовые воды отводятся раздельно от ливневых. На промышленных предприятиях кроме перечисленных видов канализации имеется большая группа канализационных сетей, отводящих промышленные воды различной степени агрессивности. Так, на предприятиях химической промышленности различают кислые, щелочные, вискозные и концентрированные воды, отводимые по соответствующим канализационным сетям. В сельских населенных пунктах, как правило, имеется только хозяйственно-бытовая канализация.
1.26. Канализационная сеть является самотечной. Только на отдельных участках при перекачке сточных вод на более высокие горизонты прокладывается напорная канализация.
1.27. Канализационная сеть включает выпуски из зданий к смотровым колодцам, уличную (микрорайонную) сеть и коллекторы, отводящие воды в очистные сооружения.
1.28. При строительстве канализационной сети применяются железобетонные, керамические, асбестоцементные и чугунные трубы. Стальные трубы используются на отдельных участках в напорной канализации, при переходах через реки, железные дороги и в местах пересечения с другими подземными сетями и сооружениями. Диаметры труб, применяемых при строительстве безнапорной канализации, приведены в
прил. 3.
Минимальные уклоны трубопроводов допускаются не менее:
0,007 для труб диаметром 150 мм
0,005 " " " 200 "
0,0005 " " " 1250 мм и более
Смотровые колодцы или камеры устраиваются:
а) в местах присоединения трубопроводов;
б) в местах изменения направления, уклонов и диаметров трубопроводов;
в) на прямых участках через:
35 м при диаметре труб 150 мм
50 м " " " от 150 до 600 мм
75 м " " " от 600 до 1400 мм
150 м " " " более 1400 мм
На трубопроводах напорной канализации колодцы устанавливаются через 300 - 500 м и оборудуются так же, как колодцы водопроводной сети.
1.29. Глубина заложения трубопроводов канализации зависит от рельефа местности, требуемых уклонов, протяженности трасс и других факторов. На равнинных участках городских и промышленных территорий глубина заложения канализационных трубопроводов достигает 10 и более м. Минимальная глубина заложения труб канализации 0,7 м.
ГАЗОПРОВОДЫ
1.30. Городские газовые сети состоят из распределительных газопроводов, проложенных от газораспределительных станций (ГРС), газорегуляторных пунктов (ГРП) и газгольдерных станций к отдельным зданиям и сооружениям. На промышленных предприятиях газопроводы служат для подачи газа от ГРС к котельным, технологическим установкам и газокомпрессорным станциям. На территориях нефтепромыслов газопроводы обеспечивают транспортирование попутного газа от сборных пунктов до газокомпрессорных станций или газобензиновых заводов.
1.31. Городские газопроводы в зависимости от давления в них газа разделяются на следующие категории:
низкого давления (менее 0,05 кгс/см2);
среднего давления (от 0,05 до 3 кгс/см2);
высокого давления (до 12 кгс/см2).
1.32. Для магистральных газопроводов установлены три класса:
I - высокого давления при рабочем давлении свыше 25 атм;
II - среднего давления при рабочем давлении от 12 до 25 атм;
III - низкого давления при рабочем давлении до 12 атм включительно.
1.33. Газопроводы на нефтепромыслах разделяются на следующие категории:
вакуумные;
низкого давления, в которых рабочее давление не превышает 3 атм;
среднего давления - с рабочим давлением не более 16 атм;
высокого давления - с рабочим давлением более 16 атм.
1.34. Газопроводы укладываются преимущественно параллельно поверхности земли на глубине до 1,5 м с уклоном не менее 0,02. Газопроводы, транспортирующие осушенный газ, прокладываются на глубине до 1 м без соблюдения уклонов. На промышленных предприятиях газопроводы, как правило, прокладываются над землей на эстакадах или опорах. Нередки случаи размещения газопровода по кронштейнам, укрепленным на стенах зданий.
1.35. При строительстве газопроводов применяются стальные трубы, диаметры которых даны в
прил. 4.
1.36. На газовых сетях имеются следующие устройства: задвижки, конденсационные горшки
(рис. 3), контрольные трубки
(рис. 4), компенсаторы
(рис. 5), регуляторы давления
(рис. 6) и заливные сифоны (гидравлические запоры)
(рис. 7). Задвижки, заливные сифоны, конденсационные горшки и контрольные трубки выводятся на поверхность земли и плотно прикрываются металлическими крышками (коверами,
рис. 8), а компенсаторы, регуляторы давления и отчасти задвижки монтируются в колодцах
(рис. 9). Повороты газопроводов в большинстве случаев не имеют колодцев.
Рис. 3. Конденсационный горшок
а - установленный на линии; б - вынесенный в сторону
от линии; 1 - ковер; 2 - газопровод; 3 - отводная трубка;
4 - конденсационный горшок; 5 - трубка для удаления
конденсата
Рис. 4. Контрольная (нюхательная) трубка
а - сварной одинарный; б - линзовый; 1 - сальник
Рис. 6. Регулятор давления
1 - коробка мембраны; 2 - выход газа пониженного
давления; 3 - вход газа повышенного давления
а - вид сбоку; б - вид сверху
Рис. 9. Компенсатор с задвижкой, установленный в колодце
ТЕПЛОВЫЕ СЕТИ
1.37. Тепловые сети служат для транспортировки горячей воды или пара от ТЭЦ или местной котельной в жилые дома, промышленные предприятия и к другим потребителям.
1.38. Различают два основных вида теплоснабжения: местное (от отдельных котельных установок) и централизованное (от тепловых электростанций - ТЭЦ).
На территориях сельских населенных пунктов преобладает местное теплоснабжение, а в городах и крупных промышленных предприятиях - как местное, так и централизованное.
В зависимости от того, транспортируются ли пар или горячая вода, различают паровое и водяное теплоснабжение. Паровые сети строятся преимущественно на промышленных предприятиях, примыкающих к ТЭЦ, а водяные служат для отопления жилых и общественных зданий теплом и снабжения их горячей водой.
1.39. При централизованном теплоснабжении тепловые сети строятся по принципу построения водопроводов; т.е. состоят из магистральных теплопроводов с диаметром труб от 400 до 1200 мм, разводящей сети с диаметром труб от 200 до 350 мм и вводов в здания с диаметром труб от 50 до 200 мм.
При строительстве теплосетей применяют стальные трубы.
1.40. В городах и на промышленных предприятиях применяются следующие способы прокладки тепловых сетей:
надземная на опорах или эстакадах;
подземная бесканальная;
подземная в непроходных каналах;
подземная в полупроходных каналах;
подземная в туннелях (проходных каналах).
На территориях сельских населенных пунктов и поселков применяется в основном подземная прокладка труб без каналов или в непроходных каналах.
1.41. Тепловые сети оборудуются запорно-регулировочной санитарно-технической аппаратурой и контрольно-измерительными приборами, размещаемыми при подземной прокладке в колодцах или камерах, но не реже чем через 200 м. Для компенсации изменения длин труб - теплоносителей из-за колебаний температуры не реже чем через 100 м - устраиваются сальниковые или П-образные компенсаторы.
Глубина заложения теплопроводов колеблется от 0,5 до 1,5 м.
ВОДОСТОКИ
1.42. Для отвода дождевых и талых вод прокладываются водосточные сети, в которые разрешается спускать и другие воды:
грунтовые;
от поливки и мытья улиц;
конденсационные и от охлаждения производственной аппаратуры;
условно чистые производственные.
1.43. Сеть водостоков на городских и промышленных территориях состоит из:
а) дождеприемных колодцев (решеток), принимающих воды из лотков улиц;
б) веток (труб), соединяющих дождеприемные колодцы с коллекторами;
в) смотровых колодцев;
г) камер, перепадных колодцев, быстротоков и т.д.;
д) выпусков в водоемы или овраги с оголовками.
Дождеприемные колодцы располагаются в лотках улиц в пониженных местах на расстояниях 40 - 100 м друг от друга. При большем расстоянии между дождеприемными колодцами на коллекторах устраиваются дополнительные смотровые колодцы.
1.44. Водосточная сеть самотечная, с уклонами величиной от 0,05 до 0,005 м. Трубы водосточной сети выполняются из инертных материалов (асбестоцементные, бетонные и др.). Диаметры труб водосточной сети от 200 до 2000 мм.
ДРЕНАЖ
1.45. Основное назначение дренажей - понижение уровня грунтовых вод. По своему устройству дренажи подразделяются на горизонтальные (мелкого и глубокого заложения), вертикальные и сопутствующие.
1.46. Горизонтальный дренаж состоит из бетонных, асбестоцементных или деревянных труб, уложенных в грунте с уклонами от 0,04 до 0,002.
Для дренажей глубокого заложения наиболее часто применяют трубы диаметром 150 - 200 мм, а мелкого заложения - 100 мм.
1.47. Глубина заложения труб зависит от назначения дренажа и требуемого уровня понижения грунтовых вод. Грунтовые воды попадают в дренаж через отверстия в стенках и стыках труб.
Из отдельных дрен вода поступает в коллекторы и далее сбрасывается в ближайшие водоемы.
Для проверки работы дрен на примыканиях к коллектору ставятся смотровые колодцы. На дренах длиной более 100 м через каждые 30 - 50 м ставятся смотровые колодцы.
1.48. Вертикальный дренаж применяется при необходимости значительного понижения уровня грунтовых вод. Он образуется системой буровых скважин или колодцев, из которых вода удаляется откачкой при помощи насосов.
Попутный дрен прокладывается в каналах теплосети для сбора конденсационных вод.
ТРУБОПРОВОДЫ СПЕЦИАЛЬНОГО НАЗНАЧЕНИЯ
1.49. К трубопроводам специального назначения относятся воздухопроводы, бензопроводы, нефтепроводы, кислотопроводы, мазутопроводы и др. Прокладываются они в виде подземных и надземных трубопроводов; строятся главным образом из стальных труб; имеют весьма ограниченное число колодцев; закладываются на глубине не более 1,5 м.
1.50. Большая часть указанных трубопроводов строится на территориях промышленных предприятий и представлена в виде локальных сетей, связывающих соответствующие технологические установки.
За исключением нефтепроводов и воздухопроводов для строительства трубопроводов специального назначения, применяются трубы диаметром от 32 до 200 мм. Диаметр труб воздухопроводов колеблется в пределах от 32 - 100 мм для транспортирования сжатого воздуха, до 1500 мм для воздухоочистных сооружений.
Нефтепроводы прокладываются на ряде промышленных предприятий, но главным образом для сбора и транспорта нефти на действующих нефтепромыслах. Нефтепроводы промышленных предприятий имеют те же характерные черты, что и другие трубопроводы специального назначения.
1.51. На территориях нефтепромыслов нефтепроводы делятся на:
а) выкидные линии от устьев эксплуатационных скважин до групповых замерных установок (ГЗУ);
б) сборные коллекторы, собирающие нефть от ГЗУ и транспортирующие ее к товарным паркам;
в) магистральные линии, транспортирующие нефть от товарных парков до мест потребления, переработки или длительного хранения.
Диаметр выкидных линий до 100 мм, коллекторов - 400 мм, а магистралей - до 1200 мм.
КАБЕЛЬНЫЕ СЕТИ
1.52. Кабельные сети разделяются на силовые кабели и кабели слабого тока. Силовые кабели делятся на высоковольтные (напряжением 1 кВ и более) и низковольтные, а кабели слабого тока в свою очередь на телефонные, телеграфные, кабели радиовещания, средств управления и телемеханики.
1.53. Кабели высокого напряжения служат для передачи электроэнергии от источников до трансформаторных подстанций или между трансформаторными подстанциями. Электрокабели напряжением до 10 кВ прокладываются на глубине 0,7 - 0,8 м, а большего напряжения - 1 - 1,5 м.
1.54. Кабели различают по материалу, количеству и сечению жил, типу защитных оболочек. В городских условиях кабели часто прокладывают в виде кабельной канализации, устроенной из керамических или асбестоцементных труб. Для протягивания кабеля на всех поворотах кабельной канализации устраиваются колодцы. На бронированных кабельных линиях смотровые колодцы устраиваются крайне редко.
По силовым кабельным электролиниям передается, как правило, переменный ток напряжением 50 Гц.
1.55. На территориях промышленных предприятий практикуется прокладка кабельных линий в каналах, тоннелях, а также по эстакадам и стенам зданий.
В сельских населенных пунктах для целей освещения и обеспечения работы силовых установок, как правило, строятся ЛЭП.
1.56. Подавляющая часть кабельных линий слабого тока представлена телефонной сетью. Кабели телеграфные и радиовещания, если они проложены под землей, строятся по типу телефонных сетей.
Обычно принятой системой построения телефонной сети является следующая: от телефонной станции кабели большой емкости прокладываются до планомерно размещенных по городу (промышленному предприятию, поселку городского типа) распределительных шкафов; от этих устройств отходят кабели малой емкости до распределительных коробок, устанавливаемых на лестничных клетках, внутридворовых стенах или внутри помещений; от распределительных коробок до аппаратов-абонентов идут абонентные провода.
На территориях городов и крупных промышленных предприятий строятся телефонные канализации по типу кабельных.
Глубина заложения кабелей слабого тока не превышает 1 м.
КОЛЛЕКТОРЫ
1.57. Коллекторы подразделяются на общие и специальные. В общих коллекторах прокладываются трубопроводы и кабели различного назначения. В общих коллекторах допускается размещение следующих видов сетей:
кабелей слабого тока всех назначений;
кабелей силовых напряжением не более 10 кВ;
труб разводящей водопроводной сети;
труб теплосети;
труб напорной канализации диаметром не более 500 мм;
труб самотечной канализации диаметром не более 300 мм;
труб водосточной сети;
газопроводов низкого и среднего давления (не более 6 кгс/см2) при условии оборудования коллектора вентиляцией и при отсутствии в нем силовых кабелей.
Специальные коллекторы служат для размещения однотипных сетей (канализация, водосток, кабельные линии).
Коллекторы имеют, как правило, прямоугольное или квадратное сечение. Для эксплуатации коллекторов устраиваются камеры главным образом в местах присоединения труб или кабелей.
ВНЕШНИЕ ПРИЗНАКИ ПОДЗЕМНЫХ ИНЖЕНЕРНЫХ КОММУНИКАЦИЙ
1.58. Приведенные сведения о системе построения, размещения и видах подземных инженерных коммуникаций позволяют установить внешние признаки, по которым в натуре можно определить местоположение скрытых сетей и в ряде случаев их назначение.
1.59. Внешние признаки подземных инженерных коммуникаций можно разделить на три группы:
1) сооружения и устройства, располагаемые непосредственно на трубопроводах и кабельных линиях;
2) здания, сооружения и инженерные комплексы, технологически необходимые для функционирования подземных инженерных коммуникаций определенного назначения;
3) микроизменения рельефа, растительного покрова и температуры грунта, вызванные наличием подземных инженерных коммуникаций.
1.60. К внешним признакам первой группы относятся:
а) для водопровода - колодцы, водоразборные колонки, пожарные гидранты, аварийные выпуски;
б) для канализации, водостоков и дренажа - колодцы, водосборные решетки, выпуски, дюкеры, оголовки водосбросов;
в) для газопровода - колодцы, коверы, вводы в здания с выходом на поверхность;
г) для теплосети - колодцы, камеры, выходы на поверхность;
д) для трубопроводов специального назначения - колодцы, выходы на поверхность, эксплуатационные скважины;
е) для кабельных сетей - колодцы, распределительные шкафы и коробки, наличие кабелеуказателей, вводы в здания с выходом на поверхность;
ж) для коллекторов - колодцы, камеры, выпуски (для специальных коллекторов).
При отыскании на местности и обследовании внешних признаков первой группы удается определить назначение подземных инженерных коммуникаций, а также частично или полностью установить их местоположение.
1.61. К внешним признакам второй группы относятся:
а) для водопровода - водонапорные башни, артезианские скважины, насосные станции, водозаборные и водоочистные сооружения;
б) для канализации - станции биологической очистки и очистные сооружения;
в) для газопровода - газорегуляторные пункты, газгольдерные станции или хранилища, газокомпрессорные установки, насосные станции;
г) для теплосети - котельные, тепловые электростанции, градирни, бойлерные, тепловые пункты;
д) для сетей специального назначения - станции воздухоочистки, кислородные станции, технологические установки различного назначения, хранилища бензина, мазута, нефти, химических реагентов;
е) для кабельных сетей - электростанции, трансформаторные подстанции, телефонные станции и узлы, радиостанции и узлы.
Наличие на местности указанных внешних признаков позволяет установить назначение скрытых подземных коммуникаций.
1.62. Строительство инженерных подземных коммуникаций и их функционирование приводит к микроизменениям рельефа, растительного покрова и температуры грунта. Так, по оси засыпанных траншей, особенно на неспланированных территориях сельских населенных пунктов и пригородных зон городов, заметны оседания грунта, со временем превращающиеся в узкие неглубокие канавы. На спланированных территориях следы засыпанных траншей хорошо заметны, когда строительство велось без полной реконструкции заасфальтированных улиц и проездов.
Растительный покров вдоль трассы подземных коммуникаций заметно отличается от окружающего разреженной растительностью, чередующейся с вытянутыми проплешинами.
Вдоль трасс подземных коммуникаций, транспортирующих нагретые жидкости и газы, температура грунтов выше, чем в естественных условиях. В результате на местности заметны полосы растаявшего в зимнее время снега, а на мокром асфальте вытянутые сухие участки.
При внимательном осмотре местности работы по определению местоположения скрытых коммуникаций значительно облегчаются.
1.63. Для определения видов инженерных коммуникаций, расположенных на участке работ, существенное значение имеет ознакомление на местности с характером застройки. Современные многоэтажные здания жилого, административного и социально-культурного назначения обеспечены канализацией, водопроводом, теплосетью и электроэнергией.
Если город, поселок и промышленное предприятие обеспечены газоснабжением, то, как правило, к такого рода зданиям подводится газопровод. Административные здания, кроме того, обеспечиваются телефонной сетью.
К зданиям малоэтажной застройки могут быть подведены один - четыре вида подземных коммуникаций. Обычно это водопровод, канализация, теплосеть и газ.
Для определения видов сетей специального назначения необходимо предварительное ознакомление с основами технологических процессов на территории снимаемого предприятия.
1.64. Знание внешних признаков подземных инженерных коммуникаций, характера и назначения зданий и сооружений на участке работ, а также основ технологии промышленного производства существенно облегчает съемку и составление планов снимаемых территорий.
Б. ОБЩИЕ ТРЕБОВАНИЯ К ПОСТРОЕНИЮ ПЛАНОВО-ВЫСОТНОЙ
СЪЕМОЧНОЙ ГЕОДЕЗИЧЕСКОЙ СЕТИ
1.65. Съемка инженерных коммуникаций в зависимости от назначения создаваемых планов, характера снимаемой территории и плотности размещения сетей может выполняться в масштабах 1:5000 - 1:500, а в отдельных, исключительных случаях - 1:200.
Для производства съемки создается вновь или используется имеющаяся планово-высотная геодезическая основа, представленная сетью пунктов триангуляции, полигонометрии, съемочной сети (обоснования) и нивелирования.
1.66. Построение планово-высотной геодезической основы осуществляется в соответствии с требованиями "Инструкции по топографо-геодезическим работам при инженерных изысканиях для промышленного, сельскохозяйственного, городского и поселкового строительства"
(СН 212-73). В настоящем Руководстве приводятся в необходимом объеме лишь те требования указанной инструкции, которые регламентируют построение планово-высотной съемочной сети, - наиболее массового вида работ, выполняемого при съемке инженерных коммуникаций.
1.67. Плановая съемочная сеть строится на основе триангуляционных, полигонометрических или трилатерационных сетей, а также в качестве самостоятельной геодезической основы.
Съемочная сеть представляет собой, как правило, теодолитные ходы или микротриангуляционную сеть.
Для угловых измерений возможно использование различных теодолитов, а именно: Т-5, Т-15, Theo-020 и других равноценных им. Линейные измерения выполняются светодальномером, оптическими дальномерами, мерными лентами и рулетками.
1.68. Относительные невязки в теодолитных ходах не должны быть более 1:2000, а абсолютные - не должны превышать величин, приведенных и табл. 1.
Таблица 1
При съемке в масштабе | На застроенной территории, км | На незастроенной территории, м | На незастроенных территориях в неблагоприятных условиях (заросли, болото, пахота, и др.), м |
1:500 | 0,25 | 0,4 | 0,5 |
1:1000 | 0,4 | 0,6 | 0,8 |
1:2000 | 0,6 | 0,9 | 1,2 |
1:5000 | 1,2 | 1,8 | 2,4 |
При неблагоприятных условиях измерений относительные невязки в теодолитных ходах могут быть допущены до 1:1000. В этом случае максимальные длины теодолитных ходов не должны превышать величин, предусмотренных табл. 1а для застроенных территорий.
Таблица 1а
Масштаб съемки | На застроенной территории, км | На незастроенной территории, км | Максимальная удаленность от узловых точек, км |
1:5000 | 4 | 6 | 3 |
1:2000 | 2 | 3 | 1,5 |
1:1000 | 1,2 | 1,8 | 1 |
1:500 | 0,8 | 1,2 | 0,7 |
1.69. В ходах длиной до 250 м при съемках в масштабах 1:5000 и 1:2000 и до 150 м - при съемках в масштабах 1:1000 - 1:500 допускаются следующие абсолютные величины невязок:
0,25 м для масштаба 1:5000 - 1:2000
0,15 м " " 1:1000
0,1 м " " 1:500
1.70. При съемке незастроенных территорий "висячие" ходы допускаются длиной не более:
500 м при съемке в масштабе 1:5000 и двух точках поворота;
300 м " " " " 1:2000 и двух точках поворота;
150 м " " " " 1:1000 - 1:500 и одной точке поворота.
1.71. На застроенных территориях допускается прокладка "висячих" теодолитных ходов не более чем с тремя поворотными точками и длиной не более:
350 м - при съемке в масштабе 1:5000
200 м - " " " " 1:2000
150 м - " " " " 1:1000
100 м - " " " " 1:500
Длины линий в теодолитных ходах должны быть не более 350 м и не менее 20 м - на застроенных и 40 м - на незастроенных территориях.
1.72. Измерение линий обязательно производится в прямом и обратном направлениях. Линии измеряются светодальномерами, оптическими дальномерами, мерными лентами и рулетками, причем мерные ленты и рулетки должны быть прокомпарированы, а у дальномеров определены их коэффициенты.
Поправка за наклон линии к горизонту учитывается при угле наклона более 1,5°.
1.73. Если разность температур воздуха при компарировании лент и измерении линий превышает 8 °C, то в длины линии вводятся поправки за температуру.
1.74. Углы в теодолитных ходах измеряются одним полным приемом с перестановкой лимба между полуприемами. Угловые невязки в замкнутых полигонах и разомкнутых ходах не должны быть более величины, подсчитанной по формуле
где n - число углов в полигоне или ходе.
1.75. На местности пересеченной и неудобной для линейных измерений, вместо теодолитных ходов съемочное обоснование может осуществляться построением микротриангуляции.
Микротриангуляция строится в виде сети треугольников, геодезических четырехугольников, центральных систем, а также цепочек треугольников, проложенных между двумя сторонами или пунктами опорной геодезической сети.
1.76. Между базисами допускается построение треугольников микротриангуляции в количестве не более:
20 - для съемки в масштабах 1:5000
17 " " " " 1:2000
15 " " " " 1:1000
10 " " " " 1:500
1.77. В самостоятельной сети треугольников базисы измеряются со средней относительной ошибкой не более 1:5000. Углы в сетях не должны быть менее 20°, а длины сторон - не менее 150 м.
Измерение углов в треугольниках и подсчеты допустимых ошибок осуществляются так же, как и в теодолитных ходах. Невязки в треугольниках микротриангуляции не должны быть более 1,5'.
1.78. При проложении теодолитных ходов для обоснования съемок в масштабах 1:1000 и 1:500 создается постоянная съемочная сеть (обоснование).
Точками постоянной съемочной сети служат углы капитальных зданий и сооружений, а также центры крышек колодцев подземных коммуникаций, расположенных как на тротуаре, так и в непосредственной близости от бортового камня, но так, чтобы между ними была взаимная видимость.
Крышки колодцев, используемые в качестве точек съемочной сети, должны выбираться в местах, удобных для производства съемок, но не реже, чем через 300 м.
Люки намеченных колодцев должны быть на уровне земли или асфальтового покрытия.
Координированию подлежат точки на углах капитальных зданий и сооружений, расположенные на высоте 1 м от поверхности земли (или на уровне высоты теодолита), но обязательно выше цоколя здания (сооружения).
В крышке колодца, включенного в постоянную съемочную сеть, просверливается отверстие диаметром 2 мм и глубиной 5 мм.
Исходными для определения координат точек постоянной съемочной сети могут быть только пункты опорной геодезической сети.
При проложении теодолитных ходов для создания постоянной съемочной сети измерение углов и линий производится в соответствии с требованиями
СН 212-73.
Точки постоянной съемочной сети используются в дальнейшем при производстве топографических и инженерно-геодезических работ.
1.79. При съемках подземных коммуникаций в масштабах 1:5000 и 1:2000 сгущение планового съемочного обоснования может производиться мензульными и тахеометрическими ходами в соответствии с требованиями табл. 2.
Таблица 2
Масштаб съемки | Максимальная длина хода, м | Максимальная длина линии, м | Максимальное число точек в ходе |
1:5000 | 1000 | 250 | 5 |
1:2000 | 500 | 200 | 5 |
Относительная невязка мензульного хода, проложенного между аналитически определенными пунктами с измерением расстояний по дальномеру, не должна превышать 1/300 длины хода.
Расстояния между точками мензульного хода определяются дальномером в прямом и обратном направлениях; линии, имеющие угол наклона более 3°, приводятся к горизонту.
При съемке в масштабе 1:2000 в определяемые расстояния вводятся поправки за постоянное слагаемое дальномера.
При измерении линий дальномером допустимая линейная невязка f тахеометрического хода определяется по формуле
где [S] - длина хода, м;
n - количество линий хода.
При измерении линий лентой относительная линейная невязка хода не должна быть более 1:1000.
1.80. Точность построения высотной съемочной опорной сети зависит от величины уклона самотечных сетей. Если на территории, подлежащей съемке, имеются самотечные линии с уклонами от 0,001 и более, то следует строить нивелирную сеть IV класса. Если величина уклона самотечных линий менее 0,001, то должна создаваться нивелирная сеть III класса.
Определение высот точек съемочной сети производится техническим нивелированием. При техническом нивелировании точек съемочной сети возможно использование следующих приборов: нивелиров, оптических теодолитов и теодолитов с уровнем при вертикальном круге. Целесообразно применять нивелиры с самоустанавливающейся линией визирования.
Нивелирование производится отдельными ходами, системой ходов и замкнутыми полигонами между марками и реперами III и IV классов.
Невязки в ходах и полигонах и ходах технического нивелирования не должны превышать величины

, а при значительных уклонах местности - величины

, где
L - число километров в ходе или полигоне;
n - число станций.
2. ПЕРЕНЕСЕНИЕ В НАТУРУ ПРОЕКТОВ ПОДЗЕМНЫХ КОММУНИКАЦИЙ
И ИХ ИСПОЛНИТЕЛЬНАЯ СЪЕМКА В ПРОЦЕССЕ СТРОИТЕЛЬСТВА
А. ПЕРЕНЕСЕНИЕ ПРОЕКТОВ ПОДЗЕМНЫХ КОММУНИКАЦИЙ В НАТУРУ
2.1. Перенесение проектов подземных коммуникаций в натуру осуществляется в соответствии с утвержденными рабочими чертежами.
Определение на местности положения запроектированных точек подземных коммуникаций осуществляется путем измерения горизонтальных углов, отрезков линий и высот.
В плановом отношении должны быть вынесены в натуру:
а) для водопровода, канализации, дренажа, электрокабелей и телефонной сети - точки присоединений или подключений, углов поворота осей сети и колодцев;
б) для газопровода и теплосети - точки присоединений, углов поворота осей сети, камеры и колодцы;
в) для совмещенных прокладок - точки оси основной сети, углов поворота, колодцев, камер, присоединений.
Примечания: 1. На прямолинейных участках трасс точки выносятся в натуру не реже, чем через 100 м.
2. Обязательно должны быть вынесены в натуру места пересечений с другими коммуникациями.
В высотном отношении должны быть вынесены в натуру проектные отметки от реперов и марок нивелирной сети.
ПЕРЕНЕСЕНИЕ В НАТУРУ ГОРИЗОНТАЛЬНЫХ УГЛОВ И ОТРЕЗКОВ ЛИНИЙ
2.2. До выдачи задания на разбивку необходимо произвести подготовительные работы:
а) выписать координаты и высоты пунктов опорной и съемочной геодезической сети на район трассы;
б) определить координаты точек начала и конца трассы, вершин ее углов поворота трассы;
в) определить длину прямых участков;
г) вычислить длину привязочных сторон до твердых контуров.
Примечание. Дирекционные углы и длины сторон между точками поворота трассы вычисляют по координатам, полученным графически.
2.3. Перенесение в натуру горизонтальных углов выполняется следующим образом: в исходной точке устанавливают теодолит, приводят его в рабочее состояние. Центрирование должно быть выполнено с ошибкой не более 3 мм.
Совмещают ноль алидады с нулем лимба и наводят зрительную трубу на точку
A, т.е. по направлению
OA (рис. 10). Закрепляют лимб, затем откладывают заданную величину угла. Вешением по теодолиту намечают направление на точку
B1. Затем переводят трубу через зенит и строят угол в том же порядке, но при другом круге. При наличии коллимационной ошибки получают на местности точку
B2.
Рис. 10. Построение угла на местности
Отрезок B1B2 делят пополам и получают точку B. Угол AOB - искомый. Построенный угол контролируют измерением его теодолитом на других частях лимба.
Перенесение отрезка линии в натуру должно быть осуществлено с относительной ошибкой не более 1:2000.
2.4. При построении на местности отрезков линий заданной длины, определенной по координатам или непосредственно взятой с плана, в ее значение исходя из конкретных условий вводят поправки за наклон линии, температуру и компарирование.
Поправку за наклон линии к горизонту вводят только в том случае, если угол наклона более 1,5°. Величина поправки определяется по формуле
где l - горизонтальное проложение линий;
h - превышение концов отрезка линии.
Поправка за наклон при построении линии на местности всегда вводится со знаком плюс. Поправка за температуру вводится в том случае, если разность температуры воздуха при компарировании мерного прибора и измерении линий на местности превышает 8 °C. Поправка за температуру определяется по формуле
где k - температурный коэффициент мерного прибора (для стали k = 0,000012);
l - длина отрезка линии;
t - температура для данного измерения;
t0 - температура компарирования.
Поправка за компарирование вводится, если длина мерного прибора отличается от нормальной более чем на 1:10 000.
2.5. Вынос проектных отметок осуществляется техническим нивелированием.
По рейке, установленной на репере, берут отсчет и вычисляют горизонт инструмента по формуле
ГИ = HR + a,
где ГИ - горизонт инструмента;
HR - высота репера;
a - отсчет по рейке, установленной на репере.
Для получения заданной высоты проектной отметки необходимо, чтобы отсчет по рейке, установленной на проектную точку, был равен
b = ГИ - Hпр,
где ГИ - горизонт инструмента;
Hпр - заданная высота.
Перемещая рейку вдоль кола или столба, установленных в проектной точке, фиксируют на нем положение проектного горизонта. В целях контроля эту операцию повторяют.
Б. ПЕРЕНЕСЕНИЕ ТРАСС В НАТУРУ
2.6. До начала полевых работ строительной организации передаются рабочие чертежи с проектными данными о подземных сетях и профилями их заложения.
Перенесение в натуру может осуществляться различными методами. Выбор метода перенесения зависит от характера застройки, протяженности трассы, заданной точности и от наличия пунктов опорных геодезических сетей и точек вспомогательной геодезической сети.
ГРАФИЧЕСКИЙ МЕТОД
2.7. При графическом методе в качестве данных для перенесения трасс в натуру используются угловые и линейные величины, непосредственно полученные с топографического плана, используемого для проектирования.
В качестве твердых контуров могут быть взяты углы и выступы капитальных зданий, точки вдоль фасадов зданий, положение которых определяется промерами от углов зданий или других твердых контуров.
Линейные промеры берутся только от четких контуров, непосредственно снятых с инструментальных ходов.
Для этого с плана определяются величины а, б, с, д, е; зная масштаб плана, получают искомые значения отрезков (рис. 11). Число засечек должно быть не менее трех.
Рис. 11. Перенесение трассы в натуру
Точность перенесения проекта трассы зависит от масштаба плана, от точности нанесения самой трассы на план, от погрешности в получении искомых значений и деформации плана.
Этот метод переноса удобен при наличии на трассе большого количества четких контуров вблизи трассы.
Для графического решения могут быть взяты расстояния по прямым линиям, соединяющим точки четких контуров.
При отсутствии четких контуров вблизи трассы прокладывается теодолитный ход с таким расчетом, чтобы после нанесения его на план по координатам точки трассы могли быть перенесены в натуру при помощи угловых и линейных измерений.
Точки теодолитного хода закрепляются в зависимости от местных условий коваными гвоздями, штырями, кольями.
АНАЛИТИЧЕСКИЙ МЕТОД
2.8. Аналитическая подготовка для перенесения трассы более совершенна и точна. Вынос трассы в натуру может быть осуществлен от пунктов (точек):
а) опорных геодезических сетей;
б) красных линий;
в) теодолитных ходов;
г) оси проезда;
д) строительной сетки.
При недостаточной плотности пунктов опорной геодезической сети исходными данными служат точки специально проложенных теодолитных ходов.
При наличии закрепленных в натуре осей проездов или красных линий перенесение трассы осуществляется непосредственно от них. Для перенесения трассы в натуру необходимы:
а) план трассы;
б) схема расположения пунктов полигонометрии;
в) данные о местоположении закрепленных красных линий, осей проездов (т.е. исполнительный чертеж перенесения проекта в натуру), точек теодолитных ходов;
г) разбивочный чертеж (рис. 12).
Рис. 12. Разбивочный чертеж
2.9. Перенесение точек трассы в натуру осуществляется теодолитом и мерной лентой или рулеткой. По координатам точек поворота трассы и координатам пунктов геодезической основы вычисляют необходимые данные для перенесения трассы, длины полярных расстояний, а по разности вычисленных дирекционных углов - углы поворота на искомые точки (см.
рис. 12) по формулам:
Промежуточные точки трассы выносятся как створные.
Если трасса проходит по застройке, то в натуру выносятся проектные точки пересечений трассы со зданиями, на которых фиксируется положение трассы.
2.10. При разбивках часто прибегают к графоаналитическому методу. Графоаналитический метод представляет собой комбинацию графического и аналитического методов.
Ось трассы, углы поворота и места пересечения их с существующими подземными сетями и сооружениями в натуре закрепляются штырями, кольями и т.д., а их положение фиксируется параллельными выносками или створными знаками.
На (рис. 13) точка

трассы закреплена створными выносками
MN и
LK.
Рис. 13. Закрепление точки створными знаками
2.11. Проверка правильности осуществления разбивки трассы в натуре производится от красных линий, осей проездов, специально проложенных теодолитных ходов или от существующих четких контурных точек.
По данным, полученным при проверке в поле, производится вычисление координат углов, колодцев и их высот, а также фактических отметок и сличение их с проектными.
Ось прокладки выносится в траншею с помощью натянутой проволоки между створными точками или точками поворота.
При наличии избыточных данных для перенесения проекта можно обойтись без проложения контрольного хода.
В. ПЕРЕНЕСЕНИЕ В НАТУРУ ПРОЕКТНЫХ ОТМЕТОК
ПОДЗЕМНЫХ КОММУНИКАЦИЙ
2.12. В случае недостаточной густоты пунктов (точек) геодезической основы вдоль трассы устанавливаются постоянные или временные реперы, высоты которых определяются нивелированием не ниже IV класса. Расстояние между реперами должно быть 200 - 250 м из расчета передачи высоты на трассу при одной постановке инструмента.
2.13. Нивелирование трассы производится с целью более точного определения положения ее в профиле, а также для контроля.
Вопрос о нивелировании трассы решается проектной организацией только после полевого обследования.
Если при полевом обследовании будет установлено расхождение между отметками на плане и высотами на местности, необходимо произвести техническое нивелирование. Нивелированию подлежат точки поворота трассы, существующие колодцы и центры проектируемых вынесенные в натуру, все характерные точки, точки пересечения трассой разных сетей.
2.14. Схема трассы с приложением описания местоположения реперов и схем их привязки, а также необходимые проектные данные передаются по акту строительной организации перед началом производства земляных работ.
2.15. Укладка труб по высоте при строительстве осуществляется:
а) по уровню;
б) с помощью ходовых и постоянных визирок, которые устанавливаются в местах будущих колодцев и поворотных точках;
в) по установленным маякам.
Укладка по уровню заключается в установке каждой трубы в отдельности.
Укладка труб с помощью ходовых визирок начинается с того, что точки трассы выносят на обноски. Обноска представляет собой обрезную доску прикрепляемую горизонтально к двум столбам, зарываемым в землю на глубину около 1 м по обеим сторонам траншеи и на расстоянии до 1,5 м от ее краев (рис. 14).
Рис. 14. Укладка труб с помощью ходовых визирок
Доска прибивается по высоте около 1 м от земли. На обноску выносят ось прокладки и отмечают ее гвоздем. Между смежными обносками по трассе натягивается проволока, фиксирующая ось прокладки или сооружения.
Трубы укладываются по отвесу, подвешиваемому к проволоке. К обноске прибивают брусок-полочку, на которую устанавливается и наглухо закрепляется в виде буквы T постоянная визирка, верхняя грань которой должна быть горизонтальна. Высота постоянной визирки зависит от выбранных длин ходовых визирок. Длина ходовой визирки должна быть такой, чтобы при установке ее в траншее верх визирки возвышался бы над поверхностью земли около 1 м.
В случае, если глубина траншеи большая (5 - 6 м), постоянная визирка может закрепляться от полочки вниз (рис. 15).
Рис. 15. Закрепление ходовой визирки для глубоких траншей
Практически чаще задаются ходовой визиркой определенной длины, наиболее удобная ее длина для работы 2, 3 или 4 м.
После получения высоты полочки необходимо вычислить с учетом длины ходовой визирки и уклонов, длины отрезков от полочек до граней постоянных визирок и отложить эти отрезки металлической рулеткой или рейкой.
Примеры вычисления превышения над обноской постоянных визирок и подбора ходовой визирки приведены в табл. 3.
Таблица 3
N колодцев | Отметки лотка труб, м | Отметки обноски, м | Разница, м | Отклонение, м | Ходовая визирка, м |
1 | 153,16 | 156,27 | 3,11 | 0,39 | 3,50 |
2 | 153,25 | 156,00 | 2,75 | 0,75 | 3,50 |
3 | 153,36 | 156,74 | 3,38 | 0,12 | 3,50 |
4 | 153,55 | 156,54 | 2,99 | 0,51 | 3,50 |
Если по трассе меняется диаметр труб, а длина ходовой визирки принималась от лотка, в таких случаях ходовая визирка в своей нижней части должна иметь башмак, который при укладке трубы вдвигается внутрь.
Трубы больших диаметров (800, 1000, 1500 мм) самотечных коллекторов, имеющих незначительные уклоны, укладываются на бетонные основания. Чтобы выдержать уклон с заданной точностью, по дну траншеи ставят по нивелиру маяки (колья, мерные штыри) через 10 - 20 м.
Отметки маяков рассчитывают в зависимости от проектного уклона.
2.16. Геодезические работы, связанные с разбивкой подземных коммуникаций на местности, начинаются с выноса точек поворота продольной оси прокладки. Наиболее распространены следующие способы:
а) полярный с контролем от ближайшей вынесенной в натуру точки;
б) линейных засечек;
в) створных засечек;
г) способ перпендикуляров.
Полярный способ применяется при разбивках на открытой местности, при возможности производства угловых и линейных измерений с точки стояния. Расстояния могут быть измерены мерной лентой, металлической рулеткой, оптическим дальномером, нитяным дальномером. Допустимые расстояния приведены в табл. 4.
Таблица 4
Метод определения расстояния | Расстояния, м |
Стальной 20-метровой лентой | 80 |
Стальной 50-метровой рулеткой | 100 |
Дальномерами ДД-5, ДНР-06 и др. | 80 |
Нитяным дальномером по рейке с сантиметровыми делениями | 20 |
Способ линейных засечек наиболее распространен при выносе точек трассы, близко расположенных к пунктам геодезической сети, (рис. 16) или к капитальной застройке. Число засечек должно быть не менее трех. Длины засечек не должны быть более длины мерного прибора.
Рис. 16. Схема перенесения на местность точек поворота
продольной оси траншеи от точек опорной геодезической сети
Угол при вершине засечки должен быть не менее 30° и не более 120°.
Способ створных засечек применим при наличии большого числа точек с известными координатами или опорных зданий.
Разбивка методом перпендикуляров рациональна в случае расположения трасс вдоль направления опорной геодезической сети, специально проложенного теодолитного хода или створной линии между зданиями.
При этом величина створа по продолжению здания должна быть не более половины длины здания, но в любом случае не должна превышать 60 м.
Длины перпендикуляров не должны превышать 4 м, более длинные перпендикуляры подкрепляются засечками.
РАЗБИВКА СОВМЕЩЕННЫХ ПРОКЛАДОК
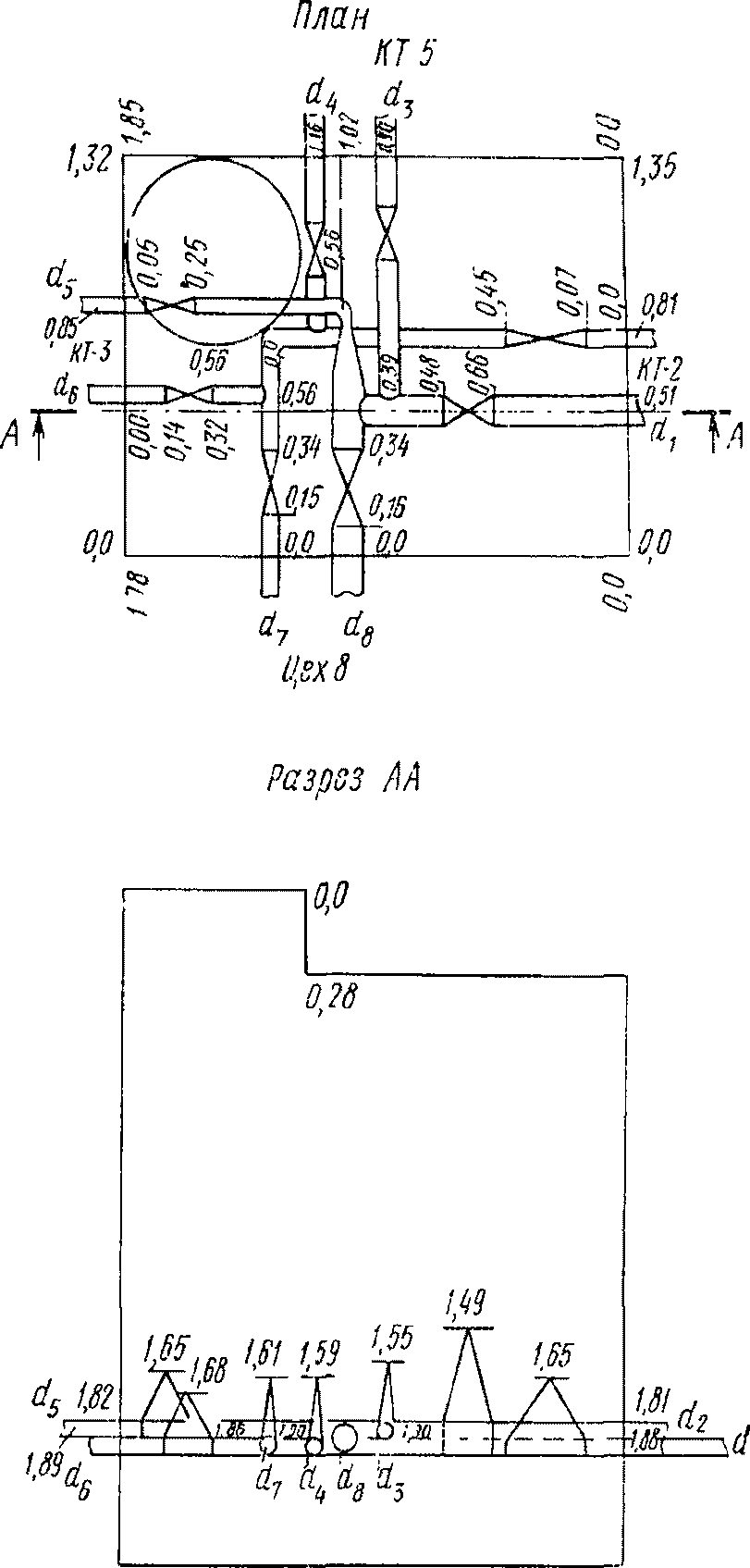
2.17. Совмещенная прокладка трубопроводов осуществляется в общих коллекторах или в одной траншее. Сочетание трубопроводов при прокладке в одной траншее может быть самым различным по назначению, величине сечения и количеству прокладок (
рис. 17 и
18).
Рис. 17. Разрез совмещенной прокладки трубопроводов
Рис. 18. Плановое изображение совмещенной прокладки
2.18. Порядок производства геодезических работ следующий:
1) камерально-вычислительные работы по подготовке исходных данных;
2) полевые работы - прокладка теодолитного хода для привязки трассы (в стесненных условиях);
3) расчет трассы и составление схемы;
4) прокладка контрольного хода по точкам трассы;
5) составление схемы трассы с привязкой точек или ведомости координат углов поворота и длин линий между ними.
Подготовка данных и сама разбивка осуществляется только для основной прокладки. Основной прокладкой считается та, которая имеет наибольшую длину, независимо от вида прокладки.
Для этого вдоль трассы намечаются через 70 - 100 м поперечники, к которым и относятся разбивочные данные.
На местности осуществляется вынесение всех поворотов, ответвлений прокладок от основной трассы.
ОСОБЫЕ СЛУЧАИ РАЗБИВОК
2.19. Если проектируемая трасса пересекает полотно железных или шоссейных дорог или другие препятствия, прибегают к скрытой проходке трассы, которая в зависимости от конкретных условий осуществляется различными методами:
а) продавливанием с выемкой грунта;
б) продавливанием без выемки грунта;
в) горизонтальным бурением;
г) вибровакуумным способом;
2.20. Во всех указанных случаях (кроме
подпункта "д") определяются точки подхода и выхода трассы у препятствия. Между этими точками вычисляются расстояние и данные для установки направляющих того или иного механизма, осуществляющего проходку, т.е. для получения направления и уклона (рис. 19).
Рис. 19. Разбивка трассы при пересечении препятствия
В этих точках проходят шахты (их габариты зависят от метода проходки) и в натуру выносятся точки a, b, c, d, определяющие направление трассы, на стенах котлованов или шахты, а также по возможности и на впереди лежащие местные предметы (стены домов, сараи).
2.21. При щитовой проходке порядок работы состоит в следующем:
1) полевые работы по созданию планово-высотного обоснования (на поверхности) в районе проектируемой проходки трассы и перенесение ее в натуру;
2) передача дирекционного направления и высот в низ шахты;
3) контроль выдерживания направления и уклона.
После перенесения трассы в натуру исходное направление ее фиксируется на опорной раме шахты.
При помощи двух тяжелых отвесов ее дирекционное направление передается в низ шахты. В целях контроля передача осуществляется несколько раз. Переданное вниз направление продолжается по створу и далее ход идет по проектному направлению. В створе последней линии снова точно устанавливаются отвесы, опускаемые через шахту, направление передается на дневную поверхность и осуществляется обычная привязка конечной точки хода.
Передача высот производится с помощью компарированной стальной рулетки.
2.22. Прокладка трассы через водные препятствия осуществляется с помощью дюкеров. В этих местах в натуре разбиваются центры верхней и нижней камер.
2.23. Допустимые отклонения по перенесению в натуру осей подземных сетей и сооружений в плане - величины одинаковые для всех прокладок и характеризуются ошибкой +/- 0,1 м при аналитических методах разбивки и +/- 0,2 м при использовании данных, полученных графическим путем.
Допустимые величины отклонений в высотном отношении не должны превышать для:
а) самотечных трубопроводов (канализация, водосток, дренаж) - +/- 5 мм;
б) других напорных трубопроводов - +/- 2 см;
в) кабельных и телефонных сетей, а также блочной канализации - +/- 5 см.
Д. СЪЕМКА ПОДЗЕМНЫХ КОММУНИКАЦИЙ
ЭЛЕМЕНТЫ ПОДЗЕМНЫХ ИНЖЕНЕРНЫХ КОММУНИКАЦИЙ,
ПОДЛЕЖАЩИЕ СЪЕМКЕ
2.24. Съемка подземных инженерных коммуникаций для составления исполнительных чертежей выполняется в процессе их строительства до засыпки траншей.
2.25. Независимо от вида подземной прокладки снимаются колодцы, камеры и люки, углы поворота, точки на прямолинейных участках по оси подземной сети не реже, чем через 50 м, места изменения уклонов коммуникаций и диаметров труб, места присоединения и ответвлений.
2.26. По каждому отдельному виду подземной инженерной коммуникации съемке и определению подлежат:
по водопроводу и трубопроводу специального технического назначения (нефтепровод, мазутопровод, маслопровод, золопровод и др.) - пожарные гидранты, задвижки, вантузы, аварийные выпуски, водоразборные колонки, упоры на углах поворота, диаметры труб;
по канализации (самотечной и напорной), водостоку и дренажу - аварийные выпуски, оголовки выпусков водостока, дождеприемники, ливнеспуски, очистные сооружения на водостоках, упоры на углах поворота напорной канализации, габариты зданий станций перекачки, водопроводных и канализационных насосных станций, диаметры труб;
по теплосети - компенсаторы, задвижки, неподвижные опоры, наземные павильоны над камерами, габариты зданий центральных тепловых пунктов (ЦТП), диаметры труб;
по газопроводу - коверы, регуляторы давления, задвижки, гидравлические затворы, контрольные трубки, компенсаторы, заглушки, габариты газораспределительных станций (ГРС), диаметры труб;
по электрокабелю - места выходов на стены зданий и опоры, сечения блоков или каналов по внешним габаритам, число каналов, линейные и тройниковые муфты, трансформаторы, габариты зданий ТП;
по слаботочной сети - коробки, шкафы (с указанием их типа или стандарта), сечение блоков или каналов по внешним габаритам, число каналов, развертки колодцев;
по электрозащите от коррозии - контактные устройства, анодные заземлители (с указанием глубины их заложения), электрозащитные установки, электрические перемычки, защитные заземления и дренажные кабеля.
При этом должны быть собраны сведения о количестве прокладок, отверстий, о материале труб, колодцев, каналов, о давлении в газовых и напряжении в кабельных сетях.
При расположении подземных инженерных сетей в блоках и тоннелях снимается только одна сторона их, другая же наносится по данным промеров. Выходы подземных сетей и элементы их конструкций должны быть связаны между собой или привязаны к твердым контурам застройки контрольными промерами.
При съемке кабелей в пучках замеры производятся до крайних кабелей с той или другой стороны.
2.27. Обязательной съемке подлежат все подземные сооружения, пересекающие или идущие параллельно прокладке, вскрытые траншеей. Одновременно со съемкой указанных элементов инженерных коммуникаций должна быть выполнена съемка текущих изменений.
Ширина полосы, охватываемой съемкой, устанавливается заданием, но должна быть не менее 20 м от оси прокладки.
При производстве работ рекомендуется давать единую нумерацию колодцев, камер и др.
ГОРИЗОНТАЛЬНАЯ СЪЕМКА
2.28. Плановое положение всех подземных коммуникаций и относящихся к ним сооружений может быть определено:
на застроенной территории - от четких точек капитальной застройки, от пунктов опорной геодезической сети или точек съемочного обоснования;
на незастроенной территории - с точек съемочного обоснования или с пунктов опорной геодезической сети;
в проходном коллекторе, засыпанном землей, - с проложенного внутри коллектора теодолитного хода.
2.29. Положение подземных коммуникаций от четких точек капитальной застройки определяется:
линейными засечками не менее трех (
рис. 20 и
21), длина их до 20 м, в исключительных случаях не более длины мерного прибора (50 м). Углы между смежными направлениями засечек у определяемой точки должны быть не менее 30° и не более 120°;
способом перпендикуляров длиной не более 4 м
(рис. 22), более длинные перпендикуляры подкрепляются засечками, засечки в этом случае должны быть не более 20 м;
способом створов - по продолжению (створу) контура зданий, между четкими точками и комбинацией их с засечками (
рис. 23 и
24). Допустимая длина створа по продолжению не должна превышать половины исходной стороны, но не более 60 м.
Рис. 20. Съемка теплосети линейными засечками
Рис. 21. Съемка отдельных колодцев
Рис. 22. Съемка способом перпендикуляров
Рис. 23. Съемка способом створов
а - по продолжению; б - между четкими контурами
Рис. 24. Съемка канализационных колодцев
а - засечками; б - способом створов
Съемка различными способами и комбинацией их показана на рис. 25.
Рис. 25. Съемка различными способами
2.30. От пунктов опорной геодезической сети и точек съемочной сети положение подземных коммуникаций определяется линейными засечками, перпендикулярами, полярным методом и комбинированным способом, т.е. мензулой в сочетании с теодолитом.
Съемка полярным способом выполняется с пунктов опорной геодезической сети, с точек съемочной сети или со вспомогательных точек, определенных тремя линейными засечками с твердых точек (рис. 26).
Рис. 26. Съемка полярным методом
В этом случае нуль лимба теодолита ориентируется на твердую точку, отстоящую от инструмента не менее чем на 50 м. Длина полярного направления не должна быть более 30 м при съемке в масштабе 1:500, 40 м - в масштабе 1:1000 и 60 м - в масштабе 1:2000.
Все линейные измерения производятся стальными лентами или рулетками. Измерять линии тесьмяными рулетками запрещается.
У колодцев, имеющих крышки в виде окружностей, определяется положение центра крышки, а у люков и решеток прямоугольной формы - снимаются два угла.
Расстояния до контуров не должны превышать величин, указанных в табл. 5.
Таблица 5
Способ измерения | Расстояния, м |
Мерной лентой или рулеткой | 120 |
Нитяным дальномером | 40 |
Оптическим дальномером | 80 |
2.31. При значительном (более 1 м) заглублении снимаемых элементов подземных сооружений вынос оси подземных коммуникаций на поверхность выполняется с помощью отвеса, прикрепленного к вешке или доске, укладываемой поперек траншеи (рис. 27).
Рис. 27. Вынос оси трубопровода на поверхность земли
при помощи отвеса
Оси подземных коммуникаций могут выноситься на поверхность земли при помощи вешки или рейки.
2.32. При съемке колодцев и камер производится обмер внутреннего и внешнего габаритов сооружения, его конструктивных элементов, определяется расположение труб и фасонных частей с привязкой к отвесной линии, проходящей через центр крышки колодца.
При этом должны быть установлены: назначение, конструкция колодцев, камер, распределительных шкафов и киосков, характеристика имеющейся в них арматуры.
2.33. Для газовых и тепловых сетей фиксируется расположение стыков относительно люков колодцев или камер (рис. 28) с указанием типа стыка.
Рис. 28. Схема расположения стыков на газопроводе
2.34. Результаты измерений заносятся в абрис, где делаются зарисовки в плане в сочетании со схемой прокладываемого теодолитного хода, показываются привязки к капитальной застройке, линейные размеры сооружения, сечения и т.д.
Все снимаемые элементы подземной инженерной сети последовательно, по ходу съемки нумеруются в полевых абрисах и журналах.
2.35. Съемка подземных инженерных коммуникаций, проложенных способом щитовой проходки, выполняется от пунктов опорной геодезической сети и точек съемочной сети, расположенных на земной поверхности в непосредственной близости от трассы тоннеля (не более чем 100 м от шахтных стволов буровых скважин).
В случае отсутствия в районе строительства коллекторного тоннеля пунктов геодезической, плановой и высотной сети необходимой точности она создается вдоль трассы тоннеля при помощи полигонометрических и нивелирных ходов.
Требования к подземной геодезической сети при строительстве коллекторных тоннелей приведены в табл. 6.
Таблица 6
Интервалы коллекторных тоннелей между шахтными стволами, м | Требования к геодезической плановой сети |
среднеквадратические ошибки | длина линии хода сторон, м | относительная среднеквадратическая ошибка измерения сторон хода |
ориентирования начальной стороны хода | измерения углов | минимальная | максимальная |
на кривых | на прямых |
До 200 | +/- 45" | +/- 35" | 40 | 40 | 160 | 1:1500 |
От 200 до 400 | +/- 22" | +/- 15" | 40 | 70 | 140 | 1:2500 |
От 400 до 600 | +/- 15" | +/- 8" | 40 | 80 | 150 | 1:3000 |
От 600 до 800 | +/- 11" | +/- 5" | 40 | 85 | 160 | 1:3500 |
Примечание. При длине интервала свыше 800 м и при проходке по кривым малого радиуса степень точности угловых и линейных измерений устанавливается расчетом.
2.36. При сдаче коллекторных тоннелей по каждому строительному объекту в составе рабочих чертежей представляется разбивочная схема главных осей коллекторного тоннеля с элементами кривых (радиусы, углы поворота, начало и конец кривой и др.).
Во время строительства тоннелей следует вести журнал геодезическо-маркшейдерского контроля.
2.37. В колодцах, построенных по типовым проектам, определяются лишь внецентренность и ориентировка. Внецентренность колодцев определяется, как правило, с помощью отвесов или рейки (рис. 29). Внецентренность колодца вычисляется по формуле
g = b - a.
Рис. 29. Определение внецентренности крышек колодца
а - на трубопроводе; б - на коллекторе
Внецентренность на коллекторах вычисляется по формуле
2.38. При съемке элементов подземных инженерных коммуникаций обязательным условием является контрольное измерение расстояний между ними.
ВЕРТИКАЛЬНАЯ СЪЕМКА
2.39. Высотное положение подземных инженерных коммуникаций, в том числе и углов их поворота, определяется до засыпки траншей техническим нивелированием в соответствии с требованиями
СН 212-73.
Высотное положение элементов инженерной сети в проходном коллекторе определяется от проложенного внутри него нивелирного хода.
При наличии густой сети реперов проложение нивелирного хода необязательно. В этом случае нивелирование элементов подземных инженерных коммуникаций для контроля производится отдельными станциями с привязкой к двум реперам (рис. 30).
Рис. 30. Схема нивелирования колодцев
Определение высотных отметок от условного начала запрещается.
2.40. При глубоком заложении подземных коммуникаций, когда получение в необходимых местах высот точек элементов коммуникаций не может осуществляться непосредственно нивелирной или глубинной рейкой, эти высоты получают измерением металлической рулеткой вертикального расстояния от кольца колодца, на который передана отметка (рис. 31).
Рис. 31. Измерение расстояния до лотка трубы
2.41. Нивелированием определяются высоты пола и верха коллектора, верха и низа кабельной канализации в пакетах (блоках), верха бронированного кабеля, верха трубопроводов, поверхности земли (бровки траншей) в характерных местах, углов поворота и точек изменения уклонов подземных коммуникаций, обечаек люков и всех остальных точек, заснятых в плане.
В канализации (фекальной и ливневой), дренаже и других самотечных трубопроводах нивелируются лотки труб. Кроме того, определяются высоты элементов всех существующих инженерных коммуникаций, вскрытых в траншеях при строительстве.
2.42. Для нивелирования рекомендуются двусторонние шашечные рейки с круглым уровнем. Расхождения в превышениях, полученных по черным и красным сторонам реек, для каждой станции не должны превышать +/- 5 мм. Расстояние от инструмента до реек не должно быть более 100 м.
2.43. Высоты временных реперов или точек плановой съемочной сети определяются по данным нивелирного хода с включением их в ход как связующих точек. Нивелировка их как промежуточных точек не допускается.
Е. СОДЕРЖАНИЕ И СОСТАВЛЕНИЕ ИСПОЛНИТЕЛЬНЫХ ЧЕРТЕЖЕЙ
2.44. Исполнительный чертеж является документом, определяющим тип, конструкцию, плановое и высотное местоположение проложенных подземных коммуникаций.
Исполнительный чертеж входит в состав обязательной исполнительной документации, изготовляемой в соответствии с действующими техническими требованиями и предъявляемой строительной организацией при сдаче в эксплуатацию законченных строительством подземных коммуникаций.
Исполнительный чертеж используется в качестве исходного документа при составлении планов подземных инженерных коммуникаций.
2.45. В состав исполнительного чертежа входят:
1) топографический план в масштабе 1:500 или 1:1000 с изображением рельефа горизонталями или высотами, а также существующих и вновь построенных подземных коммуникаций;
2) продольный профиль по оси построенного сооружения;
3) планы и разрезы колодцев (камер);
4) поперечные сечения коллекторов, каналов, футляров с указанием диаметров, расположенных в них труб и марок кабелей;
5) каталог координат выходов, углов поворота и створных точек на прямолинейных участках подземных коммуникаций при производстве съемки с пунктов опорной геодезической сети и с точек съемочной сети.
2.46. Топографической основой для составления исполнительного чертежа построенных подземных инженерных коммуникаций служат планы в масштабе 1:500 - 1:1000, полученные в результате выполнения исполнительной топографической съемки.
Эти планы при приемке объектов в эксплуатацию одновременно являются и юридическим документом, подтверждающим правильность переноса на местность проектов подземных коммуникаций, зданий, сооружений, дорог, благоустройства, озеленения и вертикальной планировки территории, а также подтверждающим фактически произведенный объем строительства.
2.47. Исполнительная топографическая съемка выполняется с соблюдением требований
СН 212-73 в пределах границ участка строительства. Результаты съемки наносятся на оригиналы планов, хранящихся в геодезическом фонде города (поселка) или предприятия.
В случаях когда построенные подземные инженерные коммуникации принимаются в эксплуатацию до завершения работ по планировке и благоустройству территории, исполнительный чертеж составляется на топографическом плане, на котором осуществлялось проектирование с досъемкой существующей капитальной застройки, к точкам которой осуществлялась привязка этих коммуникаций.
2.48. Продольный профиль по оси построенного подземного сооружения составляется по данным проведенных в натуре линейных измерений и нивелирования элементов сооружения.
Горизонтальный масштаб профиля принимается равным масштабу плана, а вертикальный 1:100 и, как исключение, в отдельных случаях 1:10 (теплосеть).
На продольном профиле кроме высот элементов подземных коммуникаций показываются горизонтальные расстояния между точками нивелирования, отметки низа труб и величины их уклонов, количество бронированных кабелей, уложенных в земле, величины уклонов, тип колодцев, футляры и обоймы, материал и диаметры труб, проектные отметки поверхности земли и дается характеристика покрытия поверхности над подземными инженерными коммуникациями, конструкция подземного сооружения и ее основания (материал, марка, тип).
2.49. Планы и разрезы колодцев (камер), характерные сечения коллекторов, каналов, развертки кабельных колодцев и другие детали вычерчиваются на свободном месте исполнительного чертежа в масштабе, принятом в проекте, с указанием необходимых линейных размеров, характеризующих построенные сооружения.
2.50. При одинаковом на всем протяжении сечении блоков, тоннелей каналов, футляров составляется один разрез.
При изменении сечения коллектора, канала, футляра, количества труб и кабелей в них составляются дополнительные чертежи поперечного сечения.
2.51. Каталог координат точек элементов подземных инженерных коммуникаций составляется по установленной форме в принятой системе координат.
ОФОРМЛЕНИЕ ИСПОЛНИТЕЛЬНОГО ЧЕРТЕЖА
2.52. Первый экземпляр исполнительного чертежа, кроме каталога координат, изготовляется на кальке, вычерчивается тушью в принятых условных знаках, в необходимых случаях дополняется пояснительными надписями.
2.53. На исполнительном чертеже по каждой подземной инженерной сети должно быть указано:
наименование строительно-монтажной организации;
вид подземного сооружения, название улицы (проезда) населенного пункта;
наименование проектной организации, номер и дата согласования проекта;
номер и дата выдачи ордера административной инспекции на право производства работ по разрытию участков для прокладки подземных коммуникаций;
подписи лиц, ответственных за производство строительно-монтажных работ;
подписи лиц, производивших съемку и составление исполнительного чертежа;
подписи представителей заказчика и эксплуатирующей организации.
Кроме того, на исполнительных чертежах обязательно показываются все подземные коммуникации, пересекающие подземную сеть.
На совмещенные в одной траншее (канале) подземные коммуникации может составляться один исполнительный чертеж.
Образцы исполнительных чертежей, подземных коммуникаций и каталога координат даны в
прил. 5 и
6.
2.54. Контрольная геодезическая съемка выполняется в соответствии с указаниями Госстроя СССР
(прил. 22).
Не позднее, чем за три дня до засыпки траншей строительные организации обязаны вызвать заказчика (застройщика) для проведения инструментальной проверки правильности планового и высотного положения построенных подземных инженерных коммуникаций и составления исполнительных чертежей, оформленных в соответствии с указаниями настоящего Руководства.
Плановые и высотные промеры проверяющие заносят в абрис и нивелирный журнал и заверяют своими подписями. На исполнительном чертеже проверяющими делается следующая надпись: "Исполнительный чертеж проверен, составлен правильно и соответствует натуре". Эта надпись сопровождается подписями и датой.
В случае представления строительной организацией неправильно составленного исполнительного чертежа или геодезических материалов, не отвечающих предъявляемым к ним требованиям, проверяющие составляют об этом акт. Подземная инженерная сеть до устранения выявленных недостатков не должна приниматься в эксплуатацию.
После приемки комиссией подземной инженерной сети в эксплуатацию один экземпляр исполнительного чертежа передается в Отдел (управление) по делам строительства и архитектуры при исполкоме Совета народных депутатов города, поселка.
2.55. В результате исполнительной съемки построенных подземных коммуникаций должны быть получены следующие материалы:
абрисы съемки подземных коммуникаций;
журналы измерения горизонтальных углов и нивелирования подземных коммуникаций;
схемы теодолитных и нивелирных ходов;
ведомости вычисления координат и высот;
каталог координат точек трассы для незастроенной части;
исполнительный чертеж.
3. СЪЕМКА И ОБСЛЕДОВАНИЕ СУЩЕСТВУЮЩИХ ПОДЗЕМНЫХ КОММУНИКАЦИЙ
А. ОБЩИЕ СВЕДЕНИЯ ОБ ОРГАНИЗАЦИИ И СОДЕРЖАНИИ РАБОТ
3.1. В зависимости от назначения планов съемка существующих подземных коммуникаций может выполняться в оптимальном объеме с выдачей обязательной информации или в объеме, установленном специальным заданием.
В оптимальном объеме съемка существующих подземных коммуникаций выполняется для решения ряда проектных задач, при топографической съемке территорий городов и промышленных предприятий, подлежащих полной реконструкции, при государственном картографировании в крупных масштабах. По специальному заданию съемка существующих подземных коммуникаций выполняется для инвентаризационных целей, реконструкции существующих сетей или их эксплуатации.
Содержание работ приведено в табл. 7.
Таблица 7
Виды работ | Съемка существующих подземных коммуникаций |
в оптимальном объеме | в объеме, установленном специальным заданием |
Подготовительные | Сбор сведений о планово-высотном положении и назначении подземных коммуникаций | Сбор сведений о планово-высотном положении, назначении и технических характеристиках подземных коммуникаций |
Полевые | Построение (использование имеющегося) планово-высотного обоснования | Построение (использование имеющегося) планово-высотного обоснования |
Съемка колодцев (камер) и других сооружений существующих подземных коммуникаций | Координирование колодцев (камер) и других сооружений существующих подземных коммуникаций |
Рекогносцировка подземных коммуникаций | Рекогносцировка подземных коммуникаций |
Обследование колодцев (камер), вводов, мест разрытий | Детальное обследование колодцев (камер), вводов, мест разрытий |
Нивелирование подземных коммуникаций в оптимальном объеме | Нивелирование всех трубопроводов (кабелей) |
Отыскание скрытых подземных коммуникаций при помощи трубокабелеискателей или шурфованием | Отыскание скрытых подземных коммуникаций при помощи трубокабелеискателей или шурфованием |
Съемка отысканных точек подземных коммуникаций | Координирование отысканных точек подземных коммуникаций |
Составление схемы отрекогносцированных подземных коммуникаций и согласование ее с представителями эксплуатирующих организаций | Составление схемы отрекогносцированных подземных коммуникаций и согласование ее с представителями эксплуатирующих организаций |
Камеральные | Составление планов подземных коммуникаций, совмещенных с топографическими планами участка местности <*> | Составление специальных планов подземных коммуникаций; каталогов координат подземных коммуникаций, технологических схем отдельных видов сетей; эскизов колодцев (камер) |
--------------------------------
<*> При плотном размещении сетей могут составляться каталоги координат подземных коммуникаций.
3.2. Съемку существующих подземных коммуникаций выполняют в сочетании с топографической съемкой участка местности или в качестве специального вида работ, выполняемого с использованием ранее составленных топографических планов. В том и другом случае все полевые работы на участке поручают либо одному специалисту, или их дифференцируют, поручая выполнение отдельных видов работ нескольким специалистам. При этом наиболее часто собственно съемочные работы отделяют от специфических работ, связанных с отыскиванием и определением технических характеристик подземных коммуникаций.
3.3. Технологическая последовательность выполнения работ по съемке существующих подземных коммуникаций зависит от специфики объекта, качества ранее составленных топографических планов и уровня картографического учета на местах, а также от принятого варианта организации работ. Наиболее часто, особенно на застроенных территориях, применяется следующая очередность работ:
строят (или используют ранее построенную) планово-высотную съемочную сеть;
производят топографическую съемку участка, включая съемку всех сооружений подземных коммуникаций, видимых на поверхности следов разрытий, вводов в здания и других элементов внешних признаков наличия сетей;
используя составленные планы и данные эксплуатирующих и других организаций, составляют предварительную схему размещения сетей;
выполняют рекогносцировку участка местности;
производят обследование и нивелирование колодцев (камер) подземных коммуникаций в требуемом объеме;
по данным обследования уточняют схему сетей и определяют места для работы с трубокабелеискателями;
производят поиск и съемку скрытых точек подземных коммуникаций;
по данным обследования, поиска и съемки скрытых подземных коммуникаций составляют схему отрекогносцированных сетей и согласовывают с представителями организаций, эксплуатирующих эти сети.
3.4. При выполнении съемки подземных коммуникаций могут встретиться отдельные случаи (особенно на незастроенных территориях), когда имеющиеся топографические планы и данные эксплуатирующих организаций не содержат сведений, достаточных для определения хотя бы примерного местоположения подземных коммуникаций. В этих случаях для того чтобы наметить направление ходов съемочного обоснования, необходимо предварительно выполнить рекогносцировку и отыскание сетей с надежным закреплением их на местности.
Б. ОБЪЕКТЫ И МЕТОДИКА СЪЕМКИ
3.5. Съемка сооружений существующих подземных коммуникаций, расположенных на поверхности, является, как правило, составной частью топографической съемки участка местности.
3.6. Объектами съемки являются центры люков колодцев и камер, выходы на поверхность труб и кабелей у вводов в здания или в местах разрытий, коверы, водоразборные колонки, распределительные шкафы, трансформаторные будки и подстанции, станции перекачки, тепловые пункты и другие сооружения, технологически связанные с существующими подземными коммуникациями.
3.7. Съемка производится одним из следующих способов: координированием, полярным, перпендикуляров и засечек, мензулой.
3.8. Координирование центров люков колодцев и углов сооружений производится по специальному заданию. Оно выполняется с точек теодолитных ходов первого порядка, проложенных между пунктами опорных геодезических сетей, с измерением горизонтальных углов двумя полуприемами и линий в прямом и обратном направлениях при измерениях мерными рулетками (лентами) или по двум сторонам дальномерной рейки при измерениях оптическими дальномерами. Максимальные расстояния от координируемых точек до точек теодолитных ходов не должны превышать 50 м. Расхождения между значениями углов (в минутах), полученных в полуприемах, не должны превышать величины
где L - расстояние до координируемой точки, м.
В подавляющем большинстве случаев одновременно с координированием производят нивелирование тех же точек.
Для записи результатов рекомендуется специальный журнал, форма которого дана в
прил. 7.
3.9. Съемка полярным способом производится теодолитом с точек съемочной сети. При полярном способе углы измеряют одним полуприемом, а линии - в одном направлении. Запись результатов полевых измерений может производиться непосредственно в абрисе горизонтальной съемки.
Расстояния от точек стояния теодолита до снимаемых полярным способом сооружений подземных коммуникаций не должны превышать величин, указанных в табл. 8.
Таблица 8
Масштаб съемки | Способ определения расстояний |
лентой (рулеткой), м | оптическим дальномером, м | нитяным дальномером, м |
1:500 | 120 | 80 | Не рекомендуется |
1:1000 | 180 | 120 | 60 |
1:2000 | 250 | 180 | 100 |
Контроль правильности съемки полярным способом производится контрольными промерами между снятыми точками. Длина контрольных промеров не должна превышать 50 м. При затруднении выполнить контрольные линейные промеры правильность съемки полярным способом можно проконтролировать измерением одним полуприемом угловых направлений со смежных точек. При этом угол на определяемой точке не должен быть менее 30° и более 150°.
3.10. Способ перпендикуляров и засечек заключается в измерении расстояний от укладываемой в створ по теодолиту мерной ленты (рулетки) между точками теодолитных ходов, а также колодцами, опорами и другими точками, закоординированными с точек теодолитных ходов первого порядка, а также от стен зданий.
Длины перпендикуляров не должны превышать:
4 м - при съемке в масштабе 1:500
6 м - " " " " 1:1000
8 м - " " " " 1:2000
Длины засечек не должны превышать длин мерного прибора.
3.11. Съемка сооружений подземных коммуникаций мензулой разрешается при съемке в масштабе 1:1000 с точек теодолитных ходов, а при съемках в масштабах 1:2000 и 1:5000, кроме того, с точек мензульных или тахеометрических ходов.
Съемка сооружений подземных коммуникаций в масштабе 1:500 мензулой не рекомендуется.
Максимальные расстояния от снимаемых сооружений до точек стояния мензулы не должны превышать:
80 м - при съемке в масштабе 1:1000
100 м " " " " 1:2000
150 м " " " " 1:5000
Результаты полевых измерений записываются в мензульный журнал установленной формы.
3.12. При наличии аэрофотосъемки в масштабе 1:5000 и крупнее можно отдешифрировать на снимках многие колодцы (камеры), а иногда и трассы подземных коммуникаций.
При дешифрировании подземных коммуникаций рекомендуется использовать внешние признаки: следы траншей на поверхности земли, изменения растительного и почвенного покрова, протаивание снега и т.д. Эти признаки наиболее ярко проявляются на незастроенных территориях.
При дешифрировании и съемке подземных коммуникаций необходимо учитывать их назначение и устройство, чтобы правильно определить к какому виду коммуникаций относятся колодцы (камеры) или вскрытые трубы и кабели.
В. ПОДГОТОВИТЕЛЬНЫЕ РАБОТЫ
3.13. Подготовительные работы, как правило, производятся по завершении съемки участка местности и составлении топографического плана для определения методики и примерного объема предстоящих работ по обследованию и отысканию подземных коммуникаций. При подготовительных работах производится сбор материалов об имеющихся в натуре подземных коммуникациях с составлением схемы расположения сетей.
3.14. К материалам о наличии подземных коммуникаций относятся:
исполнительные чертежи;
ранее составленные топографические планы (или их дубликаты) с нанесенными подземными коммуникациями;
проектные генпланы осуществленного строительства;
данные инвентаризационного характера (количество колодцев, длина сетей, материал труб и марка кабеля, давление газа и т.д.);
сведения старожилов и представителей эксплуатирующих организаций, подтвержденные внешними признаками наличия подземных коммуникаций на местности.
3.15. Сбор материалов о подземных коммуникациях производится:
в отделах (управлениях) по делам строительства и архитектуры местных Советов народных депутатов;
в отделах главного механика, главного энергетика и капитального строительства промышленных предприятий;
жилищно-эксплуатационных конторах;
отделах генплана ведущих проектных организаций города или промышленных предприятий.
Номенклатура материалов по подземным коммуникациям и число организаций, в которых производится сбор этих материалов, зависят от состояния картографического учета на местах.
3.16. Схема расположения сетей
(прил. 8) в большинстве случаев составляется на копии топографического плана участка работ. При составлении схемы стремятся к наибольшей полноте сведений о нанесенных на нее подземных коммуникациях. Целесообразно, в частности, указывать источники, послужившие основой нанесения коммуникаций на схему.
3.17. По завершении подготовительных работ, используя составленную схему расположения сетей, можно определить примерный объем следующих видов работ:
составления описания подземных коммуникаций;
нивелирования подземных коммуникаций;
отыскания и съемки подземных коммуникаций при помощи трубокабелеискателей.
Объем описания и нивелирования подземных коммуникаций равен числу колодцев (камер), имеющихся на участке работ. Объем отыскания и съемки подземных коммуникаций с помощью трубокабелеискателей определяется количеством бесколодезных поворотов, вводов и створных точек на прямолинейных коммуникациях. Для определения количества последних следует подсчитать общую протяженность токопроводящих коммуникаций, затем полученную величину разделить на 20, 30, 50 или 100 м для съемки в масштабах, соответственно, 1:500; 1:1000, 1:2000, 1:5000.
Объем работ, определенный при подготовительных работах, уточняется при производстве работ по съемке подземных коммуникаций.
Г. РЕКОГНОСЦИРОВКА, ОБСЛЕДОВАНИЕ И НИВЕЛИРОВАНИЕ
ПОДЗЕМНЫХ КОММУНИКАЦИЙ
3.18. Рекогносцировка подземных коммуникаций производится с целью установления на местности их видов и местоположения, а также определения участков трубопроводов и кабелей, подлежащих отысканию с помощью трубокабелеискателей.
3.19. В состав рекогносцировки входят:
осмотр участка работ;
отыскание на местности колодцев, камер, вводов в здания, разрытий и следов засыпанных траншей.
Осмотр участка следует производить со схемой расположения сетей, составленной при подготовительных работах, и желательно в присутствии представителя эксплуатирующей организации.
3.20. В процессе рекогносцировки каждому колодцу присваивается порядковый номер. Нумерацию колодцев на небольших участках съемки, как правило, выполняют вне зависимости от их назначения порядковыми числами. На промышленных предприятиях нумерация колодцев осуществляется по видам сетей. Для этого, зная примерное количество колодцев каждого вида сети, устанавливают, что, к примеру, колодцы канализации будут иметь номера с 1 по 500, водопровода с 501 по 1000 и т.д. Номера колодцев целесообразно отмечать в натуре краской на крышках люков или стенах близрасположенных зданий.
3.21. Для поиска засыпанных колодцев при необходимости могут быть использованы приборы, основанные на принципе миноискателя.
3.22. Обследование подземных коммуникаций в оптимальном объеме имеет целью определить следующее:
назначение подземной коммуникации;
диаметр и материал труб, количество труб и кабелей, места их присоединений, вводов и выпусков;
направление стока самотечных коммуникаций.
3.23. Габариты колодцев и камер для последующего нанесения на план определяют, если их площадь в натуре не менее 4 м2 при съемках в масштабе 1:500 и 9 м2 - 1:1000. При съемках в масштабах 1:2000 и 1:5000 габариты колодцев и камер не определяются.
3.24. Плановое положение труб, кабелей и каналов в колодцах (камерах) часто не совпадает с проекцией центра люка, привязываемого на поверхности земли геодезическими методами, изложенными в
пп. 3.8 -
3.11, поэтому при производстве съемок в масштабах 1:500 и 1:1000 выполняется плановая привязка всех входящих и выходящих прокладок, размещенных в колодце или камере
(рис. 32). Для этого необходимо:
спроектировать центр люка на плоскость расположения привязываемых прокладок;
визуально наметить и спроектировать на ту же плоскость ориентирную линию от проекции центра люка в направлении привязываемого трубопровода или кабеля, используя смежные колодцы или внешние признаки наличия подземных коммуникаций;
измерить кратчайшие расстояния от ориентирной линии до точек пересечения прокладки со стенами колодца, а также до возможных изломов трубопровода внутри колодца.
Рис. 32. Плановая привязка прокладок в колодце
Привязка труб (кабелей) в круглых колодцах, а также в таких, где прокладки проходят через колодец без изменения направления, производится на поверхности земли (рис. 33). Для этого надо вынести на поверхность земли направление трубы или лотка на соседний колодец и измерить кратчайшее расстояние от этого направления до центра люка.
Рис. 33. Привязка труб (кабелей) в колодцах
при отсутствии изменения направления прокладок
В колодцах теплосети, кабельной и телефонной канализации привязываются входящие и выходящие каналы или положение осей крайних труб (рис. 34).
Рис. 34. Привязка входящих и выходящих каналов в колодцах
теплосети, кабельной и телефонной канализации
Если камера оборудована двумя люками, то целесообразно к центрам люков привязать внутренние стенки камеры, от которых затем отсчитывать все расстояния до входящих (выходящих) прокладок. При этом типичным является расположение люков либо по диагонали квадрата (прямоугольника), образующего камеру, либо на линии, параллельной одной из стенок камеры. В первом случае для определения положения стенок камеры достаточно измерить отрезки l1 и l2 (рис. 35).
Рис. 35. Привязка углов камеры при расположении люков
по диагонали
Во втором случае (рис. 36) камера АБСД привязывается перпендикулярами к продолжению линии 00, проходящей через центры люков.
Рис. 36. Привязка углов камеры при расположении люков
параллельно одной из ее стенок
3.25. В процессе обследования колодцев измеряют внешние диаметры труб, а в полевые журналы записывают внутренние диаметры или условный проход, используя данные, приведенные в
прил. 2 -
4. При этом каждой трубе придается условный порядковый номер
d1,
d2 и т.д. Измерения диаметров труб производят металлической рулеткой или приспособлениями, описания которых приведены в Руководстве по съемке и составлению планов подземных коммуникаций (изд. 1972 г.).
3.26. По специальному заданию, используя данные эксплуатирующих организаций, определяют марку кабеля, определяющую материал изготовления, число и сечение жил кабеля, а также напряжение тока. Первая буква марки обозначает материал оболочки (С - свинцовая, А - алюминиевая). Бронированные кабели имеют марку СБ или АБ, если кабель изготовлен из медных жил, и АСБ - из алюминия. Число жил и сечение кабеля, а также напряжение тока указывается цифрами. Например, кабель СБ3 x 185 мм2 - 3 кВ - это бронированный кабель со свинцовой оболочкой, состоящий из трех жил медного провода сечением 185 мм2, по которым течет ток напряжением 3 кВ.
3.27. Данные, получаемые при обследовании колодцев, включая результаты привязки труб, кабелей и каналов к центру люка, помещают в журнал обследования колодцев, образец которого дан в
прил. 9.
3.28. Материалы обследования колодцев позволяют начать составление схемы рекогносцировки. На схему по завершении обследования наносят все колодцы с их номерами, а также здания и сооружения, связанные с подземными коммуникациями, указываются назначение и диаметры труб (число кабелей). Обследованные колодцы соединяются между собой линиями в тех случаях, когда для этого данных обследования достаточно. Обычно все самотечные сети полностью выявляются при обследовании колодцев, а напорные трубопроводы и кабельные линии нуждаются в частном отыскании при помощи трубокабелеискателей или путем шурфования. Составленная таким образом схема служит для уточнения мест применения приборов поиска. В завершенном виде схема отрекогносцированных сетей составляется после окончания работ по поиску подземных коммуникаций. Образец схемы отрекогносцированных сетей приведен в
прил. 10.
3.29. Нивелирование подземных коммуникаций включает определение высот обечаек (верха чугунного кольца люка колодцев), земли или мощения у колодца, а также высот расположенных в колодце труб, кабелей и каналов.
При съемках в масштабах 1:500 - 1:5000 высоты обечаек определяют из результатов технического (геометрического) нивелирования по двум сторонам рейки. Допустимое расхождение между превышениями, полученными по двум сторонам рейки, не должно превышать 20 мм.
Высоты земли (мощения) у колодцев определяют по одной стороне рейки.
Результаты нивелирования, если оно выполняется не в процессе координирования, записываются в журнал технического нивелирования общепринятой формы.
Определение высот коммуникаций заключается в измерении превышений между обечайкой и коммуникациями с помощью металлической рулетки или специально изготовленными измерительными рейками. Погрешность определения при этом не должна быть более 10 мм.
В колодцах коммуникаций различного назначения нивелированию подлежат:
в самотечной канализации (водостоках и дренаже) - дно лотка; в перепадных колодцах, кроме того, определяется высота низа входящих труб;
на трубных прокладках - верх труб; при наличии врезок труб на разных уровнях следует определять высоты каждой примыкающей трубы;
на теплосетях, проложенных в каналах, - верх и низ канала. При наличии в колодце каналов разных габаритов или примыкающих на разных уровнях следует определить высоты верха и низа каждого канала;
на кабельных сетях - место пересечения кабеля со стенками канала. При наличии пучка кабелей, расположенных в вертикальной плоскости, следует определять высоты верхнего и нижнего кабелей. Если пучок кабелей расположен в канале, то определяют высоты верха и низа канала.
Результаты определения высот коммуникаций записывают в журнал обследования колодцев
(прил. 9). Схемы колодцев коммуникаций разного назначения с указанием точек нивелирования даны в
прил. 11.
3.30. По специальному заданию в отдельных случаях для целей реконструкции и инвентаризации выполняются детальные обследования и нивелирование подземных коммуникаций. При этом в дополнение к приведенному выше составу работ при обследовании в оптимальном объеме производится обмер внутренних габаритов колодцев (камер) с привязкой к отвесной линии, проходящей через центр люка, и к направлениям на смежные колодцы. Обмеру также подлежат конструктивные элементы трубопроводов и кабелей и их фасонные части. При нивелировании в этих случаях определяют относительно обечайки высоты всех входящих в колодец (камеру) и выходящих из него труб, кабелей и каналов.
Данные детально выполненных обмеров и нивелирования записываются в журнал детального обследования колодцев
(прил. 12).
4. ПОИСК ПОДЗЕМНЫХ КОММУНИКАЦИЙ ИНДУКТИВНЫМ МЕТОДОМ
А. СУЩНОСТЬ ИНДУКТИВНОГО МЕТОДА ПОИСКА
МЕТАЛЛИЧЕСКИХ ПОДЗЕМНЫХ КОММУНИКАЦИЙ
4.1. Вокруг металлических трубопроводов или кабелей возбуждается переменное электромагнитное поле за счет энергии генератора трубокабелеискателя или других источников переменного тока. Индуктивный метод поиска металлических (токопроводящих) подземных коммуникаций основан на принципе фиксации на слух или по показаниям микроамперметра изменений напряженности переменного электромагнитного поля при перемещении чувствительного элемента (приемного устройства) в плоскости, перпендикулярной к направлению коммуникации.
Электромагнитное поле имеет сложный вихревой характер, но при использовании индуктивного метода поиска подземных коммуникаций рассматривается только его магнитная составляющая, которую называют магнитным полем.
Магнитное поле распространяется в плоскостях, перпендикулярных к направлению проводника с током, или трассы подземной коммуникации и характеризуется вектором магнитной напряженности.
Вектор магнитной напряженности направлен по касательным к магнитным силовым линиям. Для прямолинейного цилиндрического проводника с током, помещенного в практически однородную среду, магнитные силовые линии имеют форму концентрических окружностей с центром на оси проводника.
Величина вектора магнитной напряженности H магнитного поля длинного прямолинейного цилиндрического проводника с током определяется по формуле
где J(s) - сила тока в точке проводника, удаленной от генератора на расстояние S;
r - расстояние между осью проводника и точкой поля на поверхности земли в плоскости, перпендикулярной к направлению проводника. Это расстояние называют радиусом-вектором. Радиус-вектор и вектор магнитной напряженности лежит в одной плоскости и взаимно перпендикулярны в каждой точке поля.
Вектор магнитной напряженности раскладывается на две составляющие - горизонтальную Hx и вертикальную Hz (рис. 37).
Рис. 37. Графическое изображение вектора
магнитной напряженности
Из
рис. 37 следует, что значения составляющих вектора магнитной напряженности определяются следующими формулами:
где x - текущая координата на линии наблюдений MM1, отстоящей от оси трассы на расстоянии h - глубине ее заложения.
Из формул следует, что в точке, где x = 0, т.е. над осью трассы, значение вертикальной составляющей равно нулю и она достигает максимальных абсолютных значений в точках, где |x| = h, а далее асимптотически уменьшается. Горизонтальная же составляющая максимальна над осью трассы и становится равной вертикальной составляющей в точках, где |x| = h, а затем асимптотически уменьшается.
Изменения вертикальной и горизонтальной составляющих иллюстрируются графиками, приведенными на рис. 38.
Рис. 38. Графики изменений вертикальной и горизонтальной
составляющих
4.2. Закономерности изменения вектора магнитной напряженности и его составляющих используются для поиска подземных коммуникаций. Если в магнитное поле внести замкнутый проводник (приемное устройство трубокабелеискателя принципиально является замкнутым проводником), то в нем будет индуцироваться переменный ток, величина которого определяется количеством магнитных силовых линий, пересекающих поперечное сечение проводника в единицу времени.
Количество магнитных силовых линий, пересекающих проводник, при прочих равных условиях зависит от величины угла

между проводником и вектором магнитной напряженности. Ток индукции изменяется пропорционально изменению синуса угла

, достигая максимума при

и уменьшаясь до нуля при

.
Плоскости витков катушки приемной антенны трубокабелеискателя параллельны между собой и перпендикулярны к продольной оси футляра, в котором собран приемный контур. При вертикально установленной антенне угол между вертикальной составляющей вектора магнитной напряженности
Hz и плоскостью витков катушки равен 90°, поэтому ток индукции образуется только за счет величины вертикальной составляющей в данной точке поля. В то же время горизонтальная составляющая
Hx совпадает с плоскостью витков катушки (угол

) и не влияет на величину тока индукции.
4.3. Используя закономерности изменения вертикальной или горизонтальной составляющих вектора магнитной напряженности, для фиксации проекции оси трассы на поверхности земли можно использовать два метода: метод минимума и метод максимума.
Для метода минимума наблюдатель должен установить антенну в строго вертикальное положение и затем, сохраняя указанное положение антенны, перемещать ее в плоскости, перпендикулярной к предполагаемому направлению трассы. Над осью трассы наблюдатель на слух или визуально (по микроамперметру) должен зафиксировать место, где сигнал минимален, причем влево и вправо от этого места сигнал заметно усиливается.
При использовании метода максимума выполняются аналогичные действия, но с горизонтально установленной антенной. При этом над осью трассы должен наблюдаться сигнал максимальной силы.
Метод максимума и минимума неоднозначны по получаемым результатам. Точность определения положения трасс по методу минимума существенно выше, чем по методу максимума, когда глубина положения отыскиваемых трасс превышает 1 м. При этом точностные преимущества метода минимума растут по мере увеличения глубины заложения отыскиваемых трасс. При поиске трасс с глубиной заложения менее 1 м оба метода практически равноточны.
4.4. Правильность ориентирования антенны в заданное положение имеет важное значение. При наклоне антенны на произвольный угол (рис. 39) наблюдатель не зафиксирует минимума сигнала, несмотря на то, что антенна расположена над осью трассы. Если же, сохранив тот же угол наклона, перемещать антенну вдоль линии MM', то минимумы сигнала зафиксируются в точках В и Д, где продольная ось антенны является продолжением радиуса-вектора, а вектор магнитной напряженности составляет с плоскостью витков катушки антенны угол 0°.
Рис. 39. Схема определения положения трассы
при наклоне антенны
В общем случае между углом наклона антенны

и положением точек на линии наблюдения, над которыми зафиксируются минимумы сигнала, существует связь, выражаемая формулой
где h - глубина заложения оси коммуникации.
Б. ТОЧНОСТЬ И ДАЛЬНОСТЬ ПОИСКА ПОДЗЕМНЫХ КОММУНИКАЦИЙ
ИНДУКТИВНЫМ МЕТОДОМ
4.5. Поиск подземных коммуникаций сводится к двум действиям наблюдателя, выполняемым одновременно, но имеющим разную физическую сущность: ориентированию приемной антенны и фиксации минимума напряженности магнитного поля (применение метода максимума ограничено в основном рекогносцировочными целями).
4.6. Погрешность определения планового и высотного положения коммуникаций из-за неточностей ориентирования антенны зависит от конструкции приемного устройства и неизбежных случайных погрешностей установки наблюдателем антенны в заданное положение.
Теоретически ожидаемые погрешности ориентирования антенны при определении планового Mп и высотного Mг положения коммуникаций можно предвычислить по следующим формулам:
где h - глубина заложения оси отыскиваемых коммуникаций, см;
ml - погрешность установки антенны, выраженная в виде линейного смещения ее конца от заданного положения (вертикального при определении планового положения или под углом 45° к поверхности земли при определении глубины заложения). При расчетах величину ml принимают равной 1 см;
l - длина футляра антенны, см.
4.7. Погрешности фиксации минимума напряженности магнитного поля теоретически предвычисляются по следующим формулам:
mп = 5·10-5h2;
где mп, mг - погрешности фиксации минимума напряженности магнитного поля при определении соответственно планового и высотного положений коммуникаций, см;
h - глубина заложения оси коммуникаций, см.
--------------------------------
<*> Коэффициент при
h2 имеет размерность см
-1.
Расчеты, выполненные по формулам, показывают, что при поиске коммуникаций с глубиной заложения до 3 м погрешности ориентирования антенны в решающей степени определяют точность получаемых результатов.
4.8. Точность поиска, получаемая на практике, зависит также от комплекса условий, которые обобщенно принято разделять на благоприятные и неблагоприятные.
К благоприятным относятся такие условия поиска подземных коммуникаций, когда имеет место сочетание следующих факторов:
1) смежные коммуникации расположены от отыскиваемой трассы на расстоянии не менее двойной глубины их заложения;
2) отыскиваемая коммуникация не имеет гальванической связи со смежными через общие металлические конструкции в котельных, насосных станциях и т.д.;
3) отыскиваемая коммуникация не имеет ответвлений труб равного или большего диаметра;
4) уровень индустриальных помех меньше уровня полезного сигнала.
Если же смежные коммуникации расположены от отыскиваемой на расстоянии менее двойной глубины ее заложения или уровень помех выше уровня полезного сигнала и т.д., то поиск подземных коммуникаций выполняется в неблагоприятных условиях.
4.9. Точность поиска подземных коммуникаций, расположенных в благоприятных условиях, характеризуется следующими эмпирическими формулами:
ml = 0,075h;
mh = 0,13h,
где ml и mh - средние квадратические погрешности определения положения коммуникаций соответственно в плане и по высоте, м;
h - глубина заложения оси коммуникации, м.
Формулы могут быть использованы для предрасчета точности поиска подземных коммуникаций, заложенных на глубину до 3 м.
4.10. Точность поиска подземных коммуникаций, расположенных в неблагоприятных условиях, в основном зависит от плотности их размещения. Если расстояние между коммуникациями более глубины их заложения, то погрешности определения их планового положения практически равны полученным в благоприятных условиях. При более плотном расположении коммуникаций имеют место значительные величины погрешностей, достигающие 1 м, что является следствием искажающего влияния сложного магнитного поля, возникающего в случае параллельно проложенных коммуникаций. Погрешности высотных определений в основном зависят от величины глубины заложения отыскиваемых коммуникаций, а сами погрешности в среднем не превышают величин, получаемых в благоприятных условиях. При этом необходимо производить измерения глубин заложения в сторону, противоположную местоположению смежных коммуникаций.
4.11. Дальность поиска или длина участка трассы, уверенно определяемого с одной постановки генератора трубокабелеискателя, изменяется в широких пределах в зависимости от целого ряда факторов, среди которых решающим является уровень помех, вызванных посторонними источниками переменного тока. В благоприятных условиях дальность поиска в среднем не превышает 1 км, а в неблагоприятных - 0,2 км.
4.12. Фиксация минимума (максимума) сигнала над осью трассы (и при определении ее глубины заложения) производится при некоторой полосе неопределенности, в пределах которой высота тона сигнала изменяется незаметно для слуха наблюдателя или изменения сигнала находятся ниже порога чувствительности стрелочного индикатора. Величину расстояния между смежными точками магнитного поля, принадлежащими к одной плоскости, перпендикулярной к направлению коммуникации, где имеет место указанная неопределенность, называют шириной минимума (максимума).
Для последующей геодезической привязки точку на местности, соответствующую проекции оси коммуникации, намечают в середине ширины минимума (максимума). Естественно, что чем она меньше, тем с большей точностью можно определять планово-высотное положение коммуникаций.
4.13. Поиск подземных коммуникаций рекомендуется выполнять в пределах зоны уверенного прослушивания, т.е. такого расстояния от генератора до точек отыскиваемой коммуникации, в пределах которого ширина минимума (максимума) не превышает:
0,2 м - при съемках в масштабах 1:500 и 1:1000
0,5 м " " " " 1:2000
1,0 м " " " " 1:5000
При соблюдении указанной зоны уверенного прослушивания точность поиска подземных коммуникаций, расположенных от смежных с ними на расстоянии, большем глубины заложения отыскиваемых коммуникаций, удовлетворительна для составления планов в масштабах:
1:500 - при глубине заложения до 2 м
1:1000 " " " " 3 м
Для составления планов в масштабе 1:2000 и мельче результаты поиска подземных коммуникаций, выполняемого в пределах соответствующих зон уверенного прослушивания, могут быть использованы без ограничений глубины заложения и плотности размещения отыскиваемых трасс.
В. ПРИБОРЫ ПОИСКА ПОДЗЕМНЫХ КОММУНИКАЦИЙ
ТРУБОКАБЕЛЕИСКАТЕЛЬ ВТР-V
4.14. Трубокабелеискатель ВТР-V относится к приборам I класса. Он рассчитан для работы в диапазоне температур от -40 до +40°. Частота генерации 1000 +/- 2%. Максимальное выходное напряжение 200 В, максимальная выходная мощность 50 Вт. Вес комплекта ВТР-V - 26 кг (без электролита в аккумуляторах).
Комплект ВТР-V (рис. 40) состоит из четырех конструктивных блоков: генератора, аккумуляторной батареи, усилителя и поискового контура.
Рис. 40. Комплект трубокабелеискателя ВТР-V
1 - генератор; 2 - усилитель приемного устройства;
3 - поисковый контур; 4 - головные телефоны
Генератор (рис. 41) смонтирован в металлическом футляре с крышкой, в котором предусмотрен отсек для усилителя приемного устройства и отсек для головных телефонов, соединительного провода и магнитоконтакта. Органы управления генератора выведены на лицевую панель.
Рис. 41. Генератор трубокабелеискателя ВТР-V
| | ИС МЕГАНОРМ: примечание. Текст дан в соответствии с официальным текстом документа. | |
1 - 2 кнопки включения и выключения генератора;
3 - сигнальная лампочка; 4 - предохранитель; 5 - тумблер
включения модулятора; 6 - переключатель выходного
напряжения; 8 - клеммы для подключения нагрузки в виде
короткого замыкания; 9 - клеммы для подключения
аккумуляторной батареи
Генератор состоит из задающего генератора, модулятора, выходного каскада и выходного трансформатора. Вторичная обмотка выходного трансформатора секционирована. Защита генератора от перегрузок и неправильного соединения осуществляется с помощью реле. Принципиальная электрическая схема генератора дана в
прил. 13.
Аккумуляторная батарея (рис. 42) помещается в деревянном ящике, где на специальном вставном футляре крепятся вспомогательные приспособления: соединительный кабель, поисковый контур, заземлитель и напильник.
Рис. 42. Аккумуляторная батарея ВТР-V
1 - корпус; 2 - крышка; 3 - аккумуляторы; 4 - вставной
футляр; 5 - соединительный провод; 6 - поисковый контур;
7 - штырь заземления; 8 - напильник
Аккумуляторная батарея собрана из 20 щелочных аккумуляторов КН-10 или КН-14. Номинальная емкость каждого аккумулятора 10 - 14 ампер-часов, а номинальное напряжение 1,25 В. Общее напряжение аккумуляторной батареи 24 В.
Приемное устройство ВТР-V состоит из усилителя и поискового контура.
Усилитель приемного устройства
(рис. 43) смонтирован вместе с источником питания в отдельном металлическом корпусе. Коэффициент усиления приемного устройства 10
4. С целью повышения помехоустойчивости в схему усилителя введен фильтр верхних частот с полюсом затухания на 50 Гц. При включении фильтра полезный сигнал уменьшается в 2 раза, а частоты, отличные от 1000 Гц, должны ослабляться в 35 раз. Питание приемного устройства осуществляется от батареи КВС-К-0,7 (КВС-Л-0,6). В приемнике имеется звуковая (телефоны) и визуальная (микроамперметр) индикации. Принципиальная электрическая схема приемного устройства приведена в
прил. 13.
Рис. 43. Усилитель приемного устройства ВТР-V
1 - микроамперметр; 2 - тумблер включения усилителя;
3 - тумблер включения фильтра; 4 - гнезда для подключения
головных телефонов; 5 - штекер с соединительным проводом
для включения в поисковый контур;
6 - ручка регулировки усиления
Поисковый контур (рис. 44) выполнен в виде ферритовой антенны с катушкой индуктивности и конденсатором, помещенными в цилиндрическом футляре на специальном трубчатом держателе, через который проходит провод, соединяющий антенну с усилителем.
Рис. 44. Поисковый контур ВТР-V
1 - трубчатый держатель с ручкой; 2 - ферритовая антенна
ТРУБОКАБЕЛЕИСКАТЕЛЬ ТПК-1
4.15. Трубокабелеискатель ТПК-1 относится к приборам 1-го класса. Он рассчитан для работы в диапазоне температур от -20 до +40°. Частота генерации 1000 +/- 50 Гц. Максимальное выходное напряжение 200 В, а максимальная выходная мощность 35 Вт. Вес комплекта ТПК-1 - 14 кг.
Комплект ТПК-1 (рис. 45) состоит из генератора, блока питания и приемного устройства.
Рис. 45. Комплект трубокабелеискателя ТПК-1
1 - аккумуляторная батарея; 2 - генератор; 3 - приемное
устройство (приемная антенна с усилителем); 4 - головные
телефоны; 5 - стандартный разъем
Генератор (рис. 46) помещен в металлический влагонепроницаемый корпус с крышкой. На боковую сторону корпуса выведены стандартные разъемы для подключения питания, нагрузки и заземлителя. Органы управления генератора выведены на лицевую панель.
Рис. 46. Генератор ТПК-1
1 - тумблер включения генератора; 2 - кнопка повторного
включения генератора при выключении его защитой;
3 - предохранитель; 4 - кнопка вольтамперметра;
5 - вольтамперметр; 6 - контрольная лампочка;
7 - тумблер переключателя режима работы генератора;
8 - ручка переключения выходного напряжения
Генератор состоит из трех каскадов, схемы прерывания и выходного трансформатора, вторичная обмотка которого секционирована. Принципиальная электрическая схема генератора дана в
прил. 13.
Блок питания состоит из двух батарей 3МТ-6 и зарядного устройства, помещенных в металлическом ящике. В этом же ящике имеется отсек для вспомогательных принадлежностей (соединительный кабель, магнитоконтакт, напильник, телефоны ТОН-2).
На боковую стенку ящика выведен стандартный разъем для подключения генератора. Аккумуляторы в ящике размещены таким образом, что неправильное подключение по полярности исключено.
Зарядное устройство представляет собой трансформаторный выпрямитель, собранный на диодах Д-202 по мостовой схеме. Аккумуляторы, включенные последовательно, заряжаются через выпрямитель от сети переменного тока в течение 10 - 12 ч. Полностью заряженные аккумуляторы обеспечивают работу генератора в течение одного семичасового рабочего дня.
Приемное устройство (рис. 47) представляет собой усилитель с избирательным элементом (приемной антенной) на входе, собранными в виде дюралевой трубчатой штанги.
Рис. 47. Приемное устройство ТПК-1
1 - рукоятка; 2 - движковый переключатель; 3 - ручка
регулировки усилителя; 4 - штанга; 5 - разъемные щечки;
6 - трубчатый корпус антенны (экран)
Избирательным элементом является контур, составленный из катушки магнитной антенны и конденсатора. Магнитная антенна с экраном помещена в двух разъемных щечках и крепится под углом 45° к штанге. В рукоятке помещена монтажная плита усилителя приемного устройства с элементом питания (две батарейки 1,3-ФМЦ-0,25), движковый переключатель и регулятор усиления. В торцевую часть рукоятки вмонтирована розетка разъема для подключения головных телефонов.
Коэффициент усиления приемного устройства примерно 10
4. Принципиальная электрическая схема приемного устройства приведена в
прил. 13.
ТРУБОКАБЕЛЕИСКАТЕЛЬ ИПК-2М
4.16. Трубокабелеискатель ИПК-2М относится к приборам 2-го класса. Он рассчитан для работы в диапазоне температур воздуха от -20 до +40° и относительной влажности 65 +/- 15%. Максимальная выходная мощность 6 Вт. Вес комплекта 6 кг.
Комплект ИПК-2М (рис. 48) состоит из двух узлов: генератора и приемного устройства.
Рис. 48. Комплект трубокабелеискателя ИПК-2м
1 - генератор; 2 - приемное устройство; 3 - соединительные
провода; 4 - штырь заземления; 5 - напильник; 6 - головные
телефоны; 7 - уголок; 8 - магнитоконтакт
Генератор вмонтирован в удобный для переноски металлический футляр с крышкой. Все основные ручки выведены на лицевую панель (рис. 49). Слева по панели расположены тумблер "вк." кнопка "контроль" и справа выходные клеммы генератора, подписанные соответственно 6,6 и 600 Ом.
Рис. 49. Генератор ИПК-2м
1 - тумблер включения генератора; 2 - кнопка контроля
работы генератора; 3 - сигнальная лампочка;
4 - клеммы для подключения проверяемой трассы;
5 - клеммы заземления
Генератор состоит из задающего генератора, согласующего каскада и выходного трансформатора, обеспечивающего согласование генератора с нагрузками 6,6 и 600 Ом. Рабочая частота генератора 1000 Гц.
Питание генератора осуществляется от 12 батарей "Марс" или "Сатурн", вложенных в ящик генератора.
Принципиальная электрическая схема генератора дана в
прил. 13.
Приемное устройство (рис. 50) представлено магнитной антенной, усилительным каскадом и узкополосным фильтром. Питание приемного устройства осуществляется от трех элементов 332 (ФБС-0,25). Для включения фильтра переключатель рода работ ставится в положение 1000 Гц. При положении переключателя на 50 Гц фильтр отключается.
Рис. 50. Приемное устройство ИПК-2м
1 - поисковый контур; 2 - тумблер включения приемного
устройства; 3 - гнезда для подключения головных телефонов;
4 - переключатель рода работ "50 - 1000 Гц";
5 - ручка регулировки усиления
Принципиальная электрическая схема приемного устройства дана в
прил. 13.
ТРУБОКАБЕЛЕИСКАТЕЛЬ ГКИ
4.17. Под трубокабелеискателем ГКИ понимается комплект, состоящий из генератора кабелеискателя (ГКИ) и искателя повреждений (ИП-7). Прибор относится к 3-му классу трубокабелеискателей. Он рассчитан для работы в диапазоне температур от -20 до +40°. Частота генерации 1020 +/- 3% Гц. Максимальная выходная мощность 1,3 Вт. Вес комплекта 5 кг.
Генератор смонтирован в металлическом корпусе с крышкой. Питание генератора в виде 10 сухих батарей "Марс" или "Сатурн" вложено в специальный отсек корпуса.
Трубокабелеискатель ГКИ может работать также от сети переменного тока напряжением 220 +/- 10%, или 24 +/- 10% В, и источника постоянного тока напряжением 12 В.
Генератор состоит из задающего генератора, ступени усиления, устройства прерывания и секционированного выходного трансформатора. Принципиальная электрическая схема ГКИ приведена в
прил. 13.
На лицевую панель генератора выведены органы управления, представленные на рис. 51.
Рис. 51. Комплект трубокабелеискателя ГКИ
1 - генератор; 2 - искатель; 3 - выходные клеммы генератора;
4 - сигнальная лампочка; 5 - кнопка-контроль;
6 - переключатель напряжения сети; 7 - колодка и гнезда
для подключения шнура питания; 8 - тумблер "Бат-сеть";
9 - кнопка "Выкл. бат."; 10 - тумблер "Имп. непрерывн.";
11 - потенциометр "Частота"; 12 - гнезда для подключения
головных телефонов; 13 - ручка регулировки усиления;
14 - клемма для настройки и проверки искателя в условиях
завода или ремонтной мастерской; 15 - переключатель рода
работ "Узкая - широкая полоса"
Приемное устройство ИП-7 представляет собой усилитель, собранный вместе с магнитной антенной в виде дюралевой сборной трубчатой штанги.
Избирательным элементом является контур, составленный из катушки с ферритовым сердечником параллельно которой подключена емкость. Для улучшения помехоустойчивости предусмотрен фильтр.
Схема усилителя смонтирована на текстолитовой плите. Гнездо для подключения телефонов и ручка регулировки усиления выведены на наружную накладку. Батарейный отсек (питание в виде двух батарей 1,3-ФМЦ-0,7) расположен в верхней части штанги и завинчивается с торца крышкой.
Коэффициент усиления приемного устройства не менее 5500. Принципиальная электрическая схема приемного устройства дана в
прил. 13.
ТРУБОКАБЕЛЕИСКАТЕЛЬ ИПКТ-69
4.18. Трубокабелеискатель ИПКТ-69 - прибор нового типа, имеющий три режима работы:
а) пассивный - с использованием внешних возбуждающих полей промышленной частоты 50 Гц;
б) активный - с использованием генератора, генерирующего частоту 12 кГц, и индуктивной рамки, настроенной в резонанс;
в) режим трубокабелеискателя - с использованием генератора, подключенного непосредственно к отыскиваемой коммуникации.
Прибор рассчитан для работы в диапазоне температур воздуха от -20 до +50 °C и относительной влажности воздуха до 95%.
Комплект прибора состоит из: генератора массой 3,7 кг и размерами 233 x 110 x 158 мм; датчика 12 кГц массой 3 кг и размерами 750 x 203 x 203 мм; рамки массой 5,2 кг и размерами 775 x 700 x 120 мм; датчика 50 Гц массой 2,4 кг и размерами 600 x 520 x 160 мм; усилителя массой 3,3 кг и размерами 233 x 110 x 180 мм; приставки массой 1,8 кг и размерами 258 x 135 x 120 мм.
В комплект прибора, кроме того, включены: заземлитель, головные телефоны, соединительные провода, запасные части и измерительное приспособление для определения глубин заложения.
Комплект ИПКТ-69 уложен в два деревянных упаковочных ящика размерами 810 x 750 x 230 и 630 x 340 x 250 мм. Общая масса комплекта в упаковочных ящиках около 35 кг.
При работе в разных режимах используются:
а) в пассивном режиме - датчик 50 Гц и усилитель;
б) в активном режиме - датчик 12 кГц, усилитель, рамка и генератор;
в) в режиме трубокабелеискателя - датчик 12 кГц, приставка, усилитель и генератор.
Технические характеристики ИПКТ-69 следующие:
чувствительность усилителя на частоте 50 Гц - 15 мкВ и на частоте 12 кГц - 5 мкВ;
полоса пропускания при уровне 0,7 максимальной амплитуды на частоте 50 Гц - 3 - 6 Гц, на частоте 12 кГц - 300 - 600 Гц;
активная мощность генератора, отдаваемая в настроенную рамку, - 0,8 Вт, потребляемая мощность генератора - 1,8 Вт;
оптимальное напряжение питания генератора от 16,5 до 22,5 В, а усилителя - от 6 до 9 В. Для питания генератора и усилителя используются соответственно 15 и 6 батарей "Марс" или "Сатурн".
Генератор
(рис. 52) заключен в стальной корпус и служит источником переменного тока, используемого при активных режимах работы с рамкой или при непосредственном подсоединении генератора к коммуникации. Корпус генератора разделен на два отсека, из которых нижний предназначен для батарей питания. Доступ к нижнему отсеку обеспечивается съемной крышкой. На лицевой панели генератора размещены: тумблер для включения питания генератора, разъем для соединения с рамкой или приставкой, держатель предохранителя с предохранителем. Для переноски генератор помещается в брезентовый чехол с заплечными ремнями. Электрическая схема генератора приведена в
прил. 13.
Рис. 52. Генератор ИПКТ-69
1 - тумблер; 2 - разъем; 3 - держатель предохранителя
Усилитель (рис. 53) служит для усиления, выделения и преобразования индуктивного тока от датчиков 50 Гц или 12 кГц в звуковой сигнал, дублируемый показаниями стрелки микроамперметра. Все узлы усилителя помещены в стальной корпус, который имеет открываемый снизу отсек для источников питания.
Рис. 53. Усилитель
1 - микроамперметр; 2 - разъем для подключения датчиков;
3 - телефонные гнезда; 4 - ручка переключателя "Грубо";
5 - ручка потенциометра "Плавно"; 6 - тумблер переключения
"50 Гц" и "12 кГц"; 7 - ручка регулировки "Чувств. ГЛФ";
8 - тумблер "Вкл."; 9 - ось потенциометра "Симметр. датчика"
На лицевой панели усилителя размещены: микроамперметр, разъем для подключения датчиков на 50 Гц и 12 кГц, телефонные гнезда, ручка переключателя для регулировки чувствительности "Грубо", ручка потенциометра чувствительности "Плавно", тумблер переключения фильтров "50 Гц" и "12 кГц", ручка регулировки чувствительности телефонов "Чувств. ГЛФ", тумблер включения питания усилителя с надписью "Вкл.", ось потенциометра "Симметр. датчика" для симметрирования рамок датчика. Электрическая схема усилителя дана в
прил. 13.
Датчики 12 кГц и 50 Гц служат чувствительным элементом, вносимым в электромагнитное поле для фиксации изменения напряженности его магнитной составляющей. Датчик на 12 кГц
(рис. 54) содержит две идентичные параллельные и соосные рамки со встречным включением, разнесенные в вертикальной плоскости на 150 мм. На верхней крышке датчика имеется отверстие для закрепления ручки датчика, тумблер для отключения верхней рамки (положение
1 - 2), разъем с помощью которого осуществляется соединение датчика с усилителем. К нижней рамке крепится конусный штырь, используемый совместно с измерительным приспособлением при определении глубины заложения отыскиваемых коммуникаций. Принципиальная электрическая схема датчика 12 кГц дана на
рис. 55.
Рис. 54. Датчик 12 кГц ИПКТ-69
1 - отверстие; 2 - тумблер; 3 - разъем
Рис. 55. Принципиальная схема датчика 12 кГц
Датчик на 50 Гц
(рис. 56) содержит две идентичные плоские рамки. Разнос рамок в горизонтальной плоскости составляет 350 мм. Механическое соединение рамок осуществляется трубками, внутри которых помещаются выводы рамок. Соединение трубок между собой осуществляется через тройник, к которому крепится ручка-держатель, закрепляемая винтом. Принципиальная схема датчика на 50 Гц дана на
рис. 57.
Рис. 57. Принципиальная электрическая схема датчика 50 Гц
Рамка
(рис. 58) служит для индукционного возбуждения искомых токопроводящих коммуникаций. Она изготовлена из пенопласта. Рамка имеет 200 витков провода. На корпус рамки вмонтирована сигнальная неоновая лампочка. Внешние выводы рамки выведены с помощью гибкого кабеля на разъем. Рамка имеет две раздвижные планки с рамками-барашками для установки на грунт в вертикальном положении. Принципиальная электрическая схема рамки дана на
рис. 59.
1 - неоновая лампочка; 2 - разъем; 3 - раздвижные планки
Рис. 59. Принципиальная электрическая схема рамки
Приставка
(рис. 60) служит для проверки напряжения питания генератора и усилителя, потребляемого ими тока, а также для согласования сопротивления нагрузки с внутренним сопротивлением генератора. Конструктивно приставка выполнена в виде отдельного блока. На лицевой панели приставки размещены: вольтамперметр, тумблер, служащий для переключения в режиме "Измерение" - "Внутр.", "Внешн.", переключатель с подписью "Согласование", служащий для переключений в режиме трубокабелеискателя, тумблер для переключения режимов "Работа" и "Проверка", переключатель с надписью "Род работы" для коммутации измерительных цепей, две клеммы с надписью "Нагрузка" для подключения заземления и отыскиваемой коммуникации в режиме работы трубокабелеискателя, две клеммы с надписью "Измерение" - для внешних измерений, две клеммы с надписью "Вход" для подключения в режиме "Измерение". Электрическая схема приставки дана в
прил. 13.
1 - вольтамперметр; 2 - тумблер "Измерение" - "Внутр.",
"Внешн."; 3 - переключатель "Согласование";
4 - тумблер переключения режимов "Работа" и "Проверка";
5 - переключатель "Род работы"; 6 - клеммы "Нагрузка";
7 - клеммы "Измерение"; 8 - клеммы "Вход"
Г. МЕТОДИКА РАБОТ ПО ПОИСКУ ПОДЗЕМНЫХ КОММУНИКАЦИЙ
4.19. Наиболее распространенными трубокабелеискателями являются ВТР-V, ТПК-1, ГКИ и ИПК-2М поэтому ниже излагается организация и методика поиска с этими приборами.
Особенности, возникающие при использовании ИПКТ-69, приводятся в
пп. 4.49 -
4.59.
ОРГАНИЗАЦИЯ И ОБЩЕЕ СОДЕРЖАНИЕ РАБОТ
4.20. К поиску подземных коммуникаций с помощью трубокабелеискателей можно приступить по завершении обследования колодцев подземных коммуникаций.
4.21. Поиск подземных коммуникаций выполняется бригадой, состоящей из инженера и минимум двух рабочих. Обязанности членов бригады распределяются следующим образом:
инженер устанавливает методику и порядок выполнения работ, непосредственно осуществляет отыскивание скрытых сетей приемным устройством трубокабелеискателя, указывает места для фиксации на поверхности земли проекции оси трассы, ведет полевую документацию;
первый рабочий, обученный правилам эксплуатации трубокабелеискателя и приемам работы с ним, переносит, устанавливает, включает и выключает генератор трубокабелеискателя, зачищает, контакты, подключает генератор к отыскиваемой прокладке и следит за его работой;
второй рабочий переносит инструменты и принадлежности, перемещается вместе с инженером по отыскиваемой трассе и по его указанию закрепляет зафиксированные на поверхности точки проекции оси трассы.
4.22. Общее содержание работ по поиску подземных коммуникаций заключается в следующем:
отыскивается место для наиболее оптимального размещения комплекта трубокабелеискателя;
монтируется электрическая схема, соответствующая принятому методу поиска;
проверяется работа включенных генератора и приемного устройства;
приемным устройством отыскивается коммуникация с фиксацией ее планово-высотного положения.
При движении по трассе наблюдатель перемещает антенну приемного устройства на 0,3 - 0,5 м по линиям, перпендикулярным к направлению трассы. При этом ориентирование антенны должно строго соответствовать принятому методу приема сигнала. Как правило, поиск коммуникаций осуществляется по методу минимума, а метод максимума применяется для рекогносцировочных целей или контроля. Точная фиксация планового положения трассы производится, когда антенна направлена перпендикулярно к поверхности земли, в точке фиксации имеет место четкий минимум сигнала, а влево и вправо от нее сигнал заметно увеличивается.
4.23. Для измерения глубины заложения оси трассы необходимо:
заметить точку проекции оси трассы на поверхности земли;
повернуть приемную антенну так, чтобы она была обращена к трассе и составляла угол 45° к поверхности земли;
не изменяя указанной ориентировки антенны, переместиться в направлении, перпендикулярном к трассе, до места минимума сигнала, при этом дальнейшие перемещения антенны к трассе или от нее должны сопровождаться усилением сигнала;
заметить точку, соответствующую минимуму сигнала и измерить рулеткой расстояние между этой точкой и проекцией оси трассы.
Аналогичные действия выполняются и по другую сторону трассы со взятием среднего результата. При фиксации минимума антенну следует держать в 2 - 5 см от поверхности земли.
4.24. Во время движения по трассе наблюдатель руководствуется наличием звукового сигнала симметричной формы или показаниями микроамперметра, сопоставляя результаты приборного поиска с внешними признаками сетей, технологическими связями между сетями и другими сооружениями.
Наблюдатель должен прекращать дальнейший поиск, когда у него возникают сомнения в достоверности принимаемого сигнала. В основном это возникает:
когда амплитуда сигнала уменьшилась настолько, что ширина минимума превышает заданную при съемке данного масштаба величину;
когда результаты приборного поиска, по существу, противоречат более обоснованным проектным или технологическим данным, а также внешним признакам сетей;
когда минимум сигнала не может быть определен из-за высокого уровня помех;
в случаях фиксации резко несимметричных минимумов.
4.25. Наблюдатель должен пользоваться следующими методами контроля поиска подземных коммуникаций:
максимума - точке минимума обязательно должен соответствовать максимум сигнала;
измерением глубины заложения - при правильности определения планового положения трассы, расхождения между расстояниями в плане, измеренными по обе стороны от проекции оси коммуникации, не должны превышать 15 - 20% глубины заложения;
поиском особенно сложных участков с двух разных мест установки генератора.
4.26. Поиск подземных коммуникаций может выполняться в импульсном или непрерывном режиме работы генератора. При импульсном режиме увеличивается срок эксплуатации элементов питания; импульсы звукового сигнала лучше различаются на фоне высокого уровня помех.
4.27. Фиксация планового положения отыскиваемой трассы выполняется на углах поворота и прямолинейных участках. Фиксация углов поворота производится следующим образом:
при отыскании трубопроводов малых (до 200 мм) диаметров, а в масштабах 1:2000 и 1:5000 всех трубопроводов, место угла поворота фиксируется методом двух створов
(рис. 61). При этом расстояние
OA ~=
OA', должно быть около 1 м, а расстояние
AB ~=
A1B1 - 2 - 3 м. Место поворота определяется точкой пересечения продолженных линий
AB и
A1B1;
для съемки в масштабах 1:500 и 1:1000 трубопроводов большого диаметра, имеющих углы поворота 90°, следует фиксировать начало, середину и конец кривой поворота. Для этого наблюдатель должен перемещать приемное устройство по линиям, нормальным к направлению кривой поворота
(рис. 62).
Рис. 61. Фиксация угла поворота методом двух створов
Рис. 62. Фиксация угла поворота трубы большого диаметра
Фиксация точек на прямолинейных участках производится через расстояния не более: 20, 30, 50 и 100 м при съемках в масштабах, соответственно 1:500, 1:1000, 1:2000 и 1:5000.
Изломы трасс фиксируются при уклонениях фактического положения их осей от замыкающей линии на расстоянии не менее: 0,3, 0,5, 1,0, 3,0 м при съемках в масштабах, соответственно, 1:500, 1:1000, 1:2000, 1:5000.
4.28. Поиск подземных коммуникаций и съемку зафиксированных на местности точек способами, приведенными в
пп. 3.8 -
3.11, как правило, выполняет одна бригада. Разрыв во времени между поиском и съемкой стремятся делать минимальным. Соответственно, закрепление указанных точек может быть временным, например в виде нанесенных на асфальте крестов.
4.29. В процессе поиска подземных коммуникаций ведется полевой журнал, в котором указываются:
схема отыскиваемой коммуникации с нанесенными точками привязки;
место подключения генератора;
назначение, диаметр и материал отыскиваемой трассы.
Если поиск подземных коммуникаций выполняется на застроенной территории, то журнал поиска сетей целесообразно совместить с журналом их съемки. В этом случае кроме приведенного выше в журнале показывают близлежащую ситуацию и линейные промеры до точек отыскиваемой коммуникации.
Точкам съемки придается сплошная нумерация, независимо от вида отыскиваемых коммуникаций. В конце журнала следует указать общую сумму снятых точек.
Образец полевого журнала при поиске подземных коммуникаций на застроенной территории дан в
прил. 14.
4.30. Данные полевого журнала поиска подземных коммуникаций позволяют завершить схему отрекогносцированных сетей, начатую при обследовании колодцев. На схему наносят линии коммуникаций с пронумерованными точками привязки.
Если условия поиска не позволяют выявить с помощью трубокабелеискателей все коммуникации, то производится шурфование с нанесением на схему отрекогносцированных сетей местоположения шурфов.
Окончательно составленная схема отрекогносцированных сетей, образец которой дан в
прил. 10, должна быть согласована с представителями эксплуатирующих организаций.
При поиске подземных коммуникаций на крупных промышленных предприятиях целесообразно все работы выполнять по видам сетей, соответственно чему концентрируется полевая документация. Схема рекогносцировки при этом составляется на каждый вид отдельно.
КОНТАКТНЫЙ МЕТОД ПОИСКА ПОДЗЕМНЫХ КОММУНИКАЦИЙ
4.31. Метод поиска токопроводящих подземных коммуникаций, при котором генератор трубокабелеискателя гальванически (непосредственно) подключается к отыскиваемой коммуникации, называется контактным.
4.32. Оптимальная электрическая схема, создаваемая при контактном методе
(рис. 63), характеризуется следующим:
а) генератор устанавливается в непосредственной близости от колодца, шурфа или выхода коммуникаций на поверхность, где возможно гальваническое соединение генератора и коммуникации;
б) с помощью соединительного провода, снабженного магнитным контактом, обеспечивается жесткая гальваническая связь между генератором и трубопроводом, для чего на трубе до металлического блеска зачищается площадка размером примерно 2 x 2 см;
| | ИС МЕГАНОРМ: примечание. Обозначения пунктов даны в соответствии с официальным текстом документа. | |
б) для создания замкнутой электрической цепи генератор заземляется. Заземлитель устанавливается на расстоянии до 10 м в перпендикулярном к трассе направлении.
Рис. 63. Электрическая схема при контактном методе поиска
Заземлитель должен быть погружен в естественный грунт. Установка заземлителя в отвалы грунта, полотно железных и автомобильных дорог, сухой песок, рыхлый пахотный слой почвы и т.д. не создают условий для эффективного использования контактного метода.
Место контакта генератора с трубопроводом при наличии в колодце арматурных соединений должно быть выбрано с учетом направления прослушивания при наибольшей электропроводимости. Так (рис. 64), при прослушивании трубы AB контакт должен быть осуществлен в положении 1, а при прослушивании трубы AC - в положении 2.
Рис. 64. Схема выбора мест подключения
При выборе места подключения генератора должен соблюдаться принцип "от малого диаметра к большому". Для иллюстрации практического выполнения этого принципа выбора мест подключения генератора приведен рис. 65, где стрелками указаны места подключений, а пунктирными линиями охвачены соответствующие участки прослушиваемых трасс.
Рис. 65. Схема подключения генератора
4.33. В зависимости от условий поиска подземных коммуникаций следует регулировать величину выходной мощности генератора трубокабелеискателя. Максимальную выходную мощность целесообразно использовать при поиске протяженных трасс или для преодоления участков с высоким уровнем индустриальных помех. К уменьшению выходной мощности следует стремиться, когда требуется осуществить поиск коммуникаций, расположенных параллельно друг другу на расстоянии ближе двойной глубины заложения.
Максимальная выходная мощность генераторов развивается при равенстве сопротивления внешней цепи и внутреннего сопротивления генератора. Если сопротивление внешней цепи больше, чем внутреннее сопротивление генератора, то его выходная мощность соответственно снижается. При сопротивлении внешней цепи, существенно меньшем внутреннего сопротивления генератора, происходит быстрая разрядка элементов питания, поэтому поиск подземных коммуникаций при указанном сочетании сопротивлений внешней и внутренней цепи не рекомендуется.
Оптимальная величина сопротивления внешней цепи не должна превышать 600 Ом. Для того чтобы поиск коммуникаций в условиях почв средней влажности производился при оптимальном сопротивлении внешней цепи, рекомендуется устанавливать заземлитель на глубину 0,1 - 0,2 м при удалении его от трассы 3 - 5 м, а при расстоянии между заземлителем и трассой, равном 10 м, следует заземлитель устанавливать на глубину 0,3 м.
Соблюдая указанные условия, максимальная выходная мощность достигается использованием выходной клеммы генераторов ГКИ и ИПК-2, подписанной "600 Ом", а для ВТР-V, ТПК-1 при установке выходного напряжения на 100 - 120 В.
Поиск подземных коммуникаций становится неэффективным при величине сопротивления внешней цепи более 1000 Ом для ГКИ и ИПК-2 и более 1500 Ом для ВТР-V и ТПК-1.
Сопротивление внешней цепи следует измерять при помощи вольтамперметра Ц-20. Если оно окажется больше допустимого, рекомендуется прежде всего убедиться в надежности контактов на трубопроводе, на клеммах генератора и заземлителя. При жестких контактах рекомендуется заглубить заземлитель, приблизить его к коммуникации или полить место установки заземлителя водой.
4.34. Поиск кабельных линий контактным способом может быть осуществлен подключением генератора к броне или жиле предварительно обесточенного кабеля.
При подключении генератора к броне выполняются те же действия, что и при подключении к трубопроводам.
Если же подключение генератора производится к жиле обесточенного кабеля (рис. 66), то необходимо:
у одного из концов отыскиваемого кабеля установить генератор, подсоединить его к жиле и заземлить;
на другом конце кабеля заземлить жилу, к которой подключен генератор.
Рис. 66. Схема подключения генератора к обесточенному кабелю
При указанном способе подключения создается равномерное магнитное поле по всей длине отыскиваемого кабеля, что позволяет производить уверенный поиск кабелей значительной длины (до 10 км).
4.35. Электрическая схема может значительно отличаться от оптимальной. При невозможности установить заземлитель в перпендикулярном к трассе направлении его можно отнести вдоль трассы в противоположную от направления прослушивания сторону (рис. 67).
Рис. 67. Установка заземления вдоль отыскиваемой линии
В условиях поиска коммуникаций на асфальтированных участках городских и промышленных территорий место для заземления генератора можно выбирать непосредственно в колодцах, не имеющих бетонного пола (рис. 68). При этом не следует допускать касания поверхностей трубы и заземлителя. Величина сопротивления внешней цепи в данном случае, как правило, не превышает 100 Ом, поэтому при необходимости развивать максимальную выходную мощность генератора используются выходные клеммы, подписанные "60 Ом", у ГКИ и ИПК-2 или выходное напряжение, равное 30 - 40 В у ТПК-1 и ВТР-V.
Рис. 68. Установка заземления в колодце
4.36. Разновидностью контактного метода является метод "шлейф".
Шлейф - это достаточно длинный провод, с помощью которого отыскиваемая коммуникация и генератор составляют электрическую схему, показанную на рис. 69.
Рис. 69. Электрическая схема метода "шлейф"
Использование шлейфа весьма эффективно в условиях высокого уровня индустриальных помех, когда применение обычного контактного метода становится невозможным. Такие условия часто возникают при отыскании коммуникаций вблизи промышленных зданий, насосных станций и котельных, где можно обнаружить вводы в здания и отыскать колодцы, принадлежащие к одним и тем же коммуникациям.
Участок коммуникации, заключенный между точками подключения шлейфа, может быть уверенно зафиксирован при весьма высоком уровне помех.
Для применения шлейфа необходимо, чтобы на отыскиваемой коммуникации были доступны для гальванического подключения генератора две точки, удаленные одна от другой не менее чем на 20 м. Максимальная длина шлейфа рекомендуется порядка 300 м.
При пользовании шлейфом необходимо знать примерное направление отыскиваемой коммуникации, поскольку между нею и лежащим на земле шлейфом должно сохраняться расстояние не менее 10 м. В противном случае магнитное поле, образуемое вокруг самого шлейфа, окажется помехой для поиска коммуникаций.
Сопротивление внешней цепи при использовании шлейфа зависит от диаметра отыскиваемых труб и расстояния между точками подсоединения шлейфа. При жесткости контактов максимальная величина сопротивления внешней цепи не превышает 100 Ом. Величину сопротивления внешней цепи необходимо измерять вольтамперметрами Ц-20 и в зависимости от нее выбрать выходное напряжение или выходную клемму генератора.
Для эффективного применения шлейфа дополнительно к стандартному оборудованию отечественных трубокабелеискателей необходимо иметь следующее:
катушку для сматывания провода по типу корпуса рулетки РГ-50;
кабель длиной не менее 300 м;
два магнитных контакта;
вольтамперметр Ц-20.
Бесконтактный метод поиска подземных коммуникаций
4.37. Метод поиска подземных коммуникаций без использования или непосредственного (гальванического) соединения генератора трубокабелеискателя к отыскиваемой коммуникации называется бесконтактным.
4.38. В зависимости от источника электромагнитного поля рассматриваются следующие разновидности бесконтактного метода:
поиска токопроводящих коммуникаций;
наведенного поля;
поиска токонесущих коммуникаций.
4.39. Бесконтактный метод поиска токопроводящих коммуникаций основан на принципе фиксации переменного электромагнитного поля, возбуждаемого задающим контуром. Задающий контур - это генератор трубокабелеискателя, два погруженных в грунт заземлителя и соединительные провода от заземлителей к выходным клеммам генератора.
При включении генератора возбуждается электромагнитное поле и если в зоне его распространения расположена токопроводящая коммуникация, то в ней индуцируется переменный ток и становится возможным отыскание этой коммуникации.
4.40. Бесконтактный метод поиска токопроводящих коммуникаций эффективен при соблюдении следующих условий:
наличие естественного грунта для заглубления заземлителей;
отыскиваемая коммуникация и смежные с ней должны быть расположены на расстоянии не менее двойной глубины заложения отыскиваемой коммуникации;
направление, в котором проложена отыскиваемая коммуникация, должно быть предварительно известно в полосе шириной не более 20 м.
4.41. При бесконтактном методе поиск токопроводящих коммуникаций выполняется в следующей последовательности:
генератор устанавливается в рабочее положение в месте, примерно соответствующем положению оси отыскиваемой коммуникации;
по обе стороны от генератора и на расстоянии до 10 м от него заглубляются заземлители;
заземлители соединяются с выходными клеммами генератора (для ГКИ и ИПК-2М - это обычно клеммы, подписанные "600 Ом" и "Земля");
измеряется сопротивление внешней цепи, которое не должно превышать 600 Ом. Для уменьшения сопротивления внешней цепи целесообразно в качестве заземлителей использовать заглубленные в грунт металлические опоры, столбы и др.;
проверяется работа генератора и приемного устройства в непосредственной близости от места установки генератора;
на расстоянии примерно 20 м от генератора начинается поиск коммуникаций по максимуму или минимуму сигнала, т.е. так же, как и при контактном методе.
Пройдя вдоль коммуникации до места, где дальнейшее уверенное прослушивание становится затруднительным, наблюдатель фиксирует это место, прекращает поиск и дает сигнал помощнику для снятия генератора и заземлителей. Дальнейший поиск коммуникации ведется при оптимальном расположении заземлителей и генератора по отношению к отыскиваемой трассе. Для этого генератор ставится над осью коммуникации, один из заземлителей в непосредственной близости от генератора, а другой отнесен по перпендикуляру от коммуникации на расстояние до 10 м (рис. 70).
Рис. 70. Электрическая схема бесконтактного метода
4.42. Поиск подземных коммуникаций бесконтактным методом рекомендуется выполнять при максимальной выходной мощности генератора, что обеспечивает наибольший продвиг работ.
Заземлители должны быть погружены в грунт на глубину 0,2 - 0,3 м. Если при этом сопротивление внешней цепи окажется более 600 Ом, то следует уменьшить расстояние между заземлителями. Расстояние между заземлителями должно быть не менее 2 м.
4.43. Ориентирование задающего контура и длина его (расстояние между заземлителями) имеет важное значение при использовании бесконтактного метода.
Для поиска трасс в стесненных условиях, вызванных наличием смежных коммуникаций, задающий контур может быть расположен вдоль коммуникации (рис. 71).
Рис. 71. Расположение контура параллельно
отыскиваемой прокладке
Разместив контур вдоль трассы СД, расположенной от трассы АВ на расстоянии l, можно рассчитывать, что при соблюдении условия
L <= 2l,
где L - длина контура, магнитное поле практически не распространяется на коммуникацию АВ. Это создает благоприятные условия для фиксации отыскиваемой коммуникации СД.
Этот же эффект можно получить другим путем (рис. 72). В этом случае для создания благоприятных условий поиска коммуникации СД следует выполнить условие L <= l, тогда на коммуникацию АВ магнитное поле практически не распространится.
Рис. 72. Расположение контура перпендикулярно
к отыскиваемой прокладке
4.44. Точность бесконтактного метода поиска токопроводящих коммуникаций такая же, как при контактном методе, но дальность поиска с одной установки задающего контура в 2 - 4 раза меньше.
4.45. Поиск токопроводящих коммуникаций целесообразно выполнять, сочетая контактный метод с бесконтактным, сообразуясь при этом с технико-экономическими соображениями. Если отыскиваемая коммуникация имеет выходы на поверхность, легко доступные для гальванического соединения генератора, то целесообразно использовать контактный метод поиска. При поиске коммуникаций с небольшим числом колодцев или выходов на поверхность и условиях размещения коммуникаций, позволяющих применить бесконтактный метод, следует пользоваться им.
Бесконтактный метод поиска токопроводящих коммуникаций целесообразно использовать для отыскания частично нарушенных коммуникаций, фланцевых и раструбных трубопроводов, кабелей, имеющих обрывы, и др. В указанных случаях использование бесконтактного метода может оказаться особенно эффективным.
4.46. Разновидностью бесконтактного метода поиска токопроводящих коммуникаций является метод длинного кабеля (длина практически до 100 м).
Заземление кабеля производится заземлителями, расположенными друг от друга на 20 - 30 м. Общее число заземлителей не должно быть более шести. Заземлители подсоединяются параллельно к кабелю и погружаются в естественный грунт на глубину до 0,3 м.
Кабель ориентируется вкрест направлению коммуникаций. Если на участке работ коммуникации проложены друг от друга на расстоянии не ближе 10 м, то они могут быть выявлены с одной установки оборудования (генератора, кабеля и заземлителей) на площади 8 га с точностью, достаточной для топографической съемки в масштабе 1:1000 и мельче.
4.47. В токопроводящих коммуникациях, расположенных в зоне распространения электромагнитного поля мощных источников переменного тока, индуцируется ток, который в свою очередь создает вокруг коммуникаций наведенное электромагнитное поле. Это поле может быть зафиксировано приемным устройством трубокабелеискателя и, следовательно, определено положение коммуникаций.
Наилучшие результаты использования наведенных полей можно ожидать при поиске действующих одиночных коммуникаций большого диаметра, пересекаемых кабельными и воздушными ЛЭП высокого напряжения. Если электромагнитное поле наведено параллельными по отношению к отыскиваемым коммуникациям линиям ЛЭП, то фиксируемый минимум сигнала смещается от оси коммуникации в сторону источника поля.
4.48. Поиск электрокабелей, находящихся под нагрузкой, производится методом фиксации переменного магнитного поля с частотой 50 Гц.
Указанный метод широко используется для отыскания отдельных кабелей, расположенных вне зоны помех. Поиск производится приемным устройством по методу минимума или максимума с точностью контактного метода. Дальность поиска зависит только от внешних условий, т.е. наличия и характера помех. При отсутствии помех поиск действующих кабелей без использования генератора может быть выполнен на значительные расстояния.
Аналогично электрокабелям может быть выполнен поиск кабелей слабых токов, если они расположены вне зоны помех и напряженность магнитного поля достаточна для четкого фиксирования сигнала приемным устройством.
Д. ОСОБЕННОСТИ МЕТОДИКИ ПОИСКА ПОДЗЕМНЫХ КОММУНИКАЦИЙ
ТРУБОКАБЕЛЕИСКАТЕЛЕМ ИПКТ-69
ПАССИВНЫЙ РЕЖИМ
4.49. При пассивном режиме, который по своей физической сущности соответствует методу наведенного поля, используются электромагнитные поля внешних источников переменного тока. Однако наличие у ИПКТ-69 мощного усилителя и узкая полоса пропускания приемного устройства (датчика) обеспечивают значительно больший диапазон применения пассивного режима поиска, по сравнению с методом наведенных полей.
Наилучшие результаты, по точности достаточные для составления планов масштаба 1:500, получаются при отыскании хорошо изолированных трубопроводов и кабелей, расположенных друг от друга на расстоянии не менее двойной глубины заложения и заложенных на глубину до 2 м.
4.50. Подготовка приборов к работе выполняется в следующей последовательности:
а) из укладочного ящика необходимо взять датчик 50 Гц, усилитель и головные телефоны. Соединить датчик с усилителем и вставить вилку телефонов в розетку усилителя;
б) установить: тумблер выбора режима работы в положение "50 Гц", рукоятку регулировки чувствительности "Плавно" - в среднее положение, рукоятку чувствительности "Грубо" - в положение "6", рукоятку регулировки телефонов - в крайнее правое положение, шлиц потенциометра "Симметр. датчика" - в среднее положение;
в) включить тумблер питания. При этом стрелка микроамперметра должна отклониться вправо и остаться в этом положении, а в головных телефонах будет прослушиваться звук;
г) рукоятками регулировок чувствительности "Грубо" и "Плавно" надо ввести стрелку микроамперметра в среднюю часть шкалы (30 - 40 делений), а рукояткой чувствительности телефонов высоту тона сигнала уменьшить до минимально различимого уровня;
д) для проверки качества симметрирования рамок следует датчик повернуть на 180°. При этом показания микроамперметра не должны изменяться. Поверку симметричности рамок следует выполнять на участке, где нет подземных коммуникаций.
4.51. Поиск подземных коммуникаций выполняется так же, как и ранее описанными приборами поиска, по методу минимума, перемещениями датчика в плоскости, перпендикулярной к направлению трассы. При этом центр датчика (вертикальная штанга с рукояткой) будет находиться над коммуникацией, причем направление коммуникации перпендикулярно к горизонтальной штанге датчика. Глубину заложения определяют перемещением датчика в плоскости, перпендикулярной к коммуникации до получения минимума. Точность определения глубин заложения при использовании пассивного режима работы сравнительно невелика, поэтому для получения глубин заложения рекомендуется использовать активный режим работы.
АКТИВНЫЙ РЕЖИМ РАБОТЫ
4.52. При активном режиме работы используется принцип индуктивной связи генератора с отыскиваемой коммуникацией, точно так же, как при бесконтактном методе поиска, изложенном в
пп. 4.37 -
4.45. Источником электромагнитного излучения при активном режиме работы служит подключенная к генератору индуктивная рамка. При использовании генератора ИПКТ-69 создается электромагнитное поле частотой 12 кГц, что обеспечивает хорошую защищенность полезного сигнала от индустриальных помех.
4.53. Поиск выполняется датчиком 12 кГц, подключенным к усилителю. Подготовка усилителя к работе выполняется так же, как при пассивном режиме с единственной разницей - тумблер выбора режима следует поставить в положение "12 кГц".
Тумблер на корпусе датчика следует поставить в положение 2, тогда поиск будет выполняться двумя рамками датчика. В благоприятных условиях рекомендуется использовать только одну рамку датчика, для чего следует поставить тумблер в положение 1. Поиск с одной рамкой датчика возможен на расстояние до 150 м, а с двумя рамками - до 60 м от возбуждающего узла (генератора с индуктивной рамкой).
Соединив рамку с генератором и включив питание последнего (при этом должна загореться неоновая лампочка, установленная на корпусе рамки), оператор с датчиком и усилителем должен отойти на 10 - 15 м от возбуждающего узла и посредством регулировок "Грубо" и "Плавно" установить стрелку микроамперметра в оцифрованную часть шкалы.
4.54. Для поиска коммуникаций рамка должна быть установлена в вертикальное положение ребром вдоль коммуникации. Если начальное положение коммуникации неизвестно, то операторы (один с датчиком, а другой с возбуждающим узлом) должны перемещаться по параллельным профилям на расстоянии 15 - 20 м друг от друга до места, где показания микроамперметра усилителя будут максимальны. В этом положении рамка устанавливается на грунт с помощью раздвижных планок и производится поиск коммуникации по методу минимума.
4.55. Избирательность поиска в активном режиме достаточно высокая. Трубы и кабели, расположенные друг от друга на расстоянии более 0,5 м, уверенно прослеживаются с достаточной для съемки масштаба 1:500 точностью, если глубина заложения отыскиваемых коммуникаций не более 2 м. Опыт применения активного режима поиска показал его высокую эффективность, поскольку поиск коммуникаций осуществляется только последовательными передвижениями операторов без затраты времени на подключения, установки заземлителей, что приходится делать при бесконтактном методе с задающим контуром.
4.56. Измерение глубины заложения оси коммуникации можно выполнять двумя способами: фиксации максимума сигнала и при помощи специального измерительного приспособления, которое можно использовать при глубинах заложения, не превышающих 2,3 м.
По первому способу фиксируется проекция оси коммуникации на поверхности земли, а затем датчик с двумя включенными рамками следует перемещать в плоскости, перпендикулярной к направлению коммуникации, до точки максимума сигнала. Расстояние между проекцией коммуникации и точкой максимума, умноженное на 1,73, или между двумя точками максимума, полученными по обе стороны от коммуникации, умноженное на 0,865, дает величину залегания ее оси трассы относительно середины корпуса датчика. Для определения глубины залегания относительно поверхности земли необходимо вычесть из полученной величины расстояние между поверхностью земли и серединой корпуса датчика, равное 10 см.
При качественном симметрировании рамок датчика расхождения в глубинах заложения, полученных влево и вправо от проекции оси коммуникации, не должны превышать 20% измеряемой величины.
Измерительное приспособление
(рис. 73) состоит из двух линеек: горизонтальной, устанавливаемой на шипы, и вертикальной с делениями, градуированными в метрах глубины заложения оси коммуникации. Кроме того, для измерений к датчику навинчивается конусный штырь, вставляемый в шарнир, а в отверстие на ручке-держателе вставляется направляющий штифт указателя, перемещаемого вдоль вертикальной линейки.
Рис. 73. Измерительное приспособление для определения
глубины заложения коммуникаций
1 - линейка горизонтальная; 2 - шипы; 3 - линейка
вертикальная; 4 - конусный штырь; 5 - шарнир;
6 - штифт указателя
Измерение глубины заложения выполняется в следующем порядке:
выбирается ровная площадка, на которой по методу минимума определяется точка проекции оси коммуникации;
от точки проекции оси коммуникации в плоскости, перпендикулярной к направлению, металлической рулеткой измеряется расстояние OA, равное 2b, где b - расстояние между шипами горизонтальной линейки;
горизонтальная линейка устанавливается в положение AB;
датчик подготавливается к работе, так же как и для определения планового положения коммуникации;
вращением датчика в наклонной плоскости надо добиться такого его положения, когда ток индукции будет минимален. Тогда ось датчика будет служить продолжением линии KA и из двух подобных треугольников OAK и ABC можно получить искомую глубину заложения оси коммуникации, отсчитав ее величину по делениям вертикальной линейки.
Аналогичные измерения следует выполнить по другую сторону от направления коммуникации. Разница между двумя измерениями не должна превышать 10% измеряемой глубины заложения.
РЕЖИМ ТРУБОКАБЕЛЕИСКАТЕЛЯ
4.57. Режим трубокабелеискателя ИПКТ-69 соответствует контактному методу поиска подземных коммуникаций, изложенному в
пп. 4.31 -
4.35.
Отличительными особенностями режима трубокабелеискателя по сравнению с контактным методом являются:
осуществление поиска на частоте 12 кГц, что обеспечивает хорошую помехозащищенность полезного сигнала;
измеряемое согласование сопротивления внешней цепи с внутренним сопротивлением генератора.
4.58. Подготовка усилителя и датчика 12 кГц к работе производится так же, как при активном режиме. Затем генератор соединяется с приставкой, которая в свою очередь соединяется с отыскиваемой коммуникацией через клеммы с надписью "Нагрузка". Подготовка приставки состоит из следующих действий:
тумблер приставки устанавливается в положение "Работа";
переключатель "Согласование" - устанавливается обычно в положение "600 Ом", а при работе со шлейфом - 100 Ом и во влажных грунтах - 200 Ом;
переключателем "Согласование" необходимо добиться установки стрелки вольтамперметра в черном секторе шкалы. Это укажет на оптимальное согласование величины сопротивления внешней цепи и внутреннего сопротивления генератора.
4.59. Поиск подземных коммуникаций, включая и определение глубины заложения, производится так же, как при активном режиме работы.
Применение режима трубокабелеискателя при весьма сложных условиях обеспечивает точность получаемых результатов, достаточную для составления планов масштаба 1:500.
Е. ПОИСК ТОКОНЕПРОВОДЯЩИХ КОММУНИКАЦИЙ ИНДУКТИВНЫМ МЕТОДОМ
4.60. Токонепроводящие коммуникации самотечных систем могут быть выявлены индуктивным методом введением дополнительного проводника или токопроводящей жидкости. Напорные трубопроводы для выявления индуктивным методом рекомендуется при строительстве укладывать со специально встроенными проводниками в виде медного провода диаметром 3 - 4 мм2.
4.61. Метод дополнительного проводника, применяемый для поиска самотечных трубопроводов, заключается в следующем: используя существующий поток жидкости, с помощью поплавка объемом 100 - 300 см3 в плоскость трубопровода через открытый доступ вводят мягкий медный проводник диаметром не более 4 мм2 на необходимую для прослушивания длину. Генератор подключают к концу проводника, намотанного на специальную катушку и к заземлителю, а затем выполняют поиск так же, как при контактном способе.
4.62. Метод токопроводящей жидкости применяют, когда введение дополнительного проводника затруднено. В этом случае используют транспортируемую по трубе жидкость. При этом в зависимости от токопроводящих свойств жидкости поиск может осуществляться двумя способами.
Первый способ применяют при поиске трассы, по которой подаются минерализованные жидкости с высокой электропроводностью. В данном случае в жидкость погружают медный лист с припаянным к нему проводником, идущим от генератора трубокабелеискателя. Генератор заземляют обычным порядком, подбирают соответствующий режим работы и приемным устройством производят поиск коммуникаций. Дальность прослушивания может меняться в очень широких пределах в зависимости главным образом от свойств транспортируемой жидкости и состояния окружающего грунта.
Второй способ используют в случаях слабой электропроводности транспортируемой жидкости. Для прослушивания таких коммуникаций подбирают (не в ущерб технологическим требованиям жидкости) такие вещества или концентрированные растворы, которые, будучи добавленными к транспортируемым жидкостям, придают им свойства электропроводности.
К таким веществам относятся некоторые соли, щелочи и кислоты. Наиболее доступной добавкой при прослушивании коммуникаций является поваренная соль. Опыт показывает, что 3 - 4 кг поваренной соли, погруженной в марлевом мешке, достаточно для прослушивания коммуникаций на длину до 200 м. При этом, так же как и в первом способе, в жидкость следует положить медный лист, гальванически связанный с генератором.
5. СОДЕРЖАНИЕ И СОСТАВЛЕНИЕ ПЛАНОВ ПОДЗЕМНЫХ КОММУНИКАЦИЙ
А. СОДЕРЖАНИЕ ПЛАНОВ ПОДЗЕМНЫХ КОММУНИКАЦИЙ
В МАСШТАБАХ 1:5000 - 1:500
5.1. Планы подземных коммуникаций для целей проектирования, строительства и эксплуатации составляются в масштабах 1:5000 - 1:500, а в исключительных случаях для решения отдельных инженерных задач в масштабе 1:200.
Примечание. Требования к содержанию составления планов в масштабе 1:200 определяются специальным заданием и в данном Руководстве не рассматриваются.
Выбор масштаба планов подземных коммуникаций осуществляется в зависимости от их целевого назначения и особенностей снимаемой территории. В подавляющем большинстве случаев при составлении планов подземных коммуникаций принимаются следующие масштабы:
1:5000 - для территорий нефтепромыслов;
1:2000 - для сельских населенных пунктов;
1:1000 - для территорий городов, поселков и промышленных предприятий с малоэтажной застройкой и небольшой плотностью инженерных коммуникаций;
1:500 - для территорий городов и промышленных предприятий с многоэтажной застройкой или плотной сетью коммуникаций.
На территории городов, используя планы в масштабах 1:500 и 1:1000 или исполнительные чертежи, создают планы подземных коммуникаций в масштабах 1:2000 или 1:5000 в качестве документов учетно-справочного характера.
5.2. На планах отображают планово-высотное положение подземных коммуникаций и их технические характеристики. Полнота содержания планов определяется масштабом плана и его целевым назначением.
5.3. Содержание планов подземных коммуникаций разделяется на общеобязательное (оптимальное) и выполняемое по специальному заданию. К общеобязательному (оптимальному) содержанию относят данные о планово-высотном положении, назначении коммуникаций, материале и диаметре труб и размерах каналов. Эти сведения определяются в основном в процессе полевых работ. По специальному заданию заказчика дополнительно производят сбор технических характеристик по данным эксплуатирующих организаций (марка кабелей, величина давления газа, напряжение тока, ведомственная принадлежность сети и т.д.).
5.4. Сведения общеобязательного (оптимального) характера в большинстве случаев показываются непосредственно на топографических планах снимаемых территорий. Дополнительные характеристики, собираемые по специальному заданию, приводятся, как правило, на дубликатах (специальных планах), а при большой загрузке - в каталогах, технологических схемах, эскизах колодцев.
5.5. Наиболее полным содержанием отличаются планы в масштабах 1:1000 и 1:500, на которые в обязательном порядке наносятся:
плановое положение трасс всех подземных коммуникаций (включая бездействующие) с указанием их основного назначения;
высоты обечаек, верха труб (дна лотков), верха и низа каналов;
диаметры и материалы труб, размеры каналов.
Высоты земли (мощения) у колодцев или камер приводятся, если они отличаются от отметок обечаек более чем на 0,1 м для спланированных территорий и 0,2 м - для неспланированных.
Кабельные линии разделяются условными знаками на кабели слабого тока, высокого и низкого напряжения, а также характеризуются числом кабелей в пучке или канале.
5.6. При наличии специального задания в содержание планов - в масштабах 1:1000 и 1:500 включаются следующие сведения:
марка кабеля;
количество труб в каналах теплосети;
давление газа в газопроводах;
напряжение тока в кабельных линиях и их принадлежность;
высоты вне колодцев в местах перелома профиля, но не реже чем через 50 м;
местоположение задвижек, пожарных гидрантов, вантузов и выпусков;
местоположение элементов антикоррозионной защиты.
5.7. Планы в масштабах 1:2000 и 1:5000, составляемые по данным съемки подземных коммуникаций на территории сельских населенных пунктов или нефтепромыслов, содержат обязательные сведения о подземных коммуникациях в том же объеме, что и планы масштабов 1:1000 и 1:500. Основные особенности при этом заключаются в следующем:
при нанесении однородных сетей, расположенных практически в одной траншее (на расстоянии 2 м и менее друг от друга) на плане проводится одна линия с указанием количества труб и их диаметров;
основные технические характеристики (диаметр и материал труб, высоты их заложения) выносятся в каталоги, если из-за плотности коммуникаций разместить их на плане не удается;
дополнительные технические характеристики на планы в масштабах 1:2000 и 1:5000 не наносятся и, как правило, не включаются в содержание каталогов, составляемых в дополнение к этим планам.
5.8. Планы в масштабах 1:2000 и 1:5000, составляемые по материалам съемок более крупных масштабов или исполнительным чертежам, имеют следующее содержание.
На планы в масштабах 1:5000 наносят:
по водопроводу - трубы диаметром 300 мм и более;
по канализации - трубы диаметром от 400 мм и более;
по газопроводу - трубопроводы среднего и высокого давления, а также магистральные газопроводы без разделения их на классы;
| | ИС МЕГАНОРМ: примечание. Текст дан в соответствии с официальным текстом документа. | |
по теплосети - теплопроводы, идущие от ТЭЦ с диаметром не менее 300 м и местная теплосеть с диаметром труб не менее 350 мм;
по водостоку коммуникации, имеющие диаметры от 600 мм и более;
по дренажу коммуникации с диаметром труб 400 мм и более, а также все скважины глубокого заложения;
по кабельным линиям - кабельные коммуникации с напряжением тока 35 кВт и более, а также телефонные коммуникации районного и городского значения, имеющие не менее четырех отверстий.
На план наносятся все коллекторы с указанием их назначения, а также здания и сооружения, относящиеся к подземным коммуникациям (водозаборы, станции перекачки, ТЭЦ, АТС, ТП, ГРП и др.).
На планы в масштабе 1:2000, создаваемые для учетно-справочных целей наносятся:
по водопроводу - все коммуникации с указанием диаметра труб без вводов в отдельные здания;
по канализации - все коммуникации без выпусков из зданий и сооружений с указанием диаметров труб и направления стока;
по газопроводу - все коммуникации с указанием диаметров труб;
по теплосети - все коммуникации, идущие от ТЭЦ без вводов в здания;
местные теплосети показываются при диаметре труб более 150 мм;
по водостоку и дренажу - все трубопроводы, имеющие диаметры труб не менее 400 мм, с указанием диаметра труб;
по кабельным коммуникациям - кабельные линии, имеющие напряжение тока 6 кВт и более, а также вся телефонная коммуникация районного и городского назначения.
На план наносятся все коллекторы, а также здания и сооружения, относящиеся к подземным коммуникациям.
Б. СОСТАВЛЕНИЕ ПЛАНОВ ПОДЗЕМНЫХ КОММУНИКАЦИЙ
5.9. Подземные коммуникации с их техническими характеристиками отображаются на планах путем:
нанесения всех данных на топографические планы местности, совмещенные с планами подземных коммуникаций;
нанесения на топографические планы трасс подземных коммуникаций и их основных технических характеристик с вынесением ряда дополнительных сведений и технических характеристик в каталоги колодцев подземных коммуникаций;
составления специальных планов подземных коммуникаций.
В отдельных случаях при весьма плотной сети подземных коммуникаций в дополнение к специальным планам могут создаваться технологические схемы, на которых отображаются отдельные виды или группы однородных видов коммуникаций.
5.10. Выбор методики составления планов определяется:
плотностью коммуникаций на участке работ;
наличием специального задания по сбору дополнительных сведений;
целевым назначением планов.
В общем случае план подземных коммуникаций следует совмещать с топографическим планом местности. Это позволяет сконцентрировать всю информацию в одном месте, чем существенно облегчается пользование планами при проектировании.
Однако возможности совмещения всей информации о подземных коммуникациях на одном листе плана с информацией о топографии местности ограничены необходимостью обеспечить при этом удовлетворительную читаемость плана. Это является основной причиной часто применяемого в практике инженерно-геодезических работ отнесения части информации о подземных коммуникациях в каталоги, а также составления специальных планов, схем и эскизов.
СОСТАВЛЕНИЕ СОВМЕЩЕННЫХ ПЛАНОВ
5.11. Подземные коммуникации наносятся на ранее составленные топографические планы. При этом рекомендуется придерживаться следующего порядка:
а) нанести на план или проверить правильность нанесения имеющихся на нем колодцев, камер, выходов трасс на поверхность, коверов, шкафов и т.д. Практика показывает, что при топографической съемке часть колодцев, вводов и других элементов подземных коммуникаций оказывается пропущенной и выявляется в процессе специальных работ по их съемке и обследованию;
б) нанести на план линии подземных коммуникаций между колодцами, учитывая (при составлении планов в масштабе 1:1000 и 1:500) величину смещения трасс от проекций центров люков по данным, имеющимся в журналах обследования колодцев;
в) используя данные, полученные при выявлении и съемке трубопроводов и кабелей при помощи трубокабелеискателей и шурфования, нанести на планы линии коммуникаций;
г) одновременно с нанесением на план линий коммуникаций по данным журналов обследования колодцев и согласования с представителями эксплуатирующих организаций нанести высоты верха труб (дна лотков, верха и низа каналов), величины диаметров труб, данные об их материале и др. в соответствии с техническим заданием на производство работ. Высотные отметки выписываются у колодцев в следующем порядке: отметка обечайки, земли у колодца (если необходимо ее показывать), отметка верха труб (дна лотка). Данные о диаметре и материале труб вписываются в разрывы линий коммуникаций в местах их изменения, у границ плана и через 10 - 15 см плана.
Каждый план должен быть сведен со смежными. Искусственный излом сводимых элементов на рамке не допускается. Величина расхождений при сводке одноименных трасс не должна превышать 0,3 мм.
5.12. Составленные планы должны быть тщательно откорректированы. Корректуру планов подземных коммуникаций поручают опытным специалистам, хорошо знающим основные принципы проектирования и эксплуатации подземных коммуникаций. В процессе корректуры планов особое внимание уделяется следующему:
а) на изгибах и врезках самотечных сетей должны быть нанесены колодцы. В противном случае необходимо либо отыскать пропущенный колодец, либо проверить правильность съемки;
б) на проездах (улицах городов и поселков) линии подземных коммуникаций должны быть практически параллельны красной линии застройки. Существенные отступления от этого правила следует тщательно проверить контрольными полевыми измерениями;
в) вводы в здания водопроводов, теплосети и газопроводов должны быть, как правило, под прямым углом к контуру здания. Если на планах имеются отклонения от прямого угла, что часто вызывается грубыми погрешностями отыскания подземных коммуникаций трубокабелеискателями вблизи контура здания, то в этих случаях должны быть выполнены контрольные полевые работы;
г) изломы напорных трубопроводов могут иметь место без колодцев, но угол поворота трассы не может быть менее 90°. В противном случае положение угла поворота нуждается в полевом уточнении;
д) диаметры труб самотечных коммуникаций и теплосети могут изменяться в колодцах, увеличиваясь в направлении от обслуживаемых зданий к коллектору (магистрали). Диаметры напорных труб иногда могут изменять свою величину в межколодезном пролете, но направление увеличения диаметров такое же, как и для самотечных сетей;
е) напряжение тока в кабельных линиях может изменяться на трансформаторных подстанциях;
ж) самотечные сети должны иметь уклон не менее минимального для данного диаметра труб в направлении от выпуска из зданий к коллектору. Наличие обратных или недопустимо малых уклонов обычно указывает на ошибки в нивелировании колодцев и требует повторных измерений;
з) подземные коммуникации должны быть нанесены на план без разрывов, обеспечивая технологически правильную систему водоснабжения, канализации, отопления и т.д.
5.13. Составленные планы или их копии должны быть согласованы с представителями служб эксплуатации. Назначение согласований заключается в проверке полноты планов, правильности диаметров труб, материала труб и других сведений.
Образцы совмещенных планов приведены в
прил. 15.
СОСТАВЛЕНИЕ СПЕЦИАЛЬНЫХ ПЛАНОВ
5.14. Топографической основой специальных планов подземных коммуникаций служат дубликаты топографических планов, разгруженные от второстепенных деталей местности и элементов рельефа. В последние годы в качестве материала изготовления специальных планов используют матированные поверхности прозрачных пластиков: лавсана, хостафана и др.
5.15. Специальные планы могут быть составлены фотомеханическим, механическим (пантографированием) и графическим способами или их сочетаниями.
5.16. При составлении планов в масштабах 1:5000 - 1:1000 фотомеханическим способом по материалам съемок более крупных масштабов целесообразно придерживаться следующей последовательности работ:
подбор и изучение материалов;
изготовление в требуемом (уменьшенном) масштабе негативов, полученных с планов более крупных масштабов;
подготовка прозрачной основы на лавсане или пленке для монтажа изготовленных негативов нанесением координатной сетки и пунктов геодезической сети;
монтаж полученных негативов на прозрачную основу с последующей печатью на ней. Размеры рамок негативов не должны отличаться от теоретических более чем на 0,2 мм;
генерализация содержания планов.
5.17. При изготовлении планов подземных коммуникаций в том же масштабе, что и топографические планы, с топографического плана изготовляется негатив, с которого печатается синяя копия. Синюю копию наклеивают на жесткую основу и вычерчивают те элементы плана, которые необходимы при составлении специального плана подземных коммуникаций, а именно: здания и сооружения, обслуживаемые различными видами подземных коммуникаций, все колодцы, камеры и другие сооружения, относящиеся к подземным коммуникациям, основные дороги и проезды с их названием, опоры надземных коммуникаций, железнодорожные пути, границы (ограды) заводских территорий и крупных контуров (пашни, леса и др.).
5.18. При наличии недеформирующейся лавсановой пленки планы подземных коммуникаций, составляемые в том же масштабе, что и топографические планы, рекомендуется составлять копированием перечисленных выше элементов на прозрачную основу.
Это позволит наиболее удобно использовать специальный план совместно с топографическим при проектировании.
5.19. При изготовлении специальных планов с многоцветной штриховой нагрузкой целесообразно воспользоваться технологией, разработанной в ЦНИИГАиК.
При составлении плана по данной технологии предусматривается изготовление голубой копии контуров основы на матированной пленке типа "пермотрейс" (или лавсановой ПНЧ-КТ2) с последующим составлением требуемой нагрузки с использованием цветных ручек или карандашей. Черчение многоцветного оригинала в требуемых цветах выполняется на пленке с подслоем и специальным покрытием или на пленке "пермотрейс". Пленка совмещается с составительским оригиналом.
Данная технология позволяет, в частности, в сжатые сроки подготовить к изданию и размножить многоцветную штриховую нагрузку топографических планов любых масштабов и сложности всего в четыре печатные краски.
5.20. Составление специального плана может быть осуществлено комбинацией фотомеханического способа с графическим. В этом случае технологический процесс проводится в следующей последовательности:
изготовление негативов в масштабе составления специального плана;
получение позитивных отпечатков на фотокальке или малодеформирующейся фотопленке ФТ-41П и ФТ-101П;
генерализация и вычерчивание оригинала.
5.21. Применение фотомеханического способа наиболее целесообразно при составлении специальных планов со сложной застройкой. На районы с редкой, но крупной застройкой, допускается применение пантографа.
5.22. На составленную одним из вышеизложенных способов основу наносят трассы коммуникаций и их технические характеристики, а также осуществляют корректуру составленных планов таким же образом, как при составлении совмещенных планов.
5.23. Опыт показывает, что специальные планы позволяют наиболее полно характеризовать подземные коммуникации, облегчают производство съемки подземных коммуникаций как специфичного вида работ, отличного от топографической съемки, а также улучшают систему картографического учета инженерных сетей на территориях городов и промышленных предприятий. Образцы специальных планов подземных коммуникаций приведены в
прил. 16.
В. СОСТАВЛЕНИЕ КАТАЛОГОВ КОЛОДЦЕВ ПОДЗЕМНЫХ КОММУНИКАЦИЙ
5.24. Каталоги колодцев подземных коммуникаций составляются в дополнение к совмещенным и специальным планам. При этом на планах каждому колодцу присваивается номер, а высоты, характеризующие глубины заложения труб, не показываются.
5.25. Каталоги могут составляться по площадному или технологическому принципам. В первом случае колодцы в каталоге размещают по их возрастающим номерам независимо от назначения коммуникаций. Во втором - для каждого вида коммуникации составляется свой каталог колодцев.
5.26. В подавляющем большинстве случаев в каталог включаются следующие сведения:
номер колодца;
координаты центра люка;
номенклатура планшета, где расположен колодец;
назначение сети;
диаметры труб в колодце;
материал труб (марка кабеля);
высоты обечайки, земли (мощения) у колодцев, верха труб (дна лотков, верха и низа каналов);
материал колодца и крышки;
схема расположения труб (кабелей) с ориентированием на смежные колодцы или обслуживаемые здания.
Образец каталога колодцев подземных коммуникаций дан в
прил. 17.
5.27. Каталоги заполняются непосредственно исполнителем работ при обработке им полевых материалов, а затем проверяются корректором. В процессе корректуры особое внимание следует уделять идентичности нумерации колодцев и технических характеристик, помещенных в каталоге и на плане, считке правильности заполнения координат колодцев с ведомостью вычислений, проверке высот труб.
5.28. Каталоги оформляются на листах, изготовленных типографским способом. На каждом из них помещаются сведения не более чем по четырем колодцам. Заполненные листы брошюруются в альбом объемом не более 100 листов каждый.
СОСТАВЛЕНИЕ ТЕХНОЛОГИЧЕСКИХ СХЕМ
5.29. Технологические схемы отдельных видов подземных коммуникаций составляются в масштабе:
1:2000 - для территорий городов и промышленных предприятий;
1:25 000 - для территорий нефтепромыслов.
5.30. На технологическую схему наносят здания и сооружения, связанные с данным видом коммуникаций, основные дороги, трассу данного вида коммуникаций со всеми колодцами, камерами. Номера колодцев обязательно выписываются на схему. Коммуникации характеризуются диаметрами и материалом труб, маркой кабелей, давлением газа и другими характеристиками, предусмотренными техническим заданием.
5.31. Технологические схемы могут создаваться на группу однородных коммуникаций. Например, водосточную и дренажную сеть, разновидности промышленного водоснабжения или канализации часто наносят на соответствующие технологические схемы с разделением условными знаками видов коммуникаций.
5.32. Составление технологических схем аналогично составлению специальных планов, уменьшенных по сравнению с масштабом оригиналов.
Образец технологической схемы приведен в
прил. 18.
СОСТАВЛЕНИЕ ЭСКИЗОВ КОЛОДЦЕВ
5.33. Эскизы колодцев составляются обычно в масштабе 1:50 по материалам детального обследования. Эскиз представляет собой чертеж колодца в плане и в разрезе. Для особо сложных колодцев или камер разрезы выполняют в двух проекциях (вид прямо, вид сбоку). Видимые части конструктивных элементов принято показывать сплошными линиями, а расположенные под ними - пунктиром. Размеры труб, каналов, крышки и т.д. даются в принятом масштабе изображения.
5.34. На эскизе отображаются:
конструкция колодца и его внутренние габариты;
планово-высотное положение всех труб, лотков, задвижек, гидрантов и других арматурных конструкций;
диаметры труб, размеры каналов;
материал труб и колодца;
состояние колодца (удовлетворительное, разрушен и т.д.);
цифровые данные о высотах труб, лотков, каналов, дна колодца.
Образец эскиза колодца представлен в
прил. 19.
МИНИМАЛЬНЫЕ РАССТОЯНИЯ В ПЛАНЕ ПОДЗЕМНЫХ СЕТЕЙ ДО ЗДАНИЙ,
СООРУЖЕНИЙ, ДЕРЕВЬЕВ И ПОДЗЕМНЫХ КОММУНИКАЦИЙ
Таблица 1
Наименование сетей | До обрезов фундаментов зданий и сооружений | Расстояния в свету, м |
до ближайшего рельса | до мачт и опор сети наружного освещения, контактной сети и кабелей связи | до стен туннелей или опор путепроводов (на уровне или ниже основания) | до подошвы насыпи или бровки канавы | от стволов деревьев | до бортового камня |
железнодорожного пути (но не менее глубины траншеи от подошвы насыпи) | трамвайного пути |
Водопровод | 5 | 3,2 | 2 | 1,5 | 5 | 1 | 1,5 | 2 |
Канализация или водосток: | | | | | | | | |
безнапорные | 3 | 3,2 | 1,5 | 3 | 3 | 1 | 1,5 | 1,5 |
напорные | 5 | 3,2 | 2 | 1,5 | 5 | 1 | 1,5 | 2 |
Теплопровод (от стенок канала) | 5 | 3,2 | 2 | 1,5 | 2 | 1 | 2 | 1,5 |
Газопровод давления, кгс/см2: | | | | | | | | |
низкого (до 0,5) | 2 | 3 | 2 | 0,5 | 3 | 1 | 1,5 | 1,5 |
среднего (более 0,5 до 3) | 5 | 4 | 2 | 0,5 | 5 | 2 | 1,5 | 2 |
высокого (более 3 до 6) | 9 | 7 | 3 | 0,5 | 10 | 5 | 1,5 | 2 |
высокого (более 6 до 12) | 15 | 10 | 3 | 0,5 | 15 | 7 | 1,5 | - |
Трубопровод горючих жидкостей | 3 | 3,2 | 2 | 1,5 | 3 | 2,5 | 1,5 | 1,5 |
Дренаж | 3 | 3,2 | 2 | 1,5 | 1 | 1 | 1,5 | 1,5 |
Кабели слабого тока и силовые | 0,6 | 2,2 | 2 | 0,5 | 0,5 | 1 | 2 | 1,5 |
Таблица 2
Наименование сетей | Расстояния между подземными сетями в свету, м |
водопровод | канализация | дренаж и водостоки | газопроводы давления, кгс/см2 | Кабели силовые | Кабели связи | Теплопровод |
низкого, до 0,5 | среднего, до 3 | высокого |
3 - 6 | 6 - 12 |
Водопровод | 1 | 1,5 | 1,5 | 1 | 1,5 | 2 | 5 | 0,5 | 0,5 | 1,5 |
Канализация | 1,5 | | | | | | | | | |
| 0,5 | 0,4 | 1 | 1,5 | 2 | 5 | 0,5 | 1 | 1 |
Дренаж и водостоки | 1,5 | 0,4 | 0,4 | 1 | 1,5 | 2 | 5 | 0,5 | 1 | 1 |
Газопроводы давления, кгс/см2: | | | | | | | | | | |
низкого (до 0,5) | 1 | 1 | 1 | | 1 | 1 | 2 |
среднего (до 3) | 1,5 | 1,5 | 1,5 | То же | 1 | 1 | 2 |
высокого (3 - 6) | 2 | 2 | 2 | " | 1 | 1 | 2 |
высокого (6 - 12) | 5 | 5 | 5 | " | 2 | 2 | 4 |
Кабели силовые | 0,5 | 0,5 | 0,5 | 1 | 1 | 1 | 2 | 0,1 - 0,5 | 0,5 | 2 |
Кабели связи | 0,5 | 1 | 1 | 1 | 1 | 1 | 2 | 0,5 | - | 2 |
Теплопроводы | 1,5 | 1 | 1 | 2 | 2 | 2 | 4 | 2 | 2 | - |
Примечания: 1. В стесненных условиях прокладки указанные расстояния могут быть уменьшены.
2. При одновременно параллельной прокладке в одной траншее двух газопроводов и более наименьшее расстояние между ними в свету принимается: а) для труб диаметром условного прохода до 300 мм - не менее 0,4 м; б) для труб диаметром условного прохода более 300 мм - не менее 0,5 м.
3. В таблице указаны расстояния до стальных газопроводов.
ДИАМЕТРЫ ВОДОПРОВОДНЫХ ТРУБ
Внутренний диаметр, мм (условный проход) | Наружный диаметр труб, мм |
чугунных | стальных | асбестоцементных | железобетонных | полиэтиленовых |
50 | 65 | 60 | 68 | 63 | 63 |
75 | 91 | 89 | 93 | 89 | 69 |
100 | 117 | 114 | 122 | 116 | 114 |
125 | 143 | 146 | 143 | 144 | 140 |
150 | 169 | 168 | 169 | 172 | 166 |
200 | 221 | 219 | 221 | 222 | - |
250 | 273 | 273 | 273 | 276 | - |
300 | 325 | 325 | 325 | 336 | - |
350 | 376 | 377 | 376 | - | - |
400 | 428 | 426 | 428 | - | - |
450 | 480 | 478 | 478 | - | - |
500 | 532 | 529 | - | - | - |
600 | 636 | 630 | 636 | - | - |
700 | 740 | 720 | - | - | - |
800 | 846 | 820 | - | - | - |
900 | 952 | 920 | - | - | - |
1000 | 1060 | 1020 | - | - | - |
1100 | - | 1120 | - | - | - |
1200 | - | 1220 | - | - | - |
1400 | - | 1420 | - | - | - |
1600 | - | 1620 | - | - | - |
ДИАМЕТРЫ ТРУБ БЕЗНАПОРНОЙ КАНАЛИЗАЦИЙ
Условный проход | Диаметр труб, мм |
керамических | бетонных | железобетонных | асбестоцементных |
внутренний | наружный | внутренний | наружный | внутренний | наружный | внутренний | наружный |
100 | - | - | - | - | - | - | 100 | 116 |
125 | 125 | 161 | - | - | - | - | 123 | 139 |
150 | 150 | 188 | 150 | 210 | - | - | 147 | 165 |
200 | 200 | 240 | 200 | 280 | - | - | 195 | 215 |
250 | 250 | 294 | 250 | 350 | - | - | 243 | 265 |
300 | 300 | 350 | 300 | 420 | 300 | 380 | 291 | 315 |
350 | 350 | 406 | 350 | 470 | 350 | 430 | 338 | 364 |
400 | 400 | 460 | 400 | 540 | 400 | 500 | 386 | 414 |
450 | 450 | 518 | - | - | - | - | - | - |
500 | 500 | 572 | 500 | 660 | 500 | 620 | 482 | 514 |
550 | 550 | 628 | - | - | - | - | - | - |
600 | 600 | 682 | 600 | 780 | 600 | 720 | 576 | 612 |
700 | - | - | - | - | 700 | 840 | - | - |
800 | - | - | - | - | 800 | 960 | - | - |
900 | - | - | - | - | 900 | 1080 | - | - |
1000 | - | - | - | - | 1000 | 1200 | - | - |
1200 | - | - | - | - | 1200 | 1440 | - | - |
1500 | - | - | - | - | 1500 | 1780 | - | - |
ДИАМЕТРЫ ТРУБ ГАЗОПРОВОДОВ
Наружный диаметр, мм | Внутренний диаметр, мм |
стальных труб бесшовных холоднотянутых и холоднокатаных | стальных труб электросварных |
20 | 8 | - |
32 | 20 | - |
45 | 32 | - |
60 | 40 | - |
76 | 50 | - |
108 | 100 | - |
140 | 125 | - |
180 | 150 | - |
245 | - | 225 |
325 | - | 300 |
402 | - | 350 |
426 | - | 400 |
480 | - | 450 |
630 | - | 600 |
720 | - | 700 |
820 | - | 800 |
1020 | - | 1000 |
1220 | - | 1200 |
1520 | - | 1500 |
1620 | - | 1600 |
ИСПОЛНИТЕЛЬНЫЕ ЧЕРТЕЖИ ПОДЗЕМНЫХ КОММУНИКАЦИЙ (ОБРАЗЦЫ)
Исполнительные чертежи газопровода и кабеля
низкого напряжения
Исполнительный чертеж телефонной канализации
Исполнительный чертеж коллектора
Исполнительный чертеж водопровода
Исполнительный чертеж канализации
Исполнительный чертеж теплосети
Наименование организации
(ведущей строительство) _______________
КАТАЛОГ КООРДИНАТ ТОЧЕК ТРАССЫ
| Съемку трассы производил |
|
(фамилия, и. о.) |
Должности | Подписи | Фамилия, и. о. | Дата |
Гл. инженер | | | |
Ст. прораб | | | |
Геодезист | | | |
В данном каталоге пронумеровано и заполнено ______________ листов |
N п/п | N или названия пунктов | Координаты, м | Высота H, м | Место определения отметки | Схема привязок |
X | Y |
1 | 1 | -960,91 | +423,82 | 233,00 | Обечайка | |
| | 230,99 | Верх трубы |
2 | 2 | -972,00 | +423,80 | 231,10 | Верх трубы |
3 | 3 | -972,20 | +434,11 | 231,20 | Верх трубы |
| | | | | |
ОБРАЗЕЦ ЖУРНАЛА КООРДИНИРОВАНИЯ
| | | | Исх. Т. 26 | | | | | | |
Станция Т. 25 | | Начальное направление Т. 26 | Дир. угол Т. 26 - Т. 25 | H = 125,72 | М. О. = 0°0 | К. Д. = 100,00 | Дата |
| | |
X = 146,18 | X = 232,65 Кр. L = 0°0 | | 1238/5920 |
Y = 425,07 | Y = 330,06 Кр. R = 90°15 | 90°15 | 132°18 | Г. И. = 126,96 |
N точек | Характеристика точек | Отсчеты по рейке | V | Направления | Изм. угол | Нивелирование | | Hопр | X координаты Y | Абрис |
черная | желтая +11,11 | d | Дир. угол | отсчет по рейке |
Образец ведения журнала для вычисления на ЭВМ | | | |
1 | Угол цеха заготовок | 30,13 | 24,58 | 0°30' | L | 30°08 | 30°08 | 1482 | | 125,48 | 203,63 | |
30,14 | 24,56 | 60,26 | R | 120,23 | | 6165 |
60,27 | 49,14 | | | 90°15 | | 4683 | | 406,88 |
Образец ведения журнала для вычисления на арифмометре | | |
1 | Угол цеха заготовок | 30,13 | 24,58 | 0°30' | L | 30°08 | 30°08 | 1482 | 125,48 | 203,63 |
30,14 | 24,56 | 60,26 | R | 120°23 | 342°26 | 6165 |
60,27 | 49,14 | | | 90°15 | | 4683 | | 406,88 |
| | | | | L | | | | | |
| | | R | | | |
| | | | | | |
| | | | | L | | | | | |
| | | R | | | |
| | | | | | |
| | | | | L | | | | | |
| | | R | | | |
| | | | | | |
Исполнитель _______________ Вычислял _________________
(фамилия) (фамилия)
ОБРАЗЕЦ СХЕМЫ РАСПОЛОЖЕНИЯ СЕТЕЙ
ОБРАЗЕЦ ЖУРНАЛА ОБСЛЕДОВАНИЯ КОЛОДЦЕВ
Участок __________ | Дата |
Колодец газовый | N 10 |
| |
Обозначения по чертежу | Диаметры труб, мм |
d1 | 250 |
d2 | 200 |
d3 | 100 |
d4 | |
d5 | |
d6 | |
d7 | |
d8 | |
Глубина залегания трубопроводов, м | Материал труб - сталь ___________________________ Отметка люка или ЮЗ угла H = 135,15 Обмер произвел _______________________ |
d1 | 1,52 |
d2 | 1,44 |
d3 | 1,25 | (фамилия) |
d4 | | |
d5 | |
d6 | |
d7 | |
d8 | |
ОБРАЗЕЦ СХЕМЫ ОТРЕКОГНОСЦИРОВАННЫХ ПОДЗЕМНЫХ СЕТЕЙ
Масштаб 1:2000
Составил ___________________________
(подпись)
Согласовано ___________________________
(подпись)
СХЕМЫ НИВЕЛИРУЕМЫХ ТОЧЕК В КОЛОДЦАХ
а - линейный колодец самотечной канализации, водостока,
дренажа; б - перепадной колодец; в - колодец трубных
прокладок с врезкой на уровне магистральной трубы;
г - то же, выше уровня магистральной трубы; д, е - колодцы
теплосети и кабеля, уложенных в канале;
ж, и - колодцы кабельных линий
ОБРАЗЕЦ ЖУРНАЛА ДЕТАЛЬНОГО ОБСЛЕДОВАНИЯ КОЛОДЦЕВ
| Обозначения по чертежу | Диаметры труб, мм |
d1 | 100 |
d2 | 100 |
d3 | 100 |
d4 | 50 |
d5 | 50 |
d6 | 50 |
d7 | 50 |
d8 | 50 |
d9 | |
d10 | |
Материал труб - сталь стены колодца кирпичные Отметка люка или ЮЗ угла H = 141,12 Обмер произвел _________________ (фамилия) |
ПРИНЦИПИАЛЬНЫЕ ЭЛЕКТРИЧЕСКИЕ СХЕМЫ ТРУБОКАБЕЛЕИСКАТЕЛЕЙ
Рис. 1. Принципиальная электрическая схема генератора
ВТР-V
Рис. 2. Принципиальная электрическая схема приемного
устройства ВТР-V
Рис. 3. Принципиальная электрическая схема
генератора ТПК-1
Рис. 4. Принципиальная электрическая схема
приемного устройства ТПК-1
Рис. 5. Принципиальная электрическая схема генератора ИПК-2м
Рис. 6. Принципиальная электрическая схема
приемного устройства ИПК-2м
Рис. 7. Принципиальная электрическая схема генератора ГКИ
Рис. 8. Принципиальная электрическая схема
приемного устройства ИП-7
Рис. 9. Электрическая схема генератора ИПКТ-69
Рис. 10. Электрическая схема усилителя ИПКТ-69
Рис. 11. Электрическая схема приставки ИПКТ-69
ОБРАЗЕЦ ПОЛЕВОГО ЖУРНАЛА ПОИСКА ПОДЗЕМНЫХ КОММУНИКАЦИЙ
Дата _______ Тип трубокабелеискателя ____________ Погода ____________
ОБРАЗЦЫ СОВМЕЩЕННЫХ ПЛАНОВ
ПОДЗЕМНЫХ КОММУНИКАЦИЙ
ОБРАЗЦЫ СПЕЦИАЛЬНЫХ ПЛАНОВ
ПОДЗЕМНЫХ КОММУНИКАЦИЙ
КАТАЛОГ КОЛОДЦЕВ ПОДЗЕМНЫХ КОММУНИКАЦИЙ
| | ИС МЕГАНОРМ: примечание. Текст дан в соответствии с официальным текстом документа. | |
Nп/п | Номенклатура планшета | N колодца | Координаты центра люка, м | Высота, м | Материал труб | Диаметр труб, мм | Материал колодца | Схема колодца | Дополнительные данные |
X | X | люка | низ трубы дна лотка |
841 | +16+21; 15 | 1731 | 16023,6 | 21610,5 | 189,87 | 188,19 | Асбестоцемент | 200 | Бетон | | |
188,18 | " | 200 |
188,37 | " | 150 |
188,18 | " | |
842 | +16+21; 15 | 1732 | 16035,1 | 21610,7 | 189,87 | 188,19 | " | 200 | Бетон | | |
188,17 | " | 200 |
188,17 | " | |
843 | +15+21; 3 | 1733 | 15955,1 | 21609,8 | 189,84 | 188,57 | " | 200 | Бетон | | |
188,56 | " | 200 |
188,59 | " | 150 |
188,84 | " | 150 |
188,56 | " | |
844 | + 15+21; 3 | 1734 | 15957,5 | 21628,5 | 189,86 | 189,01 | " | 100 | Бетон | | |
189,00 | " | 150 |
189,00 | " | |
ОБРАЗЕЦ ТЕХНОЛОГИЧЕСКОЙ СХЕМЫ (масштаб 1:25000)
Масштаб 1:50
ПРАВИЛА ПО ТЕХНИКЕ БЕЗОПАСНОСТИ
ПРИ СЪЕМКЕ ПОДЗЕМНЫХ КОММУНИКАЦИЙ
А. ТЕХНИКА БЕЗОПАСНОСТИ
ПРИ ПОИСКЕ ПОДЗЕМНЫХ КОММУНИКАЦИЙ
1. При поиске подземных коммуникаций используется переменный ток силой порядка 0,5 А. Безопасным для человека является ток силой до 0,03 А. Токи силой от 0,03 до 0,1 А опасны для здоровья человека и могут вызывать потерю сознания. Токи силой 0,1 А и более являются смертельно опасными, поэтому при использовании генераторов трубокабелеискателей следует выполнять правила техники безопасности, установленные для работ с действующими электрическими установками.
2. Включение генератора разрешается производить только по завершении монтажа электрической схемы. При этом контакты на клеммах генератора, заземлителя и отыскиваемой трассы должны быть жесткими и исключающими искрение. Демонтаж электрической схемы без предварительного отключения генератора запрещается.
3. Соединительные провода, связывающие генератор с отыскиваемой трассой или заземлением, должны быть цельными и с надежной изоляцией. Концы соединительных проводов следует оформлять контактными вилками или наконечниками, размеры и форма которых должны соответствовать клеммам генератора и заземлителя. Для соединения генератора с трассой следует использовать магнитные контакты. Пользоваться оголенными концами проводов для контакта с клеммами генератора или с отыскиваемой трассой запрещается.
4. Генератор и заземлители во время работы должны находиться под постоянным наблюдением специально выделенного для этой цели работника. Посторонним лицам подходить к работающим приборам запрещается. У заземлителей и генератора следует устанавливать щитки с надписью "Под напряжением".
5. Во время работы генератора прикасаться руками к токоведущим частям приборов, а также к отыскиваемой коммуникации запрещается. В это время категорически запрещается находиться в колодцах или шурфах, через которые проходят определяемые коммуникации.
6. Для проверки наличия напряжения можно пользоваться контрольными лампами или приборами, но ни в коем случае нельзя проверять напряжение пальцами.
7. Для отыскивания действующих кабелей все работы по подключению генератора, вскрытию кабеля шурфами можно производить после обесточивания кабеля и обязательно в присутствии представителя энергохозяйства.
8. Производство работ на трансформаторных подстанциях разрешается только при снятом напряжении. После включения и заземления токоведущих частей нужно установить щитки с надписями: "Не включать - работают люди" и "Заземлено".
9. Во время грозы и дождя работы по поиску подземных коммуникаций с использованием трубокабелеискателей должны быть прекращены.
10. По окончании работ следует убедиться в выключении генератора и приемного устройства, а затем сложить комплект трубокабелеискателя в соответствии с указаниями в техническом паспорте прибора.
11. При перевозке генератора следует оберегать его от сотрясений, а приемные устройства держать в руках или на коленях.
Б. ТЕХНИКА БЕЗОПАСНОСТИ ПРИ РАБОТАХ В КОЛОДЦАХ
12. Крышки колодцев следует открывать легким ломиком и крючком, специально изготовленным для этой цели. При работах на территориях предприятий химической и нефтеперерабатывающей промышленности ломик и крючок должны быть изготовлены из бронзы.
Открывание крышек руками категорически запрещается.
Слегка приподнятую крышку подхватывают крючком и в образовавшееся отверстие подкладывают ломик, после чего крышку при помощи крючка опрокидывают.
У колодцев, которые расположены на проезжей части дорог, открытые крышки размещают за колодцем по направлению движения транспорта. Рядом с крышкой, но не более 1 м от люка, складывают приборы и рабочий инвентарь.
13. При открывании колодцев персонал должен находиться с подветренной стороны. На расстоянии 3 м в сторону встречного транспорта ставится переносная тренога со знаком "Опасность".
14. Перед спуском в колодец производится проверка наличия в колодце вредных или взрывоопасных газов при помощи газоанализаторов. Удаление обнаруженных газов может быть выполнено проветриванием или опусканием в колодец 5 - 6 кг гашеной извести, предварительно политой водой.
15. До полного удаления газа спуск в колодец запрещается. В исключительных случаях при работах на территориях предприятий химической и нефтеперерабатывающей промышленности допускаются работы в загазованных колодцах при надетом противогазе с длинным шлангом. При этом на работнике, находящемся в колодце, должен быть надет предохранительный пояс, к которому привязана веревка длиной на 3 м больше глубины колодца и испытанная на нагрузку 150 кг.
16. Во время работы в колодцах необходимо следить за открытыми люками и не допускать к ним посторонних. По окончании работ следует плотно закрыть крышки колодцев.
17. Опускать в колодец какие-либо предметы или инструменты разрешается на веревке после подачи работающим в колодце условного сигнала.
В. ТЕХНИКА БЕЗОПАСНОСТИ ПРИ ШУРФОВЫХ РАБОТАХ
18. До начала разработки шурфа место его расположения ограждается и выставляется предупредительный знак, обозначающий "Опасность". При разработке шурфов вблизи трамвайных путей должен быть вывешен плакат с надписью "Тихий ход".
19. Булыжное и брусчатое дорожное покрытие во избежание обвалов камней разбирается на площади, превышающей размеры шурфа на 0,25 м в каждую сторону. Асфальтовое покрытие вскрывается на ширину шурфа. Материалы покрытий улиц надо убирать в специально отведенное место, не засыпаемое землей.
20. Разработку грунта в шурфе производят вручную. Применение лома, железных клиньев и других ударных инструментов в зоне расположения подземных коммуникаций запрещается.
21. Разработка шурфов в зоне возможного расположения кабельных линий выполняется в присутствии представителей эксплуатирующих кабельные линии организаций.
22. Разработка шурфов без крепления допускается при мерзлом грунте, а также при следующих условиях и глубинах:
при слабых и неустойчивых грунтах - до 0,75 м;
при грунтах средней плотности - до 1,25 м;
при плотных грунтах - до 2,0 м.
В других случаях для предупреждения обвалов земли применяется вертикальное или горизонтальное крепление в зависимости от глубины шурфа и характера разрабатываемого грунта.
23. При разработке шурфов рабочие должны быть в резиновых сапогах и иметь рукавицы.
Г. ПРАВИЛА ОКАЗАНИЯ ПЕРВОЙ ПОМОЩИ
ПРИ ПОРАЖЕНИИ ЭЛЕКТРИЧЕСКИМ ТОКОМ
24. Для оказания первой помощи при поражении электрическим током необходимо:
немедленно отключить генератор или другую электрическую установку, снять напряжение любым наиболее быстрым способом (разрубить провод, заземлить и т.д.);
освободить пострадавшего от соприкосновения с токоведущими проводами;
уложить пострадавшего, расстегнуть ему одежду и при необходимости дать понюхать нашатырного спирта или сделать искусственное дыхание.
25. Не следует отказываться от помощи пострадавшему на основании внешних признаков отсутствия пульса или дыхания, поскольку при поражении электрическим током смерть часто бывает лишь кажущейся. Спасение пострадавшего зависит от быстроты действий по его спасению.
О ПОРЯДКЕ ПРОВЕДЕНИЯ ИСПОЛНИТЕЛЬНЫХ ГЕОДЕЗИЧЕСКИХ СЪЕМОК
СТРОЯЩИХСЯ ПОДЗЕМНЫХ ИНЖЕНЕРНЫХ СЕТЕЙ И СООРУЖЕНИЙ
ПРИ СТРОИТЕЛЬСТВЕ В ГОРОДАХ И ИХ ПРИГОРОДАХ
Практика застройки городов и строительства предприятий показала, что отсутствие необходимых данных о плановом и высотном положении ранее осуществленных прокладкой подземных сетей с сооружениями на них приводит в ряде случаев к авариям и разрушениям этих сетей и сооружений в процессе новых строительных работ, а также к необходимости внесения изменений в разработанные проекты.
В целях устранения этого недостатка подрядные строительно-монтажные организации должны осуществлять строительство подземных сетей и сооружений в полном соответствии с проектом, строительными нормами и правилами и условиями подрядных договоров, а также производить в процессе строительства инструментальную проверку планового и высотного положения строящихся инженерных сетей и сооружений и соответствия их рабочим чертежам.
До проведения испытаний инженерных сетей и сооружений и до засыпки траншей и котлованов строительно-монтажные организации обязаны известить организацию-заказчика (застройщика) о готовности этих сетей и сооружений для проведения контрольной геодезической съемки, а также представить заказчику исполнительные чертежи инженерных сетей и сооружений с подписями должностных лиц, ответственных за производство строительно-монтажных работ.
Указанные работы осуществляются подрядными строительно-монтажными организациями за счет накладных расходов по строительству.
Организация-заказчик (застройщик) при осуществлении технического надзора в процессе приемки работ должна производить до засыпки траншей и котлованов контрольную геодезическую съемку построенных инженерных сетей и сооружений для проверки их фактического планового и высотного положения с нанесением их на генеральный план строительной площадки.
Засыпка траншей и котлованов производится строительно-монтажными организациями только с разрешения заказчика (застройщика).
Генеральный план (рабочий чертеж) строительной площадки предприятия или объекта (здания, сооружения) с подземными сетями и с внесенными в него изменениями и допустимыми отступлениями, если они имели место в процессе строительства, с подписью руководителя организации-заказчика (застройщика) о соответствии выполненных в натуре строительно-монтажных работ указанному генеральному плану является в совокупности с исполнительными рабочими чертежами инженерных сетей и сооружений исполнительной документацией. Этот генеральный план изготовляется в необходимом количестве экземпляров и представляется организацией-заказчиком (застройщиком) государственной приемочной комиссии при приемке в эксплуатацию подземных сетей и сооружений, используется в процессе эксплуатации сетей и сооружений, а также передается в случае устройства инженерных сетей и сооружений на территории города для объектов жилищно-гражданского строительства вместе с подлинными материалами контрольной геодезической съемки главному архитектору города для ведения оперативных (дежурных) планов городского хозяйства.
О ПОРЯДКЕ ОПЛАТЫ ГЕОДЕЗИЧЕСКИХ РАБОТ,
СВЯЗАННЫХ СО СТРОИТЕЛЬСТВОМ
Инструментальная проверка фактического планового и высотного положения строящихся сооружений, инженерных сетей (наземных и подземных) и соответствия их рабочим чертежам выполняется подрядными строительно-монтажными организациями в процессе строительства за счет их накладных расходов.
Контрольная геодезическая съемка при приемке работ по строительству зданий, сооружений, инженерных сетей (наземных и подземных), выполняемая заказчиком (застройщиком), осуществляющим технический надзор за строительством, или в случае отсутствия соответствующих специалистов в составе дирекции строящегося предприятия - проектной организацией по поручению заказчика (застройщика), при наличии разрешения на это его вышестоящей инстанции (министерства, ведомства), - осуществляется за счет средств, предусмотренных в сводной смете к техническому (техно-рабочему) проекту на содержание дирекции строящегося предприятия, или за счет средств, установленных на осуществление технического надзора.
При исчерпании предусмотренных в сметной стоимости строительства средств на содержание дирекции строящегося предприятия (технического надзора) с разрешения министерства и ведомства-заказчика (застройщика) указанные работы могут выполняться за счет резерва на непредвиденные работы и затраты или экономии по другим статьям сметы, т.е. без изменения ранее утвержденной сметной стоимости строительства.
Заказчик (застройщик) при выдаче задания на проектирование должен выдавать проектной организации материалы по топографо-геодезической съемке участка строительства, включая и застроенную территорию (по наземным и подземным сооружениям и инженерным сетям) в городах, поселках и сельской местности.
В отдельных случаях, когда отсутствуют указанные топографо-геодезические материалы (планы) или если имеющиеся топографические планы участка застройки не отвечают требованиям, предъявляемым к ним техническими условиями на проектирование объекта (по полноте, точности съемки и другим требованиям), заказчик (застройщик) может предусматривать в программе инженерных изысканий, при наличии на это разрешения министерства или ведомства СССР по объектам, входящим в его систему, совета министров союзной республики по объектам республиканского и местного подчинения или в порядке, ими установленном, топографическую съемку застроенной территории на площади, необходимой для составления технического (техно-рабочего) проекта, рабочих чертежей строительства (реконструкции) объекта, за счет средств на проектно-изыскательские работы в пределах объемов проектно-изыскательских работ, установленных на соответствующий год.