Главная // Актуальные документы // Записка (форма)СПРАВКА
Источник публикации
Документ опубликован не был
Примечание к документу
Документ утратил силу в связи с изданием
письма МЧС России от 25.08.2020 N 43-6622-11.
Название документа
"Методические рекомендации по работе органов управления и сил РСЧС по предупреждению и ликвидации чрезвычайных ситуаций, вызванных заторами на федеральных автомобильных дорогах"
(утв. протоколом заседания Правительственной комиссии по предупреждению и ликвидации чрезвычайных ситуаций и обеспечению пожарной безопасности от 27.11.2015 N 9)
"Методические рекомендации по работе органов управления и сил РСЧС по предупреждению и ликвидации чрезвычайных ситуаций, вызванных заторами на федеральных автомобильных дорогах"
(утв. протоколом заседания Правительственной комиссии по предупреждению и ликвидации чрезвычайных ситуаций и обеспечению пожарной безопасности от 27.11.2015 N 9)
протоколом заседания
Правительственной комиссии
по предупреждению и ликвидации
чрезвычайных ситуаций и обеспечению
пожарной безопасности
от 27 ноября 2015 г. N 9
МЕТОДИЧЕСКИЕ РЕКОМЕНДАЦИИ
ПО РАБОТЕ ОРГАНОВ УПРАВЛЕНИЯ И СИЛ РСЧС ПО ПРЕДУПРЕЖДЕНИЮ
И ЛИКВИДАЦИИ ЧРЕЗВЫЧАЙНЫХ СИТУАЦИЙ, ВЫЗВАННЫХ ЗАТОРАМИ
НА ФЕДЕРАЛЬНЫХ АВТОМОБИЛЬНЫХ ДОРОГАХ
Методические рекомендации разработаны рабочей группой МЧС России.
При разработке методических рекомендаций использованы законодательные и нормативно-правовые акты Российской Федерации, МЧС России, органов исполнительной власти субъектов Российской Федерации в области защиты населения и территорий от чрезвычайных ситуаций природного и техногенного характера, обеспечения пожарной безопасности и безопасности людей на водных объектах.
Методические рекомендации отражают основные положения действующих руководящих документов, наставлений, руководств по организации действий органов управления и сил РСЧС по предупреждению и ликвидации ЧС, вызванных заторами на федеральных автомобильных дорогах.
Методические рекомендации следует использовать с учетом издаваемых нормативных документов федеральных органов исполнительной власти, органов исполнительной власти субъектов Российской Федерации и органов местного самоуправления, особенностей местных условий, сложившейся обстановки.
Настоящие методические рекомендации предназначены для руководителей органов управления и сил РСЧС.
СПИСОК СОКРАЩЕНИЙ И УСЛОВНЫХ ОБОЗНАЧЕНИЙ
ЧС - чрезвычайная ситуация
ФАД - федеральная автомобильная дорога
АЗС - автозаправочная станция
ФКУ - федеральное казенное учреждение
ЦУКС - Центр управления в кризисных ситуациях
ГУ - главное управление
МЧС - Министерство Российской Федерации по делам гражданской обороны, чрезвычайным ситуациям и ликвидации последствий стихийных бедствий
ГИБДД - Государственная инспекция безопасности дорожного движения
МВД - Министерство внутренних дел Российской Федерации
ПДД - правила дорожного движения
ОИВ - органы исполнительной власти
КЧС и ОПБ - комиссия по чрезвычайным ситуациям и обеспечению пожарной безопасности
РСЧС - Единая государственная система предупреждения и ликвидации чрезвычайных ситуаций
ТП РСЧС - территориальная подсистема Единой государственной системы предупреждения и ликвидации чрезвычайных ситуаций
ИОГВ - исполнительные органы государственной власти
ОГ - оперативная группа
РФ - Российская Федерация
МО - Министерство обороны Российской Федерации
Минздрав России - Министерство здравоохранения Российской Федерации
ВСМК - Всероссийская служба медицины катастроф
СМК - служба медицины катастроф
ТЦМК - территориальный центр медицины катастроф
ЭКМП - экстренная консультативная медицинская помощь
МЭ - медицинская эвакуация
ОКБ - областная клиническая больница
ГУЗ - государственное учреждение здравоохранения
ФСБ - Федеральная служба безопасности Российской Федерации
ДПС - дорожно-патрульная служба
ОМСУ - органы местного самоуправления
СМИ - средства массовой информации
ОКСИОН - общероссийская комплексная система информирования и оповещения населения
КВ - короткие волны
УКВ - ультракороткие волны
ЕДДС - единая дежурно-диспетчерская служба
ТО ФОИВ - территориальные органы федеральных органов исполнительной власти
ЛЧС - ликвидация чрезвычайной ситуации
ЛПУ - лечебно-профилактические учреждения
ПБ - пожарная безопасность
ОМВД - отдел Министерства внутренних дел
ОДС - объединенная диспетчерская служба
ДДС - дежурно-диспетчерская служба
ОШ - оперативный штаб
Ф и ТП РСЧС - функциональная и территориальная подсистема Единой государственной системы предупреждения и ликвидации чрезвычайных ситуаций
АЗК - автозаправочный комплекс
АВР - аварийно-восстановительные работы
НАСФ - нештатные аварийно-спасательные формирования
ФО - федеральный округ
ОГ РЦ - оперативная группа регионального центра
СиС - силы и средства
Глава 1. ОБЩИЕ ПОЛОЖЕНИЯ И ОПРЕДЕЛЕНИЯ.
НОРМАТИВНЫЕ ПРАВОВЫЕ АКТЫ
1.1. Термины и определения
Аварийно-спасательные работы - это действия по спасению людей, материальных и культурных ценностей, защите природной среды в зоне чрезвычайных ситуаций, локализации чрезвычайных ситуаций и подавлению или доведению до минимально возможного уровня воздействия характерных для них опасных факторов. Аварийно-спасательные работы характеризуются наличием факторов, угрожающих жизни и здоровью проводящих эти работы людей, и требуют специальной подготовки, экипировки и оснащения.
Аварийно-спасательные средства - это техническая, научно-техническая и интеллектуальная продукция, в том числе специализированные средства связи и управления, техника, оборудование, снаряжение, имущество и материалы, методические, видео-, кино-, фотоматериалы по технологии аварийно-спасательных работ, а также программные продукты и базы данных для электронных вычислительных машин и иные средства, предназначенные для проведения аварийно-спасательных работ.
Автомобильная дорога - объект транспортной инфраструктуры, предназначенный для движения транспортных средств и включающий в себя земельные участки в границах полосы отвода автомобильной дороги и расположенные на них или под ними конструктивные элементы (дорожное полотно, дорожное покрытие и подобные элементы) и дорожные сооружения, являющиеся ее технологической частью, - защитные дорожные сооружения, искусственные дорожные сооружения, производственные объекты, элементы обустройства автомобильных дорог.
Автомобильные дороги общего пользования - автомобильные дороги, предназначенные для движения транспортных средств неограниченного круга лиц.
Автомобильные дороги необщего пользования - автомобильные дороги, находящиеся в собственности, во владении или в пользовании исполнительных органов государственной власти, местных администраций (исполнительно-распорядительных органов муниципальных образований), физических или юридических лиц и используемые ими исключительно для обеспечения собственных нужд либо для государственных или муниципальных нужд.
Автомобильными дорогами общего пользования федерального значения являются автомобильные дороги:
1) соединяющие столицу Российской Федерации - город Москву со столицами сопредельных государств, с административными центрами (столицами) субъектов Российской Федерации;
2) включенные в перечень международных автомобильных дорог в соответствии с международными соглашениями Российской Федерации.
Автомобильными дорогами общего пользования федерального значения могут быть автомобильные дороги:
1) соединяющие между собой административные центры (столицы) субъектов Российской Федерации;
2) являющиеся подъездными дорогами, соединяющими автомобильные дороги общего пользования федерального значения, и имеющие международное значение крупнейшие транспортные узлы (морские порты, речные порты, аэропорты, железнодорожные станции), а также специальные объекты федерального значения;
3) являющиеся подъездными дорогами, соединяющими административные центры субъектов Российской Федерации, не имеющие автомобильных дорог общего пользования, соединяющих соответствующий административный центр субъекта Российской Федерации со столицей Российской Федерации - городом Москвой, и ближайшие морские порты, речные порты, аэропорты, железнодорожные станции.
Автомобильными дорогами общего пользования местного значения поселения - автомобильные дороги общего пользования в границах населенных пунктов поселения, за исключением автомобильных дорог общего пользования федерального, регионального или межмуниципального значения, частных автомобильных дорог.
Автомобильными дорогами общего пользования местного значения муниципального района - автомобильные дороги общего пользования в границах муниципального района, за исключением автомобильных дорог общего пользования федерального, регионального или межмуниципального значения, автомобильных дорог общего пользования местного значения поселений, частных автомобильных дорог.
Автомобильными дорогами общего пользования местного значения городского округа - автомобильные дороги общего пользования в границах городского округа, за исключением автомобильных дорог общего пользования федерального, регионального или межмуниципального значения, частных автомобильных дорог.
Автомагистрали - автомобильные дороги, которые не предназначены для обслуживания прилегающих территорий и:
1) которые имеют на всей своей протяженности несколько проезжих частей и центральную разделительную полосу, не предназначенную для дорожного движения;
2) которые не пересекают на одном уровне иные автомобильные дороги, а также железные дороги, трамвайные пути, велосипедные и пешеходные дорожки;
3) доступ на которые возможен только через пересечения на разных уровнях с иными автомобильными дорогами, предусмотренные не чаще чем через каждые пять километров;
4) на проезжей части или проезжих частях которых запрещены остановки и стоянки транспортных средств;
5) которые оборудованы специальными местами отдыха и площадками для стоянки транспортных средств.
Безопасность дорожного движения - состояние данного процесса, отражающее степень защищенности его участников от дорожно-транспортных происшествий и их последствий.
Владельцы автомобильных дорог - исполнительные органы государственной власти, местная администрация (исполнительно-распорядительный орган муниципального образования), физические или юридические лица, владеющие автомобильными дорогами на вещном праве в соответствии с законодательством Российской Федерации. В случаях и в порядке, которые предусмотрены федеральным законом, полномочия владельца автомобильных дорог вправе осуществлять Государственная компания "Российские автомобильные дороги" в отношении автомобильных дорог, переданных ей в доверительное управление.
Водитель транспортного средства - лицо, управляющее транспортным средством (в том числе обучающее управлению транспортным средством). Водитель может управлять транспортным средством в личных целях либо в качестве работника или индивидуального предпринимателя.
Дорога - обустроенная или приспособленная и используемая для движения транспортных средств полоса земли либо поверхность искусственного сооружения. Дорога включает в себя одну или несколько проезжих частей, а также трамвайные пути, тротуары, обочины и разделительные полосы при их наличии.
Дорожное движение - совокупность общественных отношений, возникающих в процессе перемещения людей и грузов с помощью транспортных средств или без таковых в пределах дорог.
Дорожное ограждение - устройство, предназначенное для обеспечения движения транспорта с наименьшими рисками столкновений и съездов с дорог, предотвращения переезда через разделительную полосу, столкновения с встречным транспортным средством, наезда на массивные препятствия и сооружения, расположенные на обочине в полосе отвода дороги, на разделительной полосе, снижения риска возможности падения пешеходов с дороги или мостового сооружения, а также для упорядочения движения пешеходов и предотвращения выхода животных на проезжую часть.
Дорожные знаки - знаки, предназначенные для информирования участников дорожного движения об условиях и режимах движения на дорогах и улицах.
Дорожно-транспортное происшествие - событие, возникшее в процессе движения по дороге транспортного средства и с его участием, при котором погибли или ранены люди, повреждены транспортные средства, сооружения, грузы либо причинен иной материальный ущерб.
Затор на федеральных автомобильных дорогах - временная остановка транспортного потока, вызванная превышением фактической интенсивности движения предела пропускной способности федеральной автомобильной дороги.
Защитные дорожные сооружения - сооружения, к которым относятся элементы озеленения, имеющие защитное значение; заборы; устройства, предназначенные для защиты автомобильных дорог от снежных лавин; шумозащитные и ветрозащитные устройства; подобные сооружения.
Зона чрезвычайной ситуации - это территория, на которой сложилась чрезвычайная ситуация.
Интенсивность движения - количество транспортных средств, проходящих через поперечное сечение автомобильной дороги в единицу времени (за сутки или за один час).
Информирование населения о чрезвычайных ситуациях - это доведение до населения через средства массовой информации и по иным каналам информации о прогнозируемых и возникших чрезвычайных ситуациях, принимаемых мерах по обеспечению безопасности населения и территорий, приемах и способах защиты, а также проведение пропаганды знаний в области гражданской обороны, защиты населения и территорий от чрезвычайных ситуаций, в том числе обеспечения безопасности людей на водных объектах, и обеспечения пожарной безопасности.
Искусственные дорожные сооружения - сооружения, предназначенные для движения транспортных средств, пешеходов и прогона животных в местах пересечения автомобильных дорог иными автомобильными дорогами, водотоками, оврагами, в местах, которые являются препятствиями для такого движения, прогона (зимники, мосты, переправы по льду, путепроводы, трубопроводы, тоннели, эстакады, подобные сооружения).
Классификация автомобильных дорог и их отнесение к категориям автомобильных дорог (первой, второй, третьей, четвертой, пятой категориям) осуществляются в зависимости от транспортно-эксплуатационных характеристик и потребительских свойств автомобильных дорог в порядке, установленном Правительством Российской Федерации (
Постановление Правительства Российской Федерации от 28 сентября 2009 г. N 767).
Ликвидация чрезвычайных ситуаций - это аварийно-спасательные и другие неотложные работы, проводимые при возникновении чрезвычайных ситуаций и направленные на спасение жизни и сохранение здоровья людей, снижение размеров ущерба окружающей среде и материальных потерь, а также на локализацию зон чрезвычайных ситуаций, прекращение действия характерных для них опасных факторов.
Магистральные федеральные дороги - дороги, предназначенные для связи столицы Российской Федерации со столицами независимых государств, столицами республик в составе Российской Федерации, административными центрами краев и областей, а также обеспечивающие международные автотранспортные связи.
Обеспечение безопасности дорожного движения - деятельность, направленная на предупреждение причин возникновения дорожно-транспортных происшествий, снижение тяжести их последствий.
Объекты дорожного сервиса - здания, строения, сооружения, иные объекты, предназначенные для обслуживания участников дорожного движения по пути следования (автозаправочные станции, автостанции, автовокзалы, гостиницы, кемпинги, мотели, пункты общественного питания, станции технического обслуживания, подобные объекты, а также необходимые для их функционирования места отдыха и стоянки транспортных средств).
Обычные автомобильные дороги - автомобильные дороги, не указанные выше. Обычные автомобильные дороги могут иметь одну или несколько проезжих частей.
Опасный груз - вещества, изделия из них, отходы производственной и иной хозяйственной деятельности, которые в силу присущих им свойств могут при перевозке создать угрозу для жизни и здоровья людей, нанести вред окружающей среде, повредить или уничтожить материальные ценности.
Оповещение населения о чрезвычайных ситуациях - это доведение до населения сигналов оповещения и экстренной информации об опасностях, возникающих при угрозе возникновения или возникновении чрезвычайных ситуаций природного и техногенного характера, а также при ведении военных действий или вследствие этих действий, о правилах поведения населения и необходимости проведения мероприятий по защите.
Организация дорожного движения - комплекс организационно-правовых, организационно-технических мероприятий и распорядительных действий по управлению движением на дорогах.
Пользователи автомобильными дорогами - физические и юридические лица, использующие автомобильные дороги в качестве участников дорожного движения.
Предупреждение чрезвычайных ситуаций - это комплекс мероприятий, проводимых заблаговременно и направленных на максимально возможное уменьшение риска возникновения чрезвычайных ситуаций, а также на сохранение здоровья людей, снижение размеров ущерба окружающей среде и материальных потерь в случае их возникновения.
Скоростные автомобильные дороги - автомобильные дороги, доступ на которые возможен только через транспортные развязки или регулируемые перекрестки, на проезжей части или проезжих частях которых запрещены остановки и стоянки транспортных средств и которые оборудованы специальными местами отдыха и площадками для стоянки транспортных средств.
Содержание автомобильной дороги - комплекс работ по поддержанию надлежащего технического состояния автомобильной дороги, оценке ее технического состояния, а также по организации и обеспечению безопасности дорожного движения.
Технические средства организации дорожного движения - комплекс устройств, сооружений и изображений, применяемых на дорогах для обеспечения безопасности дорожного движения и повышения пропускной способности дороги.
Транспортное средство - устройство, предназначенное для перевозки по дорогам людей, грузов или оборудования, установленного на нем.
Уровень реагирования на чрезвычайную ситуацию - это состояние готовности органов управления и сил единой государственной системы предупреждения и ликвидации чрезвычайных ситуаций к ликвидации чрезвычайной ситуации, требующее от органов государственной власти Российской Федерации, органов государственной власти субъектов Российской Федерации, органов местного самоуправления и организаций принятия дополнительных мер по защите населения и территорий от чрезвычайной ситуации в зависимости от классификации чрезвычайных ситуаций и характера развития чрезвычайной ситуации.
Участник дорожного движения - лицо, принимающее непосредственное участие в процессе дорожного движения в качестве водителя транспортного средства, пешехода, пассажира транспортного средства.
Частные автомобильные дороги общего пользования - автомобильные дороги, находящиеся в собственности физических или юридических лиц, не оборудованные устройствами, ограничивающими проезд транспортных средств неограниченного круга лиц. Иные частные автомобильные дороги относятся к частным автомобильным дорогам необщего пользования.
Чрезвычайная ситуация - это обстановка на определенной территории, сложившаяся в результате аварии, опасного природного явления, катастрофы, стихийного или иного бедствия, которые могут повлечь или повлекли за собой человеческие жертвы, ущерб здоровью людей или окружающей среде, значительные материальные потери и нарушение условий жизнедеятельности людей.
1.2. Нормативные правовые акты (полномочия участников работы по предупреждению и ликвидации ЧС)
Федеральный
закон от 21.12.1994 N 68-ФЗ "О защите населения и территорий от чрезвычайных ситуаций природного и техногенного характера";
Федеральный
закон от 21.12.1994 N 69-ФЗ "О пожарной безопасности";
Федеральный
закон от 22.08.1995 N 151-ФЗ (ред. от 02.07.2013) "Об аварийно-спасательных службах и статусе спасателей";
Федеральный
закон от 10.12.1995 N 196-ФЗ (ред. от 14.10.2014) "О безопасности дорожного движения";
Федеральный
закон от 08.11.2007 N 257-ФЗ "Об автомобильных дорогах и о дорожной деятельности в Российской Федерации и о внесении изменений в отдельные законодательные акты Российской Федерации";
Федеральный
закон от 07.02.2011 N 3-ФЗ "О полиции";
Федеральный
закон от 21.11.2011 N 323-ФЗ "Об основах охраны здоровья граждан в Российской Федерации";
Федеральный
закон от 22 августа 2004 N 122-ФЗ "О внесении изменений в законодательные акты Российской Федерации и признании утратившими силу некоторых законодательных актов Российской Федерации в связи с принятием федеральных законов "О внесении изменений и дополнений в Федеральный закон "Об общих принципах организации законодательных (представительных) и исполнительных органов государственной власти субъектов Российской Федерации" и "Об общих принципах организации местного самоуправления в Российской Федерации" (с изменениями и дополнениями);
Федеральный
закон от 06.10.2003 N 131 "Об общих принципах организации местного самоуправления в РФ";
Указ Президента РФ от 11 июля 2004 N 868 "Вопросы Министерства Российской Федерации по делам гражданской обороны, чрезвычайным ситуациям и ликвидации последствий стихийных бедствий";
Постановление Правительства РФ от 30.12.2003 N 794 "О единой государственной системе предупреждения и ликвидации чрезвычайных ситуаций природного и техногенного характера";
Постановление Правительства РФ от 24 марта 1997 N 334 "О Порядке сбора и обмена в Российской Федерации информацией в области защиты населения и территорий от чрезвычайных ситуаций природного и техногенного характера";
Постановление Правительства РФ от 21.05.2007 N 304 "О классификации чрезвычайных ситуаций природного и техногенного характера";
Постановление Правительства РФ от 26.08.2013 N 734 "Об утверждении Положения о Всероссийской службе медицины катастроф";
"
ГОСТ Р 50597-93. Государственный стандарт Российской Федерации. Автомобильные дороги и улицы. Требования к эксплуатационному состоянию, допустимому по условиям обеспечения безопасности дорожного движения";
Приказ МЧС России от 08.07.2004 N 329 "Об утверждении критериев информации о чрезвычайных ситуациях";
Приказ МВД России от 02.03.2009 N 185 "Об утверждении Административного регламента Министерства внутренних дел Российской Федерации исполнения государственной функции по контролю и надзору за соблюдением участниками дорожного движения требований в области обеспечения безопасности дорожного движения";
Приказ МЗ РФ от 20.06.2013 N 388н "Об утверждении порядка оказания скорой, в том числе скорой специализированной медицинской помощи";
Приказ Минздравмедпрома РФ от 21.06.1996 N 261 "Об утверждении положений о региональных и территориальных центрах медицины катастроф".
Методические рекомендации "Организация оказания экстренной консультативной медицинской помощи и проведения медицинской эвакуации";
Методика организации взаимодействия Минтранса России, МЧС России и МВД России по предупреждению и ликвидации ЧС на автомобильных дорогах общего федерального пользования.
Глава 2. ПОРЯДОК РАБОТЫ ОРГАНОВ ИСПОЛНИТЕЛЬНОЙ
ВЛАСТИ СУБЪЕКТОВ РФ, ОРГАНОВ МЕСТНОГО САМОУПРАВЛЕНИЯ
ПО ПРЕДУПРЕЖДЕНИЮ ЧС (ПРОИСШЕСТВИЙ), ВЫЗВАННЫХ ЗАТОРАМИ
НА ФЕДЕРАЛЬНЫХ АВТОМОБИЛЬНЫХ ДОРОГАХ
2.1. Организация выполнения мероприятий по предупреждению ЧС (происшествий), вызванных заторами на ФАД, органами исполнительной власти субъектов РФ
2.1.1. Мониторинг состояния ФАД. Изучение состояния ФАД, определение опасных участков, уточнение наличия пунктов обогрева, питания и АЗС. Факторы, влияющие на безопасность движения по ФАД
Мониторинг транспортно-эксплуатационного состояния автомобильных дорог федерального значения осуществляется дежурно-диспетчерскими службами дорожных организаций всех уровней, ФКУ "ЦУКС ГУ МЧС России по субъектам", Госавтоинспекцией субъектов Российской Федерации.
В целях проведения мониторинга транспортно-эксплуатационного состояния автомобильных дорог оперативной дежурной сменой ЦУКС необходимо предусмотреть проведение следующих мероприятий:
осуществление взаимодействия с подведомственными Росавтодору федеральными казенными учреждениями и их подрядными организациями, осуществляющими содержание участков автомобильных дорог и Госавтоинспекции, для уточнения обстановки на автомобильных дорогах, каждые 3 часа;
ежесуточное уточнение у дорожных организаций информации: о количестве и содержании выводимой информации на информационных табло, размещенных на ФАД; о количестве служб дорожных комиссаров, количестве оперативных групп, патрулирующих опасные участки;
проведение мониторинга состояния ФАД с использованием модульных метеостанций с видеонаблюдением в режиме повышенной готовности (а также в случае прогнозирования неблагоприятных метеоусловий: туман, снег, гололедные явления, налипание мокрого снега) каждые 3 часа;
мониторинг состояния ФАД с использованием информационного ресурса "Яндекс-пробки" каждые 3 часа;
патрулирование опасных участков дороги оперативными группами муниципальных гарнизонов пожарной охраны;
оперативной группой ЦУКС организуется радиосвязь с водителями-дальнобойщиками (в зависимости от обстановки на дорогах количество сеансов связи, их время определяет старший оперативной группы ЦУКС);
осуществляется размещение на официальном сайте главного управления субъекта информации о возникновении опасных природных явлениях в зоне пролегания автомобильных дорог федерального значения.
Изучение состояния ФАД, определение опасных участков
Наиболее уязвимыми участками автомобильных дорог являются: аварийно-опасные участки; снегозаносимые участки; спуски-подъемы; пересечения с продуктопроводами и ж/д переездами; участки дорог, подверженные затоплению; мосты (в том числе понтоны и низководные мосты).
Выявлением опасных участков на автомобильных дорогах занимаются дорожные службы. Для чего используется метод прогнозирования степени опасности отдельных участков дороги и оценки коэффициентов аварийности и безопасности. Коэффициентом безопасности называется отношение максимальной скорости движения, обеспечиваемой тем или иным участком дороги, к максимально возможной скорости въезда автомобилей на этот участок. Участки дорог оценивают по степени опасности, для движения исходя из следующих значений коэффициентов безопасности:
менее 0,4 - очень опасный;
0,4...0,6 - опасный;
0,6...0,8 - малоопасный;
более 0,8 - практически неопасный.
Факторы, влияющие на безопасность движения по ФАД
К числу основных факторов, влияющих на безопасность дорожного движения, относятся:
1. Состояние дорожного покрытия.
Важнейшим фактором, от которого зависит возможность реализации тягловой силы автомобиля, устойчивость автомобиля против заноса на кривых в плане, возможность безопасного торможения являются условия сцепления пневматических шин с покрытием дороги. Коэффициент сцепления на мокрых и особенно загрязненных покрытиях значительно ниже, чем у сухих. Наихудшие условия сцепления при различных видах зимней скользкости. При наличии на покрытии рыхлого снега коэффициент сцепления главным образом зависит от толщины снежного слоя, его температуры и влажности. С ростом скорости движения по неровной поверхности деформация шины происходит не полностью и уменьшается площадь контакта шины с поверхностью. Это ведет к уменьшению сцепления колеса с покрытием.
2. Уровень загрузки движением.
Возможность выбора скорости движения, совершения обгонов, количество конфликтных ситуаций, в которые попадает водитель, зависят от степени загрузки дороги. Уровень загрузки определяют как отношение интенсивности движения к пропускной способности дороги. Пропускная способность дороги - максимальное количество автомобилей, которое может пропустить данный участок дороги или дорога в целом в единицу времени. Обычно измеряется в легковых автомобилях в час (авт./ч). Интенсивность движения - количество транспортных средств, проходящих через поперечное сечение автомобильной дороги в единицу времени (авт./ч).
Различают несколько уровней удобства (уровней загрузки) по условиям движения: свободный поток; частично-связанный; связанный; насыщенный.
3. Ширина полосы движения и проезжей части являются важными факторами, влияющими на скоростной режим движения. При ширине полосы 3 м во время встречных разъездов безопасность обеспечивается лишь на небольшой скорости. В противном случае возможно столкновение или съезд транспортного средства на обочину. Но на дорогах низших категорий обочина не имеет усовершенствованного покрытия, поэтому съезд на нее может привести к боковому скольжению и опрокидыванию автомобиля. При ширине полосы 3,5 м возможны безопасные интервалы между встречными автомобилями и между автомобилями и обочинами. Полоса движения шириной 3,75 м полностью обеспечивает необходимую безопасность и допускает встречный разъезд автомобилей без снижения скорости, даже если она близка к предельной у обоих автомобилей.
4. Условия видимости. Одним из основных факторов, влияющих на скорость и безопасность движения, является расстояние видимости (самой дороги и участников движения по ней). При хорошей видимости водитель своевременно воспринимает обстановку на дороге и успевает перестроиться или снизить скорость до подъезда к месту, требующему осторожности.
5. Техническое состояние автомобиля.
6. Управление транспортным средством - квалификация водителя, дисциплинированность в соблюдении ПДД.
Порядок действий ОИВ субъекта при получении прогноза о возможных ЧС (происшествиях), связанных с заторами на ФАД
Организационные мероприятия по обеспечению проведения заседания КЧС и ОПБ
При получении информации о произошедшей чрезвычайной ситуации (заторе) на федеральной автомобильной дороге председатель комиссии по предупреждению и ликвидации чрезвычайных ситуаций и обеспечения пожарной безопасности территориальной подсистемы РСЧС отдает распоряжение на оповещение и сбор членов комиссии субъекта, а также членов КЧС и ОПБ муниципальных образований, где произошла ЧС, на пункте постоянной дислокации. Направляет оперативную группу КЧС и ОПБ к месту затора. Осуществляет сбор информации, уточнят обстановку, получает дополнительные сведения.
На заседание дополнительно приглашаются представители ФКУ Упрдор "Россия", Росавтодор, дорожно-эксплуатирующие компании.
В ходе заслушивания членов КЧС и ОПБ, специалистов, экспертов председатель КЧС и ОПБ принимает решение о введении режима "Чрезвычайной ситуации" на территории муниципального образования, где произошла ЧС, организует работу межведомственного оперативного штаба по ликвидации ЧС.
При принятии решения о введении режима ЧС председатель КЧС и ОПБ распределяет задачи по предназначению:
1. Подразделениям Госавтоинспекции территориального органа Министерства внутренних дел Российской Федерации по субъекту Российской Федерации:
осуществление при необходимости распорядительно-регулировочных действий на месте затора и организация движения транспорта в объезд места дорожно-транспортного происшествия и проведения аварийно-спасательных работ;
принятие мер по спасению граждан, охране имущества и обеспечению охраны общественного порядка на месте происшествия;
оказание первой помощи пострадавшим;
оказание содействия в беспрепятственном проезде к месту происшествия автомобилей скорой помощи, а также транспортных средств иных аварийно-спасательных служб, задействованных в ликвидации последствий затора;
организация при необходимости доставки пострадавших в ближайшее медицинское учреждение;
оповещение участников дорожного движения о начале движения после ликвидации затора;
принятие мер к сохранности вещественных доказательств, следов, имущества и других предметов, имеющих отношение к дорожно-транспортному происшествию.
2. Главному управлению МЧС России по субъекту РФ:
привлечение необходимых сил к ликвидации последствий затора (деблокирование и извлечение людей из поврежденных транспортных средств, оказание доврачебной медицинской помощи);
организация развертывания подвижных пунктов обогрева;
организация тушения пожаров и проведение первоочередных спасательных работ;
организация, при необходимости, проведение специальной разведки и контроля состояния окружающей среды на месте затора;
организация, при необходимости, проведения комплекса работ по специальной обработке (дегазации, дезактивации, демеркуризации, дезинфекции и др.) транспортных средств, места затора и прилегающей территории, проведение мероприятий по локализации и ликвидации источников опасности;
проведение первоочередных спасательных работ (деблокирование и извлечение людей из поврежденных транспортных средств, оказание доврачебной медицинской помощи пострадавшим);
организация, при необходимости, применения средств индивидуальной защиты, соблюдения режимов радиационной, химической и биологической безопасности.
3. Министерству здравоохранения РФ:
привлечение необходимых сил (в том числе службы медицины катастроф) для оказания в полном объеме медицинской помощи пострадавшим;
обеспечение оказания медицинской помощи на месте затора, при эвакуации пострадавших с места затора и непосредственно в медицинских учреждениях;
обеспечение сортировки больных (пострадавших) и установление последовательности оказания медицинской помощи при массовых травмах или иных состояниях;
подготовка коечной базы травматологического, хирургического и реанимационного профиля, для госпитализации пострадавших с разными видами травм;
создание необходимого запаса инфузионных препаратов для оказания медицинской помощи пострадавшим.
4. Федеральному дорожному агентству и дорожно-эксплуатирующим компаниям:
привлечение необходимых сил дорожно-эксплуатационных предприятий для устранения причин затора;
восстановление дорожного движения (при необходимости обустройство объездных путей);
расчистка дорожного покрытия, обработка реагентами в максимально короткие сроки;
информирование участников дорожного движения о возможных путях объезда места затора по альтернативным дорогам необходимого направления движения;
демонтаж разделительных ограждений (при их наличии и необходимости монтажа) для возможности выезда части автотранспорта в обратном направлении движения;
подготовка и обозначение объездных путей в зоне затора;
сосредоточение в зоне чрезвычайной ситуации буксировочного автотранспорта, тягачей и организация работы по растаскиванию автотранспортных средств с федеральной автодороги.
5. Дежурным службам:
установление и поддержание связи с местом затора до полной ликвидации затора;
при необходимости направление к месту затора дополнительных сил и средств;
анализ и обобщение данных, поступивших с затора;
информирование командования (руководителя учреждения) и вышестоящего дежурного о складывающейся обстановке в ходе ликвидации затора.
6. Органу местного самоуправления:
организация работы пунктов обогрева и питания в зоне чрезвычайной ситуации;
обеспечение пунктов обогрева и питания продуктами, готовой пищей, средствами гигиены, спальными принадлежностями;
обеспечение техники топливом осуществлять за счет средств резервного фонда муниципального образования.
Решение председателя КЧС и ОПБ оформляется протоколом, доводится до исполнителей, осуществляется непрерывный контроль выполнения протокольных решений (до завершения ликвидации ЧС). Осуществляется постоянное информирование председателя КЧС и ОПБ муниципального образования об обстановке, принимаемых мерах и результатах проводимых мероприятий по ликвидации ЧС.
Создание оперативного штаба
В целях оперативного реагирования и организации управления при возникновении и в ходе ликвидации последствий ЧС (происшествий), вызванных заторами на ФАД на территории субъекта РФ, в соответствии с руководящими документами в Главном управлении МЧС России по субъекту РФ организуется работа межведомственного оперативного штаба по предупреждению и ликвидации ЧС.
Работа ОШ организуется в соответствии с оперативным расчетом посменно с целью непрерывного сбора, обобщения и анализа данных обстановки, выработки предложений в решение руководителя работ по ликвидации затора на ФАД, выполнения оперативных расчетов, доведения задач, поставленных руководством и контроля за их выполнением.
Работу межведомственного оперативного штаба при ликвидации заторов на ФАД, как правило, возглавляет председатель КЧС и ОПБ субъекта РФ.
В целях своевременной организации управления и взаимодействия, а также координации действий по ликвидации затора на ФАД, своевременного принятия решения по спасению людей и имущества, в состав ОШ целесообразно привлечь первых лиц или заместителей следующих структур: государственного автодорожного надзора, Министерства по делам территориальных образований, Министерства социальной защиты населения, Главного управления региональной безопасности, ФГБУ "УГМС по субъекту РФ". Включение данных представителей Ф и ТП РСЧС позволит минимизировать сроки принятия и реализации решений по ликвидации затора на ФАД.
Одним из важных аспектов работы ОШ является его работа на начальном этапе, который характеризуется минимальным количеством информации о сложившейся обстановке, быстрым ее ухудшением (увеличение протяженности затора, ДТП) появлением массы негативной информации в СМИ, Интернет и блогосфере.
На начальном этапе целесообразно принятие участие в воздушной разведке затора на ФАД руководителя оперативного штаба и представителей Ф и ТП РСЧС, для полного понимания масштабов предстоящих работ.
В кратчайшие сроки рекомендуется организовать информирование населения о сложившейся обстановке, принимаемых мерах, о пунктах и местах оказания помощи с указанием контактных номеров, а также информирование водителей и пассажиров, находящихся в зоне затора на ФАД.
Организуется работа "горячей линии".
В муниципальных образованиях, на территории которых возникла ЧС, в целях своевременной организации управления и взаимодействия, а также координации действий по ликвидации затора на ФАД, современного принятия решения по спасению людей и имущества, организуется развертывание аналогичных оперативных штабов муниципальных образований.
Формирование и направления работы оперативных групп
Формирование состава и количества ОГ производится заблаговременно с учетом прогноза на предстоящий период, а также количества проходящих по территории субъекта и муниципальных образований федеральных автомобильных дорог, наличия опасных и снегозаносимых участков. ОГ могут формироваться как на штатной, так и нештатной основе. Состав штатной ОГ определяется штатным расписанием. Состав нештатной ОГ определяет руководитель органа местного самоуправления в соответствии с разработанным положением об ОГ и другими руководящими документами.
Задачи и время работы ОГ определяет руководитель органа местного самоуправления в соответствии со складывающейся обстановкой.
Работа оперативных групп организуется для осуществления контроля за складывающейся обстановкой на ФАД и за проведением превентивных мероприятий.
Оперативные группы подразделяются на:
оперативные группы территориальных органов МЧС России;
оперативные группы ЦУКС территориальных органов МЧС России;
оперативные группы местных гарнизонов пожарной охраны;
оперативные группы органов местного самоуправления (совместные);
межведомственные оперативные группы;
оперативные группы территориальных органов федеральных органов исполнительной власти.
Для проведения патрулирования и работы на ФАД в состав нештатной ОГ по решению руководителя органа местного самоуправления могут быть включены представители от организаций и ведомств, которые имеют опыт работы по организации управления при ликвидации ЧС (происшествий) на автодорогах (представители от дорожных организаций, председатель КЧС и ПБ муниципального образования).
Решение на выдвижение ОГ в район патрулирования принимает руководитель органа местного самоуправления или лицо, временно исполняющее его обязанности, а также оперативный дежурный органа повседневного управления с последующим докладом в ОДС ЦУКС субъекта.
Исходя из прогнозируемой и складывающейся обстановки органами управления проводятся следующие мероприятия:
уточняется количество оперативных групп, старший и состав ОГ, укомплектованность ОГ, маршрут патрулирования (указывается наименование ФАД, расстояние, границы, время работы);
определяются первоочередные задачи, необходимые для выполнения (организация взаимодействия с дорожными службами субъекта, а также с органами местного самоуправления; порядок прохождения и сроки представления информации, время осуществления докладов; уточнение запасов пескосоляной смеси; расчет снегоуборочной техники и техники высокой проходимости, инженерной техники; развертывание пунктов обогрева и питания; уточнение путей объезда; обработка автодороги противогололедными смесями);
составляется план работы ОГ, перечень документов для отчета;
производится постановка задач и отправка ОГ по запланированному маршруту.
Планирование количества оперативных групп должно осуществляться с учетом прикрытия всех опасных и снегозаносимых участков автодороги.
Работа ОГ на месте ЧС (происшествия)
Управление в районе затора на федеральной автомобильной дороге осуществляется через ОГ, которые в зависимости от масштаба и характера затора подразделяются на:
ОГ органов исполнительной власти субъектов РФ;
ОГ органов местного самоуправления;
ОГ Главного управления МЧС России по субъекту РФ;
ОГ МГПО;
ОГ организаций, обслуживающих дороги и т.д.
Состав ОГ субъекта РФ определяется с учетом условий затора и его характеристик. В целях качественной организации работ, решением Руководителя в состав ОГ может быть включено необходимое количество личного состава из числа наиболее подготовленных специалистов, имеющих опыт работы по организации управления при ликвидации ЧС (происшествий). Также в составе ОГ необходимо иметь сотрудников, отвечающих за организацию деятельности по информированию населения и взаимодействию со средствами массовой информации.
Решение на выдвижение ОГ в район затора принимает Руководитель или лицо, временно исполняющее его обязанности.
ОГ должна иметь согласованный доступ ко всем информационным ресурсам органа управления, от которого она назначается.
Для обеспечения органов исполнительной власти субъектов РФ достоверными и своевременными данными об обстановке на ФАД при получении прогноза о возможных ЧС (происшествиях), связанных с заторами, заблаговременно организуется авиаразведка и наблюдение, а также определяется порядок сбора данных об обстановке.
Авиационная разведка является важным этапом проведения работ по ликвидации последствий ЧС (происшествий), вызванных заторами на ФАД.
Воздушная разведка осуществляется визуально с фотографированием и видеосъемкой и проводится с помощью самолетов, вертолетов и других летательных аппаратов.
Полет к месту затора на ФАД осуществляется с соблюдением правил визуальных полетов в обход запретных зон.
Авиационная разведка необходима на первоначальном этапе для определения:
границ и характера затора на ФАД;
плотности потока на ФАД;
состояния дорожного полотна, мостов;
количества автобусов междугороднего сообщения;
выбора маршрутов передвижения техники;
подъездных путей к месту работы и путей объезда мест затора.
Для участия в авиационной разведке на ФАД по уточнению обстановки, масштабов затора и выработки решения по устранению затора целесообразно привлечение рабочей группы КЧС и ОПБ субъекта РФ.
Целью авиаразведки является:
определение возможного участка скопления автомобильного транспорта;
определение протяженности автомобильного затора;
определение путей объезда возможных мест затора.
Маршруты ведения авиаразведки возможных заторов на ФАД разрабатываются заранее в зависимости от места базирования воздушного судна.
При планировании маршрутов авиаразведки необходимо исходить из результатов мониторинга (анализа) предыдущих лет образования заторов, скопления автомобильного транспорта, возникших вследствие:
инфраструктурной особенности сети автомобильных дорог, их состояния, частоты (плотности) транспортного потока;
видов дорожно-транспортных происшествий, присущих данному региону в зависимости от наличия сложных инфраструктурных объектов (мосты, эстакады, тоннели, переправы, спуски и подъемы).
Периодичность проведения разведки затора на ФАД определяется органами исполнительной власти субъекта РФ, но не реже двух раз в сутки, а в случае ухудшения обстановки и по решению КЧС и ОПБ субъекта РФ количество разведок может быть увеличено.
Для ведения воздушной разведки мест возможных заторов на ФАД применяются воздушные суда авиации Ф и ТП РСЧС субъектов РФ (рис. 2.1).
Рис. 2.1. Воздушные суда авиации, используемые
для разведки заторов на ФАД
В функциональные подсистемы РСЧС субъекта РФ может входить авиация МО, МВД, ФСБ и других ведомств федеральных органов РФ, базирующихся на территории субъекта РФ.
В территориальную подсистему РСЧС субъекта РФ может входить частная авиация, санитарная авиация, аэроклубы ДОСААФ, беспилотные летательные аппараты учреждений исполнительной власти субъекта РФ.
Для ведения авиаразведки на федеральных автомобильных дорогах министерство (департамент) транспорта субъекта РФ заблаговременно заключает соглашение с организациями, входящими в состав авиации Ф и ТП РСЧС субъекта РФ на ведение воздушной разведки.
Для своевременного привлечения авиации органам исполнительной власти субъектов РФ целесообразно заблаговременно заключить двустороннее соглашение с территориальными органами ФОИВ, имеющими авиационную составляющую, органам местного самоуправления проработать вопрос заключения двустороннего соглашения между частными аэроклубами на использование авиационной техники при необходимости проведения авиационных разведок на наиболее опасных участках ФАД.
Одновременно с применением авиаразведки на место затора на ФАД направляются ОГ, в функции которых на начальном этапе входит проведение наземной разведки, координация действий и осуществление взаимодействия с территориальными органами исполнительной власти субъекта РФ по передаче информации с места для выработки решения КЧС и ОПБ области по устранению затора.
Обследование места затора может осуществляться как в пешем порядке, так и с использованием снегоходов, гусеничной техники, а также других средств, позволяющих перемещение между автомобилей в пробке и вдоль трассы вне дороги (лыжи, лошади и т.д.).
Собранная в ходе проведения разведки информация передается по имеющимся средствам связи в оперативный штаб, КЧС и ОПБ субъекта РФ.
ОГ должна иметь согласованный доступ ко всем информационным ресурсам органа управления, от которого она назначается.
Задачи ОГ на месте затора:
осуществлять руководство по ликвидации затора (на всей протяженности);
организовывать взаимодействие с органами управления Ф и ТП РСЧС, с КЧС и ОПБ, с органами управления ФОИВ, органами исполнительной власти субъектов Российской Федерации, органов местного самоуправления и организаций, привлекаемых к ликвидации затора;
организовать и контролировать выполнение решения КЧС и ОПБ субъекта РФ на всей протяженности затора по использованию сил, средств и необходимых видов ресурсов, а также распределению материальных средств;
координировать действия аварийно-спасательных служб, аварийно-спасательных формирований, общественных объединений, участвующих в проведении работ;
организовать работу по оповещению и информированию населения и взаимодействию со СМИ на месте затора.
Материально-техническое обеспечение деятельности оперативных групп рекомендуется осуществлять в соответствии с перечнем оснащения имуществом, (таблица 2.1).
Таблица 2.1
ПЕРЕЧЕНЬ ОСНАЩЕНИЯ ИМУЩЕСТВОМ
N п/п | Наименование материальных средств | Ед. изм. | Кол-во |
Комплект документов |
1. | Руководящие документы ОГ (приказы, инструкции, функциональные обязанности) | папка | 1 |
2. | Формализованные документы ОГ | папка | 1 |
3. | Справочные материалы ОГ | папка | 1 |
4. | Сведения по составу сил и средств постоянной готовности межрегионального (регионального, муниципального) уровня, дислоцирующихся на территории Тверской области | папка | 1 |
5. | Журнал принятых и отданных распоряжений | шт. | 1 |
6. | Рабочая тетрадь оперативной группы | шт. | 1 |
7. | Журнал учета обстановки | шт. | 1 |
8. | Атлас автодорог субъекта Российской Федерации | шт. | 1 |
9. | Рабочая карта | шт. | 1 |
Средства связи и объективного контроля |
1. | "Ноутбук" с установленным ПО (VipNet client, Polycom) | к-т | 1 |
2. | Модемы (3G, 4G, LTE, WiMAX) с сим-картами не менее трех различных операторов сотовой связи | к-т | 3 |
3. | Модем xDSL | к-т | 2 |
4. | Видеокамера | к-т | 1 |
5. | Цифровой фотоаппарат (в комплекте) | к-т | 1 |
6. | Р/удлинитель | к-т | 1 |
7. | Бензоагрегат | к-т | 1 |
8. | Радиостанция (носимая) УКВ диапазона (в комплекте) | к-т | 5 |
9. | Радиостанция (авто) УКВ диапазона | к-т | 1 |
10. | Радиостанция (носимая) КВ диапазона (в комплекте) | к-т | 1 |
11. | Радиостанция (авто) КВ диапазона | к-т | 1 |
12. | Телефон М-500 | к-т | 1 |
13. | Сотовый телефон (с сим-картами не менее 3-х операторов сотовой связи) | к-т | 2 |
14. | Сотовый телефон с 3-х Мпикс камерой и функцией MMS (с SIM-картой) | к-т | 1 |
15. | Цифровой диктофон (в комплекте) | шт. | 1 |
16. | Навигатор GPS/ГЛОНАСС с функцией показа пробок | к-т | 1 |
17. | Гарнитура | шт. | 1 |
Имущество по продовольственной службе (на 3 суток) |
1. | Сухой паек | на каждого члена ОГ |
2. | Питьевая вода (1,5 л) | на каждого члена ОГ |
3. | Одноразовая посуда | к-т | 4 |
Имущество по вещевой службе |
1. | Валенки | не менее 3-х пар |
Прочее имущество |
1. | Канцелярские принадлежности | к-т | 1 |
2. | Фонарь электрический ручной | шт. | 2 |
3. | Фонарь светодиодный налобный | шт. | 3 |
4. | Электромегафон | шт. | 1 |
5. | Бинокль (в комплекте) | шт. | 1 |
6. | Лазерный дальномер (рулетка) (дальностью до 100 м) | к-т | 1 |
7. | Киперная лента (оградительная) | рулон | 2 |
8. | Светоотражающие жилеты с надписью "Руководитель" | шт. | 1 |
9. | Мегафон (громкоговоритель) | шт. | 2 |
Оснащение техникой, оборудованием, снаряжением, инструментом, продовольствием, горюче-смазочными материалами, другими материальными средствами должно обеспечивать автономность работы в зоне затора личного состава ОГ не менее 3-х суток.
Уточнение плана прикрытия субъекта (группировки сил и средств, наличие и готовность стационарных пунктов питания и обогрева, постов ДПС, объектов дислокации инженерно-дорожной техники, эвакосредств, медицинских учреждений, вертолетных площадок)
План прикрытия автомобильных дорог субъекта разрабатывается в соответствии с Методическими
рекомендациями по организации действий подразделений пожарной охраны и аварийно-спасательных формирований при ликвидации последствий дорожно-транспортных происшествий, утвержденными заместителем Министра РФ по делам гражданской обороны, чрезвычайным ситуациям и ликвидации последствий стихийных бедствий.
План ежегодно до 1 апреля корректируется и согласовывается с органами управления ТО ФОИВ, ИОГВ субъекта, подразделения которых участвуют в ликвидации последствий чрезвычайных ситуаций (происшествий), вызванных образованием заторов на федеральных автомобильных дорогах.
Выписки из Плана направляются руководителям ОМСУ, пожарным подразделениям, аварийно-спасательным формированиям в части, их касающейся.
Особо следует обратить внимание на своевременное уточнение и корректировку следующей информации:
состав группировки сил и средств, в том числе силы наблюдения и лабораторного контроля и силы ликвидации;
сведения об опасных участках;
наличие и готовность стационарных и мобильных пунктов питания и обогрева;
места дислокации стационарных постов и маршрутов патрулирования нарядов ДПС;
места сосредоточения инженерно-дорожной техники, техники для проведения эвакуационных мероприятий;
места расположения и коечная емкость лечебно-профилактических учреждений;
места расположения вертолетных площадок;
наличие беспилотных летательных аппаратов;
места установки информационных табло, камер видеонаблюдения;
сведения о запасах пескосоляной смеси.
Организация материально-технического обеспечения
При получении прогноза о возможных ЧС (происшествиях), связанных с заторами на ФАД, органы исполнительной власти организуют развертывание (подготовку к развертыванию) пунктов обогрева, имеющихся по реестру на данном участке федеральной автомобильной дороги.
Пункты обогрева могут разворачиваться подразделениями ГУ МЧС России по субъекту, исполнительных органов государственной власти субъекта РФ.
По заявкам органов исполнительной власти субъектов РФ дополнительно могут выделяться силы и средства региональных центров МЧС России, подразделения авиационно-спасательных центров, спасательных воинских и поисково-спасательных формирований, учебных учреждений МЧС России.
Организация медицинского обеспечения
Медицинское обеспечение участников дорожного движения возложено на медицинские организации субъекта Российской Федерации с учетом территориального принципа.
Приказом органа исполнительной власти субъекта Российской Федерации в сфере охраны здоровья граждан устанавливаются зоны ответственности медицинских организаций на участках ФАД.
При получении прогноза о вероятном заторе на ФАД руководитель ТЦМК организует проведение следующих мероприятий:
Оповещение и привлечение к ликвидации медико-санитарных последствий затора медицинских организаций, в зоне ответственности которых произошла ЧС, штатных и нештатных формирований СМК субъекта РФ;
организация взаимодействия с организациями, обслуживающими участки федеральных автомобильных дорог - подразделениями Госавтоинспекции территориального органа МВД России по субъекту РФ, МЧС России и др.;
расчет сил и средств выездных бригад скорой медицинской помощи, других формирований для оказания экстренной медицинской помощи;
при необходимости, планирование проведения медицинской сортировки пострадавших и определение последовательности оказания экстренной медицинской помощи;
подготовка к развертыванию дополнительных коек в стационарах для экстренной госпитализации пострадавших;
подготовка к использованию резервов лекарственных средств и медицинских изделий для оказания экстренной медицинской помощи пострадавшим;
организация применения санитарной авиации для оказания экстренной медицинской помощи пострадавшим, включая их санитарно-авиационную эвакуацию;
расчет выделения авиамедицинских бригад;
расчет выделения медицинского персонала для дежурства на пунктах обогрева;
проведение дополнительных занятий с медицинским персоналом с учетом особенностей оказания экстренной медицинской помощи при переохлаждениях.
Информационное обеспечение
Информацию о неблагоприятных погодных условиях необходимо размещать на официальных сайтах федеральных органов исполнительной власти, ИОГВ, ОМСУ по субъекту РФ, в средства массовой информации отправляется экстренное предупреждение. Рассылка осуществляется в информационные агентства, а также в печатные СМИ, специализированные сайты для дальнобойщиков и ОКСИОН. Также экстренное предупреждение размещается в социальных сетях и блогосфере.
Специалистом по мониторингу проводится мониторинг СМИ с целью выявления недостоверной информации, способной исказить истинную картину и вызвать панические настроения.
Информирование водителей производится с использованием аппаратуры региональной автоматизированной системы централизованного оповещения путем перехвата трансляций радиостанций эфирного вещания и использованием связи диапазона дальнобойщиков.
При необходимости разворачивается временный пресс-центр. Организовывается работа по проведению фото-видеосъемки, организация работы журналистов и организация комментариев должностных лиц по проводимым мероприятиям.
В Главном управлении организуется работа телефона "горячей линии" с доведением информации о функционировании телефона "горячей линии" до населения через СМИ, информации об обстановке на трассе и проводимых работах.
Также необходимо заблаговременно предусмотреть:
заключение соглашения об информационном взаимодействии с федеральными органами исполнительной власти, исполнительными органами государственной власти, органами местного самоуправления, организациями (учреждениями), имеющими возможность в кратчайшие сроки предоставить необходимую информацию о ситуации на ФАД;
налаживание взаимодействия со средствами массовой информации муниципальных районов (городских округов), способными в кратчайшие сроки оповестить население о ситуации на ФАД.
Порядок действий органов исполнительной власти субъекта РФ по информированию населения при получении прогноза о возможных ЧС (происшествиях), связанных с заторами на ФАД
1. Организуется доведение прогноза до должностных лиц федеральных органов исполнительной власти, ИОГВ, глав муниципальных образований, органов территориальной подсистемы РСЧС, согласно списка доведения о рисках, прогнозируемых на территории области, утвержденного председателем КЧС и ОПБ области.
2. Для информирования населения организуется через пресс-службы всех заинтересованных ведомств (организаций) передача прогноза в средства массовой информации (теле-, радиоканалы, информационные агентства, печатные издания, публикуются на официальных сайтах и страницах социальных сетей организаций (учреждений), с рекомендациями населению по профилю учреждения.
3. Организуется вывод информации на терминальные комплексы ОКСИОН и информирование населения с помощью штатных систем оповещения населения в местах массового пребывания.
Организация связи и управления
Основой для организации связи являются схемы связи и планирующие документы, отработанные в период повседневной деятельности.
Приводятся в состояние готовности силы и средства связи, в том числе оперативных групп муниципальных районов, уточняются планы их действий и при необходимости выдвигаются в предполагаемый район ЧС (происшествия) для уточнения обстановки по связи (покрытие радио и сотовой связи, возможность организации полевой кабельной линии к стационарной сети общего пользования) предварительно уточняется информация с "паспорта территории".
На пункте обогрева и питания развертывается система связи на основе комплексного применения различных средств и видов связи. При этом предусматривается обеспечение средствами радиосвязи (КВ, УКВ), средствами телефонной связи с выходом на единую сеть электросвязи общего пользования и системой автономного электрообеспечения.
Основным видом связи является радиосвязь, а также средства сотовой и транкинговой связи. При необходимости предусматривается использование видеоконференцсвязи, передача данных и телевизионных изображений в реальном масштабе времени.
Общую координацию связи в районе осуществляет начальник ЕДДС муниципального образования.
Система связи единой дежурно-диспетчерской службы муниципального района должна включать:
каналы проводной телефонной, цифровой, видеоконференцсвязи, на базе каналов сети связи общего пользования и ведомственной сети связи, посредством которых обеспечивается телефонная, видеоконференцсвязь, как с вышестоящими и взаимодействующими органами управления, так и с другими ведомственными структурами;
сети КВ (27.135 Кгц) и УКВ (130 - 170 Мгц, 430 - 470 Мгц) радиосвязи, обеспечивающие связь в телефонном режиме с вышестоящими и взаимодействующими органами управления, так и с органами управления других ведомственных структур;
каналы передачи данных на базе сети передачи данных общего пользования и ведомственных сетей передачи данных, обеспечивающие передачу данных, как с вышестоящими и взаимодействующими органами управления, так и с органами управления других ведомственных структур.
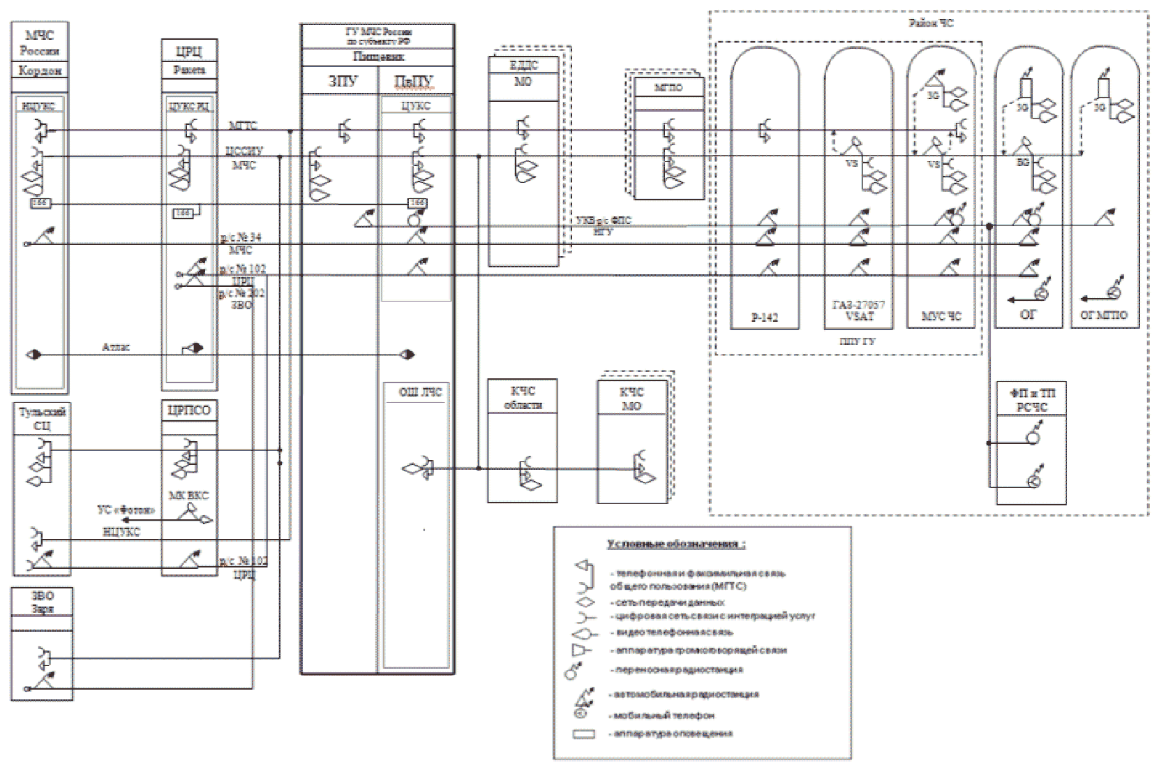
Связь от единых дежурно-диспетчерских служб муниципальных районов организуется согласно схемы организации связи (рисунок 2.2).
Рис. 2.2. Схема организации связи
1. С узлом связи Главного управления МЧС России по субъекту РФ:
а) проводную:
по постоянно действующим каналам и линиям связи с обеспечением следующих видов связи:
телефонная открытая по ведомственной цифровой сети связи и выделенному открытому каналу связи;
телефонная открытая по автоматической междугородней телефонной сети связи общего пользования;
факсимильная по автоматической междугородней телефонной сети связи общего пользования;
передача данных по ведомственной цифровой сети связи;
видеоконференцсвязь по ведомственной цифровой сети связи;
б) радио:
в КВ радиосети регионального центра МЧС России.
2. С пунктом связи пожарной части муниципальных районов:
а) проводную:
по постоянно действующим каналам и линиям связи с обеспечением следующих видов связи:
телефонная открытая по ведомственной цифровой сети связи и выделенному открытому каналу связи;
телефонная открытая по автоматической междугородней телефонной сети связи общего пользования;
факсимильная по автоматической междугородней телефонной сети связи общего пользования;
передача данных по ведомственной цифровой сети связи;
видеоконференцсвязь по ведомственной цифровой сети связи;
б) радио:
в УКВ диапазоне на частотах 430 - 470 Мгц.
3. С дежурной диспетчерскими службами муниципальных районов (городских округов), аварийно спасательными службами, стационарными постами ДПС и дорожными службами по постоянно действующим каналам и линиям связи с обеспечением следующих видов связи:
телефонная открытая по автоматической междугородней телефонной сети связи общего пользования;
факсимильная по автоматической междугородней телефонной сети связи общего пользования;
передача данных по сети "Интернет";
б) радио:
в УКВ диапазоне на частоте 38 - 48 Мгц и 130 - 170 Мгц;
в КВ "Си-би" диапазона на частоте "27.135 Мгц".
4. С пунктом обогрева и питания муниципального образования по организованному каналу и линии связи с обеспечением следующих видов связи:
а) проводную:
телефонная открытая по автоматической междугородней телефонной сети связи общего пользования;
передача данных по сети "Интернет";
б) радио:
в УКВ диапазоне на частоте 430 - 470 Мгц;
в КВ "Си-би" диапазона на частоте "27.135 Мгц".
Управление силами и средствами функциональных, территориальной подсистем РСЧС и организаций, привлекаемыми для выполнения мероприятий по смягчению последствий возможных ЧС (происшествий) с образованием заторов на федеральных автомобильных дорогах, осуществляется из межведомственного оперативного штаба ликвидации чрезвычайных ситуаций, развернутого в здании ГУ МЧС России по субъекту, и непосредственно в районах возможных ЧС через оперативные группы КЧС и ПБ муниципальных образований, местных гарнизонов пожарной охраны, ФКУ "ЦУКС МЧС России по субъекту" с использованием существующей сети связи и передачи данных общего пользования операторов проводной и сотовой связи, ведомственных сетей связи и передачи данных правительства области, МЧС России, территориального органа МВД России по субъекту.
2.2. Организация выполнения мероприятий по предупреждению ЧС (происшествий), вызванных заторами на ФАД, органами местного самоуправления
Проведение заседания КЧС и ОПБ ОМСУ
Оповещение и сбор членов КЧС и ПБ осуществляется по распоряжению председателя комиссии по предупреждению и ликвидации чрезвычайных ситуаций и пожарной безопасности (далее - председатель КЧС) сменой единой дежурно-диспетчерской службой муниципального района (городского округа) с использованием аппаратуры оповещения.
Заседание комиссии проводится под руководством председателя, в период его отсутствия - его заместителя.
Секретарь комиссии осуществляет регистрацию, учет и организацию контроля исполнения решений комиссии.
На заседании комиссии регламент выступлений устанавливается председательствующим по согласованию с членами комиссии.
На секретариат комиссии возлагается ответственность за организацию проведения заседания комиссии.
Председатель КЧС организует:
оповещение и сбор должностных лиц комиссии, представителей администраций городских и сельских поселений, ТО ФОИВ, предприятий (учреждений) различных форм собственности, расположенных на территории муниципального образования;
приведение в режим повышенной готовности органов управления и сил ТО ФОИВ, муниципального звена ТП РСЧС;
уточнение Плана действий по предупреждению и ликвидации ЧС, группировки сил и средств;
отправку ОГ КЧС и ПБ для мониторинга ситуации на опасных участках ФАД района;
отдает указание на выполнение первоочередных мероприятий;
формирование рабочей группы (оперативного штаба ЛЧС) из состава комиссии, специалистов органов местного самоуправления и представителей заинтересованных организаций, определяет полномочия и порядок ее работы;
отправку оперативной группы КЧС и ПБ муниципального района (городского округа) в район возможной ЧС для сбора информации об обстановке и координации привлекаемых сил и средств;
привлекает в установленном порядке силы и средства для выполнения работ по смягчению последствий возможных ЧС (происшествий) на ФАД;
смотр готовности сил и средств РСЧС, расположенных на территории муниципального района (городского округа);
приведение в готовность и развертывание пунктов обогрева и питания, пунктов временного размещения населения.
В ходе проведения заседания КЧС председатель ставит задачи:
Органам управления администрации муниципального района (городского округа):
провести проверку готовности оперативной группы КЧС муниципального района к проведению разведки и оценки обстановки;
уточнить План действий по предупреждению и ликвидации чрезвычайных ситуаций природного и техногенного характера муниципального района;
быть в готовности организовать развертывание оперативного штаба ликвидации чрезвычайных ситуаций, к немедленному реагированию на все изменения обстановки, своевременному представлению информации председателю КЧС муниципального района и в вышестоящие органы управления о складывающейся обстановке;
обеспечить непрерывный сбор, анализ и мониторинг складывающейся обстановки;
обеспечить взаимодействие с дежурно-диспетчерскими службами по выделению сил и средств для проведения превентивных мероприятий.
Начальнику территориального органа МВД России по району (городскому округу)
при возникновении затора осуществить распорядительно-регулировочные действия и организовать движение транспорта в объезд места дорожно-транспортного происшествия и мест проведения аварийно-спасательных работ;
быть в готовности в случаях ухудшения обстановки организовать силами Госавтоинспекции регулирование движения на маршрутах ввода сил и средств;
принятие неотложных мер по спасению людей, в том числе принятие мер по эвакуации людей и оказание первой помощи пострадавшим;
предусмотреть охрану имущества и обеспечения охраны общественного порядка на месте происшествия.
Начальнику участка дорожной организации района:
подготовиться к организации выполнения работ по очистке проезжей части автодорог от снега и выполнению противогололедных мероприятий;
предусмотреть дополнительное выделение сил и средств для расчистки площадок отдыха, обочин, карманов для аварийного транспорта от заносов и снега.
Руководителю ТЦМК и медицинских организаций, расположенных в зоне ответственности, быть в готовности организовать:
оказание экстренной медицинской помощи пострадавшим на месте ЧС и, при необходимости, их эвакуацию в лечебные учреждения; применение санитарной авиации; подготовку медицинских организаций к размещению пострадавших; учет пострадавших и оказание им необходимой специализированной медицинской помощи.
Главам администраций сельских (городских) поселений:
ввести режим повышенной готовности для органов управления и сил звеньев муниципального звена ТП РСЧС;
организовать оповещение и информирование населения с использованием местной системы оповещения;
быть в готовности организовать работы по очистке внутрипоселковых автодорог от снега и уборки поломанных деревьев и веток с подведомственных территорий силами и средствами предприятий и частных организаций, с которыми заключены соответствующие договора;
быть в готовности к развертыванию пунктов обогрева для водителей и пассажиров, находящихся на территории района и обеспечения первоочередного жизнеобеспечения на них;
подготовить мобильные пункты обогрева для личного состава формирований, привлекаемых к ликвидации возможных ЧС;
предусмотреть питание личного состава формирований, привлекаемых к ликвидации возможных ЧС;
предусмотреть и обеспечить в случае необходимости дозаправку техники, находящейся в заторах, и специальной техники, привлеченной к ликвидации снежных заносов, на стационарных АЗС (АЗК) и подвижными АЗС.
Основные усилия при угрозе возникновения ЧС на федеральных автомобильных дорогах необходимо сосредоточить на:
организации мониторинга метеорологической и дорожной обстановки;
своевременном оповещении населения об угрозе возникновения чрезвычайных ситуаций;
своевременном реагировании на возможные чрезвычайные ситуации и происшествия, связанные с нарушениями в работе транспорта и объектах жизнеобеспечения.
Уточнение плана прикрытия автомобильных дорог муниципального образования (группировки сил и средств, наличие и готовность стационарных пунктов питания и обогрева, мест дислокации стационарных постов и маршрутов патрулирования нарядов ДПС, объектов дислокации инженерно-дорожной техники, эвакосредств, медицинских учреждений, вертолетных площадок)
Уточняется План действий по предупреждению и ликвидации чрезвычайных ситуаций природного и техногенного характера, в части касающейся, а также выписки из Плана прикрытия автомобильных дорог субъекта.
При угрозе возникновения чрезвычайных ситуаций (происшествий) с образованием заторов на федеральных автодорогах уточняется следующая информация:
состав группировки сил и средств, в том числе силы наблюдения и лабораторного контроля и силы ликвидации;
сведения об опасных участках на территории муниципального образования;
наличие и готовность стационарных и мобильных пунктов питания и обогрева;
места дислокации стационарных постов и маршрутов патрулирования нарядов ДПС;
места сосредоточения инженерно-дорожной техники, техники для проведения эвакуационных мероприятий;
места расположения и коечная емкость лечебно-профилактических учреждений;
места расположения вертолетных площадок;
сведения о запасах пескосоляной смеси.
ЕДДС муниципального образования является вышестоящим органом повседневного управления для всех взаимодействующих ДДС экстренных оперативных служб и ДДС организаций и ведомств независимо от форм собственности по вопросам сбора, обработки и обмена информацией о ЧС (происшествиях) и совместных действий при угрозе или возникновении ЧС, а также в повседневной деятельности. ЕДДС муниципального образования осуществляет свою деятельность во взаимодействии с ЦУКС главного управления МЧС России по субъекту Российской Федерации, ДДС органов государственной власти и организаций.
При получении информации от ОДС ЦУКС территориального органа МЧС России о неблагоприятных или опасных метеорологических явлениях, которые могут способствовать образованию заторов, затруднению движения на автомобильных дорогах оперативный дежурный ЕДДС муниципального образования осуществляет:
доведение полученного прогноза до глав администраций и сельских поселений, председателя КЧС и ПБ, взаимодействующих ДДС экстренных оперативных служб и ДДС организаций и ведомств;
организует по указанию председателя КЧС и ПБ оповещение и сбор оперативного штаба ЛЧС, отправку ОГ муниципального образования для оценки и контроля обстановки;
организует взаимодействие, сбор и обобщение информации о складывающейся обстановке на территории муниципального образования от взаимодействующих ДДС экстренных оперативных служб и ДДС организаций и ведомств, оперативных групп по контролю за обстановкой на ФАД, дежурных служб органов исполнительной власти (руководителей), находящихся на подконтрольной территории муниципального образования с последующей передачей данной информации в ОДС ЦУКС субъекта;
уточнение согласно плану прикрытия автомобильных дорог муниципального образования, силы и средства, находящиеся в ведении муниципального образования, которые можно задействовать для оказания помощи участникам дорожного движения, оказавшимся в месте затора;
контроль через дорожные службы за высылкой и работой снегоуборочной техники.
Глава 3. ПОРЯДОК РАБОТЫ ОРГАНОВ ИСПОЛНИТЕЛЬНОЙ ВЛАСТИ
СУБЪЕКТОВ РФ, ОРГАНОВ МЕСТНОГО САМОУПРАВЛЕНИЯ ПО ЛИКВИДАЦИИ
ЧС (ПРОИСШЕСТВИЙ), ВЫЗВАННЫХ ЗАТОРАМИ НА ФЕДЕРАЛЬНЫХ
АВТОМОБИЛЬНЫХ ДОРОГАХ
3.1. Организация выполнения мероприятий субъектом РФ по ликвидации ЧС (происшествий), вызванных заторами на ФАД, органами исполнительной власти субъектов РФ
Полномочия органов государственной власти субъекта Российской Федерации по предупреждению и ликвидации ЧС
Федеральный
закон от 22 августа 2004 г. N 122-ФЗ "О внесении изменений в законодательные акты Российской Федерации и признании утратившими силу некоторых законодательных актов Российской Федерации в связи с принятием федеральных законов "О внесении изменений и дополнений в Федеральный закон "Об общих принципах организации законодательных (представительных) и исполнительных органов государственной власти субъектов Российской Федерации" и "Об общих принципах организации местного самоуправления в Российской Федерации" (с изменениями и дополнениями) и
статья 6 федерального закона от 06.10.2003 N 131 "Об общих принципах организации местного самоуправления в РФ" органы государственной власти субъектов РФ в пределах своих полномочий осуществляют:
правовое регулирование вопросов организации местного самоуправления в субъектах Российской Федерации;
правовое регулирование прав, обязанностей и ответственности органов государственной власти субъектов Российской Федерации и их должностных лиц в области местного самоуправления в случаях и порядке, установленных федеральными законами;
правовое регулирование прав, обязанностей и ответственности органов местного самоуправления и должностных лиц местного самоуправления по предметам ведения субъектов Российской Федерации, а также в пределах полномочий органов государственной власти субъектов Российской Федерации по предметам совместного ведения Российской Федерации и субъектов Российской Федерации;
правовое регулирование прав, обязанностей и ответственности органов местного самоуправления и должностных лиц при осуществлении отдельных государственных полномочий, которыми они наделены законами субъектов Российской Федерации.
В соответствии со
статьей 4 федерального закона от 21.12.1994 N 68-ФЗ "О защите населения и территорий от чрезвычайных ситуаций природного и техногенного характера" органы государственной власти субъектов РФ в пределах своих полномочий осуществляют:
разработку и реализацию правовых и экономических норм по обеспечению защиты населения и территорий от чрезвычайных ситуаций;
обеспечение готовности к действиям органов управления, сил и средств, предназначенных и выделяемых для предупреждения и ликвидации чрезвычайных ситуаций;
сбор, обработку, обмен и выдачу информации в области защиты населения и территорий от чрезвычайных ситуаций;
подготовку населения к действиям в чрезвычайных ситуациях;
организацию оповещения населения о чрезвычайных ситуациях и информирования населения о чрезвычайных ситуациях, в том числе экстренного оповещения населения;
прогнозирование и оценку социально-экономических последствий чрезвычайных ситуаций;
создание резервов финансовых и материальных ресурсов для ликвидации чрезвычайных ситуаций.
В соответствии с
постановлением Правительства РФ от 30.12.2003 N 794 "О единой государственной системе предупреждения и ликвидации чрезвычайных ситуаций природного и техногенного характера" и
положением о единой государственной системе предупреждения и ликвидации чрезвычайных ситуаций природного и техногенного характера органы субъекта РФ имеют следующие полномочия:
в организации, составе сил и средств территориальной подсистемы РСЧС, а также в определении порядка их деятельности;
в организации координационного органа территориальной подсистемы РСЧС;
в организации, поддержании в готовности и применению по назначению сил и средств постоянной готовности территориальной подсистемы РСЧС, в состав которых входят аварийно-спасательные службы, аварийно-спасательные формирования, иные службы и формирования, оснащенные специальной техникой, оборудованием, снаряжением, инструментом, материалами с учетом обеспечения проведения аварийно-спасательных и других неотложных работ в зоне чрезвычайной ситуации;
в создании, поддержании и использовании резерва финансовых и материальных средств территориальной подсистемы РСЧС;
в привлечения сил и средств федеральных органов исполнительной власти, при недостаточности сил и средств субъекта РФ, необходимых для ликвидации чрезвычайной ситуации.
В соответствии со
статьей 30 органы государственной власти субъектов РФ в пределах своих полномочий осуществляют ликвидацию межмуниципальной, региональной, межрегиональной и федеральной чрезвычайных ситуаций, определенных
постановлением Правительства РФ от 21.05.2007 N 304 "О классификации чрезвычайных ситуаций природного и техногенного характера".
Постановление Правительства РФ от 24 марта 1997 N 334 "О Порядке сбора и обмена в Российской Федерации информацией в области защиты населения и территорий от чрезвычайных ситуаций природного и техногенного характера" определяет основные полномочия субъекта РФ по сбору и обмену, составу, охвату территории и определению источников информации в области защиты населения и территорий от чрезвычайных ситуаций природного и техногенного характера. Определяются полномочия в утверждении порядка сбора и обмена информацией в области защиты населения и территорий от чрезвычайных ситуаций природного и техногенного характера на уровне субъекта РФ.
Федеральный
закон от 22.08.1995 N 151-ФЗ (ред. от 02.07.2013) "Об аварийно-спасательных службах и статусе спасателей" определяет, что органы государственной власти субъектов РФ в пределах своих полномочий осуществляют:
поддержание органов управления, сил и средств аварийно-спасательных служб, аварийно-спасательных формирований в постоянной готовности к выдвижению в зоны чрезвычайных ситуаций и проведению работ по ликвидации чрезвычайных ситуаций;
ликвидацию чрезвычайных ситуаций на обслуживаемых объектах или территориях;
участие в подготовке решений по созданию, размещению, определению номенклатурного состава и объемов резервов материальных ресурсов для ликвидации чрезвычайных ситуаций.
Полномочия МЧС Российской Федерации
В соответствии с
Указом Президента РФ от 11 июля 2004 г. N 868 "Вопросы Министерства Российской Федерации по делам гражданской обороны, чрезвычайным ситуациям и ликвидации последствий стихийных бедствий" и "
Положением о Министерстве Российской Федерации по делам гражданской обороны, чрезвычайным ситуациям и ликвидации последствий стихийных бедствий" МЧС России осуществляет управление, координацию, контроль и реагирование в области гражданской обороны, защиты населения и территорий от чрезвычайных ситуаций, обеспечения пожарной безопасности и безопасности людей на водных объектах.
В соответствии со
статьей 4 федерального закона от 21.12.1994 N 68-ФЗ "О защите населения и территорий от чрезвычайных ситуаций природного и техногенного характера" МЧС России в составе единой государственной системы предупреждения и ликвидации чрезвычайных ситуаций осуществляет:
разработку и реализацию правовых и экономических норм по обеспечению защиты населения и территорий от чрезвычайных ситуаций;
осуществление целевых и научно-технических программ, направленных на предупреждение чрезвычайных ситуаций;
обеспечение готовности к действиям органов управления, сил и средств, предназначенных и выделяемых для предупреждения и ликвидации чрезвычайных ситуаций;
сбор, обработку, обмен и выдачу информации в области защиты населения и территорий от чрезвычайных ситуаций;
подготовку населения к действиям в чрезвычайных ситуациях, в том числе организацию разъяснительной и профилактической работы среди населения в целях предупреждения возникновения чрезвычайных ситуаций;
организацию оповещения населения о чрезвычайных ситуациях и информирования населения о чрезвычайных ситуациях, в том числе экстренного оповещения населения;
прогнозирование и оценка последствий чрезвычайных ситуаций;
реализация прав и обязанностей населения в области защиты от чрезвычайных ситуаций, а также лиц, непосредственно участвующих в их ликвидации.
В соответствии со
статьей 10 постановления Правительства РФ от 30.12.2003 N 794 "О единой государственной системе предупреждения и ликвидации чрезвычайных ситуаций природного и техногенного характера" МЧС России является постоянно действующим органом управления РСЧС, входящим в состав органов повседневного управления РСЧС
(статья 11) и осуществляющим координацию деятельности аварийно-спасательных служб, аварийно-спасательных формирований, общественных объединений, участвующих в проведении аварийно-спасательных работ
(статья 15). Деятельность аварийно-спасательных служб и формирований регламентируется федеральным
законом от 22.08.1995 N 151-ФЗ "Об аварийно-спасательных службах и статусе спасателей".
МЧС России привлекает силы и средства государственной противопожарной службы в соответствии с федеральным
законом от 21.12 1994 N 69-ФЗ "О пожарной безопасности" для решения задач организации и осуществление профилактики пожаров, спасения людей и имущества при пожарах, оказания первой помощи, организации и осуществлении тушения пожаров и проведении аварийно-спасательных работ.
В соответствии с
постановлением Правительства РФ от 24.03.1997 N 334 "О Порядке сбора и обмена в Российской Федерации информацией в области защиты населения и территорий от чрезвычайных ситуаций природного и техногенного характера" МЧС России осуществляет сбор и обмен информацией в области защиты населения и территорий от чрезвычайных ситуаций и обеспечения пожарной безопасности осуществляется федеральными органами исполнительной власти, органами исполнительной власти субъектов Российской Федерации, органами местного самоуправления и организациями в порядке, установленном Правительством Российской Федерации.
На основании
постановления Правительства РФ от 21.05.2007 N 304 "О классификации чрезвычайных ситуаций природного и техногенного характера" и
приказа МЧС России от 08.07.2004 N 329 (ред. от 24.02.2009) "Об утверждении критериев информации о чрезвычайных ситуациях" осуществляется сбор информации и ведение учета чрезвычайных ситуаций, а также отнесение ДТП и задержки движения по федеральным автомобильным магистралям к чрезвычайным ситуациям.
Полномочия Министерства здравоохранения Российской Федерации
В соответствии с
главой 3 федерального закона от 21.11.2011 N 323-ФЗ "Об основах охраны здоровья граждан в Российской Федерации" к полномочиям Минздрава России относится:
защита прав и свобод человека и гражданина в сфере охраны здоровья;
организация системы санитарной охраны территории Российской Федерации;
организация, обеспечение и осуществление федерального государственного санитарно-эпидемиологического надзора;
реализация мероприятий, направленных на спасение жизни и сохранение здоровья людей при чрезвычайных ситуациях, ликвидацию медико-санитарных последствий чрезвычайных ситуаций, информирование населения о медико-санитарной обстановке в зоне чрезвычайной ситуации и о принимаемых мерах;
ведение федеральных информационных систем, федеральных баз данных в сфере здравоохранения, в том числе обеспечение конфиденциальности содержащихся в них персональных данных в соответствии с законодательством Российской Федерации;
организация оказания гражданам первичной медико-санитарной помощи, специализированной, в том числе высокотехнологичной, медицинской помощи, скорой, в том числе скорой специализированной, медицинской помощи и паллиативной медицинской помощи федеральными медицинскими организациями;
организация безвозмездного обеспечения донорской кровью и (или) ее компонентами, а также организация обеспечения лекарственными препаратами, специализированными продуктами лечебного питания, медицинскими изделиями, средствами для дезинфекции, дезинсекции и дератизации при оказании медицинской помощи;
организация и осуществление контроля за достоверностью первичных статистических данных, предоставляемых медицинскими организациями.
На основании
приказа МЗ РФ от 20.06.2013 N 388н "Об утверждении порядка оказания скорой, в том числе скорой специализированной медицинской помощи":
оказывается скорая, в том числе скорая специализированная, медицинская помощь оказывается при заболеваниях, несчастных случаях, травмах, отравлениях и других состояниях, требующих срочного медицинского вмешательства;
В соответствии со
статьей 41 Федерального закона от 21.11.2011 N 323-ФЗ "Об основах охраны здоровья граждан в Российской Федерации":
организация и оказание медицинской помощи при чрезвычайных ситуациях, в том числе медицинская эвакуация, осуществляются Всероссийской службой медицины катастроф в порядке, установленном уполномоченным федеральным органом исполнительной власти;
руководство Всероссийской службой медицины катастроф (ВСМК) осуществляет руководитель уполномоченного федерального органа исполнительной власти;
руководитель ВСМК вправе принимать решение о медицинской эвакуации при чрезвычайных ситуациях.
В соответствии с
Постановлением Правительства Российской Федерации от 26 августа 2013 г. N 734 ВСМК на федеральном уровне представлена координационным органом - комиссией по предупреждению и ликвидации чрезвычайных ситуаций и обеспечению пожарной безопасности Министерства здравоохранения Российской Федерации; постоянно действующим органом управления - соответствующим подразделением Министерства здравоохранения Российской Федерации; органом повседневного управления - федеральным государственным бюджетным учреждением "Всероссийский центр медицины катастроф "Защита" Министерства здравоохранения Российской Федерации; силами и средствами Министерства здравоохранения Российской Федерации (в том числе Федерального медико-биологического агентства), Министерства обороны Российской Федерации, Министерства Российской Федерации по делам гражданской обороны, чрезвычайным ситуациям и ликвидации последствий стихийных бедствий, Министерства внутренних дел Российской Федерации, Федеральной службы по надзору в сфере защиты прав потребителей и благополучия человека, иных федеральных органов исполнительной власти, Российской академии медицинских наук и других организаций, в полномочия которых входит решение вопросов в области защиты населения и территорий от чрезвычайных ситуаций, ликвидации медико-санитарных последствий чрезвычайных ситуаций и решение проблем медицины катастроф.
По решению руководителя ВСМК для ликвидации медико-санитарных последствий чрезвычайной ситуации с учетом ее масштаба, степени потенциальной опасности, медико-санитарных последствий могут привлекаться все находящиеся в зоне чрезвычайной ситуации силы и средства ВСМК независимо от их уровня.
На основании
приказа Минздрава России от 20.06.2013 N 388н "Об утверждении порядка оказания скорой, в том числе скорой специализированной медицинской помощи":
скорая, в том числе скорая специализированная, медицинская помощь оказывается при заболеваниях, несчастных случаях, травмах, отравлениях и других состояниях, требующих срочного медицинского вмешательства;
проводится организация медицинской эвакуации пациентов при наличии медицинских показаний.
Порядок организации и оказания экстренной медицинской помощи, включая санитарно-авиационную эвакуацию пострадавших в медицинские организации авиамедицинскими бригадами отделений ЭКМП и МЭ ТЦМК и ОКБ, регламентируют соответствующие приложения к Методическим рекомендациям "Организация оказания экстренной консультативной медицинской помощи и проведения медицинской эвакуации".
В соответствии с
приказом Минздравмедпрома РФ от 21.06.1996 N 261 "Об утверждении положений о региональных и территориальных центрах медицины катастроф" организуются:
обеспечение круглосуточной работы дежурно-диспетчерской службы по сбору и анализу информации медико-санитарного характера, в том числе о возможности возникновения и возникновении чрезвычайных ситуаций;
поддержка в постоянной готовности системы оповещения;
планирование медико-санитарного обеспечения населения в чрезвычайных ситуациях;
создание резерва медицинского, санитарно-хозяйственного и специального имущества для оснащения формирований и учреждений службы медицины катастроф, организация его хранения и обновления (освежения).
В соответствии с
постановлением Правительства РФ от 24.03.1997 N 334 "О Порядке сбора и обмена в Российской Федерации информацией в области защиты населения и территорий от чрезвычайных ситуаций природного и техногенного характера" Минздрав России осуществляет сбор, обработку и обмен информацией в своей сфере деятельности и представляет информацию в МЧС России.
Дежурно-диспетчерские службы организаций, находящихся в ведении Минздрава России, осуществляют сбор, обработку и обмен информацией в своей сфере деятельности на соответствующих объектах и территориях и представляют информацию в органы исполнительной власти субъекта Российской Федерации в порядке, утверждаемом Минздравом России.
Полномочия Минтранса России
На основании
главы 2 федерального закона от 08.11.2007 N 257-ФЗ "Об автомобильных дорогах и о дорожной деятельности в Российской Федерации и о внесении изменений в отдельные законодательные акты Российской Федерации" Минтранс России в пределах своих полномочий осуществляет:
организацию дорожной деятельности;
проектирование, строительство, реконструкцию и капитальный ремонт автомобильных дорог в соответствии с нормативами;
содержание автомобильных дорог;
ремонт автомобильных дорог;
прокладку, переустройство, перенос инженерных коммуникаций, их эксплуатация в границах полос отвода и придорожных полос автомобильных дорог;
обеспечение автомобильных дорог объектами дорожного сервиса;
использование автомобильных дорог при организации и проведении мероприятий по гражданской обороне, мобилизационной подготовке в соответствии с законодательством Российской Федерации, ликвидации последствий чрезвычайных ситуаций на автомобильных дорогах в соответствии с законодательством Российской Федерации в области защиты населения и территорий от чрезвычайных ситуаций;
определение размера вреда, причиняемого автомобильным дорогам общего пользования федерального значения;
организацию объезда места ДТП;
информационное обеспечение пользователей автомобильными дорогами общего пользования федерального значения.
В соответствии с
постановлением Правительства РФ от 24.03.1997 N 334 "О Порядке сбора и обмена в Российской Федерации информацией в области защиты населения и территорий от чрезвычайных ситуаций природного и техногенного характера" осуществляется сбор, обработка и обмен информацией в своей сфере деятельности и представление информации в соответствующие органы в порядке, утверждаемом федеральным органом исполнительной власти, в ведении которого находятся соответствующие организации.
3.2. Организация мероприятий по ликвидации затора
В мероприятиях по ликвидации заторов на федеральных автомобильных дорогах участвуют подразделения Госавтоинспекции территориального органа МВД России по субъекту РФ, подразделения Государственной противопожарной службы МЧС России, аварийно-спасательные и поисково-спасательные формирования, подразделения Центра медицины катастроф, службы Росавтодора.
Основные цели при организации взаимодействия:
уточнение сведений о количестве техники, граждан попавших в затор;
организация мероприятий по направлению техники по другим маршрутам;
уточнение сведений о лицах, которым необходима помощь;
создание условий для восстановления в возможно короткие сроки нормального функционирования участка дороги, переезда, дорожного сооружения;
создание межведомственного штаба.
На службы, задействованные в проведении мероприятий по ликвидации заторов, возложены следующие задачи:
Подразделениям Госавтоинспекции территориального органа Министерства внутренних дел Российской Федерации по субъекту Российской Федерации:
осуществление при необходимости распорядительно-регулировочных действий на месте затора и организация движения транспорта в объезд места дорожно-транспортного происшествия и проведения аварийно-спасательных работ;
принятие мер по спасению граждан, охране имущества и обеспечению охраны общественного порядка на месте происшествия;
оказание первой помощи пострадавшим;
оказание содействия в беспрепятственном проезде к месту происшествия автомобилей скорой помощи, а также транспортных средств иных аварийно-спасательных служб, задействованных в ликвидации последствий затора;
организация при необходимости доставки пострадавших в ближайшее медицинское учреждение;
оповещение участников дорожного движения о начале движения после ликвидации затора;
принятие мер к сохранности вещественных доказательств, следов, имущества и других предметов, имеющих отношение к дорожно-транспортному происшествию.
МЧС России:
организация, при необходимости, проведения специальной разведки и контроля за состоянием окружающей среды;
организация работы оперативных групп за контролем обстановки, проведению мероприятий по обеспечению пожарной безопасности;
организация работы мобильных пунктов питания и обогрева;
привлечение к ликвидации затора вследствие крупного ДТП необходимых сил и средств (деблокирование и извлечение людей из поврежденного транспортного средства, оказание первой помощи пострадавшим и т.п.);
информирование участников затора о выполняемых мероприятиях и о работе мобильных и стационарных пунктов питания и обогрева.
Минздрав России:
оказание медицинской помощи в соответствии с нормативно-правовыми документами, включая определение предварительного диагноза заболевания (состояния) и проведение мероприятий, способствующих стабилизации или улучшению состояния пациента;
определение лечебного учреждения для оказания пострадавшим экстренной медицинской помощи;
обеспечение медицинской сортировки пострадавших и определение последовательности оказания экстренной медицинской помощи;
проведение медицинской эвакуации, в том числе санитарно-авиационной, пострадавших.
Росавтодор:
выделение сил, технических средств и проведение мероприятий для устранения причин затора;
организация объезда места затора (скопления автомобилей) по альтернативным дорогам необходимого направления движения;
информирование участников дорожного движения о возможных путях объезда места затора по альтернативным дорогам необходимого направления движения;
демонтаж разделительных ограждений (при их наличии и необходимости монтажа) для возможности выезда части автотранспорта в обратном направлении движения.
3.3. Полномочия органов местного самоуправления субъекта Российской Федерации по предупреждению и ликвидации ЧС
Полномочия органов местного самоуправления субъекта Российской Федерации определяются в соответствии с теми же нормативно-правовыми актами, что и полномочия органов государственной власти субъекта Российской Федерации, но на муниципальном уровне.
В соответствии со
статьей 30 органы местного самоуправления субъекта Российской Федерации осуществляют ликвидацию муниципальной чрезвычайной ситуации, определенной
постановлением Правительства РФ от 21.05.2007 N 304 "О классификации чрезвычайных ситуаций природного и техногенного характера".
Организация медицинского обеспечения
При получении информации о произошедшем заторе на федеральной автомобильной дороге, руководители ТЦМК и медицинских организаций, закрепленных за участками ФАД, организуют проведение следующих мероприятий:
привлечение необходимых сил и средств службы медицины катастроф для оказания экстренной медицинской помощи пострадавшим;
приведение в готовность санитарной авиации для проведения медицинской эвакуации пострадавших в медицинские организации;
незамедлительный выезд (вылет) на место происшествия;
при необходимости проведение медицинской сортировки пострадавших и определение последовательности оказания экстренной медицинской помощи;
оказание экстренной медицинской помощи пострадавшим на месте происшествия;
при наличии медицинских показаний проведение медицинской эвакуации, в том числе с применением авиации, пострадавших;
проведение медицинской эвакуации тяжелопострадавших в специализированные медицинские организации субъекта Российской Федерации. Медицинская эвакуация с применением санитарной авиации проводится авиамедицинскими бригадами отделений ЭКМП и МЭ ТЦМК и ОКБ в медицинские организации, оказывающие медицинскую помощь пострадавшим с сочетанными, множественными и изолированными травмами, сопровождающимися шоком и иными состояниями, угрожающими жизни.
В случае затруднения прибытия медицинских бригад к месту происшествия организуется взаимодействие с территориальными органами Госавтоинспекции МВД России по субъекту РФ по их сопровождению к месту происшествия.
На основании утвержденного заместителями Министров соответствующих ведомств примерного Положения о взаимодействии органов управления, подразделений и сил МВД России, МЧС России и Минздрава России, участвующих в ликвидации последствий дорожно-транспортных происшествий от 17.04.2003, в субъектах Российской Федерации разрабатывается и утверждается Положение о взаимодействии экстренных служб при ликвидации последствий ДТП. Кроме того, заключается Соглашение об осуществлении информационного обмена при решении задач предупреждения и ликвидации ЧС.
Взаимодействие органа исполнительной власти субъекта Российской Федерации в сфере охраны здоровья граждан, территориального центра медицины катастроф, территориального органа МВД России по субъекту РФ, Главного Управления МЧС России по субъекту РФ, Росавтодора и Министерства транспорта по субъекту РФ при ликвидации последствий ДТП осуществляется в соответствии со специально разработанными совместными планами взаимодействия на территориальном (региональном) и местном уровне.
Организация информационного обеспечения
В целях качественного уровня информирования населения при возникновении чрезвычайной ситуации природного или техногенного характера на ФАД, а также снижения временных показателей его передачи в средства массовой информации необходимо возложить на пресс-службу Правительства региона организацию взаимодействия с представителями информационных подразделений заинтересованных подведомственных структур.
Оповещение населения необходимо осуществлять с помощью местных и федеральных СМИ, а также смс-оповещением всеми доступными операторами сотовой связи, Cell-Broadcast-рассылкой. Информация о пунктах и местах оказания помощи с указанием контактных номеров нужно также доводить посредством смс-рассылки.
В течение часа с момента ЧС необходимо сформировать межведомственный пресс-центр на месте ЧС и провести совещание по вопросам межведомственного взаимодействия по информированию населения о ситуации в зоне ЧС. В течение последующего часа необходимо осуществить аккредитацию журналистов на месте ЧС. По истечении двух часов с момента возникновения чрезвычайной ситуации природного или техногенного характера на ФАД целесообразно организовать пресс-подход с участием региональных и федеральных СМИ с выступлением руководящего состава оперативного штаба на месте ЧС.
Для своевременного оповещения населения о сложившейся обстановке на ФАД необходимо обеспечить размещение информации на официальных Интернет-сайтах Правительства региона, Главного управления МЧС России по субъекту РФ, территориального органа МВД России по субъекту РФ, сайтах администраций и муниципальных образований региона, официальных Интернет-порталах служб, ведомств и организаций, ответственных за эксплуатацию ФАД (участка ФАД, на котором произошла ЧС) не реже двух раз в сутки.
В целях адресного оповещения о чрезвычайной ситуации, сложившейся на территории региона, пресс-службе Правительства региона совместно с руководящим составом информационных подразделений подведомственных структур организовать взаимодействие с федеральными и региональными СМИ (телевидение, радио, печатные издания, Интернет-порталы) с выходом информации в эфир не реже одного раза в час, а с комментариями руководящего состава оперативного штаба, развернутого на месте ЧС - не менее четырех раз в сутки. С целью предупреждения информационного вакуума существует необходимость заблаговременно информировать водителей большегрузных и легковых автомобилей о дорожной обстановке и путях объезда еще до возникновения затора или иной чрезвычайной ситуации.
С целью пресечения слухов и профилактики массовых негативных реакций среди населения, создания предпосылок для осознанных и организованных действий граждан, попавших в зону чрезвычайной ситуации, информация о ходе ликвидации последствий ЧС путем взаимодействия пресс-служб заинтересованных структур необходимо организовать регулярную публикацию информации в ежедневных печатных СМИ по обстановке в зоне ЧС до полной ликвидации с комментариями должностных лиц Правительства региона, представителей министерств и ведомств РФ, организаций, осуществляющих обслуживание участка автодороги в зоне ЧС.
Для своевременного и достоверного информирования населения целесообразно обеспечить постоянное присутствие на месте ЧС природного или техногенного характера на ФАД начальника пресс-службы Правительства региона, а также начальников пресс-служб заинтересованных министерств и ведомств для работы с региональными и федеральными СМИ.
Организация связи и управления
В целях организации управления и взаимодействия при выполнении мероприятий по ликвидации ЧС (происшествий), вызванных заторами на федеральных автомобильных дорогах, органам исполнительной власти субъектов РФ совместно с территориальными органами федеральных органов власти РФ рекомендуется обеспечить следующие виды связи:
Проводная связь:
по постоянно действующим каналам и линиям в сетях электросвязи общего пользования с обеспечением следующих видов связи:
телефонная открытая связь по городской и междугородной телефонной сети общего пользования;
передача данных по цифровой сети связи с интеграцией услуг между едиными дежурными диспетчерскими службами муниципальных образований и Центром управления в кризисных ситуациях Главного управления МЧС России по субъекту РФ;
видеоконференцсвязь между ЕДДС муниципального образования и ЦУКС.
Радиосвязь:
в радиосетях взаимодействия министерств и ведомств;
в радиосети ОГ субъекта РФ/муниципального образования;
сотовая связь (стандарт GSM).
Спутниковая связь:
по сети спутниковой связи ("VSAT", "Инмарсат" и т.п.) с выходом в телефонную сеть общего пользования.
В районе развертывания ОГ рекомендуется обеспечить следующие виды связи:
радиосвязь:
в радиосетях взаимодействия министерств и ведомств;
в радиосети ОГ;
сотовая связь (стандарт GSM);
передача данных по каналу сети сотовой связи;
проводная (по возможности):
телефонная и факсимильная связь.
Кроме того, в районе развертывания ОГ рекомендуется организовать возможность для граждан, оказавшихся в зоне ЧС (происшествия), зарядить мобильный телефон, воспользоваться доступом к сети Интернет, а также совершить бесплатный телефонный звонок.
Рекомендуется укомплектовать ОГ следующим имуществом связи:
- ноутбук;
- фотоаппарат;
- 3G-модем;
- гарнитура (микрофон и наушники);
- сотовый телефон, поддерживающий функцию отправки MMS-сообщений;
- УКВ-радиостанции в количестве не менее 5 единиц;
- электромегафон;
- бензогенератор.
Рекомендуемый порядок обеспечения радиосвязи:
переговоры вести только с использованием позывных радиостанций ОГ в соответствии с таблицей позывных должностных лиц субъекта РФ (муниципального образования);
исключить несанкционированный выход в эфир с использованием радиоэлектронных средств;
максимально ограничить время работы радиостанций на передачу;
организовать контроль за ведением радиопереговоров.
В целях уменьшения тяжести последствий и повышения эффективности ликвидации ЧС (происшествий), вызванных заторами на ФАД, органами исполнительной власти субъектов РФ совместно с территориальными органами федеральных органов власти РФ рекомендуется организовать:
смс-оповещение граждан - через операторов сотовой связи в соответствии с заключенными соглашениями;
информирование водителей большегрузных автомобилей посредством радиосвязи КВ-диапазона в радиосети гражданского диапазона на частоте 27.135 МГц;
мониторинг радиоэфира в радиосети гражданского диапазона на частоте 27.135 МГц (эфира водителей большегрузных автомобилей);
информирование граждан, находящихся в зоне ЧС (происшествия), с помощью электромегафонов и сигнальных громкоговорящих установок, размещенных на оперативных автомобилях территориального органа МВД России, МЧС России и службы скорой медицинской помощи.
Управление мероприятиями при ликвидации последствий затора на ФАД осуществляется:
в пункте постоянной дислокации - межведомственным оперативным штабом и ОДС ЦУКС ГУ МЧС России по субъекту РФ;
в районе проведения работ - через ОГ субъекта РФ, муниципального образования, Главного управления МЧС России по субъекту РФ с использованием всех имеющихся средств связи (спутниковая, сотовая, телефонная, радио, ВКС).
Для обеспечения непрерывного управления всеми формированиями и взаимодействия их при совместном ведении работ организуется радиосеть взаимодействия, в которую включены председатели КЧС и ОПБ городов, районов по которым проходит ФАД. По прибытии к месту затора ОГ координирует работу по ликвидации последствий затора на ФАД.
Обмен информацией в ходе ликвидации затора осуществляется в звене:
ОДС ЦУКС регионального центра - ОДС ЦУКС по линии дежурных смен;
ОДС ЦУКС регионального центра - оперативная группа ГУ МЧС России по телефонным каналам и в режиме ВКС;
ОДС ЦУКС регионального центра - ОДС ЦУКС по линии старших оперативных дежурных - ЕДДС районов и городов, по которым проходит ФАД.
По линии межведомственного оперативного штаба по телефонным каналам и в режиме ВКС взаимодействие осуществляется с территориальным органом МВД России и Госавтоинспекции МВД России по субъекту РФ, Министерством обороны, Автодором, Министерством здравоохранения, государственным автодорожным надзором, Министерством по делам территориальных образований, Министерством социальной защиты населения, Главным управлением региональной безопасности, ФГБУ "УГМС по субъекту РФ", Главами администраций районов и городов, по которым проходит ФАД.
3.4. Организация выполнения мероприятий по ликвидации ЧС (происшествий), вызванных заторами на ФАД, органами местного самоуправления
Уточнение обстановки с опасных участков (мест заторов)
Уточнение обстановки с мест заторов проводится через ОГ, органы управления Ф и ТП РСЧС, КЧС и ОПБ, органы управления ФОИВ, органы исполнительной власти субъектов Российской Федерации, органы местного самоуправления и организаций, находящиеся на месте затора.
Уточнение обстановки производится по имеющимся средствам связи (сотовая, спутниковая, радио, видеоконференцсвязь) с применением средств взаимодействующих министерств и ведомств.
Целесообразно организовывать видеоконференцсвязь с обочин дорог в круглосуточном режиме и при необходимости доводить складывающуюся на месте обстановку с показом панорамы трассы. При наличии обильных осадков видеоконференцсвязь организуется из развернутых на месте палаток с применением выносных камер.
Уточнение обстановки возможно производить через видеокамеры Росавтодора, расположенные вдоль ФАД.
Информация, уточняемая с места затора:
выполняемые мероприятия по ликвидации затора;
погодные условия (наличие осадков, количество, температура окружающего воздуха, сила и направление ветра);
скорость движения и плотность потока автотранспорта по ФАД;
количество людей нуждающихся в помощи (медицинская, психологическая, материально-техническая);
наличие техники привлеченной для ликвидации затора (уборочной, высокой проходимости, эвакуаторов и др.);
- наличие пунктов обогрева и питания;
- наличие запасов ГСМ и др. материально-технических средств (включая продовольствие) готовых к выдаче пострадавшему населению.
Работа ОГ МО на месте ЧС (происшествия)
Организация, порядок привлечения, работы и оснащения оперативных групп местного самоуправления аналогичен ОГ исполнительной власти субъекта РФ (см. раздел "Работа ОГ на месте ЧС (происшествия)" настоящих методических рекомендаций) за исключением: "состав ОГ определяет Глава района или его первый заместитель в соответствии с разработанным положением об ОГ и другими руководящими документами".
Задачи ОГ МО на месте затора:
осуществлять руководство по ликвидации затора в пределах границ муниципального района;
организовывать взаимодействие с органами управления Ф и ТП РСЧС, с КЧС и ОПБ, с органами управления ФОИВ, органами исполнительной власти субъектов Российской Федерации, органов местного самоуправления и организаций, привлекаемых к ликвидации затора;
организовать и контролировать выполнение решения КЧС и ОПБ субъекта РФ на участках заторов на территории муниципального района по использованию сил, средств и необходимых видов ресурсов, а также распределению материальных средств;
координировать действия аварийно-спасательных служб, аварийно-спасательных формирований, общественных объединений, участвующих в проведении работ;
организовать работу по оповещению информирования населения и взаимодействию со СМИ на участке затора.
Обеспечение проведения аварийно-спасательных и аварийно-восстановительных работ
При проведении аварийно-спасательных и аварийно-восстановительных работ органы местного самоуправления субъекта (муниципального образования) обеспечивают выполнение следующих мероприятий:
своевременное прибытие должностных лиц ведомств и организаций на место затора;
оказание помощи пострадавшим в возможно короткие строки;
создание условий для восстановления в возможно короткие сроки нормального функционирования участка дороги, железнодорожного переезда, дорожного сооружения, а также прилегающей территории и расположения на этой дороге объектов;
создание и обеспечение работы межведомственного оперативного штаба в непосредственной близости от места проведения работ по ликвидации затора;
организация мониторинга ситуации складывающейся на территории муниципального образования вблизи трассы, на которой произошел затор;
подготовка резерва сил и средств для организации работ по ликвидации затора, в том числе для доставки питания гражданам, попавшим в затор и пострадавшему населению;
взаимодействие с операторами сотовой связи с целью увеличения зоны покрытия и повышения уровня сигнала сотовой связи;
подготовка к работе пунктов временного размещения граждан;
с целью профилактики массовых негативных реакций среди граждан, попавших в зону затора организация взаимодействия с информационными агентствами по информированию о ходе ликвидации затора и другой жизненно необходимой информации.
Организации пунктов обогрева водителей и пассажиров автотранспорта, оказавшихся в заторах в зимний период на дорогах федерального, регионального и местного значения
Организация работы пунктов обогрева и питания
В целях обеспечения необходимых условий для сохранения жизни и здоровья людей в условиях ЧС на автомобильных дорогах, организации первоочередного жизнеобеспечения водителей и пассажиров, попавших в ЧС вызванную комплексом неблагоприятных метеоусловий и образованием заторов на автомобильных дорогах федерального значения, органами местного самоуправления по предварительно заключенным договорам развертываются пункты обогрева и питания.
Стационарные пункты обогрева и питания развертываются на базе стационарных зданий и сооружений, имеющихся вдоль автодорог (автозаправочные и гостиничные комплексы, мотели, места отдыха и стоянок большегрузных автомобилей, объекты социально-культурного назначения, расположенных в населенных пунктах, через которые проходит автодорога), мобильные пункты обогрева - с использованием имеющихся мобильных средств (палатки, пневмокаркасные модули, специализированные автомобили, автобусы повышенной проходимости).
Основные задачи пунктов обогрева:
прием, регистрация и первоочередное жизнеобеспечение водителей и пассажиров автотранспорта, оказавшихся в заторах в зимний период на дорогах федерального, регионального и местного значения;
информирование пострадавших об изменениях в сложившейся обстановке;
представление информации в комиссию по предупреждению и ликвидации чрезвычайных ситуаций и обеспечению пожарной безопасности субъекта РФ, муниципального образования о количестве принятого пострадавшего населения;
обеспечение пострадавшего населения водой, продуктами питания;
оказание медицинской и психологической помощи;
организация взаимодействия с подразделениями территориального органа Госавтоинспекции МВД России, сетью пунктов заправки, автодорожной службой, службой автосервиса и др.
В штат администрации стационарного пункта обогрева вместимостью до 30 человек входят (рис. 3.1):
Рис. 3.1. Состав администрации стационарного пункта обогрева
начальник пункта обогрева - 1 чел.;
заместитель начальника пункта обогрева - 1 чел.;
специалист по регистрации и учета населения - 1 чел.;
специалист по размещения пострадавшего населения 1 чел.;
мед. работник - 1 чел.
Время приведения в готовность 4 часа с момента принятия решения на развертывание пункта обогрева.
Кроме стационарных пунктов обогрева муниципальными образованиями, субъектами РФ и территориальными органами МЧС приводятся в готовность мобильные пункты обогрева.
Мобильный пункт обогрева включает в себя:
администрацию пункта обогрева (количество л/с пункта обогрева формируется из специфики решаемых задач);
необходимое количество грузовых автомобилей для перевозки имущества;
не менее двух палаток (пневмокаркасных модулей) со средствами обогрева (печки, тепловые обогреватели);
автономный источник питания с запасом топлива на 3 суток;
места для организации приема пищи, с запасом воды 100 литров;
места отдыха администрации ПВО;
места для оказания медицинской помощи;
место для организации дежурства и размещения средств связи;
умывальник;
туалет (отхожее место);
запас топлива для средств обогрева на 3 суток.
Пункты обогрева могут быть сформированы из имущества пунктов временного размещения, пунктов встречи личного состава.
Все вопросы по жизнеобеспечению водителей и пассажиров автотранспорта, оказавшихся в заторах в зимний период на дорогах федерального значения, начальник пункта обогрева решает совместно с комиссией КЧС и ОПБ муниципального образования.
Для укомплектования пункта обогрева материальные средства получаются со склада организации, с которыми предварительно заключен договор на поставку материальных средств, они доставляются в пункт обогрева и передаются по накладной администрации пункта обогрева (необходимое количество раскладушек, матрацев, подушек, одеял, постельных принадлежностей и дезинфицирующих средств).
Организация работы пунктов обогрева и питания
В целях организации первоочередного жизнеобеспечения водителей и пассажиров, попавших в ЧС вызванную комплексом неблагоприятных метеоусловий и образованием заторов на автомобильных дорогах федерального и местного значения, органами исполнительной власти субъектов РФ и органами местного самоуправления создаются пункты обогрева и питания.
Руководитель организации, на базе которой развертывается пункт обогрева, организует разработку документов, материально-техническое обеспечение, необходимые для функционирования пункта обогрева, практическое обучение администрации пункта обогрева и несет персональную ответственность за готовность пункта обогрева к приему пострадавшего населения. Пункты обогрева назначаются соответствующим муниципальным правовым актом, в котором прописывается организация, выделяющая личный состав, технику и имущество, назначается ответственное должностное лицо за их развертывание и устанавливается срок готовности к действиям по предназначению, а также определяется зоны ответственности.
Основным документом, регламентирующим работу пункта обогрева, создающегося на базе организации, является Положение о пункте обогрева, утверждаемое руководителем организации. Оно разрабатывается на основе Типового Положения о пункте обогрева, утвержденного постановлением главы Администрации муниципального образования.
Положение о пункте обогрева включает:
общие положения, где определены основные принципы организации работы в повседневной деятельности, при угрозе или возникновении ЧС, при получении распоряжения на развертывание пункта обогрева и размещение обогреваемых водителей и пассажиров автотранспорта, оказавшихся в заторах в зимний период на дорогах федерального, регионального и местного значения, а также снабжения их предметами первой необходимости, водой и питанием;
состав и функциональные обязанности администрации пункта обогрева при повседневной деятельности и при возникновении чрезвычайной ситуации;
перечень и образцы документов;
пункт обогрева разворачивается по решению (распоряжению) председателя КЧС и ПБ муниципального образования для принятия оперативных мер по первоочередному жизнеобеспечению водителей и пассажиров автотранспорта, оказавшихся в заторах в зимний период на дорогах федерального, регионального и местного значения. Время приведения в готовность "Ч" +4 часа с момента принятия решения на развертывание пункта обогрева.
Пункты обогрева могут развертываться на базе стационарных зданий и сооружений, имеющихся вдоль автодорог (автозаправочные и гостиничные комплексы, мотели, места отдыха и стоянок большегрузных автомобилей, объекты социально-культурного назначения, расположенных в населенных пунктах, через которые проходит автодорога), а также с использованием имеющихся мобильных средств (палатки, пневмокаркасные модули, специализированные автомобили, автобусы повышенной проходимости). Исходя из этого, можно выделить три основных вида пунктов обогрева: стационарный (кафе, гостиница, АЗК), мобильный (палатка, пневмокаркасный модуль), подвижный (автобус, кунг) (рис. 3.2).
Рис. 3.2. Вариант размещения пункта обогрева на базе
гостиничного комплекса
Главная цель создания пунктов обогрева обеспечение необходимых условий для сохранения жизни и здоровья людей в условиях ЧС на автомобильных дорогах.
Основные задачи пунктов обогрева и питания:
первоочередное жизнеобеспечение водителей и пассажиров автотранспорта, оказавшихся в заторах в зимний период на ФАД;
информирование пострадавших об изменениях в сложившейся обстановке;
представление информации в комиссию по предупреждению и ликвидации чрезвычайных ситуаций и обеспечению пожарной безопасности субъекта РФ, муниципального образования о количестве принятого пострадавшего населения;
обеспечение пострадавшего населения водой, продуктами питания и предметами первой необходимости;
оказание медицинской и психологической помощи;
дозаправка транспортных средств, оказавшихся в заторах.
Организация работы пунктов обогрева
Руководитель организации, на базе которой развертывается пункт обогрева, организует разработку документов, материально-техническое обеспечение, необходимые для функционирования пункта обогрева, практическое обучение администрации пункта обогрева и несет персональную ответственность за готовность пункта обогрева к приему пострадавшего населения. Пункт обогрева вносится в реестр объектов РСЧС.
Основным документом, регламентирующим работу пункта обогрева, создающегося на базе организации, является Положение о пункте обогрева, утверждаемое руководителем организации. Оно разрабатывается на основе Типового Положения о пункте обогрева, утвержденного постановлением главы Администрации муниципального образования.
Положение о пункте обогрева включает:
общие положения, где определены основные принципы организации работы в повседневной деятельности, при угрозе или возникновении ЧС, при получении распоряжения на развертывание пункта обогрева и размещение обогреваемых водителей и пассажиров автотранспорта, оказавшихся в заторах в зимний период на дорогах федерального, регионального и местного значения, а также снабжения их предметами первой необходимости, медицинского обеспечения, водой и питанием;
состав и функциональные обязанности администрации пункта обогрева при повседневной деятельности и при возникновении чрезвычайной ситуации;
перечень и образцы документов;
пункт обогрева разворачивается в мирное время при угрозе или возникновении ЧС по решению (распоряжению) председателя КЧС и ОПБ муниципального образования для принятия оперативных мер по первоочередному жизнеобеспечению водителей и пассажиров автотранспорта, оказавшихся в заторах в зимний период на дорогах федерального, регионального и местного значения.
Все вопросы по жизнеобеспечению водителей и пассажиров автотранспорта, оказавшихся в заторах в зимний период на дорогах федерального, регионального и местного значения начальник пункта обогрева решает совместно с комиссией КЧС и ОПБ и комиссией муниципального образования.
Для качественного жизнеобеспечения водителей и пассажиров автотранспорта, оказавшихся в заторах в зимний период на дорогах федерального, регионального и местного значения администрация пункта обогрева обязана составить заявки на материальные средства, продукты питания и т.д., а также заблаговременно заключить договоры с администрацией муниципального образования на оплату проживания и питания пострадавших в ЧС.
Стационарный пункт обогрева
Стационарный пункт обогрева развертывается на базе стационарных зданий и сооружений, имеющихся вдоль автодорог (автозаправочных, гостиничных комплексов, мотелей мест отдыха и стоянок большегрузных автомобилей, объектах социально-культурного назначения, расположенных в населенных пунктах, через которые проходит автодорога).
Мобильный пункт обогрева и питания
Мобильные пункты обогрева создаются из расчета размещения пострадавших от 100 до 200 человек и более. Количественный состав материально-техническими средствами для оснащения мобильного пункта обогрева представлен на рис. 3.3.
Оснащение мобильного пункта обогрева
Автомобиль типа КАМАЗ для транспортировки имущества пункта - 1 ед. | | Палатка (модуль) на 30 чел. - 2 шт. | | Складные кровати - 20 шт. | | УКВ радиостанция - 1 к-т |
Термос объемом 40 л - 5 - 7 ед. | Скамья - 6 шт. | Осветительный прибор - 1 шт. |
Печь или тепловые пушки 2 ед. | Складные столы - 7 - 10 шт. | Постельное белье 20 к-тов |
|
Дизель генератор 25 кВт - 1 ед. | Полевая кухня типа (КП-130) 1 ед. |
Запас дров и топлива на 3 суток |
| Одноразовая посуда - 300 к-тов |
Рис. 3.3. Количественный состав материально-техническими
средствами для оснащения мобильного пункта обогрева
Мобильный пункт обогрева развертывается на базе палаточного лагеря на опасных участках, где отсутствует стационарная инфраструктура (автозаправочные, гостиничные комплексы, мотели и т.д.). Состав администрации полевого пункта обогрева представлен на рис. 3.4.
Рис. 3.4. Состав администрации полевого пункта обогрева
Основные принципы организации питания водителей и пассажиров автотранспорта, оказавшихся в заторах в зимний период на федеральных автомобильных дорогах
В ПО продовольственный пункт предназначается для удовлетворения горячей пищей и сухим пайком водителей и пассажиров автотранспорта, оказавшихся в заторах в зимний период на ФАД, следующих по автомобильной дороге одиночным порядком или в составе или в группах (междугородние автобусы). В продовольственный пункт входят столовая и продовольственный склад с отделением выдачи сухого пайка.
Продовольственный пункт размещают в помещениях столовых, магазинов или в удобных жилых зданиях рядом с автомобильной трассой. При отсутствии свободных помещений используются палатки, сборно-разборные постройки или контейнерные комплексы приготовления пищи (рис. 3.5).
Рис. 3.5. Полевая столовая
Доставка горячего питания пострадавшему населению во время заторов осуществляется с применением техники повышенной проходимости (квадроциклы, снегоходы, транспортные средства на гусеничном шасси) в одноразовую посуду. Выдача горячего питания осуществляется из термосов типа ТВН-12 и ТН-36.
Для приготовления пищи применяется комплект кухни полевой КП-130 из расчета 1 кухня на 130 человек
Количество комплектов столовой и чайной посуды, столовых приборов должно полностью обеспечивать одномоментную посадку 1/3 от количества водителей и пассажиров автотранспорта, оказавшихся в заторах в зимний период без дополнительной обработки посуды и приборов в течение приема пищи. Не допускается повторное использование одноразовой посуды. Площадь столовой должна составлять не менее 1,2 м2 на одного человека.
Организация приготовления горячей пищи для пострадавших осуществляется в соответствии с договором и на основании меню-раскладки.
Источником водоснабжения водителей и пассажиров автотранспорта, оказавшихся в заторах в зимний период на дорогах федерального, регионального и местного значения является привозная вода.
Источники водоснабжения следует согласовать с органами Государственного санитарного надзора. Возможность использовать имеющиеся водоисточники для хозяйственных целей определяется Роспотребнадзором на основании соответствующего эпидемиологического заключения.
Так же в пунктах обогрева и питания для обеспечения пострадавшего населения питьевой водой может использоваться негазированная бутилированная питьевая вода промышленного производства. Вода питьевая должна быть разлита в потребительскую тару, разрешенную в установленном порядке для контакта с пищевыми продуктами.
Основные принципы организации обеспечения горюче-смазочными материалами водителей и пассажиров автотранспорта, оказавшихся в заторах в зимний период на ФАД
Мобильные АЗС для бензина и дизельного топлива широко применяются для хранения запаса топлива и оперативной заправки транспорта в условиях удаленности от стационарных заправочных станций. Заправка осуществляется с применением техники повышенной проходимости (квадроциклы, снегоходы, транспортные средства на гусеничном шасси) в канистры емкостью от 20 до 40 литров. Различные модификации мобильных АЗС позволяют использовать их потребителям с разным уровнем потребности в автомобильном топливе.
Автомобильное топливо на автозаправочном пункте выдается только по решению главы субъекта РФ с оформлением соответствующего документа о выдаче с заполнением бланков, содержащих данные о том, кому (фамилия, имя, отчество, паспортные данные водителей автотранспорта оказавшегося в заторах, участвующего в проведении АВР в зимний период на дорогах федерального, регионального и местного значения), когда и сколько выдано автомобильного топлива. При этом начальник автозаправочного пункта составляет акт на выданное автомобильное топливо.
Для приема, доставки, хранения и отпуска горючего и смазочных материалов на автозаправочном пункте используются автоцистерны, бочки, бидоны, заправочные колонки, насосы, заправочный инвентарь (ведра, фильтры, воронки и т.п.), противопожарные средства.
Транспортное обеспечение организуется по решению соответствующих председателей комиссий по чрезвычайным ситуациям муниципальных образований и дорожных предприятий, и ведется соответствующими функциональными звеньями подсистемы РСЧС.
Оплата произведенных услуг и затрат, связанных с транспортным обеспечением производится по факту затрат из фондов непредвиденных расходов за счет резервов финансовых средств субъекта РФ, муниципального образования, предназначенных на ликвидацию ЧС.
Решением КЧС и ОПБ определяется количество техники, предназначенной для эвакуации населения и состав ремонтных бригад, осуществляющих ремонт и эвакуацию техники с места ЧС.
С целью восстановления дорог и мостов на федеральных автомобильных дорогах, привлекаются НАСФ (группы по восстановлению дорог и мостов) подрядных дорожных организаций и необходимая инженерная техника.
В целях обеспечения общественного порядка и своевременного развертывания органов управления и сил РСЧС организуется комендантская служба.
Комендантская служба создается:
в районах развертывания и сосредоточения сил РСЧС и привлекаемых сил;
на маршрутах передвижения;
в местах расположения пунктов управления и на участках проведения работ;
на маршрутах эвако-перевозок населения и пострадавших, массовых перевозок грузов в интересах РСЧС.
Задачи комендантской службы:
регулирование движения на маршрутах, переправах в интересах первоочередного пропуска сил РСЧС, осуществление эвакуационных и других перевозок;
организация контроля за передвижением людей и техники;
организация информирования органов управления и сил о состоянии маршрутов и местности.
При необходимости организации режима ограниченного доступа к месту возникновения ЧС на основных направлениях выставляются экипажи ДПС.
Для сопровождения организованных колонн техники, предназначенной для эвакуации пострадавших или доставки необходимых СиС к месту возникновения ЧС, выделяются экипажи сопровождения.
Необходимость применения и состав комендантской службы определяется в зависимости от обстановки на месте возникновения ЧС.
Пункты питания и обогрева разворачиваются в непосредственной близости к площадкам для стоянки транспортных средств до 100 единиц техники.
Предусмотреть выполнение мероприятий по повышению внимания водителей личного и другого транспорта в период сложных погодных условий (периоды туманов, гололеда, заносов и т.п.).
Основными мероприятиями, обеспечивающими повышенное внимание водителей в периоды осложнения дорожных условий являются оповещение населения через СМИ, установка предупреждающих (запрещающих) дорожных знаков и ограничение дорожного движения на отдельных участках дорог силами территориальных органов Госавтоинспекции МВД России по субъекту РФ.
Глава 4. ОСОБЕННОСТИ РАБОТЫ ПО ПРЕДУПРЕЖДЕНИЮ И ЛИКВИДАЦИИ
ЧС (ПРОИСШЕСТВИЙ), ВЫЗВАННЫХ ЗАТОРАМИ НА ФЕДЕРАЛЬНЫХ
АВТОМОБИЛЬНЫХ ДОРОГАХ, МИНТРАНС, МЧС РОССИИ, МВД РОССИИ
И ПОДВЕДОМСТВЕННЫХ ИМ УЧРЕЖДЕНИЙ (ОРГАНИЗАЦИЙ)
4.1. Порядок организации работы по предупреждению ЧС (происшествий), вызванных заторами на ФАД
При возникновении ЧС, связанных с заторами на ФАД, проводятся следующие основные мероприятия:
1. Координируются действия органов управления, сил и средств, привлекаемых для ликвидации последствий ЧС.
2. Осуществляется оповещение населения через СМИ и средства радиосвязи на волне дальнобойщиков.
3. Обеспечивается эвакуация пострадавших с места ЧС.
4. Организуется движение на подъездах к месту ЧС сил и средств участников ликвидации ЧС.
5. Осуществляется регулирование (ограничение или запрещение движения на определенных участках ФАД, организация реверсивного движения) дорожного движения, в том числе и на путях объезда.
6. Ведется информирование органов управления, участвующих в ликвидации последствий ЧС, об изменениях в дорожной обстановке.
7. Оказывается первая помощь пострадавшим в ЧС (при необходимости).
8. Проводятся мероприятия по охране общественного порядка и имущества в зоне ЧС.
9. Сбор, обработку и обмен информацией в своей сфере деятельности и представление информации в соответствующие органы в порядке, утверждаемом федеральным органом исполнительной власти, в ведении которого находятся соответствующие организации.
Примечание: порядок работы определяется "Наставлением по организации деятельности дорожно-патрульной службы ГИБДД МВД России", утвержденным приказом МВД России от 02.03.2009 N 186 дсп.
4.2. Порядок организации работы ОДС ЦУКС Главного управления МЧС России по субъекту РФ
ОДС ЦУКС Главного управления МЧС России по субъекту РФ проводит следующие основные мероприятия:
1. Уточняет параметры прогноза через дежурного синоптика подразделения Росгидромета по субъекту РФ.
2. Доводит экстренное предупреждение (неблагоприятный метеопрогноз) до руководящего состава ГУ МЧС по субъекту РФ.
3. Доводит экстренное предупреждение (неблагоприятный метеопрогноз) до ОДС ЦУКС РЦ.
4. Готовит экстренное предупреждение, с учетом особенностей территории, включающее в себя перечень рекомендованных к исполнению превентивных мероприятий, уточняет прогноз возникновения возможных ЧС по наихудшему сценарию.
5. Доводит экстренное предупреждение и уточненный прогноз с использованием всех имеющихся каналов связи в муниципальные образования (по линии ЕДДС), а также в организации, согласно заключенных соглашений, привлекаемые к реагированию в случае возникновения заторов на ФАД:
территориального органа МВД России по субъекту РФ;
территориального центра медицины катастроф;
организации, осуществляющие содержание и обслуживание закрепленных участков ФАД;
структурное подразделение органа исполнительной власти субъекта РФ, организующее выполнение задач в области медицинского обеспечения.
6. Направляет ОГ гарнизонов пожарной охраны для осуществления мониторинга оперативной обстановки на ФАД с проведением заслушивания старших ОГ по складывающейся обстановке в режиме ВКС.
7. Контролирует приведение мобильных городков жизнеобеспечения и мобильных пунктов обогрева в готовность к развертыванию в районе аварийно-опасных участков.
8. Контролирует обстановку на ФАД, посредством просмотра камер видеонаблюдения в онлайн режиме.
9. По линии ЕДДС МО проводит систематическое (каждые два - три часа) уточнение метеообстановки на территориях.
10. Организует взаимодействие с подразделением Росгидромета по субъекту РФ по вопросам уточнения метеообстановки (каждые 2 часа).
11. Уточняет группировку сил и средств Ф и ТП РСЧС на ФАД (общий состав, количество сил и средств работающих на ФАД, количество сил и средств находящихся в резерве).
12. Проверяет готовность стационарных пунктов обогрева и питания к работе в условиях возникновения ЧС.
13. Проводит в режиме ВКС с ЕДДС МО, ДДС Ф и ТП РСЧС заслушивание по проводимым превентивным мероприятиям.
14. Заполняется информационная система "Бриз".
15. Оповещает население об ухудшении погодных условий.
16. Оповещает водителей (дальнобойщиков) по средствам KB радиостанций (радиоканал "Дальнобойщик").
Порядок организации работы ОДС ЦУКС РЦ
Для информационного обмена и уточнения информации о ситуации, происходящей на ФАД, организовывается межведомственное взаимодействие с Ространснадзором по ФО.
Для мониторинга и уточнения обстановки по имеющимся средствам связи (сотовая, спутниковая, радио, видеоконференцсвязь) в район места затора направляется ОГ РЦ.
Мониторинг трассы и увеличения затора проводится посредством видеокамер, расположенных вдоль автодороги, специалистом, входящим в состав ОДС ЦУКС регионального центра.
Мониторинг обстановки с помощью сервисов "Яндекс. Карты", "Google карты", отображающие в реальном времени состояние транспортного потока на автомобильных дорогах.
Производится мониторинг официальных Интернет-сайтов Главных управлений МЧС России по субъекту РФ, территориального органа МВД России по субъекту РФ, сайтах администраций и муниципальных образований региона, официальных Интернет-порталах служб, ведомств и организаций, ответственных за эксплуатацию ФАД (участка ФАД, на котором произошла ЧС) не реже двух раз в сутки.
Производится оповещение населения посредством смс-оповещения всеми доступными операторами сотовой связи, Cell-Broadcast-рассылкой. Информация о пунктах и местах оказания помощи с указанием контактных номеров также доводится посредством смс-рассылки.
Также производится оповещение и информирование водителей дальнобойщиков по КВ-радиосвязи (на частоте 27,135 МГц).
Порядок организации работы ОГ ЦУКС Главного управления МЧС России по субъекту РФ (РЦ)
Старший ОГ ЦУКС Главного управления МЧС России по субъекту РФ проводит следующие основные мероприятия:
1. Доводит до ОГ ГПО экстренное предупреждение и прогноз развития неблагоприятной обстановки.
2. Организует силами ОГ ГПО контроль за проводимыми на территориях превентивными мероприятиями.
3. Организует мониторинг оперативной обстановки на ФАД силами ОГ ГПО с проведением заслушивания старших ОГ по складывающейся обстановке в режиме ВКС.
4. Проверяет готовность ОГ к убытию в район возможной ЧС (происшествия).
Порядок организации работы ОГ ГПО
Старший ОГ ГПО по субъекту РФ проводит следующие основные мероприятия:
1. Доводит до личного состава ОГ ГПО экстренное предупреждение и прогноз развития неблагоприятной обстановки.
2. Ведет мониторинг оперативной обстановки на ФАД.
3. Докладывает и представляет отчетные материалы в вышестоящие органы управления в соответствии с алгоритмом.
| | ИС МЕГАНОРМ: примечание. Нумерация пунктов дана в соответствии с официальным текстом документа. | |
5. Организует взаимодействие с органами управления ТП и ФП РСЧС в рамках осуществления контроля за проводимыми превентивными мероприятиями.
6. Уточняет группировку сил и средств Ф и ТП РСЧС на ФАД (общий состав, количество сил и средств работающих на ФАД, количество сил и средств находящихся в резерве).
7. Контролирует приведение мобильных городков жизнеобеспечения и мобильных пунктов обогрева в готовность к развертыванию в районе аварийно-опасных участков.
8. Контролирует доведение информации об ухудшении погодных условий до водителей (дальнобойщиков) по средствам КВ радиостанций (радиоканал "Дальнобойщик").
9. Анализирует достаточность проводимых на территории превентивных мероприятий.
Порядок организации работы ППУ Главного управления МЧС России по субъекту РФ (РЦ)
В целях обеспечения готовности ППУ к развертыванию в районе возможной ЧС проводятся следующие мероприятия:
1. Уточняется расчет ОГ на ППУ, проводится инструктаж ее личного состава.
2. Проверяется актуальность информационных баз данных, заложенных на ППУ в части касающихся реагирования на ЧС на ФАД.
3. Проверяется готовность автомобильной техники к выходу.
4. Проверяется имущество и оборудование ППУ, проводится доукомплектование (при необходимости).
Порядок организации работы ОШ Главного управления МЧС России по субъекту РФ (РЦ)
В целях обеспечения готовности ОШ ЛЧС к организации работы при возникновении ЧС на ФАД проводятся следующие мероприятия:
1. Уточняется расчет ОШ ЛЧС, проводится инструктаж его личного состава.
2. Проверяется актуальность информационных баз данных, в части касающихся реагирования на ЧС на ФАД.
3. Проверяется готовность автоматизированных рабочих мест.
4. Уточняются вопросы взаимодействия с ОШ ЛЧС регионального центра.
5. Уточняется ТСД.
Организация информирования населения
В целях информирования населения после подготовки информационного материала проводятся следующие мероприятия:
1. Информация размещается на официальном сайте ГУ МЧС России по субъекту РФ, в социальных сетях, блогосфере.
2. Рассылается пресс-релиз в СМИ субъекта РФ.
3. Информация размещается для трансляции на ТК ОКСИОН.
4. Информация доводится путем смс-рассылки.
5. Ведется мониторинг Интернет-сайтов, информагентств с целью контроля соответствия информации.
Вопросы психологического обеспечения
Психологической службой Главного управления по субъекту РФ проводятся следующие основные мероприятия:
1. Осуществляется доклад дежурным психологом РЦ и НЦУКС о сложившейся обстановке.
2. Служба приводится в готовность к организации оперативного реагирования.
3. Проводится расчет специалистов службы по участкам работ (оперативный штаб, телефон "Горячая линия", пункт временного размещения и обогрева, медицинские учреждения (при необходимости)).
Порядок организации работы ОДС ЦУКС Главного управления МЧС России по субъекту РФ (РЦ)
ОДС ЦУКС Главного управления МЧС России по субъекту РФ проводит следующие основные мероприятия:
1. Доводит информацию о возникновении затора на ФАД до руководящего состава Главного управления МЧС России по субъекту РФ и в вышестоящие органы управления.
2. Направляет ОГ ГПО к месту произошедшего затора на ФАД для оценки обстановки и организации взаимодействия.
3. Доводит информацию о заторе с использованием всех имеющихся каналов связи в муниципальные образования (по линии ЕДДС), а также в организации, согласно заключенным соглашениям, привлекаемые к реагированию в случае возникновения заторов на ФАД, и организует с ними постоянное взаимодействие:
территориального органа МВД России по субъекту РФ;
организации, осуществляющие содержание и обслуживание закрепленных участков ФАД;
структурное подразделение органа исполнительной власти субъекта РФ, выполняющее задачи в области медицинского обеспечения.
4. Анализирует состав сил и средств, участвующих в ликвидации ЧС, организует, при необходимости, их наращивание.
5. Осуществляет контроль за обстановкой на ФАД, посредством просмотра камер видеонаблюдения в онлайн режиме.
6. Организует оповещение населения.
7. Организует оповещение водителей (дальнобойщиков) по средствам КВ радиостанций (радиоканал "Дальнобойщик") о заторе на ФАД.
8. Направляет к месту затора мобильные городки жизнеобеспечения и мобильные пункты обогрева.
9. Организует учет и контроль за размещением водителей и пассажиров в стационарных пунктах обогрева и питания, мобильных пунктах обогрева и мобильных городках жизнеобеспечения;
Порядок организации работы ОГ ЦУКС Главного управления МЧС России по субъекту РФ (РЦ)
Старший ОГ ЦУКС Главного управления МЧС России по субъекту РФ проводит следующие основные мероприятия:
1. Направляет ОГ ГПО в район затора.
2. Осуществляет сбор информации от ОГ ГПО по текущей обстановке.
3. При получении команды убывает к месту затора (доклады, представление информации в вышестоящие органы управления в соответствии с утвержденным алгоритмом).
4. По прибытии к месту организует взаимодействие с руководителем работ по ликвидации ЧС.
5. Ведет постоянный мониторинг оперативной обстановки, осуществляет представление информации и отчетных материалов с места в вышестоящие органы управления.
6. Готовит предложения по дополнительному привлечению сил и средств МЧС России.
7. Контролирует работу мобильных городков жизнеобеспечения и мобильных пунктов обогрева.
8. Осуществляет взаимодействие с руководителями стационарных пунктов обогрева и питания по вопросам жизнеобеспечения населения.
9. При развертывании в районе ЧС ОГ на ППУ выполняет задачи по распоряжению старшего ОГ Главного управления.
Порядок организации работы ОГ ГПО
Старший ОГ ГПО проводит следующие основные мероприятия:
1. При получении команды убывает к месту затора (доклады, представление информации в вышестоящие органы управления в соответствии с утвержденным алгоритмом).
2. По прибытии к месту организует взаимодействие с руководителем работ по ликвидации ЧС.
3. Ведет постоянный мониторинг оперативной обстановки, осуществляет представление информации и отчетных материалов с места в вышестоящие органы управления.
4. Готовит предложения по дополнительному привлечению сил и средств МЧС России.
5. Контролирует развертывание и работу мобильных городков жизнеобеспечения и мобильных пунктов обогрева.
6. Осуществляет взаимодействие с руководителями стационарных пунктов обогрева и питания по вопросам жизнеобеспечения населения.
7. При прибытии в район ЧС ОГ ЦУКС или ОГ на ППУ Главного управления выполняет задачи по распоряжению старшего начальника.
Порядок организации работы ППУ Главного управления МЧС России по субъекту РФ (РЦ)
При развертывании ОГ на ППУ в районе ЧС проводятся следующие основные мероприятия:
1. Проводится оценка местности с целью определения точки развертывания ППУ.
2. Проводится выдвижение и развертывание ППУ в выбранном месте.
3. Организуется взаимодействие с руководителем работ по ликвидации ЧС, органами управления, силами и средствами Ф и ТП РСЧС, выполняющими задачи в районе ЧС, при необходимости предоставляются рабочие места для работы их представителей.
4. Осуществляется управление силами и средствами ТП РСЧС в рамках выполнения задач, определенных руководителем работ по ликвидации ЧС.
5. Организуется связь с вышестоящими органами управления, подчиненными силами (подразделениями), а также со стационарными и подвижными пунктами управления РСЧС.
6. Осуществляется мониторинг и прогнозирование развития ЧС (происшествия), оценку возможной обстановки, обеспечивает оперативное планирования действий сил и средств ТП РСЧС.
7. В случае организации работы КЧС и ОПБ органа исполнительной власти субъекта РФ или ее рабочей группы, обеспечивает ее размещение.
Порядок организации работы ОШ Главного управления МЧС России по субъекту РФ (РЦ)
При развертывании ОШ ЛЧС проводятся следующие основные мероприятия:
1. Организуется взаимодействие с вышестоящими и взаимодействующими органами управления.
2. Организуется взаимодействие специалистов штаба со специалистами ОДС ЦУКС по направлениям деятельности.
3. Осуществляется:
подготовка справочных и расчетных документов, предложений по применению сил, использованию средств при ликвидации ЧС;
разработка и оформление оперативных документов по управлению мероприятиями, доведение их по предназначению;
контроль реагирования органов управления и сил территориальной и функциональных подсистем РСЧС по выполнению мероприятий по ликвидации медико-санитарных последствий ЧС;
4. Обеспечивается подготовка и представление в вышестоящие органы управления отчетно-информационных документов, справок и донесений о работе по ликвидации ЧС.
Организация информирования населения
В целях информирования населения после подготовки информационного материала проводятся следующие мероприятия:
1. Информация размещается на официальном сайте ГУ МЧС России по субъекту РФ, в социальных сетях, блогосфере.
2. Рассылается пресс-релиз в СМИ субъекта РФ.
3. Информация размещается для трансляции на ТК ОКСИОН.
4. Информация доводится путем смс-рассылки.
5. Ведется мониторинг Интернет-сайтов, информагентств с целью контроля соответствия информации.
Психологическое обеспечение
Психологической службой Главного управления по субъекту РФ проводятся следующие основные мероприятия:
1. Убывает к месту затора (доклады, представление информации в вышестоящие органы управления в соответствии с утвержденным алгоритмом).
2. По прибытии на место затора уточняется оперативная информация (количество погибших, пострадавших и эвакуированных, их ФИО, место размещения, места проведения эвакуации, сведения о родственниках), определяется необходимое количество специалистов-психологов для организации психологической помощи нуждающимся в ней.
3. Организуется круглосуточная работа телефона "Горячая линия", информация о работе, которая размещается на сайте Главного управления, в СМИ и в Интернет-сетях.
4. Проводится работа по оказанию дистанционной психологической помощи и информационной поддержки обратившимся на телефон "Горячая линия".
| | ИС МЕГАНОРМ: примечание. Нумерация пунктов дана в соответствии с официальным текстом документа. | |
6. При необходимости специалисты привлекаются для работы в медицинских учреждениях, на пунктах обогрева (стационарных, мобильных).
4.3. Функции и задачи Управления МВД России по субъекту РФ по ликвидации ЧС (происшествий), вызванных заторами на ФАД
При получении экстренного предупреждения (неблагоприятного прогноза метеоусловий) выполняются следующие основные мероприятия:
1. Информирование подразделений ГИБДД, осуществляющих надзор за дорожным движением на ФАД.
2. Дежурные экипажи ДПС ориентируются на проведение работы по мониторингу дорожной обстановки.
3. Уточняются вопросы взаимодействия с территориальными подразделениями МЧС, органом исполнительной власти субъекта Российской Федерации в сфере охраны здоровья граждан и ТЦМК, организациями, осуществляющими обслуживание участков ФАД.
4. Информирование населения через СМИ, а также с применением средств радиосвязи на волне дальнобойщиков.
5. Подготовка предложений для дорожных организаций по установке ограничительных дорожных знаков, подготовке путей объезда.
6. Проводятся расчеты привлечения дополнительных сил и средств, в случае возникновения ЧС, связанных с заторами, определяется порядок их привлечения.
7. Уточняются места возможных стоянок грузового автотранспорта, в случае ограничения их движения.
4.4. Функции и задачи Министерства транспорта РФ
При получении экстренного предупреждения (неблагоприятного прогноза метеоусловий) подрядные дорожные организации, а также привлеченные по договорам субподряда иные организации и учреждения выполняют следующие основные мероприятия:
1. Уточняется порядок взаимодействия с территориальными органами ГИБДД и МЧС России.
2. До субподрядных организаций доводится соответствующая информация и осуществляется контроль за их деятельностью.
3. Организуется информационное взаимодействие о сложившейся дорожной обстановке с взаимодействующими органами управления.
4. Информирование персонала о возможном изменении режима работы.
5. Проводятся работы по устранению причин возникновения затора.
6. Уточняется порядок оповещения и способа доставки сотрудников на случай сбора.
7. Организуется круглосуточный мониторинг за состоянием ФАД.
8. По согласованию с ГИБДД устанавливаются временные знаки, ограничивающие скоростной режим или запрещающие движение транспортных средств по отдельным участкам ФАД совместно со знаками, указывающими пути объезда.
9. Проводятся работы по вводу в строй техники, находящейся на ремонте.
10. Проводится усиление группировки дорожной техники в районе ЧС, привлекаются дополнительные силы и средства иных организаций (по договорам).
11. Заблаговременно выводится специальная техника на удаленные участки ФАД.
12. Создаются запасы пескосоляной смеси (реагентов) на опасных участках ФАД, с возможностью использования их водителями транспортных средств.
13. Проверяется и обеспечивается готовность объездных путей к пропуску транспортных средств, в случае возникновения затора на ФАД.
14. Проверяется и обеспечивается готовность мест стоянок грузовых транспортных средств на ФАД.
15. Транспортные средства, водители которых самостоятельно не могут преодолеть участки дорог (затяжной подъем, сильный гололед) буксируются на участки дорог, обеспечивающие безопасное движение, или к месту стоянки грузового автотранспорта.
16. Осуществляется сбор, обработка информации о дорожной обстановке и представляется во взаимодействующие органы управления.
17. Участники дорожного движения информируются (информационные щиты, СМИ, радио) о дорожной обстановке, а также о путях объезда места ЧС.
СХЕМА
ОРГАНИЗАЦИИ УПРАВЛЕНИЯ СИЛАМИ И СРЕДСТВАМИ, ПРИВЛЕКАЕМЫМИ
ДЛЯ ВЫПОЛНЕНИЯ МЕРОПРИЯТИЙ ПО СМЯГЧЕНИЮ ПОСЛЕДСТВИЙ
ВОЗМОЖНЫХ ЧС (ПРОИСШЕСТВИЙ) С ОБРАЗОВАНИЕМ ЗАТОРОВ
НА ФЕДЕРАЛЬНЫХ АВТОДОРОГАХ
ПРОЕКТЫ НОРМАТИВНЫХ ПРАВОВЫХ ДОКУМЕНТОВ
Главного управления МЧС России по __________ области
о введении режима функционирования "Повышенная готовность"
МЧС РОССИИ
ГЛАВНОЕ УПРАВЛЕНИЕ МИНИСТЕРСТВА РОССИЙСКОЙ ФЕДЕРАЦИИ
ПО ДЕЛАМ ГРАЖДАНСКОЙ ОБОРОНЫ, ЧРЕЗВЫЧАЙНЫМ СИТУАЦИЯМ
И ЛИКВИДАЦИИ ПОСЛЕДСТВИЙ СТИХИЙНЫХ БЕДСТВИЙ
ПО _________ОБЛАСТИ
___________________________________________________________________________
ПРИКАЗ
________ г. ______ N ________
О введении для органов управления и сил постоянной
готовности Главного управления МЧС России по ________
области о введении режима функционирования
"Повышенная готовность"
В соответствии с приказом _________________________________, в связи с прохождением по территории Центрального Федерального округа активного циклона, сопровождающегося обильными осадками в виде сильного снега и ветра до 20 м/с и в целях готовности сил и средств к оперативному реагированию на возможные чрезвычайные ситуации и происшествия, в период прохождения циклона, вызванные заторами на федеральных автомобильных дорогах приказываю:
1. С __________2015 для органов управления и сил постоянной готовности Главного управления, подчиненных подразделений и подразделений находящихся в оперативном управлении ввести режим функционирования "Повышенная готовность".
2. Заместителю начальника Главного управления (по антикризисному управлению) __________________:
силами ОДС ЦУКС ГУ обеспечить непрерывный сбор, обработку, анализ и проверку достоверности информации, поступающей от органов местного самоуправления, территориальных органов ФОИВ, органов управления муниципальных районов областной территориальной подсистемы РСЧС, ЕДДС, ДДС организаций и населения об обстановке на территории области, подготовку на ее основе предложений по применению сил и средств областной территориальной подсистемы РСЧС, обеспечить своевременное доведение указанной информации до руководящего состава Главного управления;
организовать уточнение состава дежурных сил и средств ФП и ТП РСЧС __________ области, привлекаемых к реагированию на возможные чрезвычайные ситуации.
3. Заместителю начальника Главного управления (по защите, мониторингу и предупреждению ЧС) - начальнику управления гражданской защиты _________организовать:
контроль за принятием дополнительных мер к обеспечению бесперебойного функционирования всех систем жизнеобеспечения и объектов социальной сферы, коммунальных служб, систем энергоснабжения;
проверку готовности резервных источников электропитания;
проверку готовности стационарных пунктов временного размещения и обогрева, расположенных вдоль федеральной автомобильной дороги М-4 "Дон".
планирование и проведение рекомендованных превентивных мероприятий на территории ___________ области по предупреждению и смягчению последствий ЧС (происшествий), согласно оперативному прогнозу.
4. Начальнику управления организации пожаротушения и проведения АСР
Главного управления ______________________________:
организовать усиление патрулирования на опасных участках основных автомобильных трасс, обеспечить своевременное информирование участников дорожного движения;
во взаимодействии с органами исполнительной власти области, органами местного самоуправления, сотрудниками ГИБДД, федеральным дорожным агентством "Росавтодор" и другими дорожными службами уточнить наиболее опасные участки федеральной автомобильной дороги М-4 "ДОН", а также дорог регионального значения, уточнить достаточность необходимой инженерной и тяжелой техники, обеспечить создание запаса песчано-солевой смеси, определить участки дорог для организации реверсивного движения (при необходимости).
5. Начальнику отдела материально-технического обеспечения, развития инфраструктуры и размещения заказов Главного управления _______________________:
подготовить к работе мобильные пункты обогрева;
во взаимодействии с органами исполнительной власти области, органами местного самоуправления подготовить к развертыванию и в случае необходимости обеспечить заблаговременное развертывание на опасных участках трасс пунктов обогрева и питания;
провести проверку объемов ГСМ на автозаправочных станциях, расположенных вдоль федеральной автомобильной дороги М-4 "Дон".
6. Начальнику ФКУ "ЦУКС Главного управления МЧС России по __________ области" __________:
совместно с территориальными органами Росгидромета детализировать прогностическую информацию о вероятности возникновения ЧС и ожидаемых параметрах, обеспечить представление обновленной детализированной прогнозной информации в администрацию________ области, главам администрации местных органов власти и населению, руководителям и дежурным службам заинтересованных организаций и предприятий;
организовать оповещение население об угрозе возникновения чрезвычайных ситуаций через систему "ОКСИОН", а также путем рассылки SMS-сообщений на мобильные телефоны абонентов;
организовать своевременное уточнение и доведение боевого расчета Главного управления до должностных лиц оперативного штаба по предупреждению и ликвидации чрезвычайных ситуаций Главного управления.
7. Начальнику отдела информационных технологий, АСУ и связи Главного
управления _____________:
привести в полную готовность систему связи и оповещения Главного управления;
обеспечить устойчивую связь ЦУКС ГУ с вышестоящими органами управления, подчиненными частями и подразделениями, взаимодействующими силами и средствами, руководящим составом и дежурными службами городов и районов области.
8. Начальникам местных пожарных гарнизонов, начальникам отделений (отделов) надзорной деятельности __________________:
усилить разъяснительную работу с населением;
во взаимодействии с органами местного самоуправления подготовить к развертыванию и в случае необходимости обеспечить заблаговременное развертывание на опасных участках трасс пунктов обогрева и питания;
провести проверку готовности стационарных пунктов временного размещения и обогрева, а также объемы ГСМ на автозаправочных станциях, расположенных вдоль федеральной автомобильной дороги М-4 "Дон";
организовать своевременное оповещение и информирование водителей "дальнобойщиков" о дорожной обстановке.
9. Настоящий приказ довести до заместителей начальника Главного управления, начальников управлений и подчиненных подразделений, самостоятельных отделов Главного управления в порядке, установленном приказом Главного управления от ______________.
10. Контроль за исполнением требований настоящего приказа возложить на заместителя начальника Главного управления (по антикризисному управлению) ___________.
Начальник Главного управления
генерал-майор внутренней службы _____________________
АДМИНИСТРАЦИИ __________ ОБЛАСТИ (РАЙОНА)
"О введении режима повышенной готовности
на территории ___________ области"
РАСПОРЯЖЕНИЕ
________ г. ______ N ________
О введении режима повышенной готовности
на территории ____________ области
В соответствии с Федеральным
законом от 11 ноября 1994 года N 68-ФЗ "О защите населения и территорий от чрезвычайных ситуаций природного и техногенного характера",
постановлением Правительства Российской Федерации от 30.12.2003 N 794 "О единой государственной системе предупреждения и ликвидации чрезвычайных ситуаций", и в целях обеспечения готовности сил и средств ________ территориальной подсистемы РСЧС к оперативному реагированию, организации управления при возможных чрезвычайных ситуациях, вызванных заторами на федеральной трассе М-4 "Дон":
Ввести с ________ 2015 года по __________ 2015 года на территории __________ области режим функционирования ___________ территориальной подсистемы РСЧС "Повышенная готовность".
Установить региональный (межмуниципальный) уровень реагирования.
Границы территории, на которой может возникнуть чрезвычайные ситуации, определить в пределах границ всей территории ________ области;
Для предупреждения чрезвычайных ситуаций провести комплекс превентивных мероприятий, определенный планом действий по предупреждению и ликвидации чрезвычайных ситуаций природного и техногенного характера на территории _________ области;
Координацию деятельности органов управления, сил и средств __________ территориальной подсистемы РСЧС возложить на комиссию по предупреждению и ликвидации чрезвычайных ситуаций и обеспечению пожарной безопасности области;
Рекомендовать главам муниципальных районов и городских округов:
ввести для соответствующих органов управления и сил единой государственной системы предупреждения и ликвидации чрезвычайных ситуаций режим функционирования "Повышенная готовность" и установить местный уровень реагирования;
принять дополнительные меры к обеспечению бесперебойного функционирования всех систем жизнеобеспечения и объектов социальной сферы, коммунальных и дорожных служб;
организовать информирование населения области во взаимодействии с органами местного самоуправления соседних субъектов РФ (________, ________, ________ области) об обстановке на автодорогах на территории муниципальных образований, плотности потоков дорожного движения на участках автотрасс и превентивное перераспределение (ограничение) потоков автомобильного движения;
осуществить меры по поддержанию в готовности к использованию резервов материально-технических средств, а также резервных источников электропитания;
привести в готовность созданные на территориях муниципальных образований пункты временного размещения пострадавшего населения;
предусмотреть бытовое обслуживание, обеспечения питанием размещаемого населения, охрану общественного порядка и медицинское обеспечение в пунктах временного размещения;
сформировать дополнительные подразделения для проведения в короткие сроки аварийно-спасательных работ в местах заторов на участках автомобильных дорог;
поддерживать в готовности силы и средства для ликвидации последствий чрезвычайных ситуаций, связанных с дорожно-транспортными происшествиями, обеспечить расчистку и обработку реагентами дорог муниципального значения.
Глава администрации
________________ области _________________
АДМИНИСТРАЦИИ _________ РАЙОНА
_________ ОБЛАСТИ "О введении режима повышенной готовности на
территории _________ района"
РАСПОРЯЖЕНИЕ
АДМИНИСТРАЦИИ _________ РАЙОНА
_________ ОБЛАСТИ
________ г. ______ N ________
О введении режима повышенной готовности
на территории __________ района
В соответствии с Федеральным
законом от 11 ноября 1994 года N 68-ФЗ "О защите населения и территорий от чрезвычайных ситуаций природного и техногенного характера",
постановлением Правительства Российской Федерации от 30.12.2003 N 794 "О единой государственной системе предупреждения и ликвидации чрезвычайных ситуаций", и в целях обеспечения готовности сил и средств районного звена территориальной подсистемы РСЧС __________ области к оперативному реагированию, организации управления при возможных чрезвычайных ситуациях, вызванных заторами на федеральной трассе М-4 "Дон":
Ввести с __________ 2015 года по __________ 2015 года на территории __________ района __________ области режим функционирования районного звена территориальной подсистемы РСЧС "Повышенная готовность".
Установить местный уровень реагирования.
Границы территории, на которой может возникнуть чрезвычайные ситуации, определить в пределах границ всей территории __________ района;
Для предупреждения чрезвычайных ситуаций провести комплекс превентивных мероприятий, определенный планом действий по предупреждению и ликвидации чрезвычайных ситуаций природного и техногенного характера на территории района;
Координацию деятельности органов управления, сил и средств районного звена территориальной подсистемы РСЧС возложить на комиссию по предупреждению и ликвидации чрезвычайных ситуаций и обеспечению пожарной безопасности __________ района;
Рекомендовать главам сельских поселений:
принять дополнительные меры к обеспечению бесперебойного функционирования всех систем жизнеобеспечения и объектов социальной сферы на территории сельского поселения;
организовать информирование населения об обстановке на автодорогах на территории сельского поселения и плотности потоков дорожного движения на участках автотрасс;
осуществить меры по поддержанию в готовности к использованию резервов материально-технических средств, а также резервных источников электропитания;
поддерживать в готовности силы и средства для ликвидации последствий чрезвычайных ситуаций, связанных с дорожно-транспортными происшествиями, обеспечить расчистку и обработку реагентами дорог на территории сельского поселения.
Глава администрации
___________ района _________________
Вариант Пояснительной записки
к решению комиссии по предупреждению и ликвидации
чрезвычайных ситуаций и обеспечению пожарной безопасности
администрации ________ области
Пояснительная записка
к решению комиссии по предупреждению и ликвидации
чрезвычайных ситуаций и обеспечению пожарной безопасности
администрации (Правительства) ________ области
_____.____ 20__ г. N ______ г. _________
I. ВЫВОДЫ ИЗ ОЦЕНКИ ОБСТАНОВКИ
В соответствии с прогнозом ФГБУ "Гидрометцентр России" в период с __.__ __.__.20__ по __.__ __.__.20__ на территории _______ области прогнозируется прохождение прохождения арктического циклона с выпадением обильных осадков (до 300 мм) в виде дождя и мокрого снега. Температура воздуха: днем -3 +2 °C, ночью: -5 -10 °C Ветер северный с переходом на северо-восточный 10 - 15 м/с, с порывами до 25 м/с.
В период прохождения циклона на территории всей области прогнозируется образование гололедных явлений. Снижение видимости до 100 м. Прогнозируется увеличение количества ДТП, а также образование заторов на автодорогах области. Наиболее опасные участки автодорог:
"М" - __ "__" (Основное направление):
1) ___________ район - км 357 (спуск-подъем с затяжным поворотом);
2) ___________ район - км 380 (затяжной поворот);
3) ___________ район - км 413 (затяжной поворот).
"М" - __ "__" (Альтернатива):
4) ___________ район - км 421 (спуск);
5) ___________ район - км 430 - км 431 (спуск-подъем);
6) ___________ район - км 436 (подъем);
7) ___________ район - км 448 (спуск-подъем).
"Р" - __ трасса ___________
8) ___________ район - км 121 (спуск);
9) ___________ район - км 230 - км 231 (спуск-подъем);
Прикрытие наиболее опасных участков автодорог осуществляют _____ пожарных частей ФПС, аварийно-спасательный отряд ___, ___ отдельных пожарно-спасательных постов.
Расстояние от места дислокации пожарно-спасательных и аварийно-спасательных формирований до опасных участков автодорог на территории муниципальных образований составляет от 1 км до 15 км. Среднее время прибытия пожарно-спасательных и аварийно-спасательных формирований от места дислокации к месту ДТП составляет от 5 до 20 минут.
Для эвакуации тяжело пострадавших в ДТП спланировано применение авиационной техники (вертолет Bell 407), место базирования - __________.
За безопасностью дорожного движения в суточном режиме осуществляют контроль _____ человек и ___ ед. техники от территориального органа МВД России по __________ области.
Вблизи основных транспортных магистралей в пределах нормативного времени прибытия находятся _____ медицинских учреждений.
В дополнение к бригадам скорой медицинской помощи на базе: _______________ в круглосуточном режиме осуществляет дежурство штатной бригады врачей реаниматологов __________ территориального центра медицины катастроф. Дежурство осуществляется на специально оборудованных реанимационных автомобилях. Время прибытия к месту ДТП составляет от 5 до 20 мин.
Участки трасс федерального значения в границах _________ области обслуживается 2 организациями, имеющими тяжелую инженерную технику для расчистки трассы и ликвидации заторов (ОАО "_______", ООО "_______") численностью личного состава на дежурстве 74 человека, 54 ед. техники.
Для обеспечения бесперебойного движения на дорогах области в зимнее время созданы необходимые запасы антигололедных реагентов (пескосоляная смесь, чистые хлориды) в количестве _________ т.
Резерв финансовых ресурсов _____ области для ликвидации ЧС
составляет - _______ млн. рублей, органов местного самоуправления - _______ млн. рублей
На территории муниципальных образований, по территории которых проходят наиболее опасные участки дорог федерального и регионального значения имеются передвижные резервные источники питания в количестве - ________ ед., спланировано их обеспечение горюче-смазочными материалами из расчета их непрерывной работы не менее 3 суток, определен их порядок доставки в зону чрезвычайной ситуации.
Вдоль основных трасс с наиболее интенсивным движением на территории области на расположены стационарные кафе, гостиницы, автозаправочные станции.
Вывод:
Спланированных сил и средств для ликвидации чрезвычайных ситуаций, связанных с дорожно-транспортными происшествиями на дорогах области достаточно.
При возникновении ДТП на опасных участках дорог федерального и регионального значения возможно образование заторов в одну из сторон движения (обоих направлениях).
Затор в обоих направлениях не позволит оперативно организовать доставку необходимых сил и средств, материальных резервов.
Резкая смена температурного режима, установившиеся погодные условия, характеризующиеся гололедными явлениями затруднит проведение АСДНР. При интенсивных осадках и в условиях ограниченной видимости будет затруднено применение авиации.
В ходе ликвидации последствий чрезвычайной ситуации потребуется развертывание в месте мобильного пункта временного размещения населения, пунктов обогревов, питания и дозаправки. Необходимо привлечение инженерной техники для создания коридоров для проезда транспортных средств.
Имеющиеся силы и средства, резервы материальных средств, резервы финансовых средств, резервные источники питания, для выполнения мероприятий по ликвидации последствий аварийной ситуации позволяют своевременно начать и в установленные сроки провести аварийно-спасательные и другие неотложные работы.
В целях оперативной ликвидации последствий аварии, организации и проведения АСДНР, недопущению развития чрезвычайной ситуации, комиссия решила:
1. Ввести режим "Повышенная готовность" для органов управления и сил ТП РСЧС _______ области, установить региональный (межмуниципальный) уровень реагирования.
2. Главному управлению МЧС России по _________ области:
2.1. с __.___ __.___.2015 для контроля обстановки на территории области развернуть оперативный штаб ликвидации чрезвычайных ситуаций, организовать взаимодействие между спасательными службами области, силами и средствами по задачам, направлениям и времени. Обеспечить сбор, обобщение и представление данных об обстановке, а также подготовку предложений председателю КЧС и ОПБ на проведение АСДНР в случае возникновения ЧС;
2.2. с __.___ __.____ 2015 организовать работу телефона "горячей линии";
2.3. организовать работу оперативных групп местных гарнизонов пожарной охраны, на территории которых расположены опасные участки дорог федерального и регионального значения;
2.4. привести в готовность мобильные пункты обогрева;
2.5. обеспечить неукоснительное соблюдение требований пожарной безопасности в ПВР и на местах проведения работ по ликвидации ЧС.
3. Территориальному органу МВД России по _______ области:
3.1. обеспечить информирование водителей "дальних рейсов" об обстановке на дорогах на территории области;
3.2. усилить группировку территориального органа Госавтоинспекции МВД России, осуществляющую в круглосуточном режиме контроль за организацией дорожного движения;
3.3. организовать взаимодействие со службой дорожных комиссаров по реагированию на ДТП и информированию автовладельцев о складывающейся обстановке;
3.4. при возникновении чрезвычайных ситуаций, крупных ДТП и заторов на дорогах области:
обеспечить беспрепятственный пропуск аварийно-спасательных формирований к месту ЧС и организованный вывоз (вывод) населения из опасной зоны;
организовать движение транспортных средств по объездным путям.
4. Управлению дорог и транспорта области:
4.1. усилить группировку сил и средств, спланированных для проведения работ по зимнему содержанию дорог на территории области в круглосуточном режиме и обеспечить своевременную расчистку дорог и обработку их реагентами;
4.2. спланировать обеспечение выделяемой техники горюче-смазочными материалами, в том числе для ее работы в условиях низких температур;
4.3. спланировать организацию объездных путей (маршрутов движения) в обход основных дорог федерального и регионального значения;
4.4. организовать взаимодействие:
с _______ филиалом ГК "Автодор":
по расчистке федеральных трасс от гололеда, выделению тяжелой инженерной техники для эвакуации большегрузных автомобилей;
размещению информации о складывающейся обстановке, состоянии объездных путей, прогнозе погодных условий на информационных табло на участках федеральных трасс;
с _________ по выделению техники повышенной проходимости (вахтовые автобусы на шасси УРАЛ-3255, КАМАЗ 43114 и др.) для эвакуации населения из затора и доставки их в пункты временного размещения.
5. Управлению по делам печати, телерадиовещания и связи _______ области совместно с Главным управлением МЧС России по _______ области:
5.1. организовать через СМИ информирование населения о складывающейся обстановке, размещение достоверной информации о проводимых мероприятиях, а также информации рекомендательного характера;
5.2. Обеспечить постоянное представление в СМИ информации о функционировании телефона "горячей линии";
5.3. Для оперативного информирования населения использовать официальные сайты ГУ МЧС России по _______ области и администрации _______области, информационные агентства, телевизионные каналы, радиостанции.
6. Управлению здравоохранения области к __.__ __.__.2015:
6.1. привести силы и средства в готовность к оказанию медицинской помощи гражданам при возникновении ДТП, а также находящимся в заторах на дорогах области, при необходимости обеспечить их эвакуацию в ближайшие медицинские учреждения;
6.2. развернуть пункты оказания медицинской помощи в стационарных пунктах временного размещения населения.
7. Управлению потребительского рынка и ценовой политики _______ области:
7.1. спланировать развертывание подвижных пунктов питания в местах возникновения заторов, организовать питания населения в заторах, личного состава формирований, участвующих в ликвидации чрезвычайной ситуации;
8. Спасательной службе горюче-смазочных материалов _______ области:
8.1. Создать необходимый резерв ГСМ для проведения работ на месте ЧС и обеспечить своевременное его пополнение. Предусмотреть заправку техники, спланированной для ликвидации ЧС;
8.2. При возникновении заторов предусмотреть развертывание подвижных пунктов заправки по направлениям движения через каждые три километра в заторе.
9. _______ центру по гидрометеорологии и мониторингу окружающей среды - филиала "_______ управление по гидрометеорологии и мониторингу окружающей среды":
9.1. обеспечить непрерывный мониторинг складывающейся обстановки;
9.2. представлять информацию о погоде в ЦУКС МЧС России по _______ области через каждые два часа, а при резком ухудшении обстановки немедленно.
10. Управлению финансов администрации _______ области:
10.1. обеспечить в установленном порядке оперативное выделение денежных средств из резервного фонда администрации области по заявкам администраций муниципальных образований при возникновении чрезвычайных ситуаций.
11. Главам администраций муниципальных районов и городских округов области:
11.1. обеспечить своевременное введение для соответствующих органов управления и сил звеньев ТП РСЧС области режим функционирования "Повышенная готовность" и установление местного уровня реагирования;
11.2. организовать информирование населения области во взаимодействии с органами местного самоуправления соседних субъектов РФ (_______, _______, _______ области) об обстановке на автодорогах на территории муниципальных образований, плотности потоков дорожного движения на участках автотрасс и превентивное перераспределение (ограничение) потоков автомобильного движения;
11.3. поддерживать в готовности силы и средства для ликвидации последствий чрезвычайных ситуаций, связанных с дорожно-транспортными происшествиями, обеспечить расчистку и обработку реагентами дорог муниципального значения;
11.4. поддерживать на необходимом уровне резервы материальных и финансовых ресурсов для ликвидации чрезвычайных ситуаций;
11.5. привести в готовность созданные на территориях муниципальных образований пункты временного размещения пострадавшего населения;
11.5.1. предусмотреть бытовое обслуживание, обеспечения питанием размещаемого населения, охрану общественного порядка и медицинское обеспечение в ПВР.
11.5.2. пролонгировать необходимые договоры с собственниками объектов, на которых создаются пункты временного размещения, предприятиями и организациями спланированных для всестороннего жизнеобеспечения населения.
III. ОСНОВНЫЕ ВОПРОСЫ ВЗАИМОДЕЙСТВИЯ
Взаимодействие организовать в целях согласования усилий привлекаемых к проведению аварийно-спасательных и других неотложных работ органов управления, сил и средств Главного управления, функциональных и территориальной подсистемы РСЧС _______ области по задачам, месту, времени и способам действий.
Управлению дорог и транспорта области взаимодействие организовать:
с ГК "Росавтодор" (_______ филиал), ОАО "_______ ДСУ", "ООО Дорстрой-7", ООО "ДЭУ" по вопросам устранения затора и расчистки трассы;
с Управлением МВД России по области по организации охраны общественного порядка в районе чрезвычайной ситуации;
Главному управлению МЧС России по области взаимодействие организовать:
с органом исполнительной власти субъекта Российской Федерации в сфере охраны здоровья граждан и ТЦМК по вопросам оказания медицинской помощи пострадавшим в районах чрезвычайных ситуаций и пунктах временного размещения эвакуируемого населения;
со средствами массовой информации - по вопросам информирования населения о проводимых мероприятиях, требований безопасности.
с территориальным центром по гидрометеорологии и мониторингу окружающей среды по вопросам прогноза погоды, обмена информацией.
с филиалом ОАО "РосТелеком" по вопросам обеспечения связью руководителей и участников ликвидации чрезвычайной ситуации;
с Центром медицины катастроф области по вопросам медицинского и психологического обеспечения населения в зоне ЧС;
Взаимодействие организуется, прежде всего, в интересах подразделений, выполняющих главную задачу - локализацию источника ЧС.
При этом согласовываются:
порядок действий при вводе на участок (объекты) работ;
организация ликвидации или снижения до минимально возможного уровня факторов, препятствующих ведению спасательных работ;
порядок действий сил в сложных условиях обстановки;
порядок взаимодействия с силами и средствами ТП РСЧС области.
IV. ОСНОВНЫЕ ВОПРОСЫ ОРГАНИЗАЦИИ ВСЕСТОРОННЕГО ОБЕСПЕЧЕНИЯ
Разведка
Общую разведку осуществлять формированиями РСЧС и ГУ МЧС России по _______ области с __ __.__.2015 г.
Задачи:
сбор данных об обстановке;
определение возможных районов (объектов) возникновения ЧС;
доведение результатов разведки до руководителя ОШ ЛЧС и органов управления.
Противопожарное обеспечение
Организовать круглосуточное дежурство сотрудников государственного пожарного надзора в местах временного размещения населения;
Обеспечить неукоснительное соблюдение требований пожарной безопасности в ПВР и на местах проведения работ по ликвидации ЧС.
Инженерное обеспечение
Инженерное обеспечение организовать силами предприятий Елецкого района, имеющих на балансе инженерную технику ОАО "_______ ДСУ-3", _______, ООО "_______ 48"), а также силами ГК "Росавтодор" (_______). В целях создания коридора для ввода сил и средств ТП РСЧС и расчистки трассы и устранения затора;
Медицинское обеспечение
Органу исполнительной власти субъекта Российской Федерации в сфере охраны здоровья граждан организовать:
медицинское обеспечение населения, размещаемого в ПВР;
медицинское обеспечение личного состава сил РСЧС и населения в зоне ЧС;
снабжение медицинских организаций медикаментами, медицинским и санитарно-хозяйственным имуществом;
оказание экстренной и специализированной медицинской помощи пострадавшим в ЧС.
Материальное обеспечение
Материальное обеспечение за счет резервов материальных средств для ликвидации ЧС, созданных отраслевыми исполнительными органами государственной власти области, администрациями муниципального района. Задачи:
организовать бесперебойное снабжение органов управления и сил РСЧС техникой, имуществом, средствами связи, продовольствием, строительными и другими материалами;
обеспечение ГСМ техники в районе проведения работ.
Транспортное обеспечение
Транспортное обеспечение организовать начальнику управления дорог и транспорта
Задачи:
доставка сил РСЧС и их рабочих смен к местам работы и размещения;
доставка необходимых грузов и оборудования.
Организация охраны общественного порядка
Охрану общественного порядка организовать начальнику УМВД области.
Задачи:
организация и проведение мероприятий, направленных на поддержание общественного порядка и общественной безопасности, пресечение возможной паники среди населения;
обеспечение безопасности дорожного движения на автотрассах, на маршрутах выдвижения сил РСЧС;
информирование населения об изменениях обстановки и распоряжениях руководства с использованием автомобильных СГУ.
Информационное обеспечение
Начальнику управления по делам печати, телерадиовещания и связи области с целью пресечения домыслов и слухов организовать через СМИ информирование населения о сложившейся ситуации, освещение достоверной информации о произошедшем на территории области, а также информации рекомендательного характера.
Организовать информирование населения через СМИ во взаимодействии с информационными подразделениями заинтересованных федеральных органов исполнительной власти и других взаимодействующих структур. Обеспечить выход в эфир средств массовой информации только согласованной и проверенной информации и принимать меры по обеспечению защиты сведений, составляющих государственную и военную тайну, служебную информацию ограниченного распространения. Обеспечить постоянное представление в СМИ информации о функционировании телефона "горячей линии".
Для оперативного информирования населения использовать официальные сайты ГУ МЧС России по _______ области и администрации _______ области, информационные агентства: _______, социальные сети и блоги _______, телевизионные каналы _______, радиостанции _______________________.
В данной работе использовать светодиодные экраны населенных пунктов, бегущие строки в местах массового скопления людей.
Психологическое обеспечение:
Исходя из оценки складывающейся обстановки психологическую помощь пострадавшему населению при возникновении острых стрессовых реакций обеспечить силами штатных специалистов психологической службы Главного управления МЧС России по _______ области при взаимодействии со специалистами Управления социальной защиты населения области, а также силами специалистов - медицинских психологов ТЦМК.
Организовать психологическое сопровождение проводимых эвакуационных мероприятий и размещения людей в пунктах временного размещения. Предусмотреть круглосуточное дежурство психологов в пунктах временного размещения. Для этого сформировать резервную группу психологов из числа организаций территориальной подсистемы РСЧС области.
V. ОРГАНИЗАЦИЯ УПРАВЛЕНИЯ
Общее руководство действиями при угрозе возникновения, в ходе развития и в период ликвидации чрезвычайных ситуаций и их последствий, осуществляет КЧС _______ области.
Управление силами и средствами ТП и ФП РСЧС ________________ области организовать оперативным штабом КЧС и ОПБ ________________ области через ФКУ "ЦУКС ГУ МЧС России по ________________ области".
Управление силами и средствами, выделенными для проведения АСДНР, осуществлять через ФКУ "ЦУКС ГУ МЧС России по ________________ области" области, телефон (факс) и единые дежурно-диспетчерские службы муниципальных образований.
Непосредственно в районе ЧС через подвижный пункт управления и оперативные группы по действующим каналам телефонной сети общего пользования, радиосвязи и мобильных средств связи.
При передаче сил и средств в оперативное подчинение управление осуществлять через ФКУ "ЦУКС ГУ МЧС России по ________________ области", оперативные группы МГПО, ОГ Главного управления на технике ППУ.
Доклады о ходе проведения АСДНР представлять в оперативный штаб ликвидации ЧС ежечасно, в ЦУКС ЦРЦ МЧС России - в сроки, определенные табелем срочных донесений МЧС России. При резком изменении обстановки - немедленно установленным порядком.
Первый заместитель главы администрации области -
председатель КЧС и ОПБ
________________________________________________
Вариант Пояснительной записки
к решению комиссии по предупреждению и ликвидации
чрезвычайных ситуаций и обеспечению пожарной безопасности
администрации _______ района _______ области
Пояснительная записка
к решению комиссии по предупреждению и ликвидации
чрезвычайных ситуаций и обеспечению пожарной безопасности
администрации _______ района _______ области
_____. ____ 20__ г. N ______ г. _________
I. ВЫВОДЫ ИЗ ОЦЕНКИ ОБСТАНОВКИ
В соответствии с прогнозом ФГБУ "Гидрометцентр России" в период с __.__ __.__.20__ по __.__ __.__.20__ на территории _________ области прогнозируется прохождение прохождения арктического циклона с выпадением обильных осадков (до 300 мм) в виде дождя и мокрого снега. Температура воздуха: днем -3 +2 °C, ночью: -5 -10 °C Ветер северный с переходом на северо-восточный 10 - 15 м/с, с порывами до 25 м/с.
В период прохождения циклона на территории всей области прогнозируется образование гололедных явлений. Снижение видимости до 100 м. Прогнозируется увеличение количества ДТП, а также образование заторов на автодорогах области. Наиболее опасные участки автодорог на территории района:
"М" - __ "__" (Основное направление):
1) ______ район - км 357 (спуск-подъем с затяжным поворотом);
2) ______ район - км 380 (затяжной поворот);
3) ______ район - км 413 (затяжной поворот).
Прикрытие наиболее опасных участков автодорог осуществляют __ пожарных частей ФПС, _____ отдельных пожарно-спасательных постов.
Расстояние от места дислокации пожарно-спасательных и аварийно-спасательных формирований до опасных участков автодорог на территории муниципальных образований составляет от 1 км до 15 км. Среднее время прибытия пожарно-спасательных и аварийно-спасательных формирований от места дислокации к месту ДТП составляет от 5 до 20 минут.
За безопасностью дорожного движения в суточном режиме на территории района осуществляют контроль __человек и __ ед. техники от территориального органа Госавтоинспекции МВД России по ________ области.
Вблизи участка федеральной трассы в пределах нормативного времени прибытия находятся медицинских ______ учреждений.
Участок трассы федерального значения в границах _______ района обслуживается 2 организациями, имеющими тяжелую инженерную технику для расчистки трассы и ликвидации заторов (ОАО "_____", ООО "_____") численностью личного состава на дежурстве 74 человека, 54 ед. техники.
Для обеспечения бесперебойного движения на дорогах области в зимнее время созданы необходимые запасы антигололедных реагентов (пескосоляная смесь, чистые хлориды) в количестве __________ т.
Резерв финансовых ресурсов __________ района для ликвидации ЧС составляет - __________ млн. рублей. На территории района имеются передвижные резервные источники питания в количестве - __________ ед., спланировано их обеспечение горюче-смазочными материалами из расчета их непрерывной работы не менее 3 суток, определен их порядок доставки в зону чрезвычайной ситуации.
Вдоль федеральной трассы на территории района расположены стационарные кафе, гостиницы, автозаправочные станции.
Вывод:
Спланированных сил и средств для ликвидации чрезвычайных ситуаций, связанных с дорожно-транспортными происшествиями на дорогах района достаточно.
При возникновении ДТП на опасных участках дорог федерального и регионального значения возможно образование заторов в одну из сторон движения (обоих направлениях).
Затор в обоих направлениях не позволит оперативно организовать доставку необходимых сил и средств, материальных резервов.
Резкая смена температурного режима, установившиеся погодные условия, характеризующиеся гололедными явлениями, затруднит проведение АСДНР. При интенсивных осадках и в условиях ограниченной видимости будет затруднено применение авиации.
В ходе ликвидации последствий чрезвычайной ситуации потребуется развертывание в месте мобильного пункта временного размещения населения, пунктов обогревов, питания и дозаправки. Необходимо привлечение инженерной техники для создания коридоров для проезда транспортных средств.
Имеющиеся силы и средства, резервы материальных средств, резервы финансовых средств, резервные источники питания, для выполнения мероприятий по ликвидации последствий аварийной ситуации позволяют своевременно начать и в установленные сроки провести аварийно-спасательные и другие неотложные работы.
В целях оперативной ликвидации последствий аварии, организации и проведения АСДНР, недопущению развития чрезвычайной ситуации, комиссия решила:
1. Ввести режим "Повышенная готовность" для органов управления и сил районного звена ТП РСЧС ______ области, установить местный уровень реагирования.
2. Привести в готовность к приему пострадавшего населения пункты временного размещения:
______________________________;
______________________________;
______________________________.
| | ИС МЕГАНОРМ: примечание. Нумерация пунктов дана в соответствии с официальным текстом документа. | |
2. отделу полиции ______ УМВД России по ______ области:
2.1. обеспечить информирование водителей "дальних рейсов" об обстановке на дорогах на территории области;
2.2. усилить группировку территориального органа Госавтоинспекции МВД России, осуществляющую в круглосуточном режиме контроль за организацией дорожного движения;
2.3. организовать взаимодействие со службой дорожных комиссаров по реагированию на ДТП и информированию автовладельцев о складывающейся обстановке;
2.4. при возникновении чрезвычайных ситуаций, крупных ДТП и заторов на дорогах области:
обеспечить беспрепятственный пропуск аварийно-спасательных формирований к месту ЧС и организованный вывоз (вывод) населения из опасной зоны;
организовать движение транспортных средств по объездным путям.
3. ООО "Районный коммунальщик":
3.1. Усилить группировку сил и средств, спланированных для проведения работ по зимнему содержанию дорог на территории района в круглосуточном режиме и обеспечить своевременную расчистку дорог и обработку их реагентами;
3.2. Спланировать обеспечение выделяемой техники горюче-смазочными материалами, в том числе для ее работы в условиях низких температур;
3.3. Спланировать организацию объездных путей (маршрутов движения) в обход основных дорог федерального и регионального значения;
4. Территориальный центр медицины катастроф
4.1. Привести силы и средства в ТЦМК и ГУЗ "Районная больница" в готовность к оказанию экстренной медицинской помощи гражданам при возникновении ДТП, а также находящимся в заторах на дорогах области, при необходимости обеспечить их госпитализацию в ГУЗ "Районная больница"
4.2. Развернуть пункты оказания медицинской помощи в стационарных пунктах временного размещения населения.
5. ООО "Вкусная еда":
5.1. Спланировать развертывание подвижных пунктов питания в местах возникновения заторов, организовать питания населения в заторах, личного состава формирований, участвующих в ликвидации чрезвычайной ситуации;
6. Отделу финансов администрации __________ района:
6.1. Обеспечить в установленном порядке оперативное выделение денежных средств из резервного фонда района при возникновении чрезвычайных ситуаций.
Первый заместитель главы администрации района -
председатель КЧС и ОПБ
_______________________________________________
АДМИНИСТРАЦИИ _________ ОБЛАСТИ (РАЙОНА)
"Об организации питания пострадавшего населения"
Комиссия по предупреждению и ликвидации чрезвычайных ситуаций
и обеспечению пожарной безопасности
(органа исполнительной власти субъекта, органа местного самоуправления)
РАСПОРЯЖЕНИЕ
от "__" __________ 20__ г. г. ________ N ________
Об организации питания пострадавшего населения
В результате прошедшего "__" ________ 20__ г. обильного снегопада в г. ________ образовалось ________ автомобильных заторов на дорогах общего пользования на территории __________ муниципальных образований. В автомобильном заторе находится _______ единиц техники и ___ человек, в т.ч. детей более _____ человек. Нарушено электро и водоснабжение придорожных столовых и ресторанов. В связи с происшедшим возникла острая необходимость в обеспечении горячим питанием и сухими пайками пострадавшего населения. Исходя из сложившейся обстановки и в целях организации нормированного питания пострадавшего населения, а также специалистов аварийно-спасательных формирований и других подразделений, участвующих в ликвидации последствий обильного снегопада и оказании помощи пострадавшим, комиссия по предупреждению и ликвидации чрезвычайных ситуаций и обеспечению пожарной безопасности ________.
РЕШИЛА:
1. Начальнику (представитель администрации):
С "__" _________ 20__ г. развернуть пункт питания пострадавшего населения на пункте обогрева по адресу: _____________ ______ км __________ шоссе.
В соответствии с имеющимся ассортиментом продуктов, установить нормы обеспечения пострадавшего населения и лиц, принимающих участие в ликвидации чрезвычайной ситуации и оказании помощи пострадавшим в соответствии с Приложениями N __. Питание организовать в соответствии с установленными нормами снабжения.
Из пункта питания (в случае необходимости, если развернуты дополнительные палаточные лагеря на автомобильной трассе) организовать доставку горячего питания и сухих пайков в лагеря временного проживания по адресу _______.
Приготовление пищи, доставку ее автотранспортом в пункты обогрева организовать в соответствии с требованиями санитарных норм и правил.
В соответствии со списками на довольствие ставить водителей автомобилей, которым по результатам обследования Межведомственной комиссией присвоена 4 степень тяжести проходимости по автомобильной трассе.
Обеспечение питанием пострадавших осуществлять до особого распоряжения комиссии по предупреждению и ликвидации чрезвычайных ситуаций и обеспечению пожарной безопасности
2. Контроль за исполнением настоящего распоряжения оставляю за собой.
Председатель комиссии по ЧС и ОПБ
_________________________________
АДМИНИСТРАЦИИ ОБЛАСТИ __________ (РАЙОНА)
"Об организации заправки автомобильной техники"
Комиссия по предупреждению и ликвидации чрезвычайных ситуаций
и обеспечению пожарной безопасности
(органа исполнительной власти субъекта, органа местного самоуправления)
РАСПОРЯЖЕНИЕ
от "__" __________ 20__ г. г. ________ N ________
Об организации заправки автомобильной техники
В результате прошедшего "__" _______ 20__ г. обильного снегопада в г. ________________ образовалось _____________ автомобильных заторов на дорогах общего пользования на территории __________ муниципальных образований. В автомобильном заторе находится __ единиц техники и __ человек, в т.ч. детей более _____ человек. Нарушено электро- и водоснабжение придорожных столовых и ресторанов. В связи с происшедшим возникла острая необходимость в обеспечении автомобильным топливом автотранспорта, оказавшегося в заторах, участвующего в проведении АВР. Исходя из сложившейся обстановки и в целях организации заправки автомобильной техники находящейся в заторе, а также техники аварийно-спасательных формирований и других подразделений, участвующих в ликвидации последствий обильного снегопада и оказании помощи пострадавшим, комиссия по предупреждению и ликвидации чрезвычайных ситуаций и обеспечению пожарной безопасности ___________.
РЕШИЛА:
1. Начальнику (представитель администрации):
С "__" ________ 20__ г. развернуть пункт заправки техники на пункте обогрева по адресу: _________ _____ км _________ шоссе.
В соответствии с имеющимся ассортиментом автомобильного топлива, нормы обеспечения автомобильной техники, попавшей в затор и техники, принимающей участие в ликвидации чрезвычайной ситуации и оказании помощи пострадавшим в соответствии с Приложениями N __. Заправку организовать в соответствии с установленными нормами снабжения.
Из пункта заправки организовать доставку автомобильного топлива по адресу: _______.
В соответствии со списками на обеспечение, ставить водителей автомобилей, которым по результатам обследования Межведомственной комиссией присвоена 4 степень тяжести проходимости по автомобильной трассе.
Обеспечение автомобильным топливом автомобильной техники осуществлять до особого распоряжения комиссии по предупреждению и ликвидации чрезвычайных ситуаций и обеспечению пожарной безопасности
2. Руководителю нефтебазы (АЗС) ________ организовать выдачу автомобильного топлива в ассортименте __________
3. Контроль за исполнением настоящего распоряжения оставляю за собой.
Председатель комиссии по ЧС и ОПБ
_________________________________
СОЗДАНИЕ И ФУНКЦИОНИРОВАНИЕ ПУНКТОВ ОБОГРЕВА И ПИТАНИЯ
1. Определение, цель и задачи пункта обогрева и питания
Пункт обогрева и питания - это временно создаваемый пункт на федеральных, региональных автомобильных дорогах и дорогах местного значения, на которых могут возникать заторы в период неблагоприятных погодных явлений, схода лавин, селей, предназначенный для создания и поддержания необходимых условий для сохранения жизни и здоровья граждан, транспортные средств которых не могут продолжать движение, а также для размещения и работы оперативных групп МЧС России, территориальных органов (органов местного самоуправления) и других групп, предназначенных для контроля за обстановкой на данном участке автомобильной дороги, организации взаимодействия и управления с территориальными и функциональными подсистемами РСЧС и контроля за выполнением мероприятий по жизнеобеспечению граждан.
Цели создания пункта обогрева и питания:
создание и поддержание необходимых условий для сохранения жизни и поддержания здоровья граждан;
оказание помощи транспортным средствам, неспособным к дальнейшему движению по маршруту;
размещение оперативных групп МЧС России, территориальных органов и других ответственных лиц, осуществляющих контроль обстановки на особо опасных участках автомобильных дорог федерального и регионального значения,
организация взаимодействия и контроля с территориальными и функциональными подсистемами РСЧС за выполнением мероприятий по оказанию первоочередной помощи пострадавших при крупных ДТП, образовании длительных заторов и чрезвычайных ситуаций на автомобильных дорогах федерального и регионального значения в период прогнозирования неблагоприятны погодных условий.
Задачи пунктов пункта обогрева и питания:
оказание медицинской и психологической помощи пострадавшим;
бесперебойное обеспечение пострадавших горячей пищей и предметами первой необходимости;
оказание помощи водителям в проведении мелкого ремонта, дозаправки или буксировки транспортных средств:
прием, регистрация и первоочередное жизнеобеспечение водителей и пассажиров автотранспорта;
организация доставки пострадавших в медицинские учреждения или учреждения здравоохранения, пункты временного размещения и т.д.;
представление информации в комиссию по предупреждению и ликвидации чрезвычайных ситуаций и обеспечению пожарной безопасности субъекта РФ, муниципального образования о количестве принятого пострадавшего населения.
2. Порядок создания пункта обогрева и питания
Пункты обогрева и питания создаются и оснащаются с учетом наличия и особенностей сложной дорожно-транспортной инфраструктуры, опасных участков дорог, вероятностью схода лавин, селей, подтоплением мостов, наличием автомобильных дорог федерального и регионального значения и т.д.
Рекомендуется создание по одному пункту обогрева и питания в каждом муниципальном образовании, на территории которого риск возникновения крупного ДТП, происшествия, длительного затора наиболее вероятен.
Органами исполнительной власти субъекта РФ принимается нормативно-правовой акт о создании пункта обогрева и питания, в котором указывается: организация, на базе которой создается пункт; назначается начальник (старший) и личный состав пункта; определяются организации (руководители), отвечающие за комплектацию и готовность пункта к развертыванию;
указывается комплектация пункта, номенклатура продовольствия, предметов первой необходимости и медицинской помощи в объемах обоснованных с учетом риска возникновения происшествия (чрезвычайной ситуации), пропускной способности дороги, наличия стационарных пунктов питания и обогрева, паспорта территории и других условий;
порядок финансирования (возмещения расходов) - из резервных фондов материальных и финансовых ресурсов муниципального района.
Пункты обогрева и питания создаются службой торговли и питания, транспортной службой спасательной службы гражданской обороны муниципального образования на базе организаций, привлекаемых для обеспечения питанием, предметами первой необходимости и обогрева пострадавшего населения при возникновении чрезвычайных ситуаций и оснащаются техникой, оборудованием, снаряжением, автомобильным транспортом, обеспечивающим своевременную организацию питания и обогрева.
3. Порядок проверки готовности и развертывания
пункта обогрева и питания
При прогнозировании неблагоприятных погодных условий, комиссия по предупреждению и ликвидации чрезвычайной ситуации и обеспечения пожарной безопасности муниципального образования отдает распоряжение на проверку готовности пункта, укомплектованности личным составом, автотранспортом, продовольствием, необходимым оборудованием и инвентарем. При необходимости проводится развертывание пункта обогрева и питания или отдельных элементов пункта, с целью проверки готовности и своевременного устранения возможных недостатков. Службой торговли и питания, а также другими организациями, привлекаемых для обеспечения питания, предметами первой необходимости, проводится работа по уточнению необходимого количества продовольствия и предметов первой необходимости и порядок доставки.
При большой прогнозируемой численности пострадавшего в ЧС населения, комиссия по предупреждению и ликвидации чрезвычайной ситуации и обеспечения пожарной безопасности муниципального образования принимает решение и отдает распоряжение на развертывание пункта обогрева и питания.
Для доставки имущества и личного состава пункта обогрева и питания к месту развертывания транспортная служба муниципального образования выделяет автотранспорт, а также при необходимости направляет автобусы и инженерную технику.
Время развертывания пункта обогрева и питания не должно превышать 4 часов.
Для покрытия дефицита продовольствия и предметов первой необходимости предусматривается использование в первую очередь из товарных ресурсов предприятий торговли и массового питания, расположенных в зоне чрезвычайной ситуации.
Для контроля за обстановкой, управления и взаимодействия с территориальными и функциональными подсистемами РСЧС, контроля за выполнением мероприятий по жизнеобеспечению граждан задействуются оперативные группы: гарнизонов пожарной охраны, ЦУКС и ГУ МЧС России по субъектам РФ.
По заявкам органов исполнительной власти субъектов РФ в составе работы пунктов обогрева и питания дополнительно могут быть задействованы силы и средства региональных центров МЧС России: авиационно-спасательные центры, спасательные воинские и поисково-спасательные формирования.
4. Виды, штат и состав пункта обогрева и питания
4.1. Виды пункта обогрева и питания
В зависимости от сложившейся ситуации и особенности местности, пункт обогрева и питания может разворачиваться в следующих видах: стационарный, мобильный, подвижный.
Стационарный - разворачивается на базе стационарных зданий и сооружений, находящихся вдоль автодорог (автозаправочные и гостиничные комплексы, мотели, места отдыха и стоянок большегрузных автомобилей).
Мобильный - с использованием имеющихся мобильных средств (палатки, пневмокаркасные модули).
Подвижный - на базе автобусов или специализированных автомобилей повышенной проходимости.
4.2. Штат пункта обогрева и питания
Штат администрации пункта обогрева зависит от численности принимаемого населения и предназначен для организованной, бесперебойной и круглосуточной работы по приему и размещению водителей и пассажиров автотранспорта, оказавшихся в заторах на дорогах федерального, регионального и местного значения, а также снабжения их предметами первой необходимости, водой и питанием.
Пункты обогрева и питания, развертываемые подразделениями МЧС России, включают:
места работы администрации пункта обогрева и питания (количество л/с пункта обогрева формируется из специфики решаемых задач);
места размещения пострадавшего населения;
необходимое количество грузовых автомобилей для перевозки имущества;
не менее двух палаток (пневмокаркасных модулей) со средствами обогрева (печки, тепловые обогреватели);
автономный источник питания с запасом топлива на 3 суток;
места для организации приема пищи, с запасом воды 100 л;
места отдыха администрации пункта;
место для оказания медицинской помощи;
комната матери и ребенка;
место для организации дежурства и размещения средств связи;
умывальник;
туалет (отхожее место);
запас топлива для средств обогрева на 3 суток.
Примерный штат пункта обогрева и питания на 50 - 100 человек состоит:
начальник пункта обогрева и питания - 1 чел.;
заместитель начальника пункта обогрева - 1 чел.;
начальник транспортной службы - 1 чел.;
специалист по сбору и обобщению поступающей информации - 1 чел.;
специалисты охраны общественного порядка - 2 чел.;
начальник службы паспортного режима - 1 чел.;
паспортист-учетчик - 2 чел.;
специалисты комплектования, отправки и сопровождения - 4 чел.; повар - 2 чел;
начальник медицинской службы - 1 чел.
Все лица, входящие в штат администрации пункта обогрева, должны пройти теоретическую подготовку и практическую тренировку.
4.3. Состав и укомплектованность пункта обогрева и питания
Стационарный и мобильный пункт обогрева и питания имеет одинаковую штатную численность и должен состоять из следующих элементов с рекомендуемым перечнем необходимого имущества:
1. Место для организации дежурства, регистрации пострадавших и размещения средств связи
1. Стол - 3 шт.
2. Вешалка напольная для одежды - 1 шт.
3. Стул - 6 шт.
4. Канцелярский набор - 1 шт.
5. Журнал регистрации пострадавших - 1 шт.
6. Справочная информация.
7. Обогреватель электрический - 1 шт.
8. Зарядки для различных типов телефонов.
9. Комплекс внутреннего освещения - 1 шт.
10. Удлинитель со свободными розетками - 1 шт.
11. Ведро для мусора - 1 шт.
12. Сейф для хранения ценных вещей - 1 шт.
13. Радиостанции на дежурную смену.
2. Место работы администрации (место проведения совещаний)
1. Стол - 4 шт.
2. Вешалка напольная для одежды - 1 шт.
3. Стул - 8 шт.
4. Канцелярский набор - 1 шт.
5. Справочная информация.
6. Обогреватель электрический - 1 шт.
7. Комплекс внутреннего освещения - 1 шт.
8. Ведро для мусора - 1 шт.
9. Оборудование для организации ВКС.
3. Место отдыха администрации пункта
1. Кровати (раскладушки), заправленные с подушками и матрасом, исходя из численности дежурной смены.
2. Обогреватель электрический - 1 шт.
3. Комплекс внутреннего освещения - 1 шт.
4. Тумбочка прикроватная - 1 шт.
5. Вешалка напольная для одежды - 1 шт.
6. Удлинитель со свободными розетками - 1 шт.
7. Ведро для мусора.
8. Телевизор - 1 шт.
4. Место хранения продуктов питания
1. Стол - 3 шт.
2. Стеллаж - 1 шт.
3. Коробки с надписью: крупы, консервы, сахар и т.д.
4. Комплекс внутреннего освещения - 1 шт.
5. Запас воды не менее 100 л.
6. Холодильник (по возможности).
7. Кухонная посуда (ножи, разделочные доски, половник, одноразовые перчатки, фартук для повара, колпак и т.д.)
8. Ведро для мусора.
9. Кухня прицепная (модель исходя из расчета вместимости пункта).
5. Место для организации приема пищи
1. Стол - 4 шт.
2. Стул (скамейки) на 8 - 10 человек.
3. Скатерти на стол - 4 шт.
4. Комплекс внутреннего освещения - 1 шт.
5. Обогреватель электрический - 1 шт.
6. Удлинитель со свободными розетками - 1 шт.
7. Одноразовая посуда.
8. Электрический чайник - 1 шт.
9. Чай, кофе, сахар, одноразовая посуда, бутерброды, хлеб.
10. Микроволновая печь - 1 шт.
11. Ведро для мусора - 1 шт.
12. Рукомойник с теплой водой - 1 шт.
13. Средства личной гигиены.
6. Место оказания медицинской и психологической помощи
1. Стол - 2 шт.
2. Холодильник для медикаментов - 1 шт.
3. Кушетка - 1 шт.
4. Тонометр, градусник, необходимый запас медикаментов и перевязочных материалов.
5. Комплекс внутреннего освещения - 1 шт.
6. Обогреватель электрический - 1 шт.
7. Стул - 4 шт.
8. Оборудование психолога.
9. Ведро для мусора - 1 шт.
10. Удлинитель со свободными розетками - 1 шт.
7. Место размещения матери и ребенка
1. Комплекс внутреннего освещения - 1 шт.
2. Обогреватель электрический - 1 шт.
3. Столик для пеленания - 1 шт.
4. Игрушки для детей.
5. Смесь для детского питания разного возраста не менее 6 банок.
6. Горшок детский - 2 шт.
7. Настольные игры.
8. Подгузники детские, туалетная бумага, влажные салфетки.
10. Ведро для мусора - 1 шт.
11. Стол - 1 шт.
12. Стул - 1 шт.
13. Кушетка (кровать) - 1 шт.
14. Телевизор или ноутбук для просмотра мультфильмов и детских передач.
15. Удлинитель со свободными розетками - 1 шт.
8. Место для размещения пострадавших
1. Кровати (раскладушки), заправленные с подушками и матрасом, исходя из численности, на которую создан пункт.
2. Обогреватель электрический - 1 шт.
3. Комплекс внутреннего освещения - 1 шт.
4. Тумбочка прикроватная - 1 шт.
5. Вешалка напольная для одежды - 1 шт.
6. Удлинитель со свободными розетками - 1 шт.
7. Ведро для мусора.
8. Телевизор - 1 шт.
9. Место хранения и выдачи продовольствия, вещевого имущества и других жизненно важных мат. средств
1. Стеллаж - 2 шт.
2. Стол - 2 шт.
3. Комплекс внутреннего освещения - 1 шт.
4. Вещевое имущество.
5. Продукты питания.
6. Технические средства службы горючего (КС-20, КС-10).
7. Средства гигиены.
8. Тросы, устройство для зарядки АКБ, цепи на колеса различных диаметров и т.д.
Вариант
размещения пункта обогрева и питания
на базе гостиничного комплекса
Мобильный пункт обогрева и питания развертывается на базе палаточного лагеря на опасных участках, где отсутствует стационарная инфраструктура (автозаправочные, гостиничные комплексы, мотели и т.д.).
Особенностью мобильных пунктов обогрева и питания является автономная работа самого пункта в полевых условиях.
Идеальным решением задачи по приготовлению и приему пищи в мобильном пункте обогрева и питания является наличие модуля "столовая-кухня" МПУ.06., который совмещает в себе функции
4 и
5 элементов пункта.
Туалеты (биотуалеты) для мужчин и женщин должны быть отдельными.
Биотуалеты с объемом на 21 л устанавливаются из расчета 20 чел. в день на 1 биотуалет.
Рисунок. Модуль "столовая-кухня" МПУ.06. в составе:
1 - кабина для мойки продуктов; 2 - душ-смеситель; 3 - ванна
односекционная; 4 - шкаф для одежды; 5 - накопительный бак
для воды; 6 - посудомоечная машина; 7 - электронагреватель
воды; 8 - аптечка; 9 - производственная напольная
раковина; 10 - полочка; 11 - рабочий стол-вставка;
12 - полка настенная для посуды; 13 - полка навесная;
14 - электрообогреватель (3 шт.); 15 - стул (2 шт.);
16 - спинка сидений (2 шт.); 17 - откидное сиденье (4 шт.);
18 - стол обеденный; 19 - рундук с сиденьем (2 шт.);
20 - полка для спальных принадлежностей (2 шт.);
21 - огнетушитель (2 шт.); 22 - перегородка с дверью;
23 - кондиционер; 24 - раздаточная полочка; 25 - полка
навесная; 26 - стол с охлаждаемым шкафом; 27 - плита 4-х
конфорочная; 28 - шкаф духовой; 29 - вытяжной зонт
с вентилятором; 30 - кухонный комбайн; 31 - стол
разделочный; 32 - полка настенная для разделочных
досок; 33 - полка настенная; 34 - СВЧ-печь
Дополнительно к элементам стационарного вида, мобильный пункт обогрева и питания должен иметь:
туалет (пластиковый или деревянный) - 2 шт.;
рукомойники с горячей водой;
бензогенератор;
запас топлива для кухни и генератора не менее 3 суток;
бирки с названием элемента на каждую палатку (модуль);
эмблемы на палатки в соответствии с Женевской конвенцией;
средства пожаротушения (пожарный щит);
флаги с символикой МЧС;
указатели или баннеры с информацией о развернутом пункте обогрева и питания для водителей.
Модуль жилой и коммунально-бытовой зон функционально должен состоять из: жилых помещений (зданий), а также помещений (зданий) вещевых складов, умывальников, душевых, туалетов и мусоросборников. Допускается размещение умывальников, душевых и мусоросборников вне помещений (зданий) коммунально-бытовой зоны.
Мусоросборники следует устанавливать из расчета один металлический контейнер емкостью 50... 100 л с плотно закрывающейся крышкой на 30 человек. Для вывоза фекалий из туалетов и мусора из мусоросборников следует предусмотреть к ним подъездные пути.
Варианты размещения мобильного пункта обогрева и питания
Примерная схема размещения мобильного пункта
обогрева и питания
Подвижный пункт обогрева и питания создается на базе транспортных средств, имеющих возможность подъезда к месту затора или ЧС.
Основной задачей является обогрев и обеспечение пострадавших и личного состава аварийно-спасательных формирований, задействованного в ликвидации чрезвычайной ситуации, первой медицинской помощью и горячим чаем (кипятком), продуктами питания (сухим пайком), а также эвакуация пострадавших.
Горячую пищу приготавливают в стационарных условиях столовых, кафе и доставляет ее к месту чрезвычайной ситуации в термосах и других емкостях, пригодных для хранения и транспортировки.
Подвижный пункт обогрева и питания имеет примерный штат:
- начальник пункта обогрева и питания - 1 чел.;
- ответственное лицо за регистрацию и учет населения - 1 чел.;
- раздатчик чая, горячей пищи - 1 чел;
- психолог - 1 чел;
- бригада скорой медицинской помощи на своем автомобиле.
Примерное обеспечение:
- автомобиль повышенной проходимости (автобус) - 1 - 2 ед.;
- термос (36 л) - 3 шт.;
- походная кухня - 1 шт.;
- раздаточный стол - 2 шт.;
- посуда одноразовая - 250 компл.;
- газовая плита с баллоном (электроплита) - 1 шт.;
- другое необходимое оборудование.
Для бесперебойной работы пункта обогрева и питания организуется в тесном взаимодействии с экипажами территориального органа Госавтоинспекции МВД России, службой дорожных комиссаров, бригадами скорой медицинской помощи, а также с привлечением инженерной и другой необходимой техники, организаций и служб.
Для обеспечения подъезда, доставки материальных средств и эвакуации пострадавших может применяться специальная техника (квадроциклы, снегоходы, болотоходы и др.).
4.4. Порядок финансирования (возмещение расходов)
Виды чрезвычайных ситуаций в зависимости от количества людей, пострадавших в этих ситуациях, у которых оказались нарушены условия жизнедеятельности, от размера материального ущерба, а также от границы зон распространения поражающих факторов чрезвычайных ситуаций, определены
постановлением Правительства Российской Федерации от 21 мая 2007 г. N 304 "О классификации чрезвычайных ситуаций природного и техногенного характера".
При возникновении муниципальной (межмуниципальной) чрезвычайной ситуации ее ликвидация осуществляется силами и средствами органов местного самоуправления. Восполнение ресурсов резервного фонда производится из бюджета органа местного самоуправления.
При недостаточности финансовых и материальных ресурсов местных резервов, органы местного самоуправления в установленном порядке обращаются за помощью к органам исполнительной власти субъекта. В случае принятия положительного решения об оказании помощи органам местного самоуправления выделяются материальные ресурсы из областного резерва. По окончании ликвидации чрезвычайной ситуации органы местного самоуправления должны представить отчетные документы обоснованного использования финансовых и материальных средств.
Порядок финансирования (возмещение расходов) при применении подвижных пунктов осуществляется за счет резервных фондов, создаваемых на ликвидацию чрезвычайных ситуаций из средств местных бюджетов органами местного самоуправления, из средств областного бюджета органами исполнительной власти.
Восполнение резервов материальных ресурсов, израсходованных для ликвидации чрезвычайной ситуации, осуществляется органом, создавшим этот резерв, и осуществляется в соответствии с Федеральным
законом от 21.12.1994 N 68-ФЗ "О защите населения и территорий от чрезвычайных ситуаций природного и техногенного характера",
Постановления Правительства Российской Федерации от 10.11.1996 N 1340 "О порядке создания и использования резервов материальных ресурсов для ликвидации природного и техногенного характера".
Объем и структура восполняемых материальных ресурсов должны соответствовать израсходованным при ликвидации чрезвычайной ситуации, если нет иного решения органа, издавшего распоряжение о выпуске материальных ресурсов из резерва. Объемы финансирования мероприятий по восполнению материальных ресурсов резервов включаются в стоимость работ по ликвидации чрезвычайной ситуации.
С целью отчетности и обоснованного использования материальных ресурсов резервного фонда личный состав подвижного пункта должен вести отчетную документацию по оказанию помощи пострадавшему населению.
4.5. Резерв материальных ресурсов
Резервы финансовых и материальных ресурсов для ликвидации чрезвычайных ситуаций природного и техногенного характера создаются в соответствии с Федеральным
законом от 21.12.1994 N 68-ФЗ "О защите населения и территорий от чрезвычайных ситуаций природного и техногенного характера" в Российской Федерации.
Порядок создания резервов материальных ресурсов для ликвидации природного и техногенного характера необходимо определен постановлениями Правительства Российской Федерации от 10.11.1996
N 1340 "О порядке создания и использования резервов материальных ресурсов для ликвидации природного и техногенного характера", от 30.12.2003
N 794 "О единой государственной системе предупреждения и ликвидации чрезвычайных ситуаций" и от 21.05.2007
N 304 "О классификации чрезвычайных ситуаций природного и техногенного характера".
Материальные резервы создаются заблаговременно в целях экстренного привлечения необходимых средств в случае возникновения чрезвычайных ситуаций и включают продовольствие, пищевое сырье, вещевое имущество, товары первой необходимости, медицинское имущество, медикаменты, транспортные средства, средства связи, топливо и другие материальные ресурсы.
Резервы материальных ресурсов, прежде всего, предназначаются для использования на том уровне, к которому они относятся. Решение об использовании резервов материальных ресурсов по ликвидации чрезвычайных ситуаций принимает орган, создавший этот резерв.
При создании резервов материальных ресурсов следует предусмотреть закладку в резервный фонд осветительных и зарядных устройств (электростанций), биотуалетов, запасов топлива, для обеспечения работы не только подвижного пункта, но и с целью оказания помощи пострадавшему населению.
Рекомендуемые нормы обеспечения пострадавшего населения
1. Нормы обеспечения продуктами питания на одного человека
N п/п | Наименование продуктами | Единицы измерения | Количество |
1 | Хлеб из смеси ржаной обдирной из пшеничной муки 1 сорта | г/чел. в сутки | 250 |
2 | Хлеб белый из пшеничной муки 1 сорта | г/чел. в сутки | 250 |
3 | Мука пшеничная 2 сорта | г/чел. в сутки | 15 |
4 | Крупа разная | г/чел. в сутки | 60 |
5 | Макаронные изделия | г/чел. в сутки | 20 |
6 | Молоко и молокопродукты | г/чел. в сутки | 200 |
7 | Мясо и мясопродукты | г/чел. в сутки | 60 |
8 | Рыбы и рыбопродукты | г/чел. в сутки | 25 |
9 | Жиры | г/чел. в сутки | 30 |
10 | Сахар | г/чел. в сутки | 40 |
11 | Картофель | г/чел. в сутки | 300 |
12 | Овощи | г/чел. в сутки | 120 |
13 | Соль | г/чел. в сутки | 20 |
14 | Чай | г/чел. в сутки | 1 |
2. Нормы обеспечения населения предметами первой
необходимости (на одного человека)
N п/п | Наименование предметов | Единицы измерения | Количество |
1 | Миска глубокая | шт./ чел. | 1 |
2 | Ложка | шт./ чел | 1 |
3 | Кружка | шт./ чел | 1 |
4 | Мыло | г/чел./мес. | 200 |
5 | Моющие средства | г/чел./мес. | 500 |
6 | Постельные принадлежности | компл./чел. | 1 |
3. Нормы обеспечения вещевым имуществом на одного человека
N п/п | Материально-технические средства | Потребность на 1 чел | Ед. изм. | Потребность на 1 чел. на 3 сут. | Вместимость ПОиП (чел.) | Примечания |
125 | 250 | 500 | 1000 | 2000 |
| Потребность в постельных принадлежностях (по нормам) |
| Одеяло | 1 | шт. | 1 | 125 | 250 | 500 | 1000 | 2000 | |
| Матрас | 1 | шт. | 1 | 125 | 250 | 500 | 1000 | 2000 | |
| Подушка | 1 | шт. | 1 | 125 | 250 | 500 | 1000 | 2000 | |
| Комплект постельного белья (простыни 2 шт., наволочка, полотенце) | 2 | компл. | 1 | 125 | 250 | 500 | 1000 | 2000 | |
| Потребность в одежде, белье, обуви (на 6 мес.) |
| Одежда, белье, обувь для мужчин | | |
| Пальто, куртка | 1 | шт. | | 125 | 250 | 500 | 1000 | 2000 | |
| Костюм | 1 | шт. | | 125 | 250 | 500 | 1000 | 2000 | |
| Сорочка | 1 | шт. | | 125 | 250 | 500 | 1000 | 2000 | |
| Белье нательное (из 2-х предметов) | 1 | компл. | | 125 | 250 | 500 | 1000 | 2000 | |
| Носки | 1 | пара | | 125 | 250 | 500 | 1000 | 2000 | |
| Шапка | 1 | шт. | | 125 | 250 | 500 | 1000 | 2000 | |
| Обувь | 1 | пара | | 125 | 250 | 500 | 1000 | 2000 | |
| Перчатки или варежки | 1 | пара | | 125 | 250 | 500 | 1000 | 2000 | |
| Одежда, белье, обувь для женщин | | |
| Пальто, куртка | 1 | шт. | | 125 | 250 | 500 | 1000 | 2000 | |
| Платье, костюм | 1 | шт. | | 125 | 250 | 500 | 1000 | 2000 | |
| Белье нательное (из 2-х предметов) | 1 | компл. | | 125 | 250 | 500 | 1000 | 2000 | |
| Чулки | 1 | пара | | 125 | 250 | 500 | 1000 | 2000 | |
| Платок головной | 1 | шт. | | 125 | 250 | 500 | 1000 | 2000 | |
| Шапка вязаная | 1 | шт. | | 125 | 250 | 500 | 1000 | 2000 | |
| Обувь | 1 | пара | | 125 | 250 | 500 | 1000 | 2000 | |
| Перчатки или варежки | 1 | пара | | 125 | 250 | 500 | 1000 | 2000 | |
ПЛАН ПРИКРЫТИЯ АВТОМОБИЛЬНЫХ ДОРОГ
ГЛАВНОЕ УПРАВЛЕНИЕ МЧС РОССИИ ПО _________________ ОБЛАСТИ
ПЛАН
ПРИКРЫТИЯ АВТОМОБИЛЬНЫХ ДОРОГ НА ТЕРРИТОРИИ
_________________ ОБЛАСТИ
г. _________________
СОГЛАСОВАНО УТВЕРЖДАЮ
Первый заместитель главы администрации Начальник Главного управления МЧС
___________ области - председатель КЧС России ________________ по области
и ОПБ ________________________ области генерал-майор внутренней службы
____________ _________________________ ___________ ______________________
(подпись) (фамилия и инициалы) (подпись) (фамилия и инициалы)
"__" ___________________ 2015 г. "__" ___________________ 2015 г.
Начальник управления министерства Директор _________________ филиала
внутренних дел России по _____________ государственной компании
области генерал-майор полиции "Российские автомобильные дороги"
____________ _________________________ ___________ ______________________
(подпись) (фамилия и инициалы) (подпись) (фамилия и инициалы)
"__" ___________________ 2015 г. "__" ___________________ 2015 г.
Руководитель органа исполнительной Начальник ФКУ "ЧЕРНОЗЕМУПРАВТОДОР"
власти субъекта РФ в сфере охраны __________________________ области
здоровья граждан ____________ области
____________ _________________________ ___________ ______________________
(подпись) (фамилия и инициалы) (подпись) (фамилия и инициалы)
"__" ___________________ 2015 г. "__" ___________________ 2015 г.
ПЛАН
ПРИКРЫТИЯ АВТОМОБИЛЬНЫХ ДОРОГ
_____________________ ОБЛАСТИ
2015 год
1.1. Сведения о состоянии безопасности дорожного движения в _______ области
Автомобильный транспорт является важной составляющей экономики ___________ области. Ежегодно по территории области автомобильным транспортом перевозится большое количество различных грузов. В связи с ростом их перевозок, увеличением количества автомобильного транспорта и изношенностью основных дорожных фондов неуклонно возрастает количество дорожно-транспортных происшествий. Только в 2014 году на автодорогах области произошло ___________ дорожно-транспортных происшествий, в которых погибло ___________ человек и получили ранения ___________ человек. Наибольшее количество ДТП приходится на муниципальные районы, по территории которых проходит автодорога федерального значения:
"М" - "__" "______________" - ________________, __________________, муниципальный район;
Наиболее уязвимыми участками автомобильных дорог являются мостовые сооружения, железнодорожные переезды, пересечения с магистральными продуктопроводами, крутые подъемы, спуски и повороты.
Дорожно-транспортные происшествия с автомобильным транспортом на железнодорожных переездах области возникали в случаях неисправности автоматической сигнализации на переездах, по вине водителей автотранспорта.
Дорожно-транспортные происшествия, связанные с падением автомобиля с мостов, прибрежных автомобильных дорог в водоемы усугублялись следующими обстоятельствами: получение пострадавшими травм, исключающих их самостоятельное спасение; зажим пострадавших в деформированном транспорте; ледовая обстановка; низкая температура воды.
Дорожно-транспортные происшествия при падении автомобилей с крутых склонов имели тяжелые последствия, в основном приводили к гибели пострадавших, находившихся в кабине, салоне и кузове.
В 20__ году аварийно-спасательные формирования (подразделения) области активно реагировали на дорожно-транспортные происшествия. В целях ликвидации их последствий осуществлено ___________ выездов, в том числе: подразделениями пожарной охраны - ___________, дежурными сменами аварийно-спасательных служб ___________ области - ___________. Всего спасено ___________ человек, деблокирован ___________ человек, из них ___________ погибших.
1.2. Общая характеристика дорожной сети ___________ области.
Общая протяженность автомобильных дорог в области составляет
___________ км, в том числе с твердым покрытием ___________ км, грунтовые -
___________________ км. По территории области проходит автомобильная дорога
название автодороги
федерального значения М-______ "__" _____________________, ее протяженность
составляет ___________ км.
| | ИС МЕГАНОРМ: примечание. Нумерация пунктов дана в соответствии с официальным текстом документа. | |
1.1. Краткая характеристика автодорог федерального значения ___________ области
Условный номер дороги | Индекс автодороги | Наименование автодороги | Протяженность по территории области (км) | Ширина проезжей части (м) | Мостов, путепроводов (ед.) |
1 | 2 | 3 | 4 | 5 | 6 |
Автодороги федерального значения |
1. | "Дон" М 4, Е 115 | | | | |
Аварийно-опасными участками автомобильной дороги "__" М-___________ являются: Основное направление: 1) ____________ район - км __ (спуск-подъем с затяжным поворотом); 2) ___________ район - км __ (затяжной поворот);
3) _____________ район - км __ (затяжной поворот). Альтернатива: 4) район - км __ (спуск); 5) ___________________ район - км __ - км __ (спуск-подъем); 6) ________________ район - км __ (подъем); 7) ______________ район - км __ (спуск-подъем).
По автомобильным дорогам области за год перевозится:
1. | Опасных грузов | - ______________ | тонн |
2. | Взрывчатых веществ | - ______________ | т |
3. | АХОВ | - ______________ | т |
4. | ГСМ | - ______________ | т |
5. | Пожароопасных | - ______________ | т |
6. | Газа | - ______________ | т |
На автомобильных дорогах области ______________ мостов общей протяженностью ______________ погонных метров.
Перевозка опасных грузов автомобильным транспортом осуществляется через железобетонные мосты рек ______________ и ______________. В зону чрезвычайной ситуации могут попасть от ___ до ___ тыс. человек в зависимости от типа перевозимого опасного груза и места аварии. При разрушении одного или двух пролетов мостов через реку ______________ или ______________ движение по автомагистралям будет прервано на 2 - 3 суток.
1.3. Пояснительная записка
1.3.1. Цели, задачи мероприятий по ликвидации последствий дорожно-транспортных происшествий
При определении мероприятий по ликвидации последствий дорожно-транспортных происшествий (далее - ДТП) учитываются следующие особенности их совершения:
при столкновении, опрокидывании автомобиля;
на железнодорожных переездах;
в ходе перевозки опасных грузов;
при пожарах на автотранспорте;
при падении автомобилей с крутых склонов;
при падении автомобилей в водоемы.
Мероприятия по ликвидации последствий дорожно-транспортных происшествий проводятся в целях:
оказания помощи пострадавшим в ДТП;
проведения аварийно-спасательных работ на месте ДТП;
предотвращения возникновения (распространения) вторичных поражающих факторов, возникающих при ДТП;
создания условий для восстановления нормального функционирования участка дороги, в месте совершения ДТП, прилегающей территории и расположенных на этой территории объектов.
Основные задачи для органов управления территориальной и функциональных подсистем РСЧС _________ области являются:
Территориальный орган МВД России (подразделение Госавтоинспекции) по субъекту Российской Федерации
осуществление при необходимости распорядительно-регулировочных действий на месте затора и организация движения транспорта в объезд места дорожно-транспортного происшествия и проведения аварийно-спасательных работ;
принятие мер по спасению граждан, охране имущества и обеспечению охраны общественного порядка на месте происшествия;
оказание первой помощи пострадавшим;
оказание содействия в беспрепятственном проезде к месту происшествия автомобилей скорой помощи, а также транспортных средств иных аварийно-спасательных служб, задействованных в ликвидации последствий затора;
организация при необходимости доставки пострадавших в ближайшее медицинское учреждение;
оповещение участников дорожного движения о начале движения после ликвидации затора;
принятие мер к сохранности вещественных доказательств, следов, имущества и других предметов, имеющих отношение к дорожно-транспортному происшествию.
Органы, специально уполномоченные решать задачи по предупреждению и ликвидации ЧС (МЧС РФ)
организация, при необходимости, проведения специальной разведки и контроля за состоянием окружающей среды на месте ДТП;
организация, при необходимости, применения средств индивидуальной защиты, соблюдение режимов радиационной, химической и биологической безопасности;
привлечение необходимых сил и средств к ликвидации последствий ДТП (деблокирование и извлечение людей из поврежденного транспортного средства, оказание первой помощи пострадавшим и т.п.);
организация, при необходимости, проведения комплекса работ по специальной обработке (дегазации, дезактивации, демеркуризации, дезинфекции и др.) транспортных средств, места ДТП и прилегающей к нему территории, проведение мероприятий по локализации и ликвидации источников опасности; организация тушения локальных очагов возгорания и проведение первоочередных аварийно-спасательных работ.
Орган исполнительной власти субъекта Российской Федерации в сфере охраны здоровья граждан
обеспечивает организацию передачи информации о возникшей ЧС в ТЦМК и заинтересованные лечебные учреждения;
обеспечивает оказание экстренной медицинской помощи пострадавшим в догоспитальном м госпитальном периодах;
при наличии медицинских показаний организует проведение медицинской эвакуации пострадавших, в том числе с применением санитарной авиации.
Органы управления дорожно-строительных организаций
организация объезда места ДТП;
информирование участников дорожного движения о безопасных условиях движения на участках дорог, где произошло ДТП, а также путей объезда соответствующих происшествий;
Комплекс первоочередных мероприятий по ликвидации последствий дорожно-транспортных происшествий:
разведка и оценка обстановки;
поиск и деблокирование пострадавших, оказание им первой медицинской помощи;
локализация последствий дорожно-транспортных происшествий.
В случае дорожно-транспортных происшествий, связанных с перевозкой опасных грузов, дополнительно:
определение границ опасной зоны и ее ограждение;
локализация и ликвидация воздействия поражающих факторов;
обеспечение пострадавших средствами индивидуальной защиты и их эвакуация из опасной зоны;
контроль содержания опасных веществ в воздухе, воде и почве.
1.3.2. Состав сил и средств, привлекаемых для ликвидации последствий дорожно-транспортных происшествий
С целью повышения эффективности ликвидации последствий ДТП, оказания помощи пострадавшим автомобильные дороги федерального значения определяются зоны обслуживания
(Приложение 1).
В ликвидации последствий ДТП участвуют:
подразделения Государственной противопожарной службы ГУ МЧС России по ______________ области,
отдельные пожарно-спасательные посты АСО Г(О)БУ "Управление ГПСС ______________ области",
подразделения УМВД России по ______________ области (дежурные части, следственно-оперативные группы,
территориальные (местные) подразделения Госавтоинспекции МВД России, подразделения дорожно-патрульной службы)
(Приложение 3);
силы и средства территориальной подсистемы РСЧС.
Силы и средства других министерств и ведомств (ФСБ, Минобороны и др.) могут дополнительно привлекаться к ликвидации последствий, в зависимости от характера и масштаба ДТП
(Приложение 6);.
1.3.3. Организация реагирования при получении сигнала о ДТП
1.3.3.1. Система донесений, оповещения, связи и взаимного обмена информацией подразделений взаимодействующих экстренных служб, участвующих в ликвидации последствий ДТП.
Старший прибывший пожарно-спасательных и других подразделений в вышестоящие органы управления, в зависимости от характера деятельности подразделения, представляются доклады и донесения:
1) Первичные данные по ДТП;
2) Об организации работ по ликвидации последствий ДТП, объеме и ориентировочных сроках проведения мероприятий;
3) О ходе проведения работ по ликвидации последствий ДТП;
4) О состоянии и своевременном восполнении материально-технических ресурсов;
5) О завершении работ по ликвидации последствий ДТП.
При определении привлекаемых сил и средств учитывается масштаб, характер ДТП, возникновение поражающих факторов.
Оповещение органов управления, сил РСЧС, органов управления других ведомств и населения об угрозе радиационного и химического заражения производится установленным порядком. Оповещение доводится только до тех районов, населенных пунктов, воинских частей, различных учреждений и населения, которым угрожает опасность.
Развертывание системы связи и взаимного оповещения в месте совершения ДТП осуществляется поэтапно по мере прибытия участников ликвидации последствий, в соответствии с принятой структурой управления и с учетом защиты от возможных поражающих факторов. Руководство развертыванием и организацией связи осуществляет начальник соответствующего органа управления РСЧС по прибытии к месту ДТП. Для обеспечения управления используются радиостанции и громкоговорящие установки автомобилей связи и оповещения, а также носимые радиостанции и электромегафоны.
Организация связи должна обеспечивать: своевременное получение данных о характере и масштабе ДТП; непрерывное управление силами при выдвижении к месту совершения ДТП, в ходе организации и проведения работ по ликвидации его последствий.
1.3.3.2. Порядок действий при получении дежурно-диспетчерской службой сообщения о ДТП
Старший оперативный дежурный ФКУ "ЦУКС ГУ МЧС России по ______________ области" при получении сообщения о ДТП обязан:
уточнить место ДТП (участок автодороги, населенный пункт, улица), тип автомобилей, наличие погибших и пострадавших, требуется ли скорая помощь, есть ли зажатые в автомобилях, есть ли разлив топлива, какая помощь требуется, прервано движение по дороге или нет, возможные пути объезда, маршруты для проведения эвакуации и госпитализации;
сообщить об аварии дежурному территориального органа МВД России;
оповестить ЕДДС муниципального района, где произошло ДТП;
выслать на место аварии дежурное подразделение ПСС, если требуется деблокировать пострадавших, или пожарные подразделения, если они могут оказать помощь раньше или требуется смыв топлива;
организовать взаимодействие с дорожными службами, обслуживающими данный участок автодороги, службой аварийных комиссаров.
по возвращении спасательных подразделений или в территориальном органе Госавтоинспекции МВД России уточнить фамилии погибших и пострадавших, номера пострадавших транспортных средств.
Для аварий, попадающих под критерии ЧС (происшествие) дополнительно:
доложить информацию о произошедшем ДТП начальнику территориального органа МЧС России по ______________ области;
выслать на место ДТП оперативную группу МГПО, ОГ ЦУКС по ______________ области;
сообщить имеющуюся информацию оперативному дежурному территориального органа МВД России, УФСБ, прокуратуры и ответственному дежурному управления Госавтодорнадзора по области;
организовать взаимодействие с управлением Госавтодорнадзора по ______________ области, с приемной ПП Президента РФ по ______________ области, с ОД Г(О)БУ УГПСС по ______________ области, с ОД территориального органа МВД России по ______________ области, с ОД территориального органа Госавтоинспекции МВД России по области, с ОД ГУЗ "ЛОССМП и МК", с ОД прокуратуры по ______________ области, с приемной Роскомнадзора по области, с дорожными службами обслуживающими данный участок автодороги, с дежурным ООО "ОССП" служба аварийных комиссаров, с Главой администрации МО, с руководством объекта.
осуществить сбор информации о ходе ликвидации происшествия, лечебных учреждениях, куда отправлены пострадавшие и их состоянии.
1.3.3.3. Порядок реагирования дежурной смены пожарной охраны и аварийно-спасательных формирований при получении сигнала о ДТП.
Радиотелефонист ПЧ обязан:
уточнить место, время, количество пострадавших, масштаб и характер ДТП, наличие поражающих факторов;
доложить начальникам ПЧ и пожарно-спасательного подразделения; проконтролировать убытие пожарно-спасательного подразделения к месту ДТП;
обобщать поступающую информацию, обеспечивать ее доведение до руководящего состава ПЧ и вышестоящих органов управления.
Дежурный ПСС (ПСФ) обязан:
уточнить место, время, количество пострадавших, масштаб и характер ДТП, наличие поражающих факторов; доложить начальнику службы, начальнику дежурной смены; проконтролировать убытие дежурной смены к месту происшествия;
обобщать поступающую информацию, обеспечивать ее доведение до руководящего состава и вышестоящих органов управления.
1.3.3.4. Этапы проведения АСДНР при ликвидации последствий ДТП.
Аварийно-спасательные и другие неотложные работы по ликвидации последствий ДТП включают в себя:
прием и обработку сообщений о ДТП;
выезд и следование к месту совершения ДТП;
развертывание сил и средств, предназначенных для ликвидации последствий ДТП;
разведку места совершения ДТП;
поиск, спасание пострадавших в ДТП, оказание им первой медицинской помощи и эвакуацию их в близлежащие медицинские учреждения;
выполнение аварийно-спасательных и специальных работ по ликвидации последствий ДТП;
сбор и возвращение сил и средств к месту дислокации.
Прием и обработка вызовов осуществляется дежурным (дежурным диспетчером) аварийно-спасательного формирования, подразделения пожарной охраны. Обработка вызова должна быть завершена за возможно короткое время и не должна задерживать выезд и следование сил и средств к месту совершения ДТП.
Выезд и следование к месту совершения ДТП включают в себя сбор личного состава по сигналу "ТРЕВОГА" и его доставку на автомобилях и иных специальных транспортных средствах на место совершения ДТП.
При развертывании сил и средств и последующем проведении АСДНР для обеспечения безопасности участников ликвидации последствий ДТП, возможности маневрирования прибывающей специальной техникой и оборудованием, установки резервной специальной техники, оборудования и развертывания дополнительных объектов обеспечения АСДНР могут быть проведены необходимые действия по ограничению или запрещению доступа посторонних лиц на место совершения ДТП и движения транспорта на прилегающей территории. До прибытия соответствующих служб органов внутренних дел эти действия выполняются личным составом в порядке, определяемом руководителем ликвидацией последствий ДТП.
Разведка в месте совершения ДТП ведется непрерывно с момента прибытия и до ликвидации последствий. При этом устанавливается:
наличие и характер угрозы людям, их местонахождение, пути, способы и средства спасения (защиты), а также возможность защиты (эвакуации) имущества;
основные характеристики возможных поражающих факторов, обусловленных особенностями места совершения ДТП, степенью опасности перевозимых грузов;
возможность проявления вторичных поражающих факторов ДТП (возгорания транспортного средства, теплового воздействия пожара, угрозы новых столкновений поврежденного транспортного средства с другими, химического заражения и т.п.);
наличие в месте совершения ДТП объектов повышенной опасности (электроустановок под напряжением, взрывчатых, химических веществ и пр.), возможность и целесообразность их нейтрализации;
возможные пути ввода сил и средств для проведения АСДНР и иные данные, необходимые для выбора решающего направления действий;
необходимость оказания пострадавшим экстренной медицинской и психологической помощи;
достаточность сил и средств, привлекаемых к проведению АСДНР.
Спасание людей в ходе ликвидации последствий ДТП проводится с использованием всех возможных форм, способов и методов, а также технических средств, обеспечивающих наибольшую безопасность как пострадавших, так и участников проведения АСДНР. Место выполнения аварийно-спасательных работ делится на 3 зоны. В первой зоне (в радиусе 5 метров) находятся только спасатели, выполняющие работы по оказанию помощи пострадавшим. Во второй зоне (в радиусе 10 метров) располагаются остальные члены спасательной группы, которые обеспечивают готовность аварийно-спасательных средств к применению. В третьей зоне (в радиусе более 10 метров) находятся средства доставки спасателей к месту ДТП, средства освещения и ограждения, другие аварийные технические средства.
Если существует угроза жизни и здоровью людей, а также вероятность распространения этих факторов, то проводится эвакуация людей. Перемещение спасаемых людей в безопасное место осуществляется с учетом условий ликвидации последствий ДТП и состояния пострадавших. Защита спасаемых людей от воздействия поражающих факторов ДТП в случае невозможности их перемещения в безопасное место осуществляется с использованием средств индивидуальной защиты органов дыхания и зрения.
Оказание первой медицинской помощи пострадавшим осуществляется в соответствии с нормативными правовыми актами, регламентирующими действия сил, предназначенных для проведения АСДНР. С этой целью могут применяться средства индивидуальной защиты органов дыхания и зрения, средства первой медицинской помощи, а также иные, в том числе приспособленные, средства. До прибытия к месту совершения ДТП медицинского персонала первую медицинскую помощь пострадавшим в установленном порядке оказывает личный состав подразделений, проводящих АСДНР.
Ликвидация последствий ДТП организуется с использованием имеющихся технических средств, с обязательным соблюдением техники безопасности при производстве работ. При действиях в условиях химического заражения, радиоактивного загрязнения, пожаров, а также аномальных температур окружающего воздуха работа организуется с учетом необходимости сохранения работоспособности личного состава аварийно-спасательных подразделений, возможностей специальной техники. Особое внимание уделяется применению средств индивидуальной защиты, соблюдению режимов радиационной защиты и химической безопасности, других требований безопасности.
Возвращение сил и средств к месту постоянной дислокации проводится с разрешения старшего начальника, после соответствующего доклада о выполнении работ по ликвидации последствий ДТП.
1.3.4. Организация взаимодействия.
Взаимодействие осуществляется на основании законов и иных нормативных правовых актов Российской Федерации, субъектов Российской Федерации.
Взаимодействие обеспечивается:
немедленным взаимным оповещением (информированием) о происшедших дорожно-транспортных происшествиях и необходимых потребностях в силах и средствах, с использованием всех имеющихся каналов связи, в том числе автоматизированных информационно-управляющих систем, интегрированных с автоматизированной информационно-управляющей системой АИУП ДПС;
совместными скоординированными действиями органов управления, подразделений и сил, привлекаемых к ликвидации последствий дорожно-транспортных происшествий;
эффективным управлением работами по ликвидации последствий дорожно-транспортных происшествий.
Оповещение всех взаимодействующих органов управления, участвующих в ликвидации последствий ДТП, осуществляется немедленно, независимо от ведомственной принадлежности дежурных служб, получивших информацию о ДТП с наличием:
пострадавших (погибших и раненых);
угрозы или факта возникновения чрезвычайной ситуации (ЧС), пожаров, взрывов;
крупных ДТП, с участием десяти и более транспортных средств;
ДТП с участием пассажирского автотранспорта (автобусы, троллейбусы, маршрутные такси);
ДТП с участием транспортных средств, перевозящих опасные грузы;
ДТП на железнодорожных переездах, мостах, водных переправах, в тоннелях и т.п.
1.4. Охрана труда пожарных и спасателей во время проведения АСДНР при ликвидации последствий ДТП.
АСДНР при ДТП включают следующие основные операции: предотвращение действия вторичных поражающих факторов; обеспечение работы ГАСИ; стабилизация поврежденного ТС; снятие остаточного напряжения в деформированном кузове ТС; деблокирование пострадавшего; оказание пострадавшему ПМП; фиксация положения пострадавшего перед его извлечением из ТС; извлечение пострадавшего из ТС.
При проникновении к пострадавшему должно быть предотвращено воздействие вторичных факторов, главным образом пожаров, препятствующих проведению спасательных работ.
При возникновении ДТП, сопровождающихся аварийными разливами нефтепродуктов, вызываются пожарно-спасательные, газоспасательные, медицинские, аварийно-восстановительные формирования. На месте аварии и смежных участках прекращаются работы с применением открытого огня и другие, кроме работ, связанных с мероприятиями по ликвидации аварии или пожара.
На месте аварии при наличии взрывоопасных зон и на соседних участках запрещается проезд всех видов транспорта, кроме транспорта аварийных служб, до полного устранения последствий аварии.
При возникновении пожара в период ликвидации аварии непосредственное руководство тушением пожара осуществляется РТП (далее - руководитель тушения пожара), прибывшим на пожар старшим оперативным должностным лицом пожарной охраны.
В случаях ликвидации последствий ДТП, связанных с химическим заражением и радиоактивным загрязнением местности, аварийно-спасательными формированиями (АСФ) проводится комплекс работ по дегазации и дезактивации дорожного полотна, транспортных средств и прилегающей территории, принимаются меры к локализации и ликвидации источников опасности. Особое внимание уделяется применению средств индивидуальной защиты, соблюдению режимов радиационной защиты и химической безопасности, других требований безопасности.
Для случаев аварий с ТС, сопровождающихся разгерметизацией емкостей, оболочек или упаковок химически опасных грузов, разрабатываются аварийные карточки, в которых указаны действия водителей и специалистов АСФ в аварийных ситуациях.
При ликвидации последствий аварии, связанной с радиоактивным загрязнением местности, во всех формированиях, привлекаемых к выполнению работ, организуется и ведется замер мощности гамма-излучений на месте работ, а также дозиметрический контроль, устанавливаются режимы работы и необходимые СИЗ.
При тушении возникшего пожара на ТС с химически опасным грузом режим работы личного состава устанавливается с учетом интенсивности теплового излучения и тяжести работы в СИЗ.
Порядок ведения личным составом АСФ работ в зоне с химическим заражением и радиоактивным загрязнением местности определяется соответствующими регламентами и технологическими картами. Способы и технологии выполнения АСР определяются руководителем ликвидации ЧС или начальником АСФ на основе оценки сложившейся обстановки.
На месте ДТП соблюдение мер безопасного проведения работ возлагается на старшего аварийно-спасательной группы.
Требования безопасности перед началом работ
Старший аварийно-спасательной группы по прибытии на место ДТП обязан:
поставить транспортные средства аварийно-спасательной группы в месте, исключающем наезд транспорта, движущегося по дороге, обозначить их месторасположение установленным порядком;
установить связь с подразделениями безопасности дорожного движения, уточнить характер происшествия и меры, принятые по ограждению места происшествия и оказанию помощи пострадавшим;
провести разведку обстановки с целью определения необходимых работ и способов их выполнения, уточнить состояние аварийных транспортных средств, положение и состояние пострадавших, наличие или опасность возникновения вторичных поражающих факторов (течи горючего, возникновение возгорания, опрокидывание аварийного транспортного средства, обрушение поврежденных неустойчивых конструкций, угроза новых столкновений поврежденного автомобиля с другими ТС и т.п.);
убедиться, что в рабочей зоне и вблизи нее нет оборванных электролиний и загазованности;
определить зоны проведения АСР (зоны ЧС) и принять меры предотвращения доступа в нее посторонних (оградить зону проведения АСР, при этом должен быть обеспечен свободный доступ для машин и персонала, обеспечивающих ведение спасательных работ и оказание помощи пострадавшим, при ведении работ в темное время суток на ограждение навешиваются мигающие лампы красного цвета);
при необходимости перекрыть движение по встречным или попутным полосам дороги для предотвращения новых столкновений;
определить наиболее эффективные и безопасные способы стабилизации транспортного средства, деблокирования пострадавших, предотвращения возникновения или локализации возникших поражающих факторов;
определить место для складирования обломков, боя стекол, а также груза, перевозимого на аварийном транспортном средстве, препятствующих проведению спасательных работ;
установить взаимодействие с подразделениями безопасности дорожного движения, особенно в части обеспечения безопасности ведения спасательных работ в условиях интенсивного движения транспорта;
поставить спасателям задачу на ведение аварийно-спасательных работ и указать меры безопасности при их выполнении; указать наиболее безопасное направление доступа к аварийному транспортному средству и пострадавшим; контролировать выполнение мер безопасности при развертывании и подготовке к работе;
при выполнении работ в темное время суток организовать освещение рабочих зон: включить габаритные огни и аварийно-световую сигнализацию, а в запрещенной для проезда рабочей зоне расположить источники красного света;
при ДТП на железнодорожных переездах убедиться, что приняты меры по прекращению движения поездов или уменьшению скорости их движения.
Спасатели в соответствии с распределением обязанностей должны привести в готовность средства индивидуальной защиты (надеть каску, перчатки, средства защиты органов зрения т.д.), средства спасения и инструмент, согласно инструкциям по эксплуатации, в порядке, указанном старшим аварийно-спасательной группы, соблюдая меры безопасности.
Требования безопасности при выполнении аварийно-спасательных работ
Старший аварийно-спасательной группы обязан:
провести мероприятия по стабилизации ТС и мероприятия по локализации или предотвращению воздействия вторичных поражающих факторов;
контролировать выполнение спасателями мер безопасности при ведении спасательных работ, принимать необходимые меры при их нарушении;
немедленно организовать оказание необходимой помощи спасателям, при их травмировании, в ходе проведения спасательных работ;
координировать действия с подразделениями обеспечения безопасности дорожного движения и другими службами, привлеченными к ликвидации последствий ДТП;
при организации и ведении спасательных работ в первую очередь организовать проведение мероприятий, направленных на обеспечение доступа к пострадавшим персонала бригады скорой помощи для оказания им первой медицинской помощи;
не допускать без выполнения мер страховки проведения работ по стабилизации аварийного транспортного средства, находящегося в неустойчивом положении.
Для исключения возгорания ТС от замыкания поврежденных электрических сетей следует отключить аккумуляторные батареи. При этом надо учитывать возможное отключение управления дверными замками, окнами, спинкой кресла и т.п. Кроме того, следует отключить зажигание и вскрыть капот.
Стабилизация автомобиля должна быть полностью выполнена до начала спасательных операций.
Для предотвращения самопроизвольных неконтролируемых смещений элементов ТС при проведении аварийно-спасательных работ необходимо снять остаточное напряжение в деформированном кузове ТС.
После снятия остаточного напряжения в деформированном кузове ТС при необходимости производится повторная стабилизация автомобиля.
В ходе аварийно-спасательных работ острые края закрываются защитными ковриками.
Начиная спасательные работы, необходимо убедиться, какой системой безопасности оборудована аварийная машина, каково состояние указанной системы. При наличии подушки безопасности принять меры по предотвращению ее автоматического срабатывания.
Во избежание травмы сработавшей воздушной подушкой при ведении работ запрещается находиться между рулем (передней панелью) и пострадавшим, резать, пилить, сверлить (вырывать) электрическую проводку, рулевое колесо и рулевую колонку.
Во избежание срабатывания воздушной подушки необходимо предварительно отключить контакты проводов, идущих к сенсору воздушной подушки или отсоединить (перекусить) кабель от аккумулятора.
Спасатели при ведении спасательных работ обязаны:
строго выполнять все указания старшего аварийно-спасательной группы, быть внимательными, строго выполнять требования безопасности, установленные для данного вида работ, применяемых средств спасения и инструмента;
не выполнять работы с использованием неисправных механизмов и инструмента;
работы выполнять в касках, защитных перчатках, средствах защиты органов зрения;
при выполнении работ в ограниченном пространстве (в салоне аварийного транспортного средства, под машиной и т.п.) не допускать создания помех и опасности работающим рядом спасателям, предупреждать их о предпринимаемых действиях;
при использовании спасательных средств и инструмента применять их только в соответствии с предназначением и возможностями, не допускать использования их в качестве рычага для взламывания аварийных конструкций и деталей;
при проведении работ проявлять осторожность, не допускать повреждения агрегатов и деталей, содержащих горюче-смазочные материалы;
при появлении течи горючего немедленно принимать меры по ее прекращению;
не допускать действий, нарушающих стабилизацию аварийного ТС;
при деблокировании пострадавших не допускать применения силы для извлечения их из обломков, извлечение осуществлять только после полной расчистки блокирующих конструкций и деталей;
принимать меры по предотвращению травмы осколками стекла.
При оборудовании аварийного транспортного средства системой ремней безопасности с механическим натяжением, во избежание внезапной травмы пружиной, запрещается разрезать, распиливать механизм натяжения ремней и механизм управления системой.
При оборудовании аварийного ТС пиротехнической системой натяжения ремней безопасности запрещается пилить, сверлить, резать указанную систему. Начиная работу, необходимо отключить систему от источников питания, отсоединив кабель аккумулятора.
При выполнении работ по стабилизации аварийного объекта необходимо выполнять следующие требования безопасности:
подходить к аварийному транспортному средству только с наименее опасной стороны;
запрещается подлезать под аварийное транспортное средство, выдергивать (вынимать) из-под него камни, ветки и другие предметы во избежание внезапной дестабилизации.
Работы по деблокированию пострадавших начинать только после стабилизации транспортного средства и перевозимого груза. При ведении работ по деблокированию пострадавших соблюдать осторожность, не допускать внезапного смещения средств стабилизации и нарушения устойчивости аварийного транспортного средства.
Во время проведения АСДНР при ликвидации последствий ДТП участниками работ должны соблюдаться:
1.
Правила по охране труда в подразделениях Государственной противопожарной службы МЧС России (ПОТРО-01-2002), Приказ МЧС РФ от 31 декабря 2002 г. N 630.
2. Межотраслевые
правила по охране труда при погрузочно-разгрузочных работах и размещении грузов ПОТ РМ-007-98.
3. Инструкция по охране труда при работе с аварийно-спасательным инструментом.
4. Инструкция по охране труда при проведении и локализации аварийных разливов нефти и нефтепродуктов.
5. Инструкция по охране труда при ведении газоспасательных работ.
6. Инструкция по охране труда при проведении аварийно-спасательных работ при дорожно-транспортном происшествии.
1.5. Инструкции по проведению аварийно-спасательных работ на месте дорожно-транспортного происшествия.
Руководитель работ обязан:
произвести разведку и оценить обстановку на месте;
немедленно организовать спасение людей, предотвратить панику, используя для этого имеющиеся силы и средства;
определить решающее направление работ, необходимые силы и средства, способы и приемы действий;
поставить задачи подразделениям (службам), обеспечить выполнение поставленных задач;
организовать на месте происшествия пункт оказания медицинской помощи (при необходимости);
организовать связь с центральным узлом связи города, комиссией по чрезвычайным ситуациям муниципального образования и сообщить точные координаты происшествия, что произошло, какие силы и средства введены в действие, что необходимо дополнительно. В дальнейшем поддерживать с ними связь и сообщать об изменениях обстановки;
в зависимости от обстановки на месте происшествия, при необходимости организовать оперативный штаб, определить место его расположения и информировать его членов о принимаемых решениях;
организовать взаимодействие со службами, привлекаемыми для ликвидации последствий происшествия, поддерживать постоянную связь с инженерно-техническими сотрудниками, принимать решения о приемах и способах ведения работ;
назначить из числа лиц начальствующего состава ответственного за соблюдение мер безопасности;
организовать проведение первоочередных работ по восстановлению движения на дороге.
Спасатель обязан:
Спасатель - выполняет действия по ликвидации последствий или доведению до возможного минимального уровня опасных факторов, возникших в результате дорожно-транспортного происшествия.
По указанию руководителя работ выполняет следующие виды действий:
осуществляет спасение людей (деблокирование, транспортировку, передачу сотрудникам здравоохранения);
участвует в оценке обстановки с целью определения необходимых работ и способов их выполнения. При этом оцениваются: состояние поврежденных ТС в результате ДТП; количество и состояние пострадавших, а также опасность возникновения вторичных поражающих факторов (протечка горючего, возгорание, опрокидывание ТС и т.п.);
осуществляет ограждение зоны проведения АСР с помощью простейших средств организации дорожного движения (переносные дорожные знаки и барьеры, стойки, вехи, направляющие конусы, шнуры с цветными флажками, сигнальные фонари, лампы, подвижные светофоры);
при необходимости перекрывает движение по встречным или попутным полосам дороги для предотвращения новых столкновений;
ликвидирует угрозу возгорания ТС.
проводит оценку состояния пострадавших и определяет необходимые первоочередные действия для их спасения;
оказывает пострадавшим первую помощь;
осуществляет руководство действиями спасателей при извлечении пострадавших из аварийного транспортного средства с целью недопущения дополнительных повреждений у пострадавших.
Порядок и способы спасания людей определяются руководителем в зависимости от обстановки и состояний людей. При проведении работ спасатель обязан соблюдать требования правил охраны труда и техники безопасности.
Водитель
Водитель - управляет транспортным средством. По указанию старшего обеспечивает:
доставку закрепленного транспортного средства к месту совершения дорожно-транспортного происшествия и обратно;
работу гидравлических насосных станций и других средств энергоснабжения аварийно-спасательного инструмента;
освещение места дорожно-транспортного происшествия.
1.6. Критерии оперативного реагирования подразделений на дорожно-транспортные происшествия
Время обнаружения ДТП, мин. | Время сообщения о ДТП, мин. | Время прибытия к месту ДТП, мин. | Время локализации последствий ДТП, мин. | Время ликвидации или доведения до минимально возможного уровня опасных явлений, возникших в результате ДТП, мин. | Время обслуживания вызова, мин. |
Дежурная смена ПЧ |
1 | 1 | 20 | 20 | 120 | 180 |
Дежурное подразделение ПСС |
1 | 1 | 20 | 20 | 120 | 180 |
1.7. Организация связи при ликвидации последствий дорожно-транспортных происшествий
Связь при ликвидации последствий ДТП организуется:
телефонная по сетям и каналам общего пользования, ВЦСС, каналам связи и передачи данных сети сотовой и спутниковой связи;
радиосвязь в сетях УКВ р/с N 2205 и р/с ФПС, КВ методом вхождения в р/с междугородних грузоперевозчиков;
ВКС в сети VPN-574 с использованием 3G модема.
В состав системы связи ТП РСЧС области входят:
каналы проводной телефонной, цифровой, селекторной и телеграфной связи, на базе каналов сети связи общего пользования и ведомственной сети связи, посредством которых обеспечивается телефонная, селекторная и телеграфная связь, как с вышестоящими и взаимодействующими органами управления, так и с органами управления муниципальных образований области и других ведомственных структур;
каналы передачи данных на базе сети общего пользования и ведомственных сетей, обеспечивающие передачу данных (электронная почта, режим удаленного доступа, Интернет), как с вышестоящими и взаимодействующими органами управления, так и с органами управления других ведомственных структур;
сети сотовой связи.
1.7.2. Организация оповещения руководящего состава и населения
Управление мероприятиями по ликвидации последствий чрезвычайной ситуации осуществляется КЧС и ОПБ, которая размещается в здании администрации области, а ФКУ "ЦУКС ГУ МЧС России по ____________________ области" на ПУ области. Свои рабочие места члены комиссии и рабочего органа занимают с момента получения распоряжения председателя КЧС и ОПБ на ликвидацию последствий аварии, катастрофы или стихийного бедствия.
Оповещение членов КЧС и ОПБ, органов управления, формирований, рабочих, служащих и населения об обстановке производится по радиотрансляционной сети, существующими средствами связи (телеграф, телефон, ведомственные сети радиосвязи) и подвижными средствами территориального органа МВД России с громкоговорящей связью.
Связь организована:
а) с Министерством РФ по ЧС
телеграфная - по прямому телеграфному каналу через УС "АРИЗОНИТ";
телефонная - через междугородную АМТС; по ведомственной цифровой сети связи МЧС России;
по сети Интернет.
б) с Центральным региональным центром:
радио - в р/с N 102 начальника ЦРЦ;
по прямому телеграфному каналу через УС "АРИЗОНИТ";
телефонная - через междугородную АМТС; по ведомственной цифровой сети связи МЧС России;
по сети Интернет.
в) с городами и районами:
телеграфная - через центральный телеграф;
телефонная - через междугородную АМТС;
радио - по УКВ радиосети Липецкого филиала ОАО "Ростелеком", по радиосети государственной противопожарной службы.
Заместитель начальника Главного управления
МЧС России по ____________________ области (по ГПС)
полковник внутренней службы ФИО
к Плану прикрытия
к Плану прикрытия
о составе сил и средств пожарно-спасательных
подразделений и аварийно-спасательных формирований,
участвующих в ликвидации последствий ДТП
N п/п | Наименование подразделения | ФИО начальника подразделения | Телефон оперативного дежурного, место дислокации | Районы (участки) прикрытия автомобильных дорог (удаление от ФАД) | Силы и средства ликвидации последствий ДТП |
1. Федеральная магистральная автомобильная дорога М-4 "Дон" |
1. | _____ ПЧ ФГКУ "3 ОФПС по __________ области" | | __________ область, __________ район, с. Ламское тел. 8-4746-22-42-31 | км 330 - км 340 (13 км) | л/с - _____ чел.; АЦ - _____ ед.; ГАСИ - _____ к-т; |
2. | _____ ПЧ ФГКУ "3 ОФПС по __________ области" | | __________ область с. Становое ул. Советская, д. 12 тел. 8-47476-23-18-92 | км 350 - км 370 (8 км) | л/с - _____ чел.; АЦ - _____ ед.; ГАСИ - _____ к-т; |
3. | ОПСП - _____ Г(О)БУ "Управление ГПСС __________ области" | | | км 340 - км 350 (12 км) | л/с - _____ чел.; АЦ - _____ ед.; ГАСИ - _____ к-т; |
4. | 10 ПСЧ ФГКУ "3 ОФПС по __________ области" | | __________ область г. __________ ул. Коммунаров, д. 15 тел. 8-4747-25-34-26 | км 370 - км 402 (9 км) | л/с - _____ чел.; АЦ - _____ ед.; ГАСИ - _____ к-т; |
5. | АСО Г(О)БУ "Управление ГПСС __________ области" | | г. __________ ул. Московская, д. 29а тел. 8-4746-33-31-84 | км 330 - км 464 (от 60 до 130 км) | л/с - _____ чел.; Газель - 2705 - _____ ед.; ГАСИ - _____ к-та |
6. | МБУ АСС г. __________ | | __________ область г. __________ ул. Профинтерна, д. 5 | альтернатива в г. Елец (2,5 км) | _____ чел.; АЦ - _____ ед.; УАЗ 39629 - _____ ед.; ГАСИ - _____ к-та |
Заместитель начальника Главного управления
МЧС России по ____________________ области (по ГПС)
полковник внутренней службы ФИО
к Плану прикрытия
СВЕДЕНИЯ
о мобильных и стационарных пунктах временного
размещения населения, создаваемых или расположенных
на федеральных автодорогах субъекта
N п/п | Субъект РФ | Количество созданных МПВР | Количество стационарных пунктов временного размещения населения | Пункты обогрева на ФАД |
Стационарные | Подвижные |
1. | __________ область | | | | |
Итого | | | | |
Заместитель начальника Главного управления
МЧС России по ____________________ области (по ГПС)
полковник внутренней службы ФИО
к Плану прикрытия
о мобильных и стационарных пунктах временного
размещения населения, создаваемых или расположенных
на федеральных автодорогах субъекта
N п/п | Субъект РФ | Количество созданных МПВР | Количество стационарных пунктов временного размещения населения | Пункты обогрева на ФАД |
Стационарные | Подвижные |
1. | __________ область | | | | |
Итого | | | | |
Заместитель начальника Главного управления
МЧС России по ____________________ области (по ГПС)
полковник внутренней службы ФИО
к Плану прикрытия
СВЕДЕНИЯ
о видеокамерах на федеральных автодорогах,
проходящих по территории субъекта
N п/п | Субъект РФ | Количество видеокамер | Федеральная автомобильная дорога | Наименование территории муниципального района | Километр трассы | Ближайший населенный пункт | Возможность связи с видеокамерой через интернет для просмотра обстановки на удаленном расстоянии (сайт, логин, пароль) |
| | | | | | | |
Итого | | | | | | |
Заместитель начальника Главного управления
МЧС России по ____________________ области (по ГПС)
полковник внутренней службы ФИО
к Плану прикрытия
Состав сил и средств ДПС ГИБДД УМВД России
по __________ области
N п/п | Наименование подразделения ДПС | Зона обслуживания | личный состав/техника | Телефон дежурной части |
1. | ОГИБДД МО МВД России "___________" | М 4 330 - 370 км | 17/8 | (47476) 2-14-02, 2-16-89 |
2. | ОГИБДД ОМВД России по г. __________ | М 4 городская черта | 18/4 | (47467) 2-20-21 |
3. | ОГИБДД ОМВД России по ___________ району | М 4 370 - 402 км | 43/10 | (47467) 2-45-20 |
Заместитель начальника Главного управления
МЧС России по ____________________ области (по ГПС)
полковник внутренней службы ФИО
к Плану прикрытия
СВЕДЕНИЯ
о привлекаемой автомобильной, инженерной, снегоуборочной
и специальной технике, находящейся в субъектах
Российской Федерации Центрального региона, наличие
запаса смесей и их компонентов для борьбы с гололедом
Субъект РФ | Количество техники (ед.) | Количество оборудования (ед.) | Количество техники (ед.) | Количество дополнительного оборудования (ед.) | Песчано-солевая смесь, тонн | Соль, тонн | Песок, тонн |
экскаваторы | бульдозеры | автокраны | самосвалы | компрессорные станции | тягачи-длинномеры | погрузчики | автоподъемники | др. спец. техника | гидроповоротные отвалы | погрузочные ковшы | снегоуборочные щетки |
итого | | | | | | | | | | | | | | | | | |
Заместитель начальника Главного управления
МЧС России по ____________________ области (по ГПС)
полковник внутренней службы ФИО
к Плану прикрытия
о видеокамерах на федеральных автодорогах,
проходящих по территории субъекта
N п/п | Субъект РФ | Количество видеокамер | Федеральная автомобильная дорога | Наименование территории муниципального района | Километр трассы | Ближайший населенный пункт | Возможность связи с видеокамерой через интернет для просмотра обстановки на удаленном расстоянии (сайт, логин, пароль) |
| | | | | | | |
Итого | | | | | | |
Заместитель начальника Главного управления
МЧС России по ____________________ области (по ГПС)
полковник внутренней службы ФИО
к Плану прикрытия
СВЕДЕНИЯ
о погрузочной технике, привлекаемой к ликвидации
последствий ДТП на ФАД
N п/п | Субъект РФ, по которому проходит ФАД | Муниципальное образование (го, мр) субъекта РФ, участки ФАД, наименование собственника указанной техники | Техника |
Кран (грузоподъемностью более 40 т) | Тягач (для буксируемых прицепов, автомобилей массой более 40 т) |
Грузоподъемность, (т) | Шасси (гусеничн., колесн.) | Принадлежность | Для буксируемого прицепа массой, (т) | Шасси (гусеничн., колесн.) | Принадлежность |
| | | | | | | | |
Заместитель начальника Главного управления
МЧС России по ____________________ области (по ГПС)
полковник внутренней службы ФИО
к Плану прикрытия
Состав сил и средств станций СМП
здравоохранения ____________ области, участвующих
в ликвидации последствий дорожно-транспортных происшествий
Полное наименование государственной медицинской организации | Зона обслуживания | Место дислокации, телефон | Количество бригад/медицинского персонала | Выполняемые функции |
фельдшерские | ВБСМПАР |
Федеральная магистральная автомобильная дорога М-_____ "_____" |
ГУЗ "_____ РБ" | 330 - 370 км | с. Становое, ул. Ленина, д. 12. Тел. 8-47476-2-26-24 | 2/6 | 0 | Скорая медицинская помощь |
ГУЗ "_____ РБ" | 330 - 402 км | Елецкий р-он, пос. Газопровод, Тел. 8-47467-9-06-03 | 2/6 | 0 | Скорая медицинская помощь |
ГУЗ "ЛОССМП" Филиал г. _____ | 372 - 402 км (по городу Ельцу 7,8 км) | г. Елец, ул. Льва Толстого, 6 Тел. 8-47467-2-44-33 | 5/15 | 2/4 | Скорая медицинская помощь Скорая специализированная медицинская помощь |
ГУЗ "_____ МРБ" | 402 - 437 км | г. Задонск, ул. Запрудная, д. 1 Тел. 8-47471-2-11-98, 2-12-72 | 2/6 | 0 | Скорая медицинская помощь |
ГУЗ "_____ РБ" | 437 - 464 км | с. Хлевное, ул. Прогресс, д. 5, Тел. 8-47477-2-18-30, 2-20-20 | 2/6 | 0 | Скорая медицинская помощь |
Итого по ФАД М-_____ "_____" | | | 13/39 | 2/4 | Скорая медицинская помощь Скорая специализированная медицинская помощь |
Заместитель начальника Главного управления
МЧС России по ____________________ области (по ГПС)
полковник внутренней службы ФИО
к Плану прикрытия
СВЕДЕНИЯ
о привлекаемой автомобильной, инженерной, снегоуборочной
и специальной технике, находящейся в субъектах
Российской Федерации Центрального региона, наличие
запаса смесей и их компонентов для борьбы с гололедом
Субъект РФ | Количество техники (ед.) | Количество оборудования (ед.) | Количество техники (ед.) | Количество дополнительного оборудования (ед.) | Песчано-солевая смесь, тонн | Соль, тонн | Песок, тонн |
экскаваторы | бульдозеры | автокраны | самосвалы | компрессорные станции | тягачи-длинномеры | погрузчики | автоподъемники | др. спец. техника | гидроповоротные отвалы | погрузочные ковшы | снегоуборочные щетки |
итого | | | | | | | | | | | | | | | | | |
Заместитель начальника Главного управления
МЧС России по ____________________ области (по ГПС)
полковник внутренней службы ФИО
к Плану прикрытия
Состав сил и средств структурных подразделений
Росавтодора, участвующих в ремонтно-восстановительных
работах при ликвидации последствий ДТП
Наименование предприятия | Ведомственная принадлежность | Подчиненность, территориальная, объектовая | Обслуживаемый участок автодороги | Степень готовности | Численный состав, ед. техники | Место дислокации (адрес) | Ф.И.О. руководителя | Телефон, факс | Дежурный диспетчер (телефон) |
Личный состав | КДМ (самосвалы) | Бульдозеры | Экскаваторы | Автогрейдеры | Автокраны | Автотралы | Вахта | Погрузчик | Прочие | Всего ед. техники |
1 | 2 | 3 | 4 | 5 | 6 | 7 | 8 | 9 | 10 | 11 | 12 | 13 | 14 | 15 | 16 | 17 | 18 | 19 | 20 |
М4 |
ОАО "Елецкое ДСУ 3" | частная | территориальная | ФАД М-4 "ДОН" км 330+800 - км 414+700 ФАД М-4 "ДОН" (Альтернатива) км 332+700 - км 414+700 | Ч + 1 летом Ч + 2 зимой | 424 | 31 | 3 | 2 | 2 | 1 | 2 | 0 | 6 | 10 | 57 | | | | |
ООО "ДЭУ-48" | частная | территориальная | | Ч + 1 летом Ч + 2 зимой | 55 | 16 | 1 | 1 | 2 | 1 | 1 | 0 | 5 | 33 | 60 | | | | |
Итого | | | | | 479 | 47 | 4 | 3 | 4 | 2 | 3 | 0 | 11 | 43 | 117 | | | | |
Примечание: ТТХ техники (грузоподъемность, вылет стрелы крана, объем ковша и т.п.):
ОАО "Елецкое ДСУ-3": КДМ на базе "КАМАЗ" - 14 ед. (г/п 14 т),КДМ на базе "VOLVO" - 5 ед. (г/п 20 т), КДМ на базе "SHACMAN" - 12 ед. (г/п 24 т), автокран "Ивановец" - 1 ед. (г/п 25 т), вылет стрелы - 21 м, экскаватор ЭК-14 - объем ковша 0,65 куб. м, компрессорная станция - прицеп "Атлас Купко", тягач - "Скания" - 40 т, "Ман" - 40 т, АКП - 18 м. | | ООО "ДЭУ-48" (с. Хлевное): КДМ на базе "КАМАЗ" - 16 ед. (г/п свыше 14 т), автокран МАЗ грузоподъемность 10 т, вылет стрелы 8 м - 1 ед., компрессорная станция ПКС - 5.25 (прицеп) - 1 ед., трейлер-тягач Мерседес-Бенс грузоподъемность 40 т - 1 ед., автоподъемник АПГ-18 (ГАЗ-3307) - 2 ед. |
Заместитель начальника Главного управления
МЧС России по ____________________ области (по ГПС)
полковник внутренней службы ФИО
к Плану прикрытия
СВЕДЕНИЯ
о погрузочной технике, привлекаемой к ликвидации
последствий ДТП на ФАД
N п/п | Субъект РФ, по которому проходит ФАД | Муниципальное образование (го, мр) субъекта РФ, участки ФАД, наименование собственника указанной техники | Техника |
Кран (грузоподъемностью более 40 т) | Тягач (для буксируемых прицепов, автомобилей массой более 40 т) |
Грузоподъемность, (т) | Шасси (гусеничн., колесн.) | Принадлежность | Для буксируемого прицепа массой, (т) | Шасси (гусеничн., колесн.) | Принадлежность |
| | | | | | | | |
Заместитель начальника Главного управления
МЧС России по ____________________ области (по ГПС)
полковник внутренней службы ФИО
ТЕХНОЛОГИЧЕСКИЕ КАРТЫ СПЕЦИАЛИСТОВ ОДС ЦУКС
ТЕХНОЛОГИЧЕСКАЯ КАРТА СОД ЦУКС ГУ МЧС РОССИИ
ПО __________ ОБЛАСТИ (АРМ N 1)
ПО ЧС N 2 (АВАРИИ НА АВТОДОРОГАХ)
N | Последовательность действий | Нормативное время выполнения | Реальное время выполнения | Выполняемые нормативы (расчетные задачи) | Отрабатываемые документы | Время выполнения |
ЦУКС ГУ | М.О. |
1. | Довести приказ (распоряжение) о приведении в РЕЖИМ ЧС ОГ | "Ч" + 0.02 | | План приведения в РЕЖИМ ЧС | 1. Распоряжение о приведении в РЕЖИМ ЧС. 2. Приказ о приведении в РЕЖИМ ЧС. 3. Схема информационного взаимодействия с министерствами, ведомствами, организациями. 4. Анализ работы СОД ЦУКС по взаимодействию с министерствами. 5. Схема организации управления и взаимодействия при ликвидации чрезвычайной ситуации. 6. Анализ работы СОД по взаимодействию с председателями КЧС и ПБ. 7. Схема прохождения информации. 8. Схема организации управления и взаимодействия. | | |
2. | Доложить начальнику Главного управления | "Ч" + 0.05 | | | |
Оповестить заместителя НГУ (по антикризисному управлению) | "Ч" + 0.06 | | | |
Доложить СОД ЦУКС ЦРЦ МЧС России | "Ч" + 0.07 | | | |
3. | взаимодействие с Главой администрации МО | "Ч" + 0.07 | | | | |
4. | Оповестить начальника ЦУКС | "Ч" + 0.08 | | План приведения в РЕЖИМ ЧС | | |
5. | Принять доклад о приведении в РЕЖИМ ЧС и о готовности ОГ к убытию в район ЧС | "Ч" + 0.10 | | | | |
Отдать устное указание на убытие ОГ в район ЧС; | "Ч" + 0.11 | | | |
Доложить об убытии ОГ в район ЧС начальнику ГУ и СОД ЦУКС | "Ч" + 0.11 | | | |
6. | Доложить об организации взаимодействия с органами управления исполнительной власти субъекта, муниципального образования, руководством | "Ч" + 0.11 | | соглашения с ОУ Ф и ТП РСЧС на региональном уровне | | |
7. | Доложить о получении приказа (распоряжения) о приведении Главного управления МЧС России по субъекту, подчиненных органов и областных учреждений в РЕЖИМ ЧС начальнику ГУ, СОД ЦУКС ЦРЦ | "Ч" + 0.12 | | | | |
8. | Доложить об организации взаимодействия с органами управления Ф и ТП РСЧС СОД ЦУКС ЦРЦ | "Ч" + 0.13 | | | | |
9. | Определить периодичность докладов при движении ОГ в район ЧС | "Ч" + 0.15 | | | | |
10. | Доложить руководителю ОШ о проведении оповещения членов ОШ ГУ МЧС России по ВО согласно утвержденному списку | "Ч" + 00.18 | | | | |
11. | Дать команду на оповещение председателя КЧС и ОПБ | "Ч" + 00.19 | | | | |
Доложить начальнику Главного управления и ЦУКС о результатах оповещения | "Ч" + 00.25 | | | | |
12. | Принять доклад о приведении в РЕЖИМ ЧС по телефону, ВКС | "Ч" + 0.30 - 3.00 | | План приведения в РЕЖИМ ЧС | | |
13. | Принять от АРМ N 2 доклад о прибытии ОГ в район ЧС | "Ч" + 0.01 по прибытию ОГ в район ЧС | | | | |
Доложить о прибытии ОГ в район ЧС начальнику ГУ и СОД ЦУКС ЦРЦ | "Ч" + 0.01 по прибытию ОГ в район ЧС | | | | |
14. | Доложить руководству ГУ о результатах моделирования ЧС, формирования предложений по наращиванию СиС, доставке МТС | "Ч" + 0.40 - 01.00 "Ч" + 03.00 | | | | |
15. | Доложить руководству ГУ об имеющихся предложениях по наращиванию СиС | "Ч" + 0.40 - 01.00 | | | | |
16. | Доложить руководству ГУ предложения по оказанию помощи пострадавшему населению в районе ЧС | "Ч" + 0.40 - 01.00 | | | | |
17. | Доложить руководителю проведения АСДНР предложения по проведению АСДНР | "Ч" + 01.00 | | | | |
18. | Доложить руководству ГУ предложения по эвакуации населения из района ЧС, по организации эвакуации в специализированные медицинские учреждения, по достаточности мероприятий первоочередного жизнеобеспечения населения | "Ч" + 01.00 | | | | |
19. | Доложить о приведении в РЕЖИМ ЧС управления и ЦУКС ГУ МЧС России по субъектам, подчиненных органов и областных учреждений начальнику Главного управления, СОД ЦУКС ЦРЦ | "Ч" + 1.30 - 3.00 | | Приказ ГУ МЧС от 04.03.2011 N 132 | | |
20. | Доложить об организации оповещения населения в зоне ЧС СОД ЦУКС ЦРЦ МЧС России | "Ч" + 3.00 | | Приказ ГУ МЧС от 01.03.2012 N 143 | | |
ТЕХНОЛОГИЧЕСКАЯ КАРТА НАЧАЛЬНИКА ДЕЖУРНОЙ СМЕНЫ
ЦУКС ГУ МЧС РОССИИ ПО __________ ОБЛАСТИ (АРМ N 2)
ПО ЧС N 2 (АВАРИИ НА АВТОДОРОГАХ)
N | Последовательность действий | Нормативное время выполнения | Реальное время выполнения | Выполняемые нормативы (расчетные задачи) | Отрабатываемые документы | Время выполнения |
ЦУКС ГУ | М.О. |
1. | Оповещение старшего ОГ по телефону или по УКВ радиостанции | "Ч" + 0.03 | | | 1. Информационное донесение (справка доклад). 2. Пояснительная записка. 3. Планы эвакуации, первоочередного жизнеобеспечения населения (размещение, питание). 4. План применения авиации для доставки пострадавших в лечебные учреждения. 5. План применения авиации 6. План применения авиации для доставки пострадавших (вариант загрузки самолета.). 7. Таблица учета налета авиационной группировки. 8. План вывода группировки. 9. Схема загрузки воздушного судна ОГ (ГЭР) 10. Донесение о получении вводной. 11. Приказ на приведение в РЕЖИМ ЧС. 12. Приказ о создании ОШ ЛЧС. 13. Донесение о приведении в РЕЖИМ ЧС. | | |
2. | Провести оповещение ПЗНГУ и доложить СОД ЦУКС | "Ч" + 0.05 | | План приведения в РЕЖИМ ЧС | | |
3. | Провести оповещение ЗНГУ: по ГПС, по защите, мониторингу и предупреждению ЧС, по надзорной деятельности и доложить СОД ЦУКС | "Ч" + 0.05 - 0.08 | | | |
4. | Провести оповещение руководителя | "Ч" + 0.08 | | | |
5. | Организация взаимодействия | "Ч" + 0.09 - 0.12 | | Соглашения с ОУ Ф и ТП РСЧС на региональном уровне | | |
взаимодействие с ОД РДУ по ВО; | "Ч" + 0.09 | | | |
взаимодействие с ОД УФСБ по ВО; | "Ч" + 0.10 | | | |
взаимодействие с ОД ГУ МВД России по ВО; | "Ч" + 0.11 | | | |
взаимодействие с ОД 1-го командования ВВС и ПВО | "Ч" + 0.12 | | | |
6. | Доложить об организации взаимодействия с органами управления Ф и ТП РСЧС СОД ЦУКС | "Ч" + 0.13 | | | |
7. | Организовать контроль за ходом движения ОГ в район ЧС | до момента прибытия ОГ в район ЧС | | | | |
8. | Доложить СОД ЦУКС о прибытии ОГ в район ЧС | "Ч" + 0.01 по прибытию ОГ в район ЧС | | | | |
9. | Подготовить предложения по применению авиации МЧС России; (при наличии) | "Ч" + 0.30 | | | | |
10. | Подготовить предложения по санитарной эвакуации с применением авиации МЧС России | "Ч" + 0.10 - 0.40 | | | | |
11. | Подготовить предложения по эвакуации населения из района ЧС в | "Ч" + 0.40 | | | | |
ТЕХНОЛОГИЧЕСКАЯ КАРТА СПЕЦИАЛИСТА ПО ОРГАНИЗАЦИИ ОПОВЕЩЕНИЯ
И ИНФОРМИРОВАНИЯ ЦУКС ГУ МЧС РОССИИ ПО __________ ОБЛАСТИ
(АРМ N 3) ПО ЧС N 2 (АВАРИИ НА АВТОДОРОГАХ)
N | Последовательность действий | Нормативное время выполнения | Реальное время выполнения | Выполняемые нормативы (расчетные задачи) | Отрабатываемые документы | Время выполнения |
ЦУКС ГУ | М.О. |
1. | Подготовить предложения по организации оповещения и информирования дежурных ЕДДС, руководящего состава и населения в зоне ЧС с учетом паспорта территории и утвержденных списков | "Ч" + 0.02 - 0.03 | | | 1. Схема оповещения населения в районе ЧС. 2. Анализ задействования средств оповещения (информирования) населения. 3. Анализ организации оповещения (информирования). | | |
По указанию СОД провести оповещение (информирование): - дежурную службу ЕДДС, руководящего состава муниципальных образований, попадающих в зону ЧС; - провести оповещение населения, попадающих в зону ЧС, путем перехвата проводного и радиовещания | "Ч" + 0.03 - 0.13 (0.16) | | | | |
2. | Провести информирование и организовать взаимодействие с: - приемной Губернатора ВО; - председателя КЧС И ОПБ; - председателя областной думы; - советника полномочного представителя Президента РФ по _______________ области | "Ч" + 0.16 - 0.19 | | | | |
3. | По указанию председателя КЧС и ОПБ области через дежурного по КУ ВО провести оповещение членов КЧС и ОПБ | "Ч" + 0.23 | | | | |
Уточнить результаты оповещения, подготовить отчет о проведенном оповещении | "Ч" + 0.24 | | | |
Доложить СОД и представить отчет о проведенном оповещении | "Ч" + 0.24 | | | |
4. | Контроль о проведении оповещения и информирования населения в районе ЧС | "Ч" + 0.20 - 3.00 | | | |
ТЕХНОЛОГИЧЕСКАЯ КАРТА СПЕЦИАЛИСТА ПО РЕАГИРОВАНИЮ НА ЧС СОГ
ЦУКС ГУ МЧС РОССИИ ПО __________ ОБЛАСТИ (АРМ N 6)
ПО ЧС N 2 (АВАРИИ НА АВТОДОРОГАХ)
N | Последовательность действий | Нормативное время выполнения | Реальное время выполнения | Выполняемые нормативы (расчетные задачи) | Отрабатываемые документы | Время выполнения |
ЦУКС ГУ | М.О. |
1. | Подготовка к убытию: - уточнение обстановки; - получение у специалиста ЦМП краткой справки о районе ЧС и картографической основы; - оповещение и сбор л/с оперативной группы | "Ч" + 0.08 | | | - карта района ЧС; - схема района ЧС; - справка по силам и средствам (БЧС); - схема реагирования ОГ; - анализ реагирования ОГ; - схема расстановки СиС | | |
2. | Получить приказ СОД на выдвижение в район ЧС, уточнить | "Ч" + 0.09 | | | | |
Доложить СОД об убытии оперативной группы в район ЧС (происшествия) | "Ч" + 0.10 | | | | |
Доложить СОД о прибытии оперативной группы к месту ЧС (происшествия), общие сведения о сложившейся обстановке | через 5 минут после прибытия | | | | |
Выполнить фото и видеосъемку в районе ЧС (происшествия), осуществить передачу фото и видеоматериалов СОД | через 10 минут после прибытия | | | | |
Организовать взаимодействие с взаимодействующими органами и сбор информации | через 25 минут после прибытия | | | | |
3. | Организовать ВКС с ПВР | "Ч" + 01.30 | | | | |
Доложить СОД об организации ВКС С ЛПУ и бюро судебно-медицинской экспертизы | "Ч" + 02.00 | | | | |
4. | Представить в ОДС ЦУКС следующие документы: - карта района ЧС; - схема района ЧС; - справка по силам и средствам (БЧС); - списки пострадавших, погибших, госпитализированных; - схема реагирования ОГ; - анализ реагирования ОГ; - схема расстановки СиС | через 50 минут после прибытия | | | | |
ТЕХНОЛОГИЧЕСКАЯ КАРТА СПЕЦИАЛИСТА ПО МОНИТОРИНГУ СМИ ЦУКС
ГУ МЧС РОССИИ ПО __________ ОБЛАСТИ (АРМ N 13)
ПО ЧС N 2 (АВАРИИ НА АВТОДОРОГАХ)
N | Последовательность действий | Нормативное время выполнения | Реальное время выполнения | Выполняемые нормативы (расчетные задачи) | Отрабатываемые документы | Время выполнения |
ЦУКС ГУ | М.О. |
1. | Довести информацию о ЧС до начальника отдела информационного обеспечения МЧС России Главного управления МЧС России по Воронежской области | "Ч" + 0.03 | | Методические рекомендации по ведению раздела "оперативная информация" на сайтах территориальных органов МЧС России пр. МЧС от 29.06.2006 N 386 | 1. Сведения о ЧС за последние 5 лет. 2. Заявка на СМС рассылку. 3. Справка о районе ЧС. 4. Ведомость контроля освещения информации в СМИ по ЧС (происшествиям). | | |
2. | Сформировать текстовый материал об оперативном событии для согласования с пресс-службой ГУ МЧС по Воронежской области | "Ч" + 0.07 | | | |
3. | Провести подборку медиа данных для дальнейшего размещения на Интернет-портале ГУ МЧС по Воронежской области | "Ч" + 0.10 | | | |
4. | Разместить информацию об оперативном событии (ЧС) на официальном сайте ГУ МЧС по Воронежской области | "Ч" + 0.10 | | | |
5. | Провести оповещение личного состава при введении режима повышенной готовности и режима ЧС | до "Ч" + 0.20 | | | |
6. | Провести мониторинг СМИ, интернет-сайта | "Ч" + 0.10 - 0.50 | | | | |
7. | Довести информацию об ошибочных данных, неточной или искаженной информации, а также материалов негативного характера, передаваемых по СМИ до СОД | по факту обнаружения | | | | |
8. | В случае выявления ошибочных данных, неточной или искаженной информации, характеризующая оперативную деятельность подразделений ГУ МЧС по Воронежской области, в социальных сетях и блогах подготовить предложения по размещению объективной информации в информационном поле | "Ч" + 0.10, с момента обнаружения | | | | |
9. | Информация о ходе ликвидации ЧС (оперативного события) | через каждые 30 мин. в течение 3-х часов с момента прибытия первых пожарно-спасательных подразделений на место ЧС | | | | |
10. | Информация о ликвидации ЧС (оперативном событии) | в течение 10 мин. после поступления информации в ОДС | | | | | |
11. | Ведомость контроля освещения информации в СМИ по ЧС (происшествиям) | "Ч" + 2.00, в дальнейшем каждые 2 часа | | | | | |