Главная // Актуальные документы // ВСН (Ведомственные строительные нормы)СПРАВКА
Источник публикации
Ленинград: ВНИИГ им. Б.Е. Веденеева, 1982
Примечание к документу
Документ
введен в действие с IV квартала 1981 года.
Взамен ВСН 030-70 Минэнерго СССР.
Название документа
"ВСН 25-80. Ведомственные строительные нормы. Инструкция по натурным испытаниям и исследованиям башенных градирен большой производительности"
(утв. Протоколом Минэнерго СССР от 10.12.1980 N 9-5/11)
"ВСН 25-80. Ведомственные строительные нормы. Инструкция по натурным испытаниям и исследованиям башенных градирен большой производительности"
(утв. Протоколом Минэнерго СССР от 10.12.1980 N 9-5/11)
Протоколом совместного
совещания Главниипроекта
и Главтехуправления
Минэнерго СССР
от 10 декабря 1980 г. N 9-5/11
ВЕДОМСТВЕННЫЕ СТРОИТЕЛЬНЫЕ НОРМЫ
ИНСТРУКЦИЯ
ПО НАТУРНЫМ ИСПЫТАНИЯМ И ИССЛЕДОВАНИЯМ
БАШЕННЫХ ГРАДИРЕН БОЛЬШОЙ ПРОИЗВОДИТЕЛЬНОСТИ
ВСН 25-80
Взамен ВСН 030-70
Минэнерго СССР
Срок введения
IV квартал 1981 года
Внесены Всесоюзным ордена Трудового Красного Знамени научно-исследовательским институтом гидротехники им. Б.Е. Веденеева и Производственным объединением Союзтехэнерго.
Утверждены Протоколом совместного совещания Главниипроекта и Главтехуправления Минэнерго СССР от 10 декабря 1980 г. N 9-5/11.
Инструкция составлена на основании опыта эксплуатации и натурных испытаний башенных градирен площадью орошения до 6400 м2 с использованием результатов лабораторных исследований и технологических расчетов.
Инструкция предназначена для обслуживающего персонала тепловых и атомных электростанций и производственных служб районных энергетических управлений, а также для научно-исследовательских, проектных и наладочных организаций, проводящих натурные исследования и наблюдения за работой башенных градирен и их наладку.
При составлении Инструкции использованы "Инструкция по эксплуатации башенных градирен на тепловых электростанциях" (СЦНТИ ОРГРЭС, М., 1972), "Указания по проведению натурных исследований башенных градирен" (ВСН 030-70/Минэнерго СССР ВНИИГ, Энергия, Л., 1972), которые аннулируются с введением в действие настоящей Инструкции, и учтен накопленный за последние годы опыт проведения натурных исследований, эксплуатации, наладки и технологических расчетов башенных градирен, выполненных в Южтехэнерго, Союзтехэнерго, ВНИИГ им. Б.Е. Веденеева, ЛО ТЭП и др.
В системах технического водоснабжения тепловых и атомных электростанций все большее распространение получают башенные градирни большой производительности (50000, 85000 и 100000 м3/ч).
В настоящее время введены в эксплуатацию башенные градирни площадью орошения 4000 и 6400 м2 и вводится градирня площадью орошения 9400 м2, производительностью около 100000 м3/ч.
При разработке проектов новых типов башенных градирен большой производительности используются результаты лабораторных и натурных исследований технологического характера.
В связи со сложностью процесса охлаждения и условий работы сооружений и частей, входящих в состав градирен, многие лабораторные исследования, как и расчеты, выполняются применительно к схемам, содержащим условности, иногда довольно существенные.
Поэтому особое значение приобретает необходимость проведения всесторонних натурных исследований головных градирен большой производительности. Результаты таких исследований позволят внести в типовой проект градирни уточнения, обеспечивающие ее оптимальные характеристики.
Градирня является одним из основных агрегатов, от которого зависит экономичность производства электроэнергии или другой продукции.
Охлаждение воды в градирне представляет собой сложный процесс, связанный со многими факторами. Поскольку от степени охлаждения воды в градирне зависит производительность турбины или промышленных агрегатов, то тщательность и объем проводимых натурных исследований, а также выявление связи процессов охлаждения с конструктивными особенностями градирни приобретают решающее значение в свете их совершенствования.
Интенсивность теплообмена между водой и воздухом зависит от:
а) развития поверхности охлаждаемой в градирне воды;
б) времени пребывания воды в зонах охлаждения;
в) расхода воздуха в градирне;
г) степени равномерности распределения воды и воздуха по площади орошения.
Расход охлаждающего воздуха, в свою очередь, зависит от следующих факторов: а) высоты башни градирни; б) площади воздуховходных окон градирни; в) площади выходного сечения башни градирни; г) конструкции и расположения оросительного устройства по отношению к воздушному потоку, проходящему через воздуховходные окна; д) температуры и влажности внешнего воздуха; е) расхода и температуры поступающей воды; ж) скорости ветра; з) местоположения градирни среди других градирен и сооружений.
При разработке настоящей Инструкции были изучены существующие методы измерений параметров работы градирен, уточнены и расширены задачи исследований, увеличены температурный, влажностный и ветровой диапазоны внешних условий, при которых должны быть проведены исследования и т.д.
При составлении работы использованы опубликованные по данному вопросу материалы и опыт проведения испытаний предприятием Южтехэнерго, Ленинградским отделением института Теплоэлектропроект, ВНИИГ им. Б.Е. Веденеева, ВОДГЕО, Ленинградским гидрометеорологическим институтом.
Инструкция составлена производственным объединением Союзтехэнерго (О.П. Ширшаков и Н.Я. Ткач) при участии Южтехэнерго (Г.А. Гаврюшенков) и ВНИИГ им. Б.Е. Веденеева (Ю.С. Недвига).
1.1. Настоящая Инструкция распространяется на все основные виды натурных гидроаэротермических испытаний башенных противоточных градирен большой производительности, предназначенных для охлаждения оборотной воды тепловых электростанций и промышленных предприятий.
1.2. Инструкция предназначена для наладочных, проектных, научно-исследовательских организаций и эксплуатационного персонала ТЭС и предприятий.
1.3. При обработке результатов исследований рекомендуется придерживаться следующей терминологии:
Головная градирня - первая градирня, построенная по вновь разработанному проекту.
Вытяжная башня - часть градирни, служащая для создания в ней тяги.
Оросительное устройство - устройство, в пределах которого в основном протекает процесс охлаждения.
Водораспределительное устройство - система, распределяющая охлаждаемую воду по площади оросительного устройства и состоящая из магистральных и рабочих трубопроводов или лотков и разбрызгивающих устройств.
Водоуловитель - устройство для улавливания мелких капель воды, выносимых проходящим через градирню воздушным потоком.
Водосборный бассейн - резервуар для сбора охлажденной воды.
Воздухораспределительное пространство - пространство, находящееся под оросительным устройством градирни, необходимое для подвода воздуха к оросителю.
Воздуховходные окна - отверстия в нижней части градирни, через которые воздух поступает в воздухораспределительное пространство.
Воздухонаправляющий козырек - устройство на воздуховходных окнах, служащее для более равномерного распределения воздуха по высоте.
Зимние щиты - навесные или поворотные щиты перед воздуховходными окнами, служащие для регулирования расхода воздуха, поступающего в градирню, и предупреждения обмерзания входных окон и оросителя в ее периферийной зоне.
Ветровые перегородки - вертикальные стенки, расположенные в воздухораспределительном пространстве градирни и предназначенные для устранения сквозной продувки этого пространства ветром и выноса воды через воздуховходные окна из градирни.
Подводящие водоводы - напорные трубопроводы, безнапорные лотки или каналы, подводящие нагретую воду к водораспределительной системе.
Отводящие водоводы - самотечные трубопроводы или каналы для отвода охлажденной воды из водосборного бассейна, направляющие ее к циркуляционным насосам, конденсаторам турбин или в водоем.
Эффективность охлаждения воды - степень приближения температуры охлажденной воды к температуре смоченного термометра, вызванная конструктивными особенностями градирни и метеорологическими факторами.
Унос воды из градирни - общее количество воды в виде пара и капель, образованных в факеле разбрызгивания и в оросителе, выносимое воздушным потоком из градирни.
Эффективность водоулавливания - отношение количества воды, уловленной водоуловительным устройством, к общему количеству капельной воды, выносимой воздухом из градирни.
Гарантия работы градирни - охлаждение подаваемой на градирню воды определенных характеристик при данных метеорологических условиях и температурном перепаде до температуры не выше расчетной.
Факел градирни - видимая часть выходящих из градирни пара и капельной воды.
Интенсивность выпадения - расход водных осадков из факела градирни на один квадратный метр поверхности земли.
1.4. При натурных исследованиях градирни, обработке результатов и составления отчетов необходимо придерживаться следующих обозначений:
U - тепловая нагрузка на градирню, Дж/с (ккал/с);
Q - гидравлическая нагрузка или производительность градирни, кг/с (м3/с);
q - плотность орошения, кг/(м3·с) [м2/(м2·с)];

- температура нагретой воды, поступающей в градирню, °C;

- температура охлажденной воды в градирне, °C;

- температурный перепад, °C;

- температура воздуха по сухому термометру, °C;

- температура воздуха по смоченному термометру, °C;

- барометрическое давление при 0 °C, Па (мм рт. ст.);

- барометрическое давление, Па (мм рт. ст.);

- относительная влажность воздуха, %;

- удельная теплоемкость воды, Дж/(кг·°C) [ккал/(кг·°C)];

- удельная теплоемкость влажного воздуха при постоянном давлении, Дж/(кг·°C) [(ккал/(кг·°C)];
r - теплота парообразования, Дж/кг (ккал/кг);
x - влагосодержание воздуха, кг/кг;
x" - влагосодержание насыщенного воздуха, кг/кг;
i - энтальпия (теплосодержание) влажного воздуха, отнесенная к 1 кг сухого воздуха в смеси, Дж/кг (ккал/кг);

- плотность воды (удельный вес воды), кг/м
3;

- плотность воздуха (удельный вес воздуха), кг/м
3;
i" - энтальпия (теплосодержание) насыщенного воздуха, отнесенная к 1 кг сухого воздуха в смеси, Дж/кг (ккал/кг);

- объемный коэффициент теплоотдачи, Вт/(м
3·с) [(ккал/(м
3·ч·°C)];

- объемный коэффициент массоотдачи, кг/(м
3·с·кг/кг) [кг/(м
3·ч·кг/кг)];

- общий коэффициент аэродинамического сопротивления градирни;

- коэффициент аэродинамического сопротивления оросительного устройства;

- скорость воздуха в полном сечении оросительного устройства, не стесненном конструктивными элементами, м/с;

- объем оросителя, м
3;

- температура воздуха по смоченному термометру в створе над оросителем, °C;
w - скорость ветра, м/с;
V - расход воздуха в градирне, м3/с;

- удельный расход воздуха в градирне, м
3/м
2·с;
z - сила тяги в градирне, Па (кг/м2);
z' - полное сопротивление градирни, Па (кг/м2);

,

,

,

,

,

- коэффициенты аэродинамического сопротивления входа, воздухораспределительного пространства, оросительного устройства, факела, водоуловительного устройства, выхода градирни;

- расход осадков из факела градирни на 1 м
2 поверхности земли, г·с/м
2;
H - высота градирни (от поверхности земли до выходного сечения башни), м;

- высота вытяжной башни (от верха водораспределительного устройства до выходного сечения башни), м;

- высота оросительного устройства, м;

- высота воздуховходных окон, м;

- площадь воздуховходных окон, м
2;

- площадь выходного сечения башни градирни, м
2;

- площадь оросительного устройства, м
2;

- расход воды, добавленной в оборотную систему, кг/с·(м
3/ч);

- расход воды, уносимой из градирни (вынос), кг/с·(м
3/ч);

- расход воды, испарившейся в атмосферу, кг/с·(м
3/ч);

- расход воды, выносимой из градирни в виде капель, кг/с·(м
3/ч);

- расход воды, забираемой из оборотной системы на технические нужды, кг/с·(м
3/ч);

- скорость воды в трубопроводе, м/с;

- температура добавочной воды, °C;

- средняя скорость воздуха при входе в градирню, м/с;

- средняя скорость воздуха при выходе из башни градирни, м/с;
g - ускорение силы тяжести, 9,80 м/с2;

- разность давлений между атмосферным и внутри градирни, Па (мм рт. ст.);

,

,

,

,

,

- характеристики наружного воздуха, входящего в градирню;

,

,

,

,

,

- характеристики воздуха, выходящего из оросителя;

,

,

,

,

,

- характеристики воздуха, выходящего из градирни.
Программа и цель испытаний
1.5. В зависимости от поставленной цели натурные гидротермические и аэродинамические испытания градирен большой производительности подразделяют на следующие виды:
а) приемочные;
б) эксплуатационные;
в) балансовые исследования головных градирен.
Поскольку качественным показателем эффективности работы градирни является температура охлажденной воды, приемочные испытания градирни (при вводе ее в эксплуатацию) сводятся к определению фактической температуры охлажденной воды и сопоставлению с расчетным ее значением. Если фактическая температура охлажденной воды на выходе из градирни не превышает расчетное ее значение, то работу такой градирни можно признать удовлетворительной. В противном случае выявляются причины неудовлетворительного охлаждения воды с последующим их устранением и доведением работы градирни до расчетных параметров. Это и является целью приемочных испытаний. Эксплуатационные испытания градирни проводятся в процессе ее эксплуатации с целью контроля за работой градирни после проведения ремонтов и получения исходных данных, необходимых для составления графиков поддержания режима экономического вакуума со стороны циркуляционного водоснабжения.
1.6. В задачу испытаний головных градирен входят:
а) установление эффективности охлаждения воды в градирне, влияния действия ветра на работу градирни, а также отдельных ее частей (оросительное устройство, разбрызгивающее устройство, воздухораспределительное пространство и др.) при основных исследованиях;
б) определение значений опытных величин, входящих в число исходных данных для технологического расчета градирни (коэффициенты тепло- и массоотдачи, общий коэффициент аэродинамического сопротивления и пр.) при специальных исследованиях;
в) определение величин, учитываемых в технологическом расчете градирни по данным лабораторных исследований (охлаждение воды в факелах разбрызгивания, оросителе и воздухораспределительном пространстве);
г) определение эффективности водоулавливания и коэффициента аэродинамического сопротивления установленного водоуловителя;
д) определение выпадения осадков из факела градирни (интенсивность выпадения, гранулометрический состав капель, длина и ширина зоны выпадения осадков).
1.7. На основании полученных результатов испытания головных образцов градирни производится оценка эффективности примененных оросителя, водораспределительной системы и водоуловителя.
1.8. Испытания головных градирен проводятся следующим образом:
основные испытания - в два этапа: в весенний или осенний период года при температурах воздуха 5,0 - 20,0 °C, и в летний жаркий период года при температурах воздуха выше 20,0 - 25,0 °C; длительность наблюдений каждого этапа должна быть не менее одного месяца;
специальные испытания выполняются во время проведения основных испытаний при соответствующих диапазонах метеорологических условий.
1.9. Все измерения проводятся, как правило, в дневной период суток в течение шести - восьми часов через каждые 30 мин в условиях работы градирни при ветре 1 - 3 м/с и при штиле.
Если наступление штиля в дневные часы маловероятно, то необходимо провести наблюдения в утренние часы, а в случае применения автоматической записи показаний датчиков - в ночное время, причем, в этих условиях опыт может считаться удавшимся, если длительность штилевого периода была порядка 2 ч.
Для выяснения же степени зависимости аэротермических характеристик градирни от скорости ветра необходимо проводить специальные опыты при намеченных нагрузках при любой скорости ветра более 3 м/с.
1.10. Каждое отдельное наблюдение всего цикла натурных исследований должно проводиться при установившихся тепловой и гидравлической нагрузках.
Отклонения в нагрузках не должны превышать: гидравлической +/- 3%, тепловой +/- 10% от средней.
1.11. Испытания головных градирен необходимо проводить не менее чем при трех гидравлических и тепловых нагрузках.
1.12. Первая серия опытов проводится при гидравлической нагрузке, близкой к расчетной, вторая - при гидравлической нагрузке, составляющей 70 - 80% от расчетной, и третья - 50 - 60% от расчетной.
1.13. Ширина зоны охлаждения (перепад температуры

) должна быть в пределах 5 - 12 °C.
1.14. Количество опытов при каждой тепловой и гидравлической нагрузках должно составлять не менее пяти. Полученные результаты замеров за каждый опыт (6 - 8 ч) заносятся в табличной форме в специальный журнал.
1.15. При выпадении атмосферных осадков (дождь, снег) испытания проводить не следует.
1.16. Проведению натурных испытаний головной градирни предшествуют следующие подготовительные мероприятия:
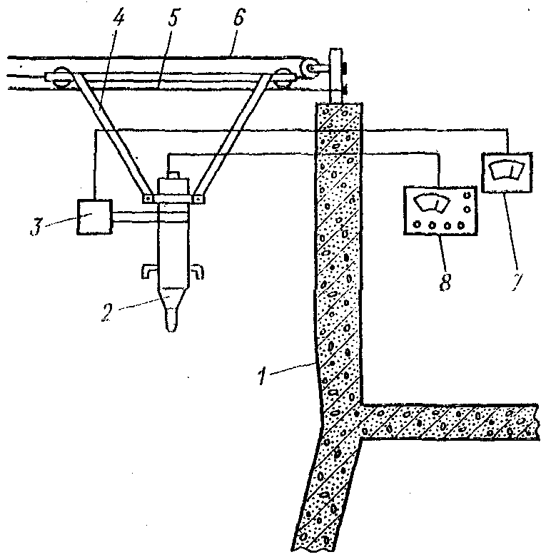
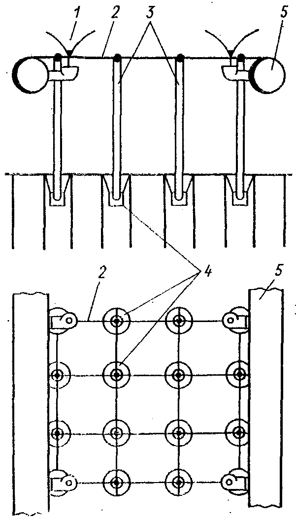
1) Выполняются дополнительные приспособления, необходимые для проведения испытаний (кронштейны, переходы над оросителем, навесные люльки, тросы для подвешивания и передвижения приборов на различных уровнях башни градирни, металлические трубки для соединения датчиков давлений с измерительными приборами, будки для размещения приборов, лестницы и др.), подготавливаются комплексы датчиков и измерительной аппаратуры для определения технологических характеристик работы градирни (точки установки датчиков на рис. 1).
Рис. 1. Схема размещения точек для измерения
параметров воды и воздуха
1 - температура воды; 2 - температура воздуха;
3 - скорость воздуха; 4 - давление воздуха;
5 - влажность воздуха; 6 - скорость воды
2) Подводящие воду трубопроводы градирни оборудуются устройствами, позволяющими измерять расходы воды.
3) Тщательно обследуются конструкции и размеры как всей градирни, так и отдельных ее элементов, вносятся возможные исправления, а все несоответствия проекту отмечаются в описании градирни и в протоколе обследования.
Должны быть обязательно проверены следующие элементы градирни и их размеры: площадь орошения, высота входных окон, состояние водораспределительного и оросительного устройств, высота подачи воды, тип и конструкция оросительного устройства и отдельных его элементов, диаметры выходных сечений сопл и сетка расположения сопл по площади оросителя, размеры, очертания и конструктивные особенности устройств на входных окнах, высотные отметки бассейна, водораспределителя, оросителя и т.п.
4) Составляются рабочая программа и календарный план основных испытаний, при проведении которых должны быть измерены следующие параметры, характеризующие работу градирни и отдельных ее элементов: расход поступающей на градирню воды Q, м
3/ч; температура поступающей на градирню воды

, °C; температура охлажденной воды

, °C; скорость ветра w, м/с; направление ветра; температура наружного воздуха по сухому термометру

, °C; температура наружного воздуха по смоченному термометру

, °C; барометрическое давление

, Па (мм рт. ст.).
5) Составляются рабочая программа и календарный план специальных испытаний с определением, дополнительно к основным значениям, следующих параметров: температур воздуха над оросительным устройством

,

, °C; скоростей воздуха над оросительным устройством

, м/с; величина перепадов давлений между атмосферой и в башне над оросителем

, Па (мм рт. ст.); температур воды в факеле разбрызгивания

, °C; температур воды в воздухораспределительном пространстве

, °C; температур воды в оросительном устройстве

, °C; распределения напора воды в соплах по площади оросительного устройства; скоростей воздуха в выходном сечении башни градирни

, м/с; скоростей воздуха во входных окнах градирни

, м/с; величин перепадов давлений между атмосферой и в башне на выходе из градирни

, Па (мм рт. ст.); расхода выносимой из градирни воды в виде мелких капель

, м
3/ч; скоростей и направлений движения воздуха внутри башни градирни над оросителем в зависимости от направления и скорости ветра, а также местоположения ее среди других строений и соседних градирен

, м/с; скоростей воздуха и распределения их внутри градирни в зависимости от степени закрытия входных окон щитами

, м/с; интенсивности и гранулометрического состава осадков из факела градирни на окружающую территорию; расхода выносимой из градирни воды путем испарения

, м
3/ч.
1.17. Испытания проводятся:
а) приемочные - производственным объединением Союзтехэнерго, либо службами наладки энергоуправлений;
6) эксплуатационные - производственным персоналом энергопредприятий или службой наладки энергоуправления;
в) балансовые исследования головных градирен - производственным объединением Союзтехэнерго с привлечением институтов Теплоэлектропроект и ВНИИГ им. Б.Е. Веденеева для выполнения специальных аэродинамических исследований и измерения уноса воды через устье башни.
1.18. Все приборы, необходимые для испытания градирен, за исключением приборов по определению уноса воды, выпускаются промышленностью.
1.19. Приборы для определения уноса воды и электропсихрометр разработаны ВНИИГ им. Б.Е. Веденеева
[1] и промышленностью еще не освоены.
Документацию по данным приборам можно заказать по адресу: 195220, Ленинград, Гжатская ул., 21, ВНИИГ им. Б.Е. Веденеева.
2. МЕТОДИКА ИЗМЕРЕНИЙ ХАРАКТЕРНЫХ ПАРАМЕТРОВ ВОДЫ
И ВОЗДУХА В ГРАДИРНЕ
Измерение расхода циркуляционной воды
в напорных трубопроводах
2.1. Для градирен большой производительности (более 50000 м3/ч) диаметры подводящих водоводов достигают 2000 мм и более. В связи с этим измерение расхода циркуляционной воды по данным водоводам рекомендуется производить с помощью сегментных диафрагм. Этот способ заключается в измерении перепада давлений до и после диафрагмы.
Диафрагма (рис. 2) представляет собой плоскую сегментную перегородку и устанавливается перпендикулярно оси водовода.
Рис. 2. Сегментная диафрагма
1 - стенка трубопровода; 2 - сегментная диафрагма;
3 - штуцера для подсоединения импульсных трубок
Передняя кромка диафрагмы так же, как и у нормальной диафрагмы, скошена под углом 30 - 45° с тыльной стороны.
2.2. Перед сегментной диафрагмой водовод должен иметь прямолинейный участок длиной не менее десяти диаметров водовода. Диафрагму следует устанавливать вблизи существующих смотровых люков примерно на расстоянии 2 - 3 м до них. После установки сегментной диафрагмы измеряется действительная высота сегмента и внутренний диаметр водовода. В качестве вторичного прибора для измерения перепада давлений применяют П-образный дифманометр с заполнением вода - воздух, либо дифференциальный мембранный манометр с пределом измерений 0 - 630 МПа и автоматический самопишущий прибор типа КСД-2. Этот способ имеет относительно высокую точность измерения расхода воды (погрешность 2 - 3%), простоту изготовления, установки диафрагмы и обслуживания вторичного прибора. Сегментная диафрагма может устанавливаться в напорных водоводах любого диаметра.
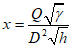
Расход воды определяется по формуле

,
где

- коэффициент расхода диафрагмы;

- отношение площади сечения сегментного отверстия к сечению трубопровода;
D - внутренний диаметр водовода, см;
h - перепад давлений на диафрагме, Па/9,8 (мм рт. ст.);

- плотность воды, кг/м
3.
2.3. Расчет сегментной диафрагмы производится для следующих заданных величин: внутреннего диаметра водовода D, максимального расхода воды Q и максимального перепада давлений на диафрагме h.
| | ИС МЕГАНОРМ: примечание. Формула расхода дана в соответствии с официальным текстом документа. | |
Обозначаем в предыдущей формуле расхода воды Q через произведение

, тогда

или

. Подставляя сюда известные Q, D,

и задаваясь h, определяем x.
Для полученного значения x по графику рис. 3 определяется относительная высота сегмента n. Коэффициент расхода

и относительное сечение m определяются для найденного значения n по
табл. 1.
Рис. 3. Зависимость n = a/D от комплекса x
(к расчету сегментной диафрагмы)
Относительная высота сегмента n | Коэффициент расхода диафрагмы  | Относительное сечение m |
0,68 | 0,7709 | 0,7241 |
0,69 | 0,7774 | 0,7359 |
0,70 | 0,7841 | 0,7476 |
0,71 | 0,7905 | 0,7592 |
0,72 | 0,7977 | 0,7707 |
0,73 | 0,8052 | 0,7821 |
0,74 | 0,8131 | 0,7933 |
0,75 | 0,8214 | 0,8043 |
0,76 | 0,8300 | 0,8152 |
0,77 | 0,8391 | 0,8260 |
0,78 | 0,8486 | 0,8367 |
0,79 | 0,8584 | 0,8472 |
0,80 | 0,8685 | 0,8575 |
0,81 | 0,8789 | 0,8676 |
0,82 | 0,8897 | 0,8775 |
0,83 | 0,9009 | 0,8872 |
0,84 | 0,9119 | 0,8967 |
0,85 | 0,9244 | 0,9060 |
0,86 | 0,8360 | 0,9150 |
0,87 | 0,9496 | 0,9237 |
0,88 | 0,9628 | 0,9321 |
0,89 | 0,9764 | 0,9402 |
Подставляя полученные значения

и m в формулу расхода воды Q, проверяем принятую в расчете величину перепада давлений на диафрагме h. В случае отклонения h более чем на 5% производится уточнение расчета для нового значения h.
2.4. Конструктивные размеры сегментной диафрагмы определяются по относительной высоте сегмента n = a/D, где a - высота сегментного отверстия, см
(рис. 2); D - внутренний диаметр водовода, см.
2.5. Высота сегментной перегородки t = D - a, см. Толщина сегментной перегородки для трубопроводов диаметром 2000 - 3000 мм принимается

; толщина скоса сегментной диафрагмы

.
Для сегментной диафрагмы, устанавливаемой в напорные водоводы, максимальное значение h принимается не выше 5000 - 6000 Па.
Пример расчета сегментной диафрагмы
Исходные данные. Внутренний диаметр водовода D = 254,8 см. Максимальный расход воды по водоводу (определяется предварительно по рабочим характеристикам циркуляционных насосов, либо из теплового баланса конденсаторов) Q = 46800 м
3/ч. Плотность воды при температуре 10 °C

.
Принимаем перепад давлений на сегментной диафрагме h = 4900 Па.
По уравнению

находим

.
По
рис. 3 определяем n = 0,836. Для найденного n по
табл. 1 определяем значения

и m = 0,8833.
По формуле для расхода воды Q проверяем расчет:

,
откуда находим h = 5060 Па. Погрешность расчета 3,5%, что меньше 5%, поэтому перерасчет не производим.
Определяем конструктивные размеры диафрагмы.
Высота сегментного отверстия

.
Высота сегментной перегородки

.
2.6. В случае невозможности установки на подводящих водоводах сегментных диафрагм измерение расхода циркуляционной воды следует производить гидрометрической трубкой Прандтля. При измерении скоростей воды с помощью трубки Прандтля трубку устанавливают на прямолинейном участке трубопровода. Причем длина прямолинейного участка трубы должна составлять не менее десяти диаметров навстречу потоку воды и не менее пяти диаметров по ходу от места установки трубки. Трубку устанавливают перпендикулярно оси трубы. При диаметре трубы более 1,5 м для измерения скоростей воды следует применять две трубки, располагая их взаимно перпендикулярно на расстоянии 0,9 - 1,5 м друг от друга.
Принцип действия трубки Прандтля основан на измерении гидродинамического давления

, Па,
где p - полное давление воды в трубе;

- статическое давление.
Из

;

,
где v - средняя скорость воды в трубе, м/с;
g - ускорение силы тяжести, м/с2;

- плотность воды, кг/м
3.
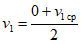
2.7. Гидродинамическое давление в трубопроводе соответствует перепаду показаний дифманометра, присоединенного резиновыми шлангами к трубке. Поскольку скорости воды в подводящих трубах обычно превышают 1 м/с, то применяют П-образный дифманометр с заполнением вода - воздух. Если скорость воды в трубе меньше 1 м/с (при этом величина гидродинамического давления составляет менее 490 Па), то заполнение дифманометра следует производить жидкостью с плотностью 1200 - 1600 кг/м3 и пользоваться U-образным дифманометром. Для получения средней скорости движения воды в трубопроводе производят измерение скоростей по всему сечению трубы.
Так как распределение скоростей движения воды по сечению трубы зависит от многих факторов и вывести определенную зависимость средней скорости движения воды в трубопроводе не представляется возможным, поэтому распределение скоростей течения воды по сечению трубы определяется для каждого случая экспериментально. Для этой цели сечение трубы разбивают на равновеликие концентрические площадки и измерение перепадов давлений производят в двух точках каждой площадки на равноудаленных расстояниях от центра трубы.
Расстояние до точек замера от центра трубы определяют из выражения

,
где z - расстояние до точки замера от центра трубы, м;
R - внутренний радиус трубы, м;
n - порядковый номер точки замера;
m - принятое число равновеликих площадок.
Для установки трубки в точке замера штанга ее должна быть соответственно размечена.
Фактический диаметр трубы определяется по длине трубки Прандтля из выражения D = H + d, где H - расстояние между верхним и нижним положением трубки, м; d - диаметр горизонтального участка трубки, м.
2.8. Для определения расстояния точек замера по обе стороны от центра круглого трубопровода в долях от R можно пользоваться табл. 2.
Таблица 2
Расстояния точек измерения скоростей воды от центра
трубопровода в долях от R (каждое расстояние берется
с двумя знаками)
Число площадок-колец, m |
m/r | 1 | 2 | 3 | 4 | 5 | 6 | 7 | 8 | 9 | 10 | 11 | 12 | 13 | 14 | 15 | 16 | m\r |
r1 | 0,707 | 0,500 | 0,409 | 0,354 | 0,316 | 0,290 | 0,267 | 0,250 | 0,236 | 0,224 | 0,213 | 0,204 | 0,196 | 0,189 | 0,183 | 0,177 | r1 |
r2 | | 0,866 | 0,707 | 0,612 | 0,548 | 0,500 | 0,466 | 0,433 | 0,406 | 0,388 | 0,370 | 0,354 | 0,339 | 0,328 | 0,316 | 0,306 | r2 |
r3 | | | 0,914 | 0,790 | 0,707 | 0,646 | 0,597 | 0,559 | 0,528 | 0,500 | 0,477 | 0,456 | 0,438 | 0,423 | 0,408 | 0,396 | r3 |
r4 | | | | 0,936 | 0,836 | 0,764 | 0,707 | 0,661 | 0,624 | 0,592 | 0,564 | 0,540 | 0,519 | 0,500 | 0,482 | 0,458 | r4 |
r5 | | | | | 0,949 | 0,866 | 0,805 | 0,751 | 0,707 | 0,671 | 0,639 | 0,612 | 0,589 | 0,567 | 0,548 | 0,531 | r5 |
r6 | | | | | | 0,957 | 0,885 | 0,829 | 0,782 | 0,741 | 0,707 | 0,678 | 0,650 | 0,627 | 0,614 | 0,586 | r6 |
r7 | | | | | | | 0,964 | 0,902 | 0,851 | 0,805 | 0,770 | 0,737 | 0,707 | 0,681 | 0,658 | 0,637 | r7 |
r8 | | | | | | | | 0,968 | 0,914 | 0,866 | 0,826 | 0,790 | 0,759 | 0,732 | 0,707 | 0,655 | r8 |
r9 | | | | | | | | | 0,972 | 0,922 | 0,880 | 0,841 | 0,809 | 0,778 | 0,752 | 0,730 | r9 |
r10 | | | | | | | | | | 0,975 | 0,930 | 0,891 | 0,855 | 0,823 | 0,796 | 0,771 | r10 |
r11 | | | | | | | | | | | 0,977 | 0,935 | 0,808 | 0,866 | 0,837 | 0,810 | r11 |
r12 | | | | | | | | | | | | 0,978 | 0,941 | 0,908 | 0,876 | 0,847 | r12 |
r13 | | | | | | | | | | | | | 0,982 | 0,945 | 0,913 | 0,884 | r13 |
r14 | | | | | | | | | | | | | | 0,982 | 0,949 | 0,919 | r14 |
r15 | | | | | | | | | | | | | | | 0,983 | 0,951 | r15 |
r16 | | | | | | | | | | | | | | | | 0,983 | r16 |
Примечание. r - радиус окружности, делящей кольцо на две равновеликие площади, в долях от R.
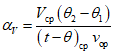
2.9. Коэффициент неравномерности распределения скоростей течения воды в трубе определяется из выражения

,
где

- перепады давлений в точках замера, Па;

- перепад давлений в центре трубопровода, Па.
Тогда средняя скорость движения воды в трубопроводе

.
2.10. Для трубопровода круглого сечения расход воды подсчитывается по зависимости

, м
3/ч, где D - внутренний диаметр трубы, м.
Измерение расхода циркуляционной воды в самотечных каналах
2.11. При подаче воды на градирню подводящим каналом, либо при невозможности определения расходов воды в подводящем трубопроводе измерения расходов следует производить в открытом отводящем канале.
2.12. При измерениях необходимо учитывать потери воды на испарение и унос.
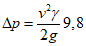
Потери на испарение определяются по формуле

, %, где

- температурный перепад; K - коэффициент, учитывающий долю теплоотдачи испарением в общей теплоотдаче, принимаемый по графику, приведенному на
рис. 1-2 (Приложение 1).
Потери на капельный унос через верх башни (вертикальный унос) составляют: в градирнях с водоуловителем - не более 0,05%, в градирнях без водоуловителя - 0,5 - 0,6% от общего расхода воды на градирню.
2.13. Потери воды через воздуховходные окна (горизонтальный унос) при наличии периферийных ветровых перегородок составляют не более 0,01% от общего расхода воды на градирню.
2.14. При измерении скоростей воды вертушкой створ для замера выбирают на прямолинейном участке протяженностью не менее 10 - 15-кратной ширины канала. Разбивка гидрометрических вертикалей по ширине канала производится не реже, чем через 25 см. Первая и последняя вертикали разбиваются на расстоянии не менее 10 см от стенок канала. Измерение скоростей воды по вертикали производят в трех точках (при глубине воды до 0,8 м), составляющих 0,2; 0,6; 0,8 от глубины воды в канале. При большей глубине измерения скоростей по вертикали следует производить в пяти точках: у поверхности, на расстоянии 0,2; 0,6; 0,8 глубины, а также у дна.
2.15. Среднюю скорость воды на вертикали при измерении в трех точках подсчитывают по формуле

. При замерах в пяти точках - по формуле

.
2.16. Расход воды, проходящий по сечению канала в створе замеров, определяют по формуле

,
где

- средняя скорость воды по сечению между первой вертикалью и стенкой канала; здесь

- средняя скорость на 1-й вертикали;

- средние скорости воды по сечению между смежными вертикалями, например

, и соответственно

- средняя скорость воды по сечению между последней вертикалью и второй стенкой канала;

- расстояние между соответствующими вертикалями, м;

- средняя глубина воды между соответствующими вертикалями, м;
n - число гидрометрических вертикалей.
2.17. При небольших скоростях движения воды в канале (0,5 - 0,8 м/с), горизонтальном дне и равных расстояниях между вертикалями (и тех же расстояниях ближайших вертикалей от стенок канала) формула подсчета расхода воды упрощается и имеет вид
Q = 3600·v·H·B, м3/ч,
где B - ширина канала, м;
H - глубина воды в створе замера, м;
v - средняя скорость воды в канале, м/с.
Правила пользования вертушкой Жестовского даются в паспорте к прибору.
Измерение температуры воды
2.18. Измерение температуры воды, поступающей на градирню по трубопроводу, производится в специальном кармане (рис. 4), ввариваемом в трубопровод для установки ртутного термометра. Погружение кармана в трубопровод должно быть не менее 200 - 300 мм. Перед началом опыта карман заполняют машинным маслом.
Рис. 4. Карман для термометра
2.19. Измерение температуры охлажденной воды на выходе из градирни производят в водосборном резервуаре перед сливными колодцами.
2.20. Для замера температуры воды в резервуаре градирни ртутные термометры помещают в специальную гильзу со стаканом в нижней части (рис. 5), позволяющим сохранить показание термометра в момент производства отсчета. Температура воды в каналах замеряется по аналогии с измерением охлажденной воды на выходе из градирни. Применяемые для измерения температур воды термометры должны быть с ценой деления 0,1 и со шкалой в пределах 0 - 50 °C.
Рис. 5. Гильза для ртутного термометра
2.21. Для исследования охлаждения воды в факеле разбрызгивания производятся измерения температур воды в нескольких точках на верхней отметке оросительного устройства.
2.22. В качестве исследуемой принимается площадка оросителя между соседними 4 насадками или соплами системы водораспределения.
2.23. Улавливание капель на оросителе в намеченных точках производится воронками, заглушенными тампонами из поролона. В воронки помещаются термометры сопротивления (рис. 6).
Рис. 6. Точки для измерения температуры воды
в факеле разбрызгивания
1 - факел разбрызгивания; 2 - сетка для подвешивания
термометров сопротивления; 3 - термометры сопротивления;
4 - воронки Д = 50 мм; 5 - трубопроводы
водораспределительного устройства
2.24. Во избежание сколько-нибудь существенного уменьшения расхода воздуха через исследуемую площадку диаметры воронок должны быть не более 50 мм.
2.25. Для определения охлаждения воды в оросителе в характерных точках его площади (в 3 - 5 точках по высоте и на входе и выходе воды из оросителя) устанавливаются термометры сопротивления (рис. 7).
Рис. 7. Точки для измерения параметров воды и воздуха
при специальных исследованиях
1 - термометры сопротивления; 2 - психрометр;
3 - кронштейн; 4 - электроанемометр; 5 - трубка Нифера;
6 - разбрызгивающее устройство; 7 - воронки Д = 50 мм;
8 - ороситель; 9 - воронки Д = 70 - 120 мм; 10 - ящик
2.26. Установка датчиков температур в оросителе либо предусматривается заранее (датчики укрепляются во время монтажа оросителя), либо в намеченных точках площади оросителя отдельные (единичные) щиты не закрепляются, с тем, чтобы перед испытанием их можно было вытащить и закрепить на них датчики.
2.27. На вертикалях измерения температур воды в оросителе одновременно измеряются температура, скорость и влажность выходящего из оросителя воздуха
(рис. 7).
2.28. Характер распределения температуры охлажденной в оросителе воды по его площади определяется путем измерения температуры стекающей с оросителя воды в точках, соответствующих точкам измерения температур и скоростей воздуха над оросительным устройством.
2.29. Для сбора воды в намеченных точках подвешиваются воронки диаметром 70 - 120 мм с тампонами из поролона. В воронках укрепляются термометры сопротивления
(рис. 7). Изолированные провода термометров сопротивления выводятся наружу к регистрирующему прибору, установленному вне градирни.
2.30. Степень охлаждения в воздухораспределительном пространстве определяется путем измерения температур воды с помощью термометров сопротивления, помещенных в деревянные ящики размерами 500 x 500 x 100 мм, которые закрепляются непосредственно над уровнем воды в бассейне.
Измерение температуры и влажности воздуха над оросителем
2.31. Измерение температуры воздуха над факелом разбрызгивания осуществляется при помощи термометров сопротивления или ртутных термометров, устанавливаемых, по меньшей мере, по двум взаимно перпендикулярным диаметрам градирни в точках окружностей, делящих каждое намеченное кольцо - элемент равновеликой площади оросителя - на две равные площадки.
2.32. Количество равновеликих площадей-колец, на которые делится вся площадь орошения, принимается 6 - 10 (рис. 8).
Рис. 8. Разбивка площади оросителя градирни
на равновеликие кольца

- расстояние от центра до окружностей, делящих
равновеликие кольца на две равные части; R - радиус
градирни; I - VI - равновеликие кольца
2.33. Ртутные термометры или термометры сопротивления стационарно подвешиваются на высоте 2,0 - 2,5 м над водораспределительным устройством, а в случае наличия водоуловителя - на высоте 2,0 м над ним, на специальных кронштейнах
(рис. 7).
2.34. Измерение температуры воздуха внутри градирни производится через каждые 30 мин одновременно со всеми остальными замерами.
2.35. Влажность воздуха над оросителем замеряется при помощи электропсихрометров
(Приложение 1) в точках измерения температур воздуха
(рис. 7).
Измерение скорости воздуха над оросителем
и в воздуховходных окнах
2.36. Измерение скорости воздуха над оросителем производится в точках определения его температур над водоулавливающим устройством
(рис. 7) с помощью электроанемометров, установленных стационарно и соединенных с регистрирующим прибором коаксиальными кабелями.
Применение электронных схем и автоматической записи показаний стационарно установленных электроанемометров позволяет в течение 10 - 15 с определить скорости воздуха в 100 точках, т.е. практически выявить мгновенное поле скоростей по сечению башни градирни (комплекс разработан во ВНИИГ).
2.37. Общий объемный расход влажного воздуха определяется по формуле:

.
2.38. Для выявления распределения расхода воздуха в воздуховходных окнах градирни скорости его измеряются чашечными электроанемометрами с флюгерами, позволяющими определить и направление движения воздушного потока.
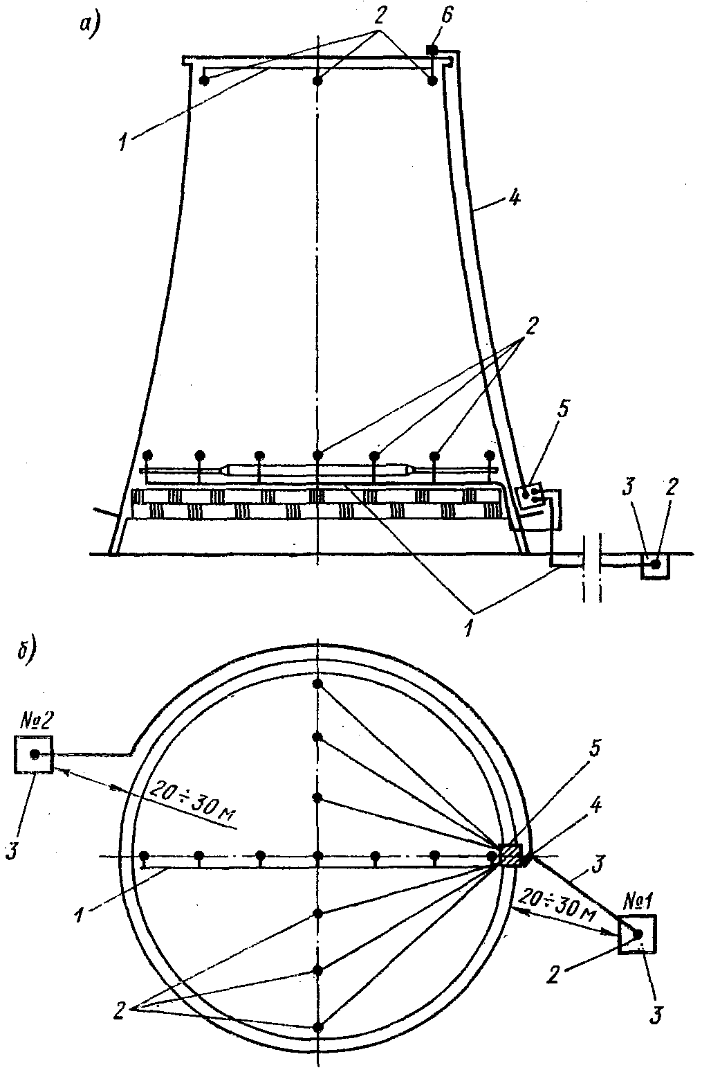
Электроанемометры размещаются в центрах равновеликих площадок, на которые разбивается площадь входных окон (не менее 3 по высоте окна и не более чем через 90° по окружности основания башни градирни) (рис. 9) и в створах измерения скоростей воздуха над оросителем.
Рис. 9. Разбивка площади входных окон
на равновеликие площадки
1 - башня градирни; 2 - козырек; 3 - электроанемометры;
4 - равновеликие площадки

, на которые разделена площадь
входного окна; 5 - электроанемометры над оросителем
2.39. Расход воздуха, проходящего через входные окна, определяется по зависимости:

,
а средняя скорость

определяется по зависимости

,
где n - количество точек измерения скоростей воздуха.
Измерение температуры, влажности и барометрического
давления наружного воздуха, а также скорости ветра
2.40. Для измерения температуры и влажности воздуха, а также скорости ветра оборудуется временный метеорологический пункт. Выбор места расположения метеорологического пункта производится с таким расчетом, чтобы на показания приборов не оказывали влияние градирня и другие сооружения. Поскольку влияние на градирни сказывается при изменении направления ветра, следует оборудовать не менее двух диаметрально расположенных относительно градирни метеорологических пунктов. Измерение гидрометеорологических факторов выполняется специальными приборами, а именно: температура воздуха по сухому и влажному термометрам измеряется с помощью аспирационного психрометра Ассмана, скорость ветра - ручным чашечным анемометром, барометрическое давление - барометром-анероидом. По графику зависимости между температурами воздуха по сухому и влажному термометрам определяется относительная влажность воздуха
(Приложение 3).
2.41. Поскольку приведенный на
рис. 3-4 Приложения 3 график справедлив только для барометрического давления

, для других значений атмосферного давления при определении относительной влажности воздуха следует пользоваться психрометрическими таблицами или формулой:

,
где P - парциальное давление пара в воздухе, Па;

- давление насыщенного водяного пара при температуре воздуха по сухому термометру

, Па.
2.42. Парциальное давление пара в воздухе подсчитывается по "психрометрической" формуле:

,
где

- давление насыщенного водяного пара при температуре воздуха по влажному термометру

, Па;
A - психрометрический коэффициент, равный

для психрометра Ассмана, причем здесь

в Па.
2.43. Давления

и

определяются по таблицам давлений насыщенного водяного пара.
2.44. В
табл. 3-4 Приложения 3 приведены значения давления насыщенного водяного пара, охватывающие диапазон температур, имеющих место при эксплуатации градирен.
2.45. Влагосодержание воздуха при давлениях, отличных от давления, для которого составлена диаграмма влагосодержания воздуха
(Приложение 2), определяется по зависимости:

,
где

- парциальное давление пара, Па;

- давление насыщенного пара при данной температуре воды, определяемое по
табл. 3-4 Приложения 3.
2.46. Теплосодержание воздуха при давлениях, отличных от давления, для которого составлена диаграмма теплосодержания воздуха
(Приложение 2), определяется по зависимости:

,
где t - температура воды, °C.
2.47. Высота расположения психрометра и анемометра над поверхностью земли должна составлять 2 м.
2.48. Методика измерения температуры воздуха психрометром Ассмана сводится к следующему.
За пять минут до замера производится смачивание батиста влажного термометра дистиллированной водой, после чего заводится вентилятор прибора. Отсчет температур производится на 4-й минуте с точностью до 0,1 °C. При работе с прибором необходимо руководствоваться инструкцией к нему и следить, чтобы вода не попала на сухой термометр, а направление скорости ветра было относительно прибора в сторону наблюдателя.
2.49. Измерение скорости ветра выполняется ручным чашечным анемометром, устанавливаемым на двухметровой штанге.
Работа с анемометром сводится к следующему. Перед включением анемометра в работу производится отсчет по шкале, после чего одновременно с включением анемометра включают секундомер. Продолжительность работы анемометра должна составлять не менее 3 мин, после чего производят одновременно отключение анемометра и секундомера и записывают показания приборов. Барометр-анероид обычно помещают на специально изготовленную площадку, располагаемую на высоте 1,5 - 1,6 м от поверхности земли.
Для приведения показаний анероида к 0 °C используется зависимость:

.
2.50. Помимо перечисленных характеризующих параметров определяется также направление ветра и визуально облачность.
Измерение аэродинамического сопротивления градирни
2.51. Измерения перепадов давления выполняются с помощью трубок Нифера, подключенных к микроманометру ММН с наклонной шкалой.
2.52. Отсчеты по микроманометру производятся одновременно с измерением скоростей воздуха над оросителем.
Средняя величина перепада давлений для каждого опыта определяется по зависимости:

,
где

- перепады давлений между атмосферой и соответствующими точками внутри градирни 1, 2,..., Па;
m - количество точек (не менее 10) измерения внутри градирни (схема расположения датчиков приведена на
рис. 10);
n - количество отсчетов по микроманометру при измерении перепадов давлений для одной точки.
Рис. 10. Схема расположения по высоте (а) и в плане (б)
точек для измерения давлений
1 - резиновая трубка; 2 - трубка Нифера; 3 - приямок;
4 - металлическая трубка; 5 - микроманометр;
6 - тройник
2.53. Трубки Нифера внутри градирни располагаются на расстоянии не более 10 м одна от другой и в точках установки анемометров над водораспределительным устройством (рис. 10).
2.54. Трубка Нифера, устанавливаемая вне градирни, располагается в приямке в земле только с наветренной стороны градирни на расстоянии от нее не менее 20 м
(рис. 10).
2.55. Соединения микроманометра с трубками Нифера, устанавливаемыми в башне градирни и в приямке, осуществляются вакуумной резиновой трубкой D = 6 - 8 мм, а на участках, где возможны колебания ее от ветра, - с помощью тщательно закрепленной металлической трубки.
2.56. Все соединения металлических с резиновыми трубками тщательно герметизируются от внешней среды.
2.57. Коэффициент аэродинамического сопротивления градирни определяется, исходя из непосредственных измерений давлений и скоростей воздуха внутри градирни, по формуле:

.
2.58. Коэффициент аэродинамического сопротивления градирни для контроля может быть также вычислен косвенно по формуле:

,
где

- действующая (с точки зрения создания тяги) высота градирни, м;

,

- плотность воздуха до оросителя и после оросителя, кг/м
3;

- средняя плотность воздуха в оросителе, кг/м
3;

- условная высота оросителя, принимаемая равной:
а) для противоточных капельных градирен расстоянию от середины высоты воздухораспределителя до водораспределителя; б) для противоточных пленочных градирен - средней высоте щитов оросителя; в) для градирен с поперечным током - приблизительно половине высоты оросителя.
Измерение уноса воды из градирни
2.59. Измерение уноса воды производится внутри градирни на высоте 2,5 м над водораспределительным или водоулавливающим устройством и в выходном сечении башни градирни специальным прибором (
Приложение 3,
4, рис. 11).
Рис. 11. Схема установки измерительной системы
на выходе из башни градирни
1 - оболочка градирни; 2 - электропсихрометр
с каплеуловителем; 3 - электроанемометр; 4 - тележка;
5 - несущий трос; 6 - тяговый трос; 7 - прибор для фиксации
температуры и влажности воздуха; 8 - электронный
комплекс для фиксации скоростей воздуха
2.60. Унос воды в сечении над водораспределительным устройством определяется путем отбора проб воздуха при положениях входного отверстия прибора вниз и дождемером.
2.61. Унос воды в выходном сечении градирни определяется путем отбора проб воздуха при установлении входного отверстия прибора вниз.
2.62. Удельный унос воды из градирни при измерении устройством с аллонжем за счет испарения и мелких капель для сечения над водораспределительным устройством определяется по зависимости:

,
а для выходного сечения башни - по зависимости:

,
где m' - количество воды, задержанной аллонжем (забор воздуха снизу), кг;
m" - количество воды, задержанной дождемером, кг;

- количество воздуха, прошедшего через аллонж за время опыта (забор воздуха снизу), м
3;
H' - высота столба воздуха от отметки дождемера до выходного сечения башни градирни, м;

- площадь заборного сечения дождемера, м
2;

- влагосодержание выходящего из аллонжа воздуха (забор воздуха снизу), кг/м
3.
Значение

определяется по графику зависимости влагосодержания воздуха от

и
(Приложение 3).
2.63. Потеря воды из-за испарения определяется по зависимости:

,
где удельная теплоемкость воды c = 1 кДж/9,8 кг·°C.
Значения x и i определяются на основе данных измерений по графикам зависимости влагосодержания и теплосодержания от

и
(Приложение 2).
2.64. Унос воды в виде мелких капель определяется по зависимости:

.
2.65. Коэффициент полного уноса воды для всей градирни определяется по зависимости:
где

.
2.66. Коэффициент уноса воды в виде мелких капель определяется по зависимости:

.
ОБРАБОТКА МАТЕРИАЛОВ ИСПЫТАНИЙ ГРАДИРНИ
Приемочные и эксплуатационные испытания
При проведении приемочных и эксплуатационных испытаний башенной градирни требуется определить эффективность охлаждения воды градирней путем нахождения расчетного значения температуры охлажденной воды и сопоставления с фактическим ее значением.
В качестве примера на рис. 1-1 приведена номограмма для определения расчетного значения температуры охлажденной воды в типовых пленочных градирнях площадью орошения 4000 м2.
Рис. 1-1. Номограмма для расчета температуры охлажденной
воды в гиперболической градирне площадью орошения 4000 м2
а - график

для условий

,

, w = 0 м/с;
б - график поправок

; в - график поправок

. Ороситель
двухъярусный из плоского листового асбестоцемента

с расстоянием между листами 19 мм
Данная номограмма состоит из:
а) графика для определения температуры охлажденной воды

при условии

,

и w = 0 м/с;
б) графика поправок охлажденной воды для различных значений

, °C и

, %,

;
в) графика поправок температуры охлажденной воды для значений скоростей ветра, отличных от 0 м/с

.
Расчетная температура охлажденной воды по номограмме находится как сумма

.
где

- значение расчетной температуры воды по основному графику, °C;

- поправка на температуру воздуха и влажность, °C;

- поправка на влияние скорости ветра, °C.
Как видно из графиков
рис. 1-1, для нахождения расчетной температуры охлажденной воды необходимо иметь численные значения следующих характеризующих параметров: плотности орошения (q, м
3/м
2·с), перепада температур воды (

, °C), температуры воздуха (

, °C) и его относительной влажности (

, %), скорости ветра (W, м/с).
Плотность орошения определяется из соотношения q = Q/F, м
3/м
2·с. Перепад температур воды

, °C. Определение остальных параметров приведено в
разделе 2 Инструкции.
Результаты замеров характеризующих параметров целесообразно записывать в табличной форме (табл. 1-1).
Таблица 1-1
Основные данные опытов
Наименование параметра | Условное обозначение | Размерность | N опыта |
1 | 2 | 3 | 4 | 5 | 6 |
Дата и время наблюдений | | Год, месяц, число, часы | | | | | | |
Температура воздуха по сухому термометру | | °C | | | | | | |
Температура воздуха по влажному термометру | | °C | | | | | | |
Барометрическое давление | | Па (мм рт. ст.) | | | | | | |
Относительная влажность воздуха | | % | | | | | | |
Скорость ветра на высоте 2 м от поверхности земли | w | м/с | | | | | | |
Расход воды, подаваемый на градирню для охлаждения | Q | м3/с | | | | | | |
Плотность орошения | q | м3/(м2·с) | | | | | | |
Температура поступающей (горячей) воды на градирню | | °C | | | | | | |
Температура охлажденной воды на выходе из градирни | | °C | | | | | | |
Перепад температур воды | | °C | | | | | | |
Расчетная температура охлажденной воды по графикам | | °C | | | | | | |
Превышение фактической температуры охлажденной воды против расчетного ее значения  | | °C | | | | | | |
Пример расчета
Условие: в эксплуатации находится башенная пленочная градирня площадью орошения 4000 м2.
Требуется определить эффективность работы градирни.
По данным результатов испытаний получено: температура воздуха по сухому термометру

, относительная влажность воздуха

, скорость ветра w = 3,2 м/с, температура охлажденной воды на выходе из градирни

, перепад температур воды

, плотность орошения

.
По графику
рис. 1-1, а находим

. По графику правок на температурный перепад находим

(
рис. 1-1, б). По графику
рис. 1-1, в находим поправку на скорость ветра

.
Тогда искомая расчетная температура охлажденной воды

, что на 0,3° ниже фактического значения температуры охлажденной воды. Следовательно, можно считать, что охладительный эффект рассматриваемой башенной градирни находится в соответствии с расчетным предположением.
В случае превышения фактической температуры охлажденной воды против расчетного ее значения более чем на 0,5 °C, выясняются причины ухудшения охладительного эффекта и намечаются мероприятия по их устранению.
Балансовые испытания головных градирен
большой производительности
Как отмечалось выше, помимо оценки охладительного эффекта, балансовые испытания ставят целью получение гидротермической и аэродинамической характеристик градирни. По результатам натурных испытаний находятся коэффициенты теплоотдачи, массоотдачи, гидравлического и аэродинамического сопротивления отдельных элементов и градирни в целом.
Коэффициенты определяют путем совместного решения следующих уравнений, описывающих процесс испарительного охлаждения циркуляционной воды.
1) Уравнение теплового баланса градирни:

,
где левая часть уравнения представляет собой количество тепла, отданного водой в охладителе, а правая - количество тепла, воспринятого воздухом.
Это уравнение может быть записано также в следующем виде:

,
где

.
2) Уравнение количества тепла, воспринятого воздухом путем конвекции:

.
3) Уравнение силы тяги:

.
В приведенных уравнениях принято:

- средняя разность температур воды и воздуха, °C;

;

- средняя логарифмическая разность теплосодержаний воздуха для противоточного оросителя.
В случае поперечного тока воздуха

определяется из выражения:

,
где

- разность теплосодержаний воздуха на стороне входа воды на ороситель, Дж/кг (ккал/кг);

- то же на стороне выхода воды, Дж/кг (ккал/кг);

- разность теплосодержаний насыщенного воздуха на входе воды и наружного воздуха, Дж/кг (ккал/кг);

;

,

,

- теплосодержание насыщенного воздуха соответственно при температуре

;

и

, Дж/кг (ккал/кг);

- разность влагосодержаний уходящего и наружного воздуха, кг/кг;

- средняя плотность воздуха на стороне входа и выхода из градирни, кг/м
3;

- действующая (с точки зрения создания тяги) высота вытяжной башни, м.
Для определения теплосодержания, влагосодержания и плотности воздуха следует пользоваться формулами:

;

;

,
где i - теплосодержание влажного воздуха, Дж/кг (ккал/кг);
c - теплоемкость сухого воздуха, Дж/(кг·°C) [ккал/(кг·°C)];
i" - теплосодержание водяного пара в воздухе, кДж/кг (ккал/кг), определяемое по
табл. 3-4;
t - температура воздуха, °C;
x - влагосодержание воздуха, кг/кг;
r - скрытая теплота парообразования, Дж/кг (ккал/кг);

- теплоемкость водяного пара, Дж/(кг·°C) [ккал/(кг·°C)];

- относительная влажность воздуха в долях от единицы;
P" - парциальное давление пара в насыщенном воздухе, Па (мм рт. ст.);

- барометрическое давление, Па (мм рт. ст.);
T - абсолютная температура, °C;
R - газовая постоянная для сухого воздуха, равная 8314,19 Дж/(кмоль·°C);

- плотность насыщенного водяного пара в воздухе, определяется по
табл. 3-4 Приложения 3, кг/м
3.
Графики зависимости теплосодержания, влагосодержания и плотности воздуха от его температуры и относительной влажности для барометрического давления

(745 мм рт. ст.) приведены в
Приложении 3.
Таким образом, для определения коэффициента массоотдачи

, коэффициента теплоотдачи

и коэффициента сопротивления

вполне достаточно располагать результатами измерений характеризующих параметров, упомянутых в предыдущих разделах.
Расход воздуха через ороситель

определяется непосредственным измерением скоростей воздуха или путем расчета. В последнем случае это производят по формуле:

,
где

- разность теплосодержаний воздуха на стороне выхода и входа в градирню, Дж/ч.
Для удобства пользования формулой при подсчете коэффициент K можно принимать по графику рис. 1-2. Поскольку количество тепла, отданного водой при охлаждении, может быть выражено с помощью одного только коэффициента массоотдачи

, то оценку охладительного эффекта данного типа оросителя можно производить, пользуясь этим коэффициентом.
Рис. 1-2. График определения коэффициента K в зависимости
от температуры охлажденной воды

Оценку охладительного эффекта исследуемого оросителя следует производить в этом случае путем сопоставления полученных коэффициентов массоотдачи (при одинаковой плотности орошения, скорости воздуха в оросителе, его высоте, близких тепловых нагрузках и параметрах наружного воздуха) с их значениями для других типов оросителей, либо путем сопоставления с данными лабораторных исследований.
В первом случае такая оценка позволяет выявить эффективный (с точки зрения охлаждения воды) ороситель для целесообразного применения его на практике в широких масштабах.
Во втором случае это позволяет оценить правильность гидроаэротермического и геометрического подобия, выполненного в натуре оросителя, по сравнению с лабораторным его образцом. Если отношение

, то следует считать, что ороситель и водораспределитель выполнены в натуре хорошо. В противном случае выясняются причины неудовлетворительного охладительного эффекта и намечаются мероприятия по их устранению. Здесь

- натурный коэффициент массоотдачи, кг/(м
3·с·кг/кг) [кг/(м
3·ч·кг/кг)];

- лабораторный коэффициент массоотдачи, кг/(м
3·с·кг/кг) [кг/(м
3·ч·кг/кг)].
Подсчет коэффициентов теплоотдачи

производят с целью определения величины отношения

, которая обычно для практической области температур и влагосодержаний воздуха составляет около 1,05 кДж/(кг·°C), т.е. равна, примерно, теплоемкости влажного воздуха <1>, что служит контролем правильности произведенных замеров и расчетов.
--------------------------------
<1> По опытным данным при влажности воздуха

и тепловой нагрузке на градирни

величина отношения

значительно отлична от значения теплоемкости влажного воздуха. Выяснение причины такого несоответствия является специальной задачей, решение которой требует накопления достаточных материалов балансовых испытаний градирен.
Определение коэффициента сопротивления градирни производится либо с целью использования полученных результатов для уточнения тепловых расчетов градирни, либо с целью использования полученных результатов для аналогичного типа градирен, но имеющих некоторые конструктивные отличия (высота воздуховходных окон, очертание верхней их входной кромки, тип оросителя, водораспределительной системы и пр.), с последующим применением в типовых проектных решениях наиболее удачных конструктивных типов градирен.
При проведении балансовых испытаний головных градирен большой производительности, как и при эксплуатационных и приемочных испытаниях, результаты замеров характеризующих параметров и результаты подсчета остальных величин целесообразно записывать в табличной форме (табл. 1-2 и
1-3).
Таблица 1-2
Результаты испытания градирни (форма)
Наименование параметров | Условные обозначения | Размерность | Номера опытов |
1 | 2 | 3 | 4 | 5 | 6 | 7 | 8 | n |
Тип градирни, площадь орошения | | м2 | | | | | | | | | |
Конструктивные особенности градирни: | | | | | | | | | | | |
высота градирни | H | м | | | | | | | | | |
высота башни | | м | | | | | | | | | |
высота входных окон | | м | | | | | | | | | |
высота оросителя | | м | | | | | | | | | |
Типы конструкций градирни: | | | | | | | | | | | |
тип оросителя | | | | | | | | | | | |
тип водораспределителя | | | | | | | | | | | |
очертания входной кромки окна | | | | | | | | | | | |
разность отметок низа оросителя и верха входных окон | | м | | | | | | | | | |
Дата | | Число, месяц, год | | | | | | | | | |
Время наблюдения: | | | | | | | | | | | |
начало | | ч | | | | | | | | | |
конец | | ч | | | | | | | | | |
Температура воздуха по сухому термометру | | °C | | | | | | | | | |
Температура воздуха по смоченному термометру | | °C | | | | | | | | | |
Относительная влажность воздуха | | % | | | | | | | | | |
Барометрическое давление | | Па (мм рт. ст.) | | | | | | | | | |
Скорость ветра на высоте 2,0 м от поверхности земли | w | м/с | | | | | | | | | |
Скорость ветра на высоте верха башни градирни | | м/с | | | | | | | | | |
Гидравлическая нагрузка градирни | Q | м3/с | | | | | | | | | |
Плотность орошения | q | м3/м2·с | | | | | | | | | |
Температура поступающей на градирню воды | | °C | | | | | | | | | |
Температура охлажденной воды | | °C | | | | | | | | | |
Температурный перепад | | °C | | | | | | | | | |
Скорость воздуха в оросителе | | м/с | | | | | | | | | |
Перепад давления между атмосферой и внутренним объемом воздуха градирни | | Па (мм рт. ст.) | | | | | | | | | |
Коэффициент теплоотдачи | | Вт/(м3·°C) [ккал/(м3·ч·°C)] | | | | | | | | | |
Коэффициент массоотдачи | | кг/(м3·с·кг/кг) | | | | | | | | | |
Общий коэффициент сопротивления расчетный | | [кг/(м3·ч·кг/кг)] | | | | | | | | | |
Общий коэффициент сопротивления из непосредственных измерений | | | | | | | | | | | |
Отношение коэффициент тепломассоотдачи | | ккал/(кг·°C) | | | | | | | | | |
Относительный расход воздуха | | | | | | | | | | | |
Таблица 1-3
Расчет коэффициентов теплоотдачи

, массоотдачи

и аэродинамического сопротивления градирни

(площадь
оросителя градирни

; объем оросителя

высота оросителя

, действующая с точки зрения создания тяги высота
градирни

) (форма)
Наименование параметров | Условные обозначения | Размерность | Номера опытов |
1 | 2 | 3 | 4 | 5 | 6 | 7 | n |
Дата | | День, мес | | | | | | | | |
Время наблюдений | | ч, мин | | | | | | | | |
Расход воды на градирню | Q | м3/с | | | | | | | | |
Плотность орошения | q | м3/м2·с | | | | | | | | |
Температура воды на входе в градирню: | | | | | | | | | | |
правая | | °C | | | | | | | | |
левая | | °C | | | | | | | | |
Температура воды на выходе из градирни: | | | | | | | | | | |
правая | | °C | | | | | | | | |
левая | | °C | | | | | | | | |
Температура воды средняя:  | | | | | | | | | | |
входа | | °C | | | | | | | | |
выхода | | °C | | | | | | | | |
Перепад температур  | | °C | | | | | | | | |
Средняя плотность воды | | кг/м3 | | | | | | | | |
Весовой расход воды на градирню | G | кг/с | | | | | | | | |
Состояние воздуха на входе в градирню: | | | | | | | | | | |
температура по сухому термометру | | °C | | | | | | | | |
температура по смоченному термометру | | °C | | | | | | | | |
относительная влажность | | % | | | | | | | | |
влагосодержание | | кг/кг | | | | | | | | |
теплосодержание | | Дж/кг (ккал/кг) | | | | | | | | |
плотность | | кг/м3 | | | | | | | | |
Состояние воздуха на выходе из градирни: | | | | | | | | | | |
температура воздуха по сухому термометру | | °C | | | | | | | | |
температура воздуха по смоченному термометру | | °C | | | | | | | | |
относительная влажность | | % | | | | | | | | |
влагосодержание | | кг/кг | | | | | | | | |
теплосодержание | | Дж/кг (ккал/кг) | | | | | | | | |
плотность | | кг/м3 | | | | | | | | |
Барометрическое давление | | Па (мм рт. ст.) | | | | | | | | |
Средняя плотность воздуха  | | кг/м3 | | | | | | | | |
Перепад температур воздуха  | | °C | | | | | | | | |
Средняя арифметическая разность  | | °C | | | | | | | | |
Перепад влагосодержаний  | | кг/кг | | | | | | | | |
Перепад теплосодержаний  | | Дж/кг (ккал/кг) | | | | | | | | |
Отношение  | | кг/Дж (кг/ккал) | | | | | | | | |
Средняя логарифмическая разность теплосодержания | | Дж/кг (ккал/кг) | | | | | | | | |
Разность плотностей воздуха  | | кг/м3 | | | | | | | | |
| | ИС МЕГАНОРМ: примечание. Формула дана в соответствии с официальным текстом документа. | |
|
Поправочный коэффициент  | K | - | | | | | | | | |
Относительный расход воздуха  | | кг/кг | | | | | | | | |
Весовой расход воздуха  | V | кг/с | | | | | | | | |
Теплоотдача конвекцией  | | Дж/ч (ккал/ч) | | | | | | | | |
Объемный коэффициент теплоотдачи  | | Вт/(м3·°C) [ккал/(м3·ч·°C)] | | | | | | | | |
Полная теплоотдача  | Q' | Дж/ч (ккал/ч) | | | | | | | | |
Объемный коэффициент массоотдачи  | | кг/(м3·с·кг/кг) [кг/(м3·ч·кг/кг)] | | | | | | | | |
Отношение коэффициентов тепломассоотдачи | | ккал/(кг·°C) | | | | | | | | |
Количество испарившейся воды  | | кг/ч | | | | | | | | |
Потери воды на испарение  | | % | | | | | | | | |
Скорость ветра на высоте 2,5 м от поверхности земли | W | м/с | | | | | | | | |
Средняя скорость воздуха, отнесенная к полной площади оросителя  | | м/с | | | | | | | | |
Коэффициент сопротивления градирни  | | - | | | | | | | | |
Примечание. Среднее арифметическое значение разности теплосодержаний определено по формуле

,
где

- разность теплосодержаний на стороне входа воды;

- разность теплосодержаний на стороне выхода воды;

;
здесь

- энтальпия насыщенного воздуха при температуре

.
По результатам натурных испытаний составляется технический отчет, в котором приводятся результаты исследований градирен, выводы и рекомендации по эксплуатации и улучшению работы градирен.
СПЕЦИАЛЬНЫЕ ПРИБОРЫ ДЛЯ ИЗМЕРЕНИЯ ПАРАМЕТРОВ
РАБОТЫ ГРАДИРНИ
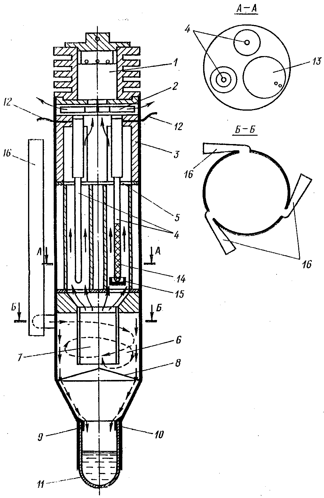
Электропсихрометр с каплеуловителем
Прибор (рис. 2-1) разработан коллективом сотрудников кафедры водных исследований Ленинградского гидрометеорологического института, а на основе опыта эксплуатации усовершенствован во ВНИИГ им. Б.Е. Веденеева и предназначен для измерения температуры воздуха, влажности в градирне и количества выносимой из нее влаги.
Рис. 2-1. Электропсихрометр с каплеуловителем
1 - электродвигатель; 2 - турбинка; 3 - соединительное
кольцо; 4 - термометры сопротивления; 5 - перегородка
с отверстиями; 6 - сепаратор; 7 - цилиндр; 8 - перегородка
со щелями; 9 - уплотнительная прокладка; 10 - козырек;
11 - стакан-мензурка; 12 - провода от термометров
сопротивления; 13 - бачок; 14 - батист на смоченном
термометре сопротивления; 15 - стаканчик;
16 - заборник
В приборе отбор воздуха для измерения названных характеристик производится через поворотные заборники, которые позволяют всасывать воздух как снизу, так и сверху. Воздух засасывается турбинкой, насаженной на ось электродвигателя марки ДП-13, и поступает в сепаратор типа "циклон", где получает вращательное движение. Под действием центробежной силы из воздуха происходит отделение капель воды на стенки сепаратора. Отделившаяся вода стекает по ним в стакан-мензурку, закрепленную на уплотнительной прокладке под корпусом.
Перегородка с предназначенными для стекания воды щелями у вертикальной стенки служит для уменьшения испарения собранной воды. Через цилиндр, очищенный от капель воды, воздух поступает к термометрам сопротивления (сухому и смоченному) и, обтекая их, проходит через отверстия в перегородке к турбинке.
Смачивание батиста влажного термометра сопротивления дистиллированной водой производится автоматически из бачка через систему трубок и стаканчик. Запас воды в бачке рассчитан на непрерывную работу электропсихрометра в течение 24 ч. Заправка бачка водой осуществляется при отсоединенном сепараторе от психрометра.
Термометры сопротивления соединены с регистрирующим прибором с помощью проводов. В качестве регистрирующего прибора используется самописец типа ЭПП или мост постоянного тока типа МО-62.
В электропсихрометре с каплеуловителем коэффициент аспирации одинаков с коэффициентом аспирации стандартного психрометра. Поэтому вычисление влажности воздуха по значениям измеренных температур определяется по психрометрическим таблицам или по психрометрической диаграмме.
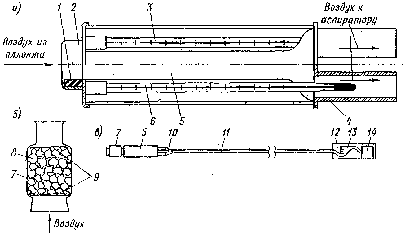
Устройство для измерения уноса воды из градирни
Прибор состоит из трех основных элементов
(рис. 2-2):
1) аллонжа - сосуда, заполненного двуххлористым калием или древесным толченым углем, закрытого перфорированной фильтровальной бумагой;
2) психрометра без аспиратора, через который проходит воздух из аллонжа;
3) электроаспиратора типа ПРУ-4 с устройством для определения расхода воздуха.
Рис. 2-2. Устройство для определения уноса воды из градирни
а - психрометр; б - аллонж; в - общая схема устройства;
1 - губчатая резина для закрепления аллонжа;
2 - металлическая оправа; 3 - сухой термометр;
4 - латунная трубка; 5 - психрометр; 6 - смоченный
термометр; 7 - аллонж с притертыми пробками;
8 - поглощающий влагу реактив; 9 - перфорированная
бумага; 10 - тройник; 11 - резиновая трубка;
12 - аспиратор ПРУ-4; 13 - расходомер;
14 - компрессор
Аллонж, соединенный с психрометром, помещается в точке измерения уноса воды и соединяется посредством резиновой трубки с помещенным вне градирни электроаспиратором.
В психрометре вместо сухого и влажного ртутных термометров возможна установка термометров сопротивления, тогда их показания во время опыта необходимо вывести на записывающее устройство.
Показания ртутных термометров записываются через каждые 10 с в течение всего опыта.
Аллонж взвешивается до и после опыта, и при известных значениях расхода, влажности и температуры входящего и выходящего из аллонжа воздуха определяется содержание воды в выходящем из оросителя или из градирни воздухе.
Прибор для измерения скорости воздуха
Прибор для измерения скоростей воздуха в градирне состоит из крыльчатого или чашечного анемометра, в которых заменены все ржавеющие детали на детали из нержавеющей стали или полиэтилена, а оси установлены на агатовые подпятники, и тахометра с высокочастотным генератором.
Катушка индуктивности генератора расположена в непосредственной близости от вращающихся лопастей крыльчатки анемометра, благодаря чему происходит неполный срыв генерации, т.е. частичная ее модуляция.
Блок-схема прибора для измерения скорости потока воздуха приведена на рис. 2-3.
Рис. 2-3. Блок-схема прибора для измерения скорости
потока воздуха
Высокочастотный генератор выполнен отдельным герметизированным блоком, который конструктивно объединен с анемометром, катушка индуктивности крепится на корпусе анемометра с помощью пружинного кронштейна.
За счет специальной формы сердечника имеется возможность определять по форме вершины импульса на осциллографе направление вращения анемометра. Анемометры тарируются в аэродинамическом тарировочном устройстве.
Во ВНИИГ проведено совершенствование настоящего прибора - автоматическая запись на печать показаний 100 датчиков в течение 10 - 50 с, что позволяет измерять практически мгновенные поля скоростей внутри и вне градирни
[7].
ТАБЛИЦЫ И ГРАФИКИ ДЛЯ ОПРЕДЕЛЕНИЯ
ПАРАМЕТРОВ ВОДЫ И ВОЗДУХА В ГРАДИРНЕ
Таблица 3-1
Максимальная упругость паров воды при температурах
выше 0 °C, Па/133 (мм рт. ст.)
Град | Десятые градуса |
0 | 1 | 2 | 3 | 4 | 5 | 6 | 7 | 8 | 9 |
0 | 4,58 | 4,61 | 4,65 | 4,68 | 4,72 | 4,75 | 4,78 | 4,82 | 4,86 | 4,86 |
1 | 4,96 | 4,96 | 5,00 | 5,08 | 5,07 | 5,11 | 5,14 | 5,18 | 5,22 | 5,24 |
2 | 5,29 | 5,33 | 5,37 | 5,41 | 5,45 | 5,49 | 5,52 | 5,56 | 5,60 | 5,66 |
3 | 5,68 | 5,72 | 5,77 | 5,81 | 5,85 | 5,89 | 5,93 | 5,97 | 6,02 | 6,00 |
4 | 6,10 | 6,14 | 6,19 | 6,23 | 6,27 | 6,32 | 6,36 | 6,41 | 6,45 | 6,56 |
5 | 6,54 | 6,59 | 6,64 | 6,68 | 6,73 | 6,78 | 6,82 | 6,87 | 6,92 | 6,99 |
6 | 7,01 | 7,06 | 7,11 | 7,16 | 7,21 | 7,26 | 7,31 | 7,36 | 7,41 | 7,46 |
7 | 7,51 | 7,56 | 7,62 | 7,67 | 7,72 | 7,78 | 7,83 | 7,88 | 7,94 | 7,99 |
8 | 8,04 | 8,10 | 8,16 | 8,21 | 8,27 | 8,32 | 8,38 | 8,44 | 8,49 | 8,55 |
9 | 8,61 | 8,67 | 8,73 | 8,79 | 8,84 | 8,90 | 8,96 | 9,02 | 9,09 | 9,15 |
10 | 9,21 | 9,27 | 9,33 | 9,40 | 9,46 | 9,52 | 9,58 | 9,65 | 9,71 | 9,78 |
11 | 9,84 | 9,91 | 9,98 | 10,04 | 10,11 | 10,18 | 10,24 | 10,31 | 10,38 | 10,45 |
12 | 10,52 | 10,59 | 10,66 | 10,73 | 10,80 | 10,87 | 10,94 | 11,01 | 11,08 | 11,16 |
13 | 11,23 | 11,30 | 11,38 | 11,45 | 11,53 | 11,60 | 11,68 | 11,76 | 10,83 | 11,91 |
14 | 11,99 | 12,06 | 12,14 | 12,22 | 12,30 | 12,38 | 12,46 | 12,54 | 12,62 | 12,71 |
15 | 12,79 | 12,87 | 12,95 | 13,04 | 13,12 | 13,20 | 13,29 | 13,38 | 13,45 | 13,55 |
16 | 13,63 | 13,72 | 13,81 | 13,90 | 13,99 | 14,08 | 14,17 | 14,26 | 14,35 | 14,44 |
17 | 14,53 | 14,62 | 14,72 | 14,81 | 14,90 | 15,00 | 15,09 | 15,19 | 15,28 | 15,38 |
18 | 15,48 | 15,58 | 15,67 | 15,77 | 15,87 | 15,97 | 16,07 | 16,17 | 16,27 | 16,37 |
19 | 16,48 | 16,58 | 16,68 | 16,79 | 16,89 | 17,00 | 17,10 | 17,21 | 17,32 | 17,43 |
20 | 17,54 | 17,64 | 17,75 | 17,86 | 17,97 | 18,08 | 18,20 | 18,31 | 18,42 | 18,54 |
21 | 18,65 | 18,76 | 18,88 | 19,00 | 19,11 | 19,23 | 19,35 | 19,47 | 19,59 | 19,71 |
22 | 19,83 | 19,95 | 20,07 | 20,19 | 20,32 | 20,44 | 20,56 | 20,69 | 20,82 | 20,94 |
23 | 21,07 | 21,20 | 21,32 | 21,45 | 21,58 | 21,71 | 21,84 | 21,98 | 22,11 | 22,24 |
24 | 22,38 | 22,51 | 22,65 | 22,78 | 22,92 | 23,06 | 23,20 | 23,34 | 23,48 | 23,62 |
25 | 23,76 | 23,90 | 24,04 | 24,18 | 24,33 | 24,47 | 24,64 | 24,76 | 24,91 | 25,06 |
Таблица 3-2
Физические константы сухого воздуха при давлении 1 ГПа <1>
--------------------------------
<1> При давлениях, близких к

, можно считать, что

не зависит от давления, а коэффициент v обратно пропорционален давлению.
Температура, °C | Плотность  , кг/м 3 | Коэффициент теплопроводности  , Вт/м (м·°C)/1,16 [ккал/(м·ч·°C)] | Коэффициент кинематической вязкости v·106, м2/с |
-20 | 1,351 | 0,0198 | 12,0 |
-10 | 1,300 | 0,0204 | 12,8 |
0 | 1,252 | 0,0210 | 13,7 |
10 | 1,206 | 0,0217 | 14,7 |
20 | 1,164 | 0,0223 | 15,7 |
30 | 1,127 | 0,0229 | 16,6 |
40 | 1,092 | 0,0235 | 17,6 |
50 | 1,057 | 0,0241 | 18,6 |
60 | 1,025 | 0,0248 | 19,6 |
70 | 0,996 | 0,0254 | 20,6 |
80 | 0,968 | 0,0260 | 21,7 |
90 | 0,942 | 0,0266 | 22,7 |
100 | 0,916 | 0,0272 | 23,8 |
Таблица 3-3
Физические константы воды
Температура t, °C | Плотность  , кг/м 3 | Коэффициент теплопроводности,  Вт/м (м·°C)/1,16 ккал/(м·ч·°C) | Коэффициент динамической вязкости  10 6, кг/с·м 2 | Коэффициент кинематической вязкости v·106, м2/с | Теплота парообразования r, Дж/кг/4186,8 (ккал/кг) |
0 | 999,8 | 0,474 | 182,0 | 1,790 | 597,3 |
5 | 1000,0 | 0,484 | 154,3 | 1,515 | 594,5 |
10 | 999,7 | 0,494 | 133,0 | 1,300 | 591,7 |
15 | 999,1 | 0,505 | 116,5 | 1,140 | 588,9 |
20 | 998,2 | 0,515 | 102,0 | 1,000 | 586,0 |
25 | 997,1 | 0,523 | 90,6 | 0,891 | 583,2 |
30 | 995,7 | 0,531 | 81,7 | 0,806 | 580,4 |
35 | 994,1 | 0,538 | 73,6 | 0,727 | 577,6 |
40 | 992,2 | 0,545 | 66,6 | 0,659 | 574,7 |
45 | 990,2 | 0,551 | 61,1 | 0,606 | 571,8 |
50 | 988,1 | 0,557 | 56,0 | 0,556 | 569,0 |
55 | 985,7 | 0,562 | 51,8 | 0,515 | 566,1 |
60 | 983,2 | 0,567 | 47,9 | 0,478 | 563,2 |
65 | 980,7 | 0,571 | 44,5 | 0,445 | 560,2 |
70 | 977,8 | 0,574 | 41,4 | 0,415 | 557,3 |
75 | 974,9 | 0,577 | 38,7 | 0,389 | 554,3 |
80 | 971,8 | 0,580 | 36,2 | 0,365 | 551,3 |
85 | 968,7 | 0,583 | 34,0 | 0,344 | 548,3 |
90 | 965,3 | 0,585 | 32,1 | 0,326 | 545,2 |
95 | 961,9 | 0,587 | 30,3 | 0,309 | 542,1 |
100 | 958,4 | 0,587 | 28,8 | 0,295 | 539,0 |
Примечание. Все константы для воды, исключая r, даны при давлении 1 ГПа.
Таблица 3-4
Давление насыщенного водяного пара P"
(Па/133 или мм рт. ст.), плотность воды

(кг/м
3)
и теплосодержание i" (Дж/кг/4186,8 или ккал/кг)
при температуре от 0 до 50 °C
t | 0,0 | 0,1 | 0,2 | 0,3 | 0,4 | 0,5 | 0,6 | 0,7 | 0,8 | 0,9 | | i" |
0 | 0,00623 | 0627 | 0632 | 0636 | 0641 | 0646 | 0651 | 0655 | 0660 | 0665 | 0,004847 | 597,3 |
1 | 0670 | 0675 | 0679 | 0684 | 0689 | 0694 | 0699 | 0704 | 0710 | 0715 | 5192 | 597,7 |
2 | 0720 | 0723 | 0730 | 0735 | 0741 | 0746 | 0751 | 0757 | 0762 | 0767 | 5559 | 598,2 |
3 | 0773 | 0779 | 0784 | 0789 | 0795 | 0801 | 0806 | 0812 | 0818 | 0824 | 5945 | 598,6 |
4 | 0829 | 0835 | 0841 | 0847 | 0853 | 0859 | 0865 | 0871 | 0877 | 0883 | 6357 | 599,1 |
5 | 0,00890 | 0896 | 0902 | 0908 | 0915 | 0921 | 0927 | 0934 | 0940 | 0947 | 0,006793 | 599,5 |
6 | 0953 | 0960 | 0967 | 0973 | 0980 | 0987 | 0994 | 1001 | 1008 | 1014 | 7257 | 599,9 |
7 | 1021 | 1028 | 1036 | 1043 | 1050 | 1057 | 1064 | 1072 | 1079 | 1086 | 7746 | 600,4 |
8 | 1094 | 1101 | 1109 | 1116 | 1124 | 1132 | 1139 | 1147 | 1155 | 1163 | 8264 | 600,8 |
9 | 1170 | 1178 | 1186 | 1194 | 1202 | 1211 | 1219 | 1227 | 1235 | 1244 | 8818 | 601,3 |
10 | 0,01252 | 1260 | 1269 | 1277 | 1286 | 1294 | 1303 | 1312 | 1321 | 1329 | 0,009398 | 601,7 |
11 | 1338 | 1347 | 1356 | 1365 | 1374 | 1383 | 1393 | 1402 | 1411 | 1421 | 0,01001 | 602,2 |
12 | 1430 | 1439 | 1449 | 1458 | 1468 | 1478 | 1487 | 1497 | 1507 | 1517 | 1096 | 602,6 |
13 | 1527 | 1537 | 1547 | 1557 | 1567 | 1578 | 1588 | 1598 | 1609 | 1619 | 1134 | 603,1 |
14 | 1630 | 1640 | 1651 | 1662 | 1672 | 1683 | 1644 | 1705 | 1716 | 1727 | 1206 | 603,5 |
15 | 0,01739 | 1750 | 1761 | 1772 | 1784 | 1795 | 1807 | 1818 | 1830 | 1842 | 0,01282 | 603,9 |
16 | 1854 | 1865 | 1877 | 1889 | 1902 | 1914 | 1926 | 1938 | 1950 | 1963 | 1363 | 604,3 |
17 | 1975 | 1988 | 2001 | 2013 | 2026 | 2039 | 2052 | 2065 | 2078 | 2091 | 1447 | 604,7 |
18 | 2104 | 2117 | 2131 | 2144 | 2158 | 2171 | 2185 | 2198 | 2212 | 2226 | 1536 | 605,1 |
19 | 2240 | 2254 | 2268 | 2282 | 2297 | 2311 | 2325 | 2340 | 2355 | 2369 | 1630 | 605,6 |
20 | 0,02384 | 2399 | 2413 | 2428 | 2444 | 2459 | 2474 | 2489 | 2504 | 2520 | 0,01729 | 606,0 |
21 | 2535 | 2561 | 2557 | 2583 | 2598 | 2614 | 2631 | 2647 | 2663 | 2679 | 1833 | 606,4 |
22 | 2696 | 2712 | 2729 | 2745 | 2762 | 2779 | 2796 | 2813 | 2830 | 2847 | 1942 | 606,9 |
23 | 2864 | 2882 | 2899 | 2917 | 2934 | 2952 | 2970 | 2988 | 3006 | 3024 | 2057 | 607,3 |
24 | 3042 | 3061 | 3079 | 3098 | 3116 | 3135 | 3154 | 3173 | 3192 | 3211 | 2177 | 607,8 |
25 | 0,03230 | 3249 | 3268 | 3288 | 3307 | 3327 | 3347 | 3367 | 3387 | 3407 | 0,02304 | 608,2 |
26 | 3427 | 3448 | 3468 | 3489 | 3509 | 3530 | 3551 | 3572 | 3593 | 3614 | 2437 | 608,6 |
27 | 3635 | 3657 | 3678 | 3700 | 3722 | 3743 | 3765 | 3787 | 3809 | 3832 | 2576 | 609,1 |
28 | 3854 | 3877 | 3899 | 3922 | 3945 | 3968 | 3991 | 4014 | 4037 | 4061 | 2723 | 609,5 |
29 | 4084 | 4108 | 4132 | 4156 | 4180 | 4204 | 4228 | 4253 | 4277 | 4302 | 2876 | 610,0 |
30 | 0,04327 | 4351 | 4376 | 4401 | 4427 | 4452 | 4477 | 4503 | 4529 | 4555 | 0,03037 | 610,4 |
31 | 4581 | 4607 | 4633 | 4660 | 4686 | 4713 | 4740 | 4767 | 4794 | 4821 | 3205 | 610,9 |
32 | 4848 | 4876 | 4903 | 4931 | 4959 | 4987 | 5015 | 5044 | 5072 | 5101 | 3382 | 611,3 |
33 | 5129 | 5158 | 5187 | 5216 | 5246 | 5275 | 5305 | 5334 | 5364 | 5394 | 3566 | 611,7 |
34 | 5424 | 5454 | 5485 | 5515 | 5546 | 5577 | 5608 | 5639 | 5671 | 5702 | 3759 | 612,2 |
35 | 0,05734 | 5766 | 5798 | 5830 | 5862 | 5894 | 5927 | 5960 | 5902 | 6025 | 0,03962 | 612,6 |
36 | 6058 | 6092 | 6125 | 6159 | 6192 | 6226 | 6261 | 6295 | 6329 | 6364 | 4172 | 613,0 |
37 | 6399 | 6434 | 6469 | 6504 | 6540 | 6575 | 6611 | 6647 | 6683 | 6719 | 4392 | 613,5 |
38 | 6756 | 6792 | 6829 | 6866 | 6903 | 6940 | 6977 | 7015 | 7053 | 7091 | 4623 | 613,9 |
39 | 7130 | 7168 | 7207 | 7245 | 7284 | 7323 | 7363 | 7402 | 7442 | 7481 | 4864 | 614,3 |
40 | 0,07521 | 7561 | 7601 | 7642 | 7683 | 7723 | 7764 | 7805 | 7847 | 7889 | 0,05115 | 614,7 |
41 | 7931 | 7974 | 8016 | 8058 | 8100 | 8143 | 8187 | 8230 | 8274 | 8317 | 5379 | 615,1 |
42 | 8361 | 8404 | 8448 | 8493 | 8538 | 8583 | 8627 | 8672 | 8717 | 8763 | 5653 | 615,5 |
43 | 8810 | 8856 | 8902 | 8948 | 8995 | 9042 | 9090 | 9137 | 9185 | 9232 | 5938 | 615,9 |
44 | 9280 | 9328 | 9377 | 9425 | 9474 | 9523 | 9572 | 9622 | 9672 | 9722 | 6234 | 616,4 |
45 | 0,09772 | 9823 | 9873 | 9923 | 9974 | 0,10025 | 10077 | 10128 | 10180 | 10232 | 0,06541 | 616,8 |
46 | 0,10285 | 0338 | 0391 | 0444 | 0497 | 0550 | 0604 | 0659 | 0713 | 0767 | 6868 | 617,3 |
47 | 0822 | 0877 | 0932 | 0988 | 1043 | 1099 | 1155 | 1211 | 1267 | 1324 | 7205 | 617,7 |
48 | 1381 | 1438 | 1496 | 1554 | 1613 | 1671 | 1730 | 1788 | 1847 | 1907 | 7559 | 618,1 |
49 | 1966 | 2026 | 2086 | 2146 | 2207 | 2268 | 2329 | 2391 | 2452 | 2514 | 7924 | 618,6 |
50 | 0,12577 | 2639 | 2702 | 2764 | 2827 | 2891 | 2955 | 3021 | 3084 | 3149 | 0,08306 | 619,0 |

Рис. 3-1. Влагосодержание воздуха при

(745 мм рт. ст.)
Рис. 3-2. Энтальпия (теплосодержание) влажного воздуха
при

(745 мм рт. ст.)
Рис. 3-3. Плотность влажного воздуха

при

(745 мм рт. ст.)
При отклонениях

от указанного значения
на +/- 98 Па

изменяется на +/- 1,4%
Рис. 3-4. Психрометрическая диаграмма
при

(745 мм рт. ст.)
В области температур ниже 0 °C давления
насыщенного пара приняты для льда
ПРИМЕРНЫЙ ПЕРЕЧЕНЬ ПРИБОРОВ И ОБОРУДОВАНИЯ,
НЕОБХОДИМЫХ ДЛЯ НАТУРНЫХ ИСПЫТАНИЙ ОДНОЙ ГОЛОВНОЙ
БАШЕННОЙ ГРАДИРНИ
Наименование | Количество | Резерв |
Гидрометрические трубки (Прандтля) | 2 | - |
Дифманометры П-образные со шкалой 1000 мм | 2 | 1 |
Микроманометры | 2 | 1 |
Психрометры | 4 | 1 |
Анемометры крыльчатые | 2 | 2 |
Анемометры чашечные | 2 | 2 |
Электроанемометры крыльчатые | 60 | 10 |
Электроанемометры чашечные | 40 | 10 |
Переключатели для электроанемометров | 2 | 1 |
Регистрирующие приборы для анемометров | 1 | - |
Переключатели для микроманометров | 1 | - |
Трубки Нифера | 20 | 5 |
Резиновая трубка D = 6 - 8 мм | 800 м | 100 м |
Коаксиальный кабель РК-119 | 3000 м | 200 м |
Резиновая трубка D = 12 мм | 200 м | 50 м |
Переносные электроанемометры с питанием от батареек (укомплектованный прибор) | 2 | 1 |
Термометры сопротивления | 70 | 10 |
Регистрирующие приборы для термометров сопротивления | 3 | - |
Кабель для термометров сопротивления | 3500 м | - |
Ртутные термометры | 60 | 10 |
Приборы для определения уноса воды из градирни | 2 | - |
Аспираторы | 2 | - |
Электрический шнур | 200 м | 50 м |
Фотоаппараты | 2 | - |
Стальная рулетка, слесарные инструменты | 2 | - |
Дифференциальный мембранный манометр с пределом измерений 0 - 630 МПа | 2 | 1 |
Автоматический самопишущий прибор с дифференциально-трансформаторной измерительной схемой типа КСД-2 | 2 | 1 |
1. Указания по проведению натурных гидроаэротермических исследований башенных градирен: ВСН 030-70/Минэнерго СССР. - Л.: Энергия. 1971. - 60 с.
2. Типовая программа и методика натурных испытаний башенных градирен для определения их охлаждающей эффективности: - Львов/Оргрэс. Южное отделение, 1967. - 46 с.
3. Инструкция по эксплуатации башенных градирен на тепловых электростанциях. - М.: Энергонот. ОРГРЭС, 1972. - 44 с.
4. Берман Л.Д. Испарительное охлаждение циркуляционной воды. - М.: Госэнергоиздат, 1957. - 318 с.
5. Вукалович М.П., Ривкин С.Л., Александров А.А. Таблицы теплофизических свойств воды и водяного пара. - М.: Изд-во стандартов, 1969. - 407 с.
6. Фарфоровский Б.С., Пятов Я.Н. Проектирование охладителей для систем производственного водоснабжения. - Л.: Госстройиздат, 1960. - 171 с.
7. Недвига Ю.С., Михеев Л.Г. Автоматический комплекс для измерения скоростей воздуха. - В сб.: Методы и средства измерений в гидротехнических исследованиях. - Л., Энергия, 1976, с. 32 - 37.