Главная // Актуальные документы // Рекомендация / РекомендацииСПРАВКА
Источник публикации
М.: Стройиздат, 1987
Примечание к документу
Название документа
"Рекомендации по проектированию двухступенчатых бескомпрессорных систем кондиционирования воздуха"
"Рекомендации по проектированию двухступенчатых бескомпрессорных систем кондиционирования воздуха"
ПО ПРОЕКТИРОВАНИЮ ДВУХСТУПЕНЧАТЫХ БЕСКОМПРЕССОРНЫХ СИСТЕМ
КОНДИЦИОНИРОВАНИЯ ВОЗДУХА
Рекомендованы к изданию секцией отопления, вентиляции и кондиционирования воздуха Научно-технического совета ЦНИИЭП инженерного оборудования Госгражданстроя.
Приведены схемы двухступенчатых бескомпрессорных систем кондиционирования воздуха (БСКВ), даны принцип работы и теплотехнический расчет этих систем.
Для инженерно-технических работников научно-исследовательских и проектных организаций.
Настоящие Рекомендации разработаны ЦНИИЭП инженерного оборудования Госгражданстроя (канд. техн. наук Л.М. Зусманович, инж. З.П. Добрынина) и КиевЗНИИЭП Госгражданстроя (инж. А.А. Шмедрик).
1.1. Настоящие Рекомендации распространяются на проектирование двухступенчатых бескомпрессорных систем кондиционирования воздуха (БСКВ), предназначенных для применения во вновь строящихся и реконструируемых общественных зданиях, в производственных и вспомогательных зданиях промышленных предприятий, в которых соответствующими нормативными документами предусматривается кондиционирование воздуха.
Применение бескомпрессорных систем кондиционирования воздуха холодопроизводительностью более 1,16·106 Вт (1 Гкал/ч) должно быть обосновано технико-экономически.
| | ИС МЕГАНОРМ: примечание. Взамен СНиП II-33-75 Постановлением Госстроя СССР от 15.12.1986 N 49 с 01.01.1988 введены в действие СНиП 2.04.05-86. | |
1.2. Двухступенчатые бескомпрессорные системы кондиционирования воздуха должны применяться для обеспечения в обслуживаемых помещениях оптимальных (или промежуточных между оптимальными и допустимыми) метеорологических условий в соответствии с требованиями СНиП II-33-75* "Отопление, вентиляция и кондиционирование воздуха".
1.3. Двухступенчатые бескомпрессорные системы кондиционирования воздуха не следует применять в районах с влажным климатом, где теплосодержание наружного воздуха в теплый период года по параметрам Б в соответствии со СНиП II-33-75* превышает 16 ккал/кг (67 кДж).
2. СХЕМЫ ДВУХСТУПЕНЧАТЫХ БЕСКОМПРЕССОРНЫХ СИСТЕМ
КОНДИЦИОНИРОВАНИЯ ВОЗДУХА, РЕЖИМ ИХ РАБОТЫ,
КОНСТРУКТИВНЫЕ РЕШЕНИЯ
2.1. При проектировании общественных и производственных зданий следует применять двухступенчатые бескомпрессорные системы кондиционирования воздуха (БСКВ) (
рис. 1 и
2), а также бескомпрессорную систему, приведенную в
прил. 2 (рис. 1).
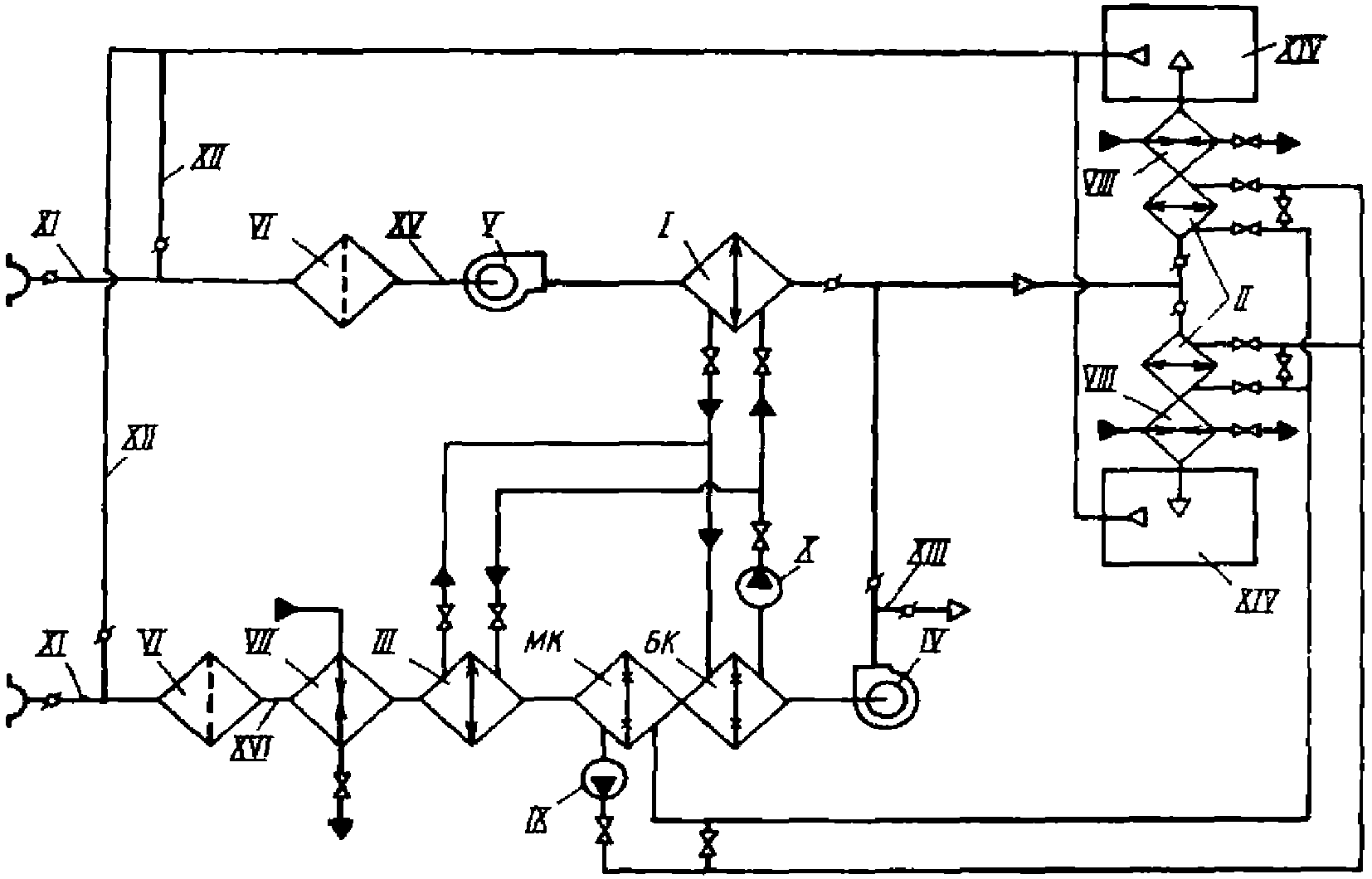
Рис. 1. Рабочая схема двухступенчатой бескомпрессорной
системы кондиционирования воздуха
1, 2, 3, 4 - состояние воздуха при его обработке в приточном
кондиционере; 5, 6, 7, 8 - то же, в испарительном
кондиционере; I, II, III - теплообменники
(воздухоохладители); IV, V - соответственно вентиляторы
испарительного и приточного кондиционеров; VI,
VII - соответственно циркуляционные насосы малого и большого
контуров циркуляции; VIII - вытяжной или рециркуляционный
воздух; IX - наружный воздух; X - выброс в атмосферу;
XI - фильтр; XII - обслуживаемое помещение;
XIII - испарительный кондиционер; XIV - приточный
кондиционер; К-I, К-II - соответственно теплообменники
первого и второго подогревов; МК, БК - соответственно
оросительные камеры малого и большого контуров циркуляции
Рис. 2. Рабочая схема бескомпрессорной системы
кондиционирования воздуха при кондиционировании
разнохарактерных помещений
I, II, III - теплообменники (воздухоохладители);
IV, V - соответственно вентиляторы испарительного
и приточного кондиционеров; VI - фильтр; VII,
VIII - соответственно калориферы I и II подогрева; IX,
X - соответственно циркуляционные насосы малого
и большого контуров циркуляции; XI - наружный воздух;
XII - рециркуляционный воздух; XIII - выброс в атмосферу;
XIV - обслуживаемые помещения; XV - приточный кондиционер;
XVI - испарительный кондиционер; МК, БК - соответственно
оросительные камеры малого и большого контуров циркуляции
2.2. Схему, приведенную на
рис. 1, как правило, следует применять при кондиционировании воздуха в одном или нескольких помещениях, в которых при подаче воздуха с одинаковыми параметрами должны быть обеспечены требуемые метеорологические условия.
Приточный и испарительный кондиционеры следует проектировать равной производительности по воздуху.
2.3. При проектировании двухступенчатых бескомпрессорных систем кондиционирования воздуха по схеме, приведенной на
рис. 1, приточный кондиционер в теплый период года должен обеспечивать охлаждение приточного воздуха в теплообменниках I и II при постоянном его влагосодержании (сухое охлаждение). Испарительный кондиционер в этот период года должен обеспечивать охлаждение воды, циркулирующей в теплообменниках I и II приточного кондиционера.
2.4. При проектировании БСКВ в теплый период года следует предусматривать следующие режимы работы кондиционера:
а) приточного - на наружном воздухе или на смеси наружного и рециркуляционного воздуха;
б) испарительного - на рециркуляционном (вытяжном) воздухе; на наружном воздухе; на смеси наружного и рециркуляционного воздуха.
2.5. При подборе оборудования в процессе проектирования бескомпрессорных систем кондиционирования воздуха следует учитывать условия работы кондиционера: приточного на смеси минимально необходимого по санитарным требованиям количества наружного рециркуляционного воздуха; испарительного - на смеси наружного с избыточным количеством вытяжного воздуха.
2.6. В случаях когда применение рециркуляционного воздуха не допускается, а также при значительных влаговыделениях в помещении и влажном наружном климате следует предусматривать работу приточного кондиционера на одном наружном воздухе, а работу испарительного кондиционера на вытяжном воздухе. При этом, как правило, испарительный кондиционер должен выполнять функции вытяжной системы из обслуживаемого помещения.
2.7. В холодный и переходный периоды года испарительный кондиционер следует применять в качестве приточной установки, обеспечивающей нагревание приточного воздуха в теплообменниках первого (К-I) и второго (К-II) подогрева и его адиабатическое увлажнение в оросительной камере МК (малый контур). Приточный кондиционер при этом работать не должен (см.
рис. 1).
2.8. Теплообменник первого подогрева для холодного и переходного периодов года следует устанавливать перед теплообменником III с самостоятельным подключением к тепловой сети (см.
рис. 1).
2.9. В качестве теплообменника первого подогрева допускается использовать часть поверхности теплообменника III. Эту часть поверхности в холодный и переходный периоды года следует подключать к тепловой сети по схеме, приведенной на
рис. 3, а в теплый период года - в общую поверхность теплообменника III для охлаждения воздуха. Следует предусматривать меры, исключающие перетекание холодной воды в теплосеть через теплообменник III, а также горячей воды в оросительную камеру БК (большой контур).
Рис. 3. Схема обвязки трубопроводами
испарительного кондиционера
I - обратный клапан; II - регулирующий клапан;
III - теплообменник (воздухоохладитель); К-I - теплообменник
первого подогрева (элемент теплообменника III); МК,
БК - соответственно оросительные камеры малого и большого
контуров циркуляции; К-II - теплообменник второго подогрева;
IV - вентилятор испарительного кондиционера; V - спуск воды
в канализацию; VI, VII - соответственно циркуляционные
насосы малого и большого контуров циркуляции воды;
VIII - канализационная линия; IX - трубопроводы
к теплообменнику I приточного кондиционера;
X - трубопроводы к теплообменнику II приточного
кондиционера; XI - из водопровода
2.10. Для адиабатического увлажнения воздуха в холодный и переходный периоды года следует использовать камеру орошения МК.
2.11. Теплообменник второго подогрева К-II должен устанавливаться непосредственно после камеры орошения БК (см.
рис. 1). Допускается применять в качестве теплообменника второго подогрева зональные подогреватели.
2.12. Компоновку испарительных кондиционеров следует выполнять в соответствии с
рис. 4. Оросительные камеры должны устанавливаться на всасывающих сторонах вентилятора.
Рис. 4. Типовые компоновки испарительного кондиционера
для схемы бескомпрессорной системы
кондиционирования воздуха
I - приемный клапан; II - камера обслуживания;
III - теплообменник первого подогрева; IV - клапан
воздушный; V - фильтр; VI - теплообменники
(воздухоохладители); VII - камеры оросительные;
VIII - секция присоединительная к вентилятору;
IX - вентиляторный агрегат; X - теплообменник
второго подогрева; XI - наружный воздух;
XII - рециркуляционный воздух
2.13. При проектировании бескомпрессорных систем кондиционирования воздуха по схемам, приведенным на
рис. 1 и
2, испарительный и приточный кондиционеры допускается располагать как в одном помещении, так и в разных помещениях.
2.14. Приточные кондиционеры следует располагать ниже испарительных. Для предотвращения слива воды из трубопроводов их следует присоединять к коллекторам оросительных камер с помощью петель (гидравлических затворов), а также предусматривать переливные и сливные линии от поддонов оросительных камер. У циркуляционных насосов следует устанавливать обратные клапаны
(рис. 3).
Для заполнения системы водой необходимо предусматривать врезку водопроводных трубопроводов в трубопроводы малого и большого контуров циркуляции.
2.15. Допускается располагать приточные кондиционеры выше испарительных. При этом для предотвращения слива воды из теплообменников и трубопроводов в поддоны оросительных камер следует:
присоединять теплообменники I, II и III к трубопроводам с помощью петель;
устанавливать у циркуляционных насосов обратные клапаны;
устанавливать на трубопроводах, подводящих воду к форсункам, соленоидные клапаны или другие автоматические быстро закрывающиеся устройства, приводы которых следует блокировать с приводами циркуляционных насосов.
2.16. Схему двухступенчатой бескомпрессорной системы кондиционирования воздуха, приведенную на
рис. 2, следует применять при кондиционировании воздуха в разнохарактерных помещениях.
При применении этой схемы производительность испарительного кондиционера по воздуху следует принимать равной сумме расходов его приточного воздуха на каждое помещение.
2.17. При проектировании БСКВ по данной схеме необходимо предусматривать следующие условия работы приточного кондиционера: круглогодичное кондиционирование воздуха; летнее охлаждение приточного воздуха.
Типовые компоновки приточных кондиционеров в зависимости от их назначения приведены на
рис. 5.
Рис. 5. Типовые компоновки приточных кондиционеров
для схем БСКВ
при использовании приточного кондиционера в качестве
круглогодичной установки; в - приведенной на рис. 2
при использовании приточного кондиционера в качестве
охлаждающей установки; I - вентагрегат; II - камера
воздушная; III - теплообменники (воздухоохладители);
IV - вставка; V - камера орошения; VI - фильтр;
VII - калорифер I подогрева
2.18. При проектировании двухступенчатых бескомпрессорных систем кондиционирования воздуха теплообменники I и II приточных кондиционеров следует располагать на нагнетательной стороне вентиляторов.
2.19. В районах с большими перепадами между дневными и ночными температурами приточные кондиционеры допускается оснащать баками-аккумуляторами для использования ночного холодного воздуха.
2.20. Приточный и испарительный кондиционеры двухступенчатых бескомпрессорных систем кондиционирования воздуха, как правило, следует компоновать из типовых секций центральных кондиционеров.
2.21. Теплообменники I, II и III в приточных и испарительных кондиционерах следует компоновать из типовых секций воздухонагревателей или воздухоохладителей. Допускается компоновка теплообменников I и II из пластинчатых или спирально-навивных калориферов, выпускаемых промышленностью.
Следует предусматривать параллельное присоединение теплообменников по холодоносителю при общем противоточном движении теплообменивающихся сред. Принципиальные схемы компоновки теплообменников I, II, III и схемы их обвязки приведены на
рис. 6.
Рис. 6. Принципиальная схема обвязки
теплообменников I, II, III
а - из калориферов КВБ или типовых секций
воздухонагревателей кондиционеров КТЦ2-31.5, КТЦ2-40;
б - из типовых секций воздухонагревателей кондиционеров
КТЦ2-63, КТЦ2-80; I - трубопровод холодной воды от камеры
орошения; II - трубопровод отепленной воды к камере
орошения; III - кран для удаления воздуха; IV - кран
для спуска воды из теплообменников;
V - охлаждаемый поток воздуха
2.22. При проектировании двухступенчатых бескомпрессорных систем кондиционирования воздуха необходимо предусматривать следующие схемы автоматического регулирования температуры воздуха в обслуживаемых помещениях в теплый период года:
а) двухпозиционное регулирование расходов воды в контурах циркуляции оросительных камер БК и МК
(рис. 7);
б) пропорциональное регулирование расхода воды в контуре циркуляции оросительной камеры МК
(рис. 8) и двухпозиционное регулирование расхода воды в контуре циркуляции оросительной камеры БК.
Рис. 7. Принципиальная схема двухпозиционного регулирования
бескомпрессорной системы кондиционирования воздуха
I, II, III - теплообменники (воздухоохладители); IV,
V - соответственно вентиляторы испарительного и приточного
кондиционеров; VI - датчик температуры воздуха в помещении;
VII - наружный воздух; VIII - рециркуляционный воздух;
IX - выброс в атмосферу воздуха в теплый период года;
X - приточный кондиционер; XI - испарительный кондиционер;
МК, БК - соответственно оросительные камеры малого
и большого контуров циркуляции
Рис. 8. Принципиальные схемы автоматизации малого контура
циркуляции бескомпрессорной системы
кондиционирования воздуха
МК - оросительная камера малого контура циркуляции;
I - датчик температуры воздуха в помещении;
II - теплообменник (воздухоохладитель)
2.23. В случае применения схемы регулирования, приведенной на
рис. 7, при понижении температуры воздуха в помещении ниже расчетной следует предусматривать вначале выключение насоса в контуре циркуляции оросительной камеры БК, а затем насоса в контуре циркуляции камеры МК.
При повышении температуры воздуха в помещении включение данных насосов должно производиться в обратном порядке.
2.24. Пропорциональное регулирование расхода холодной воды в теплообменнике II следует предусматривать при постоянном ее расходе в оросительной камере МК с помощью клапана расхода воды на перемычке или с помощью трехходового клапана.
2.25. Допускается применение пропорционального регулирования расхода воды в контуре циркуляции оросительной камеры БК.
В этом случае при понижении температуры в помещении ниже расчетной следует предусматривать отключение теплообменника III. При дальнейшем понижении температуры в помещении следует предусматривать отключение насоса в контуре циркуляции оросительной камеры БК.
2.26. При проектировании двухступенчатых бескомпрессорных систем кондиционирования воздуха по схеме, приведенной на
рис. 2, в контуре циркуляции воды оросительной камеры МК должны быть установлены регуляторы давления "до себя".
2.27. При выполнении требований
п. 2.7 настоящих Рекомендаций схема автоматического регулирования параметров воздуха в обслуживаемых помещениях в холодный и переходный периоды года (при работе испарительного кондиционера по схеме на
рис. 1) аналогична типовым схемам обычных центральных кондиционеров, разработанным ГПИ Сантехпроект.
2.28. Целесообразно использование в холодный и переходный периоды года БСКВ для утилизации тепла удаляемого воздуха. При этом в испарительный кондиционер должен подаваться удаляемый из помещения воздух, который используется для нагрева промежуточного теплоносителя (воды).
Нагрев воды должен осуществляться в камере БК, из которой нагретый теплоноситель следует направлять в теплообменник-утилизатор. В качестве теплообменника-утилизатора используется часть поверхности теплообменника I.
При этом теплообменник III должен быть отключен из контура циркуляции БК.
3. ПРИНЦИП РАБОТЫ ДВУХСТУПЕНЧАТОЙ БЕСКОМПРЕССОРНОЙ
СИСТЕМЫ КОНДИЦИОНИРОВАНИЯ ВОЗДУХА
3.1. Двухступенчатая бескомпрессорная система кондиционирования (БСКВ) состоит из двух самостоятельных кондиционеров: приточного и испарительного
(рис. 1), связанных между собой контурами циркуляции воды.
3.2. В БСКВ имеются два самостоятельных контура циркуляции воды (см.
рис. 1):
оросительной камеры МК (малый контур), включающий теплообменник II, оросительную камеру МК и циркуляционный насос VI;
оросительной камеры БК (большой контур), включающий параллельно соединенные по холодоносителю теплообменники I и III, оросительную камеру БК и циркуляционный насос VII.
3.3. В теплый период года тепло приточного воздуха отводится к воде, циркулирующей в теплообменниках I и II.
Охлаждение воды, нагретой в теплообменниках I и III, осуществляется в оросительной камере БК, а охлаждение воды, нагретой в теплообменнике II, - в оросительной камере МК.
3.4. В двухступенчатой бескомпрессорной системе кондиционирования воздуха осуществляется перенос энергии в виде тепла от источника с более низким теплосодержанием (от наружного воздуха в приточном кондиционере) к источнику с более высоким теплосодержанием (к вспомогательному потоку воздуха в испарительном кондиционере).
В результате затраты внешней энергии потенциал тепла, отведенного от приточного воздуха, повышается.
3.5. Для обеспечения большей степени охлаждения приточного воздуха в БСКВ предусматривается:
а) предварительное охлаждение вспомогательного потока воздуха в испарительном кондиционере, что позволяет снизить температуру его предела охлаждения и получить более холодную воду;
б) два самостоятельных контура циркуляции воды для увеличения количества воды, циркулирующей в каждом контуре, что обусловливает ее небольшой подогрев в теплообменниках и простые условия оборотного охлаждения в оросительных камерах; для разделения температурных условий работы каждого контура циркуляции воды. В малом контуре циркулирует вода более низкой температуры, чем в большом контуре;
в) использование в оросительной камере БК, предназначенной для охлаждения воды в теплообменниках I и III, вспомогательного потока воздуха (в состоянии, близком к насыщению) после оросительной камеры МК.
3.6. Процесс обработки воздуха в БСКВ в теплый период года при работе приточного и испарительного кондиционера на наружном воздухе представлен в
I-d-диаграмме на
рис. 9.
Рис. 9. Схема процессов обработки воздуха
в БСКВ на I-d-диаграмме
1-2 - нагревание воздуха в вентиляторе V; 2-3 - охлаждение
воздуха в теплообменнике I; 3-4 - охлаждение воздуха
в теплообменнике II; 9-10 - нагревание воды в теплообменнике
II; 4-13 - изменение состояния приточного воздуха
в помещении; 5-6 - охлаждение воздуха в теплообменнике III;
6-7 - повышение теплосодержания в камере МК; 7-8 - повышение
теплосодержания в камере БК; 10-9 - охлаждение воды
в оросительной камере МК; 11-12 - нагревание воды
в теплообменниках I и III; 12-11 - охлаждение воды
в оросительной камере БК
3.7. В зимний и переходный периоды года испарительный кондиционер (см.
рис. 1), согласно требованиям
п. 2.7 настоящих Рекомендаций, обеспечивает нагревание приточного воздуха в теплообменниках первого и второго подогрева и адиабатическое увлажнение воздуха в оросительной камере МК.
3.8. При работе БСКВ соблюдаются следующие уравнения теплового баланса:
а) количество тепла, отнятого от наружного воздуха в приточном кондиционере, равняется количеству тепла, переданному воздуху в испарительном кондиционере. При равных количествах воздуха в приточном и испарительном кондиционерах общее понижение теплосодержания воздуха

в приточном кондиционере равняется общему повышению теплосодержания воздуха

в испарительном кондиционере
(рис. 9)

(1)
б) количество тепла, отнятого от воздуха в теплообменнике II, равняется количеству тепла, переданному воздуху в камере МК,

(2)
в) количество тепла, отнятого от воздуха в I и III теплообменниках, равняется количеству тепла, переданного воздуху в оросительной камере БК,

(3)
4. ТЕПЛОТЕХНИЧЕСКИЙ РАСЧЕТ ДВУХСТУПЕНЧАТЫХ
БЕСКОМПРЕССОРНЫХ СИСТЕМ КОНДИЦИОНИРОВАНИЯ ВОЗДУХА
4.1. С целью предварительного определения воздухообменов при проектировании БСКВ температуру подаваемого в помещения воздуха в летний период года после приточного кондиционера следует принимать:
а) при работе приточного и испарительного кондиционеров на наружном воздухе - равную температуре мокрого термометра наружного воздуха;
б) при работе приточного кондиционера на наружном, а испарительного кондиционера на вытяжном воздухе (или на смеси наружного с вытяжным воздухом) - равную температуре мокрого термометра вытяжного воздуха (или смеси наружного с вытяжным воздухом).
Окончательная температура приточного воздуха определяется расчетом.
4.2. Процессы тепло- и влагообмена, происходящие в поверхностных теплообменниках и оросительных камерах двухступенчатой бескомпрессорной системы кондиционирования воздуха, а также конечная температура охлаждения воздуха определяются:
а) начальными параметрами воздуха, поступающего в приточный и испарительный кондиционеры;
б) соотношением количеств воздуха, поступающего в приточный (основной поток) и испарительный (вспомогательный поток) кондиционеры;
в) конструктивными и гидродинамическими характеристиками системы.
К ним относятся:
поверхность охлаждения Fохл теплообменников I, II и III, которые характеризуются критерием глубины Fохл/fж, где fж - живые сечения теплообменников для прохода воздуха;
критерии живых сечений теплообменников

, определяющие при данной скорости воды в трубках теплообменников отношения водяных эквивалентов теплообменивающихся сред, где

- живое сечение теплообменников для прохода воды;
конструктивные характеристики теплообменников (характер оребрения труб) и оросительных камер (тип центробежных форсунок, число рядов и т.д.);
коэффициенты орошения B в оросительных камерах малого и большого контуров циркуляции воды, условные коэффициенты орошения в теплообменниках I, II, III Bусл = W/G, где W - количество воды, проходящей через теплообменник; G - расход воздуха через теплообменник.
4.3. Производительность по воздуху приточного и испарительного кондиционеров БСКВ, проектируемых по схемам
рис. 1 и
2, следует определять в соответствии с требованиями
пп. 2.2 и
2.16 настоящих Рекомендаций.
4.4. Расчет БСКВ заключается в расчете и увязке совместной работы приточного и испарительного кондиционеров, связанных друг с другом большим и малым контурами циркуляции воды.
4.5. Специфика расчета каждого контура циркуляции воды БСКВ заключается в увязке совместной работы поверхностного теплообменника и оросительной камеры.
Подобрав теплообменник, охлаждающий приточный воздух до требуемой температуры, необходимо рассчитать оросительную камеру (определить коэффициент орошения и количество охлаждающего воздуха), способную обеспечить охлаждение воды, циркулирующей в теплообменнике, от конечной температуры отепленной воды до той температуры, с которой вода должна входить в теплообменник.
4.6. Специфика расчета БСКВ состоит в том, что расчет малого контура циркуляции зависит от условий работы большого контура циркуляции (т.е. от параметров воздуха после теплообменников I и III). В свою очередь расчет большого контура циркуляции зависит от параметров воздуха после камеры орошения малого контура циркуляции.
4.7. Расчет БСКВ следует проводить с помощью графоаналитического метода, позволяющего решать прямые и обратные задачи программ для ЭВМ "Росинка-28" и "Росинка-29".
Графоаналитический метод расчета
4.8. Графоаналитический метод дает возможность точно рассчитать в соответствии с требованиями
разд. 2 настоящих Рекомендаций конечные параметры охлажденного воздуха после приточного кондиционера и конечные параметры воздуха, покидающего испарительный кондиционер.
Промежуточные параметры воздуха после I и III теплообменников, а также параметры воздуха после оросительной камеры МК и температуры воды в малом и большом контурах циркуляции воды вычисляются с некоторым приближением.
4.9. Интегральные процессы тепло- и влагообмена

, происходящие в БСКВ при различных начальных параметрах воздуха в приточном и испарительном кондиционерах, описываются следующим уравнением:

(4)
где

- относительное измерение температуры воздуха;
Mзс = (tс2 - tмин)/(tс2 - tри) - температурный критерий, учитывающий начальные параметры воздуха в системе;
tс2 и
tс4 - температура воздуха по сухому термометру до и после приточного кондиционера
(рис. 9);
tри и
tми - температура точки росы и температура по мокрому термометру воздуха, поступающего в испарительный кондиционер
(рис. 9);
A - эмпирический коэффициент;
Rс = 1 + 2,34a - критерий, учитывающий влияние влагообмена на теплообмен;
a = (Pри - Pми)/(tри - tми) - произвольная Лагранжа;
Pри и Pми - парциальные давления водяного пара в состоянии насыщения соответственно при температурах tри и tми.
4.10. Уравнения, по которым следует выполнять интегральные расчеты БСКВ, проектируемых по схемам, приведенным на
рис. 1 и
2, из типовых секций КТЦ при равных номинальных производительностях по воздуху приточных и испарительных кондиционеров, приведены в
табл. 1.
| Расчетные уравнения | Характеристика элементов БСКВ |
Теплообменники | Оросительные камеры |
Критерий глубины Fохл/fж | Критерий живых сечений  | Условный коэффициент орошения Bусл |
Малый контур циркуляции | Большой контур циркуляции |
I | II | III | I | II | III | I | II | III |
Коэффициент орошения BМК | Коэффициент орошения BБК |
1. | | 260 - 270 z = 8 | 260 - 270 z = 8 | 190 - 205 z = 6 | 120 - 160 | 120 - 160 | 160 - 210 | 1,2 | 1,5 | 0,6 | 1,5 | 1,8 |
| | 190 - 205 z = 6 | 260 - 270 z = 8 | 190 - 205 z = 6 | 160 - 210 | 120 - 160 | 160 - 210 | 1,2 | 1,5 | 0,6 | 1,5 | 1,8 |
3. | | 190 - 205 z = 6 | 260 - 270 z = 8 | 130 - 140 z = 4 | 160 - 210 | 120 - 160 | 240 - 310 | 1,2 | 1,5 | 0,6 | 1,5 | 1,8 |
| | 190 - 205 z = 6 | 190 - 205 z = 6 | 130 - 140 z = 4 | 160 - 210 | 160 - 210 | 240 - 310 | 1,2 | 1,5 | 0,6 | 1,5 | 1,8 |
Примечания: 1. z - суммарное число рядов оребренных труб по пути движения воздуха в типовых секциях подогрева или охлаждения, из которых собираются теплообменники I, II, III.
2. Весовая скорость воздуха в теплообменниках I, II и III при их номинальной производительности не должна превышать

. При этом суммарное сопротивление I и II теплообменников приточного кондиционера соответственно уравнениям составит:
H = 57 мм в. ст. (559 Па); H = 50 мм в. ст. (490 Па);
H = 50 мм в. ст. (490 Па); H = 43 мм в. ст. (422 Па).
3. При компоновке теплообменников приточного кондиционера из пластинчатых или спирально-навивных калориферов, выпускаемых промышленностью, необходимо обеспечить указанные в
табл. 1 значения критериев
Fохл/
fж и

.
Полученные значения

для теплообменников из пластинчатых калориферов должны быть уменьшены на 5 - 10%.
4. Камеры орошения малого и большого контуров циркуляции воды следует принимать двухрядными с взаимовстречным распылением воды тангенциальными широкофакельными форсунками ШФ5/9, весовую скорость воздуха в камере

.
5. Скорость воды в циркуляционных трубопроводах БСКВ следует принимать в пределах 0,7 - 1,3 м/с.
Мощность циркуляционных насосов должна подбираться из условия обеспечения давления воды перед форсунками оросительных камер в пределах 200 - 400 кПа (2 - 3,5 ати), а также компенсации потерь давления в циркуляционных трубопроводах и теплообменниках.
6. Теплообменник III с числом рядов z = 4 следует применять при работе испарительного кондиционера на вытяжном воздухе.
Рис. 10. График для определения величины охлаждения
воздуха

в бескомпрессорных системах кондиционирования
воздуха. Цифры 1, 2 и 3, 4 соответствуют характеристикам
Пределы применимости расчетных уравнений даны в
табл. 2.
Параметры воздуха в летний период на входе | Произведение критериев MзсRс |
в приточный кондиционер (см. п. 1.3) | в испарительный кондиционер |
Температура точки росы tр, °C | Температура мокрого термометра tм, °C | Относительная влажность,  , % | Температура точки росы tри, °C | Температура мокрого термометра tми, °C | Относительная влажность  , % |
От 1 до 18 | От 15 до 25 | <= 65 | От 1 до 18 | От 15 до 25 | <= 65 | От 1,3 до 3,7 |
С помощью каждого уравнения
табл. 1 могут быть рассчитаны БСКВ различной производительности по воздуху в пределах типового ряда кондиционеров КТЦ, а именно: 30, 40, 60, 80, 120, 160 и 240 тыс. м
3/ч при различных или одинаковых начальных параметрах воздуха, поступающего как в приточный, так и в испарительный кондиционеры (см.
табл. 2 и
п. 1.3 настоящих Рекомендаций).
Примечание. При расчете БСКВ по схеме на
рис. 2 следует выполнять требования
п. 2.16 настоящих Рекомендаций. Поверхности теплообменника I и теплообменника II приточного кондиционера должны отвечать результатам расчета по уравнениям
табл. 1 или графику на
рис. 10.
4.11. Каждое уравнение в
табл. 1 соответствует БСКВ с фиксированными поверхностями I, II и III теплообменников, а также определенным коэффициентам орошения
B в форсуночных камерах с заданными конструктивными характеристиками.
4.12. С помощью уравнений, приведенных в
табл. 1, следует решать как прямые, так и обратные задачи. Целью прямых задач является определение поверхности охлаждения теплообменников при известных начальных параметрах воздуха, поступающего в приточный и испарительный кондиционеры, и при заданной глубине охлаждения приточного воздуха.
Целью обратной задачи является определение глубины охлаждения воздуха в БСКВ при известных начальных параметрах воздуха, поступающего в приточный и испарительный кондиционеры, и известных поверхностях охлаждения теплообменников.
4.13. Для облегчения расчетов по уравнениям
табл. 1 приводится расчетный график на
рис. 10.
Графическая интерпретация расчетных величин по
уравнению (4) для основных вариантов работы испарительного кондиционера системы БСКВ приведена на
рис. 11,
12,
13.
Рис. 11. Графическая интерпретация расчетных зависимостей
при работе испарительного кондиционера
на рециркуляционном воздухе
tн - температура наружного воздуха (параметры Б);
- температура воздуха, поступающего в приточный
кондиционер; t5 - температура рециркуляционного
воздуха, поступающего в испарительный кондиционер;
tми и tри - температура мокрого термометра и точки росы
воздуха, поступающего в испарительный кондиционер;
соответственно в I, II, III теплообменниках
Рис. 12. Графическая интерпретация расчетных зависимостей
при работе испарительного кондиционера на наружном воздухе
tн - температура наружного воздуха (параметры Б), поступающего
в испарительный кондиционер; tми и tри - температура
мокрого термометра и точки росы воздуха, поступающего
в испарительный кондиционер;
- температура воздуха,
поступающего в приточный кондиционер; 
,

,
- разности температур соответственно
в I, II и III теплообменниках
Рис. 13. Графическая интерпретация расчетных зависимостей
при работе испарительного кондиционера на вытяжном воздухе
из технологических помещений
tн - температура наружного воздуха
(параметры Б);
- температура воздуха, поступающего
в приточный кондиционер;
- температура вытяжного
воздуха, поступающего в испарительный кондиционер;
tми и tри - температуры мокрого термометра и точки росы
воздуха, поступающего в испарительный кондиционер; 
,

,
- разности температур воздуха соответственно
в I, II, III теплообменниках
4.14. При решении прямых задач конечная температура охлажденного в приточном кондиционере воздуха

не может быть задана произвольно.
При ее назначении следует руководствоваться требованиями
п. 4.1 настоящих Рекомендаций.
Температура

зависит от температуры воздуха

после испарительного кондиционера
(рис. 9).
Температура

, определяемая по теплосодержанию
I8 и

, не должна быть выше температуры воздуха, поступающего в теплый период года в испарительный кондиционер (см.
п. 4.15 б настоящих Рекомендаций).
4.15. Графоаналитический метод построения на
I-d-диаграмме
(рис. 9) процессов в БСКВ при известных параметрах воздуха, поступающего в приточный и испарительный кондиционеры (

и

), а также при известной температуре охлажденного приточного воздуха

состоит в следующем:
а) вычисляют величину

(разность теплосодержаний воздуха в приточном кондиционере).
| | ИС МЕГАНОРМ: примечание. В официальном тексте документа, видимо, допущена опечатка: пункт 3.9 отсутствует. | |
Согласно требованиям
пп. 2.2,
2.16 и 3.9 настоящих Рекомендаций
б) определяют теплосодержание воздуха после испарительного кондиционера (точка
8 на
рис. 9). Из точки
5 (параметры воздуха, поступающего в испарительный кондиционер) проводят линию постоянного теплосодержания
I5 до пересечения с

в точке
tми.
Вычисляют

и на линии

при
I8 находят точку
8 и
tс8;
в) определяют температуру воды (точка 11), поступающей в теплообменник I и III
t11 = (tс8 + 0,5);
г) определяют температуру воздуха tс3 после теплообменника I приточного кондиционера tс3 = t11 + (1,5 - 2,5).
На
I-d-диаграмме проводят линию постоянного влагосодержания через точку
1 и на эту линию наносят точку
3 при вычисленной
tс3 (рис. 9);
д) определяют разность теплосодержаний воздуха в теплообменнике II приточного кондиционера
е) определяют начальную и конечную температуру воды, циркулирующей в малом контуре циркуляции воды, точки
9,
10 на линии
(рис. 9).
Температура воды, поступающей в теплообменник II (эта же температура соответствует температуре воды после охлаждения в оросительной камере МК), равна
t9 = tс4 - (0,5 - 1).
Температуру воды после теплообменника II вычисляют:
где BМК - коэффициент орошения в оросительной камере МК, BМК = 1,5;
ж) определяют параметры воздуха после оросительной камеры малого контура циркуляции МК (точка
7 на
рис. 9); вычисляют точку росы воздуха
tр7 = (t9 - 0,2),
при

и
tр7 на
I-d-диаграмму наносят точку
7 и определяют теплосодержание
I7 и температуру
tс7;
з) определяют параметры воздуха после теплообменника III испарительного кондиционера (точка
6 на
I-d-диаграмме,
рис. 9). Вычисляют теплосодержание

при

.
Из точки 5, характеризующей параметры воздуха, поступающего в испарительный кондиционер, на I-d-диаграмме проводят линию d = const.
На этой линии откладывают величину I6 и наносят точку 6;
и) определяют разность теплосодержания воздуха в оросительной камере БК

и температуру воды, поступающей в камеру орошения БК,
где BБК - коэффициент орошения в камере БК;
к) полученные точки
2,
3,
4 и точки
5,
6,
7 и
8, характеризующие параметры воздуха до и после теплообменных аппаратов БСКВ, соединяют прямыми линиями (см.
рис. 9).
4.16. Последовательность расчета БСКВ при решении прямых задач, заключающихся в определении поверхности теплообменников I, II и III, такова:
а) на
I-d-диаграмму наносят известные параметры воздуха, поступающего в приточный кондиционер
I1;
tс1 (точка
1 на
рис. 9,
11,
12 и
13) и воздуха, поступающего в испарительный кондиционер - рециркуляционного из помещений
(рис. 11); наружного
(рис. 12); вытяжного из технологических помещений (
рис. 13, точка
5);
б) по I-d-диаграмме определяют начальную температуру воздуха, поступающего в теплообменник I,
tс2 = (tс1 + 1,5),
температуру мокрого термометра tми и температуру точки росы tри воздуха, поступающего в испарительный кондиционер;
в) вычисляют критерий
Mзс = (tс2 - tми)/(tс2 - tри);
г) определяют критерий
Rс по диаграмме на
рис. 14, предварительно определив разность (
tри -
tми), принимая
tр =
tри и
tвн =
tми;
д) вычисляют величину комплекса (1 + MзсRс);
е) находят величину относительного изменения температуры воздуха
ж) при известных

и (1 +
MзсRс) с помощью графика на
рис. 10 (ход решения прямых задач показан пунктирными линиями) и
табл. 1 подбирают элементы системы, обеспечивающей требуемое охлаждение приточного воздуха;
з) при решении прямой задачи точка пересечения прямых

и (1 +
MзсRс) на графике
(рис. 10) может оказаться выше линий, характеризующих охлаждающую способность каждой системы. Это означает, что при данных параметрах воздуха, поступающего в приточный и испарительный кондиционеры, требуемое охлаждение воздуха не может быть обеспечено с помощью БСКВ при принятых
(табл. 1) поверхностях охлаждения. Если же точка пересечения прямых

и (1 +
MзсRс) находится между линиями графика, то для расчета следует принимать вышележащую линию.
Рис. 14. Диаграмма для определения критерия
R
(По этой диаграмме определяется и величина критерия
Rс при tр - tвн = tри - tми)
Rр = 1 + 2,34a; a = (Pп - Pвн)/(tр - tвн),
где tр - температура точки росы; tвн - температура
распыляемой воды; Pп, Pвн - парциальные давления
водяных паров в состоянии насыщения
4.17. Для решения обратных задач при расчете БСКВ должны быть предварительно известны:
параметры воздуха, поступающего в приточный кондиционер (наружного, рециркуляционного или их смеси);
параметры воздуха, поступающего в испарительный кондиционер (наружного, вытяжного или их смеси);
производительность системы по воздуху;
конструктивные характеристики теплообменников: критерий глубины
Fохл/
fж и отношение живых сечений

;
условные коэффициенты орошения теплообменников.
Расчет БСКВ при решении обратных задач заключается:
в определении параметров воздуха после приточного кондиционера;
в определении параметров воздуха и воды после элементов системы и каждого контура циркуляции;
построении процессов на I-d-диаграмме.
4.18. Последовательность расчета БСКВ при решении обратных задач такова:
а) на
I-d-диаграмму наносятся параметры воздуха, поступающего в приточный кондиционер
I1;
tс1 (
рис. 9,
11 -
13), и воздуха, поступающего в испарительный кондиционер (точка
5) (рециркуляционного из помещения -
рис. 11, наружного -
рис. 12, вытяжного из технологических помещений -
рис. 13);
б) по I-d-диаграмме определяют начальную температуру воздуха, поступающего в теплообменник I, tс2 = tс1 + 1,5 °C;
температуру мокрого термометра tми и температуру точки росы tри воздуха, поступающего в испарительный кондиционер;
в) вычисляют критерий
Mзс при известных величинах
tс2,
tми,
tри (см.
п. 4.9 настоящих Рекомендаций);
г) вычисляют критерий
Rс по диаграмме
(рис. 14), предварительно определив разность (
tри -
tми), принимая
tр =
tри,
tвн =
tми;
д) вычисляют величину комплекса (1 + MзсRс);
е) определяют величину критерия
по уравнениям
табл. 1 или по графику на
рис. 10 при известных (1 +
MзсRс) и выбранном типе БСКВ;
ж) вычисляют температуру воздуха, подаваемого в помещение, после приточного кондиционера
з) графически решение обратной задачи показано на
рис. 10 сплошной линией.
4.19. Для определения производительности системы по воздуху и воде вычисляют:
а) разность теплосодержаний приточного и внутреннего воздуха
б) расход воздуха Gпр, необходимого для снятия теплоизбытков Qпом в помещении:
в) расход воздуха в испарительном кондиционере, принимая его равным расходу воздуха в приточном кондиционере
Gисп = Gпр;
г) расходы воды в малом контуре циркуляции
Wмк = GиспBмк = Gисп·1,5;
д) расход воды в большом контуре циркуляции
WБК = GиспBБК = Gисп·1,8,
где BБК - коэффициент орошения в камере БК
ПРИМЕРЫ РАСЧЕТА
Пример 1 (прямая задача). Определяется состав элементов БСКВ (число секций для I, II и III теплообменников). Приточный кондиционер работает на наружном воздухе, а испарительный - на рециркуляционном воздухе из помещения (
рис. 1 настоящего прил.).
Рис. 1. Построение на
I-d-диаграмме
процессов обработки воздуха в БСКВ (к
примеру 1)
Исходные данные
Расчетные параметры наружного воздуха для г. Ташкента:
tс1 = 35,7 °C; I1 = 15 ккал/кг (62,8 кДж/кг) (точка 1).
Система кондиционирования воздуха обеспечивает поддержание в летний период в помещении
tс13 = 26 °C и

.
Параметры приточного воздуха tс4 = 21 °C и I4 = 11,4 ккал/кг (47,7 кДж/кг).
Параметры рециркуляционного воздуха tс5 = 27 °C и I5 = 13,25 ккал/кг (55,5 кДж/кг).
Условные коэффициенты орошения в I, II и III теплообменниках принимаются соответственно 1,2; 1,5; 0,6 (см.
табл. 1 настоящих Рекомендаций).
Схема системы БСКВ приведена на
рис. 1 настоящих Рекомендаций.
Решение
1. Расчет выполняется в соответствии с требованиями
п. 4.16 настоящих Рекомендаций:
а) на I-d-диаграмму наносят параметры наружного воздуха (точка 1) и воздуха, поступающего в испарительный кондиционер (точка 5);
б) определяют температуру воздуха, поступающего в приточный кондиционер,
tс2 = tс1 + 1,5 = 35,7 + 1,5 = 37,2 °C,
температуру мокрого термометра и температуру точки росы рециркуляционного воздуха, поступающего в испарительный кондиционер (см.
рис. 1 прил. 1)
tми = 19 °C, tри = 15 °C;
в) вычисляют критерий Mзс = (tс2 - tми)/(tс2 - tри) = (37,2 - 19)/(37,2 - 15) = 0,82;
г) вычисляют критерий
Rс по диаграмме на
рис. 14 при
tр - tвн = tри - tми = 15 - 19 = -4 °C
и tвн = tми = 19 °C
Rс = 3,23;
д) вычисляют (1 + MзсRс) = 1 + 0,82·3,23 = 3,65;
е) вычисляют

;
ж) по графику на
рис. 10 при известных

и (1 +
MзсRс) = 3,65 получают точку
A на прямой 1. По
табл. 1 настоящих Рекомендаций определяют количество теплообменников и конструктивные характеристики выбранной системы БСКВ, а именно, суммарное число рядов в первом теплообменнике
z = 8. Принимают к установке четыре двухрядные секции воздухонагревателей КТЦ-2.
Суммарное число рядов во втором теплообменнике z = 8. Принимают к установке четыре двухрядные секции. Суммарное число рядов в третьем теплообменнике z = 6. Принимают к установке три двухрядные секции.
2. Проведенный расчет справедлив для схем БСКВ
(рис. 1), различной производительности по воздуху
(п. 4.10) в пределах типового ряда от 30 до 240 тыс. м
3/ч.
3. Производительность приточного и испарительного кондиционера принимается равной L = 31 500 м3/ч.
4. Теплообменники I, II и III собираются из типовых двухрядных секций воздухонагревателей КТЦ-2 03.10210 в соответствии с
п. 1 ж данного примера.
Конструктивные характеристики одной секции: поверхность охлаждения
Fохл = 97,8 м
2, живое сечение для прохода воздуха
fж = 1,44 м
2; живое сечение для прохода воды

. По воде секции соединены по схеме,
рис. 6,
а.
Конструктивные характеристики установленных теплообменников приведены в
табл. 1 прил. 1.
Теплообменники | Fохл/fж | | z рядов | Fохл, м2 | fж, м2 | |
I | 272 | 122 | 8 | 391,2 | 1,44 | 0,01184 |
II | 272 | 122 | 8 | 391,2 | 1,44 | 0,01184 |
III | 204 | 162 | 6 | 293,4 | 1,44 | 0,0079 |
5. Построение процессов на
I-d-диаграмме проводят в соответствии с
п. 4.15 настоящих Рекомендаций:
а) вычисляют общую разность теплосодержаний воздуха в приточном кондиционере
б) при равных количествах воздуха в приточном и испарительном кондиционере

определяют теплосодержание воздуха после испарительного кондиционера.
Из точки
5 проводят линию постоянного теплосодержания
I5 до пересечения с

в точке
tми. От этой точки откладывают величину

.

. При
I8 на линии

находят температуру воздуха после испарительного кондиционера
tс8 = 23,5 °C;
в) определяют температуру воды, поступающей в теплообменники I и III
t11 = tс8 + 0,5 = 23,5 + 0,5 = 24 °C;
г) определяют температуру воздуха tс3 после теплообменника I
tс3 = t11 + 2 = 24 + 2 = 26 °C.
Точка 3 находится на линии постоянного влагосодержания, проведенной через точку 1;
д) определяют разность теплосодержаний воздуха в теплообменнике II
е) определяют температуру воды, поступающей в теплообменник II
t9 = tс4 - 1 = 21 - 1 = 20 °C
и температуру воды после теплообменника II при BМК = 1,5
ж) определяют температуру точки росы воздуха после оросительной камеры МК
tр7 = t9 - 0,2 = 20 - 0,2 = 19,8 °C,
при

и
tр7 = 19,8 °C на
I-d-диаграмму наносят точку
7 и определяют теплосодержание
I7 = 14 ккал/кг (58,6 кДж/кг) и температуру
tс7 = 20,5 °C;
з) определяют параметры воздуха после теплообменника III:
теплосодержание воздуха
температуру воздуха в точке пересечения линий I6 и d5
tс6 = 25 °C;
и) определяют разность теплосодержаний в оросительной камере БК
и температуру воды, поступающей в оросительную камеру БК, при BБК = 1,8
к) полученные точки
2,
3,
4 и
5,
6,
7,
8 соединяют прямыми линиями (см.
рис. 1 настоящего прил.).
Пример 2 (обратная задача). Рассматривается БСКВ, в которой приточный и испарительный кондиционеры работают на наружном воздухе
(рис. 2).
Рис. 2. Построение на
I-d-диаграмме процессов
Исходные данные
а) расчетные параметры наружного воздуха
tн = 32,6 °C; Iн = 11,8 ккал/кг (49,4 кДж/кг);
б) производительность БСКВ по воздуху L = 62 000 м3/ч;
в) в качестве теплообменников I и III приняты три двухрядные секции КТЦ-2 06.10210, а теплообменника II - 4 секции КТЦ-2 06.10210, соединенные по воде по схеме "б", рис. 6. Установленные поверхности охлаждения (
zI = 6;
zII = 8;
zIII = 6) соответствуют характеристике системы по
п. 2 табл. 1 настоящих Рекомендаций и линии
2 на
рис. 10.
Конструктивные характеристики двухрядной секции воздухонагревателей КТЦ-2 06.10210
Fохл = 195,6 м
2;
fж = 2,88 м
2;

Конструктивные характеристики установленных теплообменников приведены в
табл. 2.
Теплообменники | Fохл/fж | | z рядов | Fохл, м2 | fж, м2 | |
I | 204 | 162 | 6 | 587 | 2,88 | 0,01776 |
II | 272 | 122 | 8 | 782 | 2,88 | 0,02368 |
III | 204 | 162 | 6 | 587 | 2,88 | 0,01776 |
г) условные коэффициенты орошения в I, II и III теплообменниках приняты 1,2; 1,5; 0,6 (см.
табл. 1);
д) теплоизбытки в помещении составляют
Qпом = 208 000 ккал/ч (241 кВт),
а луч процесса в помещении равен

;
е) принципиальная схема системы БСКВ приведена на
рис. 1 настоящих Рекомендаций.
Требуется определить температуру, до которой может быть охлажден воздух в приточном кондиционере, и построить на I-d-диаграмме процессы, протекающие в элементах БСКВ.
Решение
1. Определение температуры приточного воздуха ведется в соответствии с требованиями
п. 4.18 настоящих Рекомендаций:
а) на
I-d-диаграмму наносят параметры наружного воздуха в точке
1 (
рис. 2 данного прил.);
б) определяют температуру воздуха, поступающего в приточный кондиционер:
tс2 = tс1 + 1,5 = 32,6 + 1,5 = 34,1 °C (точка 2)
| | ИС МЕГАНОРМ: примечание. В официальном тексте документа, видимо, допущена опечатка: рисунок 16 отсутствует. | |
и по I-d-диаграмме вычисляют температуру мокрого термометра tми и точки росы воздуха tри, поступающего в испарительный кондиционер, tми = 17,1 °C, tри = 7,2 °C (см. рис. 16);
в) вычисляют критерий Mзс = (tс2 - tми)/(tс2 - tри) - (34,1 - 17,1)/(34,1 - 7,2) - 0,632;
г) вычисляют критерий
Rс по диаграмме на
рис. 14. При (
tр -
tвн) = (
tри -
tми) = (7,2 - 17,1) = -9,9 °C и
tми = 17,1 °C, принимая
tр =
tри и
tвн =
tми, критерий
Rс = 2,65;
д) вычисляют величину комплекса
(1 + MзсRс) = 1 + 0,632·2,65 = 2,67;
е) определяют относительное изменение температуры воздуха

по графику
рис. 10 (линия
2) или по формуле
ж) вычисляют температуру приточного воздуха tс4
tс4 = 34,1 - 0,593(34,1 - 7,2) = 18 °C.
2. Построение процессов в БСКВ на
I-d-диаграмме проводят в последовательности, изложенной в
п. 4.15 настоящих Рекомендаций:
а) определяют общую разность теплосодержаний воздуха в приточном кондиционере
б) при условии

определяют теплосодержание воздуха после испарительного кондиционера. Из точки
5 проводят линию постоянного теплосодержания
I5 до пересечения с

в точке
tми. От этой точки откладывают величину

.
и при
I8 на линии

находят температуру воздуха после испарительного кондиционера
tс8 = 21,9 °C;
в) определяют температуру воды, поступающей в теплообменники I и III,
t11 = tс8 + 0,5 = 21,9 + 0,5 = 22,4 °C;
г) определяют температуру воздуха tс3 после I теплообменника
tс3 = t11 + 2,5 = 22,4 + 2,5 = 24,9 °C;
точка 3 на I-d-диаграмме наносится при d1 = 6,7 г/кг и tс3 = 24,9 °C;
д) определяют разность теплосодержаний воздуха в теплообменнике II
е) определяют температуру воды, поступающей в теплообменник II,
t9 = tс4 - 0,5 = 18 - 0,5 = 17,5 °C
и температуру воды после теплообменника II при BМК = 1,5
к) определяют температуру точки росы воздуха после оросительной камеры МК
tр7 = t9 - 0,2 = 17,5 - 0,2 = 17,3 °C,
температуру
tс7 и теплосодержание воздуха
I7 после оросительной камеры МК при

и
tр7 = 17,3 °C
tс7 = 18 °C; I7 = 12,1 ккал/кг (50,7 кДж/кг);
з) определяют теплосодержание воздуха после теплообменника III
температуру воздуха после теплообменника III в точке пересечения линий I6 и d5 = 6,7 г/кг
tс6 = 26 °C;
и) определяют разность теплосодержаний воздуха в оросительной камере БК
и температуру воды, поступающей в оросительную камеру БК, при BБК = 1,8
Полученные точки
1,
2,
3,
4 и
5,
6,
7,
8 на
рис. 2 данного прил. соединяют прямыми линиями.
3. Для определения параметров воздуха в помещении из точки
4 проводят луч процесса в помещении

. При перепаде

параметры внутреннего воздуха в помещении
tс13 = 25 °C,

.
БЕСКОМПРЕССОРНАЯ СИСТЕМА КОНДИЦИОНИРОВАНИЯ ВОЗДУХА
С КРУГЛОГОДИЧНЫМ ИСПОЛЬЗОВАНИЕМ ПРИТОЧНОГО КОНДИЦИОНЕРА
1. Бескомпрессорную систему по схеме, приведенной на
рис. 1, следует проектировать с применением в приточном кондиционере устройства IV для адиабатического увлажнения и охлаждения воздуха, которое устанавливается после теплообменника II в приточном кондиционере
<1>.
--------------------------------
<1> Авт. свид. N 297310. Установка для кондиционирования воздуха. - Бюллетень открытий, изобретений, промышленных образцов и товарных знаков, 1973, N 47.
Зусманович Л.М. Одно- и двухступенчатые бескомпрессорные системы кондиционирования воздуха. - В кн.: Инженерное оборудование жилых и общественных зданий. - М.: ЦНИИЭП инженерного оборудования, 1978.
Рис. 1. Схема БСКВ с круглогодичным использованием
приточного кондиционера
Благодаря устройству IV, работающему по схеме с управляемыми процессами адиабатического увлажнения воздуха, отпадает необходимость в установке теплообменников второго подогрева в приточном кондиционере или в испарительном кондиционере, а также в монтаже воздуховода, подающего воздух от испарительного кондиционера в помещение.
2. В теплый период года приточный кондиционер (
рис. 1 прил. 2) должен обеспечивать сухое охлаждение воздуха в теплообменниках I и II и дальнейшее его адиабатическое охлаждение до параметров притока в увлажнительном устройстве IV, испарительный кондиционер в этот период года должен обеспечивать охлаждение воды, циркулирующей в теплообменниках I и II.
3. В холодный и переходный периоды года приточный кондиционер должен обеспечивать подогрев приточного воздуха в теплообменнике первого подогрева К-I и адиабатическое охлаждение и увлажнение воздуха до параметров притока. Теплообменник второго подогрева в приточном кондиционере устанавливаться не должен.
| | ИС МЕГАНОРМ: примечание. В официальном тексте документа, видимо, допущена опечатка: рисунок 17 отсутствует. | |
4. Допускается использование в холодный и переходный периоды года испарительного кондиционера в схеме БСКВ, приведенной на рис. 17
прил. 2, в качестве вытяжной системы или системы для утилизации тепла удаляемого вытяжного воздуха. С этой целью теплообменник первого подогрева К-I в приточном кондиционере должен устанавливаться между теплообменниками I и II, а контур циркуляции МК должен использоваться для циркуляции промежуточного теплоносителя. Кроме того, должны быть приняты меры против замерзания промежуточного теплоносителя, циркулирующего в контуре МК.
5. В холодный, переходный и теплый периоды года увлажнительное устройство IV приточного кондиционера должно работать, обеспечивая управляемые процессы адиабатического охлаждения и увлажнения воздуха
<1>.
--------------------------------
<1> Зусманович Л.М., Брук М.И. Функциональные схемы регулирования управляемых процессов в камерах орошения. - В кн.: Вопросы отопления, вентиляции и электрического освещения. - М.: ЦНИИЭП инженерного оборудования, 1980.
С этой целью в качестве устройства IV рекомендуется применять блоки БТМ-2, оросительные камеры типа ОКФ - оборудование производства Харьковского завода "Кондиционер". Допускается применение таких оросительных секций приточных вентиляционных камер типа 2ПК. Перечисленные оросительные устройства оснащаются широкофакельными форсунками ШФ 5/9, создающими возможность проведения управляемых адиабатических процессов увлажнения воздуха (УПА).
6
. Управляемые процессы адиабатического увлажнения воздуха должны осуществляться путем применения специальной схемы регулирования, приведенной на
рис. 2 прил. 2.
Рис. 2. Схема автоматического регулирования УПА-1
(с двумя датчиками в помещении)
I - вытяжной вентилятор; II - обслуживаемое помещение;
III - фильтр; IV - воздушный клапан с приводом
на рециркуляционном воздуховоде; V - калорифер 1 подогрева;
VI - камера орошения; VII - приточный вентилятор;
VIII - воздушный клапан с приводом; IX - клапан,
регулирующий расход теплоносителя через калорифер
1 подогрева; X - клапан, регулирующий расход воды
через форсунки камеры орошения; XI - переключатель;
XII - датчик температуры в помещении; XIII - датчик
минимально допустимой температуры в помещении; XIV - датчик
температуры мокрого термометра приточного воздуха;
XV - датчик температуры наружного воздуха
Изменение температуры воздуха после увлажнительного устройства осуществляется изменением расхода распыляемой в оросительной камере воды путем воздействия датчика температуры воздуха в помещении (в приточном воздуховоде) на привод клапана, изменяющего расход воды в оросительной камере.
Поддержание постоянной температуры мокрого термометра в холодный и переходный периоды года обеспечивается с помощью датчиков температуры, установленных в поддоне и воздействующих на устройства, изменяющие расход теплоносителя в теплообменнике первого подогрева, а при повышении наружной температуры, на устройства, изменяющие соотношение смеси наружного и рециркуляционного воздуха. Различные схемы регулирования УПА приводятся в работе
<1>.
--------------------------------
<1> Зусманович Л.М., Брук М.И. Функциональные схемы регулирования управляемых процессов в камерах орошения. - В кн.: Вопросы отопления, вентиляции и электрического освещения. - М.: ЦНИИЭП инженерного оборудования, 1980.
| | ИС МЕГАНОРМ: примечание. В официальном тексте документа, видимо, допущена опечатка: рисунок 17 отсутствует. | |
7. При проектировании БСКВ по схеме на рис. 17 настоящего приложения допускается расположение воздухообрабатывающего оборудования на всасывающей линии вентилятора.
8. При проектировании БСКВ с различными производительностями по воздуху, в пределах типового ряда центральных кондиционеров, рекомендуется принимать следующие поверхности теплообменников:
для I - три двухрядные секции воздухонагревателей;
для II - три двухрядные секции воздухонагревателей;
для III - две двухрядные секции воздухонагревателей.
При применении блоков БТМ-2 в качестве увлажнительного устройства IV их поверхности нагрева должны выполнять функции теплообменников II.
Конструктивные характеристики этих теплообменников, а также величины условных коэффициентов орошения следует принимать по данным табл. 1 настоящих Рекомендаций,
п. 4.
| | ИС МЕГАНОРМ: примечание. В официальном тексте документа, видимо, допущена опечатка: рисунок 17 отсутствует. | |
9. Построения процессов обработки воздуха в аппаратах БСКВ, проектируемой по схеме на рис. 17
прил. 2, а также графоаналитический расчет системы следует выполнять в соответствии с требованиями
разд. 4.
Схема процессов обработки воздуха на
I-d-диаграмме в теплый период года в приточном и испарительном кондиционерах приведена на
рис. 3.
Рис. 3. Построение на
I-d-диаграмме процессов обработки
воздуха в БСКВ с круглогодичной работой приточного
кондиционера по схеме, приведенной в приложении
10. Суммарную величину сухого охлаждения воздуха в теплообменниках приточного кондиционера (точка
4 на
рис. 3 прил. 2) при его работе на одном наружном воздухе или смеси наружного и рециркуляционного воздуха рекомендуется определять по графику на
рис. 10, линия
4, в соответствии с методикой, изложенной в
п. 4.18. Допускается использование и расчетных уравнений в табл. 1 настоящих Рекомендаций
п. 4.
Расчет управляемых процессов охлаждения и увлажнения воздуха в оросительной камере IV рекомендуется производить по данным работы
<1>. Для ориентировочных расчетов коэффициент орошения в камере ТУ может быть принят равным 1 - 1,3.
--------------------------------
<1> Зусманович Л.М., Брук М.И. Функциональные схемы регулирования управляемых процессов в камерах орошения. - В кн.: Вопросы отопления, вентиляции и электрического освещения. - М.: ЦНИИЭП инженерного оборудования, 1980.
| | ИС МЕГАНОРМ: примечание. В официальном тексте документа, видимо, допущена опечатка: таблица 1 в приложении 2 отсутствует. Возможно, имеется в виду п. 4 таблицы 1 настоящих рекомендаций. | |
11. При проектировании прямоточных БСКВ по схеме на
рис. 1 и с теплотехническими характеристиками, приведенными в
п. 4 прил. 2 табл. 1, в городах Москве, Алма-Ате, Киеве и Ташкенте рекомендуется определять число часов дискомфорта, позволяющее ориентировочно оценить вероятность поддержания нормируемых параметров воздуха в помещении за период охлаждения
<2>.
--------------------------------
<2> Этот метод разработан в институте КиевЗНИИЭП инж. Шмедриком А.А.
Физическая сущность определения числа часов дискомфорта пояснена в
прил. 3.
12. Рекомендуется принимать следующую продолжительность дискомфорта при круглосуточной работе систем:
а) при технологическом кондиционировании - 200 ч;
б) при комфортном кондиционировании - 300 ч;
в) при поддержании допустимых условий в помещении - 400 ч.
При этом для систем, работающих с 9 до 18 ч число часов дискомфорта соответственно составит: 85; 125 и 170, а для систем, работающих с 9 до 24 ч - 135; 200 и 270 ч.
13. Число часов дискомфорта рекомендуется определять по графикам: для круглосуточной работы систем - по
рис. 4, для работы систем в период с 9 до 18 ч - по
рис. 5, а с 9 до 24 ч - по
рис. 6.
Рис. 4. График для определения расчетных температур
и влагосодержания приточного воздуха
при круглосуточной работе системы
а - г. Алма-Ата; б - г. Ташкент; в - г. Киев;
г - г. Москва; 1 - 200 ч дискомфорта; 2 - 300 ч дискомфорта;
3 - 400 ч дискомфорта
Рис. 5. График для определения расчетных температур
и влагосодержания приточного воздуха
при работе системы с 9 - 18 ч
а - г. Алма-Ата; б - г. Ташкент; в - г. Киев; г - г. Москва;
1 - 85 ч дискомфорта; 2 - 125 ч дискомфорта;
3 - 170 ч дискомфорта
Рис. 6. График для определения расчетных температуры
и влагосодержания приточного воздуха
при работе системы с 9 - 24 ч
а - г. Алма-Ата; б - г. Ташкент; в - г. Киев; г - г. Москва;
1 - 135 ч дискомфорта; 2 - 200 ч дискомфорта;
3 - 270 ч дискомфорта
14. Для определения числа часов дискомфорта параметры внутреннего воздуха следует выбирать предельно допустимыми по технологическим или комфортным соображениям. При этом параметры внутреннего воздуха, поддерживаемые системой БСКВ, в расчетных условиях (параметры Б) могут не совпадать (быть более благоприятными) с предельно допустимыми внутренними условиями.
Теплотехнический расчет БСКВ по схеме на
рис. 1 прил. 2 и возможность определения числа часов дискомфорта иллюстрируются примером. Приточный и испарительный кондиционеры работают на наружном воздухе.
Исходные данные
1) Расчетные параметры наружного воздуха для г. Алма-Ата
tн = 31,2 °C; tн = 13 ккал/ч (54,4 кДж/кг).
2) Производительность прямоточной системы БСКВ (
рис. 1 прил. 2), работающей круглосуточно,
L = 40000 м
3/ч.
| | ИС МЕГАНОРМ: примечание. В официальном тексте документа, видимо, допущена опечатка: приложение 4 отсутствует. | |
3) В качестве теплообменника I, в соответствии с п. 8 прил. 4, приняты три двухрядные секции воздухонагревателей КТЦ-2 04.10210, теплообменника II - три секции КТЦ-2 04.10210, теплообменника III - две секции КТЦ-2 04.10210.
4) Условные коэффициенты орошения в I, II и III теплообменниках соответственно 1,2; 1,5; 0,6 (см.
табл. 1).
5) Луч процесса в помещении

.
6) В приточном кондиционере установлен блок тепломассообмена БТМ-2 04.02120, воздухоохладитель которого выполняет функции теплообменника II (zII = 6), а оросительная камера блока обеспечивает адиабатическое увлажнение приточного воздуха.
Требуется определить температуру и теплосодержание приточного воздуха при расчетных параметрах наружного воздуха.
Решение
1. Определение температуры воздуха после II теплообменника (точка
4 на
рис. 3 прил. 2) ведется в соответствии с требованиями
п. 4.18 настоящих Рекомендаций:
а) на
I-d-диаграмму наносят параметры наружного воздуха (точка
2 на
рис. 3 прил. 2) и находят температуру мокрого термометра
tми = 19 °C и точки росы
tри = 12,2 °C воздуха, поступающего в испарительный кондиционер;
б) вычисляют критерий
Mзс = (tс2 - tми)/(tс2 - tри) =
= (31,2 - 19)/(31,2 - 12,2) = 0,642;
в) вычисляют критерий
Rс по диаграмме на
рис. 14 при (
tр -
tвн) = (
tри -
tми) = 12,2 - 19 = -6,8 °C и
tми = 19 °C, принимая
tр =
tри и
tвн =
tми, критерий
Rс = 3;
г) вычисляют величину комплекса
(1 + MзсRс) - 1 + 0,642·3 = 2,93;
д) определяют относительное изменение температуры воздуха

по графику на
рис. 10 (линия
4) или по формуле
п. 4 табл. 1
е) вычисляют температуру воздуха после II теплообменника (точка
4,
рис. 3 прил. 2).
ж) принимаем глубину охлаждения приточного воздуха в оросительном устройстве IV (
рис. 1 прил. 2) блока БТМ-2 равным 2 °C (точка
4 на
рис. 3 прил. 2).
| | ИС МЕГАНОРМ: примечание. В официальном тексте документа, видимо, допущена опечатка: пункт [3] отсутствует. | |
Расчет управляемых процессов адиабатического увлажнения производить по данным работы [3].
2. Построение процессов в БСКВ на
I-d-диаграмме (
рис. 3 прил. 2) приводят в последовательности, изложенной в
п. 4.15 настоящих Рекомендаций.
3. Для определения параметров воздуха в помещении, учитывая подогрев воздуха в вентиляторе, проводят из точки 4
" луч процесса в помещении

. При

и

параметры внутреннего воздуха будут равны
tс13 = 24 °C;
I13 = 12,3 ккал/кг (51,5 кДж/кг);

| | ИС МЕГАНОРМ: примечание. В официальном тексте документа, видимо, допущена опечатка: приложение 5 отсутствует. Возможно, имеется в виду приложение 3. | |
4. Определение числа часов дискомфорта (см.
прил. 5):
а) выбираем предельно допустимые параметры внутреннего воздуха в помещении (точка
13' на
рис. 3)
tс13' = 25 °C;
I13' = 13,4 ккал/кг (56,1 кДж/кг);
б) проводим на
I-d-диаграмме через точку
13' линию

;
в) выбираем на этой линии точку П1 при предельно высокой температуре притока
(tс = 21 °C и d = 11,45 г/кг)
и П2 при предельно низкой температуре притока
(tс = 17,9 °C; d = 11 г/кг);
г) переносим точки
П1 и
П2 на графике (
рис. 4,
а), соответствующем г. Алма-Ате и круглосуточной работе системы БСКВ, и находим точку
П3 пересечения линии
П2-
П1 с кривой, проведенной на этом графике.
Определяем параметры приточного воздуха в точке П3
(tП3 = 19 °C и dП3 = 11,15 г/кг);
д) находим теплосодержание приточного воздуха, отметив точку
П1 на луче процесса в помещении (
рис. 3 прил. 2),
IП3 = 11,4 ккал/кг (47,7 кДж/кг);
ж) определяем перепады температур между приточным воздухом (точка
П1) и воздухом в помещении (точка
13' на
рис. 3 прил. 2)
tП3 = 25 - 19 = 6 °C и перепады энтальпий

;
е) сравниваем эти данные со значениями

и

, полученными при расчете системы на расчетные параметры наружного воздуха. В случае их совпадения число часов дискомфорта будет равно 200.
ФИЗИЧЕСКАЯ СУЩНОСТЬ ОПРЕДЕЛЕНИЯ ЧИСЛА ЧАСОВ ДИСКОМФОРТА
1. Приводимые на
рис. 4 -
6 прил. 2 графики создают принципиальную возможность для выбора производительности систем БСКВ по воздуху в зависимости от желаемого (требуемого) числа часов дискомфорта. При этом отпадает необходимость в выборе и использовании самого понятия "Расчетные параметры наружного воздуха" и отпадает необходимость в традиционном расчете систем на эти расчетные параметры.
2. При заданном

луча процесса ассимиляции тепла и влаги в помещении и при выбранных (допустимых) параметрах внутреннего воздуха параметры приточного воздуха (разность между внутренними и приточными параметрами) определяет производительность систем по воздуху.
С другой стороны параметры приточного воздуха при данном

связаны с характеристиками наружного климата, оцениваемыми числом часов дискомфорта, т.е. числом часов нарушений, выбранных внутренних параметров.
Для прямоточных систем БСКВ по схеме на
рис. 1 прил. 2 и при определенных теплотехнических характеристиках (см.
п. 4 в табл. 1 настоящих Рекомендаций) инж. А.А. Шмедриком были построены графики для дискретного числа часов дискомфорта.
В соответствии с изложенным каждому конкретному числу часов дискомфорта соответствуют строго определенные параметры приточного воздуха, которые и обусловливают производительность системы.
| | ИС МЕГАНОРМ: примечание. В официальном тексте документа, видимо, допущена опечатка: рисунки 4 - 6 в приложении 3 отсутствуют. Возможно, имеются в виду рисунки 4 - 6 приложения 2. | |
Последовательность расчета БСКВ (схема на
рис. 1 прил. 2) с учетом числа часов дискомфорта по графикам на
рис. 4 -
6 прил. 3 следующая:
а) на
I-
d-диаграмму (
рис. 3 прил. 2) наносится точка, характеризующая максимально допустимые параметры воздуха (температура и относительная влажность) в помещении (точка
13');
б) проводится луч процесса ассимиляции тепла и влаги в помещении;
в) на линии луча процесса в помещении наносят две точки
П1 и
П2 в интервале искомых температур приточного воздуха (17 - 21 °C) (
рис. 3 прил. 2);
г) устанавливается время работы системы, требуемое число часов дискомфорта, и на соответствующем графике (
рис. 4 -
6) наносят точки
П1 и
П2 возможных состояний приточного воздуха. Соединяя точки
П1 и
П2 строим на графике луч процесса в помещении;
д) на этом графике находят точку П3 пересечения луча процесса в помещении с линией, соответствующей принятому числу часов дискомфорта.
Координаты точки П3 (температура и влагосодержание) определяют расчетные параметры приточного воздуха;
е) определяют количество приточного воздуха, зная параметры приточного воздуха (точка П3) и воздуха в помещении (точка 13').
Конструктивные характеристики теплообменников приточного и испарительного кондиционера, а также условные коэффициенты орошения следует принимать по данным
табл. 1 настоящих Рекомендаций.