Главная // Актуальные документы // Паспорт (форма)СПРАВКА
Источник публикации
М: ЦНИИСК им. В.А. Кучеренко, 1984
Примечание к документу
Взамен разделов 1 и 2 "Руководства по сбору, обработке и использованию инженерно-сейсмометрической информации".
Название документа
"Рекомендации по организации и эксплуатации станций инженерно-сейсмометрической службы (ИСС)"
(утв. ЦНИИСК им. Кучеренко Госстроя СССР 16.12.1983)
"Рекомендации по организации и эксплуатации станций инженерно-сейсмометрической службы (ИСС)"
(утв. ЦНИИСК им. Кучеренко Госстроя СССР 16.12.1983)
Директором ЦНИИСК
им. Кучеренко Госстроя СССР
16 декабря 1983 года
РЕКОМЕНДАЦИИ
ПО ОРГАНИЗАЦИИ И ЭКСПЛУАТАЦИИ СТАНЦИЙ
ИНЖЕНЕРНО-СЕЙСМОМЕТРИЧЕСКОЙ СЛУЖБЫ (ИСС)
Рекомендованы к изданию решением секции "Сейсмостойкость сооружений" Научно-технического совета ЦНИИСК им. Кучеренко Госстроя СССР и рабочей группой "Инженерно-сейсмометрическое обеспечение зданий и сооружений" Междуведомственного совета по сейсмологии и сейсмостойкому строительству при Президиуме АН СССР.
Определены задачи инженерно-сейсмометрической службы, организационная структура станции, работы по эксплуатации станции.
Представлены рекомендации по размещению измерительных пунктов на сооружениях, сведения о комплектации станций ИСС сейсмоизмерительной аппаратурой, технической организации измерительных пунктов и регистрационного помещения, параметрах аппаратуры, настройке сейсмометрических каналов.
Приведен перечень регламентных работ, производимых на станциях ИСС, и изложены требования к выходной информации, отправляемой в Центр хранения, обобщения и анализа.
Рекомендации предназначены для инженерно-технического персонала станций ИСС на зданиях и научных сотрудников, занятых в области сейсмостойкого строительства.
Настоящие рекомендации составлены взамен разделов 1 и 2 "Руководства по сбору, обработке и использованию инженерно-сейсмометрической информации" (Стройиздат, 1980).
Рекомендации содержат требования по размещению измерительных пунктов на сооружениях в зависимости от конструктивного решения, количества этажей и габаритов здания, сведения о сейсмоизмерительной аппаратуре, используемой на станциях ИСС, и способах ее крепления к конструкциям. Представлена методика определения параметров измерительных каналов, приведены режимы их работы. Дан перечень регламентных работ, проводимых на станциях ИСС, и изложены требования к выходной информации, отправляемой в Центр исследований в области сейсмостойкости зданий и других сооружений ЦНИИСК им. Кучеренко для централизованного хранения, обобщения и анализа.
Рекомендации разработаны ЦНИИСК им. Кучеренко Госстроя СССР (д-р техн. наук С.В. Поляков, кандидаты техн. наук Г.А. Алиев, Б.Е. Денисов, А.М. Кахновский, Г.В. Мамаева, М.В. Федяков, С.Н. Федякова, канд. физ.-мат. наук В.М. Дорофеев, инженеры Л.Н. Дорофеева, Е.Б. Егоров, В.И. Морозов, В.А. Нестеров, Е.И. Полякова, Т.З. Раджабова, К.А. Тумасян, О.В. Чумичева).
В составлении Рекомендаций принимали участие следующие институты: Казпромстройниипроект Госстроя СССР (д-р техн. наук Т.Ж. Жунусов, инж. Ю.Н. Букреев), Крымниипроект Госстроя УССР (инж. Ю.Н. Шуляк), Научно-исследовательский институт по строительству и архитектуре Госстроя АрмССР (д-р техн. наук Э.Е. Хачиян, инженеры О.К. Погосян, А.М. Хачян), Институт геофизики и инженерной сейсмологии АН АрмССР (д-р физ.-мат. наук С.С. Дарбинян, канд. техн. наук Л.А. Мхитарян), ТбилЗНИИЭП Госгражданстроя (канд. техн. наук А.Л. Багманян, инж. Г.Ш. Чануквадзе), ТашЗНИИЭП Госгражданстроя (кандидаты техн. наук Ф.А. Валиев, В.А. Ржевский, инж. В.В. Черных), Институт механики и сейсмостойкости сооружений им. М.Т. Уразбаева АН УзбССР (д-р техн. наук В.Т. Рассказовский, кандидаты техн. наук И.Х. Алиев, Х.К. Касимов, инж. Б.А. Турдалиев), Филиал ВНИИАЭС НПО "Энергия" (инж. Н.З. Есаян), Институт сейсмостойкого строительства Госстроя Туркменской ССР (канд. техн. наук В.С. Преображенский, инж. В.Е. Береда), Магнитогорский горно-металлургический институт им. Г.И. Носова Министерства высшего и среднего специального образования РСФСР (канд. техн. наук В.Х. Пергамент), Институт геофизики и геологии АН Молд. ССР (канд. физ.-мат. наук А.А. Роман, инж. В.Г. Догару), ГосниисредАзпромзернопроект Министерства заготовок СССР (инж. В.П. Даугавет).
Замечания и предложения по содержанию Рекомендаций направлять по адресу: 109389, 2-я Институтская ул., д. 6, ЦНИИСК им. Кучеренко. Центр исследований в области сейсмостойкости зданий и других сооружений.
Дирекция ЦНИИСК им. Кучеренко
1.1. Задачей инженерно-сейсмометрической службы (ИСС) страны является получение информации о колебаниях сооружений и прилегающих участков грунта при землетрясениях.
Получаемая информация ИСС применяется:
а) в теории сейсмостойкого строительства в качестве:
- базы теоретических разработок для совершенствования методов расчета сооружений на сейсмические воздействия;
- критерия проверки результатов научных исследований и практических расчетов на сейсмостойкость;
- основания для разработки методики лабораторных и полигонных испытаний конструкций и материалов на сейсмические воздействия;
б) в практике сейсмостойкого строительства в качестве исходного материала:
- для уточнения существующих нормативных положений;
- для инженерной оценки интенсивности землетрясений.
1.2. Инженерно-сейсмометрическая служба страны состоит из Центра исследований в области сейсмостойкости зданий и других сооружений ЦНИИСК им. Кучеренко Госстроя СССР (Центр сейсмостойкости ЦНИИСК) и сети станций ИСС, расположенных в различных сейсмоактивных районах страны, которые обслуживаются республиканскими научно-исследовательскими, проектными и учебными институтами.
1.3. В Центр сейсмостойкости ЦНИИСК поступает вся информация, полученная на станциях ИСС, независимо от их ведомственной подчиненности. В нем функционирует всесоюзный банк инженерно-сейсмометрической информации, где поступающая информация обрабатывается, классифицируется, обобщается и анализируется. Обработанная информация ИСС выдается всем заинтересованным организациям по их запросам.
Центр сейсмостойкости ЦНИИСК на основе информации госстроев союзных республик и заинтересованных министерств и ведомств СССР формирует на пятилетку план развития сети станций ИСС, который после утверждения Госстроем СССР и Президиумом АН СССР становится обязательным для выполнения на всей территории страны.
1.4. Научно-исследовательские организации, на которые по поручению госстроев союзных республик, министерств и ведомств СССР возлагается эксплуатация инженерно-сейсмометрических станций, выдают по согласованию с Центром сейсмостойкости ЦНИИСК проектным организациям задание на проектирование станций ИСС; контролируют внесение в смету сооружений, на которых организуются станции ИСС, расходов на приобретение сейсмометрической аппаратуры и на выполнение строительно-монтажных работ, связанных с ее установкой; своевременно подают в Центр сейсмостойкости ЦНИИСК заявки на сейсмоаппаратуру для комплектации новых станций ИСС и модернизации действующих станций; осуществляют установку, наладку и тарировку аппаратуры на станциях; составляют паспорт станции ИСС; высылают полученную на станциях ИСС информацию в Центр сейсмостойкости ЦНИИСК. Необходимый штат для эксплуатации соответствующего числа станций ИСС и объемы финансирования регламентируются настоящими Рекомендациями (табл. 1).
| Штат | Объем финансирования в год на эксплуатацию станций (тыс. руб.) |
ст. инженер | инженер | ст. техник | рабочий | шофер |
1 | | 1 | | | | 3 |
2 | | 1 | 1 | | | 5 |
3 | | 1 | 1 | | | 5,5 |
4 | 1 | 1 | 1 | | | 9 |
5 | 1 | 1 | 1 | 1 | 1 | 11 |
6 | 1 | 1 | 1 | 1 | 1 | 12 |
7 | 1 | 2 | 1 | 1 | 1 | 15 |
8 | 1 | 2 | 2 | 1 | 1 | 16,5 |
9 | 2 | 2 | 2 | 1 | 1 | 20 |
10 | 2 | 3 | 2 | 2 | 1 | 23 |
11 | 2 | 3 | 2 | 2 | 1 | 25 |
| 2 | 3 | 2 | 2 | 1 | 25,5 |
<1> Станция ИСС состоит из пяти измерительных пунктов.
<2> При большем количестве станций вопрос о штате и объемах финансирования решается по специальному согласованию.
Примечание. Если количество измерительных пунктов на одной станции ИСС больше пяти, то стоимость эксплуатации, указанная в
табл. 1, умножается на поправочный коэффициент, равный отношению n/5, где n - количество измерительных пунктов на существующей станции.
2. ОРГАНИЗАЦИЯ СТАНЦИИ ИНЖЕНЕРНО-СЕЙСМОМЕТРИЧЕСКОЙ СЛУЖБЫ
Структура станции ИСС
2.1. Сейсмометрическая аппаратура, установленная на элементах сооружения, а также на грунте вблизи этого сооружения, аппаратура и оборудование регистрационного помещения, каналы связи, объединенные в комплекс регистрации движений элементов сооружения и участков прилегающего грунта при землетрясениях, представляют собой инженерно-сейсмометрическую станцию.
2.2. Инженерно-сейсмометрическая станция состоит из измерительных пунктов, расположение которых определяется
разделом 2 настоящих рекомендаций, регистрационного помещения (включая аккумуляторную и фотокомнату) и каналов связи, соединяющих аппаратуру измерительных пунктов с приборами регистрационного помещения.
2.3. На станции ИСС должно осуществляться: автоматическое включение аппаратуры, находящейся в ждущем режиме станции при заданных уровнях колебаний грунта; синхронизация в записях движения элементов сооружения и прилегающих участков грунта на всех измерительных пунктах; регистрация поведения элементов сооружения и движения грунта в заданном интервале интенсивности землетрясений; автоматическое энергоснабжение станции во всех условиях работы; функциональный контроль работоспособности станции. Рекомендуемая структурная схема инженерно-сейсмометрической станции приведена на рис. 1.
Рис. 1. Структурная схема
инженерно-сейсмометрической станции
Размещение измерительных пунктов
2.4. Расположение измерительных пунктов на сооружениях и грунте рекомендуется осуществлять для основной части станций ИСС (типовые сооружения) в соответствии с моделями
рис. 2. На особо ответственных зданиях и сооружениях (согласно
пункту 1 табл. 3 СНиП II-7-81), а также сооружениях экспериментального строительства допускается иное расположение измерительных пунктов, обеспечивающее регистрацию более детального поведения сооружений во время землетрясений. Проекты расположения измерительных пунктов на сооружениях и грунте для всех станций ИСС согласуются с Центром сейсмостойкости ЦНИИСК.
Рис. 2. Схемы расстановки сейсмоаппаратуры на зданиях
различной конструкции, этажности и протяженности в плане
(

- сейсмоприемники, регистрирующие колебания по x, y, z;

- то же, по x, y;

- то же, по z;

- то же, по x, z)
2.5. На каркасных железобетонных зданиях с навесными панелями и каркасно-панельных зданиях, на крупнопанельных, крупноблочных, кирпичных и каменных зданиях высотой до 6 этажей включительно при отношении длины здания к его ширине не более 3 размещение измерительных пунктов рекомендуется осуществлять в 5 точках в соответствии с моделью (а)
рис. 2 настоящих рекомендаций. Два измерительных пункта на покрытии и фундаменте устанавливаются по одной вертикальной оси здания вблизи его центра жесткости, в них производится регистрация горизонтальных компонент движения. Еще два измерительных пункта, в которых производится регистрация вертикальной компоненты колебаний, устанавливаются на фундаменте в плоскости малой оси здания, проходящей через его центр жесткости, на равных удалениях от этого центра. Измерительный пункт на грунте устанавливается в соответствии с
п. 2.9 настоящих рекомендаций.
2.6. На зданиях крупнопанельных, крупноблочных, каркасных, из монолитного железобетона, кирпичных, каркасных железобетонных с навесными панелями и каркасно-панельных с симметрично расположенными диафрагмами высотой более 6 этажей при отношении длины здания к его ширине не более 3 размещение измерительных пунктов рекомендуется осуществлять по схеме, изложенной в
пункте 2.5 настоящих рекомендаций по одной вертикальной оси с пунктами на покрытии и фундаменте, в которых регистрируются горизонтальные компоненты движения из расчета установки одного измерительного пункта на 3 - 4 этажа здания.
2.7. На всех типах зданий с резкой асимметрией в плане (жесткостей, масс) размещение измерительных пунктов рекомендуется осуществлять в соответствии с моделью (б)
рис. 2 настоящих рекомендаций. Количество измерительных пунктов зависит от высоты здания и выбирается из расчета: три измерительных пункта на 3 - 4 этажа здания. Измерительные пункты располагаются в плоскости большой оси здания. Измерительные пункты, располагаемые по вертикальной оси здания вблизи его геометрического центра, регистрируют три взаимно перпендикулярные компоненты, а измерительные пункты, им соответствующие и расположенные в указанной вертикальной плоскости, на тех же перекрытиях регистрируют горизонтальные компоненты движения и располагаются симметрично относительно центральных измерительных пунктов по соответствующей вертикальной оси для всех перекрытий. Измерительный пункт на грунте устанавливается в соответствии с
пунктом 2.9 настоящих рекомендаций.
2.8. На крупнопанельных, крупноблочных, кирпичных и каменных зданиях высотой до 6 этажей с отношением длины здания к его ширине более 3 и многопролетных каркасных промышленных зданиях высотой от 1 до 3 этажей размещение измерительных пунктов рекомендуется осуществлять в соответствии с моделью (в)
рис. 2 настоящих рекомендаций. Измерительные пункты размещаются в плоскости большой оси здания, причем, располагаемые по вертикальной оси вблизи центра жесткости здания на покрытии, фундаменте и грунте, регистрируют три взаимно перпендикулярные компоненты движения, а остальные измерительные пункты на покрытии и фундаменте регистрируют по две компоненты - вертикальную и горизонтальную, перпендикулярную большой оси здания. Количество измерительных пунктов определяется длиной здания и выбирается из расчета: два пункта на покрытии и два на фундаменте (по одной вертикальной оси соответственно) на каждой длине в три ширины здания.
2.9. Измерительный пункт на грунте рекомендуется оборудовать на расстоянии 10 - 15 м от здания на глубине 3 м. При невозможности установки измерительного пункта на грунте на указанном расстоянии его рекомендуется оборудовать вблизи центра здания на глубине 1 - 1,5 м ниже подошвы фундамента.
Комплект сейсмоизмерительной аппаратуры
2.10. Станции инженерно-сейсмометрической службы комплектуются выпускаемой отечественной промышленностью серийной аппаратурой, которая должна осуществлять регистрацию движения элементов сооружения и грунта, начиная с интенсивности землетрясений 3 балла.
2.11. Минимальный (базовый) рекомендуемый комплект аппаратуры станции ИСС, содержащий пять измерительных пунктов и рассчитанный на регистрацию колебаний зданий и грунта при землетрясениях интенсивностью до 7 баллов, представлен в табл. 2 (допускается замена на аналогичную по техническим параметрам аппаратуру). На
рис. 3 дана типовая схема станции ИСС.
Таблица 2
Прибор, оборудование | Тип | Количество |
Сейсмоприемник | С-5-С (СМ-3) | 25 |
Акселерометр | АС3 (ССР3) | 1 |
Многомаятниковый сейсмометр | ИГИС | 1 |
Осциллограф | Н-044.3 | 4 |
Гальванометр | ГБ-III (ГБ-IV-Б-3) | 22 |
Шунтовая коробка | ШК-2 | 4 |
Автопусковое устройство | ПУ-1 | 3 |
Блок питания | П001 | 1 |
Аккумуляторы | 10КН-125 | 3 |
Зарядно-буферное устройство | ВУК-36/60 | 1 |
Кабель | ШРПС-0,75 мм2 (КСРГ) (КСРБ) | 3 км |
Провод монтажный | ПМГП-0,75 мм2 (МГП) | 3 км |
Электроконтактные часы | МЧ-62 | 1 |
Рис. 3. Блок-схема станции ИСС
(цифры, обведенные в кружки, указывают месторасположение
измерительных пунктов: 1, 2 - на фундаменте и покрытии
по одной вертикали вблизи центра жесткостей; 3 - на грунте;
4, 5 - на фундаменте в плоскости малой оси плана здания)
2.12. Комплект аппаратуры для оборудования станции ИСС аналогичной, описанной в
пункте 2.11 настоящих рекомендаций, но рассчитанной на регистрацию колебаний здания и грунта при землетрясениях до интенсивностей больше 7 баллов, рекомендуется расширить набором приборов (вариант 1 или 2) в соответствии с табл. 3.
Таблица 3
| Прибор | Тип | Количество |
Вариант 1 | Акселерограф | АС3-2 | 2 |
| ССР3-М или АС3-1 | 1 |
Виброграф | ВБП-3 | 2 |
Гальванометр | ГБ-III-3 | 2 |
Осциллограф | Н-044.3 | 1 |
Аккумулятор | 10КН-125 | 3 |
Вариант 2 | Сейсмоприемник | ОСП-2М | 3 комплекта |
Виброграф | ВБП-3 | 2 |
Осциллограф | Н-044.3 | 2 |
Шунтовая коробка | ШК-2 | 2 |
Гальванометр | ГБ-III-3 | 2 |
| ГБ-IV-Б-3 | 9 |
Аккумулятор | 10КН-125 | 3 |
2.13. Для станций ИСС, имеющих большее число измерительных пунктов с регистрацией трех взаимно перпендикулярных компонент и рассчитанных на запись колебаний здания и грунта до интенсивности 7 баллов, комплект сейсмоизмерительной аппаратуры рекомендуется расширить из расчета на один измерительный пункт - 6 сейсмоприемников типа С-5-С, 6 гальванометров ГБ-III, шунтовая коробка ШК-2, осциллограф Н-044.3, аккумулятор 10КН-125. На станциях ИСС, рассчитанных на регистрацию колебаний здания и грунта при землетрясениях до интенсивности более 7 баллов, рекомендуется в каждом дополнительном измерительном пункте устанавливать ССР3-М или АС3-1. При комплектации станций ИСС допускается замена рекомендуемой аппаратуры на аналогичную по техническим параметрам.
2.14. Аппаратура станции ИСС работает в ждущем режиме. Включение приборов производится автоматическими пусковыми устройствами, которые в комплекте с пусковыми сейсмоприемниками позволяют производить многократную запись, обеспечивая автоматическое включение и выключение станции при каждом землетрясении. Для повышения надежности срабатывания аппаратуры рекомендуется комплектовать станции ИСС тремя пусковыми устройствами ПУ-1, соединенными параллельно, с последующей (рис. 4) логической схемой питания осциллографов, необходимой для надежного выключения аппаратуры станции.
Рис. 4. Логическая схема соединения трех параллельных
пусковых устройств ПУ-1 (I, II, III - пусковые устройства);
(1), (2) - контакты реле
2.15. Для отметки времени срабатывания аппаратуры станции ИСС рекомендуется к системе пусковых устройств подсоединить пробивочное устройство штамп-часов 724ТМ. Такая система позволит также контролировать число включений станции ИСС.
2.16. При использовании на станции ИСС осциллографов, не имеющих внутренних источников временных меток, рекомендуется для этих целей применять электроконтактные часы (МЧ-62). На станциях ИСС должно быть предусмотрено устройство, вырабатывающее после запуска станции единый временной дешифрующий (синхронизирующий) импульс, поступающий на все каналы записей, отведенные для временных меток. Электрическая схема подобного устройства представлена на рис. 5.
Рис. 5. Схема выработки синхроимпульса по всем каналам ИСС
(Блок А рассчитывается из условия выработки временного
импульса через ~ 0,2 с после включения осциллографов)
Измерительный пункт и каналы связи
2.17. Измерительный пункт представляет собой место непосредственного расположения сейсмоприемников на конструкции здания или грунте. В измерительных пунктах на конструкциях здания устанавливаются сейсмоприемники типа С-5-С, ВБП, ОСП-2М, ССР3-М, АС3 и др. Измерительные пункты на грунте, кроме вышеописанных сейсмоприемников, оснащаются многомаятниковыми сейсмометрами типа ИГИС (АИС), а также сейсмоприемниками СБМ.
2.18. Эксплуатационный режим измерительного пункта определяется в соответствии с паспортными данными по условиям эксплуатации установленных в нем сейсмоизмерительных приборов.
2.19. В измерительных пунктах, расположенных на элементах несущих конструкций зданий, сейсмоприемники надежно крепятся в соответствующей плоскости к конструкциям анкерными болтами с помощью станин, хомутов, переходных кронштейнов
(Приложение 1). После установки приборы закрываются чехлами, защищающими их от механических повреждений в отсутствие землетрясений. При установке приборов особое внимание следует обратить на то, чтобы ограждающие чехлы и устройства крепления не оказывали влияния на производимую регистрацию. Вблизи измерительного пункта предусматривается источник света (осветительная лампа, розетка электросети и т.п.) для осуществления крепления приборов и их ремонта.
2.20. Измерительный пункт на грунте представляет собой помещение площадью не менее 5 м2 с хорошей гидроизоляцией стен, потолка и входного люка или двери. Внутри пункта обязательна принудительная вентиляция и наличие источника света. Приборы устанавливаются на бетонные постаменты высотой 40 - 60 см над уровнем пола. Постаменты заглубляются ниже уровня промерзания грунтов. Конструктивная схема рекомендуемого измерительного пункта на грунте приведена на рис. 6.
Рис. 6. Схема измерительного пункта на грунте:
1 - цементные трубы для коммуникационного кабеля;
2 - стремянка; 3 - плита перекрытия, утеплитель,
рубероидный ковер; 4 - кровельное железо, утеплитель,
штукатурка; 5 - бутобетон; 6 - вентиляционная труба
2.21. Установку сейсмоприемников в измерительных пунктах рекомендуется осуществлять таким образом, чтобы производилась регистрация движения конструкций здания и грунта вдоль большой и малой его осей, а также движение по вертикали. Выбор необходимых для регистрации компонент движения регламентируется
пп. 2.4 -
2.9 настоящих рекомендаций. Для сооружений сложной формы в плане установка приборов, регистрирующих горизонтальные движения, осуществляется с таким расчетом, чтобы запись производилась вдоль осей юг-север, запад-восток.
2.22. Измерительные пункты связаны с регистрационным помещением коммуникациями, состоящими из кабельных линий, соединяющих сейсмоприемники с осциллографами, а также с приборами, осуществляющими функциональный контроль станции, и внутренней телефонной сети.
2.23. Контакты проводов от сейсмоприемников тщательно зачищаются, обслуживаются и подключаются к контактной панели. К этой же панели подсоединяется коммуникационный кабель, идущий в регистрационную. Все провода снабжаются бирками с номерами. Контакты на панели также нумеруются. В регистрационном помещении кабель заканчивается контактной панелью с пронумерованными контактами.
2.24. Коммуникационный кабель должен проходить в специально предусмотренном канале, в шахте телефонных линий или в металлической трубе. Металлические трубы надежно закрепляются на стенах здания при помощи крепежных скоб и штырей. Для проводки в измерительный пункт на грунте кабель протягивается в асбестоцементные трубы либо укладывается в неглубокий канал, выполняемый из железобетонных лотков, закрывающихся сверху плитами. Число прокладываемых линий определяется числом сейсмоприемников (три жилы на сейсмоприемник). Совместное размещение линий электропитания 220 В и коммуникационных линий сейсмостанции не допускается. Коммуникации внутри здания рекомендуется выполнять из телефонного кабеля марки 7ПП 10 x 2 x 0,5. Для проводки вне здания рекомендуется использовать кабель марки КСРГ (КСРБ) сечением 0,75 мм2.
Регистрационное помещение
2.25. Регистрационное помещение включает основное помещение для непосредственной установки регистрирующей аппаратуры, аккумуляторную и фотокомнату. Во всех помещениях должна быть предусмотрена принудительная вентиляция, и они должны удовлетворять правилам и нормам санитарии и техники безопасности для обслуживающего персонала и снабжены электроэнергией для освещения и монтажно-ремонтных работ. Запрещается установка регистрационного оборудования в подвальных помещениях. Допускаемый эксплуатационный режим в регистрационном помещении: температура воздуха от +10 до +40 °C с относительной влажностью до 80% (при +25 °C) и колебанием температуры в течение суток, не превышающим 5 °C.
2.26. Основное помещение регистрационной, площадью не менее 25 м2, предназначается для размещения регистрирующей и обслуживающей аппаратуры и оборудования: осциллографов, блока автопуска, блока единого отметчика времени и др. В этом помещении устанавливаются также стол для текущего ремонта и стеллаж для инструмента и запасных частей. Предусматривается временное затемнение помещения.
2.27. Для установки осциллографов и их защиты от сейсмических воздействий рекомендуется применять специальные рамы с подвесками. Осциллографы следует закреплять на стенде, который крепится на подвесках к указанной раме. На таких рамах устанавливаются все вспомогательные устройства. Схема рамы для подвески регистрирующей аппаратуры приведена на рис. 7. Рекомендуемый вариант компоновки аппаратуры в основном помещении регистрационной приведен на
рис. 8.
Рис. 7. Схема рамы для гибкой подвески
регистрирующей аппаратуры:
1 - осциллограф; 2 - пусковое устройство; 3 - шунтовые
коробки ШК-2; 4 - подвесная площадка; 5 - каркас
из металлических уголков размером 60 x 60 мм;
6 - пружины длиной более 1 м
Рис. 8. План расположения аппаратуры
в регистрационном помещении:
1 - осциллографы; 2 - подвесная площадка; 3 - шунты;
4 - пульт управления станцией (пусковое устройство,
единый отметчик времени); 5 - рабочий стол; 6 - стеллаж
(шкаф); 1 - кабель от шунтов; 2 - кабель электропитания
из аккумуляторной
2.28. Монтажные работы в регистрационном помещении необходимо производить с учетом требований электромонтажа. Все контакты проводов, соединяющих приборы, зачищаются и тщательно припаиваются. От контактной панели, на которой в регистрационном помещении заканчивается коммуникационный кабель, с помощью штепсельных разъемов сигналы с сейсмоприемников подаются на шунтовые коробки. Штепсельные разъемы должны иметь металлические фиксаторы. Провода питания от аккумуляторов подсоединяются к осциллографам под закручивающиеся контакты. Применение вилок недопустимо.
2.29. Помещение аккумуляторной, площадью не менее 15 м2, располагается рядом с основным регистрационным помещением и имеет вытяжную вентиляцию. Оно предназначено для размещения аккумуляторных батарей, питающих осциллографы постоянным током. Аккумуляторные батареи, зарядные агрегаты, щит коммутации и другое оборудование размещаются на стеллажах, надежно прикрепленных к полу и стенам. Щит коммутации с зарядными агрегатами позволяет производить операции полного заряда рабочих и резервных аккумуляторов, а также включение прямого питания осциллографов от аккумуляторов без подзарядки. Провода питания к аккумуляторам подсоединяются медными лужеными наконечниками и снабжаются номерными бирками с обозначением полярности напряжения.
2.30. Фотокомната площадью не менее 12 м2 располагается рядом с основным регистрационным помещением и предназначается для фотохимической обработки осциллограмм, зарядки и перезарядки фотолент и кинолент в кассеты осциллографов. Помещение должно иметь устройства затемнения, источник света (лампа и розетка), раковину, кран с водой и канализационный слив.
3. ЭКСПЛУАТАЦИЯ СТАНЦИИ ИНЖЕНЕРНО-СЕЙСМОМЕТРИЧЕСКОЙ СЛУЖБЫ
Сейсмометрическая аппаратура
3.1. На станциях инженерно-сейсмометрической службы используется аппаратура с гальванометрической, прямой оптической и механической записями (допускается также магнитная запись). Основной сейсмометрической аппаратурой на станциях ИСС являются:
- сейсмоприемники С-5-С, СМ-3, ОСП-2М, вибрографы ВБП-3 (гальванометрическая запись);
- акселерометры ССР3-М, АС3-1, АС3-2 (прямая оптическая регистрация);
- сейсмоскопы многомаятниковые ИГИС и одномаятниковые СБМ (механическая запись).
Технические параметры сейсмоприемников С-5-С, СМ-3, ОСП-2М, ВБП-3 и некоторых других, их заменяющих, приведены в табл. 4; акселерометров ССР3, АС3-1, АС3-2 - в
табл. 5; сейсмоскопов СБМ и ИГИС - в
табл. 6.
Таблица 4
Техническая характеристика сейсмометра | Тип сейсмометра |
С-5-С | СМ-3 | ОСП-2М | ВБП-3 | СМ-2М | АПТ-1М | ВЭГИК |
Диапазон регистрации, балл | 4 - 8 | 4 - 7 | 4 - 7 | 6 - 9 | 3 - 4 | 4 - 9 | 3 - 4 |
Параметр регистрации | Смещение, скорость | Смещение, скорость | Ускорение, скорость | Смещение, скорость | Смещение, скорость | Ускорение, скорость | Смещение, скорость |
Периоды собственных колебаний, с | 3 - 7 | 2 | 0,2 | 2 | 1,5 | 10-3 | 1 |
Приведенная длина маятника, м | 0,42 | 8,4·10-2 | - | 1 | 8,7·10-2 | - | 9,7·10-2 |
Затухание (в долях от критического) | 0,7 - 1,5 | 0,7 | 7 | 0,5 - 0,7 | 0,6 | - | 0,8 |
Сопротивление рабочей катушки, Ом | 93 | 50 | 12 | 55 | 130 | 2·103 | 45 |
Полоса пропускания, с | 0,01 - 5 | 0,01 - 1 | 0,03 - 1,5 | 0,01 - 1 | 0,01 - 1,5 | 0,002 - 6,6 | 0,01 - 1 |
Динамический диапазон смещения, мм | 10-4 - 10 | 0,1 - 5 | 10-2 - 6·102 | 1 - 200 | 10-4 - 3 | до 2g | 10-4 - 1 |
Чувствительность рабочей катушки,  | 11 | 15 | 15 | 0,1 | 37 | | 20 |
Число компонентов | 1 | 1 | 1 | 1 | 1 | 3 | 1 |
Масса, кг | 14 | 6 | 6,5 | 9,6 | 5,5 | 10 | 10 |
Размеры, мм | 360 x 190 x 130 | 230 x 170 x 145 | 155 x 116 x 115 | 230 x 230 x 145 | 230 x 167 x 145 | 135 x 135 x 160 | 335 x 100 x 145 |
Техническая характеристика прибора | Сейсмограф ССР3-М | Акселерограф АС3-1 | АС3-2 |
1 | 2 | 3 | 4 |
Интенсивность записи колебаний, балл | 6 - 10 | 6 - 10 | 5 - 9 |
Запись ускорений, см/с2 | 50 - 1000 | 50 - 1000 | 15 - 300 |
Количество акселерометров | 3 | 3 | 3 |
Коэффициент преобразования, с2 | 2,0·10-3 | 2,0·10-3 | 6 - 10-3 |
Частотный диапазон записи, Гц | 0 - 20 | 0 - 20 | 0 - 20 |
Запись производится: | | | |
а) фотопленка шириной, мм | 70 | 70 | 70 |
б) чувствительность, ед. ГОСТа | 65 - 90 | 65 - 90 | 65 - 90 |
Скорость движения пленки, мм/с | 10 | 10 | 10 |
Время одного цикла записи, с: при 10 мм/с | 30 | 35 | 35 |
Количество циклов записи | 10 | 10 | 10 |
Величина марки времени, с | 0,5 | 0,5 | 0,5 |
Электропитание, В | 12 | 12 | 12 |
Стартер | с магнитно-электрическим преобразователем | с магнитно-электрическим преобразователем | |
Уровень срабатывания стартера по ускорениям, см/с2 | 10 | 5 | |
Условия эксплуатации: | | | |
а) температура | -10 °C до +40 °C | +1 °C до +45 °C | |
б) относительная влажность | до 90% при +20 °C | до 80% при +7 °C | |
Габариты, мм | 450 x 300 x 285 | 500 x 820 x 330 | |
Масса сейсмографа, кг | 21 | 15 | 15 |
Масса блока питания, кг | 13 | 12 | 12 |
Техническая характеристика прибора | Одномаятниковый сейсмоскоп СБМ-3 | Многомаятниковый сейсмометр ИГИС |
Диапазон регистрации, балл | 5 - 10 | 4 - 10 |
Регистрация | по закопченному стеклу | по закопченным стеклам |
Параметр регистрации | смещение | для определения приведенных ускорений, скоростей и смещений |
Число маятников | 1 (вертикальный) | 10 (вертикальных) 4 (горизонтальных) |
Собственный период маятников, C | 0,25 | вертикальных: 0,05; 0,10; 0,15; 0,20; 0,25; 0,30; 0,40; 0,60; 0,80; 1,0; |
| | горизонтальных: 0,05; 0,10; 0,15; 0,20 |
Логарифмический декремент затухания | 0,5 | 0,25; 0,5 |
Габариты, мм | 440 x 440 x 620 | 800 x 400 x 460 |
Масса, кг | 27,5 | 68 |
3.2. При гальванометрической регистрации с описанными в
п. 3.1 настоящих рекомендаций сейсмоприемниками рекомендуется использовать сбалансированные высокочувствительные гальванометры типа ГБ с осциллографами Н-044.3, допускаются и другие сочетания гальванометров и осциллографов, но гальванометры в любом случае должны быть сбалансированы. В табл. 7 приведены основные технические параметры использующихся на станциях ИСС гальванометров. Основные параметры осциллографов приведены в
табл. 8.
Таблица 7
Техническая характеристика гальванометра | Тип гальванометра |
ГБ-III-Б-5 | ГБ-III-3 | ГБ-IV-С-5 | ГБ-IV-В-3 | ГБ-IV-Б-3 | М001 | М012 | М002 | М010-80 | М017-150 |
Частота собственных колебаний, Гц | 5 | 5 | 5 | 120 | 120 | 120 | 10 | 30 | 80 | 150 |
Диапазоны рабочих частот, Гц | 0,5 - 50 | 0,5 - 50 | 0,3 - 35 | 0 - 60 | 0 - 60 | 0 - 60 | - | 2 - 200 | 0 - 48 | 0 - 115 |
Чувствительность к току, мм/мА·м | 1,7·104 | 5·104 | 2,5·105 | 3,3·103 | 2,5·103 | 2,4·103 | 7,4·104 | 8·103 | 7·103 | 4·103 |
Внутреннее сопротивление, Ом | 58 | 140 | 78 | 52 | 170 | 54 | 175 | 75 | 70 | 45 |
Внешнее сопротивление, Ом | 1500 | 4000 | 2600 | 175 | 400 | 150 | 2300 | - | 500 | 150 |
Механизм затухания | Магнитоэлектрический | Магнитоэлектрический | Магнитоэлектрический и жидкостный | Магнитоэлектрический | Магнитоэлектрический и каркасный | Магнитоэлектрический | Магнитоэлектрический |
Тип осциллографа | Рекомендуемое количество гальванометров | Ширина фотоленты, см | Емкость кассеты, м | Скорость протяжки, см/с | Питание, В | Потребность тока, А | Габариты, мм | Вес, кг |
ГБ-III | ГБ-IV | М001.А | М010-80, М017-150 |
Н-044.3 | 6 | 6 | | 6 | 12 | 20 | 0,25 - 250 | 27 | 8 | 430 x 222 x 230 | 21 |
Н010 | 15 | 18 | | | 28, 30 | 20 | 0,1 - 250 | 27 | 14 | 480 x 424 x 245 | 37 |
Н041У4.2 | 6 | 8 | 6 | | 12 | 30 | 0,25 - 250 | 27 | 8 | 430 x 230 x 260 | 20 |
К12-22 | 6 | 6 | 8 | | 12 | 20 | 0,08 - 1000 | 27 | 4,5 | 215 x 190 x 345 | 13 |
Н-700 | 6 | 6 | 8 | | 12 | 12 | 0,25 - 250 | 27 | 6 | 470 x 265 x 280 | 18 |
3.3. Сейсмоскоп СБМ устанавливается на бетонное основание, связанное непосредственно с грунтом. Горизонтальное положение нижней плиты прибора при установке проверяется с помощью уровня. После установки прибора рекомендуется проверить, имеется ли свободный ход при колебаниях маятника с большими амплитудами (не цепляется ли медная пластина о магниты). Рекомендуется также отрегулировать нажим пружины иглы (игла не должна при больших колебаниях отставать от стекла: не должно быть чрезмерного нажима иглы на стекло).
Период собственных колебаний устанавливается при изготовлении приборов и в процессе эксплуатации обычно не переопределяется. Затухание выставляется при установке прибора на станции ИСС с помощью шунтирования магнитов накладными стальными пластинами в соответствии с инструкцией по эксплуатации прибора.
3.4. Многомаятниковый сейсмоскоп ИГИС устанавливается на бетонное основание в измерительном пункте на грунте. Установка прибора и определение его параметров, необходимых для определения приведенных сейсмических ускорений, осуществляются в соответствии с инструкцией по эксплуатации прибора.
Каналы регистраций
3.5. Для регистрации движения конструкций здания и грунта на станциях инженерно-сейсмометрической службы используются различные сейсмометрические каналы гальванометрической регистрации, состоящие из цепочки: сейсмоприемник, гальванометр, осциллограф. В табл. 9 приведены рекомендуемые сочетания сейсмоприемников и гальванометров, регистрирующие тот или иной параметр движения.
Таблица 9
\Тип \гальванометра Тип \ сейсмометра\ | ГБ-III-Б-5 | ГБ-III-3 | ГБ-IV-С-5 | ГБ-IV-В-3 | ГБ-IV-Б-3 | М001.1А | М012 | М002 | М010-80 | М017-150 |
С-5-С | смещение | смещение | смещение | скорость | скорость | скорость | смещение | смещение | скорость | скорость |
ОСП-2М | скорость | скорость | скорость | ускорение | ускорение | ускорение | скорость | скорость | ускорение | ускорение |
ВБП-3 | смещение | смещение | смещение | скорость | скорость | скорость | смещение | смещение | скорость | скорость |
СМ-3 | смещение | смещение | смещение | скорость | скорость | | смещение | смещение | | |
СМ-2М | смещение | смещение | смещение | скорость | скорость | | смещение | смещение | | |
АПТ-1М | скорость | скорость | скорость | ускорение | ускорение | ускорение | скорость | скорость | ускорение | ускорение |
ВЭГИК | смещение | смещение | смещение | скорость | скорость | | смещение | смещение | | |
В табл. 10 даны ориентировочные масштабы увеличения гальванометрических каналов при некоторых сочетаниях сейсмоприемников и гальванометров, соединенных через шунтовые коробки ШК-2 при

(общее сопротивление цепи датчиков и ШК-2 на входе гальванометров равно 100 Ом) для осциллографов с оптическим плечом-рычагом 0,3 м. В осциллографах с иным оптическим плечом-рычагом увеличение каналов будет пропорционально отношению фактического оптического рычага к принятому для данной табл. 10.
Таблица 10
\Гальванометр \ \ Сейсмометр\ | ГБ-III-Б-5 (5 Гц) | ГБ-IV-В-3 (120 Гц) | М001.1 | М002 |
С-5-С | Увеличение канала |
| 25 с (max) | | |
С-5-С <*> | | 5 с | | |
ОСП | | 0,2 с | 0,022 с2 | 2,5 с |
ВБП-3 | | 0,003 с2 | 0,6 с | 0,12 с |
СМ-3 | 1700 | | 38 с | 2800 |
ВЭГИК | 1500 | | 27 с | 2500 |
<*> Запись осуществляется на двух уровнях чувствительности при подключении сейсмометра к двум гальванометрам.
3.6. Рекомендуется текущую отметку времени и единый дешифрующий импульс (
п. 2.15 настоящих рекомендаций) подавать на дополнительно установленный в каждом из осциллографов гальванометр, трек от которого на фотоносителе одновременно служит для последующего устранения искажений, вызванных случайными движениями фотоносителя в кассетах. Скорость протяжки фотобумаги в осциллографах рекомендуется принимать до 40 мм/с.
3.7. В целях последующего устранения искажений записей, возникающих в процессе регистрации, необходимо произвести в течение приблизительно 2 с запись с отключенными сейсмоприемниками (при зашунтированных гальванометрах) после регистрации сейсмического воздействия.
3.8. Для восстановления в пространстве движения элементов конструкций здания и грунта рекомендуется установить соответствие между направлением движения элемента конструкции здания или грунта по оси, вдоль которой осуществляется регистрация, и направлением движения светового луча на фотобумаге.
(Пример. Осуществляется регистрация вдоль оси Ю-С. Элемент конструкции, на котором установлен прибор, движется вдоль этой оси по направлению с Ю на С. На фотоносителе такому направлению движения соответствует движение светового луча вниз от начального положения).
Схема обозначения направлений движения вдоль осей представлена на
рис. 9:

- направление вдоль оси x-x к северу,

- направление вдоль оси y-y к востоку, углы

; при

выбор

и

осуществляется по направлению движения часовой стрелки.
Рис. 9. Схема обозначения направлений движения вдоль
продольной оси (x-x) и поперечной оси (y-y) здания
для согласования с направлениями отклонения
светового блика на фотоносителе
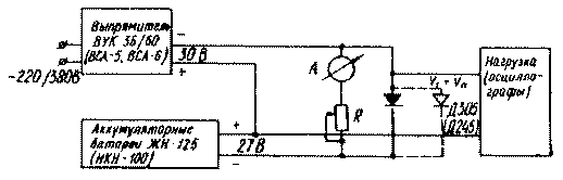
3.9. В ждущем режиме, а также во время землетрясений интенсивностью 3 - 5 баллов, электропитание станции рекомендуется осуществлять от городской электросети. При землетрясениях большей интенсивности электропитание должно автоматически переключаться на автономное аккумуляторное энергоснабжение. Автоматическое переключение электропитания должно быть предусмотрено и на случай временного прекращения централизованного электроснабжения. На рис. 10 представлена рекомендуемая схема описанного устройства. Резистором R рекомендуется устанавливать ток подзарядки аккумуляторов, равный 100 - 200 мА (кипение электролита в аккумуляторах недопустимо).
Рис. 10. Схема блока питания станции ИСС
3.10. Тарировка сейсмометрических каналов с гальванометрической регистрацией может производиться аналитически или на тарировочной платформе
(Приложение 2). Рекомендуется организация импульсной тарировки, которая не требует снятия приборов с их мест установки на станциях, что повышает надежность работы станций ИСС.
Регламентные работы
3.11. Регламентные работы, проводимые на станциях ИСС, подразделяются на еженедельные, ежемесячные и ежеквартальные. Отдельным этапом после каждого землетрясения интенсивностью 5 и более баллов в пункте регистрации осуществляется проверка станции по регламенту еженедельных работ.
3.12. В комплекс работ, выполняемых еженедельно, входят:
- проверка наличия и расположения бликов гальванометров на экранах осциллографов;
- проверка работоспособности гальванометров;
- проверка центровки маятников сейсмоприемников на всех измерительных пунктах;
- проверка надежности крепления заряженной кассеты осциллографа при работе лентопротяжного механизма в течение 3 - 4 с;
- проверка работы отметчиков текущего времени и устройства выработки единого дешифрующего импульса;
- проверка напряжения на аккумуляторах под нагрузкой (рабочее напряжение должно быть не менее 22 В);
- проверка наличия фотобумаги в кассетах осциллографов (минимальное количество фотобумаги должно быть не менее чем на два цикла срабатывания станции, т.е. порядка 5 м);
- проверка включения станции ИСС от пускового устройства.
3.13. В комплекс работ, выполняемых ежемесячно, входят:
- проверка аппаратуры станции ИСС по регламенту еженедельных работ;
- проверка уровня и плотности электролита в аккумуляторных батареях в соответствии с инструкцией по эксплуатации для используемого типа аккумуляторов;
- проверка состояния контактов в каналах сейсмоприемник-гальванометр;
- снятие контрольного цикла на осциллографических лентах с записью в течение 15 - 20 с;
- контроль работы аппаратуры с оптической регистрацией (ССР3-М, АС3), который включает проверку положения указателя количества циклов, работы пускателя прибора, напряжения, положения стрелки стартеров, расположения бликов гальванометров, работоспособности прибора;
- контроль работы аппаратуры с механической регистрацией (ИГИС, СБМ), который включает проверку надежности крепления внутренних деталей и механизмов, состояния и крепления закопченных стекол, давления игл на стекло, центровки приборов.
3.14. В комплекс работ, выполняемых ежеквартально, входят:
- проверка аппаратуры станции ИСС по регламенту ежемесячных работ;
- перезакопчение стекол для сейсмоскопов ИГИС и СБМ (рекомендуется для уменьшения трения иглы по стеклу на последнее наносить тонкий слой костяного масла и после этого коптить с использованием смеси следующего состава: керосин - две части; скипидар - одна часть);
- проверка узлов крепления сейсмоаппаратуры к конструкциям здания и бетонным основаниям измерительного пункта на грунте.
3.15. Тарировку каналов сейсмоаппаратуры с гальванометрической регистрацией, проверку паспортных характеристик приборов с оптической и механической регистрацией и их корректировку рекомендуется производить не реже 1 раза в 2 года. Через каждые два-три года рекомендуется заменять резиновые вкладыши в сейсмоскопах ИГИС.
3.16. На каждой станции ИСС должен иметься график контроля станции и специальный эксплуатационный журнал, в который заносятся все виды работ, производимых на станции, в том числе еженедельные, ежемесячные и ежеквартальные с указанием числа, когда они проводились. В журнал также заносятся результаты регистраций и причины невключения станции ИСС или несрабатывания отдельных каналов регистраций. Журнал должен иметь сквозную нумерацию; запись в журнале должна вестись аккуратно и только чернилами.
3.17. Обработку фотобумаги осциллографов допускается производить как с применением стандартных проявляющих и закрепляющих средств, выпускаемых отечественной промышленностью, так и с помощью растворов, изготовленных из отдельных химических реактивов. Для проявителя рекомендуется следующий состав на 1 л воды: метол - 5 г; гидрохинон - 5 г; сульфит натрия кристаллический - 100 г; поташ - 50 г; бромистый калий - 1 г (вместо сульфита натрия кристаллического допускается использование натрия безводного в количестве 50 г, а вместо поташа - соды безводной в количестве 40 г). Закрепление рекомендуется производить с помощью раствора состава на 1 л воды: гипосульфит - 250 г; сульфит натрия кристаллический - 50 г; серная кислота - 3 г (сульфит и гипосульфит разводят в равном количестве воды и затем смешивают). Раствор проявителя готовят из расчета 1 л на 10 м фотобумаги, закрепителя требуется примерно в 2 раза больше. После закрепления фотоленты промывают (15 - 20 мин в проточной воде) и погружают в раствор глицерина в воде (50 г глицерина на 1 л воды).
3.18. Первичная обработка регистрации осуществляется на станциях ИСС и включает обработку регистраций сейсмоскопов типа СБМ и ИГИС, а также подготовку записей на фотобумаге в соответствии с
п. 3.22 настоящих рекомендаций.
3.19. Обработка экспериментальных данных сейсмоскопов СБМ состоит в определении балльности землетрясений по максимальной величине смещения

с помощью шкалы табл. 11. Величина

определяется согласно паспорту прибора по формуле

, где X - наибольшее смещение пера прибора, зарегистрированное на закопченном стекле
(рис. 11).
Таблица 11
Интенсивность, балл | Смещение маятника, мм |
5 | 0,5 - 1 |
6 | 1,1 - 2 |
7 | 2,1 - 4 |
8 | 4,1 - 8 |
9 | 8,1 - 16 |
Рис. 11. Пример определения максимального
смещения по записи сейсмоскопа СБМ
3.20. Обработка показаний многомаятниковых сейсмоскопов (типа ИГИС) состоит в построении графиков приведенных ускорений

, вычисляемых по формуле

,
где g - ускорение силы тяжести;

- период маятника, подвешенного вертикально и освобожденного от упругих связей;

- период собственных колебаний маятника, заделанного в упругую мембрану;
a - расстояние от острия иглы до точки в стержне маятника на середине резиновой пробки;
Y - максимальное перемещение иглы маятника на закопченном стекле.
По показаниям прибора определяется также балльность землетрясения в соответствии с рекомендуемой табл. 12, в которой для определения балльности даны значения X = Y x C/a, где C - длина маятника до центра тяжести груза.
Таблица 12
Периоды собственных колебаний маятников, с | Значения X, мм |
5 баллов | 6 баллов | 7 баллов | 8 баллов | 9 баллов |
0,1 | 0,05 - 0,1 | 0,1 - 0,2 | 0,2 - 0,4 | 0,4 - 0,8 | 0,8 - 1,6 |
0,15 | 0,15 - 0,3 | 0,3 - 0,6 | 0,6 - 1,2 | 1,2 - 2,4 | 2,4 - 4,8 |
0,2 | 0,3 - 0,6 | 0,6 - 1,2 | 1,2 - 2,4 | 2,4 - 4,8 | 4,8 - 9,2 |
0,25 | 0,5 - 1,0 | 1,0 - 2,0 | 2,0 - 4,0 | 4,0 - 8,0 | 8,0 - 16,0 |
0,3 | 0,7 - 1,4 | 1,4 - 2,8 | 2,8 - 5,6 | 5,6 - 11,2 | 11,2 - 22,4 |
0,4 | 1,0 - 2,0 | 2,0 - 4,0 | 4,0 - 8,0 | 8,0 - 16,0 | 16,0 - 32,0 |
0,6 | 2,0 - 4,0 | 4,0 - 8,0 | 8,0 - 16,0 | 16,0 - 32,0 | 32,0 - 64,0 |
0,8 | 3,0 - 6,0 | 6,0 - 12,0 | 12,0 - 24,0 | 24,0 - 48,0 | 48,0 - 96,0 |
1,0 | 3,65 - 7,3 | 7,3 - 14,6 | 14,6 - 29,2 | 29,2 - 58,4 | 58,4 - 116,8 |
3.21. Подготовка записей каналов гальванометрической регистрации состоит в определении возможности использования записи для последующего анализа, составления сведений о параметрах канала регистрации, нанесения на запись вспомогательной информации, необходимой для ее дешифровки, снятия при необходимости высококачественной копии, не искажающей масштабы записи. Для всех трасс записи оценивается их качество с выявлением дефектов, ограничивающих или исключающих возможность их последующего использования по рекомендуемой в табл. 13 форме. Характерные особенности записей, обусловленные неисправностями сейсмометров, гальванометров, осциллографов и недостатками обработки фотобумаги представлены в
табл. 14.
Город ___________________
Дата (число, месяц, год) ________
Время (часы, минуты) ____________
Номер станции ИСС _______________
Измерительный пункт | Канал регистрации | Наличие записи, ее качество или причины ее отсутствия |
N 1 (грунт) | (С-5-С) + (ГБ-III-3)(x, y, z) | Запись получена |
(ВБП-3) + (ГБ-IV-В-3)(x, y, z) | Запись не получена из-за слабой чувствительности канала |
ИГИС | Запись не получена из-за ослабления пружин поджатия игл маятника |
N 2 (фундамент) | (СМ-3) + (ГБ-III-3)(z) | Запись не получена из-за дрейфа нуля сейсмоприемника |
N 3 (фундамент) | (ОСП-2М) + (ГБ-III-3)(z) | Запись получена |
(СМ-3) + (ГБ-III-3)(z) | Запись получена |
(ОСП-2М) + (ГБ-III-3)(z) | Запись получена |
N 4 (фундамент) | (С-5-С) + (ГБ-III-3)(x, y, z) | Запись не получена из-за плохой балансировки подвесной системы |
АС3-2 | Запись получена |
N 5 (покрытие) | (СМ-3) + (ГБ-III-3)(x, y, z) | Записи получены некачественно (перекос фотобумаги в кассете) |
(ОСП-2М) + (ГБ-III-3)(x) | Обрыв контактов катушки |
(ОСП-2М) + (ГБ-III-3)(y, z) | Запись получена |
ССР3-М | Запись не получена (не сработал стартер из-за большого загрубления) |
Примечание. x, y, z - компоненты регистрации колебаний в трех взаимно перпендикулярных направлениях (x, y - горизонтальные соответственно вдоль большой и малой осей здания, z - вертикальная).
Дефектные признаки на осциллограмме | Возможные причины, вызвавшие дефекты на осциллограмме |
А. Сейсмоприемники |
| Неустойчивое положение прибора и биение об ограничители |
| Очень малое затухание собственных колебаний прибора |
| Дрейф нуля прибора |
| Неверно подобранная чувствительность канала |
Б. Гальванометры |
| Неисправность в системе подвески - высокочастотная помеха; высокочастотные помехи от мотора, редуктора или стабилизатора осциллографа |
| Дрейф нулевого положения светового блика |
| Плохая балансировка подвесной системы |
В. Осциллографы |
| Некачественная фокусировка гальванометра |
| Недостаточность напряжения питания осциллографа |
| Слишком большой накал лампы осветителя |
| Неравномерная протяжка ленты в кассете |
| Перекос фотобумаги в кассете |
Г. Обработка фотобумаги |
Г-1. Рыжие или серые полосы поперек осциллограммы | Неполное закрепление вследствие плохого прокручивания и смятия ленты в закрепителе |
Г-2. Чередование темных и светлых полос на осциллограмме, подтеков или пятен | Излишне быстрое проявление (высокая температура, большая яркость записи) |
Г-3. Общий серый фон, грязные подтеки на обратной стороне осциллограммы | Долгое нахождение в проявителе |
Г-4. "Пузыри" на осциллограмме | Резкая разница в температурах проявителя и закрепителя или повышенная температура одного из растворов |
Г-5. Пожелтение осциллограммы (со временем выцветание) | Плохая промывка после закрепления |
3.22. Результаты обработки сейсмоскопов, а также записей каналов с гальванометрической и прямой оптической регистрацией или их высококачественные копии, подготовленные в соответствии с требованиями, высылаются в месячный срок в Центр сейсмостойкости ЦНИИСК.
Требования, предъявляемые к записям, получаемым на станциях ИСС:
- наличие загрубленного (свободного от записи) канала, служащего для устранения искажений, возникающих за счет случайных движений фотоносителя в кассетах, на который подаются текущие временные метки и единый дешифрующий импульс;
- наличие отрезка нулевой линии после конца записей сигнала для каждого трека;
- указание соответствия направления движения элемента конструкции здания или грунта в точке регистрации направлению записи на фотобумаге (смотри
п. 3.8 настоящих рекомендаций и
рис. 9 и
12);
- указание места регистрации;
- наличие шифра лент в соответствии с примечанием
табл. 15;
- указание времени и координат землетрясения;
- указание интенсивности землетрясения в эпицентре (по данным ЕССН) и в пункте регистрации по показаниям приборов СБМ или ИГИС;
- наличие номера станции;
- указание коэффициента увеличения канала (отношения значений величин в мм на записи к действительным значениям в мм, мм/с, мм/с2, соответственно для смещений, скоростей и ускорений);
- указание зарегистрированного кинематического параметра;
- указание номера канала регистрации (по паспорту станции);
- указание регистрируемой компоненты и точки регистрации.
Рекомендуемый образец оформления записи приведен на рис. 12.
Рис. 12. Пример оформления осциллограммы,
направляемой в Центр сейсмостойкости ЦНИИСК
Город _______________________________
Дата (число, месяц, год) ____________
Время (часы, минуты) ________________
Общее число станций ИСС | Станция ИСС, зарегистрировавшая землетрясение, и номер лент | Номер станции ИСС, не зарегистрировавшей землетрясение, и причина | Принятые меры к устранению обнаруженных недостатков |
1 | 2 | 3 | 4 |
15 | N 1 (ленты 1.3.1-5) N 4 (ленты 4.5.1-7) N 5 (ленты 5.5.1-2) | N 2, 3 - не сработало пусковое устройство | Установлены новые пусковые устройства |
| N 8 (ленты 8.5.1-5) N 12 (ленты 12.1.1-4) N 14 (ленты 14.5.1-5) | N 6, 7 - сейсмоизмерительная аппаратура была снята для повторной тарировки | Аппаратура после тарировки установлена |
| N 15 (ленты 15.2.1-7) | N 9, 10 - получены записи только некоторых сейсмометров | Сейсмометрические каналы подключения сейсмометров загрублены |
| | N 11 - получены некачественные записи ввиду ухода светового луча за пределы фотобумаги | Сейсмоаппаратура отлажена |
Примечание. Первое число в шифре лент соответствует номеру станции, второе - числу регистраций, произведенных на станции ИСС (включений станции) в указанном году, третье - номеру ленты, на которой произведены записи. Например, запись для станции ИСС N 1 (ленты 1.3.1-5) означает, что на станции N 1 произведена третий раз в году регистрация поведения сооружения станции при землетрясении, причем вся информация последней третьей регистрации находится на лентах с 1 по 5.
3.23. Первичное донесение, включающее общие сведения о землетрясении и информацию о регистрациях станций ИСС в соответствии с
табл. 13,
15, 16, высылаются в Центр сейсмостойкости в недельный срок после землетрясения.
Общие сведения о землетрясении, зарегистрированном
станциями инженерно-сейсмометрической службы
город _____________________________
Время возникновения в очаге по Гринвичу
__________ год, __________ месяц, ___ число, ___ ч, ______ мин, ________ с.
Координаты эпицентра:
а) широты, град ________________________________;
б) долготы, град _______________________________.
Глубина очага:
а) микросейсмическая _____________________________ км;
б) инструментальная ______________________________ км.
Инструментальная характеристика интенсивности в очаге:
магнитуда по поверхностным волнам ________________________________________;
Сила сотрясения в пункте регистрации, балл _______________________________;
Характеристика повреждений здания станции ________________________________.
3.24. Паспорт станции ИСС, характеризующий место ее расположения, здание, на котором она организована, порядок расположения измерительных пунктов и их состав оформляются в соответствии с примером
Приложения 3 и направляются в Центр сейсмостойкости ЦНИИСК. Паспорт должен содержать титульный лист по приведенной в приложении форме, заверенный подписями и печатями, и четыре раздела описания станции ИСС, необходимые для использования получаемой на этой станции информации.
Характеристика здания (сооружения) включает:
- наименование объекта;
- проект;
- общие габариты сооружения (длина, ширина, высота);
- количество этажей;
- количество секций;
- ориентация продольной оси здания (сооружения) относительно оси С-Ю;
- наличие подвалов, полуподвалов;
- характеристика несущих конструкций:
а) фундаменты;
б) цоколь;
в) стены или каркас (расстояния между продольными и поперечными осями стен, ширина простенков, ширина проемов, выступы (изломы) стен в плане и др.);
г) перекрытия;
д) перемычки;
е) лестницы;
- характеристика ненесущих конструкций:
а) ограждающие конструкции;
б) перегородки;
в) веранды;
г) крыша;
д) элементы здания, выступающие из плоскости стен (карнизы, парапеты, фронтоны, колоннады и др.);
- характеристика антисейсмических мероприятий;
- динамические параметры здания (периоды собственных колебаний и логарифмические декременты колебаний вдоль главных осей);
- общий вид, план типового этажа, разрез здания, генплан.
Инженерно-геологические условия площадки строительства включают:
- сейсмичность площадки строительства по данным микросейсморайонирования (в отсутствие данных микросейсморайонирования по СНиП);
- грунтовые условия строительства (просадочные, непросадочные грунты);
- влажность и пористость грунтов;
- противопросадочные мероприятия;
- геологический разрез площадки строительства и физико-механические свойства верхних слоев.
Схема размещения измерительных пунктов на здании (сооружении) с указанием их номеров, а также место нахождения регистрационного помещения
Техническое оснащение станции включает данные по:
- составу станции;
- распределению сейсмометрических каналов по измерительным пунктам;
- нестандартному оборудованию станции.
В конце паспорта допускается примечание, в котором отражаются особенности станции, не вошедшие в предыдущие разделы, и помещаются сведения об изменениях, производимых на станции в процессе эксплуатации.
ПЕРЕХОДНЫЕ КРОНШТЕЙНЫ ДЛЯ КРЕПЛЕНИЯ СЕЙСМОПРИЕМНИКОВ
В ИЗМЕРИТЕЛЬНЫХ ПУНКТАХ
А) Переходный кронштейн для крепления сейсмоприемника С-5-С к бетонному постаменту (рис. 13).
Рис. 13. Переходный кронштейн для крепления
С-5-С к постаменту
Закладная деталь (1), состоящая из сваренных стальных уголков 30 x 30 мм, к которым приварено 3 болта М10 (2) длиной не более 100 мм, погружается в бетон постамента при заливке на столько, чтобы над бетоном оставалась свободная часть болтов (2) длиной порядка 40 - 50 мм. Переходный кронштейн состоит из 2-х частей (3) и (4), сваренных между собой. Он выполняется из полосовой стали 25 x 5 мм. В кронштейне (3, 4) высверливаются три отверстия диаметром 10 мм для крепления к нему сейсмоприемника С-5-С, а также три отверстия диаметром 14 мм для крепления посредством болтов на постамент собранной конструкции (2).
Б) Переходный кронштейн для крепления сейсмоприемника С-5-С к стене или колонне (рис. 14).
Рис. 14. Переходный кронштейн для крепления С-5-С к стене
Кронштейн состоит из стальной плиты (1) толщиной не менее 8 мм, к которой приварена Т-образная площадка (2) из стального уголка 30 x 30 мм. Площадка (2) крепится к сварной плите (1) дополнительно с помощью стальных косынок (3) и (4). На площадку (2) приварено три болта (5) для закрепления сейсмоприемника С-5-С с кронштейном (3), описанным в
п. А настоящего приложения. Вся конструкция кронштейна (рис. 14) крепится к стене или колонне "по месту", исходя из конкретных условий.
В) Универсальный переходный кронштейн для установки приборов, регистрирующих движение в трех взаимно перпендикулярных направлениях (рис. 15).
Рис. 15. Универсальный переходной кронштейн
Кронштейн состоит из основания (1), боковых граней (2) и закладных деталей (3), изготовленных из арматуры периодического профиля диаметром 20 мм. Детали (1), (2) изготовляются из листовой стали толщиной не менее 10 мм и соединяются между собой с помощью сварки. Длина закладных деталей (3) составляет 100 мм. На боковых гранях (1), (2) просверливается ряд отверстий для крепления соответствующих сейсмоприемников.
ТАРИРОВКА СЕЙСМОМЕТРИЧЕСКИХ КАНАЛОВ
С ГАЛЬВАНОМЕТРИЧЕСКОЙ РЕГИСТРАЦИЕЙ
Под тарировкой сейсмометрических каналов понимается получение требующегося коэффициента увеличения канала с помощью выбора шунта, соответствующего параметрам сейсмометра и гальванометра, а также определение амплитудно- и фазово-частотных характеристик канала.
Коэффициент увеличения, амплитудно- и фазово-частотные характеристики определяются соответственно формулами:

,
где A - оптический рычаг гальванометра;

- приведенная длина маятника сейсмометра;

и

- полные моменты инерции (относительно осей вращения) соответственно маятника сейсмометра и рамки гальванометра;

и

- постоянные затухания сейсмометра и гальванометра;

и

- парциальные периоды соответственно сейсмометра и гальванометра;

- коэффициент связи;
T - период воздействующего сигнала.
здесь

и

- соответственно парциальные частоты сейсмометра и гальванометра.
Аналитическая тарировка <*>
--------------------------------
<*> Аппаратура и методика сейсмометрических наблюдений в СССР, М., Наука, 1974 г.
В общем виде электрическая схема канала с гальванометрической регистрацией представлена на рис. 16, где введены следующие обозначения:

- внутреннее сопротивление рабочей катушки сейсмометра;

и

- добавочные сопротивления; r - шунтирующее сопротивление;

- внутреннее сопротивление гальванометра;

и

- внутреннее и внешнее сопротивление катушки затухания сейсмометра.
Рис. 16. Электрическая схема соединения сейсмометра
и гальванометра в регистрационном канале станции ИСС
Для расчета коэффициента увеличения, амплитудно- и фазово-частотных характеристик по приведенным формулам требуются следующие параметры.
Сейсмометра:
а. Технические данные (по паспорту) -

- период маятника;

- сопротивление катушки маятника;

- воздушное затухание маятника;

- приведенная длина маятника;

- момент инерции маятника;

- чувствительность сейсмометра.
б. Расчетные данные -

- рабочее затухание маятника (

- логарифмический декремент колебаний);

- коэффициент электромагнитного затухания (

магнитоэлектрическая постоянная сейсмометра).
Гальванометра:
а. Технические данные (по паспорту)

- собственный период колебаний рамки;

- внутреннее сопротивление гальванометра.
б. Расчетные данные

- коэффициент электромагнитного затухания;

- токовая постоянная;

- чувствительность;

- момент инерции рамки гальванометра.
Коэффициент связи

,
где


.
Для определения

и

собирается схема, приведенная на
рис. 17. Реостатом

подбирается такой ток, при котором световой блик отклоняется на 20 - 30 мм по матовому стеклу юстировочной рамки, и после изменения полярности тока (тумблер П) замеряется отклонение светового блика. Для повышения точности отсчетов этот процесс можно записать на фотобумагу.

и

определяются по формулам

,
где y - отклонение светового блика в мм;
R, r - сопротивление в Ом;

- сопротивление гальванометра в Ом;
i - ток через микроамперметр в А;
A - расстояние от зеркальца гальванометра до стекла юстировочной рамки или фотобумаги в м.
Рис. 17. Электрическая схема для определения
чувствительности гальванометра
Для определения

собирается схема, приведенная на
рис. 18. На регистрирующем осциллографе устанавливается скорость протяжки порядка 160 мм/с для гальванометров с частотой ~= 120 Гц и 40 мм/с для гальванометров с частотой ~= 10 Гц. Кнопкой КН подается импульс на гальванометр, и записываются его свободные колебания. Затем тумблером П параллельно гальванометру подключается конденсатор C известной емкости (емкость конденсатора подбирается такая, чтобы частота гальванометра уменьшилась вдвое), и делается аналогичная запись. После фотообработки определяются периоды

без конденсатора и

с подключенным конденсатором;

рассчитывается по формуле

,
где

и

выражены в секундах, а C - емкость конденсатора в фарадах. В описанной методике процесс записи на осциллографе с последующей фотообработкой можно заменить на замер

и

с помощью частотомера типа Ч3-38 по схеме, приведенной на
рис. 19.
Рис. 18. Электрическая схема для определения коэффициента
электромагнитного затухания гальванометра с записью
на фотобумаге
Рис. 19. Электрическая схема для определения
коэффициента электромагнитного затухания гальванометра
с помощью частотомера
Тарировка на вибростенде
Тарировка производится на специальных вибростендах, которые позволяют получить синусоидальные гармонические колебания с определенной частотой и амплитудой. По сопоставлению амплитуды записи на фотобумаге осциллографа для канала с гальванометрической регистрацией с амплитудой платформы для разных частот колебаний определяются коэффициент увеличения, амплитудно-частотная и фазово-частотная характеристики.
Тарировочный вибростенд устанавливается на отдельном фундаменте вдали от мощных источников вибрационных помех.
Тарировка производится следующим образом. На платформе устанавливаются по направлению ее движения и жестко к ней крепятся сейсмоприемники тарируемых каналов. Измеряются частота и амплитуда колебаний вибростенда. При построении амплитудно-частотной характеристики канала по оси абсцисс откладывается частота, заданная на вибростенде, а по оси ординат - коэффициент увеличения канала для данной частоты воздействия.
При тарировке канала, регистрирующего смещение, увеличение канала

- безразмерная величина, которая определяется по формуле

,
где

- размах гармонических колебаний, измеренных по осциллограмме в мм;

- размах колебаний вибростенда в мм.
При тарировке канала, регистрирующего скорость, коэффициент увеличения определяется по формуле

,
где f - частота гармонических колебаний вибростенда. В этом случае

имеет разность

и равен численному значению скорости колебаний в мм/с, соответствующему 1 мм отклонения на осциллограмме.
При тарировке канала, регистрирующего ускорения, V определяется по формуле

.
В этом случае коэффициент

имеет размерность

и равен численному значению скорости колебаний в мм/с, соответствующему 1 мм отклонения на осциллограмме.
Для определения фазово-частотной характеристики сопоставляются записи оттарированного (контрольного) канала и тарируемого. По временному сдвигу

между соответствующими, например, максимальными амплитудами на записях определяется фазовый сдвиг

в радианах по формуле

,
где

- круговая частота колебаний вибростенда. Затем с помощью вычитания этого сдвига для каждой частоты из фазово-частотной характеристики контрольного канала получают истинную фазово-частотную характеристику тарируемого канала.
Тарировку рекомендуется осуществлять в диапазоне 0,2 - 20 Гц.
ПРИМЕР ОФОРМЛЕНИЯ ПАСПОРТА СТАНЦИИ ИСС
___________________________
(министерство, ведомство)
___________________________
(наименование организации)
"УТВЕРЖДАЮ"
Директор ________________________________
(наименование организации)
_________________________________________
(фамилия, имя, отчество)
"___" _________________ 19__ г.
ПАСПОРТ
инженерно-сейсмометрической
станции N ___ города ________ Место печати
(_______________________________) организации
адрес станции ИСС
Проект станции ИСС согласован с
ЦНИИСК им. Кучеренко Госстроя СССР
ответственное лицо по согласованию
проекта от ЦНИИСК
Место печати
ЦНИИСК
_____________________ 19__ г.
(наименование города)
Характеристика здания
- 9-этажный жилой дом (железобетонный каркас)
- проект индивидуальный N 1-17 274/64 пл 1970 г.
- общие габариты здания: длина - 18,8 м
ширина - 18 м
высота - 23,8 м
число этажей - 9
ориентация продольной оси относительно С-Ю - 13°
- полуподвал
- характеристика несущих конструкций:
а) фундаменты монолитные в виде железобетонных лент (бетон М100), на которые опираются стойки каркаса; глубина заложения 1,09 - 2,75;
б) цоколь - бутобетонный, из бетона М100, армированный вертикальными стержнями по 4

через 150 см;
в) железобетонный каркас разработан в сборных конструкциях в виде крестовин и ригелей; особенностью каркаса являются стыки; стыки ригеля с колонной и колонны с колонной осуществлены электрошлаковой сваркой стержней арматуры на металлической форме в местах, приближенных к нулевым моментам; в первом этаже железобетонный каркас выполнен монолитным с сечением колонн 60 x 60 см, несущих ригелей 60 x 65 см и связевых - 60 x 50 см;
г) перекрытия представляют собой сборные железобетонные круглопустотные панели длиной 586 см, замоноличенные в железобетонные монолитные обвязки, связанные со сборными ригелями через выпуски арматуры из последних;
д) лестницы из сборных железобетонных ступеней по металлическим косоурам с креплением ступеней на сварке закладных деталей; косоуры обтянуты металлической сеткой и оштукатурены цементным раствором толщиной 2 см;
- характеристика ненесущих конструкций:
а) ограждающие конструкции - навесные керамзитобетонные (М50, бетон М100) панели толщиной 24 см (объемный вес 1000 кг/м
3), армированные арматурными каркасами (связанными)

А-I (каркас сборный индивидуальный); расстояния между продольными и поперечными осями стен соответственно 18980 и 18800 мм;
б) перегородки - гипсобетонные, прокатного изготовления, толщиной 8 см, в лестничной клетке - железобетонные, толщиной 14 см;
в) кровля - рулонная, плоская с внутренним водостоком;
- характеристика антисейсмических мероприятий:
- армирование стен цоколя выполнено сварными сетками из арматуры класса А-III; по верху стен цоколя уложен монолитный антисейсмический пояс, сваренный в комплексную конструкцию с фундаментными лентами, стойками каркаса и вертикальным армированием стен цоколя; швы замоноличивания между плитами перекрытий армированы каркасами из стали

и

А-I (бетон М300 мелкой фракции);
- динамические параметры здания:
период собственных колебаний в продольном и поперечном направлениях - 0,46 с;
декремент колебаний здания в продольном и поперечном направлениях - 0,117;
- общий вид здания, план типового этажа и разрез здания, а также генплан застройки представлены соответственно на рис. 20,
21,
22,
23.
Рис. 20. Общий вид здания
Рис. 21. План типового этажа:
1 - регистрационное помещение здания станции ИСС
Рис. 23. Генеральный план расположения станции ИСС:
1 - здание станции; 2 - крупнопанельный 5-этажный жилой
дом; 3 - одноэтажное кирпичное здание; 4 - крупнопанельное
3-этажное здание школы
Инженерно-геологические условия площадки строительства
- сейсмичность площадки 9 баллов;
- непросадочные грунты;
- влажность - 20,8%, коэффициент пористости - 0,7;
- геолого-литологическое строение площадки строительства представлено на рис. 24; физико-механические свойства слоев приведены в
табл. 17; грунты имеют горизонтальное залегание.
Рис. 24. Геолого-литологическое строение
площадки строительства:
(1) - насыпь и супесь
(2) - туф вулканический (покров туфов разбит трещинами на отдельные блоки; в туфах встречаются гнезда и карманы пемзовых образований и дымчатого вулканического стекла)
(3) - суглинки светло-бурые (карбонатизированные, тугопластичные и пластичные, естественной влажности)
(4) - пески тонкозернистые (серые с желтым оттенком, с маломощными прослойками суглинков)
(5) - супеси желто-бурые (с включенным гравием изверженных пород до 40%, грунт влажный, сложение среднеплотное)
(6) - суглинки желто-бурые (пластичные, влажные с гравием различных изверженных пород до 10%; грунт имеет плотное сложение).
Таблица 17
Физико-механические свойства грунтов
Номер слоя грунта | Объемный вес, т/м3 | Угол внутреннего трения (град) | Удельное сцепление, МПа | Модуль деформации, МПа |
(2) | 1,40 - 1,60 (несущая способность 5 кг/см2) | | | |
(3), (6) | 1,80 | 20 | 0,002 | 13 |
(4) | 1,75 | 32 | 0,002 | 21 |
(5) | 1,70 | 24 | 0,008 | 15 |
Схема размещения измерительных пунктов
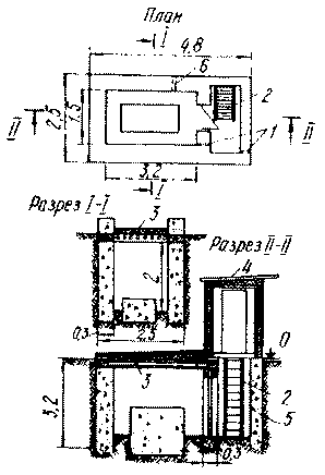
На станции оборудовано 5 измерительных пунктов (грунт, фундамент, 3 и 6 этажи, покрытие). Схема их размещения представлена на рис. 25.
Рис. 25. Схема размещения измерительных пунктов на здании
станции (цифры в кружках соответствуют месту расположения
измерительных пунктов на станции ИСС)
Техническое оснащение станции
Приборы | Тип | Количество |
Сейсмоприемник | С-5-С | 14 |
| ВЭГИК | 3 |
| СМ-3 | 2 |
| ОСП-2М | 3 |
Акселерометр | ССР3-М | 3 |
Сейсмоскоп | ИГИС | 1 |
Гальванометр | ГБ-IV-В-3 | 3 |
| ГБ-III-3 | 15 |
| М001.1А | 3 |
Шунтовая коробка | ШК-2 | 4 |
Осциллограф | Н-700 | 4 |
Автопусковое устройство | АПУ | |
Блок питания | П001 | 1 |
Аккумуляторы | 6 СТ 128 | |
Зарядно-буферное устройство | ВУК-36/60 | 1 |
Электроконтактные часы | МЧ-62 | 1 |
Распределение сейсмометрических каналов
по измерительным пунктам
Номер канала | Состав канала (сейсмоприемник + гальванометр) | N сейсмоприемника | N гальванометра | Год ввода канала | Кинематический параметр записи |
1 | 2 | 3 | 4 | 5 | 6 |
Измерительный пункт N 1 (грунт) |
1 | (С-5-С) + (ГБ-IV-В-3) | 270 | 4152 | 1972 | скорость |
2 | " | 276 | 4154 | " | " |
3 | " | 141 | 4150 | " | " |
4 | ВЭГИК + (ГБ-III-3) | 1418 | 1375 | 1975 | смещение |
5 | " | 1382 | 2269 | " | " |
6 | " | 1440 | 3262 | " | " |
| ИГИС | | | 1972 | |
Измерительный пункт N 2 (фундамент) |
7 | (СМ-3) + (ГБ-III-3) | 144 | 1966 | 1973 | смещение |
8 | " | 148 | 1970 | " | " |
9 | (С-5-С) + (ГБ-III-3) | 277 | 2004 | " | " |
10 | (ОСП-2М) + (М001.1А) | 220 | 1503 | 1975 | ускорение |
11 | " | 221 | 1521 | " | " |
12 | " | 243 | 1524 | " | " |
Измерительный пункт N 3 (3 этаж) |
13 | (С-5-С) + (ГБ-III-3) | 372 | 2015 | 1980 | смещение |
14 | " | 373 | 2017 | " | " |
15 | " | 380 | 2030 | " | " |
16 | ССР3-М | 243 | | 1981 | ускорение |
Измерительный пункт N 4 (6 этаж) |
17 | (С-5-С) + (ГБ-III-3) | 376 | 2028 | 1980 | смещение |
18 | " | 388 | 2029 | " | " |
19 | " | 389 | 2140 | " | " |
20 | ССР3-М | 244 | | 1981 | ускорение |
Измерительный пункт N 5 (покрытие) |
21 | (С-5-С) + (ГБ-III-3) | 381 | 1901 | 1972 | смещение |
22 | " | 386 | 1927 | " | " |
23 | " | 384 | 2008 | " | " |
24 | ССР3-М | 124 | | 1980 | ускорение |
Нестандартное оборудование станции
- Устройство защиты аппаратуры от сейсмических воздействий
Устройство представляет собой специальную сварную металлическую раму с гибкой подвеской на ней платформы, на которой устанавливаются осциллографы и пусковое устройство. В качестве элементов подвески используются резиновые пружины. На рис. 26 приведен чертеж устройства и даны его размеры.
Рис. 26. Устройство защиты осциллографов
от сейсмических воздействий
Каркас устройства сварен из стального уголка 63 x 63 x 6 (1), 32 x 32 x 4 (2). Осциллографы установлены на подвесной площадке (3). Площадка подвешена на четырех пружинах (4), имеющих в нагруженном состоянии длину 1 м. Шунтовые коробки укреплены на плите (5). Для крепления к полу приварены стальные пластины (6).
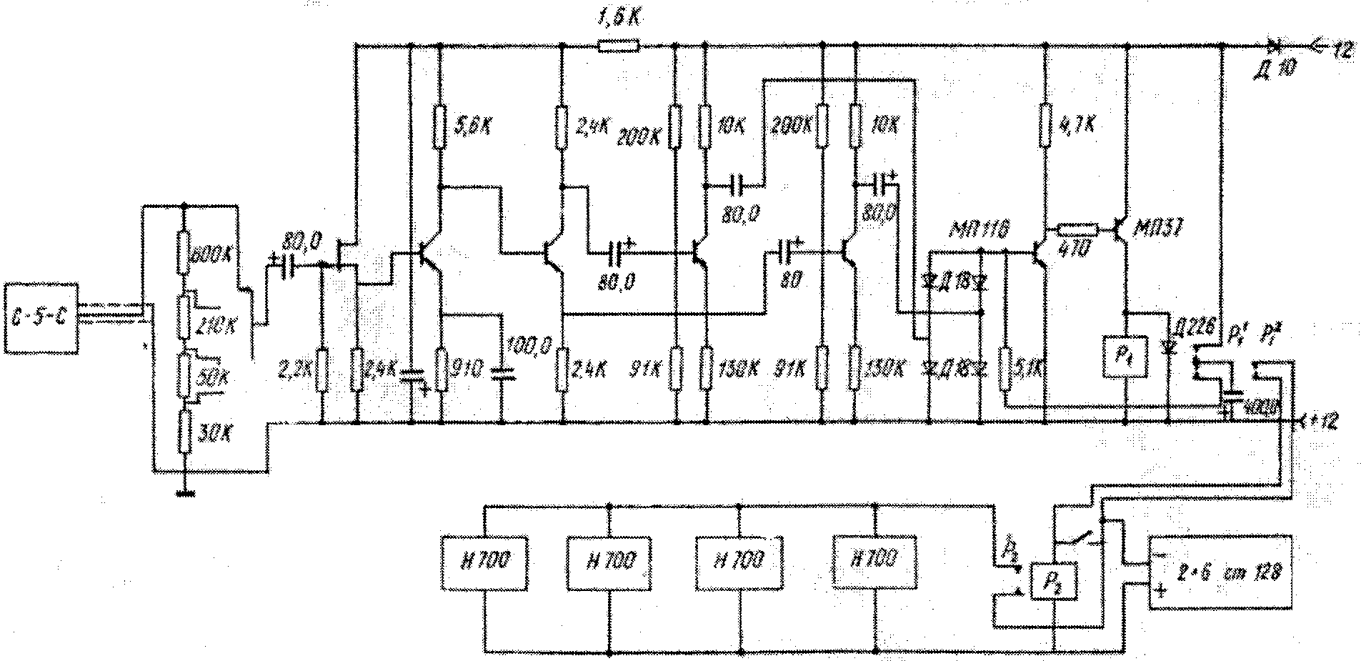
- Автопусковое устройство станции
На станции используется модернизированное автопусковое устройство, схема которого представлена на рис. 27.
Рис. 27. Схема модернизированного автопускового устройства