Главная // Актуальные документы // Обязательство (форма)СПРАВКА
Источник публикации
М.: "Лесная промышленность", 1981
Примечание к документу
Название документа
"Правила технической эксплуатации узкоколейных железных лесовозных дорог"
"Правила технической эксплуатации узкоколейных железных лесовозных дорог"
ТЕХНИЧЕСКОЙ ЭКСПЛУАТАЦИИ УЗКОКОЛЕЙНЫХ ЖЕЛЕЗНЫХ
ЛЕСОВОЗНЫХ ДОРОГ
Правила содержат основные положения по эксплуатации узкоколейных железных дорог, организации путевого хозяйства, сведения по обеспечению безопасности движения, особое внимание в Правилах уделено организации движения поездов.
Рассчитаны на ИТР лесозаготовительной промышленности.
1. Правила технической эксплуатации узкоколейных железных лесовозных дорог составлены с учетом Правил технической эксплуатации узкоколейных железных дорог МПС и других ведомств.
2. Узкоколейная железная лесовозная дорога должна работать бесперебойно и по графику.
3. Настоящие Правила технической эксплуатации узкоколейных железных лесовозных дорог устанавливают основные размеры, нормы и качественные требования по постройке и содержанию пути, сооружений, устройств, оборудования и механизмов. Правила также устанавливают порядок движения поездов по графику, приема и отправления поездов, их следования по перегонам и пользования сигналами.
4. Точное и беспрекословное выполнение настоящих Правил технической эксплуатации, в особенности порядка ограждения работ, освещения и соблюдения сигналов, содержания подвижного состава и пути в исправном состоянии, организации приема и отправления поездов, обеспечивает бесперебойное движение поездов.
5. Настоящие правила технической эксплуатации обязательны для всех узкоколейных железных лесовозных дорог.
Отдельные изменения, дополнения или отступления от Правил могут быть допущены только специальными приказами Министерства лесной, целлюлозно-бумажной и деревообрабатывающей промышленности СССР, согласованными с ЦК профсоюза рабочих лесной, бумажной и деревообрабатывающей промышленности.
Все технические условия, должностные инструкции и другие руководящие технические документы, относящиеся к технической эксплуатации узкоколейных железных лесовозных дорог, должны соответствовать требованиям настоящих Правил.
Правила технической эксплуатации узкоколейных железных лесовозных дорог разработаны Центральным научно-исследовательским и проектно-конструкторским институтом механизации и энергетики лесной промышленности (ЦНИИМЭ), согласованы с ЦК профсоюза рабочих лесной, бумажной и деревообрабатывающей промышленности, утверждены министерством лесной и деревообрабатывающей промышленности СССР.
ОБЯЗАННОСТИ И ОТВЕТСТВЕННОСТЬ РАБОТНИКОВ
УЗКОКОЛЕЙНЫХ ЖЕЛЕЗНЫХ ЛЕСОВОЗНЫХ ДОРОГ
1. Узкоколейная железная лесовозная дорога является составной частью лесозаготовительного предприятия и служит для вывозки древесины к транзитным путям сообщения, непосредственно к предприятиям, потребляющим или перерабатывающим древесину.
2. Узкоколейная железная лесовозная, дорога для нормальных условий эксплуатации должна иметь:
магистральные (основные) пути, действующие в течение всего срока работы предприятия или значительной его части;
ветки, действующие в течение нескольких лет;
усы со сроком действия до 2 лет, примыкающие к магистрали или веткам;
станционные, деповские и погрузочно-разгрузочные пути с соответствующим развитием для обгона, скрещения, маневровых работ и формирования поездов (станции, разъезды и путевые посты), а также пути специального назначения;
устройства сигнализации, централизации и блокировки (СЦБ) и связи;
сооружения для посадки, высадки и обслуживания пассажиров, хранения, выгрузки и погрузки грузов;
сооружения для ремонта и экипировки локомотивов и вагонов, устройства водоснабжения и энергоснабжения;
парк локомотивов, вагонов и других транспортных средств;
склады топлива и запасных частей.
3. Административное подчинение узкоколейной железной лесовозной дороги устанавливается приказом вышестоящей организации.
4. Руководство узкоколейной железной лесовозной дорогой осуществляется начальником дороги, который руководит работой на основе единоначалия.
5. На узкоколейной железной лесовозной дороге распоряжением вышестоящей организации должны быть организованы службы:
движения, сигнализации, централизации и блокировки (СЦБ) и связи, пути и сооружений, подвижного состава, которые возглавляют, в зависимости от годового объема перевозок, протяженности пути и других конкретных условий, начальники служб или мастера, непосредственно подчиненные начальнику дороги.
В зависимости от эксплуатационного парка локомотивов и вагонов служба подвижного состава может быть разделена на две службы: вагонную и локомотивную.
6. Каждая узкоколейная железная лесовозная дорога должна иметь технический паспорт установленной формы, подписанный директором предприятия (леспромхоза) и руководителем вышестоящей организации. Один экземпляр паспорта хранится на предприятии, второй - в вышестоящей организации.
Предприятие обязано ежегодно (не позднее 1 апреля следующего за отчетным года) вносить в паспорт на основании утвержденного годового отчета требуемые по форме сведения, которые должны быть немедленно сообщены вышестоящей организации для внесения во второй экземпляр паспорта, хранящегося в этой организации.
ОБЯЗАННОСТИ И ОТВЕТСТВЕННОСТЬ РАБОТНИКОВ
УЗКОКОЛЕЙНЫХ ЖЕЛЕЗНЫХ ЛЕСОВОЗНЫХ ДОРОГ
7. Начальник дороги и начальники служб отвечают за бесперебойную работу дороги, за выполнение личным составом дороги настоящих Правил, должностных и других инструкций и приказов вышестоящих организаций, а также обеспечивает выполнение суточного и годового планов вывозки леса, перевозки пассажиров, других грузов, внедрение механизации работ и передовых методов труда на дороге, выполнение задания по снижению себестоимости перевозок, соблюдение режима экономии и финансово-сметной дисциплины, выполнение функций по охране труда и технике безопасности в соответствии с Типовым положением об обязанностях и ответственности административно-технического персонала предприятий и производственных объединений Министерства лесной и деревообрабатывающей промышленности СССР в области охраны труда.
8. Служба движения, СЦБ и связи обязана обеспечить: выполнение суточных, месячных, квартальных и годовых планов; разработку и выполнение графиков движения поездов в соответствии с установленным планом вывозки древесины; своевременную доставку рабочих к месту работы и обратно; выполнение работ по текущему содержанию и ремонту устройств СЦБ и связи.
9. Служба пути и сооружений обязана: обеспечивать технически исправное состояние пути и искусственных сооружений для безаварийного движения поездов на всех участках пути с наибольшими скоростями в любое время года; организовывать и проводить работы по текущему содержанию пути, подъемочному и капитальному ремонту пути и сооружений (мостов, труб, лотков), а также по реконструкции пути и строительству усов с применением средств механизации.
10. Служба подвижного состава обязана: содержать локомотивы, вагоны и другие транспортные механизмы в исправном состоянии: своевременно (в соответствии с графиком движения поездов) представлять в распоряжение службы движения, СЦБ и связи необходимое количество исправных локомотивов и вагонов с укомплектованными локомотивными бригадами; обеспечивать своевременное производство технического обслуживания, подъемочного и других видов ремонтов локомотивов и вагонов, а также эксплуатацию, текущее содержание и ремонт экипировочных устройств.
11. Обязанностью всех работников узкоколейных железных лесовозных дорог является бесперебойное и своевременное обслуживание производства при безусловном обеспечении безопасности движения поездов и личной безопасности работающих, рациональном использовании технических средств и неуклонном повышении производительности труда и снижения себестоимости перевозок.
12. Каждый работник узкоколейных железных лесовозных дорог обязан подавать сигналы остановки поезду или маневрирующему составу во всех случаях, угрожающих жизни людей или безопасности движения, а при обнаружении неисправности сооружения или устройства, угрожающей безопасности движения, кроме того, немедленно принимать меры к ограждению опасного места и устранению неисправности.
13. Каждый работник узкоколейных железных лесовозных дорог должен соблюдать инструкции и правила по технике безопасности и производственной санитарии, утвержденных для выполняемой им работы. Каждый работник узкоколейной железной дороги на своем участке работы несет полную ответственность за выполнение требований по охране труда и технике безопасности в соответствии с действующими руководящими нормативно-техническими документами.
14. Каждый работник, поступающий на узкоколейный железнодорожный лесовозный транспорт, обязан сдать испытания и знать:
настоящие Правила технической эксплуатации;
инструкцию по сигнализации;
инструкцию по движению поездов;
должностную инструкцию;
инструкцию по охране труда для конкретного рабочего места или по должности.
15. При поступлении на работу, а в дальнейшем периодически каждый работник железнодорожного лесовозного транспорта должен подвергаться проверке знаний установленных правил и обязанностей, знаний на практической работе, а также выполнения им обязанностей по занимаемой должности.
Испытания проводит комиссия под председательством начальника дороги или начальника (мастера) соответствующей службы. Каждый работник, выдержавший приемные и повторные испытания, должен получить удостоверение, выданное начальником дороги с указанием результатов проверки.
16. Лица, поступающие на должности, связанные с движением подвижного состава по узкоколейной железной лесовозной дороге, должны пройти медицинское освидетельствование для определения годности их к выполнению соответствующей работы.
Медицинское освидетельствование должно проводиться в соответствии с действующим списком производств и профессий, работники которых подлежат предварительному при поступлении на работу и периодически медицинским осмотрам, утвержденным Министерством здравоохранения СССР.
17. Лица моложе 18 лет не допускаются к занятию следующих должностей, непосредственно связанных с движением подвижного состава: машинистов локомотивов и их помощников, водителей автодрезин, диспетчеров, дежурных по станциям и постам, кондукторов, составителей поездов, сцепщиков вагонов, сигнальщиков, стрелочников, дорожных, мостовых и тоннельных мастеров, бригадиров пути, обходчиков, дежурных по переездам, электромехаников и монтеров по обслуживанию устройств СЦБ и связи; осмотрщиков вагонов; вагонных мастеров; осмотрщиков-автоматчиков; мастеров, бригадиров и монтеров контактной сети; дежурных у щитов тяговых подстанций и распределительной сети.
18. К управлению локомотивами допускаются лица, сдавшие теоретические и практические испытания на право управления локомотивом.
Право управления локомотивом может быть предоставлено только после работы на локомотиве в качестве помощника машиниста при пробеге локомотива не менее 20 000 км.
19. Запрещается допускать в помещения к локомотивам, механизмам и другим устройствам, связанным с обеспечением движения лиц, не имеющих права доступа к ним.
Управлять локомотивами и сигналами, а также приводить в действие стрелки, аппараты, механизмы и другие устройства, связанные с обеспечением движения, имеют право только уполномоченные на это работники, находящиеся на дежурстве.
Работники железнодорожного транспорта, проходящие в установленном порядке стажировку в качестве вторых лиц, могут допускаться к управлению локомотивами, стрелками, аппаратами и механизмами только под личную ответственность и под наблюдением работников, непосредственно обслуживающих эти устройства.
20. Работники, оказавшиеся при исполнении служебных обязанностей в нетрезвом виде, немедленно отстраняются от работы и привлекаются к ответственности.
21. Каждый работник узкоколейной железной лесовозной дороги после изучения настоящих Правил, должен дать письменное обязательство о беспрекословном и четком их выполнении.
22. Нарушение настоящих Правил технической эксплуатации узкоколейных железных лесовозных дорог работниками железнодорожного транспорта влечет за собой в зависимости от степени и характера нарушения дисциплинарную или судебную ответственность в соответствии с законодательством.
23. Контроль за выполнением Правил технической эксплуатации узкоколейных железных лесовозных дорог всеми работниками железнодорожного транспорта возлагается на начальствующий состав дороги по кругу возложенных на них обязанностей.
ЖЕЛЕЗНОДОРОЖНЫЕ СООРУЖЕНИЯ И УСТРОЙСТВА И ИХ СОДЕРЖАНИЕ
24. Все сооружения и устройства узкоколейных железных лесовозных дорог должны содержаться в постоянной исправности.
Лица, ответственные за их содержание, должны предупреждать появление неисправностей и обеспечивать высокое качество ремонта и длительный срок службы.
25. Сооружения и устройства должны соответствовать утвержденной проектной документации и техническим условиям. Сооружения, устройства, механизмы и оборудование должны иметь технические паспорта с техническими и эксплуатационными характеристиками.
Изменения в конструкции сооружений и устройств допускаются только с разрешения лиц, имеющих право утверждать проектную документацию на эти сооружения и устройства.
ПОРЯДОК СДАЧИ И ПРИЕМКИ В ЭКСПЛУАТАЦИЮ
ЖЕЛЕЗНОДОРОЖНЫХ СООРУЖЕНИЙ И УСТРОЙСТВ
26. Вновь построенные, реконструированные и капитально отремонтированные железнодорожные пути, сооружения и устройства сдаются в постоянную эксплуатацию при наличии утвержденной технической документации, устанавливающей порядок их работы (технико-распорядительные акты, инструкции по работе и др.), и после приемки сооружений и устройств приемочными комиссиями с участием технического инспектора труда профсоюза.
Построенные усы после проверки качества строительства и соответствия их техническим требованиям принимаются в эксплуатацию комиссией предприятия (леспромхоза) с обязательным участием представителя профсоюзной организации.
27. Ни одна часть сооружений и устройств, расположенных у железнодорожного пути, не должна заходить внутрь установленного габарита приближения строений.
28. Габаритом приближения строений и подвижного состава на узкоколейных железных лесовозных дорогах является габарит
(приложение 1), установленный
ГОСТ 9720-76.
Этот габарит применяется:
на эксплуатируемых узкоколейных железных лесовозных дорогах;
при строительстве новых железных дорог, сооружений, устройств и постройке и модернизации подвижного состава колеи 750 мм;
при переустройстве существующих узкоколейных железных лесовозных дорог.
29. Расстояние между осями путей на станциях и раздельных пунктах на прямых участках пути в соответствии с
ГОСТ 9720-76 должно быть не менее приведенного в
табл. 1.
Наименование путей | Расстояние между осями смежных путей, м |
узкой колеи | узкой и нормальной колеи |
Главные и смежные с ними пути | 4 | 4,7 |
Сортировочные пути и пути парков приема и отправления поездов | 3,8 | 4,3 |
Запасные станционные пути, пути парков стоянки подвижного состава или вагонов, ожидающих ремонта, пути на молах, пристанях, в портах и гаванях | 3,6 | 4,1 |
Пути для перегрузки из вагона в вагон (при одинаковом уровне путей): | | |
при перегрузке мелких грузов вручную | 2,8 | 3,2 |
при перегрузке крупных грузов | 2,8 | 3,6 |
То же, при разных уровнях путей (при одинаковом уровне пола вагона) | - | 3,2 |
Главный и вытяжной пути | 4,0 | - |
Шлакоуборочные или ремонтные пути | 5,2 | - |
Примечания: 1. Расстояния между осями путей указаны при свободных междупутьях. При наличии на междупутьях каких-либо устройств и сооружений (платформ, сигнальных устройств, опор мостиков, гидравлических колонок и др.) расстояния между осями увеличиваются с обеспечением нормального габарита приближения строений.
2. При механизации погрузки и разгрузки расстояние между осями путей увеличивается в зависимости от конструкции применяемых механизмов.
3. На внутризаводских путях, предназначенных только для специального подвижного состава, междупутные расстояния определяются по специальным техническим условиям.
30. Горизонтальное расстояние на кривых между осями смежных путей и между осью пути и габаритом приближения строений на перегонах и станциях принимаются в зависимости от радиуса кривых по нормам, установленным
ГОСТ 9720-76.
31. Расстояния между осями путей внутри локомотивных и вагонных депо и других технических зданий устанавливаются техническими условиями на проектирование этих зданий.
32. Выгруженные или подготовленные к погрузке около пути грузы должны быть уложены и закреплены так, чтобы габарит приближения строений не нарушался.
Ответственность за состояние габарита на пунктах погрузки и формировочных пунктах несет мастер лесозаготовок.
33. Ширина полосы отвода земли под железную дорогу должна быть достаточной для размещения земляного полотна, резервов, кавальеров, водоотводных канав, раздельных пунктов, переездов, зданий, путепроводов и других сооружений.
В местах, подверженных снежным заносам, ширина полосы отвода земли назначается с учетом устройства постоянных ограждений, установки переносных щитов и насаждения снегозащиты.
34. Запрещается:
пасти скот в пределах полосы отвода и оставлять его без надзора на расстоянии до 300 м от железнодорожного пути;
портить железнодорожное полотно и сооружения, путевые знаки насаждения в полосе отвода и снегозащитные устройства;
самовольно (без разрешения руководителя транспорта предприятия) занимать в полосе отвода железной дороги участки земли под огороды, сараи, склады грузов и другие сооружения.
35. Железнодорожный путь состоит из земляного полотна, искусственных сооружений и верхнего строения пути. Для пропуска через железнодорожные пути автогужевого транспорта, лесосечных и других машин устраиваются переезды с соответствующей сигнализацией.
36. Вдоль железнодорожного пути устанавливают путевые и сигнальные знаки и при необходимости сооружают путевые здания.
37. Все элементы железнодорожного пути по прочности, устойчивости и состоянию должны обеспечивать безопасное и плавное (без толчков) движение поездов с установленными максимальными скоростями.
38. Пути узкоколейных железных лесовозных дорог в отношении радиусов кривых, сопряжения прямых и кривых, крутизны уклонов и сопряжения элементов профиля между собой в вертикальной плоскости должны соответствовать Инструкции по проектированию железных дорог колеи 750 мм (СН 251-78) и утвержденным техническим проектам плана и профиля линии.
39. Станции, разъезды, долговременные погрузочные пункты и формировочные пункты должны располагаться на прямых и горизонтальных площадках или уклонах и кривых согласно Инструкции по проектированию железных дорог колеи 750 мм (СН 251-78) и Инструкции по проектированию лесозаготовительных предприятий с обязательным соблюдением всех мер от самопроизвольного ухода подвижного состава на перегон.
40. Примыкание к узкоколейным железным лесовозным дорогам путей (веток) других предприятий должно производиться в соответствии с требованиями настоящих Правил технической эксплуатации и Инструкции по проектированию железных дорог колеи 750 мм (СН 251-78).
41. Земляное полотно является одним из основных элементов железнодорожного пути. Земляное полотно и балластная призма должны иметь форму и размеры согласно утвержденным поперечным профилям (СН 251-78).
42. Земляное полотно должно иметь следующие водоотводные устройства:
в выемках - кюветы, а в необходимых случаях лотки, банкетные и напорные канавы;
у насыпей - резервы и канавы (из резервов должен быть обеспечен отвод воды в пониженное место к ближайшим водопропускным сооружениям в сторону от полотна);
дренажные устройства и сооружения (в необходимых случаях);
водоотводные, защитные и укрепительные устройства и сооружения должны обеспечить содержание земляного полотна в исправном состоянии, полную его устойчивость и исправность.
43. Бровка насыпи на поймах рек и верх незатопляемых дамб должны быть подняты над расчетным горизонтом с учетом высоты волны, подпора и поверхностного уклона водотока не менее чем на 0,3 м. Откосы насыпей должны быть укреплены фашинником, камнем (наброской) или быть замощенными.
44. Надзор за исправным содержанием всех водоотводных, защитных и укрепительных устройств возлагается на дорожного мастера.
За каждым ненадежным местом земляного полотна приказом начальника дороги должен быть установлен специальный, особо тщательный надзор и уход, обеспечивающий безопасность и непрерывность движения поездов.
45. Искусственные сооружения (мосты, виадуки, трубы, лотки, эстакады, тоннели, путепроводы, а также подпорные стенки) служат для прокладки железнодорожных линий через реки, суходолы, болотистые, низменные места и в горных условиях.
Мосты и другие искусственные сооружения по конструкции и своему состоянию должны обеспечивать безопасный пропуск поездов с установленной скоростью.
46. Во избежание повреждения мостов и труб, подмыва опор или размыва насыпей высокими водами предусматриваются защитные и струенаправляющие сооружения.
У мостов, построенных через реки с интенсивным ледоходом, кроме устройств льдозащитных ограждений мостовых опор, во избежание образования заторов льда в период весеннего ледохода организуется наблюдение за льдом, регулирование и принудительный пропуск его под мостом.
47. Искусственные сооружения должны тщательно предохраняться от вредных атмосферных влияний, а их деревянные части от гниения и возгорания.
Искусственные сооружения должны быть обеспечены противопожарными средствами и приспособлениями для осмотра.
48. Мосты длиной по настилу более 10 м, мосты в пределах станций, а также мосты при высоте насыпи более 4 м независимо от их длины должны иметь тротуары и перила.
49. Для систематического контроля за состоянием искусственных сооружений начальником службы пути (дорожным мастером) ведутся специальные книги.
50. Все искусственные сооружения должны находиться под наблюдением начальника службы пути и сооружений, мостовых и дорожных мастеров, бригадиров пути и обходчиков. Результаты периодического контроля за состоянием искусственных сооружений заносятся в журнал.
Перечень особо ответственных искусственных сооружений и порядок надзора за ними утверждаются начальником дороги.
51. Верхнее строение пути состоит из балласта, шпал, рельсов, скреплений, противоугонных устройств, а также стрелочных переводов, мостовых и переводных брусьев.
52. Верхнее строение пути по прочности и устойчивости должно соответствовать типу подвижного состава, обращающегося по дороге, и обеспечивать движение поездов с установленными скоростями.
53. При устройстве и содержании пути различаются приемочные и эксплуатационные допуски. Требованиям приемочных допусков путь должен удовлетворять при его сдаче после постройки, среднего и капитального ремонтов. Эксплуатационные нормативы содержания применяются при текущем содержании пути. Их превышение недопустимо.
54. Ширина железнодорожной колеи между внутренними гранями головок рельсов на прямых участках пути должна быть 750 мм. Ширина железнодорожной колеи на кривых устанавливается в зависимости от радиуса кривой и должна быть:
радиус кривой, м ......... 201 и более от 200 до 101 100 и менее
ширина колеи, мм ......... 750 755 760
Приемочные допуски по ширине колеи на прямых и на кривых участках пути составляют по уширению до 4 мм (по усам до 6 мм) и по сужению до 2 мм. Эксплуатационные допуски по ширине колеи не должны превышать по уширению 6 мм и по сужению 4 мм. Отводы ширины колеи в пределах допусков должны быть плавными и не превышать 2 мм на 1 м пути.
55. Верх головок рельсов обеих нитей пути на прямых участках должен быть на одном уровне.
Приемочные допуски отклонения от горизонтального уровня расположения рельсовых нитей на прямых и от установленных норм возвышения наружной нити над внутренней на кривых составляют до 3 мм, а на усах не более 15 мм.
Эксплуатационные допуски не должны превышать 6 мм, на усах 15 мм.
56. На прямых участках рельсовая колея в плане должна быть прямолинейной. Наибольшее допускаемое боковое искривление (максимальная величина стрелы изгиба), измеренное в миллиметрах, численно не должно превышать общей длины извилины, измеренной в метрах. При использовании сварных рельсов требования к боковому искривлению устанавливаются Инструкцией по строительству и содержанию верхнего строения пути лесовозных железных дорог колеи 750 мм, уложенного длинными рельсами.
57. Местные просадки рельсовой колеи могут допускать уклон отвода неровности не более 1 - 2 мм на 1 м длины (приемочные допуски). Эксплуатационные допуски уклона отвода вертикальной неровности пути не должны превышать

(не более 6 мм в середине 2-метровой рейки).
58. Возвышение наружного рельса на кривых участках пути устанавливается в зависимости от радиуса данной кривой и скорости движения поездов по ней
(табл. 2).
Радиус кривой, м | Возвышение наружного рельса, мм, при наибольшей скорости, км/ч |
15 | 20 | 25 | 30 | 35 | 40 | 50 |
1000 | - | - | - | 5 | 5 | 10 | 15 |
800 | - | - | 5 | 5 | 5 | 10 | 20 |
700 | - | - | 5 | 5 | 10 | 15 | 20 |
600 | - | 5 | 5 | 10 | 10 | 15 | 25 |
500 | - | 5 | 5 | 10 | 10 | 15 | 30 |
400 | - | 5 | 5 | 10 | 10 | 20 | - |
300 | 5 | 5 | 10 | 15 | 20 | 25 | - |
250 | 5 | 10 | 15 | 20 | 25 | 35 | - |
200 | 5 | 10 | 15 | 20 | 30 | 40 | - |
150 | 5 | 15 | 20 | - | - | - | - |
100 | 10 | 15 | - | - | - | - | - |
80 | 15 | - | - | - | - | - | - |
60 | 20 | - | - | - | - | - | - |
Примечания: 1. Начальникам дорог в зависимости от характера движения разрешается изменять размеры возвышений в пределах 25%.
2. Наибольшая допускаемая скорость движения поездов для каждого участка устанавливается начальником дороги в зависимости от типа локомотива и состояния пути.
59. Отвод возвышения наружного рельса производится плавно на всем протяжении переходной кривой, а при ее отсутствии на прямой с уклоном

; увеличение уклона отвода в стесненных условиях допускается с разрешения начальника дороги, но не свыше

. В начале круговой кривой должно быть полное возвышение наружного рельса.
60. При расположении станции на кривой возвышение на главных путях делается в зависимости от установленных в пределах станции скоростей движения поездов. На прочих станционных путях, а также на переводных кривых стрелочных переводов возвышение наружного рельса не производится.
61. Путь на кривых участках на всем протяжении должен иметь плавное закругление, соответствующее установленному радиусу. Отклонение в величине радиуса одной и той же круговой кривой при промерах в различных точках с хордой 10 м допускается не больше 10%.
62. Рельсы на прямых участках пути должны иметь наклон относительно шпал (подуклонку) внутрь колеи, равный 1/20. На кривых участках пути при возвышении рельса до 25 мм наклон внутреннего рельса должен быть равным 1/20, а при возвышении наружного более 25 мм подуклонка внутреннего рельса должна быть равной 1/15.
63. Начальник службы пути и сооружений, дорожные мастера и бригадиры пути должны иметь утвержденные чертежи верхнего строения пути, нормы и инструкции по содержанию пути.
64. Верхнее строение пути на перегонах и станциях должно содержаться без перекосов и просадок, с исправными шпалами, рельсами, скреплениями, противоугонными устройствами и балластом согласно утвержденным чертежам и нормам.
65. Рельсы на магистральных участках пути рекомендуется сваривать в плети, в том числе и в кривых при радиусах 100 м и больше.
Длина сварных плетей устанавливается в зависимости от температурной амплитуды рельсов и должна быть не больше:
температурная амплитуда рельсов, °C .... 60 - 70 71 - 80 81 - 100
длина рельсовых плетей, м ................ 40 32 24
66. Стрелочные переводы должны соответствовать утвержденным чертежам и типу рельсов, уложенных в пути, и иметь крестовины марок, соответствующих Инструкции по проектированию железных дорог колеи 750 мм (СН 251-78).
67. Стрелочные переводы должны особенно тщательно содержаться по уровню и шаблону с точным соблюдением допусков износа отдельных частей переводов.
68. Запрещается держать в пути стрелочные переводы, имеющие хотя бы одну из следующих неисправностей:
разъединение стрелочных остряков;
отставание остряка от рамного рельса на 3 мм и более, измеренное против первой от остряка тяги;
выкрашивание остряка, при котором создается опасность набегания гребня, и во всех случаях, когда выкрашивание составляет более 50 мм, считая с начала остряка;
понижение остряка против рамного рельса более чем на 2 мм, измеряемое в месте начала вертикальной остружки головки остряка;
излом остряка или рамного рельса;
излом крестовины (сердечника, усовиков);
разрыв хотя бы одного контррельсового болта;
если расстояние между рабочим кантом сердечника крестовины и рабочей боковой поверхностью головки контррельса менее 716 мм, а расстояние между рабочими гранями контррельса и усовика более 680 мм;
неплотное прилегание упорных болтов к рамному рельсу до 1 мм и зазор между башмаком и подошвой рельса свыше 1 мм.
69. Укладка и снятие стрелочных переводов на перегонах, станциях и складах производятся по распоряжению начальника дороги.
70. Нормальное положение стрелок, номера стрелок, подлежащих запиранию, места хранения ключей от этих замков и связь стрелок с сигналами должны быть указаны в технико-распорядительном акте каждой станции.
71. Стрелки ручного действия, расположенные на путях, по которым производится прием и отправление поезда, должны быть оборудованы приборами, позволяющими запирать их.
72. Контрольными стрелочными или висячими замками оборудуются стрелки:
расположенные на путях, по которым производится прием и отправление поездов;
дающие возможность выхода подвижного состава с других путей на путь, по которому следует поезд (охранные);
ведущие на путь стоянки вагонов с разрядными грузами (боеприпасы, взрывчатые и ядовитые вещества), а также со сжатым и сжиженным газами;
ведущие на пути стоянки восстановительных и пожарных поездов;
ведущие в предохранительные и улавливающие тупики;
примыкания подъездных путей на перегонах к главным и приемо-отправочным путям на станциях.
Наиболее ответственные стрелки приводятся в зависимость с сигналами.
73. Стрелки должны быть снабжены стрелочными указателями. Разделение стрелочных указателей на освещаемые и неосвещаемые устанавливается технико-распорядительным актом.
74. Вновь укладываемые и переустраиваемые стрелочные переводы на раздельных пунктах и на перегонах передаются работниками службы пути в эксплуатацию по акту после приемки их начальником станции или другим работником, назначенным начальником дороги.
75. Стрелочные переводы на станционных путях находятся в распоряжении начальника станции или лица его замещающего. Начальник станции (или лицо его замещающее) обязан обеспечить содержание стрелочных переводов и стрелочных указателей в чистоте и исправности.
На необслуживаемых раздельных пунктах стрелочные переводы в исправном состоянии и чистоте содержит служба пути.
Стрелочные переводы на путях локомотивного, вагонного, путевого и других хозяйств находятся в распоряжении начальников соответствующих служб, которые обязаны содержать их в исправности и чистоте.
Стрелочные переводы примыканий путей на станции, переданных в ведение других служб и организаций, находятся в распоряжении начальника станции.
Все виды ремонта и текущее содержание стрелочных переводов, а также установка стрелочных указателей производятся службой пути и сооружений, а ремонт и содержание устройств СЦБ на стрелочных переводах - службой движения или СЦБ и связи.
ПЕРЕЕЗДЫ, ПЕРЕСЕЧЕНИЯ И ПРИМЫКАНИЯ ЖЕЛЕЗНЫХ ДОРОГ
76. Места пересечений узкоколейных железнодорожных путей автогужевыми дорогами (переезды) предусматриваются проектом. Дополнительные (при необходимости) пересечения устраиваются с разрешения начальника дороги.
Проезд автотранспорта и самоходных машин, а также прогон скота через пути в неустановленных местах запрещается. Наблюдение за этим возлагается на работников пути, а на станциях, кроме того, на работников станций.
77. Переезды в зависимости от интенсивности движения поездов и автотранспорта, а также условий видимости могут быть охраняемые и неохраняемые. Перечень охраняемых на дороге переездов утверждается директором леспромхоза; порядок охраны переездов устанавливается начальником дороги.
78. Охраняемые переезды должны иметь шлагбаумы с сигналами на них, которые должны освещаться в темное время, а также во время тумана, метелей и при других неблагоприятных условиях, понижающих видимость.
Нормальное положение шлагбаумов на охраняемых переездах - закрытое. В отдельных случаях на переездах с большим автогужевым движением приказом начальника дороги может быть установлено открытое нормальное положение шлагбаумов.
79. Переезды должны быть оборудованы предупредительными знаками "Берегись поезда" и иметь типовой настил и подъезды, огражденные столбиками или перилами. При большом движении переезды оборудуются автоматической сигнализацией и телефонной связью.
80. Провоз по переездам особо тяжелых и громоздких грузов (локомобилей, паровых котлов, крупного заводского оборудования и др.) допускается только с разрешения в каждом отдельном случае начальника дороги. Провоз таких грузов через переезд производится под наблюдением дорожного мастера или бригадира пути.
81. Пересечения железных дорог другими железнодорожными путями, а также троллейбусными линиями допускаются по согласованию с соответствующими организациями в установленном порядке.
82. Пересечения железных дорог с линиями электропередачи и связи, нефтепроводами, газопроводами и другими наземными, надземными и подземными устройствами и сооружениями должны осуществляться в соответствии с требованиями нормативных документов по проектированию этих устройств и сооружений. При этом должны быть предусмотрены предохранительные устройства, обеспечивающие безопасность и бесперебойность движения.
83. Устройство сплетений главных и приемо-отправочных путей с образованием трех- или четырехниточного пути может допускаться только с разрешения вышестоящей организации.
Сплетения на прочих станционных путях производятся с разрешения начальника дороги.
84. Примыкания ответвлений к главным путям на перегонах и станциях, а на станциях к приемо-отправочным путям должны иметь для предупреждения ухода подвижного состава на главный или приемо-отправочные пути предохранительные тупики полезной длиной не менее 25 м.
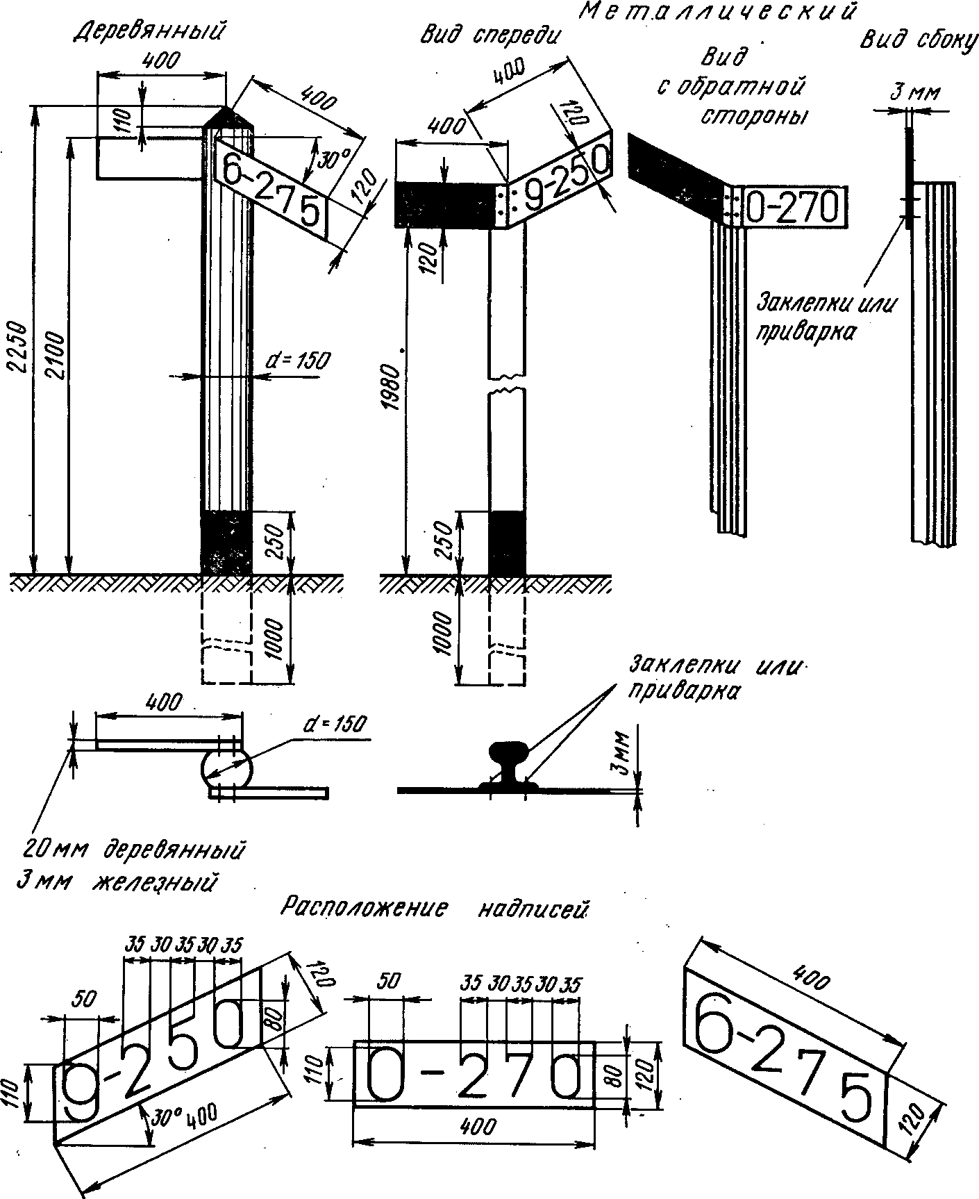
ПУТЕВЫЕ И СИГНАЛЬНЫЕ ЗНАКИ
85. Вдоль магистралей и веток железной дороги, а в отдельных случаях и вдоль усов устанавливаются и поддерживаются в полном порядке следующие постоянные путевые и сигнальные знаки:
путевые знаки:
километровые и пикетные;
начала и конца кривых;
уклоноуказательные;
границ дистанций пути, околотков, рабочих отделений;
предельные столбики;
сигнальные знаки:
оповестительные щиты;
места укладки петард перед входными сигналами;
предупредительные для машинистов - о подаче свистка, в местах,
где при неплавном ведении поезда возникает опасность обрыва,
о местах остановки локомотивов для набора воды и топлива,
у пассажирских платформ.
Кроме постоянных сигнальных знаков устанавливают временные сигнальные знаки для снегоочистителей.
Для указания границ железнодорожной полосы отвода используются особые знаки.
86. Место установки путевых и сигнальных знаков, а также технические условия на их изготовление указаны в
приложении 2.
87. Служебные и жилые здания для всех служб размещают, как правило, в ближайшем к дороге поселке предприятия.
Жилые дома мастеров, бригадиров и путевых рабочих, а также помещения для хранения инвентаря и инструмента размещают на раздельных пунктах вблизи дороги или в других местах по проекту, утверждаемому директором предприятия.
УСТРОЙСТВО И СОДЕРЖАНИЕ УСОВ
88. Временные пути (усы) могут быть сооружены без устройства земляного полотна и балластировки.
В зависимости от грунтовых и гидрологических условий рекомендуются следующие способы устройства основания пути.
Грунтовые и гидрологические условия | Способ устройства основания под путевую решетку |
Песчаные и каменистые грунты, сухие и влажные минеральные грунты на водоразделах и склонах с обеспеченным водоотводом | Путевая решетка укладывается непосредственно на спланированное основание с подбивкой местным грунтом |
Минеральные переувлажненные грунты в низинах с замедленным стоком | Сохранение растительного и гумусного слоя, укладка выстилки из мелколесья и порубочных остатков, продольные лаги в 4 нитки |
Торфяные болота с плотным заполнением до дна | Поперечный настил из тонкомерной древесины или из мелколесья и продольные лаги в 4 нитки |
Болота без плотного торфяного слоя, а также места перехода через водотоки и лога | Клетки в три и более яруса в зависимости от осадки, глубины стояния воды и требуемой высоты. Элементы клетки в местах пересечения врубаются. При звеньевой укладке путевой решетки верхние прогоны в 4 нитки делаются пластинчатые |
Продольные лаги укладываются только под концы шпал.
Временные пути зимнего действия могут быть уложены на снежном основании толщиной не более 20 см под шпалой и подбиты снегом.
89. Временные пути, как правило, должны укладываться звеньями механизированным способом.
Звенья изготавливают из рельсов не легче Р18, 12 шт. шпал на 8-метровое звено (1500 шт. шпал на 1 км), шпалы пиленые, пластинчатые длиной 180 см из любых древесных пород (кроме ольхи) и, как правило, должны быть пропитаны антисептиками.
При укладке и разборке пути раздельным способом (без путеукладочных механизмов) допускают укладку круглых шпал длиной 2 м и более.
90. Звенья для укладки на временные пути шьют шириной колеи 755 мм без подуклонки рельсов.
91. Трасса для уса должна прокладываться путем простейших инструментальных изысканий и составления сокращения продольного профиля.
92. Дорожная просека должна быть не менее 5 м. На полосе укладки звеньев шириной 2 м мелкие деревья (диаметром у пня до 20 см) срезают заподлицо, с землей, а крупные деревья валить с пнем (репкой). Вся древесина с дорожной просеки должна убираться. При этом следует сохранять растительный и гумусный слой и корневую систему древостоя. Нарушенные места следует спланировать и покрыть порубочными остатками и мелколесьем с тем, чтобы деревянные элементы строения пути (лаги и шпалы) не касались увлажненного минерального грунта.
93. Профиль временного пути должен быть плавным без резких переломов.
Продольный профиль на временных путях выравнивают укладкой под лаги поперечин разной толщины или устройством клеток.
Прямые участки пути должны укладывать без извилин. Кривые должны быть плавные, без углов на стыках. На стыках допускают установку рубок длиной 100 мм с креплением одним болтом для компенсации забега внутренней нитки рельса.
94. Состояние временного пути должно обеспечивать пропуск поездов в соответствии с планом-графиком.
95. Вновь уложенные временные пути вводятся в эксплуатацию после готовности их к движению поездов и приемки начальником службы пути.
96. На усах укладывают стрелочные переводы с крестовинами марки не круче 1/7 из рельсов Р18.
Стрелочный перевод, уложенный на временный путь, ограждают предупредительными знаками согласно указаниям "Инструкции по сигнализации".
97. Для предупреждения от повреждения временных путей при движении через них трелевочных, погрузочных и других машин устраивают временные переезды в местах, установленных руководством предприятия. Переезд временного пути вне устроенных переездов запрещается.
98. Засорение временных путей на погрузочных площадках порубочными остатками и другими отходами лесоматериалов запрещается.
99. Запрещается при разборке временных путей оставлять на трассе шпалы и подкладочный материал.
СОДЕРЖАНИЕ СООРУЖЕНИЙ И УСТРОЙСТВ ПУТЕВОГО ХОЗЯЙСТВА
100. Текущее содержание пути и сооружений в исправном состоянии является основой ведения путевого хозяйства. Главной задачей текущего содержания пути и сооружений является предупреждение появления неисправностей и обеспечение длительных сроков службы всех элементов пути.
Неисправности пути и причины, их вызывающие, должны быть немедленно устранены. Работы по текущему содержанию и ремонту пути должны быть максимально механизированы.
101. План, порядок, сроки периодических ремонтов пути, технологические процессы и нормы по ремонту и содержанию пути проводятся в соответствии с утвержденным Министерством лесной и деревообрабатывающей промышленности СССР Положением о проведении планово-предупредительных ремонтов верхнего строения пути, земляного полотна и искусственных сооружений узкоколейных железных лесовозных дорог (г. Архангельск, 1975).
102. Начальник службы пути и сооружений, дорожные и мостовые мастера и бригадиры (старшие рабочие) являются ответственными за бесперебойность и безопасность движения поездов. Они обязаны знать состояние пути и сооружений, систематически проверять их и обеспечивать высокое качество ремонта и содержания.
Особое внимание при этом должно быть обращено на содержание в постоянной исправности стрелочных переводов, кривых участков пути, путей на мостах и подходах к ним.
103. Начальник дороги совместно с начальником службы пути и сооружений и дорожным мастером должны не реже одного раза в квартал лично проверять состояние мостов, неустойчивых мест земляного полотна, правильность положения кривых, величину радиусов, возвышение наружных нитей рельсов, переходных кривых и правильное состояние колеи по шаблону и уровню. Результаты осмотра оформляют приказом с указанием мероприятий по устранению неисправностей.
104. Дорожный мастер отвечает за исправное содержание пути, земляного полотна, искусственных сооружений и всех устройств, находящихся в его ведении. Он обязан знать детально состояние пути и всех сооружений, изучать причины появления неисправностей, своевременно устранять и предупреждать их возникновение. Дорожный мастер обязан не реже одного раза в две недели проверять состояние пути и сооружений на своем участке, на основе осмотра планировать и руководить работой бригадиров пути и путевых обходчиков, обеспечивая высокое качество выполняемых путевых работ, текущего содержания пути и безопасность движения поездов.
105. Бригадир пути (старшие рабочие) должен непосредственно руководить работой бригады и не реже одного раза в неделю подробно осматривать путь в пределах рабочего отделения.
106. Мостовой мастер (где его нет - начальник службы пути и сооружений или дорожный мастер) обязан содержать мосты, трубы, лотки в полном порядке и технической исправности и особенно вести наблюдение за проезжей частью и опорами мостов, водоотводными сооружениями, а также за изменением русел, течением рек у мостов и состоянием предохраняющих сооружений.
107. Путевой обходчик, осматривая путь согласно графику обхода, утвержденному начальником дороги, обязан обеспечивать бесперебойное и безопасное движение поездов, своевременно предупреждать расстройства пути, а в случае их обнаружения немедленно устранять те, которые не требуют участия более одного человека. Об остальных неисправностях путевой обходчик обязан сообщить дорожному мастеру. Места, опасные для движения поездов, обходчик должен немедленно ограждать сигналами.
108. Дежурный по охраняемому переезду должен обеспечивать безопасное движение поездов и автогужевого транспорта на переезде. Он обязан содержать переезд в постоянной исправности и чистоте, знать расписание движения поездов, своевременно закрывать переезд для пропуска поездов и ограждать переезд сигналами. В случае возникновения препятствий дежурный по переезду обязан оградить переезд сигналами остановки и идти навстречу приближающемуся поезду, подавая необходимые сигналы.
СООРУЖЕНИЯ И УСТРОЙСТВА ЛОКОМОТИВНОГО И ВАГОННОГО ХОЗЯЙСТВ
109. Основными сооружениями и устройствами локомотивного и вагонного хозяйств являются локомотивное депо, вагоноремонтное депо (сарай), экипировочные и поворотные устройства, устройство водоснабжения, электросилового хозяйства и освещения, пункты технического осмотра.
110. Локомотивное депо должно обслуживать локомотивы, работающие на дороге.
Депо должно строиться по типовым проектам, иметь освещение, отопление, вентиляцию, водоснабжение, канализацию, грузоподъемное оборудование, смотровые канавы, соответствующие пути и располагаться в непосредственной близости к механическим мастерским леспромхоза (предприятия).
111. В локомотивном депо осуществляются:
технические и профилактические осмотры локомотивов;
периодические и подъемочные ремонты тепловозов, мотодрезин и путевых машин.
Примечание. Капитальный ремонт локомотивов и путевых машин и двигателей к ним, как правило, должны проводиться на предприятиях заводского типа или в специальных ремонтно-механических мастерских.
112. К экипировочным устройствам относятся склады, оборудование и устройства для снабжения локомотивов топливом, песком, водой и смазочными материалами; помещения для сушки песка, хранения смазочных, осветительных, подбивочных и других материалов, места и устройства для обмывки, чистки и осмотра локомотивов и соответствующее путевое развитие.
Деповские пути и экипировочные устройства должны обеспечивать наиболее быструю экипировку локомотивов, операции по сливу топлива и маневрам.
113. Станция и склады, где предусмотрен разворот локомотивов или вагонов, должны иметь поворотные устройства.
В депо и других пунктах экипировки поездов должна быть вода, в зимний период - горячая.
114. Железнодорожные устройства должны обеспечиваться электроэнергией. Все электрические установки и сети должны содержаться в полном соответствии с действующими техническими условиями, правилами и нормами.
115. Начальник службы подвижного состава обязан обеспечивать правильную безопасную эксплуатацию и содержание подвижного состава, повышать его оборачиваемость и другие технико-эксплуатационные показатели.
116. Начальник депо обязан: обеспечивать содержание всех деповских устройств и оборудования в состоянии, гарантирующем высокое качество ремонта подвижного состава; обеспечивать безопасные условия труда при ремонте; знать состояние всех устройств локомотивного хозяйства; систематически проверять и обеспечивать содержание всех устройств в постоянной готовности.
117. Основными устройствами вагонного хозяйства являются: вагоноремонтное депо, пункты технического осмотра и контрольные пункты автотормозов.
118. Вагоноремонтные депо предназначены для производства среднего, годового и текущего ремонтов лесовозных сцепов, платформ, грузовых и пассажирских вагонов и других вагонов.
Капитальные ремонты вагонов, как правило, должны проводиться на предприятиях заводского типа или в специальных ремонтно-механических мастерских.
119. Пункт технического осмотра предназначается для производства текущего безотцепочного ремонта вагонов, ухода за буксами и тормозами, а также для экипировки вагонов пассажирских составов.
120. Контрольные пункты для осмотра автотормозов служат для проверки, испытания действия и ремонта автоматических тормозов в поездах, ремонта воздухораспределителей и других частей автотормозного оборудования.
121. Узкоколейные железные лесовозные дороги должны иметь на станциях размещения депо исправные восстановительные поезда, состоящие из одной-двух платформ, груженных рельсами, шпалами и подъемными механизмами (кран, домкраты, ручные лебедки, канаты, накатные башмаки и др.) для подъема подвижного состава при сходе с рельсов и оборудованные средствами для тушения пожара и предупреждения его распространения.
Перечень необходимого для восстановительного поезда оборудования, инвентаря и противопожарных средств определяется директором предприятия совместно с пожарной инспекцией.
122. Для правильной организации работы железной дороги на каждой станции в зависимости от объема и характера работы должны быть следующие устройства станционного хозяйства:
путевое развитие для приема, расформирования, формирования и отправления поездов и погрузочно-разгрузочных операций;
путевое развитие и устройства для обработки и ремонта вагонов и локомотивов;
станционные и стрелочные посты, устройства СЦБ и связи, а также будки охраняемых переездов;
служебно-технические и пассажирские здания и помещения;
пассажирские платформы;
устройства освещения и средства противопожарной безопасности и водоснабжения;
специально оборудованные погрузочно-разгрузочные платформы и площадки;
пункты технического осмотра подвижного состава.
Пассажирские остановочные пункты должны иметь платформы или спланированные пассажирские площадки, навесы или помещения для пассажиров.
Пассажирские платформы и площадки должны обеспечивать быструю, удобную и безопасную посадку и высадку пассажиров.
123. Пассажирские здания должны иметь:
помещения для пассажиров, отвечающие требованиям "Правил техники безопасности и производственной санитарии на лесозаготовках и лесном хозяйстве" и Инструкции по проектированию железных дорог колеи 750 мм (СН 251-78);
помещения для культурного и санитарно-гигиенического обслуживания пассажиров.
124. Служебные здания и помещения на станциях, которые предназначены для размещения работников, связанных с движением поездов (диспетчеров, дежурных по станции, работников связи и др.) и содержанием хозяйства дороги, должны обеспечивать удобные условия для работы.
125. Помещения станционных и стрелочных постов, а также будки охраняемых переездов должны быть оборудованы средствами связи, иметь необходимые сигналы, инвентарь, инструменты и материалы по нормам, установленным директором предприятия, а также устройства для освещения и отопления помещения.
126. Специальные погрузочно-разгрузочные платформы и площадки для перегрузки поступающих грузов на узкоколейную дорогу с других видов транспорта, а также с узкой колеи на другой вид транспорта должны иметь необходимый фронт погрузки и выгрузки, соответствующее путевое развитие, обеспечивающее быстрое и удобное производство грузовых операций с применением необходимых средств механизации.
СООРУЖЕНИЯ И УСТРОЙСТВА СИГНАЛИЗАЦИИ И СВЯЗИ
СИГНАЛИЗАЦИЯ, ЦЕНТРАЛИЗАЦИЯ И БЛОКИРОВКА (СЦБ)
127. На узкоколейных железных лесовозных дорогах применяют следующие виды сигнализации, централизации и блокировки:
сигналы;
путевую автоматическую и полуавтоматическую блокировку;
электрожезловую систему;
централизацию стрелок и сигналов;
диспетчерскую централизацию;
ключевую зависимость и контрольные замки;
станционную блокировку;
автоматическую переездную сигнализацию;
приборы путевого заграждения.
128. Сигналы служат для обеспечения безопасности движения, а также для четкой организации движения поездов и маневровой работы.
Сигналами дают указания локомотивным и поездным бригадам и другим работникам, связанным с движением при следовании поездов и маневровой работе.
129. Применяемые сигналы и порядок пользования ими устанавливаются "Инструкцией по сигнализации на узкоколейном железнодорожном транспорте предприятий лесной промышленности".
130. Сигналы на лесовозных железных дорогах бывают видимые и звуковые. Видимые сигналы подаются светофорами, семафорами, дисками, щитами, фонарями, флагами, факелами-свечами, сигнальными указателями (стрелочными указателями, указателями путевого заграждения) и сигнальными знаками. Звуковые сигналы подают рожками, ручными свистками, гудками и свистками локомотивов и автодрезин, колоколами и петардами.
131. Показания входных сигналов должны быть как днем, так и ночью отчетливо различимы с приближающегося поезда на расстоянии не менее длины расчетного тормозного пути плюс 100 м. В местах, где достигнуть такой видимости не представляется возможным, а также в районах с частыми туманами, метелями и другими неблагоприятными условиями, понижающими видимость сигналов, перед входными сигналами устанавливают предупредительные сигналы.
Предупредительные сигналы устанавливают от основного сигнала на расстоянии не менее длины расчетного тормозного пути.
Видимость предупредительных сигналов, а также основных сигналов, имеющих предупредительные сигналы, должна быть не менее 200 м.
132. Перед входными сигналами независимо от установки предупредительных сигналов устанавливаются оповестительные щиты.
133. Семафоры, светофоры и предупредительные диски устанавливаются с правой стороны по направлению движения поездов или над осью ограждаемого ими пути.
Сигналы по каждому пути должны устанавливаться так, чтобы их нельзя было принимать с поезда за сигналы, относящиеся к соседним путям.
134. Входные сигналы раздельного пункта должны быть установлены от первого входного стрелочного перевода на расстоянии не ближе 50 м, считая от остряка противошерстного или предельного столбика пошерстного стрелочного перевода.
Если на станции или разъезде предусматривается при маневрах вытягивание поезда на главную линию за выходные стрелки, расстояние входного сигнала от входного стрелочного перевода должно быть не менее длины поезда, принятого на дороге, плюс 20 м на неточность остановки состава. В конкретных затруднительных случаях это расстояние может быть определено комиссией с участием представителя охраны труда.
135. Стрелка ответвлений от главного пути на перегонах при наличии устройств электрожезловой системы должна быть связана с этими устройствами таким образом, чтобы изъятие жезла было возможно только при нормальном положении стрелки по главному пути.
136. Пересечения в одном уровне и сплетения железнодорожных линий должны ограждаться сигналами прикрытия, расположенными на расстоянии не менее 50 м от предельных столбиков. Эти сигналы должны быть так связаны между собой, чтобы открытие одного из них возможно было только при запрещающих показаниях враждебных сигналов.
137. Сигналы перекрытия пересечений и сплетений железнодорожных линий должны дополняться предупредительными сигналами.
138. Места установки постоянных сигналов определяет комиссия под председательством начальника дороги и утверждает главный инженер предприятия.
139. Освещение всех сигналов, в том числе и стрелочных указателей, должно обеспечивать ясную видимость показаний сигналов с поезда.
Ответственность за обеспечение своевременного и бесперебойного освещения сигналов возлагается:
светофоров - на начальников службы движения, сигнализации и связи;
семафоров, предупредительных дисков, маневровых щитов, стрелочных указателей, указателей приборов путевого заграждения и гидравлических колонок на станциях - на начальников станций или лиц их заменяющих; порядок освещения предупредительных дисков устанавливается приказом начальника дороги;
сигналов на путях локомотивного, вагонного, путевого и других хозяйств - на начальников соответствующих хозяйств;
постоянных дисков уменьшения скорости, а также семафоров прикрытия и предупредительных дисков, установленных для ограждения мест, проходимых с проводником (при отсутствии постов) - на начальников службы пути и сооружений.
Обеспечение электроэнергией всех устройств электроосвещения сигналов на станционных путях, питаемых от общих источников электроснабжения предприятия (леспромхоза) производится энергоотделом (электростанцией) предприятия.
140. Стекла и линзы, применяемые на сигналах, должны иметь окраску, соответствующую установленным стандартам и образцам.
141. В сигнализации, связанной с движением поездов, применяют следующие основные цвета:
красный, требующий остановки;
желтый, требующий уменьшения скорости;
зеленый, разрешающий движение с установленной скоростью.
ПУТЕВАЯ АВТОМАТИЧЕСКАЯ И ПОЛУАВТОМАТИЧЕСКАЯ БЛОКИРОВКИ
142. Устройство автоматической и полуавтоматической блокировки не должно допускать открытия выходного или проходного светофора или семафора до освобождения ограждаемого ими блок-участка (межпостового перегона).
143. На однопутных перегонах, оборудованных автоматической или полуавтоматической блокировкой, после открытия входного сигнала на станции должна быть исключена возможность открытия выходных и проходных сигналов соседней станцией для отправления поездов на этот же перегон в противоположном направлении.
Такая же взаимосвязь сигналов должна быть на двухпутных перегонах, оборудованных автоматической или полуавтоматической блокировкой для двустороннего движения по каждому пути.
144. При автоматической блокировке все светофоры должны автоматически закрываться при входе поезда (состава) на ограждаемые ими блок-участки, а также в случае нарушения целости рельсовых цепей этих участков.
В случае постоянного движения поездов (составов) вагонами вперед перекрытие светофора осуществляется после прохода светофора всем составом. При этом контроль целости рельсовых цепей этих участков обеспечивается при открытом светофоре до вступления головы состава за светофор, а затем исключается.
145. При автоматической и полуавтоматической блокировках на перегонах, где допускается подталкивание поездов или движение хозяйственных поездов с возвращением их или подталкивающих локомотивов на станцию отправления, должны применяться ключи-жезлы.
При наличии контроля рельсовых цепей на однопутном перегоне без промежуточных сигналов возвращение подталкивающего локомотива на станцию отправления разрешается без ключа-жезла.
146. На станциях, расположенных на линиях, оборудованных автоматической блокировкой, должны быть устройства:
не допускающие открытия входного светофора при маршруте, установленном на занятый путь, за исключением случаев, когда разрешается прием передаточных составов на свободную часть занятого пути;
обеспечивающее на аппарате управления контроль занятости путей и стрелок.
147. Устройства диспетчерского контроля за движением поездов на участках, оборудованных автоблокировкой, должны показывать диспетчеру занятость блок-участков, на станциях - занятость главных и приемо-отправочных путей, а также повторять показания входных и выходных светофоров.
148. Устройство электрожезловой системы не должно допускать изъятия из жезловых аппаратов одновременно более одного жезла, относящегося к данному перегону.
149. Установка жезловых аппаратов одной и той же серии допускается не чаще чем через три перегона.
150. Жезловые аппараты на перегонах, где допускается движение поездов вслед с разграничением их по времени, а также движение поездов с толкачами, следующими до соседней станции, должны быть обеспечены развинчивающими жезлами.
151. Жезловые аппараты для перегонов, где допускается подталкивание поездов с возвращением толкача с перегона обратно на станцию отправления, должны быть дополнены приборами с ключом-жезлом.
Конструкция жезлового аппарата не должна допускать извлечения из аппарата ключа-жезла до извлечения основной жезла.
152. Устройства централизации сигналов всех типов должны обеспечивать взаимное замыкание стрелок и сигналов, не допуская:
открытия сигналов, соответствующих данному маршруту, если стрелки не поставлены в надлежащее положение, а сигналы враждебных маршрутов не закрыты;
перевода входящей в маршрут стрелки или открытия сигнала враждебного маршрута при открытом сигнале, ограждающем установленный маршрут.
153. Приводы и замыкатели централизованных стрелок должны:
обеспечивать при крайних положениях стрелки плотное прилегание остряка к рамному рельсу;
не допускать замыкания стрелки при зазоре между прижатым остряком и рамным рельсам 3 мм и более.
Стрелочные рычаги и рукоятки на централизационных аппаратах должны отличаться от сигнальных окраской и формой.
КЛЮЧЕВАЯ ЗАВИСИМОСТЬ И КОНТРОЛЬНЫЕ ЗАМКИ
154. Устройства ключевой зависимости должны обеспечивать взаимное замыкание стрелок и сигналов посредством стрелочных и сигнальных контрольных замков.
155. Стрелочные контрольные замки должны:
допускать извлечение ключа только при запертой стрелке;
обеспечивать запирание стрелки только в положении, указанном на вытянутом из замка ключе, при условии плотного прилегания остряка к рамному рельсу;
не допускать возможности запирания стрелки при зазоре между прижатым остряком и рамным рельсом 3 мм и более.
156. Сигнальные контрольные замки не должны допускать извлечения ключа при открытом положении сигнала.
157. Не допускается применение стрелочных контрольных замков одной и той же серии в пределах одной станции.
158. Станционная блокировка должна обеспечивать:
контроль со стороны дежурного по станции за правильностью приготовления постами маршрутов приема и отправления поездов и внутристанционных маршрутов;
взаимное замыкание стрелок и сигналов, управляемых из разных постов.
АВТОМАТИЧЕСКАЯ ПЕРЕЕЗДНАЯ СИГНАЛИЗАЦИЯ
159. Автоматическая переездная сигнализация должна подавать сигнал остановки в сторону автомобильной дороги при приближении к переезду поезда.
Сигнал должен оставаться в закрытом положении до полного освобождения переезда поездом.
ПРИБОРЫ ПУТЕВОГО ЗАГРАЖДЕНИЯ
160. Приборы путевого заграждения (башмаки, поворотные заградительные брусья и перосбрасыватели) при заграждающем их положении не должны допускать выхода поезда или подвижного состава с путей, на которых они установлены.
Эти приборы должны быть снабжены указателями путевого заграждения.
161. Устройства связи должны обеспечивать быстрый контакт работников, связанных с движением поездов, и передачу срочных распоряжений.
162. На лесовозных узкоколейных железных дорогах в зависимости от объема работ можно применять следующие основные виды проводной связи:
поездную межстанционную - для связи станций по движению поездов;
диспетчерскую поездную - для связи поездного диспетчера со станциями, складами и мастерскими участками;
стрелочную - для служебных переговоров дежурного по станции со стрелочными постами;
постанционную - для служебных переговоров работников станций;
линейно-путевую - для служебных переговоров работников железной дороги по вопросам, касающимся содержания в исправном состоянии пути и сооружений;
местную для общей служебной связи с лесозаготовительным предприятием и его цехами.
Для передачи распоряжений работникам станций, а также информации пассажиров на вокзалах применяют установки громкоговорящего оповещения.
163. На узкоколейных железных лесовозных дорогах применяют следующие основные виды радиосвязи:
поездную - для служебных переговоров поездного диспетчера с машинистами поездных локомотивов и дежурными по станциям;
станционную - для служебных переговоров дежурных по станциям с машинистами маневровых локомотивов, передачи распоряжений работникам станций и оповещения через громкоговорители.
164. Применение того или иного вида связи на дороге, а также объединение видов связи устанавливается приказом по предприятию (леспромхозу).
165. Включение других телефонов в провода поездной межстанционной и стрелочной связи запрещается.
В провода диспетчерской поездной связи допускается включение телефонов дежурных по станциям, операторов, дежурных по локомотивным депо, а также временно переносных телефонов главных кондукторов (при вынужденной остановке поезда), начальников восстановительных поездов и руководителей путевых работ.
166. Линии СЦБ и связи могут быть воздушными и кабельными.
167. Расстояние нижней точки проводов воздушных линий от земли при максимальной стреле провеса должно быть не менее: 3,0 м на перегонах, 4,5 на станциях и на переездах, 6 при пересечении железнодорожных путей колеи 750 мм и 7,5 м при пересечении железнодорожных путей колеи 1524 мм от головки рельса.
168. При повреждении линий СЦБ и связи восстановление их должно производиться в следующей очередности:
провода диспетчерской поездной связи;
провода электрожезловой системы, поездной межстанционной и стрелочной связи;
все остальные провода СЦБ и связи.
169. Сооружения и устройства СЦБ и связи должны быть обеспечены защитой от мешающего и опасного влияния соседних и пересекающих их линий сильного тока и грозовых разрядов.
СОДЕРЖАНИЕ УСТРОЙСТВ СЦБ И СВЯЗИ
170. Доступ лиц, не связанных с управлением и обслуживанием аппаратов СЦБ и связи по движению поездов, в помещения, где эти аппараты установлены, запрещается.
Пользоваться аппаратами имеют право только уполномоченные на то работники во время своего дежурства.
171. Аппараты СЦБ, осуществляющие различного рода зависимости, должны быть закрыты и запломбированы; вскрывают их только уполномоченные на то работники службы сигнализации и связи с обязательной об этом предварительной записью в журнал осмотра этих устройств.
За целость пломб на аппаратах СЦБ несут ответственность дежурные работники, пользующиеся этими аппаратами (дежурные по станциям и постам, стрелочники).
172. Производить работы по переустройству, переносу, ремонту и замене приборов СЦБ без ведома дежурного по станции и без предварительной записи об этом в журнале осмотра этих устройств запрещается.
Испытание действующих устройств СЦБ должно производиться с согласия и под наблюдением дежурного по станции.
173. Ремонт и содержание средств СЦБ и связи проводят специальные электромеханики и монтеры во главе со старшим электромехаником, а при отсутствии их на дороге - электромонтерами предприятия (леспромхоза).
174. Старший электромеханик СЦБ и связи обязан организовать на своем участке (на дороге) работу электромехаников и кондукторов по графику, систематически проверять их работу, обеспечивать бесперебойное действие средств СЦБ и связи и нормальную видимость сигналов. Видимость сигналов с локомотива проверяется не реже одного раза в месяц.
Графики содержания средств связи составляет старший электромеханик и представляет их на утверждение начальнику дороги.
ОСМОТР ЖЕЛЕЗНОДОРОЖНЫХ СООРУЖЕНИЙ И УСТРОЙСТВ И ИХ РЕМОНТ
Осмотр железнодорожных сооружений и устройств
175. Для обеспечения бесперебойного и безопасного движения поездов и выполнения маневровых работ должны систематически и тщательно осматриваться в установленные сроки:
путь и путевые устройства, искусственные сооружения и все системы водоотвода на станциях и перегонах;
стрелочные переводы и устройства СЦБ и связи на станциях и перегонах;
сооружения и устройства локомотивного и вагонного хозяйства и водоснабжения.
176. Осмотр и ответственность за состояние сооружений устройств возлагается на работников, непосредственно обслуживающих эти устройства, на начальников соответствующих подразделений, в ведении которых находятся сооружения и устройства.
При осмотре проверяют износ и состояние отдельных частей и деталей, их взаимодействие и соответствие установленным размерам и допускам.
177. Осмотр путей, стрелочных переводов, устройств СЦБ, связи и сигнальных принадлежностей, а также проверку видимости сигналов на станциях проводят в следующие сроки:
не реже одного раза в месяц - комиссией под председательством начальника станции в составе старшего дорожного мастера и электромеханика СЦБ и связи;
не реже одного раза в квартал - комиссией под председательством начальника дороги или лица, его заменяющего, в составе начальников служб или лиц, их замещающих, инженера по технике безопасности лесозаготовительного предприятия.
178. Начальники станций и дежурные по станции обязаны ежедневно осматривать стрелочные переводы и все станционные пути.
179. Результаты единоличных и комиссионных осмотров и мероприятия по устранению неисправностей заносят в "Журнал осмотра путей, стрелочных переводов, устройств СЦБ и связи", в котором отмечают время устранения неисправностей. Журнал должен находиться у дежурного по станции или дежурного диспетчера.
180. Не реже одного раза в три месяца начальник службы подвижного состава осматривает источники водоснабжения и водокачки, гидроколонки, а также экипировочные устройства (в том числе на лесоучастках).
Результаты осмотра и необходимые мероприятия по устранению неисправностей заносят в специальный журнал осмотра этих устройств.
В журнале отмечают также время устранения неисправностей и выполнения намеченных мероприятий.
181. Не реже двух раз в год должна осматривать все служебно-технические здания комиссия под председательством главного инженера леспромхоза (предприятия) в составе начальника дороги, начальников служб или лиц, их замещающих, инженера по технике безопасности, представителя профсоюза, а также представителей пожарного и санитарного надзоров. Результаты осмотра оформляют актом, в котором должны быть предусмотрены необходимые мероприятия.
182. Комиссией под председательством главного инженера предприятия (леспромхоза) в составе, указанном в
п. 181, производятся весенний (апрель - май) и осенний (октябрь - ноябрь) осмотры всех элементов дороги для проверки состояния путевого хозяйства, определения плана летнего ремонта дороги, определения необходимых оборудования и материалов для проведения ремонтных работ, а также проверки состояния безопасности движения. При осеннем осмотре, кроме того, определяют готовность дороги к осенне-зимним перевозкам.
Результаты осмотров оформляют актами с указанием в них необходимых мероприятий.
Ремонт железнодорожных сооружений и устройств
183. Ремонт пути, устройств СЦБ и связи и других железнодорожных сооружений должен производиться, как правило без перерыва движения и без сокращения скорости следования поездов при обеспечении полной безопасности движения.
Только в исключительных случаях, при значительных по объему и сложных по условиям производства работах, могут допускаться кратковременные перерывы в движении и ограничение скоростей, что учитывается графиком движения поездов.
184. Ремонт, связанный с перерывом движения и ограничением скорости, производится преимущественно в периоды наименее интенсивного движения поездов и с незначительным нарушением графика движения поездов.
При выполнении работ, вызывающих перерыв движения, точный срок начала и окончания работ устанавливается начальником дороги совместно с руководителем работ.
Руководитель на время производства работ обязан установить постоянную связь с поездным диспетчером.
185. Ремонтно-путевые работы подразделяют на четыре вида: текущее содержание пути; подъемочный ремонт пути; капитальный ремонт пути; реконструкция пути.
186. Текущее содержание пути должно обеспечивать постоянную исправность пути и безопасность движения поездов без ограничения установленной скорости.
187. В текущее содержание пути входят не только исправление появившихся расстройств пути, но и работы, предотвращающие появление самих расстройств, пути и сооружений, указанные в действующих Технических указаниях по содержаний лесовозных железных дорог колеи 750 мм.
188. Текущее содержание пути осуществляет обходчик пути, мостовые и переездные сторожа, путевые бригады под руководством дорожного мастера и надзором начальника службы пути или начальника дороги.
189. Подъемочный ремонт, назначаемый на станционных путях, магистрали и ветках, проводится для обеспечения равноупругости основания путевой решетки, восстановления дренирующих свойств балласта и оздоровления шпального хозяйства.
Подъемочный ремонт пути включает:
замену загрязненного балласта в отдельных местах чистым для ликвидации выплесков, пополнения балластной призмы, сплошную подбивку всех шпал и переводных брусьев с выправкой местных просадок.
Расход балласта устанавливается на основе натурного обследования, в среднем он не должен превышать при песчаном балласте 150 м3 на 1 км;
замену негодных шпал и переводных брусьев новыми и отремонтированными, а также ремонт лежащих в пути шпал и переводных брусьев. Расход шпал устанавливают на основе натурного обследования, в среднем он не должен превышать 400 шт. на 1 км;
разгонку и регулировку зазоров, пополнение недостающих противоугонов для обеспечения полного закрепления пути от угона;
одиночную замену дефектных рельсов и скреплений с доведением количества скреплений до полной нормы, смазку и подтягивание всех болтов;
перешивку пути в местах отступлений от норм и допусков, постановку шпал по меткам;
выправку по необходимости круговых и переходных кривых, выправку переводных и застрелочных кривых;
отделку балластной призмы;
очистку всех водоотводных сооружений, срезку и планировку обочин земляного полотна;
очистку рельсов и скреплений от грязи;
ремонт переездов.
190. Капитальный ремонт назначается на магистральных и станционных путях для замены по необходимости рельсов новыми и одновременного оздоровления или усиления балластного слоя, шпального хозяйства и земляного полотна.
Капитальный ремонт пути включает:
оздоровление земляного полотна с лечением больных мест и ликвидацией балластных корыт, просадок, пучинистых мест, оползней и т.д., уширение земляного полотна в местах недостаточной его ширины, при смещении оси пути относительно оси земляного полотна и при усилении балластной призмы;
восстановление и ремонт всех водоотводных сооружений и дренажных устройств;
восстановление и ремонт всех защитных и укрепительных сооружений земляного полотна;
смену рельсов и скреплений по необходимости;
смену изношенных шпал с доведением их количества до установленного для данного типа верхнего строения и с усилением пути в кривых. Расход шпал устанавливается на основе натурного обследования, в среднем он не должен превышать 800 шт. на 1 км;
доведение размеров балластной призмы до установленных норм, очистка, пополнение или замена балласта. Расход балласта устанавливают на основе натурного обследования; в среднем он не должен превышать 400 м3 на 1 км;
замену по необходимости рельсов на мостах и мостовых брусьев, исправление и приведение мостового настила к установленному типу на всем протяжении моста;
инструментальную выправку всех круговых и переходных кривых;
ремонт и приведение в порядок переездов и прилегающих к ним подходов дорог; очистку и ремонт, а при необходимости устройство вновь водоотводных и водопропускных сооружений;
ремонт имеющихся, пополнение недостающих и замену нестандартных путевых и сигнальных знаков;
устройство типовых станков для хранения покилометрового запаса рельсов и укладку предусмотренного нормами покилометрового запаса материалов верхнего строения пути.
Капитальный ремонт путей с длинными рельсами осуществляется в соответствии с "Рекомендациями по капитальному ремонту пути с длинными рельсами и технологическими картами с комплектом машин и механизмов". В зависимости от наличия в хозяйстве тех или иных машин и механизмов принимается соответствующая технологическая карта и процесс капитального ремонта осуществляется по ней.
191. Реконструкция пути производится по проектным материалам в случае увеличения грузонапряженности дороги для усиления верхнего строения пути.
192. Реконструкция пути предусматривает усиление и обновление всех элементов пути и включает:
сплошную смену рельсов и скреплений новыми, более тяжелого типа;
сплошную смену шпал новыми;
замену всех стрелочных переводов на главных путях новыми типами, соответствующими вновь укладываемым рельсам, со сплошной сменой переводных брусьев;
исправление продольного профиля для смягчения уклонов и выверки сопрягающих кривых в вертикальной плоскости в местах перелома профиля;
полное оздоровление земляного полотна;
усиление, ремонт или переустройство искусственных сооружений;
установку на всех угоняемых участках полного количества противоугонных приспособлений;
восстановление и приведение в полный порядок всех водоотводных и дренажных устройств земляного полотна;
инструментальную выверку кривых и устройство переходных кривых при радиусах 300 м и менее;
закрепление пути в плане и профиле реперами;
восстановление и ремонт всех защитных укрепительных сооружений;
переустройство переездов;
приведение в порядок всех путевых знаков.
Порядок ограждения мест производства работ
193. Всякое препятствие для движения поезда на перегоне должно быть ограждено сигналами в соответствии с Инструкцией по сигнализации на узкоколейном железнодорожном транспорте предприятий лесной промышленности.
Запрещается:
приступать к работам до ограждения сигналами мест производства работ, опасных для следования поездов;
снимать сигналы, ограждающие места работ, до полного окончания работ, а также проверки состояния пути и соблюдения габарита.
Места производства работ, требующие остановки поездов, ограждаются следующим образом.
Переносной красный сигнал устанавливается на пути по середине участка, требующего ограждения; на расстоянии 25 мм от границ ограждаемого участка по обе стороны ставятся также переносные красные сигналы. На расстоянии длины расчетного тормозного пути от этих сигналов укладываются по три петарды (при их наличии) и на расстоянии 100 м от первой ближайшей к месту работ петарды в направлении от места работы ставятся переносные сигналы уменьшения скорости.
Переносные сигналы уменьшения скорости и петарды должны находиться под охраной сигнальщиков, стоящих с ручными красными сигналами на расстоянии 20 м от первой петарды в сторону работ.
Переносные красные сигналы должны находиться под наблюдением руководителя работ.
При производстве работ развернутым фронтом (более 100 м) переносные красные сигналы, установленные на расстоянии 25 м от границ участка, требующего ограждения, должны находиться под охраной сигнальщиков.
Места производства работ, требующие следования поезда с пониженной скоростью, ограждаются с обеих сторон сигналами уменьшения скорости.
194. Для установки и охраны переносных сигналов, ограждающих путевые работы, руководитель работ выделяет специально назначенных лиц, выдержавших установленное испытание.
195. Запрещается производить работы на станционных путях, связанные с безопасностью движения поездов и маневровых передвижений, без разрешения дежурного по станции и без предварительной записи в "Журнал осмотра путей, стрелочных переводов, устройств СЦБ и связи", а на необслуживаемых раздельных пунктах - без разрешения поездного диспетчера.
196. Ввод в действие ремонтируемых станционных участков пути и средств СЦБ и связи производится распоряжением дежурного по станции только после соответствующей записи в журнал руководителя работ об окончании ремонта и исправном действии устройств, а на необслуживаемых раздельных пунктах распоряжением поездного диспетчера.
Порядок закрытия перегона для производства работ
197. Закрытие перегона для производства работ может разрешаться только распоряжением начальника дороги с письменным предупреждением не менее чем за сутки до начала работ соответствующих работников о предстоящем закрытии перегона.
Закрытие и открытие перегона производятся приказом поездного диспетчера перед началом работ и по окончании их.
198. Запрещается приступать к работам до получения руководителем работ копии приказа поездного диспетчера о состоявшемся закрытии перегона, а также до ограждения сигналами места работ.
199. Открытие перегона производится только после письменного уведомления, телеграммы или телефонограммы начальника службы пути и сооружений или уполномоченного им работника по квалификации не ниже дорожного мастера об окончании путевых работ или работ на искусственных сооружениях и отсутствии препятствий для бесперебойного и безопасного движения поездов независимо от того, какая организация выполняла эти работы.
При производстве работ, связанных с устройством энергоснабжения или СЦБ и связи и не вызывающих нарушения целости пути и искусственных сооружений, открытие перегона производится по получении уведомления соответственно от старшего электромеханика СЦБ и связи.
200. Выходы на закрываемый путь с обеих станций, ограничивающих перегон, должны быть ограждены переносными красными сигналами, охраняемыми стрелочниками.
ПОДВИЖНОЙ СОСТАВ И ЕГО СОДЕРЖАНИЕ
201. К эксплуатации допускают только подвижной состав, разработанный и выпускающийся в соответствии с документацией, утвержденной в установленном порядке.
202. Вновь полученный подвижной состав до введения в эксплуатацию должен проходить подготовку и обкатку согласно заводской инструкции.
203. Подвижной состав не должен выступать ни в груженом, ни в порожнем состоянии за пределы габарита (предельного очертания) подвижного состава по
ГОСТ 9720-76.
ЛОКОМОТИВЫ, АВТОМОТРИСЫ И САМОДВИЖУЩИЕСЯ ЕДИНИЦЫ
204. На узкоколейных железных лесовозных дорогах применяют тепловозы, мотовозы, автомотрисы, мотодрезины и другие самодвижущиеся единицы.
205. Вновь полученные локомотивы должны быть детально осмотрены, обкатаны и приняты в эксплуатацию с оформлением соответствующих документов.
206. На каждый локомотив должен быть технический паспорт, в который заносят: дату постройки и пуска в эксплуатацию, пробег, конструктивные изменения, замену первичного двигателя (на тепловозе, мотовозе, автомотрисе, самодвижущейся единице), а также данные о периодических ремонтах.
207. Каждый локомотив должен иметь отличительные знаки и надписи: государственный герб, наименование дороги (предприятия) приписки, время и место постройки, серию и номер, время и место производства установленных видов ремонта, а также таблички и надписи об освидетельствовании его контрольных приборов и резервуаров.
208. Каждая колесная пара должна соответствовать действующим "Правилам освидетельствования, формирования и ремонта колесных пар" и иметь на торце оси клеймо о времени и месте ее формирования и освидетельствования.
Кроме того, на осях, бандажах и колесных центрах, в местах, предусмотренных правилами маркировки соответствующих стандартов (ГОСТ 10411-74) и инструкций, должно быть клеймо завода-изготовителя, даты изготовления и порядковый номер осей и бандажа.
Колесные пары за время своей службы должны подвергаться осмотру, освидетельствованиям обычному и полному, а при подкатке под локомотив регистрироваться в специальном журнале.
209. Расстояние между внутренними гранями бандажей должно быть 685 +/- 3 мм. Ширина бандажа должна соответствовать утвержденным альбомным размерам.
210. Запрещается выпускать под поезда локомотивы, имеющие хотя бы одну из следующих неисправностей колесных пар:
ослабление бандажа на центре или оси в ступице колеса;
поперечную трещину на оси;
продольную трещину или плену на оси длиной более 25 мм;
протертое место на оси глубиной более 2 мм;
трещины в бандаже, диске или ступице колесного центра, ободе диска или ступице цельнокатаного колеса;
прокат бандажей или колес более 7 мм;
в зависимости от местных условий (по представлению начальника дороги) приказом по предприятию допускается увеличение или уменьшение указанных норм предельного проката тепловозных и мотовозных бандажей или колес на 1 мм);
толщина гребня, измеренная на расстоянии 18 мм от его вершины, у тепловозных и мотовозных бандажей или колес менее 16 мм или более 25 мм;
выбоина (ползун) на поверхности катания бандажа и колес глубиной более 0,7 мм;
раковина или выщербина на поверхности катания бандажа или колеса мотовоза и тепловоза; раковина на поверхности катания бандажа;
выщербина на поверхности катания бандажа или обода цельнокатаного колеса длиной более 25 мм и глубиной 2 мм;
вертикальный подрез гребня высотой более 18 мм, измеряемый специальным шаблоном.
Содержание и обслуживание локомотивов
211. Техническое состояние локомотивов определяется путем осмотра, который производится:
в депо, в пунктах оборота локомотивов, на специальных путях и при остановках в пути следования;
перед постановкой локомотивов в деповский или заводской ремонт и при выпуске их из ремонта;
между очередными ремонтами (профилактический осмотр);
при годовом комиссионном осмотре.
212. При осмотре локомотивов проверяют:
износ и состояние частей и деталей и соответствие их установленным размерам, обеспечивающим безопасность движения;
наличие и исправность действия тормозных устройств, контрольных и измерительных приборов, сигнальных принадлежностей;
исправность песочниц и правильность подачи песка на головки рельсов.
213. Запрещается эксплуатировать тепловозы и мотовозы, имеющие хотя бы одну из следующих неисправностей: неисправные звуковой сигнал, компрессор, система питания и охлаждения, система электрооборудования, контрольно-измерительные приборы (манометр, термометр, амперметр и др.), тормоза, ударные или сцепные устройства, огнетушитель, масляный, водяной или топливный насос, цилиндр двигателя, вентилятор для охлаждения радиаторов, карданный вал или дышловой механизм, радиатор или секция холодильника для масла и воды, зубчатая передача или редуктор, аккумуляторная батарея; неисправные или не снабженные песком песочницы; стук подшипников двигателя; трещина в корпусах букс; недогруженные балластом ящики.
Запрещается оставлять локомотив в рабочем состоянии на деповских путях без наблюдения лица, знакомого с уходом за ним и умеющего его остановить.
214. Обслуживание локомотива производится постоянно прикрепленными машинистами.
В зависимости от рода поездов и условий работы на дороге или на отдельных участках дороги состав локомотивной бригады устанавливается приказом по производственному лесозаготовительному объединению, согласованным с обкомом (крайкомом) профсоюза рабочих лесной, бумажной и деревообрабатывающей промышленности.
215. Для инструктирования и контроля локомотивных бригад по содержанию локомотивов (вождению поездов, инструктажу по освоению автоматических тормозов и новых методов работы) из числа наиболее квалифицированных машинистов или техников, имеющих право управления (при локомотивном парке более 15 единиц), приказом по объединению в штат предприятия вводится должность машиниста-инструктора, должностная инструкция для которого разрабатывается дорогой.
216. Локомотивная бригада обязана содержать локомотив в чистоте, в исправном состоянии, своевременно устранять неисправности и предупреждать появление расстройств механизмов.
217. Локомотивы и путевые машины узкоколейных железных лесовозных дорог подвергаются следующим видам обслуживания и ремонта: ежесменному обслуживанию (ЕО); первому техническому обслуживанию (ТО-1); второму техническому обслуживанию (ТО-2); сезонному обслуживанию (СО); текущему ремонту (ТР); подъемочному ремонту (ПР) и капитальному ремонту (КР).
Периодичность, трудоемкость, продолжительность и перечень выполняемых операций каждого вида обслуживания и ремонта для каждого типа подвижного состава определены Положением о техническом обслуживании основных видов лесозаготовительного оборудования.
218. План ремонта локомотивов составляется службой подвижного состава на основании установленных норм пробега и утверждается начальником дороги.
График ремонта локомотивов утверждается начальником дороги по представлению начальника депо или начальника службы тяги.
Запрещается нарушать сроки ремонтов и технических уходов локомотивов.
Время поступления локомотивов в капитальный, текущий и подъемочный ремонты определяется износом соответствующих частей, но не раньше срока, предусмотренного правилами ремонтов для того или иного типа локомотивов.
219. Локомотивы, требующие по своему состоянию капитального ремонта, но не выполнившие установленного пробега, могут направляться в ремонт только с разрешения вышестоящей организации.
220. Локомотив, вышедший из ремонта, сопровождается при первой поездке начальником депо или машинистом-инструктором для проверки качества ремонта.
Ответственность за качество ремонта и безопасность движения локомотивов лежит как на работниках, непосредственно осуществляющих осмотр и ремонт, так и на мастерах, директорах заводов, начальниках депо, производящих ремонт.
Общие требования, предъявляемые к вагонам
221. Вагонный парк узкоколейных железных лесовозных дорог состоит из платформ, крытых вагонов, цистерн, пассажирских вагонов, сцепов из платформ, вагонов-сцепов для перевозки хлыстов и деревьев с кронами и других вагонов.
222. Все вагоны допускают к эксплуатации только после осмотра и признания их годными для включения в поезда.
223. Все части вагонов должны вписываться в габарит подвижного состава по
ГОСТ 9720-76 и соответствовать проектным размерам, установленным с учетом возможных допускаемых отклонений вагонов.
224. Все вагоны с обоих концов должны иметь кронштейны для боковых сигнальных фонарей, а на лобовых стенках - скобы для хвостовых буферных фонарей, за исключением вагонов-сцепов, где фонарь крепится на буфер или автосцепку. Кронштейны должны быть установлены так, чтобы навешенные на них типовые сигнальные фонари не выходили за пределы установленного габарита.
Пассажирские вагоны с системой централизованного электроснабжения должны быть оборудованы постоянными электрическими сигнальными фонарями по 3 фонаря на каждом торце вагона.
225. Для безопасности работы сцепщика:
наименьшее расстояние от ударной поверхности полностью вдвинутого буфера до буферного бруса должно быть не менее 300 мм;
лобовая стенка вагона между ударно-тяговым устройством и угловой стойкой на высоте 1900 мм от головки рельсов не должна иметь выступающих предметов, препятствующих безопасной работе сцепщика.
226. Пассажирские вагоны должны иметь с обоих концов вагона двери, тамбуры, боковые двери, подножки, поручни, лестницы для подъема на крышу, переходные откидные площадки с барьерами, устройства для отопления, вентиляции, освещения вагонов и огнетушители.
Применение керосинового освещения запрещается.
227. Все вагоны должны иметь следующие знаки и надписи: название предприятия (дороги) приписки; номер вагона; табличку завода-изготовителя с указанием даты и места постройки; дату и место производства периодического ремонта, а также ревизии букс и тормозов; массу тары; грузоподъемность на грузовых вагонах, а на пассажирских вагонах - число мест.
228. Каждая колесная пара должна удовлетворять "Правилам освидетельствования, формирования и ремонта вагонных колесных пар колеи 750 мм" и иметь на торцах шеек осей четко поставленные клейма о времени и месте ее формирования и полного освидетельствования.
Кроме того, на осях, бандажах, колесных центрах и колесах, в местах, предусмотренных соответствующими стандартами, должны быть клейма заводов-изготовителей, номера плавки, дата изготовления и порядковые номера.
Колесные пары за время своей службы должны подвергаться осмотру под вагонами, освидетельствованиям обыкновенному и полному; а при подкатке под вагон - регистрироваться в специальном журнале.
229. Запрещается ставить в поезде вагоны, имеющие хотя бы одну из следующих неисправностей колесных пар:
поперечную трещину в лобовой части оси;
задиры (риски) на предподступичной части или шейке оси;
протертое место на оси глубиной более 2 мм;
трещину в бандаже или ободе, диске, ступице колеса или колесного центра;
ослабление бандажа на ободе или оси в ступице колеса или колесного центра;
раковину или выщербину на поверхности катания бандажа или цельнокатаного колеса;
ползун (выбоина) на поверхности катания цельнокатаного колеса или бандажа глубиной более 2 мм, а на поверхности катания чугунного колеса - длиной более 50 мм;
прокат по кругу катания у пассажирских вагонов более 6 мм, у грузовых вагонов более 7 мм; в зависимости от местных условий приказом по предприятию допускается увеличение или уменьшение указанных норм предельных прокатов у пассажирских и грузовых вагонов на 1 мм;
толщину гребня, измеренную на расстоянии 18 мм от его вершины: у стальных колес более 25 мм или менее 16 мм, у чугунных колес более 28,5 мм или менее 18 мм; для стальных колес с шириной бандажа или обода колеса от 90 до 100 мм толщина гребня должна быть не менее 20 мм;
предельный вертикальный подрез гребня, измеряемый специальным шаблоном;
остроконечный накат гребня;
толщину бандажа или обода цельнокатаного колеса по кругу катания менее:
у пассажирских вагонов .......................................... 19 мм
у грузовых вагонов .............................................. 16 мм
диаметр шейки оси менее: у грузового четырехосного вагона грузоподъемностью до 10 т 50 мм; у пассажирского 26-местного вагона 55, у пассажирского 40-местного вагона 65, вагонов-сцепов 70 мм, у прочего подвижного состава менее 80% альбомного размера.
230. При включении грузовых вагонов в пассажирские поезда толщина бандажа или обода цельнокатаного колеса и глубина проката должны соответствовать нормам, установленным для колесных пар пассажирских вагонов.
231. Расстояние между внутренними гранями бандажей или ободов колес должно быть:
для стальных колес с шириной бандажа или обода колес 100 и 115 мм - 685 мм с отклонениями не более 1 мм в сторону уширения и не более 3 мм в сторону сужения;
для стальных колес с шириной бандажа или обода колеса от 90 до 100 мм - 690 мм с отклонениями не более 1 мм в сторону уширения и не более 3 мм в сторону сужения;
для чугунных колес - 685 мм с отклонениями в меньшую сторону на 3 мм и в большую на 2 мм.
Освидетельствование и ремонт колесных пар должны производиться под непосредственным наблюдением мастера или начальника депо.
232. Осмотр и ремонт вагонов, платформ и сцепов производятся в вагоноремонтных депо, в пунктах технического осмотра и пунктах погрузки и выгрузки. Безотцепочный ремонт производится на станциях отправления порожняка и груженых составов.
Полный осмотр, техническое освидетельствование и ремонт подвижного состава производятся в течение года равномерно по графику, составленному начальником депо и утвержденному начальником дороги.
Кроме того, осмотр технического состояния пассажирских вагонов производится один раз в месяц начальником дороги или начальником службы подвижного состава совместно с мастером вагонного хозяйства.
Результаты осмотра вагонов заносятся в книгу технического осмотра с указанием сроков выполнения указанных неисправностей.
При осмотре вагонов проверяется:
износ и состояние отдельных частей деталей и соответствие их установленным размерам, обеспечивающим безопасность движения;
наличие и исправность действия тормозных, сцепных и ударных устройств.
233. Запрещается ставить в поезда вагоны, которые имеют хотя бы одну из следующих неисправностей:
неисправность колесной пары;
неисправность тележки: излом или трещины в поясе или на боковине литой или штампованно-сварной тележки; излом подрессорной или шкворневой балки; обрыв колоночного или буксового болта; излом рессорной державки; излом хомута или листа рессоры; трещина в коренном листе рессоры; просевшие пружины; излом буксы; расплавленный или изломанный подшипник;
неисправность ударно-тягового устройства;
излом или трещину в хребтовой балке или буферном брусе;
нарушение соединений стойки у вагонов с металлической обрешеткой кузова;
неисправность стойки или дверного бруса;
излом потолочной дуги или фрамуги;
перекос кузова более 50 мм у грузовых и пассажирских вагонов;
суммарный зазор между скользунами с обеих сторон тележки более 8 мм или менее 2 у пассажирских вагонов и более 12 или менее 2 мм у грузовых вагонов и вагонов-сцепов;
неочищенные платформы и сцепы от мусора и снега перед погрузкой древесины;
отсутствие досок полов у платформ при перевозке мелких сортиментов;
неисправные коники и погнутые стойки, а также неисправные стоечные замки вагонов-сцепов для перевозки хлыстов;
неисправность переходных площадок, подножек и барьеров;
неисправность приборов освещения или отопления;
неисправность крыши и приборов вентиляции.
234. При обнаружении (во время осмотра вагонов на станции) неисправных частей последние ремонтируют или заменяют на месте новыми. В случае невозможности их ремонта или замены на месте неисправные вагоны направляют на ремонтные пункты.
235. План, порядок и сроки периодических ремонтов вагонов, технологические процессы и нормы по ремонту вагонов утверждает главный инженер предприятия.
236. Ответственность за качество выполненного ремонта и безопасность следования вагонов в поезде лежит как на работниках, непосредственно осуществляющих осмотр и ремонт вагонов, так и на начальниках депо, вагонного хозяйства и ремонтно-механических мастерских (заводов).
Осмотрщик вагонов (слесарь) перед отправлением поезда должен осмотреть вагоны, проверить заправку букс и опробовать тормоза.
Ударно-тяговые устройства и тормоза
237. Локомотивы и вагоны должны иметь исправные стандартные буферные ударно-тяговые устройства с двумя цепями или автосцепное устройство.
Высота оси буфера вагонов должна соответствовать ГОСТ 4373-78.
Упряжные цепи ударно-тяговых устройств должны иметь предохранители от саморасцепки.
238. Эксплуатация автосцепного устройства осуществляется в соответствии с "Инструкцией по эксплуатации автосцепного устройства лесовозных железных дорог колеи 750 мм".
Ответственным за техническое состояние автосцепных устройств подвижного состава, эксплуатируемого на дороге, является осмотрщик вагонов и вагонный мастер.
239. Подвижной состав должен быть оборудован тормозами:
локомотивы - автоматическими и ручными;
пассажирские вагоны - ручными и автоматическими;
грузовые вагоны и вагоны других типов - частично ручными с тормозными площадками.
Лесовозные вагоны-сцепы должны быть оборудованы автотормозами или пролетными трубами.
240. Автоматические тормоза должны содержаться в постоянной исправности и приходить в действие при разрыве или разъединении воздухопровода.
241. Грузовые вагоны с тормозными площадками, оборудованные автотормозами или пролетными трубами, должны иметь на площадках краны для экстренного торможения.
В пассажирских вагонах эти краны должны быть внутри вагона.
242. Тормозные грузовые вагоны оборудуют автоматическими тормозами, позволяющими применять порожний и груженый режимы торможения.
243. Вагоны с автотормозами или пролетными трубами должны иметь концевые краны. Автотормозные вагоны, кроме того, должны иметь краны для разобщения воздухораспределителей от воздухопровода и выпускные клапаны для растормаживания.
244. Части рычажной тормозной передачи, разъединение или излом которых могут вызвать выход их из габарита или падение на путь, должны иметь предохранительные устройства.
ОРГАНИЗАЦИЯ ДВИЖЕНИЯ ПОЕЗДОВ
245. Основой организации движения поездов является график движения, объединяющий работу всех подразделений железной дороги и смежных с нею цехов (верхние и нижние склады).
Своевременное отправление и прибытие поездов на станцию и следование их по перегонам обеспечивается правильной организацией технологического процесса работы станций, депо, пунктов технического осмотра и других подразделений железной дороги, связанных с движением поезда, а также соседними с дорогой цехами.
246. Движение поездов производится с разграничением их раздельными пунктами, а в исключительных случаях - с разграничением временем.
247. Железнодорожные линии делятся раздельными пунктами на части, называемые перегонами.
Раздельными пунктами являются станции, разъезды, путевые и вспомогательные посты, а также погрузочные пункты, имеющие путевое развитие.
248. Путевым постом называется раздельный пункт, не имеющий путевого развития.
Кроме путевых постов, являющихся раздельными пунктами, на перегонах могут быть еще и вспомогательные посты, предназначенные для обслуживания пунктов примыкания.
Пункты на перегонах, не имеющие путевого развития и предназначенные только для посадки и высадки пассажиров, раздельными пунктами не являются и носят название пассажирских остановочных пунктов.
249. Разъездом называется раздельный пункт, имеющий путевое развитие, предназначенное главным образом для скрещения и обгона поездов, а в необходимых случаях - для производства в небольших объемах грузовых и пассажирских операций и маневров.
250. Станцией называется раздельный пункт, имеющий путевое развитие, позволяющее, кроме операций по скрещению и обгону поездов, формировать поезда, грузить или выгружать лес и другие грузы, а также обслуживать пассажиров.
251. Границами территории станции и разъездов являются входные сигналы.
252. Каждый раздельный пункт (вспомогательный пост и пассажирский остановочный пункт) должен иметь определенное наименование или номер. Наименование каждого раздельного пункта должно быть помещено на фасаде пассажирского здания или путевого поста.
253. Узкоколейные железнодорожные лесовозные пути делятся на главные (магистральные и ветки), станционные, временные (усы) и специального назначения.
254. К главным путям относятся пути перегонов магистрали и веток и их непосредственное продолжение в пределах раздельных пунктов.
255. К станционным путям относятся: приемо-отправочные; сортировочные; погрузочно-разгрузочные и перегрузочные; маневровые (в том числе обгонные и вытяжные); деповские (локомотивного и вагонного хозяйства); прочие пути, назначение которых определяется производимыми на них операциями.
256. К временным путям относятся усы - ответвления временного типа с примыканием к магистрали или веткам со сроком действия до двух лет.
257. К специальным путям относятся: предохранительные и улавливающие тупики, поворотные треугольники; пути и ветки к предприятиям, карьерам и материально-техническим складам.
Предохранительные тупики на станциях предназначаются для предупреждения выхода подвижного состава на маршрут, по которому следует поезд, и должны иметь полезную длину не менее 25 м.
Улавливающие тупики предназначаются для ограждения занятого перегона или маршрута на станции от выхода на них поезда, потерявшего управление на крутом затяжном спуске, или оборвавшейся части состава поезда при движении его на крутом затяжном подъеме. Улавливающие тупики укладываются согласно проекту, утвержденному в установленном порядке.
258. Каждый путь на станции, складе и разъезде должен иметь присвоенный ему номер. Не допускается присваивать одинаковые номера путям в пределах одной станции.
259. Пути в пределах станционной территории, за исключением переданных в ведение других организаций, находятся в распоряжении начальника станции или лица, его заменяющего.
ЭКСПЛУАТАЦИЯ СТРЕЛОЧНЫХ ПЕРЕВОДОВ
260. Стрелочные переводы должны находиться в нормальном положении. Нормальным положением является:
для входных стрелок главного пути - направление с каждого конца станции на разные пути;
для всех стрелок на главных путях перегонов и станций, ведущих на ветки, усы, тупики и на другие станционные пути, за исключением стрелок, ведущих на предохранительные и улавливающие тупики, - направление по главным путям;
для стрелок, ведущих в предохранительные и улавливающие тупики, - направление в эти тупики.
Для стрелок прочих станционных путей нормальное положение устанавливается начальником дороги.
Нормальное положение стрелок, а также номера стрелок, подлежащих закрытию на замок, должны быть указаны в техническо-распорядительном акте и выписках из него, а также на станинах стрелок.
261. Стрелки в другое положение могут переводиться: при приеме и отправлении поездов; при маневровой работе; при занятии путей подвижным составом; при очистке, проверке и ремонте стрелок.
262. Каждый стрелочный перевод должен иметь определенный номер. Стрелки нумеруются со стороны прибытия четных поездов (из леса) порядковыми четными номерами, со стороны прибытия нечетных поездов (с нижнего склада) - порядковыми нечетными номерами.
263. Стрелочный перевод, уложенный на перегоне, приписывается для обслуживания к одной из соседних, ограничивающих перегон станций, или в зависимости от интенсивности движения у места ответвления устраивается обслуживаемый пост. Ключи от запираемых стрелок хранятся у дежурного по раздельному пункту, к которому приписан стрелочный перевод.
264. Каждый стрелочный пост должен находиться в ведении только одного работника - дежурного постового стрелочника, являющегося ответственным за перевод обслуживаемых им стрелок и за безопасность движения поездов.
265. При неинтенсивном движении на станциях, перечень которых устанавливается приказом по предприятию (леспромхозу), допускается обслуживание двух стрелочных постов одним дежурным стрелочником, а отдельных стрелок и постов - непосредственно дежурным по станции или дежурным диспетчером.
266. На станциях с большим путевым развитием или значительным объемом работ для контроля за работой дежурных постовых стрелочников назначаются старшие стрелочники.
267. Перед проходом поезда должны запираться стрелки, непосредственно входящие в маршрут приема и отправления поездов, а также стрелки, находящиеся на соседних путях вытяжек и предохранительных тупиков, и другие стрелки, дающие возможность выхода подвижному составу с других путей на путь, по которому следует поезд (если запирание этих стрелок предусмотрено техническо-распорядительным актом).
268. У дежурного по станции или дежурного диспетчера хранятся ключи от следующих, наиболее ответственных стрелок:
ведущих на пути стоянки вагонов с опасными грузами вспомогательных и пожарных поездов;
ветвей и тупиков на станциях и перегонах, примыкающих главным путям и не обслуживаемых постами;
улавливающих и предохранительных тупиков;
приемо-отправочных путей на промежуточных станциях, при занятии этих путей составами (без локомотивов), отдельными вагонами или группами вагонов.
269. Необслуживаемые (недействующие) раздельные пункты, на которых производятся грузовые операции, приписываются для обслуживания к одной из соседних станций.
Ключи от запертых стрелок необслуживаемых раздельных пунктов хранятся у дежурного по раздельному пункту, к которому они приписаны. В зависимости от характера работы участка начальником дороги может быть установлен и другой порядок хранения ключей от запертых стрелок необслуживаемых пунктов, что отмечается в техническо-распорядительном акте.
270. Перевод и закрепление ручных стрелок при приеме и отправлении поездов производятся дежурным постовым стрелочником по указанию дежурного по станции или дежурного диспетчера. При отсутствии дежурного стрелочника стрелки переводит дежурный по станции. При маневровых работах стрелки переводят кондукторы и составители поездов по распоряжению лица, руководящего маневрами. Перевод стрелок другими лицами запрещается.
271. Распоряжение дежурного по станции или дежурного диспетчера о переводе стрелки на отправление или прием поезда должно быть повторено стрелочником для проверки того, что распоряжение понято правильно. Немедленно по выполнении распоряжения стрелочник обязан доложить об этом лицу, давшему распоряжение о переводе стрелки.
272. Перевод стрелок при маневровых работах на закрытых раздельных пунктах осуществляется кондуктором (составителем) или помощником машиниста.
273. О неисправностях стрелки (неплотное прилегание пера, порча замка, порча закладки, неправильная насадка указателя и т.п.) стрелочник, а где его нет, кондуктор обязан немедленно сообщить дежурному по станции или дежурному диспетчеру. В том случае, когда неисправность угрожает безопасности движения, стрелочник обязан прекратить движение подвижного состава по стрелке, оградить ее сигналами остановки и лично или через старшего стрелочника сообщить о неисправности дежурному по станции (диспетчеру).
274. Дежурный постовой стрелочник, а где его нет, сменный дежурный по станции при ремонте стрелочного перевода должен наблюдать за ремонтом работниками службы пути и проверять правильность ограждения стрелочного перевода. По окончании ремонта он обязан убедиться в том, что стрелка отремонтирована правильно и находится в состоянии, обеспечивающем безопасное и бесперебойное следование по ней поездов.
275. Обслуживание стрелочных переводов и уход за ними осуществляются стрелочниками (а где их нет, сменным дежурным по станции). При этом стрелочник обязан:
при приеме дежурства в присутствии сдающего дежурство стрелочника убедиться в том, что вагоны на путях не выходят за предельные столбики, стрелки исправны и очищены, стрелочный инвентарь и сигнальные принадлежности находятся в исправности;
держать стрелки запертыми в нормальном положении согласно выписке из техническо-распорядительного акта и переводить их для приема, пропуска и отправления поездов только по распоряжению дежурного по станции;
обеспечивать исправную работу стрелочных переводов, содержать их в чистоте, смазывать, подкреплять ослабшие болты, добивать костыли;
освещать в ночное время, а при плохой видимости и днем те стрелочные переводы, которые указаны в техническо-распорядительном акте;
при приеме, пропуске и отправлении поездов находиться с установленными сигналами у стрелки, указанной в техническо-распорядительном акте;
при проходе поездов внимательно следить, в полном ли составе проследовал поезд и имел ли он установленные сигналы;
о всех замеченных неисправностях немедленно сообщить дежурному по станции (диспетчеру дороги); в случаях, угрожающих безопасности движения или жизни людей, немедленно принять меры к остановке поезда;
при маневрах внимательно следить за сигналами и строго выполнять их;
знать все правила, указанные в выписке из техническо-распорядительного акта, вывешенного в постовом помещении, и точно соблюдать их.
276. Дежурному по стрелочному посту запрещается:
оставлять неосвещенными в ночное время, а при плохой видимости и днем стрелочные указатели, которые по техническо-распорядительному акту станции должны освещаться;
выводить стрелки из нормального положения, когда это не вызывается условиями работы;
находиться на посту без установленных сигналов;
уходить во время дежурства со своего поста без разрешения дежурного по станции (диспетчера);
допускать посторонних лиц к стрелкам и в постовую будку;
держать незапертыми стрелки, которые по техническо-распорядительному акту станции должны запираться;
сдавать или принимать смену, когда был подготовлен маршрут приема или отправления поезда и операция не закончена, т.е. поезд не прибыл или не отправился.
ПОРЯДОК ПОЛЬЗОВАНИЯ СИГНАЛАМИ
277. Сигналами остановки служат:
красный огонь семафоров, светофоров и сигнальных фонарей;
красный цвет флагов и переносных щитов;
горизонтальное положение крыла семафора, диск, окрашенный в красный цвет;
кругообразное вращение сигнальным флажком, фонарем (с огнем любого цвета), каким-либо предметом или рукой;
три коротких звука сигнального прибора;
взрыв хотя бы одной петарды;
горизонтальная черная полоса указателя путевого заграждения;
огонь факела-свечи.
Погасшие огни на светофорах (кроме предупредительных) и семафорах, непонятное их показание или неправильная и непонятная подача сигналов также требуют остановки.
278. Сигналы остановки применяются:
для ограждения раздельных пунктов, перегонов, мест сплетения и пересечения путей;
для ограждения препятствий на пути, не допускающих пропуска поездов;
для ограждения поезда, остановившегося на перегоне;
при маневровой работе;
для ограждения хвоста поезда при движении;
для остановки поездов и отдельных локомотивов во всех случаях, угрожающих безопасности движения или жизни людей.
279. Проезд закрытого семафора и светофора запрещается.
В исключительных случаях проследование закрытого сигнала допускается только по специальному разрешению дежурного диспетчера.
280. Сигналами уменьшения скорости служат:
желтые огни семафоров, светофоров, предупредительных дисков, постоянных дисков уменьшения скорости и сигнальных фонарей;
желтый цвет развернутых флагов, предупредительных дисков и переносных щитов;
два коротких звука сигнального прибора;
медленное движение вверх и вниз рукой или развернутым желтым флагом, а ночью - фонарем с желтым или прозрачно-белым огнем;
два крыла входного семафора, поднятые под углом 135° к мачте.
Сигналы уменьшения скорости применяются: как предупредительные перед сигналом остановки; при приеме поезда на боковой путь раздельного пункта; при приеме поезда с остановкой на станции; при ограждении мест, по которым поезда должны следовать с уменьшенной скоростью; при маневрах.
281. Сигналами, разрешающими движение с установленной скоростью, служат:
зеленый огонь семафоров, светофоров, сигнальных фонарей, предупредительных дисков и постоянных дисков уменьшения скорости;
зеленый цвет оборотной стороны постоянных дисков уменьшения скорости и переносных щитов;
белый цвет поднятого ручного фонаря стрелочника и путевого обходчика;
поднятое крыло семафора под углом 135°;
горизонтальное положение предупредительных дисков.
Сигналы, разрешающие движение с установленной скоростью, применяются: при приеме, отправлении и пропуске поездов на раздельных пунктах; при выходе поезда с участка, огражденного сигналами уменьшения скорости.
282. Запрещается установка вблизи железнодорожных путей декоративных полотнищ, плакатов и огней красного, желтого и зеленого цветов, мешающих правильному восприятию железнодорожных сигналов.
283. Нормальным положением входных сигналов и сигналов прикрытия является запрещающее. Светофоры и семафоры при повреждениях должны автоматически принимать заграждающее положение, а предупредительные сигналы - положение, соответствующее запрещающему показанию связанных с ними основных сигналов.
284. При плохой видимости сигналов (туман, метель, ливень, сильный снегопад), в тех случаях, когда станция вследствие занятия или неисправности пути не может принять прибывающий поезд, закрытые входные семафоры, не имеющие предупредительных сигналов, должны как днем, так и ночью дополняться петардами. Порядок установки и снятия петард в этих случаях определяется техническо-распорядительным актом станции.
285. Показание сигналов является приказом и подлежит беспрекословному выполнению. Работники железнодорожного транспорта должны обеспечивать немедленное выполнение требования сигнала всеми возможными средствами. Каждый работник железнодорожного транспорта, связанный с движением поездов, обязан четко знать инструкцию по сигнализации на узкоколейных железных лесовозных дорогах и руководствоваться ею.
286. Движение поездов на лесовозных дорогах производится по графику, утвержденному директором (главным инженером) предприятия. Выполнение графика (расписания) движения поездов является обязательным для всех работников лесовозной железной дороги, а также начальников лесоучастков, мастеров верхнего и нижнего складов и бригадиров погрузочно-разгрузочных работ. График движения поездов (или выписки из него) вывешивается в служебном помещении каждого остановочного и погрузочно-разгрузочного пункта.
Расписанием движения поездов или выписками из него снабжаются работники, связанные с движением поездов, в порядке, установленном начальником дороги. Расписание движения пассажирских поездов объявляется для всеобщего сведения и вывешивается на каждой станции, раздельном пункте и посадочных площадках.
287. Графиком движения поездов определяется не только движение поездов, но и работа локомотивов, вагонов, станций, депо, погрузочно-разгрузочных складов, пути, связи и сигнализации. График движения поездов составляется с учетом работы всех подразделений, связанных с движением поездов.
288. График оборота локомотива составляется на основании графика движения поездов с учетом наиболее выгодного использования локомотивов. Этот график является основой организации работы локомотивного хозяйства.
289. График движения поездов должен обеспечивать:
выполнение суточного плана вывозки древесины;
быструю перевозку рабочих к месту работы и обратно к месту жительства, а грузов и материалов - к месту потребления;
наиболее выгодное использование локомотивов и вагонов;
наилучшую скорость движения поездов;
согласование работы всех раздельных пунктов и складов (погрузочных и разгрузочных);
безопасность следования поездов по перегонам, раздельным пунктам, складам и усам;
выполнение установленной продолжительности непрерывной работы локомотивных и поездных бригад.
290. Назначение и отмена поездов производятся диспетчером по распоряжению начальника дороги.
291. Каждому поезду присваивается установленный графиком движения поездов номер: поездам грузового направления - четные, поездам порожнего направления - нечетные.
Поездам, не предусмотренным графиком движения, номер присваивается при их назначении.
292. Поезда по значимости подразделяются с присвоением им нумерации на следующие:
А. Внеочередные: пожарные, восстановительные, снегоочистители, отдельные локомотивы и дрезины несъемного типа, назначаемые:
для оказания помощи остановившемуся в пути поезду, при крушениях и авариях;
для восстановления связи в случае перерыва ее действия;
для восстановления путей и искусственных сооружений при их повреждениях и ликвидации перерыва движения;
для оказания медицинской помощи пострадавшим;
для тушения пожаров;
для очистки путей от снега.
Б. Очередные:
пассажирские;
груженые и порожние лесовозные поезда;
одиночные локомотивы и автодрезины;
прочие поезда - хозяйственные, балластные, пробные (обкатка и т.п.);
грузовые, отдельно назначаемые для перевозки платных грузов сторонних организаций и нужд местного населения.
В. Поезда (в том числе и автодрезины), назначаемые по особым требованиям, очереди которым присваиваются при назначении.
293. Движением поездов на дороге должен руководить только один работник - дежурный диспетчер.
Приказы дежурного диспетчера подлежат безоговорочному выполнению работниками, непосредственно связанными с движением поездов.
Запрещается руководителям предприятия давать оперативные распоряжения по движению поездов на дороге помимо дежурного диспетчера.
294. Дежурный диспетчер отвечает за выполнение графика движения поездов на дороге.
Диспетчер обязан:
проверять работу станций, разъездов, погрузочно-разгрузочных пунктов по выполнению графика движения поездов;
своевременно давать необходимые указания по движению поездов дежурным по станциям или лицам, их заменяющим и кондукторам, а где их нет, непосредственно машинистам поездных локомотивов;
устранять отклонения от нормального движения и вводить в график выбившиеся из расписания поезда;
следить за приемом и отправлением поездов со станций и проследованием их по перегонам;
вести исполнительный график движения поездов и необходимую документацию, предусмотренную инструкцией по движению поездов и приказами по дороге.
295. Движение поездов производится по местному времени в 24-часовом исчислении.
В служебных помещениях и в помещениях для пассажиров должны быть установлены часы. Показания времени на часах должны быть одинаковыми на всей сети железной дороги.
Главный кондуктор перед отправлением поезда с начальной станции обязан сверить показания времени своих часов с часами, находящимися в помещении дежурного диспетчера, а машинист поездного локомотива и кондуктора - показания своих часов с часами главного кондуктора.
ОРГАНИЗАЦИЯ ТЕХНИЧЕСКОЙ РАБОТЫ СТАНЦИИ
296. Организация и порядок использования технических средств станции устанавливается техническо-распорядительным актом, который предусматривает безопасный и беспрепятственный прием, отправление и проследование поездов по станции, а также безопасность внутристанционной маневровой работы.
К техническо-распорядительному акту прилагаются: масштабная схема станции, инструкция по приему и отправлению поездов, инструкция о порядке производства маневровой работы, инструкция о порядке пользования устройствами СЦБ.
297. Техническо-распорядительные акты станций составляются в соответствии с настоящими Правилами и инструкцией по движению поездов и утверждаются начальником дороги.
Организация работы и порядок, установленные техническо-распорядительным актом станции, являются обязательными для всех работников дороги.
298. Техническо-распорядительный акт пересоставляется или исправляется при изменении графика движения поездов, путевых устройств станции, связи и других переустройствах, а также при изменении технологии вывозки, погрузочно-разгрузочных работ.
299. Выписки из техническо-распорядительного акта, подписанные начальником дороги, вывешиваются в помещениях дежурного по станции, дежурного диспетчера, у стрелочных постов, в локомотивном и вагонном депо и на верхних и нижних складах.
Освещение раздельных пунктов
300. На станциях должны освещаться:
пути приема и отправления поездов и пути с постоянной маневровой работой;
места встречи поездов дежурными по станции;
погрузочно-разгрузочные пути и склады;
склады топлива и материалов;
пункты ремонта и технического обслуживания подвижного состава;
переезды в пределах станций;
пункт набора воды;
пассажирские платформы и площадки.
301. Освещение должно быть достаточным и обеспечивать безопасность движения поездов и маневровых передвижений, работу обслуживающего персонала и безопасность работы на погрузочно-разгрузочных складах.
Наружное освещение не должно ухудшать видимость сигнальных огней.
302. Маневровая работа на станции и складах должна производиться так, чтобы она обеспечивала:
своевременную подачу вагонов под погрузку, разгрузку и уборку их после грузовых операций;
своевременное формирование и отправление поездов;
бесперебойный прием поездов на станцию;
наименьшую затрату времени на переработку вагонов на станции и складах;
наилучшее использование всех маневровых средств и технических устройств для маневров;
безопасность передвижения, личную безопасность работников, связанных с маневрами, и сохранность подвижного состава.
303. Маневровые работы на станционных и нижнескладских путях производятся главным кондуктором, составителем по распоряжению дежурного по станции, а на станциях и разъездах, а также на погрузочных и формировочных пунктах, где не предусмотрен штат дежурных по станции - по распоряжению диспетчера.
Движением маневрирующего локомотива (одиночного или с вагонами) может распоряжаться только один работник, ответственный за правильное производство маневров.
304. Запрещается машинисту локомотива, производящему маневры, приводить в движение локомотив без получения сигнала руководителя маневрами, а при движении по обслуживаемым стрелкам, кроме того, не получив сигнала постового стрелочника о готовности стрелок для передвижения.
305. Запрещается при маневровых работах двигаться со скоростью более:
25 км/ч - при передвижениях по свободным путям локомотива с вагонами, прицепленными сзади;
15 км/ч - при движении вагонами вперед по свободному пути и при движении по стрелочным переводам на боковые пути независимо от того, где находится локомотив - спереди или сзади;
10 км/ч - при маневрах с вагонами, в которых находятся люди, груженными опасным грузом или неисправными;
3 км/ч - при подходе локомотива к вагонам.
306. Запрещается выход маневрового состава за границы станции на перегон без разрешения дежурного диспетчера или дежурного по станции и без специального разрешения, выданного машинисту. Запрещается при маневрах оставлять, сцеплять и расцеплять отдельные вагоны или группу вагонов с подшипниками скольжения на уклонах свыше

и с подшипниками качения на уклонах свыше

без закрепления их от угона.
307. Поезда и подвижной состав на станционных и складских путях должны устанавливаться в границах, обозначенных предельными столбиками.
308. Стоящие на станции вагоны, подготовленные к отправлению или расформированию, с которыми не производятся маневры, должны быть сцеплены, заторможены и закреплены от угона.
Вагоны, находящиеся на путях погрузки и выгрузки, на боковых путях и в тупиках, должны быть надежно закреплены зарезными шпалами или тормозными башмаками, а вагоны, имеющие ручные тормоза, - заторможены.
309. У крытых вагонов, стоящих на станции и не занятых под грузовые операции или находящихся под очисткой, дезинфекцией или в ремонте, двери должны быть закрыты, а ручные тормоза заторможены.
310. На горизонтальных путях закрепление вагонов требуется только при неблагоприятных атмосферных условиях (при ветре).
311. Маневровые работы на главном или обгонных путях производятся при закрытых входных сигналах с разрешения дежурного по раздельному пункту, а там, где его нет, с разрешения дежурного поездного диспетчера.
312. Непосредственное выполнение маневровой работы осуществляется поездной бригадой.
Главный кондуктор, руководящий своей бригадой, обязан:
обеспечивать правильную расстановку и согласованность действия всех работников, участвующих в производстве маневров, знакомить их с планом и способами выполнения предстоящей маневровой работы;
обеспечивать точное и своевременное выполнение заданий на маневровую работу;
формировать поезда правильно, без опозданий, в соответствии с расписанием их отправления;
организовывать маневровую работу так, чтобы были обеспечены безопасность движения и сохранность грузов, локомотивов и вагонов, а также безопасность работников, занятых на маневрах;
сцепку и расцепку вагонов производить только при полной остановке подвижного состава;
при производстве маневров с большой группой вагонов, когда машинисту не видно кондуктора, привлекать для передачи сигналов работников железной дороги.
313. Локомотивная бригада при производстве маневров обязана:
обеспечивать точное и своевременное выполнение заданий на маневровую работу;
внимательно следить за подаваемыми сигналами, точно и своевременно их выполнять;
следить за людьми, находящимися на путях, за положением стрелок и расположением подвижного состава;
обеспечивать сохранность груза, подвижного состава и безопасность людей, производящих маневровые работы.
314. Поездом называется сформированный и сцепленный состав вагонов с одним или несколькими действующими локомотивами, снабженный соответствующими поездными сигналами и обслуживаемый поездной бригадой.
315. Поезда подразделяются на пассажирские, грузовые, хозяйственные и специальные (особого назначения). Пассажирские предназначаются для перевозки рабочих и служащих с места жительства к месту работы и обратно, учащихся к местам расположения учебных заведений и обратно. В отдельных случаях с разрешения объединения могут производиться пассажирские перевозки местного населения.
К грузовым поездам относятся:
лесовозные - для перевозки лесных грузов;
для перевозки продовольственных грузов, строительных материалов, оборудования и грузов для местного населения и предприятий других ведомств;
хозяйственные - для перевозки строительных материалов по ремонту и строительству путей и других сооружений.
К поездам особого назначения относятся:
снегоочистители - для очистки от снега железнодорожных путей;
вспомогательные - для ликвидации аварий, для оказания медицинской помощи;
пожарные - для тушения пожаров.
316. Локомотивы и автодрезины несъемного типа, отправленные на перегон без вагонов, рассматриваются как грузовые поезда.
317. При формировании поездов из груженых и порожних вагонов груженые ставятся в головной части поезда одной группой без подборки их по массе и числу осей; порожние вагоны ставятся в хвостовой части поезда без подборки их по числу осей.
318. При формировании поезда из вагонов-сцепов и платформ-сцепов, груженных хлыстами или деревьями, сцепы, не имеющие жесткого буферного сцепления внутри сцепа, ставятся в хвостовой части.
319. Пассажирские поезда могут формироваться на автоматическом и ручном торможении.
В первом и последнем пассажирских вагонах крайние торцовые двери должны быть заперты, а переходные площадки закреплены в поднятом положении.
320. Пассажиров (в том числе рабочих, доставляемых на лесоучастки) перевозят только отдельными пассажирскими поездами.
Запрещается ставить в пассажирские поезда грузовые вагоны. Перевозка людей в отдельных пассажирских вагонах, прицепленных к лесовозным поездам, допускается только с разрешения начальника дороги или начальника службы движения, включение в пассажирский поезд отдельных вагонов с хозяйственными грузами возможно при условии формирования поезда в соответствии с настоящими Правилами.
Прицеплять вагоны с пассажирами к составу, груженному хлыстами, запрещается.
Определение массы и длины поезда
321. Масса и длина груженых и порожних поездов для дороги и отдельных участков устанавливаются на основании расчетов и утверждаются приказом директора (главного инженера) предприятия (леспромхоза).
322. Масса поезда должна быть не менее установленной весовой нормы для действующего графика движения. Отправление поездов с меньшей массой допускается в порядке, установленном начальником дороги и утвержденном директором предприятия (леспромхоза).
Масса груза в поезде определяется по накладным, выдаваемым мастерами (бригадирами) на верхних складах, или дежурными по станциям или непосредственным взвешиванием груженых вагонов за минусом массы их тары.
323. Длина поезда не должна превышать полезной длины приемо-отправочных путей на участке обращения данного поезда.
Начальникам дорог предоставляется право устанавливать длину составов, поездов и свыше полезной длины указанных станционных путей, но не более полезной длины двух приемо-отправочных станционных путей с одновременным установлением точного порядка пропуска по участку (дороге) таких длинносоставных поездов.
Требования для вагонов при постановке их в поезд
324. Запрещается ставить в поезд:
вагоны технически неисправные, угрожающие безопасности движения;
вагоны, бывшие в поезде, потерпевшем крушение или аварию, впредь до осмотра их и признания годными для движения;
платформы и сцепы с грузами (хлыстами), погруженными с нарушением технических условий погрузки, если о следовании таких сцепов не будет дано особых указаний;
платформы, полувагоны, вагоны-сцепы и другие вагоны с грузами, выступающими за пределы буферного бруса (торца рамы) на высоте до 1900 мм от головки рельса, а выше 1900 мм с грузами, выступающими за пределы буферного стакана;
вагоны-сцепы и платформы, недогруженные лесом до установленной на дороге нормы;
платформы с незакрытыми бортами, если нет специального распоряжения начальника дороги;
вагоны, груженные горючим, смазочными материалами и кислотами в неисправной таре;
платформы и сцепы, не очищенные от мусора и снега.
325. Запрещается ставить в пассажирские поезда:
вагоны с разрядными грузами, сжиженными и сжатыми газами и другими опасными, а также легкогорючими и зловонными грузами;
вагоны с просроченными против установленных сроков периодическим ремонтом, ревизией тормозов и букс.
326. Платформы, груженные сеном, соломой и горючим, а также крытые вагоны и цистерны, загруженные разрядными, легкогорючими и другими опасными грузами, при постановке в поезд должны иметь прикрытие:
от ведущего тепловоза - не менее 3 единиц;
в хвосте поезда при применении подталкивания (вагоны с разрядными грузами независимо от применения подталкивания) - не менее 2 единиц;
цистерны, загруженные легковоспламеняющимися жидкостями, должны иметь прикрытие от действующего и подталкивающего локомотивов (независимо от типа их и рода подталкивания) не менее 2 единиц.
В качестве прикрытия в поезде должны ставиться вагоны, загруженные неопасными и нелегкогорючими грузами или порожние.
327. Вагоны с разницей в высоте центров соприкасающихся буферов более 15 мм в виде исключения могут быть включены в поезд и в этом случае ставятся в хвосте поезда. Применение толкача в поезде с такими вагонами не допускается.
328. Вагоны с автоматической сцепкой ставятся в головную часть поезда непосредственно за локомотивом.
Вагоны с ручными тормозами, включаемые в поезд, следующий на ручных тормозах, должны размещаться равномерно по всему составу.
Порядок размещения автотормозных вагонов и вагонов с ручными тормозами в грузовых поездах, следующих на смешанном или сплошном автоматическом торможении, устанавливается начальником дороги.
329. В грузовых поездах разрешается ставить вслед за последним тормозным вагоном нетормозные вагоны, негодные для следования в середине состава, но с исправными ходовыми частями, в количестве не более 8 осей.
Перевозка негабаритного груза и тяжеловесного оборудования
330. Перевозка негабаритных грузов производится только после определения возможности такой перевозки начальником дороги или начальником службы движения (пути).
Для перевозки каждого негабаритного груза составляются отдельные инструктивные указания по технике безопасности, и груз перевозится под наблюдением дорожного мастера.
Перевозка тяжеловесного оборудования (когда осевые нагрузки составляют 60 - 80 кН) допускается без дополнительных работ по укреплению верхнего строения пути и искусственных сооружений по дорогам I и II категорий с расчетными осевыми нагрузками до 80 кН.
На дорогах III категории, которые строились на расчетную осевую нагрузку 45 кН, перед транспортированием тяжеловесного оборудования необходимо проверить состояние верхнего строения пути и искусственных сооружений и при необходимости укрепить их.
Тяжеловесное оборудование должно перевозиться на специально оборудованных, технически исправных платформах.
Особенности и требования, предъявляемые к вывозке хлыстов
и деревьев
331. Хлысты и деревья должны вывозиться на специальном подвижном составе: вагонах-сцепах, тележках-сцепах или на платформах, специально приспособленных для этой цели.
Сцепом называются две платформы, тележки или два полусцепа, приспособленные для вывозки хлыстов или деревьев.
Платформы, приспособленные для вывозки хлыстов, должны быть оборудованы поворотными кониками со стойками.
332. При перевозке хлыстов и деревьев должны соблюдаться следующие требования:
нагрузка на ось сцепа при любом способе погрузки не должна превышать допустимых норм для данного типа подвижного состава;
хлысты и деревья, как правило, должны грузиться на сцеп, вразнокомелицу;
допускается погрузка хлыстов в одну сторону комлями с соблюдением величины давления на ось, не превышающей проектной;
погруженные на коники хлысты или деревья не должны касаться частей хребтовой балки, рамы, буферов и т.п.;
расстояние от головки рельсов до нижней точки провисания хлыстов при перевозке хлыстов и деревьев на расцепленных и раздвинутых полусцепах должно быть такое, чтобы хлысты не задевали за буферные тарелки или раму;
вершины и комли хлыстов или деревьев не должны выходить за пределы рамы платформы или сцепа;
запрещается во время погрузки бросать с высоты более 1 м хлысты или деревья на коники сцепа;
предохранительные цепи коников должны быть соединены замками;
запрещается накренивать сцепы при разгрузке более чем на 15°.
333. Вывозка хлыстов и деревьев длиной более длины вагона-сцепа может производиться при расцепленных и раздвинутых полусцепах на требуемое (по длине перевозимых хлыстов) расстояние один от другого с обязательной увязкой тросом (цепью) ударно-тяговых приборов между полусцепами.
При вывозке хлыстов и деревьев на сцепах, не имеющих жесткого буферного сцепления внутри сцепа (между полусцепами), движение состава вагонами вперед или движение с толкачом не допускается, кроме движения маневровым порядком.
Перед отправлением вагонов, груженных хлыстами или деревьями, сучья, выходящие за пределы габарита подвижного состава, должны быть обрезаны. Не допускается движение по дороге поездов, у которых сучья или хлысты выступают за пределы габарита подвижного состава.
Для обеспечения безопасности движения поездов и работы кондуктора в конце каждого груженого состава может быть прицеплена платформа с упрочненной будкой для кондуктора и оборудованная ручным тормозом. Тормозная платформа должна быть нагружена балластом.
334. Число тормозов в каждом поезде должно соответствовать массе поезда и скорости, принятым на данном участке, и руководящему спуску участка.
Для расчета числа тормозов в поездах, следующих на автоматическом, смешанном и ручном торможениях, главным инженером лесозаготовительного предприятия (начальником дороги) утверждается и объявляется:
единый расчетный тормозной путь для всех участков узкоколейной дороги (наибольшее расстояние от начала торможения до полной остановки, которое на руководящем спуске проходит поезд, следующий до начала торможения с максимально установленной скоростью);
руководящий спуск и установленные графиком скорости поездов по участкам; при расчете спуска должны приниматься во внимание сопротивления кривых.
Величина руководящего спуска на магистрали и ветках устанавливается проектом, а на усах - приказом по леспромхозу (предприятию) и не должна превышать величины, установленной Техническим указанием по проектированию лесозаготовительных предприятий.
Наибольшая крутизна спусков должна обеспечивать условия безопасности движения поездов исходя из работы тормозных средств.
335. Длина расчетного тормозного пути устанавливается:
А. Для поездов, следующих на ручном торможении:
в равнинной местности - 600 м;
в сильно холмистой местности на спусках до

400 м;
в горной местности на спусках более

200 м, при этом скорость движения на участке должна быть ограничена до 10 км/ч, а поезд должен иметь следующее число действующих тормозов: на спусках

- не менее 70% общего числа осей в поезде; на спусках

- не менее 85% и на спусках

и более - 100% тормозных осей.
Б. Для поездов, следующих на автоматическом торможении:
в равнинной местности 400 м;
в сильно холмистой местности и на спусках до

300 м;
в горной местности на спусках более

200 м.
Кроме того, на спусках выше

число действующих тормозных осей в поезде и величина скорости движения перед спуском на каждом отдельном участке при автоматическом и ручном торможении устанавливается на месте опытным путем комиссией с участием представителей вышестоящей организации и обкома профсоюза. Установленное опытным путем число тормозных осей и величину скорости движения поезда перед спуском утверждают приказом по вышестоящей организации, согласованным с обкомом профсоюза.
336. Расчет тормозов при смешанном торможении производится отдельно для каждой части поезда, следующей на автоматическом и ручном торможении. Избыток тормозов одной части засчитывается для покрытия недостатка в другой. Часть поезда с ручным торможением должна иметь число обслуживаемых ручных тормозов, обеспечивающее остановку оторвавшихся вагонов с ручным торможением.
337. Величины расчетного тормозного нажатия колодок в тоннах на одну ось тормозного вагона и локомотива, необходимые для расчета тормозов в поезде, приведены в
табл. 3 и
4.
Типы вагонов | Число осей | Грузоподъемность вагона, т | Тара вагона, т | Нажатие тормозных колодок на одну ось, кН |
нетормозного | тормозного | нетормозного | тормозного | груженый режим | порожний режим | ручного тормоза |
Вагоны-сцепы ЦНИИМЭ-ДВЗ | 8 | 24 | 24,0 | 7,60 | 8,00 | 15 | 7,5 | 7,5 |
Вагоны-сцепы ЛТ-22 | 8 | 27 | 26,5 | 8,85 | 9,48 | 15 | - | 7,5 |
Платформы-сцепы Т-55 | 8 | 20 | - | 3,50 | - | - | - | 10,0 |
Платформы: | | | | | | | | |
грузоподъемностью 20 т | 4 | 20 | - | 7,55 | - | 27 | 13,0 | 10,0 |
грузоподъемностью 14 т | 4 | 14 | - | 4,00 | 4,35 | 15 | 7,5 | 7,5 |
грузоподъемностью 10 т | 4 | 10 | - | 3,19 | 3,743 | 19 | 9,0 | 9,0 |
Пассажирский вагон | 4 | - | 6,0 | - | 11,70 | 19 | 9,0 | 9,0 |
Примечание: При наличии на дорогах типов вагонов, не указанных в данной таблице, общая величина нажатия тормозных колодок на колеса вагона определяется по формуле:
для грузовых вагонов Х = 9,7П;
для пассажирских вагонов Х = 0,3П, где П - масса тары тормозного вагона.
Серия и тип локомотива (тепловоза) | Колесная формула | Число тормозных осей | Служебная масса, т | Нажатие тормозных колодок на ось, кН |
автотормоза | ручного тормоза |
МД-54 | 2-2 | 4 | 8 | - | 6,7 |
ТУ-2 | 2-2 | 4 | 32 | 4,4 | 19,6 |
ТУ-4 | 2-2 | 4 | 18 | 29,4 | 5,9 |
ТУ5 | 2-2 | 4 | 24 | 39,0 | 6,2 |
ТУ6А | 2-2 | 4 | 14 | 25,5 | 5,9 |
ТУ7 | 2-2 | 4 | 24/20 | 39,0 | 6,2 |
338. В случае порчи автотормозов в пути и удержания поезда на месте после его остановки на перегоне в состав поезда на автоматическом торможении включаются вагоны (сцепы) с ручными тормозами с расчетным количеством тормозных осей на каждые 100 т массы поезда согласно
табл. 5.
Уклон,  | Число тормозных осей | Уклон,  | Число тормозных осей | Уклон,  | Число тормозных осей |
0 | 0,5 | 14 | 2,5 | 28 | 5,6 |
2 | 0,5 | 16 | 3,0 | 30 | 6,0 |
4 | 0,5 | 18 | 3,3 | 32 | 7,0 |
6 | 0,6 | 20 | 3,7 | 34 | 8,0 |
8 | 0,9 | 22 | 4,2 | 36 | 9,0 |
10 | 1,5 | 24 | 4,6 | 38 | 10,0 |
12 | 2,0 | 26 | 5,0 | 40 | 10,0 |
339. При переходе в пути на ручное торможение вследствие неисправности автотормозов поезд может продолжать движение только при условии, если имеющееся в поезде количество обслуживаемых и действующих ручных тормозов обеспечивает следование локомотива со скоростью не менее 10 км/ч. При несоблюдении этого условия следует вызывать вспомогательный локомотив или доставлять поезд по частям.
340. Сцепление подвижного состава должно производиться на обе цепи или стяжки. Запрещается сцеплять вагоны или локомотивы с вагонами на одну цепь или на одну стяжку, в том числе и при маневровой работе.
При внедрении на подвижном составе автосцепки вагоны сцепляют в соответствии с "Инструкцией по эксплуатации автосцепного устройства лесовозных железных дорог колеи 750 мм".
341. Ответственным за правильное сцепление вагонов в поезде является сцепщик вагонов или кондуктор, производящий сцепление. Ответственным за техническое состояние сцепных приборов является осмотрщик вагонов или вагонный мастер. За правильное сцепление локомотива с первым вагоном ответственным является машинист локомотива.
342. Пассажирские, грузовые и другие поезда снабжаются:
противопожарными средствами, перечень которых устанавливается приказом начальника дороги по согласованию с пожарной инспекцией;
средствами для оказания первой медицинской помощи;
лопатами для расчистки пути от снега;
топливом для отопления пассажирских вагонов;
приборами и материалами для освещения и сигнализации согласно инструкции по сигнализации.
343. На всех локомотивах должны быть:
средства пожаротушения;
необходимые вспомогательные средства для быстрого соединения частей поезда, разъединившихся во время следования в пути, и для накатки на рельсы вагонов при сходах;
необходимые простейшие приборы и инструменты для быстрого устранения незначительных повреждений подвижного состава, происшедших в пути;
не менее двух тормозных башмаков.
344. Поезд обслуживают:
локомотивная бригада;
вагонный поездной смазчик (по усмотрению начальника дороги);
проводники (пассажирские поезда).
345. Состав поездных бригад устанавливается (по представлению леспромхоза) приказом по вышестоящей организации, согласованным с обкомом (крайкомом) профсоюза рабочих лесной, целлюлозно-бумажной и деревообрабатывающей промышленности в зависимости от вида поездов и условий работы на дороге или участке дороги.
Все кондуктора поезда, включая главного кондуктора, являются в то же время и тормозильщиками.
346. При следовании поезда вагонами вперед на первой (по направлению движения) площадке тормозного вагона должен находиться главный кондуктор.
Постановка локомотивов в поезда
347. Действующие локомотивы ставятся в голове поезда. При двойной тяге впереди ставится локомотив, более легко вписывающийся в кривые или имеющий более сильный двигатель.
348. Следование поездов вагонами вперед допускается:
при движении по временным путям (усам);
при движении служебных, хозяйственных, пожарных и вспомогательных поездов;
при необходимости осаживания с перегона поезда на станцию отправления;
при подаче груженых вагонов на склад для разгрузки и порожних - для погрузки.
349. К локомотивам, следующим одиночным порядком, т.е. когда локомотив не обслуживается кондуктором, на участках дороги со спусками, не превышающими

, допускается прицепка вагонов в количестве не более 8 груженых или 16 порожних осей. На участках дороги со спусками свыше

число вагонов, прицепляемых к локомотивам, следующим одиночным порядком, устанавливается начальником дороги.
350. Локомотивы, отправляемые в холодном состоянии, должны быть приготовлены и поставлены в поезд с таким расчетом, чтобы была гарантирована безопасность при движении. Наблюдение за ним должно вестись локомотивной бригадой действующего локомотива.
Осмотр и безотцепочный ремонт вагонов в поездах
351. Каждый поезд должен подвергаться осмотру:
на станциях по прибытии, при формировании и перед отправлением;
на станциях технического осмотра, предусмотренных графиком движения поездов;
на станциях расформирования;
на пунктах погрузки и выгрузки.
352. При осмотре поездов проверяются исправность подвижного состава и тормозов, правильность составления и сцепления вагонов, а также правильность расположения и увязки грузов на открытом подвижном составе.
353. Опробование автоматических тормозов в поездах производится:
полное - на станциях формирования перед отправлением поезда;
при замене локомотивов или передаче управления машинисту второго локомотива в случае порчи тормозов на перегоне у первого локомотива;
сокращенное - при всяком разъединении рукавов в составе поезда;
после стоянки поезда более 20 мин;
в случае падения давления в главном резервуаре ниже 0,5 МПа.
Полное с выдержкой времени: на раздельных пунктах, предшествующих перегонам с затяжными спусками. Перечень таких станций устанавливается приказом начальника дороги.
При следовании поезда на ручных тормозах проверка их исправности производится на станциях формирования перед отправлением поезда и при замене локомотива.
354. После полной пробы автоматических тормозов и полной пробы с выдержкой времени перед затяжными спусками, а при следовании поезда на ручном или смешанном торможении - после проверки действия автоматических и ручных тормозов осмотрщик-автоматчик, осмотрщик вагонов или вагонный мастер вручает через главного кондуктора машинисту ведущего локомотива справку об исправном действии тормозов, имеющемся числе тормозных осей и числе действующих ручных тормозов, обслуживаемых тормозильщиками.
Сокращенная проба автоматических тормозов и ее оформление производятся поездной бригадой.
355. Безотцепочный ремонт производится:
на пунктах формирования, перед отправлением поездов;
на станциях с вагоноремонтными пунктами и пунктами технического осмотра;
на пунктах массовой погрузки и выгрузки.
Пункты, производящие безотцепочный ремонт, устанавливаются распоряжением начальника дороги.
Для осмотра и безотцепочного ремонта выделяются сменные слесари-осмотрщики, которые должны включать в состав поезда только исправные вагоны.
На пунктах с малой погрузкой и в пути следования технический осмотр вагонов поезда (при отсутствии слесарей-осмотрщиков) производится машинистом локомотива вместе с кондуктором.
356. Осмотр и безотцепочный ремонт вагонов осуществляются в срок, установленный графиком формирования и отправления поездов.
357. Каждый раздельный пункт в части руководства движением поездов и каждый поезд могут находиться одновременно в распоряжения только одного работника: станция - дежурного по станции, пост - дежурного по посту, поезд - главного кондуктора, одиночно следующий локомотив - машиниста.
На раздельных пунктах главный кондуктор, сопровождающий поезд, и машинист, управляющий одиночно следующим локомотивом, подчиняются распоряжениям дежурного по раздельному пункту, а если его нет - диспетчеру.
358. Прием поездов на станцию должен производиться на свободные от подвижного состава пути, предназначенные для этого техническо-распорядительным актом, и только при открытом входном сигнале.
Запрещается дежурному по станции открывать входной сигнал, не убедившись лично или через стрелочников в том, что путь свободен и маршрут на прием поезда готов.
359. Прием поезда на станцию при запрещающем показании или при негорящих основных огнях входного сигнала запрещается. Только в исключительных случаях, особо предусмотренных Инструкцией по движению поездов, может допускаться прием поезда на станцию при запрещающем показании или при негорящих основных огнях входного сигнала.
В этом случае поезд принимается на станцию с проводником, который после остановки поезда перед входным сигналом вручает машинисту специальное разрешение с наименованием станции.
На особо трудных по условиям профиля подходах к станции, перечень которых устанавливается начальником дороги, разрешение на следование поезда на станцию при запрещающем показании или негорящих основных огнях входного сигнала может вручаться проводником машинисту поезда на ходу.
Скорость следования поезда на станцию при приеме с проводником должна быть не более 10 км/ч, чтобы можно было быстро остановить поезд, если встретится препятствие.
360. При составлении техническо-распорядительного акта должен быть разработан порядок последовательного занятия станционных путей поездами с таким расчетом, чтобы каждый пассажирский и ежедневно проходящий товарный поезд принимался на определенный путь, и чтобы сквозные поезда, не имеющие остановки на станции, пропускались, как правило, по главным путям.
361. Начальники станций и дежурные по станциям обязаны обеспечить наличие и готовность свободных путей для приема поезда.
Не допускается занимать приемо-отправочные пути отдельными вагонами или группами вагонов, отцепленных от поездов и предназначенных для подачи под погрузку, ремонт и другие операции.
На промежуточных раздельных пунктах, имеющих только приемо-отправочные пути, временное занятие их отдельными вагонами или группами вагонов может быть допущено только по разрешению дежурного поездного диспетчера.
362. Запрещается занимать улавливающие и предохранительные тупики подвижным составом.
363. После получения извещения об отправлении поезда с соседней станции дежурный по станции должен дать точное распоряжение стрелочнику о приеме поезда с указанием пути, на который этот поезд принимается. Для проверки правильности принятого распоряжения дежурный по станции обязан требовать от стрелочника повторения данного им распоряжения.
При отсутствии штата стрелочников проверка свободного пути для приема поезда производится лично дежурным по станции.
364. Дежурный по станции перед приемом поезда обязан:
прекратить маневры с выходом на путь приема поезда;
дать распоряжение постовым стрелочникам установить стрелки в нужное положение и запереть их (если это предусмотрено техническо-распорядительным актом станции);
проверить, свободен ли путь приема и правильно ли установлены стрелки;
встретить прибывающий поезд на входной стрелке, если на станции не предусмотрен стрелочник.
365. Одновременный прием поездов противоположных направлений запрещается:
если подход к станции хотя бы с одной стороны имеет на протяжении тормозного пути спуск круче

или затяжной спуск круче

и станция не имеет изолированных один от другого маршрутов принимаемых поездов (предохранительными тупиками или взаимным расположением приемо-отправочных путей);
при подходе к станции одновременно двух поездов, из которых один по расписанию не имеет остановки.
В случаях, не допускающих одновременного приема поездов на станцию, при одновременном подходе к станции двух поездов первым принимается поезд, для которого условия остановки у закрытого входного сигнала или трогания с места менее благоприятны, или поезд, за которым отправлен вслед другой поезд.
366. Входной сигнал поезду может быть открыт только в том случае, если маршрут для приема поезда готов, стрелки заперты, путь приема свободен от подвижного состава и маневры на путях приема поезда прекращены.
Входной сигнал открывается дежурным по станции или по его распоряжению в каждом отдельном случае стрелочником.
367. Прибывающий на станцию поезд должен остановиться в границах предельных столбиков.
В том случае, если хвост поезда останется за предельным столбиком, кондуктор и стрелочник обязаны подать сигнал машинисту в продвижении поезда вперед. В случае невозможности правильно установить поезд (длина поезда превышает длину приемных путей), кондуктор и стрелочник обязаны немедленно оградить поезд соответствующими сигналами со стороны соседних путей и доложить об этом дежурному по станции.
368. Входной сигнал закрывается после прохода его всем составом прибывающего поезда.
369. Дежурный по станции встречает каждый прибывающий поезд, следит за исправным состоянием поезда и груза, наличием на нем сигналов и правильным их показанием.
370. Прибытие поезда контролируется дежурным по станции получением доклада от стрелочника после прохода всем составом входной стрелки.
На станциях, где стрелочники не предусмотрены, прибытие поезда контролируется лично дежурным по станции.
После остановки поезда главный кондуктор докладывает дежурному по станции о состоянии поезда.
371. После прибытия или проследования поезда дежурный по станции обязан немедленно известить дежурных обеих соседних станций и дежурного диспетчера дороги о времени прибытия или проследования поезда.
372. Запрещается отправлять поезда на перегон без согласия дежурного по соседнему раздельному пункту или дежурного диспетчера.
Разрешением отправиться поезду с раздельного пункта на перегон служит:
разрешающее показание выходного светофора или семафора - при движении поездов по автоматической и полуавтоматической блокировке;
жезл - при движении поездов по электрожезловой системе;
письменное разрешение установленной формы - при телефонных средствах связи и письменных извещениях;
путевое разрешение по приказу дежурного поездного диспетчера.
373. Запрещается машинисту локомотива при наличии разрешений на отправление поезда с раздельного пункта, а также при остановке в пути приводить поезд в движение без сигнала главного кондуктора, а машинисту одиночного локомотива - без сигнала дежурного по раздельному пункту.
374. Перед отправлением поезда дежурный по станции обязан убедиться, что перегон до соседнего раздельного пункта свободен от поездов.
375. Дежурный по станции перед отправлением поезда обязан:
прекратить маневры с выходом на путь отправления поезда;
установить стрелки в нужное положение и запереть их;
проверить правильность установки стрелок для заданного маршрута.
376. Дежурному по станции запрещается давать разрешение на отправление поезда впредь до прекращения маневров на путях и стрелках, по которым должен следовать поезд.
377. Разрешение на занятие перегона выдается дежурным по станции лично главному кондуктору, который, убедившись в правильности разрешения, вручает его машинисту. При безостановочном проследовании поезда через станцию разрешение на занятие перегона дежурный вручает машинисту на ходу поезда при помощи обруча.
378. Одновременное отправление и прием поезда, следующего в том же направлении, запрещается:
если подход к станции со стороны приема поезда имеет на протяжении тормозного пути спуск круче

или затяжной спуск круче

и станция не имеет изолированных один от другого маршрутов отправляемых и принимаемых поездов (предохранительными тупиками или взаимным расположением приемо-отправочных путей);
если принимаемый поезд по расписанию не имеет остановки.
379. Каждый отправленный или следующий безостановочно через станцию поезд провожается дежурным по станции.
Дежурному, провожающему поезд, запрещается уходить с платформы, не убедившись в том, что поезд проследовал в полном порядке. При проследовании поезда без установленных хвостовых сигналов или с погашенными ночью сигналами дежурный обязан принять меры к его остановке, а если это невозможно, должен немедленно сообщить об этом на соседнюю станцию и дежурному диспетчеру.
380. Отправление поезда контролируется получением дежурным по станции доклада от стрелочника, что поезд проследовал выходную стрелку в полном составе.
На станциях, где стрелочники не предусмотрены, отправление поезда контролируется лично дежурным по станции.
381. Об отправлении или проследовании поезда дежурный по станции обязан немедленно известить дежурного по соседней станции и дежурного диспетчера, сообщив номер поезда и время его отправления, а при необходимости и другие данные, характеризующие состав поезда.
382. Кондуктор является начальником поезда. Он обязан:
принимая поезд, убедиться в том, что состав правильно сформирован и сцеплен, снабжен сигналами и поездным инвентарем и что положение груза в поезде обеспечивает его сохранность и расположение груза не вызовет аварии;
внимательно ознакомиться с правильностью разрешения, выданного на поезд для занятия перегона, а при получении письменного предупреждения - с его содержанием и передать его машинисту ведущего локомотива, своевременно провести поезд по участку, не допуская стоянок, не предусмотренных графиком движения;
следить за состоянием сигналов поезда и сигналами на путях, а также за выполнением их машинистом локомотива;
следить в пути за подаваемыми с поезда и с пути сигналами и принимать меры к безопасному следованию поезда на перегоне;
обращать особое внимание на правильность и прочность закрепления грузов на открытых вагонах и сцепах;
получить от мастера (бригадира) на верхних складах (погрузочных пунктах) или дежурных по станции документ (накладную) с указанием количества древесины в кубометрах или количества хлыстов (деревьев с кронами) повагонно в отправляемом поезде;
следить за состоянием букс вагонов и принимать меры к недопущению их нагревания, горения и задиров;
следить за состоянием груза в пути следования (особенно хлыстов);
следить за скоростью, с которой ведет поезд машинист, и принимать меры к снижению скорости при сильной качке сцепов с хлыстами.
Отправление поездов вслед
383. Отправление поездов вслед с разграничением во времени является исключением и применяется только в светлое время суток с разрешения в каждом отдельном случае дежурного поездного диспетчера.
При отправлении поездов вслед с разграничением по времени необходимо:
межстанционную связь иметь исправной;
промежуток времени между отправленными поездами был не менее 15 мин., а автодрезин при следовании их как за поездами, так и за автодрезинами не менее 5 мин.;
скорость движения поезда, идущего вслед, не превышала скорости поезда, идущего впереди; каждый из этих поездов должен выдерживать свое поперегонное время.
384. Запрещается отправление вслед:
пассажирских поездов, а также поездов, перевозящих разрядные грузы, газы, легкоиспаряющиеся и отравляющие вещества; вслед за этими поездами также не допускается отправление других поездов;
при движении поездов вагонами вперед;
если идущему впереди поезду предстоит остановка на перегоне;
во время тумана, метели и других неблагоприятных условий, понижающих видимость сигнала;
на перегонах с неблагоприятным профилем пути, объявленных приказом по дороге;
за поездами, не вмещающимися на одном приемочном станционном пути.
Скорости движения поездов
385. Скорости движения поездов по перегонам и участкам устанавливаются графиком движения поездов. Запрещается превышать скорость:
при прохождении места, огражденного сигналами "уменьшение скорости" (если не было выдано предупреждение о другой скорости) - более 10 км/ч;
при движении поезда вагонами вперед - более 15 км/ч;
при движении по стрелочным переводам с отклонением на боковые пути - более 15 км/ч;
при подаче поезда на тупиковые пути складов, усов - более 10 км/ч;
при движении по необслуживаемой стрелке на перегоне - более 15 км/ч при условии, если машинист уверен, что стрелка стоит правильно.
При движении поезда вагонами вперед машинист обязан остановить поезд и дальнейшее следование поезда производить только после осмотра стрелки кондуктором и по сигналу последнего.
386. Время прохода перегона отмечается:
главным кондуктором в поездном маршруте с точным обозначением времени отправления, проследования и прибытия на станцию, ограничивающую перегон;
дежурным по станции или разъезду в настольном журнале движения поездов;
дежурным диспетчером на исполненном графике движения с указанием нагона или опоздания в пути по расписанию.
Средства сигнализации и связи при движении поездов
387. Движение поездов может производиться при следующих средствах сигнализации и связи:
электрожезловой системе;
телеграфе и телефоне;
радиосвязи;
письменной связи.
Выбор способа движения поездов устанавливается проектом дороги, а на существующих дорогах утверждается начальником объединения по представлению директора предприятия в зависимости от объема работ и числа пар поездов и объявляется приказом по предприятию (леспромхозу).
Применение на одном перегоне нескольких способов средств связи запрещается.
388. При электрожезловой системе связи разрешением на занятие поездом перегона служит жезл, принадлежащий данному перегону.
Все переговоры по телефону по вопросам движения поездов, а также извлечение и вложение жезлов, выдача и получение их могут производиться только дежурным по станции.
Дежурный по станции имеет право передавать без пропуска через жезловый аппарат жезл, полученный на путях с прибывшего поезда, на отправляемый на тот же перегон поезд; в этом случае необходимо предварительно получить согласие соседней станции, на которую поезд отправляется.
На перегонах, где жезловые аппараты имеют ключи-жезлы, передавать жезл без пропуска его через жезловый аппарат запрещается.
Главный кондуктор и машинист, получив жезл, обязаны убедиться в принадлежности его перегону, на который отправляется поезд.
Запрещается:
запрашивать разрешение на извлечение жезла ранее готовности поезда к отправлению или до момента отправления поезда с соседней станции, за исключением случаев безостановочного пропуска поездов или стоянки их по расписанию не более 3 мин;
хранить действующие жезлы не вложенными в аппарат;
провозить жезл на соседний перегон;
бросать жезл с поезда на землю.
При прекращении действия жезловой системы поезда движутся по телефонному способу средств связи.
389. При телефонной и радиосвязи разрешением на занятие перегона служат путевая телефонограмма или радиограмма, вручаемая машинисту через главного кондуктора.
До выдачи путевой телефонограммы или радиограммы дежурный по станции должен получить согласие соседней станции на отправление поезда.
Обмен поездными телефонограммами или радиограммами осуществляется между соседними станциями дежурными по станциям.
Главный кондуктор, получив путевую телефонограмму или радиограмму, проверяет ее содержание и передает машинисту, который также должен проверить ее содержание.
390. На дорогах или на участках дороги, где движение обслуживается одним или несколькими локомотивами при одном жезле, порядок движения и способ сигнализации и связи устанавливаются начальником дороги в зависимости от местных условий.
391. На лесовозных узкоколейных железных дорогах допускается организация движения поездов с соответствующим оформлением приказа по объединению, по поездным приказам, дежурного поездного диспетчера, когда дежурные по станции не назначаются, а их обязанности временно исполняют главные (старшие) кондуктора поездов, получая все распоряжения от дежурного поездного диспетчера.
При организации движения поездов по системе поездных приказов разрешением на занятие перегона служит письменное разрешение, выдаваемое машинисту главным (старшим) кондуктором по распоряжению поездного диспетчера.
При отправлении поездов на ветки письменное распоряжение поезду с указанием объема и времени работы может выдаваться дежурным по станции, к которой эта ветка примыкает, после согласования с поездным диспетчером.
Порядок организации движения поездов по поездным приказам, а также порядок установки и содержания устройств СЦБ, связи и станционного хозяйства определяются специальной инструкцией, утвержденной начальником дороги.
392. При выходе из строя технических средств связи движение поездов производится по письменным распоряжениям.
393. Письменные средства связи устанавливаются раздельными пунктами преимущественного направления, которым является нечетное (порожнее) направление.
Порядок вождения поездов машинистами локомотивов
394. Машинист локомотива обязан хорошо знать Правила технической эксплуатации, Инструкцию по сигнализации и движению поездов, Должностную инструкцию, конструкцию локомотива, профиль дороги, график и расписание движения поездов, техническо-распорядительные акты станций и разъездов и местные инструкции.
Перед выходом локомотива из депо под поезд или для выполнения маневровых работ машинист должен осмотреть и принять локомотив, проверить исправность всех его механизмов, особенно действие тормозов и песочниц.
Машинисты локомотивов обязаны обеспечить наиболее полное использование мощности локомотивов при экономном расходовании топлива и смазочных материалов.
395. Вождение поездов машинистами локомотива должно осуществляться согласно Правилам технической эксплуатации в соответствии с Инструкцией по сигнализации и движению поездов, Должностной инструкцией и местных приказов и инструкций с полным соблюдением всех указаний по профилю пути.
396. При входе поезда на станцию машинист должен:
при необходимости остановки привести в действие тормоза локомотива, а при следовании на ручном или смешанном торможении привести в действие тормоз локомотива и подать сигнал о приведении в действие ручных тормозов состава так, чтобы остановка локомотива была произведена в пределах предельного столбика и сигналов;
следить по стрелочным указателям за правильностью установки стрелочных переводов и за тем, не заняты ли пути приема подвижным составом;
не отвлекаться от управления локомотивом;
подавать установленные сигналы.
397. При проходе поезда по станционным и складским путям машинист и его помощник обязаны:
следить и точно выполнять не только указания постоянных сигналов, но и сигналов, подаваемых как работниками станции, так и поездными бригадами;
наблюдать за движением поездов и маневровых локомотивов на соседних путях, принимая немедленные меры к остановке в случае появления опасности столкновения.
398. В пути следования запрещается:
превышать скорости, максимально допустимые на данном участке и установленные выданными предупреждениями и указаниями сигналов;
прекращать действия компрессора в пути и на станциях при остановке менее 20 мин.
399. Машинист и его помощник при ведении поезда обязаны следить за состоянием впереди лежащего пути, груза и вагонов в ведомом составе, сигналами, путевыми и сигнальными знаками и повторять друг другу в пути следования показания видимых впереди сигналов; машинист обязан обеспечить своевременное и безопасное следование поездов по перегону с точным соблюдением графика.
При ведении поезда машинист обязан:
содержать тормозные устройства всегда готовыми к действию, проверять их в пути следования, своевременно тормозить и отпускать автотормоза, а при ведении поезда на ручном или смешанном торможении своевременно подавать сигналы о торможении и отпуске ручных тормозов, вести, останавливать и трогать поезд плавно, без рывков и обрывов;
при включении экстренного торможения оставлять ручку крана машиниста в положении экстренного торможения до полной остановки поезда;
следить и своевременно реагировать на показания приборов на пульте управления;
не допускать падения давления в главном резервуаре ниже 0,7 МПа, а в магистрали ниже 0,45 МПа;
в случае порчи автоматических тормозов или компрессора немедленно сократить скорость движения, а при подходе к спускам остановиться, дав сигнал торможения поездной бригады, и привести в действие ручной тормоз локомотива.
400. При отправлении поезда с толкачом запрещается:
машинисту толкача приводить в движение локомотив без соответствующего разрешения на следование;
машинисту ведущего локомотива приводить в движение локомотив до получения ответного сигнала толкача.
401. При следовании в пути с толкачом запрещается:
машинистам головного и подталкивающего локомотивов изменять режим управления локомотивов или останавливать поезд без подачи соответствующих согласованных сигналов;
машинисту толкача прекращать толкание без подачи установленных сигналов и ранее места, обозначенного соответствующим сигнальным знаком;
машинисту толкача при окончании подталкивания (в случае необходимости следовать за поездом) находиться на расстоянии, более близком, чем необходимо для остановки толкача перед хвостом остановившегося поезда; машинист толкача должен входить на станцию прибытия со скоростью, обеспечивающей немедленную остановку.
402. При следовании поезда двойной тягой ходом поезда управляет машинист первого локомотива. Машинист второго локомотива обязан подчиняться всем сигналам машиниста первого локомотива и повторять все его сигналы.
Обоим машинистам запрещается приводить в движение локомотив до получения ответного сигнала второго локомотива.
403. Запрещается допускать к работе машинистов, а также других членов поездной бригады, больных и в нетрезвом виде.
404. Запрещается при следовании поезда локомотивной бригады отвлекаться от управления и обслуживания локомотива и от наблюдения за путем, грузом, составом и сигналами, заниматься посторонними делами, чтением, разговорами и т.п.
405. Запрещается проезд на локомотивах лиц, не входящих в состав поездной бригады, за исключением работников, имеющих право контроля или специальное разрешение на проезд от начальника дороги, но не более двух человек.
На одиночно следующих локомотивах разрешается проезд резервной бригады не более трех человек.
406. Перед отправлением с поездом машинист обязан:
проверить исправность локомотива;
убедиться в правильности сцепления локомотива с первым вагоном поезда;
опробовать автотормоза локомотива и поезда и проверить давление магистрали, не допуская падения давления более 0,02 МПа в течение 1 мин;
получить от осмотрщика-автоматчика, а там, где его нет, от осмотрщика вагонов или вагонного мастера через главного кондуктора справку об обеспеченности поезда тормозами и убедиться в соответствии их установленным нормам.
407. Запрещается машинисту отправляться со станции без получения сигнала отправления главного кондуктора и без получения разрешения (жезла, путевой телефонограммы или другого письменного разрешения) на выход со станции.
Замена поездной бригады в пути
408. Замена машиниста локомотива на промежуточных станциях (болезнь и пр.) может проводиться только распоряжением дежурного диспетчера дороги по согласованию с начальником депо.
Машиниста заменяет его помощник, если он имеет свидетельство на право самостоятельного управления локомотивом, или помощник, имеющий право управления, с находящегося на станции другого локомотива.
При внезапном заболевании машиниста в пути (на перегоне) помощник машиниста обязан дать сигнал общей тревоги, остановить поезд и сообщить о случившемся главному кондуктору поезда, который поручает помощнику довести поезд до первой по пути станции, имеющей связь с дежурным диспетчером, но только при условии, что помощник машиниста имеет право на управление локомотивом.
Дальнейшее ведение поезда этим помощником производится только с разрешения дежурного диспетчера дороги.
Если помощник машиниста не имеет права управления локомотивом, главный кондуктор обязан затребовать от дежурного диспетчера дороги другого машиниста.
До прибытия машиниста поезд вести запрещается.
Остановка поезда вследствие снежных заносов и ливней
409. При остановке поезда в снежном заносе главный кондуктор расчищает имеющимися в его распоряжении средствами путь для дальнейшего движения или требует помощи у дежурного диспетчера или от ближайшей станции.
При небольших снежных заносах допускается отцеплять от поезда локомотив для устранения заноса путем передвижения локомотива вперед и назад по занесенному снегом месту. Поезд, застрявший в снегу, разрешается доставить на станцию по частям. Оставшаяся на перегоне часть поезда ограждается сигналами в установленном порядке.
410. При ливне все линейные работники пути данного перегона независимо от дежурства обязаны явиться на путь для наблюдения за ходом воды и безопасностью полотна в местах, требующих особого надзора во время ливней и весенних вод.
Все опасные места железнодорожного пути, размываемые весенними водами или ливнями, должны быть объявлены приказом по дороге, который доводится до сведения машинистов и кондукторов.
Все сомнительные и опасные места пути при наступлении ливня должны быть ограждены соответствующими сигналами, которые устанавливаются на более возвышенных неразмываемых участках так, чтобы их можно было отчетливо видеть машинистам поездов.
Сигналы эти снимаются по прекращении ливня только после осмотра пути дорожным мастером. Дорожные мастера, руководя ходом работы на этих участках, должны находиться в более ответственных местах для наблюдения за пропуском проходящих поездов.
Как только начинается ливень, который, по предположению дорожного мастера, может нарушить прочность пути и искусственных сооружений, последний должен известить об этом соседние станции и дежурного диспетчера с указанием порядка дальнейшего движения поездов.
Поезд, застигнутый ливнем на перегоне, должен следовать до ближайшей станции и с особой осторожностью проходить опасные участки. Скорость должна быть такой, чтобы при необходимости поезд можно было немедленно остановить. Остановившийся поезд в пути может продолжать дальнейшее следование только после устранения опасности для дальнейшего следования.
Порядок требования помощи с места происшествия
411. Каждый работник дороги, обнаруживший происшествие, обязан немедленно сообщить о случившемся дежурному ближайшего раздельного пункта.
412. Первоначальное затребование помощи поезду передается главным кондуктором на ближайшую станцию по радиотелефону, а при отсутствии связи посылкой нарочного или поездного локомотива, если он исправен.
В требовании о помощи указывается:
время происшествия (число, часы, минуты);
место происшествия (перегон, километр);
номер поезда или движущейся единицы, род его и характеристика состава;
описание происшествия (неисправность локомотива, сход с рельсов, столкновение, разрыв поезда, пожар и т.п.);
последствия происшествия (число вагонов, сошедших с рельсов, поврежденных или разбитых, число пострадавших людей);
причина происшествия очевидная или предполагаемая;
какая требуется помощь (вспомогательный поезд, отдельный локомотив, медицинская помощь и т.д.).
413. Если происшествие произошло на территории станции, установление размеров происшествия и вызов вспомогательного поезда осуществляется дежурным по станции.
414. По затребовании вспомогательного поезда главный кондуктор пострадавшего поезда должен возможными средствами вызвать ближайшего дорожного мастера или бригадира пути, который обязан немедленно отправиться на место происшествия с рабочими, взявшими инструмент.
Подготовительные работы нужно вести так, чтобы не уничтожить следов и признаков, по которым старшие технические работники и следственные органы, прибывшие с вспомогательным поездом, могли бы установить точную причину обстоятельства и общую картину происшествия.
415. Если в остановившемся на пути поезде некоторое число вагонов непосредственно за локомотивом останется на рельсах неповрежденным, что устанавливается машинистом поезда, то допускается отделить эти вагоны, за исключением одного вагона (сцепа), ближайшего к сошедшим с пути вагонам, и отправить переднюю часть поезда до соседней станции, а если поезд был пассажирский, то пересадить в отправляемые вагоны людей из других вагонов. В этом случае письменное извещение о происшествии и требовании помощи может быть послано с машинистом поезда.
Действия работников, получивших первоначальное донесение
о происшествии
416. Дежурный по станции или дежурный диспетчер дороги, получивший донесение о происшествии и требование о высылке помощи, обязан в установленном порядке немедленно закрыть данный перегон или путь для движения поездов, после чего в зависимости от обстоятельств организовать помощь всеми имеющимися средствами и в первую очередь пострадавшим людям, затребовать вспомогательный поезд со станции приписки, а также осуществить прочие мероприятия, необходимые для ликвидации происшествия и открытия движения поездов по перегону.
417. При крупных авариях одновременно с требованием подготовки к отправлению вспомогательного поезда нужно уведомить о происшествии (аварии) и вызвать на место происшествия начальника дороги, начальников служб, директора или главного инженера леспромхоза, а при наличии пострадавших - и медицинских работников.
418. Для выявления причины происшествия и определения мероприятий по предупреждению их возникновения создается комиссия в составе главного инженера леспромхоза (председатель), начальника дороги с участием начальников служб, инженера по технике безопасности предприятия (леспромхоза) и представителя профсоюза.
Порядок действия при вынужденной остановке поезда
на перегоне
419. При вынужденной остановке поезда на перегоне машинист обязан:
привести в действие автотормоза и подать сигнал для затормаживания ручных тормозов;
остановить поезд по возможности на площадке и на прямой части пути в случае, если не требуется экстренной остановки;
немедленно выяснить совместно с главным кондуктором возможность дальнейшего следования.
420. Главный кондуктор обязан (в случае, если поезд не может следовать дальше) выяснить причины остановки и принять меры к ограждению поезда, одновременно устраняя возникшие препятствия имеющимися в его распоряжении средствами.
421. Ограждение поезда производится по истечении 10 мин после остановки поезда на перегоне, в том числе и у закрытого входного сигнала.
При остановке поезда, за которым назначено отправление вслед другого поезда, ограждение производится немедленно.
Кондуктор хвостового вагона, приведя в действие ручной тормоз, ночью поворачивает боковой фонарь хвостового вагона красным огнем в сторону локомотива, а днем подвешивает на крюке хвостового вагона развернутый красный флаг. При остановке поезда на подъеме кондуктор подкладывает под колеса хвостового вагона тормозной башмак. После этого кондуктор хвостового вагона отходит на расстояние установленного тормозного пути и показывает красный сигнал в сторону перегона.
При остановке поезда во время тумана, метели и других неблагоприятных условиях, понижающих видимость сигналов, при затребовании вспомогательного и пожарного поездов или вспомогательного локомотива распоряжением главного кондуктора со стороны головы поезд ограждается так же, как и с хвоста, одним из работников поездной бригады.
К ограждению остановившегося на перегоне поезда распоряжением главного кондуктора могут быть привлечены работники других служб.
422. Одновременно с ограждением поезда сигналами главный кондуктор лично и через поездную бригаду обязан:
уложить все имеющиеся в поезде башмаки под колеса, если поезд остановился на уклоне;
привести в действие все ручные тормоза, имеющиеся в поезде;
немедленно связаться с соседними станциями или диспетчером при наличии в поезде телефонного аппарата, а при отсутствии его - с ближайшего пункта, имеющего телефонную связь.
Если локомотив поезда оборудован поездной радиосвязью, сообщение о вынужденной остановке поезда и о его ограждении передается дежурным по соседним станциям и дежурному диспетчеру.
423. Если поезд остановился на крутом подъеме и в хвосте не имеется толкача, машинист должен осадить поезд на более легкий профиль того же перегона.
Осаживание до ближайшей площадки производится под прикрытием сигнала остановки, переносимого на расстояние длины установленного тормозного пути от осаживаемого поезда. Скорость осаживания должна быть не более 5 км/ч.
Осаживание поезда не допускается:
во время тумана, метели и при других неблагоприятных условиях, когда сигналы трудно различимы;
если вслед за остановившимся поездом следует другой поезд;
если остановившийся поезд был отправлен при перерыве всех установленных средств связи и сигнализации.
424. Если поезд не может самостоятельно следовать после остановки, то состав его выводится с перегона по частям поездным локомотивом, а при неисправности поездного локомотива - восстановительным локомотивом полностью или по частям.
Головная часть поезда отправляется на станцию по письменному разрешению главного кондуктора в сопровождении одного из работников поездной бригады.
425. Поезд может быть возвращен с перегона только по распоряжению дежурного по раздельному пункту отправления.
426. Если затребованы восстановительный или пожарный поезд, а также вспомогательный локомотив, то остановившийся поезд не может продолжать дальнейшего движения или возвратиться обратно на раздельный пункт без соответствующего разрешения, пока не прибудет затребованная помощь.
427. Правом на следование восстановительному или пожарному поезду или вспомогательному локомотиву на закрытый для движения перегон или путь служит письменное разрешение.
428. После получения требования на высылку вспомогательного или пожарного поезда, а также вспомогательного локомотива дежурный по станции должен немедленно доложить об этом дежурному диспетчеру.
Дежурный диспетчер закрывает в установленном порядке перегон и устанавливает порядок оказания помощи и освобождения перегона.
429. Восстановительный и пожарный поезда или вспомогательный локомотив, направляемые к месту остановки поезда или аварии, сопровождаются начальником станции или одним из руководителей (ИТР) дороги, а при отправлении с необслуживаемых раздельных пунктов обязанности сопровождающего приказом дежурного диспетчера возлагаются на главного кондуктора отправляемого поезда.
430. При выводе поезда по частям локомотив, следующий на перегон за оставшейся частью, сопровождается работником поездной бригады, прибывшим на станцию с головной частью поезда.
Движение дрезин съемного типа, путевых вагончиков
и путеизмерительных тележек
431. Движение съемных дрезин, путевых вагончиков и путеизмерительных тележек производится без выдачи поездных документов на право занятия ими перегона. Порядок движения их устанавливается начальником дороги.
432. Движение путевых вагончиков и дрезин ни в коем случае не должно вызывать какого бы то ни было нарушения следования поездов по расписанию. Для обеспечения этого старший работник, сопровождающий дрезину, путевой вагончик или путеизмерительную тележку, перед отправлением со станции на перегон обязан получить сведения от дежурного по раздельному пункту о фактическом движении поездов; число людей, сопровождающих съемные дрезины, путевые вагончики и т.п., должно быть достаточным для немедленного снятия их и грузов с пути при приближении поезда.
Предупреждения, выдаваемые на поезда
433. Предупреждения на поезда выдаются:
при неисправном пути, искусственных сооружений и ремонтных работах в случаях, требующих уменьшения скорости или остановки в пути;
при неисправности приборов сигнализации с указанием порядка движения поездов;
при расцепке локомотива у мостов, не допускающих прохода их двойной тягой;
при отправлении поезда с грузами, выходящими за пределы габарита, с указанием порядка следования такого поезда;
вспомогательным и пожарным поездам, вспомогательным локомотивам и снегоочистителям при выходе на занятый перегон;
поездам, следующим на перегон с остановкой;
при приеме поезда на станцию с указанием остановки у входного сигнала и входа на станцию с проводником;
при отправлении поезда на ручных тормозах вследствие неисправности автотормозов с указанием порядка движения такого поезда;
при отправлении поезда на ответвление, не обслуживаемое постом, с возвращением или следованием дальше;
при постановке в поезд подвижного состава, который не может следовать за скоростью, установленной для данного участка;
при работе на перегоне съемных единиц в условиях плохой видимости, а также при перевозке на путевых вагончиках тяжелых грузов;
при получении дежурным по станции уведомления о неисправности пути на перегоне;
при отправлении поезда на перегон, имеющий сплетение путей, с указанием порядка и скорости прохода поезда через сплетение;
при выходе из строя всех видов связи.
Предупреждения выдаются дежурным по станции или дежурным диспетчером.
ГАБАРИТЫ ПРИБЛИЖЕНИЯ СТРОЕНИЙ И ПОДВИЖНОГО СОСТАВА
ЖЕЛЕЗНЫХ ДОРОГ КОЛЕИ 750 мм
1. Габарит приближения строений (рис. 1)
Рис. 1
2. Габарит подвижного состава
Верхнее очертание габарита (рис. 2)
Рис. 2
Нижнее очертание габарита (рис. 3)
Рис. 3
| линия приближения сооружений и устройств, кроме расположенных на путях, электрификация которых исключена; |
| линия приближения сооружений и устройств из сгораемых материалов на путях, электрификация которых исключена; |
| линия приближения зданий, сооружений и устройств из несгораемых и трудносгораемых материалов на путях, электрификация которых исключена; |
| линия приближения зданий, сооружений и устройств (кроме пролетных строений мостов, тоннелей, галерей и платформ), расположенных с внешней стороны крайних путей на перегонах и раздельных пунктах. В особо трудных условиях, при соответствующем обосновании и по разрешению министерства или ведомства, в ведении которого находятся железнодорожные пути, это расстояние может быть уменьшено до внутреннего края опор контактной сети, мачт светофоров и семафоров - до 2300 мм на перегонах и до 1925 мм - на раздельных пунктах; до зданий - до 2300 мм на перегонах; |
| линия приближения перил на мостах, эстакадах и других искусственных сооружениях. |
3. Габарит погрузки грузов
Грузы, перевозимые на открытом подвижном составе (с длиной
L прямоугольной части погрузочной платформы не более 10 м и базой
l не более 6,90 м или при меньших значениях
L и
l, но с обеспечением отношения

), могут иметь по длине погрузочной платформы размеры габарита погрузки, показанного на
рис. 4.
Примечания:
1. Размер A должен устанавливаться в зависимости от высоты пола используемого подвижного состава (платформы, сцепа, транспортера и др.) и массы перевозимого груза.
2. При перевозке грузов на подвижном составе специальных видов и в пределах ограниченного круга дорог (путей) габарит погрузки может иметь размеры, более указанных на
рис. 4, которые должны получаться путем уменьшения габарита
Tу.
На железных дорогах, предназначенных для перевозки длинномерных грузов или древесины в хлыстах и имеющих уширения в кривых участках пути по нормам, допускается иметь размеры габарита погрузки, показанного на
рис. 4, по всей длине длинномерных грузов.
Установка путевых знаков. Места установки вдоль пути. Знаки-указатели плана и профиля пути устанавливаются с правой стороны от пути по счету километров, за исключением знаков начала и конца кривой, которые устанавливаются в зависимости от положения кривой по концам ее с наружной стороны.
Предупредительные знаки для машинистов и временные указатели для снегоочистителей устанавливаются с правой стороны от пути по ходу поезда.
Места установки по габариту приближений строений к пути
Знаки, не превышающие уровня головки рельса, устанавливаются на бровке полотна на расстоянии от оси пути не менее 1,7 м. Знаки, помещаемые на столбах выше уровня головки рельса, устанавливаются в насыпи от оси пути на расстоянии 2,35 м. В выемке знаки устанавливаются на откосе на уровне бровки полотна на расстоянии от оси пути не ближе 2,85 м.
В кривых частях пути расстояние от оси пути до знака должно увеличиваться в зависимости от радиуса кривой согласно величинам, приведенным в таблице.
Радиус кривой, м | Расстояние от оси пути до знака, мм | Радиус кривой, м | Расстояние от оси пути до знака, мм |
с внутренней стороны кривой | с наружной стороны кривой | с внутренней стороны кривой | с наружной стороны кривой |
1000 | 30 | 10 | 125 | 250 | 70 |
800 | 40 | 10 | 100 | 300 | 80 |
600 | 50 | 10 | 80 | 360 | 100 |
500 | 60 | 15 | 60 | 380 | 130 |
400 | 75 | 20 | 50 | 400 | 160 |
300 | 100 | 25 | 40 | 420 | 200 |
250 | 120 | 30 | 30 | 460 | 260 |
200 | 150 | 40 | 25 | 500 | 310 |
150 | 210 | 60 | 20 | 550 | 380 |
Примечания:
1. Для устойчивости знаков, установленных на откосе насыпи, около полотна устраивают земляную присыпку, которую при возведении утрамбовывают, а затем покрывают дерном.
2. В скальных выемках знак устанавливается на расстоянии 1 м от края откоса выемки.
Технические условия на изготовление путевых знаков
Столбы. Столбы путевых знаков изготовляются из строительного леса диаметром 150 - 170 мм с чистой острожкой и отделкой верха. Конец столба, закапываемый в землю, покрывается антисептиком или обжигается. Пикетные знаки могут быть каменные или бетонные.
Таблицы. Таблицы путевых знаков - километровых, уклоноуказательных и указателей кривых - изготовляются из металла толщиной 1,5 - 3 мм. Таблицы знаков и знаки у переездов изготовляются из сухих досок толщиной 35 мм. Таблицы шириной 300 и 400 мм изготовляются из двух досок на шпонках и обшиваются кровельным железом с лицевой стороны. Таблицы по форме и размерам должны соответствовать чертежам и прикрепляться к столбам способом, указанным в чертежах.
Шрифт. Размеры букв и цифр в надписях и расстояния между цифрами должны точно соответствовать чертежам. Все надписи делаются черной краской на белом фоне.
Окраска. Окраска путевых знаков производится масляной краской за 2 раза. Столбы путевых знаков окрашиваются в серый цвет, а верх и низ по чертежу - в черный. Таблицы окрашиваются с лицевой стороны в белый цвет, а с обратной стороны - в черный, за исключением переездного знака, который окрашивается с обеих сторон в белый цвет. В знаке "свисток" нижняя половина таблицы по чертежу окрашивается в зеленый цвет.
КИЛОМЕТРОВЫЙ ЗНАК (РИС. 5)
Рис. 5
ПИКЕТНЫЙ ЗНАК (РИС. 6)
Рис. 6
Знак окрашивается в белый цвет, низ и верх по чертежу - в черный цвет.
Размер цифр на рельсовом столбике 150 x 60 мм.
Для деревянных столбиков цифры на сторонах, перпендикулярных пути, - одна указывает окончившийся пикет, другая - начинающийся.
Могут применяться также пикетные знаки каменные и бетонные высокие, не превышающие уровня головки рельса, с цифрами тех же размеров, как и на деревянных знаках.
Устанавливаются между километровыми знаками через каждые 100 м.
ЗНАКИ НАЧАЛА И КОНЦА КРИВОЙ
(РИС. 7, РИС. 8)
Рис. 7
Рис. 8
Р - радиус кривой, м;
К - длина круговой кривой, м;
В - возвышение наружного рельса, мм;
Шк - ширина колеи с кривой - две последние цифры, мм.
УКЛОНА УКАЗАТЕЛЬНЫЙ ЗНАК (РИС. 9)
Рис. 9
О ПОДАЧЕ СВИСТКА (РИС. 10)
Рис. 10
Черная буква "С" на белом фоне.
Заштрихованная часть зеленого цвета. Обратная сторона черного цвета. Устанавливается с правой стороны от пути по ходу поезда на расстоянии 250 - 500 м от места, требующего предупреждения о подходе поезда (моста, неохраняемых переездов и т.п.).
ЗНАК ОБРЫВНОГО МЕСТА (РИС. 11)
Рис. 11
Устанавливается на расстоянии 150 м от начала обрывного места.
УКАЗАТЕЛИ ГРАНИЦ ДИСТАНЦИЙ ПУТИ И ОКОЛОТКОВ (РИС. 12)
Рис. 12
Если границы околотков и дистанций пути совпадают, то на пограничном столбе устанавливается всегда лишь один указатель, разграничивающий наиболее крупные административные единицы. Указатель ставится на километровом столбе.
УКАЗАТЕЛЬ ГРАНИЦЫ ЖЕЛЕЗНОДОРОЖНОЙ ПОЛОСЫ ОТВОДА (РИС. 13)
Рис. 13
Выжигается или наносится краской. Окрашивается в серый цвет; верх и низ по чертежу - в черный цвет.
Допускается изготовление каменных и бетонных знаков при сохранении тех же размеров по высоте разъемной части.
Предельный столбик у стрелочных переводов
(рис. 14).
Цифры черного цвета. На срезах, обращенных острием к стрелке, указываются номера соответствующих станционных путей. Устанавливаются так, чтобы расстояние их между осью столбика и каждой из осей сходящихся путей было не меньше 1440 мм.
БЕРЕГИСЬ ПОЕЗДА (РИС. 15)
Рис. 15
Таблицы окрашиваются с обеих сторон в белый цвет. При надписи на одном только русском языке высота таблицы 200 мм. Устанавливаются с правой стороны автогужевой дороги на расстоянии 20 м от наружного рельса.
УКАЗАТЕЛИ ДЛЯ ОГРАЖДЕНИЯ ПРЕПЯТСТВИЙ К ПРОХОДУ
СНЕГООЧИСТИТЕЛЕЙ В РАБОЧЕМ СОСТОЯНИИ (РИС. 16, 17)
Рис. 16
Рис. 17
Устанавливается с правой стороны пути по ходу поезда на расстоянии 20 - 30 м до препятствия с обеих его сторон. При двух близких препятствиях, между которыми работа снегоочистителя невозможна, на шесте помещаются два указателя один под другим.
Устанавливаются с правой стороны пути по ходу поезда на расстоянии 10 м после препятствия с обеих его сторон. Указатели окрашиваются в черный цвет.
ОБЯЗАТЕЛЬСТВО
Выданные мне в пользование "
Правила технической эксплуатации лесовозных
железных дорог колеи 750 мм" изучил и точно знаю все правила, касающиеся
должности _________________________________________________________________
___________________________________________________________________________
а также знаком с общим содержанием Правил.
Обязуюсь:
а) беспрекословно выполнять "
Правила технической эксплуатации
лесовозных железных дорог колеи 750 мм";
б) возвратить Правила по требованию выдавшего их начальника или при
оставлении мной работы.
Фамилия, имя, отчество ________________________________________________
___________________________________________________________________________
Место работы __________________________________________________________
Должность _____________________________________________________________
Подпись ________________________________________
Дата ___________________________________________