Главная // Актуальные документы // НормыСПРАВКА
Источник публикации
Документ опубликован не был
Примечание к документу
Документ утратил силу с 01.03.2022 в связи с изданием
Решения ГКРЧ при Минцифры России от 29.11.2021 N 21-60-01. Взамен введены в действие для РЭС, введенных в эксплуатацию до 01.01.2014
Нормы 18-07-21, для вновь разрабатываемых и вводимых в эксплуатацию РЭС, а также введенных в эксплуатацию после 01.01.2014
Нормы 18-21.
Данный документ действует для РЭС, введенных в эксплуатацию до 01.01.2014 до окончания срока использования оборудования, но не позднее 01.01.2024, для вновь разрабатываемых и вводимых в эксплуатацию РЭС действуют
Нормы 18-13 (
Решение ГКРЧ при Минкомсвязи России от 24.05.2013 N 13-18-03).
Оценка соблюдения обязательных требований, содержащихся в данном документе, привлечение к административной ответственности за их несоблюдение допускаются до 01.03.2022 (
Постановление Правительства РФ от 31.12.2020 N 2467).
Документ введен в действие с 01.07.2007 (
Решение ГКРЧ при Мининформсвязи России от 12.02.2007 N 07-19-07-001).
Взамен Норм 18-85.
Название документа
"Нормы 18-07. Радиопередающие устройства гражданского назначения. Требования на допустимые уровни побочных излучений. Методы контроля"
(утв. и введен в действие Решением ГКРЧ при Мининформсвязи России от 12.02.2007 N 07-19-07-001)
"Нормы 18-07. Радиопередающие устройства гражданского назначения. Требования на допустимые уровни побочных излучений. Методы контроля"
(утв. и введен в действие Решением ГКРЧ при Мининформсвязи России от 12.02.2007 N 07-19-07-001)
и введены в действие
от 12 февраля 2007 г. N 07-19-07-001
РАДИОПЕРЕДАЮЩИЕ УСТРОЙСТВА ГРАЖДАНСКОГО НАЗНАЧЕНИЯ.
ТРЕБОВАНИЯ НА ДОПУСТИМЫЕ УРОВНИ ПОБОЧНЫХ ИЗЛУЧЕНИЙ.
МЕТОДЫ КОНТРОЛЯ
НОРМЫ 18-07
1.1 Настоящие Нормы устанавливают требования на уровни побочных излучений радиопередающих устройств гражданского назначения в диапазоне рабочих частот от 9 кГц до 17,7 ГГц.
1.2 Настоящие Нормы распространяются на все действующие, закупаемые за рубежом, выпускаемые, устанавливаемые и вновь разрабатываемые (модернизируемые) радиопередатчики гражданского назначения, за исключением переносных радиопередатчиков спасательных средств, радиопередатчиков, используемых для передачи сигналов тревоги и бедствия, и радиопередатчиков, работающих в полосах частот ниже 30 МГц с пиковой мощностью менее 1 Вт.
1.3 Нормы ГКРЧ являются обязательными для всех юридических и физических лиц на территории Российской Федерации, занимающихся разработкой, изготовлением, эксплуатацией (применением) и ввозом из-за границы на территорию Российской Федерации радиопередающих устройств гражданского назначения.
1.4 Контроль нормируемых параметров побочных излучений радиопередающих устройств гражданского назначения осуществляется:
а) при испытаниях на этапах разработки, изготовления и подтверждения соответствия установленным требованиям. При этом порядок контроля в ходе других видов испытаний устанавливается в соответствии с техническими условиями на радиопередающие устройства;
б) органами радиочастотной службы и государственного надзора за деятельностью в области связи в случаях возникновения радиопомех на этапах эксплуатации РЭС.
В настоящих Нормах использованы положения документов
[1] - [7] и ссылки на следующие стандарты:
ГОСТ 23611-79 Совместимость радиоэлектронных средств электромагнитная. Термины и определения.
3.1 Побочное излучение: нежелательное радиоизлучение через антенну радиопередающего устройства, возникающее в результате любых нелинейных процессов в радиопередающем устройстве, кроме процесса модуляции.
3.2 Побочные колебания: нежелательные радиоколебания на выходе радиопередатчика, возникающие в результате любых нелинейных процессов в радиопередатчике, кроме процесса модуляции.
3.3 Диапазон частот контроля: область побочных излучений, в которой контроль уровней побочных излучений является обязательным.
3.4 Эквивалентное нагрузочное сопротивление: сопротивление нагрузки, равное волновому сопротивлению антенно-фидерного тракта контролируемого радиопередатчика.
3.5 Радиослужба: служба, определенная Регламентом радиосвязи, включающая передачу, излучение и/или прием радиоизлучений для определенных целей электросвязи.
4 Обозначения, сокращения и размерности величин
А - ослабление побочных колебаний относительно уровня мощности на
пи
выходе радиопередатчика, дБ;
В - необходимая ширина полосы радиочастот;
н
В - контрольная ширина полосы частот (на уровне минус 30 дБ
к
относительно максимального уровня сигнала);
В - полоса частот пропускания измерительного приемника, кГц, МГц;
пр
В - полоса частот пропускания измерительного приемника, используемая
i
при измерении уровней ПК (ПИ), кГц, МГц;
С - затухание, вносимое фильтром вне полосы пропускания, дБ;
ф
D - максимальный размер раскрыва антенны испытуемого РЭС, м (см);
а
D - максимальный размер раскрыва измерительной антенны, м (см);
и.а
f - рабочая частота радиопередатчика, кГц, МГц;
0
f - рабочая частота дополнительного передатчика, кГц, МГц;
д
f - частота побочного излучения, кГц, МГц;
i
f - критическая частота коаксиальной линии передачи при одномодовом
в.к
режиме распространении колебаний, МГц;
f - критическая частота для радиопередающих устройств с волноводными
кр
трактами, МГц;
G - коэффициент усиления антенны радиопередающего устройства на
0
частоте измерений основного излучения, дБ;
G - коэффициент усиления антенны радиопередающего устройства на
i
частоте измерений побочного излучения, дБ;
G - коэффициент усиления измерительной антенны, дБ;
f
H - ослабление чувствительности измерительного приемника на побочных
каналах приема относительно чувствительности приемника на основном канале
приема, дБ;
k - коэффициент передачи по мощности высокочастотного
0(i)
измерительного тракта на частоте измерений;
k - коэффициент передачи по напряжению высокочастотного
u0(ui)
измерительного тракта на частоте измерений;
k - минимальный коэффициент передачи по мощности высокочастотного
мин
измерительного тракта в диапазоне частот контроля;
k - коэффициент передачи по мощности направленного ответвителя
н.0(н.i)
(развязывающего аттенюатора) на частоте измерений;

- длина волны, на которой производятся измерения, м (см);
P - средняя мощность на выходе радиопередающего устройства, Вт, дБ
(отн. 1 Вт).
В случае применения пакетной передачи средняя мощность P и средняя
мощность любых побочных излучений измеряются путем усреднения мощности за
время длительности пакета;
P - мощность на выходе радиопередающего устройства, усредненная за
пик
время одного радиочастотного периода, соответствующая максимуму огибающей
модуляции при нормальных условиях работы, Вт, дБ (отн. 1 Вт);
P - плотность потока мощности;
(п.п.м.)
P (U ) - нижний предел измерения мощности (напряжения)
н.п н.п
измерительного приемника, Вт (В);
P (U ) - верхний предел измерения мощности (напряжения)
в.п в.п
измерительного приемника, Вт (В);
P (U ) - максимальная мощность (напряжение) наводимой
н.макс н.макс
помехи, Вт (В);
P - мощность радиопередатчика на рабочей частоте, Вт, дБ (отн. 1 Вт);
0
P (U ) - измеренное значение мощности (напряжения) на входе
и0 и0
измерительного приемника на рабочей частоте контролируемого
радиопередатчика, Вт (В);
P (U ) - измеренное значение мощности (напряжения) на входе
иi иi
измерительного приемника на частоте i-го ПК (ПИ), Вт (В);
P - допустимая мощность рассеяния аттенюатора (направленного
ат
ответвителя), Вт, дБ (отн. 1 Вт) ;
P - мощность, снимаемая с ответвителей, ориентированных
пад (отр)
соответственно на падающую и отраженную волны, Вт;
U - напряжение, снимаемое с ответвителей, ориентированных
пад (отр)
соответственно на падающую и отраженную волны, В;
P - проходящая мощность ПК (ПИ) на частоте измерения, Вт;
пр.0(i)
P - максимально допустимая мощность в области побочных излучений при
i
соответствующей ширине полосы и мощности P, мВт, дБ (отн. 1 мВт);
P - мощность побочных излучений по показаниям измерительного
if
приемника на частоте f, мВт, дБ ( отн. 1 мВт);
R - входное сопротивление измерительной антенны, Ом;
a
R - входное сопротивление измерительного приемника, Ом;
вх
R - выходное сопротивление измерительного генератора, Ом;
вых
r - расстояние между антенной контролируемого радиопередающего устройства
и измерительной антенной, м;
S - эффективная площадь измерительной антенны на частоте основного
0
излучения, кв. м (кв. см);
S - эффективная площадь измерительной антенны на частоте побочного
i
излучения, кв. м (кв. см).
Примечание - Индекс "0" относится к рабочей частоте, индекс "i" - к частоте i-го ПИ (ПК).
НОМ - направленный одномодовый ответвитель
НОММ - направленный многомодовый ответвитель
НШПЧ - необходимая ширина полосы частот
КСВН - коэффициент стоячей волны по напряжению
ПИ - побочные излучения
ПК - побочные колебания
РЛС - радиолокационная станция (станции)
РР - Регламент радиосвязи
5 Диапазон частот контроля побочных излучений
5.1 Диапазон частот контроля побочных излучений располагается ниже и
выше области в неполосных излучений радиопередатчика и определяется
нижней F и верхней F границами (см. рисунок 1).
н в
Рисунок 1 - Области контроля побочных изучений
Границы области контроля побочных излучений в общем случае
отсчитываются от центральной частоты основного излучения f .
с
Примечания
1 Для большинства классов излучения центральная (присвоенная) частота излучения совпадает с центром НШПЧ (кроме, например, однополосных одноканальных излучений в морской и воздушной подвижных службах).
2 Для многоканальных систем или транспондеров с многими несущими, излучаемыми одновременно через оконечный усилитель и/или активную антенну, центральной частотой излучения должен считаться центр полосы на уровне минус 3 дБ такого радиопередатчика или транспондера, и именно эта ширина полосы служит для определения границ излучения вместо НШПЧ.
5.2 Нижняя граница диапазона частот контроля побочных излучений находится на частотах, которые отстоят от центральной частоты излучения на величины, указанные в таблице 1.
Таблица 1
РАЗНОС ЧАСТОТ (ОТСТРОЙКА

) МЕЖДУ ЦЕНТРАЛЬНОЙ
ЧАСТОТОЙ ОСНОВНОГО ИЗЛУЧЕНИЯ f И НИЖНЕЙ ГРАНИЦЕЙ F
с н
ИЗМЕРЕНИЙ В ОБЛАСТИ ПОБОЧНЫХ ИЗЛУЧЕНИЙ
───────────────────────────────────────────────────────────────────────────
Полоса рабочих частот Узкополосные Отстрой- Широкополосные передачи
передачи ка

────────────────── ──────────────────────────
Для Отстрой- для Для Отстройка

В < ка

промежу- В >
н точных н
значений
В
н
───────────────────────────────────────────────────────────────────────────
9 кГц < f <= 150 кГц 250 Гц 625 Гц 2,5 В 10 кГц 1,5 В + 10 кГц
с н н
───────────────────────────────────────────────────────────────────────────
150 кГц < f <= 30 МГц 4 кГц 10 кГц 2,5 В 100 кГц 1,5 В + 100 кГц
с н н
───────────────────────────────────────────────────────────────────────────
30 МГц < f <= 1 ГГц 25 кГц 62,5 кГц 2,5 В 10 МГц 1,5 В + 10 МГц
с н н
───────────────────────────────────────────────────────────────────────────
1 ГГц < f <= 3 ГГц 100 кГц 250 кГц 2,5 В 50 МГц 1,5 В + 50 МГц
с н н
───────────────────────────────────────────────────────────────────────────
3 ГГц < f <= 10 ГГц 100 кГц 250 кГц 2,5 В 100 МГц 1,5 В + 100 МГц
с н н
───────────────────────────────────────────────────────────────────────────
f > 10 ГГц 300 кГц 750 кГц 2,5 В 250 МГц 1,5 В + 250 МГц
с н н
────────────────────────────────────────────────────
500 кГц 1,25 МГц 2,5 В 500 МГц 1,5 В + 500 МГц
н н
───────────────────────────
1 МГц 2,5 МГц 2,5 В
н
───────────────────────────────────────────────────────────────────────────
5.3 Верхняя граница диапазона частот контроля побочных излучений F
В
определяется по таблице 2.
Таблица 2
ВЕРХНЯЯ ГРАНИЦА F ДИАПАЗОНА ЧАСТОТ КОНТРОЛЯ
в
ПОБОЧНЫХ ИЗЛУЧЕНИЙ
┌───────────────────┬─────────────────────────────────────────────────────┐
│Частотный диапазон │ Границы диапазонов измерений побочных излучений │
│ радиопередатчика ├─────────────────────────┬───────────────────────────┤
│ │Ниже области внеполосных │ Выше области внеполосных │
│ │ излучений (F') │ излучений (F ) │
│ │ В │ В │
├───────────────────┼─────────────────────────┼───────────────────────────┤
│9 кГц - 300 МГц │9 кГц │9-я гармоника │
├───────────────────┼─────────────────────────┼───────────────────────────┤
│300 МГц - 5200 МГц │30 МГц │5-я гармоника │
├───────────────────┼─────────────────────────┼───────────────────────────┤
│5,2 ГГц - 17,7 ГГц │1 ГГц │3-я гармоника │
└───────────────────┴─────────────────────────┴───────────────────────────┘
6 Нормы на допустимые уровни побочных колебаний (излучений)
Требования на допустимые уровни побочных колебаний (излучений)
радиопередающих устройств гражданского назначения в диапазоне частот
контроля побочных излучений установлены в
таблице 3. Требования
предусматривают выполнение необходимого ослабления (А ) мощности
пи
побочных колебаний относительно мощности основного излучения на выходе
радиопередатчика.
В таблице 3 (третий столбец) приведены также требования к допустимым
уровням побочных колебаний в виде максимально допустимой мощности (P )
i
любых составляющих побочных колебаний, поступающих от радиопередатчика на
антенну, которые эквивалентны требованиям А .
пи
Таблица 3
ДОПУСТИМЫЕ УРОВНИ ПОБОЧНЫХ КОЛЕБАНИЙ (ИЗЛУЧЕНИЙ)
РАДИОПЕРЕДАЮЩИХ УСТРОЙСТВ
┌──┬─────────────────────────────────┬───────────────────────────────┬────┐
│N │Минимально допустимое ослабление │Максимально допустимая мощность│При-│
│ │ побочных А (дБ) относительно │в области побочных излучений P │ме- │
│ │ пи │ i│ча- │
│ │ уровня мощности на выходе │ (в децибелах относительно │ния │
│ │ радиопередатчика (применяются │ 1 мВт) при соответствующих │ │
│ │ менее жесткие требования) │ ширине полосы и мощности │ │
│ │ │ пик │ │
├──┴─────────────────────────────────┴───────────────────────────────┴────┤
│Примечание ко всей таблице - Применяется одно из указанных ниже │
│требований к А в зависимости от того, какой уровень побочных излучений │
│ пи │
│соответствует менее жестким требованиям. Обязательными являются менее │
│жесткие требования, выполнение более жестких требований - желательно. │
├────────────────────────────────────────────────────────────────────┬────┤
│ Все радиослужбы, за исключением указанных в
пунктах 3 - 18 │ │
├────────────────────────────────────────────────────────────────────┴────┤
│На частотах выше 30 МГц │
├──┬─────────────────────────────────┬───────────────────────────────┬────┤
│1 │А = 43 + Р, │При P <= 500 Вт P = -13; │
1 │
│ │ пи │ i │ │
│ │где Р - мощность, дБ (отн. 1 Вт),│при P > 500 Вт P = (P - 40), │ │
│ │или А = 70 │ i │ │
│ │ пи │где P - мощность, дБ │ │
│ │ │(отн. 1 Вт) │ │
├──┴─────────────────────────────────┴───────────────────────────────┴────┤
│На частотах ниже 30 МГц (кроме космических, радиоопределения, │
│радиовещательной, а также служб с использованием ОБП на │
│подвижных станциях и любительской) │
├──┬─────────────────────────────────┬───────────────────────────────┬────┤
│2 │А = 43 + X, │При X <= 50 Вт P = -13; │
1 │
│ │ пи │ i │ │
│ │где X = P дБ (отн. 1 Вт) для │при X > 50 Вт P = (X - 30), │ │
│ │ пик │ i │ │
│ │ОБП модуляции и │где X - мощность, дБ │ │
│ │X = P дБ (отн. 1 Вт) для │(отн. 1 Вт) │ │
│ │остальных типов модуляции, │ │ │
│ │или А = 60 │ │ │
│ │ пи │ │ │
├──┴─────────────────────────────────┴───────────────────────────────┴────┤
│ Маломощные радиоприборы │
├──┬─────────────────────────────────┬───────────────────────────────┬────┤
│3 │А = 56 + P, │При P <= 0,025 Вт P = -26; │
2 │
│ │ пи │ i │ │
│ │где P - мощность, дБ (отн. 1 Вт),│при 0,025 Вт < P <= 0,1 Вт, │ │
│ │или А = 40 │P = (P - 10), │ │
│ │ пи │ i │ │
│ │ │где P - мощность, дБ │ │
│ │ │(отн. 1 Вт) │ │
├──┴─────────────────────────────────┴───────────────────────────────┴────┤
│ Средства радиотелеметрии воздушной подвижной службы │
├──┬─────────────────────────────────┬───────────────────────────────┬────┤
│4 │А = 55 + P, │При P <= 30 Вт P = -25; │ │
│ │ пи │ i │ │
│ │где P - мощность в дБ │при P > 30 Вт P = (P - 40), │ │
│ │(отн. 1 Вт), │ i │ │
│ │или А = 70 │где P - мощность, дБ │ │
│ │ пи │(отн. 1 Вт) │ │
├──┴─────────────────────────────────┴───────────────────────────────┴────┤
│ Космические, спутниковые службы │
├─────────────────────────────────────────────────────────────────────────┤
│Фиксированные и подвижные земные станции │
├──┬─────────────────────────────────┬───────────────────────────────┬────┤
│5 │А = 43 + P, где P - мощность, │При P <= 50 Вт P = -13; │
3,
4│
│ │ пи │ i │ │
│ │дБ (отн. 1 Вт), или А = 60 │при P > 50 Вт P = (Р - 30), │ │
│ │ пи │ i │ │
│ │ │где P - мощность, дБ │ │
│ │ │(отн. 1 Вт) │ │
├──┴─────────────────────────────────┴───────────────────────────────┴────┤
│Космические станции │
├──┬─────────────────────────────────┬───────────────────────────────┬────┤
│6 │А = 43 + P, │При P <= 50 Вт P = -13; │
3,
5│
│ │ пи │ i │ │
│ │где P - мощность, дБ (отн. 1 Вт),│при P > 50 Вт P = (Р - 30), │ │
│ │или А = 60 │ i │ │
│ │ пи │где P - мощность, дБ │ │
│ │ │(отн. 1 Вт) │ │
├──┴─────────────────────────────────┴───────────────────────────────┴────┤
│ Радиоопределение │
├─────────────────────────────────────────────────────────────────────────┤
│Стационарные станции радиолокационных систем │
├──┬─────────────────────────────────┬───────────────────────────────┬────┤
│7 │А = 60 + P , │При P <= 10 кВт P = -30; │
6,
7│
│ │ пи пик │ пик i │ │
│ │где P - пиковая мощность, дБ │при P > 10 кВт │ │
│ │ пик │ пик │ │
│ │(отн. 1 Вт), │P = (P - 70), │ │
│ │или А = 100 ниже пиковой │ i пик │ │
│ │ пи │где P - пиковая мощность, дБ│ │
│ │мощности - P │ пик │ │
│ │ пик │(отн. 1 Вт) │ │
├──┴─────────────────────────────────┴───────────────────────────────┴────┤
│Прочие РЭС службы радиоопределения │
├──┬─────────────────────────────────┬───────────────────────────────┬────┤
│8 │А = 43 + P , │При P <= 50 кВт P = -30; │
6 │
│ │ пи пик │ пик i │ │
│ │где P - пиковая мощность, дБ │при P > 50 кВт │ │
│ │ пик │ пик │ │
│ │(отн. 1 Вт), │P = (P - 30), │ │
│ │или А = 60 ниже пиковой │ i пик │ │
│ │ пи │где P - пиковая мощность, дБ│ │
│ │мощности - P │ пик │ │
│ │ пик │(отн. 1 Вт) │ │
├──┴─────────────────────────────────┴───────────────────────────────┴────┤
│Телевизионное вещание │
├──┬─────────────────────────────────┬────────────────────────────────────┤
│9 │А = 46 + Р, │Радиопередатчики ОВЧ (48,5 230 МГц) │
│ │ пи ├───────────────────────────────┬────┤
│ │где Р - мощность, дБ (отн. 1 Вт),│При P <= 250 Вт P = -16; │
8,
9│
│ │или А = 70 │ i │ │
│ │ пи │при 250 Вт < Р <= 10 кВт │ │
│ │ │P = (P - 40), │ │
│ │ │ i │ │
│ │ │где P - мощность, дБ │ │
│ │ │(отн. 1 Вт); │ │
│ │ │при P > 10 кВт P = 0 │ │
│ │ │ i │ │
├──┤ ├───────────────────────────────┴────┤
│10│ │Радиопередатчики УВЧ (470 - 960 МГц)│
│ │ ├───────────────────────────────┬────┤
│ │ │При P <= 250 Вт P = -16; │
8,
9│
│ │ │ i │ │
│ │ │при 250 Вт < P <= 12 кВт │ │
│ │ │P = (P - 40), │ │
│ │ │ i │ │
│ │ │где P - мощность, дБ │ │
│ │ │(отн. 1 Вт); │ │
│ │ │при P > 12 кВт P = 10,8 │ │
│ │ │ i │ │
├──┴─────────────────────────────────┴───────────────────────────────┴────┤
│ Звуковое радиовещание СЧ/ВЧ (ниже 30 МГц) │
├──┬─────────────────────────────────┬───────────────────────────────┬────┤
│11│А = 50 │При P <= 5 кВт P = (P - 20), │
11 │
│ │ пи │ i │ │
│ │ │где P - мощность, дБ │ │
│ │ │(отн. 1 Вт); │ │
│ │ │при P > 5 кВт P = 17 │ │
│ │ │ i │ │
├──┴─────────────────────────────────┴───────────────────────────────┴────┤
│ Звуковое радиовещание ЧМ в полосе 66 - 74 МГц │
├──┬─────────────────────────────────┬───────────────────────────────┬────┤
│12│А = 46 + Р, │При P <= 250 Вт P = -16; │
12 │
│ │ пи │ i │ │
│ │где P - мощность, дБ (отн. 1 Вт),│при 250 Вт < P < 10 кВт │ │
│ │или А = 70 │P = (P - 40), │ │
│ │ пи │ i │ │
│ │ │где P - мощность, дБ │ │
│ │ │(отн. 1 Вт); │ │
│ │ │при P > 10 кВт P = 0 │ │
│ │ │ i │ │
├──┴─────────────────────────────────┴───────────────────────────────┴────┤
│ Звуковое радиовещание ЧМ в полосе 87,5 - 108 МГц │
├──┬─────────────────────────────────┬───────────────────────────────┬────┤
│13│А = 46 + Р, │При P <= 250 Вт P = -16; │
12 │
│ │ пи │ i │ │
│ │где P - мощность, дБ (отн. 1 Вт),│при 250 кВт < P < 10 кВт │ │
│ │или А = 70 │P = (P - 40), │ │
│ │ пи │ i │ │
│ │ │где P - мощность, дБ │ │
│ │ │(отн. 1 Вт); │ │
│ │ │при P > 10 кВт P = 0 │ │
│ │ │ i │ │
├──┴─────────────────────────────────┴───────────────────────────────┴────┤
│ Подвижная служба │
├─────────────────────────────────────────────────────────────────────────┤
│Подвижные станции, однополосные передачи │
├──┬─────────────────────────────────┬───────────────────────────────┬────┤
│14│А = 43 ниже P │P = (P - 13), │
1 │
│ │ пи пик │ i пик │ │
│ │ │где P - пиковая мощность, дБ│ │
│ │ │ пик │ │
│ │ │(отн. 1 Вт) │ │
├──┴─────────────────────────────────┴───────────────────────────────┴────┤
│Сухопутная подвижная служба │
├─────────────────────────────────────────────────────────────────────────┤
│в диапазоне от 9 кГц до 1 ГГц (кроме полос 146 - 174 МГц и 390 - 512 МГц)│
├──┬─────────────────────────────────┬───────────────────────────────┬────┤
│15│А = 70 │При P <= 100 Вт P = (Р - 20), │
10 │
│ │ пи │ i │ │
│ │ │где P - мощность, дБ │ │
│ │ │(отн. 1 Вт) ; │ │
│ │ │при P > 100 Вт P = 17 │ │
│ │ │ i │ │
├──┴─────────────────────────────────┴───────────────────────────────┴────┤
│В полосах частот 146 - 174 МГц и 390 - 512 МГц │
├──┬─────────────────────────────────────────────────────────────────┬────┤
│16│При разносе каналов 12,5 кГц │ │
│ ├─────────────────────────────────┬───────────────────────────────┼────┤
│ │А = 70 │При P <= 100 Вт P = -20; │
10 │
│ │ пи │ i │ │
│ │ │при P > 100 Вт P = (Р - 40), │ │
│ │ │ i │ │
│ │ │где P - мощность, дБ │ │
│ │ │(отн. 1 Вт) │ │
│ ├─────────────────────────────────┴───────────────────────────────┤ │
│ │При разносе каналов 6,5 кГц │ │
│ ├─────────────────────────────────┬───────────────────────────────┤ │
│ │А = 65 │P = (P - 35), │ │
│ │ пи │ i │ │
│ │ │где P - мощность, дБ │ │
│ │ │(отн. 1 Вт) │ │
├──┴─────────────────────────────────┴───────────────────────────────┴────┤
│В диапазоне выше 1 ГГц │
├──┬─────────────────────────────────┬───────────────────────────────┬────┤
│17│А = 70 │При P <= 100 Вт P = (P - 20), │
10 │
│ │ пи │ i │ │
│ │ │где P - мощность, дБ │ │
│ │ │(отн. 1 Вт); │ │
│ │ │при P > 100 Вт P = 17 │ │
│ │ │ i │ │
├──┴─────────────────────────────────┴───────────────────────────────┴────┤
│ Радиолюбительская служба │
├──┬──────────────────────────────────────────────────────────────────────┤
│18│частота ниже 30 МГц (включая ОБП) │
│ ├─────────────────────────────────┬───────────────────────────────┬────┤
│ │А = 43 + P , │При P <= 5 Вт P = -13; │ │
│ │ пи пик │ пик i │ │
│ │где P - пиковая мощность, │при P > 5 Вт │ │
│ │ пик │ пик │ │
│ │дБ (отн. 1 Вт), │P = (Р - 20), │ │
│ │или А = 50 │ i пик │ │
│ │ пи │где Р - пиковая мощность, дБ│ │
│ │ │ пик │ │
│ │ │(отн. 1 Вт) │ │
│ ├─────────────────────────────────┴───────────────────────────────┴────┤
│ │частота выше 30 МГц │
│ ├─────────────────────────────────┬───────────────────────────────┬────┤
│ │А = 43 + P, │При P <= 5 Вт P = -13 │ │
│ │ пи │ i │ │
│ │где P - мощность, дБ (отн. 1 Вт),│ │ │
│ │или А = 70 │ │ │
│ │ пи │ │ │
└──┴─────────────────────────────────┴───────────────────────────────┴────┘
--------------------------------
<1> Кроме случаев, когда нужны измерения P , нормы излучения в
пик
области побочных излучений установлены в терминах средней мощности на
выходе радиопередатчика. Для импульсных радиопередатчиков измеренная
мощность побочного колебания пересчитывается в среднюю.
Примечания
1 Все классы излучения с использованием ОБП включены в категорию "ОБП". Космические станции любительской спутниковой службы подпадают под требования Приложения 3 Регламента радиосвязи.
2 Маломощные радиоприборы с максимальной выходной мощностью менее 100 мВт, предназначенные для связи на короткие расстояния.
3 Предельные уровни побочных излучений для всех космических служб указываются для полосы 4 кГц.
4 Земные станции любительской спутниковой службы, действующие в диапазоне ниже 30 МГц, относятся к категории службы "Любительские службы", действующие в диапазоне ниже 30 МГц (включая использующих ОБП).
5 Нормы на побочные излучения не относятся к космическим станциям службы космических исследований, предназначенным для работы в дальнем космосе, как это определено пунктом 1.177 РР.
6 За исключением РЛС профилей ветра (метеорологической радиослужбы), многочастотных и с активной антенной решеткой.
7 На основе пограничных соглашений Администрации могут разрешать эксплуатацию оборудования морских подвижных РЛС на закрепленном месте (то есть судовых эксплуатационных РЛС), использующих соответствующие нормы для подвижных РЛС.
8 Для аналоговых телевизионных передач средний уровень мощности определяется с используемой модуляцией видеосигнала. Этот видеосигнал должен выбираться таким образом, чтобы на фидер антенны подавался максимальный средний уровень мощности (например, на уровне гашения видеосигнала для телевизионных систем с негативной модуляцией).
9 Абсолютный уровень средней мощности ПК не должен превышать 1 мВт для ОВЧ станций, а для УВЧ станций - 12 мВт.
10 В качестве допустимого уровня побочных колебаний выбирается
значение А или P , соответствующее менее жесткому требованию.
пи i
11 Абсолютный уровень средней мощности ПК не должен превышать 50 мВт.
12 Абсолютный уровень средней мощности ПК не должен превышать 1 мВт.
Для радиопередающих устройств, введенных в эксплуатацию до 1 июля 2007 года, действуют до 31 декабря 2012 года включительно требования к предельным уровням ПК (ПИ), установленные Нормами 18-85
(Приложение А).
Значения требований на допустимые уровни побочных колебаний (излучений), установленные в
таблице 3 настоящих Норм, до 31 декабря 2012 года являются рекомендуемыми, если они более чем на 10 дБ превышают аналогичные требования к допустимым уровням побочных колебаний (излучений), установленные в Нормах 18-85.
7 Методы контроля уровней побочных колебаний (излучений)
7.1.1 Контроль допустимого уровня побочного излучения осуществляется по результатам измерений мощности (напряжения) электромагнитных колебаний в высокочастотном тракте или плотности потока энергии (напряженности) электромагнитного поля в свободном пространстве.
7.1.2 Полосы пропускания измерительного приемника, используемые при измерениях уровней побочных излучений, приведены в таблице 4.
Таблица 4
ПОЛОСЫ ПРОПУСКАНИЯ ИЗМЕРИТЕЛЬНОГО ПРИЕМНИКА, ИСПОЛЬЗУЕМЫЕ
ПРИ ИЗМЕРЕНИЯХ УРОВНЕЙ ПОБОЧНЫХ ИЗЛУЧЕНИЙ
┌───────────────────────────────────┬─────────────────────────────────────┐
│ Общий порядок измерения уровня ПИ │ Используемая ширина полосы В │
│ │ i │
│ │(по Рекомендации МСЭ-Р SM.329-10
[4])│
├──────────────────────┬────────────┼─────────┬───────────────────────────┤
│ Рабочая частота │Используемая│ для │ для некоторых систем │
│ передатчика f │ ширина │некоторых│ сухопутной подвижной │
│ 0 │ полосы B │типов РРЛ│ службы │
│ │ i │ │ │
├──────────────────────┼────────────┼─────────┼───────────────────────────┤
│9 кГц < f <= 150 кГц │1 кГц │- │- │
│ 0 │ │ │ │
├──────────────────────┼────────────┼─────────┼───────────────────────────┤
│150 кГц < f <= 30 МГц│10 кГц │1 кГц │- │
│ 0 │ │ │ │
├──────────────────────┼────────────┼─────────┼───────────────────────────┤
│30 МГц < f <= 1 ГГц │100 кГц │10 кГц │100 кГц или 4 В ; │
│ 0 │ │ │ н │
│ │ │ │500 кГц или 10 В с учетом │
│ │ │ │ н │
│ │ │ │разноса между каналами │
├──────────────────────┼────────────┼─────────┼───────────────────────────┤
│1 ГГц < f <= 17,7 ГГц│1 МГц │100 кГц │500 кГц или 10 В ; │
│ 0 │ │ │ н │
│ │ │ │1 МГц или 12 В с учетом │
│ │ │ │ н │
│ │ │ │разноса между каналами │
└──────────────────────┴────────────┴─────────┴───────────────────────────┘
Примечания
1 В качестве исключения ширина полосы измерений побочных излучений для всех космических служб должна составлять 4 кГц.
2 Если диапазон рабочих частот радиопередатчика перекрывает номинал границы (150 кГц, 30 МГц или 1 ГГц), при измерениях уровней побочных излучений должна использоваться ширина полосы, относящаяся к большей части рабочего диапазона РЭС. Например, при диапазоне РЭС фиксированной службы 26,5 МГц - 48,5 МГц должна при измерениях ПИ использоваться полоса 100 кГц.
3 При импульсной модуляции несущей допускается проведение измерений
при других значениях В с пересчетом результатов в соответствии с
пр
4 Для РРЛ с аналоговой и цифровой передачей, также для систем
сухопутной подвижной службы с узкополосной модуляцией и мощностью выше
1 кВт, для систем с цифровой модуляцией рекомендуется устанавливать ширину
полосы с учетом величины разноса между соседними каналами и используемого
диапазона. При этом ширина полосы не должна быть меньше величины 2,5 В .
н
Ширина полосы, необходимая для надлежащего измерения уровней побочных излучений от РЛС, должна рассчитываться для каждой конкретной радиолокационной системы.
Для трех основных типов импульсной модуляции, используемой в РЛС для радионавигации, радиолокации, захвата цели на автоматическое сопровождение, слежение и других функций радиоопределения, ширина полосы должна составлять:
- для РЛС с фиксированной частотой без импульсной модуляции (кодирования) - единицу, деленную на длительность импульса (например, если длительность импульса РЛС равна 1 мкс, то ширина полосы составит 1/1 мкс = 1 МГц);
- для РЛС с фиксированной частотой с внутриимпульсной модуляцией (включая фазово-импульсное кодирование) - единицу, деленную на длительность элементарной посылки (дискреты, кодового элемента) в микросекундах. (Например, если РЛС передает импульсы длительностью 26 мкс, причем каждый импульс состоит из 13 фазо-кодированных посылок длительностью 2 мкс, то ширина полосы составит 1/2 мкс = 500 кГц);
- для РЛС с качанием частоты (ЧМ или ЛЧМ импульс) - корень квадратный
из величины, полученной путем деления ширины полосы качания частоты РЛС в
мегагерцах на длительность импульса в микросекундах. (Например, если ЧМ
охватывает полосу от 1250 до 1280 МГц (т.е. 30 МГц), во время действия
импульса длительностью 10 мкс, то ширина полосы составит
1/2
(30 МГц / 10 мкс) = 1,73 МГц).
Примечания
1 Измерительный приемник должен иметь полосу пропускания не менее расчетной ширины полосы и оснащаться пиковым детектором.
2 Характерный признак импульсной РЛС с селекцией движущихся целей - низкая частота повторения импульсов (до 2 кГц); характерные признаки импульсно-допплеровской РЛС - средняя частота повторения импульсов порядка 10 - 30 кГц и фазово-кодовая модуляция.
7.1.3 Конкретные методики измерения уровней ПК (ПИ) приведены в
разделах 7.2 - 7.9.
Приближенный метод оценки ПИ радиопередатчиков фиксированной службы декаметровых волн по допустимому значению эквивалентной напряженности поля приведен в
Приложении Д.
7.1.4 Измерения и контроль ПИ проводят при максимальном значении мощности излучения, предусмотренном техническими условиями на радиопередатчик. При измерениях должны быть предприняты меры, чтобы испытываемые радиопередающие устройства не создавали недопустимых помех.
7.1.5 Испытуемый радиопередатчик должен работать в режиме излучения максимальной мощности несущей без модуляции.
В случаях, предусмотренных
Приложением Б (вместо режима излучения только несущей, если такой режим невозможен), устанавливается режим из числа штатных режимов, предусмотренных в ТУ на радиопередатчик.
Рекомендуемые режимы работы при контроле специфичных классов излучений указанны в
Приложении Б.
7.1.6 Измерения и контроль уровней ПИ проводят при работе радиопередатчика на частотах, установленных в ТУ на радиопередатчик, или не менее чем в трех точках каждого диапазона рабочих частот передатчика - верхней, средней и нижней.
7.1.7 Во всем диапазоне частот контроля по возможности должен
использоваться один вид измерительного приемника с полосой частот
пропускания В >= В , которая устанавливается постоянной при измерениях
пр i
во всем диапазоне частот контроля.
Примечания
1 При импульсной модуляции несущей допускается проведение измерений
при других значениях В с пересчетом результатов в соответствии с
пр
2 Величина ширины полосы пропускания определяется на уровне 6 дБ.
3 Значения ширины полосы В указаны в
таблице 4.
i
7.1.8 Контроль ПИ проводят с использованием приборов, технические характеристики которых приведены в
Приложении Ж.
7.1.9 На результаты измерений и контроля не должны оказывать влияние электромагнитные излучения и колебания посторонних источников.
7.1.10 Измерения ПИ (ПК) в одномодовом режиме распространения колебаний производятся:
для коаксиальных линий в диапазоне частот, меньших критической частоты
f коаксиальной линии передачи:
в.к
5
1,91 x 10
f = ----------, (1)
в.к d + d
1 2
где:
d , d - диаметры внешнего и внутреннего проводников в мм;
1 2
для волноводных линий - в диапазоне частот от f до 1,7f ;
кр 0
для двухпроводных линий - в диапазоне частот контроля.
7.1.11 Измерения ПИ (ПК) в многомодовом режиме распространения колебаний производятся:
для коаксиальных линий в диапазоне частот
5
1,91 x 10
от f = ---------- до 8f ; (2)
в.к d + d 0
1 2
для волноводных линий - в диапазоне частот от 1,7f до 8f .
0 0
7.1.12 Результаты контроля выполнения требований норм оформляются протоколом измерений, рекомендуемая форма которого приведена в
Приложении В.
7.2 Определение коэффициентов передачи компонентов измерительного тракта
7.2.1 При выполнении измерений ПК (измерения по тракту) определяют коэффициенты передачи компонентов (фильтров, кабелей и т.п.) на частотах, указанных в
пунктах 7.1.6 - 7.1.7.
7.2.2 Определяют частоты контроля. Включают контролируемый передатчик на частоте контроля, производят обнаружение ПИ (ПК), перестраивая измерительный приемник в диапазоне частот контроля и отмечают в протоколе испытаний частоты ПИ
(Приложение В).
При проведении измерений по
подразделу 7.8 (измерение уровней ПК интермодуляционного типа) отмечают в протоколе одну из частот основного передатчика, выбранную для контроля, и соответствующие частоты интермодуляционных колебаний 3-го порядка по
пункту 7.8.5.
7.2.3 Повторяют операцию
пункта 7.2.1 на всех других частотах, выбранных для контроля.
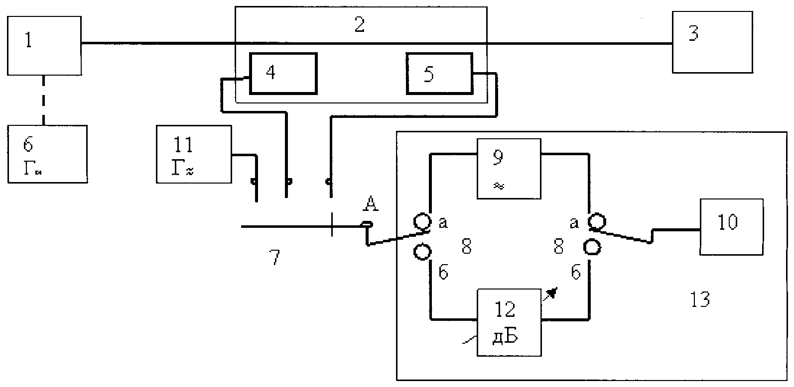
7.2.4 Собирают схему, представленную на рисунке 2.
1 - измерительный генератор; 2 - высокочастотный
переключатель; 3 - измерительный тракт (начиная
с выхода направленного ответвителя или делителя,
или измерительной антенны); 4 - измерительный аттенюатор;
5 - измерительный приемник
Рисунок 2 - Структурная схема определения коэффициентов
передачи компонентов измерительного тракта
7.2.5 Устанавливают переключатель 2 в положение "а"
(рисунок 2) и настраивают измерительный генератор 1 и измерительный приемник 5 на одну из частот по
п. п. 7.2.2,
7.2.3.
7.2.6 Устанавливают уровень мощности генератора таким, чтобы на индикаторе измерительного приемника отчетливо наблюдался сигнал генератора, и фиксируют показания индикатора.
7.2.7 Устанавливают переключатель 2 в положение "б", а затухание

измерительного аттенюатора 4 таким, чтобы показание индикатора измерительного приемника было равно показанию, отмеченному в
п. 7.2.6. Определяют коэффициент передачи измерительного тракта 3 по формуле:
где

- затухание измерительного аттенюатора, дБ.
7.3 Проверка достаточности экранирования измерительных установок
7.3.1 Отключают вход измерительной установки (точка А на
рисунках 3 - 10,
Д.1,
Д.2,
Д.3) и нагружают его на экранированное согласованное сопротивление.
7.3.2 Для измерения уровня наведенной помехи устанавливают на измерительном приемнике предел измерения уровня мощности (напряжения) на 10 дБ ниже рассчитанного по
формулам Ж.1 или
Ж.2. При измерениях по полю (по
разделу 7.9 и
Приложению Д) устанавливают максимальную чувствительность измерительного приемника.
7.3.3 Включают контролируемый передатчик (или основной и дополнительный радиопередатчики в случае измерения уровней ПК интермодуляционного типа) на одной из частот контроля. Перестраивая измерительный приемник в диапазоне частот контроля, отмечают показания его индикатора на частотах, при которых наблюдается прием наведенной помехи (побочного излучения).
7.3.4 Повторяют измерения по
п. 7.3.3 на всех частотах, выбранных для контроля.
7.3.5 Определяют частоту, соответствующую P (U ).
н.макс н.макс
7.3.6 Восстанавливают схему измерений, производят измерения мощности
P (напряжения U ) на частоте, соответствующей P (U ), и
иi иi н.макс н.макс
далее, определив превышение измеренной мощности P (U ) над P
иi иi н.макс
(U ), устанавливают необходимость дополнительной экранировки.
н.макс
7.3.7 Экранировка считается достаточной, если измеренный уровень ПК не менее чем на 10 дБ выше уровня наводимой помехи. Если это условие не выполняется, необходимо произвести дополнительные мероприятия по уменьшению наведенной помехи.
7.3.8 Результаты измерений заносят в протокол измерений
(Приложение В).
7.4 Измерения в одномодовом режиме колебаний передатчика, согласованного с нагрузкой во всем диапазоне частот контроля
7.4.1 Структурные схемы измерений представлены на рисунках 3 и
4. Включение фильтра в измерительный тракт осуществляется в случае, если относительный уровень ПК превышает по абсолютному значению динамический диапазон измерительного приемника.
1 - контролируемый передатчик; 2 - генератор модулирующих
сигналов (используется при необходимости); 3 - развязывающий
аттенюатор; 4 - измерительный аттенюатор; 5 - фильтр;
6 - высокочастотный переключатель; 7 - измерительный
приемник; 8 - экранированная камера (используется
при необходимости); 9 - эквивалентное
нагрузочное сопротивление
Рисунок 3 - Структурная схема измерений ПК
маломощных передатчиков
1 - контролируемый передатчик; 2 - генератор модулирующих
сигналов (используется при необходимости); 3 - направленный
ответвитель; 4 - измерительный аттенюатор; 5 - фильтр;
6 - высокочастотный переключатель; 7 - измерительный
приемник; 8 - эквивалентное нагрузочное сопротивление
или штатная антенна передатчика; 9 - экранированная камера
(используется при необходимости)
Рисунок 4 - Структурная схема измерений ПК
мощных передатчиков
Для радиопередатчиков с симметричной нагрузкой в схеме
рисунка 4 направленные ответвители встраивают в каждый фидер.
7.4.2 Выполняют измерения в соответствии с
разделом 7.2 и проверку достаточности экранирования измерительной установки
(раздел 7.3).
7.4.3 Измеряют мощность P (напряжение U ) на выходе передатчика и,
и0 и0
перестраивая измерительный приемник в диапазоне частот контроля, измеряют
мощность P (напряжение U ) ПК. Результаты измерений заносят в протокол
иi иi
7.4.4 Рассчитывают относительный уровень ПК в фидерном тракте передатчика по формулам 4 или
5:
или
7.4.5 Повторяют действия по
п. п. 7.4.3 и
7.4.4 при настройке передатчика на каждую частоту контроля ПИ.
7.4.6 Испытуемый передатчик удовлетворяет норме, если выполняется хотя бы одно из условий:
2
|P | >= |А | или P / k k <= P или U / (R k k ) <= Р
отн пи иi н.i i i иi вх н.i i i
на каждой из обнаруженных частот ПИ, где норма ослабления А или
пи
i
7.4.7 Результаты измерений заносят в протокол измерений
(Приложение В).
7.5 Измерения в многомодовом режиме колебаний передатчика, согласованного с нагрузкой во всем диапазоне частот контроля
7.5.1 Структурная схема измерений представлена на рисунке 5.
1 - контролируемый передатчик; 2 - направленный ответвитель
для волны основного типа; 3 - НОММ или отборник другого
типа; 4 - многоканальный коаксиальный переключатель;
5 - эквивалентное нагрузочное сопротивление или штатная
антенна передатчика; 6, 12 - высокочастотный переключатель;
7 - измерительный аттенюатор; 8 - фильтр (используется
при необходимости); 9 - измерительный приемник;
10, 13 - экранированная камера (используется
при необходимости); 11 - генератор модулирующих
сигналов (используется при необходимости)
Рисунок 5 - Структурная схема измерений
в многомодовом режиме колебаний
7.5.2 Выполняют измерения в соответствии с
разделом 7.2 и проверку достаточности экранирования измерительной установки
(раздел 7.3).
7.5.3 Производят обнаружение ПК при одном из положений переключателя каналов (4), перестраивая измерительный приемник в диапазоне частот контроля и фиксируя частоты приема ПК.
7.5.4 Повторяют действия по
п. 7.5.3 для каждого положения переключателя каналов 4. Обобщая результаты обнаружения ПК в каждом из вторичных каналов НОММ, определяют частоты ПК контролируемого передатчика.
7.5.5 Измеряют мощности Р и Р в каждом вторичном канале НОММ, где
и0 иij
Р - мощность на входе измерительного приемника, измеренная на i-ой
иij
частоте ПК в j-ом канале НОММ.
7.5.6 Вычисляют мощность ПК на i-ой частоте на входе приемника по формуле (6):
где l - число вторичных каналов.
7.5.7 Рассчитывают относительный уровень ПК на i-ой частоте по формуле (7):
Повторяют действия по
п. п. 7.5.3 - 7.5.6 при настройке передатчика на каждую из частот, выбранных для контроля ПИ.
7.5.8 Испытуемый передатчик удовлетворяет норме, если выполняется хотя бы одно из условий:
|P | >= |А | или P / k k <= P на каждой из обнаруженных частот
отн пи иi н.i i i
ПИ.
7.5.9 Результаты измерений заносят в протокол измерений
(Приложение В).
7.6 Измерения в одномодовом режиме колебаний передатчика, согласованного с нагрузкой не во всем диапазоне частот контроля
7.6.1 Структурная схема измерений представлена на рисунке 6.
1 - контролируемый передатчик; 2 - направленный ответвитель;
3 - антенна; 4, 5 - направленные ответвители соответственно
падающей и отраженной волн; 6 - генератор модулирующих
сигналов (используется при необходимости);
7, 8 - высокочастотный переключатель; 9 - фильтр;
10 - измерительный приемник; 11 - измерительный генератор;
12 - измерительный аттенюатор; 13 - экранированная камера
(используется при необходимости)
Рисунок 6 - Структурная схема измерений ПИ для передатчика,
работающего на несимметричную нагрузку, в одномодовом
режиме колебаний
7.6.2 Для радиопередатчиков с симметричным выходом направленные ответвители встраивают в каждый фидер.
7.6.3 Выполняют измерения в соответствии с
разделом 7.2 и проверку достаточности экранирования измерительной установки
(раздел 7.3).
7.6.4 Подключают на вход измерительной установки направленный ответвитель падающей волны.
7.6.5 Настраивают измерительный приемник на рабочую частоту передатчика и отмечают показания его индикатора.
7.6.6 Подключают на вход измерительной установки измерительный генератор и, не меняя настройки и усиления измерительного приемника, добиваются тех же показаний индикатора, подавая сигнал от генератора на рабочей частоте передатчика.
7.6.7 Отсчитывают величину сигнала по шкале регулятора выходного уровня генератора.
7.6.8 Повторяют действия по
п. п. 7.6.5 - 7.6.7, подключив на вход измерительной установки направленный ответвитель отраженной волны.
7.6.9 Повторяют действия по
п. п. 7.6.5 - 7.6.8, последовательно
настраивая измерительный приемник на частоты ПК передатчика, производя
измерения мощности падающей и отраженной волны Р и Р .
пад(i) отр(i)
7.6.10 Проходящая мощность на частотах измерения определяется по формулам 8 или
9:
1
P = ---- (P - P )
пр.0 k пад.0 отр.0
н.0
1
P = ---- (P - P ) (8)
пр.i k пад.i отр.i
н.i
или
1 2 2
P = -------- (U - U )
пр.0 R k пад.0 отр.0
вых н.0
1 2 2
P = -------- (U - U ) (9)
пр.i R k пад.i отр.i
вых н.i
в зависимости от градуировки регулятора выходного уровня генератора (по мощности или напряжению).
7.6.11 Рассчитывают относительный уровень ПК в фидерном тракте передатчика по формуле:
7.6.12 Испытуемый передатчик удовлетворяет норме, если на каждой из
обнаруженных частот ПИ выполняется хотя бы одно из условий:
|P | >= |А | и P <= P ,
отн пи пр.i i
где допустимые значения А и P берутся из
таблицы 3.
пи i
7.6.13 Результаты измерений заносят в протокол измерений
(Приложение В).
7.7 Измерения в многомодовом режиме колебаний передатчика, согласованного с нагрузкой не во всем диапазоне частот контроля
7.7.1 Измерение уровня ПК производят при помощи НОММ, на измерительной секции которого расположены ответвители падающей и отраженной волн.
7.7.2 Структурная схема измерения аналогична схеме
рисунка 6, но вместо направленного ответвителя 2 фидерный тракт включает НОММ и направленный ответвитель для волны основного типа (если нет таких ответвителей в НОММ), ориентированные на падающую и отраженную волны.
7.7.3 Подключают на вход измерительной установки направленный ответвитель падающей волны основного типа. Настраивают измерительный приемник на одну из частот, выбранных для контроля, и отмечают показание индикатора измерительного приемника.
7.7.4 Подключают на вход измерительной установки измерительный генератор и, не меняя настройки и усиления измерительного приемника, добиваются тех же показаний индикатора, подавая сигнал от генератора.
7.7.5 Отсчитывают величину сигнала по шкале регулятора выходного уровня генератора.
7.7.6 Повторяют действия по
п. п. 7.7.3 - 7.7.5, подключив на вход измерительной установки направленный ответвитель отраженной волны основного типа.
7.7.7 Рассчитывают проходящую мощность P на рабочей частоте по
пр.0
7.7.8 Подключают на вход измерительной установки j-й ответвитель падающей волны НОММ.
7.7.9 Производят обнаружение ПК в ответвителе НОММ, перестраивая измерительный приемник в диапазоне частот контроля, и отмечают показания индикатора измерительного приемника. Выключая испытуемый передатчик, устанавливают, что ПК относится к данному передатчику.
7.7.10 Подключают на вход измерительной установки измерительный генератор и, не меняя настройки и усиления измерительного приемника, настраивают генератор на частоту приемника. Регулировкой выходного уровня генератора добиваются тех же показаний индикатора измерительного приемника.
7.7.11 Определяют величину мощности или напряжения ПК падающей волны
по шкале аттенюатора генератора (P или U ).
пад.ij пад.ij
7.7.12 Повторяют действия по
п. п. 7.7.8 - 7.7.11, подключив на вход измерительной установки j-й ответвитель отраженной волны.
7.7.13 Определяют величину мощности или напряжения ПК отраженной волны
по шкале аттенюатора генератора (P или U ).
отр.ij отр.ij
7.7.14 Величину проходящей мощности i-го ПК вычисляют по формулам 11 или
12:
или
где l - число пар ответвителей падающей и отраженной волны НОММ.
7.7.15 Рассчитывают относительный уровень ПК в фидерном тракте передатчика по формуле
п. 7.6.11.
7.7.16 Испытуемый передатчик удовлетворяет норме, если выполняется
хотя бы одно из условий |P | >= |А | или Р <= P на каждой из
отн пи пр.i i
обнаруженных частот ПИ.
7.7.17 Результаты измерений заносят в протокол измерений
(Приложение В).
7.8 Измерение уровней побочных колебаний интермодуляционного типа
7.8.1 Измерения уровней интермодуляционных колебаний (излучений) проводят при работе двух радиопередатчиков: контролируемого и дополнительного.
7.8.2 Структурные схемы измерительных установок представлены на рисунках 7 - 9. Схема, представленная на
рисунке 9, используется в случае, если динамический диапазон по двухсигнальной избирательности измерительного приемника меньше абсолютного значения нормы на интермодуляционные колебания (излучения) передатчика и не может быть увеличен с помощью фильтров.
1 - контролируемый передатчик; 2 - дополнительный
передатчик; 3, 4 - эквивалент нагрузочного сопротивления;
5 - устройство регулируемой связи; 6 - фильтр;
7 - аттенюатор; 8 - измерительный приемник;
9, 10 - генератор модулирующих сигналов (используется
при необходимости); 11, 12 - экранированная камера;
13 - направленный ответвитель
Рисунок 7 - Структурная схема изменения мощности ПК
интермодуляционного типа при связи между передатчиками
по тракту
1 - контролируемый передатчик; 2 - дополнительный
передатчик; 3 - направленный ответвитель; 4 - антенна
контролируемого передатчика; 5 - антенна дополнительного
передатчика; 6 - фильтр; 7 - аттенюатор; 8 - измерительный
приемник; 9, 10 - генератор модулирующих сигналов
(используется при необходимости); 11 - экранированная камера
Рисунок 8 - Структурная схема измерения мощности ПИ
интермодуляционного типа при связи
между передатчиками по полю
1 - контролируемый передатчик; 2 - направленный ответвитель;
3 - дополнительный передатчик; 4, 6 - эквивалент
нагрузочного сопротивления; 5 - устройство регулируемой
связи; 7 - измерительный генератор; 8 - согласующее
устройство с ослаблением 6 дБ; 9 - фильтр; 10 - аттенюатор;
11 - измерительный приемник; 12 - квадратичный вольтметр;
13 - осциллограф; 14, 15 - генератор модулирующих сигналов
(используется при необходимости); 16, 17 - экранированная
камера
Рисунок 9 - Структурная схема измерения мощности ПК
интермодуляционного типа при связи между передатчиками
по тракту с использованием метода сравнения
7.8.3 Устанавливают одну из рабочих частот контролируемого
радиопередатчика f , выбранную для измерений. Частоту дополнительного
0
радиопередатчика f устанавливают с расстройкой

(когда
д
f < f ). Величина расстройки должна быть 0,1f для радиопередатчиков,
д 0 0
работающих в полосе частот до 1000 МГц, и 0,025f для радиопередатчиков,
0
работающих на частотах выше 1000 МГц.
7.8.4 Устанавливают полосу пропускания измерительного приемного
устройства В , исходя из условия

, и настраивают его на частоту
пр
f .
0
7.8.5 Определяют частоты интермодуляционных колебаний (излучений) 3-го
порядка, создаваемых двумя передатчиками, по формулам:
f = 2f - f ; (13)
1 и 3 0 д
f = 2f - f . (14)
2 и 3 д 0
Частоты f , f , f , f не должны совпадать с частотами
0 д 1 и 2 2 и 3
побочных каналов приема измерительного приемника.
7.8.6 Выполняют измерения в соответствии с
разделом 7.2 и проверку достаточности экранирования измерительной установки
(раздел 7.3).
7.8.7 Включают контролируемый передатчик. С помощью аттенюатора 7
измерительного приемника в пределах 10 lgP >= 10 lgP >= |А | +
в.п и0 пи
10 lgP + 5. Фиксируют показания индикатора приемника Р (U ).
н.п и0 и0
7.8.8 Выключают контролируемый передатчик. Включают дополнительный
передатчик, настраивают измерительный приемник на частоту f . Изменяя связи
д
между передатчиками с помощью устройства регулируемой связи 5 (
рисунок 7
или
9) или изменяя взаимное положение антенн 4, 5
(рисунок 8),
устанавливают на индикаторе измерительного приемника уровень сигнала на 15
дБ ниже сигнала контролируемого радиопередатчика, работающего на
ненаправленную антенну, или на 40 дБ ниже - для радиопередатчика,
работающего на направленную антенну.
7.8.9 Настраивают измерительный приемник на одну из рассчитанных в
п. 7.8.5 частот и, при включенных обоих передатчиках, при измерениях по
схемам
рисунков 7 и
8 фиксируют показания индикатора измерительного
приемника P (U ). При измерениях по схеме
рисунка 9 фиксируются
и3 и3
показания вольтметра 12.
7.8.10 Чтобы установить, что измеряемый сигнал является интермодуляционным колебанием, необходимо убедиться, что показания измерительного приемника исчезают при выключении каждого передатчика. После такой проверки при работе обоих радиопередатчиков аттенюатором 7 (
рисунки 7 и
8) или 10
(рисунок 9) вводят дополнительное затухание 3 дБ. Показания измерительного приемника должны уменьшиться на 3 дБ. В противном случае наблюдаемый сигнал не является интермодуляционным колебанием (излучением).
7.8.11 При измерениях по схеме
рисунка 9, не выключая обоих передатчиков, включают генератор 7 и, установив на генераторе достаточный уровень сигнала, настраивают его на частоту измеряемого интермодуляционного колебания. Совпадение частот генератора и интермодуляционного колебания передатчика определяется по возрастанию показаний выходного индикатора измерительного приемника или по "нулевым биениям" на осциллографе 13. Уровень сигнала генератора 7 устанавливают таким, чтобы показание вольтметра 12 увеличилось на 3 дБ по сравнению с зафиксированным на этой частоте по
п. 7.8.9.
7.8.12 Производят отсчет установленного уровня интермодуляционного
колебания 3-го порядка P (U ) по выходному аттенюатору генератора 10.
ги3 ги3
Повторяют действия по
7.8.9 - 7.8.11 при настройке измерительного приемника 8 (
рисунки 7 и
8) или измерительного приемника 11 и генератора 7
(рисунок 9) на вторую частоту интермодуляционного колебания, рассчитанную по
7.8.5.
расстройке дополнительного передатчика

, когда f > f .
д 0
7.8.14 Рассчитывают относительные уровни интермодуляционных колебаний в фидерном тракте контролируемого передатчика по формулам:
при измерениях по схемам, представленным на
рисунках 7 и
8
или
при измерении по схеме, представленной на
рисунке 9
или
для обеих расстроек дополнительного передатчика (f > f и f < f ).
д 0 д 0
7.8.15 При контроле радиопередатчиков, работающих в импульсном режиме, в случае необходимости результаты измерений могут быть пересчитаны в соответствии с
Приложением Г.
7.8.16 Контролируемый радиопередатчик соответствует норме при измерениях по схемам
рисунков 7 и
8 на каждой из обнаруженных частот ПК, если выполняется хотя бы одно из условий:
|P | >= |А | и P / k k <= P
отн пи и3 нi i i
или
2
U / R k k <= P , (17)
и3 вх нi i i
а при измерениях по схеме
рисунка 9 - выполняется хотя бы одно из условий:
0,6
P 10
ги3
|P | >= |А | и ----------- <= P
отн пи k i
нi
или
2 0,6
U 10
ги3
---------- <= P , (18)
R k i
вых нi
на частотах интермодуляционного колебания 3-го порядка.
7.8.17 Повторяют действия по
7.8.3 - 7.8.16 при настройке контролируемого передатчика на каждую из частот, выбранных для контроля.
7.8.18 Результаты измерений заносят в протокол измерений
(Приложение В).
7.9 Измерения уровней побочных излучений в свободном пространстве
7.9.1 Минимальное расстояние между антеннами контролируемого передатчика и измерительной установки должно соответствовать дальней зоне этих антенн и определяется одним из следующих уравнений:
если D < 0,4D или D < 0,4 D ,
а и.а и.а а
где D - максимальный размер раскрыва наибольшей из антенн,
или
если

.
Для слабо направленных антенн минимальное расстояние между ними должно удовлетворять условию

.
7.9.2 Высота подъема измерительной антенны по возможности должна быть равна высоте фазового центра антенны контролируемого передатчика (с учетом места размещения передатчика).
7.9.3 Структурная схема измерений представлена на рисунке 10.
1 - контролируемый передатчик; 2 - антенна
испытуемого РЭС; 3 - измерительная антенна;
4 - высокочастотный переключатель; 5 - аттенюатор;
6 - фильтр; 7 - измерительный приемник; 8 - экранированная
камера; 9 - генератор модулирующих сигналов (используется
при необходимости)
Рисунок 10 - Структурная схема измерения ПИ
радиопередающих устройств в свободном пространстве
7.9.4 Определяют на одной из рабочих частот максимум диаграммы направленности антенны испытуемого передатчика либо вращением антенны, либо перемещением измерительной установки вокруг контролируемого передатчика.
7.9.5 Выполняют измерения в соответствии с
разделом 7.2 и проверку достаточности экранирования измерительной установки
(раздел 7.3).
7.9.6 Включают передатчик на одной из рабочих частот, выбранных для контроля.
7.9.7 Устанавливают полосу пропускания измерительного приемника в соответствии с
п. 7.1.2.
7.9.8 Перестраивая измерительный приемник в диапазоне частот контроля, фиксируют частоты ПИ.
7.9.9 Устанавливают вертикальную поляризацию измерительной антенны.
в в
7.9.10 Измеряют мощность P (напряжение U ) на входе
и0 и0
измерительного приемника и заносят результаты измерения в протокол.
Примечание: Верхний индекс "в" у обозначений мощности (напряжения) указывает, что измерения произведены при вертикальной поляризации измерительной антенны, а индекс "г" - горизонтальной поляризации.
7.9.11 Устанавливают горизонтальную поляризацию измерительной антенны.
г г
7.9.12 Измеряют мощность P (напряжение U ) на входе измерительного
и0 и0
приемника и заносят результаты измерений в протокол.
7.9.13 Повторяют действия по
п. п. 7.9.9 - 7.9.12 для каждой из зафиксированных по
п. 7.9.8 частот ПИ.
7.9.14 Усредняют измеренные значения мощности (напряжения) на входе измерительного приемника при вертикальной и горизонтальной поляризации по формулам:
в г в г
2P = P + P ; 2P = P + P (21)
и0 и0 и0 иi иi иi
или
2 в 2 г 2 2 в 2 г 2
2U = (U ) + (U ) ; 2U = (U ) + (U ) . (21)
и0 и0 и0 иi иi иi
7.9.15 Рассчитывают значение относительного уровня ПИ для каждой из частот, на которых производились измерения, по одной из формул:
или
7.9.16 Для сравнения результатов измерения ПИ в свободном пространстве с нормами
(таблица 3) измеренные относительные уровни ПИ корректируются на величину
где G - коэффициент усиления антенны на частоте измерений ПИ,
i
определяемый по результатам измерений либо по документации изготовителя
антенны радиопередающего устройства.
7.9.17 Испытуемый передатчик соответствует норме, если выполняется хотя бы одно из условий
или
на каждой из обнаруженных частот ПИ.
7.9.18 Повторяют действия по
п. п. 7.9.6 - 7.9.16 при настройке передатчика на каждую из частот, выбранных для контроля.
7.9.19 Результаты измерений заносят в протокол измерений
(Приложение В).
(обязательное)
ПРЕДЕЛЬНЫЕ УРОВНИ ПОБОЧНЫХ ИЗЛУЧЕНИЙ ДЛЯ РАДИОПЕРЕДАЮЩИХ
УСТРОЙСТВ ПО НОРМАМ 18-85
[1]
Общие правила
А.1 В таблице А.1 указаны максимально допустимые уровни любого побочного колебания, передаваемого передатчиком в антенно-фидерное устройство.
Таблица А.1
НОРМЫ НА УРОВНИ ПОБОЧНЫХ КОЛЕБАНИЙ
Диапазон основных частот (исключая нижний предел и включая верхний предел) и средняя мощность радиопередатчиков | Нормируемые уровни ПК |
действующие до 01.01.94 для радиопередатчиков, установленных до 02.01.85 | для радиопередатчиков, установленных после 01.01.85 и для всех радиопередатчиков после 01.01.94 |
9 кГц - 30 МГц | | |
30 МГц - 235 МГц 25 Вт и менее | | |
Более 25 Вт | | |
235 - 960 МГц 25 Вт и менее | | |
Более 25 Вт | | |
960 МГц - 17,7 ГГц 10 Вт и менее | Уровень ПК должен быть настолько низким, насколько это практически возможно | |
Более 10 Вт | | |
--------------------------------
<1> Для передатчиков со средней мощностью выше 50 кВт, работающих на частотах ниже 30 МГц, в диапазоне, охватывающем октаву или более, снижение уровня ниже 50 мВт необязательно, однако необходимо обеспечить минимальное подавление в 60 дБ и принять все меры для того, чтобы уровень 50 мВт не был превышен.
<2> Для переносных передатчиков со средней мощностью менее 5 Вт уровень ПК должен составлять не более минус 30 дБ, но необходимо стремиться к достижению уровня минус 40 дБ.
<3> Для подвижных радиопередатчиков уровень ПК должен составлять не более минус 40 дБ, при этом мощность ПК не должна превышать 200 мВт; следует стремиться к тому, чтобы мощность ПК не превышала 50 мВт.
<4> Для радиопередатчиков со средней мощностью выше 50 кВт, которые могут работать на двух или более частотах, охватывая диапазон частот, достигающий приблизительно октавы или более, и для которых подавление ПК ниже 50 мВт не является обязательным, минимальное подавление должно быть 60 дБ.
<5> Для ЧМ радиотелефонных передатчиков морской подвижной службы со средней мощностью 20 Вт и менее мощность ПИ, обусловленных продуктами модуляции, попадающих в любой международный канал морской подвижной службы, не должен превышать 10 мкВт и мощность любого другого ПИ на любой дискретной частоте внутри международной полосы морской подвижной службы не должна превышать 2,5 мкВт.
Когда используют ЧМ радиотелефонные передатчики со средней мощностью более 20 Вт, указанные в настоящем примечании пределы могут быть увеличены пропорционально средней мощности этих радиопередатчиков.
<6> Для радиопередатчиков со средней мощностью менее 100 мВт уровень ПК минус 40 дБ необязателен при условии, что средняя мощность ПК в этом случае не превышает 10 мкВт.
<7> Этот уровень указан для радиопередатчиков, работающих в полосе 235 - 470 МГц. Для радиопередатчиков, работающих в полосе 470 - 960 МГц, должны быть приняты меры по максимальному снижению уровня ПК.
<8> При наличии помех приемным станциям радиоастрономической и космической служб, а также приемникам земных станций спутниковой связи должны быть приняты меры к снижению уровня ПИ с учетом географического расположения указанных станций.
<9> Эти уровни неприменимы к станциям космических служб, но их побочные излучения должны быть уменьшены до самых низких возможных уровней, обусловленных техническими и экономическими требованию к оборудованию.
А.2 Побочные излучения от любой части радиопередающего устройства, кроме самой антенны и ее фидера, не должны оказывать большее влияние чем то, которое наблюдалось бы в случае, если бы к антенной системе подводилась максимально допустимая мощность на частоте этого побочного излучения.
А.3 Предельные уровни побочных излучений для смешанного оборудования радиосвязи и информационной техники те же, что и для радиопередающих устройств.
А.4 В тех радиолокационных системах, для которых отсутствуют приемлемые методы измерений, должны обеспечиваться наименьшие практически возможные уровни мощности побочных излучений.
(рекомендуемое)
РЕКОМЕНДУЕМЫЕ РЕЖИМЫ РАБОТЫ РАДИОПЕРЕДАТЧИКОВ ПРИ ИЗМЕРЕНИИ
ПОБОЧНЫХ ИЗЛУЧЕНИЙ ДЛЯ СЛУЧАЕВ, КОГДА НЕВОЗМОЖЕН РЕЖИМ
ИЗЛУЧЕНИЯ 100% МОЩНОСТИ НЕСУЩЕЙ
Общие положения
Б.1 Измерения проводят с выполнением требований методик измерения и контроля уровней ПИ, изложенных в
разделе 7.
Б.2 Измерения ПИ перечисленных в таблице Б.1 типов передачи производятся с использованием основного эксплуатационного класса излучения при максимальном значении мощности передатчика.
Таблица Б.1
РЕКОМЕНДУЕМЫЕ РЕЖИМЫ МОДУЛЯЦИИ
┌────────────────────────────┬───────────┬────────────────────────────────┐
│ Тип передачи и ее │Обозначение│ Режим работы радиопередатчика │
│ характеристика │ класса │ при контроле │
│ │ излучения │ │
├────────────────────────────┴───────────┴────────────────────────────────┤
│ Амплитудная модуляция (манипуляция) │
├────────────────────────────┬───────────┬────────────────────────────────┤
│Одна боковая полоса: │ │1. Излучение несущей без │
│- несущая подавлена │J3E │модуляции. │
│- несущая ослаблена │R3E │2. Излучение одной боковой │
│Две независимые боковые │B8E │полосы с модулирующей частотой │
│полосы │ │3000 Гц │
├────────────────────────────┼───────────┼────────────────────────────────┤
│Факсимиле: │ │Излучение одной боковой полосы в│
│- одна боковая полоса, │R3C │режиме передачи изображения │
│несущая ослаблена │ │(черного - при негативной │
│ │ │модуляции, белого - при │
│ │ │позитивной модуляции) при │
│ │ │максимальной Р │
│ │ │ пик │
├────────────────────────────┼───────────┼────────────────────────────────┤
│Многоканальная тональная │R7B │Излучение одной боковой полосы, │
│телеграфия. │ │модулированной в одном из │
│Одна боковая полоса с │ │каналов одновременно двумя │
│ослабленной несущей │ │тонами, при уровне каждого тона,│
│ │ │равном 50% значения мощности │
│ │ │P . Рекомендуемые │
│ │ │ пик │
│ │ │модулирующие частоты 400 Гц и │
│ │ │700 Гц │
├────────────────────────────┼───────────┼────────────────────────────────┤
│Телевидение (только │C3F │Излучение несущей при уровне │
│изображение), частично │ │мощности, соответствующем уровню│
│подавлена боковая полоса │ │черного поля │
├────────────────────────────┼───────────┼────────────────────────────────┤
│Случаи, не предусмотренные │А9W, │Излучение двух боковых полос, │
│выше, например, │B9W │каждая из которых модулирована │
│комбинированная передача │ │одним тоном с уровнем, равным │
│телефонии и телеграфии; две │ │50% значения, соответствующего │
│независимые боковые полосы │ │P . Рекомендуется │
│ │ │ пик │
│ │ │использовать модулирующие │
│ │ │частоты 400 и 700 Гц │
├────────────────────────────┴───────────┴────────────────────────────────┤
│ Частотная модуляция (манипуляция) │
├────────────────────────────┬───────────┬────────────────────────────────┤
│Телеграфирование │F1B, │Излучение с максимальной │
│одноканальное (включая │F1D │мощностью и скоростью │
│цифровую передачу) │ │манипуляции 1024 бит/с │
├────────────────────────────┼───────────┼────────────────────────────────┤
│Двойное частотное │F7B │Излучение одной из четырех │
│телеграфирование │ │частот манипуляции │
├────────────────────────────┼───────────┼────────────────────────────────┤
│Телеграфирование │F7D, │Излучение с максимальной │
│многоканальное (включая │F7W │мощностью и скоростью │
│цифровую передачу) │и подобные │манипуляции 2048 бит/с │
├────────────────────────────┼───────────┼────────────────────────────────┤
│Коммерческая телефония, │F3E │1. Излучение несущей без │
│радиовещание, звуковое │ │модуляции. │
│сопровождение телевидения │ │2. Излучение с максимальной │
│ │ │мощностью и модулирующей │
│ │ │частотой 3000 Гц │
├────────────────────────────┼───────────┼────────────────────────────────┤
│Широкополосный сигнал с │F9D, │Излучение всех поднесущих с │
│частотной манипуляцией │F9W │одинаковым уровнем │
│поднесущих │ │ │
├────────────────────────────┴───────────┴────────────────────────────────┤
│ Фазовая модуляция (манипуляция) │
├────────────────────────────┬───────────┬────────────────────────────────┤
│Непрерывная │G1B │1. Излучение несущей при │
│фазоманипулированная │G1D │максимальной мощности │
│несущая │G7D │(без модуляции). │
│ │G7W │Примечание - учитывается │
│ │ │применяемый характер уплотнения │
│ │ │каналов для систем │
│ │ │многоканальной передачи. │
│ │ │ │
│ │ │2. Излучение с максимальной │
│ │ │мощностью и скоростью │
│ │ │манипуляции 1024 бит/с │
├────────────────────────────┼───────────┼────────────────────────────────┤
│Широкополосный сигнал с │G9W │Излучение всех поднесущих с │
│относительной фазовой │ │одинаковым уровнем при │
│манипуляцией поднесущих │ │максимальной P (без │
│ │ │ пик │
│ │ │модуляции) │
├────────────────────────────┴───────────┴────────────────────────────────┤
│ Импульсная модуляция (манипуляция) │
├────────────────────────────┬───────────┬────────────────────────────────┤
│Импульсная несущая без │PON │Излучение последовательности │
│модуляции (серия импульсов и│ │импульсов при максимальной │
│импульсно-кодовая │ │пиковой мощности огибающей (без │
│модуляция) │ │модуляции) │
├────────────────────────────┼───────────┼────────────────────────────────┤
│Телеграфирование │K1B │То же │
│посредством амплитудной │ │ │
│модуляции импульсной │ │ │
│несущей без модуляции │ │ │
│звуковой частотой. │ │ │
│Телеграфирование │ │ │
│посредством амплитудной │ │ │
│манипуляции одной или │ │ │
│нескольких модулирующих │ │ │
│звуковых частот или │ │ │
│посредством амплитудной │ │ │
│манипуляции модулированной │ │ │
│импульсной несущей: │ │ │
│модуляция импульсов по │K2B │То же │
│амплитуде │ │ │
│модуляция импульсов по │L2B │То же │
│ширине │ │ │
│модуляция импульсов по фазе │M2B │То же │
│Телефония: │ │ │
│модуляция импульсов по │K3E │То же │
│амплитуде │ │ │
│модуляция импульсов по │L3E │То же │
│ширине (или длительности) │ │ │
│модуляция импульсов по фазе │M3E │То же │
│(или по положению) │ │ │
│кодово-импульсная модуляция │G3E │То же │
│(после амплитудно-импульсной│ │ │
│модуляции и отбора │ │ │
│импульсных посылок) │ │ │
│Случаи, не предусмотренные │X3E │То же │
│выше, в которых несущая │ │ │
│модулируется импульсами │ │ │
└────────────────────────────┴───────────┴────────────────────────────────┘
Б.3 Измерения проводят при максимальной скорости передачи для
нормальных условий эксплуатации. Во всех случаях, где это возможно,
измерения проводят без использования модуляции для того, чтобы выявить
специфические виды ПИ. Затем для классов излучения, где это предусмотрено,
включают модулирующие частоты, стандартные (максимальные) для данного
класса излучения испытуемой системы, и измерения повторяют в режиме
модуляции. При измерениях уровня ПИ должно выполняться условие В >= В .
i н
Таким образом, выявляются все виды ПИ и уточняются их уровни. Для
обеспечения однозначности результатов измерений в
таблице Б.1 даны
рекомендуемые режимы модуляции. Кроме того, для систем с цифровой
модуляцией в таблице Б.2 приведены виды стандартных испытательных сигналов,
предусмотренных Рекомендациями МСЭ-Р и МСЭ-Т О.153
[6] для целей измерения
полезных и нежелательных сигналов.
Таблица Б.2
ВИДЫ СТАНДАРТНЫХ ИСПЫТАТЕЛЬНЫХ СИГНАЛОВ
ТИП сигнала | Краткая характеристика | Особенности использования | Исходный документ |
D-M0 | Серия 0-битовых | Неопределенные серии 0/1 битовых сигналов не соответствуют эксплуатационной ШПИ | Пункт 7.3 стандарта ЕТСИ 300-113 |
D-M1 | Серия 1-битовых сигналов |
D-M2 | Псевдослучайная последовательность по крайней мере 511 битов | Служит приемлемой аппроксимацией типичной полосы частот излучения | Рекомендация МСЭ-Т О.153 |
D-M4 | Состоит из корректно кодированных сигналов, сообщений, передаваемых последовательно без промежутков между ними | Применяется при измерениях побочных излучений | Пункты 7.3 и 8.6.2 стандарта ЕТСИ 300-113 |
A-M3 | Низкочастотный сигнал, модулируемый звуковой частотой в 1 кГц с девиацией 12% от величины разноса каналов | Применяется обычно как вид нежелатель- ного сигнала соседнему каналу |
--------------------------------
<Б1> Неопределенные серии 0-битовых и 1-битовых посылок.
Б.4 При использовании в радиопередатчике формообразующих фильтров измерения ПИ, где это возможно, проводят при выключенном фильтре.
(рекомендуемое)
ФОРМА ПРОТОКОЛА ИЗМЕРЕНИЙ ПОБОЧНЫХ КОЛЕБАНИЙ
(ИЗЛУЧЕНИЙ) РАДИОПЕРЕДАТЧИКА
Общие характеристики испытуемого радиопередатчика
Тип радиопередатчика, используемая радиослужба ┌─────────────────────────┐
бланка формы N 1) └─────────────────────────┘
Мощность радиопередатчика (P ), Вт, дБ ┌─────────────────────────┐
0 │ │
(отн. 1 Вт) └─────────────────────────┘
Условное обозначение класса излучения ┌────────────┐
(3 или 5 знаков) │ │
└────────────┘
Требования к данному типу передатчика ┌──────────────────────────────┐
(Норма А в дБ или P в мВт, дБ │ │
пи i │ │
└──────────────────────────────┘
Характеристики измерительной установки ┌──────────────────────────────────┐
(структурная схема, состав аппаратуры, │ │
тип дополнительного радиопередатчика) │ │
└──────────────────────────────────┘
┌──────────────────────────────────┐
Рабочие частоты настройки │Испытуемый РПД Частоты │
радиопередатчика (радиопередатчиков), │ интермодуляции В1│
выбранные для контроля, МГц │1 │
│2 т.п. │
└──────────────────────────────────┘
ИЗМЕРЕНИЯ
1. Результаты измерений на рабочих частотах f радиопередатчика:
0
┌───┬───────────┬───────────────────┬────────┬────────┬─────────┬─────────┐
│ N │Рабочие │ Мощность │Коэффи- │Коэффи- │Эффектив-│Коэффи- │
│п/п│частоты │ (напряжение) │циент │циент │ная │циент │
│ │радиопере- │ основного ПК (ПИ) │передачи│передачи│площадь │усиления │
│ │датчика f ,│ на входе │по │по │измери- │антенны │
│ │ 0 │ измерительного │мощности│мощности│тельной │радио- │
│ │МГц (в │ приемника │ВЧ │направ- │антенны │переда- │
│ │режиме │P (U ), мВт (мВ)│тракта │ленного │S
<В.2> │ющего │
│ │излучения │ и0 и0 │k │ответ- │ 0 │устрой- │
│ │несущей ├────────┬──────────┤ 0 │вителя │ │ства G │
│ │
<В.1>) │падающей│отраженной│ │k │ │ 0 │
│ │ │ волны │ волны │ │ н.0 │ │
<В.3> │
├───┼───────────┼────────┼──────────┼────────┼────────┼─────────┼─────────┤
│1. │ │ │ │ │ │ │ │
│2. │ │ │ │ │ │ │ │
│3. │ │ │ │ │ │ │ │
└───┴───────────┴────────┴──────────┴────────┴────────┴─────────┴─────────┘
--------------------------------
<В.1> В случае невозможности режима излучения 100% несущей (см.
Приложение Б) указываются параметры модулирующего сигнала, предусмотренные
Нормами 19-02 для испытуемого класса излучения, например: В - скорость передачи, D - девиация частоты, FB - верхняя звуковая частота, S - позиционность и т.п.
<В.2> Эффективная площадь указывается в документации измерительной антенны. Для рамочных и вибраторных антенн указывается калибровочный коэффициент.
<В.3> Коэффициент усиления антенны радиопередающего устройства определяется либо по результатам измерений, либо по документации изготовителя.
ИЗМЕРЕНИЯ
Результаты измерений и расчетов ПИ (ПК) в режиме
излучения несущей, в режиме эксплуатации
радиопередатчика (нужное подчеркнуть)
┌───┬─────────┬─────────┬───────────────────┬────────┬────────┬───────┬────────┐
│ N │Рабочие │Частота │ Мощность │Коэффи- │Коэффи- │Эффек- │Коэффи- │
│п/п│частоты │обнару- │(напряжение) ПИ на │циент │циент │тивная │циент │
│ │радиопе- │женного │ входе │передачи│передачи│площадь│усиления│
│ │редатчика│побочного│ измерительного │по │по мощ- │измери-│антенны │
│ │f , МГц │излучения│ приемника │мощности│ности │тельной│радио- │
│ │ 0 │f , МГц │ P (U ), мВт │ВЧ │направ- │антенны│переда- │
│ │ │ i │ иi иi │тракта │ленного │S │ющего │
│ │ │ │ (мВ) │k │ответ- │ i │устрой- │
│ │ │ ├────────┬──────────┤ i │вителя │ │ства G │
│ │ │ │падающей│отраженной│ │k │ │ i │
│ │ │ │ волны │ волны │ │ нi │ │ │
├───┼─────────┼─────────┼────────┼──────────┼────────┼────────┼───────┼────────┤
│1 │ │ │ │ │ │ │ │ │
│2 │ │ │ │ │ │ │ │ │
│3 │ │ │ │ │ │ │ │ │
└───┴─────────┴─────────┴────────┴──────────┴────────┴────────┴───────┴────────┘
Заключение испытательного центра (лаборатории)
о выполнении (или невыполнении) требований
Норм 18- <В.4>
--------------------------------
<В.4> В случае необходимости в протоколе подготовленного к серийному выпуску радиопередатчика указываются значения ослабления ПИ реквизитов, предусмотренных пунктами 4.17 - 4.20 Формы N 1 ТТД РЭС в радиочастотной заявке; для закупаемых радиопередатчиков промышленного выпуска - пунктами 4.17 и 4.19.
┌─────────────────────────────────────────────────────────────────────────┐
│ │
│ │
│ │
└─────────────────────────────────────────────────────────────────────────┘
Дата контроля.
Контроль проводили
(подписи)
М.П.
(справочное)
СПОСОБ ПЕРЕСЧЕТА РЕЗУЛЬТАТОВ ИЗМЕРЕНИЙ ПОБОЧНЫХ КОЛЕБАНИЙ
(ИЗЛУЧЕНИЙ) ПРИ ИМПУЛЬСНОЙ МОДУЛЯЦИИ
Мощность на входе измерительного приемника в полосе В
(п. 7.1.2) при
пр
измерениях приемником с полосой В' определяется по формуле:
пр
В
пр
P = g P' ---, (Г.1)
и0(i) и0(i) В'
пр
где:
P' - измеренное значение мощности на входе измерительного приемника
и0(i)
при полосе пропускания В' , Вт;
пр
g - коэффициент пересчета (для большинства встречающихся на практике
случаев g = 1). В случае необходимости g определяется с использованием
огибающей спектра сигнала, полученного на экране анализатора спектра (рис.
Г.1):
Рисунок Г.1. Изображение сглаженной огибающей спектра
контролируемого импульсного сигнала на экране
анализатора спектра
Пересчет коэффициента g производится по формулам Г.2 и
Г.3:
где:
Q, Q' - средние значения уровней спектра в полосах пропускания В ,
пр
пр
М = 0,1 - в режиме квадратичного детектирования;
М = 0,2 - в режиме линейного детектирования.
Динамический диапазон D, одновременно наблюдаемых составляющих спектра, должен составлять 17 - 20 дБ.
(рекомендуемое)
ПРИБЛИЖЕННЫЙ МЕТОД ОЦЕНКИ ПОБОЧНЫХ ИЗЛУЧЕНИЙ
РАДИОПЕРЕДАТЧИКОВ ФИКСИРОВАННОЙ СЛУЖБЫ ДЕКАМЕТРОВЫХ
ВОЛН ПО ДОПУСТИМОМУ ЗНАЧЕНИЮ ЭКВИВАЛЕНТНОЙ
НАПРЯЖЕННОСТИ ПОЛЯ
Уровни ПИ могут быть оценены по величине эквивалентной напряженности
поля, допустимые значения которой E приведены в таблице Д.1. Превышение
1
этих значений не является основанием для установлени несоответствия
радиопередатчика нормам, приведенным в
разделе 6. При превышении этих
допустимых значений радиопередатчик проверяется на соответствие нормам по
методикам
раздела 7. Значения E определяются в зависимости от мощности
1
передатчика на рабочей частоте и норм на побочные излучения.
Таблица Д.1
┌────────────────────────┬─────────────────────┬──────────────────────────┐
│ Мощность │ Нормы к уровням │ Допустимые значения │
│ радиопередатчика на │ мощности ПИ │ эквивалентной │
│ рабочей частоте P , кВт│ │ напряженности поля E │
│ 0 │ │ 1 │
└────────────────────────┴─────────────────────┴──────────────────────────┘
Менее 0,5 -40 дБ

───────────────────────────────────────────────────────────────────────────
Св. 0,5 до 50 50 мВт 0,2E
В
───────────────────────────────────────────────────────────────────────────
Св. 50 -60 дБ

───────────────────────────────────────────────────────────────────────────
Примечание
E - максимальное значение вертикальной составляющей напряженности
В
поля, соответствующее мощности ПК в 1 Вт на входе фидера, на расстоянии
5 км от антенны, мкВ/м.
───────────────────────────────────────────────────────────────────────────
В таблице Д.2 приведены значения E для 2 - 5 гармоник рабочей
В
частоты.
Таблица Д.2
Номер гармоники | Значения напряженности поля E (мкВ/м) для антенн типа В |
ВГДШ | РГД | СГД8/16РА; СГД8/8РА | СГД4/8РА; СГД4/4РА | СГД2/4РА; СГД1/4РА; СГД1/2РА |
2 | 140 | 330 | 210 | 130 | 70 |
3 | 45 | 400 | 440 | 245 | 130 |
4 | 65 | 550 | 370 | 220 | 110 |
5 | 55 | 600 | 240 | 150 | 75 |
ВГДШ - вибратор горизонтальный диапазонный шунтовой;
РГД - ромбическая горизонтальная двойная;
СГД РА - синфазная горизонтальная диапазонная антенна с рефлектором апериодическим.
Значения E для частот ПИ, отличающихся от рабочей частоты не более
В
чем на 10%, приведены в таблице Д.3.
Таблица Д.3
┌──────────────────┬─────────────────────────────────────────────────────────────────┐
│ Вид почвы │ Значения напряженности поля E (мкВ/м) для антенн типа │
│ │ В │
│ ├──────┬────────────────────────────┬─────────────────────────────┤
│ │ ВГДШ │ РГД │ СГДРА │
│ │ ├───────┬────┬───────┬───────┼────┬────┬───┬───┬───┬───┬───┤
│ │ │ РГД │РГД │ РГД │ РГД │СГД │СГД │СГД│СГД│СГД│СГД│СГД│
│ │ │57 │65 │65 │70 │8/16│8/8 │4/8│4/4│2/4│1/4│1/2│
│ │ │--- 0,5│-- 1│--- 0,6│-- 1,25│РА │РА │РА │РА │РА │РА │РА │
│ │ │1,7 │4 │2,8 │6 │ │ │ │ │ │ │ │
└──────────────────┴──────┴───────┴────┴───────┴───────┴────┴────┴───┴───┴───┴───┴───┘
Влажная почва 75 350 320 370 205 160 120 110 85 60 50 40
─────────────────────────────────────────────────────────────────────────────────────
Почва средней 30 85 100 95 110 55 40 30 27 20 20 15
влажности
─────────────────────────────────────────────────────────────────────────────────────
Сухая почва 10 65 110 80 130 60 45 38 30 20 20 15
─────────────────────────────────────────────────────────────────────────────────────

- относительная диэлектрическая проницаемость;

- удельная электрическая проводимость почвы.
Оценка уровней ПИ осуществляется путем измерения вертикальной
составляющей напряженности поля E в секторах ее наибольших значений.
В
Расположение секторов и их углы для антенн типов ВГДШ, СГДРА, РГД указаны на рисунке Д.1. Буквой А обозначены центры антенн.
а)
б)
в)
Рисунок Д.1 - Расположение секторов наибольшего
значения вертикальной составляющей напряженности поля
E антенн:
в
а - ВГШД; б - СГДРА; в - РГД
Антенно-фидерная система, а также тот сектор измерения, в котором находится меньше местных предметов, наносятся на карту района расположения радиостанции. Масштаб карты должен быть не более 25000:1.
Измерения должны производиться на расстоянии 3 - 5 км от антенны. Точки измерения с учетом местных условий располагаются равномерно по дуге. Их число должно быть:
для антенны ВГДШ - 5;
для антенны СГДРА - 5;
для антенны РГД - 10.
Результаты измерений приводятся к одному расстоянию R = 5000 м по
пр
формуле:
r 2
2 иiмакс 5000
где:
E - приведенное значение напряженности поля, мкВ/м;
2
E - измеренное максимальное значение напряженности поля, мкВ/м;
иiмакс
r - фактическое расстояние от антенны при измерениях, м.
Структурная схема измерений приведена на рисунке Д.2.
1 - контролируемый радиопередатчик; 2 - антенно-фидерная
система; 3 - измерительная антенна; 4 - фильтр;
5 - измеритель напряженности поля; 6 - экранированная камера
(используется при необходимости)
Рисунок Д.2 - Структурная схема измерений напряженности
поля стационарных радиостанций декаметровых волн:
Порядок проведения контроля
Д.1 Соберите измерительную установку в соответствии со структурной схемой
рисунка Д.2.
Д.2 Установите вертикальную поляризацию измерительной антенны.
Д.3 Проверьте достаточность экранирования измерительной установки в соответствии с
разделом 7.3.
Д.4 Произведите обнаружение основного и побочных излучений в диапазоне частот контроля, фиксируя частоты приема сигналов.
Д.5 Отсчитайте по прибору измерителя напряженность поля E для всех
3
частот ПИ.
Д.6 Значения напряженности поля ПИ с учетом потерь в фильтре K
ф
вычисляются по формуле:
E = K E . (Д.2)
иi ф 3
Д.7 Испытуемый передатчик удовлетворяет норме, если максимальное
приведенное значение напряженности поля ПИ E , вычисленное по
формуле Д.1,
2
не превосходит допустимого значения E .
1
Д.8 В случае, когда частота ПИ не может быть отделена фильтром от основной частоты радиопередатчика, измерение напряженности поля проводят методом замещения по структурной схеме, представленной на рисунке Д.3.
1 - контролируемый радиопередатчик; 2 - антенно-фидерная
система; 3 - измерительная антенна; 4 - коаксиальный
переключатель; 5 - измерительный генератор; 6 - аттенюатор;
7 - измерительный приемник; 8 - экранированная камера
(используется при необходимости)
Рисунок Д.3 - Структурная схема измерений напряженности
поля ПИ на частотах, отличающихся от основной
частоты не более чем на 10%
Д.9 Проверяют достаточность экранирования измерительной установки в соответствии с
разделом 7.3.
Д.10 Устанавливают коаксиальный переключатель в положение I и настраивают измерительный приемник на частоту ПИ.
Д.11 Аттенюатор устанавливают в положение, при котором показания индикатора измерительного приемника в полтора-два раза превышает уровень собственных шумов, и фиксируют его.
Д.12 Коаксиальный переключатель устанавливают в положение II и на вход приемника подают сигнал от измерительного генератора, при котором на индикаторе измерительного приемника установится уровень, равный зафиксированному на этой частоте по
Д.11.
Д.13 Вычисляют значение напряженности поля по формуле:
E = k U, (Д.3)
иi
где:
U - напряжение, отсчитываемое по шкале регулятора выходного уровня
измерительного генератора, мкВ;
-1
k - калибровочный коэффициент измерительной антенны, м .
Д.14 Приводят вычисленное значение E по
формуле Д.1 к значению E .
иi 2
Д.15 Контролируемый передатчик удовлетворяет норме, если приведенное
значение напряженности поля ПИ E не превосходит значения E .
2 1
(справочное)
ТАБЛИЦА ПЕРЕСЧЕТА АБСОЛЮТНЫХ ЗНАЧЕНИЙ МОЩНОСТИ
В ОТНОСИТЕЛЬНЫЕ И ОТНОСИТЕЛЬНЫХ В АБСОЛЮТНЫЕ
В таблице Е.1 приведены результаты пересчета абсолютных значений мощности в относительные и относительных в абсолютные.
Таблица Е.1
ПЕРЕСЧЕТ АБСОЛЮТНЫХ ЗНАЧЕНИЙ МОЩНОСТИ В ОТНОСИТЕЛЬНЫЕ
И ОТНОСИТЕЛЬНЫХ В АБСОЛЮТНЫЕ
МкВт | ДБ (отн. 1 мВт) | ДБ (отн. 1 Вт) | Вт | ДБ (отн. 1 мВт) | ДБ (отн. 1 Вт) | КВт | ДБ (отн. 1 мВт) | ДБ (отн. 1 Вт) |
0,001 | -60 | -90 | 1 | 30 | 0 | 1 | 60 | 30 |
0,01 | -50 | -80 | 1,5 | 32 | 1,8 | 3 | 66 | 36 |
0,1 | -40 | -70 | 2 | 33 | 3 | 5 | 67 | 37 |
1 | -30 | -60 | 2,5 | 34 | 4 | 10 | 70 | 40 |
3 | -25 | -55 | 3 | 35 | 4,8 | 15 | 72 | 42 |
10 | -20 | -50 | 5 | 37 | 7 | 25 | 74 | 44 |
30 | -15 | -45 | 7 | 39 | 8,5 | 50 | 77 | 47 |
100 | -10 | -40 | 10 | 40 | 10 | 75 | 79 | 49 |
мВт | - | - | 15 | 42 | 12 | 100 | 80 | 50 |
1 | 0 | -30 | 25 | 44 | 14 | 150 | 82 | 52 |
1,5 | 2 | -28 | 30 | 45 | 15 | 200 | 83 | 53 |
2 | 3 | -27 | 50 | 47 | 17 | 300 | 85 | 55 |
2,5 | 4 | -26 | 80 | 49 | 19 | 400 | 86 | 56 |
3 | 5 | -25 | 100 | 50 | 20 | 500 | 87 | 57 |
5 | 7 | -23 | 150 | 52 | 22 | 1000 | 90 | 60 |
7 | 9 | -21 | 200 | 53 | 23 | МВт | - | - |
10 | 10 | -20 | 250 | 54 | 24 | 1 | 90 | 60 |
15 | 12 | -18 | 500 | 57 | 27 | 2,5 | 94 | 64 |
25 | 14 | -16 | 750 | 59 | 29 | 5 | 97 | 67 |
30 | 15 | -15 | 1000 | 60 | 30 | 10 | 100 | 70 |
50 | 17 | -13 | | | | | | |
80 | 19 | -11 | Формулы перевода размерностей мощности |
100 | 20 | -10 | дБ (отн. 1 Вт) = 10 lg Вт; |
150 | 22 | -8 | дБ (отн. 1 мВт) = дБ (отн. 1 Вт) + 30; |
200 | 23 | -7 | дБ (отн. 1 Вт) = дБ (отн. 1 мВт) - 30; |
250 | 24 | -6 | 1 мкВт = -60 дБ (отн. 1 Вт); 1 пкВт = -90 дБ (отн. 1 Вт); |
500 | 27 | -3 | Формулы перевода напряжения |
750 | 29 | -1 | дБ (отн. 1 В) = 20 lg В; |
1000 | 30 | 0 | дБ (отн. 1 мВ) = дБ (отн. 1 В) + 60; дБ (отн. 1 В) = дБ (отн. 1 мВ) - 60 |
(обязательное)
ТРЕБОВАНИЯ К СРЕДСТВАМ КОНТРОЛЯ
Ж.1. Основные средства измерений
В качестве основных средств измерений для контроля ПК (ПИ) используют измерительный приемник (анализатор спектра, измеритель радиопомех по ГОСТ Р 51319-99) и комплект измерительных антенн с характеристиками, указанными ниже и в таблице Ж.1.
Таблица Ж.1
ХАРАКТЕРИСТИКИ ОСНОВНЫХ СРЕДСТВ ИЗМЕРЕНИЙ
Наименование прибора | Основные характеристики |
1. Анализатор спектра | Диапазон частот от 9 кГц до 40 ГГц, полоса обзора до 20 ГГц (в зависимости от параметров контролируемого передатчика), динамический диапазон: не менее 70 дБ (в полосе частот до 26,5 ГГц), не менее 60 дБ ( в полосе частот свыше 26,5 ГГц), погрешность измерения уровней - не более +/- 1,5 дБ |
2. Измерительный приемник | Диапазон частот 9 кГц - 18 ГГц, динамический диапазон: не менее 120 дБ, погрешность измерения напряжения - не более +/- 1,5 дБ |
3. Комплект измерительных антенн | Диапазон частот 9 кГц - 18 ГГц Погрешность коэффициента калибровки в диапазоне частот 9 кГц - 1 ГГц не более +/- 2,5 дБ Погрешность эффективной площади калибровки в диапазоне частот 1 ГГц - 40 ГГц не более +/- 2 дБ |
Допускается в процессе измерений для перекрытия требуемого частотного диапазона по участкам использовать несколько средств измерений. Допускается замена средств измерений на аналогичные, обеспечивающие требуемые параметры и значения погрешности измерений.
Используемые средства измерений должны иметь действующее свидетельство о поверке.
Измерительный приемник
Для измерения мощности ПИ, подаваемых в антенну или излучаемых через корпус радиопередающих устройств, используется измерительный приемник (или анализатор спектра) соответствующего частотного диапазона.
Ширина полосы пропускания измерительного приемника должна соответствовать ширине полосы, определенной в
таблице 4.
Нижний предел измерения мощности (напряжения) измерительного приемника должен удовлетворять условиям:
формулы (Ж.1) при измерениях мощности в тракте
или формулы (Ж.2) при измерениях напряжения
где:
А - норма ослабления в дБ уровня мощности ПК в соответствии с
пи
таблицей 3;
k - минимальный коэффициент передачи по мощности высокочастотного
мин
измерительного тракта;
k - коэффициент передачи по мощности направленного ответвителя
нi
(развязывающего аттенюатора);
R - входное сопротивление измерительного приемника, Ом.
вх
Ослабление восприимчивости побочных каналов приема H измерительного
приемника относительно основного должно составлять по отношению к норме
А :
пи
H >= |А | + 5. (Ж.3)
пи
Если это требование не удовлетворяется, необходимо применение
дополнительного фильтра для ослабления излучения на рабочей частоте на
входе измерительного приемного устройства на величину:
C >= |А | - H + 5. (Ж.4)
ф пи
Измерительный приемник при измерениях должен работать в линейном режиме во всем диапазоне измерений напряжения.
При импульсном режиме работы контролируемого передатчика измерительный приемник должен иметь пиковый детектор.
Измерительная антенна
Для измерений используются рамочные (9 кГц - 30 МГц), дипольные (30 МГц - 1 ГГц) и рупорные антенны (1 ГГц - 40 ГГц) с известными калибровочным коэффициентом или эффективной площадью (коэффициентом усиления).
Измерительная антенна должна иметь линейную поляризацию (с возможностью ее установки в двух ортогональных плоскостях в диапазоне 30 МГц - 40 ГГц). Эффективная площадь антенны связана с коэффициентом усиления формулой:
КСВН измерительной антенны не должен быть более 2,5.
Ж.2. Вспомогательные средства контроля
В качестве вспомогательных в процессе контроля ПК (ПИ) используются средства, указанные ниже. Основные характеристики вспомогательных средств измерений приведены в таблице Ж.2.
Таблица Ж.2
ХАРАКТЕРИСТИКИ ВСПОМОГАТЕЛЬНЫХ СРЕДСТВ ИЗМЕРЕНИЙ
┌────────────────────┬────────────────────────────────────────────────────┐
│Наименование прибора│Основные характеристики │
└────────────────────┴────────────────────────────────────────────────────┘
1. Генератор Диапазон частот от 1 кГц до 56 ГГц,
сигналов -6
погрешность установки частоты: не более +/- 1 x 10
-4
в диапазоне частот до 1 ГГц, не более +/- 1 x 10
в диапазоне от 1 ГГц до 56 ГГц
───────────────────────────────────────────────────────────────────────────
6
2. Генератор Диапазон частот 10 - 20 x 10 Гц
низкочастотный -4
Погрешность установки частоты - не более 1 x 10
───────────────────────────────────────────────────────────────────────────
6
3. Вольтметр Диапазон частот 10 - 20 x 10 Гц,
переменного тока -3
пределы измерения напряжения 1 x 10 - 100 В,
погрешность измерения - не более +/- 2,5%
───────────────────────────────────────────────────────────────────────────
4. Вольтметр Диапазон частот от 10 Гц до 1,5 ГГц, пределы
среднеквадратический измерения напряжения от 1 мВ до 10 В, погрешность
измерения - не более 10%
───────────────────────────────────────────────────────────────────────────
5. Осциллограф Диапазон уровней сигналов от 5 мВ до 100 В,
форма сигнала - от постоянного тока до 1 МГц
───────────────────────────────────────────────────────────────────────────
6. Измерительный Диапазон частот 9 кГц - 40 ГГц,
аттенюатор ослабление - 110 дБ,
мощность рассеивания P >= P k ,
ат 0 н.от
минимальное затухание

,
погрешность измерения ослабления - не более 1 дБ
───────────────────────────────────────────────────────────────────────────
Направленный ответвитель
Для измерения мощностей основного излучения применяются направленные ответвители. Импеданс ответвителя должен соответствовать импедансу передатчика на основной частоте.
Первичный тракт одномодового направленного ответвителя (НОМ) должен быть рассчитан на мощность, значение которой не меньше мощности контролируемого передатчика, и обеспечивать отбор мощности с погрешностью не более 3,5 дБ.
На рабочей частоте коэффициент передачи по мощности НОМ в измерительный тракт должен находится в пределах:
КСВН входа НОМ не должен быть более 1,8.
Направленность НОМ должна составлять не менее 20 дБ.
Первичный тракт многомодового направленного ответвителя (НОММ) должен быть рассчитан на мощность, значение которой не меньше мощности контролируемого передатчика, удовлетворять условию КСВН <= 1,8 и обеспечивать отбор многомодовой мощности с погрешностью не более 3,5 дБ.
Число вторичных каналов НОММ должно быть не менее 6.
Переходное затухание (развязка) между каналами НОММ должно быть не менее 20 дБ.
Измерительная нагрузка
Для измерения мощности ПК передатчик должен быть соединен с измерительной нагрузкой (нагрузочным сопротивлением). Точность измерения зависит от соответствия импедансов оконечного каскада передатчика, фидера и нагрузочного сопротивления.
Допустимая мощность рассеяния на эквивалентном нагрузочном сопротивлении должна быть не менее максимальной средней мощности основного излучения контролируемого передатчика.
КСВН на входе эквивалентного нагрузочного сопротивления в диапазоне частот контроля должен быть не более 1,4.
Заграждающий фильтр основной частоты
В случае, когда отношение мощности на основной частоте радиопередатчика к мощности ПИ составляет 70 дБ и более, при измерениях ПИ на частотах близких к основной частоте для подавления основного излучения на входе измерительного устройства служит заграждающий фильтр. Параметры заграждающего фильтра должны быть выбраны такими, чтобы подавление основного излучения радиопередающего устройства позволяло проводить измерение побочных излучений в динамическом диапазоне измерительного приемника.
КСВН фильтра в диапазоне частот контроля не должен быть более 2,5 дБ.
Ж.3 Вспомогательные элементы измерительного тракта
Вспомогательные элементы измерительного высокочастотного тракта (высокочастотные переключатели, высокочастотные переходы, соединительные фидерные тракты) должны быть аттестованы во всем диапазоне частот контроля. При необходимости измеряют коэффициенты передачи вспомогательных элементов измерительного тракта в соответствии с
7.2.
КСВН вспомогательных элементов высокочастотного измерительного тракта не должен превышать 1,5.
Высокочастотные переходы и переключатели не должны вносить дополнительные затухания более 0,5 дБ.
[1] Нормы ГКРЧ 18-85. Общесоюзные нормы на побочные излучения радиопередающих устройств гражданского назначения.
[2]
Нормы ГКРЧ 19-02. Нормы на ширину полосы радиочастот и внеполосные излучения радиопередатчиков гражданского назначения.
[3] Рекомендация МСЭ-Р SM.1541-1. Нежелательные излучения в области внеполосных излучений.
Unwanted emissions in the out of band domain.
[4] Рекомендация МСЭ-Р SM.329-10. Нежелательные излучения в области побочных излучений.
Unwanted emissions in the spurious domain.
[5] Radio Regulations, Edition of 2004, ITU.
[6] Рекомендация МСЭ-Т О.153. Допустимые значения ошибки при измерении скорости передачи данных ниже первоначальной.
Basic parameters for the measurement of error performance at bit rates below the primary rate.
[7] Рекомендация СЕПТ 74-01. Побочные излучения
Spurious emissions.