Главная // Актуальные документы // МетодикаСПРАВКА
Источник публикации
Документ опубликован не был
Примечание к документу
Название документа
"Методика определения потенциальной опасности земляного полотна по состоянию водоотводных сооружений"
(утв. Распоряжением ОАО "РЖД" от 15.09.2022 N 2388/р)
"Методика определения потенциальной опасности земляного полотна по состоянию водоотводных сооружений"
(утв. Распоряжением ОАО "РЖД" от 15.09.2022 N 2388/р)
от 15 сентября 2022 г. N 2388/р
МЕТОДИКА
ОПРЕДЕЛЕНИЯ ПОТЕНЦИАЛЬНОЙ ОПАСНОСТИ ЗЕМЛЯНОГО ПОЛОТНА
ПО СОСТОЯНИЮ ВОДООТВОДНЫХ СООРУЖЕНИЙ
Целью настоящей Методики определения потенциальной опасности земляного полотна по состоянию водоотводных сооружений (далее - Методика) является определение степени потенциальной опасности участков земляного полотна по результатам диагностики, а также текущих, периодических и внеплановых осмотров земляного полотна и водоотводных сооружений.
Поверхностный водоотвод осуществляется планировкой территории, не допускающей застоя воды на ней, и устройством необходимой сети водосборных и водоотводных канав, лотков или кюветов.
На участках отсутствия водоотводов (например, при не полностью реализованных и/или неполных проектных решениях водоотведения или засыпке водоотводов при производстве путевых работ - "погребенные кюветы") или наличия значительных дефектов (заиливание и засорение, стеснение поперечного сечения, размывы дна и откосов, смещение уровня и положения в плане) возможно обводнение с образованием и развитием деформаций объектов земляного полотна в виде размывов, сплывов откосов и выпирания грунтов в выемках, оползания насыпей на косогорах с образованием пучин и просадок пути.
В методике не рассматриваются устройства для перехвата или понижения грунтовых вод. Их состояние должно быть определено дополнительно в установленном порядке при проведении обследования или осмотра земляного полотна и его обустройств. При наличии деформаций земляного полотна участок должен быть включен в перечень неустойчивых или деформирующихся мест и, при невозможности ремонта устройства в рамках текущего содержания, включен в программу ремонта или реконструкции объекта.
Методика предназначена для работников дистанций пути (дистанций искусственных сооружений, дистанций инфраструктуры, дистанций пути по текущему содержанию и ремонту пути) и инженерно-геологических баз ОАО "РЖД".
2. Техническая характеристика водоотводов
2.1. Поверхностные воды, собранные с прилегающих к земляному полотну территорий и стекающие с земляного полотна, собранные в водоотводные сооружения, должны отводиться ближайшим водопропускным сооружением (мостом, трубой, поперечным лотком) или в сторону от земляного полотна в пониженные места рельефа. Количество водоотводных сооружений, их параметры и местоположение должны быть выбраны так, чтобы в кратчайшие сроки без переполнения собрать и отвести поступающую к ним воду.
С нагорной стороны земляного полотна должен предусматриваться сплошной продольный водоотвод от каждого пересекаемого железной дорогой водораздела до водопропускного сооружения или места, где возможен поперечный отвод воды в сторону от земляного полотна.
Трасса водоотвода должна располагаться по возможности перпендикулярно к направлению преимущественного стока воды с прилегающих территорий для обеспечения наилучших гидравлических условий работы водоотвода и минимума строительных затрат и эксплуатационных расходов. Сопряжение водоотвода с руслом водотока устраивается таким образом, чтобы водоотвод подходил к водотоку под углом не более 45° по течению воды.
2.2. Основные типы водоотводов для поверхностного отвода воды:
канавы (в том числе нагорные и забанкетные) резервы,
кюветы, в том числе кюветы-траншеи,
лотки.
При пересеченном рельефе местности отдельные участки канав или лотков, при необходимости, сопрягают между собой перепадами или быстротоками. В отдельных случаях возможно применение водоотводных валиков и водоотжимных берм.
Расположение основных типов водоотводных сооружений приведено на примере характерных типовых поперечных профилей земляного полотна в
приложении к настоящей методике.
Минимально допустимые размеры поперечных сечений основных типов водоотводов следующие:
канавы и резервы с нагорной стороны насыпей: ширина по дну - не менее 0,6 м; глубина - не менее 0,6 м; заложение откосов - не круче 1:1,5; расстояние от бровки канавы до подошвы насыпи - не менее 3,0 м с уклоном в сторону водоотвода не менее 0,02;
канавы по протяжению насыпей на болотах: ширина по дну - не менее 0,8 м; глубина - не менее 0,8 м; заложение откосов - не круче 1:1,5; расстояние от бровки канавы до подошвы насыпи - не менее 3,0 м с уклоном в сторону водоотвода не менее 0,02;
нагорные канавы в выемках: ширина по дну - не менее 0,6 м; глубина - не менее 0,6 м; заложение откосов - не круче 1:1,5; расстояние от бровки канавы до бровки откоса выемки - не менее 5,0 м с уклоном в сторону водоотвода не менее 0,02;
забанкетные канавы: ширина по дну - не менее 0,3 м; глубина - не менее 0,3 м; заложение откосов - не круче 1:1,5 (забанкетные канавы могут иметь треугольное сечение);
кюветы: ширина по дну - не менее 0,4 м; глубина - не менее 0,6 м; заложение откосов - не круче 1:1,5.
Во всех случаях устройств водоотводов должны быть выполнены условия:
минимально допустимый продольный уклон дна водоотвода -

;
возвышение бровки водоотвода над уровнем воды - не менее 0,2 м.
Поверхностный водоотвод не должен служить одновременно для перехвата и понижения уровня грунтовых вод, а также недопустима врезка поверхностного водоотвода в водоносный слой.
2.3. Для предотвращения размыва и инфильтрации дна и откосов водоотводов производится их укрепление. Выбор того или иного типа укрепления зависит от скорости течения воды. Типы укрепления:
крепление дна кювета втрамбованным щебнем с обсевом откосов семенами многолетних трав;
сплошная дерновка готовыми лентами дерна, уложенными на песчаную подготовку;
укладка полимерных геоматов с растительным грунтом и засевом травой;
укладка объемной георешетки с заполнением ячеек растительным грунтом, торфо-песчаной смесью или щебнем (в районах, где по природно-климатическим условиям затруднено получение устойчивого травяного покрова);
устройство каменной наброски из сортированных фракций (участки скально-обвальных выемок, участки в районах распространения многолетнемерзлых грунтов в основании земляного полотна);
укрепление сборными железобетонными плитами;
укрепление монолитным бетоном.
2.4. Построечные (проектные) конструктивные параметры водоотводов, в различных условиях эксплуатации земляного полотна, определены положениями
СП 32-104-98 Проектирование земляного полотна железных дорог колеи 1520 мм, одобренного письмом Минземстроя России от 8 сентября 1998 г. N 13-498, СП 119.13330.2017 Железные дороги колеи 1520 мм. Актуализированная редакция СНиП 32-01-95, утвержденного
приказом Минстроя России от 12 декабря 2017 г. N 1648/пр (
пункты 5.28 -
5.31), СП 238.1326000.2015 Железнодорожный путь, утвержденного
приказом Минтранса России от 6 июля 2015 г. N 209 (
пункты 6.9.1 -
6.9.7), и
Альбома стандартных решений водоотводных устройств на железных дорогах, утвержденного МПС России 31 марта 2000 г.
3. Определение степени потенциальной опасности участков
земляного полотна по состоянию водоотводов
3.1. Систематический надзор за земляным полотном и его текущие, периодические и внеплановые осмотры должны проводиться в соответствии с Порядком осмотров земляного полотна ОАО "РЖД", утвержденным распоряжением ОАО "РЖД" от 4 октября 2016 г. N 2038/р, при этом производится осмотр водоотвода на всем его протяжении.
3.2. С целью предотвращения образования и развития дефектов и деформаций земляного полотна посредством своевременного проведения ремонта, восстановления и/или переустройства водоотводов устанавливается две степени потенциальной опасности участков земляного полотна в зависимости от состояния водоотводных сооружений.
3.3. К I степени потенциальной опасности относятся участки земляного полотна, где состояние водоотводов создает прямую (в большинстве случаев - внезапную, при неблагоприятных погодных условиях) угрозу возникновения и активизации деформаций земляного полотна.
Ко II степени потенциальной опасности относятся участки земляного полотна, где состояние водоотводов требует проведение ремонта, но на момент осмотра не представляет опасности возникновения деформаций земляного полотна.
Степень потенциальной опасности присваивается участку земляного полотна по всей протяженности водоотвода вне зависимости от места определения его дефектов.
3.4. Характеристика участков земляного полотна по степени их потенциальной опасности к возникновению деформаций по состоянию водоотводов приведена в таблице.
Таблица
Участки I степени потенциальной опасности | Участки II степени потенциальной опасности |
1. Участки с отсутствием водоотводов, предусмотренных проектом или нормативной документацией и/или участки с застоем воды, где необходим отвод вод по результатам осмотра. | 1. Участки насыпей на косогорах при уменьшении площади поперечного сечения канав с нагорной стороны менее чем на 30%. |
2. Участки насыпей на косогорах с отсутствием водоотвода с нагорной стороны и/или при уменьшении площади поперечного сечения канавы более чем на 30%. | 2. Участки выемок с уменьшением площади поперечного сечения нагорных канав, кюветов и лотков менее чем на 30%. |
3. Участки выемок с уменьшением площади поперечного сечения нагорных канав, кюветов и лотков более чем на 30%. | 3. Участки земляного полотна с местными застоями воды (менее 50% от протяжения водоотвода). |
4. Участки земляного полотна с застоем воды более 50% от протяжения водоотвода. | 4. Участки земляного полотна с нарушением укрепления водоотводов. |
5. Участки земляного полотна с неорганизованным выпуском воды из водоотводов или участки, где на выпуске из водоотвода наблюдается размыв грунтов. | 5. Участки земляного полотна с наличием в водоотводе конструкций, не препятствующих току воды. |
6. При наличии любых дефектов водоотводов, расположенных на участках земляного полотна, состоящих на учете в дистанциях пути (дистанциях искусственных сооружений, дистанциях инфраструктуры) в книге ПУ-9 | 6. Прочие дефекты водоотводов |
3.5. Ремонт, восстановление и/или переустройство водоотводов на участках I степени потенциальной опасности осуществляется в первоочередном порядке с незамедлительным включением в планы производства работ. Кроме того, на данные участки разрабатывается местная инструкция, в которой определены периодичность, объем, порядок наблюдений и условия обеспечения стабильной работы земляного полотна.
Ремонт и восстановление водоотводов на участках II степени потенциальной опасности осуществляется в плановом порядке.
Все неисправности, выявленные в ходе осмотра земляного полотна и водоотводных сооружений, заносятся в соответствующие книги (
ПУ-28, ПУ-9 и другие в зависимости от вида и порядка осмотров) и акты типовой формы в соответствии с Порядком осмотров земляного полотна ОАО "РЖД", утвержденным распоряжением ОАО "РЖД" от 4 октября 2016 г. N 2038/р.
1.
СП 32-104-98. Проектирование земляного полотна железных дорог колеи 1520 мм, одобренный письмом Минземстроя России от 8 сентября 1998 г. N 13-498.
2.
СП 119.13330.2017. Железные дороги колеи 1520 мм. Актуализированная редакция СНиП 32-01-95, утвержденный
приказом Минстроя России от 12 декабря 2017 г. N 1648/пр.
4. Порядок осмотров земляного полотна ОАО "РЖД", утвержденный распоряжением ОАО "РЖД" от 4 октября 2016 г. N 2038/р.
5. Альбом стандартных решений водоотводных устройств на железных дорогах, утвержденный МПС России 31 марта 2000 г.
к Методике определения
потенциальной опасности
земляного полотна по состоянию
водоотводных сооружений
ХАРАКТЕРНЫЕ ТИПОВЫЕ ПОПЕРЕЧНЫЕ ПРОФИЛИ ЗЕМЛЯНОГО ПОЛОТНА
Рис. 1. Типовой поперечный профиль насыпи высотой до 12 м
из недренирующих грунтов при поперечном уклоне
местности (1:п) не круче 1:5
а - насыпь с высотой низового откоса до 12 м; б - деталь
нагорной канавы с бермой в грунте естественного сложения;
в - низкая насыпь; г - полунасыпь-полувыемка
Рис. 2. Типовой поперечный профиль насыпи на косогорах
крутизной от 1:5 до 1:3
Рис. 3. Типовой поперечный профиль насыпи из дренирующих
грунтов высотой до 3 м на болотах I типа глубиной до 2 м
при поперечном уклоне основания не круче 1:10
с полным удалением торфа
m - крутизна откосов траншеи выторфования (от 1:0 до 1:0,5)
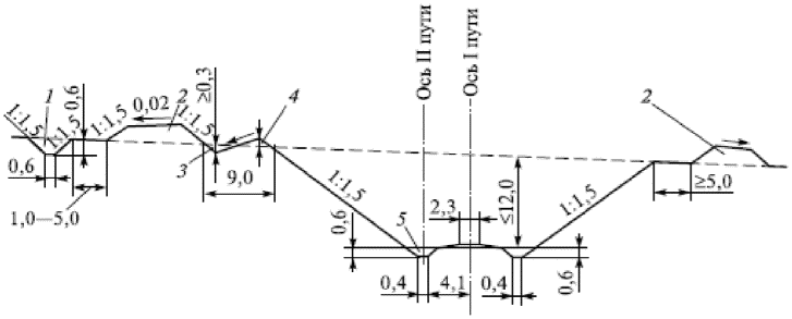
Рис. 4. Типовой поперечный профиль выемки глубиной до 12 м
в мелких и пылеватых песках и песчанистых супесях:
1 - нагорная канава; 2 - кавальер; 3 - забанкетная канава;
4 - банкет; 5 - кювет
Рис. 5. Типовой поперечный профиль выемки глубиной до 12 м
в крупнообломочных, крупнообломочных с песчаным заполнителем
и в песчаных дренирующих грунтах:
Бпроф - профильная бровка; Бп - проектная бровка