Главная // Актуальные документы // Методические указанияСПРАВКА
Источник публикации
М.: СПО Союзтехэнерго, 1981
Примечание к документу
Документ включен в
Перечень нормативных правовых актов и нормативных документов, относящихся к сфере деятельности Федеральной службы по экологическому, технологическому и атомному надзору (раздел I "Технологический, строительный, энергетический надзор") П-01-01-2014 (
Приказ Ростехнадзора от 13.01.2015 N 5).
Название документа
"Методические указания по измерению сопротивлений заземления опор ВЛ без отсоединения грозозащитного троса"
(утв. Минэнерго СССР 10.11.1980)
"Методические указания по измерению сопротивлений заземления опор ВЛ без отсоединения грозозащитного троса"
(утв. Минэнерго СССР 10.11.1980)
Заместитель начальника
Главтехуправления
Минэнерго СССР
К.М.АНТИПОВ
10 ноября 1980 года
МЕТОДИЧЕСКИЕ УКАЗАНИЯ
ПО ИЗМЕРЕНИЮ СОПРОТИВЛЕНИЙ ЗАЗЕМЛЕНИЯ ОПОР ВЛ
БЕЗ ОТСОЕДИНЕНИЯ ГРОЗОЗАЩИТНОГО ТРОСА
Составлено Сибирским научно-исследовательским институтом энергетики.
Составители: кандидаты техн. наук Ю.В. Целебровский, М.Ш. Микитинский.
Настоящие Методические указания содержат описание метода и средств измерений сопротивлений заземления одностоечных металлических и железобетонных опор ВЛ, заземляющие устройства которых электрически соединены посредством грозозащитного троса.
При проведении массовых измерений сопротивлений заземления рекомендуются приборы МС-08 и М-416 (с усилительной приставкой).
Вспомогательные приспособления, необходимые для осуществления данного способа измерений, изготовляются непосредственно на предприятиях, ведущих эксплуатационный контроль заземляющих устройств.
Кроме указанных приборов, могут быть применены геофизический комплект ИКС-1, приборы для измерения сопротивлений по методу амперметра-вольтметра, обладающие достаточной чувствительностью и точностью.
2.1. Для измерения сопротивления заземления опоры, если грозозащитный трос не отсоединен от заземляющего устройства, используются дополнительные измерительные электроды

и ВТ
(рис. 1). В измерениях также применяются электроды

и СЭ, которые при измерениях с отсоединенным грозозащитным тросом, играют роль соответственно потенциального и токового электрода.
Примечания. 1. Измерительные электроды изготовляются из стальных штырей.
2. Сопротивления измерительных электродов должны соответствовать требованиям применяемых измерительных приборов.
Рис. 1. Расположение измерительных электродов:
О - опора;

,

- потенциальные электроды;
СЭ - сравнительный токовый электрод;
ВТ - вспомогательный токовый электрод
2.2. Токовые цепи (с генератором тока и амперметром) и цепи для измерения напряжения (с вольтметром) при измерении образуют схемы а,
б,
в (рис. 2).
Рис. 2. Схемы соединения при измерениях -

,

,

:

токовая цепь;

цепь измерения напряжения
2.3. При соединении по
схеме а измеряют сопротивление

, (1)
где

- напряжение между заземляющим устройством опоры и измерительным электродом

, В;

- ток в заземляющем устройстве опоры, А;

- полный ток в токовой цепи, А;

- коэффициент отсоса, показывающий, во сколько раз ток, генерируемый в токовой цепи, больше тока в заземляющем устройстве опоры (за счет отсоса тока по тросу).
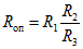
2.4. Сопротивление заземления опоры определяется по формуле

. (2)
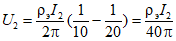
Для определения коэффициента отсоса используют
схемы б и
в (см. рис. 2).
При соединении по
схеме б измеряют сопротивление

, (3)
где

- напряжение между измерительными электродами

и

, В;

- полный ток в токовой цепи, А.
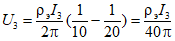
При соединении по
схеме в измеряют сопротивление

, (4)
где

- напряжение между измерительными электродами

и

, В;

- полный ток в токовой цепи, А.
Учитывая, что электрод ВТ наводит одинаковые потенциалы на электроды

и

, напряжения

и

можно выразить как разность потенциалов точечных источников соответственно СЭ и О:

; (5)

, (6)
где

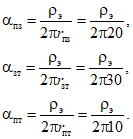
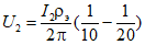
- эквивалентное удельное сопротивление грунта в месте измерения, Ом x м.

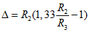
; (7)

; (8)

. (9)

; (10)

. (11)

, (12)
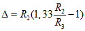
обусловленную принятым расположением электрода

относительно опоры и сравнительного электрода. Поправку

можно не учитывать, если произведение

меньше нормируемого значения сопротивления заземления опоры.
3. ИЗМЕРИТЕЛЬНЫЕ ПРИБОРЫ И ПРИСПОСОБЛЕНИЯ
3.1. В качестве основных приборов при измерениях сопротивлений заземления опор ВЛ без отсоединения грозозащитного троса по методу, изложенному в
разд. 2, рекомендуются приборы МС-08 и М-416. Вспомогательными приспособлениями являются переключающее устройство к прибору МС-08 и приставка.
3.2. Принципиальная схема переключающего устройства к прибору МС-08 представлена на
рис. 3. Основным элементом схемы является четырехплатный пятипозиционный галетный переключатель, к входным зажимам которого

,

,

,

присоединяется прибор МС-08, а к выходным зажимам 1 - 6 - измерительные электроды и заземлитель опоры. Позиции переключателя соответствуют: Т - измерение сопротивления токовых цепей; П - измерение сопротивления потенциальной цепи;

,

,

- измерение сопротивления заземляющего устройства в соответствии с
разд. 2.
Рис. 3. Схема переключающего устройства к прибору МС-08
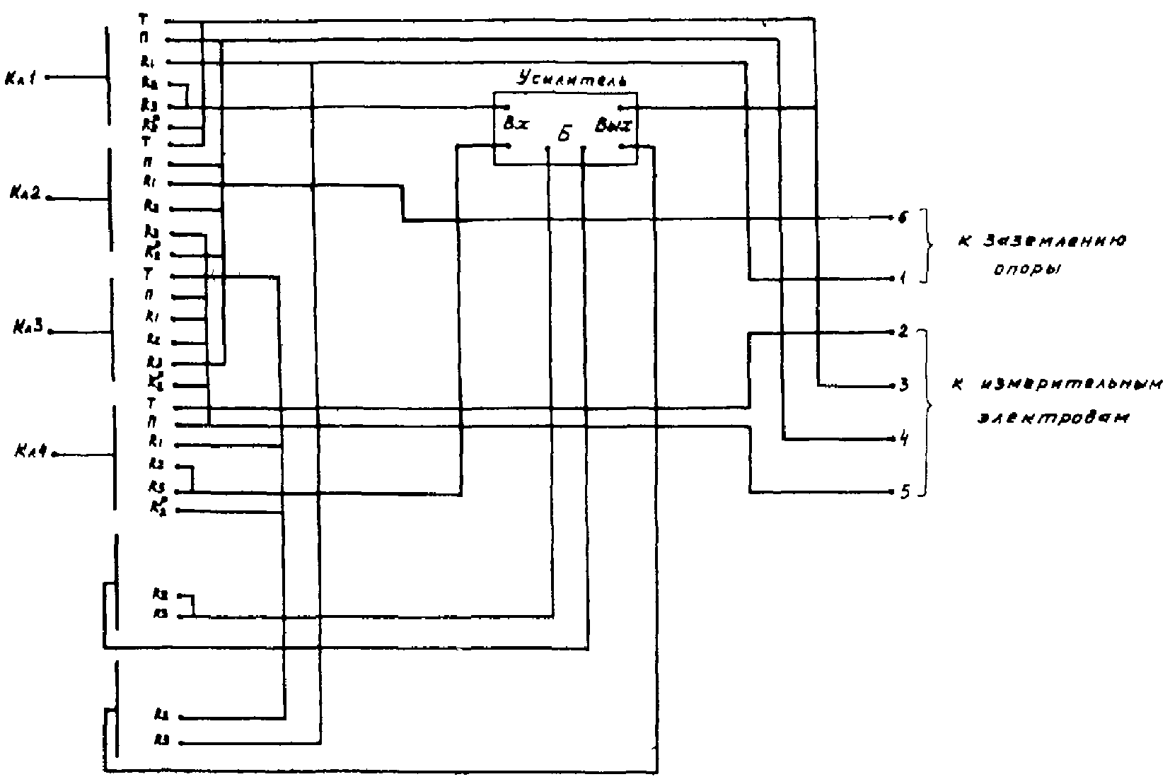
3.3. Принципиальная схема приставки к прибору М-416 представлена на
рис. 4. Основными элементами схемы являются шестиплатный шестипозиционный галетный переключатель, к входным зажимам которого Кл1, Кл2, Кл3, Кл4 присоединяется прибор М-416 и усилитель, вход (Вх) которого посредством переключателя соединяется с прибором М-416, а выход (Вых) - с измерительными электродами и заземлителем опоры.
Замыкание цепи источника питания усилителя (Б) производится переключателем. Выходные зажимы переключателя 1 - 6 (см.
рис. 4) присоединяются к измерительным электродам (2 - 5) и заземлителю опоры (1, 6). Позиции переключателя соответствуют: Т - измерение сопротивления токовых цепей; П - измерение сопротивления потенциальной цепи;

,

,

- измерение сопротивления заземляющего устройства в соответствии с
разд. 2;

измерение удельного сопротивления грунта.
Рис. 4. Схема приставки к побору М-416
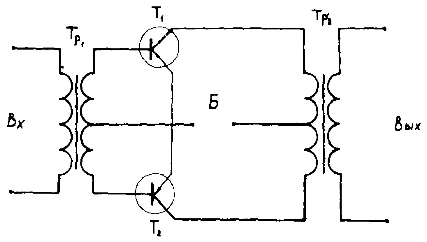
3.4. Усилитель к прибору М-416 предназначен для измерения сопротивления заземления опор без отсоединения грозозащитного троса. Электрическая схема усилителя представлена на
рис. 5. При подготовке к измерениям определяют в лабораторных условиях зависимость коэффициента усиления от сопротивления нагрузки. В соответствии с
рис. 6 собирают цепь, в которой

(0,1 Ом) и

(магазин сопротивлений) соединены последовательно и подключены к выходу усилителя. Вход усилителя включен к зажимам 1 и 4 прибора М-416. Потенциальные зажимы (2, 3) прибора М-416 подключаются к участку токовой цепи

. Изменяют сопротивление

от 100 до 1000 Ом, производят компенсацию и отсчет R по шкале прибора М-416 и вычисляют коэффициент усиления

.
Рис. 5. Электрическая схема усилителя к прибору М-416:

,

- транзисторы П217Г;

,

- трансформаторы
(магнитопровод серийного изделия ТВН.0.0005.091.ТУ,
провод ПЭВ-1, диаметром 0,1 мм, перв. обм.

и втор.
обм.

- 1000 витков, втор. обм.

и перв.
обм.

- 2 x 150 витков); Б - батарея, послед.
5 элементов 3336Л
Рис. 6. Схема измерения коэффициента усиления
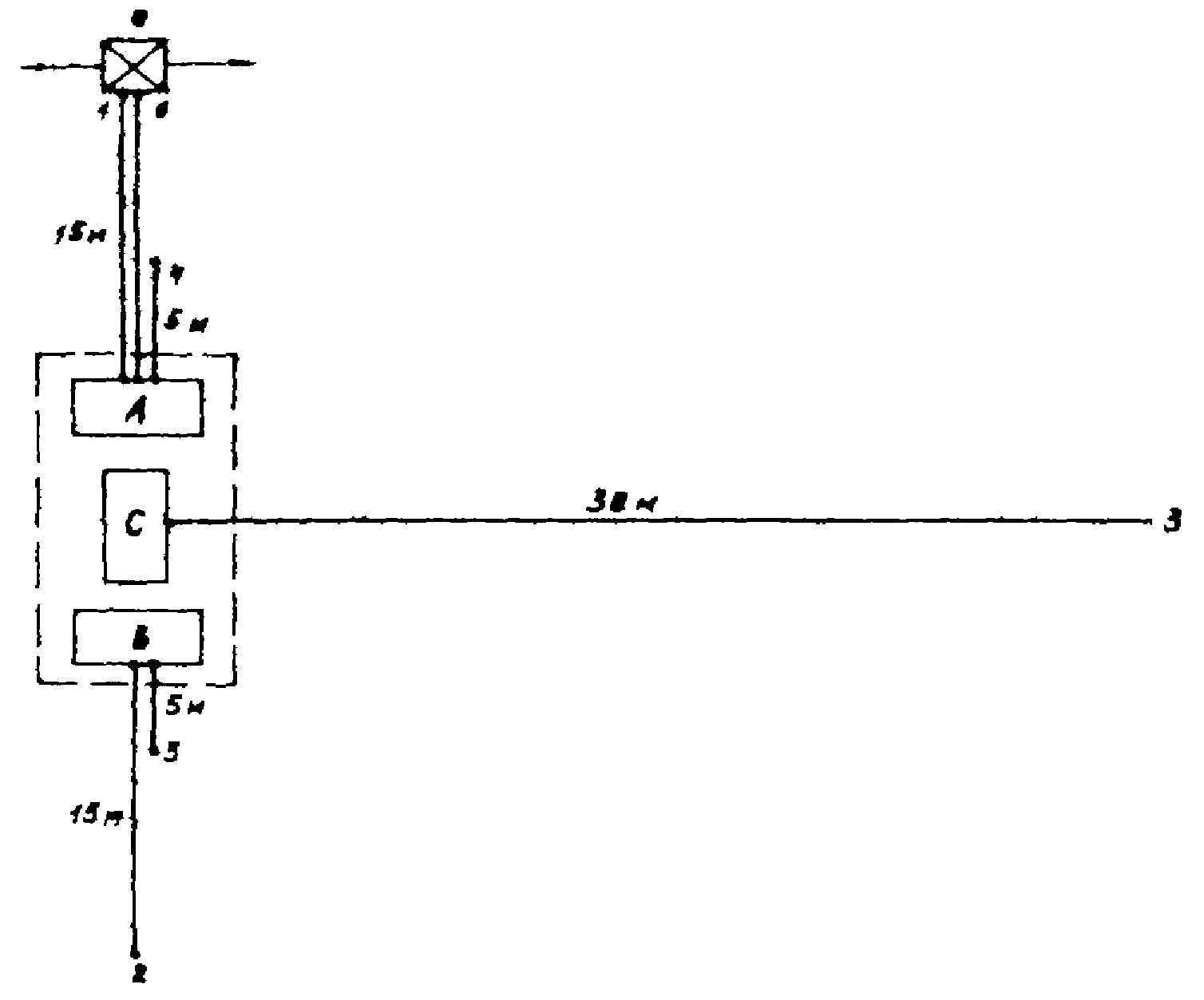
3.5. Дополнительными приспособлениями, предназначенными для сокращения времени измерений, являются катушки и провода для соединения приборов с измерительными электродами (рис. 7). Катушки укрепляются таким образом, чтобы провода могли разматываться в трех направлениях. Катушка A имеет три провода длиной 5, 15 и 15 м, катушка B - два провода 5 и 15 м, катушка C - один провод 30 м. Сечение проводов для токовых и потенциальных цепей не менее 2,5 мм2 с неповрежденной изоляцией.
Рис. 7. Расположение проводов при измерении
4.1. Катушки с проводами и измерительные электроды (штыри) располагают, как показано на рис. 7. Электроды погружают в грунт на глубину не менее 0,5 м. Вилочные контакты проводов соединяют с зажимами, которые крепят к электродам и опоре.
4.2. При использовании прибора МС-08:
- начала проводов на катушках соединяют с зажимами переключающего устройства 1 - 6 (см.
рис. 3);
- зажимы переключающего устройства

,

,

,

присоединяют к соответствующим зажимам прибора;
- переключатель устанавливают в положение Т и измеряют сопротивление токовой цепи

, которое не должно превышать 500 Ом;
- переключатель устанавливают в положение П и доводят до нормы сопротивление потенциальных электродов, добиваясь положения стрелки прибора у красной отметки в положении "Регулировка";
- переключатель устанавливают в положение

и производят отсчет, предварительно отрегулировав сопротивление потенциальной цепи;
- переключатель устанавливают в положение

и производят отсчет, предварительно отрегулировав сопротивление потенциальной цепи;
- переключатель устанавливают в положение

и производят отсчет, предварительно отрегулировав сопротивление потенциальной цепи;
- вычисляют сопротивление заземления опоры

;
Примечание. При необходимости вычитают поправку (Ом)

.
- вычисляют удельное сопротивление (Ом x м) грунта

;
- результаты измерений и вычислений заносят в протокол
(Приложение 2).
4.3. При использовании прибора М-416:
- начала проводов катушек соединяют посредством разъема с выходными зажимами приставки (см.
рис. 4);
- зажимы приставки Кл1, Кл2, Кл3, Кл4 соединяют посредством штекеров с соответствующими зажимами прибора;
- переключатель устанавливают в положение Т и измеряют сопротивление токовой цепи

, которое не должно превышать 1000 Ом;
- переключатель устанавливают в положение П и измеряют сопротивление потенциальной цепи, которое не должно превышать 1000 Ом;
- переключатель устанавливают в положение

и производят измерение этой величины прибором;
- переключатель устанавливают в положение

и производят измерение этой величины прибором;
- переключатель устанавливают в положение

и производят измерение этой величины прибором;
- переключатель устанавливают в положение

и производят измерение этой величины прибором;
- вычисляют сопротивление (Ом) заземления опоры

;
Примечание. При необходимости вычитают поправку (Ом)

.
- вычисляют удельное (Ом x м) сопротивление грунта

;
- результаты измерений и вычислений заносят в протокол
(Приложение 2).
5. ТРЕБОВАНИЯ БЕЗОПАСНОСТИ ПРИ ИЗМЕРЕНИЯХ
5.1. Работы по измерению сопротивлений заземления опор ВЛ разрешается проводить на включенной линии в сухую погоду, при отсутствии росы на гирляндах изоляторов. Запрещается работать при приближении грозы и скорости ветра, превышающей расчетное значение для данной линии.
5.2. После размотки проводов и заглубления электродов измерительная цепь собирается таким образом, чтобы заключительным этапом было присоединение проводов к заземлителю опоры. Эту операцию производят в диэлектрических перчатках.
5.3. После сборки схемы и до начала ее разборки запрещается прикасаться к проводам и электродам. Прикосновение возможно лишь к изолированным корпусу и рукояткам приборов и приспособлений.
5.4. Заглубление электродов для уменьшения их сопротивления осуществляется кувалдой с сухой деревянной ручкой. Полив электродов солевым раствором производится в диэлектрических перчатках.
5.5. После проведения измерений отсоединяются от опоры проводники 1 и 6 (отсоединение производится в диэлектрических перчатках). Остальные проводники отсоединяются в произвольном порядке.
ВЫВОД ВЫРАЖЕНИЯ

Потенциалы на заземлителе

и потенциальном электроде

могут быть выражены системой уравнений:

(П1)
Коэффициент

имеет смысл сопротивления растеканию тока с заземлителя опоры;

- взаимное сопротивление между заземлителем и токовым электродом;

- то же, между потенциальным электродом и заземлителем;

- то же, между потенциальным и токовым электродами.
Так как непосредственно определить потенциал заземлителя затруднительно, измеряют напряжение между заземлителем опоры и потенциальным электродом

. (П2)
Прибор (МС-08 или М-416) показывает отношение напряжения к генерируемому току

, (П3)
откуда сопротивление заземления опоры равно

(П4)
или

,
где

. (П5)
Поправка

зависит от взаимного расположения электродов и заземлителя, удельного сопротивления грунта, а также коэффициента отсоса

.
Выражение (П5) можно преобразовать, используя формулу потенциала точечного источника

, (П6)
где коэффициенты взаимного сопротивления

выражены через соответствующие расстояния r:

(П7)
Выражение для поправки получит вид

. (П8)

,
то

. (П9)
измерений сопротивлений заземления опор ВЛ
_______________________________________________________
(наименование, класс напряжения)
Номер опоры | | | | | | | | | | Заключение |
1 | 2 | 3 | 4 | 5 | 6 | 7 | 8 | 9 | 10 | 11 |
| | | | | | | | | | |
Примечания. 1. При измерениях прибором МС-08
K = 1,

.
2. При измерениях прибором М-416 с усилителем

.
3. Поправка

в
графе 9 вычисляется, если значения

в
графе 8 больше нормируемого значения сопротивления заземления опоры.
4.

вычисляется как разность значений
граф 8 и
9.
Сопротивление измерялось прибором __________________ N ________________
без отсоединения грозозащитного троса.
Измерения произвел ____________________________________________________
(подпись, фамилия, дата)
ВЫВОД ВЫРАЖЕНИЯ K (ДЛЯ ИЗМЕРЕНИЙ

ПРИБОРОМ М-416 С УСИЛИТЕЛЕМ)
Поскольку коэффициент усиления

зависит от сопротивления нагрузки, в расчетные
формулы (10) и
(12) необходимо ввести поправки.
При измерениях по
схемам б и
в (см. рис. 2) используется усилитель тока, коэффициент усиления которого обозначим

.

. (П10)

, (П11)
где

и

- токи на входе усилителя;

и

- токи в земле соответственно сравнительного электрода в
схеме б и заземлителя опоры в
схеме в, но в
схеме б ток на выходе усилителя совпадает с током в земле, а в
схеме в ток на выходе усилителя больше тока в земле в

раз.
В зависимости

учтено, что в
схеме в токовый электрод СЭ заменяется заземлителем опоры, сопротивление которого по сравнению с токовым электродом ВТ настолько мало, что им можно пренебречь, и таким образом, сопротивление токовой цепи уменьшается в 2 раза.
Напряжения, которые измеряются на потенциальных зажимах прибора М-416, равны согласно
выражениям (5) и
(6):

; (П12)

. (П13)
Компенсирующие напряжения записываются:

, (П14)

. (П15)
Приравнивания
(П12) и (П14),
(П13) и (П15), получим
или

. (П16)

,
откуда

. (П17)
В результате

; (П18)

, (П19)
где

. (П20)