Главная // Актуальные документы // Извещение (форма)СПРАВКА
Источник публикации
М., 2000
Примечание к документу
Документ
введен в действие с 01.07.1998.
Взамен РД 52.08.12-84.
Название документа
"РД 52.08.12-97. Руководящий документ. Методические указания. Вертушки гидрометрические речные типа ГР-21М, ГР-55, ГР-99. Методика поверки в прямолинейном градуировочном бассейне"
(утв. Росгидрометом 24.12.1997)
"РД 52.08.12-97. Руководящий документ. Методические указания. Вертушки гидрометрические речные типа ГР-21М, ГР-55, ГР-99. Методика поверки в прямолинейном градуировочном бассейне"
(утв. Росгидрометом 24.12.1997)
Руководителем Росгидромета
24 декабря 1997 года
РУКОВОДЯЩИЙ ДОКУМЕНТ
МЕТОДИЧЕСКИЕ УКАЗАНИЯ
ВЕРТУШКИ ГИДРОМЕТРИЧЕСКИЕ РЕЧНЫЕ ТИПА ГР-21М, ГР-55, ГР-99.
МЕТОДИКА ПОВЕРКИ В ПРЯМОЛИНЕЙНОМ ГРАДУИРОВОЧНОМ БАССЕЙНЕ
РД 52.08.12-97
Дата введения
1 июля 1998 года
1 РАЗРАБОТАН Государственным гидрологическим институтом (ГГИ) Росгидромета
2 РАЗРАБОТЧИКИ Д.А. Коновалов, канд. физ.-мат. наук (руководитель темы); Н.И. Зайцев, канд. техн. наук; Ю.Б. Вахрамеев, М.Е. Вычегжанина
3 ОДОБРЕН Центральной комиссией Росгидромета по приборам и методам получения и обработки информации о состоянии природной среды (ЦКПМ). Протокол N 2 от 15 мая 1997 года
4 УТВЕРЖДЕН Руководителем Росгидромета 24.12.97
5 ЗАРЕГИСТРИРОВАН ЦКБ ГМП за N РД 52.08.12-97 от 18.02.98
6 ВЗАМЕН РД 52.08.12-84
Настоящие методические указания распространяются на вертушки гидрометрические речные типа ГР-21М ТУ 25-0888.008-84, ГР-55 ТУ 25-04.1628-77, ГР-99 ТУ 25-0888.009-84 (далее - вертушки) и устанавливают методы и средства их первичной и периодической поверок (далее - поверки) в прямолинейном градуировочном бассейне.
Методические указания являются обязательными для всех организаций Росгидромета.
В настоящих методических указаниях использованы ссылки на следующие стандарты:
ГОСТ 8.009-84 ГСИ. Нормируемые метрологические характеристики средств измерений;
ГОСТ 2874-82 Вода питьевая. Гигиенические требования и контроль за качеством;
ГОСТ 12069-90 Меры длины штриховые брусковые. Технические условия.
При проведении поверки вертушек должны быть выполнены операции, указанные в табл. 1. Выполняемые операции при первичной и периодической поверках полностью совпадают.
Таблица 1
Наименование операции поверки | Пункт |
Внешний осмотр | |
Опробование | |
Определение индивидуальной функции преобразования вертушки | |
Определение относительной основной погрешности вертушки | |
При проведении операции в процессе поверки вертушек должны быть применены следующие средства измерений и регистрации:
а) прямолинейный градуировочный бассейн (ПГБ), аттестованный по методике
[1] (приложение И):
- нижний предел диапазона измерения, м/с, не более | 0,04; |
- верхний предел диапазона измерения в зависимости от технических возможностей ПГБ, м/с | от 2,5 до 5,0 м/с; |
- погрешность измерения скорости, % | +/- 0,5%; |
б) многоканальный блок регистрации сигналов (далее - блок регистрации) от датчиков скорости вращения лопастных винтов вертушек и датчика пути (число каналов зависит от числа одновременно поверяемых вертушек в ПГБ), прошедший аттестацию в установленном порядке;
в) прибор быстродействующий самопишущий (далее - самописец):
- число измерительных каналов | от 3 до 8; |
- рабочий частотный диапазон, Гц | от 0 до 150; |
- запись чернильная на бумажную диаграммную ленту с криволинейными координатами; | |
- скорость движения диаграммной ленты, мм/с | 1,0; 2,5; 5,0; 10,0; 25,0; 50,0; 100,0; 250,0; |
г) штриховая мера длины класса точности 5 по ГОСТ 12069;
д) частотомер-хронометр:
- диапазон измерения частот, Гц | от 0,1 до 1000,0; |
- время счета частоты электрических колебаний, с | 10, 100; |
- выход калиброванных частот 10 и 100 Гц с выходным напряжением не менее 5 В на нагрузке 10 кОм импульсных сигналов любой полярности; | |
- относительная погрешность при измерении частот, %, не более | +/- 0,5 %; |
- вариация частот, вырабатываемых внутренним генератором градуированных частот, за сутки, не более | +/- 0,05; |
е) термометр:
- диапазон измерения температуры, °С | от 0 до 40; |
- погрешность измерения температуры, °С, не более | +/- 0,5; |
ж) средство измерения влажности воздуха:
- диапазон измерения, % | от 0 до 100; |
- погрешность измерения, %, не более | +/- 10; |
и) источник питания постоянного напряжения:
- диапазон измерения напряжения, В | от 0 до 50; |
- относительная погрешность измерения, %, не более | +/- 1; |
- нестабильность выходного напряжения, %, не более | +/- 0,01. |
5 ТРЕБОВАНИЯ БЕЗОПАСНОСТИ
5.1 При поверке вертушек должны быть соблюдены правила по технике безопасности, предусмотренные инструкцией по эксплуатации ПГБ.
5.2 К проведению измерений при поверке и (или) обработке результатов допускаются лица, которым предоставлено право поверки гидрологических приборов и которые ознакомлены с нормативной документацией на средства и объект поверки.
6 УСЛОВИЯ ПРОВЕДЕНИЯ ПОВЕРКИ И ПОДГОТОВКА К НЕЙ
6.1 При проведении поверки должны соблюдаться условия, указанные в табл. 2.
Таблица 2
Условия поверки | Тип ПГБ |
открытый | закрытый |
Относительная влажность воздуха, % | 20 - 98 | 30 - 80 |
Температура воды в бассейне, °С | 5 - 30 | 15 +/- 5 |
Атмосферное давление, гПа | 840 - 1067 | 840 - 1067 |
Отклонение напряжения питания сети от номинального значения, %, не более | +/- 5 | +/- 5 |
Качество воды в бассейне | | |
6.2 Перед проведением поверки вертушки и используемые средства поверки должны быть подготовлены согласно инструкциям по их эксплуатации.
При проведении внешнего осмотра вертушек должно быть установлено:
а) соответствие вертушек нормативной документации на них;
б) отсутствие дефектов, механических повреждений и следов коррозии на деталях вертушки, которые могут повлиять на метрологические характеристики.
7.2.1 Проверка контактного устройства вертушек типа ГР-21М, ГР-55
Вертушки типа ГР-21М и ГР-55 соединяют линией связи с самописцем по схеме, приведенной в
приложении А, и проверяют работу контактного устройства вертушек, вращая лопастной винт и получив не менее пяти четких сигналов на диаграммной ленте.
7.2.2 Проверка контактного устройства вертушек типа ГР-99
Вертушки типа ГР-99 соединяют линией связи с электромеханическими счетчиками согласно схеме (см.
приложение А) и проверяют работу контактного устройства вертушки совместно с регистрирующей аппаратурой путем вращения лопастного винта до получения на электромеханическом счетчике не менее 20 сигналов, визуально контролируя движение стрелки счетчика.
7.3 Определение индивидуальной функции преобразования вертушки
7.3.1 Вертушки устанавливают в ПГБ на штангах градуировочной тележки в соответствии с требованиями инструкции по эксплуатации ПГБ.
7.3.2 Определение индивидуальной функции преобразования вертушки (ИФП) производят при следующих заданных значениях скорости перемещения градуировочной тележки ПГБ (далее - тележка): 0,06; 0,07; 0,08; 0,10; 0,15; 0,20; 0,30; 0,50 м/с и далее через 0,5 м/с до 2,5 м/с (или до верхнего предела диапазона измерения скорости в ПГБ, но не менее 2,5 м/с), причем первая (начальная) измерительная точка для вертушек ГР-21М соответствует 0,06 м/с, ГР-99 - 0,07 м/с, ГР-55 - 0,08 м/с.
7.3.3 Допускаемые отклонения задания скорости движения тележки должны быть не более +/- 10%.
7.3.4 При переходе с одной заданной скорости движения тележки к другой должно быть выдержано время, в течение которого вода в бассейне успокаивается, в соответствии с инструкцией по эксплуатации ПГБ.
7.3.5 На каждой заданной скорости движения тележки производят измерение частоты оборотов лопастного винта вертушки

и действительной скорости движения тележки

. Результаты заносят в таблицу по
форме приложения Б. Результаты вычислений округляют следующим образом:
- до четырех значащих цифр, если первая значащая цифра меньше 5;
- до трех - если первая значащая цифра равна или больше 5.
7.3.6 Измерения производят на блоке регистрации сигналов от датчиков вращения лопастных винтов вертушек и датчика пути тележки.
Структурная схема блока регистрации, принцип измерения и порядок первичной обработки информации приведены в
приложении В.
7.3.7 Допустимо производить измерения на самописце.
Схема подключения датчиков вращения лопастных винтов вертушек и датчика пути тележки к входам измерительных каналов самописца, а также первичная обработка измерительной графической информации приведены в
приложении А.
7.3.8 ИФП определяют по результатам одного измерения в каждой заданной точке диапазона скоростей.
7.3.9 По результатам измерений определяют ИФП вертушки:
V = a + bn, (1)
где V - скорость водного потока, измеренная вертушкой, м/с;
a и b - коэффициенты ИФП;
n - частота оборотов лопастного винта вертушки, об/с.
7.3.10 ИФП вертушки определяют в диапазоне скоростей в соответствии с условиями
7.3.2. Допустимо использовать кусочно-линейную аппроксимацию.
7.3.11 ИФП рассчитывают методом наименьших квадратов по методике, приведенной в
приложении Г.
7.4 Определение относительной основной погрешности вертушки
7.4.1 Относительную основную погрешность вертушки

, %, в заданной точке диапазона измерения скорости в соответствии с требованиями
ГОСТ 8.009 определяют по формуле
где

- скорость потока по ИФП вертушки, м/с;

- скорость тележки, м/с;
i - номер заданной точки скорости движения тележки в диапазоне измерения.
7.4.2 Вертушку считают прошедшей поверку с положительным результатом, если

по всему скоростному диапазону удовлетворяют условию
где

- пределы допустимой относительной основной погрешности, %.
Значение

определяют по следующим формулам:
- для лопастного винта диаметром 120 мм
- для лопастного винта диаметром 70 мм
где V - скорость потока, м/с.
7.5 Оформление результатов поверки
7.5.1 Результаты поверки оформляют в виде протокола согласно
приложению Д. К протоколу прилагают результаты измерений, оформленные согласно
приложению Б.
7.5.3 При отрицательных результатах поверки на вертушку выдают извещение о ее непригодности к применению
(приложение Ж).
(обязательное)
ОПРЕДЕЛЕНИЕ ИФП ВЕРТУШЕК В ПГБ ПРИ ПОМОЩИ САМОПИСЦА
А.1 Регистрация сигналов на самописце
А.1.1 В процессе получения исходной измерительной информации для определения ИФП вертушек на самописце, например Н 338-6П ТУ 25-04-2368-75, имеющем шесть измерительных каналов (что позволяет вести наблюдения одновременно по четырем вертушкам), регистрируются следующие параметры:
- число сигналов

, выработанное вертушкой на рабочем (измерительном) участке ПГБ, за интервал времени

;
- путь

, равный длине рабочего участка и пройденный тележкой за время

.
По этим параметрам определяют скорость движения тележки

на рабочем участке и частоту оборотов лопастного винта

каждой вертушки.
А.1.2 Выходы датчиков вращения лопастных винтов вертушек и датчика пути тележки подключают ко входам 1 - 5 самописца через источник питания (ИП) постоянного напряжения при помощи резисторов R1 - R5 по схеме, изображенной на рисунке А.1. В схеме на вход самописца 5 предусмотрено подключение датчиков пути разных типов:
- магнитоконтактного (например, на герконе);
- неконтактного (например, оптического), вырабатывающего на выходе усилителя самописца сигнал в виде электрических импульсов.
1 - 6 - входы
Рисунок А.1 - Регистрация сигналов на многоканальном
быстродействующем самописце Н 338-6П
В последнем случае выход 5 резистора R5 отключается от схемы соединения.
Для регистрации текущего времени используется вход 6 самописца, на который поступают электрические импульсы частотой 10 Гц, снимаемые с выхода генератора калиброванных частот, например, частотомера-хронометра Ф 599 ТУ 25-04-1176-70.
А.1.3 Измерительную информацию регистрируют на трех скоростях движения диаграммной ленты в зависимости от скорости движения тележки:
Скорость тележки, м/с | 0,06 - 0,30 | 0,3 - 1,0 | Более 1,0 |
Скорость диаграммной ленты, мм/с | 10 | 50 | 100 |
Запись включается при следующем положении тележки в зависимости от скорости ее движения:
- за 1 м от начала рабочего участка при скорости от 0,06 до 1,00 м/с;
- за 2 м - при скорости более 1,0 м/с.
А.1.4 Перед началом записи на диаграммной ленте напротив записи по каждому каналу записывают следующие сведения:
- номер эталонной вертушки,
- номер лопасти,
- дату и номер измерения (наблюдения),
- фамилию исполнителя.
А.2 Первичная обработка измерительной информации
А.2.1 Обработку графической измерительной информации, полученной на самописце, осуществляют следующим образом: делают отметки на отрезке

записи сигналов

между началом первого и последнего сигналов вертушки. Для вертушек ГР-21М и ГР-55 последним считают четвертый сигнал, для вертушек ГР-99 - шестидесятый сигнал.
А.2.2 При помощи линейки-шаблона, входящей в комплект самописца, отметки этого участка

(от первого до последнего сигнала

) параллельно переносят на запись

сигналов текущего времени от отметчика времени. На этой записи вычисляют интервал времени

, с, равный сумме периодов (
N - 1) следования зарегистрированных сигналов вертушки, в следующем порядке:
- по записи отметчика времени определяют среднюю скорость движения диаграммной ленты

, мм/с, на участке

. Для этого делают отметки между первым и последним сигналами отметчика времени, разместившимися на этом участке

, и замеряют расстояние между отметками

, мм, до десятых долей. Подсчитывают число импульсов отметки времени

;
- при частоте следования импульсов отметчика времени, равной 10 Гц, среднюю скорость движения диаграммной ленты

, мм/с, вычисляют по формуле
- интервал времени

, с, вычисляют по формуле
А.2.3 При помощи линейки-шаблона переносят отметки участка

на запись

от датчика пути. В пределах участка этой записи

, приближенно равного

, определяют среднюю скорость движения тележки

, выполняя действия в следующем порядке:
- на записи датчика пути в пределах участка

отмечают участок

, равный расстоянию от начала первого сигнала датчика до начала его последнего сигнала

;
- измеряют длину участка

, мм, до десятых долей;
- подсчитывают целое число промежутков (периодов) между соседними сигналами (Nд - 1);
- вычисляют интервал времени

, с, равный сумме периодов сигналов датчика пути (
Nд - 1) по формуле
- определяют среднюю скорость движения тележки

, м/с, на рабочем пути по формуле
где l - расстояние (шаг) между соседними сигналами отметчика пути, м.
А.2.4 Среднюю частоту оборотов лопастных винтов

, об/с, каждой вертушки определяют по формуле
где K - число оборотов лопастного винта на один сигнал вертушки.
Для ГР-21М и ГР-55 K = 20, для вертушек ГР-99 K = 1.
А.2.5 Все линейные измерения на диаграммной ленте делают при помощи штриховой меры длины класса точности 5 ГОСТ 12069-90.
(рекомендуемое)
ТАБЛИЦЫ ОФОРМЛЕНИЯ РЕЗУЛЬТАТОВ ИЗМЕРЕНИЙ
Вертушка типа __________ N _______
Номер наблюдения i | Скорость движения тележки  , м/с | Частота оборотов лопастного винта вертушки  , об/с | Скорость потока, измеренная вертушкой  , м/с | Относительная основная погрешность вертушки  , % | Пределы допускаемой относительной основной погрешности вертушки  , % |
1 | | | | | |
2 | | | | | |
3 | | | | | |
| | | | | |
| | | | | |
Поверитель _________________ _______________________
(подпись) (фамилия, инициалы)
(обязательное)
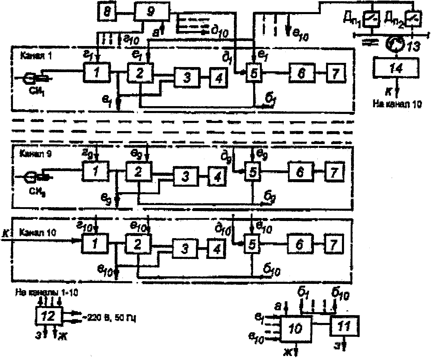
ИФП ВЕРТУШЕК В ПГБ ПРИ ПОМОЩИ БЛОКА РЕГИСТРАЦИИ
В.1 В процессе получения исходной измерительной информации для определения ИФП вертушек на блоке регистрации, состоящем, например, из десяти измерительных каналов
(рисунок В.1), одновременно регистрируют следующие параметры:
- число сигналов

, выработанное вертушкой на рабочем (измерительном) участке ПГБ, за время

;
- путь

, пройденный тележкой за время

регистрации сигналов от вертушек.
1 - формирователь, 2 - схема разрешения счета импульсов
вертушек и импульсов датчика пути, 3 - счетчик импульсов,
4 - индикаторы светового четырехразрядного табло, 5 - схема
разрешения счета времени регистрации сигналов вертушек,
6 - счетчик времени, 7 - световое пятиразрядное табло,
8 - задающий генератор, 9 - делитель частоты,
10 - контроллер, 11 - промежуточный носитель информации,
12 - автономный источник питания стабилизированных
напряжений, 13 - оптический датчик пути передвижения
тележки, 14 - преобразователь сигнала оптического датчика
Рисунок В.1 - Структурная схема блока регистрации
По этим параметрам определяют скорость движения тележки

на рабочем участке и частоту оборотов лопастного винта

каждой вертушки.
В.2 Согласно структурной схеме блока регистрации (см.
рисунок В.1) в формирователе 1 сигналы от датчиков вращения лопастных винтов эталонных вертушек или от датчика пути (например, 10-й канал) формируются в электрические импульсы определенного уровня и длительности. На индикаторах светового четырехразрядного табло 4 отображается число зарегистрированных сигналов вертушки.
Сигналы текущего времени приходят на вход счетчика времени 6 через схему разрешения 5 от задающего генератора 8 через делитель частоты 9 (выходы

). С другого выхода делителя 9 снимается частота модуляции на формирователь 1 (выходы

).
Сигналы текущего времени с выхода счетчика времени 6 подаются на индикаторы светового пятиразрядного табло 7. Счет времени идет с дискретизацией в 0,001 с.
Концевые датчики

(начала пути) и

расположены вдоль ПГБ. Расстояние между ними равно длине его рабочего (измерительного) участка

. Сигналы оптического датчика пути 13 с преобразователя 14 (выход к) подаются только на вход канала 10. На счетчики 3 и 6 всех каналов через их схемы разрешения 2 и 5 подаются команды "начала" и "конца" счета (выходы

) сигналов вертушек и датчика пути, а также команды "начала" и "конца" счета текущего времени, в течение которого тележка проходит участок

.
Время

и число сигналов

, приходящих от каждой вертушки, начинают регистрироваться после команды разрешения на счет, снимаемой с выхода схем разрешения 2 и 5 с приходом переднего фронта первого импульса вертушки и импульса датчика пути 13.
Регистрация

и

заканчивается после команды "конец счета", снимаемой на выходах схем разрешения 2 и 5 с приходом переднего фронта последнего импульса

.
Таким образом измеряется целое число периодов следования импульсов (Ni - 1).
В.3 Первичная обработка измерительной информации сводится к определению в каждом измерении средней скорости движения тележки

на участке

и средней частоты оборотов лопастных винтов вертушек

:
а) среднюю скорость

, м/с, вычисляют по формуле
где

- интервал времени, в течение которого тележка проходит участок

, с;
m - число зарегистрированных сигналов датчика пути;
l - расстояние (шаг) между соседними сигналами датчика пути, м.
Показания

снимают с табло 7 канала 10, а показания
m снимают с табло 4 канала 10;
б) среднюю частоту оборотов лопастного винта вертушки

, об/с, вычисляют по формуле
где K - число оборотов лопастного винта на один сигнал вертушки;

- число зарегистрированных сигналов вертушки;

- интервал времени, в течение которого зарегистрировано

сигналов от вертушки, с.
Для вертушек ГР-21М и ГР-55 K = 20, для вертушек ГР-99 K = 1.
Показания

снимают с табло 4 каналов 1 - 9, а показания

снимают с табло 7 каналов 1 - 9.
Согласно схеме, в блоке регистрации предусмотрен вариант автоматической системы сбора и первичной обработки измерительной информации. Этот вариант заключен в том, что при движении тележки вся указанная информация в В.1 параллельно заносится в промежуточную память ПЗУ контроллера 10 через его входы а,

,

. После остановки тележки в паузе переключения ее на обратный ход вся информация из ПЗУ проходит первичную обработку по алгоритму, указанному в В.3.1. Также выполняется экспресс-анализ на достоверность (надежность) проведенных измерений. При положительном результате анализа полученный массив переносится на промежуточный носитель информации 11 и далее используется в статистической обработке на компьютере при определении ИФП.
Все каналы блока регистрации, контроллер 10 и промежуточный носитель информации 11 получают питание от стабилизированного источника питания 12, с которого (выходы з, ж) подается различное напряжение.
(обязательное)
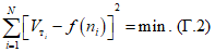
КОЭФФИЦИЕНТОВ ИФП ВЕРТУШКИ МЕТОДОМ НАИМЕНЬШИХ КВАДРАТОВ
Результатом наблюдений при определении ИФП вертушки является совокупность значений

, приведенная в протоколе
(приложение Д). ИФП вертушки имеет вид
V = a + bn. (Г.1)
При использовании метода наименьших квадратов требование наилучшего согласования прямой и экспериментальных точек сводится к тому, чтобы сумма квадратов отклонений экспериментальных точек от сглаженной прямой была минимальна:
Коэффициент b определяют по формуле
где

- центр распределения

- среднее арифметическое значение скорости тележки

, м/с (
i изменяется от 1 до
N):

- среднее арифметическое значение числа оборотов лопастного винта вертушки

, об/с (
i изменяется от 1 до
N):

- дисперсия
N - число заданных скоростных точек в диапазоне измерения скорости.
Коэффициент a определяют по формуле
(обязательное)
протокола проведения поверки вертушек в ПГБ
ПРОТОКОЛ N _________
от _____________ 20__ г.
проведения градуировки вертушки
в прямолинейном градуировочном бассейне
1 Градуируемые средства измерения _________________________________________
(наименование, тип, заводской номер)
2 Где проведена градуировка _______________________________________________
(наименование ПГБ)
3 Образцовые средства измерений, используемые при градуировке
___________________________________________________________________________
(наименование,
___________________________________________________________________________
тип,
___________________________________________________________________________
номер свидетельства о поверке
___________________________________________________________________________
или аттестации)
___________________________________________________________________________
4 Результаты измерений ____________________________________________________
5 Градуировочная характеристика
в диапазоне _________________ м/с _________________________________________
_________________ м/с _________________________________________
6 Относительная основная
погрешность, %, не более __________________________________________________
Поверитель _______________ _________________________
подпись фамилия, инициалы
(обязательное)
свидетельства о поверке вертушки в ПГБ
____________________________________________________________
(наименование органа Государственной метрологической службы,
юридического лица)
СВИДЕТЕЛЬСТВО О ПОВЕРКЕ
N ___________
Действительно до
_____________ г.
Средство измерения ________________________________________________________
(наименование, тип)
заводской номер ___________________________________________________________
принадлежащее _____________________________________________________________
(наименование юридического (физического) лица)
поверено и на основании результатов первичной (периодической) поверки
признано пригодным к применению.
Оттиск
поверительного клейма
или печати (штампа)
_________________________ _______________ _______________________
(должность руководителя (подпись) (фамилия, инициалы)
подразделения)
Поверитель _________________ _______________________
(подпись) (фамилия, инициалы)
___________ 20__ г.
Примечание. Оборотную сторону свидетельства о поверке заполняют в
соответствии с нормативными документами по поверке средств измерений.
(обязательное)
извещения о непригодности к применению
____________________________________________________________
(наименование органа Государственной метрологической службы,
юридического лица)
ИЗВЕЩЕНИЕ
о непригодности к применению
N ________
Средство измерения ________________________________________________________
(наименование, тип)
заводской номер ___________________________________________________________
принадлежащее _____________________________________________________________
(наименование юридического (физического) лица)
поверено и на основании результатов поверки признано непригодным к
применению в сферах распространения Государственного метрологического
надзора.
Причина непригодности _____________________________________________________
___________________________________________________________________________
___________________________________________________________________________
___________________________________________________________________________
___________________________________________________________________________
___________________________________________________________________________
_________________________ _______________ _______________________
(должность руководителя (подпись) (фамилия, инициалы)
подразделения)
Поверитель _________________ _______________________
(подпись) (фамилия, инициалы)
___________ 20__ г.
(справочное)
БИБЛИОГРАФИЯ
1 Методика аттестации и поверки прямолинейных градуировочных бассейнов, разработана ГГИ, утв. нач. ТУ Росгидромета Ю.А. Хабаровым 22.02.79, согласована зам. директора ВНИИМ им. Д.И. Менделеева (Госстандарт) Г.П. Грузинцевым 07.12.78.