Главная // Актуальные документы // ИнструкцияСПРАВКА
Источник публикации
М.: СПО Союзтехэнерго, 1990
Примечание к документу
Данный документ включен в Указатель действующих в электроэнергетике нормативных документов на 01.03.2010.
Документ
введен в действие с 1 декабря 1989 года.
Взамен Инструкции по учету и оценке работы релейной защиты и автоматики электрической части энергосистем (М. - Л.: Госэнергоиздат, 1954).
Название документа
"РД 34.35.516-89. Инструкция по учету и оценке работы релейной защиты и автоматики электрической части энергосистем"
(утв. Главным научно-техническим управлением Минэнерго СССР 06.04.1989)
"РД 34.35.516-89. Инструкция по учету и оценке работы релейной защиты и автоматики электрической части энергосистем"
(утв. Главным научно-техническим управлением Минэнерго СССР 06.04.1989)
Главным научно-техническим
управлением энергетики
и электрификации
6 апреля 1989 года
Заместитель начальника
К.М.АНТИПОВ
ИНСТРУКЦИЯ
ПО УЧЕТУ И ОЦЕНКЕ РАБОТЫ РЕЛЕЙНОЙ ЗАЩИТЫ
И АВТОМАТИКИ ЭЛЕКТРИЧЕСКОЙ ЧАСТИ ЭНЕРГОСИСТЕМ
РД 34.35.516-89
Срок действия
установлен с 1 декабря 1989 года
до 1 декабря 1994 года
Разработано ЦДУ ЕЭС СССР, ПО "Союзтехэнерго", ВНИИЭ при участии Донбассэнерго, Ленэнерго, Мосэнерго, Рязаньэнерго и ОДУ Северо-Запада.
Утверждено Главным научно-техническим управлением энергетики и электрификации 06.04.1989.
Заместитель начальника К.М. Антипов.
С выходом настоящей Инструкции отменяется ранее изданная "Инструкция по учету и оценке работы релейной защиты и автоматики электрической части энергосистем" (М. - Л.: Госэнергоиздат, 1954).
1.1. Учет оснащенности энергосистем устройствами релейной защиты, электроавтоматики и противоаварийной автоматики (РЗА), а также учет, анализ и оценка их работы дают возможность:
оценивать соответствие устройств РЗА предъявляемым требованиям, их надежность и пригодность для эксплуатации;
выявлять характерные причины их неправильных срабатываний и отказов срабатывания для разработки организационных и технических мероприятий по улучшению работы устройств РЗА, предъявлять претензии проектным, монтажным, наладочным организациям, организациям-разработчикам и заводам-поставщикам;
выявлять и устранять недостатки выполнения и эксплуатации этих устройств;
определять основные эксплуатационные показатели работы отдельных видов РЗА (процент правильной работы, успешность АПВ и АВР, периодичность или частоту срабатывания устройств РЗА и др.) и оценивать численность и показатели загрузки персонала служб РЗА предприятий электрических сетей и ЭТЛ электростанций (далее - служба РЗА).
1.2. Статистическому учету подлежат устройства РЗА в соответствии с
Приложениями 1,
2 настоящей Инструкции, находящиеся на балансе производственного объединения энергетики и электрификации (далее - энергосистема). Порядок и сроки отчетности определены в "Типовом положении о службах релейной защиты и электроавтоматики" (М.: СПО Союзтехэнерго, 1981) - далее Типовое положение о службах РЗА - и в положениях о службах РЗА энергосистем и энергопредприятий, составленных на основе Типового. Отчетными данными, учитываемыми статистическими
формами N 17-энерго и
18-энерго, являются количество устройств РЗА на конец года и полные сведения об их правильной и неправильной работе. Существенный рост или уменьшение количества каких-либо устройств на конец отчетного года по сравнению с концом предыдущего должен поясняться (значительные реконструктивные работы, передача устройств на баланс другой энергосистемы, уточнение учета и др.).
Примечание. Учету также подлежат устройства РЗА потребителей, обслуживаемые персоналом служб РЗА энергосистемы.
1.3. Основной формой отчетности энергосистемы является годовой статистический отчет о наличии и работе устройств РЗА, который должен содержать:
а) краткую записку об условиях работы служб РЗА энергосистемы и энергопредприятий;
в) описание неправильных срабатываний и отказов срабатывания устройств РЗА, учтенных в указанных формах;
г) перечень дефектов аппаратуры и цепей РЗА, выявленных при техническом обслуживании и в процессе эксплуатации.
Экземпляр отчета о работе устройств РЗА, помимо его включения в годовой отчет энергосистемы, должен направляться в Главтехуправление Минэнерго СССР для технического анализа и дальнейшей обработки данных в ПО "Союзтехэнерго".
1.4. Дополнительно, согласно Типовому положению о службах РЗА, энергосистемы направляют ежеквартально технологическую (нестатистическую) информацию о работе устройств РЗА в территориальные ОДУ (энергосистемы ОЭС Центра - непосредственно в ЦДУ ЕЭС СССР). Аналогичную информацию о работе РЗА территориальные ОДУ также ежеквартально направляют в ЦДУ ЕЭС СССР. Форма представления этой информации определяется ЦДУ ЕЭС СССР. При этом в части противоаварийной автоматики (ПА) должна представляться информация о работе устройств ПА, локальных автоматик, а также функциональных (нелокальных) автоматик, в том числе в составе комплексов ПА (согласно
Приложению 2).
1.5. Устанавливаются следующие системы оценок работы устройств РЗА:
1.5.1. Оценка каждого случая работы любого устройства релейной защиты, электроавтоматики, а для противоаварийной автоматики - любого устройства или локальной автоматики ("оценка работы устройств РЗА"); цель этой оценки - установить техническое состояние и уровень организации эксплуатации каждого из устройств защиты и автоматики
(разд. 2).
1.5.2. Общая оценка всех устройств релейной защиты, электроавтоматики и противоаварийной автоматики по каждой аварии, отказу I степени или нарушению нормального режима работы ("общая оценка ликвидации аварии или нарушения нормального режима работы средствами РЗА"); цель этой оценки - выявить, насколько полно наличные средства РЗА удовлетворяют требованиям к ним, которые могут возникнуть при авариях или нарушениях нормального режима работы в энергосистемах (ОЭС, ЕЭС СССР), на их объектах и оборудовании
(разд. 3).
1.5.3. Те же системы оценок используются и при нестатистическом учете функциональных (нелокальных) автоматик, в том числе в составе комплексов ПА.
2. ОСНОВНЫЕ ОПРЕДЕЛЕНИЯ. ОЦЕНКА РАБОТЫ УСТРОЙСТВ РЗА
2.1. Требование срабатывания устройства РЗА - это возникновение и сохранение в течение определенного времени в энергосистеме (на электрооборудовании или линии электропередачи) условий, при которых устройство РЗА должно сработать по назначению для ликвидации КЗ или других ненормальных режимов.
Требованием срабатывания отдельных устройств РЗА является также входной сигнал определенных параметров (далее - заданный сигнал) от другого устройства РЗА, при котором данное устройство РЗА должно сработать по назначению для ликвидации КЗ или других ненормальных режимов или передать заданный сигнал на другое устройство РЗА.
2.2. Оценка срабатывания устройств РЗА производится на основании сравнения требовавшегося срабатывания или несрабатывания, исходя из назначения данного устройства РЗА, с тем, которое произошло в действительности.
2.3. Учету, анализу и оценке подлежат все срабатывания и отказы срабатывания устройств РЗА. Наряду с правильными срабатываниями тщательному анализу, оценке и учету подлежат неправильные срабатывания и отказы срабатывания независимо от того, привели они к аварии, ее развитию, отказам I - II степеней ("Инструкция по расследованию и учету нарушений в работе электростанций, сетей, энергосистем и энергообъединений". - М.: ХОЗУ Минэнерго СССР, 1983) или не имели последствий.
Первоначальная оценка срабатывания устройств РЗА может быть изменена вышестоящей службой РЗА; оценка может также изменяться в связи с появлением дополнительных данных после осмотра или ремонта оборудования или линий, дополнительных проверок и т.п. Во всех этих случаях поправка с соответствующим обоснованием должна вноситься в первичную документацию.
2.4. Устройства РЗА при оценке их срабатывания должны рассматриваться вместе со вторичными цепями измерительных трансформаторов, с питанием от источника оперативного тока, с электромагнитами и контакторами управления коммутационными аппаратами, а также со всеми вторичными цепями и переключающими устройствами РЗА.
Примечание. При классификации неправильных срабатываний устройств РЗА из-за неисправности аппаратуры, электрооборудования и их цепей, не обслуживаемых службами РЗА, учитывается виновность тех служб и подразделений, которые их обслуживают.
2.5. Принимаются следующие оценки срабатывания устройств РЗА:
правильные срабатывания (ПС);
неправильные срабатывания (НС), в том числе излишние срабатывания (ИС), ложные срабатывания (ЛС), отказы срабатывания (ОС);
невыясненные срабатывания (НВС).
2.6. Правильное срабатывание - это состоявшееся срабатывание устройства РЗА в соответствии с назначением и при наличии требования срабатывания (см.
п. 2.1) для ликвидации КЗ или других ненормальных режимов или подача для этой же цели заданных сигналов на другие устройства РЗА.
2.7. Излишнее срабатывание - это срабатывание при отсутствии требования срабатывания для данного устройства РЗА при наличии требования срабатывания для другого (других) устройства РЗА. К излишним срабатываниям относятся также действия устройств РЗА (при наличии требования срабатывания), приведшие к дополнительным (кроме заданных) отключениям, включениям; к передаче непредусмотренных (излишних) сигналов; к отключению трех фаз вместо одной; к реализации действия противоаварийной автоматики с завышенным объемом дозировки и др.
2.8. Ложное срабатывание - это срабатывание при отсутствии требования срабатывания для данного и для других устройств РЗА, а также передача в этих же условиях сигнала на другие устройства РЗА, происходящее, как правило, из-за различных помех, механических воздействий на устройства РЗА, неправильных действий персонала и др.
2.9. Отказ срабатывания - это отсутствие срабатывания при наличии требования срабатывания для данного устройства РЗА, а также отсутствие в тех же условиях заданного выходного сигнала данного устройства РЗА.
К отказам срабатывания относятся также срабатывания устройств РЗА с неполным выполнением задания (отключение или включение не всех коммутационных аппаратов, передача не всех заданных сигналов, реализация действия противоаварийной автоматики с заниженной дозировкой и др.).
2.10. Невыясненное срабатывание - это срабатывание устройства РЗА, которое не может быть отнесено к категории "правильно" или "неправильно", несмотря на тщательный анализ работы устройства, условий повреждений, режимов работы системы и пр.
Отнесение срабатываний к числу невыясненных производится с разрешения вышестоящей службы РЗА. В дальнейшем, при получении дополнительных данных, оценка срабатывания может быть изменена (см.
п. 2.3).
3. ОБЩАЯ ОЦЕНКА ЛИКВИДАЦИИ АВАРИИ ИЛИ НАРУШЕНИЯ
НОРМАЛЬНОГО РЕЖИМА РАБОТЫ УСТРОЙСТВАМИ РЗА
3.1. Общая оценка ликвидации аварии или нарушения нормального режима устройствами РЗА (далее - общая оценка) производится на основании сопоставления фактической работы устройств РЗА в ходе данной аварии (нарушения нормального режима работы) с той, которая должна была быть, исходя из условий наиболее эффективной их ликвидации. В отдельных случаях может быть признано целесообразным ставить вопрос о замене, реконструкции или изменении характеристик устройств РЗА.
3.2. Общая оценка должна даваться во всех случаях, когда составляется аварийная документация (например, акты расследований аварий), содержащая раздел "Характеристика и оценка работы релейной защиты и автоматики". Кроме того, общая оценка должна даваться по указанию вышестоящей службы РЗА или органов Госинспекции по эксплуатации электростанций и сетей (как правило, при сложных ликвидациях аварий и отказов в работе с действием большого числа устройств защиты и автоматики).
3.3. Принимаются следующие общие оценки:
правильно;
правильно с замечанием;
неправильно.
Общая оценка "правильно" означает, что имеющиеся устройства защиты и автоматики и реализовавшиеся их действия соответствовали требованиям, возникшим при данной аварии или нарушении нормального режима. При этом по действиям отдельных устройств защиты и автоматики не было замечаний и все они получили оценку "правильно".
Общая оценка "правильно с замечанием" означает, что не все имеющиеся устройства защиты и автоматики действовали правильно или реализовавшиеся их действия не полностью соответствовали требованиям, возникшим при аварии (нарушении), но не явились причиной каких-либо существенных отрицательных последствий. Важным условием общей оценки "правильно с замечанием" (так же, как и "правильно") является то, что по результатам анализа ликвидации аварии (нарушения) не делается вывод о необходимости реконструкции, замены или перестройки действующих или необходимости дополнительной установки новых устройств защиты и автоматики.
Общая оценка "неправильно" означает, что имеющиеся устройства защиты и автоматики и реализовавшиеся их действия не соответствовали требованиям, возникшим при аварии (нарушении), что вызвало развитие аварии, дополнительные (неселективные) или излишние отключения, увеличение недоотпуска электроэнергии и пр. По результатам анализа должны быть, как правило, намечены мероприятия по реконструкции, замене или перестройке действующих устройств, по установке дополнительных устройств или иные мероприятия, повышающие эффективность действия устройств РЗА.
3.4. На общую оценку могут влиять последствия происшедшей аварии или нарушения нормального режима работы. Например, если при отказе быстродействующей защиты линия селективно отключилась резервной защитой с выдержкой времени и при этом не было негативных последствий с точки зрения устойчивости параллельной работы и устойчивости работы потребителей, общая оценка может быть "правильно с замечанием" (при оценке "неправильно" для отказавшей защиты). Если же задержка в отключении КЗ привела к негативным последствиям (например, нарушение работы ответственных потребителей), то общая оценка будет "неправильно". При этом должен ставиться вопрос об усовершенствовании защиты или ее эксплуатации (например, выполнение ускорения резервных защит, установка второй быстродействующей защиты и др.).
4. ПОКАЗАТЕЛИ РАБОТЫ УСТРОЙСТВ РЗА
4.1. Основным показателем работы устройств РЗА принимается процент их правильной работы, получаемый по формуле

,
где

- число правильных срабатываний;

- число излишних срабатываний;

- число ложных срабатываний;

- число отказов срабатывания.
Сумма

составляет число требований срабатывания.
4.2. В качестве дополнительных показателей могут использоваться периодичность или частота неправильных и правильных срабатываний устройств РЗА.
5. КЛАССИФИКАЦИЯ СЛУЧАЕВ НЕПРАВИЛЬНОЙ РАБОТЫ УСТРОЙСТВ РЗА
5.1. Классификации подлежат все случаи работы устройств защиты и автоматики, получившие в соответствии с
разд. 2 оценку "неправильное срабатывание" (излишнее, ложное или отказ срабатывания).
Устанавливается следующая классификация неправильных срабатываний устройств РЗА по условной виновности:
а) по причинам, зависящим от служб РЗА;
б) по вине оперативного персонала;
в) по вине прочего эксплуатационного персонала;
г) по вине заводов-поставщиков;
д) по вине проектной организации;
е) по вине монтажной или наладочной организации;
ж) по причинам, зависящим от организации-разработчика;
з) по прочим причинам;
и) по невыясненной причине.
Примечания: 1. Если неправильное срабатывание устройства РЗА вызвано не одной, а двумя или несколькими причинами, то условная виновность устанавливается по одной из причин, принимаемой за основную (другие причины отмечаются в описании неправильных действий).
2. Если в качестве основной причины принята виновность завода-поставщика, проектной организации, монтажной или наладочной организации или организации-разработчика, должен быть обязательно составлен акт-рекламация или акт-претензия, который направляется соответствующей организации. Отнесение к этим категориям виновности так же, как и отнесение к прочим и невыясненным причинам, должно четко мотивироваться в отчетной документации.
5.2. Случаи неправильной работы устройств РЗА по причинам, зависящим от службы РЗА, в свою очередь классифицируются по следующим причинам:
а) непосредственная вина персонала;
б) неудовлетворительное состояние устройства;
в) неудовлетворительность проекта.
5.2.1. К непосредственной вине персонала относятся:
а) ошибки при реконструкциях, перемонтажах, при всех видах технического обслуживания, регулировании параметров устройств и выполнении других эксплуатационных работ, в том числе ложные отключения присоединений, ошибочные пуски команд и т.п.;
б) несвоевременное устранение выявленного дефекта или неисправности аппаратуры или схемы, несвоевременное выполнение противоаварийных мероприятий, требований директивных документов или указаний вышестоящей службы РЗА;
в) неправильно выставленные уставки или характеристики, несвоевременное изменение параметров устройства;
г) неправильные указания в инструкциях и иных документах по эксплуатации устройств РЗА, выданных службой РЗА, или отсутствие необходимых инструкций и указаний, что вызвало неправильные действия оперативного персонала и, как следствие, неправильные срабатывания устройств.
5.2.2. К неудовлетворительному состоянию устройств относятся старение изоляции и износ деталей реле, аппаратуры, контрольного кабеля (причем замена аппаратуры и кабеля своевременно не произведена не по вине службы РЗА).
5.2.3. К неудовлетворительности проекта относятся дефекты проекта, выполненного службой РЗА (неправильный выбор принципов, схем, аппаратуры, параметров срабатывания, ошибки в выданной схеме или в расчете проекта).
5.3. К случаям неправильной работы устройств РЗА по вине оперативного персонала относятся неправильные действия вследствие:
а) невыполнения или неправильного выполнения требований действующих инструкций или иных документов по РЗА, программ операций по выводу и вводу линий и оборудования, в том числе в части первичных схем и режимов (заземление нейтралей трансформаторов, фиксация присоединений по шинам и др.), вызвавших неправильные действия устройств;
б) небрежного выполнения операций по обслуживанию устройств РЗА (недовключение переключающих устройств, рубильников, крышек испытательных блоков; несвоевременная или неправильная замена предохранителей и т.п.);
в) неисправности устройств РЗА из-за недостаточного контроля за общим состоянием аппаратуры, панелей, шкафов (несвоевременная или небрежная протирка аппаратуры и коммутации; несвоевременное устранение или несвоевременное сообщение о разбитых стеклах, незапертых или неуплотненных шкафах и т.п.);
г) неправильного допуска к работам на панелях и устройствах РЗА (или вблизи них), а также неправильного включения этих устройств после выполнения работ (в пределах круга обязанностей оперативного персонала согласно "Указаниям по организации работ на панелях и в цепях устройств релейной защиты, электроавтоматики (системной и противоаварийной), управления и сигнализации на электрических станциях и подстанциях". - М.: СПО Союзтехэнерго, 1977).
5.4. К случаям неправильной работы устройств РЗА по вине прочего эксплуатационного персонала относятся неправильные действия вследствие:
а) воздействий на устройства РЗА и их цепи, вызванных ремонтным, строительным персоналом, персоналом других (не РЗА) служб и подразделений эксплуатации (например, небрежные действия, вызвавшие повреждения аппаратуры, контрольных кабелей, удары по панелям, аппаратуре; нарушение высокочастотного канала защиты или автоматики; неправильные операции в масляной системе трансформаторов, автотрансформаторов, реакторов и другие подобные причины);
б) неправильно заданных или своевременно не скорректированных параметров настройки или исходных данных для их расчета, выданных службой режимов, диспетчерской, перспективного развития и др.;
в) сбоев, неправильного функционирования управляющих ЭВМ, устройств телемеханики по причинам, зависящим от служб АСДУ, СДТУ, вычислительной техники и пр.
5.5. К случаям неправильной работы устройств РЗА по вине заводов-поставщиков относятся неправильные действия вследствие дефектов изготовления измерительных трансформаторов, контрольного кабеля, основной и вспомогательной релейной аппаратуры (например, дефекты монтажа внутри аппаратов, на панелях и шкафах, витковые замыкания и обрывы обмоток, дефектные пайки, дефекты плат с печатным монтажом, дефекты разъемов и т.п.), которые не могли быть выявлены при включении в работу и при профилактических испытаниях.
5.6. К случаям неправильной работы устройств РЗА по вине проектной организации относятся неправильные действия, явившиеся следствием ошибок или недостатков проекта.
5.7. К случаям неправильной работы устройств РЗА по вине монтажной или наладочной организации относятся неправильные действия, явившиеся следствием ошибок при выполнении работ или дефектов монтажа или наладки, проявившиеся до первого профилактического контроля, а также скрытые дефекты, которые не могут быть выявлены во время приемки и последующей эксплуатации (например, надрезы проводников в местах разделки, ненадежное их присоединение к рядам зажимов и др.).
5.8. К случаям неправильной работы устройств РЗА по причинам, зависящим от организации - разработчика устройств РЗА, относятся неправильные действия из-за впервые проявившихся дефектов разработки новых устройств, аппаратов, реле.
5.9. К случаям неправильной работы устройств РЗА по прочим причинам относятся неправильные действия вследствие стихийных явлений (землетрясение, наводнение и т.п.), а также иных случайных, непредсказуемых событий.
5.10. К случаям неправильной работы устройств РЗА по невыясненной причине относятся неправильные действия, точные причины которых установить не удалось, несмотря на самую тщательную и полную проверку неправильно сработавшего устройства.
5.11. Дополнительной категорией учета являются допущенные неправильные срабатывания и несрабатывания РЗА, к которым относятся случаи неправильных действий, возможность которых была заранее известна, что было признано допустимым из-за малой вероятности события или малой тяжести последствий. Причинами допущенных неправильных срабатываний и несрабатываний могут быть:
а) неучет маловероятных режимов (например, с большим объемом ремонтных и аварийных отключений линий, трансформаторов, автотрансформаторов, генераторов) при выборе уставок РЗА, что может привести к их излишнему (неселективному) действию или отказу. Неучет таких режимов должен специально оформляться решением главного инженера или главного диспетчера (или их заместителя) согласно подведомственности устройств РЗА;
б) заранее известное техническое несовершенство того или иного устройства. Например, возможность неправильного действия поперечной дифференциальной токовой направленной защиты параллельных линий при КЗ с одновременным обрывом провода; возможность срабатывания дистанционной защиты при асинхронном режиме (с пуском устройства блокировки при качаниях от внешнего КЗ) и другие аналогичные причины;
в) заранее известная возможность неправильного действия устройства РЗА, исходя из его принципа действия. Например, излишнее действие полностью исправного полукомплекта защиты ДФЗ при внешнем КЗ из-за неисправности полукомплекта на противоположном конце линии.
К допущенным неправильным срабатываниям относятся также срабатывания исправных исполнительных устройств противоаварийной автоматики, действующих на отключение нагрузки, отключение генераторов, деление сети и другое, если эти срабатывания не требовались по режиму и вызваны ложной или излишней пусковой командой.
Допущенные неправильные срабатывания и несрабатывания учитываются отдельно и не суммируются с неправильными срабатываниями по
пп. 5.2 -
5.10.
5.12. Неправильные срабатывания устройств РЗА должны также классифицироваться по техническим причинам, что позволяет выявлять преимущественные причины неправильных срабатываний с точки зрения технического исполнения устройств и уровня их эксплуатации. Эта классификация не является статистической (не предусмотрена в годовых формах), ведется службами РЗА разных уровней согласно подведомственности устройств РЗА и включается в описание неправильных срабатываний.
Неправильные срабатывания устройств РЗА по техническим причинам подразделяются следующим образом:
а) неисправности реле всех типов, за исключением выполненных на интегральных микросхемах и микропроцессорах;
б) неисправности реле и устройств, выполненных на интегральных микросхемах и микропроцессорах;
в) неисправности прочей аппаратуры, элементов вторичной коммутации, цепей и т.п.;
г) неправильно заданные или выполненные схемы;
д) неправильные уставки и характеристики (заданные или выполненные);
е) ошибки при работах на панелях и в цепях;
ж) невыполнение требований директивных документов;
з) прочие технические причины.
6. НЕКОТОРЫЕ УТОЧНЕНИЯ И ОСОБЕННОСТИ УЧЕТА И ОЦЕНКИ
РАБОТЫ РЕЛЕЙНОЙ ЗАЩИТЫ, ЭЛЕКТРОАВТОМАТИКИ
И ПРОТИВОАВАРИЙНОЙ АВТОМАТИКИ
6.1. Неправильная работа одного и того же устройства РЗА, происходящая (повторяющаяся) в течение одних суток, учитывается как один случай, одно неправильное срабатывание.
Примечание. Ложные отключения присоединений, ошибочные пуски команд и т.п., вызванные ошибочными действиями персонала, учитываются каждое в отдельности независимо от времени повторяемости.
6.2. Оценка "не выяснено" соответствует условиям, когда не удается установить, было ли требование срабатывания для данного устройства РЗА или не было, и при этом самая тщательная его проверка не выявила никаких неисправностей.
6.3. Оценка "неправильно по невыясненной причине" может быть дана, если самая тщательная всесторонняя проверка устройства РЗА (в том числе по специальным программам, с привлечением при необходимости сторонних специалистов и т.п.) не выявила никаких неисправностей и вместе с тем с достаточной достоверностью налицо факт неправильной работы этого устройства.
Если не удалось определить причину неисправной работы устройств РЗА двустороннего действия (например, дифференциально-фазной защиты), оценка "неправильно" (по невыясненной причине) выносится каждому из этих устройств (полукомплектов).
6.4. Если для какого-либо устройства РЗА созданы условия срабатывания из-за неисправности оборудования или ошибочных действий персонала, то такой работе этого устройства дается оценка "неправильно" с отнесением виновности на тот персонал, который обслуживает соответствующее оборудование или допустил ошибочные действия. Например, сработала защита от замыканий на землю автотрансформатора из-за неисправности привода устройства РПН (неодинаковое положение по фазам); сработала газовая защита из-за того, что после ремонта оставлен закрытым кран на трубопроводе между реле и расширителем и другие подобные случаи. В этих случаях виновность за неправильные срабатывания устройств РЗА относится на ремонтный персонал.
6.5. Характерные случаи работы устройств РЗА следующие:
6.5.1. Неселективное срабатывание двух исправных защит из-за недостаточной ступени выдержки времени (ступени селективности), например заданной так для снижения времени отключения КЗ на головном участке сети. Защита с меньшей выдержкой времени - "правильно". Защита с большей выдержкой времени - "допущенное неправильное срабатывание" (при наличии оформленного решения о снижении ступени селективности) или "неправильно" (излишне), непосредственная вина персонала (при отсутствии такого решения).
6.5.2. Дифференциальная защита шин при КЗ на шинах отключила не все заданные выключатели из-за неисправности защиты. Независимо от последствий оценка работы защиты шин - "неправильно" (отказ). Общая оценка, если она выносится, - "правильно с замечанием" (при отсутствии негативных последствий) или "неправильно" (при наличии таких последствий).
6.5.3. Короткое замыкание на линии самоликвидировалось после ее отключения с одной стороны. Действие защиты с другой стороны линии не оценивается.
6.5.4. При снятии напряжения с линии произошел "клевок" дистанционной защиты, сработало указательное реле. Действие защиты не оценивается.
6.5.5. Две защиты - дифференциально-фазная и междуфазовая токовая отсечка - сработали при КЗ на линии, причем отсечка "опередила" защиту ДФЗ и у последней не успело сработать указательное реле на выходе защиты. Действие ДФЗ при отсутствии признаков неисправности не оценивается.
6.5.6. При неполнофазном режиме на линии (например, обрыв шлейфа на анкерной опоре без КЗ) и работе токовой защиты от замыканий на землю в соответствии с заданными параметрами последняя оценивается "правильно".
6.5.7. Защита сработала неправильно (ложно, излишне), это действие "исправлено" успешным АПВ или АВР. Защита оценивается - "неправильно", АПВ (АВР) - "правильно". Общая оценка, если она требуется, выносится, исходя из последствий.
6.6. Примеры оценок работы устройств РЗА приведены в
Приложениях 3,
4. Пояснения по заполнению форм статистической отчетности о работе устройств релейной защиты, электроавтоматики и противоаварийной автоматики N 17-энерго и N 18-энерго даны в
Приложении 5.
УСТРОЙСТВ РЕЛЕЙНОЙ ЗАЩИТЫ, ЭЛЕКТРОАВТОМАТИКИ,
ПРОТИВОАВАРИЙНОЙ АВТОМАТИКИ, ПОДЛЕЖАЩИХ УЧЕТУ НАЛИЧИЯ
И ОЦЕНКЕ ИХ РАБОТЫ <1>
--------------------------------
<1> Учитывается наличие и срабатывание устройств РЗА, включенных в работу. Случаи неправильных срабатываний и отказов устройств РЗА при их наладке и всех видах технического обслуживания в отчетности не учитываются за исключением случаев ложного отключения присоединений, ложного пуска команд и т.п.
1. Инструкцией предусматриваются учет наличия и оценка работы устройств РЗА, которыми автоматически осуществляются следующие функции:
1.1. Отключаются (тремя фазами или одной фазой) защищаемые электрооборудование или линии электропередачи при их повреждении или возникновении условий, угрожающих повреждением, а также при нарушениях нормальной работы участка электрической сети, электростанции или энергосистемы (ОЭС).
1.2. Включаются (тремя фазами или одной фазой) автоматически отключившееся электрооборудование или линии электропередачи.
1.3. Включаются резервные электрооборудование или линии электропередачи и осуществляется резервное электроснабжение взамен отключившегося оборудования или линий.
1.4. Осуществляются быстрые воздействия на изменение мощности электростанций, отключение части нагрузки потребителей и другие управляющие воздействия в целях сохранения устойчивости и предотвращения опасных отклонений режимов от нормальных (по мощности, частоте, напряжению, возникновению их колебаний).
1.5. Делится на части электрическая сеть энергосистемы (ОЭС) при возникновении асинхронного режима и в некоторых случаях при появлении условий, угрожающих нарушением устойчивости.
1.6. Производится отделение электростанции с примерно сбалансированной нагрузкой района или частичное выделение ее генерирующей мощности для сохранения собственных нужд при угрозе возникновения лавин частоты и напряжения и недостаточной эффективности действия АЧР в энергосистеме.
2. Устройство РЗА - это совокупность элементов (аппаратов, реле, цепей и др.), установленных на одном энергетическом объекте и предназначенных для решения конкретной задачи РЗА (дополнительно по устройствам противоаварийной автоматики см.
Приложение 2).
2.1. Учету и оценке подлежат устройства РЗА, установленные на оборудовании и линиях напряжением 6 кВ и выше, в том числе и выполненные с реле прямого действия, в форме механических АПВ и АВР и т.п.
2.2. Устройство может являться самостоятельной единицей учета, если оно содержит сигнальный элемент, по которому можно судить о его срабатывании.
Примечание. Исключение могут составлять устройства АПВ и АВР, работа которых оценивается по счетчику работы выключателя.
3. К РЗА, помимо соответствующей аппаратуры (независимо от принципов ее использования), относятся: переключающие устройства (накладки, ключи и т.п.), испытательные блоки, ряды зажимов, цепи питания оперативным током с предохранителями (автоматами), конденсаторы для питания оперативных цепей с их зарядными устройствами, вторичные цепи измерительных трансформаторов тока и напряжения или заменяющих их устройств, электромагниты управления воздушными выключателями, короткозамыкателями, отделителями, электромагниты отключения и промежуточные контакторы включения масляных выключателей, вспомогательные трансформаторы и автотрансформаторы тока и напряжения, трансреакторы, проводки и контрольные кабели, соединяющие все перечисленное выше, соединительные провода продольных дифференциальных защит линий и устройств передачи импульсов РЗА с объекта на объект, ВЧ аппаратуру каналов РЗА (элементы настройки заградителей, фильтры присоединения, ВЧ кабель, разделительные фильтры, приемопередатчики и др.), а также другие вспомогательные элементы, относящиеся к РЗА.
4. Перечисленные в
п. 3 вспомогательные элементы РЗА не подлежат самостоятельному учету наличия и действия. Вспомогательные элементы, явившиеся причиной неправильного действия устройства РЗА в целом, должны конкретно указываться в описании неправильных срабатываний (отказов), включаемом в отчет по РЗА.
5. Учет наличия ведется по отдельным устройствам РЗА. Оценка работы производится с отнесением того или иного действия на соответствующее устройство РЗА.
Исключение составляют случаи неправильных действий, непосредственно связанные с выходными цепями, на которые могут воздействовать два и более устройств РЗА. В таких случаях неправильное действие относится на выходные цепи, хотя для последних не ведется ни учет наличия, ни учет правильной работы.
6. Отдельно подлежат оценке работы наиболее важные сигнальные устройства, как, например, сигнальные элементы газовой защиты трансформаторов, автотрансформаторов и реакторов, сигнальные элементы устройства КИВ-500, селективной защиты от замыканий на землю, действующей на сигнал (но не контроль исправности цепей трансформаторов напряжения, не контроль изоляции и другие подобные устройства). В общий подсчет и в показатели работы (в годовые формы) сигнальные устройства не включаются.
7. Для комплектов (панелей) РЗА учет наличия и оценка работы должны даваться по входящим в них практически самостоятельным, но различным по назначению частям. Например, в комбинированных панелях ЭПЗ-1636 или ЩДЭ-2801 учитываются: комплект ступенчатой дистанционной защиты, комплект ступенчатой направленной токовой защиты от замыканий на землю, устройство междуфазовой токовой отсечки (всего три единицы учета); в комбинированной панели АПВ-503 - устройство ОАПВ, два устройства ТАПВ (три единицы учета). Защиты НДЗ, ДФЗ, ДЗЛ и другие двусторонние (многосторонние) защиты учитываются попанельно, т.е. каждое устройство (полукомплект) учитывается отдельно той же энергосистемой, которой оно принадлежит и которая его эксплуатирует.
8. Дифференциальная защита шин с фиксированным распределением элементов (при двух рабочих системах шин) представляет одну единицу учета. АПВ первой и второй систем шин учитываются порознь (две единицы учета). При этом на линии, осуществляющей АПВ шин, устройство АПВ условно учитывается дважды: как АПВ линии и как АПВ шин.
9. Для противоаварийной автоматики статистический учет ведется энергосистемами по отдельным устройствам ПА, эксплуатируемым данной энергосистемой, независимо от того, входят эти устройства в состав функциональных (нелокальных) автоматик или являются самостоятельными локальными автоматиками. В качестве единиц статистического учета принимаются устройства ПА и локальные автоматики согласно
Приложению 2. При этом должно выполняться требование
п. 2.2 Приложения 1.
Одновременно в отчетах территориальных ОДУ и ЦДУ ЕЭС СССР должна даваться оценка работы функциональных (нелокальных) автоматик, в том числе в составе комплексов ПА (см.
Приложение 2).
10. Для управляющих ЭВМ, входящих в комплексы противоаварийной автоматики в качестве программируемых устройств АДВ, должен вестись отдельный учет работы. Форма отчетности определяется территориальным ОДУ и ЦДУ ЕЭС СССР, исходя из особенностей их выполнения и обслуживания.
11. Оценка работы устройств непрерывного действия, в том числе регуляторов, действующих не по появлению требования срабатывания, а непрерывно, производится только в целом за отчетный период. В годовых отчетах (в пояснительной записке) должны характеризоваться случаи отказов их работы и указываться общее число часов использования за год.
12. Перечень по
Приложению 1 не исключает необходимости вести примерный количественный учет всех технических средств, эксплуатируемых службой РЗА (электролабораторией), и ежегодно уточнять его (включая устройства, учет которых не предусмотрен настоящей Инструкцией, в том числе на линиях и оборудовании напряжением ниже 6 кВ), поскольку такой учет служит характеристикой загрузки релейного персонала.
ТЕРМИНЫ И ОСОБЕННОСТИ УЧЕТА ПРОТИВОАВАРИЙНОЙ АВТОМАТИКИ
1. Устройство ПА и локальная автоматика - совокупность элементов (аппаратов, реле, панелей и др.), установленных на одном энергетическом объекте и предназначенных:
устройство ПА - для участия в решении задач противоаварийного управления (ПАУ) совместно с другими устройствами, является составной частью функциональной (нелокальной) автоматики, в том числе в составе комплекса ПА. Относится, как правило, к системе автоматического предотвращения нарушения устойчивости (АПНУ);
локальная автоматика - для самостоятельного решения (исполнения) одной конкретной задачи ПАУ.
Термин "устройство ПА" может применяться и для локальной автоматики.
Если автоматика, помимо действия в месте ее установки, осуществляет телеотключение линии с противоположной стороны, то она также относится к категории "локальная автоматика".
Примеры
Устройства ПА: устройства фиксации отключения линий, трансформаторов, блоков (ФОЛ, ФОТ, ФОБ); передатчики устройств телеотключения с их пусковыми цепями (прд ВЧТО, АНКА-АВПА), приемники устройств телеотключения с их выходными цепями (прм ВЧТО, АНКА-АВПА); устройства фиксации перегрузки по мощности (ФПМ); устройства контроля предшествующего режима (КПР); устройства автоматической дозировки воздействий (АДВ); устройства автоматического запоминания дозировки (АЗД); исполнительные устройства разгрузки турбины, отключения генераторов, нагрузки (ИУ РТ, ИУ ОГ, ИУ ОН) и т.п.
Примечания: 1. Передатчики и приемники аппаратуры телеотключения учитываются порознь, т.е.: передатчик ВЧТО и приемник ВЧТО - две единицы учета; передатчик АНКА-АВПА и приемник АНКА-АВПА - две единицы учета (аппаратура АНКА и АВПА учитывается совместно как один аппарат). Для этих устройств используется также термин: устройство передачи аварийных сигналов и команд (ПАСК).
2. Если аппаратура ВЧТО используется одновременно для релейной защиты и противоаварийной автоматики, то она подлежит учету только один раз в составе того или другого (то же для аппаратуры АНКА-АВПА).
3. Исполнительные устройства ИУ РТ, ИУ ОГ, ИУ ОН могут включать в себя отдельные устройства, не являющиеся самостоятельными единицами статистического учета (например, устройство выбора отключаемых генераторов и др.).
4. Следует иметь в виду, что отдельные статистически учитываемые устройства могут отсутствовать (например, ИУ ОН) или иметь иное наименование в оперативной диспетчерской документации.
Локальная автоматика: автоматика ликвидации асинхронного режима (АЛАР); автоматика ограничения повышения или снижения напряжения (АОПН или АОСН); автоматика ограничения повышения частоты (АОПЧ); автоматика разгрузки линии (АРЛ) и т.п.
2. Функциональная (нелокальная) автоматика - совокупность устройств ПА, установленных на разных (многих) энергетических объектах и связанных между собой технологически и функционально для решения (исполнения) одной конкретной задачи ПАУ.
Примеры
Автоматика разгрузки при отключении линии (АРОЛ) со следующей структурой: устройство фиксации отключения линии (ФОЛ) - тракт телепередачи пусковой команды (прд АНКА-АВПА, прм АНКА-АВПА) - устройство автоматической дозировки управляющих воздействий (АДВ) - тракт телепередачи исполнительной команды (прд АНКА-АВПА, прм АНКА-АВПА) - исполнительное устройство отключения генераторов (ИУ ОГ);
автоматика разгрузки при перегрузке по мощности линии (АРПМ) со следующей структурой: устройство фиксации перегрузки по мощности (ФПМ) - тракт телепередачи команды (прд АНКА-АВПА, прм АНКА-АВПА) - исполнительное устройство отключения нагрузки (ИУ ОН).
Эти функциональные (нелокальные) автоматики входят в систему АПНУ, могут охватывать несколько энергосистем, выходить за пределы ОЭС.
3. Комплекс ПА - совокупность функциональных (нелокальных) автоматик, связанных между собой технологически, использующих частично одни и те же устройства ПА. Задачей комплекса ПА является, как правило, автоматическое предотвращение нарушения устойчивости в пределах района противоаварийного управления. Каждая автоматика в составе комплекса ПА решает задачу ПАУ при одном конкретном аварийном возмущении: отключение линии, разрыв транзита, возникновение небалансов мощности в узлах нагрузок и др. Отличительной особенностью комплекса ПА является наличие центрального управляющего органа (релейного или на базе вычислительной техники), который осуществляет дозировку управляющих воздействий при возникновении того или иного аварийного возмущения. В пределах комплекса ПА может предусматриваться автоматика разгрузки узла (АРУ) со своим дозирующим устройством, решающая задачу АПНУ данного узла (именуется также "узловой комплекс ПА").
4. Статистический учет наличия и оценка работы устройств ПА и локальных автоматик ведется энергосистемами с подразделением этих устройств и автоматик по системам ПА: автоматическое предотвращение нарушения устойчивости (АПНУ), автоматическая ликвидация асинхронного режима (АЛАР), автоматическое ограничение повышения частоты (АОПЧ), автоматическое ограничение повышения напряжения (АОПН), автоматическое ограничение снижения напряжения (АОСН), автоматическая разгрузка оборудования (АРО) и прочие (форма N 18-энерго,
раздел IV "Противоаварийная автоматика").
Эти же устройства ПА и локальные автоматики, подведомственные территориальным ОДУ и ЦДУ ЕЭС СССР, включаются ими в свои отчеты.
Для функциональных (нелокальных) автоматик, в том числе в составе комплексов ПА, статистический учет (по годовым формам) не ведется, а ведется учет и дается оценка работы на уровне энергосистемы, территориального ОДУ и ЦДУ ЕЭС СССР. Указанные сведения высылаются вышестоящей службе РЗА по установленной ею форме.
Учет противоаварийной автоматики (как статистический, так и нестатистический) ведется в полном соответствии с положениями настоящей Инструкции (системы оценок, показатели работы, классификация неправильной работы и др.).
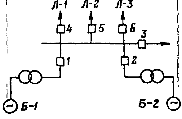
ПРИМЕРЫ ОЦЕНОК РАБОТЫ УСТРОЙСТВ РЕЛЕЙНОЙ
ЗАЩИТЫ И ЭЛЕКТРОАВТОМАТИКИ
───────┬───────────────┬───────────────────────────────────────┬────────────────────┬────────────────────────
Номер │ Поясняющая │ События и работа │ Оценка работы │ Примечания
примера│ схема │ устройств РЗА │ устройств релейной │ и пояснения
│ ├─────────────────┬─────────────────────┤ защиты и │
│ │ Основные │ Сопровождающие │ электроавтоматики │
│ │ │ и последующие │ │
───────┴───────────────┴─────────────────┴─────────────────────┴────────────────────┴────────────────────────
1 При КЗ на линии, АПВ включило 1. Защита При появлении требования
отходящей от выключатель на выключателе срабатывания
ПС "Б", защита 4 - успешно 4 - "правильно". (возникновение КЗ)
отключила 2. АПВ защита произвела
выключатель 4 на выключателе отключение с заданным
4 - "правильно" временем. Защита 3
(успешно) выполнена направленной
(от шин), и для нее
не было требования
срабатывания. Защита 2
запускалась, но не
сработала из-за наличия
ступени выдержки
времени (оценке не
подлежит).
Здесь и далее условно
дано общее понятие -
"защита". Фактически
следует указывать
конкретно тип защит,
которым дается оценка
работы
2 Та же, что Защита на ПС "Б" Защита на ПС "А" 1. Защита на Оценка работы защиты 4
в
примере N 1 сработала отключила выключателе 4 - дана, исходя из того,
так же, как выключатель 2 "правильно". что привод выключателя
но выключатель 4 резервирование). выключателе 2 - устройствам РЗА и ПА.
не отключился АПВ на выключателе 2 "правильно" Предполагается, что на
выведено для ПС "Б" отсутствует УРОВ
профилактического выключателя 4.
контроля. Если отключение
Последующей выключателя 2 приводит
проверкой к негативным
выявлена последствиям (например,
механическая при наличии отпаечной
неисправность подстанции на линии
выключателя 4 между ПС "А" и ПС "Б"),
то может ставиться
вопрос о необходимости
выполнения УРОВ
выключателя 4. Общая
оценка, если она дается,
может быть в этом случае
"неправильно".
Если бы отказ
выключателя 4 был
вызван неисправностью
цепей управления,
дополнительно указать -
Выходные цепи
выключателя 4 -
"неправильно" (отказ).
Если бы неотключение
выключателя 4 было
вызвано отказом защиты
защиты 4 - "неправильно"
(отказ)
3 Та же, что Защита на ПС "Б" Трехфазное 1. Защита 4 - Неуспешная работа АПВ
в
примере N 1 отключила двукратное АПВ "правильно" после первого и второго
выключатель 4 включило (три раза). циклов учитывается как
выключатель, но он 2. Двукратное один случай работы
снова отключился АПВ - "правильно" двукратного АПВ (т.е.
защитой. Произошел (неуспешно) неуспешное АПВ в первом
второй цикл АПВ, но цикле статистически
также неуспешно не учитывается).
Если бы имел место отказ
включения во втором
цикле после неуспешного
АПВ в первом цикле,
то общая оценка работы
двукратного АПВ была бы
"неправильно" (отказ)
4 Та же, что Защита на ПС "А" АПВ включило 1. Защита 2 - Настройка защиты 2
в
примере N 1 отключила выключатель 2, после "правильно". выполнена по принципу
выключатель 2 чего отключился 2. АПВ "ускорение до АПВ".
выключатель 4 выключателя 2 - После АПВ выключателя 2
"правильно" автоматически выводится
(успешно). ускорение защиты 2 и тем
3. Защита 4 - самым обеспечивается
"правильно" ее селективность
относительно защиты 4
5 Защита на ПС "А" АПВ включило на 1. Защита 4 - Защита 2 действовала в
отключила ПС "А" выключатель "неправильно" качестве резервной
выключатель 2. 2, но он отключился (отказ). (дальнее резервирование)
Защита на вторично. 2. Защита 2 - из-за отказа защиты 4.
выключателе 4 Делительная "правильно" Делительная автоматика
ПС "Б" не автоматика отключила (два раза). на выключателе 5
действовала на ПС "А" 3. АПВ действует при отключении
выключатель 5, выключателя 2 - выключателя 2
он включился от "правильно" (после неуспешного АПВ).
АПВ. Последующей (неуспешно). Предусмотрен запрет АПВ
проверкой выявлена 4. Делительная выключателя 5 при его
неисправность автоматика на отключении от
защиты 4 выключателе 5 - делительной автоматики.
"правильно". Однако цепь запрета
5. АПВ АПВ ошибочно не была
выключателя 5 - включена
"неправильно"
(излишне)
6 Дифференциально- Последующая проверка 1. ДФЗ на Оценка "отказ"
фазная ВЧ защита выявила отсутствие выключателе 2 полукомплекту 2 дается
линии (ДФЗ) оперативного тока на ПС "А" - условно (фактически имел
отключила на полукомплекте "неправильно" место отказ пуска
выключатель 3 ДФЗ на выключателе 2 (отказ). защиты, а не ее
на ПС "Б" при ПС "А" 2. ДФЗ на срабатывания).
внешнем КЗ выключателе 3 Полукомплект 3 сработал,
на ПС "Б" - исходя из принципа
"допущенное действия защиты
срабатывание" Инструкции). Если бы
вместо ДФЗ на линии была
защита с ВЧ блокировкой,
все оценки были бы
теми же
7 Защита - 1. Защита на Защита на выключателе 8
выключателя 8 выключателе 8 - сработала в соответствии
подействовала "правильно". с возникшим требованием.
на его 2. Дифференциальная Дифференциальная защита
отключение и защита шин - шин подействовала
одновременно "неправильно" неправильно при внешнем
дифференциальная (излишне) КЗ, так как
защита шин трансформаторы тока
отключила выключателя 8 ошибочно
выключатели 6, не были включены
7, 9, 10 и 11 в токовые цепи
дифференциальной защиты
8 Дистанционные Выключатель 4 1. Защита на Защиты на выключателях 4
защиты отключили включился от АПВ и выключателе 4 - и 5 и АПВ (с контролем
выключатели 4 вновь отключился "правильно" отсутствия напряжения на
и 5 защитой. (два раза). линии) выключателя 4
При этом 2. Защита на действовали с заданными
дистанционная защита выключателе 5 - параметрами.
отключила "правильно". АПВ на выключателе 5 -
выключатель 8 3. АПВ на с контролем синхронизма.
выключателе 4 - После отключений
"правильно" выключателя 4 оно не
(неуспешно). могло действовать и не
4. Защита на оценивается. Защита на
выключателе 8 - выключателе 8 исправна
"допущенное и подействовала в
неправильное соответствии с
срабатывание" заданными параметрами
из-за возникших качаний
по ВЛ ПС "А" - ПС "Г"
при повторном запуске
блокировки и качаниях
вследствие коммутаций
в сети (включение
от АПВ и вторичное
отключение
выключателя 4)
9 При обрыве Действие АПВ не 1. Защита 3 - Описанное поведение
провода с рассматривается 4 на ПС "Б" - поперечной
односторонним "правильно". дифференциальной токовой
замыканием на 2. Защита 1 - 2 направленной защиты
землю одной на ПС "А" - общеизвестно, является
из параллельных "допущенное ее органическим
линий неправильное дефектом.
отключились срабатывание" Если было принято
выключатели 3 решение о замене защиты
(поврежденная) и это решение не
и 2 выполнено в
(неповрежденная установленный срок,
линия) действием то классификация для
поперечной защиты 1 - 2 будет иной,
дифференциальной например "неправильно"
токовой (излишне), по вине
направленной персонала служб РЗА,
защиты не обеспечившего замену
защиты
10 При выводе Действие АПВ не Защита ДФЗ Нарушено требование
в ремонт рассматривается (действие директивного указания
выключателя 4 на отключение о необходимости вывода
и отсоединении выключателя 3) - защиты ДФЗ перед
токовых цепей "неправильно" операциями в токовых
Л-1 сработала (ложно) цепях
защита ДФЗ и
отключила
выключатель 3
11 Дифференциальная От УРОВ отключились 1. Дифференциальная Защиты блока Б-1
и газовая выключатели 2, 3, защита блока Б-1 - сработали при
защиты 4, 5 и 6 "правильно". повреждении блочного
отключили блок 2. Газовая защита трансформатора.
Б-1 трансформатора Срабатывание УРОВ
блока Б-1 - вызвано неисправностью
"правильно". (невозвратом) реле
3. УРОВ - контроля тока (РТ-40/Р).
"неправильно" Если излишнее действие
(излишне) УРОВ вызвано
неустановкой второго
реле РТ-40/Р, как того
требуют директивные
указания, то
классификация -
"по причинам,
зависящим от службы РЗА"
12 Та же, что в Действием УРОВ УРОВ - На защитах Л-1
примере N 11, отключились "неправильно" проводились работы, при
линия Л-1 выключатели 1, (ложно) этом ошибочно не был
отключена в 2, 3, 5, 6 выведен пуск УРОВ
ремонт
13 Та же, что в При КЗ на Л-1 Действием УРОВ 1. Защита Л-1 - Защита Л-1 и УРОВ
примере N 11 защита отключились "правильно". работали в соответствии
сработала, но выключатели 1, 2, 2. УРОВ - с заданными параметрами.
выключатель 4 3, 5, 6 "правильно" Выключатель 4 не
не отключился отключился. Здесь
возможны следующие
варианты:
1. Отказ выключателя
вызван его механической
неисправностью или
неисправностью воздушной
системы, т.е. причина
отказа не имеет
отношения к устройствам
РЗА и вторичным цепям.
В этом случае, если
выносится "Общая
оценка ликвидации аварии
или нарушения
нормального режима
работы средствами РЗА
и ПА", то она будет
"правильно".
2. Отказ выключателя
вызван неисправностью
в цепях управления.
дополнительно должно
быть указано:
выходные цепи -
"неправильно" (отказ).
Общая оценка в этом
случае будет
"неправильно".
3. Такой же подход
к оценке должен быть
и в том случае, если
выключатель затянул
процесс отключения КЗ
и хватило времени для
срабатывания УРОВ
14 При КЗ на одной - 1. Междуфазовая Поперечная
из параллельных токовая отсечка дифференциальная
линий 2 - "правильно". защита 1 - 3 сработала
междуфазовая 2. Поперечная после отключения
токовая отсечка дифференциальная выключателя 2
отключила защита 1 - 3 - (КЗ в зоне каскадного
выключатель 2. "правильно" действия защиты 1 - 3)
Поперечная
дифференциальная
токовая
направленная
защита
отключила
выключатель 1
(после
отключения
выключателя 2)
15 КЗ на ВЛ 3-4 Дистанционные Работа АПВ не 1. Дистанционные Дистанционные защиты 1
произошло защиты рассматривается защиты 1 и 2 - и 2 сработали с
через 2 с отключили "правильно" заданными параметрами.
после КЗ на выключатели 1 (каждая). При возникновении
ВЛ 1-2 и 2. Токовые 2. Токовые двухфазного КЗ
направленные направленные защиты на землю на ВЛ 3-4
защиты от от замыканий на дистанционные защиты 3
замыканий на землю 3 и 6 - и 4 (I и II ступеней)
землю отключили "правильно" заблокированы
выключатели 3 (каждая) блокировкой при
и 6 (та же качаниях, их работа
защита на не оценивается.
выключателе 4 Токовые направленные
выведена для защиты от замыканий на
проверки) землю 3 и 6 сработали
с заданными параметрами,
причем защита 6
осуществила дальнее
резервирование
16 При АПВ с контролем 1. Защита ДФЗ на АПВ на выключателе 1
возникновении КЗ отсутствия выключателе 1 - выполнено с контролем
на ВЛ 1-2 защита напряжения "правильно". синхронизма.
ДФЗ отключила на линии включило 2. Дистанционная После отключения
выключатель 1, выключатель 2 - защита на выключателя 2 оно не
дистанционная неуспешно выключателе 2 - могло действовать
защита (устойчивое КЗ). "правильно" (два и не оценивается.
отключила Последующей раза). Защита ДФЗ на
выключатель 2 проверкой выявлена 3. АПВ ВЛ 1-2 на выключателе 2
неисправность защиты выключателе 2 - фактически отказала
(полукомплекта) "правильно" дважды (до и после АПВ),
ДФЗ на выключателе 2 (неуспешно). но учитывается один
4. Защита ДФЗ на отказ, поскольку отказы
выключателе 2 - повторялись в пределах
"неправильно" одних суток. Если
(отказ) выносится общая оценка,
то она будет "правильно
с замечанием"
("правильно" отражает
отключение КЗ ближайшими
выключателями,
"замечание" - отказ ДФЗ
на выключателе 2).
Возможны случаи, когда
задержка в отключении
линии со стороны ПС "Б"
(из-за отказа ДФЗ)
приводит к негативным
последствиям (например,
к расстройству работы
ответственных
потребителей).
Тогда общая оценка может
быть вынесена
"неправильно" и должен
ставиться вопрос,
например, о выполнении
телеускорения резервных
защит
17 Та же, что в При однофазном Защита ДФЗ на 1. Защита ДФЗ Действие (правильное)
примере N 16 КЗ на линии выключателе 1 на выключателе ОАПВ на выключателе 1
сработала доотключила две 1 - "правильно". на отключение одной
защита ДФЗ через "здоровые" фазы. 2. Защита ДФЗ фазы - не оценивается
схему ОАПВ на ТАПВ произвело на выключателе (схема ОАПВ осуществляет
отключение одной успешное трехфазное 2 - "правильно". выбор поврежденной фазы,
фазы на включение 3. ОАПВ на служит как бы выходными
выключателе 1 выключателей 1 и 2. выключателе 2 - цепями защиты).
и трех фаз на Последующей "неправильно" Отключение трех фаз при
выключателе 2 проверкой выявлена (излишне). однофазном КЗ является
неисправность ОАПВ 4. Защита ДФЗ излишним, работа ОАПВ
выключателя 2 на выключателе при этом оценивается
(не блокировалась 1 - "допущенное "неправильно" (излишне).
цепь трехфазного неправильное После излишнего
отключения) срабатывание" трехфазного отключения
(доотключение двух выключателя 2
"здоровых" фаз). произошел останов ВЧ
5. ТАПВ выключателя передатчика защиты ДФЗ
1 - "правильно" на этом выключателе,
(успешно). что вызвало повторное
6. ТАПВ выключателя срабатывание защиты ДФЗ
2 - "правильно" на выключателе 1 (при
(успешно) уже отключенном КЗ)
на отключение двух
"здоровых" фаз
("допущенное
неправильное
срабатывание").
ТАПВ выключателей 1 и 2
оказалось успешным
(неустойчивое КЗ)
18 Та же, что в Междуфазовое КЗ Действие АПВ не 1. ДЗ (I ступень) Если при отключении
примере N 16 на линии, рассматривается. на выключателе данной линии
возникшее Принимается, что 1 - "правильно". осуществляется пуск
вблизи ПС "А", ДФЗ отсутствует 2. ДЗ (II ступень и передача команд
ликвидировано с ТУ) на противоаварийной
действием выключателе 1 - автоматики с
первой ступени "правильно". использованием тех же
дистанционной 3. Передатчик (прд) передатчиков и
защиты (ДЗ) и ВЧТО со стороны ПС приемников ВЧТО,
вторых ступеней "А" - "правильно". что и для телеускорения
ДЗ, 4. Приемник (прм) резервных защит, работа
телеускоренных ВЧТО со стороны прд и прм учитывается
по ВЧТО ПС "А" - один раз независимо
(ДЗ с ТУ) "правильно". от числа передаваемых
5. Прд ВЧТО со команд
стороны ПС "Б" -
"правильно".
6. Прм ВЧТО со
стороны ПС "Б" -
"правильно".
7. ДЗ (II ступень
с ТУ) на
выключателе 2 -
"правильно"
19 Та же, что в При междуфазовом Сработал УРОВ линии 1. ДЗШ - Работа защиты ДФЗ
примере N 16, КЗ на шинах ПС и подействовал на "правильно". учитывается с обеих
но КЗ на шинах "А" сработала останов ВЧ 2. УРОВ - сторон линии (вызвана
ПС "А" дифференциальная передатчика защиты "правильно". остановом ВЧ передатчика
защита шин (ДЗШ) ДФЗ линии, а также 3. ДФЗ со ДФЗ со стороны ПС "А").
и произвела осуществил пуск стороны ПС "Б" В случае неисправности
необходимые команды на и ПС "А" - в цепях управления
отключения, но телеотключение (ТО) "правильно". выключателя 1 со
выключатель 1 линии со стороны 4. Прд ВЧТО со стороны ПС "А" в
гр. 5
линии ПС "А" - ПС "Б" с запретом стороны ПС "А" - дополнительно должно
ПС "Б" отказал ТАПВ "правильно". быть указано: выходные
из-за 5. Прм ВЧТО со цепи - "неправильно"
механической стороны ПС "Б" - (отказ)
неисправности "правильно"
привода
20 При однофазном Последующей 1. ТНЗЗ (I ступень) Отказ первой ступени
КЗ на линии проверкой выявлена на выключателе ТНЗЗ на выключателе 3
ПС "Б" - ПС "В" неисправность первой 3 - "неправильно" вызвал срабатывание
отключились ступени ТНЗЗ на (отказ). второй ступени ТНЗЗ
выключатели 3, выключателе 3. 2. ТНЗЗ на выключателе 1 (время
4 и 1 действием Действие АПВ не (II ступень) на срабатывания вторых
токовой рассматривается выключателе 3 - ступеней ТНЗЗ на
направленной "правильно". выключателях 3 и
защиты от 3. ТНЗЗ 1 одинаковое)
замыканий на (II ступень) на
землю (ТНЗЗ) выключателе 1 -
"правильно"
(дальнее
резервирование)
─────────────────────────────────────────────────────────────────────────────────────────────────────────────
Примечание. В таблице принято сокращение ПС - подстанция.
─────────────────────────────────────────────────────────────────────────────────────────────────────────────
ПРИМЕРЫ ОЦЕНОК РАБОТЫ ПРОТИВОАВАРИЙНОЙ АВТОМАТИКИ
───────┬───────────────┬───────────────────────────────────────┬────────────────────┬────────────────────────
Номер │ Поясняющая │ События и работа │ Статистическая │ Примечания и пояснения
примера│ схема │ РЗА │ оценка работы ПА │
│ ├─────────────────┬─────────────────────┤ (
разд. IV формы │
│ │ Основные │ Сопровождающие │ N 18-энерго) │
│ │ │ и последующие │ │
───────┼───────────────┼─────────────────┼─────────────────────┼────────────────────┼────────────────────────
1 │
Рисунок │При КЗ на Л-3 │По параллельной │1. Устройство │1. Оценка работы
│ │защита отключила │связи между ГЭС-1 │фиксации отключения │устройств защиты и АПВ
│ │эту линию. АПВ │и ОЭС-1 (на схеме │линии (ФОЛ) Л-3 на │здесь и далее не
│ │включило Л-3, но │показана пунктиром) │ПС N 1 и прд ВЧТО │приводится.
│ │неуспешно. Линия │возник асинхронный │Л-3 на ПС N 1 - │2. Оценка работы
│ │отключилась │режим (АР), │"правильно" │автоматики АРОЛ Л-3
│ │повторно │ликвидированный │(каждое). │в составе комплекса ПА -
│ │ │устройством АЛАР. │Учитывается │"неправильно" (отказ),
│ │ │Последующей проверкой│энергосистемой N 1. │выносится ЦДУ ЕЭС СССР
│ │ │установлено, что │2. Устройство ФОЛ │или территориальным ОДУ
│ │ │причиной АР явился │Л-3 на ПС N 2, прм │(нестатистический учет).
│ │ │отказ автоматики │ВЧТО Л-3 на ПС N 2, │3. Общая оценка
│ │ │разгрузки при │прд ВЧТО Л-2 │ликвидации нарушения
│ │ │отключении линии Л-3 │на ПС N 2 - │нормального режима
│ │ │(АРОЛ Л-3) в составе │"правильно" │работы (при
│ │ │комплекса ПА: не │(каждое). │необходимости ее
│ │ │прошел пусковой │Учитывается │вынесения) -
│ │ │сигнал из-за │энергосистемой N 2. │"неправильно"
│ │ │неисправности │3. Прм ВЧТО Л-2 на │
│ │ │приемника устройства │ПС N 3 - │
│ │ │передачи аварийных │"неправильно" │
│ │ │сигналов и команд │(отказ), учитывается│
│ │ │(ПАСК) типа ВЧТО │энергосистемой N 3. │
│ │ │линии Л-2 на ПС N 3 │4. АЛАР параллельной│
│ │ │ │связи - "правильно",│
│ │ │ │учитывается │
│ │ │ │энергосистемой N 3 │
2 │
Рисунок │То же, что │Автоматика АРОЛ Л-3 │
Пункты 1 и
2 те же, │1. Оценка работы
│ │в
примере N 1 │(в составе комплекса │что в примере N 1. │автоматики АРОЛ
│ │ │ПА), исходя из │3. Прм ВЧТО Л-2 на │Л-3 в составе комплекса
│ │ │предшествующего │ПС N 3, прд ВЧТО Л-1│ПА - "правильно".
│ │ │режима и принятой │на ПС N 3, прм ВЧТО │2. Общая оценка
│ │ │дозировки, произвела │Л-1 на ГЭС-1 - │ликвидации нарушения
│ │ │отключение │"правильно" │нормального режима
│ │ │генерирующей мощности│(каждый). │работы - "правильно"
│ │ │(ОГ) на ГЭС-1. │4. Устройства АДВ │
│ │ │Передача по │и АЗД на ГЭС-1 - │
│ │ │параллельной │"правильно" │
│ │ │связи сохранилась │(каждое). │
│ │ │ │5. Исполнительное │
│ │ │ │устройство │
│ │ │ │отключения │
│ │ │ │генераторов ГЭС-1 │
│ │ │ │(ИУ ОГ) - │
│ │ │ │"правильно". │
│ │ │ │Действия по
пп. 3, │
│ │ │ │
4,
5 учитываются │
│ │ │ │энергосистемой N 3 │
3 │
Рисунок │Та же, что │Действие АРОЛ Л-3 │
Пункты 1 и
2 те же, │1. Оценка работы
│ │в
примере N 1 │то же, что и в │что в примере N 1. │автоматики АРОЛ Л-3 в
│ │ │по параллельной связи│в примере N 2. │"неправильно" (отказ).
│ │ │возник АР, │4. Устройство АДВ │(Недоразгрузка условно
│ │ │ликвидированный │на ГЭС-1 - │оценивается как "отказ",
│ │ │устройством АЛАР. │"неправильно" │избыточная разгрузка -
│ │ │Последующей проверкой│(отказ). │"излишне").
│ │ │установлено, что │5. Устройство АЗД на│2. Общая оценка
│ │ │объем разгрузки (ОГ) │ГЭС-1 - "правильно".│ликвидации нарушения
│ │ │ГЭС-1 оказался │6. ИУ ОГ ГЭС-1 - │нормального режима
│ │ │заниженным из-за │"правильно". │работы - "неправильно".
│ │ │неисправности (сбоя) │7. АЛАР параллельной│Если бы, несмотря на
│ │ │АДВ (неправильная │связи - "правильно" │заниженный объем
│ │ │дозировка) │ │разгрузки, устойчивость
│ │ │ │ │по параллельной связи
│ │ │ │ │сохранилась, общая
│ │ │ │ │оценка была бы
│ │ │ │ │"правильно с
│ │ │ │ │замечанием".
│ │ │ │ │3. Заниженная дозировка
│ │ │ │ │разгрузки (ОГ) ГЭС-1
│ │ │ │ │могла иметь место по
│ │ │ │ │разным причинам,
│ │ │ │ │например:
│ │ │ │ │ ошибка в схеме
│ │ │ │ │релейного устройства
│ │ │ │ │АДВ;
│ │ │ │ │ сбой ЭВМ, на базе
│ │ │ │ │которой выполнено
│ │ │ │ │программируемое
│ │ │ │ │устройство АДВ;
│ │ │ │ │ неисправность
│ │ │ │ │устройства телемеханики
│ │ │ │ │(УТМ);
│ │ │ │ │ неправильно
│ │ │ │ │рассчитанная и заданная
│ │ │ │ │дозировка разгрузки.
│ │ │ │ │ Соответственно той или
│ │ │ │ │иной причине
│ │ │ │ │устанавливается
│ │ │ │ │классификационная группа
│ │ │ │ │по условной виновности
4 │
Рисунок │Устройство │Исходя из │1. Устройство ФОЛ │Оценка работы автоматики
│ │ФОЛ Л-3 на ПС │предшествующего │Л-3 на ПС N 2 - │в составе комплекса ПА
│ │N 2 ложно │режима, действие ПА │"неправильно" │и общая оценка
│ │сформировало │не требовалось, │(ложно). │не производятся
│ │команду об │устройства АДВ в АЗД │2. Устройства │
│ │отключении линии │управляющих │передачи аварийных │
│ │ │воздействий не │сигналов и команд │
│ │ │сформировали. │(передатчики и │
│ │ │Последующая проверка │приемники) на линиях│
│ │ │выявила неисправность│Л-2, Л-1 - │
│ │ │ФОЛ │"правильно" (каждое │
│ │ │ │из четырех │
│ │ │ │устройств). Учет │
│ │ │ │энергосистемами по │
│ │ │ │принадлежности │
5 │
Рисунок │То же, что │Исходя из │1. Устройство ФОЛ │1. Оценка работы
│ │в
примере N 4 │предшествующего │Л-3 на ПС N 2 - │автоматики АРОЛ
│ │ │режима устройства АДВ│"неправильно" │в составе комплекса ПА -
│ │ │и АЗД сформировали │(ложно). │"неправильно" (ложно).
│ │ │управляющее │2. Устройства │2. Общая оценка не
│ │ │воздействие (по факту│передачи аварийных │производится
│ │ │срабатывания АРОЛ-3) │сигналов и команд │
│ │ │на отключение │(передатчики и │
│ │ │нагрузки (ОН) │приемники) на линиях│
│ │ │на ПС N 4 │Л-2, Л-1, Л-4 - │
│ │ │ │"правильно" (каждое │
│ │ │ │из шести устройств).│
│ │ │ │3. Устройства АДВ и │
│ │ │ │АЗД на ГЭС-1 - │
│ │ │ │"правильно" │
│ │ │ │(каждое). │
│ │ │ │4. Исполнительное │
│ │ │ │устройство │
│ │ │ │отключения нагрузки │
│ │ │ │(ИУ ОН) на ПС N 4 - │
│ │ │ │"допущенное │
│ │ │ │неправильное │
│ │ │ │срабатывание │
6 │
Рисунок │То же, что │Автоматика АРОЛ Л-3, │
Пункты 1 и
2 те же, │1. Оценка работы
│ │в
примере N 1 │исходя из │что в примере N 1. │автоматики АРОЛ Л-3
│ │ │предшествующего │
Пункты 3,
4 и
5 │в составе комплекса ПА -
│ │ │режима и принятой │те же, что в примере│"неправильно" (излишне).
│ │ │дозировки, произвела │N 2. │2. Общая оценка -
│ │ │ОГ на ГЭС-1 и ГРЭС-2.│6. Прд ВЧТО Л-5 на │"неправильно".
│ │ │Передача по │ГЭС-1, прм ВЧТО Л-5 │Несмотря на то, что
│ │ │параллельной связи │на ГРЭС-2 - │действием ПА
│ │ │сохранилась. Однако │"правильно" │предотвращено нарушение
│ │ │на ГРЭС-2 вместо │(каждый). │устойчивости и сохранена
│ │ │предусмотренного для │7. Исполнительное │передача по параллельной
│ │ │данного режима │устройство ОГ на │связи, оценка дается
│ │ │отключения одного │ГРЭС-2 - │"неправильно", что
│ │ │блока отключились два│"неправильно" │обусловлено ущербом,
│ │ │блока. │(излишне) │связанным с избыточной
│ │ │Последующей проверкой│ │дозой ОГ или ОН
│ │ │выявлена │ │
│ │ │неисправность │ │
│ │ │исполнительного │ │
│ │ │устройства │ │
│ │ │ИУ ОГ ГРЭС-2 │ │
7 │
Рисунок │То же, что │Автоматика АРОЛ Л-3, │
Пункты 1 и
2 те же, │1. Оценка работы
│ │в
примере N 1 │исходя из │что в примере N 1. │автоматики АРОЛ Л-3 в
│ │ │предшествующего │
Пункты 3 и
4 те же, │составе комплекса ПА -
│ │ │режима и принятой │что в примере N 2. │"неправильно" (отказ).
│ │ │дозировки, должна │5. Прд ВЧТО Л-4 на │2. Общая оценка -
│ │ │была осуществить │ГЭС-1, прм ВЧТО Л-4 │"правильно с
│ │ │ОН на ПС N 4 │на ПС N 4, прд ВЧТО │замечанием". Несмотря
│ │ │и ПС N 5. Фактически │Л-6 на ПС N 4 - │на отключение нагрузки
│ │ │реализовано ОН только│"правильно" │меньшей дозой,
│ │ │на ПС N 4. │(каждый). │устойчивость не
│ │ │Передача по │6. Исполнительное │нарушилась, параллельная
│ │ │параллельной связи │устройство ИУ ОН на │связь осталась в работе.
│ │ │сохранилась. │ПС N 4 - │Это может быть
│ │ │Последующей проверкой│"правильно". │обусловлено пределом
│ │ │выявлена │7. Прм ВЧТО Л-6 на │точности или ошибкой
│ │ │неисправность │ПС N 5 - │в выборе дозировки или
│ │ │приемника ВЧТО │"неправильно" │большим по сравнению
│ │ │линии Л-6 на ПС N 5 │(отказ). Учитывается│с расчетным фактическим
│ │ │ │энергосистемой N 4 │объемом реализовавшегося
│ │ │ │ │ОН на ПС N 4.
│ │ │ │ │Оценка "правильно с
│ │ │ │ │замечанием" отражает то,
│ │ │ │ │что предотвращение
│ │ │ │ │нарушения устойчивости
│ │ │ │ │достигнуто без
│ │ │ │ │превышения объема
│ │ │ │ │управляющих воздействий,
│ │ │ │ │но с замечанием по
│ │ │ │ │работе отдельных
│ │ │ │ │устройств ПА, в данном
│ │ │ │ │случае - отказ прм ВЧТО
│ │ │ │ │Л-6 на ПС N 5.
│ │ │ │ │Принятая дозировка ОН
│ │ │ │ │должна быть
│ │ │ │ │дополнительно проверена
│ │ │ │ │в связи с данным случаем
8 │
Рисунок, но │При возникновении│На ПС N 3 сработала │1. Автоматика АРПМ │1. Оценка работы
│с оперативным │дефицита мощности│автоматика разгрузки │на ПС N 3 - │автоматики АРПМ -
│изменением: │в ОЭС-1 произошел│при перегрузке по │"правильно". │"правильно".
│параллельная │наброс мощности │мощности (АРПМ) с │2. Прд ВЧТО Л-1 на │2. Общая оценка -
│связь, │на транзит, в том│действием на ОГ │ПС N 3, прм ВЧТО Л-1│"правильно".
│показанная │числе на линию │ГЭС-1, благодаря чему│на ГЭС-1 - │Автоматика АРПМ является
│пунктиром, │Л-2 │нарушения │"правильно" │нелокальной,
│отключена │ │устойчивости │(каждый). │срабатывание
│в ремонт │ │не было, транзит │3. Исполнительное │пускодозирущего органа
│ │ │остался в работе │устройство ИУ ОГ на │АРПМ на ПС N 3 вызывает
│ │ │ │ГЭС-1 - "правильно" │передачу команды на
│ │ │ │ │ГЭС-1 на ОГ одной
│ │ │ │ │заранее предусмотренной
│ │ │ │ │дозой
│ │ │ │ │ Примечание.
│ │ │ │ │Пускодозирующий орган
│ │ │ │ │автоматики АРПМ на ПС
│ │ │ │ │N 3 допускается называть
│ │ │ │ │"автоматика АРП".
│ │ │ │ │
9 │ - │При отключении │Автоматикой │1. Все сработавшие │1. Оценка работы
│ │линии │реализовано │устройства ПА - │автоматики в составе
│ │сформирована │управляющее │"правильно". │комплекса ПА -
│ │пусковая команда,│воздействие, исходя │2. Отказавший │"правильно".
│ │передача которой │из предшествующего │приемник ВЧТО - │2. Общая оценка -
│ │осуществляется по│режима и принятой │"отказ" │"правильно с замечанием"
│ │двум ВЧ трактам │дозировки. Однако, │ │
│ │ │как выяснилось, │ │
│ │ │пусковая команда │ │
│ │ │прошла по одному ВЧ │ │
│ │ │тракту и не прошла по│ │
│ │ │другому из-за отказа │ │
│ │ │приемника ВЧТО │ │
10 │ - │При отключении │Автоматика АОПН по │1. АОПН - │1. Оценка работы
│ │линии сработала │ВЧ каналу произвела │"правильно". │(нестатистическая)
│ │автоматика │отключение линии │2. Прд ВЧТО - │автоматики в целом -
│ │ограничения │с противоположного │"правильно". │не производится.
│ │повышения │конца │3. Прм ВЧТО - │2. Общая оценка -
│ │напряжения (АОПН)│ │"правильно" │"правильно".
│ │на отключенном │ │ │3. Правильное
│ │конце линии │ │ │функционирование
│ │ │ │ │выходных цепей
│ │ │ │ │(отключение линии
│ │ │ │ │с противоположного
│ │ │ │ │конца) - не учитывается
│ │ │ │ │(см.
п. 5 Приложения 1)
11 │ - │То же, что в │От автоматики │1. АОПН - │1. Общая оценка -
│ │
примере N 10 │АОПН отключения │"правильно". │"неправильно".
│ │ │с противоположного │2. Прд ВЧТО - │2. Неисправность в цепях
│ │ │конца линии не │"правильно". │управления выключателем
│ │ │произошло из-за │3. Прм ВЧТО - │отнесена на выходные
│ │ │неисправности в цепях│"правильно". │цепи (см.
п. 5
│ │ │управления │4. Выходные цепи - │Приложения 1)
│ │ │выключателем │"неправильно" │
│ │ │ │(отказ) │
───────┴───────────────┴─────────────────┴─────────────────────┴────────────────────┴────────────────────────
ПОЯСНЕНИЯ ПО ЗАПОЛНЕНИЮ ФОРМ СТАТИСТИЧЕСКОЙ ОТЧЕТНОСТИ
О РАБОТЕ УСТРОЙСТВ РЕЛЕЙНОЙ ЗАЩИТЫ, ЭЛЕКТРОАВТОМАТИКИ
И ПРОТИВОАВАРИЙНОЙ АВТОМАТИКИ N 17-ЭНЕРГО И 18-ЭНЕРГО
Форма N 17-энерго
1. В
разд. I "Общие итоги работы устройств релейной защиты, электроавтоматики, противоаварийной автоматики" учитывается работа устройств релейной защиты и электроавтоматики присоединений 6 кВ и выше и всех устройств противоаварийной автоматики.
Сумма чисел
гр. 4 - 6 должна быть равна числу в гр. 3.
2. В
разд. II "Классификация причин неправильной работы устройств релейной защиты, электроавтоматики, противоаварийной автоматики" в каждой из гр. 1 - 3 сумма чисел строк с
шифром 02 -
04 должна быть равна числу в строке с
шифром 01; сумма чисел строк с
шифром 01,
05,
06 -
12 должна быть соответственно равна числам разд. I в гр. 3 в строках с
шифром 01 -
03.
Числа в строке с
шифром 13 подлежат особому учету, к сумме чисел строк с
шифром 01,
05 -
12 не приплюсовываются.
3. В
разд. III "Выборочные статистические данные по работе отдельных типов устройств релейной защиты, электроавтоматики и противоаварийной автоматики" включаются сведения об устройствах релейной защиты, электроавтоматики и противоаварийной автоматики, перечень которых устанавливается Минэнерго СССР на отчетный год.
Форма N 18-энерго
1. В
разд. I "Автоматы повторного включения (АПВ)" и
разд. II "Автоматы включения резерва (АВР)" должны даваться сведения по всем типам устройств АПВ и АВР присоединений напряжением 6 кВ и выше, в том числе АПВ и АВР механического исполнения (грузовые, пружинно-грузовые, пружинные). Групповые АПВ и АВР учитываются по числу автоматов повторного включения и автоматов включения резерва независимо от того, сколько присоединений включается каждым из автоматов.
Работа трехфазного двукратного АПВ имеет следующие особенности учета. Неуспешная работа АПВ после второго цикла учитывается в строке с
шифром 07 (I случай). Успешная работа в первом или втором цикле - соответственно в строке с
шифром 05 и
06 (и то и другое - I случай, т.е. неуспешное АПВ в первом цикле статистически не учитывается). Если имел место отказ включения во втором цикле (после неуспешного АПВ в первом цикле) или отказ включения в первом цикле, то учитывается отказ работы АПВ в строке с
шифром 11 (I случай).
2. В
разд. III "Частотные автоматы (АЧР и другие)" следует учитывать только устройства, предназначенные для автоматического ограничения снижения частоты (АОСЧ). Учет ведется по количеству частотных автоматов (реле частоты) независимо от того, сколько присоединений отключается или включается каждым из автоматов. Устройства АЧР - ЧАПВ учитываются как два устройства независимо от схемного выполнения и использования отдельных или общего реле частоты.
Количество устройств АПВ, АВР и частотных автоматов всех типов на конец года должно быть равно числу в гр. 1 строки с
шифром 02 разд. I формы N 17-энерго.
Сумма случаев правильной работы АПВ, АВР и частотных автоматов всех типов должна быть равна числу в гр. 2 строки с
шифром 02 разд. I формы N 17-энерго.
Сумма случаев отказов и неправильной работы АПВ, АВР и частотных автоматов всех типов должна быть равна числу в гр. 3 строки с
шифром 02 разд. I формы N 17-энерго (без случаев "допущенных неправильных срабатываний и несрабатываний", подлежащих особому учету в гр. 2 строки с
шифром 13 разд. II формы N 17-энерго).
3. Для противоаварийной автоматики
(разд. IV) учет ведется аналогично, при этом сумма случаев работы ПА "неправильно" (гр. 3, строки с
шифром 01 -
07) должна быть равна числу в гр. 3 строки с
шифром 03 разд. I формы N 17-энерго (без случаев "допущенных неправильных срабатываний и несрабатываний", подлежащих особому учету в гр. 3 строки с
шифром 13 разд. II формы N 17-энерго); сумма случаев работы ПА "не выяснено" (гр. 4,
строки N 01 -
07) должна быть равна числу в гр. 7 строки с
шифром 03 разд. I формы N 17-энерго.
──────────┼─────────┼──────┼────────
1 │ 2 │ 3 │ 4
──────────┼─────────┼──────┼────────
формы │органи- │терри-│мини-
документа│зации - │тории │стерства
по ОКУД │соста- │по │(ведо-
│вителя │СОАТО │мства)
│документа│ │по СООГУ
│по ОКПО │ │
──────────┴─────────┴──────┴────────
коды
────────────────────────────────────
Кому представляется _____________________ Форма N 17-энерго
(наименование Утверждена Приказом Госкомстата СССР
и адрес получателя) от 10.12.87 г. N 419а
Предприятие (организация) _______________ Представляется 5 февраля
Министерство (управление) _______________ энергоуправлением в составе
Адрес предприятия (организации) _________ годового отчета:
а) Министерству энергетики
и электрификации союзной
республики (энергоуправления
РСФСР - своему главному
управлению)
б) Главному планово-экономическому
управлению Министерства
энергетики и электрификации СССР
(Москва, Китайский пр., д. 7)
ОТЧЕТ О РАБОТЕ УСТРОЙСТВ РЕЛЕЙНОЙ ЗАЩИТЫ,
ЭЛЕКТРОАВТОМАТИКИ, ПРОТИВОАВАРИЙНОЙ АВТОМАТИКИ
ЗА 19__ г.
I. Общие итоги работы устройств релейной защиты, электроавтоматики,
противоаварийной автоматики
─────────────────┬───────┬────────┬───────┬──────────────────────────┬─────────
Вид устройств │ Номер │Коли- │Случаи │ Случаи работы │ Случаи
│строки │чество │работы │ "неправильно" │ работы
│ │устрой- │"пра- ├────┬─────────────────────┤ "не
│ │ств на │вильно"│Все-│ В том числе │выяснено"
│ │конец │ │го ├───────┬──────┬──────┤
│ │года │ │ │"ложно"│"изли-│"отка-│
│ │ │ │ │ │шне" │зы" │
─────────────────┼───────┼────────┼───────┼────┼───────┼──────┼──────┼─────────
А │ Б │ 1 │ 2 │ 3 │ 4 │ 5 │ 6 │ 7
│ ├────────┼───────┼────┼───────┼──────┼──────┼─────────
Релейная защита │ 01 │ │ │ │ │ │ │
│ ├────────┼───────┼────┼───────┼──────┼──────┼─────────
Электроавтоматика│ 02 │ │ │ │ │ │ │
│ ├────────┼───────┼────┼───────┼──────┼──────┼─────────
Противоаварийная │ 03 │ │ │ │ │ │ │
автоматика │ │ │ │ │ │ │ │
─────────────────┴───────┴────────┴───────┴────┴───────┴──────┴──────┴─────────
II. Классификация причин неправильной работы устройств релейной защиты, электроавтоматики, противоаварийной автоматики
─────────────────────────┬──────┬───────┬────────┬────────┬──────────────────┬──────┬───────┬────────┬────────
│Номер │Устрой-│Устрой- │Устрой- │ │Номер │Устрой-│Устрой- │Устрой-
│строки│ства │ства │ства │ │строки│ства │ства │ства
│ │релей- │электро-│противо-│ │ │релей- │электро-│противо-
│ │ной │авто- │аварий- │ │ │ной │авто- │аварий-
│ │защиты │матики │ной ав- │ │ │защиты │матики │ной ав-
│ │ │ │томатики│ │ │ │ │томатики
─────────────────────────┼──────┼───────┼────────┼────────┼──────────────────┼──────┼───────┼────────┼────────
А │ Б │ 1 │ 2 │ 3 │ А │ Б │ 1 │ 2 │ 3
│ ├───────┼────────┼────────┤ │ ├───────┼────────┼────────
По причинам, зависящим │ 01 │ │ │ │По вине заводов- │ 07 │ │ │
от службы РЗА │ │ │ │ │поставщиков │ │ │ │
│ ├───────┼────────┼────────┤ │ ├───────┼────────┼────────
В том числе: │ │ │ │ │По вине проектной │ 08 │ │ │
а) непосредственная вина │ 02 │ │ │ │организации │ │ │ │
персонала │ │ │ │ │ │ ├───────┼────────┼────────
│ ├───────┼────────┼────────┤По вине монтажной │ 09 │ │ │
б) неудовлетворительное │ 03 │ │ │ │или наладочной │ │ │ │
состояние устройства │ │ │ │ │организации │ │ │ │
│ ├───────┼────────┼────────┤ │ ├───────┼────────┼────────
в) неудовлетворительность│ 04 │ │ │ │По причинам, │ 10 │ │ │
проекта │ │ │ │ │зависящим от │ │ │ │
│ ├───────┼────────┼────────┤организации- │ │ │ │
По вине оперативного │ 05 │ │ │ │разработчика │ │ │ │
персонала │ │ │ │ │ │ ├───────┼────────┼────────
│ ├───────┼────────┼────────┤По прочим причинам│ 11 │ │ │
По вине прочего │ 06 │ │ │ │ │ ├───────┼────────┼────────
эксплуатационного │ │ │ │ │По невыясненной │ 12 │ │ │
персонала │ │ │ │ │причине │ │ │ │
│ ├───────┼────────┼────────┼──────────────────┤ ├───────┼────────┼────────
│ │ │ │ │Допущенные │ 13 │ │ │
│ │ │ │ │неправильные │ │ │ │
│ │ │ │ │срабатывания и │ │ │ │
│ │ │ │ │несрабатывания │ │ │ │
─────────────────────────┴──────┴───────┴────────┴────────┴──────────────────┴──────┴───────┴────────┴────────
III. Выборочные статистические данные по работе отдельных типов устройств релейной защиты, электроавтоматики и противоаварийной автоматики
─────────────────────────────────────┬──────┬──────────────────────────────
│Номер │ Типы устройств
│строки├──────┬───────┬───────┬───────
─────────────────────────────────────┼──────┼──────┼───────┼───────┼───────
А │ Б │ │ │ │
│ │ │ │ │
Количество устройств на конец года │ 01 │ │ │ │
│ ├──────┼───────┼───────┼───────
Случаи работы "правильно" │ 02 │ │ │ │
│ ├──────┼───────┼───────┼───────
Случаи работы "ложно" │ 03 │ │ │ │
│ ├──────┼───────┼───────┼───────
Случаи работы "излишне" │ 04 │ │ │ │
│ ├──────┼───────┼───────┼───────
Случаи отказов в работе │ 05 │ │ │ │
│ ├──────┼───────┼───────┼───────
Случаи работы "не выяснено" │ 06 │ │ │ │
─────────────────────────────────────┴──────┴──────┴───────┴───────┴───────
Примечание. Перечень типов устройств, работа которых учитывается за данный год в
разд. III формы, устанавливается Министерством энергетики и электрификации СССР.
_________________________ 19__ г. Управляющий _______________________
________________________________
фамилия и N телефона исполнителя
──────────┼─────────┼──────┼────────
1 │ 2 │ 3 │ 4
──────────┼─────────┼──────┼────────
формы │органи- │терри-│мини-
документа│зации - │тории │стерства
по ОКУД │соста- │по │(ведо-
│вителя │СОАТО │мства)
│документа│ │по СООГУ
│по ОКПО │ │
──────────┴─────────┴──────┴────────
коды
────────────────────────────────────
Кому представляется _____________________ Форма N 18-энерго
(наименование Утверждена Приказом Госкомстата СССР
и адрес получателя) от 10.12.87 г. N 419а
Предприятие (организация) _______________ Представляется 5 февраля
Министерство (управление) _______________ энергоуправлением в составе
Адрес предприятия (организации) _________ годового отчета:
_________________________________________ а) Министерству энергетики
и электрификации союзной
республики (энергоуправления
РСФСР - своему главному
управлению)
б) Главному планово-экономическому
управлению Министерства
энергетики и электрификации СССР
(Москва, Китайский пр., д. 7)
ОТЧЕТ О РАБОТЕ ЭЛЕКТРОАВТОМАТИКИ
И ПРОТИВОАВАРИЙНОЙ АВТОМАТИКИ ЗА 19__ г.
I. Автоматы повторного включения (АПВ)
II. Автоматы включения резерва (АВР)
──────────┬──────┬───────┬───────┬──────┬──────┬───────┬──────┬──────┬─────
│Номер │АВР │АВР │ АВР │АВР │АВР │АВР │Прочие│Всего
│строки│транс- │на меж-│линии │транс-│на меж-│двига-│ АВР │ АВР
│ │форма- │сек- │ или │форма-│сек- │теля │ │
│ │торов │ционном│фидера│тора │ционном│собст-│ │
│ │под- │выклю- │ │собст-│выклю- │венных│ │
│ │станций│чателе │ │венных│чателе │нужд │ │
│ │ │под- │ │нужд │собст- │ │ │
│ │ │станций│ │ │венных │ │ │
│ │ │ │ │ │нужд │ │ │
──────────┼──────┼───────┼───────┼──────┼──────┼───────┼──────┼──────┼─────
А │ Б │ 1 │ 2 │ 3 │ 4 │ 5 │ 6 │ 7 │ 8
│ ├───────┼───────┼──────┼──────┼───────┼──────┼──────┼─────
Количество│ 01 │ │ │ │ │ │ │ │
АВР на │ │ │ │ │ │ │ │ │
конец года│ │ │ │ │ │ │ │ │
│ ├───────┼───────┼──────┼──────┼───────┼──────┼──────┼─────
Случаи │ 02 │ │ │ │ │ │ │ │
успешной │ │ │ │ │ │ │ │ │
работы АВР│ │ │ │ │ │ │ │ │
│ ├───────┼───────┼──────┼──────┼───────┼──────┼──────┼─────
Случаи │ 03 │ │ │ │ │ │ │ │
неуспешной│ │ │ │ │ │ │ │ │
работы АВР│ │ │ │ │ │ │ │ │
──────────┴──────┴───────┴───────┴──────┴──────┴───────┴──────┴──────┴─────
Примечание. Случаи отказов и неправильной работы АВР (04) _____________
III. Частотные автоматы (АЧР и другие)
─────────────────────┬──────┬──────────┬─────────┬────────┬────────┬───────
Показатели │Номер │Количество│Расчетная│Случаи │Случаи │Случаи
│строки│устройств │мощность │правиль-│непра- │отказов
│ │ на конец │(в % │ного │вильного│
│ │ года │к уста- │действия│действия│
│ │ │новленной│(в соот-│(не в │
│ │ │мощности)│ветствии│соответ-│
│ │ │на конец │с назна-│ствии с │
│ │ │года │чением) │назна- │
│ │ │ │ │чением) │
─────────────────────┼──────┼──────────┼─────────┼────────┼────────┼───────
А │ Б │ 1 │ 2 │ 3 │ 4 │ 5
│ │ │ │ │ │
Автоматы частотной │ 01 │ │ │ │ │
разгрузки │ │ │ │ │ │
│ ├──────────┼─────────┼────────┼────────┼───────
Частотные АПВ │ 02 │ │ │ │ │
│ ├──────────┼─────────┼────────┼────────┼───────
Устройства перевода │ 03 │ │ │ │ │
гидроагрегатов из │ │ │ │ │ │
режима синхронного │ │ │ │ │ │
компенсатора в │ │ │ │ │ │
генераторный режим и │ │ │ │ │ │
пуска резервных │ │ │ │ │ │
гидрогенераторов при │ │ │ │ │ │
снижении частоты │ │ │ │ │ │
│ ├──────────┼─────────┼────────┼────────┼───────
Делительные │ 04 │ │ │ │ │
устройства, │ │ │ │ │ │
действующие при │ │ │ │ │ │
снижении частоты │ │ │ │ │ │
│ ├──────────┼─────────┼────────┼────────┼───────
─────────────────────┴──────┴──────────┴─────────┴────────┴────────┴───────
IV. Противоаварийная автоматика (ПА)
─────────────────────┬──────┬──────────┬───────────┬─────────────┬─────────
Устройства │Номер │Количество│ Всего │Всего случаев│ Всего
и локальные │строки│ на конец │ случаев │ работы │ случаев
автоматики │ │ года │ работы │"неправильно"│ работы
│ │ │"правильно"│ ("ложно, │ "не
│ │ │ │ "излишне", │выяснено"
│ │ │ │ отказы) │
─────────────────────┼──────┼──────────┼───────────┼─────────────┼─────────
А │ Б │ 1 │ 2 │ 3 │ 4
│ │ │ │ │
Автоматическое │ 01 │ │ │ │
предотвращение │ │ │ │ │
нарушения │ │ │ │ │
устойчивости (АПНУ) │ │ │ │ │
│ ├──────────┼───────────┼─────────────┼─────────
Автоматическая │ 02 │ │ │ │
ликвидация │ │ │ │ │
асинхронного режима │ │ │ │ │
(АЛАР) │ │ │ │ │
│ ├──────────┼───────────┼─────────────┼─────────
Автоматическое │ 03 │ │ │ │
ограничение повышения│ │ │ │ │
частоты (АОПЧ) │ │ │ │ │
│ ├──────────┼───────────┼─────────────┼─────────
Автоматическое │ 04 │ │ │ │
ограничение повышения│ │ │ │ │
напряжения (АОПН) │ │ │ │ │
│ ├──────────┼───────────┼─────────────┼─────────
Автоматическое │ 05 │ │ │ │
ограничение снижения │ │ │ │ │
напряжения (АОСН) │ │ │ │ │
│ ├──────────┼───────────┼─────────────┼─────────
Автоматическая │ 06 │ │ │ │
разгрузка │ │ │ │ │
оборудования (АРО) │ │ │ │ │
│ ├──────────┼───────────┼─────────────┼─────────
─────────────────────┴──────┴──────────┴───────────┴─────────────┴─────────
_________________________ 19__ г. Управляющий _______________________