Главная // Актуальные документы // ИнструкцияСПРАВКА
Источник публикации
М., 1972
Примечание к документу
Документ включен в Указатель действующих в электроэнергетике нормативных документов на 01.03.2010, составленный на основе Реестра действующих в электроэнергетике нормативно-технических документов, приложение N 1 к
Приказу РАО "ЕЭС России" от 14.08.2003 N 422 (М.: ООО "Тексус", 2010).
Название документа
"РД 34.20.361. Инструкция по производству наблюдений над обледенением проводов и сильным ветром на гололедных постах"
(утв. Решением Минэнерго СССР от 12.07.1971 N 266)
"РД 34.20.361. Инструкция по производству наблюдений над обледенением проводов и сильным ветром на гололедных постах"
(утв. Решением Минэнерго СССР от 12.07.1971 N 266)
Решением Министерства энергетики
и электрификации СССР
от 12 июля 1971 г. N 266
ИНСТРУКЦИЯ
ПО ПРОИЗВОДСТВУ НАБЛЮДЕНИЙ НАД ОБЛЕДЕНЕНИЕМ ПРОВОДОВ
И СИЛЬНЫМ ВЕТРОМ НА ГОЛОЛЕДНЫХ ПОСТАХ
РД 34.20.361
Составлено Украинским отделением института "Сельэнергопроект"
Авторы инж. Л.Г. ГОНЧАР, канд. техн. наук М.Л. ЛАНДА, инж. И.В. МАКАГОНОВА
Редактор инж. З.Ф. ЗЯБКИНА
Наблюдения над обледенением проводов и сильным ветром производятся с целью определения гололедно-ветровых нагрузок на провода ВЛ распределительных сетей 6 - 35 кВ.
Инструкция предназначена для персонала предприятий электросетей, ведущего наблюдения на гололедных постах.
1. НАБЛЮДЕНИЕ НАД ОБЛЕДЕНЕНИЕМ ПРОВОДОВ
1. Обледенение проводов происходит в холодное время года в результате оседания на них переохлажденной воды, находящейся в воздухе в виде тумана, мороси, дождя, или налипания на провода мокрого снега.
2. Гололедный сезон обычно начинается в октябре и заканчивается в апреле. Начиная с 1 октября необходимо регулярно наблюдать над обледенением проводов и сильным ветром и закончить наблюдения только 30 апреля следующего года.
3. Наблюдения над обледенением проводов производятся гололедными постами
(приложение 1), оборудованными гололедным станком и двумя экспериментальными пролетами (рис. 1).
Рис. 1. Гололедный станок для производства наблюдений
над обледенением проводов (а) и экспериментальный
пролет (б): 1 - брусья диаметром 90 мм; 2 - провода;
3 - длинные скобы для нижних проводов; 4 - короткие
скобы для верхних проводов; 5 - соединительный зажим;
6 - стальной трос; 7 - ручная лебедка
В указанной последовательности определяются: вид обледенения; размер (большой и малый диаметры) отложения; вес отложения; продолжительность обледенения; метеорологические условия.
Виды обледенения
4. Различают следующие виды гололедно-изморозевых отложений:
Простые отложения - гололед, изморозь (зернистая и кристаллическая), мокрый снег, замерзшее отложение мокрого снега.
Сложное отложение - наслоение простых отложений (чаще всего гололеда с изморозью).
Гололед - слой матового или прозрачного льда, который образуется обычно при быстрой смене холодной погоды более теплой или оттепелью. Лед обволакивает провод, при этом на наветренной стороне провода отложение образуется толще, чем на подветренной.
Зернистая изморозь - это снеговидный рыхлый лед матово-белого цвета, который образуется в туманную и ветреную погоду при температуре воздуха от -3 до -8 °C, а иногда и при более низкой температуре.
Кристаллическая изморозь - белый осадок, состоящий из кристаллов льда нежной тонкой структуры чаще всего листовидной формы. Она возникает преимущественно при безоблачном небе, при температуре ниже -11 °C, затишье или слабом ветре.
Мокрый снег образуется при температуре от 0 до -1 °C и, как правило, обволакивает весь провод.
Замерзшее отложение мокрого снега - это слой льда, образовавшийся на проводе в результате замерзания налипшего снега при понижении температуры ниже 0 °C.
Условные обозначения видов обледенения:
- гололед;
- зернистая изморозь;
- кристаллическая изморозь;
- мокрый снег;
- замерзшее отложение мокрого снега.
Сложное отложение изображается условными обозначениями отложений, из которых оно состоит.
5. При метеорологических условиях, при которых возможно возникновение обледенения, необходимо производить периодические осмотры проводов до появления отложения.
6. Образование обледенения проводов возможно при тумане и отрицательной температуре, мороси, дожде или снегопаде, дожде со снегом при температуре воздуха около 0°.
7. При обледенении необходимо вести наблюдения над ветром, температурой и атмосферными явлениями.
Наблюдения над обледенением проводов производятся четыре раза в сутки (в 2, 8, 14 и 20 ч).
При наблюдении производится:
- осмотр проводов;
- определение вида отложения;
- измерение диаметров (большого и малого) отложения;
- определение веса отложения;
- определение метеорологических условий (температуры воздуха, направления и скорости ветра, атмосферных явлений).
Результаты наблюдений заносятся в гололедный листок, пример заполнения которого приведен в
приложении 2.
8. Осмотр проводов производится до полного исчезновения отложения.
При каждом осмотре необходимо очищать небольшой участок провода от отложения (около стойки).
Если при очередном осмотре на очищенном участке снова будет обнаружено отложение, - это свидетельствует о продолжении процесса гололедообразования. Отсутствие отложения свидетельствует о прекращении процесса гололедообразования.
9. Вид отложения определяется по атласу обледенения проводов
(приложение 3).
10. Измерение размеров (диаметров) отложения производится штангенциркулем или шаблоном на постоянных проводах гололедных станков и на проводах экспериментальных пролетов.
Для измерения диаметров отложения на проводах экспериментальных пролетов провод отпускают при помощи блоков, при этом необходимо избегать резких толчков, могущих изменить размеры и нарушить структуру отложения.
Диаметры отложения на съемных проводах гололедных станков измеряются только до снятия проводов для определения веса отложения.
Измерения диаметров отложения производятся в двух взаимно перпендикулярных направлениях.
Большой диаметр отложения a (рис. 2) измеряется в месте наибольшего отложения (включая провод). Малый диаметр отложения c измеряется в перпендикулярной к большому диаметру плоскости независимо от расположения провода.
Рис. 2. Виды поперечных сечений отложений на проводах:
1 - провод; 2 - отложение; a - большой диаметр;
c - малый диаметр
11. Вес отложения определяется со съемного провода гололедного станка и с провода экспериментального пролета.
Отложение для определения веса снимается с провода только после прекращения нарастания отложения и только с тех проводов, диаметры отложения на которых большие. При равенстве большого и малого диаметров проба берется с тех проводов пролета и станка, которые расположены в одном направлении.
Для определения веса отложения с провода экспериментального пролета необходимо:
а) отпустить провод с большими диаметрами отложения;
б) взять пробу с отрезка провода длиной 50 см, расположенного на расстоянии 15 м от опоры. Для этого необходимо опилить отложение на отрезке длиной 50 см с двух сторон, привязать в опиленных местах специальный мешок из прорезиненной ткани с клапанами
(рис. 3) и сбить в него отложение;
в) взвесить собранное отложение с отрезка провода длиной 50 см, а затем определить вес отложения с 1 пог. м провода (вес отложения с отрезка провода длиной 50 см умножить на 2) и записать в гололедный листок (см.
приложение 2).
Рис. 3. Общий вид обледеневшего провода
со специальным мешком при снятии отложения (а)
и размеры мешка (б): 1 - завязки
При определении веса отложения со съемного провода гололедного станка до взятия пробы необходимо уточнить диаметр отложения.
Если диаметр отложения достиг размеров, указанных ниже, необходимо измерить большой и малый диаметры отложения на съемных проводах и определить вес отложения на том съемном проводе, диаметры отложения на котором больше.
Вид отложения Диаметр отложения, мм
Кристаллическая изморозь ........................ 20
Зернистая изморозь и снеговидное отложение
мокрого снега ................................... 15
Гололед и стекловидное отложение
мокрого снега ................................... 10
Если диаметр отложения меньше указанных, то определение веса не производится.
Для определения веса отложения со съемного провода гололедного станка необходимо:
а) сбить отложение с провода, для чего под середину провода подвести ванну
(рис. 4) с раскрытой крышкой и надеть ванну на провод так, чтобы он вошел в соответствующие диаметру провода вырезы в боковых стенках ванны. Затем закрыть и застегнуть крышку. Свободные концы провода очистить от отложения так, чтобы ванна не сдвинулась. Взамен снятого провода подвесить запасной (без отложения);
б) перенести ванну с проводом в теплое помещение (в горизонтальном положении). После того, как отложение растает, ванну необходимо открыть и все капли воды с провода стряхнуть в ванну. Слить всю образовавшуюся воду в стакан (следить, чтобы не осталось капель на стенках). Определить уровень воды в стакане (с точностью до одного деления);
в) определить вес отложения с отрезка провода длиной 25 см, который равен объему воды в мерном стакане, а затем вес отложения с 1 пог. м провода (умножить вес отложения с отрезка провода длиной 25 см на 4) и записать его в гололедный листок (см.
приложение 2).
Рис. 4. Ванна для снятия пробы отложения
с провода гололедного станка
Если вследствие каких-либо причин часть отложения перед определением его веса спала и на проводе не осталось неповрежденного участка длиной 25 см, то необходимо определить вес отложения с наиболее длинного участка, на котором сохранилось отложение. Длину участка указать в гололедном листке рядом с весом отложения.
12. Измерение температуры воздуха производится ртутным термометром или термометром-пращом.
Измерения температуры воздуха производятся в те же часы, что и наблюдения над обледенением проводов (в 2, 8, 14 и 20 ч).
Измерение температуры воздуха с помощью термометра-праща производится следующим образом. К термометру-пращу прикрепляется крепкий тонкий шнурок длиной 80 см. Удерживая крепко свободный конец шнура в поднятой вверх руке, вращают термометр над головой. Через минуту прекращают вращение термометра и быстро производят отсчет температуры, затем снова производят вращение и отсчет до тех пор, пока показания термометра не будут отличаться более чем на 0,2 - 0,3 °C. Во время отсчета нельзя касаться пальцами резервуара термометра.
Измерение температуры воздуха целесообразно производить в тени. При измерении температуры воздуха на солнце необходимо стать спиной к солнцу и держать термометр впереди (создать тень корпусом).
Температуру необходимо измерять с точностью до 0,5 °C. Результаты измерений записываются в гололедный листок (см.
приложение 2).
В случае, если температуру воздуха на посту измерить невозможно, данные о температуре воздуха записываются в гололедный листок по сведениям, получаемым с ближайшей метеорологической станции.
13. Наблюдения над ветром (определение направления и скорости) производятся по флюгеру с тяжелой доской (размер 15 x 30 см, вес 800 г), при этом одновременно измеряется температура воздуха. Направление ветра определяется по 8 румбам горизонта.
Флюгер (рис. 5) состоит из флюгарки с лопастями 7 и противовесом 5. Флюгарка свободно вращается при изменениях направления ветра и устанавливается по ветру так, что положение противовеса 5 показывает направление, откуда дует ветер. Ориентировка направления ветра по сторонам горизонта производится по указателю направления ветра со штифтами 8. Штифт, обращенный на север, обозначен буквой C.
Рис. 5. Флюгер: 1 - дуга со штифтами; 2 - горизонтальная
ось флюгера; 3 - штифты дуги; 4 - доска; 5 - противовес
флюгарки; 6 - ось флюгера; 7 - лопасти флюгарки;
8 - штифты указателя направления ветра
Скорость ветра определяется по указателю скорости ветра, состоящему из доски 4, дуги 1, снабженной восемью штифтами. Доска может свободно двигаться вокруг горизонтальной оси 2.
Флюгер устанавливается на столбе высотой 10 - 12 м в открытом месте, недалеко от гололедного станка, но не ближе 4 - 5 м от него.
В темное время суток флюгер необходимо освещать электрической лампочкой или прожектором.
Не реже чем один раз в три месяца необходимо проверять ориентировку флюгера по полуденной линии (линии, совпадающей с тенью от флюгера в истинный полдень), которая должна быть проложена от столба или по компасу с учетом магнитного склонения.
Проверку ориентировки флюгера целесообразно производить в любой час дня и в любую погоду. Для этого следует стать по направлению полуденной линии и посмотреть, совпадает ли с ней штифт C, который должен казаться совмещенным с вертикальным стержнем флюгера. Если ошибка в ориентировке больше 5°, то необходимо исправить ориентировку флюгера. Исправление производится двумя работниками: один поднимается на столб, другой, стоя внизу, указывает, в какую сторону надо повернуть металлические штифты. Чтобы повернуть штифты, необходимо предварительно ослабить их, отвинтив прут с буквой C.
Одновременно с проверкой правильности ориентировки флюгера при неуравновешенности прибора (когда плоскость доски при штиле не совпадает с нулевым штифтом дуги) необходимо проверять вертикальность оси флюгера.
В зимнее время при гололеде или обильной изморози флюгер может неправильно работать. При этом необходимо потрясти столб, если же это не поможет, надо подняться к флюгеру и очистить его от льда.
При неисправности флюгера следует вынуть подвижную часть его, тщательно промыть керосином, просушить и установить на место.
14. Для определения направления ветра (откуда дует ветер) наблюдатель должен встать под флюгер и, следя в течение 2 мин за колебаниями флюгарки, визуально определить направление ветра по штифтам.
Направление ветра определяется по 8 румбам (табл. 1).
Таблица 1
Название румба | Условное обозначение румба | Название румба | Условное обозначение румба |
Север | С | Юг | Ю |
Северо-восток | СВ | Юго-запад | ЮЗ |
Восток | В | Запад | З |
Юго-восток | ЮВ | Северо-запад | СЗ |
15. Для определения скорости ветра наблюдатель должен отойти от столба в направлении, перпендикулярном положению флюгарки, и, следя за качаниями доски в течение 2 мин, определить номер штифта дуги, около которого или между которыми колеблется доска. Нумерация штифтов принята снизу вверх с 0 до 7. Короткие штифты имеют нечетные номера, длинные - четные, последний штифт имеет номер 7. Штифт, имеющий номер 0, соответствует затишью. Результаты наблюдения заносят в гололедный листок (см.
приложение 2).
Если доска в течение 2 мин колеблется между двумя штифтами (3 и 5-м), то принимается значение скорости ветра, соответствующее штифту, расположенному между ними (4-му штифту).
В случае, если доска располагается выше последнего штифта, в гололедном листке производится запись "Выше 7".
Скорость ветра определяется по табл. 2.
Таблица 2
Положение доски флюгарки | Скорость ветра, м/с | Положение доски флюгарки | Скорость ветра, м/с |
Около 0-го штифта | 0 | Около 4-го штифта | 16 |
Между 0 и 1-м штифтами | 2 | Между 4 и 5-м штифтами | 18 |
Около 1-го штифта | 4 | Около 5-го штифта | 20 |
Между 1 и 2-м штифтами | 6 | Между 5 и 6-м штифтами | 24 |
Около 2-го штифта | 8 | Около 6-го штифта | 28 |
Между 2 и 3-м штифтами | 10 | Между 6 и 7-м штифтами | 34 |
Около 3-го штифта | 12 | Около 7-го штифта | 40 |
Между 3 и 4-м штифтами | 15 | | |
16. В случае, когда невозможно производить наблюдения над ветром по флюгеру, допускается определять направление ветра с помощью вымпела (небольшой флажок), устанавливаемого на средней трубе или брусе гололедного станка. Направление ветра определяется по направлению проводов станка.
Скорость ветра в этом случае определяется по объективным признакам шкалы Бофорта
(приложение 4) и записывается с примечанием об этом в гололедный листок (см.
приложение 2).
2. НАБЛЮДЕНИЕ НАД СИЛЬНЫМ ВЕТРОМ
17. Наблюдения над сильным (бурным) ветром необходимо производить круглый год и записывать результаты наблюдения в листок наблюдения над сильным ветром, пример заполнения которого приведен в
приложении 5.
Сильным ветром считается ветер, скорость которого в среднем за 2 мин превышает 15 м/с.
Наблюдение над сильным ветром производится, как указано в
пп. 13 -
16.
Отсчеты по флюгеру следует производить в течение всего периода сильного ветра, начиная со скорости, равной 15 м/с, и далее через каждый час; последний отсчет производится при снижении скорости ветра до 10 м/с.
18. На каждой подстанции необходимо составить план расположения гололедного поста, привязав его к окружающим строениям и местности, и направить его в адрес Украинского отделения института "Сельэнергопроект" (г. Киев, 112, ул. Дорогожицкая, 11/8). Пример составления плана приведен в
приложении 6.
ОБОРУДОВАНИЕ ГОЛОЛЕДНОГО ПОСТА
ДЛЯ НАБЛЮДЕНИЙ НАД ОБЛЕДЕНЕНИЕМ
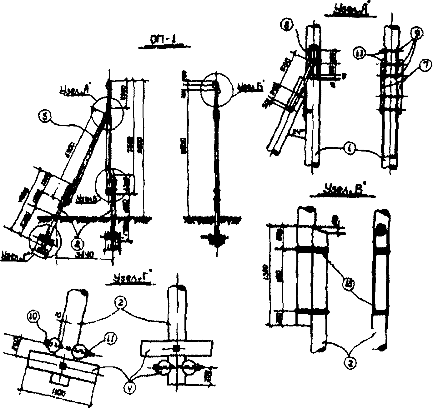
Гололедный пост для наблюдений над обледенением проводов (рис. 6 - см. вклейку) оборудуется гололедным станком и двумя экспериментальными пролетами.
Монтажная схема
Рис. 6. Рабочий чертеж гололедного поста, выполненный
Украинским отделением института "Сельэнергопроект"
Примечания:
1. Для подъема и опускания проводов применяется настенная червячная лебедка грузоподъемностью Q = 0,5 т.
Крепление лебедки к опоре осуществляется по месту.
2. Провод монтируется со стрелой провеса = 2 м независимо от погодных условий.
3. Опора ОП-1 - по типовому проекту Т-669-64.
4. Все металлические детали защищать стойким антикоррозийным покрытием.
5. Варить электродами Э42, h - 5 мм.
Анкерное крепление проводов на опоре с помощью вязки
Гололедный станок и экспериментальные пролеты должны быть расположены на открытом месте, вдали от построек и насаждений.
Для проведения наблюдения необходимы:
1) запасной провод к гололедному станку для замены снимаемого обледеневшего провода;
2) ванна гололедная (металлический цилиндр длиной 25 см, диаметром 15 или 25 см, раскрывающийся на две половинки);
3) лестница;
4) штангенциркуль или шаблон - для измерения диаметров отложения;
5) пила-ножовка или слесарная ножовка - для пропиливания прорези в плотных отложениях (гололеде) для установки ванны;
6) специальные щипцы и скребок - для очистки провода от отложений;
7) стакан мерный - для определения объема воды растаявшего отложения;
8) термометр ртутный или термометр-пращ метеорологический с футляром и шнуром;
9) флюгер с тяжелой доской.
Гололедный станок (см.
рис. 1, а) состоит из трех труб диаметром 50 мм или трех деревянных брусьев 1, на которых укрепляются две пары проводов 2. Провода располагаются под прямым углом друг к другу: одна пара в направлении с севера на юг (меридиональные), другая - с востока на запад (широтные).
Провода выполнены из стальной проволоки диаметром 5 мм, длина провода - 104 см.
Нижние провода (широтный и меридиональный) подвешиваются на длинных скобах 3. Скобы привинчиваются к трубам или брусьям таким образом, чтобы провода находились на расстоянии 10 см от скоб и на высоте 190 см от поверхности земли.
Верхние провода подвешиваются на коротких скобах 4. Скобы привинчиваются к трубам или брусьям так, чтобы провода находились на высоте 220 см от поверхности земли.
Нижние провода укрепляются стационарно и называются постоянными. На этих проводах ведут наблюдение за процессом нарастания отложения и измеряются диаметры отложений.
Верхние провода снимаются для взвешивания отложения и называются съемными.
Два экспериментальных пролета (см.
рис. 1, б), один из которых имеет направление с севера на юг, а другой - с востока на запад, располагаются вблизи гололедного станка.
На экспериментальных пролетах на высоте 7 - 8 м подвешиваются провода, применяемые в распределительных сетях 6 - 10 кВ (А-25 - А-50; АС-16 - АС-50; ПС-25 - ПС-35), длина пролета 60 м.
Гололедный листок заполняется в трех экземплярах. Первый экземпляр следует направлять в Украинское отделение института "Сельэнергопроект" (г. Киев, 112, ул. Дорогожицкая, 11/8), второй - в энергетическое управление, а третий хранить на подстанции.
Записи в гололедный листок производятся четко и только на месте наблюдений. Запрещается запоминание цифр для последующего вписывания их в листок.
В случае, если данные получить невозможно, в соответствующей графе необходимо указать причину.
Гололедный листок должен направляться в указанные организации за каждый месяц наблюдения не позднее третьего числа следующего месяца. Если в течение месяца явления обледенения не наблюдались, в указанные организации вместо гололедного листка направляется письменное сообщение об этом.
ГОЛОЛЕДНЫЙ ЛИСТОК N ______
Энергетическое управление, предприятие электросетей,
сетевой район, подстанция ____________________________
Сведения о гололедных образованиях
1 | 1 Время наблюдения (год, месяц, число, часы) | 1965, 25 ноября, 21 ч 00 мин |
2 | Вид обледенения (гололед, зернистая изморозь, кристаллическая изморозь, мокрый снег, замерзшее отложение мокрого снега, сложное отложение) | Гололед |
3 | Марка провода, длина пролета, экспериментального пролета, высота подвеса провода | Экспериментального пролета | Гололедного станка |
- | - |
4 | Эскиз поперечного сечения отложения вместе с проводом. Большой и малый диаметр отложения | Ориентация провода |
Север-юг | Восток-запад | Север-юг | Восток-запад |
| | | |
5 | Вес гололедного отложения с 1 пог. м провода, г | на станке | 304 |
на пролете | 483 |
6 | Метеорологические условия во время обледенения проводов | Направление ветра (румба) и его скорость, м/с | во время наблюдений | наибольшая за период наблюдений |
ЮВ-4 | ЮВ-6 |
Температура, °C | во время наблюдений | наименьшая за период наблюдений |
| |
Состояние погоды: дождь, морось, туман, снег, метель | Туман |
7 | Характер повреждения линий электропередачи, вызванного гололедом | Массовый обрыв и провисание проводов |
Листок составил | Мастер Иванов |
Сведения проверил | Инженер Попов |
АТЛАС ОБЛЕДЕНЕНИЯ ПРОВОДОВ
1 группа
Обледенения, возникающие в результате
сублимации водяного пара
Белый осадок нежного кристаллического строения. Обычная
величина диаметров отложения на проводе сечением
5 мм2 - 1 - 2 мм. Образуется ночью при температуре
от -10 до -25 °C, безоблачном небе, и затишье
Белый осадок из кристаллов льда нежной тонкой структуры.
Образуется на проводе с наветренной стороны при температуре
от -11 до -25 °C, слабом ветре и безоблачном небе.
Плотность 0,01 - 0,05 г/см3
2 группа
Обледенения, возникающие в результате осаждения
и замерзания переохлажденной воды
Снеговидный осадок льда рыхлого зернистого строения,
обычно матово-белого цвета. Иногда напоминает мутный
гололед. Отлагается на проводе с наветренной стороны в виде
плотных перьев, вееров, пластинок. Образуется в туманную
ветреную погоду при температуре от -3 до -8 °C.
Плотность 0,1 - 0,6 г/см3
Слой плотного (прозрачного и матового) льда стекловидного
строения. Отлагается с наветренной стороны провода
или по всей его окружности. Возникает чаще всего
при слабых морозах (от 0 до -5 °C) в результате
осаждения и замерзания переохлажденных капель дождя,
мороси или тумана. Плотность 0,7 - 0,9 г/см3
3 группа
Отложения, возникающие в результате отложения
и замерзания мокрого снега
Зернистая изморозь на гололеде
Слой налипшего снега, который образуется на верхней части
провода в тихую погоду преимущественно при температуре
от 0 до -1 °C и сползает вниз. Скорость налипания
увеличивается при интенсивном снегопаде и затишье.
При понижении температуры ниже 3 °C отложение замерзает
Сложное двухслойное отложение, образуемое гололедом
и изморозью. Возникает в результате смены погодных условий.
Плотность колеблется в больших пределах и зависит
от того, что преобладает, гололед или изморозь
4 группа
Сложное отложение льда
Сложное двухслойное отложение, образуемое зернистой
изморозью и гололедом. Наблюдается редко
Сложное отложение, состоящее из трех и более слоев.
Образование отложения обычно начинается с гололеда
и представляет собой очень опасное обледенение.
Отложение может сохраняться на проводе
несколько недель
ШКАЛА ДЛЯ ВИЗУАЛЬНОЙ ОЦЕНКИ СИЛЫ ВЕТРА
(ЭКВИВАЛЕНТНОЙ СКОРОСТИ НА ВЫСОТЕ 10 м)
Сила ветра, баллы | Словесное обозначение | Скорость ветра, м/с | Округленная скорость ветра, км/ч | Скорость ветра, узлы | Признаки для определения силы ветра |
Влияние ветра на наземные предметы | Влияние ветра на поверхность моря, озера и крупного водохранилища |
0 | Штиль | 0 - 0,2 (0) | 0 - 1 (0) | 0 - 1 (0) | Дым поднимается отвесно или почти отвесно; вымпел и листья на деревьях неподвижны | Зеркально-гладкая поверхность |
1 | Тихий ветер | 0,3 - 1,5 (1) | 1 - 5 (3) | 1 - 3 (2) | Флюгер не устанавливается по ветру; колышутся отдельные листья. | Рябь |
2 | Легкий ветер | 1,6 - 3,3 (3) | 6 - 11 (8) | 4 - 6 (5) | Дым поднимается наклонно, указывая направление ветра | Появляются небольшие гребни волн |
3 | Слабый ветер | 3,4 - 5,4 (5) | 12 - 19 (15) | 7 - 10 (8) | Ощущается как легкое дуновение. Слегка колеблются флаги и вымпелы. Листья временами шелестят | Небольшие гребни волн начинают опрокидываться, но пена не белая, а стекловидная |
4 | Умеренный ветер | 5,5 - 7,9 (7) | 20 - 28 (24) | 11 - 16 (13) | Листья и тонкие ветви деревьев постоянно колышутся. Высокая трава и посевы хлебов начинают колебаться. Ветер развевает флаги и вымпелы | Хорошо заметны небольшие волны, гребни некоторых из них опрокидываются, образуя местами белую клубящуюся пену "барашки" |
5 | Свежий ветер | 8,0 - 10,0 (9) | 29 - 38 (33) | 17 - 21 (19) | Ветер приводит в движение тонкие ветви деревьев, поднимает с земли пыль. По высокой траве и посевам пробегают волны. Вытягивается вымпел | Волны принимают хорошо выраженную форму, повсюду образуются "барашки" |
| | ИС МЕГАНОРМ: примечание. Текст дан в соответствии с официальным текстом документа. | |
|
5 | 8,0 - 10,0 (9) | 29 - 38 (33) | 29 - 38 (33) | 17 - 21 (19) | Качаются ветви и тонкие стволы деревьев. Вытягиваются больше флаги | Волны принимают хорошо выраженную форму, повсюду образуются "барашки" |
6 | Сильный ветер | 10,1 - 13,8 (12) | 39 - 49 (44) | 22 - 27 (25) | Качаются толстые сучья деревьев, шумит лес. Высокая трава и посевы временами ложатся на землю. Гудят телеграфные провода | Появляются гребни большой высоты, их пенящиеся вершины занимают большую площадь, ветер начинает срывать пену с гребней волн |
7 | Крепкий ветер | 13,9 - 17,1 (15) | 50 - 61 (55) | 28 - 33 (31) | Качаются стволы деревьев, гнутся большие ветви и сучья. Ходьба против ветра заметно затруднена. Слышится свист ветра около строений и неподвижных предметов (метеорологическая будка) | Гребни очерчивают длинные валы ветровых волн, пена, срываемая ветром с гребней волн, начинает вытягиваться полосами по склонам волн |
8 | Шторм | 17,2 - 20,7 (19) | 62 - 74 (68) | 34 - 40 (37) | Качаются большие деревья, ломаются тонкие ветви и сухие сучья. Движение против ветра заметно задерживается. Шум прибоя волн на побережьях больших озер и морей слышен на значительном расстоянии | Длинные полосы пены, срываемой ветром, покрывают склоны волн, местами, сливаясь, достигают их подошв |
9 | Сильный шторм | 20,8 - 24,4 (23) | 75 - 88 (81) | 41 - 47 (44) | Наблюдаются небольшие повреждения строений. Ломаются большие сучья деревьев. Сдвигаются с места легкие предметы | Пена широкими, плотными, сливающимися полосами покрывает склоны волн, отчего поверхность становится белой, только местами во впадинах волн видны свободные от пены участки |
10 | Буря | 24,5 - 28,4 (27) | 89 - 102 (95) | 48 - 55 (51) | Наблюдаются разрушения. Некоторые деревья могут быть сломаны | Поверхность моря покрыта слоем пены, воздух наполнен водяной пылью и брызгами. Видимость значительно уменьшена |
11 | Сильная буря | 28,5 - 32,6 (31,1) | 103 - 117 (110) | 56 - 63 (59) | Ветер производит значительные разрушения, ломает стволы деревьев | Поверхность моря покрыта плотным слоем пены. Горизонтальная видимость ничтожна |
12 | Ураган | Свыше 32 | Свыше 117 | Свыше 63 | Наблюдаются катастрофические разрушения. Деревья вырываются с корнем | То же |
Примечание: В скобках приведены значения округленной средней скорости ветра.
ЛИСТОК НАБЛЮДЕНИЙ НАД СИЛЬНЫМ ВЕТРОМ
Энергетическое управление, предприятие
электрических сетей, сетевой район, подстанция _________
Дата наблюдения | Время наблюдения, ч | Результат наблюдения | Общая продолжительность сильного ветра, ч | Максимальная скорость ветра, м/с | Примечание |
Начало | Окончание | Направление ветра | Номер штифта | Скорость ветра, м/с |
18/V 1970 г. | 18/V 1970 г. | 3 | ЮВ | 5 | 20 | 4 | 20 | Ветер порывистый |
4 | ЮВ | 4 | 16 |
5 | Ю | 4 | 16 |
6 | ЮВ | 5 | 20 |
7 | ЮВ | 4 | 16 |
Сведения составил ____________________________
Сведения проверил ____________________________
Листок наблюдений над сильным ветром заполняется в трех экземплярах.
Один экземпляр следует направлять в Украинское отделение института
"Сельэнергопроект" (г. Киев, 112, ул. Дорогожицкая, 11/8), другой - в
энергетическое управление, а третий хранить на подстанции.
Записи в листок наблюдений над сильным ветром необходимо производить
четко и только на месте наблюдений.
Запрещается запоминание цифр для последующего вписывания их в листок.
Листок заполняется за каждый месяц наблюдения и направляется в
указанные организации не позднее третьего числа следующего месяца.
ПЛАН РАСПОЛОЖЕНИЯ ГОЛОЛЕДНОГО ПОСТА
Схему составил ___________________________________
Схему проверил ___________________________________
1 - лес смешанный, высота деревьев h = 6 + 8 м;
2 - строение, H = 7 м; 3 - лесная полоса шириной 6 м,
высота деревьев h = 5 + 7 м; 4 - гололедный пост;
5 - гололедный станок; 6 - экспериментальный пролет;
7 - ряд деревьев, h = 7 + 10 м; 8 - кустарник однорядный,
h = 1 + 1,5 м; 9 - строение двухэтажное, h = 6,5 м;
10 - строение, h = 2 м; 11 - деревья, h = 5 + 8 м;
12 - строение, h = 3 м; 13 - овраг глубиной 4 м;
14 - 18 - строения (указать какие); 19 - озеро
Примечание: Размеры указывать в метрах.