Главная // Актуальные документы // ГОСТ (Государственный стандарт)СПРАВКА
Источник публикации
М.: Издательство стандартов, 1981
Примечание к документу
С 1 июля 2003 года до вступления в силу технических регламентов акты федеральных органов исполнительной власти в сфере технического регулирования носят рекомендательный характер и подлежат обязательному исполнению только в части, соответствующей целям, указанным в
пункте 1 статьи 46 Федерального закона от 27.12.2002 N 184-ФЗ.
Документ
введен в действие с 1 июля 1982 года.
Название документа
"ГОСТ 9.903-81. Государственный стандарт Союза ССР. Единая система защиты от коррозии и старения. Стали и сплавы высокопрочные. Методы ускоренных испытаний на коррозионное растрескивание"
(утв. и введен в действие Постановлением Госстандарта СССР от 02.04.1981 N 1765)
"ГОСТ 9.903-81. Государственный стандарт Союза ССР. Единая система защиты от коррозии и старения. Стали и сплавы высокопрочные. Методы ускоренных испытаний на коррозионное растрескивание"
(утв. и введен в действие Постановлением Госстандарта СССР от 02.04.1981 N 1765)
Утвержден и введен в действие
Постановлением Государственного
комитета СССР по стандартам
от 2 апреля 1981 г. N 1765
ГОСУДАРСТВЕННЫЙ СТАНДАРТ СОЮЗА ССР
ЕДИНАЯ СИСТЕМА ЗАЩИТЫ ОТ КОРРОЗИИ И СТАРЕНИЯ
СТАЛИ И СПЛАВЫ ВЫСОКОПРОЧНЫЕ
МЕТОДЫ УСКОРЕННЫХ ИСПЫТАНИЙ НА КОРРОЗИОННОЕ РАСТРЕСКИВАНИЕ
Unified system of corrosion and ageing protection.
High-strength steels and alloys. Accelerated test methods
for corrosion cracking
ГОСТ 9.903-81
Группа Т99
Срок введения
с 1 июля 1982 года
Постановлением Государственного комитета СССР по стандартам от 2 апреля 1981 г. N 1765 срок введения установлен с 01.07.1982.
Разработан Академией наук СССР.
Исполнители: В.А. Маричев, д-р хим. наук; М.В. Конради, канд. техн. наук; Б.А. Зеленов, канд. техн. наук; О.И. Дружинин, канд. техн. наук, доц.; В.С. Синявский, д-р техн. наук; В.П. Батраков, д-р техн. наук, проф.; Г.В. Козлова, канд. техн. наук (руководители темы); В.В. Лунин; А.В. Можаев, канд. техн. наук; В.В. Кафельников; Л.И. Белова; Г.С. Фомин, канд. хим. наук.
Внесен Академией наук СССР.
Академик-секретарь Н.М. Эмануэль, академик.
Утвержден и введен в действие Постановлением Государственного комитета СССР по стандартам от 2 апреля 1981 г. N 1765.
Настоящий стандарт распространяется на высокопрочные стали и титановые сплавы (далее - материалы) и устанавливает методы ускоренных испытаний на коррозионное растрескивание образцов с предварительно созданными усталостными трещинами.
Сущность методов заключается в том, что образцы подвергают одновременному воздействию коррозионной среды и растягивающих напряжений, при котором поверхности трещины расходятся в направлении действующих напряжений симметрично относительно плоскости исходной трещины.
Стандарт устанавливает три метода испытаний:
1 - при постоянной нагрузке;
2 - при ступенчато изменяемой нагрузке;
3 - при постоянной деформации.
Критерием оценки стойкости материала к коррозионному растрескиванию является пороговый коэффициент интенсивности напряжений

.
Значения

определяют для заданной продолжительности испытаний и (или) для условно принятого значения скорости роста трещины.
Значения

не могут быть использованы для оценки влияния на стойкость к коррозионному растрескиванию факторов, изменяющих поверхностные свойства материалов (защитных покрытий, поверхностного упрочнения и т.п.).
Термины, применяемые в стандарте, и их определения приведены в справочном
Приложении 1.
1.1. Сущность метода определения

при постоянной нагрузке на образец состоит в испытании серии образцов при различных исходных значениях коэффициента интенсивности напряжений при плоской деформации

и продолжительности испытаний 40 сут.
Допускается определять

при другой продолжительности испытаний, установленной в технических условиях на материал, при этом сравнительные испытания материалов проводят при продолжительности испытаний 40 сут.
1.2. Требования к образцам
1.2.1. Минимальную толщину образцов

в миллиметрах ориентировочно вычисляют по формуле
где

- коэффициент интенсивности напряжений при плоской деформации,

, в интервале от

до

;

- условный предел текучести материала при растяжении, МПа;

- определяют по нормативно-технической документации.
Для новых материалов ориентировочное значение

выбирают по справочному
Приложению 2 для материалов, близких по химическому составу, механическим и коррозионным свойствам.
Основными критериями выбора толщины образцов являются образование в процессе роста трещин поверхностей разрушения, перпендикулярных направлению действия растягивающих напряжений, и отсутствие макроскопического разветвления растущих трещин, т.е. рост в процессе испытаний одной магистральной трещины. Эти критерии могут быть определены только после проведения предварительных испытаний. Если эти условия не выполняются, испытания повторяют на образцах толщиной 2S.
Если толщина S, определенная по формуле, составляет доли миллиметра, определение

проводят на образцах сталей толщиной не менее 1 мм и титановых сплавов не менее 5 мм.
1.2.2. Применяют следующие типы образцов в зависимости от приложения нагрузки:
ОР - осевое растяжение;
КИ - консольный изгиб;
ВРI и ВРII - внецентровое растяжение.
Тип, форма и размеры образцов приведены в обязательном
Приложении 3.
1.2.3. Вырезку образцов из полуфабрикатов проводят в соответствии с обязательным
Приложением 4.
Направление вырезки образца обозначают двумя буквами, первая из которых указывает направление нормали к плоскости трещины, а вторая - направление развития трещины в этой плоскости, и вносят в протокол испытаний рекомендуемого
Приложения 5.
1.2.4. Проводят замер образцов. Длину, ширину и толщину образцов вычисляют как среднее арифметическое трех измерений. Данные измерений вносят в протокол испытаний.
1.2.5. Количество образцов должно быть не менее трех при каждом значении начальной нагрузки, для данного состояния материала и направления вырезки образца.
1.2.6. Образцы подвергают термической обработке в соответствии с требованиями стандартов или технических условий на материал.
1.3. Аппаратура, материалы и реактивы
| | ИС МЕГАНОРМ: примечание. В официальном тексте документа, видимо, допущена опечатка: стандарты имеют номер ГОСТ 3248-81, а не ГОСТ 3248-80; ГОСТ 10145-81, а не ГОСТ 10145-80. | |
1.3.1. Машины или приспособления, предназначенные для испытаний металлов и сплавов на ползучесть и длительную прочность в соответствии с требованиями
ГОСТ 3248-80 и
ГОСТ 10145-80.
1.3.2. Машины или вибраторы, обеспечивающие циклическое нагружение образцов при симметричном или пульсирующем цикле нагружения, типа универсальной испытательной машины МУП-20 по ГОСТ 7855-80.
1.3.3. Микроскопы или другие приборы, позволяющие определять длину трещины с погрешностью не более 0,05 мм.
1.3.4. Коррозионная среда - 3%-ный раствор хлористого натрия по
ГОСТ 4233-77 в дистиллированной воде по
ГОСТ 6709-72. В зависимости от условий эксплуатации реальных изделий допускается применять другие коррозионные среды.
1.3.6. Эксикатор по ГОСТ 6371-73.
1.4. Подготовка к испытаниям
1.4.1. Образцы обезжиривают и промывают этиловым спиртом.
1.4.2. Усталостную трещину получают на воздухе при циклическом растяжении или изгибе на машинах
(п. 1.3.2) на полностью термически обработанных образцах. Циклическое нагружение подбирают таким образом, чтобы скорость роста усталостной трещины на последнем миллиметре не превышала 1 мм за 50000 циклов.
Не допускается применять окрашивающие растворы для облегчения контроля за ростом усталостной трещины.
1.4.3. Измеряют расчетную длину исходной трещины (механический надрез + усталостная трещина).
Длина усталостной трещины должна быть не менее 1,5 мм, не менее 5% длины исходной трещины и не менее толщины образца.
Разность длин усталостной трещины на обеих сторонах образца не должна превышать 10%. Если это требование не выполняется, необходимо продолжить циклическое нагружение, предварительно повернув образец на 180° (оснастка при этом остается в первоначальном положении).
Результаты измерений вносят в протокол испытаний.
1.4.4. Отклонение усталостной трещины от плоскости симметрии надреза не должно превышать 10°.
1.4.5. Образцы маркируют по ГОСТ 9.019-74. Маркировку наносят на расстоянии не менее 20 мм от плоскости исходной усталостной трещины. Данные вносят в протокол испытаний.
1.4.6. Подготовленные к испытаниям образцы с усталостной трещиной хранят в эксикаторе.
1.4.7. Определяют критический коэффициент интенсивности напряжений на воздухе

.
1.5. Проведение испытаний
1.5.1. Образцы устанавливают в захваты испытательной машины и подводят коррозионную среду. Объем раствора на 1 см2 поверхности образца должен быть не менее 10 см3.
1.5.2. Образцы нагружают до значения начального коэффициента интенсивности напряжений

, который вычисляют по формуле

,
где М < 1.
Расчетные значения

вносят в протокол испытаний.
1.5.3. Испытания проводят при температуре 291 - 298 К (18 - 25 °C). Допускается проводить испытания при температурах, соответствующих условиям эксплуатации изделий.
1.5.4. Проводят контроль за разрушением образцов через 0,5 ч после начала испытаний, далее через 1, 2, 4, 6, 8 ч, далее четыре раза в сутки. Допускаются другие интервалы времени.
1.5.5. Фиксируют время до разрушения образцов и вносят его в протокол испытаний.
1.5.6. Если за 40 сут образцы не разрушились, их разгружают, снимают с испытательной машины, высушивают при температуре 373 - 423 К (100 - 150 °C) и разрушают на испытательной машине на воздухе.
1.5.7. Определяют конечную длину трещины (исходная трещина + коррозионная трещина) всех образцов как среднее арифметическое трех измерений: на 1/4, 1/2 и 3/4 толщины. Результаты измерений вносят в протокол испытаний.
1.5.8. По конечной длине трещины и формулам
(п. 1.6.4) вычисляют действительное значение

. Данные вносят в протокол испытаний.
1.5.9. Образцы с коррозионной трещиной более 0,1 мм относят к разрушившимся образцам.
1.5.10. Если за 40 сут разрушились все образцы при

, определение

повторяют в интервале от

до

.
1.5.11. Если ни один из образцов не разрушился (в том числе при

), определяют

по методу 2.
1.5.12. Определение

проводят с погрешностью не более 10%.
1.6. Обработка результатов
1.6.1.

определяют графическим или расчетным способом.
1.6.2. Графический способ определения состоит в построении зависимости

, где

- время до разрушения образцов.
За

принимают коэффициент интенсивности напряжений, соответствующий времени испытаний 40 сут.
1.6.3. По расчетному способу

вычисляют как среднее арифметическое трех минимальных значений

разрушившихся и трех максимальных значений

неразрушившихся образцов.
Если разность значений более 10%, определяют

в более узком интервале

.
1.6.4.

,

и

вычисляют по формулам:
для образцов типа ОР
где P - нагрузка на образец, Н;
l - конечная длина трещины, м;
S - толщина образца, м;
b - ширина образца, м;

- коэффициент, вычисляемый по формуле
для образцов типа КИ
где M - изгибающий момент, Н x м;

- коэффициент, вычисляемый по формуле

,

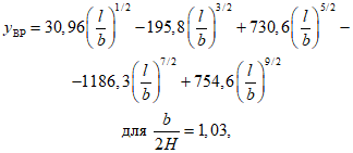
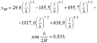
для образцов типа ВР
где

- коэффициент, рассчитываемый по формулам:
где H - размер образца, определяемый по
черт. 3 обязательного Приложения 3, м.
1.6.5. Значения

вносят в протокол испытаний.
2.1. Сущность метода определения

при ступенчато изменяемой нагрузке на образец (метод остановки трещины вне зоны пластической деформации у вершины исходной усталостной трещины) состоит в постепенном ступенчатом увеличении нагрузки на образец до начала роста трещины, проращивании трещины через исходную зону пластической деформации не менее 1 мм для высокопрочных сталей и 2,5 мм для титановых сплавов и постепенном снижении нагрузки до полной остановки роста трещины.
За

принимают коэффициент интенсивности напряжений, соответствующий остановке трещины.
2.2. Требования к образцам - по
п. 1.2.
Количество образцов не менее трех для данного состояния материала и направления вырезки образца.
2.3. Аппаратура, материалы и реактивы
2.3.1. Машины или приспособления, предназначенные для статического нагружения и обеспечивающие возможность проведения следующих операций:
измерять и поддерживать постоянную нагрузку в течение всего процесса испытаний с погрешностью не более 1%;
плавно нагружать образцы;
надежно центрировать образцы (например, машина разрывная типа Р-5 по ГОСТ 7855-80).
2.3.2. Машины или вибраторы - в соответствии с требованиями
п. 1.3.2.
2.3.3. Микроскопы или другие приборы - в соответствии с требованиями
п. 1.3.3.
2.3.4. Установки, обеспечивающие непрерывное измерение длины трещины и непрерывную запись измеряемого параметра, чувствительностью не ниже 0,001 мм прироста трещины.
Схема установки для непрерывного контроля за ростом трещины приведена в рекомендуемом
Приложении 7.
2.3.5. Схемы потенциометрические и мостовые на постоянном и переменном токе, обеспечивающие измерение электрического сопротивления центральной части образца.
2.3.6. Датчики перемещения тензометрические, трансформаторные и индукционные, обеспечивающие измерение раскрытия трещины, не влияющие на коррозионный процесс.
2.3.7. Коррозионная среда для проведения испытаний - по
п. 1.3.4.
2.4. Подготовка к испытаниям
2.4.2. Для любого из методов измерения приращения трещины делают градуировку, определяющую в абсолютных или относительных единицах приращение трещины в зависимости от изменения измеряемого параметра (электрического сопротивления, раскрытия трещины и т.п.).
Градуировку проводят на образцах из серии подготовленных к испытаниям путем замера конечной длины трещины
(п. 1.5.7) с одновременным измерением калибруемого параметра
(п. 2.3.4).
2.5. Проведение испытаний
2.5.1. Испытания проводят при температуре, указанной в
п. 1.5.3.
2.5.2. Образцы устанавливают в захваты испытательной машины, подводят коррозионную среду, нагружают образцы, повышая нагрузку до начала роста трещины, проращивают трещину
(п. 2.1) и затем снижают нагрузку.
Повышают и снижают нагрузку произвольно, но после снижения скорости роста трещины до

необходимо снижать нагрузку на 2 - 3%. После остановки трещины убеждаются в отсутствии ее роста в течение 10 ч, при этом приращение трещины должно быть менее 0,001 мм, и фиксируют нагрузку остановки трещины.
Нагрузку снижают до нуля, снимают образцы с испытаний, высушивают при температуре 373 - 423 К (100 - 150 °C) и разрушают на воздухе на испытательной машине.
2.5.3. Определяют конечную длину трещины
(п. 1.5.7). Конечная длина трещины должна быть не более 70% ширины образца.
2.6. Обработка результатов
2.6.1. По нагрузке остановки трещины, конечной длине трещины, определенных по
пп. 2.5.2;
2.5.3 и
1.6.4, вычисляют

. Данные вносят в протокол испытаний.
2.6.2.

можно определить методом экстраполяции. Для этого строят зависимость логарифма скорости роста трещины от коэффициента интенсивности напряжения. Экстраполируют участок кривой (в интервале 0,1 - 0,001 мм/ч) до скорости роста трещины 0,0001 мм/ч. За

принимают коэффициент интенсивности напряжений, соответствующий этой скорости роста трещины.
3.1. Метод определения

при постоянной деформации применяют только на образцах типа ВР. Метод состоит в задании фиксированной деформации, выдержке образцов в коррозионной среде и контроле роста трещины. В процессе роста трещины податливость образца увеличивается и значение коэффициента интенсивности напряжения уменьшается, вследствие чего скорость роста трещины снижается до полного прекращения роста.
За

принимают коэффициент интенсивности напряжений, соответствующий прекращению роста трещины или снижению скорости роста трещины до 0,0001 мм/ч за 40 сут.
3.2. Требования к образцам - по
п. 1.2.
Количество образцов должно быть не менее трех на каждое значение деформации для данного состояния материала и направления вырезки образца.
3.3. Аппаратура, материалы и реактивы
3.3.1. Машины и приспособления, жесткость которых не менее чем в 10 раз больше жесткости образца в начале испытаний, позволяющих осуществить плавное нагружение образцов, надежное их центрирование и обеспечивать постоянную заданную деформацию образца в процессе испытаний, например, приспособление для нагружения образца типа ВРI (рекомендуемое
Приложение 8). Образец типа ВРII нагружают с помощью винта и центрирующего вкладыша.
3.3.2. Машины или вибраторы - в соответствии с требованиями
п. 1.3.2.
3.3.3. Микроскопы или другие приборы - в соответствии с требованиями
п. 1.3.3.
3.3.4. Коррозионная среда для проведения испытаний - по
п. 1.3.4.
3.4. Подготовка к испытаниям - по
п. 1.4.
3.4.1. При определении

записывают диаграмму "нагрузка - раскрытие трещины". Получают зависимость нагрузки от деформации для образцов данной конфигурации. Эту зависимость используют для расчета исходной деформации образца, необходимой для получения выбранного значения

.
3.5. Проведение испытаний
3.5.1. Нагружение образцов проводят до

.
3.5.2. Образцы с приспособлением помещают в коррозионную среду и контролируют рост трещины
(п. 2.3.4). Если после начала испытаний трещина не растет в течение 15 сут,

повышают на 20%. После начала роста трещины дальнейшее повышение

не допускается. Испытания проводят до полной остановки трещины.
3.6. Обработка результатов
3.6.1. Определяют нагрузку остановки трещины P. Для этого образец разгружают, регистрируют величину сближения поверхностей трещины, производят повторное деформирование на испытательной машине на воздухе на эту величину и определяют P.
3.6.2. Определяют конечную длину трещины
(п. 1.5.7) и вычисляют

по нагрузке остановки трещины P и формулам
п. 1.6.4.
Результаты вносят в протокол испытаний.
справочное
───────────────────────┬───────────────────────────────────────────────────
Термин │ Определение
───────────────────────┼───────────────────────────────────────────────────
Коэффициент │ Величина, характеризующая интенсивность напряжений
интенсивности │вблизи вершины трещины в линейно-упругой среде
напряжений (K ) │при отрывном типе деформации (поверхности трещины
I │отходят друг от друга по нормали) в условиях
│трехосного напряженного состояния материала
│(при плоской деформации)
Критический коэффи- │ Коэффициент интенсивности напряжений при плоской
циент интенсивности │деформации, соответствующий разрушающей нагрузке
напряжений на воздухе │при статических испытаниях на воздухе
(K ) │
IС │
Начальный коэффициент │ Коэффициент интенсивности напряжений при
интенсивности │испытаниях на коррозионное растрескивание,
напряжений при испыта- │определяемый по значениям начальной нагрузки на
ниях на коррозионное │образец и начальной длины концентратора напряжений
растрескивание (K ) │(механический надрез + усталостная трещина)
I0 │
Пороговый коэффициент │ Коэффициент интенсивности напряжений при плоской
интенсивности │деформации, характеризующий сопротивление материала
напряжений при корро- │росту трещины при коррозионном растрескивании (в
зионном растрескивании │данных условиях: электролит, температура и т.п.),
(K ) │ниже которого рост трещины отсутствует или скорость
IКР │роста не превышает 0,0001 мм/ч
Справочное
ОРИЕНТИРОВОЧНЫЕ ЗНАЧЕНИЯ

В 3%-ном РАСТВОРЕ
ХЛОРИСТОГО НАТРИЯ
─────────────────────────┬─────────────────────────────────────────────────
│ 1/2
Марка │ K , МПа x м
│ IКР
─────────────────────────┴─────────────────────────────────────────────────
30ХГСНА │ 17
28Х3СНМВФА │ 16
42Х2ГСНМА │ 12
03Н18Х9М5Т │ 10
000Х12К13Н5М5Т │ 50
ВТ-20 │ 46
ВТ6 │ 56
ВТ5-1 │ 40
ВТ-15 │ 35
--------------------------------
<*> После термической обработки на максимальную прочность.
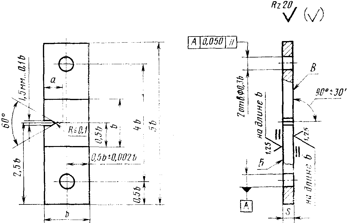
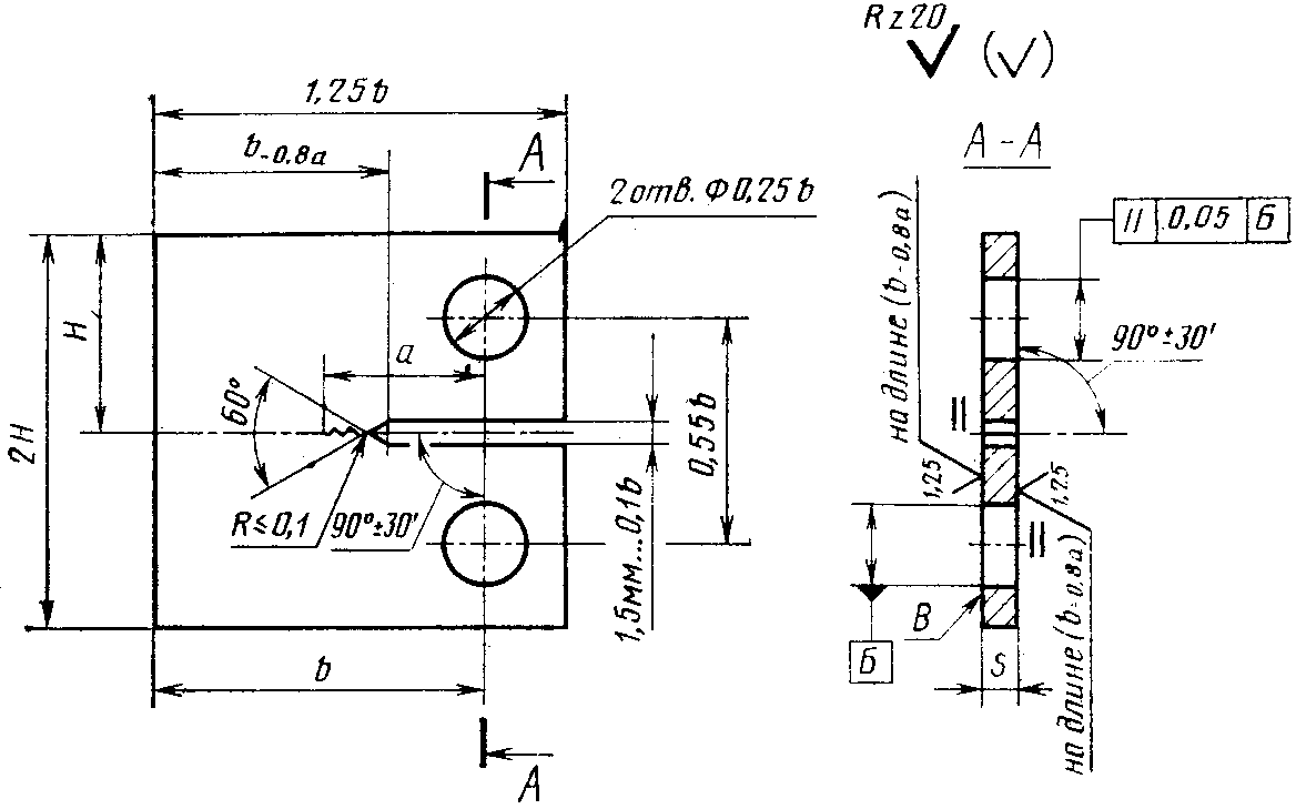
Обязательное
ОР
Черт. 1
Примечания. 1. Непараллельность плоскостей Б, В не более 0,01 на длине 10 мм.
2. b = (3 - 12)S.
3. a >= 0,25b, где a - длина исходной трещины (механический надрез + усталостная трещина), мм.
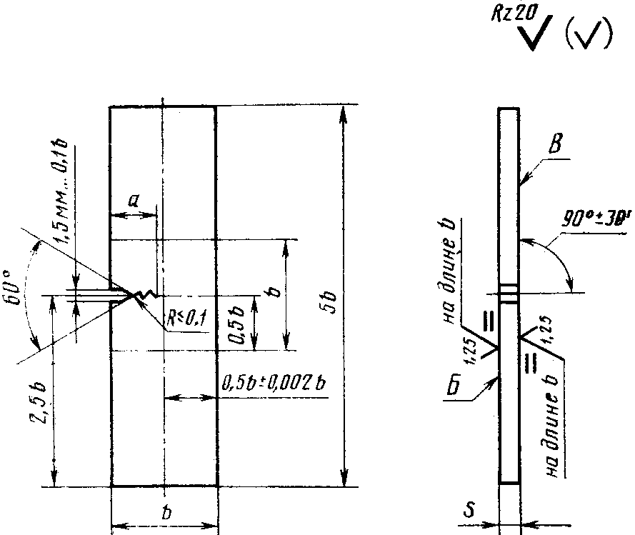
КИ
Черт. 2
Примечания. 1. S >= 5 мм.
2. Непараллельность плоскостей Б, В не более 0,01 на длине 10 мм.
3. b = (2 - 4)S.
4. a >= 0,25b, где a - длина исходной трещины (механический надрез + усталостная трещина), мм.
Черт. 3
Примечания. 1. S <= 10 мм.
2. Непараллельность плоскостей В, Г не более 0,01 на длине 10 мм.
3. b = (2 - 20)S.
4. a >= 0,3b, где a - длина исходной трещины (механический надрез + усталостная трещина), мм.
5.

или

.
ВРII
Черт. 4
Примечания. 1. Неперпендикулярность оси отверстия А относительно оси отверстия Б не более 30'.
2. b = (2 - 5)S.
3. a = (0,25 - 0,4)b, где a - длина исходной трещины (механический надрез + усталостная трещина), мм.
4.

.
Обязательное
Листы
<*>, штамповки, поковки прямоугольного сечения
Полуфабрикаты цилиндрического вида
Направление вырезки: Д - долевое, вдоль главного вектора
деформации; В - высотное; П - поперечное; Р - радиальное;
Т - тангенциальное
--------------------------------
<*> Направление вырезки только ПД и ДП.
Рекомендуемое
───────┬─────────────────┬────────────────────────────┬─────────┬──────┬──────┬─────┬──────────┬──────────
Марки- │ Механические │ Тип образца │ Длина │Корро-│Темпе-│Метод│ K , │ K ,
ровка │ свойства │ │трещины, │зион- │ратура│опре-│ I0 │ IКР
образца│ │ │ мм │ная │среды,│деле-│ 1/2│ 1/2
│ │ │ │среда │К │ния │МПа x м │МПа x м
├───────┬─────────┼─────┬───────┬────┬────┬────┼────┬────┤ │ │K ├────┬─────┤
│сигма ,│сигма ,│Обо- │Направ-│Тол-│Ши- │Дли-│ис- │ко- │ │ │ IКР │рас-│дей- │
│ B │ 0,2 │зна- │ление │щина│рина│на │ход-│неч-│ │ │ │чет-│стви-│
│ МПа │ МПа │чение│вырезки│ │ │ │ная │ная │ │ │ │ный │тель-│
│ │ │ │ │ │ │ │ │ │ │ │ │ │ный │
───────┼───────┼─────────┼─────┼───────┼────┼────┼────┼────┼────┼──────┼──────┼─────┼────┼─────┼──────────
│ │ │ │ │ │ │ │ │ │ │ │ │ │ │
Справочное
──────────────┬───────────────┬──────────────┬──────────────┬──────────────
l │ y │ y │ y │ y
--- │ ОР │ КИ │ ВРI │ ВРII
b │ │ │ │
──────────────┼───────────────┼──────────────┼──────────────┼──────────────
0,20 │ 2,43 │ 1,20 │ 5,19 │ 5,70
0,21 │ 2,48 │ 1,24 │ 5,22 │ 5,75
0,22 │ 2,52 │ 1,28 │ 5,25 │ 5,81
0,23 │ 2,57 │ 1,32 │ 5,29 │ 5,88
0,24 │ 2,62 │ 1,36 │ 5,34 │ 5,95
0,25 │ 2,67 │ 1,40 │ 5,41 │ 6,04
0,26 │ 2,72 │ 1,44 │ 5,48 │ 6,14
0,27 │ 2,77 │ 1,48 │ 5,56 │ 6,24
0,28 │ 2,83 │ 1,52 │ 5,65 │ 6,36
0,29 │ 2,89 │ 1,56 │ 5,74 │ 6,48
0,30 │ 2,95 │ 1,60 │ 5,85 │ 6,60
0,31 │ 3,01 │ 1,65 │ 5,96 │ 6,74
0,32 │ 3,08 │ 1,69 │ 6,09 │ 6,88
0,33 │ 3,15 │ 1,74 │ 6,22 │ 7,02
0,34 │ 3,22 │ 1,79 │ 6,35 │ 7,17
0,35 │ 3,30 │ 1,83 │ 6,50 │ 7,33
0,36 │ 3,38 │ 1,88 │ 6,65 │ 7,49
0,37 │ 3,46 │ 1,94 │ 6,81 │ 7,66
0,38 │ 3,55 │ 1,99 │ 6,97 │ 7,83
0,39 │ 3,64 │ 2,04 │ 7,14 │ 8,00
0,40 │ 3,73 │ 2,10 │ 7,32 │ 8,18
0,41 │ 3,83 │ 2,16 │ 7,51 │ 8,36
0,42 │ 3,94 │ 2,22 │ 7,70 │ 8,55
0,43 │ 4,05 │ 2,28 │ 7,91 │ 8,74
0,44 │ 4,17 │ 2,35 │ 8,12 │ 8,94
0,45 │ 4,29 │ 2,42 │ 8,34 │ 9,15
0,46 │ 4,42 │ 2,49 │ 8,37 │ 9,36
0,47 │ 4,56 │ 2,56 │ 8,81 │ 9,58
0,48 │ 4,70 │ 2,64 │ 9,06 │ 9,82
0,49 │ 4,86 │ 2,72 │ 9,32 │ 10,06
0,50 │ 5,02 │ 2,81 │ 9,60 │ 10,31
0,51 │ 5,18 │ 2,90 │ 9,90 │ 10,58
0,52 │ 5,36 │ 2,99 │ 10,21 │ 10,87
0,53 │ 5,55 │ 3,09 │ 10,54 │ 11,17
0,54 │ 5,74 │ 3,19 │ 10,89 │ 11,49
0,55 │ 5,95 │ 3,30 │ 11,26 │ 11,83
0,56 │ 6,16 │ 3,41 │ 11,66 │ 12,20
0,57 │ 6,39 │ 3,54 │ 12,08 │ 12,60
0,58 │ 6,63 │ 3,66 │ 12,54 │ 13,03
0,59 │ 6,88 │ 3,80 │ 13,02 │ 13,49
0,60 │ 7,14 │ 3,94 │ 13,54 │ 13,98
0,61 │ 7,42 │ 4,10 │ 14,10 │ 14,52
0,62 │ 7,71 │ 4,26 │ 14,70 │ 15,10
0,63 │ 8,01 │ 4,44 │ 15,34 │ 15,73
0,64 │ 8,33 │ 4,62 │ 16,04 │ 16,42
0,65 │ 8,67 │ 4,83 │ 16,78 │ 17,16
0,66 │ 9,02 │ 5,04 │ 17,58 │ 17,96
0,67 │ 9,39 │ 5,27 │ 18,44 │ 18,83
0,68 │ 9,77 │ 5,52 │ 19,37 │ 19,77
0,69 │ 10,18 │ 5,79 │ 20,36 │ 20,79
0,70 │ 10,60 │ 6,08 │ 21,43 │ 21,90
Рекомендуемое
МОСТОВАЯ СХЕМА НА ПОСТОЯННОМ ТОКЕ ДЛЯ НЕПРЕРЫВНОГО ИЗМЕРЕНИЯ
И ЗАПИСИ ЭЛЕКТРИЧЕСКОГО СОПРОТИВЛЕНИЯ ЦЕНТРАЛЬНОЙ ЧАСТИ
ОБРАЗЦА С ТРЕЩИНОЙ
Образец нагружается растягивающей силой P или изгибающим моментом M.
1 - образец; 2 - электрохимическая ячейка;
3 - стабилизированный источник тока (П 138);
4 - вводы; 5 - двойной мост (Р 329);
6 - микровольтмикроамперметр (Ф 116/1);
7 - потенциометр; 8 - электронный
потенциометр (КСП-4)
Образец укреплен в электроизолированных от корпуса нагружающего устройства захватах и уплотнен во фторопластовой ячейке с коррозионной средой, в которой исследуется рост трещины. Через образец от стабилизированного источника проходит постоянный ток плотностью 0,01 - 0,1 А/мм2. Падение напряжения на центральной части образца с помощью вводов подается на двойной мост. Вводы приварены к образцу точечной сваркой или зачеканены. Точки присоединения вводов к образцу рекомендуется располагать в начале механического надреза и фиксировать расположение этих точек по отношению к надрезу с погрешностью 0,1 мм. Вводы защищены от воздействия коррозионной среды химически стойким лаком или эпоксидной смолой. Нулевым прибором двойного моста служит микровольтмикроамперметр, выходной сигнал которого через согласующий потенциометр подается на электронный потенциометр.
До начала нагружения двойным мостом измеряют электрическое сопротивление образца; после нагружения и начала роста трещины электрическое сопротивление образца увеличивается, что приводит к разбалансу моста, величина которого записывается электронным потенциометром. При достижении конца шкалы потенциометра проводят повторную компенсацию и т.д., снижая чувствительность многопредельного микровольтмикроамперметра по мере увеличения скорости роста трещины.
С помощью схемы можно измерять приращение трещины менее 0,001 мм (после прогрева приборов в течение 3 ч и термической стабилизации не ниже 0,5 К). Ни один из приборов схемы не является обязательным и может быть заменен другим прибором, имеющим те же показатели чувствительности и класс точности.
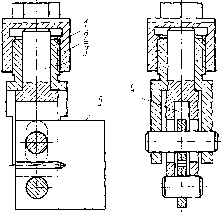
Рекомендуемое
СХЕМА ПРИСПОСОБЛЕНИЯ ДЛЯ ОПРЕДЕЛЕНИЯ

ПРИ ПОСТОЯННОЙ ДЕФОРМАЦИИ НА ТОНКОЛИСТОВЫХ ОБРАЗЦАХ
ТИПА ВРI
1 - винт; 2 - гайка; 3 - шток;
4 - продольный паз; 5 - образец
Образец нагружают двумя штырями с помощью винтовой пары и штока, имеющих продольный паз для размещения образца. Винт через отверстие связан с верхним штырем, а шток своим торцом контактирует с нижним штырем. Гайка глухим торцом перемещает шток в полости винта, осуществляя тем самым взаимное смещение нагружающих штырей и деформирование образца.