Главная // Актуальные документы // ГОСТ (Государственный стандарт)СПРАВКА
Источник публикации
М.: Издательство стандартов, 1975
Примечание к документу
С 1 июля 2003 года до вступления в силу технических регламентов акты федеральных органов исполнительной власти в сфере технического регулирования носят рекомендательный характер и подлежат обязательному исполнению только в части, соответствующей целям, указанным в
пункте 1 статьи 46 Федерального закона от 27.12.2002 N 184-ФЗ.
Введен в действие с 1 января 1976 года (
Постановление Госстроя СССР от 11.07.1974 N 144).
Взамен ГОСТ 11583-65.
Название документа
"ГОСТ 11583-74. Материалы полимерные строительные отделочные. Методы определения цветоустойчивости под воздействием света, равномерности окраски и светлоты"
(утв. Постановлением Госстроя СССР от 11.07.1974 N 144)
"ГОСТ 11583-74. Материалы полимерные строительные отделочные. Методы определения цветоустойчивости под воздействием света, равномерности окраски и светлоты"
(утв. Постановлением Госстроя СССР от 11.07.1974 N 144)
Утвержден и введен в действие
от 11 июля 1974 г. N 144
ГОСУДАРСТВЕННЫЙ СТАНДАРТ СОЮЗА ССР
МАТЕРИАЛЫ ПОЛИМЕРНЫЕ СТРОИТЕЛЬНЫЕ ОТДЕЛОЧНЫЕ
МЕТОДЫ ОПРЕДЕЛЕНИЯ ЦВЕТОУСТОЙЧИВОСТИ ПОД ВОЗДЕЙСТВИЕМ
СВЕТА, РАВНОМЕРНОСТИ ОКРАСКИ И СВЕТЛОТЫ
Polimer materials, building and finishing.
Methods for determination of light resistance
аnd uniformity of painting and lightness
ГОСТ 11583-74
Взамен ГОСТ 11583-65
Срок введения
1 января 1976 года
Разработан Всесоюзным научно-исследовательским и проектно-конструкторским институтом полимерных строительных материалов и мягкой кровли (ВНИИпроектполимеркровля) Министерства промышленности строительных материалов СССР.
Директор Полуянов А.Ф.
Руководители темы: Бублик А.Т., Добрякова Л.И.
Исполнители: Лейкина М.А., Мягкова М.А., Кадырова Л.К.
Научно-исследовательским институтом строительной физики (НИИСФ) Государственного комитета Совета Министров СССР по делам строительства.
Директор Косицын Т.А.
Руководитель и исполнитель темы Беляева Н.М.
Внесен Министерством промышленности строительных материалов СССР.
Член Коллегии Добужинский В.И.
Подготовлен к утверждению Отделом технического нормирования и стандартизации Госстроя СССР.
Начальник отдела Сычев В.И.
Начальник подотдела стандартизации в строительстве Новиков М.М.
Зам. начальника подотдела Тишенко В.В.
Настоящий стандарт распространяется на одноцветные полимерные строительные материалы, применяемые для внутренней отделки зданий, и устанавливает методы определения их цветоустойчивости под воздействием светового облучения, равномерности окраски и светлоты.
Стандарт не распространяется на лакокрасочную продукцию. Методы основаны на определении координат цвета испытуемых образцов с помощью компараторов цвета и эталонов и расчете цветовых различий между исходным образцом и образцом, подвергнутым световому облучению, - при определении цветоустойчивости материалов, или между образцами, отобранными от различных участков материала, - при определении равномерности его окраски. Светлота материала характеризуется его коэффициентом отражения, который определяется одной из координат цвета испытуемых образцов.
Применение методов должно предусматриваться в стандартах и технических условиях, устанавливающих технические требования к полимерным строительным отделочным материалам.
Примечание. До пересмотра действующих стандартов и технических условий на отдельные виды полимерных строительных отделочных материалов, но не позднее 1977 г., определение их цветоустойчивости, равномерности окраски и светлоты может производиться по ГОСТ 11583-65.
В стандарте учтены требования рекомендаций ИСО по стандартизации Р-879.
1.1. Компараторы цвета ФКЦ-Ш (М) или ЭКЦ-1 для определения отношений координат цвета соизмеряемых образцов.
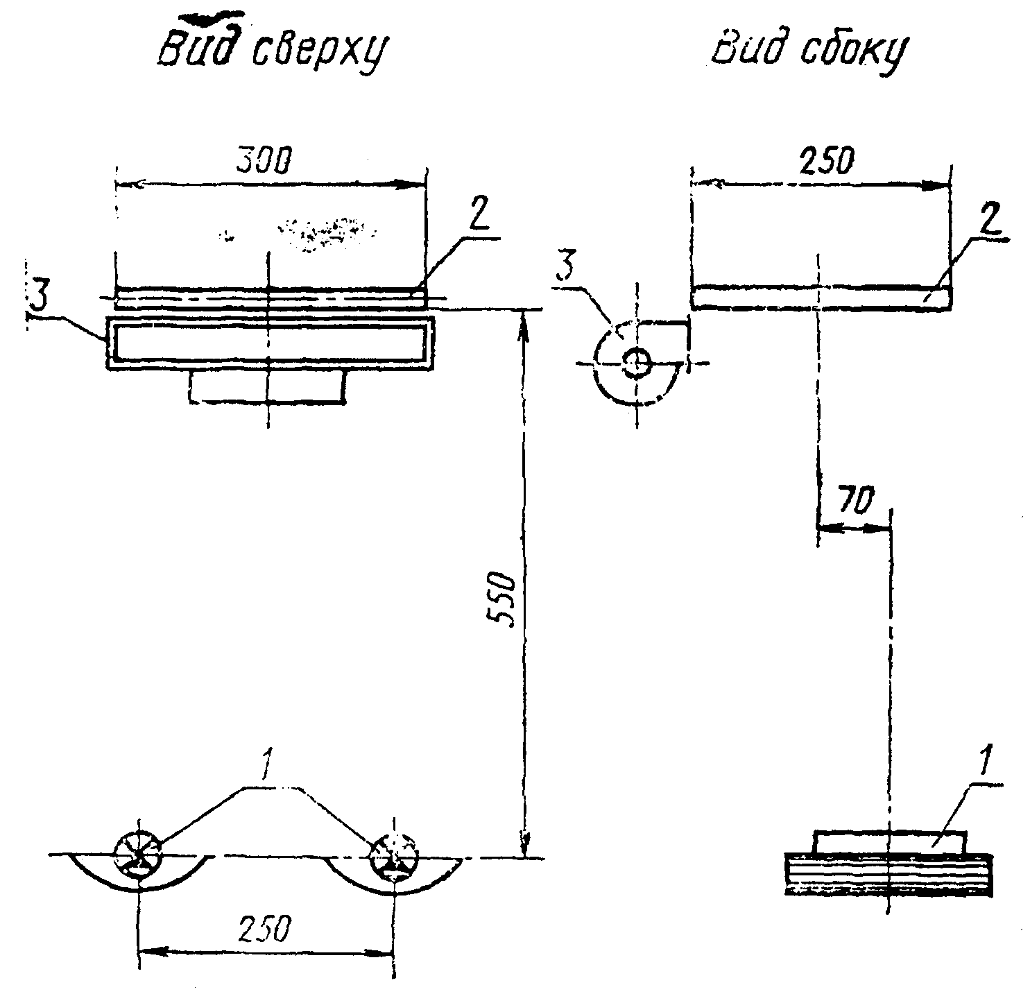
1.2. Установка для облучения образцов типа РСК-7 с двумя трубчатыми ксеноновыми лампами ДКСТ-2000 воздушного охлаждения, дополнительно оборудованная экраном размером 250 x 300 мм для крепления кассет с образцами и приточно-вытяжной вентиляцией согласно схеме на черт. 1, обеспечивающей поддержание температуры образцов на заданном уровне.
Схема расположения источников излучения
в установке РКС-7 и экрана для образцов
Черт. 1
Экран должен быть расположен в вертикальной плоскости на расстоянии 55 см от источников излучения установки РСК-7.
Продолжительность эксплуатации ксеноновых ламп в установке РСК-7 не должна превышать указанной в паспорте из-за необратимого уменьшения светопропускания их кварцевых трубок.
1.3. Аппарат типа "Ксенотест" для облучения образцов с ксеноновыми лампами мощностью от 4 до 6 кВт (при отсутствии установки РСК-7).
1.4. Интенсиметр или уфиметр для измерения интенсивности ультрафиолетового излучения в области 280 - 400 нм на поверхности испытуемых образцов.
1.5. Термометр типа "черная панель" для измерения условной максимальной температуры поверхности образца по приложению 4 к ГОСТ 17171-71.
2. ПОДГОТОВКА И ХРАНЕНИЕ ЭТАЛОНОВ ДЛЯ ОПРЕДЕЛЕНИЯ
КООРДИНАТ ЦВЕТА
2.1. Эталоны, используемые для определения координат цвета образцов, должны быть изготовлены из выпускаемой предприятием продукции и аттестованы по координатам цвета в колориметрической системе XYZ (ГОСТ 13088-67) головной (НИИСФ Госстроя СССР) или базовой (ВНИИпроектполимеркровля Минстройматериалов СССР) организацией по стандартизации.
В качестве эталонов могут использоваться также образцы из атласа ВНИИ метрологии.
2.2. Размеры эталонов должны быть 65 х 65 +/- 1 мм.
2.3. Испытательная лаборатория должна иметь три экземпляра эталонов - два рабочих и один контрольный.
2.4. Рабочие и контрольный экземпляры эталонов должны храниться в условиях, исключающих воздействие на них естественного и искусственного света, в помещении, изолированном от повышенной влажности и вредно действующих паров химических веществ.
2.5. Состояние рабочих эталонов должно проверяться не реже одного раза в квартал на компараторе цвета сравнением с контрольным эталоном, не бывшим в пользовании, в соответствии с разд. 4. В случае изменения цвета рабочих эталонов относительно контрольных на 4 или более порогов цветоразличения (ГОСТ 13088-67) они должны быть заменены.
2.6. Пользоваться эталонами следует при дневном рассеянном свете.
3. ПОДГОТОВКА ОБРАЗЦОВ ДЛЯ ИСПЫТАНИЙ
3.1. Порядок отбора образцов для испытаний должен предусматриваться в соответствующих стандартах и технических условиях на полимерные строительные материалы.
3.2. Образцы должны быть однородны по фактуре лицевой поверхности. На поверхности образцов не должно быть дефектов (вздутий, коробления, раковин, трещин и т.п.).
Образцы материалов, не сохраняющих форму в процессе испытаний, должны закрепляться на жесткой подложке.
3.3. Образцы должны быть квадратными и иметь размеры 30 х 30 +/- 1 мм.
3.4. До начала проведения испытаний образцы должны храниться в условиях, исключающих воздействие на них естественного и искусственного света.
3.5. Для определения цветоустойчивости отбирают пять образцов: три образца (испытуемых) подвергают облучению, один образец сохраняют в качестве исходного и один используют при измерениях в качестве вспомогательного.
До начала испытаний устанавливают цветовое различие между отобранными образцами в порогах цветоразличения в соответствии с
разд. 4.
Цветовое различие между исходным и испытуемыми образцами

не должно превышать двух порогов цветоразличения.
3.6. Для определения равномерности окраски и светлоты отбирают пять образцов, один из которых принимают за исходный и один используют при измерениях в качестве вспомогательного.
4. ОПРЕДЕЛЕНИЕ КООРДИНАТ ЦВЕТА И
ЦВЕТОВЫХ РАЗЛИЧИЙ ОБРАЗЦОВ
4.1. Для определения координат цвета исходного образца с помощью компаратора цвета определяют в процентах отношения координат цвета этого образца в системе XYZ к соответствующим координатам цвета эталона.
4.2. Измерение отношений координат цвета проводят со светофильтрами N 4, 5 и 6 в соответствии с инструкцией, прилагаемой к компаратору. Последовательность операций при работе с прибором ФКЦ-Ш (М) указана в
Приложении 1.
4.3. При каждом светофильтре (N 4, 5 и 6) измерения отношений (

,

и

) соответствующих координат цвета исходного образца к координатам цвета эталона повторяют три раза, устанавливая каждый раз образец заново.
Отношения координат цвета исходного образца к координатам цвета эталона вычисляют как среднее арифметическое значение трех показаний прибора.
4.4. Измерение отношений координат цвета каждого из испытуемых образцов производят аналогичным способом относительно соответствующих координат цвета исходного образца.
4.5. При использовании компаратора ФКЦ-Ш (М) координаты цвета исходного образца

,

и

в физиологической системе измерения цвета КЗС рассчитывают по формулам:

;

;

,
где

,

,

- координаты цвета эталона в системе XYZ;

,

,

- отношения координат цвета исходного образца к координатам цвета эталона в %.
4.6. Координаты цвета испытуемых образцов

,

,

определяют по формулам:

;

;

,
где

,

,

- отношения координат цвета испытуемого образца к координатам цвета исходного образца в %.
4.7. По
номограмме Приложения 2 определяют значения координат цвета образцов

и

в равноконтрастной системе

, откладывая по оси абсцисс

и

соответственно.
Цветовое различие

Е в порогах цветоразличения между образцами определяют по формулам:

;

;

;

;
где

и

- координаты цвета исходного и испытуемого образцов соответственно в равноконтрастной системе

;
4.8. При использовании компаратора цвета ЭК Ц-1 отношения координат цвета образцов определяют в соответствии с инструкцией к прибору и выражают в процентах. Дальнейшие расчеты координат цвета и цветовых различий производят в соответствии с пп.
4.5 -
4.7.
5. ОПРЕДЕЛЕНИЕ ЦВЕТОУСТОЙЧИВОСТИ
5.1. Облучение испытуемых образцов материала, подготовленных в соответствии с требованиями
разд. 3, для оценки их цветоустойчивости производят в течение установленного в стандарте или технических условиях на этот материал времени, обеспечивающего установленную дозу облучения.
5.2. Зона облучения образцов должна представлять собой равномерно облучаемую поверхность, расположенную нормально к световому потоку. Перепад в энергетической освещенности в пределах зоны облучения не должен превышать 15%.
5.3. Испытуемые образцы укрепляют в верхней части кассет так, чтобы исключить их коробление в процессе испытаний. Кассеты с образцами укрепляют на экране в пределах зоны облучения.
5.4. Температура нагрева поверхности образца в процессе испытаний не должна превышать плюс 50 °C.
5.5. Образцы, подвергнутые облучению, должны быть тщательно осмотрены после испытаний для установления изменений внешнего вида образца. Образцы, имеющие на поверхности дефекты (вздутия, пятна) после облучения, исключаются из дальнейших испытаний.
5.6. Отношения координат цвета облученных образцов определяют на компараторе относительно исходного образца в соответствии с пп.
4.1 -
4.4.
5.7. Величины отношений координат цвета полимерного материала определяют как среднее арифметическое значение результатов измерений всех испытуемых образцов.
5.8. Расчет координат цвета и цветовых различий производят в соответствии с пп.
4.5 -
4.7. При этом координаты цвета испытуемых образцов заменяют координатами цвета облученных образцов.
5.9. Цветовое различие между облученными и исходными образцами

сопоставляют с допустимой величиной цветового различия. Материал считается цветоустойчивым, если при установленном времени облучения величина

не превышает четырех порогов цветоразличения.
6. ОПРЕДЕЛЕНИЕ РАВНОМЕРНОСТИ ОКРАСКИ
6.1. Координаты цвета испытуемых образцов, подготовленных в соответствии с
разд. 3, определяют относительно образца, принятого за исходный.
6.2. Отношения координат цвета образцов на компараторе определяют в соответствии с пп.
4.1 -
4.4.
6.3. Расчет цветовых различий между исходными и испытуемыми образцами производят в соответствии с пп.
4.5 -
4.7.
6.4. Окраску материала считают равномерной, если цветовое различие

между исходным и каждым из испытуемых образцов не превышает четырех порогов цветоразличения.
7.1. Светлота материала характеризуется его коэффициентом отражения, который определяется в колориметрической системе XYZ координатой цвета Y.
7.2. Для расчета коэффициента отражения определяют с помощью компаратора отношение

координат цвета испытуемого образца

и эталона

при светофильтре N 5 в соответствии с пп.
4.1 -
4.3 настоящего стандарта.
7.3. Расчет коэффициента отражения образцов в процентах производят по формуле

.
7.4. Величину коэффициента отражения материала определяют как среднее арифметическое значение величин коэффициента отражения, полученных для 3 образцов.
7.5. Категорию материала по светлоте устанавливают в зависимости от величины его коэффициента отражения в соответствии с требованиями стандарта или технических условий на этот материал.
ПОСЛЕДОВАТЕЛЬНОСТЬ ОПЕРАЦИЙ ПРИ ОПРЕДЕЛЕНИИ
КООРДИНАТ ЦВЕТА ИСХОДНОГО ОБРАЗЦА ОТНОСИТЕЛЬНО
ЭТАЛОНА НА ПРИБОРЕ ФКЦ-Ш (М)
1.1. Установить светофильтр N 4.
1.2. На левый предметный столик прибора поместить эталон.
1.3. На правый предметный столик поместить вспомогательный образец.
1.4. Установить измерительную диафрагму на отсчет 100 по шкале отношений.
1.5. Открыть фотоэлементы, для чего рукоятку установить в положение "откр".
1.6. Вращением барабана, расположенного с левой стороны прибора, привести стрелку микроамперметра в нулевое положение.
1.7. Перекрыть фотоэлементы шторкой.
1.8. Поместить на левый столик исходный образец вместо эталона. При этом расположение в компараторе образцов фактурных материалов по направлению рисунка должно быть одинаковым.
1.9. Открыть шторку перед фотоэлементом.
1.10. Вращением барабана, расположенного с правой стороны прибора, вывести стрелку микроамперметра на нуль.
Примечание. Если шкала барабана оказывается недостаточной для выведения стрелки амперметра на нуль, следует считать, что цветовое различие между образцами больше допустимого.
1.11. Снять отсчет по шкале отношений.
1.12. Перекрыть фотоэлементы шторкой.
1.13. Установить светофильтр N 5 и повторить измерения, начиная с
п. 1.2.
1.14. Установить светофильтр N 6 и повторить измерения, начиная с
п. 1.2.
Порядок определения координат цвета испытуемых образцов относительно исходного аналогичен приведенному. При этом вместо эталона используется исходный образец.
НОМОГРАММА ДЛЯ ОПРЕДЕЛЕНИЯ КООРДИНАТЫ

В ЗАВИСИМОСТИ ОТ С
Справочное
ПРИМЕР ОПРЕДЕЛЕНИЯ ЦВЕТОВОГО РАЗЛИЧИЯ МЕЖДУ ОБРАЗЦАМИ
Известны координаты цвета эталона:

= 33,6;

= 40,0;

= 38,8.
1. Измеряем на компараторе отношения координат цвета исходного образца к координатам цвета эталона:

= 100,0,

= 100,1 и

= 102,0 (в соответствии с пп.
4.1 -
4.3 настоящего стандарта).
2. Определяем координаты цвета исходного образца в соответствии с
п. 4.5 настоящего стандарта:

;

;

.
3. Измеряем на компараторе отношения координат цвета испытуемых образцов к координатам цвета исходного образца

= 101,6;

= 101,8 и

= 106,7 (в соответствии с пп. 4.1 - 4.3 настоящего стандарта).
4. Определяем координаты цвета испытуемого образца в соответствии с
п. 4.6 настоящего стандарта:

;

;

.
5. Определяем по
номограмме Приложения 2 координаты

и

в соответствии с
п. 4.6 настоящего стандарта:

;

.
6. Определяем по формулам
п. 4.7 настоящего стандарта цветовое различие между эталоном и исходным образцом.

;

;

;

порогов цветоразличения.