Главная // Актуальные документы // ГОСТ (Государственный стандарт)СПРАВКА
Источник публикации
М.: Стандартинформ, 2014
Примечание к документу
Отдельные положения данного документа включены в
Перечень стандартов, в результате применения которых на добровольной основе обеспечивается соблюдение требований технического
регламента Таможенного союза "Электромагнитная совместимость технических средств" (ТР ТС 020/2011), и в
Перечень стандартов, содержащих правила и методы исследований (испытаний) и измерений, в том числе правила отбора образцов, необходимые для применения и исполнения требований технического
регламента Таможенного союза "Электромагнитная совместимость технических средств" (ТР ТС 020/2011) и осуществления оценки (подтверждения) соответствия продукции (
Решение Комиссии Таможенного союза от 09.12.2011 N 879).
Документ
введен в действие с 1 января 2014 года.
Название документа
"ГОСТ 30804.3.3-2013 (IEC 61000-3-3:2008). Межгосударственный стандарт. Совместимость технических средств электромагнитная. Ограничение изменений напряжения, колебаний напряжения и фликера в низковольтных системах электроснабжения общего назначения. Технические средства с потребляемым током не более 16 А (в одной фазе), подключаемые к электрической сети при несоблюдении определенных условий подключения. Нормы и методы испытаний"
(введен в действие Приказом Росстандарта от 22.07.2013 N 397-ст)
"ГОСТ 30804.3.3-2013 (IEC 61000-3-3:2008). Межгосударственный стандарт. Совместимость технических средств электромагнитная. Ограничение изменений напряжения, колебаний напряжения и фликера в низковольтных системах электроснабжения общего назначения. Технические средства с потребляемым током не более 16 А (в одной фазе), подключаемые к электрической сети при несоблюдении определенных условий подключения. Нормы и методы испытаний"
(введен в действие Приказом Росстандарта от 22.07.2013 N 397-ст)
агентства по техническому
регулированию и метрологии
от 22 июля 2013 г. N 397-ст
МЕЖГОСУДАРСТВЕННЫЙ СТАНДАРТ
СОВМЕСТИМОСТЬ ТЕХНИЧЕСКИХ СРЕДСТВ ЭЛЕКТРОМАГНИТНАЯ
ОГРАНИЧЕНИЕ ИЗМЕНЕНИЙ НАПРЯЖЕНИЯ, КОЛЕБАНИЙ НАПРЯЖЕНИЯ
И ФЛИКЕРА В НИЗКОВОЛЬТНЫХ СИСТЕМАХ ЭЛЕКТРОСНАБЖЕНИЯ ОБЩЕГО
НАЗНАЧЕНИЯ. ТЕХНИЧЕСКИЕ СРЕДСТВА С ПОТРЕБЛЯЕМЫМ ТОКОМ
НЕ БОЛЕЕ 16 А (В ОДНОЙ ФАЗЕ), ПОДКЛЮЧАЕМЫЕ К ЭЛЕКТРИЧЕСКОЙ
СЕТИ ПРИ НЕСОБЛЮДЕНИИ ОПРЕДЕЛЕННЫХ УСЛОВИЙ ПОДКЛЮЧЕНИЯ
НОРМЫ И МЕТОДЫ ИСПЫТАНИЙ
Electromagnetic compatibility of technical equipment.
Limitation of voltage changes, voltage fluctuations
and flicker in public low-voltage supply systems. Equipment
with rated current <= 16 A per phase and not subject
to conditional connection. Limits and test methods
(IEC 61000-3-3:2008, MOD)
ГОСТ 30804.3.3-2013
(IEC 61000-3-3:2008)
Дата введения
1 января 2014 года
Цели, основные принципы и основной порядок проведения работ по межгосударственной стандартизации установлены
ГОСТ 1.0-92 "Межгосударственная система стандартизации. Основные положения" и
ГОСТ 1.2-2009 "Межгосударственная система стандартизации. Стандарты межгосударственные, правила и рекомендации по межгосударственной стандартизации. Правила разработки, принятия, применения, обновления и отмены".
1 ПОДГОТОВЛЕН Закрытым акционерным обществом "Научно-испытательный центр "САМТЭС" и Техническим комитетом по стандартизации ТК 30 "Электромагнитная совместимость технических средств"
2 ВНЕСЕН Федеральным агентством по техническому регулированию и метрологии (Росстандарт)
3 ПРИНЯТ Межгосударственным советом по стандартизации, метрологии и сертификации (протокол N 43-2013 от 7 июня 2013 г.)
За принятие стандарта проголосовали:
Краткое наименование страны по МК (ИСО 3166) 004-97 | Код страны по МК (ИСО 3166) 004-97 | Сокращенное наименование национального органа по стандартизации |
Беларусь | BY | Госстандарт Республики Беларусь |
Кыргызстан | KG | Кыргызстандарт |
Российская Федерация | RU | Росстандарт |
Узбекистан | UZ | Агентство "Узстандарт" |
4
Приказом Федерального агентства по техническому регулированию и метрологии от 22 июля 2013 г. N 397-ст межгосударственный стандарт ГОСТ 30805.3.3-2013 (IEC 61000-3-3:2008) введен в действие в качестве национального стандарта Российской Федерации с 1 января 2014 г.
5 Настоящий стандарт модифицирован по отношению к международному стандарту IEC 61000-3-3:2008 Electromagnetic compatibility (EMC) - Part 3-3: Limits - Limitation of voltage changes, voltage fluctuations and flicker in public low-voltage supply systems, for equipment with rated current <= 16 A per phase and not subject to conditional connection [Электромагнитная совместимость (ЭМС). Часть 3-3. Нормы. Ограничение изменений напряжения, колебаний напряжения и фликера в общественных низковольтных системах электроснабжения для оборудования с номинальным током не более 16 А в одной фазе, не подлежащего условному соединению].
Международный стандарт IEC 61000-3-3:2008 (Издание 2) разработан Подкомитетом 77А "Низкочастотные электромагнитные явления" Технического комитета 77 МЭК "Электромагнитная совместимость" на основе первого издания IEC 61000-3-3:1994, Изменения 1 (2001 г.) и Изменения 2 (2005 г.).
Перевод с английского языка (en).
Наименование настоящего стандарта изменено относительно наименования международного стандарта для приведения в соответствие с ГОСТ 1.5-2001
(подраздел 3.6).
Ссылки на международные стандарты, которые приняты в качестве межгосударственных стандартов, заменены в
разделе "Нормативные ссылки" и тексте стандарта ссылками на соответствующие межгосударственные стандарты.
Дополнительные фразы и слова, внесенные в текст стандарта для уточнения области распространения и объекта стандартизации, выделены полужирным курсивом.
Сведения о соответствии межгосударственных стандартов ссылочным международным стандартам приведены в дополнительном
приложении ДА.
Степень соответствия - модифицированная (MOD).
6 ВВЕДЕН ВПЕРВЫЕ
Информация об изменениях к настоящему стандарту публикуется в ежегодном информационном указателе "Национальные стандарты", а текст изменений и поправок - в ежемесячном информационном указателе "Национальные стандарты". В случае пересмотра (замены) или отмены настоящего стандарта соответствующее уведомление будет опубликовано в ежемесячном информационном указателе "Национальные стандарты". Соответствующая информация, уведомление и тексты размещаются также в информационной системе общего пользования - на официальном сайте национального органа Российской Федерации по стандартизации в сети Интернет.
Стандарты серии IEC 61000 публикуются отдельными частями в соответствии со следующей структурой:
- часть 1. Основы:
общее рассмотрение (введение, фундаментальные принципы), определения, терминология;
- часть 2. Электромагнитная обстановка:
описание электромагнитной обстановки, классификация электромагнитной обстановки, уровни электромагнитной совместимости;
- часть 3. Нормы:
нормы помехоэмиссии, нормы помехоустойчивости (в случаях, если они не являются предметом рассмотрения техническими комитетами, разрабатывающими стандарты на продукцию);
- часть 4. Методы испытаний и измерений:
методы измерений, методы испытаний;
- часть 5. Руководства по установке и помехоподавлению:
руководства по установке, методы и устройства помехоподавления;
- часть 9. Разное.
Каждая часть подразделяется на разделы, которые могут быть опубликованы как международные стандарты либо как технические отчеты.
Нормы, установленные в настоящем стандарте, относятся к изменениям напряжения, воздействующим на оборудование, подключаемое к распределительной низковольтной электрической сети, входящее в состав установок различных потребителей электрической энергии. Следовательно, оборудование, входящее в состав установки конкретного потребителя, может подвергаться воздействию сетевых помех, превышающих установленные нормы, если полное сопротивление в точке подключения оборудования внутри установки может превышать испытательное полное сопротивление.
Настоящий стандарт предназначен для применения при ограничении изменений напряжения, колебаний напряжения и фликера, вызываемых оборудованием, подключаемым к электрическим сетям низковольтных систем электроснабжения общего назначения, и оказывающим влияние на указанные системы электроснабжения.
Настоящий стандарт устанавливает нормы изменений напряжения, колебаний напряжения и фликера, которые могут быть вызваны оборудованием при испытаниях в регламентированных условиях, и содержит указания по методам оценки.
Настоящий стандарт распространяется на электротехническое, электронное и
радиоэлектронное <1> оборудование (далее - технические средства) с номинальным потребляемым током не более 16 А в одной фазе, предназначенное для подключения к электрическим сетям распределительных систем электроснабжения общего назначения номинальным напряжением фаза - нейтраль 220 В <2> частотой 50 Гц, подключаемое к сети при несоблюдении определенных условий подключения в соответствии с определением, приведенным в
3.11.
--------------------------------
<1> Радиоэлектронное оборудование выделено из состава электронного оборудования в целях соблюдения принятой терминологии.
<2> В соответствии с номинальным напряжением низковольтных электрических сетей общего назначения.
Технические средства (ТС), которые при проведении испытаний с использованием стандартного полного сопротивления электрической сети
Zref по
6.4 не соответствуют нормам, установленным в настоящем стандарте, и в отношении которых изготовитель не может, следовательно, указать в эксплуатационных документах, что конкретное ТС соответствует требованиям настоящего стандарта, могут быть испытаны или оценены на соответствие требованиям
ГОСТ 30804.3.11. Требования
ГОСТ 30804.3.11 распространяются на ТС с потребляемым током не более 75 А в одной фазе, подключаемые к электрическим сетям низковольтных систем электроснабжения общего назначения при определенных условиях (см.
3.11).
Для ТС с потребляемым током более 75 А в одной фазе, подключаемых к электрическим сетям низковольтных систем электроснабжения общего назначения, применяют ГОСТ EN/TS 61000-3-5.
Испытания в соответствии с настоящим стандартом являются типовыми.
Условия проведения испытаний ТС некоторых видов установлены в
приложении A, схема испытательной установки приведена на
рисунке 1.
Примечание - Нормы, установленные в настоящем стандарте, основаны на жестких требованиях к фликеру, наблюдаемому при использовании ламп накаливания с биспиральными нитями напряжением 230 В и мощностью 60 Вт, вызываемому колебаниями питающего напряжения. Для систем с номинальным напряжением фаза - нейтраль менее 220 В и/или частотой 60 Гц нормы и схема испытательной установки находятся на рассмотрении.
В настоящем стандарте использованы нормативные ссылки на следующие межгосударственные стандарты:
ГОСТ 30372-95 Совместимость технических средств электромагнитная. Термины и определения
ГОСТ 30804.3.2-2013 (IEC 61000-3-2:2009) Совместимость технических средств электромагнитная. Эмиссия гармонических составляющих тока техническими средствами с потребляемым током не более 16 А (в одной фазе). Нормы и методы испытаний
ГОСТ 30804.3.11-2013 (IEC 61000-3-11:2000) Совместимость технических средств электромагнитная. Колебания напряжения и фликер, вызываемые техническими средствами с потребляемым током не более 75 А (в одной фазе), подключаемыми к низковольтным системам электроснабжения при определенных условиях. Нормы и методы испытаний
ГОСТ IEC/TS 61000-3-5-2013 Совместимость технических средств электромагнитная. Ограничение колебаний напряжения и фликера, вызываемых техническими средствами с номинальным током более 75 А, подключаемыми к низковольтным системам электроснабжения
Примечание - При пользовании настоящим стандартом целесообразно проверить действие ссылочных стандартов в информационной системе общего пользования - на официальном сайте Федерального агентства по техническому регулированию и метрологии в сети Интернет или по ежегодному информационному указателю "Национальные стандарты", который опубликован по состоянию на 1 января текущего года, и по выпускам ежемесячного информационного указателя "Национальные стандарты" за текущий год. Если ссылочный стандарт заменен (изменен), то при пользовании настоящим стандартом следует руководствоваться заменяющим (измененным) стандартом. Если ссылочный стандарт отменен без замены, то положение, в котором дана ссылка на него, применяется в части, не затрагивающей эту ссылку.
В настоящем стандарте применены термины по
ГОСТ 30372, а также следующие термины с соответствующими определениями:
3.1 огибающая среднеквадратичных значений напряжения
U(
t) (r.m.s. voltage shape): Функция времени, образованная среднеквадратичными значениями напряжения источника электропитания, дискретно определенными на каждом полупериоде напряжения между моментами нулевого значения (см.
рисунок 2).
3.2 характеристика изменения напряжения

(voltage change characteristic): Функция времени, определяемая изменениями огибающей среднеквадратичных значений напряжения источника электропитания между интервалами времени, когда напряжение является установившимся, по крайней мере, в течение 1 с (см.
рисунок 2).
Примечание - При использовании характеристики изменения напряжения для оценок на основе вычислений, напряжение в установившемся режиме предполагается постоянным с учетом установленной погрешности результатов измерений (см.
6.2).
3.3 максимальное изменение напряжения

(maximum voltage change characteristic): Разность между максимальным и минимальным значениями характеристики изменения напряжения (см.
рисунок 2).
3.4 установившееся изменение напряжения

(steady - state voltage change): Разность между двумя смежными установившимися значениями напряжения, разделенными, по крайней мере, одной характеристикой изменения напряжения (см.
рисунок 2).
Примечание - Термины
3.2 -
3.4 относятся к абсолютным значениям фазных напряжений. Для отношений значений изменений напряжения
3.2 -
3.4 к номинальному значению фазного напряжения
Un в испытательной установке для испытаний ТС (см.
рисунок 1) применяют следующие термины:
- характеристика относительного изменения напряжения
d(
t) (см.
3.2);
- максимальное относительное изменение напряжения
dmax (см.
3.3);
- установившееся относительное изменение напряжения
dc (см.
3.4).
Пояснения указанных терминов приведены на
рисунке 3.
3.5 колебания напряжения (voltage fluctuation): Серия изменений среднеквадратичного значения напряжения, дискретно определяемого на каждом полупериоде напряжения источника электропитания между моментами нулевого значения.
3.6 фликер (flicker): Ощущение неустойчивости зрительного восприятия, вызванное световым источником, яркость или спектральный состав которого изменяются во времени.
3.7 кратковременная доза фликера Pst (short-term flicker indicator): Количественная характеристика фликера за короткий период времени (несколько минут); значение Pst = 1 соответствует порогу восприятия.
3.8 длительная доза фликера Plt (long-term flicker indicator): Количественная характеристика фликера за длительный период времени (несколько часов), оцениваемая с использованием последовательных значений Pst.
3.9 фликерметр (flickermeter): Средство измерений каких-либо количественных характеристик фликера.
Примечание - Обычно измеряют Pst и Plt.
3.10 время восприятия фликера tf (flicker impression time): Минимальное время для субъективного восприятия человеком фликера, связанного с характеристикой изменения напряжения.
3.11 подключение при определенных условиях (conditional connection): Подключение ТС, при котором значение полного сопротивления электрической сети в точке присоединения меньше значения стандартного полного сопротивления
Zref, что обеспечивает соответствие изменений напряжения, колебаний напряжения и фликера, вызываемых ТС, нормам, установленным в настоящем стандарте.
Примечание - Соответствие изменений напряжения, колебаний напряжения и фликера, вызываемых ТС, нормам настоящего стандарта - не единственное условие для подключения; должны выполняться также нормы эмиссии гармонических составляющих потребляемого тока.
3.12 точка присоединения (interface point): Точка, в которой установка потребителя подключена к распределительной электрической сети.
| | Раздел 4 содержит правила и методы исследований (испытаний) и измерений, в том числе правила отбора образцов, необходимые для применения и исполнения требований технического регламента Таможенного союза "Электромагнитная совместимость технических средств" (ТР ТС 020/2011) и осуществления оценки (подтверждения) соответствия продукции (Решение Комиссии Таможенного союза от 09.12.2011 N 879). | |
4. Оценка изменений напряжения, колебаний напряжения и фликера
4.1. Оценка относительных изменений напряжения
d
Основой для оценки фликера является характеристика изменения напряжения на зажимах испытуемого ТС (ИТС), т.е. разность

между двумя последовательными значениями огибающей среднеквадратичных значений фазных напряжений
U(
t1) и
U(
t2):

. (1)
Значения огибающей среднеквадратичных значений напряжения
U(
t1) и
U(
t2) должны быть измерены или рассчитаны. При определении значений огибающей среднеквадратичных значений напряжения с использованием осциллограммы необходимо принимать во внимание любые искажения формы кривой, которые могут иметь место. Изменение напряжения

обусловлено изменением падения напряжения на стандартном полном сопротивлении

, вызванном изменением потребляемого ИТС комплексного тока основной частоты

.

и

представляют собой активную и реактивную составляющие изменения комплексного тока

соответственно:

(2)
Примечания
1 Величина Iq имеет положительный знак для запаздывающих токов и отрицательный для опережающих.
2 Если отношения среднеквадратичного значения суммы гармонических составляющих

и

к среднеквадратичному значению основной составляющей менее 10%, вместо среднеквадратичных значений тока основной частоты могут быть использованы среднеквадратичные значения общего тока.
3 Для однофазных и симметричных трехфазных ТС изменение напряжения

при индуктивном характере полного сопротивления, т.е. положительном значении X может быть приближенно определено по формуле

, (3)
где

,

- активная и реактивная составляющие изменения комплексного тока

;
R,
X - элементы стандартного полного сопротивления
Z (см.
рисунок 1).
Относительное изменение напряжения d вычисляют по формуле

. (4)
4.2. Оценка кратковременной дозы фликера
Pst
Метод оценки кратковременной дозы фликера
Pst установлен в
[1] <1>.
--------------------------------
Альтернативные методы оценки Pst для колебаний напряжения различного вида приведены в таблице 1.
Таблица 1
Методы оценки Pst для колебаний напряжения различного вида
Вид колебаний напряжения | Метод оценки Pst |
Колебания напряжения произвольного вида (оценка онлайн) | Непосредственные измерения с использованием фликерметра |
Колебания напряжения произвольного вида, для которых определяют U(t) | Моделирование, непосредственные измерения |
Характеристика изменений напряжения соответствует рисункам 5 - 7 при частоте повторения колебаний меньше 1/с | Аналитический метод, моделирование, непосредственные измерения |
Огибающая изменений напряжения имеет форму меандра | |
4.2.1 Фликерметр
Для колебаний напряжения произвольного вида оценка
Pst может быть проведена непосредственными измерениями с использованием фликерметра по
[1], подключаемого в соответствии с
разделом 6. Применение фликерметра по
[1] является опорным методом оценки соответствия ТС нормам, установленным в настоящем стандарте.
4.2.2 Моделирование
В случае, если известна характеристика относительного изменения напряжения d(t), то для оценки Pst может быть применен метод моделирования с использованием компьютера.
4.2.3 Аналитический метод
Для характеристик изменения напряжения некоторых видов, приведенных на
рисунках 5 -
7, значение
Pst может быть определено аналитическим методом с использованием
выражений (5) и
(6).
Примечания
1 Отклонения значений Pst, определенных аналитическим методом, от значений, полученных с применением фликерметра, как правило, не превышают +/- 10%.
2 Аналитический метод не применяют, если интервал времени между окончанием одного изменения напряжения и началом следующего менее 1 с.
4.2.3.1 Описание аналитического метода
Для каждой характеристики относительного изменения напряжения определяют время восприятия фликера tf, с, по формуле
где dmax - максимальное относительное изменение напряжения в процентах номинального напряжения;
F - коэффициент приведения, определяемый в зависимости от вида кривой изменения напряжения (см.
4.2.3.2).
Сумма значений времени восприятия фликера

для всех учитываемых изменений напряжения в пределах общего интервала времени
Tp, с, является основой для оценки кратковременной дозы фликера
Pst. Если общий интервал времени
Tp выбран в соответствии с
6.5, т.е. представляет собой период наблюдения, то

. (6)
4.2.3.2 Коэффициент приведения
Коэффициент приведения преобразует характеристику одиночного относительного изменения напряжения d(t) в эквивалентное значение дозы фликера F·dmax.
Примечания
1 Коэффициент приведения для ступенчатых изменений напряжения равен единице.
2 Характеристика относительного изменения напряжения может быть измерена непосредственно (см.
рисунок 1) или рассчитана по среднеквадратичным значениям тока, потребляемого ИТС, с использованием
выражений (1) -
(4).
Кривая относительного изменения напряжения должна быть получена с использованием последовательных интервалов времени, равных 10 мс.
Коэффициент приведения
F определяют по
рисункам 5,
6 и
7 при условии, что характеристики относительных изменений напряжения совпадают с приведенными на этих рисунках. Для определения
F необходимо:
- найти максимальное относительное изменение напряжения
dmax (в соответствии с
рисунком 3);
- определить время
T, мс, соответствующее характеристике изменения напряжения, как показано на
рисунках 5,
6 и
7 и, исходя из значения T, определить значение F.
Примечание - Отклонение от характеристик, приведенных на
рисунках 5 -
7, может привести к недопустимым ошибкам.
4.2.4 Использование кривой Pst = 1
Если изменения напряжения имеют форму меандра с амплитудой d, то для определения амплитуды (относительного изменения напряжения)
dlim, соответствующей
Pst = 1, при конкретной частоте повторения изменений напряжения может быть использован график, представленный на
рисунке 4. Значение кратковременной дозы фликера
Pst, соответствующее измеренному значению d, определяют с использованием выражения
Pst =
d/
dlim.
4.3. Оценка длительной дозы фликера
Plt
Длительную дозу фликера
Plt определяют в соответствии с
[1].
Длительную дозу фликера
Plt определяют для интервала наблюдения, равного 2 ч (см.
6.5). Значение
Plt особенно важно получить для ТС, длительность рабочего цикла которых в нормальных условиях превышает 30 мин.
| | Применение на добровольной основе раздела 5 обеспечивает соблюдение требований технического регламента Таможенного союза "Электромагнитная совместимость технических средств" (ТР ТС 020/2011) (Решение Комиссии Таможенного союза от 09.12.2011 N 879). | |
Установленные в настоящем стандарте нормы применяют к изменениям напряжения и фликеру на сетевых зажимах ИТС, измеренным или рассчитанным в соответствии с требованиями
раздела 4 при соблюдении условий испытаний, указанных в
разделе 6 и
приложении A. Испытания, проведенные для подтверждения соответствия нормам, установленным в настоящем стандарте, рассматривают как типовые.
Настоящий стандарт устанавливает следующие нормы:
- кратковременная доза фликера - не более 1,0;
- длительная доза фликера Plt - не более 0,65;
- характеристика относительного изменения напряжения d(t) в течение изменения напряжения - не более 3,3% для интервала времени изменения напряжения, превышающего 500 мс;
- установившееся относительное изменение напряжения - не более 3,3%;
- максимальное относительное изменение напряжения dmax - не более:
a) 4% - если нет дополнительных условий;
b) 6% - для ТС, у которых:
включение/выключение осуществляется вручную,
включение/выключение осуществляется автоматически чаще двух раз в день при условии запаздывающего повторного запуска (запаздывание должно быть не менее нескольких десятков секунд) или
повторный запуск после прерывания напряжения в системе электроснабжения осуществляется вручную.
Примечание - Помехи, связанные с циклическими частотами, ограничивают за счет установления кратковременной Pst и длительной Plt доз фликера. Например, при прямоугольной характеристике изменения напряжения дважды в час и максимальном относительном изменении напряжения dmax, равном 6%, значение Plt будет приблизительно равно 0,65;
применяются непосредственно пользователями для выполнения определенных функций [например, фен, пылесос, кухонные устройства (например миксеры), садовые устройства (например, газонокосилки), ручные электрические инструменты (например, электродрель)] или включаются/выключаются автоматически или вручную, но не чаще двух раз в день и имеют запаздывающий повторный запуск (запаздывание должно быть не менее нескольких десятков секунд) или ручной повторный запуск после прерывания напряжения в системе электропитания.
Для ТС, конструкция которых предусматривает работу с различными нагрузками в соответствии с
6.6, нормы, установленные в
перечислениях b) и
c), применяют при наличии запаздывающего или ручного повторного запуска после прерывания напряжения в системе электропитания. Для ТС всех видов с автоматическим включением/выключением, питание которых начинает осуществляться непосредственно при восстановлении напряжения в системе электропитания после его прерывания, применяют нормы, установленные в
перечислении a). Для ТС всех видов, у которых включение/выключение осуществляются вручную, нормы, установленные в
перечислениях b) и
c), применяют в зависимости от частоты включения/выключения.
Нормы Pst и Plt не применяют при изменениях напряжения, вызванных включением/выключением питания вручную.
Установленные в настоящем стандарте нормы не применяют при включениях/выключениях и функционировании ТС, связанных с аварийными условиями.
| | Раздел 6 содержит правила и методы исследований (испытаний) и измерений, в том числе правила отбора образцов, необходимые для применения и исполнения требований технического регламента Таможенного союза "Электромагнитная совместимость технических средств" (ТР ТС 020/2011) и осуществления оценки (подтверждения) соответствия продукции (Решение Комиссии Таможенного союза от 09.12.2011 N 879). | |
Испытания не следует проводить применительно к ТС, создание которыми значительных колебаний напряжения или фликера маловероятно.
Целесообразно провести анализ схем и технических документов на ТС и, при необходимости, короткие функциональные испытания с тем, чтобы определить, является ли создание значительных колебаний напряжения или фликера вероятным.
Применительно к изменениям напряжения, вызванным ручным включением/выключением, считают ТС соответствующим нормам настоящего стандарта без испытаний, если максимальное среднеквадратическое значение потребляемого тока, включая пусковой ток, дискретно определяемое на каждом полупериоде напряжения между моментами нулевого значения, не превышает 20 А, и изменения тока потребляемого из электрической сети после окончания пускового тока не превышают 1,5 А.
Если для подтверждения соответствия нормам, установленным в настоящем стандарте, проводят измерения, то максимальное относительное изменение напряжения
dmax при ручном включении/выключении измеряют в соответствии с
приложением B.
Для подтверждения соответствия нормам, установленным в настоящем стандарте, используют испытательную установку, схема которой приведена на
рисунке 1.
Испытательная установка включает в себя:
- испытательное напряжения электропитания (см.
6.3);
- стандартное полное сопротивление (см.
6.4);
- фликерметр (см.
[1]), если необходимо.
Относительное изменение напряжения
d(
t) может быть измерено непосредственно или рассчитано по среднеквадратичным значениям тока, как указано в
4.1. Для определения кратковременной дозы фликера
Pst, создаваемой ИТС, должен быть применен один из методов, приведенных в
4.2. В сомнительных случаях значение
Pst должно быть измерено опорным методом с использованием фликерметра.
Примечание - Если ИТС представляет собой симметричное трехфазное ТС, допускается измерять лишь одно из трех фазных напряжений.
Значение тока должно быть измерено с погрешностью не более +/- 1%. Если вместо значений активного и реактивного тока измеряют фазовый угол, погрешность не должна превышать +/- 2°.
Относительное изменение напряжения d должно быть измерено с погрешностью менее +/- 8% (по отношению к максимальному значению dmax). Полное сопротивление цепи, включая внутреннее сопротивление источника испытательного напряжения электропитания, но исключая ИТС, должно быть равно значению стандартного полного сопротивления. Стабильность и значения допусков элементов указанного полного сопротивления должны обеспечивать суммарную относительную погрешность определения величины d менее +/- 8% в течение времени испытаний.
Примечание - Указанный ниже метод не применяют, если значения измеряемых величин близки к нормам.
Если полное сопротивление источника испытательного напряжения электропитания не может быть точно установлено, например, в случае, если указанное полное сопротивление подвержено непредсказуемым изменениям, допускается включать между источником напряжения и зажимами ИТС комплексное сопротивление, активная и реактивная части которого равны соответственно активной и реактивной части стандартного полного сопротивления. Затем проводят измерения напряжений на зажимах источника, подключенных к стандартному полному сопротивлению, и на зажимах ИТС. Для применения результатов измерений необходимо, чтобы максимальное относительное изменение напряжения dmax, измеренное на зажимах источника напряжения, составляло менее 20% максимального относительного изменения напряжения dmax на зажимах ИТС.
6.3. Испытательное напряжение электропитания
Испытательное напряжение электропитания (напряжение холостого хода) должно быть равно номинальному напряжению электропитания ИТС. Если ИТС рассчитано на применение различных напряжений электропитания, испытательное напряжение должно быть 220 В для однофазных ТС и 380 В - трехфазных ТС. Отклонение испытательного напряжения от номинального значения должно быть не более +/- 2%. Частота электропитания должна быть в пределах 50 Гц +/- 0,5%.
Коэффициент искажения синусоидальности кривой напряжения не должен превышать 3%.
Колебания испытательного напряжения в течение времени испытаний ТС допускается не учитывать, если кратковременная доза фликера Pst меньше 0,4. Выполнение этого условия должно быть проверено перед началом и после окончания каждого испытания.
6.4. Стандартное полное сопротивление
| | ИС МЕГАНОРМ: примечание. В официальном тексте документа, видимо, допущена опечатка: пункт [3] в Библиографии отсутствует. | |
Стандартное полное сопротивление Zref для ИТС установлено в соответствии с [3] и представляет собой полное сопротивление, используемое при расчетах и измерении относительных изменений напряжения d и значений Pst и Plt.
Значения составляющих полного сопротивления приведены на
рисунке 1.
Период наблюдения Tp для оценки дозы фликера при измерениях с использованием фликерметра и применении метода моделирования и аналитического метода должен составлять:
- для Pst - Tp = 10 мин;
- для Plt - Tp = 2 ч.
Период наблюдения должен включать в себя ту часть полного рабочего цикла, в течение которой ИТС производит наиболее неблагоприятную последовательность изменений напряжения.
При определении кратковременной дозы фликера
Pst рабочий цикл повторяют периодически, если иное не установлено в
приложении A. Минимально необходимое время повторного включения (перезапуска) ИТС включают в период наблюдения, если ИТС прекращает работу автоматически в конце рабочего цикла, продолжительность которого меньше, чем период наблюдения.
При определении длительной дозы фликера
Plt рабочий цикл не повторяют, если иное не установлено в
приложении A, в том случае, когда длительность рабочего цикла ИТС меньше 2 ч и ИТС в нормальных условиях не предназначено для продолжительного функционирования.
Примечание - Например, если продолжительность рабочего цикла ИТС равна 45 мин, измеряют пять последовательных значений Pst в течение 50 мин, и оставшиеся для периода наблюдения продолжительностью 2 ч семь значений Pst принимают равными нулю.
6.6. Общие условия испытаний
Общие условия испытаний при измерении колебаний напряжения и фликера приведены ниже.
Для ТС видов, не указанных в
приложении A, положения органов управления или автоматические программы должны быть установлены так, чтобы обеспечить создание наиболее неблагоприятной последовательности изменений напряжения. При этом используют только те комбинации положений органов элементов управления или автоматических программ, которые указаны изготовителем в технических документах на ТС, или те, которые могут быть использованы при эксплуатации ТС. Частные условия испытаний для ТС видов, не указанных в
приложении A, рассматриваются.
Конкретное ТС должно быть испытано при рабочих условиях, установленных изготовителем. Перед испытаниями, при необходимости, проводят предварительную проверку электрических приводов, с тем чтобы результаты соответствовали нормальной эксплуатации ТС.
Примечание - Рабочие условия включают применение механических и/или электрических нагрузок.
При определении максимального относительного изменения напряжения dmax, связанного с пуском электродвигателя ТС, допускается проводить измерения при заторможенном роторе.
Для ТС, имеющих несколько отдельно управляемых цепей, применяют следующие условия испытаний:
- каждую цепь, предназначенную для отдельного использования, рассматривают как отдельный образец ТС, если в конструкции не предусмотрено их одновременное включение;
- если управление отдельными цепями предполагает их одновременное включение, то в качестве отдельного образца ТС рассматривают группу одновременно включаемых цепей.
Подробные условия проведения типовых испытаний ТС некоторых видов приведены в
приложении A.
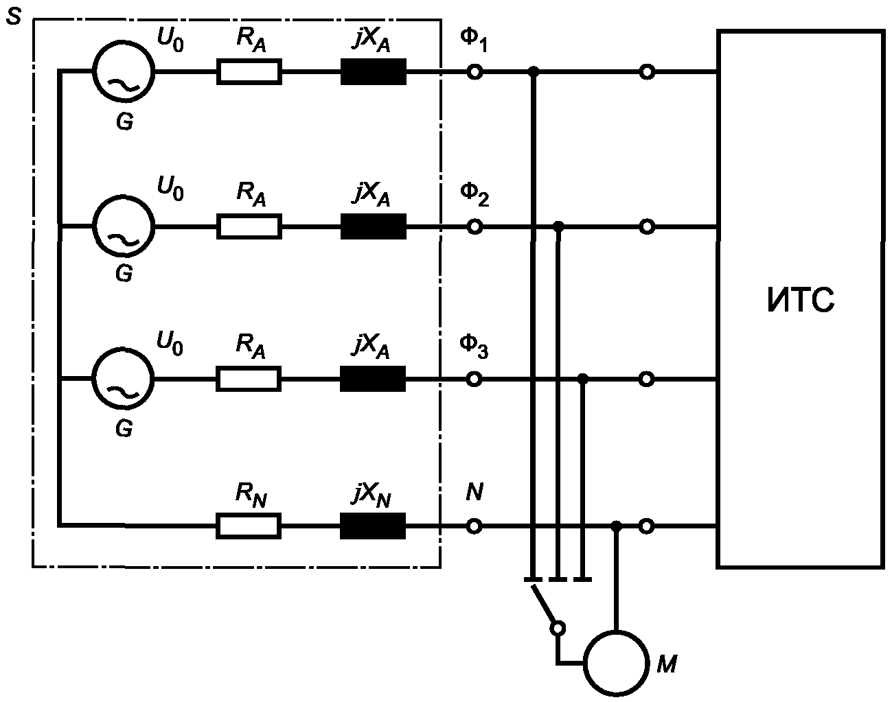
M - средство измерений; G - генератор напряжения,
соответствующий требованиям
6.3; S - источник
электропитания, содержащий генератор напряжения G
и стандартное полное сопротивление Z; U0 - напряжение
холостого хода источника электропитания; RA, RN - активные
составляющие стандартного полного сопротивления Z; jXA, jXN
- реактивные составляющие стандартного полного сопротивления
Z; Ф1, Ф2, Ф3 - фазные провода; N - нейтральный провод
Примечания
1 Значения составляющих стандартного полного сопротивления Z:
RA = 0,24 Ом jXA = 0,15 Ом на частоте 50 Гц;
RN = 0,16 Ом jXN = 0,1 Ом на частоте 50 Гц.
2 Составляющие стандартного полного сопротивления включают dct,z полное сопротивление генератора G.
3 Если полное сопротивление источника электропитания точно не установлено, применяют метод, установленный в
6.2.
4 Трехфазные нагрузки, как правило, симметричны и составляющие RN и jXN допускается не учитывать, если ток в нейтральном проводе отсутствует.
Рисунок 1 - Схема испытательной установки для испытаний ТС,
подключаемых к однофазным и трехфазным электрическим сетям
Рисунок 2 - Схема определения огибающей среднеквадратичных
значений напряжения
Рисунок 3 - Характеристика относительного
изменения напряжения
Примечание - Частота повторения изменений напряжения 1200 мин-1 соответствует фликеру с частотой 10 Гц.
Рисунок 4 - Кривая для
Pst = 1 при изменениях напряжения,
огибающая которых имеет форму меандра
Рисунок 5 - Коэффициент приведения для двухступенчатых
и линейно изменяющихся характеристик относительного
изменения напряжения
Рисунок 6 - Коэффициент приведения для прямоугольных
и треугольных характеристик относительного изменения
напряжения
Примечание -
Tt =
t3 -
t2,
Tf =
t2 -
t1 (см.
рисунок 3).
Рисунок 7 - Коэффициент приведения для характеристик
относительного изменения напряжения, вызванных пуском
электрических двигателей
(обязательное)
ПРИМЕНЕНИЕ НОРМ И УСЛОВИЯ
ТИПОВЫХ ИСПЫТАНИЙ ТС КОНКРЕТНОГО ВИДА
A.1. Условия испытаний кухонного оборудования
Для кухонного оборудования, предназначенного для использования в бытовых условиях, длительную дозу фликера Plt не определяют. Кратковременную дозу фликера Pst определяют при установившемся температурном режиме, за исключением случаев, когда указанный режим не обеспечивается конструкцией кухонного оборудования. Каждый нагреватель испытывают отдельно.
A.1.1 Электроплитки
Электроплитки испытывают с использованием стандартного сосуда с водой, диаметр которого равен диаметру нагревательного элемента. Высота сосуда и масса воды указаны в таблице A.1.
Таблица A.1
Характеристики стандартного сосуда с водой
Диаметр нагревательного элемента, мм | Высота сосуда, мм | Масса воды, г |
145 | 140 | 1000 +/- 50 |
180 | 140 | 1500 +/- 50 |
220 | 120 | 2000 +/- 50 |
Во время испытаний компенсируют потери на испарение воды.
Электроплитка должна удовлетворять нормам, установленным в
разделе 5 при всех указанных ниже условиях испытаний.
a) Испытания при температуре кипения
Устанавливают регулятор температуры в положение, при котором вода кипит. Испытания проводят пять раз и определяют среднее по результатам испытаний значение.
b) Испытания при температуре жарки
Сосуд без крышки наполняют силиконовым маслом массой в 1,5 раза превышающей массу воды, указанную выше. Устанавливают регулятор в положение, при котором температура равна 180 °C. Контроль температуры проводят с помощью термоэлемента, помещенного в середину объема масла.
c) Испытания при полном диапазоне уставок мощности
Испытания проводят последовательно для всех уставок мощности при времени наблюдения 10 мин. Если мощность регулируется шаговым регулятором, испытания проводят для каждой ступени регулирования (число ступеней не более 20). Если ступенчатое регулирование мощности отсутствует, полный диапазон мощности делят на 10 равных частей. Измерения начинают с наибольшего уровня мощности.
A.1.2 Печи для выпечки хлеба
Печи для выпечки хлеба испытывают пустыми, с закрытой дверцей. Регулирование температуры осуществляют так, чтобы температура в геометрическом центре духовки, измеренная с помощью термопары, была равна 220 °C для печей обычного типа и 200 °C - для печей с циркуляцией горячего воздуха.
A.1.3 Грили
Грили испытывают пустыми, с закрытой дверцей, за исключением случаев, когда иные условия испытаний указаны в технических документах на гриль. При наличии регулятора температуры должны быть последовательно установлены режимы наименьшей, средней и наибольшей температур. Регистрируют наиболее неблагоприятный с точки зрения изменений напряжения результат испытаний.
A.1.4 Комбинированные печи (печь для выпечки хлеба/гриль)
Комбинированные печи испытывают пустыми, с закрытой дверцей. Регулирование температуры осуществляют так, чтобы температура в геометрическом центре печи, измеренная с помощью термопары, была равна 250 °C или реально достижимой температуре, ближайшей к указанному выше значению.
A.1.5 Микроволновые печи
Микроволновые печи, а также комбинированные печи при выполнении ими функций микроволновой печи испытывают при наименьшей и средней мощности, а также при положении органов управления, обеспечивающих наивысшую реально достижимую при регулировании мощность, которая должна быть не менее 90% максимальной. В печь помещают стеклянный сосуд, содержащий (1000 +/- 50) г воды.
A.2. Условия испытаний светового и аналогичного оборудования
Для оборудования, основной функцией которого является генерирование и/или регулирование и/или распределение оптического излучения при использовании ламп накаливания, разрядных ламп или светодиодов, применяют следующие условия испытаний.
Такое оборудование испытывают с лампами, мощность которых должна соответствовать той, на которую рассчитано оборудование. Если оборудование рассчитано на применение нескольких ламп, испытания проводят с использованием всех ламп.
Дозы фликера Pst и Plt определяют для осветительных приборов только тех видов, которые с большой вероятностью вызывают фликер, например, для светового оборудования, применяемого при освещении дискотек или автоматически регулируемого светового оборудования.
Нормы для ламп не устанавливают.
Светильники номинальной мощностью не более 1000 Вт с лампами накаливания и не более 600 Вт с разрядными лампами считают соответствующими нормам
dmax, установленным в настоящем стандарте, без проведения испытаний. Светильники большей номинальной мощности, не соответствующие нормам, установленным в настоящем стандарте, подключают к электрической сети при определенных условиях в соответствии с
ГОСТ 30804.3.11.
Балласты считают частью светильников и по отдельности не испытывают.
A.3. Условия испытаний стиральных машин
Стиральные машины испытывают при выполнения полной программы машины, включая нормальный цикл стирки номинальной массы предварительно выстиранной хлопчатобумажной ткани с двойной подрубкой размерами приблизительно 70 x 70 см поверхностной плотностью в сухом состоянии от 140 до 175 г/м2.
Температура воды должна быть:
- для стиральных машин без нагревательных элементов - (65 +/- 5) °C;
- для других стиральных машин - (15 +/- 5) °C.
Испытания программируемых стиральных машин проводят при выполнении программы стирки хлопчатобумажных тканей при температуре 60 °C. Предварительную стирку ткани при этом не проводят.
При испытаниях стиральных машин без программного управления воду перед началом первого периода стирки нагревают до температуры (90 +/- 5) °C или меньшей температуры для обеспечения условий стирки.
При определении dc, dmax и d(t) исключают одновременное включение двигателя и нагревателя. При испытаниях, помимо изменений напряжения, определяют дозы фликера Pst и Plt.
A.4. Условия испытаний сушилок барабанного типа
Сушилки барабанного типа загружают тканевым материалом, масса которого составляет 50% от массы, установленной для нормальной эксплуатации в соответствии эксплуатационными документами.
Тканевый материал должен представлять собой предварительно выстиранные куски хлопчатобумажной ткани размерами приблизительно 70·70 см с двойной подрубкой поверхностной плотностью в сухом состоянии от 140 до 175 г/м2. Материал должен быть замочен водой при температуре (25 +/- 5) °C. Масса воды должна составлять 60% массы хлопчатобумажной ткани.
При наличии регулирующих элементов испытания должны быть проведены при их положениях, обеспечивающих максимальную и минимальную мощность.
При испытаниях, помимо изменений напряжения, определяют дозы фликера Pst и Plt.
A.5. Условия испытаний холодильников
Холодильники должны работать продолжительно с закрытой дверью. Термостат устанавливают в положение, обеспечивающее среднее значение температуры в диапазоне регулирования температур. Камера должна быть пустой и холодной. Измерения проводят после достижения установившегося режима. Дозы фликера Pst и Plt при испытаниях не определяют.
A.6. Условия испытаний копировальных машин, лазерных принтеров и аналогичных устройств
При определении кратковременной дозы фликера Pst испытания проводят при максимальной скорости копирования (печати). Оригинал для копирования (печати) должен быть на белой чистой бумаге, поверхностная плотность бумаги должна быть 80 г/м2, если иное не установлено в технических документах на ТС конкретного типа.
Длительную дозу фликера Plt при испытаниях определяют в режиме ожидания.
A.7. Условия испытаний пылесосов
Для пылесосов дозы фликера Pst и Plt при испытаниях не определяют.
A.8. Условия испытаний миксеров
Для миксеров дозы фликера Pst и Plt при испытаниях не определяют.
A.9. Условия испытаний переносных электрических инструментов
Для переносных электрических инструментов длительную дозу фликера Plt при испытаниях не определяют. При отсутствии нагревательных элементов в конструкции переносного инструмента кратковременную дозу фликера Pst также не определяют.
При наличии нагревательных элементов
Pst определяют при включении и непрерывном функционировании переносного электроинструмента в течение 10 мин. Если переносный электроинструмент выключается автоматически, применяют правило в соответствии с
6.5.
A.10. Условия испытаний фенов
Для ручных фенов длительную дозу фликера
Plt при испытаниях не определяют. Для определения кратковременной дозы фликера
Pst включают фен в режиме непрерывного функционирования в течение 10 мин или до тех пор, пока он не выключится автоматически, и в этом случае применяют правило в соответствии с
6.5.
Фены с регулировкой мощности проверяют во всем диапазоне мощностей в течение времени измерений 10 мин. Если мощность регулируется шаговым регулятором, испытания проводят для каждой ступени регулирования числом не более 20. Если ступенчатое регулирование мощности отсутствует, полный диапазон мощности делят на 10 равных частей. Измерения начинают с наибольшего уровня мощности.
A.11. Условия испытаний бытовых электронных устройств
Для бытовых электронных устройств при испытаниях определяют только значение dmax.
A.12. Условия испытаний электрических водонагревателей прямого нагревания
Для электрических водонагревателей прямого нагревания без электронного управления определяют только значение dc при включении и выключении водонагревателя в режиме наибольшей потребляемой мощности Pmax (последовательность: 0 - Pmax - 0).
Для электрических водонагревателей прямого нагревания с электронным управлением устанавливают температуру и скорость протекания воды так, чтобы при изменении скорости протекания воды потребляемая электрическая мощность могла быть изменена от Pmin до Pmax, причем Pmax представляет собой максимальную мощность, которая может быть установлена в водонагревателе, а Pmin > 0 представляет собой минимальную мощность.
Примечание - Для некоторых изделий максимальная мощность Pmax, которая может быть установлена в водонагревателе, меньше номинальной мощности.
Установленную температуру воды поддерживают неизменной в течение всего времени испытаний.
Начиная со скорости протекания воды, соответствующей мощности Pmax, скорость протекания снижают двадцатью приблизительно равными ступенями до скорости, соответствующей Pmin. Затем вновь увеличивают скорость протекания воды с учетом разбиения диапазона скоростей на 20 приблизительно равных ступеней до скорости, соответствующей Pmax. Для каждой из указанных 40 ступеней определяют кратковременные дозы фликера Pst,i. Измерения начинают при достижении установившегося режима, т.е. не менее, чем через 30 с после изменения скорости протекания воды.
Примечание - Допускается определять значение Pst,i по результатам измерений в течение 1 мин.
Кроме того, в течение периода наблюдения 10 мин определяют значение кратковременной дозы фликера Pst,z, вызываемого включением и выключением водонагревателя. Для этого потребление мощности в течение указанного периода наблюдения дважды наиболее быстрым способом изменяют между значениями P = 0 и P = Pmax (последовательность: 0 - Pmax - 0 - Pmax - 0).
Рабочий цикл водонагревателя должен включать в себя значение мощности, равной 50% Pmax в течение 5 мин.
Результирующее значение кратковременной дозы фликера Pst вычисляют по формуле

(A.1)
и сравнивают со значением нормы, установленным в
разделе 5.
Длительную дозу фликера Plt при испытаниях не определяют.
A.13. Условия испытаний усилителей сигналов звуковой частоты
Рабочие условия при испытаниях усилителей сигналов звуковой частоты устанавливают по ГОСТ 30804.3.2, приложение C,
пункт C.3.
A.14. Условия испытаний кондиционеров, увлажнителей воздуха, тепловых насосов, коммерческого холодильного оборудования
Испытания проводят после достижения установившегося режима или после работы компрессора не менее 30 мин.
Окружающая температура при испытаниях должна быть (15 +/- 5) °C в режиме отопления и (30 +/- 5) °C - в режиме охлаждения или увлажнения воздуха.
Тепловые насосы с обратным циклом испытывают только в режиме охлаждения.
Значение dmax определяют одним из способов:
a) непосредственным измерением.
Для этого:
- выключают мотор компрессора, используя термостат;
- вновь включают мотор компрессора, используя термостат, после минимальной временной задержки, допускаемой в соответствии с эксплуатационными документами на ТС или обеспечиваемой устройством автоматического управления;
- повторяют операции "выключено - включено" 24 раза и определяют значение
dmax в соответствии с методом, установленным в
приложении B. Если результат первого испытания не выходит за пределы +/- 10% значения нормы
dmax, оценка соответствия оборудования норме максимального относительного изменения напряжения может быть проведена по результату первого испытания и в повторении операций "выключено - включено" нет необходимости;
b) аналитическим методом.
За значение стартового тока принимают суммарное значение тока мотора компрессора при заторможенном роторе (с учетом коэффициента мощности) и токов других нагрузок (мотора вентилятора и т.д.). При этом учитывают другие нагрузки, которые включаются менее чем за 2 с до включения мотора компрессора и выключаются менее чем через 2 с после включения мотора компрессора, что позволяет разделить изменения напряжения, вызываемые мотором компрессора и другими нагрузками.
Значения Pst и Plt вычисляют с использованием сведений о числе циклов работы ТС в течение одного часа, предоставленных изготовителем.
A.15. Условия испытаний оборудования дуговой сварки
Оборудование дуговой сварки, а также оборудование, в котором используются аналогичные процессы, должно быть испытано для определения его соответствия норме
dmax, равной 7% [см.
раздел 5, перечисление c)] с применением метода, установленного в
приложении B.
Кроме того, для оборудования, предназначенного для использования при процессах ручной дуговой сварки металлическим электродом, должны быть определены значения
Pst и
dc в соответствии с
A.15.1 и
A.15.2.
При проведении всех испытаний падение напряжения, вызываемое оборудованием при нормальных рабочих условиях и установленной максимальной выходной мощности, должно быть от 3% до 5% напряжения электропитания.
Установленные в настоящем подразделе условия типовых испытаний применяют для оборудования дуговой сварки, конструкция которого соответствует
[2]. Данные условия испытаний применимы также для оборудования с потребляемым током более 16 А. Условия испытаний для оборудования дуговой сварки других видов - на рассмотрении.
Испытания для оценки
Pst при использовании оборудования ручной дуговой сварки металлическим электродом должны быть проведены с использованием испытательной установки, имитирующей сварку основными электродами диаметром 3,25 мм (см.
[2]). Если оборудование не обеспечивает сварку этими электродами (при
Imax < 130 А), следует использовать параметры испытательной установки, соответствующие сварочным электродам диаметром 2,5 мм (см. таблицу A.2).
Таблица A.2
Зависимость параметров испытательной
установки от диаметра сварочного электрода
Диаметр сварочного электрода, мм | Основные данные |
Номинальный выходной ток Inom, А | Номинальное выходное напряжение Unom, В | Число переключений сопротивления нагрузки | Время изменения сопротивления нагрузки tdrop, мс | Сопротивление короткого замыкания Rsc, мОм |
2,5 | 90 | 23,6 | 920 | 5,6 | 18 |
3,25 | 130 | 25,2 | 350 | 7,5 | 13 |
Для определения кратковременной дозы фликера
Pst необходимо знать значения изменения напряжения на входных зажимах электропитания ИТС,

. Эти значения должны быть измерены или рассчитаны по результатам измерения силы тока на входных зажимах ИТС с использованием одного из указанных ниже методов испытаний А и Б (см. A.15.1.1,
A.15.1.2). При этом соединения с нагрузкой должны быть выполнены двумя медными сварочными кабелями длиной 3 м сечением 50 мм
2 органы управления силой дуги (при их наличии) должны быть установлены в среднее положение.
A.15.1.1 Метод испытаний A
Данный метод испытаний является достаточно простым, но его применение может привести к завышенным оценкам. Метод может быть использован также при проведении предварительных испытаний.
Вначале измеряют среднеквадратическое значение потребляемого тока при установлении резистивной нагрузки ИТС, обеспечивающей номинальные значения выходного тока
Inom и выходного напряжения
Unom по
таблице A.2. Затем устанавливают сопротивление нагрузки, равное сопротивлению короткого замыкания
Rsc по
таблице A.2.
Разность измеренных среднеквадратических значений потребляемого тока

используют для определения значения

.
A.15.1.2 Метод испытаний B
Данный метод является более сложным, чем метод испытаний A, но обеспечивает более точные результаты.
Параметры оборудования дуговой сварки, указанные в
таблице A.2, имитируют с применением управляемой резистивной нагрузки, сопротивление которой изменяется за счет переключений, выполняемых устройством с электронным управлением так, чтобы произошло изменение сопротивления от номинального значения до значения
Rsc. При этом начало изменения сопротивления нагрузки должно соответствовать конкретному значению фазы напряжения электропитания на входных зажимах ИТС.
Измеряют изменения потребляемого тока (среднеквадратичные значения, дискретно определенные на интервалах времени 10 мс между моментами нулевого значения), вызванные изменениями нагрузки на выходе. Измерения проводят для пяти моментов начала изменения сопротивления нагрузки относительно фазы напряжения электропитания на входе ИТС: при начале изменения сопротивления в момент нулевого значения напряжения электропитания на входе ИТС и с задержкой от этого момента времени на 2, 4, 6 и 8 мс. Среднеарифметическое значение изменений потребляемого тока используют для проведения расчетов.
A.15.1.3 Вычисление Pst
Кратковременную дозу фликера Pst рассчитывают по формуле

, (A.2)
где

, %;
F - коэффициент приведения, зависящий от вида характеристики изменения напряжения. Для ручной дуговой сварки металлическими электродами принимают F = 1;
r - частота изменений напряжения, мин -1;
R - коэффициент, зависящий от частоты изменений напряжения. Значения коэффициента R указаны в таблице A.3.
Таблица A.3
Зависимость коэффициента R от частоты изменений напряжения
Частота изменений напряжения r, мин-1 | R |
0,2 | 0,98 |
0,3 | 1,03 |
0,4 | 1,02 |
0,5 | 1,00 |
0,6 | 1,00 |
0,7 | 1,02 |
0,8 | 1,00 |
0,9 | 1,00 |
1 | 1,00 |
2 | 0,99 |
3 | 1,00 |
4 | 1,00 |
5 | 1,03 |
6 | 1,02 |
7 | 1,02 |
8 | 1,03 |
9 | 1,03 |
10 | 1,08 |
Примечание - Процесс ручной дуговой сварки металлическим электродом включает в себя приготовление обрабатываемой детали, сварку, обработку сварного шва, замену электродов. Время, в течение которого происходят изменения напряжения, составляет лишь около 2,5 мин для каждого 10-минутного интервала, т.е. рабочий цикл при дуговой сварке металлическим электродом составляет 0,25. Значение r для данного случая равно 0,2 мин-1 (при условии значительных изменений напряжения в моменты начала и окончания сварки).
Результаты расчетов кратковременной дозы фликера
Pst должны соответствовать норме, установленной в
разделе 5. Если норма превышается, изготовитель не может указать в эксплуатационных документах, что конкретное ТС соответствует требованиям настоящего стандарта. В этом случае должны быть проведены процедуры подтверждения соответствия требованиям
ГОСТ 30804.3.11.
A.15.2. Испытания для определения
dc
Вначале измеряют среднеквадратичное значение потребляемого тока при установлении резистивной нагрузки ИТС, обеспечивающей номинальные значения выходного тока
Inom и выходного напряжения
Unom по
таблице A.2. Затем проводят измерения потребляемого тока при отсутствии нагрузки. Разность измеренных среднеквадратичных значений потребляемого тока

используют при вычислении
dc.
A.15.2.1 Вычисление dc
Установившееся относительное изменение напряжения dc рассчитывают по формуле

. (A.3)
Результаты расчетов установившегося относительного изменения напряжения
dc должны соответствовать норме, установленной в
разделе 5. Если норма превышается, изготовитель не может указать в эксплуатационных документах, что конкретное ТС соответствует требованиям настоящего стандарта. В этом случае должны быть проведены процедуры подтверждения соответствия требованиям
ГОСТ 30804.3.11.
(обязательное)
УСЛОВИЯ ИСПЫТАНИЙ И ПРОЦЕДУРЫ ИЗМЕРЕНИЯ
МАКСИМАЛЬНЫХ ОТНОСИТЕЛЬНЫХ ИЗМЕНЕНИЙ НАПРЯЖЕНИЯ dmax,
ВЫЗВАННЫХ ОПЕРАЦИЯМИ РУЧНОГО ПЕРЕКЛЮЧЕНИЯ
B.1 Введение
В связи с большим разнообразием конструкций и характеристик устройств ручного переключения при измерениях изменений напряжения возможен значительный разброс результатов. Поэтому необходимо установить процедуры испытаний, связанных с функционированием ИТС при операциях ручного переключения.
Кроме того, для обеспечения повторяемости при измерениях максимальных относительных изменений напряжения dmax, вызванных операциями ручного переключения, необходимо применять статистические методы.
B.2 Процедуры
a) Проводят 24 измерения пускового потребляемого тока ТС в следующем порядке:
- начинают измерение;
- включают ИТС (для создания изменения напряжения);
- дают возможность ИТС функционировать при нормальных рабочих условиях максимально возможное время в течение интервала измерения 1 мин;
- выключают ИТС перед окончанием интервала измерения 1 мин и убеждаются, что все движущиеся части конструкции ИТС остановились и прошло достаточное время для того, чтобы температура устройств, предназначенных для уменьшения максимального относительного изменения напряжения dmax, снизилась до окружающей температуры перед началом следующего интервала измерений.
- начинают следующее измерение.
Примечание - Охлаждение может быть естественным и принудительным и необходимое время охлаждения в обоснованных случаях должно быть указано изготовителем оборудования;
b) Исключают максимальный и минимальный результаты. Вычисляют окончательный результат измерений dmax как среднеарифметическое оставшихся 22 результатов.
(справочное)
СВЕДЕНИЯ О СООТВЕТСТВИИ МЕЖГОСУДАРСТВЕННЫХ СТАНДАРТОВ
ССЫЛОЧНЫМ МЕЖДУНАРОДНЫМ СТАНДАРТАМ
Таблица ДА.1
Обозначение и наименование международного стандарта | Степень соответствия | Обозначение и наименование межгосударственного стандарта |
IEC 60050-161:1990 Международный электротехнический словарь. Глава 161. Электромагнитная совместимость | MOD | ГОСТ 30372-95 Совместимость технических средств электромагнитная. Термины и определения |
IEC 61000-3-2:2009 Электромагнитная совместимость (ЭМС). Часть 3-2. Нормы. Нормы эмиссии гармонических составляющих тока (потребляемый ток оборудования <= 16 А в одной фазе) | MOD | ГОСТ 30804.3.2-2013 (IEC 61000-3-2:2009) Совместимость технических средств электромагнитная. Эмиссия гармонических составляющих тока техническими средствами с потребляемым током не более 16 А (в одной фазе). Нормы и методы испытаний |
IEC 61000-3-11:2000 Электромагнитная совместимость (ЭМС). Часть 3-11. Нормы. Ограничение изменений напряжения, колебаний напряжения и фликера в общественных низковольтных системах электроснабжения. Оборудование с потребляемым током не более 75 А, подключаемое к электрической сети при определенных условиях | MOD | ГОСТ 30804.3.11-2013 (IEC 61000-3-11:2000) Совместимость технических средств электромагнитная. Колебания напряжения и фликер, вызываемые техническими средствами с потребляемым током не более 75 А (в одной фазе), подключаемыми к низковольтным системам электроснабжения при определенных условиях |
IEC/TS 61000-3-5:2009 Электромагнитная совместимость (ЭМС). Часть 3-5. Нормы. Ограничение колебаний напряжения и фликера в низковольтных системах электроснабжения для оборудования с номинальным входным током более 75 А | IDT | ГОСТ IEC/TS 61000-3-5-2013 Совместимость технических средств электромагнитная. Ограничение колебаний напряжения и фликера, вызываемых техническими средствами с номинальным током более 75 А, подключаемыми к низковольтным системам электроснабжения |
В настоящем стандарте использованы следующие условные обозначения степени соответствия стандартов: - IDT - идентичные стандарты; - MOD - модифицированные стандарты. |
| IEC 61000-4-15:2010 | Electromagnetic compatibility (EMC) - Part 4-15: Testing and measurements techniques - Flikermeter - Functional and design specifications |
| МЭК 61000-4-15:2010 | Электромагнитная совместимость (ЭМС). Часть 4-15. Методы испытаний и измерений. Фликерметр. Функциональные и конструктивные требования |
| IEC 60974-1:2012 | ARC welding equipment - Part 1: Welding power sources |
| МЭК 60974-1:2012 | Оборудование дуговой сварки. Часть 1. Сварочные источники питания |