Главная // Актуальные документы // ГОСТ (Государственный стандарт)СПРАВКА
Источник публикации
М.: Издательство стандартов, 1985
Примечание к документу
Документ включен в
Перечень документов в области стандартизации, в результате применения которых на добровольной основе обеспечивается соблюдение требований Федерального закона от 27 декабря 2009 г. N 347-ФЗ "Технический регламент о безопасности низковольтного оборудования" (
Приказ Росстандарта от 14.09.2010 N 3546)
Документ включен в
Перечень документов в области стандартизации, содержащих правила и методы исследований (испытаний) и измерений, в том числе правила отбора образцов, необходимые для применения и исполнения Федерального
закона "Технический регламент о безопасности низковольтного оборудования" и осуществления оценки соответствия (
Распоряжение Правительства РФ от 29.07.2010 N 1284-р).
Документ включен в
Номенклатуру продукции, в отношении которой законодательными актами Российской Федерации предусмотрена обязательная сертификация (вводится в действие
Постановлением Госстандарта РФ от 30.07.2002 N 64).
Документ включен в
Номенклатуру продукции и услуг (работ), в отношении которых законодательными актами Российской Федерации предусмотрена их обязательная сертификация (
Постановление Госстандарта РФ от 23.02.1998 N 5).
Документ включен в
Номенклатуру продукции и услуг, подлежащих обязательной сертификации в Российской Федерации (
Постановление Госстандарта РФ от 31.03.1994 N 8).
С 1 июля 2003 года до вступления в силу технических регламентов акты федеральных органов исполнительной власти в сфере технического регулирования носят рекомендательный характер и подлежат обязательному исполнению только в части, соответствующей целям, указанным в
пункте 1 статьи 46 Федерального закона от 27.12.2002 N 184-ФЗ.
Документ
введен в действие с с 1 июля 1985 года.
Название документа
"ГОСТ 26329-84 (СТ СЭВ 4292-83). Государственный стандарт Союза ССР. Машины вычислительные и системы обработки данных. Допустимые уровни шума технических средств и методы их определения"
(введен в действие Постановлением Госстандарта СССР от 14.11.1984 N 3884)
"ГОСТ 26329-84 (СТ СЭВ 4292-83). Государственный стандарт Союза ССР. Машины вычислительные и системы обработки данных. Допустимые уровни шума технических средств и методы их определения"
(введен в действие Постановлением Госстандарта СССР от 14.11.1984 N 3884)
Постановлением Государственного
комитета СССР по стандартам
от 14 ноября 1984 г. N 3884
ГОСУДАРСТВЕННЫЙ СТАНДАРТ СОЮЗА ССР
МАШИНЫ ВЫЧИСЛИТЕЛЬНЫЕ И СИСТЕМЫ ОБРАБОТКИ ДАННЫХ
ДОПУСТИМЫЕ УРОВНИ ШУМА ТЕХНИЧЕСКИХ СРЕДСТВ
И МЕТОДЫ ИХ ОПРЕДЕЛЕНИЯ
Computers and data processing systems.
Tolerable noise levels of technical facilities
and methods of their determination
ГОСТ 26329-84
(СТ СЭВ 4292-83)
Группа Э67
Постановлением Государственного комитета СССР по стандартам от 14 ноября 1984 г. N 3884 срок введения установлен
с 1 июля 1985 года
Настоящий стандарт распространяется на входящие в состав вычислительных машин и систем обработки данных стационарные технические средства (далее - устройства) и устанавливает допустимые уровни шума и методы их определения.
Настоящий стандарт полностью соответствует СТ СЭВ 4292-83.
Пояснения терминов, использованных в настоящем стандарте, приведены в справочном
Приложении 1.
1. ДОПУСТИМЫЕ КОРРЕКТИРОВАННЫЕ УРОВНИ ЗВУКОВОЙ МОЩНОСТИ
1.1. Характеристикой шума, создаваемого устройствами, является корректированный уровень звуковой мощности.
1.2. В зависимости от принципа действия устройств, обусловливающих излучение шума, корректированный уровень их звуковой мощности не должен превышать значений, приведенных в табл. 1.
───────────────────┬───────────────────┬─────────────────┬─────────────────
Наименование │Принцип действия │ Условия │ Допустимый
устройства │ устройства, │ применения │корректированный
│ обусловливающий │ устройств │уровень звуковой
│ излучение шума │ │ мощности L ,
│ │ │ PA
│ │ │ дБА, не более
───────────────────┼───────────────────┼─────────────────┼─────────────────
Устройства │ Преимущественно │ Работа в │ 85
ввода-вывода на │электромеханический│специальных │
перфокарты и │ │помещениях, │
перфоленту │ │рассчитанных │
│ │на повышенное │
│ │воздействие шума │
│ │на рабочих местах│
│ │(например │
│ │вычислительные │
│ │центры) │
───────────────────┼───────────────────┤ ├─────────────────
Запоминающие │ Электронный │ │ 75
устройства на │с небольшим числом │ │
магнитных дисках, │механических │ │
магнитной ленте, │блоков │ │
устройства вывода │ │ │
на микрофильм │ │ │
───────────────────┼───────────────────┤ ├─────────────────
Процессоры, │ Электронный с │ │ 70
оперативные │принудительным │ │
запоминающие │охлаждением │ │
устройства и │ │ │
устройства │ │ │
управления для ЭВМ │ │ │
───────────────────┼───────────────────┼─────────────────┼─────────────────
Устройства │ Преимущественно │ Работа │ 70
последовательной │электромеханический│в нормальных │
печати │ │рабочих │
│ │помещениях │
───────────────────┼───────────────────┤ ├─────────────────
Запоминающее │ Электронный │ │ 60
устройство на │с небольшим числом │ │
гибких магнитных │механических │ │
дисках │блоков │ │
───────────────────┼───────────────────┤ ├─────────────────
Процессоры, │ Электронный │ │ 55
оперативные │с принудительным │ │
запоминающие │охлаждением │ │
устройства │ │ │
управления │ │ │
для мини-ЭВМ │ │ │
───────────────────┼───────────────────┤ ├─────────────────
Устройства │ Электронный │ │ 50
отображения │с конвекционным │ │
│охлаждением │ │
───────────────────┼───────────────────┤ ├─────────────────
Клавиатура │ Механический │ │ 50
│ │ │
───────────────────┴───────────────────┴─────────────────┴─────────────────
Примечание. Допустимые корректированные уровни звуковой мощности могут быть достигнуты методами, приведенными в рекомендуемом
Приложении 2.
1.3. Шум, изучаемый устройством, не должен содержать тональных составляющих в спектре шума.
2.1. Общие положения
| | ИС МЕГАНОРМ: примечание. ГОСТ 12.1.027-80 утратил силу на территории Российской Федерации с 1 июля 2000 года в связи с введением в действие ГОСТ Р 51400-99 (Постановление Госстандарта России от 17.12.1999 N 542-ст). | |
2.1.1. Для определения корректированного уровня звуковой мощности применяют технический метод определения корректированного уровня звуковой мощности в свободном звуковом поле над звукоотражающей плоскостью по
ГОСТ 12.1.026-80 или технический метод определения корректированного уровня звуковой мощности в реверберационном помещении по ГОСТ 12.1.027-80. Эти методы обеспечивают получение значений уровней звуковой мощности с максимальными значениями среднего квадратического отклонения уровней звуковой мощности в соответствии с ГОСТ 23941-79.
2.1.2. Корректированные уровни звуковой мощности

для определенного режима (режимов) работы устройства следует вычислять по
ГОСТ 12.1.026-80 или ГОСТ 12.1.027-80.
2.1.3. Определение корректированного уровня звуковой мощности следует проводить во время проведения приемочных, периодических (на одном из первых образцов серийного производства), а при необходимости, и типовых испытаниях устройств.
2.2. Технический метод определения корректированного уровня звуковой мощности в свободном звуковом поле над звукоотражающей плоскостью - по
ГОСТ 12.1.026-80.
2.2.1. Измерения следует проводить при следующих климатических условиях:
температуре окружающего воздуха от 15 до 35 °C;
относительной влажности воздуха от 45 до 80%;
атмосферном давлении от 84 до 107 кПа.
2.2.2. Размещение устройств и режимы работы при проведении измерений приведены в обязательном
Приложении 3.
2.2.3. При размещении устройств различного исполнения должны быть выполнены следующие условия:
напольное устройство устанавливают на расстоянии от стен не менее 2 м. Если устройство состоит из нескольких стоек и его габаритные размеры не позволяют проводить испытание, то измерения допускается проводить для каждой стойки в отдельности. При этом, если необходимы дополнительные щиты со стороны стыковки испытываемой стойки, то они должны быть акустически идентичны отсоединенной части устройства. Если одно устройство механически и акустически связано с другим устройством так, что шум одного устройства влияет на шум другого, то испытываемое устройство должно включать все подсоединенные устройства;
напольное устройство, устанавливаемое в процессе эксплуатации у стены, должно быть расположено на звукоотражающем полу перед звукоотражающей стеной на расстоянии 0,1 м от стены;
настольное устройство устанавливают на звукоотражающей плоскости, например в середине испытательного стола (рекомендуемое
Приложение 4), или на полу. При применении испытательного стола его верхняя плоскость должна быть расширена по крайней мере до размеров проекции измерительной поверхности установкой дополнительных столов вокруг него. Дополнительные столы допускается не применять, если предварительные испытания устройств соответствующего типа показали, что уровень звукового давления, измеренный без применения дополнительных столов, отличается от уровня звукового давления, измеренного при помощи дополнительных столов не более чем на 1 дБ. Дополнительные столы не должны нарушать условий измерения по
ГОСТ 12.1.026-80;
настенное устройство располагают на звукоотражающей стене на расстоянии не менее 1,5 м от любых других звукоотражающих плоскостей. Устройство допускается устанавливать своей монтажной плоскостью на звукоотражающем полу (если режим работы разрешает такую установку) на расстоянии от стен не менее 2 м;
составные части устройства устанавливают и испытывают как напольные устройства. Устройства, предназначенные для установки в стойке или каркасе, должны быть ограждены. Ограждение должно быть напольным или настольным. Устройство, предназначенное для установки в стойке и требующее принудительного охлаждения, испытывают в рабочем состоянии с устройством охлаждения, поставляемым вместе с устройством;
если устройство встроено в стену или в другое сооружение в условиях эксплуатации, то используют макет-аналог стены или сооружения.
Во время измерений режим работы устройства должен соответствовать приведенному в обязательном
Приложении 3.
До проведения измерений устройство должно находиться в рабочем состоянии достаточное время для обеспечения установившегося температурного режима.
Измерения проводят в режиме холостого хода и рабочем состоянии устройства; при наличии нескольких режимов работы проводят измерения для каждого режима отдельно и полученные данные заносят в протокол. Для устройств с несколькими режимами работы при нормальном функционировании должен быть определен режим, создающий самый высокий корректированный уровень звуковой мощности.
Если устройство не работает непрерывно и его невозможно привести в непрерывный режим работы во время измерений, то интервал времени для проведения измерений должен быть указан в программе испытаний.
Если устройство имеет рабочий цикл, длительность которого не позволяет провести измерения, то для проведения измерения рабочий цикл повторяют несколько раз.
Если испытываемое устройство выдает звуковые сигналы внимания, то эти сигналы при измерениях учитывать не следует и они должны быть выключены.
2.2.4. Микрофоны следует располагать в точках измерения, расположенных на измерительной поверхности.
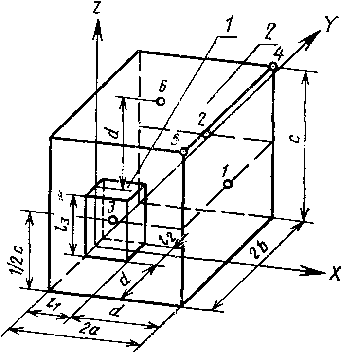
2.2.4.1. Испытываемое устройство ограничивается опорным параллелепипедом, (условная поверхность, огибающая устройство) опирающимся на звукоотражающую плоскость (
черт. 1 и
2). Размеры опорного параллелепипеда: длина

, ширина

и высота

. Элементы, выступающие за испытываемое устройство и мало влияющие на излучение шума, допускается не учитывать.
В качестве измерительной поверхности для устройств предпочтительным является параллелепипед, грани которого параллельны граням опорного параллелепипеда и расположены на расстоянии измерения от них (d). Это расстояние должно быть равно 1 м, допускается меньшее измерительное расстояние, но не менее 0,25 м. Для устройств одного типа это расстояние должно быть одним и тем же.
Для устройства с небольшими габаритными размерами в соответствии с требованиями обязательного
Приложения 5 в качестве измерительной поверхности допускается выбирать полусферу или четверть сферы радиусом r, если выполнено условие

, где

- расстояние углов опорного параллелепипеда до начала координат.
Координаты для специальных измерительных поверхностей должны соответствовать приведенным в обязательном
Приложении 5.
Микрофоны устанавливают на измерительной поверхности и относят к координатной системе с горизонтальными осями x и y, вертикальной осью z. Ось x ориентируют в направлении рабочего места оператора (если оно есть). Точку отсчета начала координат для расположения микрофонов устанавливают следующим образом:
для напольного устройства - на полу в середине плоскости опорного параллелепипеда;
для настольного устройства - на верхней плоскости стола, в центре нижней плоскости опорного параллелепипеда;
для настенного устройства - на стене в середине плоскости опорного параллелепипеда;
для составных частей и устройств, предназначенных для монтажа в стойке, так же как для напольных устройств.
В местах выхода потока воздуха точки измерения должны быть выбраны таким образом, чтобы микрофон не находился в потоке воздуха. В противном случае следует применять экранирование потока воздуха. Микрофоны должны быть ориентированы таким образом, чтобы угол падения звука был равен углу, при котором микрофон был калиброван. В большинстве случаев может быть принята ориентация на геометрический центр устройства.
Допускается применять либо один микрофон, который последовательно располагают в соответствующих измерительных точках, либо несколько микрофонов, которые располагают в отдельных измерительных точках и переключают с помощью переключающих устройств.
2.2.4.2. Расположение микрофонов на измерительной поверхности и координаты точек измерения в зависимости от размещения устройств должны соответствовать:
черт. 2 и
табл. 3 - для напольных устройств, устанавливаемых около стены (вариант 2).
Площади измерительных поверхностей для
вариантов 1 и
2 подсчитывают соответственно по формулам:
S = 4(ab + bc + ca), (1)
S = 2(2ab + 2ac + bc). (2)
Измерительная поверхность с 9 точками измерения
1 - измерительная поверхность; 2 - опорный параллелепипед;

- точки измерения;

- дополнительные точки измерения
──────────────────┬────────────────────────────────────────────────────────
Номер точки │ Координаты точки измерения
измерения ├──────────────────┬─────────────────┬───────────────────
│ x │ y │ z
──────────────────┼──────────────────┼─────────────────┼───────────────────
1 │ a │ 0 │ 0,5c
2 │ 0 │ b │ 0,5c
3 │ -a │ 0 │ 0,5c
4 │ 0 │ -b │ 0,5c
5 │ a │ b │ 1,0c
6 │ -a │ b │ 1,0c
7 │ -a │ -b │ 1,0c
8 │ a │ -b │ 1,0c
9 │ 0 │ 0 │ 1,0c
Измерительная поверхность для устройства,
устанавливаемого на полу около стены
1 - опорный параллелепипед; 2 - измерительная поверхность
Примечание. Опорный параллелепипед ограничен стеной.
──────────────────┬────────────────────────────────────────────────────────
Номер точки │ Координаты точки измерения
измерения ├──────────────────┬─────────────────┬───────────────────
│ x │ y │ z
──────────────────┼──────────────────┼─────────────────┼───────────────────
1 │ 2a │ 0 │ 0,5c
2 │ a │ b │ 0,5c
3 │ a │ -b │ 0,5c
4 │ 2a │ b │ 1,0c
5 │ 2a │ -b │ 1,0c
6 │ a │ 0 │ 1,0c
Примечание. Для сравнения устройств одного типа и размеров, т.е. для контрольных испытаний качества во время серийного производства устройств, достаточно ограниченного числа однотипных точек измерений.
Вариант 1 допускается использовать также для настенных устройств при соответствующем выборе начала координат. Если расстояние по горизонтали между точками измерения превышает 2 м, то число точек измерения должно быть увеличено.
2.2.4.3. Если разница между максимальным и минимальным уровнем звукового давления в измерительных точках численно превышает число точек измерения и (или) любой размер опорного параллелепипеда превышает 2d, то измерение уровней звукового давления следует проводить в дополнительных точках в соответствии с
черт. 1.
Если крупногабаритное устройство излучает шум только небольшой частью своей поверхности (например, из отверстий устройства закрытого исполнения), то используют дополнительные точки измерения на измерительной поверхности в области наибольшего излучения шума данным устройством.
2.2.4.4. Измерение шума помех и корректировку измеренных значений следует проводить в соответствии с требованиями
ГОСТ 12.1.026-80.
2.2.5. Результаты измерений следует занести в протокол по ГОСТ 23941-79, форма которого приведена в рекомендуемом
Приложении 6.
2.2.6. В паспорт (формуляр) следует внести данные об испытуемом устройстве в следующей редакции:
"Корректированный уровень звуковой мощности, определенный техническим методом в свободном поле над звукоотражающей плоскостью по
ГОСТ 12.1.026-80, ... дБА".
| | ИС МЕГАНОРМ: примечание. ГОСТ 12.1.027-80 утратил силу на территории Российской Федерации с 1 июля 2000 года в связи с введением в действие ГОСТ Р 51400-99 (Постановление Госстандарта России от 17.12.1999 N 542-ст). | |
2.3. Технический метод определения корректированного уровня звуковой мощности в реверберационном помещении - по ГОСТ 12.1.027-80.
2.3.1. Климатические условия измерения - по
п. 2.2.1.
2.3.2. Размещение устройств при проведении измерений приведено в обязательном
Приложении 3.
2.3.3. Для устройств различного исполнения должны быть соблюдены следующие требования:
напольное устройство должно быть установлено на расстоянии не менее 1,5 м от стен и потолка реверберационного помещения. При этом основные поверхности не должны быть параллельны любой из стен помещения.
Если устройство состоит из нескольких стоек и его габаритные размеры не позволяют проводить испытания, то измерения допускается проводить для каждой из стоек в отдельности. При этом, если необходимы дополнительные щиты со стороны стыковки испытываемой стойки, то они должны быть акустически идентичны отсоединенной части устройства. Если одно устройство механически и акустически связано с другим устройством таким образом, что уровни шума одного устройства влияют на уровни шума другого, то испытываемое устройство должно включать все подсоединенные устройства;
напольное устройство, устанавливаемое в процессе эксплуатации у стены, должно быть установлено на звукоотражающем полу перед звукоотражающей стеной на расстоянии 0,1 м от нее;
настольное устройство должно быть установлено на звукоотражающей плоскости, например, в середине испытательного стола или на полу на расстоянии не менее 1,5 м от любой стены и потолка реверберационного помещения;
настенное устройство должно быть расположено на стене реверберационного помещения на расстоянии не менее 1,5 м от любых других звукоотражающих плоскостей. Устройство допускается устанавливать своей монтажной плоскостью на полу (если режим работы разрешает такую установку) на расстоянии не менее 1,5 м от стены и потолка реверберационного помещения;
составные части должны быть установлены и испытаны как напольные устройства. Устройства и составные части, предназначенные для установки в стойке или каркасе, должны быть расположены в ограждении. Ограждение должно быть установлено как напольное или настольное устройство. Устройство, которое предназначено для установки в стойке и требует принудительного охлаждения, испытывают в рабочем состоянии с устройством охлаждения, поставляемым вместе с испытуемым устройством или устройством охлаждения, рекомендованным поставщиком;
если устройство встроено в стену или другое сооружение в условиях эксплуатации, то используют макет-аналог стены или сооружения.
Во время измерений режим работы устройства должен соответствовать требованиям, приведенным в обязательном
Приложении 3.
До проведения измерений устройство должно находиться в рабочем состоянии достаточное время для обеспечения установившегося температурного режима.
Измерения проводят для режима холостого хода и для рабочего состояния устройства. При наличии нескольких режимов работы проводят измерения и их результаты заносят в протокол измерения для каждого режима отдельно. Для устройства с несколькими режимами работы при нормальном функционировании должен быть определен режим, создающий самый высокий корректированный уровень звуковой мощности.
Если устройство не работает непрерывно и привести его в непрерывный режим работы во время акустических измерений невозможно, то время, необходимое для проведения измерений, должно быть указано в программе испытаний.
Если устройство находится длительное время в режиме холостого хода, то измерения, проводимые в режиме работы, не следует включать эти периоды холостого хода.
Если устройство имеет рабочий цикл, длительность которого не позволяет провести измерения, то рабочие циклы должны быть выполнены несколько раз.
Если испытываемое устройство выдает звуковые сигналы внимания, то эти сигналы при акустических измерениях не учитывают и они должны быть выключены.
| | ИС МЕГАНОРМ: примечание. ГОСТ 12.1.027-80 утратил силу на территории Российской Федерации с 1 июля 2000 года в связи с введением в действие ГОСТ Р 51400-99 (Постановление Госстандарта России от 17.12.1999 N 542-ст). | |
2.3.4. Измерения шума помех и корректировка измеренных значений должны быть проведены в соответствии с требованиями ГОСТ 12.1.027-80.
2.3.5. Содержание протокола испытаний - по
п. 2.2.5.
2.3.6. В паспорт (формуляр) следует внести данные об испытываемом устройстве в следующей редакции:
"Корректированный уровень звуковой мощности - по ГОСТ 12.1.027-80 ... дБА".
2.4. Контроль излучения тональных составляющих в спектре шума
2.4.1. Тональный характер шума устанавливают путем измерения звукового давления в третьоктавных полосах частот от 31,5 до 16000 Гц при превышении уровня в одной полосе над соседними не менее чем на 10 дБ.
Контроль излучения тональных составляющих в спектре шума осуществляется посредством третьоктавного фильтра.
Справочное
ПОЯСНЕНИЯ ТЕРМИНОВ, ИСПОЛЬЗОВАННЫХ В НАСТОЯЩЕМ СТАНДАРТЕ
──────────────────────────────┬────────────────────────────────────────────
Термин │ Пояснение
──────────────────────────────┼────────────────────────────────────────────
1. Свободное звуковое поле │ Звуковое поле в среде с пренебрежимо
│малой неоднородностью и анизотропией, в
│котором влияние ограничивающих
│поверхностей ничтожно мало
2. Помеха │ Шум в точке измерения, не вызванный
│объектом измерения
3. Импульсный шум │ Шум, состоящий из одного или нескольких
│звуковых импульсов, каждый длительностью
│менее 2 с
4. Реверберационная камера │ Помещение, в котором можно
│приблизительно достичь условий диффузного
│звукового поля вследствие малой поглощающей
│способности ограничивающих поверхностей
5. Напольное устройство │ Устройство, имеющее основание и
│предназначенное для установки на полу
6. Настольное устройство │ Устройство со сплошным кожухом,
│предназначенное для установки или
│использования на столе, доске или
│отдельном стенде
7. Настенное устройство │ Устройство, расположенное при нормальной
│эксплуатации на стене и не требующее
│собственного стенда
ИС МЕГАНОРМ: примечание.
Взамен ГОСТ 15971-84 Постановлением Госстандарта СССР от 26.10.1990
8. Технические средства │ По ГОСТ 15971-84
обработки данных │
Технические средства │
Рекомендуемое
Приведенные в
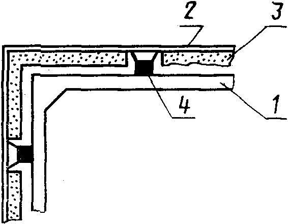
табл. 1 настоящего стандарта допустимые корректированные уровни звуковой мощности могут быть достигнуты, например, путем:
выбора конструктивных решений, обеспечивающих снижение шума;
крепления корпуса на стойке при помощи эластичных деталей
(черт. 1);
облицовки корпуса звукопоглощающими материалами;
облицовки отверстий (зазоров, щелей) звукопоглощающими материалами, не влияющими на работу устройства;
установки акустических глушителей на отверстиях корпуса
(черт. 2);
Пример звукоизолирующего крепления корпуса на стойке
1 - несущая стойка; 2 - стенка корпуса;
3 - шумопоглощающий слой; 4 - эластичный связующий элемент
Корпус с отверстиями-шумоглушителями
1 - канал подвода холодного воздуха, 2 - канал вывода
бумаги; 3 - шумопоглощающий слой
применения звукоизолирующих кожухов.
Примечания. 1. Зазоры шириной свыше 0,1 мм могут способствовать повышению уровня звукового давления при соответствующих частотах на 10 дБ.
2. Акустический глушитель состоит из каналов, облицованных звукопоглощающими материалами и препятствующих прямому распространению звука путем изменения направления его распространения.
Обязательное
РАЗМЕЩЕНИЕ И РЕЖИМЫ РАБОТЫ УСТРОЙСТВ
ПРИ ПРОВЕДЕНИИ ИЗМЕРЕНИЙ
1. Общие положения
1.1. При проведении измерений должны быть соблюдены размещение и режимы работы устройств в соответствии с требованиями настоящего Приложения.
В том случае, если такие условия невозможно создать, а также при испытаниях устройств, не приведенных в настоящем Приложении, допускается проводить измерения в обычных условиях работы, которые должны быть приведены в методике или протоколе измерений.
2. Электрические пишущие машинки для ЭВМ
2.1. В электрических пишущих машинках для ЭВМ (устройствах с клавиатурой для ручного ввода информации в ЭВМ) информация вводится нажатием клавиш и печатается непосредственно на бумаге знак за знаком (ручной ввод с машинки) или вводится нажатием клавиш и запоминается для редактирования слова или строки с последующей автоматической печатью (интерактивные операции).
Пишущие машинки, которые снабжены памятью страницы, рассматриваются как пишущие машинки при ручном вводе информации и как печатающее устройство при автоматическом вводе информации на печать полной страницы.
2.2. Пишущие машинки для ЭВМ должны быть размещены в соответствии с требованиями
п. 2.2.3.
Условия размещения должны быть указаны в протоколе испытаний.
2.3. Шрифт для печати должен быть с тонким штрихом, если на пишущей машинке можно принять разные комплекты шрифта.
2.4. Для печати следует применять одинарный лист бумаги плотностью от 70 до 80 г/м2 формата А4. Бумага должна быть вставлена вертикально левым краем на нуль согласно чертежу, ведущий край листа бумаги должен быть приблизительно на 100 мм ниже, чем нижний край.
Вставка одинарного листа бумаги
Бумагу следует хранить распакованной в климатических условиях, соответствующих требованиям
п. 2.2.1 в течение семи дней до начала испытаний.
2.5. Электрические пишущие машинки должны работать в режиме холостого хода и в режиме печати.
2.6. В режиме холостого хода при включенном электропитании устройство должно быть готово для работы. Бумага должна быть вставлена согласно
чертежу.
2.7. В режиме печати электрические пишущие машинки должны работать при ручном вводе и автоматизированном выводе информации на печать.
Печать следует начинать со второй четверти длины бумаги и продолжать не более чем на треть общей длины бумаги с начальной точки печатания.
Режим печати должен состоять из ввода определенных знаков и их печати на бумагу.
При печати необходимо выполнять следующие требования:
сила удара должна быть рассчитана на толщину одного листа;
расстояние между строками должно быть равно двум интервалам;
ограничители поля страницы должны быть установлены на расстоянии 25 мм от краев бумаги;
крайние ролики верхней перекладины должны быть установлены на расстоянии 25 мм от краев бумаги внутри листа. Остальные ролики должны быть расположены равномерно между внешними роликами;
сигнализация конца строки (звонок) должна быть включена;
печатание следует проводить по образцу
etnaivetnaivetnaivetnaivetnaiv ... или
етпаслетпаслетпаслетпаслетпасл ...
и т.д. до заполнения полной строки;
скорость печатания должна составлять 5 знаков в 1 с.
Допускается заменять два знака другими строчными буквами.
Допускается вместо строчных букв (если они отсутствуют) применять прописные буквы. При этом для пишущих машинок со специальным набором знаков должны быть обеспечены эквивалентные условия.
Для имитации удара по клавишам ввод информации допускается осуществлять с помощью электромагнитных или пневматических роботов. Уровень шума при работе самого робота должен быть не менее чем на 10 дБ ниже уровня шума при печатании с применением робота.
Ввод информации с клавиатуры с установленной скоростью осуществляется до момента заполнения буферной памяти, емкость которой - одна строка. Последующий ввод возможен после распечатки данной строки.
2.8. При ручной печати измерение должно быть проведено во время непрерывного ввода не менее трех полных строк.
При интерактивных операциях измерение следует проводить во время ввода информации с помощью клавиатуры и вывода информации на печать до момента заполнения не менее трех полных строк.
3.1. Печатающие устройства управляются электронным оборудованием. Вывод информации на печать осуществляется посредством ударных или безударных механизмов.
3.2. Печатающие устройства напольного исполнения должны быть размещены на звукоотражающем полу. Печатающие устройства настольного исполнения должны быть размещены на соответствующей подставке или на столе, расположенном на звукоотражающем полу. Для измерений в соответствии с требованиями
п. 2.3 измерительная поверхность должна опираться на звукоотражающий пол.
Настольные печатающие устройства, которые не используют пол как место подачи или складывания бумаги, должны быть размещены в центре верхней плоскости испытательного стола. В этом случае измерительная поверхность должна опираться на верхнюю плоскость испытательного стола, расширенную за счет применения дополнительных столов в соответствии с требованиями
п. 2.2.3.
Допускается размещать печатающее устройство на звукоотражающем полу. Место, выбранное для печатающего устройства, должно быть указано в протоколе испытаний.
3.3. При измерениях должен быть выбран наиболее часто применяемый комплект шрифта или печатающих элементов, если печатающее устройство предназначено для применения нескольких комплектов шрифтов.
3.4. При проведении измерений следует применять одинарный лист или непрерывно фальцованную бумагу плотностью от 60 до 80 г/м2, или рулонную канцелярскую бумагу плотностью от 50 до 60 г/м2. Ширина формуляра должна соответствовать ширине каретки печатающего устройства. Если допускается применять бумагу разной ширины, то выбирают бумагу с наиболее часто применяемой шириной, которая должна быть приведена в протоколе испытаний. Бумагу следует хранить распакованной в климатических условиях, соответствующих требованиям
п. 2.2.1, в течение 7 дней до начала проведения испытания.
3.5. Печатающие устройства должны работать в режиме холостого хода и режиме печати.
3.6. В режиме холостого хода длина бумаги, заправляемой в устройство, должна превышать ее ширину не менее чем в 10 раз.
3.7. При печати должны быть выполнены следующие требования:
сила удара должна быть рассчитана на толщину одного листа;
расстояние между строками должно быть равно двум интервалам;
на верхнем и нижнем краях фальцованной бумаги пропуск печати должен быть от 20 до 30 мм;
ограничители бокового поля страницы должны быть установлены на расстоянии 25 мм от краев бумаги (исключая участок перфорации);
печатание следует производить по образцу:
JIYY7 2DA90 8S8 = 2 6A180 B31AJ 5FTOE PG1TK X6D-4 или
Н1ВВ7 2ПС90 838 = 2 63И80 Ф31СН 5ЛТПЕ РУ11К А60-4.
При испытаниях используют 40 знаков в строке. Если в строке умещается меньшее число знаков, то следует применять левые знаки образца.
Знаки должны быть расположены в группах по пять знаков. За каждой из групп должны следовать пять пробелов. Знаки должны смещаться от строки к строке.
При отсутствии некоторых установленных знаков допускается применять другие знаки в количестве до 20% общего числа знаков в строке. Если устройство позволяет печатать как строчные, так и прописные буквы, то первый знак каждой группы, состоящей из пяти знаков, должен быть прописной буквой (если он вообще является буквой). Для печатающих устройств, которые печатают только цифровую информацию, должен быть выбран случайный набор цифр, который должен быть указан в протоколе испытаний.
Число знаков, печатаемых в одной строке, должно соответствовать указанным в таблице, приведенной ниже.
──────────────────────────────┬────────────────────────────────────────────
Фактическая длина строки │ Число применяемых знаков
в знаках данного устройства │
──────────────────────────────┼────────────────────────────────────────────
40 │ 50% максимального числа знаков в строке
От 40 до 60 │ 20
" 61 " 110 │ 30
110 │ 40
Печатающее устройство должно работать со скоростью, соответствующей данному печатающему устройству. При наличии нескольких скоростей используют ту скорость, которая наиболее характерна для данного режима использования печатающего устройства, что должно быть указано в протоколе измерений.
3.8. При отсутствии возможности непрерывной печати более одной страницы, измерение проводят во время непрерывной печати до момента заполнения страницы не менее чем на 60% ее длины. Печатаемое поле должно быть ориентировано налево и центровано по вертикали. Если у печатающего устройства есть механизм автоматической подачи бумаги, то измерение производится до момента заполнения трех страниц.
При печати на фальцованной канцелярской бумаге измерение проводится во время непрерывной печати до момента заполнения трех страниц.
При печати на рулонной канцелярской бумаге измерение производится во время непрерывной печати до момента заполнения длины, соответствующей ширине бумаги.
4. Телетайпы
4.1. Телетайп работает в режиме передачи и приема.
На телетайпе выполняют:
операции с помощью клавиатуры (в автономном режиме или в режиме передачи). При этом информацию вводят вручную нажатием клавиш и непосредственно печатают на бумагу и (или) записывают в память. В этом случае телетайп рассматривается как электрическая пишущая машинка с интерактивными операциями в соответствии с
разд. 2 настоящего Приложения;
автоматические операции (в автономном режиме или в комплексном режиме). При этом устройство печатает автоматически информацию, принятую по линии связи или от запоминающего устройства. В этом случае телетайп рассматривается как печатающее устройство, соответствующее требованиям
разд. 3 настоящего Приложения.
Если телетайп снабжен вспомогательным устройством, которое создает шум, устройством на гибком магнитном диске или на магнитной кассете, то телетайп должен испытываться со вспомогательным устройством и без него.
Если телетайп предназначен только для приема информации (исполнение без клавиатуры), то данное устройство рассматривается как печатающее в соответствии с
разд. 3 настоящего Приложения.
4.2. Размещение телетайпов должно зависеть от операций, выполняемых данным устройством.
При выполнении операций с помощью клавиатуры условия размещения телетайпов должны соответствовать размещению пишущих машинок (см.
разд. 2 настоящего Приложения).
При выполнении автоматических операций размещение телетайпов должно соответствовать размещению печатающих устройств (см.
разд. 3 настоящего Приложения).
4.3. Бумага, используемая для печати на телетайпах, должна соответствовать требованиям
п. 3.4 настоящего Приложения.
4.4. Телетайпы должны работать в режиме холостого хода (см.
п. 2.6 настоящего Приложения) и режиме печати.
4.5. В режиме печати телетайпы должны работать при проведении:
операций с помощью клавиатуры в соответствии с требованиями
п. п. 2.5 -
2.7 настоящего Приложения;
автоматических операций в соответствии с требованиями
п. п. 3.5 -
3.7 настоящего Приложения.
4.6. При использовании алфавитно-цифровой клавиатуры следует применять тестовый образец телетайпов в соответствии с
п. 2.7 настоящего Приложения.
При использовании цифровой клавиатуры тестовый образец должен представлять любую повторяющуюся случайную последовательность четырех цифр, которая сопровождается нажатием функциональной клавиши.
4.7. Для операции с помощью клавиатуры скорость работы телетайпов должна соответствовать указанной в
п. 2.7 настоящего Приложения.
При автоматических операциях телетайпов скорость работы должна соответствовать скорости передачи 50 бит. Дополнительно телетайп должен работать при максимальной установленной скорости, которая должна быть также указана в протоколе испытаний.
| | ИС МЕГАНОРМ: примечание. В официальном тексте документа пункт 2.9 отсутствует. | |
4.8. При работе телетайпов продолжительность измерений среднего уровня звука и уровня звукового давления для операций с помощью клавиатуры - в соответствии с требованиями п. 2.9 настоящего Приложения;
для автоматических операций - в соответствии с требованиями
п. 3.8 настоящего Приложения.
5. Клавиатура
5.1. Клавиатуры предназначены для ручного ввода информации и устанавливаются непосредственно на устройство или отдельно от него. В последнем случае клавиатура подключается к устройству с помощью кабеля.
5.2. Клавиатуры должны быть размещены в середине верхней плоскости испытательного стола. Для измерений в соответствии с
п. 2.3 настоящего стандарта измерительная поверхность должна быть ограничена расширенной верхней плоскостью испытательного стола.
5.3. Клавиши могут обслуживаться вручную или электромагнитным или пневматическим роботом. Скорость печати должна составлять 5 знаков в 1 с. Удар должен быть таким, чтобы клавиша едва касалась своего ограничителя.
Уровень шума, производимого роботом, должен быть не менее чем на 10 дБ ниже суммарного уровня шума устройства с применением робота. Если у клавиатуры есть звуковой сигнал, то это должно быть указано в протоколе испытаний.
5.4. Тестовый образец для клавиатур - по
п. 4.6 настоящего Приложения. Использованные клавиши должны быть указаны в протоколе испытаний.
5.5. Измерения следует проводить в соответствии с требованиями
п. п. 2.2.4 или
2.3.4.
6. Устройство ввода-вывода на перфокарты
6.1. Устройство ввода-вывода на перфокарты выполняет функцию считывания информации с перфокарты или перфорацию информации на перфокарте. Эти две функции могут быть объединены в одном устройстве, которое позволяет реализовать обе операции в одном процессе или применять их отдельно. Число перфокарт, обработанных в единицу времени, зависит от читающих устройств, в основном от номинальной скорости обработки. Для перфорирующих устройств скорость обработки зависит от числа колонок, которые необходимо перфорировать в одной карте.
Требования данного подраздела относятся также к дублирующим перфокарточным устройствам, контрольным и сортируемым устройствам для перфокарт или документов, перфоленточным читающим или перфорирующим устройствам.
6.2. Устройства должны быть размещены в соответствии с требованиями
п. п. 2.2.3 или
2.3.3.
6.3. В режиме холостого хода устройство должно находиться под напряжением и быть готовым для считывания или перфорации перфокарт.
6.4. В режиме считывания (перфорации) произвольная алфавитно-цифровая информация должна быть считана или перфорирована для каждой перфокарты. Около 40% общего числа колонок должно содержать перфорированные знаки.
Образцы знаков должны состоять из групп по пять перфорированных знаков, за которыми следует пять пробелов:
JIYY7 2DA90 8S8 = 2 6AI80 B3IAJ 5FTOE PGITK X6D-4 или
Н1ВВ7 2ПС90 838 = 2 63И80 Ф31СН 5ЛТПЕ РУ1ТК А60-4
6.5. Измерения должны проводиться в соответствии с требованиями
п. п. 2.2.4 или
2.3.4.
При этом должны выполняться дополнительные требования по обработке произвольной колоды перфокарт, состоящей не менее чем из 10 карт.
7. Накопители на магнитных лентах
7.1. Накопители на магнитных лентах (далее - накопители) предназначены для записи, хранения и воспроизведения данных.
Один накопитель может состоять из одного или нескольких отдельно функционирующих лентопротяжных механизмов (ЛПМ).
7.3. Накопители должны работать в режимах холостого хода, стартстопном, при непрерывном режиме записи (воспроизведения) и режиме перемотки.
7.4. В режиме холостого хода накопитель может быть не загружен или загружен.
Если накопитель не загружен, то он должен находиться под напряжением и магнитная лента не должна быть заправлена в ЛПМ.
Если накопитель загружен, то он должен находиться под напряжением и магнитная лента должна быть заправлена в ЛПМ.
Устройство управления накопителями готово принять управляющие команды для любого из накопителей и ответить на них.
7.5. При измерении необходимо использовать следующие режимы работы, если они предусмотрены для данного устройства:
стартстопный режим записи (воспроизведения). Один цикл - старт, запись (воспроизведение), останов выполняется во время, определяемое в миллисекундах (округленное до ближайшего целого числа) из соотношения

, (где

- номинальная скорость ленты, м/с);
непрерывный режим записи или воспроизведения при движении вперед;
режим перемотки.
Для устройства с несколькими ЛПМ в режиме работы должен находиться только один из них. Остальные должны находиться в режиме холостого хода.
7.6. Измерения должны проводиться в соответствии с требованиями
п. 2.2.4 или
2.3.4 настоящего стандарта.
При этом должны быть соблюдены следующие дополнительные требования:
в стартстопном режиме записи (воспроизведения) измерения следует проводить в течение времени, заданного в программе испытаний или за время не менее 20 последовательных стартстопных циклов (в зависимости от того, какое время больше).
В непрерывном режиме записи (воспроизведения) измерения следует проводить в период заданного в программе испытаний времени в условиях установившегося режима.
8. Накопители на магнитных дисках
8.1. Накопители на магнитных дисках предназначены для записи (воспроизведения) и хранения данных на магнитных дисках. Одно устройство может состоять из одного или нескольких отдельно функционирующих приводных механизмов.
8.2. Размещение устройств следует проводить в соответствии с требованиями
п. 2.2.3 или
2.3.3.
8.3. Накопители на магнитных дисках должны работать в режиме холостого хода и режиме записи (воспроизведения).
8.4. В режиме холостого хода накопители на магнитных дисках должны быть загружены, электропитание должно быть включено, а устройство - готово принимать управляющие команды для любого из приводных механизмов и отвечать на них.
В устройствах с несколькими приводными механизмами они должны находиться в состоянии готовности.
8.5. В режиме записи (воспроизведения) для механизма с жесткими дисками проводят произвольную установку магнитных головок в режиме позиционирования на любой условный цилиндр.
Запись или воспроизведение информации осуществляется на всех дорожках каждого условного цилиндра.
После окончания записи (воспроизведения) работы продолжаются без задержки времени путем установки магнитных головок на любой цилиндр.
Для механизма с гибкими дисками проводят последовательную установку магнитных головок на дорожках гибкого диска. Запись или воспроизведение информации осуществляют на всех секторах каждой дорожки. После окончания записи (воспроизведения) происходит переход на следующую дорожку.
8.6. Измерения следует проводить в течение времени, необходимого для выполнения не менее 5 операционных циклов в соответствии с требованиями
п. 2.2.4 или
2.3.4.
9. Электронные устройства
9.1. К электронным устройствам относят центральные процессоры, электронные запоминающие устройства (ЗУ) или устройства управления, которые содержат только электронные узлы и блоки питания и не содержат движущихся механизмов, за исключением тех, которые предназначены для охлаждения.
9.2. Размещение электронных устройств должно проводиться в соответствии с требованиями
п. п. 2.2.3 и
2.3.3.
9.3. Электронные устройства должны работать в установившемся режиме с нормальной нагрузкой всех элементов.
9.4. Измерения следует проводить в соответствии с требованиями
п. п. 2.2.4 и
2.3.4.
10. Устройства отображения
10.1. К устройствам отображения относят устройства, которые отображают информацию на экране при помощи электронно-лучевой трубки (ЭЛТ) или другим способом и могут быть снабжены клавиатурой или другим устройством, осуществляющим ввод информации. Клавиатура может быть расположена непосредственно на устройстве отображения или удалена от него и подсоединена при помощи кабеля.
10.2. Устройство отображения, снабженное собственным столом или опорой, должно быть размещено на звукоотражающем полу вместе с этим столом или опорой.
Настольные устройства отображения должны быть расположены в середине верхней плоскости испытательного стола или на звукоотражающем полу. В этом случае измерительная поверхность должна опираться на расширенную верхнюю плоскость испытательного стола. Допускается применять дополнительные столы по
п. 2.2.3.
10.3. Устройства отображения должны работать в режиме холостого хода и режиме ручного ввода информации.
10.4. В режиме холостого хода электропитание должно быть включено, установки вентиляции должны работать.
В запоминающем устройстве устройства отображения должен содержаться полный набор знаков для отображения на экране.
10.5. В режиме ручного ввода информации используется клавиатура, требования к режиму работы которой приведены в
п. п. 5.3 -
5.5 настоящего Приложения.
10.6. Измерения следует проводить в соответствии с требованиями
п. 2.2.4 или
2.3.4.
Рекомендуемое
Испытательный стол изготавливают из деревянных досок толщиной от 0,04 до 0,10 м с поверхностью не менее 0,5 м2 и длиной сторон стола не менее 0,70 м. Рекомендуемая конструкция испытательного стола приведена на чертеже.
1 - поверхность стола (дерево, сбитое деревянными гвоздями
и склеенное); 2 - стяжки; 3 - изолирующие прокладки;
4 - ножки (привинченные и приклеенные)
Обязательное
СПЕЦИАЛЬНЫЕ ИЗМЕРИТЕЛЬНЫЕ ПОВЕРХНОСТИ
Для устройств с размерами опорного параллелепипеда

;

;

и при расстоянии измерения 1 м допускается вместо параллелепипеда применять сферическую поверхность (полусферу, четверть сферы), радиус которой должен быть не менее 1 м.
При выборе типа измерительной поверхности в зависимости от размещения устройств допускается применять два варианта расположения микрофонов на измерительной поверхности.
Вариант 1 - расположение микрофонов на полусферической измерительной поверхности с 10 точками измерения.
Точками измерения являются точки 1 - 10 по
табл. 1 и
черт. 1 настоящего Приложения.
───────────────────┬─────────────────┬──────────────────┬──────────────────
Номер точки │ x/r │ y/r │ z/r
измерения │ │ │
───────────────────┼─────────────────┼──────────────────┼──────────────────
1 │ -0,99 │ 0 │ 0,15
4 │ -0,45 │ 0,77 │ 0,45
5 │ -0,45 │ -0,77 │ 0,45
8 │ -0,66 │ 0 │ 0,75
10 │ 0 │ 0 │ 1,0
Полусферическая поверхность с 10 точками измерения
1 - измерительная поверхность; 2 - опорный параллелепипед
Площадь измерительной поверхности

.
Измерительная поверхность опирается на звукоотражающую плоскость.
При наличии интерференционных эффектов в точках измерения, находящихся в одной горизонтальной плоскости, или при наличии выступающих частей устройства вблизи точек измерения по
табл. 1 координаты точек измерения должны соответствовать указанным в табл. 2.
Таблица 2
───────────────────┬─────────────────┬──────────────────┬──────────────────
Номер точки │ x/r │ y/r │ z/r
измерения │ │ │
───────────────────┼─────────────────┼──────────────────┼──────────────────
1 │ 0,16 │ -0,96 │ 0,22
2 │ 0,78 │ -0,60 │ 0,20
3 │ 0,78 │ 0,55 │ 0,31
4 │ 0,16 │ 0,90 │ 0,41
5 │ -0,83 │ 0,32 │ 0,45
6 │ -0,83 │ -0,40 │ 0,38
7 │ -0,26 │ -0,55 │ 0,71
8 │ 0,74 │ -0,07 │ 0,67
9 │ -0,26 │ 0,50 │ 0,83
10 │ 0,10 │ 0,10 │ 0,99
Коаксиальные круговые траектории в параллельных плоскостях для перемещения микрофонов в горизонтальной плоскости в свободном звуковом поле над звукоотражающей плоскостью должны быть выбраны таким образом, чтобы кольцевая площадь полусферы, связанная с траекторией, была одинаковой (черт. 2.).
Круговые траектории перемещения микрофонов
в горизонтальной плоскости полусферической поверхности
1 - проекции траектории движения микрофонов
на вертикальную плоскость; 2 - ось вращения механизма,
управляющего поворотом микрофона; 3 - высота
соответствующих зон полусферы
Черт. 2
Вариант 2 - расположение микрофонов на четверть сферической измерительной поверхности с 5 точками измерения.
Координаты 5 точек измерения должны соответствовать номерам
точек 2,
3,
6,
7 и
9 в табл. 1. Площадь измерительной поверхности

.
Этот вариант применяют при размещении малогабаритного устройства между двумя перпендикулярными звукоотражающими плоскостями.
Рекомендуемое
ФОРМА ПРОТОКОЛА ДЛЯ ОПРЕДЕЛЕНИЯ КОРРЕКТИРОВАННОГО УРОВНЯ
ЗВУКОВОЙ МОЩНОСТИ
УТВЕРЖДАЮ
Председатель комиссии
_________________________
"____" __________________
ПРОТОКОЛ N _____________ ОПРЕДЕЛЕНИЯ КОРРЕКТИРОВАННОГО
УРОВНЯ ЗВУКОВОЙ МОЩНОСТИ
Члены комиссии: _________________________
_________________________
_________________________
_________________________
Лист 1
Общие сведения об испытании: __________________________________________
Учреждение (предприятие), проводящее испытание: _______________________
Заказчик: _____________________________________________________________
Измеряемые параметры: _________________________________________________
Общие данные об объекте испытания: ____________________________________
Наименование испытуемого устройства: __________________________________
Тип: __________________________________________________________________
Номер: ________________________________________________________________
Режим при испытании: __________________________________________________
Результаты испытания: _________________________________________________
Корректированный уровень звуковой мощности, дБА: ______________________
Отсутствие (наличие) тональных составляющих: __________________________
Метод измерения и обозначение стандарта: ______________________________
Уровень звуковой мощности в полосах частот:
────────┬───────┬────────┬───────┬───────┬───────┬────────┬───────┬────────
f │ 125 │ 250 │ 500 │ 1000 │ 2000 │ 4000 │ 8000 │ 16000
M │ │ │ │ │ │ │ │
────────┼───────┼────────┼───────┼───────┼───────┼────────┼───────┼────────
L │ │ │ │ │ │ │ │
p │ │ │ │ │ │ │ │
m │ │ │ │ │ │ │ │
Примечание:

- полоса частот,

- октавный уровень звуковой
мощности.
Дополнительные данные: ________________________________________________
(например, шум на рабочем месте, специальные
анализы и пр.)
Лист 2
Общие данные:
1. Фамилия лица, проводившего испытания: ______________________________
2. Дата испытаний: ____________________________________________________
3. Место испытаний: ___________________________________________________
4. Измерительные приборы: _____________________________________________
───────────────────┬─────────────────┬──────────────────┬──────────────────
Наименование │ Тип │ Номер устройства │ Дата последней
устройства │ │ │ поверки
───────────────────┼─────────────────┼──────────────────┼──────────────────
│ │ │
───────────────────┼─────────────────┼──────────────────┼──────────────────
│ │ │
───────────────────┼─────────────────┼──────────────────┼──────────────────
│ │ │
───────────────────┼─────────────────┼──────────────────┼──────────────────
│ │ │
───────────────────┼─────────────────┼──────────────────┼──────────────────
│ │ │
───────────────────┼─────────────────┼──────────────────┼──────────────────
│ │ │
───────────────────┼─────────────────┼──────────────────┼──────────────────
│ │ │
│ │ │
Лист 3
Данные о помещении, в котором проводят испытания
1. Вид помещения (например реверберационная камера) ___________________
2. Наименование помещения: ____________________________________________
3. Размеры помещения: _________________________________________________
│
длина │ .... м
ширина │ .... м
высота │ .... м
4. Площадь │ .... м2
5. Объем │ .... м3
6. Время реверберации T, эквивалентная площадь звукопоглощения A,
коэффициент звукопоглощения

:
────────────┬──────────────────────────────────────────────────────────────
│ f , Гц
│ M
────────────┼────────┬────────┬────────┬───────┬────────┬────────┬─────────
│ 125 │ 250 │ 500 │ 1000 │ 2000 │ 4000 │ 8000
────────────┼────────┼────────┼────────┼───────┼────────┼────────┼─────────
T, с │ │ │ │ │ │ │
────────────┼────────┼────────┼────────┼───────┼────────┼────────┼─────────
A, м2 │ │ │ │ │ │ │
────────────┼────────┼────────┼────────┼───────┼────────┼────────┼─────────
альфа │ │ │ │ │ │ │
│ │ │ │ │ │ │
7. Эскиз помещения, где проводятся измерения (основной разрез): _______
Лист 4
Дополнительные данные об объекте испытания: ___________________________
___________________________________________________________________________
1. Способ размещения в измерительном пространстве:_____________________
2. Способ размещения относительно измерительной плоскости: ____________
___________________________________________________________________________
(изолировано от вибрации, жестко, на столе и т.п.)
3. Режим во время испытания: __________________________________________
___________________________________________________________________________
(число оборотов, мощность и т.п.)
4. Эскиз объекта испытания и его установки: ___________________________
___________________________________________________________________________
(расположение точек измерения)
Лист 5
Диаграмма октавных уровней звуковой мощности (давления)
Объект испытания: _____________________________________________________
Режим: ________________________________________________________________