Главная // Актуальные документы // ГОСТ (Государственный стандарт)СПРАВКА
Источник публикации
В данном виде документ опубликован не был.
Первоначальный текст документа опубликован в издании
М.: Стандартинформ, 2005.
Информацию о публикации документов, создающих данную редакцию, см. в справке к этим документам.
Примечание к документу
С 1 июля 2003 года до вступления в силу технических регламентов акты федеральных органов исполнительной власти в сфере технического регулирования носят рекомендательный характер и подлежат обязательному исполнению только в части, соответствующей целям, указанным в
пункте 1 статьи 46 Федерального закона от 27.12.2002 N 184-ФЗ.
Название документа
"ГОСТ 28773-90. Межгосударственный стандарт. Подшипники скольжения. Втулки свертные с антифрикционным слоем на основе фторопласта-KU. Размеры и допуски"
(утв. и введен в действие Постановлением Госстандарта СССР от 06.12.1990 N 3062)
(ред. от 20.11.2015)
"ГОСТ 28773-90. Межгосударственный стандарт. Подшипники скольжения. Втулки свертные с антифрикционным слоем на основе фторопласта-KU. Размеры и допуски"
(утв. и введен в действие Постановлением Госстандарта СССР от 06.12.1990 N 3062)
(ред. от 20.11.2015)
Утвержден и введен в действие
Постановлением
Государственного комитета
СССР по управлению качеством
продукции и стандартам
от 6 декабря 1990 г. N 3062
МЕЖГОСУДАРСТВЕННЫЙ СТАНДАРТ
ПОДШИПНИКИ СКОЛЬЖЕНИЯ
ВТУЛКИ СВЕРТНЫЕ С АНТИФРИКЦИОННЫМ СЛОЕМ НА ОСНОВЕ
ФТОРОПЛАСТА-KU
РАЗМЕРЫ И ДОПУСКИ
Plain bearings. Wrapped bushes with antifriction layer
based on polytetrafluorethylene-KU.
Dimensions and tolerances
ГОСТ 28773-90
| | Список изменяющих документов Росстандарта от 20.11.2015 N 1922-ст) | |
Дата введения
1 января 1992 года
1. ВНЕСЕН Государственным комитетом СССР по управлению качеством продукции и стандартам
2. УТВЕРЖДЕН И ВВЕДЕН В ДЕЙСТВИЕ Постановлением Государственного комитета СССР по управлению качеством продукции и стандартам от 06.12.90 N 3062
3. Стандарт полностью соответствует СТ СЭВ 6888-89
4. ВВЕДЕН ВПЕРВЫЕ
5. ПЕРЕИЗДАНИЕ. Апрель 2005 г.
Настоящий стандарт распространяется на свертные втулки подшипников скольжения с антифрикционным слоем на основе фторопласта, на стальной основе, предназначенные для работы в режиме сухого трения (без смазочного материала).
Требования настоящего стандарта являются обязательными.
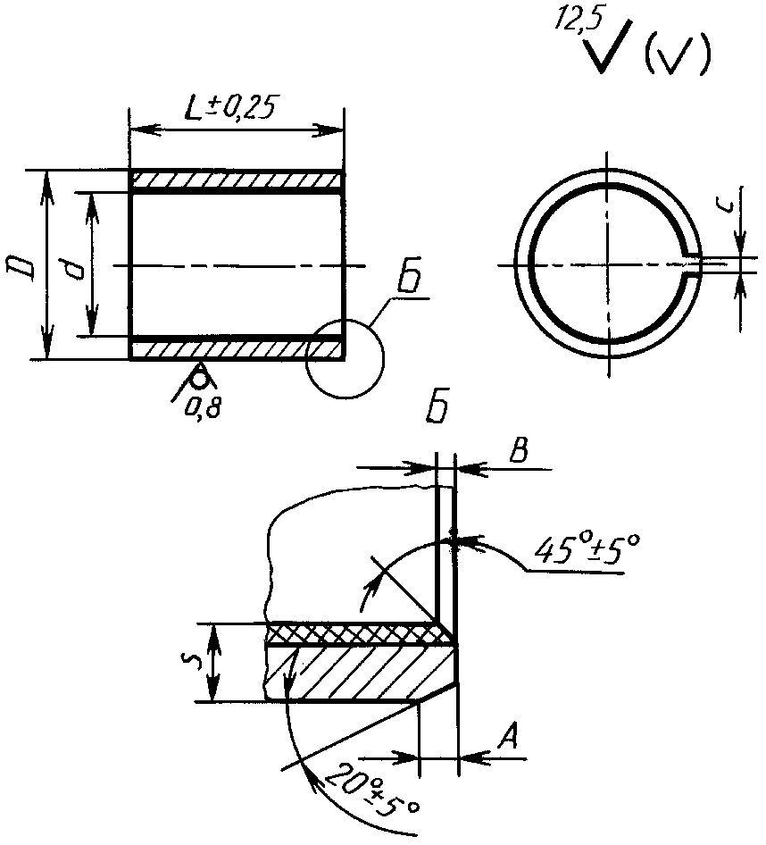
1. Размеры и допуски свертных подшипниковых втулок должны соответствовать указанным на чертеже и в
табл. 1.
Росстандарта от 20.11.2015 N 1922-ст)
| | | L | | s | | A | B |
| Размерный ряд | |
1 | 2 | 3 | 4 | 5 | Не предпочтительный |
3 | 4,5 | +0,035 +0,014 | 5 | | | | | | 0,750-0,025 | 1 | - | - |
4 | 5,5 | 5 | | | | | |
5 | 6,5 | +0,055 +0,025 | 5 | | | | | |
6 | 8 | 5 | 10 | | | | | |
8 | 10 | 10 | 15 | | | | |
10 | 12 | +0,065 +0,030 | 10 | 15 | 20 | | | | | 2 | 0,7 +/- 0,3 | 0,4 +/- 0,3 |
12 | 14 | 10 | 15 | 20 | | | |
14 | 16 | 10 | 15 | 20 | | | 12 |
15 | 17 | 10 | 15 | 20 | | | |
16 | 18 | 15 | 20 | 25 | | | |
18 | 20 | +0,075 +0,035 | 15 | 20 | 25 | | | |
20 | 23 | 15 | 20 | 25 | | | | |
22 | 25 | 15 | 20 | 25 | 30 | | 17 |
24 | 27 | 15 | 20 | 25 | 30 | | |
25 | 28 | 15 | 20 | 25 | 30 | 45 | |
30 | 34 | +0,085 +0,045 | 20 | 25 | 30 | 40 | | | | 3 | 1,2 +/- 0,4 |
35 | 39 | 25 | 30 | 40 | 50 | | |
40 | 44 | +0,100 +0,050 | 25 | 30 | 40 | 50 | | |
45 | 50 | 25 | 30 | 40 | 50 | | | | 5 |
50 | 55 | +0,125 +0,065 | 30 | 40 | 50 | 60 | | |
55 | 60 | 30 | 40 | 50 | 60 | | |
60 | 65 | 30 | 40 | 50 | 70 | | |
65 | 70 | 30 | 40 | 50 | 70 | | |
70 | 75 | 40 | 50 | 60 | 80 | | |
75 | 80 | 40 | 50 | 60 | 80 | | |
80 | 85 | +0,170 +0,100 | 40 | 50 | 60 | 80 | | | 1,8 +/- 0,8 | 0,6 +/- 0,4 |
85 | 90 | 50 | 60 | 70 | 100 | | |
90 | 95 | 50 | 60 | 70 | 100 | | |
100 | 105 | 50 | 60 | 70 | 100 | | |
110 | 115 | 50 | 60 | 70 | 100 | | |
--------------------------------
<*> Номинальный диаметр втулки в сжатом состоянии.
<**> Внешний диаметр втулки до монтажа в сжатом состоянии.
<***> Зазор
cmax в свободном состоянии.
Пример сокращенного обозначения втулки диаметром d = 20 мм, длиной L = 15 мм:
2015 KU ГОСТ 28773-90
То же, полного обозначения:
Втулка 2015 KU ГОСТ 28773-90
1.2. При d <= 8 мм острые кромки должны быть притуплены. При d >= 10 мм на наружной цилиндрической поверхности должен быть обозначен товарный знак изготовителя и сокращенное обозначение втулки.
Рекомендуемое
УСТАНОВКА ВТУЛКИ
Для получения оптимального радиального зазора в подшипнике при температуре среды от плюс 20 °C до плюс 40 °C размеры вала и отверстия для установки втулки и их допуски должны соответствовать значениям, приведенным в табл. 2.
Таблица 2
мм
d | Размер вала | Допуск | Размер отверстия для установки втулки | Допуск |
3 | 3 | h6 | 4,5 | H6 |
4 | 4 | 5,5 |
5 | 5 | 6,5 |
6 | 6 | f7 | 8 | H7 |
8 | 8 | 10 |
10 | 10 | 12 |
12 | 12 | 14 |
14 | 14 | 16 |
15 | 15 | 17 |
16 | 16 | 18 |
18 | 18 | 20 |
20 | 20 | 23 |
22 | 22 | 25 |
24 | 24 | 27 |
25 | 25 | 28 |
30 | 30 | 34 |
35 | 35 | 39 |
40 | 40 | 44 |
45 | 45 | 50 |
50 | 50 | 55 |
55 | 55 | 60 |
60 | 60 | 65 |
65 | 65 | 70 |
70 | 70 | 75 |
75 | 75 | 80 |
80 | 80 | 85 |
85 | 85 | 90 |
90 | 90 | 95 |
100 | 100 | 105 |
110 | 110 | 115 |