Главная // Актуальные документы // ГОСТ (Государственный стандарт)
СПРАВКА
Источник публикации
М.: ФГБУ "Институт стандартизации", 2023
Примечание к документу
Документ вводится в действие с 01.07.2025 с правом досрочного применения.
Название документа
"ГОСТ ISO 12945-3-2022. Межгосударственный стандарт. Материалы и изделия текстильные. Определение стойкости материала к пиллингу, ворсистости или свойлачиванию. Часть 3. Испытание на пиллинг методом произвольного вращения в цилиндрической камере"
(введен в действие Приказом Росстандарта от 27.12.2022 N 1636-ст)

"ГОСТ ISO 12945-3-2022. Межгосударственный стандарт. Материалы и изделия текстильные. Определение стойкости материала к пиллингу, ворсистости или свойлачиванию. Часть 3. Испытание на пиллинг методом произвольного вращения в цилиндрической камере"
(введен в действие Приказом Росстандарта от 27.12.2022 N 1636-ст)


Содержание


Введен в действие
Приказом Федерального
агентства по техническому
регулированию и метрологии
от 27 декабря 2022 г. N 1636-ст
МЕЖГОСУДАРСТВЕННЫЙ СТАНДАРТ
МАТЕРИАЛЫ И ИЗДЕЛИЯ ТЕКСТИЛЬНЫЕ
ОПРЕДЕЛЕНИЕ СТОЙКОСТИ МАТЕРИАЛА К ПИЛЛИНГУ,
ВОРСИСТОСТИ ИЛИ СВОЙЛАЧИВАНИЮ
ЧАСТЬ 3
ИСПЫТАНИЕ НА ПИЛЛИНГ МЕТОДОМ
ПРОИЗВОЛЬНОГО ВРАЩЕНИЯ В ЦИЛИНДРИЧЕСКОЙ КАМЕРЕ
Textiles. Determination of fabric propensity
to surface pilling, fuzzing or matting.
Part 3. Random tumble pilling method
(ISO 12945-3:2020, IDT)
ГОСТ ISO 12945-3-2022
МКС 59.080.01
Дата введения
1 июля 2025 года
с правом досрочного применения
Предисловие
Цели, основные принципы и общие правила проведения работ по межгосударственной стандартизации установлены ГОСТ 1.0 "Межгосударственная система стандартизации. Основные положения" и ГОСТ 1.2 "Межгосударственная система стандартизации. Стандарты межгосударственные, правила и рекомендации по межгосударственной стандартизации. Правила разработки, принятия, обновления и отмены".
Сведения о стандарте
1 ПОДГОТОВЛЕН Акционерным обществом "Инновационный научно-производственный центр текстильной и легкой промышленности" (АО "ИНПЦ ТЛП") на основе собственного перевода на русский язык англоязычной версии стандарта, указанного в пункте 5
2 ВНЕСЕН Федеральным агентством по техническому регулированию и метрологии
3 ПРИНЯТ Межгосударственным советом по стандартизации, метрологии и сертификации (протокол от 13 декабря 2022 г. N 62)
За принятие проголосовали:
Краткое наименование страны по МК (ИСО 3166) 004-97
Код страны по МК (ИСО 3166) 004-97
Сокращенное наименование национального органа по стандартизации
Беларусь
BY
Госстандарт Республики Беларусь
Казахстан
KZ
Госстандарт Республики Казахстан
Киргизия
KG
Кыргызстандарт
Россия
RU
Росстандарт
Узбекистан
UZ
Узстандарт
4 Приказом Федерального агентства по техническому регулированию и метрологии от 27 декабря 2022 г. N 1636-ст межгосударственный стандарт ГОСТ ISO 12945-3-2022 введен в действие в качестве национального стандарта Российской Федерации с 1 июля 2025 г. с правом досрочного применения
5 Настоящий стандарт идентичен международному стандарту ISO 12945-3:2020 "Материалы и изделия текстильные. Определение стойкости материала к пиллингу, ворсистости или свойлачиванию. Часть 3. Испытание на пиллинг методом произвольного вращения в цилиндрической камере" ("Textiles - Determination of fabric propensity to surface pilling, fuzzing or matting - Part 3: Random tumble pilling method", IDT).
Международный стандарт разработан Техническим комитетом ISO/TC 38 "Текстиль", Подкомитетом SC 24 "Модифицирующие атмосферы и физические испытания текстильных материалов" в сотрудничестве с Техническим комитетом CEN/TC 248 "Текстиль и текстильные изделия" Европейского комитета по стандартизации (CEN).
При применении настоящего стандарта рекомендуется использовать вместо ссылочных международных стандартов соответствующие им межгосударственные стандарты, сведения о которых приведены в дополнительном приложении ДА.
Дополнительные сноски в тексте стандарта, выделенные курсивом, приведены для пояснения текста оригинала
6 ВВЕДЕН ВПЕРВЫЕ
7 Некоторые элементы настоящего стандарта могут являться объектами патентных прав
Информация о введении в действие (прекращении действия) настоящего стандарта и изменений к нему на территории указанных выше государств публикуется в указателях национальных стандартов, издаваемых в этих государствах, а также в сети Интернет на сайтах соответствующих национальных органов по стандартизации.
В случае пересмотра, изменения или отмены настоящего стандарта соответствующая информация будет опубликована на официальном интернет-сайте Межгосударственного совета по стандартизации, метрологии и сертификации в каталоге "Межгосударственные стандарты"
Введение
Пилли образуются, когда волокна "выбиваются" на поверхность текстильного материала и спутываются во время носки. Такое ухудшение поверхности, как правило, нежелательно, но то, насколько потребитель готов мириться с такой степенью пиллинга, будет зависеть от типа одежды и назначения текстильного материала.
Как правило, степень пиллинга определяется скоростью следующих параллельных процессов:
a) спутывание волокон, приводящее к образованию пиллей;
b) увеличение количества поверхностных волокон;
c) износ волокон и пиллей.
Скорость этих процессов зависит от свойств волокна, пряжи и текстильного материала. Наиболее подвержены пиллингу текстильные материалы, содержащие прочные волокна, по сравнению с текстильными материалами, содержащими непрочные волокна. Следствием использования прочного волокна является то, что скорость образования пиллей превышает скорость износа. Это приводит к увеличению пиллинга с увеличением срока носки. В случае непрочного волокна скорость образования пиллей конкурирует со скоростью износа. Это приводит к колебаниям пиллинга с увеличением срока носки. Есть и другие способы выработки текстильных материалов, при которых износ поверхностных волокон происходит еще до образования пиллей. Каждый из этих примеров демонстрирует сложность оценки изменения поверхности на разных типах текстильных материалов.
Идеальное лабораторное испытание ускорило бы процессы износа a), b) и c) по точно таким же факторам и было бы универсально применимо ко всем типам волокон, пряжи и текстильных материалов. Такой метод испытаний не разработан. Однако признан метод испытаний, на основании которого текстильные материалы можно ранжировать по их склонности к пиллингу, ворсистости и свойлачиванию, которые, вероятно, имеют место во время применения по назначению.
Особое внимание следует обратить на приложение A, в котором содержатся рекомендации в отношении технического обслуживания оборудования. Рекомендуется изучить приложение A до проведения данной процедуры
В приложении C приводится обоснование применения метода, особенно в отношении испытания ворсованных текстильных материалов.
1 Область применения
Настоящий стандарт устанавливает метод определения стойкости текстильных материалов к пиллингу, ворсистости и свойлачиванию на поверхности текстильных материалов с использованием устройства для произвольного вращения. Метод применим к большинству тканей, трикотажных полотен, включая ворсованные текстильные материалы (флисы, футерованные трикотажные полотна).
Данный метод не применим к текстильным материалам, которые не могут свободно вращаться.
2 Нормативные ссылки
В настоящем стандарте использованы нормативные ссылки на следующие стандарты [для датированных ссылок применяют только указанное издание ссылочного стандарта, для недатированных - последнее издание (включая все изменения)]:
ISO 48-2, Rubber, vulcanized or thermoplastic - Determination of hardness - Part 2: Hardness between 10 IRHD and 100 IRHD (Резина и термопласты. Определение твердости. Часть 2. Твердость от 10 IRHD до 100 IRHD)
ISO 139, Textiles - Standard atmospheres for conditioning and testing (Изделия текстильные. Стандартные атмосферные условия для проведения кондиционирования и испытаний)
ISO 12945-4, Textiles - Determination of fabric propensity to surface pilling, fuzzing or matting - Part 4: Assessment of pilling, fuzzing and matting by visual analysis (Материалы и изделия текстильные. Определение стойкости материала к пиллингу, ворсистости или свойлачиванию. Часть 4. Оценка пиллинга, ворсистости или свойлачивания методом визуального анализа).
3 Термины и определения
В настоящем стандарте применены следующие термины с соответствующими определениями.
ISO и IEC поддерживают терминологическую базу данных, используемую в целях стандартизации по следующим адресам:
- платформа онлайн-просмотра ISO: доступна по адресу https://www.iso.org/obp/;
- Электропедия IEC: доступна по адресу http://www.electropedia.org/.
3.1 пилли (pill): Волокна, спутанные в шарики (катышки), которые выступают над поверхностью текстильного материала и имеют такую плотность, что не пропускают свет и отбрасывают тень.
Примечание - Это изменение может произойти в процессе стирки, сухой чистки и/или носки.
[ИСТОЧНИК: ISO 12945-4:2020, 3.1]
3.2 пиллинг (pilling): Образование пиллей (3.1) на поверхности текстильного материала.
[ИСТОЧНИК: ISO 12945-4:2020, 3.2]
3.3 ворсистость (fuzzing): Вспушивание поверхностных волокон и/или выбивание волокон из текстильного материала с образованием видимых изменений его поверхности.
Примечание - Это изменение может произойти в процессе стирки, сухой чистки и/или носки.
[ИСТОЧНИК: ISO 12945-4:2020, 3.3]
3.4 свойлачивание (matting): Нарушение направления выступающих волокон ворсованного текстильного материала, вызывающее заметное изменение поверхности.
Примечание - Это изменение может произойти в процессе стирки, сухой чистки и/или носки.
[ИСТОЧНИК: ISO 12945-4:2020, 3.4]
3.5 застревание, заклинивание, запутывание (jamming, wedging, entanglement): Явление, когда испытуемые пробы запутываются на крыльчатке, либо застревают на стенке цилиндра, в результате чего перестают совершать требуемые произвольные вращения.
4 Сущность метода
Испытуемые пробы произвольно вращаются в заданных условиях внутри испытательной камеры с установленными вкладками. После заданного периода вращений испытуемые пробы визуально оценивают на пиллинг, ворсистость и свойлачивание.
5 Оборудование и вспомогательные материалы
5.1 Оборудование
Оборудование должно включать:
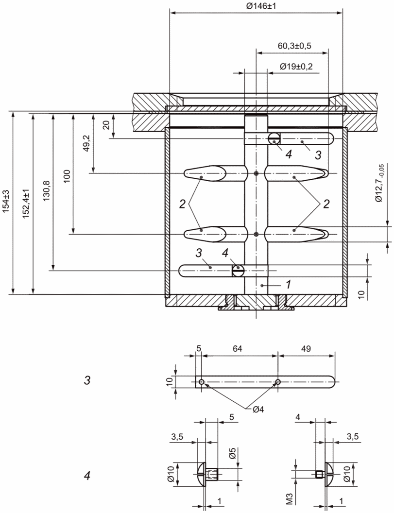
5.1.1 Устройство, состоящее из одной или нескольких цилиндрических испытательных камер, расположенных горизонтально, глубиной (152,4 +/- 1,0) мм, диаметром (146,0 +/- 1,0) мм. В центре каждой камеры находится горизонтальный вал с поперечными лопастями (крыльчатками), которые вращаются со скоростью 1200 мин-1 (см. рисунок 1 - допуск на все размеры составляет +/- 0,5 мм, если не указано иное). Устройство должно быть способно поддерживать непрерывное поступательное движение испытуемых проб (для того, чтобы не допустить застревания во время испытания). Эта способность может быть обеспечена либо воздушной струей (которая подается на стенку цилиндра), либо пластиковыми лопастями (установленными на вал, см. рисунок 1, которые могут переместить физически застрявшие испытуемые пробы от стенки цилиндра).
Информация об использовании либо воздушно-струйного устройства, либо пластиковых лопастей должна быть указана в протоколе испытаний.
Размеры в миллиметрах
1 - ось крыльчатки; 2 - поперечные лопасти; 3 - пластиковые
лопасти (необязательно) и как компонент на среднем виде;
4 - винт с головкой и как компонент на виде снизу
Рисунок 1 - Вид испытательной камеры и ее компонентов
5.1.2 Материал вкладок, полихлоропреновая вкладка. Полихлоропреновая вкладка должна соответствовать характеристикам, приведенным в таблице 1. Размеры (длина и ширина) полихлоропреновой вкладки должны точно соответствовать внутренним параметрам испытательной камеры, чтобы не образовывалось зазоров или выпуклостей.
Таблица 1
Характеристики полихлоропреновой вкладки
Характеристика
Единица измерений
Полихлоропреновая вкладка
Толщина
мм
3,2 +/- 0,4
Твердость
IRHD <a>
от 60 до 70
<a> IRHD - это аббревиатура, обозначающая твердость резины в международных единицах, и ее следует проверять в соответствии с ISO 48-2 (метод N, т.е. нормальное испытание).
5.2 Вспомогательные материалы
5.2.1 Клей, белый универсальный клей на водной основе, для герметизации краев испытуемых проб.
Примечание - Обычно этот вид клея представляет собой эмульсию поливинилацетата.
5.2.2 Приспособление для вырезания испытуемых проб квадратной или круглой формы площадью (100 +/- 2) см2.
Примечание - Исследования показали, что форма испытуемых проб не влияет на результаты испытаний.
5.2.3 Стандарты для оценки (необязательно), набор из пяти фотографий, пронумерованных от 1 до 5, иллюстрирующих различные степени пиллинга. Фотографии должны быть того же размера, что и испытуемые пробы.
5.2.4 Пробковая вкладка (необязательно), по согласованию между заинтересованными сторонами, пробковая вкладка может использоваться вместо полихлоропреновой вкладки (см. 5.1.2).
Примечание - Замена полихлоропреновой вкладки на пробковую приводит к увеличению времени испытания в два раза, как указано в 9.4.
5.2.5 Хлопковые волокна (необязательно), по согласованию между заинтересованными сторонами, хлопковые волокна могут быть использованы для выявления возможного появления пиллей.
6 Подготовка испытуемых проб
6.1 Предварительная обработка лабораторного образца
Лабораторные образцы перед нарезанием могут быть предварительно постираны или подвержены процедуре сухой чистки с соблюдением условий, подходящих для назначения текстильного материала, или условий, согласованных между заинтересованными сторонами. Оценка испытуемой пробы, отобранной из предварительно обработанного лабораторного образца, проводится путем ее сравнения с этим лабораторным образцом.
Если между заинтересованными сторонами не согласована конкретная предварительная обработка, образец для испытаний проверяют в том виде, в котором он был получен.
Независимо от предварительной обработки, перед испытаниями образцы должны быть кондиционированы в соответствии с разделом 8.
Примечание - Для предварительной обработки могут быть подходящими процедуры, описанные в ISO 6330 или в соответствующей части ISO 3175 (см. раздел Библиография).
Испытуемые пробы должны быть постираны или подвержены процедуре сухой химической чистки для защиты поверхности трения полихлоропреновой вкладки и поперечных лопастей от смазочных или отделочных материалов, которые могут привести к противоречивым результатам.
6.2 Отбор испытуемых проб
Испытуемые пробы отбирают с участков, равномерно распределенных по ширине текстильного материала, или с трех разных деталей одежды. Испытуемые пробы распределяют таким образом, чтобы какие-либо две из них не содержали одинаковых нитей. Необходимо избегать участков с заломами и другими дефектами. Если не указано иное, не следует вырезать пробы ближе к краю текстильного материала, чем одна десятая его ширины.
Необходимо обращаться с испытуемой пробой аккуратно, чтобы избежать растяжения.
Из лабораторного образца вырезают четыре квадратных испытуемых пробы, размером (105 +/- 1) мм по длине и ширине и под углом 0,78 рад (45°) к продольному и поперечному направлению. По согласованию между заинтересованными сторонами в качестве альтернативы можно использовать испытуемые пробы в виде круга площадью 100 см2.
6.3 Закрепление краев испытуемых проб
Чтобы предотвратить осыпание нитей или роспуск петель на край испытуемой пробы наносят полоску клея (5.2.1) шириной не более 3 мм после высыхания. Подвешивают испытуемые пробы с клеем, чтобы дать клею полностью высохнуть перед испытанием (не менее 2 ч).
6.4 Количество испытуемых проб и их маркировка
Подготавливают четыре испытуемых пробы: три для испытаний (каждую помечают от 1 до 3), четвертая остается необработанной и служит эталонным образцом для последующей оценки. У четвертой испытуемой пробы закреплять края клеем не обязательно.
Для альтернативного метода, описанного в приложении B, подготавливают шесть испытуемых проб: пять для испытаний и одну для оценки.
7 Подготовка полихлоропреновых вкладок
Обе стороны полихлоропреновой вкладки можно использовать для проведения испытания. После завершения двух испытаний полихлоропреновую вкладку вынимают, и затем очищают и просушивают в соответствии с процедурой, описанной в A.2.1.
Новая полихлоропреновая вкладка должна пройти притирку в соответствии с процедурой, описанной в A.2.2.
Полихлоропреновую вкладку следует утилизировать, как только ее использование приведет к значительным различиям (на один балл и более) в результатах при испытании внутреннего стандартного эталонного текстильного материала с известной стойкостью к пиллингу, ворсистости или свойлачиванию.
8 Условия кондиционирования и испытаний
Должны использоваться стандартные условия для кондиционирования и испытаний текстильных материалов и изделий, как определено в ISO 139.
Испытуемые пробы должны быть кондиционированы не менее 16 ч перед испытанием.
9 Порядок проведения испытаний
9.1 Кондиционируют испытуемые пробы и полихлоропреновые вкладки, как указано в разделе 8. Все испытания проводят в стандартной атмосфере для испытаний. Проводят проверку оборудования в соответствии с A.1.
9.2 Полихлоропреновую вкладку аккуратно и точно размещают внутри камеры, таким образом, чтобы она не вращалась относительно камеры во время работы.
9.3 Проводят отдельные испытательные запуски с тремя испытуемыми пробами, отобранными из одного и того же лабораторного образца, в одной испытательной камере.
9.4 Помещают три подготовленные испытуемые пробы в испытательную камеру. Закрывают дверцу камеры. Запускают устройство и оставляют в рабочем состоянии в течение следующего общего времени испытания (после завершения каждого временного интервала испытание продолжают до достижения последующего интервала):
- шаг 1: общее время испытания: 5 мин;
- шаг 2: общее время испытания: 15 мин (необходимо установить еще 10 мин после шага 1);
- шаг 3: общее время испытания: 30 мин (необходимо установить еще 15 мин после шага 2).
Если общее время испытания увеличивают до 45 или 60 мин, это должно быть указано в протоколе испытаний.
Во время пробного пуска убеждаются, что вокруг крыльчатки нет провисаний.
9.5 После каждого шага испытаний вынимают каждую испытуемую пробу из камеры и, крепко удерживая, с помощью воздушной струи, направленной по касательной к поверхности пробы, счищают любые лишние волокна, которые фактически не скатались в пилли.
9.6 Субъективно оценивают испытуемые пробы, как описано в разделе 10.
9.7 Повторяют шаги 9.4 - 9.6, пока заданное общее время испытания не завершится.
9.8 Очищают и просушивают полихлоропреновые вкладки в соответствии с A.2.1.
10 Оценка пиллинга, ворсистости и свойлачивания
Визуальную оценку пиллинга, ворсистости и свойлачивания выполняют в соответствии с ISO 12945-4.
По согласованию сторон дополнительно может быть проведена инструментальная оценка.
11 Результаты
По каждому изменению внешнего вида поверхности (т.е. пиллингу, ворсистости и свойлачиванию) записывают оценку для каждой испытуемой пробы.
Рассчитывают средний результат для всех испытанных проб по каждому изменению внешнего вида поверхности отдельно: для пиллинга, для ворсистости и свойлачивания (как описано в разделе 10). Если средний результат не является целым числом, округляют результат до ближайшей половины балла. Отклонение результатов, основанное на среднем значении трех испытуемых проб, должно составлять не более половины балла. Если это отклонение превышает половину балла, в протоколе необходимо указать оценку каждой испытуемой пробы.
В таблице 2 <1> приведен пример представления результатов.
Таблица 2 <1>
--------------------------------
<1> В настоящем стандарте исправлены опечатки, допущенные в нумерации таблиц в оригинале международного стандарта.
Пример таблицы с результатами по каждому этапу
Пиллинг
Ворсистость
Свойлачивание
Время испытания
Результат 1
Результат 2
Результат 3
Среднее значение
Результат 1
Результат 2
Результат 3
Среднее значение
Результат 1
Результат 2
Результат 3
Среднее значение
5 мин
балл
балл
балл
балл
балл
балл
балл
балл
балл
балл
балл
балл
15 мин
балл
балл
балл
балл
балл
балл
балл
балл
балл
балл
балл
балл
30 мин
балл
балл
балл
балл
балл
балл
балл
балл
балл
балл
балл
балл
12 Протокол испытаний
Протокол испытаний должен содержать как минимум следующую информацию:
a) ссылку на настоящий стандарт;
b) описание лабораторного образца;
c) где применимо, сведения о предварительной обработке лабораторного образца;
d) квадратной или круглой формы были испытуемые пробы;
e) время проведения испытания;
f) при необходимости оценки в баллах по пиллингу, ворсистости и свойлачиванию для каждой отдельной испытуемой пробы (в соответствии с ISO 12945-4) для каждого общего времени испытания (т.е. 5, 15 и 30 мин);
g) другие наблюдения за изменениями поверхности или поведением испытуемого текстильного материала (например, скручивание);
h) округленный средний балл, полученный для каждого типа изменения поверхности, т.е. пиллинга, ворсистости и свойлачивания - (с точностью до половины балла) - в соответствии с ISO 12945-4 - для каждого общего времени испытания (т.е. 5, 15 и 30 мин);
i) дату испытания;
j) тип используемой вкладки (полихлоропреновая или пробковая вкладка);
k) если использовалось нагнетание воздуха или пластиковые лопасти, это должно быть указано;
l) использовались ли хлопковые волокна;
m) подробности любых отклонений от данной процедуры;
n) любые наблюдаемые нехарактерные особенности.
Приложение A
(обязательное)
ПРОВЕРКА ОБОРУДОВАНИЯ И ПОДГОТОВКА ВКЛАДОК
A.1 Проверка оборудования
A.1.1 Проверка испытательного оборудования может быть проведена на месте или в сервисном отделе поставщика оборудования. Проверке подлежат таймер, натяжение ременной передачи, обороты ротора. Если используют камеру с нагнетанием воздуха, то проверяют давление воздуха.
A.1.2 Для проверки работы устройства используют внутренний стандартный эталонный текстильный материал с известной стойкостью к пиллингу. Для данного испытания применяют требования к проведению испытания.
A.1.3 Частота проверки оборудования зависит от частоты использования. Если используется ежедневно, то проверяют ежемесячно. Если используется нечасто, то проверяют перед началом новой серии испытаний.
A.2 Подготовка вкладок
A.2.1 Очистка и просушка полихлоропреновой вкладки
Готовят чистящую пасту, смешав эталонное моющее средство A (нефосфатное моющее средство с оптическим отбеливателем и ферментами, описанное как "эталонное моющее средство 2" в ISO 6330) с теплой водой в пропорции от 70:100 до 80:100 по весу (соотношение: вода/моющее средство).
Аккуратно очищают полихлоропреновую вкладку полиамидной щеткой, смоченной чистящей пастой и теплой водой.
Тщательно промывают водой.
Повторяют эту процедуру трижды для новых полихлоропреновых вкладок перед запуском притирки в соответствии с A.2.2.
После притирки или испытания полихлоропреновой вкладки с каждой ее стороны, выполняют процедуру чистки и просушки один раз перед повторным ее использованием.
Полихлоропреновую вкладку высушивают при обычных условиях среды, а затем выдерживают в стандартной атмосфере для испытания.
A.2.2 Притирка новых полихлоропреновых вкладок
Выполняют испытание вхолостую с тремя пробам внутреннего стандартного эталонного текстильного материала, предпочтительно расшлихтованной или отбеленной хлопковой саржевой тканью (подходящей считается поверхностная плотность 150 г/м2). Испытание следует проводить в течение трех часов без перерыва. В конце испытания один раз очищают и просушивают полихлоропреновые вкладки в соответствии с A.2.1.
Приложение B
(справочное)
АЛЬТЕРНАТИВНЫЙ МЕТОД ИСПЫТАНИЙ
B.1 Принцип
Процедура испытания, описанная в разделе 9, предлагает выполнение испытаний с одними и теми же тремя испытуемыми пробами, а значит требует извлечения трех испытуемых проб для их оценки и повторного помещения их в испытательную камеру. Чтобы оптимизировать время испытаний, альтернативная процедура предлагает заменять одну испытанную пробу новой на каждом этапе.
B.2 Количество испытуемых проб и их маркировка
Подготавливают шесть испытуемых проб: пять для испытаний (помечают каждую порядковым номером от 1 до 5), шестая в качестве необработанного эталонного образца для оценки. Шестая проба не требует закрепления краев.
B.3 Альтернативная процедура
Действуют, как описано в разделе 9, но размещают испытуемые пробы в соответствии с таблицей B.1.
Таблица B.1
Альтернативная процедура
Этапы
Общее время испытания (мин)
Количество испытуемых проб
1-й шаг
5
1, 2 и 3
2-й шаг
15
2, 3 и 4 (1-ю вынимают, 4-ю добавляют)
3-й шаг
30
3, 4 и 5 (2-ю вынимают, 5-ю добавляют)
Оценивают пять испытуемых проб в соответствии с разделом 10, но вычисление среднего значения не требуется.
Последующие оценки представляют развитие степени пиллинга/ворсистости/свойлачивания в зависимости от длительности испытания, как показано в таблице B.2.
Таблица B.2
Длительность испытания
Номер испытуемой пробы
Длительность испытания (мин)
1
5
2
15
3
30
4
25
5
15
Приложение C
(справочное)
ОБОСНОВАНИЕ
Метод с использованием камеры для пиллинга (см. ISO 12945-1) и метод произвольного вращения (RTPT - Random tumble pilling test), описанные в данном стандарте, больше подходят для испытания трикотажных полотен. В этих случаях изменение внешнего вида поверхности достигается путем случайных касаний испытуемых проб с мягкими абразивными поверхностями (пробковая вкладка или полихлоропреновая вкладка).
В частности, метод "RTPT" больше подходит для толстого трикотажа, такого как пуловеры, а также для ворсованных текстильных материалов, поскольку он лучше отражает то, что происходит во время носки, чем испытание в камере для пиллинга (см. ISO 12945-1).
Кроме того, изделия из ворсованных текстильных материалов (флис) не могут быть оценены в соответствии с таблицей оценок относящейся к пиллингу, поскольку внешний вид поверхности после испытания немного отличается от пиллинга (иногда называемого "овечьей шерстью" или свойлачиванием) и, следовательно, требует иной шкалы оценок (см. рисунки C.1 - C.2), как описано в ISO 12945-4.
В отличии от ISO 12945-1 и ISO 12945-2, метод, описанный в этом стандарте, дает возможность показать изменение внешнего вида поверхности в зависимости от продолжительности испытания (через 5 мин, 15 мин и 30 мин).
С другой стороны, модифицированный метод Мартиндейла (см. ISO 12945-2), больше подходит для испытания тканей. В этом случае изменение внешнего вида поверхности достигается систематическим трением испытуемых проб о другую поверхность (из той же ткани, что и испытуемые пробы, или изготовленную из эталонного абразивного материала).
Рисунок C.1 - Пример свойлачивания на поверхности
ворсованного текстильного материала (лицевая сторона):
исходный внешний вид (слева) и после свойлачивания (справа)
Рисунок C.2 - Пример свойлачивания на поверхности
ворсованного текстильного материала (изнаночная сторона):
исходный внешний вид (слева) и после свойлачивания (справа)
Приложение ДА
(справочное)
СВЕДЕНИЯ О СООТВЕТСТВИИ ССЫЛОЧНЫХ МЕЖДУНАРОДНЫХ СТАНДАРТОВ
МЕЖГОСУДАРСТВЕННЫМ СТАНДАРТАМ
Таблица ДА.1
Обозначение ссылочного международного стандарта
Степень соответствия
Обозначение и наименование соответствующего межгосударственного стандарта
ISO 48-2
-
ISO 139
IDT
ГОСТ ISO 139-2014 "Материалы текстильные. Стандартные атмосферные условия для проведения кондиционирования и испытаний"
ISO 12945-4
IDT
ГОСТ ISO 12945-4-2022 "Материалы и изделия текстильные. Определение стойкости материала к пиллингу, ворсистости или свойлачиванию. Часть 4. Оценка пиллинга, ворсистости или свойлачивания методом визуального анализа"
<*> Соответствующий межгосударственный стандарт отсутствует. До его принятия рекомендуется использовать перевод на русский язык данного международного стандарта.
Примечание - В настоящей таблице использовано следующее условное обозначение степени соответствия стандартов:
- IDT - идентичные стандарты.
БИБЛИОГРАФИЯ
[1]
ISO 3175-1
Textiles - Professional care, drycleaning and wetcleaning of fabrics and garments - Part 1: Assessment of performance after cleaning and finishing (Материалы текстильные. Профессиональный уход, сухая и мокрая химическая чистка тканей и одежды. Часть 1. Оценка состояния после чистки и заключительной обработки)
[2]
ISO 3175-2
Textiles - Professional care, drycleaning and wetcleaning of fabrics and garments - Part 2: Procedure for testing performance when cleaning and finishing using tetrachloroethene (Материалы и изделия текстильные. Профессиональный уход, сухая и мокрая чистка текстильных материалов и предметов одежды. Часть 2. Метод проведения испытаний при чистке и отделке с использованием тетрахлорэтилена)
[3]
ISO 3175-3
Textiles - Professional care, drycleaning and wetcleaning of fabrics and garments - Part 3: Procedure for testing performance when cleaning and finishing using hydrocarbon solvents (Материалы и изделия текстильные. Профессиональный уход, сухая и мокрая чистка текстильных материалов и предметов одежды. Часть 3. Метод проведения испытаний при чистке и отделке с использованием углеводородных растворителей)
[4]
ISO 3175-4
Textiles - Professional care, drycleaning and wetcleaning of fabrics and garments - Part 4: Procedure for testing performance when cleaning and finishing using simulated wetcleaning (Материалы текстильные. Профессиональный уход, сухая и мокрая химическая чистка тканей и одежды. Часть 4. Метод проведения испытаний при чистке и заключительной обработке с использованием моделируемой мокрой чистки)
[5]
ISO 6330
Textiles - Domestic washing and drying procedures for textile testing (Материалы текстильные. Методы домашней стирки и сушки для испытаний)
[6]
ISO 12945-1
Textiles - Determination of fabric propensity to surface pilling, fuzzing or matting - Part 1: Pilling box method (Материалы и изделия текстильные. Определение стойкости материала к пиллингу, ворсистости или свойлачиванию. Часть 1. Метод с применением камеры для испытания на пиллинг)
[7]
ISO 12945-2
Textiles - Determination of fabric propensity to surface pilling, fuzzing or matting - Part 2: Pilling box method (Материалы и изделия текстильные. Определение стойкости материала к пиллингу, ворсистости или свойлачиванию. Часть 2. Модифицированный метод Мартиндейла)
[8]
SFS 3378
Textiles. Determination of pilling resistance of fabrics (Текстиль. Определение устойчивости текстильных материалов к пиллингу)
[9]
NF G 07-121
Textiles - Testing of fabrics - Determination of resistance to pilling of woven and knitted fabrics (Текстиль. Тестирование текстильных материалов. Определение устойчивости к пиллингу)
[10]
JIS L1076
Testing methods for pilling of woven fabrics and knitted fabrics (Методы испытания тканей и трикотажных полотен на пиллинг)
[11]
ASTM D3512
Standard Test Method for Pilling Resistance and Other Related Surface Changes of Textile Fabrics: Random Tumble Pilling Tester (Стандартный метод испытания на устойчивость к пиллингу и другие связанные изменения поверхности текстильных материалов: испытания в камере для произвольного опрокидывания)
УДК 677.21:006:354
МКС 59.080.01
Ключевые слова: пиллинг, ворсистость, свойлачивание текстильных материалов, ворсованные текстильные материалы, метод произвольного вращения в цилиндрической камере