Главная // Актуальные документы // ГОСТ (Государственный стандарт)СПРАВКА
Источник публикации
В данном виде документ опубликован не был.
Первоначальный текст документа опубликован в издании
М.: Стандартинформ, 2015.
Информацию о публикации документов, создающих данную редакцию, см. в справке к этим документам.
Примечание к документу
Текст данного документа приведен с учетом
поправки, опубликованной в "ИУС", N 12, 2021.
Взамен ГОСТ 25575-83.
Название документа
"ГОСТ 25575-2014. Межгосударственный стандарт. Калибры для соединений с трапецеидальной резьбой обсадных труб и муфт к ним. Типы и основные размеры"
(введен в действие Приказом Росстандарта от 05.05.2015 N 313-ст)
(ред. от 27.12.2021)
"ГОСТ 25575-2014. Межгосударственный стандарт. Калибры для соединений с трапецеидальной резьбой обсадных труб и муфт к ним. Типы и основные размеры"
(введен в действие Приказом Росстандарта от 05.05.2015 N 313-ст)
(ред. от 27.12.2021)
по техническому регулированию
и метрологии
от 5 мая 2015 г. N 313-ст
МЕЖГОСУДАРСТВЕННЫЙ СТАНДАРТ
КАЛИБРЫ ДЛЯ СОЕДИНЕНИЙ С ТРАПЕЦЕИДАЛЬНОЙ РЕЗЬБОЙ ОБСАДНЫХ
ТРУБ И МУФТ К НИМ
ТИПЫ И ОСНОВНЫЕ РАЗМЕРЫ
Gauges for trapezoidal thread connections
for casing pipes with couplings.
Types and basic dimensions
ГОСТ 25575-2014
| | Список изменяющих документов Росстандарта от 27.12.2021 N 1856-ст) | |
Дата введения
1 декабря 2015 года
Цели, основные принципы и общие правила проведения работ по межгосударственной стандартизации установлены
ГОСТ 1.0 "Межгосударственная система стандартизации. Основные положения" и
ГОСТ 1.2 "Межгосударственная система стандартизации. Стандарты межгосударственные, правила и рекомендации по межгосударственной стандартизации. Правила разработки, принятия, применения, обновления и отмены"
(в ред.
Изменения N 1, введенного в действие Приказом Росстандарта от 27.12.2021 N 1856-ст)
1 РАЗРАБОТАН Всесоюзным научно-исследовательским институтом буровой техники (ВНИИБТ), Открытым акционерным обществом "Российский научно-исследовательский институт трубной промышленности" (ОАО "РосНИТИ")
2 ВНЕСЕН Межгосударственным техническим комитетом по стандартизации 523 "Техника и технологии добычи и переработки нефти и газа" (МТК 523)
3 ПРИНЯТ Межгосударственным советом по стандартизации, метрологии и сертификации (протокол от 25 июня 2014 г. N 45)
За принятие проголосовали:
Краткое наименование страны по МК (ИСО 3166) 004-97 | Код страны по МК (ИСО 3166) 004-97 | Сокращенное наименование национального органа по стандартизации |
Казахстан | KZ | Госстандарт Республики Казахстан |
Киргизия | KG | Кыргызстандарт |
Молдова | MD | Молдова-Стандарт |
Россия | RU | Росстандарт |
Таджикистан | TJ | Таджикстандарт |
Туркмения | TM | Главгосслужба "Туркменстандартлары" |
4
Приказом Федерального агентства по техническому регулированию и метрологии от 5 мая 2015 г. N 313-ст межгосударственный стандарт ГОСТ 25575-2014 введен в действие в качестве национального стандарта Российской Федерации с 1 декабря 2015 г.
5 ВЗАМЕН ГОСТ 25575-83
Информация о введении в действие (прекращении действия) настоящего стандарта и изменений к нему на территории указанных выше государств публикуется в указателях национальных стандартов, издаваемых в этих государствах, а также в сети Интернет на сайтах соответствующих национальных органов по стандартизации.
В случае пересмотра, изменения или отмены настоящего стандарта соответствующая информация будет опубликована на официальном интернет-сайте Межгосударственного совета по стандартизации, метрологии и сертификации в каталоге "Межгосударственные стандарты"
(в ред.
Изменения N 1, введенного в действие Приказом Росстандарта от 27.12.2021 N 1856-ст)
Настоящий стандарт разработан взамен ГОСТ 25575-83 "Калибры для соединений с трапецеидальной резьбой обсадных труб и муфт к ним. Типы, основные размеры и допуски" с целью:
- расширения области применения калибров для контроля резьбовых соединений ОТТГ и ОТТМ обсадных труб, изготавливаемых не только по
ГОСТ 632, но и по другим стандартам на обсадные трубы с резьбовыми соединениями ОТТГ и ОТТМ;
- дополнения калибрами для обсадных труб наружным диаметром 101,60, 110,00 и 323,85 мм, широко применяемых в российской промышленности;
- дополнения новым типом контрольного калибра К-Р, предназначенным для проверки рабочих калибров;
- исключено с 01.03.2022. -
Изменение N 1, введенное в действие Приказом Росстандарта от 27.12.2021 N 1856-ст;
- уточнения некоторых значений геометрических параметров калибров;
- исправления редакционных неточностей;
- приведения изложения стандарта в соответствие с современными требованиями.
Настоящий стандарт распространяется на контрольные и рабочие конические резьбовые и гладкие калибры, предназначенные для контроля трапецеидальной резьбы и уплотнительных поверхностей резьбовых соединений обсадных труб и муфт к ним типов ОТТМ, ОТТГ и труб типа ТБО.
В настоящем стандарте использованы нормативные ссылки на следующие стандарты:
Ссылка исключена с 01.03.2022. -
Изменение N 1, введенное в действие Приказом Росстандарта от 27.12.2021 N 1856-ст.
ГОСТ 24672 Калибры для конической резьбы. Технические условия
(в ред.
Изменения N 1, введенного в действие Приказом Росстандарта от 27.12.2021 N 1856-ст)
Примечание - При пользовании настоящим стандартом целесообразно проверить действие ссылочных стандартов и классификаторов на официальном интернет-сайте Межгосударственного совета по стандартизации, метрологии и сертификации (www.easc.by) или по указателям национальных стандартов, издаваемым в государствах, указанных в предисловии, или на официальных сайтах соответствующих национальных органов по стандартизации. Если на документ дана недатированная ссылка, то следует использовать документ, действующий на текущий момент, с учетом всех внесенных в него изменений. Если заменен ссылочный документ, на который дана датированная ссылка, то следует использовать указанную версию этого документа. Если после принятия настоящего стандарта в ссылочный документ, на который дана датированная ссылка, внесено изменение, затрагивающее положение, на которое дана ссылка, то это положение применяется без учета данного изменения. Если ссылочный документ отменен без замены, то положение, в котором дана ссылка на него, применяется в части, не затрагивающей эту ссылку.
(примечание в ред.
Изменения N 1, введенного в действие Приказом Росстандарта от 27.12.2021 N 1856-ст)
В настоящем стандарте применены следующие обозначения:
D - внутренний диаметр резьбы калибра-кольца типов Р и К-Р в измерительной плоскости;
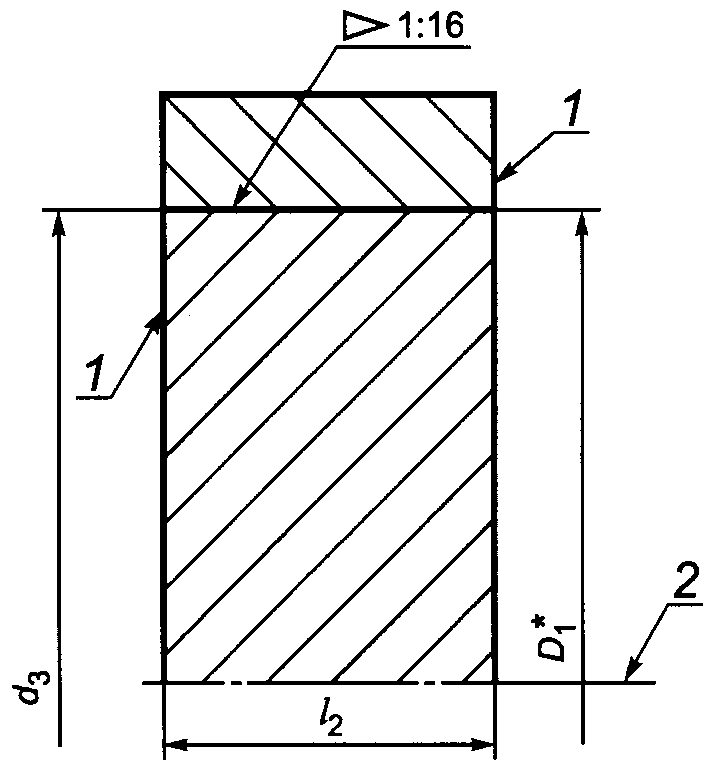
D1 - диаметр калибра-кольца типа Г в измерительной плоскости;
d - диаметр калибра-пробки типа Г в измерительной плоскости;
d1 - диаметр калибра-пробки типа Г-У в измерительной плоскости;
исключено с 01.03.2022. -
Изменение N 1, введенное в действие Приказом Росстандарта от 27.12.2021 N 1856-ст;
d3 - диаметр калибра-пробки типа К-Г-Г в измерительной плоскости;
d4 - диаметр калибра-пробки типа К-Г-Г-У и калибра-кольца типа Г-У в измерительной плоскости;
d5 - внутренний диаметр резьбы калибра-пробки типов Р и К-Р в основной плоскости;
d6 - диаметр проточки калибров-пробок типов Р, К-Р и Г;
L - длина калибра-кольца типов Р и К-Р;
l - длина калибра-пробки типа Г;
исключено с 01.03.2022. -
Изменение N 1, введенное в действие Приказом Росстандарта от 27.12.2021 N 1856-ст;
l2 - длина калибра-пробки типа К-Г-Г и калибра-кольца типа Г;
l3 - расстояние от измерительной плоскости до малого торца калибра-пробки типов Р и К-Р;
l4 - расстояние между измерительными плоскостями калибра-пробки типов Р и К-Р и калибра-кольца типов К-Р и Р (натяг).
(в ред.
Изменения N 1, введенного в действие Приказом Росстандарта от 27.12.2021 N 1856-ст)
4.1 Калибры изготовляют следующих типов:
Р - резьбовые рабочие калибры-пробки и калибры-кольца;
К-Р - резьбовые контрольные калибры-пробки и калибры-кольца;
исключено с 01.03.2022. -
Изменение N 1, введенное в действие Приказом Росстандарта от 27.12.2021 N 1856-ст;
Г - гладкие рабочие калибры-пробки и калибры-кольца;
К-Г-Г - гладкие контрольные калибры-пробки;
Г-У - гладкие рабочие калибры-пробки и калибры-кольца;
К-Г-Г-У - гладкие контрольные калибры-пробки.
Примечание - исключено с 01.03.2022. -
Изменение N 1, введенное в действие Приказом Росстандарта от 27.12.2021 N 1856-ст.
4.2 Условное обозначение калибра включает:
- наименование и тип калибра;
- тип резьбового соединения;
(в ред.
Изменения N 1, введенного в действие Приказом Росстандарта от 27.12.2021 N 1856-ст)
- наружный диаметр труб, округленный до целого значения;
- обозначение настоящего стандарта.
Примеры условных обозначений калибров
Резьбовой рабочий калибр-пробка типа Р для контроля резьбы муфт к трубам с резьбовыми соединениями типов ОТТГ и ОТТМ и раструбных концов труб с резьбовым соединением типа ТБО наружным диаметром 298,45 мм:
Пробка Р ОТТМ 299 ГОСТ 25575-2014.
Приказом Росстандарта от 27.12.2021 N 1856-ст)
Гладкий рабочий калибр-кольцо типа Г-У для контроля уплотнительной конической проточки труб с резьбовым соединением типа ОТТГ и ниппельных концов труб с резьбовым соединением типа ТБО наружным диаметром 139,70 мм:
Кольцо Г-У ОТТГ 140 ГОСТ 25575-2014.
Приказом Росстандарта от 27.12.2021 N 1856-ст)
Резьбовой рабочий калибр-пробка типа Р для контроля резьбы муфт к трубам с резьбовыми соединениями типов ОТТГ и ОТТМ, раструбных концов труб с резьбовым соединением типа ТБО и муфт к трубам с резьбовым соединением типа НКМ наружным диаметром 114,30 мм:
Пробка Р ОТТМ (НКМ) 114 ГОСТ 25575-2014.
Приказом Росстандарта от 27.12.2021 N 1856-ст)
Примечание - Условное обозначение калибров для обсадных труб наружным диаметром 114,30 мм и муфт к ним дополнительно должно включать буквы НКМ как указание на возможность применения калибров для контроля насосно-компрессорных труб с резьбовым соединением типа НКМ.
4.4 Технические требования к калибрам должны соответствовать ГОСТ 24672.
5.1 Основные размеры рабочих и контрольных калибров, профиль резьбы и их предельные отклонения должны соответствовать указанным на
рисунках 1 -
9 и в
таблице 1.
--------------------------------
<*> Размер для справок.
1 - основная плоскость; 2 - измерительная плоскость;
3 - ось резьбы калибра
Рисунок 1 - Калибр-пробка типов Р и К-Р
--------------------------------
<*> Размеры для справок.
<**> Вместо фаски может быть выполнено скругление радиусом не более 0,20+0,04 мм.
1 - основная плоскость; 2 - линия, параллельная оси резьбы;
3 - ось резьбы; 4 - образующие конуса резьбы
Рисунок 2 - Профиль резьбы калибра-пробки типов Р и К-Р
Приказом Росстандарта от 27.12.2021 N 1856-ст)
1 - измерительная плоскость; 2 - ось калибра
Рисунок 3 - Калибр-пробка типа Г
1 - измерительная плоскость; 2 - ось калибра
Рисунок 4 - Калибр-пробка типа Г-У
--------------------------------
<*> Размер для справок.
1 - измерительная плоскость; 2 - ось резьбы калибра
Рисунок 5 - Калибр-кольцо типов К-Р и Р
Приказом Росстандарта от 27.12.2021 N 1856-ст)
--------------------------------
<*> Размеры для справок.
<**> Вместо фаски может быть выполнено округление радиусом не более 0,20+0,04 мм.
1 - образующие конуса резьбы; 2 - линия,
параллельная оси резьбы; 3 - ось резьбы
Рисунок 6 - Профиль резьбы калибра-кольца типов Р и К-Р
Приказом Росстандарта от 27.12.2021 N 1856-ст)
--------------------------------
<*> Размер для справок.
1 - измерительные плоскости; 2 - ось калибров
Рисунок 7 - Калибр-кольцо типа Г и калибр-пробка
типа К-Г-Г
1 - измерительные плоскости; 2 - ось калибров
Рисунок 8 - Калибр-кольцо типа Г-У и калибр-пробка
типа К-Г-Г-У
1 - измерительные плоскости; 2 - ось калибров
Рисунок 9 - Калибр-кольцо типов К-Р и Р
и калибр-пробка типов Р и К-Р
Размеры в мм
Наружный диаметр труб | Диаметр в измерительной плоскости | Внутренний диаметр резьбы в основной плоскости калибра-пробки типов Р и К-Р |
внутренний резьбы калибра-кольца типов Р и К-Р D | калибра-кольца типа Г D1 | калибра-пробки типа Г d | калибра-пробки типа Г-У d1 | калибра-пробки типа К-Г-Г d3 | калибра-пробки типа К-Г-Г-У, кольца типа Г-У |
+/- 0,010 |
101,60 | 96,087 | 99,287 | 99,525 | - | 101,600 | - | 98,400 |
110,00 | 104,487 | 107,687 | 107,925 | - | 110,000 | - | 106,800 |
114,30 | 108,475 | 111,675 | 112,225 | 106,800 | 114,300 | 106,375 | 111,100 |
127,00 | 121,050 | 124,250 | 124,925 | 119,375 | 127,000 | 118,950 | 123,800 |
139,70 | 133,500 | 136,700 | 137,625 | 131,875 | 139,700 | 131,400 | 136,500 |
146,05 | 139,850 | 143,050 | 143,975 | 138,175 | 146,050 | 137,750 | 142,850 |
168,28 | 161,825 | 165,025 | 166,200 | 160,150 | 168,275 | 159,725 | 165,075 |
(в ред.
Изменения N 1, введенного в действие Приказом Росстандарта от 27.12.2021 N 1856-ст)
Продолжение таблицы 1
Размеры в мм
Наружный диаметр труб | Диаметр проточки калибра-пробки типов Р, К-Р и Г d6 | Длина | Расстояние от измерительной плоскости до малого торца калибра-пробки типов Р и К-Р l3 | Расстояние между измерительными плоскостями калибра-пробки типов Р и К-Р и калибра-кольца типов Р и К-Р l4 |
калибра-кольца типов Р и К-Р L | калибра-пробки типа Г l | калибра-пробки типа К-Г-Г, калибра-кольца типа Г l2 |
h16 |
101,60 | 97 | 59 | 60 | 37 | 72 | 67 |
110,00 | 105 | 59 | 60 | 37 | 72 | 67 |
114,30 | 109 | 64 | 65 | 42 | 77 | 72 |
127,00 | 122 | 66 | 67 | 44 | 79 | 74 |
139,70 | 135 | 70 | 71 | 48 | 83 | 78 |
146,05 | 141 | 70 | 71 | 48 | 83 | 78 |
168,28 | 163 | 74 | 75 | 52 | 87 | 82 |
(в ред.
Изменения N 1, введенного в действие Приказом Росстандарта от 27.12.2021 N 1856-ст)
Продолжение таблицы 1
Размеры в мм
Наружный диаметр труб | Диаметр в измерительной плоскости | Внутренний диаметр резьбы в основной плоскости калибра-пробки типов Р и К-Р |
внутренний резьбы калибра-кольца типов Р и К-Р D | калибра-кольца тип Г D1 | калибра-пробки типа Г d | калибра-пробки типа Г-У d1 | калибра-пробки типа К-Г-Г d3 | калибра-пробки типа К-Г-Г-У, кольца типа Г-У |
+/- 0,010 |
177,80 | 171,100 | 174,300 | 175,725 | 169,425 | 177,800 | 169,000 | 174,600 |
193,68 | 186,725 | 189,925 | 191,600 | 185,050 | 193,675 | 184,625 | 190,475 |
219,08 | 211,750 | 214,950 | 217,000 | 210,075 | 219,075 | 209,650 | 215,875 |
244,48 | 237,150 | 240,350 | 242,400 | 235,475 | 244,475 | 235,050 | 241,275 |
273,05 | 265,725 | 268,925 | 270,975 | 264,050 | 273,050 | 263,625 | 269,850 |
298,45 | 291,125 | 294,325 | 296,375 | - | 298,450 | - | 295,250 |
323,85 | 316,525 | 319,725 | 321,775 | 314,850 | 323,850 | 314,425 | 320,650 |
339,72 | 332,400 | 335,600 | 337,650 | - | 339,725 | - | 336,525 |
(в ред.
Изменения N 1, введенного в действие Приказом Росстандарта от 27.12.2021 N 1856-ст)
Продолжение таблицы 1
Размеры в мм
Наружный диаметр труб | Диаметр проточки калибра-пробки типов Р, К-Р и Г d6 | Длина | Расстояние от измерительной плоскости до малого торца калибра-пробки типов Р и К-Р l3 | Расстояние между измерительными плоскостями калибра-пробки типов Р и К-Р и калибра-кольца типов Р и К-Р l4 |
калибра-кольца типов Р и К-Р L | калибра-пробки типа Г l | калибра-пробки типа К-Г-Г, калибра-кольца типа Г l2 |
h16 |
177,80 | 173 | 78 | 79 | 56 | 91 | 86 |
193,68 | 189 | 82 | 83 | 60 | 95 | 90 |
219,08 | 214 | 88 | 89 | 66 | 101 | 96 |
244,48 | 239 | 88 | 89 | 66 | 101 | 96 |
273,05 | 268 | 88 | 89 | 66 | 101 | 96 |
298,45 | 293 | 88 | 89 | 66 | 101 | 96 |
323,85 | 319 | 88 | 89 | 66 | 101 | 96 |
339,72 | 335 | 88 | 89 | 66 | 101 | 96 |
<1> Предельные отклонения d4 относятся только к калибрам-пробкам типа К-Г-Г-У. <2> Предельные отклонения d5 относятся к контрольным и новым рабочим калибрам-пробкам. В процессе эксплуатации рабочих калибров отклонения d5 не должны превышать  . |
(в ред.
Изменения N 1, введенного в действие Приказом Росстандарта от 27.12.2021 N 1856-ст)
5.2 Отклонения разности наружных и внутренних диаметров резьбы калибров не должны быть более, в мм:
а) калибра-пробки типа Р и К-Р на длине (l3 - 20) + 0,020;
б) калибра-кольца типа Р и К-Р на длине

;
Отклонения разности диаметров калибров не должны быть более, в мм:
а) калибров-пробок типа К-Г-Г на длине l2:
(в ред.
Изменения N 1, введенного в действие Приказом Росстандарта от 27.12.2021 N 1856-ст)
- для калибров длиной до 56 мм + 0,010;
- для калибров длиной свыше 56 мм + 0,015;
б) калибров-пробок типа Г на длине (l - 12) + 0,020;
в) калибров-колец типа Г на длине

;
г) калибров-пробок типов Г-У и К-Г-Г-У и калибров-колец типа Г-У на длине калибра +/- 0,005.
При контроле разности диаметров указанных резьбовых и гладких калибров на другой длине предельные отклонения должны быть пропорционально изменены.
5.3 Предельные отклонения шага резьбы относятся к расстоянию между двумя любыми витками резьбы калибров - соседними или разделенными любым числом витков.
(в ред.
Изменения N 1, введенного в действие Приказом Росстандарта от 27.12.2021 N 1856-ст)
5.4 Шаг резьбы и ширину вершины и впадины резьбы измеряют параллельно оси резьбы калибра.
(в ред.
Изменения N 1, введенного в действие Приказом Росстандарта от 27.12.2021 N 1856-ст)
5.5 При припасовке калибров-колец типа Г к калибрам-пробкам типа К-Г-Г расстояние между измерительными плоскостями новых калибров должно быть равно (
l2 +/- 0,10) мм. Несовпадение измерительных плоскостей при припасовке новых калибров-колец типа Г-У к калибрам-пробкам типа К-Г-Г-У не должно быть более +/- 0,10 мм. Отклонения для калибров в процессе эксплуатации не должны быть более

.
(в ред.
Изменения N 1, введенного в действие Приказом Росстандарта от 27.12.2021 N 1856-ст)
При припасовке калибра-кольца типа К-Р к калибру-пробке типа К-Р расстояние между измерительными плоскостями новых калибров должно быть равно номинальному значению l4 с предельными отклонениями +/- 0,10 мм.
При припасовке калибров-колец и калибров-пробок типа Р соответственно к калибрам-пробкам и калибрам-кольцам типа К-Р расстояние между измерительными плоскостями новых калибров должно быть равно номинальному значению
l4 с предельными отклонениями +/- 0,10 мм, для калибров в процессе эксплуатации - с предельными отклонениями

.
5.6 Отклонение параллельности измерительных плоскостей при припасовке рабочих калибров-колец к контрольным калибрам-пробкам не должно быть более 0,05 мм.
5.7 Отклонение перпендикулярности измерительных плоскостей к оси резьбы и к оси рабочих поверхностей соответственно резьбовых и гладких калибров-пробок не должно быть более 0,025 мм.
5.8 Отклонение прямолинейности боковых сторон профиля резьбы не должно быть более 0,003 мм.
5.9 Исключен с 01.03.2022. -
Изменение N 1, введенное в действие Приказом Росстандарта от 27.12.2021 N 1856-ст.
5.10 Комплект калибров для обсадных труб каждого наружного диаметра и типа соединения должен состоять из контрольных и рабочих резьбовых и гладких калибров, указанных в
4.1.
По требованию заказчика могут быть изготовлены отдельно резьбовые и гладкие калибры-пробки и калибры-кольца.
(п. 5.10 в ред.
Изменения N 1, введенного в действие Приказом Росстандарта от 27.12.2021 N 1856-ст)
(обязательное)
А.1 Калибры-пробки типов Р, Г и Г-У для контроля муфт к трубам с соединениями типов ОТТМ, ОТТГ и раструбных концов труб с соединением типа ТБО.
Таблица А.1
Тип калибра | Область применения |
Р | Контроль профиля и внутреннего диаметра резьбы |
Г | Контроль конусности (разности внутренних диаметров) и внутреннего диаметра резьбы |
Г-У | Контроль конусности (разности диаметров) и диаметра уплотнительной конической расточки муфт к трубам с соединением типа ОТТГ и раструбных концов труб с соединением типа ТБО |
А.2 Калибры-пробки типов К-Р, К-Г-Г и К-Г-Г-У и калибры-кольца типов К-Р, Р, Г и Г-У для труб с соединениями типов ОТТМ и ОТТГ и ниппельных концов труб с соединением типа ТБО.
(в ред.
Изменения N 1, введенного в действие Приказом Росстандарта от 27.12.2021 N 1856-ст)
Таблица А.2
Тип калибра | Область применения |
Позиция исключена с 01.03.2022. - Изменение N 1, введенное в действие Приказом Росстандарта от 27.12.2021 N 1856-ст. |
К-Г-Г | Контроль диаметра калибра-кольца типа Г |
К-Г-Г-У | Контроль диаметра калибра-кольца типа Г-У для труб с соединением типа ОТТГ и ниппельных концов труб с соединением типа ТБО |
Р | Контроль профиля и внутреннего диаметра резьбы |
К-Р | Припасовка рабочего резьбового калибра-пробки типа Р - контрольный резьбовой калибр-кольцо. Припасовка рабочего резьбового калибра-кольца типа Р - контрольный резьбовой калибр-пробка |
Г | Контроль конусности (разности наружных диаметров) и наружного диаметра резьбы |
Г-У | Контроль конусности (разности диаметров) и диаметра уплотнительной конической проточки труб с соединением типа ОТТГ и ниппельных концов труб с соединением типа ТБО |
А.3 Резьбовой контрольный калибр-пробка является эталоном в схеме передачи натяга от контрольного калибра-пробки к контрольному и рабочему калибрам-кольцам.
Резьбовой контрольный калибр-кольцо является эталоном в схеме передачи натяга от контрольного калибра-кольца к рабочему калибру-пробке.
Рабочие калибры-пробки и калибры-кольца предназначены для контроля натяга изделий. В спорных случаях могут быть использованы контрольные калибры-пробки и калибры-кольца.
Парный натяг резьбового контрольного калибра-пробки и резьбового контрольного калибра-кольца служит для установления износа или изменений рабочих калибров.
Передача натяга от рабочего калибра к изделию проводится с применением поправки, учитывающей отклонение размеров калибра от номинальных значений.
УДК 621.774:621.643.414:622.245:006.354 | |
Ключевые слова: трапецеидальная резьба, уплотнительные поверхности, обсадные трубы, резьбовые, гладкие, контрольные, рабочие, калибр-пробка, калибр-кольцо, размеры, предельные отклонения, контроль |
(в ред.
Изменения N 1, введенного в действие Приказом Росстандарта от 27.12.2021 N 1856-ст)