Главная // Актуальные документы // ГОСТ (Государственный стандарт)СПРАВКА
Источник публикации
М.: ФГБУ "Институт стандартизации", 2024
Примечание к документу
Документ
вводится в действие с 01.07.2025.
Название документа
"ГОСТ IEC 62321-8-2022. Межгосударственный стандарт. Определение регламентированных веществ в электротехнических изделиях. Часть 8. Определение фталатов в полимерах методом газовой хроматографии - масс-спектрометрии и пиролитической газовой хроматографии - масс-спектрометрии с термодесорбцией"
(введен в действие Приказом Росстандарта от 03.04.2024 N 399-ст)
"ГОСТ IEC 62321-8-2022. Межгосударственный стандарт. Определение регламентированных веществ в электротехнических изделиях. Часть 8. Определение фталатов в полимерах методом газовой хроматографии - масс-спектрометрии и пиролитической газовой хроматографии - масс-спектрометрии с термодесорбцией"
(введен в действие Приказом Росстандарта от 03.04.2024 N 399-ст)
по техническому регулированию
и метрологии
от 3 апреля 2024 г. N 399-ст
МЕЖГОСУДАРСТВЕННЫЙ СТАНДАРТ
ОПРЕДЕЛЕНИЕ РЕГЛАМЕНТИРОВАННЫХ ВЕЩЕСТВ
В ЭЛЕКТРОТЕХНИЧЕСКИХ ИЗДЕЛИЯХ
ЧАСТЬ 8
ОПРЕДЕЛЕНИЕ ФТАЛАТОВ В ПОЛИМЕРАХ МЕТОДОМ ГАЗОВОЙ
ХРОМАТОГРАФИИ - МАСС-СПЕКТРОМЕТРИИ И ПИРОЛИТИЧЕСКОЙ ГАЗОВОЙ
ХРОМАТОГРАФИИ - МАСС-СПЕКТРОМЕТРИИ С ТЕРМОДЕСОРБЦИЕЙ
Determination of regulated substances in electrotechnical
products. Part 8. Phthalates in polymers by gas
chromatography-mass spectrometry and pyrolysis gas
chromatography-mass spectrometry using thermal
desorption accessory
(IEC 62321-8:2017, Determination of certain substances in
electrotechnical products - Part 8: Phthalates in polymers
by gas chromatography-mass spectrometry (GC-MS), gas
chromatography-mass spectrometry using a pyrolyzer/thermal
desorption accessory (Py/TD-GC-MS), IDT)
ГОСТ IEC 62321-8-2022
Дата введения
1 июля 2025 года
Цели, основные принципы и общие правила проведения работ по межгосударственной стандартизации установлены
ГОСТ 1.0 "Межгосударственная система стандартизации. Основные положения" и
ГОСТ 1.2 "Межгосударственная система стандартизации. Стандарты межгосударственные, правила и рекомендации по межгосударственной стандартизации. Правила разработки, принятия, обновления и отмены"
1 ПОДГОТОВЛЕН Научно-производственным республиканским унитарным предприятием "Белорусский государственный институт стандартизации и сертификации" (БелГИСС) на основе собственного перевода на русский язык англоязычной версии стандарта, указанного в
пункте 5
2 ВНЕСЕН Государственным комитетом по стандартизации Республики Беларусь
3 ПРИНЯТ Межгосударственным советом по стандартизации, метрологии и сертификации (протокол от 16 мая 2022 г. N 151-П)
За принятие проголосовали:
Краткое наименование страны по МК (ИСО 3166) 004-97 | Код страны по МК (ИСО 3166) 004-97 | Сокращенное наименование национального органа по стандартизации |
Армения | AM | ЗАО "Национальный орган по стандартизации и метрологии" Республики Армения |
Беларусь | BY | Госстандарт Республики Беларусь |
Казахстан | KZ | Госстандарт Республики Казахстан |
Киргизия | KG | Кыргызстандарт |
Россия | RU | Росстандарт |
Узбекистан | UZ | Узстандарт |
4
Приказом Федерального агентства по техническому регулированию и метрологии от 3 апреля 2024 г. N 399-ст межгосударственный стандарт ГОСТ IEC 62321-8-2022 введен в действие в качестве национального стандарта Российской Федерации с 1 июля 2025 г.
5 Настоящий стандарт идентичен международному стандарту IEC 62321-8:2017 "Определение некоторых веществ в электротехнических изделиях. Часть 8. Определение фталатов в полимерах методом газовой хроматографии - масс-спектрометрии (GC-MS), газовой хроматографии - масс-спектрометрии с использованием пиролизеров и термической десорбции (Py-TD-GC-MS)" ("Determination of certain substances in electrotechnical products - Part 8: Phthalates in polymers by gas chromatography-mass spectrometry (GC-MS), gas chromatography-mass spectrometry using a pyrolyzer/thermal desorption accessory (Py/TD-GC-MS)", IDT).
Международный стандарт разработан Техническим комитетом по стандартизации IEC TC 111 "Стандартизация в области окружающей среды относительно электрических и электронных товаров и систем" Международной электротехнической комиссии (IEC).
Наименование настоящего стандарта изменено относительно наименования указанного международного стандарта для увязки с наименованиями, принятыми в существующем комплексе межгосударственных стандартов.
При применении настоящего стандарта рекомендуется использовать вместо ссылочного международного стандарта соответствующий ему межгосударственный стандарт, сведения о котором приведены в дополнительном
приложении ДА
6 ВВЕДЕН ВПЕРВЫЕ
Информация о введении в действие (прекращении действия) настоящего стандарта и изменений к нему на территории указанных выше государств публикуется в указателях национальных стандартов, издаваемых в этих государствах, а также в сети Интернет на сайтах соответствующих национальных органов по стандартизации.
В случае пересмотра, изменения или отмены настоящего стандарта соответствующая информация будет опубликована на официальном интернет-сайте Межгосударственного совета по стандартизации, метрологии и сертификации в каталоге "Межгосударственные стандарты"
Широкое использование изделий электротехнического назначения повысило внимание к их воздействию на окружающую среду. Во многих странах мира были приняты технические документы, предусматривающие определенный порядок работы с отходами, веществами и затраченной энергией при использовании электротехнических изделий.
Применение таких веществ, как свинец (Pb), кадмий (Cd), содержащиеся в неорганических и органических соединениях, а также полибромированных дифениловых эфиров (PBDE) и определенных фталатов в электротехнических изделиях регламентируется национальным законодательством.
Целью стандартов серии IEC 62321 является установление методов контроля, которые позволят определить уровень регламентированных веществ в электротехнических изделиях.
IEC 62321-8 является новой частью стандартов серии IEC 62321.
Настоящий стандарт устанавливает два обязательных и два справочных метода определения диизобутилфталатов (DIBP), ди-n-изобутилфталатов (DBP), бензилбутилфталатов (BBP), ди-(2-этилгексил) фталатов (DEHP), ди-n-октилфталатов (DNOP), диизононилфталатов (DINP) и диизодецилфталатов (DIDP) в полимерных материалах электротехнических изделий.
В настоящем стандарте установлены методы газовой хроматографии - масс-спектрометрии (GC-MS) и пиролитической газовой хроматографии - масс-спектрометрии с термодесорбцией (Py/TD-GC-MS).
Метод GC-MS является основным методом количественного определения DIBP, DBP, BBP, DEHP, DNOP, DINP и DIDP в диапазоне от 50 до 2000 мг/кг. GC-MS в сочетании с пиролизом и термодесорбцией (TD) подходит для скрининга и полуколичественного анализа DIBP, DBP, BBP, DEHP, DNOP, DINP и DIDP в диапазоне от 100 до 2000 мг/кг в полимерных материалах, которые используются как части электротехнических изделий.
Метод масс-спектрометрии с присоединением иона (IAMS) IAMS подходит для скрининга и полуколичественного анализа DIBP, DBP, BBP, DEHP, DNOP, DINP и DIDP. IAMS имеет ограничения по определению таких веществ, как DBP и DIBP, DEHP и DNOP, из-за ограничений пикового и масс-спектрального разрешения.
Метод жидкостной хроматографии - масс-спектрометрии (LC-MS) имеет ограничения по определению таких веществ, как BBP, DEHP, DNOP, DINP и DIDP. Определение DBP и DIBP с помощью LC-MS не было установлено из-за ограничений пикового и масс-спектрального разрешения.
Блок-схема, наглядно демонстрирующая обязательные методы пиролитической газовой хроматографии - масс-спектрометрии с термодесорбцией (Py/TD-GC-MS) и справочные методы с использованием масс-спектрометрии с присоединением ионов (IAMS) в сочетании с методом прямого ввода пробы (DIP) и жидкостной хроматографией - масс-спектрометрией (LC-MS), приведена в соответствующих приложениях настоящего стандарта.
Четыре указанных метода испытаний были оценены путем испытания материалов из полиэтилена (PE) и поливинилхлорида (PVC), содержащих в своем составе фталаты в концентрации приблизительно от 450 до 30 000 мг/кг, как указано в обязательном и справочном методах, приведенных в соответствующих разделах настоящего стандарта. Использование четырех методов для других видов полимеров, определенных фталатов или диапазонов концентраций, отличающихся от тех, что указаны выше, целенаправленно не оценивалось.
В настоящем стандарте использована нормативная ссылка на следующий стандарт [для датированных ссылок применяют только указанное издание ссылочного стандарта, для недатированных - последнее издание (включая все изменения)]:
IEC 62321-1:2013, Determination of certain substances in electrotechnical products - Part 1: Introduction and overview (Определение регламентированных веществ в электротехнических изделиях. Часть 1. Введение и обзор)
3 Термины, определения и сокращения
3.1 Термины и определения
В настоящем стандарте применены следующие термины с соответствующими определениями.
ISO и IEC ведут базы данных терминов, применяемых в стандартизации, доступ к которым может быть получен по следующим адресам:
- Электропедия IEC: http://www.electropedia.org/;
- платформа онлайн-просмотра ISO: https://www.iso.org/obp.
3.1.1 скрининг (screening): Аналитическая процедура для определения присутствия или отсутствия вещества в представленной части или детали изделия относительно значения или значений, установленных в качестве критерия для определения присутствия, отсутствия или других испытаний.
Примечание - Если в результате скрининга полученные значения неоднозначны, то могут быть проведены дополнительные анализы или другие исследования для получения окончательного заключения о присутствии/отсутствии вещества.
[ИСТОЧНИК: IEC 62321-1:2013 (пункт 3.1.10)]
3.1.2 полуколичественный (semi-quantitative): Уровень точности в итоговом измерении с относительной неопределенностью результата в пределах 30% или лучше при определенном доверительном уровне в 68%.
[ИСТОЧНИК: IEC 62321-6:2015 (пункт 3.1.1)]
3.1.3 калибрант; калибровочный образец (calibrant, calibration standard): Вещество в твердом или жидком состоянии с известной и стабильной концентрацией интересующего(их) аналита(ов), используемое для определения характеристики прибора (калибровочной кривой) по отношению к аналиту(ам).
3.2 Сокращения
В настоящем стандарте применены следующие сокращения:
ACN - ацетонитрил;
BBP - бензилбутилфталат;
BSA - N,O-бис-(триметилсилил) ацетамид;
BSTFA - N,O-бис-(триметилсилил) трифторацетамид;
CRM - сертифицированный стандартный образец;
DBP - ди-n-бутилфталат;
DEHP - ди-(2-этилгексил) фталат;
DIBP - диизобутилфталат;
DIDP - диизодецилфталат;
DINP - диизононилфталат;
DIP - устройство прямого ввода проб;
DNOP - ди-n-октилфталат;
EGA - анализ выделяемых газов;
EI - электронная ионизация;
GC-MS - газовая хроматография - масс-спектрометрия;
IAMS - масс-спектрометрия с присоединением иона;
IS - внутренний стандарт;
LC-MS - жидкостная хроматография - масс-спектрометрия;
LOD - предел обнаружения;
LOQ - предел количественного определения;
MDL - предел обнаружения метода;
PVC - поливинилхлорид;
Py - пиролизер;
QC - контроль качества;
SIM - мониторинг выделенных ионов;
TD - термодесорбция;
THF - тетрагидрофуран.
Для количественного обнаружения таких веществ, как DIBP, DBP, BBP, DEHP, DNOP, DINP и DIDP, используется экстракция полимеров в аппарате Сокслета с разделением посредством газовой хроматографии - масс-спектрометрии (GC-MS) или использование ультразвукового растворения и осаждения матрицы образца.
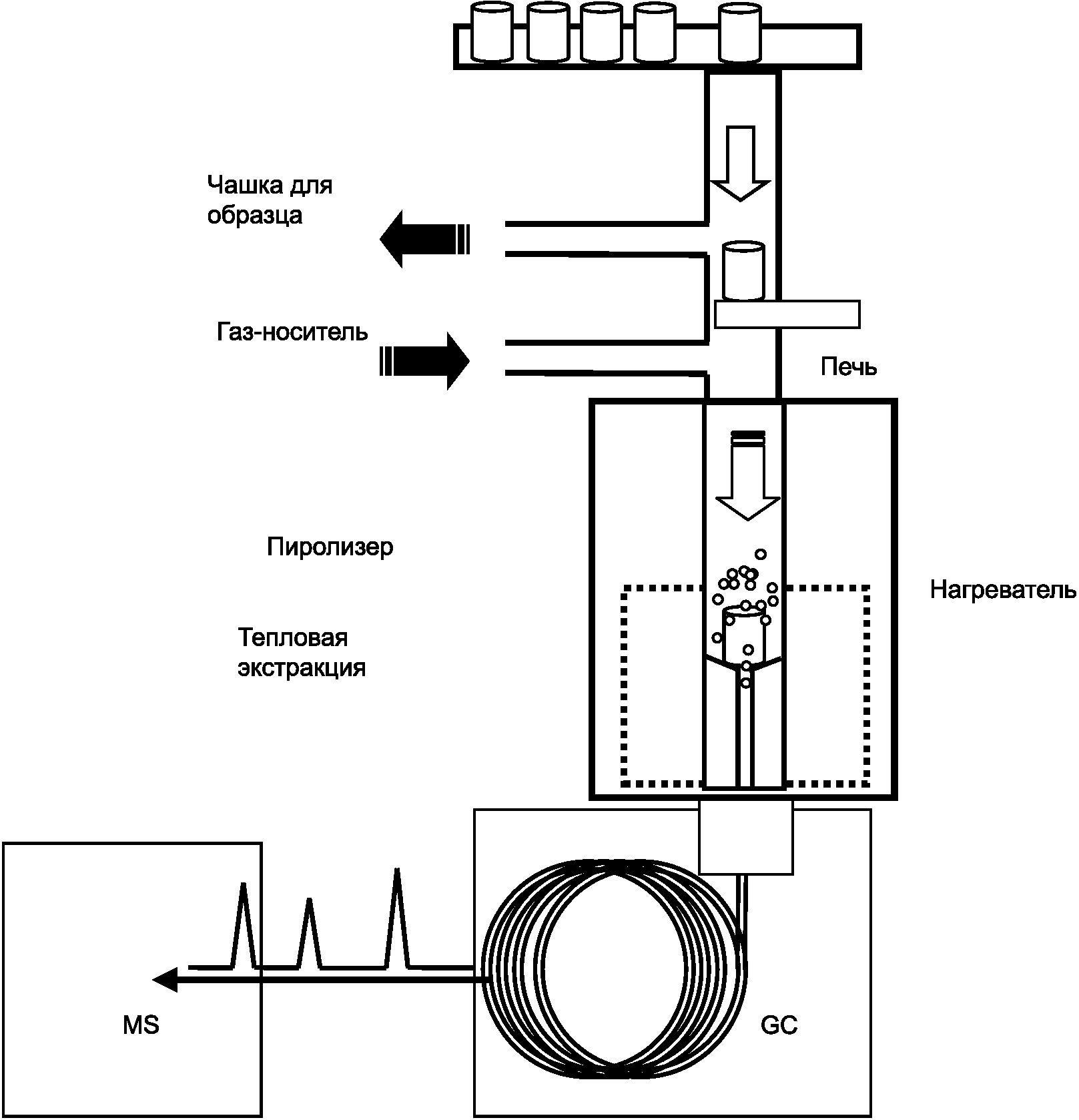
Сущность метода Py/TD-GC-MS заключается в применении газовой хроматографии - масс-спектрометрии в сочетании с пиролизером/термодесорбционным устройством для обнаружения присутствия DIBP, DBP, BBP, DEHP, DNOP, DINP и DIDP в полимерных материалах. Образец полимера вводится непосредственно в пиролизер/термодесорбционное устройство для термического извлечения фталатов из полимера с использованием заданной программы нагрева. Затем после температурного воздействия десорбированные фталаты переносят в газовый хроматограф, разделяют на хроматографической капиллярной колонке и обнаруживают масс-спектрометром. Соответствующие фталаты идентифицируются на основании времен удерживания, показателей m/z (отношения масс ионов к их зарядам) (количественные и подтверждающие значения) и их соотношений. Мониторинг выделенных ионов (SIM) используется для улучшения ограничений обнаружения. Для скрининга и полуколичественного анализа фталатов в образце применяется одноточечная калибровка.
Примечание - Полное сканирование с использованием метода масс-спектрометрии (MS) с общим ионным током (полное сканирование) для каждого образца можно использовать для проверки наличия отрицательного влияния матрицы на другие добавки в полимер. Отрицательная интерференция матрицы вызывает подавление ионов, что обеспечивает более низкие результаты концентрации. Также возможно применение режима сканирования и SIM (одновременные измерения).
5.1 Метод газовой хроматографии - масс-спектрометрии (GC-MS)
Перед применением все химические реактивы должны пройти испытание на степень чистоты и на величину холостой пробы, а именно:
a) ацетонитрил (класс HPLC);
b) тетрагидрофуран (класс GC или выше);
c) n-гексан (класс GC или выше);
d) гелий (степень чистоты выше 99,999% (по объему));
f) стандартные растворы-имитаторы и внутренние стандарты:
- стандартный раствор-имитатор используется для мониторинга извлечения аналита согласно
8.2.1.1,
8.2.1.3,
8.5.1.1, например дибутилфталат-3,4,5,6-d4 или ди-(2-этилгексил) фталат 3,4,5,6-d4;
- внутренний стандарт, используемый для корректировки погрешностей ввода согласно
8.2.1.1 и
8.5.1.2, например антрацен-d10 или бензилбензоат.
Стандартные растворы приемлемы при использовании квадрупольного масс-спектрометра. Для масс-спектрометра высокого разрешения должны использоваться другие подходящие стандартные вещества, масса и время элюирования которых должны быть похожими на аналогичные значения аналита. Для определенных фталатов рекомендуются дейтерированные DBP и DEHP.
Примечание - Перечень коммерческих стандартных растворов-имитаторов и внутренних стандартов приведен в
приложении I.
5.2 Метод пиролитической газовой хроматографии - масс-спектрометрии с термодесорбцией (Py/TD-GC-MS)
Перед применением все химические реактивы должны пройти испытание на степень чистоты и величину холостой пробы, а именно:
a) гелий (степень чистоты выше 99,999% (по объему));
b) стандартный образец полимерного материала:
один с содержанием приблизительно 100 мг/кг, а другой - 1000 мг/кг фталатов;
c) чистый полимерный материал (без фталатов).
Следующие химические реагенты, используемые при приготовлении образца полимера, должны быть подвергнуты испытаниям, приведенным выше;
d) n-гексан для приготовления стандартного раствора фталата (класс GC или выше);
e) тетрагидрофуран или растворитель, подходящий для приготовления образца полимера (класс GC или выше).
Примечание - Перечень коммерческих полимерных материалов приведен в
приложении I.
6.1 Метод газовой хроматографии - масс-спектрометрии (GC-MS)
Для анализа должны использоваться следующие приборы, оборудование и материалы:
a) аналитические весы с точностью измерений до 0,0001 г;
b) криогенный измельчитель с охлаждением жидким азотом;
c) мерные колбы 1, 5, 10, 100 мл.
- экстракторы Сокслета 30 мл;
- круглодонные колбы 250 мл;
- притертые пробки NS 29/32;
- холодильники Димрота NS 29/32;
- кипелки (например, стеклянный жемчуг или кольца Рашига);
e) экстракционные гильзы (целлюлоза, 30 мл, внутренний диаметр 22 мм, высота 80 мм);
f) стеклянная вата (для экстракционной гильзы);
g) ультразвуковая ванна;
h) деактивированный вкладыш инжектора (для GC-MS);
i) колбонагреватели;
j) воронка;
k) алюминиевая фольга;
l) пробковые кольца;
m) фильтры из PTFE (0,45 мкм);
n) микролитровые шприцы или автоматические пипетки;
o) роторный испаритель с возможностью вакуумирования;
p) пастеровские пипетки;
q) виалы 1,5 мл с резьбовым колпачком с политетрафторэтиленовой (PTFE) прокладкой или, в зависимости от аналитической системы, аналогичные емкости для образцов;
r) минишейкер (вихревой смеситель или вихревая мешалка);
s) газовый хроматограф - масс-спектрометр с системой ввода пробы с делением/без деления потока и термостат с программируемой температурой. Масс-спектрометр должен обеспечивать мониторинг выделенных ионов (SIM) и общий ионный ток (полное сканирование). Ионизационная камера должна быть обработана на предмет химической стабильности и иметь температуру 230 °C. В режиме электронной ионизации (EI) должна подаваться энергия 70 эВ.
Для обеспечения повторяемости рекомендуется использовать автоматический пробоотборник;
t) капиллярная колонка.
Примечание - Жидкая фаза: 100%-ный диметилполисилоксан или 5%-ный дифенил, 95%-ный диметилполисилоксан. Рекомендуемые длина колонки - 15 или 30 м, внутренний диаметр - 0,25 мм, толщина пленки - от 0,25 до 0,05 мкм (см.
приложение J).
6.2 Метод пиролитической газовой хроматографии - масс-спектрометрии с термодесорбцией (Py/TD-GC-MS)
Для анализа должны использоваться следующие приборы, оборудование и материалы:
a) аналитические весы с точностью измерений до 0,0001 г;
b) криогенный измельчитель с охлаждением жидким азотом;
c) кусачки (ручной инструмент для вырезания образцов);
d) микрошпатель;
e) пинцет;
f) резак;
g) файл;
h) микроперфоратор;
i) дезактивированная стеклянная вата;
j) микролитровые шприцы или автоматические пипетки;
k) газовый хроматограф - масс-спектрометр с системой ввода пробы с делением/без деления потока и термостат с программируемой температурой. Масс-спектрометр должен обеспечивать мониторинг выделенных ионов (SIM) и общий ионный ток (полное сканирование). Ионизационная камера должна быть обработана на предмет химической стабильности и иметь температуру 230 °C. В режиме электронной ионизации (EI) должна подаваться энергия 70 эВ.
Для обеспечения повторяемости рекомендуется использование автоматического пробоотборника.
Примечание 1 - Например, ионизационную камеру обрабатывают термическим способом при температуре до 400 °C в течение 1 ч для химической стабильности;
l) устройство ввода пробы пиролизера/термодесорбционного устройства должно обеспечивать повышение температуры от 1 C до 100 °C в минуту в диапазоне температур от 40 °C до 500 °C. Чашка для образцов пиролизера/термодесорбционного устройства должна быть обработана соответствующим образом для поддержания химической стабильности, должна быть способна размещать как жидкие, так и твердые образцы и поддерживать границы раздела между пиролизером/термодесорбционным устройством и входом газового хроматографа до 400 °C;
m) капиллярная колонка.
Примечание 2 - Жидкая фаза: 100%-ный диметилполисилоксан или 5%-ный дифенил, 95%-ный диметилполисилоксан. Рекомендуемые длина колонки - 15 или 30 м, внутренний диаметр - 0,25 мм, толщина пленки - от 0,25 до 0,05 мкм (см.
приложение J).
Как установлено в IEC 62321-2, если не указано иное (например, использование кусачек), рекомендуется использовать криогенный измельчитель с охлаждением жидким азотом.
7.2 Метод газовой хроматографии - масс-спектрометрии (GC-MS)
Перед экстракцией образцы необходимо измельчить так, чтобы их частицы просеивались через сито 500 мкм. Рекомендуется использовать криогенный измельчитель с охлаждением жидким азотом. Стандартные образцы полимерных материалов должны быть измельчены аналогичным образом.
7.3 Метод пиролитической газовой хроматографии - масс-спектрометрии с термодесорбцией (Py/TD-GC-MS)
Образец можно либо разрезать на мелкие кусочки с помощью резака, либо отпилить.
Примечание - См. метод GC-MS для подготовки образца к измельчению в
7.1.
8.1 Общие инструкции по проведению испытаний
8.1.1 Обзор
Валидация контрольно-измерительных приборов должна включать испытания на выявление вероятности загрязнения образцов при последовательном проведении испытаний. Дополнительные образцы или изменение последовательности проведения испытаний могут способствовать выявлению перекрестного загрязнения образца. Рекомендации по способам очистки лабораторного оборудования для испытаний на фталаты приведены в
приложении K, рекомендуемый
порядок проведения испытаний образцов - в приложении M.
8.1.2 Метод газовой хроматографии - масс-спектрометрии (GC-MS)
Необходимо соблюдать следующие общие рекомендации:
a) для того чтобы сократить значения холостых проб, необходимо обеспечить чистоту всей стеклянной лабораторной посуды. Стеклянную вату необходимо деактивировать (см.
перечисление f) раздела 6) при температуре 450 °C в течение не менее 30 мин;
b) если количество фталатов в образце значительно превышает диапазон 0,1%, анализ необходимо произвести с использованием откорректированного размера образца или посредством повторного анализа с использованием экстракта, разбавленного соответствующим образом перед добавлением внутреннего стандарта.
8.1.3 Метод пиролитической газовой хроматографии - масс-спектрометрии с термодесорбцией (Py/TD-GC-MS)
Необходимо соблюдать следующие общие рекомендации:
a) после испытаний образцов с высокой концентрацией аналита холостые пробы следует анализировать до тех пор, пока фоновый уровень отдельных фталатов не снизится до концентрации 30 мг/кг или менее.
Примечание - Для анализа холостой пробы вещества используют чистый полимерный материал или пустую чашку для образцов;
b) для снижения количества значений при анализе холостой пробы необходимо убедиться в чистоте всех инструментов, используемых при пробоподготовке;
c) когда матричные эффекты вызывают сильное подавление ионов определяемых аналитов, в качестве метода калибровки следует выбрать метод стандартных добавок.
8.2.1 Метод газовой хроматографии - масс-спектрометрии (GC-MS)
8.2.1.1 Исходные растворы
Необходимо приготовить следующие исходные растворы:
a) дейтерированный стандартный раствор-имитатор (для мониторинга степени извлечения аналита): 1000 мкг/мл в органическом растворителе (например, дибутилфталат-3,4,5,6-d4 или ди-(2-этилгексил) фталат-3,4,5,6-d4);
b) внутренний стандарт (для корректировки погрешности ввода): 1000 мкг/мл в н-гексане (например, антрацен-d10 или бензилбензоат);
c) раствор фталатов (DIBP, DBP, BBP, DEHP, DNOP, DINP и DIDP): 1000 мкг/мл в н-гексане;
d) контрольный раствор фталатов (DIBP, DBP, BBP, DEHP, DNOP, DINP и DIDP): 100 мкг/мл в н-гексане;
e) раствор внутреннего стандарта (100 мкг/мл антрацена-d10 или бензилбензоата): необходимо перенести 1,0 мл раствора внутреннего стандарта (в соответствии с
перечислением b) 8.2.1.1) (1000 мкг/мл) в мерную колбу вместимостью 10 мл и заполнить растворителем до необходимой метки.
8.2.1.2 Предварительная очистка экстракторов Сокслета
Чтобы провести очистку экстракционных аппаратов Сокслета (в соответствии с
перечислением d) 6.1), проводится предварительная 2-часовая экстракция с использованием 70 мл н-гексана. Промывочный растворитель удаляют.
8.2.1.3 Экстрагирование образца
Экстрагирование образцов проводится следующим образом:
a) количественно переносят (500 +/- 10) мг образца в экстракционную гильзу из целлюлозы экстрактора Сокслета. Массу образца регистрируют с точностью до 0,1 мг;
b) для обеспечения количественного переноса образца в гильзу используют воронку. Для количественного переноса образца воронку промывают 10 мл н-гексана;
d) для предотвращения всплытия на поверхность образца гильзу закрывают стеклянной ватой;
e) примерно 120 мл н-гексана экстрагируют с использованием обратного холодильника. Образец экстрагируют в течение не менее 6 ч количеством 6 - 8 циклов в час. Сокращение времени экстрагирования может привести к снижению степени извлечения аналитов;
f) после 6 ч кипячения с обратным холодильником экстракт концентрируют примерно до 10 мл с помощью роторного испарителя в вакууме (или аналогичного процесса), а затем разбавляют н-гексаном до 50 мл.
8.2.1.4 Альтернативный способ экстрагирования для растворимых полимеров
Для образцов из полимеров, растворимых в THF (например, ПВХ), может использоваться следующий альтернативный способ экстрагирования:
a) взвешивают (300 +/- 10) мг образца и помещают его в виалу вместимостью 40 мл. Регистрируют массу с точностью до 0,1 мг;
b) помещают 10 мл THF и добавляют 10 мкл стандартного раствора-имитатора (1000 мкг/мл) (в соответствии с
перечислением a) 8.2.1.1) в виалу и регистрируют массу образовавшейся смеси;
c) плотно закрывают виалу с образцом. Помещают ее в ультразвуковую ванну и обрабатывают ультразвуком в течение от 30 до 60 мин до растворения образца. Для того чтобы колпачок не выпал из виалы, его можно прикрепить небольшим кусочком липкой ленты;
d) после того как образец растворится, а виала охладится до температуры окружающей среды, регистрируют массу. Необходимо убедиться, что полученная масса не отличается от массы, зарегистрированной в ходе операции, приведенной выше (в соответствии с
перечислением b));
e) аккуратно добавляют по каплям 20 мл ACN в виалу для осаждения матрицы образца;
f) полученный экстрагированный раствор оставляют отстаиваться при комнатной температуре в течение 30 мин (полимерный материал выпадет в осадок, что приведет к осаждению на дне виалы);
g) ожидают, пока полимер осядет, или пропускают смесь через мембранный 0,45-микро-метровый фильтр из PTFE.
8.2.1.5 Добавление внутреннего стандарта (IS)
a) Переносят 1 мл экстракта в виалу для газового хроматографа (GC) (в соответствии с
перечислением f) 8.2.1.3 и
перечислением g) 8.2.1.4) объемом 2 мл с прокладкой из PTFE в крышке, добавляют 10 мкл раствора внутреннего стандарта (в соответствии с
перечислением e) 8.2.1.1) в виалу и закрывают ее крышкой. Переворачивают виалу два раза для перемешивания раствора.
b) Вводят 1 мкл раствора образца в газовый хроматограф с масс-спектрометром (GC-MS) и проводят анализ согласно параметрам, указанным в
таблице 1.
8.2.2 Метод пиролитической газовой хроматографии - масс-спектрометрии с термодесорбцией (Py/TD-GC-MS)
8.2.2.1 Образец полимера
a) Помещают примерно 0,5 мг нарезанного или порошкообразного образца в предварительно взвешенную чашку для образца с помощью микрошпателя или пинцета.
b) Записывают общий вес чашки с образцом в ней с точностью до 0,01 мг и высчитывают вес образца как разность между общим весом чашки с образцом и весом чашки.
c) Помещают необходимое количество дезактивированной стеклянной ваты в чашку для образца, чтобы гарантировать, что порошок образца не рассыпется.
8.2.2.2 Стандартные образцы полимерных материалов или исходный раствор
Для калибровки и проверки чувствительности рекомендуются стандартные образцы полимерных материалов. Наиболее подходящими являются стандартные образцы полимерных материалов в виде тонких листов или пленок. Если стандартные образцы полимерных материалов недоступны, необходимо приготовить следующие исходные растворы.
a) Раствор PVC: растворяют полимер PVC, используя подходящий растворитель, такой как THF, в концентрации 50 мг/мл.
b) Стандартный раствор смеси: подготавливают стандартный раствор смеси, содержащий DIBP, DBP, BBP, DEHP, DNOP, DINP и DIDP в н-гексане в концентрации 100 мкг/мл.
8.3 Параметры оборудования
8.3.1 Метод газовой хроматографии - масс-спектрометрии (GC-MS)
Для оптимизации конкретной системы GC-MS с целью достижения эффективного разделения всех калибровочных конгенеров и обеспечения удовлетворения условий контроля качества (QC) и пределов обнаружения (LOD) применяют различные условия.
Следующие параметры считаются подходящими и приводятся ниже в качестве примера (см.
таблицы 1 и
2):
Таблица 1
GC |
Объем вводимой пробы | 1 мкл |
Газохроматографическая колонка | Неполярная (фенил-ариленовый полимер, эквивалентный 5%-ному дифенилдиметилполисилоксану), длина 30 м; внутренний диаметр 0,25 мм; толщина пленки 0,25 мкм (см. приложение J) |
Вкладыш инжектора | 4-миллиметровый стеклянный вкладыш с одиночным нижним конусом со стеклянной ватой на дне (деактивированный) |
Температура инжектора | 250 °C |
Температурная колонка | От 80 °C до 110 °C (в течение 0,5 мин) линейное повышение  (20 °C/мин)  280 °C (в течение 1 мин)  (20 °C/мин)  320 °C (в течение 5 мин) |
Режим ввода | Без деления потока |
Газ-носитель | |
Трансферная линия | 280 °C, прямой ввод |
MS |
Температура ионного источника | 230 °C |
Электронная ионизация (EI) | 70 эВ |
Температура квадруполя | 150 °C |
Время выдержки | 80 мс |
Диапазон сканирования | От 50 до 1000 m/z |
Примечание 1 - Коммерчески приобретенный деактивированный вкладыш инжектора может быть подвергнут дополнительной деактивации (см.
перечисление h) 6.1). Химическую деактивацию проводят следующим образом: берут обычный серийный вкладыш, деактивированный изготовителем (стеклянный вкладыш с одиночным конусом со стеклянной ватой на дне для испарителя (с делением/без деления потока) и погружают в 5%-ный раствор диметилдихлорсилана (DMDCS) в дихлорметане или толуоле на 15 мин. Достают с помощью пинцета, выливают раствор и погружают в DMDCS еще три раза так, чтобы стеклянная вата полностью покрывалась раствором. Сливают раствор из вкладыша еще раз, а остатки раствора промачивают чистой салфеткой. Погружают вкладыш в метанол на 10 - 15 мин, опять сливают раствор/погружают еще три раза. Промывают изнутри и снаружи метанолом из пластикового промывателя, а затем дихлорметаном тоже из пластикового промывателя. Помещают вкладыш в вакуумную печь, продуваемую азотом, и просушивают при температуре 110 °C в течение не менее 15 мин. После высыхания вкладыш готов к использованию.
Примечание 2 - Для достижения необходимого качества данных для газохроматографического пика каждого из фталатов рекомендуется, чтобы за одну секунду производилось от 3 до 4 циклов сканирования ионов, выделенных для количественного определения. Это обеспечивает соответствующее время выдержки для мониторинга определения отношения масс ионов к заряду (m/z). Скорость сканирования обеспечивает время выдержки в диапазоне 50 мс на ион. Следует заметить, что по умолчанию некоторые программы устанавливают время выдержки как функцию скорости сканирования. Анализ каждого фталата проводится в режиме мониторинга выделенных ионов (SIM) с контрольными массами, указанными в
таблице 2. Они считаются подходящими и приводятся в настоящем стандарте в качестве примеров.
Примечание 3 - DIDP и DINP имеют несколько пиков на хроматограмме. Интегрируются суммарные площади этих пиков над базовой линией.
Таблица 2
Контрольные значения отношений массы иона к заряду
для определенных фталатов
Наименование вещества | Отношения масс ионов к заряду (m/z), контролируемые в экстракте |
Контрольные значения для количественного определения отношения масс ионов к заряду | Подтверждающие контрольные значения отношения масс ионов к заряду -1 | Подтверждающие контрольные значения отношения масс ионов к заряду -2 |
DBP-3,4,5,6-d4 | 153 | 227 | - |
DEHP-3,4,5,6-d4 | 153 | 171 | - |
Антрацен-d10 | 188 | 94 | 160 |
Бензилбензоат | 105 | 194 | 212 |
DIBP | 223 | 205 | 149 |
DBP | 223 | 205 | 149 |
BBP | 206 | 91 | 149 |
DEHP | 279 | 167 | 149 |
DNOP | 279 | 167 | 149 |
DINP | 293 | 167 | 149 |
DIDP | 307 | 167 | 149 |
8.3.2 Метод пиролитической газовой хроматографии - масс-спектрометрии с термодесорбцией (Py/TD-GC-MS)
Для оптимизации конкретной системы Py/TD-GC-MS применяют различные условия для достижения эффективного разделения каждого фталата и соответствия требованиям контроля качества (QC) и пределов обнаружения (LOD). Следующие параметры признаны подходящими и представлены в качестве примера (см.
таблицу 3).
Рекомендуется измерять каждый образец в режиме полного сканирования вместе с режимом SIM, чтобы проверить наличие отрицательного влияния на матрицу других добавок в полимере. Отрицательная интерференция матрицы вызывает подавление ионов, что обеспечивает более низкие результаты концентрации.
Примечание - DIDP и DINP имеют несколько пиков на хроматограмме. Интегрируются суммарные площади этих пиков над базовой линией.
Таблица 3
Условия измерения Py/TD-GC-MS
Пиролизер |
Температура термостата | 200 °C  20 °C мин  300 °C  5 °C/мин  340 °C (1 мин) |
Температурный интерфейс | 300 °C (режим контроля температуры интерфейса: ручной) |
GC |
Газохроматографическая колонка | 100%-ный диметилполисилоксан, длина 15 м; внутренний диаметр 0,25 мм; толщина пленки 0,05 мкм (см. приложение J) |
Температура инжектора | 320 °C |
Температурная колонка | 80 °C линейное повышение  (20 °C/мин)  300 °C (в течение 5 мин) |
Режим ввода | С делением потока (значение деления 1/50) |
Газ-носитель | Гелий, 52,1 см/с, постоянный поток |
Трансферная линия | 280 °C, прямой ввод |
MS |
Температура ионного источника | 230 °C |
Электронная ионизация (EI) | 70 эВ |
Мониторинг выделенных ионов (m/z) | | Контрольные значения для количественного определения отношения масс ионов к заряду | Подтверждающие контрольные значения отношения масс ионов к заряду -1 | Подтверждающие контрольные значения отношения масс ионов к заряду -2 |
DIBP | 223 | 205 | 149 |
DBP | 223 | 205 | 149 |
BBP | 206 | 91 | 149 |
DEHP | 279 | 167 | 149 |
DNOP | 279 | 167 | 149 |
DINP | 293 | 167 | 149 |
DIDP | 307 | 167 | 149 |
Диапазон сканирования | От 50 до 1000 m/z |
Перечень стандартных образцов, которые используются в качестве калибрантов, приведен в
приложении I.
8.5.1 Метод газовой хроматографии - масс-спектрометрии (GC-MS)
Для количественного анализа необходимо построить калибровочную кривую. Необходимо подготовить не менее пяти калибровочных растворов, равномерно распределенных по диапазону концентрации. Количественное определение производится на основе измерения площади пиков. Обработка каждой калибровочной кривой с помощью линейной регрессии требуется для получения относительного стандартного отклонения (RSD), которое было бы меньше или равным 15%-ной линейной функции калибровки.
Примечание - Если предельное значение RSD, равное 15%, превышено с точки зрения обеспечения качества, аппроксимация кривой второго порядка не гарантирует какой-либо значительно лучшей регулировки. Этим требованиям удовлетворяют только статистические тесты, такие как F-тест, путем сравнения линейного/второго порядка. Это означает, что, хотя значение RSD превышено, калибровка является линейной.
8.5.1.2 Исходные растворы (100 мкг/мл для каждого фталата) и стандартного раствора-имитатора (100 мкг/мл)
1,0 мл исходного раствора (1000 мкг/мл) каждого фталата (см.
перечисление c) 8.2.1.1) и 1,0 мл исходного раствора-имитатора (1000 мкг/мл) (см.
перечисление a) 8.2.1.1) помещают в мерную колбу вместимостью 10 мл и заполняют растворителем до метки.
8.5.1.3 Раствор внутреннего стандарта (100 мкг/мл для антрацена-d10 или бензилбензоата)
1,0 мл раствора внутреннего стандарта (см.
перечисление b) 8.2.1.1) (1000 мкг/мл) помещают в мерную колбу объемом 10 мл и заполняют растворителем до метки.
8.5.1.4 Стандартные растворы
Из исходного стандартного раствора каждого фталата (100 мкг/мл) и стандартного раствора-имитатора (100 мкг/мл) (см.
8.5.1.2) можно получить следующие калибровочные растворы. Объемы, указанные в
таблице 4, с помощью пипетки помещают в мерную колбу вместимостью 10 мл. Добавляют 100 мкл раствора внутреннего стандарта 100 мкг/мл (см.
8.5.1.3) в соответствующие колбы, которые заполняются растворителем до метки.
Таблица 4
Калибровочные растворы фталатов
N | Объем фталаты + имитатор, мкл | Объем внутреннего стандарта, мкл | c (каждый фталат), мкг/мл | c (имитатор), мкг/мл |
1 | 50 | 100 | 0,5 | 0,5 |
2 | 100 | 100 | 1,0 | 1,0 |
3 | 250 | 100 | 2,5 | 2,5 |
4 | 500 | 100 | 5,0 | 5,0 |
5 | 1000 | 100 | 10 | 10 |
Внутренний стандарт используется для корректировки погрешности ввода. Поэтому для оценки показателя или коэффициента чувствительности используется A/AIS.
Для того чтобы построить прямые калибровочные линии, чувствительность A/AIS накладывается на кривую относительно коэффициента концентрации c/cIS.
, (1)
где A - площадь пика фталатов или имитатора в образце;
AIS - площадь пика внутреннего стандарта в образце;
c - концентрация каждого фталата или имитатора в образце, мкг/мл;
cIS - концентрация внутреннего стандарта в образце, мкг/мл.
Примечание 1 - Общепринятая практика предусматривает настройку концентрации внутреннего стандарта на 1,00 мкг/мл для методов внутреннего стандарта, когда количество и концентрация внутреннего стандарта, добавленного к образцу и калибрантам до введения, являются одинаковыми.
Примечание 2 - DIDP и DINP имеют несколько пиков на хроматограмме. Интегрируются суммарные площади этих пиков над базовой линией;
a - наклон калибровочной кривой;
b - пересечение на оси y калибровочной кривой.
Полиномиальная регрессия (например, второго порядка) может использоваться в том случае, когда требования к кривой относительного отклонения стандартного раствора не могут быть выполнены с использованием линейной регрессии. При использовании полиномиальной регрессии все требования к контролю качества остаются в силе.
8.5.2 Метод пиролитической газовой хроматографии - масс-спектрометрии с термодесорбцией (Py/TD-GC-MS)
Стандартный образец полимерного материала (1000 мг/кг) рекомендуется в качестве калибрантов для метода Py/TD-GC-MS. Стандартный образец полимерного материала количеством примерно 0,5 мг измельчают и помещают в чашку для образцов для метода Py/TD-GC-MS (см.
приложение I).
Примечание 1 - Для приготовления калибрантов также используется следующий способ. Вводят 10 мкл раствора ПВХ (50 мг/мл) и 5 мкл раствора стандартной смеси (100 мкг/мл) в чашку для образцов. Высушивают раствор при комнатной температуре.
Чтобы построить прямые калибровочные линии, площадь сигнала каждого фталата наносится на график в зависимости от абсолютного количества (нг).
Одноточечная калибровка выполняется с использованием
формулы (2)
где y - площадь пика для фталатов в образце;
a - абсолютное количество фталатов в образце, нг;
x - наклон калибровочной кривой.
Когда матричные эффекты вызывают сильное подавление ионов целевых аналитов, в качестве метода калибровки следует выбирать добавление стандарта.
Примечание 2 - DIDP и DINP имеют несколько пиков на хроматограмме. Суммарные площади этих пиков интегрированы выше осевой линии.
9 Расчет концентрации фталатов
9.1 Метод газовой хроматографии - масс-спектрометрии (GC-MS)
Обычно уровень калибровки внутреннего стандарта для всех пяти калибровочных уровней настраивается на единицу при проведении метода в рамках прибора, но это можно сделать также и в ручном режиме с помощью уравнения аппроксимации результатов калибровки.
где y - показатель или коэффициент чувствительности (A/AIS) для фталатов в образце;
a - наклон линии, которая лучше всего подходит для калибровки;
x - результат приборов, мкг/мл (концентрация фталатов в экстракте);
b - пересечение на оси y калибровочной кривой.
Квадратичная аппроксимация рассчитывается по
формуле (4)

, (4)
где yq - показатель или коэффициент чувствительности (A/AIS) для каждого фталата в образце;
aq и bq - постоянные, соответствующие кривой, которая лучше всего подходит для калибровки;
xq - результат приборов, мкг/мл (концентрация фталатов в экстракте);
cq - пересечение оси y или концентрация, когда показатель чувствительности равняется 0.
, (5)
где A - площадь пика каждого фталата или имитатора;
AIS - площадь пика внутреннего стандарта;
c - (промежуточная) концентрация каждого фталата или имитатора, мкг/мл;
cIS - концентрация внутреннего стандарта, мкг/мл.
Примечание 1 - Общепринятая практика предусматривает настройку концентрации внутреннего стандарта на 1,0 мкг/мл для методов внутреннего стандарта, когда количество и концентрация внутреннего стандарта, добавленного к образцу и калибрантам до ввода, являются одинаковыми;
a - наклон калибровочной кривой;
b - пересечение на y-оси калибровочной кривой.
Полиномиальная регрессия (например, второго порядка) может использоваться в том случае, когда требования к кривой относительного отклонения стандартного раствора не могут быть выполнены с использованием линейной регрессии. При использовании полиномиальной регрессии все требования к контролю качества остаются в силе.
Если концентрация каждого фталата в образце выходит за пределы диапазона его соответствующих калибрантов, необходимо приготовить серийное разведение образца, которое позволит вернуть концентрацию фталатов в среднюю точку калибровки. Следует проанализировать разбавление и использовать коэффициент разбавления для количественной оценки концентрации тех фталатов, которые выходили за рамки диапазона калибровки в ходе исходного анализа. Чтобы произвести расчет коэффициента разбавления
D, конечный объем разбавления необходимо разделить на объем аликвоты в соответствии с
формулой (6)
, (6)
где D - коэффициент разбавления;
Vf - конечный объем, мл;
Va - объем аликвоты, мл.
Формула (5) не выводит значение конечной концентрации, так как для этого должен учитываться объем органического растворителя, масса образца, объем экстракта и любой коэффициент разведения. Конечную концентрацию фталатов или имитатора в образце можно рассчитать с помощью
формулы (7)
, (7)
где cfinal - концентрация фталатов или имитатора в образце, мкг/г;
V - конечный объем экстрагирования (30 или 50 мл);
m - масса образца, г.
Для того чтобы произвести количественное определение фталатов, отделенных от экстрагированного образца (см.
8.2.1.3 или
8.2.1.4), необходимо добавить внутренний стандарт (антрацен-d10 или бензилбензоат) (см.
перечисление e) 8.2.1.1) к аликвотной пробе экстракта, произвести ввод раствора в GC-MS, измерить площадь пиков аналита и площадь пика антрацена-d10 или бензилбензоата и произвести расчет концентрации аналита согласно
формуле (7) <*>. Данные о стандартном растворе-имитаторе (см.
перечисление a) 8.2.1.1) не используются каким-либо другим образом для расчета концентрации аналита в образце.
--------------------------------
<*> Исправлена ошибка, допущенная в IEC 62321-8:2017: формула (11) заменена на формулу (7).
9.2 Метод пиролитической газовой хроматографии - масс-спектрометрии с термодесорбцией (Py/TD-GC-MS)
Конечная концентрация каждого фталата в образце может быть рассчитана с помощью
формулы (8)
, (8)
где cfinal - концентрация каждого фталата в образце, мг/кг;
y - площадь пика каждого фталата в образце;
a - наклон калибровочной кривой;
m - масса образца, мг.
10 Прецизионность результатов
10.1 Метод газовой хроматографии - масс-спектрометрии (GC-MS)
10.1.1 Оценка порогового значения
Общая оценка порогового значения в отношении соответствия максимально допустимому пределу концентрации < 1000 мг/кг для каждого фталата по результатам межлабораторных сличительных испытаний 5 (IIS 5) указана в
таблице 5.
Таблица 5
Оценка порогового значения в соответствии с IIS5
Идентификация образца/тип компонента | Фталаты | Ожидаемая оценка порогового значения P или F | Количество лабораторий, предоставивших оценку пороговых значений | Количество лабораторий, предоставивших верную оценку пороговых значений | Количество лабораторий, предоставивших ошибочную оценку пороговых значений |
IIS5-A01 | DIBP | P | 6 | 6 | 0 |
IIS5-A01 | DBP | P | 6 | 6 | 0 |
IIS5-A01 | BBP | P | 6 | 6 | 0 |
IIS5-A01 | DEHP | P | 6 | 6 | 0 |
IIS5-A01 | DNOP | P | 6 | 6 | 0 |
IIS5-A01 | DINP | F | 6 | 5 | 1 |
IIS5-A01 | DIDP | F | 6 | 6 | 0 |
IIS5-B02 | DIBP | P | 5 | 5 | 0 |
IIS5-B02 | DBP | P | 5 | 5 | 0 |
IIS5-B02 | BBP | P | 5 | 5 | 0 |
IIS5-B02 | DEHP | P | 5 | 5 | 0 |
IIS5-B02 | DNOP | P | 5 | 5 | 0 |
IIS5-B02 | DINP | P | 5 | 2 | 3 |
IIS5-B02 | DIDP | F | 5 | 5 | 0 |
IIS5-F06 | DIBP | P | 5 | 5 | 0 |
IIS5-F06 | DBP | P | 5 | 5 | 0 |
IIS5-F06 | BBP | P | 5 | 5 | 0 |
IIS5-F06 | DEHP | P | 5 | 5 | 0 |
IIS5-F06 | DNOP | P | 5 | 5 | 0 |
IIS5-F06 | DINP | P | 4 | 2 | 1 |
IIS5-F06 | DIDP | P | 4 | 5 | 1 |
IIS5-C03 | DIBP | P | 1 | 1 | 0 |
IIS5-C03 | DBP | P | 1 | 1 | 0 |
IIS5-C03 | BBP | P | 1 | 1 | 0 |
IIS5-C03 | DEHP | P | 1 | 1 | 0 |
IIS5-C03 | DNOP | P | 1 | 1 | 0 |
IIS5-C03 | DINP | P | 1 | 1 | 0 |
IIS5-C03 | DIDP | P | 1 | 1 | 0 |
IIS5-E05 | DIBP | P | 1 | 1 | 0 |
IIS5-E05 | DBP | F | 1 | 1 | 0 |
IIS5-E05 | BBP | F | 1 | 1 | 0 |
IIS5-E05 | DEHP | F | 1 | 1 | 0 |
IIS5-E05 | DNOP | F | 1 | 1 | 0 |
IIS5-E05 | DINP | F | 1 | 1 | 0 |
IIS5-E05 | DIDP | F | 1 | 1 | 0 |
Примечание - Ожидаемая оценка порогового значения P относится к результату < 1000 мг/кг и ожидаемая оценка порогового значения F относится к результату > 1000 мг/кг. |
10.1.2 Повторяемость и воспроизводимость
Когда показатели трех независимых результатов одного испытания, полученных с использованием одинаковых методов на идентичных испытываемых материалах в одной и той же лаборатории одним и тем же оператором с использованием одинакового оборудования в течение короткого промежутка времени, находятся в диапазоне средних значений, указанных в
таблице 6, то абсолютная разница между значениями трех результатов испытаний и полученным результатом испытаний не будет превышать предел повторяемости
r, полученный путем статистического анализа международных межлабораторных сличительных испытаний 5 (IIS 5), более чем в 5% случаев.
Когда показатели трех отдельных результатов испытаний, полученных с использованием одинаковых методов на идентичных испытываемых материалах в разных лабораториях разными операторами с использованием разного оборудования, находятся в диапазоне средних значений, указанных в
таблице 6, то абсолютная разница между значениями двух результатов испытаний и полученным результатом испытаний не будет превышать предел воспроизводимости
R, полученный путем статистического анализа международных межлабораторных сличительных испытаний 5 (IIS 5), более чем в 5% случаев.
Таблица 6
Повторяемость и воспроизводимость в соответствии с IIS5
Образец | Фталаты | Среднее значение, мг/кг | Повторяемость r, мг/кг | Воспроизводимость R, мг/кг | Дополнительная информация |
IIS5-C03 | DIBP | 463,33 | - | - | Только 1 лаборатория |
IIS5-F06 | DBP | 508,50 | 125,56 | 253,94 | - |
IIS5-C03 | DBP | 470,00 | - | - | Только 1 лаборатория |
IIS5-E05 | DBP | 1891,33 | - | - | Только 1 лаборатория |
IIS5-F06 | BBP | 473,50 | 59,08 | 180,58 | - |
IIS5-C03 | BBP | 451,67 | - | - | Только 1 лаборатория |
IIS5-E05 | BBP | 1699,00 | - | - | Только 1 лаборатория |
IIS5-A01 | DEHP | 439,00 | 136,74 | 489,77 | - |
IIS5-B02 | DEHP | 558,87 | 123,94 | 632,77 | - |
IIS5-F06 | DEHP | 460,50 | 179,25 | 200,61 | - |
IIS5-C03 | DEHP | 507,33 | - | - | Только 1 лаборатория |
IIS5-E05 | DEHP | 1765,67 | - | - | Только 1 лаборатория |
IIS5-F06 | DNOP | 480,93 | 71,37 | 176,65 | - |
IIS5-C03 | DNOP | 504,00 | - | - | Только 1 лаборатория |
IIS5-E05 | DNOP | 1842,00 | - | - | Только 1 лаборатория |
IIS5-A01 | DINP | 2827,71 | 2204,15 | 3682,31 | - |
IIS5-B02 | DINP | 1450,80 | 3653,16 | 4870,59 | Без дальнейшей оценки |
IIS5-C03 | DINP | 500,00 | - | - | Только 1 лаборатория |
IIS5-E05 | DINP | 16 259,67 | - | - | Только 1 лаборатория |
IIS5-A01 | DIDP | 23 414,59 | 17 066,87 | 19 239,57 | - |
IIS5-B02 | DIDP | 6658,00 | 1603,58 | 4387,52 | - |
IIS5-C03 | DIDP | 507,00 | - | - | Только 1 лаборатория |
IIS5-E05 | DIDP | 15 591,33 | - | - | Только 1 лаборатория |
10.2 Метод пиролитической газовой хроматографии - масс-спектрометрии с термодесорбцией (Py/TD-GC-MS)
10.2.1 Решение о проведении скрининга
Анализ результатов международных межлабораторных сличительных испытаний 5 (IIS5) представлен в
таблице 7.
Оценка результатов скрининга была проведена в соответствии с
блок-схемой, представленной в приложении N в качестве наглядного примера того, как методы Py/TD-GC-MS и GC-MS могут использоваться для скрининга, если порог приемлемости для отдельных концентраций DIBP, DBP, BBP, DEHP, DNOP, DINP и DIDP установлен на уровне значения 1000 мг/кг. Данные результатов скрининга, представленные с результатом "BL", являются соответствующими результату "ниже предела", считаются несоответствующими с результатом "OL" - "выше предела" или "INC" с "неубедительным" результатом, вследствие чего необходимо проводить проверку методом GC-MS.
Все лаборатории представили достоверные результаты для каждого из восьми образцов с ожидаемыми значениями "OL" ("выше предела").
Четыре из пяти лабораторий представили данные для одного образца с результатом "INC" или неубедительными ожидаемыми значениями. Ни один из представленных результатов для одного образца с "INC" или неубедительными ожидаемыми значениями не был неправильно идентифицирован как "BL" с результатом "ниже предела".
Сорок девять из пятидесяти семи данных представили достоверные результаты для восьми образцов с результатом "BL" или ниже предельных ожидаемых значений. Ни один из представленных результатов "BL" или ниже предельных ожидаемых значений не был неправильно идентифицирован как "OL" с результатом "выше предела".
Таблица 7
Скрининг IIS5 и порог принятия решения
Идентификационный номер образца | Фталаты | Среднее значение, мг/кг | Ожидаемое значение, мг/кг | Ожидаемые результаты скрининга (BL, INC, OL) | Количество лабораторий, представивших результаты скрининга, мг/кг |
<= 500 | От 500 до 1500 | >= 1500 |
IIS5-A01 | DIBP | Ниже предела обнаружения | 0 | | 5 | 0 | 0 |
IIS5-A01 | DBP | Ниже предела обнаружения | 0 | BL | 5 | 0 | 0 |
IIS5-A01 | BBP | Ниже предела обнаружения | 0 | | 5 | 0 | 0 |
IIS5-A01 | DEHP | 640,47 | 602 | | 1 | 4 | 0 |
IIS5-A01 | DNOP | Ниже предела обнаружения | 0 | BL | 5 | 0 | 0 |
IIS5-A01 | DINP | 2438,41 | 2438 | | 0 | 0 | 5 |
IIS5-A01 | DIDP | 32 742,76 | 32 743 | OL | 0 | 0 | 5 |
IIS5-C03 | DIBP | 387,35 | 500 | BL | 5 | 0 | 0 |
IIS5-C03 | DBP | 414,76 | 500 | BL | 5 | 0 | 0 |
IIS5-C03 | BBP | 482,24 | 500 | BL | 4 | 1 | 0 |
IIS5-C03 | DEHP | 464,18 | 500 | BL | 4 | 1 | 0 |
IIS5-C03 | DNOP | 498,71 | 500 | BL | 4 | 1 | 0 |
IIS5-C03 | DINP | 481,18 | 500 | BL | 5 | 0 | 0 |
IIS5-C03 | DIDP | 485,78 | 500 | BL | 5 | 1 | 0 |
IIS5-E05 | DIBP | Ниже предела обнаружения | 0 | BL | 6 | 0 | 0 |
IIS5-E05 | DBP | 2401,82 | 3000 | OL | 0 | 0 | 5 |
IIS5-E05 | BBP | 2727,88 | 3000 | OL | 0 | 0 | 5 |
IIS5-E05 | DEHP | 2738,88 | 3000 | OL | 0 | 0 | 5 |
IIS5-E05 | DNOP | 2840,82 | 3000 | OL | 0 | 0 | 5 |
IIS5-E05 | DINP | 29 607,47 | 30 000 | OL | 0 | 0 | 5 |
IIS5-E05 | DIDP | 29 802,06 | 30 000 | OL | 0 | 0 | 5 |
|
10.2.2 Повторяемость и воспроизводимость
Когда показатели трех независимых результатов одного испытания, полученных с использованием одинаковых методов на идентичных испытываемых материалах в одной и той же лаборатории одним и тем же оператором с использованием одинакового оборудования в течение короткого промежутка времени, находятся в диапазоне средних значений, указанных в
таблице 8, то абсолютная разница между значениями трех результатов испытаний и полученным результатом испытаний не будет превышать предел повторяемости
r, полученный путем статистического анализа международных межлабораторных сличительных испытаний 5 (IIS 5), более чем в 5% случаев.
Когда показатели трех отдельных результатов испытаний, полученных с использованием одинаковых методов на идентичных испытываемых материалах в разных лабораториях разными операторами с использованием разного оборудования, находятся в диапазоне средних значений, указанных в
таблице 8, то абсолютная разница между значениями двух результатов испытаний и полученным результатом испытаний не будет превышать предел воспроизводимости
R, полученный путем статистического анализа международных межлабораторных сличительных испытаний 5 (IIS 5), более чем в 5% случаев.
Таблица 8
Повторяемость и воспроизводимость в соответствии с IIS5
Образец | Фталаты | Среднее значение, мг/кг | Повторяемость r, мг/кг | Воспроизводимость R, мг/кг |
IIS5-A01 | DIBP | Ниже предела обнаружения | Неприменимо | Неприменимо |
IIS5-A01 | DBP | Ниже предела обнаружения | Неприменимо | Неприменимо |
IIS5-A01 | BBP | Ниже предела обнаружения | Неприменимо | Неприменимо |
IIS5-A01 | DEHP | 640,47 | 238,34 | 647,00 |
IIS5-A01 | DNOP | 2438,41 | Неприменимо | Неприменимо |
IIS5-A01 | DINP | 32 742,76 | 1154,28 | 1187,78 |
IIS5-A01 | DIDP | 387,35 | 11 758,82 | 11 884,43 |
IIS5-C03 | DIBP | 414,76 | 80,65 | 114,71 |
IIS5-C03 | DBP | 482,24 | 95,68 | 118,94 |
IIS5-C03 | BBP | 464,18 | 162,42 | 161,19 |
IIS5-C03 | DEHP | 498,71 | 86,51 | 123,14 |
IIS5-C03 | DNOP | 481,18 | 66,41 | 212,60 |
IIS5-C03 | DINP | 485,78 | 71,05 | 140,04 |
IIS5-C03 | DIDP | 2438,41 | 192,29 | 242,31 |
IIS5-E05 | DIBP | Ниже предела обнаружения | Неприменимо | Неприменимо |
IIS5-E05 | DBP | 2401,82 | 762,72 | 998,79 |
IIS5-E05 | BBP | 2727,88 | 789,05 | 1218,70 |
IIS5-E05 | DEHP | 2738,88 | 770,08 | 1423,34 |
IIS5-E05 | DNOP | 2840,82 | 456,66 | 914,56 |
IIS5-E05 | DINP | 29 607,47 | 7371,04 | 15 752,70 |
IIS5-E05 | DIDP | 29 802,06 | 4883,32 | 7385,87 |
11 Обеспечение качества и контроль
Там, где это применимо, положения об обеспечении качества и контроле отдельных стандартов на методы испытаний должны включать требования к контрольным образцам в отношении частоты испытаний и критериев приемки.
11.2 Метод газовой хроматографии - масс-спектрометрии (GC-MS)
11.2.1 Производительность
Контроль качества проводится следующим образом.
a) В рамках каждой серии образцов должна экстрагироваться одна холостая проба реактива, которая представляет собой 60 мл только растворителя, отобранного в процессе всей процедуры экстрагирования согласно
8.2.1.3 или
8.2.1.4. Концентрация любых фталатов, обнаруженных при анализе холостой пробы, должна быть ниже пределов обнаружения метода для каждого соединения.
b) Один образец из серии образцов или один на каждые десять образцов в зависимости от загрузки должен усиливаться добавлением 250 мкг каждого фталата с использованием матричного контрольного раствора (см.
перечисление d) 8.2.1.1). Для расчета должна использоваться формула
, (9)
где Rp - степень извлечения каждого фталата, %;
Cm - концентрация каждого фталата в матричном пике, мкг/мл;
C - концентрация каждого фталата в исходном образце, мкг/мл;
Cs - концентрация контрольного фталата, мкг/мл.
Степень извлечения для каждого фталата должна быть от 70% до 130%. Степень извлечения для каждого матричного пика должна регистрироваться и прослеживаться в электронной таблице с целью определения возможных матричных эффектов во время анализа.
c) После прогона каждого десятого образца и в конце каждого набора образцов необходимо провести анализ стандарта непрерывного контроля калибровки (CCC). CCC - это неэкстрагированный калибрант среднего диапазона, который подвергается анализу как образец. Степень извлечения для каждого фталата должна составлять от 70% до 130%. Степень извлечения для любого фталата в стандарте CCC выходит за пределы данного диапазона, стандарт CCC должен впрыскиваться повторно в пределах 12 ч. Если степень извлечения остается за пределами диапазона, то анализ необходимо прервать и произвести техническое обслуживание системы, чтобы вернуть ее в оптимальное рабочее состояние. Все образцы, введенные перед последним анализом CCC с удовлетворительным результатом, могут указываться в протоколе испытаний, а все образцы, использованные после анализа CCC с неудовлетворительным результатом, должны подвергаться повторному анализу с новой калибровкой.
d) Степень извлечения стандартного раствора-имитатора должна контролироваться для каждого образца. Степень извлечения, %, стандартного раствора-имитатора может рассчитываться с помощью формулы
, (10)
где SR - степень извлечения, стандартного раствора-имитатора, %;
ms - общая масса стандартного раствора-имитатора, измеренная в конечном растворе образца, мкг;
ss - общая масса стандартного раствора-имитатора в образце, мкг.
Допустимая степень извлечения должна составлять от 70% до 130%.
Если степень извлечения стандартного раствора-имитатора для любого образца выходит за пределы данного диапазона, образец должен подвергаться повторному анализу.
Если после анализа степень извлечения стандартного раствора-имитатора остается за пределами диапазона, необходимо проводить повторное экстрагирование и анализ образца.
e) На основании результатов пяти калибрантов (согласно
таблице 4) необходимо провести расчет средней чувствительности (пиковая область) для внутреннего стандарта. Чувствительность внутреннего стандарта для каждого образца должна контролироваться в течение всего анализа с последующим ее сравнением со средним значением. Если в любой точке анализа чувствительность внутреннего стандарта колеблется ниже 50% или выше 150% среднего значения, образец считается неконтролируемым и должен быть подвергнут повторному анализу. Если чувствительность внутреннего стандарта находится за пределами диапазона, необходимо проверить результаты дублируемого экстракта. Если оба отклика находятся за пределами заданного диапазона и смещены в одном направлении, полученные данные необходимо зарегистрировать как подозрительные в результате матричного воздействия.
f) Цикл холостой пробы растворителя между каждым впрыском требуется для того, чтобы исключить перенос аналита от одного образца к другому. Это особенно важно в том случае, когда производится анализ образцов, содержащих высокие концентрации фталатов и/или потенциально препятствующие обнаружению аналиты. Прибор, не проверенный на отсутствие загрязняющих аналитов, может дать завышенные результаты анализа. Рекомендуется, чтобы растворитель содержал небольшое количество силилирующего агента (BSA, BSTFA) для поддержания инертности вкладыша инжектора.
g) Время удерживания аналитов, имеющих идентификационную массу согласно каждому фталату, должно быть в пределах +/- 1% в стандартных калибровочных растворах. Использование времени удерживания в качестве критерия подтверждения является широко распространенной практикой.
11.2.2 Предел обнаружения (LOD), предел обнаружения метода (MDL) и предел количественного определения (LOQ)
Предел обнаружения (LOD) или предел обнаружения метода (MDL) должны определяться до проведения данного испытания, а также каждый раз, когда метод испытаний или тип прибора претерпевают значительные изменения. LOD или MDL наиболее подходящим образом определяют экспериментально, выполняя повторные независимые измерения на низкоуровневых или концентрированных матрицах образцов (например, пластиковых), выполняемых в течение всей процедуры испытания, включая экстракцию. Для этого анализа должны быть выполнены как минимум шесть повторных измерений при концентрации аналита, в 3 - 5 раз превышающей расчетные значения LOD или MDL. Полные LOD или MDL для всей процедуры испытания определяются умножением стандартного отклонения повторных измерений на соответствующий коэффициент. IUPAC рекомендует коэффициент 3 как минимум для шести повторных измерений, в то время как EPA использует односторонний доверительный интервал с множителем, равным коэффициенту Стьюдента t, выбранному для количества повторных измерений и доверительного уровня (например, t = 3,36 для шести повторных измерений при доверительном уровне 99%).
Все анализы, используемые для расчета LOD или MDL, должны проводиться в следующей последовательности.
a) Измельчают примерно 2 г подходящего полимера из чистого источника, известного тем, что он не содержит DIBP, DBP, BBP, DEHP, DNOP, DINP, DIDP или других соединений, которые могли бы препятствовать проведению анализа.
b) Взвешивают 500 мг измельченного полимера и помещают его в экстракционную гильзу. Повторяют данную операцию еще шесть раз.
c) Устанавливают экстракционную гильзу в экстракционный аппарат Сокслета.
d) Добавляют в гильзу 0,25 мл исходного раствора (см.
8.5.1.2) каждого фталата (100 мкг/мл) и стандартного раствора-имитатора (100 мкг/мл), приближаясь к концентрации калибранта с наименьшей концентрацией.
e) С помощью соответствующего метода (экстрагирование согласно
8.2.1.3 или
8.2.1.4) проводят экстрагирование и анализ каждого из образцов.
f) Степень извлечения каждого фталата должна составлять от 70% до 130%. Если степень извлечения находится ниже или выше данных предельных значений, анализ следует повторить. Если степень извлечения выходит за пределы указанных значений, во второй раз необходимо повторить всю процедуру экстрагирования и анализа.
g) Расчетные LOD или MDL каждого фталата должны быть меньшими или равными 50 мг/кг. Если рассчитанные LOD или MDL какого-либо фталата превышают данные предельные значения, то процедура, экстрагирование и анализ должны быть повторены для данного фталата.
h) Пределы количественного определения (LOQ) каждого фталата должны превышать не менее чем в три раза соответствующий MDL. В отличие от MDL, который касается только аспекта обнаружения, предел количественного определения (LOQ) представляет собой концентрацию, которая может быть точно определена количественно для данного соединения.
Если требования к MDL не выполняются, к процедуре экстрагирования можно добавить операцию концентрирования. Так как операция концентрирования приведет к повышению концентрации полимера в экстракте, для каждого образца рекомендуется также операция очистки. Это поможет увеличить срок службы колонки и расширить периодичность технического обслуживания оборудования. Если в ходе анализа используются операции концентрирования и очистки, они должны применяться также и по отношению к образцам определения MDL.
11.3 Метод пиролитической газовой хроматографии - масс-спектрометрии с термодесорбцией (Py/TD-GC-MS)
Инструментальная чувствительность должна быть подтверждена соотношением "сигнал - шум" (S/N) 50 нг фталатов (S/N > 30).
Подтвержденное соотношение "сигнал - шум" (S/N) должно быть больше 30.
В качестве контрольного образца чувствительности рекомендуется использовать эталонный образец полимерного материала (100 мг/кг). Помещают примерно 0,5 мг измельченного, нарезанного или порошкообразного эталонного образца полимерного материала в чашку для образцов (см.
рисунок I.1).
Примечание - Следующая процедура также используется для подготовки образца к проверке чувствительности:
a) вводят 10 мкл раствора ПВХ (50 мг/мл) и 0,5 мкл раствора стандартной смеси (100 мкг/мл) в чашку для образцов с помощью микролитрового шприца;
b) высушивают раствор при комнатной температуре.
11.3.2 Анализ холостой пробы
Для подтверждения отсутствия переноса аналита от образца к образцу рекомендуется проводить пробный прогон между каждой инъекцией. Это особенно важно при анализе проб, содержащих высокие уровни фталатов. Если прибор загрязнен анализируемыми веществами, это приведет к ложно завышенным результатам. После анализа образца с высокой концентрацией (более 1%) пустые образцы следует анализировать до тех пор, пока фоновый уровень фталата уменьшается до величины, эквивалентной 30 мг/кг или менее.
Примечание - Для анализа холостых проб используется чистый полимерный материал или пустая чашка для образца.
11.3.3 Предел обнаружения (LOD), предел обнаружения метода (MDL) и предел количественной оценки (LOQ)
Исследование предела обнаружения (LOD) или предела обнаружения метода (MDL) должно быть завершено перед проведением этого испытания и каждый раз, когда происходит значительное изменение метода или типа прибора. LOD или MDL наиболее подходящим образом определяют экспериментально путем выполнения повторных независимых измерений на низкоуровневых или обогащенных матрицах образцов (например, пластик), проводимых на протяжении всей процедуры испытания, включая экстракцию. Для этого анализа должны быть выполнены как минимум шесть повторных анализов и измерений концентрации аналита, в 3 - 5 раз превышающих предполагаемый LOD или MDL. Полный LOD или MDL для всей процедуры испытания определяется путем умножения стандартного отклонения повторных измерений на соответствующий коэффициент. IUPAC рекомендует коэффициент 3 минимум для шести повторных измерений, в то время как EPA использует односторонний доверительный интервал с множителем, равным коэффициенту Стьюдента t, выбранному для числа повторных измерений и уровня достоверности (например, t = 3,36 для шести повторных измерений с 99%-ной достоверностью). Все анализы, используемые для расчета LOD или MDL, должны выполняться в следующей последовательности.
Стандартный образец полимерного материала (100 мг/кг) рекомендуется в качестве контрольного образца для определения предела обнаружения. Помещают примерно 0,5 мг измельченного, нарезанного или молотого полимерного материала в чашку для образца (см.
рисунок I.1).
Примечание - Для подготовки контрольной пробы для обнаружения метода используется следующая процедура:
a) вводят 10 мкл раствора ПВХ (50 мг/мл) и 0,5 мкл раствора стандартной смеси (100 мкг/мл) в чашку для образца с помощью микролитрового шприца;
b) высушивают раствор при комнатной температуре, а затем проводят повторный анализ образцов.
Расчетный MDL каждого фталата должен быть меньше или равен 100 мг/кг. Если расчетный MDL для любого из фталатов превышает эти пределы, процедуру и анализ следует повторить.
Предел количественного определения (LOQ) для каждого фталата должен быть как минимум в три раза больше соответствующего MDL. В отличие от MDL, который относится только к обнаружению, предел количественного определения (LOQ) - это концентрация, которая может быть точно определена количественно для данного соединения.
Для целей настоящего стандарта применяется IEC 62321-1:2013 (пункт 4.8) (протокол испытаний).
(справочное)
ОПРЕДЕЛЕНИЕ ФТАЛАТОВ В ПОЛИМЕРАХ МЕТОДОМ МАСС-СПЕКТРОМЕТРИИ
С ПРИСОЕДИНЕНИЕМ ИОНА (IAMS)
A.1 Принцип работы метода
Метод масс-спектрометрии с присоединением иона (IAMS) подходит для определения DIBP, DBP, BBP, DEHP, DNOP, DINP и DIDP, основываясь на их различной массе и изотопной структуре распределения. Данный метод позволяет проводить прямой анализ полимерного образца без процесса предварительной обработки.
Система IAMS состоит из камеры реакции присоединения ионов Li+ с излучателем ионов Li+, соединенной с устройством прямого ввода пробы (DIP). DIP имеет функцию программируемого нагрева до 350 °C для термической десорбции молекул пробы. В камере в результате реакции термической десорбции молекулы образца (M) образуют аддукты (M + Li+) с ионом Li+, и эти аддукты анализируются масс-спектрометром с помощью мониторинга выделенных ионов.
A.2 Реактивы и материалы
Перед применением все химические реактивы должны пройти испытание на степень чистоты и величину холостой пробы, а именно:
a) тетрагидрофуран (THF) или растворитель, подходящий для приготовления образца полимера (класс GC или выше);
b) сухой воздух (точка росы ниже минус 50 °C, класс 3);
c) стандартный образец полимерного материала: один с содержанием приблизительно 100 мг/кг, а другой - 1000 мг/кг фталатов;
d) чистый полимерный материал (без включения фталатов).
Примечание - Перечень коммерческих полимерных материалов приведен в
приложении I.
A.3 Оборудование
Для анализа должны использоваться следующие приборы, оборудование и материалы:
a) аналитические весы с точностью измерений до 0,000 01 г (0,01 мг);
b) криогенный измельчитель с охлаждением жидким азотом;
c) чашка для образцов (изготовленная из нержавеющей стали, диаметр 4 мм);
d) кусачки (вид ручного инструмента для резки образца);
e) микрошпатель; медицинская ложка;
f) пинцет (щипцы);
g) масс-спектрометр, оснащенный источником присоединения ионов (IAMS) и способный выполнять мониторинг выделенного иона. IAMS-оборудование состоит из камеры реакции присоединения ионов Li
+ с излучателем ионов Li
+. Кроме того, оборудование IAMS дополнительно соединено с устройством прямого ввода пробы (DIP), которое имеет возможность программируемого нагрева до 350 °C. Пример диаграммы прибора приведен в
приложении E. В результате реакции молекулы термического десорбированного образца (M) формируют продукты присоединения ((M + Li)
+) с ионами Li
+ в реакционной камере. Газообразный азот под давлением около 50 Па вводится в реакционную камеру, которая замедляет ионы Li
+ и удаляет избыточную энергию аддуктов ионов Li
+. При анализе полимера из-за того, что невосстанавливаемый газ из матрицы снижает чувствительность ионов Li
+, для окисления образца желательно использовать сухой воздух вместо азота;
h) мерная колба;
i) стеклянный стакан.
A.4 Подготовка образцов
Как установлено в IEC 62321-2, если не указано иное (например, использование кусачек), рекомендуется использовать криогенный измельчитель с охлаждением жидким азотом.
Перед экстракцией образец необходимо измельчить, чтобы он прошел через сито 500 мкм. Настоятельно рекомендуется криогенный измельчитель с охлаждением жидким азотом. Стандартный образец полимерного материала должен быть измельчен аналогичным образом.
A.5 Проведение испытаний
A.5.1 Общие инструкции по проведению испытаний
Валидация оборудования должна включать испытание потенциальных перекрестных загрязнений образцов между последующими этапами испытаний. Выбор дополнительных образцов или измененная последовательность проведения испытаний необходимы для выявления взаимного загрязнения образцов.
Прежде чем проводить измерения образца, оборудование IAMS должно быть оптимизировано для четкого наблюдения интенсивности калибранта. Перед измерением образца оборудование IAMS должно быть оптимизировано для четкого наблюдения за интенсивностью эталонного образца полимерного материала, содержащего приблизительно 100 мкг/г DEHP выше фонового шума.
Соотношение "сигнал - шум" (S/N) при m/z 397 необходимо в размере более 10.
A.5.2 Подготовка образца
A.5.2.1 Общие положения
Для подготовки проб требуется чистая стеклянная посуда (например, предметы одноразового использования), чтобы избежать перекрестного загрязнения.
Выполняется двухэтапное измерение. Первый этап - качественный для идентификации фталатов с использованием режима полного сканирования. Образцы, которые имеют обнаруживаемые на первом этапе фталаты, продолжают испытывать по второму этапу количественного анализа с использованием режима мониторинга выделенных ионов (SIM).
Для образца нерастворимого полимера:
a) приблизительно от 0,5 до 1,5 мг измельченного образца взвешивают и помещают в чашку для образцов. Точность измерений аналитических весов - до 0,000 01 г (0,01 мг), для обеспечения точности измеренных данных - до трех характеристических цифр;
b) помещают чашку для образцов в устройство прямого ввода проб (DIP) и вставляют ее в прибор.
Для образца растворимого полимера:
c) взвешивают с точностью до 0,1 мг 100 мг измельченного, размолотого или нарезанного образца в стеклянный стакан. Добавляют 8 мл THF и хорошо перемешивают. Переносят раствор в мерную колбу вместимостью 10 мл и доводят THF до метки. Полученный раствор - это концентрированный раствор образца. Разбавляют концентрированный раствор образца THF до соответствующего уровня концентрации для каждого измерительного прибора;
d) с помощью микролитрового шприца вводят 10 мкл растворенного раствора полимера в кювету для образца;
e) высушивают растворенный раствор полимера при комнатной температуре;
f) помещают чашку для образцов в устройство прямого ввода проб (DIP) и вставляют ее в прибор.
A.5.2.2 Основной раствор
Для калибровки и проверки чувствительности рекомендуются стандартные образцы полимерного материала. Удобно использовать тонко растянутый эталонный полимерный лист или пленку (см.
приложение I). Если стандартные образцы полимерных материалов недоступны, необходимо приготовить следующие исходные растворы:
a) раствор ПВХ (PVC): растворяют полимер ПВХ (PVC), используя подходящий растворитель, такой как THF, в концентрации 50 мг/мл;
b) стандартный раствор смеси: готовят стандартный раствор смеси, содержащий DIBP, DBP, BBP, DEHP, DNOP, DINP и DIDP в н-гексане, в концентрации 100 мкг/мл (см.
приложение I).
Для оптимизации конкретной системы GC-MS с целью достижения эффективного разделения каждого фталата и обеспечения контроля качества (QC) и пределов обнаружения ((LOD) могут потребоваться разные условия. Следующие параметры (см.
таблицу A.1) считаются подходящими и приводятся ниже в качестве примера:
Таблица A.1
Температура источника ионов | 220 °C |
Температура устройства прямого ввода проб (DIP) | Для полимера | 50 °C  (128 °C/мин) 170 °C  (64 °C/мин) 300 °C (3 мин) |
Для реагента | 30 °C  (128 °C/мин) 130 °C  (32 °C/мин)  180 °C  (64 °C/мин) 300 °C (1 мин) |
Метод ионизации | Присоединение иона (Li+) |
Давление ионизации | 50 Па с сухим воздухом |
Качественный анализ (SCAN) | Диапазон массы: 200 - 600 m/z |
Время цикла: 3 с/скан |
Условия мониторинга выделенных ионов (SIM) | | Отношение масс ионов к их зарядам (m/z) |
DIBP | 285 |
DBP | 285 |
BBP | 319 |
DEHP | 397 |
DNOP | 397 |
DINP | 425 |
DIDP | 452 |
Время ожидания | 200 мс |
Время измерений | 6 мин |
A.5.4 Калибранты
Эталонные материалы, используемые в качестве калибрантов, приведены в
приложении I.
A.5.5 Калибровка
Эталонный полимерный материал (1 000 мг/кг) рекомендуется в качестве калибранта для метода IAMS. Приблизительно 0,5 мг порошкообразного, нарезанного или перфорированного стандартного образца полимерного материала помещают в чашу для IAMS.
Примечание - Также для подготовки калибрантов используют следующую последовательность:
a) вводят 10 мкл раствора ПВХ (50 мг/мл) и 5 мкл раствора стандартной смеси (100 мкг/мл) в чашку для образцов;
b) высушивают раствор при комнатной температуре.
Чтобы построить прямые калибровочные линии, площадь сигнала каждого фталата наносится на график в зависимости от абсолютного количества (нг).
где y - пиковая область фталатов в образце;
x - абсолютное количество фталатов в образце, нг;
a - наклон калибровочной кривой.
A.6 Расчет концентрации фталатов
Конечная концентрация фталатов в образце рассчитывается с помощью
формулы (A.2)
, (A.2)
где cfinal - концентрация каждого фталата в образце, мкг/г;
y - пиковая область фталатов в образце;
a - наклон линии калибровочной кривой;
m - масса образца, мг.
A.7 Обеспечение качества и контроль
A.7.1 Общие требования
Там, где это применимо, требования настоящего стандарта в части требований стандартов к обеспечению качества и контроля и отдельных методов испытаний должны устанавливать периодичность испытаний и критерии соответствия испытуемых образцов.
A.7.2 Чувствительность
Инструментальная чувствительность должна быть подтверждена отношением "сигнал - шум" (S/N) 50 нкг фталатов (S/N > 30).
В качестве образца для проверки чувствительности рекомендуется стандартный образец полимерного материала (100 мг/кг). Примерно 0,5 мг нарезанного или порошкообразного стандартного образца полимерного материала помещают в чашу для образца.
Примечание - Также для подготовки калибрантов используют следующую процедуру:
a) вводят 10 мкл раствора ПВХ (50 мг/мл) и 0,5 мкл раствора стандартной смеси (100 мкг/мл) в чашку для образца с помощью микролитрового шприца;
b) высушивают раствор при комнатной температуре.
A.7.3 Степень извлечения
Отмеряют примерно 0,5 мг KRISS CRM 113-03-006 или другого подходящего материала.
Таблица A.2
Сертифицированное значение составляющих фталатов
в KRISS CRM 113-03-006
В миллиграммах на килограмм
Наименование соединения | CAS N | | | |
DMP, диметилфталат | 131-11-3 | 955 | 46 | 2,18 |
DEP, диэтил фталат | 84-66-2 | 942 | 43 | 2,16 |
DBP, дибутил фталат | 84-74-2 | 972 | 37 | 2,78 |
BBP, бензил бутил фталат | 85-68-7 | 962 | 36 | 2,18 |
DEHP, бис (2-этилгексил) фталат | 117-81-7 | 989 | 25 | 2,36 |
DNOP, ди-н-октил фталат | 117-84-0 | 967 | 18 | 2,12 |
<a> Сертифицированное значение. <b> Расширенная неопределенность примерно с 95%-ной достоверностью. |
Степень извлечения определяют по формуле:
, (A.3)
где R - степень извлечения фталатов, %;
ARM - площадь пика фталатов в CRM;
ACal - площадь пика фталатов в калибранте;
M - масса CRM, мг;
MCal - масса калибранта, мг (0,5 мг);
CRM - концентрация фталатов в сертифицированном эталонном материале CRM, мг/кг.
CCal - концентрация фталатов в калибранте, мг/кг (1000 мг/кг).
После прогона каждого из 20 образцов и в конце каждого набора образцов необходимо произвести анализ образца CRM для определения степени извлечения. Степень извлечения каждого фталата должна составлять от 50% до 150%. Если степень извлечения любого фталата в образце CRM остается за пределами диапазона, то должны быть предприняты корректирующие действия и калибровочная кривая должна быть воссоздана.
A.7.4 Анализ холостой пробы
Рекомендуется делать анализ холостой пробы между каждой инъекцией, чтобы подтвердить отсутствие переноса аналита от образца к образцу. Это особенно важно при анализе образцов с высоким содержанием фталатов. Если инструмент загрязнен аналитами, то это приведет к ложнозавышенным результатам. После анализа пробы с высокой концентрацией (более 1%) холостые пробы следует анализировать до тех пор, пока фоновый уровень фталата не снизится до значения, эквивалентного 30 мг/кг.
Примечание - Для анализа холостой пробы используют чистый полимерный материал или пустую чашку для образца.
A.7.5 Предел обнаружения (LOD), предел обнаружения метода (MDL) и предел количественного определения (LOQ)
Предел обнаружения (LOD) и предел обнаружения метода (MDL) должны определяться до проведения данного испытания, а также каждый раз, когда метод испытаний или тип прибора претерпевают значительные изменения. LOD или MDL наиболее подходящим образом определяют экспериментально путем выполнения повторных независимых измерений на низкоуровневых или обогащенных матрицах образцов (например, пластик), проводимых на протяжении всей процедуры испытания, включая экстракцию. Для этого анализа должны быть выполнены как минимум шесть повторных анализов и измерений концентрации аналита, в 3 - 5 раз превышающих предполагаемый LOD или MDL. Полный LOD или MDL для всей процедуры испытания определяется путем умножения стандартного отклонения повторных измерений на соответствующий коэффициент. IUPAC рекомендует коэффициент 3 как минимум для шести повторных испытаний, в то время как EPA использует односторонний доверительный интервал с множителем, равным коэффициенту Стьюдента t, выбранному для количества повторных измерений и уровня доверительной вероятности (например, t = 3,36 для шести повторных измерений с 99%-ной достоверностью). Все анализы, используемые для расчета LOD или MDL, должны быть последовательными.
Стандартный образец полимерного материала (100 мг/кг) рекомендуется для определения LOD или MDL. Помещают примерно 0,5 мг нарезанного или измельченного эталонного полимерного материала в кювету для образца.
Примечание - Также для подготовки испытуемых образцов используют следующую процедуру:
a) вводят 10 мкл раствора ПВХ (50 мг/мл) и 0,5 мкл раствора стандартной смеси (100 мкг/мл) в чашку для образца с помощью микролитрового шприца;
b) высушивают раствор при комнатной температуре;
c) проводят анализ на критерии соответствия образцов.
Предел обнаружения метода (MDL), рассчитанный для каждого фталата, должен быть меньше или равен 100 мг/кг. Если рассчитанный MDL для любого из фталатов превышает данное предельное значение, процедуру и анализ следует повторить.
Предел количественного определения (LOQ) для каждого фталата должен как минимум в три раза превышать соответствующий MDL. В отличие от MDL, который относится только к обнаружению, предел количественного определения (LOQ) - это концентрация, которая может быть точно определена количественно для данного соединения.
A.8 Протокол испытаний
Для целей настоящего стандарта применяют IEC 62321-1:2013 (пункт 4.8) (протокол испытаний).
(справочное)
ОПРЕДЕЛЕНИЕ ФТАЛАТОВ В ПОЛИМЕРАХ МЕТОДОМ ЖИДКОСТНОЙ
ХРОМАТОГРАФИИ - МАСС-СПЕКТРОМЕТРИИ (LC-MS)
B.1 Принцип работы метода
В методе жидкостной хроматографии - масс-спектрометрии (LC-MS) такие соединения, как BBP, DEHP, DNOP, DINP и DIDP, определяются с помощью ультразвукового растворения и осаждения матрицы образца или экстракции Сокслета с последующим разделением жидкостной хроматографией и обнаружением масс-спектрометрией. Из-за наложения пиков и одинаковых масс-спектральных характеристик DIBP и DBP появление пика указывает только на качественную информацию о возможном присутствии как DIBP, так и DBP или одного из них. Метод LC-MS подходит для количественного анализа BBP, DEHP, DNOP, DINP и DIDP в диапазоне от 50 до 2000 мг/кг. Более того, можно анализировать гораздо выше концентрации путем разбавления аналитов. Качественный анализ возможного присутствия DIBP и DBP или одного из них также возможен в том же диапазоне.
B.2 Реактивы и материалы
a) Ацетонитрил (ACN) (класс HPLC).
b) Тетрагидрофуран (THF) (класс GC и выше).
c) н-Гексан (класс GC и выше).
d) Ацетат аммония (аналитическая степень чистоты и выше).
e) н-Пропанол (аналитическая степень чистоты и выше).
| | ИС МЕГАНОРМ: примечание. В официальном тексте документа, видимо, допущена опечатка: имеется в виду п. B.5.4, а не таблица B.5.4. | |
B.3 Оборудование
Для анализа должны использоваться следующие приборы, оборудование и материалы:
a) аналитические весы с точностью измерений до 0,0001 г;
b) криогенный измельчитель с охлаждением жидким азотом;
c) мерные колбы вместимостью 1, 5, 10 и 100 мл;
d) экстракционный аппарат Сокслета:
- экстракционные аппараты Сокслета 30 мл,
- круглодонная колба 250 мл,
- притертая пробка NS 29/32,
- холодильник Димрота NS 29/32,
- кипелки (например, стеклянный жемчуг или кольца Рашига);
e) экстракционная гильза (целлюлоза, 30 мл, внутренний диаметр 22 мм, высота 80 мм);
f) стеклянная вата (для экстракционной гильзы);
g) ультразвуковая ванна;
h) колбонагреватель;
i) воронки;
j) алюминиевая фольга;
k) пробковые кольца;
l) мембранный фильтр из PTFE 0,45 мкм;
m) микролитровый шприц или автоматические пипетки;
n) роторный испаритель с возможностью вакуумирования;
o) пипетки Пастера;
p) виалы 1,5 мл с резьбовым колпачком с политетрафторэтиленовой (ПТФЭ) прокладкой или, в зависимости от аналитической системы, аналогичные емкости для образцов;
q) мини-шейкер (также известный как вортекс или вихревой смеситель);
r) роторный испаритель с возможностью вакуумирования;
s) система высокоэффективной жидкостной хроматографии (HPLC), оснащенная масс-спектрометрическим детектором.
Для обеспечения повторяемости настоятельно рекомендуется использовать автоматический пробоотборник.
B.4 Подготовка образцов и проб
Как описано в IEC 62321-2, если не указано иное (например, использование кусачек), рекомендуется использовать криогенный измельчитель с охлаждением жидким азотом.
Перед экстракцией образец необходимо измельчить, чтобы он прошел через сито 500 мкм. Настоятельно рекомендуется применять криогенный измельчитель с охлаждением жидким азотом. Стандартные образцы полимерных материалов должны быть измельчены аналогичным образом.
B.5 Процедура испытаний
B.5.1 Общие инструкции по проведению анализа
Валидация оборудования должна включать испытание потенциальных перекрестных загрязнений образцов между последующими этапами испытаний. Выбор дополнительных образцов или измененная последовательность проведения испытаний необходимы для выявления взаимного загрязнения образцов.
Этот метод позволяет количественно определять BBP, DEHP, DNOP, DINP и DIDP путем сравнения пиков на хроматограмме времени удерживания с каждым соответствующим масс-спектром базы данных зарегистрированных эталонных образцов. Любые BBP, DEHP, DNOP, DINP и DIDP имеют обнаруживаемые пики. Количественная оценка упрощается с помощью интеграции по всем пикам и использования единиц измерения мг/л, а не молярных соотношений. Если в образце обнаружено присутствие помех при одинаковом времени удерживания целевых пиков и/или DBP, то рекомендуется использовать анализ GC-MS в качестве метода проверки как для идентификации, так и для количественного определения
B.5.2 Подготовка образцов
B.5.2.1 Общие положения
Для подготовки проб требуется чистая стеклянная посуда (например, предметы одноразового использования), чтобы избежать последующего загрязнения.
B.5.2.2 Основной раствор
Подготавливают следующие исходные растворы:
Каждый раствор фталата (DIBP, DBP, BBP, DEHP, DNOP, DINP и DIDP): 1000 мкг/мл в н-гексане или смеси ACN : THF (2 : 1, v/v).
B.5.2.3 Очистка экстракторов Сокслета
Для очистки экстракторов Сокслета (см.
перечисление d) B.3) проводят предварительную экстракцию в течение 2 ч с 70 мл н-гексана. Затем промывающий растворитель следует утилизировать.
B.5.2.4 Экстракция методом Сокслета
Для отбора пробы необходимо соблюдать следующие операции.
a) Переносят (500 +/- 10) мг образца в целлюлозную экстракционную гильзу для экстрактора Сокслета. Массу регистрируют с точностью до 0,1 мг.
b) Образец пропускают через воронку в гильзу для экстракции. Для обеспечения количественного переноса воронку следует промыть примерно 10 мл раствора н-гексана.
c) Для того чтобы образец не всплывал, гильза закрывается стеклянной ватой.
d) Приблизительно 120 мл н-гексана используют для экстракции с обратным холодильником. Образец экстрагируют не менее 6 ч с 6 - 8 циклами в час. Сокращение времени экстрагирования может привести к снижению извлечения аналитов.
e) После кипячения в течение 6 ч с установкой с обратным холодильником растворитель удаляют в роторном испарителе под вакуумом почти досуха, а затем полностью удаляют растворитель путем продувки газообразным азотом.
f) Экстракт разбавляют метанолом до 50 мл.
g) Переносят разбавленную пробу в виалу для HPLC объемом 2 мл с прокладкой из PTFE в крышке (подходящую для автоматического пробоотборника).
B.5.2.5 Альтернативные процедуры экстракции растворимых полимеров
Для образца растворимого в THF полимера (например, PVC) можно применить следующую альтернативную процедуру экстракции.
a) Взвешивают (300 +/- 10) мг образца в виалу вместимостью 40 мл. Массу регистрируют с точностью до 0,1 мг.
b) Переносят 10 мл THF в виалу и регистрируют массу смеси.
Примечание - Для образцов с потенциально очень низкой или очень высокой концентрацией фталата можно использовать иное количество образцов.
c) Плотно закрывают пробирку с образцом. Помещают его в ультразвуковую ванну и обрабатывают ультразвуком от 30 до 60 мин до полного растворения образца. Для предотвращения ослабления крышки во время вибрации используют небольшой отрезок клейкой ленты.
d) После растворения образца виалу оставляют для остывания до температуры окружающей среды и затем регистрируют массу. Производят сравнение массы с той, которую измеряли, как указано в
перечислении b) выше.
e) Добавляют точно по каплям 20 мл ACN в виалу для осаждения матрицы образца.
f) Полученный экстрагированный раствор выдерживают при комнатной температуре в течение 30 мин (полимерный материал осаждается в результате осаждения на дне виалы).
g) Дают полимеру отстояться или отфильтровывают смесь через мембранный из PTFE-фильтр с размерами ячейки 0,45 мкм.
h) Экстракт переносят в виалу для HPLC объемом 2 мл с прокладкой из PTFE в крышке (подходящую для автоматического пробоотборника).
B.5.3 Параметры приборов
B.5.3.1 Общие положения
Для оптимизации конкретной системы LC-MS с целью достижения эффективного определения DIBP, DBP, BBP, DEHP, DNOP, DINP и DIDP и обеспечения удовлетворения условий контроля качества (QC) и пределов обнаружения (LOD) могут потребоваться разные условия. Следующие параметры считаются подходящими и приводятся ниже в качестве примера.
B.5.3.2 Жидкая фаза
В качестве жидкой фазы используют раствор ацетата аммония и ацетонитрила с концентрацией 10 ммоль/л. Смесь растворителей THF/ACN или н-гексан используются в качестве растворителя для растворения чистых стандартов и растворения или экстракции исследуемых образцов.
B.5.3.3 Неподвижная фаза (колонка)
Неподвижная фаза C18, колонка 150 x 2,1 мм, с размером частиц 5 мкм или эквивалентная.
B.5.3.4 Условия измерений
Время работы составляет 14 мин при скорости потока от 0,4 до 0,5 мл/мин. Данные представлены в
таблице B.1 в режиме сканирования в диапазоне между отношениями масс ионов к их зарядам 100 и 500 m/z.
Таблица B.1
HPLC |
Время окончания измерений | 14 мин |
Время выполнения записей | 3 мин |
Объем ввода | 5 мл |
Программа растворителей | Градиент растворителя |
| 10 ммоль/л ацетата аммония |
Растворитель B | Ацетонитрил |
Температура инжектора | 250 °C |
Параметры режима | Время, мин | | Растворитель B, % | Скорость потока, мл/мин |
0 | 30 | 70 | 0,4 |
0,5 | 30 | 70 | 0,4 |
2 | 1 | 99 | 0,4 |
9 | 1 | 99 | 0,4 |
10 | 1 | 99 | 0,5 |
13 | 1 | 99 | 0,5 |
14 | 30 | 70 | 0,5 |
MS |
Полярность | Положительный полюс API-ES |
Фрагмент | 160 |
Напряжение капилляра | 4000 |
Температура сухого газа | 340 °C |
Давление в небулайзере | 60 фунтов на кв. дюйм <*> |
Поток сухого газа | 7000 мл/мин |
Мониторинг выделенного иона (определение отношения масс ионов к их зарядам m/z) | Вещество | Целевое значение (m/z) ионов |
| DBP & DIBP | 279 |
| BBP | 313 |
| DEHP | 391 |
| DNOP | 391 |
| DINP | 419 |
| DIDP | 447 |
<a> Растворяют 0,771 г ацетата аммония в 900 мл деионизированной воды в химической посуде вместительностью 1000 мл, добавляют 10 мл ACN и доливают деионизированной водой до метки. Отфильтровывают буферный раствор с помощью аспирационной установки и переносят его в емкость с закручивающейся крышкой вместимостью 1000 мл. |
--------------------------------
<*> Давление приведено в единицах измерения Британии и США, что соответствует 4,137 бар.
Стандартные образцы используются в качестве калибрантов. См.
приложение I.
B.5.5 Калибровка
B.5.5.1 Стандартный раствор
Следующие стандартные исходные растворы каждого фталата используются для калибровки в соответствии с концентрациями, указанными в
таблице B.2.
Таблица B.2
Концентрации стандартных исходных растворов
N | Концентрации DBP <a>, BBP, DEHP, DNOP, DINP, DIDP, мкг/мл |
1 | 0,25 |
2 | 0,50 |
3 | 1,0 |
4 | 2,5 |
5 | 5,0 |
<a> Если DBP обнаружен в анализе LC-MS, необходимо выполнить подтверждение с помощью GC-MS для идентификации изомеров DBP и DIBP. И результаты количественно оцениваются калибровочной кривой GC-MS, которая содержит DBP и DIBP. |
Подгонка линейной регрессии для каждой калибровочной кривой должна иметь относительное стандартное отклонение (RSD), меньшее или равное 15% от функции линейной калибровки. Линейная регрессия выполняется с помощью
формулы (B.1)
где y - площадь пика фталата в образце;
x - абсолютное значение фталата в образце, мкг/мл;
a - наклон калибровочной кривой;
b - пересечение на оси y калибровочной кривой.
B.6 Расчет концентрации фталатов
Принципы расчета концентрации вручную аналогичны методу GC-MS, описанному в
9.1.
где y - площадь пика фталата в образце;
a - наклон калибровочной линии;
x - инструментальный результат, мкг/мл (концентрация каждого фталата в экстракте);
b - пересечение на оси y калибровочной кривой.
где y - коэффициент отклика для каждого фталата в образце;
a и b - постоянные, соответствующие кривой, которая лучше всего подходит для калибровки;
x - инструментальный результат, мкг/мл (концентрация каждого фталата в экстракте);
c - пересечение на оси y калибровочной кривой.
Растворы рассчитываются таким же образом, как для GC-MS.
B.7 Обеспечение качества и контроль
B.7.1 Общие положения
Там, где это применимо, пункты обеспечения качества и контроля стандартов на отдельные методы испытаний должны включать требования к контрольным образцам в отношении частоты испытаний и критериев приемлемости.
B.7.2 Производительность
B.7.2.1 Метод стандартных добавок
Чтобы определить точность и правильность оценки степени извлечения, следует провести следующие эксперименты по оценке степени извлечения.
1) Проверяют экстракт образца с помощью независимого стандарта DBP, BBP, DEHP, DNOP, DINP и DIDP.
2) Определяют степень извлечения для независимых стандартов.
3) Для двух экспериментов полученное значение степени извлечения должно находиться в диапазоне от 90% до 110%.
B.7.2.2 Внутренние контрольные образцы и холостые пробы
Частая повторная калибровка, включая измерения внутренних контрольных образцов и холостых значений, проводится, чтобы убедиться в правильности функционирования прибора.
Для обеспечения качества измерений срок действия жидких стандартных растворов не должен превышать 6 мес.
Каждый месяц необходимо проводить полную повторную калибровку.
Независимые стандарты контроля качества используются для сохранения площадей пиков, например стандарт каждого фталата используется в качестве карты контроля качества. Приемлемые показатели извлечения для независимых проверочных стандартов составляют от 70% до 130% для качественных и от 90% до 110% для количественных образцов.
B.7.3 Предел обнаружения (LOD), предел обнаружения метода (MDL) и предел количественного определения (LOQ)
Предел обнаружения (LOD) должен определяться до проведения данного испытания, а также каждый раз, когда метод испытаний или тип прибора претерпевают значительные изменения. Предел обнаружения (LOD) или предел обнаружения метода (MDL) определяют экспериментально путем выполнения повторных независимых измерений на низкоуровневых или обогащенных матрицах образцов (например, пластик), проводимых на протяжении всей процедуры испытания, включая экстракцию. LOD или MDL получают путем расчета стандартного отклонения как минимум для шести повторных анализов. Полный LOD или MDL для всей процедуры тестирования определяется путем умножения стандартного отклонения повторных измерений на соответствующий коэффициент. IUPAC рекомендует коэффициент 3 как минимум для шести повторных измерений, в то время как EPA использует односторонний доверительный интервал с множителем, равным коэффициенту Стьюдента t, выбранному для количества повторных измерений и уровня доверительной вероятности (например, t = 3,36 для шести повторных измерений с 99%-ной вероятностью). Все анализы, используемые для расчета LOD или MDL, должны быть выполнены в следующей последовательности:
a) Измельчают примерно 2 г подходящего полимера из чистого источника, не содержащего DIBP, DBP, BBP, DEHP, DNOP, DINP, DIDP или других компонентов, которые могут привести к получению искаженных результатов анализа (например, полистирольный материал BCR-681 или другой).
b) Взвешивают (500 +/- 10) мг измельченного полимера и помещают его в экстракционную гильзу. Данную операцию повторяют еще шесть раз.
c) Устанавливают экстракционную гильзу в экстракционный аппарат Сокслета.
d) Добавляют в гильзу 0,25 мл каждого фталата, приближаясь к концентрации 100 мкг/мл.
e) С помощью соответствующей процедуры (экстрагирование согласно
B.5.2.4 или
B.5.2.5) проводят экстрагирование и анализ каждого из образцов.
f) Степень извлечения каждого фталата должна составлять от 70% до 130%. Если степень извлечения находится ниже или выше данных предельных значений, анализ следует повторить. Если восстановление выходит за пределы указанных значений и во второй раз, необходимо повторить всю процедуру экстрагирования и анализа.
g) Расчетный MDL для каждого огнестойкого соединения должен быть меньшим или равным 50 мг/кг. Если расчетный MDL для любого из фталатов превышает это предельное значение, то процедура, экстрагирование и анализ должны быть повторены для этого фталата.
h) Предел количественного определения (LOQ) для каждого фталата должен как минимум в три раза превышать соответствующий MDL. В отличие от MDL, который относится только к обнаружению, предел количественного определения (LOQ) - это концентрация, которая может быть точно определена количественно для данного соединения.
Если требования к MDL не выполняются, к процедуре экстрагирования можно добавить операцию концентрирования. Так как операция концентрирования приведет к повышению концентрации эластомера в экстракте, для каждого образца рекомендуется также операция очистки. Это поможет увеличить срок службы колонки и расширить периодичность технического обслуживания оборудования. Если в ходе анализа используются операции концентрирования и/или очистки, они должны применяться также и по отношению к образцам определения LOD или MDL.
B.8 Протокол испытаний
Для целей настоящего стандарта применяется IEC 62321-1:2013 (пункт 4.8) (протокол испытаний).
(справочное)
ПРИМЕРЫ ХРОМАТОГРАММ В ПРЕДЛАГАЕМЫХ УСЛОВИЯХ
C.1 Метод GC-MS
Рисунок C.1 - Общая ионная хроматограмма каждого фталата
(10 мкг/мл, 1 мкл, без разделения)
Рисунок C.2 - Общая ионная хроматограмма DINP
(10 мкг/мл, 1 мкл, без разделения)
Рисунок C.3 - Общая ионная хроматограмма DIDP
(10 мкг/мл, 1 мкл, без разделения)
C.2 Метод Py/TD-GC-MS
Следующие хроматограммы были получены с помощью анализа Py/TD-GC-MS с использованием параметров, описанных в
8.3.2 (см.
рисунок C.4).
Рисунок C.4 - Хроматограмма общего ионного тока 100 мкг/мл
смеси фталатов с помощью Py/TD-GC-MS
C.3 Метод LC-MS
Следующие хроматограммы были получены с помощью анализа LC-MS с использованием параметров, описанных в
B.5.3.4 (см.
рисунок C.5).
Рисунок C.5 - Хроматограмма общего ионного тока 5 мкг/мл
смеси фталатов с помощью LC-MS
C.4 Метод IAMS
Следующие хроматограммы были получены с помощью анализа IAMS с использованием параметров, описанных в
A.5.3 (см.
рисунки C.6 -
C.8).
Рисунок C.6 - Масс-спектр каждого фталата по IAMS
Рисунок C.7 - Хроматограмма общего ионного тока каждого
абсолютного количества (0,08 мкг) смеси фталатов по IAMS
Рисунок C.8 - Хроматограмма общего ионного тока
приблизительно 0,3 мг PVC, который содержит 300 мг/кг
каждой смеси фталатов, по данным IAMS
(абсолютное количество - 0,09 мкг)
(справочное)
ВЕРИФИКАЦИЯ ЗОНЫ ТЕРМОДЕСОРБЦИИ EGA
Зона термодесорбции фталатов, указанная в
8.3.2, по-видимому, не зависит от пластификатора, используемого в составе PVC. Зона термодесорбции легко определяется с помощью анализа выделяемых газов (EGA).
Типичная термограмма EGA образца PVC в рабочем состоянии представлена ниже (см.
рисунок D.1).
Условия проведения анализа: температура печи пиролизера 100 °C

20 °C/мин

700 °C; температура интерфейса пиролизера 300 °C; колонка для газовой хроматографии, деактивированная трубка SS (длина 2,5 м, внутренний диаметр 0,25 мм); температура зоны ввода 320 °C; температура термостата колонки 320 °C; газ-носитель 100 кПа (постоянное давление); коэффициент разделения 1/50
Рисунок D.1 - Пример термограммы EGA образца PVC,
содержащего фталаты
(справочное)
СХЕМА ИЗМЕРИТЕЛЬНОГО ОБОРУДОВАНИЯ IAMS И Py/TD-GC-MS
Рисунок E.1 - Схема измерительного оборудования IAMS
Рисунок E.2 - Схема измерительного оборудования Py/TD-GC-MS
(справочное)
ПРИМЕР ЛОЖНОПОЛОЖИТЕЛЬНОГО ОБНАРУЖЕНИЯ ФТАЛАТОВ
Существует множество пластиковых лабораторных инструментов и сосудов, которые содержат фталаты более 0,1 мг/кг. Типичные лабораторные инструменты и сосуды, которые могут вызвать загрязнение фталатом во время подготовки образца, описанного в
8.2, представлены ниже (см.
рисунок F.1).
Рисунок F.1 - Пример лабораторной посуды из пластиковых
материалов, которая может вызвать загрязнение фталатами
Рисунок F.2 - Пример хроматограммы холостой пробы
растворителя (THF) в пластиковой бутылке,
показывающий загрязнение DEHP
Как показано на
рисунке F.2, следует избегать использования лабораторной посуды, такой как пластиковые бутылки, шприцы и фильтры, или использовать их после подтверждения того, что они не содержат фталатов, чтобы предотвратить возникновение ложного обнаружения или неточного количественного определения фталатов в образцах.
(справочное)
ПРИМЕРЫ ПОДГОТОВКИ ПРОБ ДЛЯ КОЛИЧЕСТВЕННОГО АНАЛИЗА ФТАЛАТОВ
МЕТОДОМ GC-MS
G.1 Общие положения
Когда существующие национальные стандарты для тестирования фталатов в полимерных материалах сравниваются
[1] с
[8] <1>, можно наблюдать два метода подготовки проб для количественного анализа GC-MS или LC-MS (т.е. экстракция Сокслета с использованием подходящих органических растворителей и растворение полимерных образцов в THF с последующим осаждением полимеров и фильтрацией). В приложении G представлены экспериментальные значения степени извлечения фталатов, полученные с помощью анализа GC-MS на образцах, подготовленных различными способами предварительной обработки, включая
8.2.1.3 и
8.2.1.4.
--------------------------------
<1> Цифрами в квадратных скобках обозначены ссылки, указанные в
библиографии.
G.2 Экстракция фталатов по Сокслету с использованием подходящих органических растворителей
Таблица G.1 подтверждает время экстракции Сокслета 6 ч, указанное в
8.2.1.3.
Рисунок G.1 подтверждает использование н-гексана в качестве подходящего органического растворителя для экстракции по Сокслету. Приемлемый аналогичный диапазон коэффициентов извлечения достигается путем экстракции по Сокслету с использованием диэтилового эфира или н-гексана или путем встряхивания на водяной бане при 40 °C в течение ночи с использованием смеси ацетона и н-гексана (3 : 7), как показано на
рисунке G.2. Исходя из этих данных, рекомендуется подготовить стандартные растворы в н-гексане и использовать н-гексан в течение 6 ч для экстракции по Сокслету, особенно в отношении стабильности стандартных растворов и растворов образцов, связанных с испарением растворителя во время хранения и обращения.
Таблица G.1
Коэффициенты извлечения фталатов
в зависимости от времени экстракции по Сокслету
(экстрагирующий растворитель - н-гексан)
Время экстракции | Вещество | Средняя концентрация <b>, мг/кг | SD | RSD, % | Степень извлечения <a>, % |
2 ч | DIBP | 4057 | 49,04 | 0,21 | 81,14 |
DBP | 4067 | 5,59 | 0,14 | 81,34 |
BBP | 4087 | 20,57 | 0,50 | 81,74 |
DEHP | 4097 | 5,57 | 0,14 | 81,94 |
4 ч | DIBP | 4450 | 46,35 | 1,04 | 89,00 |
DBP | 4377 | 21,26 | 0,49 | 87,54 |
BBP | 4417 | 29,70 | 0,67 | 88,34 |
DEHP | 4490 | 25,84 | 0,58 | 89,80 |
6 ч | DIBP | 4941 | 20,60 | 0,42 | 98,82 |
DBP | 4937 | 27,52 | 0,56 | 98,74 |
BBP | 4954 | 16,47 | 0,33 | 99,06 |
DEHP | 4934 | 21,75 | 0,44 | 98,66 |
8 ч | DIBP | 4946 | 5,54 | 0,11 | 98,92 |
DBP | 4942 | 16,80 | 0,34 | 98,84 |
BBP | 4959 | 7,33 | 0,15 | 99,16 |
DEHP | 4949 | 9,65 | 0,18 | 98,98 |
10 ч | DIBP | 4960 | 2,00 | 0,04 | 99,20 |
DBP | 4937 | 15,72 | 0,32 | 98,74 |
BBP | 4960 | 10,86 | 0,22 | 99,20 |
DEHP | 4944 | 11,39 | 0,23 | 98,86 |
12 ч | DIBP | 4967 | 4,74 | 0,10 | 99,34 |
DBP | 4947 | 5,23 | 0,11 | 98,94 |
BBP | 4958 | 8,75 | 0,18 | 99,14 |
DEHP | 4963 | 8,06 | 0,16 | 99,26 |
<a> Использованный образец - каучук EPDM (этиленпропилендиеновый мономер) с содержанием каждого фталата 5000 мг/кг. <b> n = 3 (от отбора проб до анализа GC-MS). |
Использовали стандартный образец с DEHP 138 000 мг/кг в PVC. Время экстракции - 6 ч.
Рисунок G.1 - Значение степени извлечения ди-(2-этилгексил)
фталата с использованием экстракции Сокслета
различными органическими растворителями
Использовали стандартный образец каучука EPDM (этиленпропилендиеновый мономер) с содержанием каждого фталата 5000 мг/кг.
Рисунок G.2 - Сравнение коэффициентов извлечения фталатов
с использованием различных условий экстракции
(справочное)
ЭКСТРАКЦИЯ ФТАЛАТОВ РАСТВОРЕНИЕМ В THF С ПОМОЩЬЮ ОБРАБОТКИ
УЛЬТРАЗВУКОМ И ОСАЖДЕНИЯ ПОЛИМЕРНОЙ МАТРИЦЫ
По сравнению с экстракцией Сокслета преимуществом растворения в THF является более короткое время предварительной обработки. Степени извлечения фталатов в матрице PVC, которая растворима в THF, по измерениям составляют от 97,4% до 104,5% при растворении в THF с обработкой ультразвуком в течение 30 мин. Аналогичным образом значения диапазона извлечения от 97,6% до 103,4% измерены с использованием экстракции Сокслета, как показано в
таблице H.1. Для образцов, которые не растворяются в THF, требуется более длительное время обработки ультразвуком для аналогичных коэффициентов извлечения, что и для экстракции Сокслета, как приведено в
таблице H.2. Поэтому рекомендуется обработка ультразвуком в THF в течение 1 ч, чтобы обеспечить желаемое извлечение фталатов в образцах, нерастворимых в THF.
Таблица H.1
Сравнение эффективности метода подготовки проб
для растворения в THF с использованием обработки
ультразвуком и осаждения полимерной матрицы с эффективностью
экстракции Сокслета для растворимого образца
Подготовка образца | Вещество | Средняя концентрация <b>, мг/кг | SD | RSD, % | Степень извлечения <a>, % |
Экстракция Сокслета с использованием н-гексана в течение 6 ч | DBP | 1005 | 12,5 | 1,24 | 103,4 |
BBP | 959 | 2,25 | 0,24 | 99,7 |
DEHP | 965 | 3,41 | 0,35 | 97,6 |
DNOP | 956 | 2,75 | 0,29 | 98,9 |
Растворение в THF с использованием обработки ультразвуком в течение 30 мин и осаждения полимерных материалов путем добавления н-гексана | DBP | 1011 | 4,56 | 0,45 | 104,0 |
BBP | 949 | 3,78 | 0,40 | 98,7 |
DEHP | 963 | 3,24 | 0,34 | 97,4 |
DNOP | 952 | 3,04 | 0,32 | 98,5 |
<a> Использованный образец -  CRM 113-03-006 (таблица 8) с 0,1% индивидуального фталата в PVC. <b> n = 3 (от отбора проб до анализа GC-MS). |
Таблица H.2
Сравнение эффективности метода подготовки проб
для растворения в THF с использованием обработки
ультразвуком и осаждения полимерной матрицы с экстракцией
Сокслета для нерастворимых образцов
Подготовка образца | Вещество | Средняя концентрация <b>, мг/кг | SD | RSD, % | Степень извлечения <a>, % |
Экстракция Сокслета с использованием н-гексана в течение 6 ч | DIBP | 23 589 | 718,7 | 3,05 | 94 |
DBP | 23 986 | 736,2 | 3,07 | 96 |
BBP | 23 207 | 581,1 | 2,50 | 93 |
DEHP | 23 830 | 486,6 | 2,04 | 95 |
Растворение в THF с использованием обработки ультразвуком в течение 15 мин и осаждения с ACN | DIBP | 21 783 | 767,5 | 3,52 | 87 |
DBP | 24 043 | 428,4 | 1,78 | 96 |
BBP | 21 395 | 1422,7 | 6,65 | 86 |
DEHP | 20 702 | 1085,2 | 5,24 | 83 |
Растворение в THF с использованием обработки ультразвуком в течение 30 мин и осаждения с ACN | DIBP | 22 091 | 227,3 | 1,03 | 88 |
DBP | 24 430 | 662,9 | 2,71 | 98 |
BBP | 23 953 | 1374,1 | 5,74 | 96 |
DEHP | 21 034 | 1255,6 | 5,97 | 84 |
Растворение в THF с использованием обработки ультразвуком в течение 45 мин и осаждения с ACN | DIBP | 22 689 | 1235,9 | 5,45 | 91 |
DBP | 25 072 | 90,2 | 0,36 | 100 |
BBP | 24 504 | 732,4 | 2,99 | 98 |
DEHP | 23 204 | 421,5 | 1,82 | 93 |
Растворение в THF с использованием обработки ультразвуком в течение 1 ч и осаждения с ACN | DIBP | 22 513 | 423,5 | 1,88 | 90 |
DBP | 24 826 | 1248,1 | 5,03 | 99 |
BBP | 24 048 | 486,5 | 2,02 | 96 |
DEHP | 23 299 | 712,2 | 3,06 | 93 |
Растворение в THF с использованием обработки ультразвуком в течение 1,5 ч и осаждения с ACN | DIBP | 22 810 | 572,3 | 2,51 | 91 |
DBP | 25 257 | 1337,4 | 5,30 | 101 |
BBP | 25 086 | 537,3 | 2,14 | 100 |
DEHP | 23 206 | 564,0 | 2,43 | 93 |
Растворение в THF с использованием обработки ультразвуком в течение 2 ч и осаждения с ACN | DIBP | 22 919 | 609,2 | 2,66 | 92 |
DBP | 25 044 | 126,6 | 0,51 | 100 |
BBP | 24 686 | 1055,4 | 4,28 | 99 |
DEHP | 23 381 | 912,8 | 3,90 | 94 |
Растворение в THF с использованием обработки ультразвуком в течение 3 ч и осаждения с ACN | DIBP | 22 646 | 942,9 | 4,16 | 91 |
DBP | 24 915 | 1493,6 | 5,99 | 100 |
BBP | 25 122 | 312,8 | 1,24 | 100 |
DEHP | 23 324 | 467,9 | 2,01 | 93 |
<a> Использованный образец - RM с 2,5% индивидуального фталата в PVC. <b> n = 3 (от отбора проб до анализа GC-MS). |
(справочное)
ДОСТУПНЫЕ КОММЕРЧЕСКИЕ СПРАВОЧНЫЕ МАТЕРИАЛЫ,
ПРЕДНАЗНАЧЕННЫЕ ДЛЯ GC-MS И Py/TD-GC-MS <2>
--------------------------------
<2> Наименования, приведенные в приложении I, являются примерами доступных на рынке подходящих продуктов. Эта информация дается для удобства пользователей настоящего стандарта и не означает одобрения этих продуктов со стороны IEC.
I.1 GC-MS
В
таблице I.1 показаны эталонные растворы, которые считаются подходящими для анализа GC-MS.
Таблица I.1
Примерный перечень коммерчески доступных эталонных
растворов, предназначенных для GC-MS
Наименование соединения | Номер CAS | Номер продукта | Изготовитель |
| 93952-11-5 | 34169 | Fluka |
| 93951-87-2 | 617180 | Aldrich |
| 1719-06-8 | 176591 | Aldrich |
Бензилбензоат | 120-51-4 | B6630-250ML | |
DIBP | 84-69-5 | 43540-100 MG | Fluka |
DBP | 84-74-2 | 48559 | |
BBP | 85-68-7 | 442503 | |
DEHP | 117-81-7 | D201154-5ML | |
DNOP | 117-84-0 | 48560-U | |
DINP | 68515-48-0 | 376663-1L | |
DIDP | 28553-12-0 | 80135-10ML | |
<a> Считается пригодным только для анализа GC-MS. |
Смеси для технической калибровки также используются в качестве калибрантов. Для этого анализа была найдена следующая техническая калибровочная смесь - стандартный раствор фталата III (DBP, BBP, DEHP, DNOP, DINP и DIDP по 100 мкг/мл в ацетоне каждый), N продукта: 34109-43, KANTO CHEMICAL CO., INC.
I.2 Py/TD-GC-MS
Стандартные образцы полимерного материала используются в качестве калибрантов для методов IAMS и Py/TD-GC-MS. Однако, если стандартные образцы полимерного материала недоступны, исходные растворы могут быть приготовлены из стандартных смесевых растворов.
Примечание - Перечень стандартных растворов указан в
таблице I.1. В
таблице I.2 приведены стандартные образцы, которые считаются подходящими для анализа Py/TD-GC-MS.
Таблица I.2
Примерный перечень имеющихся в продаже эталонных материалов,
которые считаются подходящими для Py/TD-GC-MS
Наименование продукта | Технические требования | Изготовитель |
 CRM 8152-a | Гранулы из PVC-эластомера, содержащие DBP, BBP, DEHP, DEP (диэтилфталат) и DCHP (дициклогексилфталат). DMP (диметилфталат), DIDP, DNOP и DEHA (ди-(2-этилгексил адипат), а также технические характеристики | Национальный институт метрологии Японии |
 CRM 113-03-006 | Гранулы PVC, которые содержат DBP, BBP, DEHP и DNOP | Корейский научно-исследовательский институт стандартов и науки |
CRM-PE001 | Гранулы полиэтилена, содержащие DIDP, DINP, DEHP, BBP, DEP (диэтилфталат), DMP (диметилфталат), DBP и DNOP | SPEX  , US |
CRM-PVCBLK | Поливинилхлорид чистотой 99% | SPEX  , US |
S225-31003-91 | Лист полиэтилена, содержащий DIBP, DBP, BBP, DEHP, DNOP, DINP и DIDP при 0, 100 и 1000 мг/кг | Shimadzu Corp. |
На
рисунке I.1 показана процедура подготовки эталонного образца Py/TD-GC-MS. Образец в виде листа позволяет легко подготовить его, вырезав с помощью специального перфоратора. Органические растворители не требуются для пробоподготовки с использованием этих стандартных образцов материалов.
a) Образец в виде листа пробивается дважды
с помощью микроперфоратора
b) Пеллеты отрезают ножом для получения
примерно 0,5 мг образца
Рисунок I.1 - Подготовка стандартных образцов материалов
(справочное)
ДОСТУПНЫЕ КОММЕРЧЕСКИЕ КАПИЛЛЯРНЫЕ КОЛОНКИ,
ПРЕДНАЗНАЧЕННЫЕ ДЛЯ GC-MS И Py-GC-MS <3>
--------------------------------
<3> Наименования, приведенные в приложении J, являются примерами доступных на рынке подходящих колонок. Эта информация приводится для удобства пользователей настоящего стандарта и носит рекомендательный характер IEC.
В
таблице J.1 показаны капиллярные колонки, которые считаются подходящими для анализа GC/MS и Py-GC/MS.
Таблица J.1
Примерный перечень капиллярных колонок и наименование
изготовителя колонок, которые предназначены
для анализа GC-MS и Py-GC-MS
Методы | Наименование колонок (изготовитель) | Технические характеристики |
GC-MS | Py-GC-MS |
| |  (RESTEK, US) | Фаза: 5% дифенил/95% диметилполисилоксан. Длина 30 м, внутренний диаметр 0,25 мм, толщина пленки 0,25 мкм |
| | DBTM-5ms (Agilent J&W, US) | Фаза: 5% дифенил/95% диметилполисилоксан. Длина 30 м, внутренний диаметр 0,25 мм, толщина пленки 0,25 мкм |
| | UATM-5 (Frontier Lab, Япония) | Фаза: 5% дифенил/95% диметилполисилоксан. Длина 30 м, внутренний диаметр 0,25 мм, толщина пленки 0,25 мкм |
| | UATM-PBDE (Frontier Lab, Япония) | Фаза: 100% диметилполисилоксан. Длина 15 м, внутренний диаметр 0,25 мм, толщина пленки 0,05 мкм |
(справочное)
СПОСОБЫ ОЧИСТКИ ЛАБОРАТОРНОЙ ПОСУДЫ ДЛЯ ИСПЫТАНИЙ
НА ОПРЕДЕЛЕНИЕ ФТАЛАТОВ
K.1 Способ с использованием термокамеры (только немерная посуда)
a) Перед мытьем стеклянной посуды видимые незначительные загрязнения должны быть удалены механическим способом, например, с помощью щетки или встряхивания с водой (при необходимости с использованием кусочков фильтровальной бумаги). Если растворитель оставляет резкий или неприятный запах на посуде, ее помещают в вытяжной шкаф и выдерживают, пока весь запах не исчезнет.
b) Стеклянную посуду полностью погружают в водный раствор моющего средства, не содержащего мыла (внутренние поверхности стеклянной посуды должны быть почти заполнены водным раствором моющего средства, не содержащего мыла), как минимум на четыре часа, чтобы удалить любые частицы.
c) Стеклянную посуду осторожно протирают щеткой и энергично встряхивают с раствором.
d) Стеклянную посуду ополаскивают большим количеством водопроводной воды, чтобы удалить все следы моющего средства, а затем промывают ацетоном.
e) Немерную стеклянную посуду (например, химический стакан, круглодонную/плоскодонную колбу, виалы) помещают в термокамеру, затем включают ее и нагревают стеклянную посуду до температуры от 400 °C до 500 °C в течение 4 ч или в течение ночи (запрещается загружать в термокамеру мерную посуду).
f) По истечении времени термокамеру выключают и выдерживают время до полного остывания при комнатной температуре (не допускается открывать термокамеру сразу во избежание получения ожога открытых мест на теле).
g) Стеклянную посуду извлекают из термокамеры и помещают ее на хранение в чистое, надежное и защищенное от внешних воздействий место (шкаф) с нанесением соответствующей маркировки.
h) При использовании посудомоечной машины для лабораторной посуды немерную стеклянную посуду загружают с соответствующей вставкой, а затем ее помещают в корзину. Корзину помещают в посудомоечную машину. Необходимо использовать соответствующую программу, в которой предусмотрена функция для удаления органических остатков в соответствующей посудомоечной машине, чтобы очистить стеклянную посуду. Если на поверхности стеклянной посуды все еще есть остатки или налипание сторонних предметов, повторяют способы очистки в последовательности, указанной в
перечислениях e) -
g).
K.2 Способ без использования термокамеры (стеклянная и пластиковая посуда)
a) Перед мытьем стеклянной и пластиковой посуды ее очищают от посторонних загрязнений механическим способом, например, с помощью щетки или встряхивания с водой (при необходимости с использованием кусочков фильтровальной бумаги). Если растворитель оставляет резкий или неприятный запах на посуде, ее помещают в вытяжной шкаф и выдерживают, пока весь запах не выветрится.
b) Затем лабораторную посуду полностью погружают в водный раствор моющего средства, не содержащего мыла (внутренние области стеклянной посуды должны быть почти заполнены водным раствором моющего средства, не содержащего мыла), не менее чем на 4 ч, чтобы удалить любые частицы.
c) Лабораторную посуду осторожно протирают с помощью щетки и энергично встряхивают с раствором.
d) Лабораторную посуду ополаскивают большим количеством проточной водопроводной воды, чтобы удалить все следы моющего средства, а затем промывают ацетоном.
e) Лабораторную посуду погружают в кислотную ванну (5%-ной азотной кислоты), полностью выдерживают не менее 8 ч или оставляют на ночь.
f) Лабораторную посуду протирают еще раз, как указано в
перечислении c), и промывают дистиллированной водой и ацетоном.
g) Стеклянную посуду сушат, за исключением мерной посуды (например, мерная колба, пипетка, бюретка), в сушильном шкафу до полного высыхания. (Для мерной посуды больше подходит сушка при комнатной температуре.)
h) Посуду хранят в надежном, чистом, защищенном от внешних воздействующих факторов шкафу, с плотно закрывающимися дверцами, на полках или подставках.
i) При использовании посудомоечной машины для лабораторной посуды снова загружают немерную стеклянную посуду, устанавливают соответствующую программу мойки, после этого помещают посуду в корзину. Корзину загружают в посудомоечную машину.
Используют соответствующую программу очистки для устранения органических остатков в машине при мытье посуды. Затем повторяют способы очистки в последовательности, указанной в
перечислениях b) -
e).
j) Для мерной стеклянной посуды необходимо убедиться, как установлено в
разделе K.3, что стенки посуды достаточно чистые.
K.3 Проверка чистоты внутренних поверхностей мерной стеклянной посуды
Для проверки чистоты стеклянной посуды ее ополаскивают водой и следят за каплями на поверхности при наклоне посуды. Проверку чистоты градуированной посуды со шкалой деления для определенного(ых) объема(ов) проводят медленным заполнением жидкостью ниже метки шкалы максимального объема и до уровня над меткой. Поднимающийся мениск жидкости не должен менять форму (например, он должен быть однородным по краям). Таким же образом после перелива жидкости небольшое ее количество сливают. На поверхности стекла посуды вода должна стекать, оставляя равномерную пленку, мениск не должен деформироваться по краям, а должен постепенно сливаться со стенкой посуды. Имея опыт, пользователь может распознать форму загрязненного мениска по отношению к его диаметру.
(справочное)
РЕЗУЛЬТАТЫ МЕЖДУНАРОДНЫХ МЕЖЛАБОРАТОРНЫХ
СЛИЧИТЕЛЬНЫХ ИСПЫТАНИЙ 5
Таблица L.1
Статистические данные для Py/TD-GC-MS
Метод | Образец | Параметр | m, мг/кг | v, мг/кг | n | s (r), мг/кг | R, мг/кг | s (R), мг/кг | R, мг/кг | p | Заключение лаборатории/замечания |
Py/TD-GC-MS | IIS5-A01 | DIBP | Ниже предела обнаружения | Неприменимо | 18 | Неприменимо | Неприменимо | Неприменимо | Неприменимо | 6 | 0 |
IIS5-C03 | DIBP | 387,35 | 500 | 17 | 28,8 | 80,65 | 40,97 | 114,71 | 6 | 1 |
IIS5-E05 | DIBP | Ниже предела обнаружения | Неприменимо | 18 | Неприменимо | Неприменимо | Неприменимо | Неприменимо | 6 | 0 |
IIS5-A01 | DBP | Ниже предела обнаружения | 0 | 18 | 1,3 | 3,66 | 1,92 | 5,37 | 6 | 0 |
IIS5-C03 | DBP | 414,76 | 500 | 17 | 34,2 | 95,68 | 42,48 | 118,94 | 6 | 1 |
IIS5-E05 | DBP | 2401,82 | 3000 | 17 | 272,4 | 762,72 | 356,71 | 998,79 | 6 | 1 |
IIS5-A01 | BBP | Ниже предела обнаружения | Неприменимо | 18 | Неприменимо | Неприменимо | Неприменимо | Неприменимо | 6 | 0 |
IIS5-C03 | BBP | 482,24 | 500 | 17 | 58,0 | 162,42 | 57,57 | 161,19 | 6 | 1 |
IIS5-E05 | BBP | 2727,88 | 3000 | 17 | 281,8 | 789,05 | 435,25 | 1 218,70 | 6 | 1 |
IIS5-A01 | DEHP | 640,47 | 602 | 17 | 85,1 | 238,34 | 231,07 | 647,00 | 6 | 1 |
IIS5-C03 | DEHP | 464,18 | 500 | 17 | 30,9 | 86,51 | 43,98 | 123,14 | 6 | 2 |
IIS5-E05 | DEHP | 2738,88 | 3000 | 17 | 275,0 | 770,08 | 508,33 | 1423,34 | 6 | 1 |
IIS5-A01 | DNOP | Ниже предела обнаружения | Неприменимо | 18 | Неприменимо | Неприменимо | Неприменимо | Неприменимо | 6 | 0 |
IIS5-C03 | DNOP | 498,71 | 500 | 17 | 23,7 | 66,41 | 75,93 | 212,60 | 6 | 1 |
IIS5-E05 | DNOP | 2840,82 | 3000 | 17 | 163,1 | 456,66 | 326,63 | 914,56 | 6 | 1 |
IIS5-A01 | DINP | 2438,41 | 2438 | 17 | 412,2 | 1154,28 | 424,21 | 1187,78 | 6 | 1 |
IIS5-C03 | DINP | 481,18 | 500 | 17 | 25,4 | 71,05 | 50,01 | 140,04 | 6 | 1 |
IIS5-E05 | DINP | 29 | 30 000 | 17 | 2632,5 | 7371,04 | 5625,96 | 15 752,70 | 6 | 1 |
| IIS5-A01 | DIDP | 607,47 | 32 743 | 17 | 4199,6 | 1758,82 | 4244,44 | 11 884,43 | 6 | 1 |
IIS5-C03 | DIDP | 32 | 500 | 18 | 68,7 | 192,29 | 86,54 | 242,31 | 6 | 0 |
IIS5-E05 | DIDP | 742,76 | 30 000 | 17 | 1744,0 | 4883,32 | 2637,81 | 7385,87 | 6 | 1 |
m - общее среднее значение испытуемого свойства, мг/кг; v - ожидаемое значение, мг/кг; n - количество результатов испытаний, принимаемых при расчетах; s (r) - стандартное отклонение повторяемости; r - повторяемость; s (R) - стандартное отклонение воспроизводимости; R - воспроизводимость; p - количество лабораторий, принимаемых при расчетах. |
Таблица L.2
Статистические данные для GC-MS
Метод | Образец | Параметр | m, мг/кг | v, мг/кг | n | s (r), мг/кг | r, мг/кг | s (R), мг/кг | R, мг/кг | p | Заключение лаборатории/замечания |
GC-MS | IIS5-A01 | DIBP | 0,00 | 0 | 18 | 0,0 | 0,00 | 0,00 | 0,00 | 6 | 0 |
IIS5-B02 | DIBP | 0,00 | 0 | 15 | 0,0 | 0,00 | 0,00 | 0,00 | 5 | 0 |
IIS5-F06 | DIBP | 0,00 | 0 | 15 | 0,0 | 0,00 | 0,00 | 0,00 | 5 | 0 |
IIS5-C03 | DIBP | 463,33 | 500 | 3 | | | | | 1 | Только 1 лаборатория |
IIS5-E05 | DIBP | 0,00 | 0 | 3 | | | | | 1 | Только 1 лаборатория |
IIS5-A01 | DBP | 0,00 | 0 | 17 | 0,0 | 0,00 | 0,00 | 0,00 | 6 | 1 |
IIS5-B02 | DBP | 0,00 | 0 | 14 | 0,0 | 0,00 | 0,00 | 0,00 | 5 | 1 |
IIS5-F06 | DBP | 508,50 | 478 | 13 | 44,8 | 125,56 | 90,69 | 253,94 | 5 | 2 |
IIS5-C03 | DBP | 470,00 | 500 | 3 | | | | | 1 | Только 1 лаборатория |
IIS5-E05 | DBP | 1891,33 | 3000 | 3 | | | | | 1 | Только 1 лаборатория |
IIS5-A01 | BBP | 0,00 | 0 | 17 | 0,0 | 0,00 | 0,00 | 0,00 | 6 | 1 |
IIS5-B02 | BBP | 0,00 | 0 | 14 | 0,0 | 0,00 | 0,00 | 0,00 | 5 | 1 |
IIS5-F06 | BBP | 473,50 | 475 | 13 | 21,1 | 59,08 | 64,49 | 180,58 | 5 | 2 |
IIS5-C03 | BBP | 451,67 | 500 | 3 | | | | | 1 | Только 1 лаборатория |
IIS5-E05 | BBP | 1699,00 | 3000 | 3 | | | | | 1 | Только 1 лаборатория |
IIS5-A01 | DEHP | 439,00 | 439 | 18 | 48,8 | 136,74 | 174,92 | 489,77 | 6 | 1 |
IIS5-B02 | DEHP | 558,87 | 559 | 15 | 44,3 | 123,94 | 225,99 | 632,77 | 5 | 1 |
IIS5-F06 | DEHP | 460,50 | 503 | 13 | 64,0 | 179,25 | 71,65 | 200,61 | 5 | 2 |
| IIS5-C03 | DEHP | 507,33 | 500 | 3 | | | | | 1 | Только 1 лаборатория |
IIS5-E05 | DEHP | 1765,67 | 3000 | 3 | | | | | 1 | Только 1 лаборатория |
IIS5-A01 | DNOP | 0,00 | 0 | 17 | 0,0 | 0,00 | 0,00 | 0,00 | 6 | 1 |
IIS5-B02 | DNOP | 0,00 | 0 | 14 | 0,0 | 0,00 | 0,00 | 0,00 | 5 | 1 |
IIS5-F06 | DNOP | 480,93 | 484 | 13 | 25,5 | 71,37 | 63,09 | 176,65 | 5 | 2 |
IIS5-C03 | DNOP | 504,00 | 500 | 3 | | | | | 1 | Только 1 лаборатория |
IIS5-E05 | DNOP | 1842,00 | 3000 | 3 | | | | | 1 | Только 1 лаборатория |
IIS5-A01 | DINP | 2827,71 | 2828 | 14 | 787,2 | 2204,15 | 1315,11 | 3682,31 | 5 | 4 |
IIS5-B02 | DINP | 1450,80 | 0 | 15 | 1304,7 | 3653,16 | 1739,50 | 4870,59 | 5 | Без дальнейшей оценки |
IIS5-F06 | DINP | 0,00 | 0 | 10 | 0,0 | 0,00 | 0,00 | 0,00 | 4 | 5 |
IIS5-C03 | DINP | 500,00 | 500 | 3 | | | | | 1 | Только 1 лаборатория |
IIS5-E05 | DINP | 16 259,67 | 30 000 | 3 | | | | | 1 | Только 1 лаборатория |
IIS5-A01 | DIDP | 23 414,59 | 24 326 | 16 | 6095,3 | 17 066,87 | 6871,27 | 19 239,57 | 6 | 2 |
IIS5-B02 | DIDP | 6658,00 | 6709 | 13 | 572,7 | 1603,58 | 1566,97 | 4387,52 | 5 | 2 |
IIS5-F06 | DIDP | 0,00 | 0 | 3 | 0,0 | 0,00 | 0,00 | 0,00 | 1 | 12 |
IIS5-C03 | DIDP | 507,00 | 500 | 3 | | | | | 1 | Только 1 лаборатория |
IIS5-E05 | DIDP | 15 591,33 | 30 000 | 3 | | | | | 1 | Только 1 лаборатория |
m - общее среднее значение испытуемого свойства, мг/кг; v - ожидаемое значение, мг/кг; n - количество результатов испытаний, принимаемых при расчетах; s (r) - стандартное отклонение повторяемости; r - повторяемость; s (R) - стандартное отклонение воспроизводимости; R - воспроизводимость; p - количество лабораторий, принимаемых при расчетах. |
Таблица L.3
Статистические данные для IAMS
Метод | Образец | Параметр | m, мг/кг | v, мг/кг | n | s (r), мг/кг | r, мг/кг | s (R), мг/кг | R, мг/кг | p | Заключение лаборатории/замечания |
IAMS | IIS5-B02 | DIBP/DBP | 0,00 | 0 | 6 | 0,0 | 0,00 | 0,00 | 0,00 | 2 | |
IIS5-D04 | DIBP/DBP | 1013,33 | 972 | 6 | 83,0 | 232,46 | 182,74 | 511,68 | 2 | |
IIS5-F06 | DIBP/DBP | 525,33 | 478 | 6 | 11,9 | 33,35 | 74,18 | 207,70 | 2 | |
IIS5-B02 | BBP | 0,00 | 0 | 6 | 0,0 | 0,00 | 0,00 | 0,00 | 2 | |
IIS5-D04 | BBP | 926,33 | 962 | 6 | 65,5 | 183,35 | 80,97 | 226,72 | 2 | |
IIS5-F06 | BBP | 468,00 | 475 | 6 | 20,5 | 57,30 | 23,15 | 64,83 | 2 | |
IIS5-B02 | DEHP/DNOP | 777,67 | | 6 | 49,4 | 138,23 | 394,74 | 1105,2 | 2 | |
IIS5-D04 | DEHP/DNOP | 1825,20 | 1956 | 5 | 41,4 | 116,03 | 208,89 | 584,88 | 2 | 1 |
IIS5-F06 | DEHP/DNOP | 936,17 | 987 | 6 | 58,8 | 164,51 | 60,59 | 169,64 | 2 | |
IIS5-B02 | DINP | 452,67 | | 6 | 36,6 | 102,43 | 89,07 | 249,39 | 2 | |
IIS5-D04 | DINP | 0,00 | 0 | 6 | 0,0 | 0,00 | 0,00 | 0,00 | 2 | |
IIS5-F06 | DINP | 0,00 | 0 | 6 | 0,0 | 0,00 | 0,00 | 0,00 | 2 | |
IIS5-B02 | DIDP | 2793,33 | | 6 | 208,4 | 583,62 | 422,36 | 1182,6 | 2 | |
IIS5-D04 | DIDP | 866,83 | | 6 | 121,9 | 341,42 | 122,25 | 342,31 | 2 | DIDP не ожидается |
IIS5-F06 | DIDP | 464,83 | | 6 | 80,3 | 224,70 | 91,51 | 256,22 | 2 | DIDP не ожидается |
m - общее среднее значение испытуемого свойства, мг/кг; v - ожидаемое значение, мг/кг; n - количество результатов испытаний, принимаемых при расчетах; s (r) - стандартное отклонение повторяемости; r - повторяемость; s (R) - стандартное отклонение воспроизводимости; R - воспроизводимость; p - количество лабораторий, принимаемых при расчетах. |
Таблица L.4
Статистические данные для LC-MS
Метод | Образец | Параметр | m, мг/кг | v, мг/кг | n | s (r), мг/кг | r, мг/кг | s (R), мг/кг | R, мг/кг | p | Заключение лаборатории/замечания |
LC-MS | IIS5-A01 | DIBP/BBP | 0,00 | 0 | 3 | | | | | 1 | Только 1 лаборатория |
IIS5-C03 | DIBP/BBP | 815,00 | 1000 | 3 | | | | | 1 | Только 1 лаборатория |
IIS5-E05 | DIBP/BBP | 2113,00 | 3000 | 3 | | | | | 1 | Только 1 лаборатория |
IIS5-A01 | DBP | 0,00 | 0 | 3 | | | | | 1 | Только 1 лаборатория |
IIS5-C03 | DBP | 409,67 | 500 | 3 | | | | | 1 | Только 1 лаборатория |
IIS5-E05 | DBP | 2153,00 | 3000 | 3 | | | | | 1 | Только 1 лаборатория |
IIS5-A01 | DEHP | 425,33 | 0 | 3 | | | | | 1 | Только 1 лаборатория |
IIS5-C03 | DEHP | 413,67 | 500 | 3 | | | | | 1 | Только 1 лаборатория |
IIS5-E05 | DEHP | 2126,00 | 3000 | 3 | | | | | 1 | Только 1 лаборатория |
IIS5-A01 | DNOP | 0,00 | 0 | 3 | | | | | 1 | Только 1 лаборатория |
IIS5-C03 | DNOP | 377,67 | 500 | 3 | | | | | 1 | Только 1 лаборатория |
IIS5-E05 | DNOP | 2146,67 | 3000 | 3 | | | | | 1 | Только 1 лаборатория |
IIS5-A01 | DINP | 540,67 | 0 | 3 | | | | | 1 | Только 1 лаборатория |
IIS5-C03 | DINP | 378,33 | 500 | 3 | | | | | 1 | Только 1 лаборатория |
| IIS5-E05 | DINP | 25 522,67 | 30 000 | 3 | | | | | 1 | Только 1 лаборатория |
IIS5-A01 | DIDP | 13 783,00 | 0 | 3 | | | | | 1 | Только 1 лаборатория |
IIS5-C03 | DIDP | 394,00 | 500 | 3 | | | | | 1 | Только 1 лаборатория |
IIS5-E05 | DIDP | 25 885,33 | 30 000 | 3 | | | | | 1 | Только 1 лаборатория |
m - общее среднее значение испытуемого свойства, мг/кг; v - ожидаемое значение, мг/кг; n - количество результатов испытаний, принимаемых при расчетах; s (r) - стандартное отклонение повторяемости; r - повторяемость; s (R) - стандартное отклонение воспроизводимости; R - воспроизводимость; p - количество лабораторий, принимаемых при расчетах. |
(справочное)
ПОРЯДОК ВЫПОЛНЕНИЯ АНАЛИЗА ОБРАЗЦОВ
M.1 GC-MS
Порядок выполнения исследования методом GC-MS приведен в
таблице M.1.
Таблица M.1
Последовательность проведения анализа образцов методом GC-MS
N п/п | Образец | Цель | Комментарии |
1 | Калибровочный стандарт 1 | Для калибровочной кривой | Коэффициент корреляции калибровочной кривой, R >= 0,995 (R2 >= 0,990) |
2 | Калибровочный стандарт 2 |
3 | Калибровочный стандарт 3 |
4 | Калибровочный стандарт 4 |
5 | Контроль качества (QC) | Проверка воспроизводимости | Допустимое значение менее +/- 20% от заявленного значения |
6 | Чистый образец | Проверка переноса и наличия любых загрязнений | Минимальное количество образцов - 1 на каждые 20 образцов. Допустимое значение меньше, чем при анализе предела обнаружения метода (<= MDL) |
7 | Чистый внутренний стандарт/матричный внутренний стандарт | Проверка степени извлечения | Анализируется минимум 1 на каждые 20 образцов. Допустимое значение степени извлечения менее +/- 30% |
8 | Образец 1 | Определение концентрации образца | - |
9 | Образец 2 |
10 | то |
11 | Образец 20 |
12 | Верификация непрерывной калибровки (CCV) | Проверка воспроизводимости | Допустимое значение менее +/- 20% от заявленного значения |
| | ИС МЕГАНОРМ: примечание. В официальном тексте документа, видимо, допущена опечатка: имеется в виду таблица M.2, а не M.1. | |
Последовательность выполнения исследования методом Py/TD-GC-MS приведена в
таблице M.1.
Таблица M.2
Последовательность проведения анализа образцов
методом Py/TD-GC-MS
N п/п | Образец | Цель | Комментарии |
1 | Чистый образец | Проверка переноса и наличия любых загрязнений | |
2 | 100 мг/кг эталонного материала | Проверка чувствительности | |
3 | 1000 мг/кг эталонного материала | Калибровка | |
4 | Анализ образца 1 в реальном времени | | |
5 | Анализ образца 2 в реальном времени | | |
- | | | |
N | Анализ образца N в реальном времени | | |
(справочное)
На
рисунке N.1 приведен пример блок-схемы для применения методов испытаний Py/TD-GC-MS и GC-MS для скрининга DIBP, DBP, BBP, DEHP, DNOP, DINP и DIDP, когда порог приемлемости для каждого установлен на уровне 1000 мг/кг.
Рисунок N.1 - Пример блок-схемы с этапами скрининга
и количественного определения
(справочное)
СВЕДЕНИЯ О СООТВЕТСТВИИ ССЫЛОЧНОГО МЕЖДУНАРОДНОГО СТАНДАРТА
МЕЖГОСУДАРСТВЕННОМУ СТАНДАРТУ
Таблица ДА.1
Обозначение ссылочного международного стандарта | Степень соответствия | Обозначение и наименование соответствующего межгосударственного стандарта |
IEC 62321-1:2013 | IDT | ГОСТ IEC 62321-1-2016 "Определение регламентированных веществ в электротехнических изделиях. Часть 1. Введение и обзор" |
Примечание - В настоящей таблице использовано следующее условное обозначение степени соответствия стандарта: - IDT - идентичный стандарт. |
| KS M 1991-2011 | Determination of phthalates contents in polymer materials |
[2] | EN 14372 | Child use and care articles - Cutlery and feeding utensils - Safety requirements and tests, August 2004 (Предметы ухода за детьми раннего возраста. Столовые приборы и посуда для кормления. Требования безопасности и испытания) |
[3] | ASTM D 7083-04 | Standard Practice for Determination of Monomeric Plasticizers in Poly (Vinyl Chloride) (PVC) by Gas Chromatography, 2004 |
[4] | ASTM D 2124-99 (Reapproved 2004) | Standard Test Method for Analysis of Component in Poly(Vinyl Chloride) Compounds Using an Infrared Spectrophotometric Technique |
[5] | Canadian Test Method C-34, Determination of phthalates in polyvinyl chloride consumer products, December 2006 |
[6] | CPSC-CH-C1001-09.1 | Standard Operating Procedure for Determination of Phthalates, March 3, 2009 |
[7] | EN 14372 | Child use and care articles - Cutlery and feeding utensils - Safety requirements and tests, August 2004 (Предметы ухода за детьми раннего возраста. Столовые приборы и посуда для кормления. Требования безопасности и испытания) |
| Japanese test method: MHLW 0906-4, test method for determination of 6 phthalic acid esters in plasticized materials of toys, 2010. |
[9] | Song M.H., Cho, Cho Y.D., Choe E.K. and Myoung Y.C. Study on verification of various national standards regarding phthalate testing in industrial products, Anal. Sci. Technol., 2012, 25(3), 178 - 189 |
[10] | ISO/IEC Guide 98-3 | Uncertainty of measurement - ISO Guide to the expression of uncertainty in measurement (GUM:1995) (Неопределенность измерения. Часть 3. Руководство по выражению неопределенности измерения (GUM:1995)) |
[11] | ISO 3696 | Water for analytical laboratory use - Specification and test methods (Вода для лабораторного анализа. Технические требования и методы испытаний) |
[12] | ISO/IEC 17025 | General requirements for the competence of testing and calibration laboratories (Общие требования к компетентности испытательных и калибровочных лабораторий) |
[13] | Maruyama F., Fujimaki S., Sakamoto Y., Kudo Y., Miyagawa H. Screening of phthalates in polymer materials by pyrolysis GC/MS, Anal. Sci., 2015, 31, 3 |
[14] | IEC 62321-2:2013 | Determination of certain substances in electrotechnical products - Part 2: Disassembly, disjointment and mechanical sample preparation (Определение некоторых веществ в электротехнических изделиях. Часть 2. Разборка, отсоединение и механическая подготовка образца |
[15] | IEC 62321-6:2015 | Determination of certain substances in electrotechnical products - Part 6: Polybrominated biphenyls and polybrominated diphenyl ethers in polymers by gas chromatography-mass spectrometry (GC-MS) (Определение некоторых веществ в электротехнических изделиях. Часть 6. Определение полиброминированных бифенилов и полиброминированных дифениловых эфиров в полимерах методом газовой хроматографии - масс-спектрометрии (GC-MS)) |
УДК 621.3:543.632 | | IDT |
Ключевые слова: электротехнические изделия, регламентированные вещества, фталаты, газовая хроматография - масс-спектрометрия, пиролитическая газовая хроматография - масс-спектрометрия с термодесорбцией |