Главная // Актуальные документы // ГОСТ Р (Государственный стандарт)СПРАВКА
Источник публикации
М.: ИПК Издательство стандартов, 2000
Примечание к документу
Документ утратил силу с 1 января 2014 года в связи с изданием
Приказа Росстандарта от 15.11.2012 N 834-ст. Взамен введен в действие
ГОСТ 30849.1-2002.
Документ включен в
Перечень документов в области стандартизации, в результате применения которых на добровольной основе обеспечивается соблюдение требований Федерального
закона от 27.12.2009 N 347-ФЗ "Технический регламент о безопасности низковольтного оборудования (
Приказ Росстандарта от 14.09.2010 N 3546).
Документ включен в
Перечень национальных стандартов, содержащих правила и методы исследований (испытаний) и измерений, в том числе правила отбора образцов, необходимых для применения и исполнения Федерального
закона от 27.12.2009 N 347-ФЗ и осуществления оценки соответствия (
Распоряжение Правительства РФ от 29.07.2010 N 1284-р).
С 1 июля 2003 года до вступления в силу технических регламентов акты федеральных органов исполнительной власти в сфере технического регулирования носят рекомендательный характер и подлежат обязательному исполнению только в части, соответствующей целям, указанным в
пункте 1 статьи 46 Федерального закона от 27.12.2002 N 184-ФЗ.
Документ
введен в действие с 1 января 2001 года.
Название документа
"ГОСТ Р 51323.1-99 (МЭК 60309-1-99). Государственный стандарт Российской Федерации. Вилки, штепсельные розетки и соединительные устройства промышленного назначения. Часть 1. Общие требования"
(принят и введен в действие Постановлением Госстандарта России от 16.12.1999 N 517-ст)
"ГОСТ Р 51323.1-99 (МЭК 60309-1-99). Государственный стандарт Российской Федерации. Вилки, штепсельные розетки и соединительные устройства промышленного назначения. Часть 1. Общие требования"
(принят и введен в действие Постановлением Госстандарта России от 16.12.1999 N 517-ст)
Принят и введен в действие
Постановлением Госстандарта России
от 16 декабря 1999 г. N 517-ст
ГОСУДАРСТВЕННЫЙ СТАНДАРТ РОССИЙСКОЙ ФЕДЕРАЦИИ
ВИЛКИ, ШТЕПСЕЛЬНЫЕ РОЗЕТКИ И СОЕДИНИТЕЛЬНЫЕ УСТРОЙСТВА
ПРОМЫШЛЕННОГО НАЗНАЧЕНИЯ
ЧАСТЬ 1
ОБЩИЕ ТРЕБОВАНИЯ
Plugs, socket-outlets and couplers for industrial purposes.
Part 1. General requirements
ГОСТ Р 51323.1-99
(МЭК 60309-1-99)
Дата введения
1 января 2001 года
1. Разработан Акционерным обществом открытого типа "НИИЭлектроаппарат".
Внесен Техническим комитетом по стандартизации ТК 330 "Электроустановочные изделия".
2. Принят и введен в действие Постановлением Госстандарта России от 16 декабря 1999 г. N 517-ст.
3. Настоящий стандарт, за исключением
раздела 2 и
Приложения Б, представляет полный аутентичный текст международного стандарта МЭК 60309-1(1999-02), издание 4.0, "Вилки, штепсельные розетки и соединительные устройства промышленного назначения. Часть 1. Общие требования" с дополнительными требованиями, учитывающими потребности экономики страны и требования действующих государственных стандартов.
4. Введен впервые.
Настоящий стандарт полностью соответствует международному стандарту МЭК 60309-1-99, издание 4, и разработан для применения на территории Российской Федерации взамен действующего межгосударственного стандарта ГОСТ 29146.1-90 (МЭК 309-1-88).
Настоящий стандарт отличается от ГОСТ 29146-1-90, в основном, введением требований по устойчивости и воздействию токов короткого замыкания
(раздел 29) и электромагнитной совместимости
(раздел 30).
В
Приложении Б приведены дополнительные требования к соединителям, учитывающие требования действующих государственных стандартов.
Настоящий стандарт распространяется на вилки, штепсельные розетки, кабельные соединители и соединительные устройства на номинальное рабочее напряжение не более 690 В постоянного и переменного тока частотой до 500 Гц, номинальный ток не более 250 А, промышленного применения для эксплуатации внутри помещений и снаружи.
Перечень предпочтительных номинальных параметров (см.
раздел 5) не исключает применения других номинальных параметров, требования к которым - в стадии рассмотрения.
Настоящий стандарт распространяется на вилки и штепсельные розетки, кабельные соединители и соединительные устройства (далее - соединители) и их составные части, используемые при температуре окружающей среды от минус 25 до плюс 40 °C. Соединители и их составные части предназначены только для присоединения к ним медных или из медных сплавов кабелей.
Допускается применение настоящего стандарта для соединителей, используемых в строительстве, сельском хозяйстве, торговле и быту.
К области применения настоящего стандарта относятся штепсельные розетки или вводные устройства, входящие в состав электрооборудования или монтируемые на нем.
Стандарт распространяется также на соединители и их составные части, предназначенные для применения в установках низкого напряжения.
Стандарт не распространяется на соединители и их составные части бытового и аналогичного назначения.
В особых условиях, например на судах или во взрывоопасных средах, могут понадобиться дополнительные требования.
Требования настоящего стандарта являются обязательными.
В настоящем стандарте использованы ссылки на следующие стандарты:
ГОСТ 12.2.007.0-75. Система стандартов безопасности труда. Изделия электротехнические. Общие требования безопасности
ГОСТ 7396.1-89 (МЭК 83-75). Соединители штепсельные бытового и аналогичного назначения. Основные размеры
ГОСТ 14254-96 (МЭК 529-89). Степени защиты, обеспечиваемые оболочками (Код IP)
ГОСТ 15150-69. Машины, приборы и другие технические изделия. Исполнения для различных климатических районов. Категории, условия эксплуатации, хранения и транспортирования в части воздействия климатических факторов внешней среды
ГОСТ 15543.1-89. Изделия электротехнические. Общие требования в части стойкости к климатическим внешним воздействующим факторам
ГОСТ 16504-81. Система государственных испытаний продукции. Испытания и контроль качества продукции. Основные термины и определения
ГОСТ 16962.1-89 (МЭК 68-2-1-74). Изделия электротехнические. Методы испытаний и устойчивость к климатическим внешним воздействующим факторам
ГОСТ 16962.2-90. Изделия электротехнические. Методы испытаний на стойкость к механическим внешним воздействующим факторам
ГОСТ 17516.1-90. Изделия электротехнические. Общие требования в части стойкости к механическим внешним воздействующим факторам
ГОСТ 23216-78. Изделия электротехнические. Общие требования к хранению, транспортированию, временной противокоррозионной защите и упаковке
ГОСТ 27473-87 (МЭК 112-79). Материалы электроизоляционные твердые. Метод определения сравнительного и контрольного индексов трекингостойкости во влажной среде
ГОСТ 27483-87 (МЭК 695-2-1-80). Испытания на пожароопасность. Методы испытаний. Испытания нагретой проволокой
| | ИС МЕГАНОРМ: примечание. ГОСТ 28190-89 утратил силу на территории Российской Федерации с 1 января 2001 года в связи с введением в действие ГОСТ Р 51325.1-99 (Постановление Госстандарта России от 29.12.1999 N 803-ст). | |
ГОСТ 28190-89 (МЭК 320-81). Соединители бытового и аналогичного назначения. Технические требования и методы испытаний
ГОСТ 30011.3-93 (МЭК 947-3-90). Низковольтная аппаратура распределения и управления. Часть 3. Выключатели, разъединители и комбинации с предохранителями
| | ИС МЕГАНОРМ: примечание. Взамен ГОСТ Р МЭК 227-5-94 Постановлением Госстандарта России от 21.01.2002 N 21-ст с 1 июля 2002 года введен в действие ГОСТ Р МЭК 60227-5-2002. Взамен ГОСТ Р МЭК 60227-5-2002 Приказом Ростехрегулирования от 26.06.2009 N 221-ст с 1 января 2010 года введен в действие ГОСТ Р МЭК 60227-5-2009. | |
ГОСТ Р МЭК 227-5-94. Кабели с поливинилхлоридной изоляцией на номинальное напряжение до 450/750 В включительно. Гибкие кабели (шнуры)
| | ИС МЕГАНОРМ: примечание. Взамен ГОСТ Р МЭК 245-4-97 Постановлением Госстандарта России от 24.01.2002 N 36-ст с 1 июля 2002 года введен в действие ГОСТ Р МЭК 60245-4-2002. С 1 января 2009 года ГОСТ Р МЭК 60245-4-2002 утратил силу в связи с введением в действие ГОСТ Р МЭК 60245-4-2008 (Приказ Ростехрегулирования от 08.04.2008 N 76-ст). | |
ГОСТ Р МЭК 245-4-97. Кабели с резиновой изоляцией на номинальное напряжение до 415/750 В включительно. Шнуры и гибкие кабели
ГОСТ Р МЭК 245-7-97. Кабели с резиновой изоляцией на номинальное напряжение до 450/750 В включительно. Шнуры и гибкие кабели
| | ИС МЕГАНОРМ: примечание. Взамен ГОСТ Р 50339.0-92 Постановлением Госстандарта России от 26.12.2003 N 387-ст с 1 января 2005 года введен в действие ГОСТ Р 50339.0-2003. | |
ГОСТ Р 50339.0-92 (МЭК 269-1-86). Низковольтные плавкие предохранители. Общие требования
ГОСТ Р 50339.1-92 (МЭК 269-2-86). Низковольтные плавкие предохранители. Часть 2. Дополнительные требования к плавким предохранителям промышленного назначения.
В настоящем стандарте применяют следующие определения.
Применение соединителей и их составных частей показано на
рисунке 1.
3.1. Штепсельный соединитель: устройство, с помощью которого может осуществляться электрическое подсоединение гибкого кабеля к стационарной проводке. Оно состоит из штепсельной розетки и вилки.
3.1.1. Штепсельная розетка: часть соединителя, предназначенная для установки со стационарной проводкой или входящая в состав оборудования.
Штепсельная розетка также может быть включена в выходную цепь разделительного трансформатора.
3.1.2. Вилка: часть соединителя, которая выполняется как одно целое или непосредственно прикрепляется к гибкому кабелю, подсоединяемому к аппарату или переносной розетке.
3.2. Кабельный соединитель: устройство, обеспечивающее соединение двух гибких кабелей. Состоит из розетки и вилки.
3.2.1. Кабельная (переносная) розетка: часть соединителя, которая выполняется как одно целое с кабелем или прикрепляется к гибкому кабелю для подсоединения его к источнику питания.
Примечание. Обычно кабельная розетка имеет такое же контактное устройство, что и стационарная розетка.
3.2.2. Вилка (кабельная вилка): часть соединителя, которая выполняется как одно целое и прикрепляется к гибкому кабелю, подсоединяемому к электроприбору или переносной розетке.
Примечание. Вилка кабельного соединителя аналогична вилке штепсельного соединителя.
3.3. Вводной соединитель: устройство, с помощью которого можно осуществить подсоединение гибкого кабеля к электроприбору. Состоит из розетки и вводного устройства.
3.3.1. Переносная (кабельная) розетка: часть соединителя, которая выполняется как одно целое с кабелем или прикрепляется к гибкому кабелю для подсоединения его к источнику питания.
Примечание. Обычно кабельная розетка вводного соединителя аналогична переносной розетке кабельного соединителя.
3.3.2. Вводное устройство: часть вводного соединителя, встроенная в электроприбор или установленная на электроприборе, или предназначенная для установки на электроприборе.
Примечание. Обычно вводное устройство имеет такое же контактное устройство, как и кабельная вилка.
3.4. Разборная вилка или разборная переносная розетка: часть соединителя, конструкция которой позволяет замену гибкого кабеля.
3.5. Неразборная вилка или неразборная переносная розетка: часть соединителя, конструкция которой не допускает отсоединение от нее гибкого кабеля без его повреждения.
3.6. Механическое коммутационное устройство: коммутационное устройство, предназначенное для замыкания и размыкания одной или нескольких электрических цепей с помощью сочленения-расчленения.
3.7. Отключаемая штепсельная розетка: розетка, объединенная с коммутационным аппаратом для отсоединения питания от контактов штепсельной розетки.
3.8. Встроенное коммутационное устройство: механическое коммутационное устройство, являющееся частью соединителя, на которое распространяется действие настоящего стандарта.
3.9. Блокировка: электрическое или механическое устройство, предохраняющее контакты вилки от попадания под напряжение при введении ее в штепсельную или переносную розетку и препятствующее выведению вилки, пока ее контакты находятся под напряжением, или обесточивающее контакты перед выведением.
3.10. Фиксирующее устройство: механическое приспособление, удерживающее вилку или переносную розетку в положении сочленения и предотвращающее ее случайное выпадание.
3.11. Номинальный ток: ток, определяемый изготовителем для данного соединителя.
3.12. Напряжение по изоляции: напряжение, определяемое изготовителем для данного соединителя и его составных частей, с которыми соотносятся испытания на электрическую прочность изоляции, воздушные зазоры и расстояния утечки.
3.13. Номинальное рабочее напряжение: номинальное напряжение источника питания, на которое рассчитан данный соединитель и его составные части.
3.14. Основная изоляция: изоляция, необходимая для нормальной работы соединителя и его составных частей и основной защиты от поражения электрическим током.
3.15. Дополнительная изоляция (защитная изоляция): независимая изоляция, предусмотренная дополнительно к основной изоляции для обеспечения защиты от поражения электрическим током в случае повреждения основной изоляции.
3.16. Двойная изоляция: изоляция, сочетающая в себе функцию основной и дополнительной изоляции.
3.17. Усиленная изоляция: усовершенствованная основная изоляция, обладающая такими механическими и электрическими свойствами, которые обеспечивают такую же степень защиты от поражения электрическим током, что и двойная изоляция.
3.18. Контактный зажим: токоведущая часть, предусмотренная для подсоединения проводников к соединителю и его составным частям.
3.18.1. Столбчатый зажим: зажим, в котором проводник вставляется в полость или отверстие, где он прижимается торцом винта или винтов. Зажимное давление может осуществляться непосредственно самим винтом или через промежуточный зажимной элемент, к которому прикладывается давление винта (
рисунок 14, а).
3.18.2. Винтовой зажим: зажим, в котором проводник прижимается головкой винта. Усилие прижима может осуществляться непосредственно головкой винта или промежуточным элементом.
3.18.3. Штыревой зажим: зажим, в котором проводник прижимается гайкой. Усилие прижима может обеспечиваться непосредственно гайкой соответствующей формы или промежуточным элементом, например шайбой, прижимной пластиной или антиразжимным приспособлением (
рисунок 14, г).
3.18.4. Пластинчатый зажим: зажим, в котором проводник зажимается под скобой с помощью двух или более винтов или гаек (
рисунок 14, д).
3.18.5. Зажим для шин и кабелей: зажим под винт или болт, предназначенный для прижима кабельного наконечника или шины с помощью винта или гайки (
рисунок 14, е).
3.18.6. Закрытый резьбовой зажим с прижимом гайкой: зажим, в котором проводник прижимается гайкой к основанию паза в резьбовой части болта. Проводник зажимается у основания паза шайбой соответствующей формы под гайку или центральным штифтом, если гайка колпачковая, или равноценно эффективным приспособлением для передачи давления от гайки к проводнику внутри паза (
рисунок 14, ж).
3.19. Зажимной узел: часть вывода для механического прижима и электрического подсоединения провода.
3.20. Условный ток короткого замыкания: ожидаемый ток, который соединитель, защищенный установленным устройством защиты от короткого замыкания, способен удовлетворительно выдерживать в течение всего времени срабатывания этого устройства в заданных условиях эксплуатации.
Примечание. Это определение отличается от приведенного в МЭК 60050
[1] расширением понятия токоограничивающего аппарата для устройства защиты от короткого замыкания, функция которого не сводится только к токоограничению.
3.21. Крышка: часть, отделяемая или прикрепленная, которая может служить для обеспечения степени защиты вилки или вводного устройства, пока они не сочленились со штепсельной или переносной розеткой.
3.22. Оболочка: приспособление, гарантирующее степень защиты штепсельной или переносной розетки.
4.1. Общие требования
Конструкция соединителей и их составных частей должна быть рассчитана на надежную и безопасную работу для потребителя и окружающих при условии их нормальной эксплуатации.
При отсутствии других указаний средой нормальной эксплуатации, отвечающей требованиям, предъявляемым настоящим стандартом, является степень загрязнения 3 согласно МЭК 60664-1
[2].
Воздушные зазоры и расстояния утечки для других степеней загрязнения выбирают согласно МЭК 60664-1. Значение сравнительного индекса трекингостойкости (СИТ) должно соответствовать
ГОСТ 27473.
Обычно соответствие проверяют проведением всех предусмотренных испытаний.
4.2. Общие указания к испытаниям
4.2.1. Испытания на соответствие настоящему стандарту являются типовыми. Если часть соединителя предварительно прошла испытания данной степени жесткости, соответствующие типовые испытания не повторяют, если степень жесткости испытаний не повышается.
4.2.2. При отсутствии других указаний образцы испытывают как при поставке и в нормальных условиях эксплуатации, при температуре окружающей среды (20 +/- 5) °C и номинальной частоте.
4.2.3. При отсутствии других указаний испытания проводят в порядке разделов настоящего стандарта.
4.2.4. Все испытания проводят на трех образцах, за исключением, при необходимости, испытания по
разделу 29, которое проводят на одном новом дополнительном образце. Однако, если испытания по
разделам 20 -
22 должны выполняться для постоянного и переменного тока, испытание для переменного тока проводят на трех дополнительных образцах.
4.2.5. Считают, что соединители и их составные части удовлетворяют настоящему стандарту, если ни один из образцов не повреждается при проведении полной серии соответствующих испытаний. Если при испытании повреждается один образец, то это испытание и все предшествующие ему, которые могли бы оказать влияние на результат испытания, повторяют на другом комплекте из трех образцов.
Примечание. Как правило, необходимо повторить только то испытание, которое вызвало повреждение, кроме испытаний по
разделам 21 и
22; в этом случае испытания повторяют, начиная с
раздела 20.
Потребитель может подвергнуть испытанию одновременно с первым набором образцов дополнительный набор, который может понадобиться, если один образец получит повреждение. Таким образом, испытательная станция без дополнительного запроса должна испытывать дополнительные образцы, и только в том случае, если происходит дальнейшее повреждение, производят отбраковку. Если одновременному испытанию не подвергают дополнительный комплект образцов, тогда повреждение одного образца должно повлечь отбраковку.
| | ИС МЕГАНОРМ: примечание. Взамен ГОСТ Р МЭК 227-5-94 Постановлением Госстандарта России от 21.01.2002 N 21-ст с 1 июля 2002 года введен в действие ГОСТ Р МЭК 60227-5-2002. Взамен ГОСТ Р МЭК 60227-5-2002 Приказом Ростехрегулирования от 26.06.2009 N 221-ст с 1 января 2010 года введен в действие ГОСТ Р МЭК 60227-5-2009. | |
4.2.6. Когда испытания проводят с проводниками, последние должны быть медными и соответствовать МЭК 60228
[3] (раздел 2, одножильные (класс 1), многожильные (класс 2), гибкие (класс 5), ГОСТ Р МЭК 227-5 и Р МЭК 245-4, поскольку к соединителям согласно настоящему стандарту должны подсоединяться кабели с исключительно медными или из медных сплавов проводниками.
5. Стандартные номинальные значения
Значения напряжения и тока относятся к постоянному и переменному току и выражаются в их действующих значениях.
5.1. Предпочтительные диапазоны значений номинального рабочего напряжения и номинального напряжения: от 20 до 25 В; от 40 до 50 В; от 100 до 130 В; от 200 до 250 В; 277 В; от 380 до 415 В; от 440 до 460 В; от 480 до 500 В; от 600 до 690 В.
5.2. Предпочтительные значения номинальных токов приведены в таблице 1:
Таблица 1
Значения номинальных токов
В амперах
┌───────────────────────────────┬────────────────────────────────┐
│ Серия I │ Серия II │
├───────────────────────────────┼────────────────────────────────┤
│ 16 │ 20 │
│ 32 │ 30 │
│ 63 │ 60 │
│ 125 │ 100 │
│ 250 │ 200 │
└───────────────────────────────┴────────────────────────────────┘
6.1. Соединители и их составные части классифицируются:
6.1.1. по назначению на:
- штепсельные розетки,
- переносные розетки,
- вводные устройства;
6.1.2. по степени защиты:
- либо по степени защиты от влаги - на брызгозащищенные и водонепроницаемые.
В новых разработках согласно
ГОСТ 14254 минимальная используемая степень защиты должна быть IP23;
6.1.3. по наличию заземления:
- без заземляющего контакта,
- с заземляющим контактом;
6.1.4. по способу крепления кабеля:
- разборные вилки и переносные розетки,
- неразборные вилки и переносные розетки;
6.1.5. по наличию блокировки:
- без блокировки,
- с механической блокировкой,
- с электрической блокировкой.
7.1. Маркировка соединителей и их составных частей должна содержать:
- номинальный ток (токи) в амперах;
- номинальное рабочее напряжение (напряжения) или диапазон (диапазоны) в вольтах;
- обозначение рода тока, если соединитель не рассчитан на переменный и постоянный ток или рассчитан на переменный ток частотой, иной чем 50 или 60 Гц, или если номинальные значения постоянного и переменного тока различны;
- номинальную частоту, если она превышает 60 Гц;
- наименование или товарный знак изготовителя или наименование поставщика;
- обозначение типа (им может быть номер каталога);
- обозначение степени защиты (если она имеется);
- условное обозначение положения заземляющего контакта или устройства, служащего для взаимозаменяемости, если имеется.
Примечание. Дополнительно может маркироваться напряжение по изоляции.
Соответствие проверяют осмотром.
7.2. Должны применяться следующие обозначения:
А ............. амперы
В ............. вольты
Гц ............. герцы
~ ........... переменный ток

.......... постоянный ток

(предпочтительно) или

............. заземление
брызгозащищенная конструкция.........

водонепроницаемая конструкция

IPXX (с соответствующими цифрами)... степень защиты по
ГОСТ 14254.
При использовании кода IP согласно
ГОСТ 14254 следует указывать две цифровые характеристики (см.
18.2).
Маркировка степени защиты на вилках и вводных устройствах электроприборов имеет значение только при сочленении с ответной частью или со стационарной крышкой, если таковая имеется.
Для маркировки номинального тока (токов) и номинального рабочего напряжения (напряжений) или диапазона могут использоваться только одни цифры. Цифру для обозначения номинального рабочего напряжения постоянного тока, если таковое есть, следует размещать перед цифрой для обозначения номинального рабочего напряжения переменного тока, отделяя от него косой или горизонтальной чертой.
Соответствие проверяют осмотром.
7.3. Для штепсельных розеток и вводных устройств маркировку номинального тока, рода тока, если необходимо, и наименование или товарный знак изготовителя или поставщика следует наносить на главную ее часть, внешнюю часть оболочки, крышку, если таковая есть, при условии, что последняя не может быть снята без помощи инструмента.
За исключением штепсельных розеток и вводных устройств утопленного типа, эта маркировка должна быть легко различима, когда устройство установлено и подсоединено для нормальной эксплуатации, если она необходима после снятия оболочки. Обозначение напряжения по изоляции, если оно имеется, должно быть на главной части; его не должно быть видно, когда устройство установлено и подсоединено для нормальной эксплуатации.
Обозначение номинального рабочего напряжения, типа, степени защиты, если необходимо, и положения заземляющего контакта или устройства, служащего для взаимозаменяемости, если они имеются, следует наносить на видное место после установки устройства на внешнюю поверхность оболочки или крышки, если таковая имеется и не может быть снята без помощи инструмента.
За исключением обозначения типа, маркировка должна быть легко различима, когда устройство установлено и подсоединено для нормальной эксплуатации.
Соответствие проверяют осмотром.
Примечание. Термин "главная часть" штепсельной розетки или вводного устройства обозначает часть, несущую контакты. Обозначение типа допускается наносить на главную часть.
Обозначение номинального тока, рода тока, номинального рабочего напряжения и наименования или товарного знака изготовителя или поставщика может быть продублировано на крышке, если таковая имеется.
7.4. Для вилок и переносных розеток маркировка, приведенная в
7.1, за исключением обозначения напряжения по изоляции, если оно имеется, должна быть легко различима, когда устройство подсоединено и готово к эксплуатации.
Маркировка напряжения по изоляции, если имеется, должна быть на главной части; она не должна быть видима, когда устройство установлено и подсоединено для нормальной эксплуатации.
Примечания. 1. Термин "готово к эксплуатации" не означает, что вилка или переносная розетка находится в сочленении с ответной частью.
2. Термин "главная часть" вилки или переносной розетки обозначает часть, несущую контакты.
Соответствие проверяют осмотром.
7.5. Для соединителей и их составных частей с отсоединяемым кабелем контакты обозначают:
- в трехфазных системах фазовые контакты обозначают L1, L2, L3 или 1, 2, 3;
- нейтральный контакт, если таковой есть, - N
и заземление

или

;
- для двухполюсных соединителей и их составных частей, которые могут использоваться как для переменного, так и для постоянного тока, обозначают один из полюсов. Если имеется заземление, то обозначают

или

.
Обозначения R1, S2, T3 могут использоваться вместо обозначений L1, L2, L3.
Обозначения размещают у соответствующих выводов; их не следует наносить на винты, съемные шайбы или другие съемные части.
Примечание. Выводы для вспомогательных проводников не требуют обозначения. Цифры могут использоваться в сочетании с буквами в качестве индекса. Рекомендуется использовать там, где это удобно, символ

.
Соответствие проверяют осмотром.
7.6. Маркировка должна быть различимой и легко читаемой.
Соответствие проверяют осмотром и следующим испытанием.
После влажной обработки по
разделу 18 маркировку тщательно протирают вручную в течение 15 с тряпкой, смоченной водой, и еще в течение 15 с тряпкой, смоченной спиртом.
С особой тщательностью испытывают маркировку наименования или товарного знака изготовителя или поставщика и обозначение рода тока, если имеется.
Примечание. Специальное испытание для проверки нестираемости маркировки - в стадии рассмотрения.
7.7. Если дополнительно к предписанной маркировке наносят цветовую маркировку номинального рабочего напряжения, то она должна соответствовать таблице 2. Цветовой указатель, отличающийся от цвета оболочки, применяют только в том случае, если его можно легко различить.
Таблица 2
┌───────────────────────────────────────┬─────────────────────────────────┐
│ Номинальное рабочее напряжение, В │ Цвет
<1> │
├───────────────────────────────────────┼─────────────────────────────────┤
│От 20 до 25 │Фиолетовый │
│" 40 " 50 │Белый │
│" 100 " 130 │Желтый │
│" 200 " 250 │Синий │
│" 380 " 480 │Красный │
│" 500 " 690 │Черный │
├───────────────────────────────────────┴─────────────────────────────────┤
│ <1> Для обозначения частоты от 60 до 500 Гц включ. в сочетании с│
│цветом номинального рабочего напряжения при необходимости может│
│использоваться зеленый цвет. │
│ Для соединителей на номинальный ток серии II оранжевый цвет│
│предназначен для напряжения 125/250 В переменного тока, серый - для│
│277 В переменного тока. │
└─────────────────────────────────────────────────────────────────────────┘
8.1. Размеры устанавливают в стандартах на соединители конкретных серий.
8.2. Вилки и переносные розетки не должны сочленяться со штепсельными розетками или вводными устройствами с разными номинальными параметрами или различными сочетаниями контактов.
Кроме того, конструкция соединителя должна исключать любую возможность неправильного сочленения между:
- заземляющим контактом и блок-контактом и находящимися под напряжением контактным гнездом или контактом вилки и заземляющим контактным или блок-контактным гнездом;
- фазными контактами вилки и нулевым контактным гнездом, если оно есть;
- нулевым контактом вилки и фазным контактным гнездом.
Соответствие проверяют осмотром.
8.3. Должна отсутствовать возможность однополюсных соединений между вилками и штепсельными или переносными розетками или же между вводными устройствами и переносными или штепсельными розетками.
| | ИС МЕГАНОРМ: примечание. ГОСТ 28190-89 утратил силу на территории Российской Федерации с 1 января 2001 года в связи с введением в действие ГОСТ Р 51325.1-99 (Постановление Госстандарта России от 29.12.1999 N 803-ст). | |
Нельзя допускать неправильных сочленений между вилками и вводными устройствами со штепсельными розетками, соответствующими
ГОСТ 7396.1, или с переносными розетками по ГОСТ 28190.
Нельзя допускать неправильных сочленений между штепсельными розетками и переносными розетками с вилками, соответствующими
ГОСТ 7396.1, или с вводными устройствами по ГОСТ 28190.
Неправильные соединения - это однополюсные и иные соединения, не соответствующие требованиям защиты от поражения электрическим током.
Соответствие проверяют осмотром.
9. Защита от поражения электрическим током
9.1. Соединители и их составные части должны иметь такую конструкцию, чтобы токоведущие части штепсельных и переносных розеток, когда они подсоединены для нормальной эксплуатации, и токоведущие части вилок и вводных устройств, когда они частично или полностью находятся в сочлененном состоянии, не были доступны для касания.
Кроме того, не должно возникать сочленения между штырем вилки или вводного устройства и гнездом штепсельной или переносной розетки, если какие-либо штыри остаются доступными для касания.
Соответствие проверяют осмотром и, при необходимости, испытанием на образце, подсоединенном как при нормальной эксплуатации.
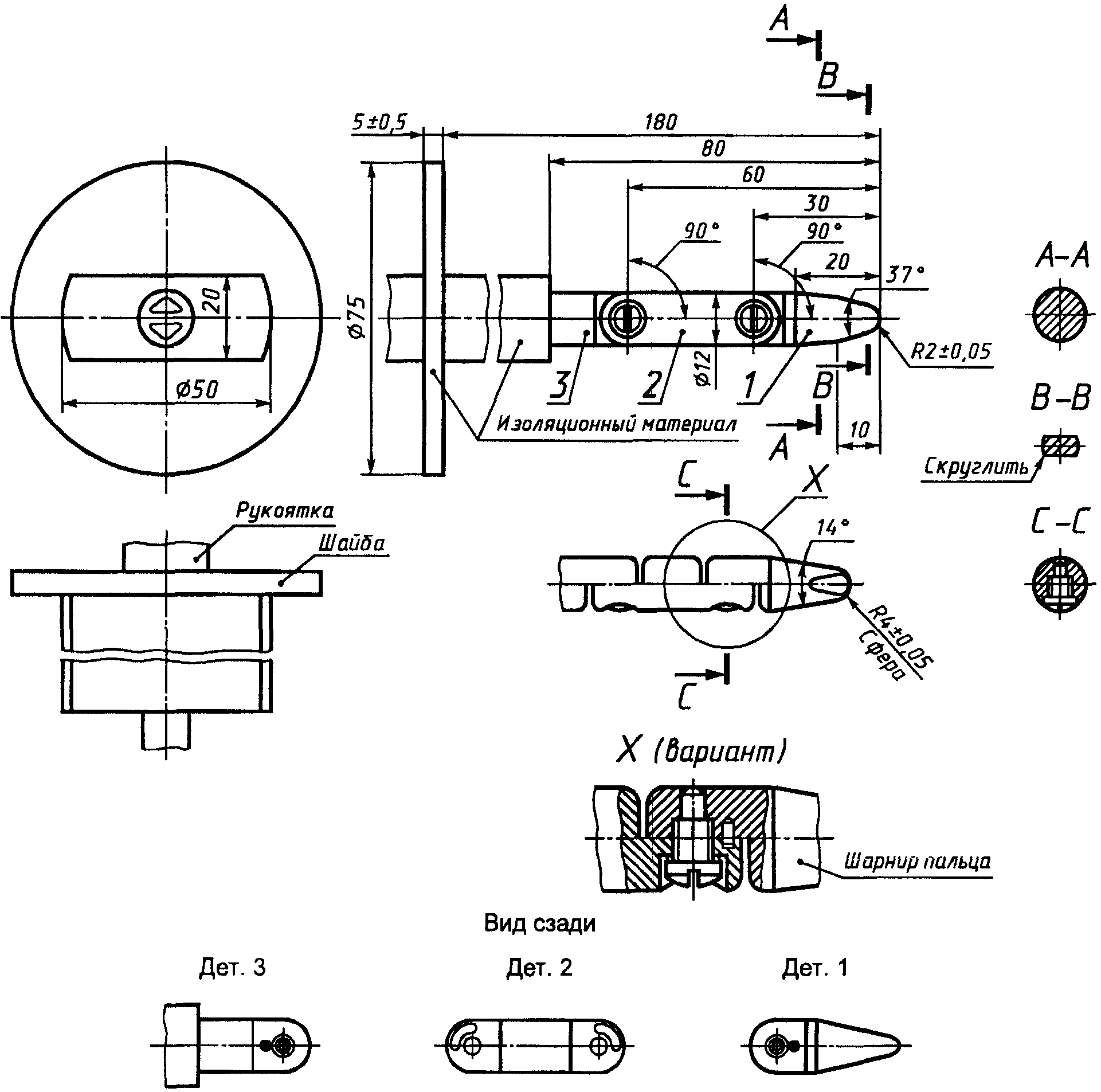
Стандартный испытательный палец, показанный на
рисунке 2, прикладывают в любом возможном направлении, при этом используют электрический индикатор на напряжение не менее 40 В для указания контакта с соответствующей частью.
Примечание. Нулевые и блок-контакты штепсельных и переносных розеток считают частями, находящимися под напряжением.
9.2. Соединители и их составные части с заземляющим контактом должны быть выполнены так, чтобы:
- при сочленении вилок с розетками соединение заземляющего контакта произошло раньше, чем соединение фазных или нулевого контактов, если имеются;
- при расчленении вилок с розетками размыкание фазных или нулевого контактов, если имеются, произошло раньше, чем заземляющего контакта.
9.3. Часть вилки, несущая контакты, должна иметь конструкцию, исключающую возможность ее монтажа в корпус штепсельной или переносной розетки.
Соответствие проверяют испытанием вручную.
10.1. Соединители и их составные части с заземляющим контактом должны иметь заземляющий зажим. Кроме того, стационарные розетки в металлическом корпусе с внутренним заземляющим зажимом должны быть снабжены внешним заземляющим зажимом, который, за исключением штепсельных розеток утопленного типа, должен быть видимым с наружной стороны.
Заземляющие контакты должны быть непосредственно и прочно соединены с заземляющими зажимами, за исключением заземляющих зажимов штепсельных розеток, включенных во внешнюю цепь разделительного трансформатора.
Соответствие проверяют осмотром.
10.2. Доступные металлические части соединителей и их составных частей с заземляющим контактом, которые при повреждении изоляции могут оказаться под напряжением, должны быть надежно соединены с внутренним заземляющим зажимом (зажимами) согласно конструкции.
Примечание. С точки зрения этого требования, винты для крепления корпусов, крышек и т.п. не считают доступными частями, которые могут оказаться под напряжением при повреждении изоляции.
Если доступные металлические части отделены от частей под напряжением металлическими частями, соединенными с заземляющим зажимом или заземляющим контактом, или если они отделены от частей под напряжением двойной или усиленной изоляцией, они не могут, с точки зрения данного требования, оказаться под напряжением в результате повреждения изоляции.
Соответствие проверяют осмотром и следующим испытанием.
Ток 25 А, поступающий от источника переменного тока на напряжение без нагрузки не более 12 В, пропускают между заземляющим зажимом и каждой из доступных металлических частей по очереди.
Измеряют падение напряжения между заземляющим зажимом и доступной металлической частью и по значениям тока и падения напряжения вычисляют значение сопротивления.
В любом случае сопротивление не должно превышать 0,05 Ом.
Примечание. Необходимо следить, чтобы контактное сопротивление между концом измерительного зонда и испытуемой металлической частью не повлияло на результат испытания.
10.3. Заземляющие контакты должны быть способны пропускать ток, равный установленному для фазных контактов, без перегрева.
10.4. Заземляющие контакты должны быть защищены от механического повреждения.
Соответствие проверяют осмотром.
Примечание. Данное требование исключает применение боковых заземляющих контактов.
11.1. Соединители и их составные части с отсоединяемым кабелем должны быть снабжены зажимами, в которых присоединение проводников выполняют с помощью винтов, гаек или равноценных приспособлений.
Соответствие проверяют осмотром.
Примечание. Требования к безвинтовым зажимам - в стадии рассмотрения.
11.2. Части зажимов, кроме винтов, гаек, шайб, хомутов, зажимных пластин и т.п., должны изготавливаться из:
- меди;
- сплава, содержащего не менее 58% меди, для частей, холодных в рабочем состоянии, и по крайней мере 50% меди - для других частей;
- или другого металла не менее коррозиестойкого, чем медь, и обладающего соответствующими механическими свойствами.
Стальные винты должны иметь соответствующую защиту от коррозии.
Соответствие проверяют осмотром и химическим анализом.
Примечание. Вопрос о снижении требований к частям зажимов - в стадии рассмотрения.
11.3. Если заземляющий зажим не является частью металлического корпуса или оболочки соединителя, то он должен быть из материала, указанного в
11.2 для частей зажима. Если заземляющий зажим является частью металлического корпуса или оболочки, то зажимной винт или гайка должны быть из такого же материала.
Если корпус заземляющего зажима является частью корпуса или оболочки из алюминия или алюминиевого сплава, необходимо принять меры, чтобы избежать появления коррозии в результате контакта между медью и алюминием или его сплавами.
Примечание. Требование относительно опасности возникновения коррозии не исключает применение винтов и гаек с соответствующим покрытием. Вопрос более детального требования - в стадии рассмотрения.
Соответствие проверяют осмотром и химическим анализом.
Примечание. Метод испытания для определения коррозиестойкости - в стадии рассмотрения.
11.4. Выводы должны обеспечивать подсоединение медных проводников или проводников из медных сплавов, номинальная площадь поперечного сечения которых указана в таблице 3.
Таблица 3
Поперечное сечение подсоединяемых проводников
┌──────────────────┬────────────────────────────────────────────┬───────────┐
│ Номинальные │ Внутреннее соединение
<1> │Наружное │
│ параметры │ │подсоеди- │
│ соединителя │ │нение │
├──────┬───────────┼──────────────────────┬─────────────────────┤заземления,│
│Напря-│ Ток, А │ Гибкие кабели │ Одно- или │если │
│жение,│ │для вилок и переносных│ многожильные │имеется │
│В │ │ розеток. │ проводники для │ │
│ │ │Одно- или многожильные│ штепсельных розеток │ │
│ │ │проводники для вводных│
<2> │ │
│ │ │ устройств
<2> │ │ │
│ ├─────┬─────┼────────────┬─────────┼────────────┬────────┼───┬───────┤
│ │Серия│Серия│ мм2 │ AWG/MCM │ мм2 │AWG/MCM │мм2│AWG/MCM│
├──────┼─────┼─────┼────────────┼─────────┼────────────┼────────┼───┼───────┤
│Не бо-│ 16 │ 20 │ 4,0 - 10,0 │ 12 - 8 │ 4,0 - 10,0 │ 12 - 8 │ - │ - │
│лее 50├─────┼─────┤ │ │ │ │ │ │
│ │ 32 │ 30 │ │ │ │ │ │ │
├──────┼─────┼─────┼────────────┼─────────┼────────────┼────────┼───┼───────┤
│Св. 50│ 16 │ 20 │ 1,0 - 2,5 │ 16 - 12 │ 1,5 - 4,0 │16 - 12 │ 6 │ 10 │
│ ├─────┼─────┼────────────┼─────────┼────────────┼────────┼───┼───────┤
│ │ 32 │ 30 │ 2,5 - 6,0 │ 14 - 10 │ 2,5 - 10,0 │ 14 - 8 │10 │ 8 │
│ ├─────┼─────┼────────────┼─────────┼────────────┼────────┼───┼───────┤
│ │ 63 │ 60 │ 6,0 - 16,0 │ 10 - 6 │ 6,0 - 25,0 │ 10 - 4 │25 │ 4 │
│ ├─────┼─────┼────────────┼─────────┼────────────┼────────┤ │ │
│ │ 125 │ 100 │16,0 - 50,0 │ 6 - 2 │25,0 - 70,0 │ 4 - 0 │ │ │
│ ├─────┼─────┼────────────┼─────────┼────────────┼────────┤ │ │
│ │ 250 │ 200 │70,0 - 150,0│00 - 0000│70,0 - 185,0│00 - 250│ │ │
├──────┴─────┴─────┴────────────┴─────────┴────────────┴────────┴───┴───────┤
│ <1> Зажим для проводников блок-контакта, если имеется, позволяет│
│подсоединять проводники такого же поперечного сечения, как и внутренние│
│зажимы соединителей на 16 А и номинальное рабочее напряжение не выше 50 В. │
│ <2> Классификация проводников - по МЭК 60228
[3]. │
│ <3> Номинальные площади поперечного сечения проводников даны в│
│миллиметрах в квадрате. В целях удобства в настоящем стандарте значения│
│AWG/MCM приняты эквивалентными миллиметрам в квадрате. │
│ AWG - Американский сортамент проводов - система идентификации проводов,│
│где значения диаметров находятся в геометрической прогрессии между│
│размерами 36 и 0000. │
│ MCM 1000 круговых мил означает единицу площади круга.│
│1 MCM = 0,5067 мм2. │
│ <4> 150 мм2 для соединителей серии II на ток 200 А. │
└───────────────────────────────────────────────────────────────────────────┘
Для всех выводов, кроме выводов под наконечник, соответствие проверяют по
11.7 -
11.9, а также следующим испытанием.
Калибры, как показано на
рисунке 13, имеют мерную часть для испытания путем введения проводника максимального поперечного сечения по
таблице 3, которая должна входить в отверстие зажима под собственной тяжестью на заданную глубину зажима.
В столбчатых зажимах, где конец проводника не виден, полость для размещения проводника должна иметь такую глубину, чтобы расстояние между дном полости и последним винтом составляло приблизительно половину диаметра винта, в любом случае не менее 1,5 мм.
Соответствие проверяют осмотром.
Для выводов по
рисунку 14, е должны использоваться наконечники для проводников номинальных поперечных сечений, соответствующих указанным в
таблице 3.
Зажимы, проверка которых калибром, представленным на
рисунке 13, невозможна, испытывают калибрами соответствующей формы, имеющими площадь поперечного сечения, указанную в
таблице 3.
11.5. Зажимы должны обладать достаточной механической прочностью.
Крепежные винты и гайки должны иметь метрическую резьбу или резьбу соответствующего шага и механической прочности.
Примечание. Временно резьбы SI, BA, UN считают соизмеримыми по шагу и механической прочности.
Соответствие проверяют осмотром, измерением и испытанием по
25.1. В дополнение к требованиям
25.1 зажимы не должны после испытания иметь необратимых изменений, которые бы препятствовали их дальнейшей эксплуатации.
11.6. Зажимы должны надежно крепиться на соединителе и не должны ослабляться при ослаблении или затягивании винтов и гаек.
Винты и гайки для крепления проводников не должны служить для фиксации какой-либо другой детали.
Примечание. Зажимное устройство для проводника может применяться для предотвращения вращения или смещения штырей или контактных гнезд.
Соответствие проверяют осмотром и, при необходимости, испытанием по
25.1.
Примечание. Данные требования не исключают применения плавающих зажимов или зажимов, конструкцией которых предусмотрено, что винт или гайка предотвращают поворот или смещение зажима, при условии, что их движение соответственно ограничено и не влияет на нормальную работу соединителя.
Ослабление можно предотвратить закреплением зажимов двумя винтами или одним винтом в углублении таким образом, чтобы не было ощутимого зазора, или другим подходящим способом.
Применение герметизирующего компаунда без других крепежных средств считают недостаточным. Однако самоотвердевающие смолы могут применяться для закрепления зажимов, которые не подвергаются кручению при нормальных условиях эксплуатации.
11.7. Зажимы должны иметь такую конструкцию, чтобы проводник был зажат между металлическими поверхностями при достаточном контактном давлении без повреждения проводника.
Соответствие проверяют осмотром и типовыми испытаниями зажимов по 11.8 и
11.9, проводимыми на трех отдельных зажимах.
11.8. Первое испытание
Проверку выполняют последовательно с проводниками наибольшего и наименьшего поперечного сечения из указанных в
таблице 3, с проводниками класса 1 или 2 для выводов штепсельных розеток или вводных устройств и проводниками класса 5 - для выводов вилок или переносных розеток.
Проводники должны подсоединяться к зажимному узлу, а зажимные винты и гайки затягиваться на две трети крутящего момента, указанного в
таблице 15, если крутящий момент не указан изготовителем на изделии или в инструкции.
Каждый проводник подвергают натяжению с усилием, указанным в таблице 4-1, прикладываемым в направлении, противоположном направлению введения проводника в зажим. Усилие прикладывают без рывков в течение 1 мин. Максимальная длина испытательного проводника должна быть 1 м.
Таблица 4-1
┌─────────────────────────────────────────────┬───────────────────────────┐
│Номинальная площадь поперечного сечения, мм2 │ Вытягивающее усилие, Н │
├─────────────────────────────────────────────┼───────────────────────────┤
│ 1,0 │ 30 │
│ 1,5 │ 40 │
│ 2,5 │ 50 │
│ 4,0 │ 50 │
│ 6,0 │ 60 │
│ 10,0 │ 80 │
│ 16,0 │ 90 │
│ 25,0 │ 100 │
│ 50,0 │ 140 │
│ 70,0 │ 160 │
│ 150,0 │ 220 │
│ 185,0 │ 240 │
└─────────────────────────────────────────────┴───────────────────────────┘
Во время испытания проводник не должен выскальзывать из зажима, а также не должен обрываться у зажима или в зажиме.
Вначале это испытание выполняют на проводнике наименьшего поперечного сечения, а затем на проводнике наибольшего поперечного сечения из соответствующих значений в
таблице 3 для проводников классов 1 (до 4 мм2 включ.), 2 и 5. Зажимные винты и гайки затягивают крутящим моментом, указанным в
таблице 15, если крутящий момент не указан изготовителем на изделии или в инструкции.
Зажим затягивают с проводником, длина которого должна быть по крайней мере на 75 мм больше указанной в таблице 4-2, и жестко прикрепляют в вертикальном положении, имитирующем действительные условия эксплуатации. Свободный конец кабеля проходит сквозь втулку, диаметр которой указан в таблице 4-2. Втулку прикрепляют к рычагу, приводимому в действие двигателем с частотой вращения

таким образом, чтобы центр втулки описывал окружность в горизонтальной плоскости (см.
рисунок 15), и производят 135 оборотов.
┌────────────────────────┬────────────────┬───────────────┬───────────────┐
│ Номинальная площадь │Диаметр втулки, │ Длина, мм, │ Масса, кг │
│поперечного сечения, мм2│ мм │ +/- 15 │ │
├────────────────────────┼────────────────┼───────────────┼───────────────┤
│ 1,0 │ 6,5 │ 260 │ 0,4 │
│ 1,5 │ 6,5 │ 260 │ 0,4 │
│ 2,5 │ 9,5 │ 280 │ 0,7 │
│ 4,0 │ 9,5 │ 280 │ 0,9 │
│ 6,0 │ 9,5 │ 280 │ 1,4 │
│ 10,0 │ 9,5 │ 280 │ 2,0 │
│ 16,0 │ 13,0 │ 300 │ 2,9 │
│ 25,0 │ 13,0 │ 300 │ 4,5 │
│ 50,0 │ 15,9 │ 343 │ 9,5 │
│ 70,0 │ 19,1 │ 368 │ 10,4 │
│ 150,0 │ 22,2 │ 406 │ 15,0 │
│ 185,0 │ 25,4 │ 432 │ 16,8 │
├────────────────────────┴────────────────┴───────────────┴───────────────┤
│ Примечание. Если диаметр отверстия втулки не подходит для установки│
│проводника (последний застревает), тогда используют следующий больший│
│диаметр. │
└─────────────────────────────────────────────────────────────────────────┘
Окружность должна иметь диаметр (75 +/- 2) мм, а ее центр должен быть по вертикали ниже центра входа проводника в зажим. Втулку смазывают во избежание застревания, перекручивания или вращения изолирующего кабеля. Груз, масса которого указана в
таблице 4-2, подвешивают на свободном конце проводника.
Во время испытания проводник не должен выдергиваться из зажимного узла.
Обрыв проводника или жил многожильного проводника определяют осмотром всего зажима, пока проводник еще подсоединен после испытания. Проводник или жилы многожильного проводника не должны иметь видимых повреждений.
11.10. Выводы под кабельный наконечник должны использоваться только для соединителей и их составных частей с номинальным током до 60 А; при наличии таких выводов они должны снабжаться пружинными шайбами или другими равноценными средствами блокировки.
Соответствие проверяют осмотром.
11.11. Каждый вывод должен находиться рядом с одним или несколькими соответствующими выводами противоположной полярности и внутренним заземляющим зажимом, если имеется, если это не противоречит техническим требованиям.
Соответствие проверяют осмотром.
11.12. Зажимные винты и гайки заземляющих зажимов должны иметь соответствующую блокировку против случайного ослабления и не должны ослабляться без применения инструмента.
Если у столбчатого зажима нет двух винтов, то требуется испытание для определения фиксирующей способности.
Метод испытания - на рассмотрении.
11.13. Зажимы должны быть так размещены или закрыты так, чтобы:
- винты, отсоединяемые от зажимов, не могли установить электрическое соединение между токоведущими частями и металлическими частями, соединенными с заземляющим зажимом;
- проводники, отсоединенные от токоведущих зажимов, не могли касаться металлических частей, соединенных с заземляющим зажимом;
- проводники, отсоединенные от заземляющего зажима, не могли касаться токоведущих частей.
Данное требование относится также к зажимам для блок-контактных проводников.
Соответствие проверяют осмотром и испытанием вручную.
11.14. После правильного присоединения проводников не должно возникать опасности случайного контакта между токоведущими частями разной полярности или между токоведущими частями и доступными металлическими частями. В случае отсоединения жилы многожильного проводника, последняя не должна выйти из корпуса.
Требование относительно опасности случайного контакта между частями под напряжением и металлическими частями не относится к устройствам на номинальные напряжения менее 50 В.
Соответствие проверяют осмотром; случайный контакт между частями под напряжением и другими металлическими частями проверяют следующим испытанием.
С конца гибкого проводника поперечного сечения среднего диапазона (см.
таблицу 3) на длине 8 мм снимают изоляцию. Одну жилу многожильного проводника оставляют свободной и не очищают от изоляции, а остальные жилы полностью вставляют в зажим и зажимают. Свободную жилу сгибают в любом возможном направлении без резких загибов через перегородки.
Свободная жила проводника, подсоединенная к зажиму под напряжением, не должна касаться любой металлической части, которая не находится под напряжением, и не должна выходить из корпуса, а свободная жила многожильного проводника, присоединенного к заземляющему зажиму, не должна касаться любой части под напряжением.
Примечание. При необходимости испытание повторяют с другим расположением свободной жилы.
12.1. Блокировка должна быть предусмотрена для штепсельных и переносных розеток, не отвечающих требованиям настоящего стандарта к отключающей способности и работе при нормальных условиях.
Блокировка должна быть связана с коммутационным устройством таким образом, чтобы вилка не могла быть выведена из штепсельной или переносной розетки, когда контакты находятся под напряжением, или введена в розетку, когда коммутационное устройство находится в положении "включено".
Допускается, чтобы блок-контакты штепсельной или переносной розетки, используемые для электрической блокировки, находились под напряжением, когда они сочленены или не сочленены с блок-контактами вилки или вводного устройства.
Штепсельные розетки и переносные розетки должны быть сконструированы таким образом, чтобы после сочленения с ответной частью обеспечивалась правильная работа блокировки.
На работу блокировки не должна влиять нормальная эксплуатация части вилки, используемой для блокировки.
В штепсельную или переносную розетку может встраиваться механическое коммутационное устройство для механической блокировки.
Соответствие проверяют осмотром по завершении испытаний по
разделу 21.
12.2. Механические коммутационные устройства для блокировки отключаемых штепсельных и переносных розеток переменного тока должны иметь категорию применения АС-22А по ГОСТ 30011.3.
Механические коммутационные устройства для блокировки отключаемых штепсельных или переносных розеток постоянного тока должны иметь категорию применения по назначению согласно ГОСТ 30011.3.
Соединители со встроенным коммутационным устройством, управляемые вилкой, могут не соответствовать требованиям ГОСТ 30011.3 и не должны удовлетворять
разделам 20 и
21 настоящего стандарта.
Соответствие проверяют осмотром, измерением и испытаниями.
12.3. Механические коммутационные устройства блокировки должны удовлетворять
разделу 29.
Соответствие проверяют осмотром, измерением и испытаниями.
13. Стойкость деталей из резины
и термопластичных материалов
Корпуса соединителей, выполненные из резины или термопластичных материалов, а также части из эластомерных материалов, например уплотнительные кольца, сальники, должны быть достаточно стойкими к старению.
Соответствие проверяют испытанием на ускоренное старение в атмосфере, имеющей состав и давление окружающей среды.
Образцы свободно подвешивают в камере тепла, имеющей естественную вентиляцию.
Температура в камере и продолжительность испытания следующие:
(70 +/- 2) °C, 10 сут (240 ч) для деталей из резины;
(80 +/- 2) °C, 7 сут (168 ч) для деталей из термопластичных материалов.
После охлаждения образцов до комнатной температуры их осматривают. На образцах не должно быть трещин, заметных невооруженным глазом, и материал не должен быть клейким и вязким.
После испытания образцы не должны иметь повреждений, нарушающих требования настоящего стандарта.
В случае сомнения вязкость материала проверяют следующим образом: на одну чашу весов кладут образец, а на другую - груз на 500 г тяжелее образца.
Затем устанавливают равновесие нажатием на образец указательным пальцем, обернутым сухой грубой тканью редкого плетения.
На образце не должно остаться заметных линий, а материал образца не должен приставать к ткани.
Примечание. Для проведения испытания рекомендуется использовать камеру с электронагревом. Естественная вентиляция может обеспечиваться отверстиями в стенках камеры.
14. Общие требования к конструкции
14.1. Доступные поверхности соединителей и их составных частей должны быть без заусенцев, облоев и острых кромок.
Соответствие проверяют осмотром.
14.2. Винты и другие приспособления для крепления части, несущей контакт штепсельной розетки, или части, несущей контакт вилки, к установочной поверхности в коробке или в корпусе должны быть легко доступны.
Эти фиксирующие детали и детали для крепления корпуса не должны иметь иного назначения, за исключением случая, когда они непосредственно создают автоматически надежную внутреннюю защиту.
Соответствие проверяют осмотром.
14.3. Конструкция соединителя и его составных частей не должна допускать изменения потребителем положения заземляющего или нулевого контакта, если он имеется, относительно ключевых пазов штепсельных или переносных розеток или относительно ключевых выступов вилок или вводных устройств.
Соответствие проверяют испытанием вручную для гарантии того, что возможно только одно установочное положение.
14.4. Штепсельные розетки и переносные розетки, установленные как при нормальной эксплуатации, без вставленной вилки должны обеспечивать степень защиты, указанную в маркировке.
Кроме того, когда вилка или вводное устройство полностью введены в штепсельную или переносную розетку, степень защиты должна быть более высокой, чем для несочлененных вилки и розетки.
Соответствие проверяют осмотром.
15. Конструкция штепсельных розеток
15.1. Конструкция контактных гнезд должна обеспечивать требуемое контактное нажатие при их полном сочленении с соответствующей вилкой.
Соответствие проверяют испытанием на превышение температуры по
разделу 22.
15.2. Давление, оказываемое контактными гнездами на контакты вилки, не должно быть настолько большим, чтобы препятствовать легкому вводу и выводу вилки. Вилка не должна выпадать из штепсельной розетки при нормальной эксплуатации.
Соответствие проверяют осмотром.
15.3. Конструкция штепсельных розеток должна позволять:
- удобное введение проводников в выводы и их закрепление;
- правильное расположение проводников, так чтобы их изоляция не контактировала с токоведущими частями, полярность которых противоположна полярности проводника;
- легко закреплять крышки или корпуса после подсоединения проводников.
Соответствие проверяют осмотром и установочным испытанием с проводниками наибольшего поперечного сечения из указанных в
таблице 3.
15.4. Корпуса и части розеток, обеспечивающие защиту от поражения электрическим током, должны обладать достаточной механической прочностью, быть надежно закреплены таким образом, чтобы не ослабляться при нормальной эксплуатации. Они не должны сниматься без специального инструмента.
Соответствие проверяют осмотром.
15.5. Кабельные вводы должны допускать введение проводника, включая оболочку кабеля, обеспечивая при этом полную механическую сохранность.
Соответствие проверяют осмотром и установочным испытанием с проводниками наибольшего поперечного сечения из указанных в
таблице 3.
15.6. Изолирующие прокладки, перегородки и т.п. должны быть достаточно механически прочными и так закреплены на металлической оболочке или корпусе, чтобы не было возможности снять их без серьезного повреждения, или должны иметь такую конструкцию, чтобы их нельзя было перевести в неправильное положение.
Примечание. Для крепления изолирующих прокладок допускается применение самотвердеющего лака.
15.7. Штепсельные розетки без вставленных в них вилок должны быть полностью закрыты после того, как к ним присоединили проводники или кабели в оболочке. Кабели с полихлорвиниловой оболочкой не составляют исключения. Устройства, обеспечивающие полное закрытие, и устройства, обеспечивающие требуемую степень защиты, если имеются, должны быть надежно прикреплены к штепсельной розетке. Кроме этого, штепсельная розетка с полностью вставленной вилкой должна содержать устройство, обеспечивающее требуемую степень защиты.
При наличии в крышках пружин они должны быть выполнены из антикоррозийных материалов, таких как бронза или нержавеющая сталь или других аналогичных материалов, защищенных от коррозии.
Штепсельные розетки брызгозащищенного исполнения или розетки со степенью защиты до IPX4 включ., предназначенные только для одного монтажного положения, могут иметь выламываемое отверстие диаметром 5 мм или площадью 20 мм2 и шириной 3 мм, которое используется, когда штепсельная розетка установлена.
Соответствие проверяют осмотром, измерением и испытаниями по
разделам 18,
19 и
21.
Примечание. Полная герметизация и предписанная степень защиты могут достигаться с помощью крышки.
Считают, что высверленное отверстие в задней стенке оболочки штепсельной розетки брызгозащищенного исполнения со степенью защиты до IPX3 включ. или IPX4, предназначенной для установки на вертикальной стене, эффективно только в том случае, когда конструкция оболочки обеспечивает воздушный зазор не менее 5 мм от стены или имеет дренажное отверстие по крайней мере указанного размера.
15.8. Штепсельные розетки на номинальное напряжение св. 50 В должны снабжаться заземляющим контактом.
Соответствие проверяют осмотром.
16. Конструкция вилок и переносных розеток
16.1. Корпуса вилок и переносных розеток должны полностью закрывать выводы и концы гибкого кабеля.
Конструкция разборных вилок и переносных розеток должна обеспечивать надежное присоединение проводников и не должна создавать опасность контакта между ними от места разделения жил вплоть до места присоединения к выводам. Соединители должны иметь такую конструкцию, чтобы их можно было вновь смонтировать только с таким расположением элементов, какое они имели первоначально.
Соответствие проверяют осмотром и, при необходимости, испытанием вручную.
16.2. Отдельные части вилок и переносных розеток должны иметь надежное соединение между собой, не должны выпадать при нормальной работе и не должны разбираться без применения инструмента.
Соответствие проверяют испытанием вручную и испытанием по
24.3.
16.3. Если предусмотрена изолирующая прокладка, то она должна обладать достаточной механической прочностью и быть закреплена на оболочке так, чтобы ее нельзя было снять без серьезного повреждения, или иметь такую конструкцию, чтобы ее нельзя было сместить в неправильное положение.
Соответствие проверяют осмотром и испытаниями по
18.2 и
24.3.
Примечание. Для крепления изолирующих прокладок допускается применение самотвердеющего лака.
16.4. Контакты вилок не должны проворачиваться, должны сниматься с применением инструмента и только при демонтаже вилки.
Соответствие проверяют осмотром и испытанием вручную.
Примечание. Контакты вилки могут быть плавающими или неподвижными.
16.5. Контакты переносных розеток должны быть эластичными, чтобы обеспечить соответствующее контактное нажатие.
Контакты, кроме заземляющего, должны быть плавающими.
Заземляющие контакты могут быть неплавающими при условии, что они обладают достаточной гибкостью во всех направлениях.
Соответствие проверяют осмотром и испытанием.
16.6. Нажатие, создаваемое контактными гнездами переносных розеток на контакты вилок, не должно быть так велико, чтобы препятствовать вводу и выводу вилки из розетки, но оно должно быть достаточным, чтобы удерживать вилку в розетке при нормальной работе.
Соответствие проверяют осмотром.
16.7. Вилки, полностью вставленные в розетки, должны иметь устройство, обеспечивающее требуемую степень защиты от воздействия воды.
Если вилка снабжена крышкой, которую нельзя снять без помощи инструмента, тогда она также должна отвечать требованиям к правильности установки крышки.
Устройство не должно сниматься без помощи инструмента.
Соответствие проверяют осмотром и испытаниями по
разделам 18 и
19.
16.8. Переносные розетки должны быть полностью закрыты после того, как к ним подсоединили гибкий кабель как при нормальной эксплуатации и когда они не находятся в сочленении с ответной частью. Кроме того, они должны содержать устройства, обеспечивающие требуемую степень защиты при полном сочленении с ответной частью.
Примечание. Требуемая степень защиты от воздействия воды при отсутствии ответной части может быть достигнута с помощью крышки или корпуса.
Устройство для обеспечения требуемой степени защиты должно быть надежно прикреплено к переносной розетке.
Пружины для крышек должны быть из коррозиестойкого материала, например, бронзы, нержавеющей стали или других материалов, имеющих аналогичные антикоррозионные свойства.
16.9. Вилки и переносные розетки на номинальные рабочие напряжения более 50 В должны иметь заземляющие контакты.
Соответствие проверяют осмотром.
16.10. Вилки и розетки не должны иметь специального устройства, позволяющего подсоединить более одного кабеля. Вилки не должны иметь специального устройства, позволяющего одной вилке сочлениться с более чем одной переносной или штепсельной розеткой. Переносные розетки не должны иметь специального устройства, позволяющего сочлениться с более чем одной вилкой или вводным устройством.
Соответствие проверяют осмотром.
Примечание. Настоящий стандарт не распространяется на переходные устройства.
17. Конструкция вводных устройств
17.1. Контакты вилки не должны вращаться и сниматься без помощи инструмента.
Соответствие проверяют осмотром и испытанием вручную.
Примечание. Контакты могут быть плавающими или неподвижными.
17.2. Вводные устройства должны иметь устройство, обеспечивающее требуемую степень защиты от воздействия воды при полном сочленении с переносной розеткой.
Если они снабжены прикрепляемыми крышками, которые не могут сниматься без помощи инструмента, в этом случае вводные устройства должны также отвечать требованию к правильной установке крышки.
Эти устройства должны сниматься с корпуса только при помощи инструмента.
Соответствие проверяют осмотром и испытаниями по
разделам 18 и
19.
17.3. Вводные устройства на номинальные рабочие напряжения более 50 В должны обеспечиваться заземляющими контактами.
Соответствие проверяют осмотром.
17.4. Вводные устройства не должны иметь специального устройства, позволяющего сочлениться с более чем одной переносной розеткой.
Соответствие проверяют осмотром.
18.1. Соединители и их составные части должны обеспечивать степень защиты в соответствии с маркировкой.
Соответствие проверяют испытаниями, описанными в нижеследующих пунктах.
Испытания проводят на соединителях с присоединенными кабелями и проводниками, с установленными ввинчиваемыми уплотнителями и затянутыми винтами крепления оболочек и крышек моментом, равным 2/3 момента, прикладываемого при испытаниях по
24.5 или
25.1.
Винты крышек или оболочек, если имеются, затягивают как при нормальной эксплуатации.
Штепсельные розетки устанавливают на вертикальной поверхности так, чтобы открытое дренажное отверстие, если имеется, было в самом нижнем положении и оставалось открытым.
Переносные розетки помещают в наиболее неблагоприятное положение, а дренажное отверстие, если имеется, оставляют открытым.
Штепсельные розетки и переносные розетки испытывают в сочленении с вилками, а также без них, устройства, гарантирующие требуемую степень защиты от воздействия воды, устанавливают как при нормальной эксплуатации.
Вилки и вводные розетки испытывают, как описано в
16.7 или
17.2.
18.2. Соединители и их составные части, обозначенные символом IP, должны испытываться согласно
18.1 и
ГОСТ 14254. Если первая значимая цифра 5, должна применяться категория 2.
Сразу же после испытаний образцы должны выдерживать испытания на электрическую прочность изоляции, указанные в
19.3. В результате осмотра вода в значительном количестве не должна попасть в образцы и достигнуть токоведущих частей.
Минимальная степень защиты должна быть IP23.
18.3. Соединители и их составные части, имеющие маркировку

, следует испытывать согласно
18.1 и 18.4.
18.4. Оболочки брызгозащищенных и водонепроницаемых соединителей и их составных частей должны обеспечивать степень защиты согласно классификации аппарата.
a) Брызгозащищенные соединители обрызгивают водой из пульверизатора, показанного на
рисунке 3, в течение 10 мин. Пульверизатор состоит из трубки, переходящей в полусферу. Радиус окружности 200 мм или кратный 200 мм в зависимости от размера и положения образца. Трубка должна иметь такие отверстия, чтобы струи воды были направлены в центр круга, а давление воды на вводе установки было равно напору около 10 м.
Трубку пульверизатора перемещают под углом 120° (60° в каждую сторону от вертикали). Время одного полного перемещения на угол 120° около 4 с.
Образец устанавливают в центре полусферы, образуемой трубкой, так, чтобы ее нижняя часть была расположена на уровне оси перемещения. Во время испытания образец вращается вокруг вертикальной оси или перемещается в поперечном направлении.
Сразу же после этого образец подвергают в течение 5 мин воздействию брызг во всех направлениях с помощью разбрызгивателя, показанного на
рисунке 4. Во время этого испытания давление воды регулируют так, чтобы брызги поднимались до 15 см от дна чаши. Чашу устанавливают на горизонтальной опоре на расстоянии 5 - 10 см ниже нижнего края образца, и она вращается так, чтобы образец обрызгивался со всех сторон. Необходимо следить, чтобы образец не попадал под удар прямой струи.
b) Водонепроницаемые соединители погружают на 24 ч в воду при температуре (20 +/- 5) °C, самая верхняя точка образца должна быть на 5 см ниже уровня воды.
Сразу же после испытаний, указанных в
a) или b), проводят проверку электрической прочности изоляции, которая после испытаний должна соответствовать указанной в
19.3. Осмотр должен показать, что вода в значительном количестве не попала в образец и не достигла токоведущих частей.
18.5. Все соединители должны быть защищены от влаги при нормальной эксплуатации.
Соответствие проверяют испытанием, описанным ниже, после которого сразу же измеряют сопротивление изоляции и проводят испытание прочности изоляции, указанное в
разделе 19. Кабельные вводы, если имеются, оставляют открытыми; если есть выламываемые отверстия, одно из них выбивают.
Крышки, которые могут быть сняты без помощи инструмента, снимают и подвергают влажной обработке вместе с корпусом соединителя; подпружиненные крышки во время испытания открыты.
Испытание на влажность проводят в камере влажности, содержащей воздух, относительная влажность которого составляет от 91 до 95%. Температура воздуха T во всех местах, где могут быть помещены образцы, должна быть от 20 до 30 °C с допустимым отклонением +/- 1 °C.
Перед помещением в камеру влажности образцы доводят до температуры от T до (T + 4) °C. Образцы выдерживают в камере в течение 7 сут (168 ч).
Примечание. В большинстве случаев образцы могут быть доведены до заданной температуры путем выдерживания их при этой температуре по крайней мере в течение 4 ч перед влажной обработкой.
Относительная влажность от 91 до 95% достигается помещением в камеру влажности насыщенного раствора сульфата натрия

или нитрата калия

в воде, имеющего достаточно большую контактную поверхность с воздухом.
Для достижения заданных условий в камере необходимо обеспечить постоянную циркуляцию воздуха в ней и вообще использовать термоизолированную камеру.
После этого испытания образцы не должны иметь повреждений, ухудшающих требования настоящего стандарта.
19. Сопротивление и электрическая прочность изоляции
19.1. Сопротивление и электрическая прочность изоляции соединителей и их составных частей должны отвечать требованиям настоящего стандарта.
Соответствие проверяют путем испытаний по
19.2 и
19.3, которые выполняют сразу же после испытания по
18.5 в камере влажности или в помещении, где образцы приводят к заданной температуре после установки крышек, которые были сняты.
Соединители и их составные части в оболочках из термопластичного материала подвергают дополнительному испытанию по
19.4.
Примечание. С точки зрения этих испытаний, каждый нулевой контакт и блок-контакт считают полюсом.
19.2. Сопротивление изоляции измеряют при напряжении постоянного тока 500 В в течение 1 мин после подачи напряжения.
Сопротивление изоляции должно быть не менее 5 МОм.
19.2.1. Для штепсельных и переносных розеток сопротивление изоляции измеряют в такой последовательности:
- между всеми полюсами, соединенными вместе, и корпусом измерение проводят в сочлененном и расчлененном состоянии;
- между каждым полюсом по очереди и всеми остальными, соединенными с корпусом, измерения проводят в сочлененном состоянии;
- между металлической оболочкой и металлической фольгой в контакте с внутренней поверхностью изолирующей прокладки, если она имеется, причем между металлической фольгой и изолирующей прокладкой оставляют зазор ~= 4 мм.
Примечание. Термин "корпус" включает в себя все доступные металлические части, металлическую фольгу в контакте с внешней поверхностью наружных частей из изоляционного материала, кроме поверхности зацепления переносных розеток и вилок, винтов крепления оснований, оболочек и крышек, наружных сборочных винтов и заземляющих зажимов, если имеются.
19.2.2. Для вилок и вводных устройств сопротивление изоляции измеряют в такой последовательности:
- между всеми полюсами, соединенными вместе, и корпусом;
- между каждым полюсом по очереди и всеми остальными, соединенными с корпусом;
- между металлической оболочкой и металлической фольгой в контакте с внутренней поверхностью изоляционной прокладки, если имеется, причем между металлической фольгой и краем прокладки оставляют зазор ~= 4 мм.
19.3. Напряжение, практически синусоидальное, частотой 50/60 Гц и значением, указанным в таблице 5, прикладывают в течение 1 мин между частями, указанными в
19.2.1 и
19.2.2.
Таблица 5
В вольтах
┌───────────────────────────────────────┬─────────────────────────────────┐
│Напряжение по изоляции соединителя <1> │ Испытательное напряжение │
├───────────────────────────────────────┼─────────────────────────────────┤
│До 50 включ. │ 500 │
│От 50 до 415 включ. │ 2000 <2> │
│ " 415 " 500 " │ 2500 │
│Св. 500 │ 3000 │
├───────────────────────────────────────┴─────────────────────────────────┤
│ <1> Напряжение по изоляции в крайнем случае равно наибольшему│
│номинальному рабочему напряжению. │
│ <2> Данное значение повышают до 2500 В для металлических оболочек,│
│покрытых изоляционным материалом. │
└─────────────────────────────────────────────────────────────────────────┘
Первоначально прикладывают не более половины установленного напряжения, затем его быстро доводят до полного значения.
Во время испытания не должно происходить пробоев и перекрытий.
Примечание. Тлеющими разрядами без падения напряжения можно пренебречь.
19.4. Сразу же после испытания по
19.3 следует проверить, не повредились ли у соединителей в корпусах из термопластичного материала фиксирующие устройства.
20. Отключающая способность
Соединители и их составные части без блокировки должны иметь соответствующую отключающую способность.
Соответствие проверяют испытанием соединителя на новом дополнительном образце, который удовлетворяет определенному стандарту.
Положение соединителей при испытании должно быть горизонтальным, а если невозможно, то как при нормальной эксплуатации.
Соединитель со встроенным коммутационным устройством, управляемым вилкой или вводным устройством, должен устанавливаться как при нормальной эксплуатации.
Вилку или переносную розетку вводят в штепсельную розетку или вводное устройство и выводят из нее со скоростью 7,5 операций в минуту.
Скорость сочленения и расчленения вилки или переносной розетки должна быть (0,8 +/- 0,1) м/с.
Скорость измеряют путем записи интервала времени между сочленением и расчленением главных контактов и заземляющего контакта относительно расстояния.
Электрические контакты должны удерживаться в течение не более 4 с и не менее 2 с.
Составные части соединителя должны расходиться по крайней мере на 50 мм.
Число циклов указано в таблице 6.
Таблица 6
┌──────────────────────────────────┬──────────────────────────────────────┐
│ Номинальный ток, А │ Число циклов │
├──────────────────┬───────────────┼─────────────────────────┬────────────┤
│ Предпочтительные │ Другие │ Переменный ток │ Постоянный │
│ значения │ значения ├──────────┬──────────────┤ ток под │
├─────────┬────────┤ │ cos фи │Под нагрузкой │ нагрузкой │
│ Серия I │Серия II│ │ +/- 0,05 │ │ │
├─────────┼────────┼───────────────┼──────────┼──────────────┼────────────┤
│ 16 │ 20 │До 29 │ 0,6 │ 50 │ 50 │
│ 32 │ 30 │От 30 до 59 │ 0,6 │ 50 │ 50 │
│ 63 │ 60 │" 60 " 99 │ 0,6 │ 20 │ 20 │
│ 125 │ 100 │" 100 " 199 │ 0,7 │ 20 │ 20 │
│ 250 │ 200 │" 200 " 250 │ 0,8 │ 10 │ 10 │
└─────────┴────────┴───────────────┴──────────┴──────────────┴────────────┘
Операция - это сочленение или расчленение вилки или вводного устройства. Цикл состоит из двух операций: одного сочленения и одного расчленения.
Образцы испытывают при 1,1-кратном номинальном рабочем напряжении и 1,25-кратном номинальном токе.
Соединители, рассчитанные на переменный ток, испытывают в цепи переменного тока с

по
таблице 6.
Соединители, рассчитанные на постоянный ток, испытывают только с неиндуктивной нагрузкой.
Соединители, рассчитанные на большее номинальное рабочее напряжение и на больший номинальный ток при переменном токе, чем при постоянном токе, испытывают с постоянным током в неиндуктивной цепи и с переменным током в цепи при

по
таблице 6. Для второго испытания используют новый комплект образцов.
Испытание проводят по схеме соединений, указанной на
рисунке 5, кроме соединителей на номинальное напряжение 380 - 415 В, для которых металлическую подставку соединяют с нейтралью. Во всех других случаях для двухполюсных соединителей селекторный переключатель C, соединяющий металлическую подставку и доступные металлические части с одним из полюсов питания, переключают после половины числа операций, для трехполюсных соединителей селекторный переключатель C переключают после одной третьей числа операций и вновь после двух третьих числа операций так, чтобы поочередно включался каждый полюс.
Активные сопротивления и катушки индуктивности не должны включаться параллельно, кроме случаев, когда используют катушку индуктивности без стального сердечника. Сопротивление, потребляющее ~= 1% тока, проходящего через катушку индуктивности, подсоединяют параллельно с ней. Могут использоваться катушки индуктивности со стальным сердечником при условии, что ток синусоидальный.
Для испытания трехполюсных устройств используют катушки индуктивности с тремя сердечниками.
Во время испытания не должна возникать стабильная дуга.
После испытания образцы не должны иметь повреждений, препятствующих их дальнейшей эксплуатации, а входные отверстия для контактов вилки не должны иметь серьезных повреждений.
21. Условия нормальной эксплуатации
Соединители и их составные части должны выдерживать без чрезмерного износа или любого другого повреждения механические, электрические и тепловые нагрузки, случающиеся при нормальной эксплуатации.
Соответствие проверяют испытанием соединителя, проводимом на новом дополнительном образце, который удовлетворяет требованиям определенного стандарта.
Данное испытание проводят с помощью приспособления, описанного в
разделе 20.
Испытательное положение такое, как указано в
разделе 20.
Испытание проводят по схеме соединений, указанной в
разделе 20, селекторный переключатель C действует, как указано в
разделе 20.
Вилку или переносную розетку вводят в штепсельную розетку или вводное устройство или выводят из них со скоростью 7,5 операций в минуту.
Соединители подвергают попеременно циклом испытаний под током или без тока, за исключением соединителей на номинальный ток 16/20 А, которые испытывают только под нагрузкой.
Образцы испытывают при номинальном рабочем напряжении и номинальном токе.
После каждых 500 операций контакты вилки очищают кусочком сухой ткани.
Соединители без блокировки, которые испытывались по
разделу 20, должны выдержать число циклов испытаний по таблице 7.
Таблица 7
┌────────────────────────────┬────────────────────────────────────────────┐
│ Номинальный ток, А │ Число циклов │
├─────────────┬──────────────┼──────────────────────────┬─────────────────┤
│Предпочти- │ Другие │ Переменный ток │ Постоянный ток │
│тельные │ значения │ │ │
│значения │ │ │ │
├──────┬──────┤ ├────────┬───────┬─────────┼───────┬─────────┤
│Серия │Серия │ │ cos фи │Под на-│ Без │Под на-│ Без │
│ I │ II │ │+/- 0,05│грузкой│нагрузки │грузкой│нагрузки │
├──────┼──────┼──────────────┼────────┼───────┼─────────┼───────┼─────────┤
│ 16 │ 20 │До 29 │ 0,6 │ 5000 │ - │ 5000 │ - │
│ 32 │ 30 │От 30 до 59 │ 0,6 │ 1000 │ 1000 │ 1000 │ 1000 │
│ 63 │ 60 │" 60 " 99 │ 0,6 │ 1000 │ 1000 │ 500 │ 500 │
│ 125 │ 100 │" 100 " 199 │ 0,7 │ 250 │ 250 │ 250 │ 250 │
│ 250 │ 200 │" 200 " 250 │ 0,8 │ 125 │ 125 │ 125 │ 125 │
└──────┴──────┴──────────────┴────────┴───────┴─────────┴───────┴─────────┘
Соединители, предназначенные только для переменного тока, испытывают в цепи переменного тока,

выбирают по
таблице 7.
Соединители только для постоянного тока испытывают в цепи с неиндуктивной нагрузкой.
Соединители, рассчитанные на номинальное рабочее напряжение или номинальный ток, более высокий при переменном токе, чем при постоянном, испытывают постоянным током в цепи с неиндуктивной нагрузкой, а с переменным током - при

по
таблице 7. Для второго испытания используют новый комплект соединителей.
Соединители с блокировкой испытывают без тока; блокировку замыкают и размыкают после каждого полного введения вилки.
Число циклов - это сумма циклов под нагрузкой и без нагрузки согласно
таблице 7.
Во время испытания не должно возникать стабильной дуги.
После испытания не должно быть:
- износа, препятствующего дальнейшей эксплуатации соединителя или его блокировки, если она имеется;
- разрушения корпусов или перегородок;
- повреждений вводных отверстий для контактов вилки, что могло бы ухудшить условия их эксплуатации;
- ослабления электрических или механических соединений;
- просачивания герметизирующего компаунда.
Затем образцы должны выдержать испытание на электрическую прочность изоляции согласно
19.3, при этом испытательное напряжение снижают на 500 В для соединителей, напряжение по изоляции которых составляет более 50 В.
Примечание. Испытание на влагостойкость в этом случае не проводят перед испытанием на электрическую прочность изоляции.
Подпружиненные крышки, если они имеются, испытывают их полным открыванием и закрыванием, число открываний крышки должно быть таким же, как число введений вилки, указанное в
таблице 7.
Примечание. Это испытание должно сочетаться с испытанием соединителей.
22. Превышение температуры
Соединители и их составные части должны иметь такую конструкцию, чтобы превышение температуры при нормальной эксплуатации не было чрезмерным.
Соответствие проверяют испытанием устройства на новом дополнительном образце, который удовлетворяет требованиям определенных стандартов.
Испытательный ток - это переменный ток, значение которого указано в таблице 8.
┌───────────────────────┬──────────────┬──────────────────────────────────┐
│ Предпочтительный │Испытательный │ Площадь поперечного сечения │
│ номинальный ток, А │ ток, А │ проводников, мм2 │
├───────────┬───────────┤ ├──────────────────┬───────────────┤
│ Серия I │ Серия II │ │ Вилки, вводные │ Штепсельные │
│ │ │ │ устройства, │ розетки │
│ │ │ │переносные розетки│ │
├───────────┼───────────┼──────────────┼──────────────────┼───────────────┤
│ 16 │ 20 │ 22 │ 2,5 <1> │ 4 <1> │
│ 32 │ 30 │ 42 │ 6 <1> │ 10 │
│ 63 │ 60 │ Номинальный │ 16 │ 25 │
│ 125 │ 100 │ " │ 50 │ 70 │
│ 250 │ 200 │ " │ 150 │ 185 <2> │
├───────────┴───────────┴──────────────┴──────────────────┴───────────────┤
│ <1> Для соединителей на номинальное рабочее напряжение менее 50 В не│
│должны превышать 10 мм2. │
│ <2> 150 мм2 для соединителя серии II на ток 200 А. │
└─────────────────────────────────────────────────────────────────────────┘
Разборные соединители соединяют с проводниками, поперечное сечение которых указано в
таблице 8; зажимные винты и гайки затягивают моментом, указанным на изделии или в инструкции изготовителя или равным двум третям момента, указанного в
таблице 15.
Согласно требованию к настоящему испытанию кабель длиной по крайней мере 2 м подсоединяют к выводам.
Неразборные соединители испытывают в состоянии поставки.
Для соединителей, имеющих три или более полюсов, испытательный ток должен проходить через фазные контакты.
Соединители с нулевым контактом испытывают специально, пропуская испытательный ток через нулевой и смежный фазный контакты.
Затем проводят испытание, пропуская испытательный ток через заземляющий и смежный фазный контакты.
Через блок-контакт, если он имеется, одновременно с выполнением любого из вышеуказанных испытаний пропускают ток 2 А.
Длительность испытаний следующая:
1 ч - для соединителей на номинальный ток не более 32 А;
2 ч - для соединителей на номинальный ток св. 32 до 125 А;
3 ч - для соединителей на номинальный ток св. 125 А.
Температуру определяют с помощью плавких частиц, цветопеременных индикаторов или термопар, которые выбирают и располагают так, что их влиянием на измеряемую температуру можно было бы пренебречь.
Превышение температуры выводов не должно быть более 50 К.
23. Гибкие кабели и их присоединение
23.1. Вилки и переносные розетки должны иметь устройства кабельного крепления с тем, чтобы проводники были свободны от натяжения, скручивания в том месте, где они подсоединяются к выводам или хвостовикам, и их оболочка должна быть защищена от истирания.
Крепления кабелей должны иметь такую конструкцию, чтобы кабель не мог касаться доступных металлических частей или внутренних металлических частей, например, винтов, если они электрически соединены с доступными металлическими частями, или доступные металлические части не соединены с внутренним заземляющим зажимом.
Соответствие проверяют осмотром.
23.2. Требования к вилкам и переносным розеткам
23.2.1. Вилки и переносные розетки с неотсоединяемыми проводниками
| | ИС МЕГАНОРМ: примечание. Взамен ГОСТ Р МЭК 245-4-97 Постановлением Госстандарта России от 24.01.2002 N 36-ст с 1 июля 2002 года введен в действие ГОСТ Р МЭК 60245-4-2002. С 1 января 2009 года ГОСТ Р МЭК 60245-4-2002 утратил силу в связи с введением в действие ГОСТ Р МЭК 60245-4-2008 (Приказ Ростехрегулирования от 08.04.2008 N 76-ст). | |
Соединители и их составные части должны быть снабжены гибкими кабелями, соответствующими ГОСТ Р МЭК 245-4, одного из типов, указанных в таблице 9, с площадью поперечного сечения не менее указанной в таблице 9.
───────────────────────┬───────────────────────────────┬───────────────────
Предпочтительные │Тип кабеля по ГОСТ Р МЭК 245-4 │Номинальная площадь
значения номинального │ │ поперечного
тока, А │ │ сечения, мм2
───────────┬───────────┤ │
Серия I │ Серия II │ │
───────────┼───────────┼───────────────────────────────┼───────────────────
16 │ 20 │245 IEC 53
<2>, 245 IEC 57
<2>,│ 2,5
<1>
│ │245 IEC 66 │
32 │ 30 │245 IEC 53
<2>, 245 IEC 66 │ 6,0
63 │ 60 │245 IEC 66 │ 16,0
125 │ 100 │245 IEC 66
<3> │ 50,0
250 │ 200 │245 IEC 66
<4> │ 150,0
───────────┴───────────┴───────────────────────────────┴───────────────────
<1> Для соединителей на номинальное рабочее напряжение менее 50 В
значение увеличивают до 4 мм2.
<2> Кроме соединителей на номинальное рабочее напряжение св. 415 В.
<3> Только для 3P +

или 2P + N +

и
2P +

или 1P + N +

.
<4> Только для 3P +

или 2P + N +

.
───────────────────────────────────────────────────────────────────────────
Если известна нагрузка, могут использоваться гибкие кабели с номинальной площадью поперечного сечения, кроме указанных в
таблице 9.
Проводник, подсоединяемый к заземляющему зажиму, должен быть зелено-желтого цвета. Номинальная площадь поперечного сечения заземляющего проводника и нулевого проводника, если имеется, должна быть по крайней мере равной площади сечения фазных проводников.
Проводник для блок-контакта, если имеется, должен иметь площадь поперечного сечения по крайней мере 1,5 мм2.
Соответствие проверяют осмотром и испытанием по
23.3.
23.2.2. Вилки и переносные розетки со съемными проводниками
Должны иметь устройства для разгрузки проводников от натяжения и перекручивания. Если хоть один из компонентов соединителя находится не в том положении, как предусмотрено, необходимые части и способ монтажа определяют по инструкции.
Конструкция устройства крепления кабеля должна быть такова, чтобы устройство крепления или компоненты после монтажа правильно располагались относительно соединителя.
Устройство крепления кабеля не должно иметь острых кромок, повреждающих кабель, и его конструкция должна быть такова, чтобы составные части не терялись при разборке соединителя.
Не допускается применять такие способы крепления кабеля, как завязывание кабеля узлом или связывание его концов веревкой.
Устройство крепления кабеля и кабельные вводы должны быть удобны для подсоединения гибких кабелей разных типов.
Если кабельный ввод снабжен втулкой, препятствующей повреждению кабеля, то эта втулка должна быть из изолирующего материала, а также гладкой и без заусенцев.
Если предусмотрено отверстие с раструбом, то диаметр конца раструба должен соответствовать по крайней мере 1,5-кратному диаметру подсоединяемого кабеля наибольшего поперечного сечения.
Винтовые металлические пружины, неизолированные или покрытые изоляционным материалом, не должны использоваться в качестве кабельных втулок.
Соответствие проверяют осмотром или испытанием по 23.3.
23.3. Вилки и переносные розетки, снабженные гибким кабелем, подвергают испытанию на растяжение устройством, аналогичным показанному на
рисунке 6, с последующим испытанием на кручение.
Соединители с несъемным проводником (неразборные) испытывают в состоянии поставки.
| | ИС МЕГАНОРМ: примечание. Взамен ГОСТ Р МЭК 245-4-97 Постановлением Госстандарта России от 24.01.2002 N 36-ст с 1 июля 2002 года введен в действие ГОСТ Р МЭК 60245-4-2002. С 1 января 2009 года ГОСТ Р МЭК 60245-4-2002 утратил силу в связи с введением в действие ГОСТ Р МЭК 60245-4-2008 (Приказ Ростехрегулирования от 08.04.2008 N 76-ст). | |
Соединители со съемным кабелем (разборные) испытывают сначала с одним, а затем с другим типом кабеля, соответствующим ГОСТ Р МЭК 245-4, с параметрами по таблице 10.
Проводники кабеля разборных соединителей вводят в зажимы, при этом зажимные винты подтягивают так, чтобы проводники не изменяли своего положения.
Устройство крепления кабеля используют обычным способом, фиксирующие винты затягивают моментом, равным двум третьим указанного в
25.1. После повторной сборки образца с установленными кабельными уплотнениями, если они имеются, детали соединителей должны быть собраны так, чтобы не было возможности ввести кабель внутрь образца на значительное расстояние.
Образец закрепляют на испытательном стенде так, чтобы ось кабеля в месте ввода была в вертикальном положении.
Затем кабель подвергают стократному натяжению (100 раз) с усилием, значение которого указано в таблице 11. Каждое натяжение производят без рывков в течение 1 с.
┌──────────────────────────────┬─────────────────────┬────────────────────┐
│ Предпочтительное значение │ Усилие вытягивания, │ Крутящий момент, │
│ номинального тока, А │ Н x м │ Н x м │
├───────────────┬──────────────┤ │ │
│ Серия I │ Серия II │ │ │
├───────────────┼──────────────┼─────────────────────┼────────────────────┤
│ 16 │ 20 │ 80 │ 0,350 │
│ 32 │ 30 │ 100 │ 0,425 │
│ 63 │ 60 │ 120 │ 0,800 │
│ 125 │ 100 │ 200 │ 1,500 │
│ 250 │ 200 │ 300 │ 3,000 │
└───────────────┴──────────────┴─────────────────────┴────────────────────┘
Сразу же после этого кабель подвергают в течение 1 мин кручению, значение крутящего момента указано в
таблице 11.
Во время испытания кабель не должен повреждаться.
После испытания кабель не должен сместиться более чем на 2 мм. Для соединителей со съемным кабелем концы проводников не должны заметно смещаться в зажимах; для устройств с несъемным кабелем не должно быть разрывов электрических соединений.
Для измерения продольного смещения перед началом испытания на кабеле на расстоянии ~= 2 см от конца образца или устройства кабельного крепления наносят метку. Если в устройствах с несъемным проводником кабель не имеет конца, то дополнительную метку ставят на корпусе образца.
После испытания измеряют расстояние смещения метки на кабеле относительно образца или устройства кабельного крепления.
24. Механическая прочность
24.1. Соединители должны обладать соответствующей механической прочностью.
Соответствие проверяют следующими испытаниями:
- для штепсельных розеток и вводных устройств - по
24.2;
- для вилок и переносных розеток со съемным кабелем - по
24.3;
- для вилок и переносных розеток с несъемным кабелем - по
24.3,
24.4;
- для прокладок брызгозащищенных и водонепроницаемых соединителей - по
24.5;
- для соединителей со степенью защиты IP23 и выше - по
24.5.
Перед началом испытания по 24.2 или
24.3 соединители в корпусах из эластичного или термопластичного материала помещают вместе с базовыми или гибкими кабелями в холодильник при температуре минус (25 +/- 2) °C по крайней мере на 16 ч; затем их вынимают из холодильника и сразу же подвергают испытанию по 24.2 или
24.3.
24.2. Удары должны наноситься по образцам посредством ударного испытательного устройства. В
Приложении А даны пояснения и описание устройства. См. также
рисунок 7.
24.2.1. Соединители должны иметь соответствующую прочность для поддержания целостности маркированной степени защиты после воздействия ударов, происходящих при нормальной эксплуатации.
Предполагается, что удары по образцам в ходе этих испытаний не должны наноситься на фланцы крепления или контакты вводных устройств. Испытательная установка должна быть отрегулирована так, чтобы удары наносились как при нормальной эксплуатации согласно 24.2.2.
24.2.2. К каждому испытуемому образцу посредством ударной установки
(рисунок 7) должно наноситься по пять ударов.
Первые четыре удара наносят, когда соединитель установлен как при нормальной эксплуатации, на вертикальной панели. Маятник должен быть установлен так, чтобы качаться параллельно панели. Ударная поверхность маятника лишь касается края образца. Точка контакта должна являться геометрическим центром боковой поверхности образца или соответствующих выступов на этой поверхности. Затем маятник поднимают и отпускают, т.е. наносят удар. Далее образец поворачивают на 90° вокруг оси, перпендикулярной к установочной поверхности, и его положение относительно ударной поверхности, при необходимости, корректируют. Затем наносят второй удар.
Эту же процедуру повторяют для двух последовательных поворотов на 90°, общее число ударов - четыре.
Пятый удар наносят в тот момент, когда плоскость маятника перпендикулярна к плоскости установочной панели, так что маятник ударяет образец в его самом отдаленном от установочной панели выступе.
Энергия удара должна соответствовать приведенной в таблице 12.
Таблица 12
Предпочтительный номинальный ток, А | Энергия удара, Дж |
Серия I | Серия II |
16 | 20 | 1 |
32 | 30 |
63 | 60 | 2 |
125 | 100 |
250 | 200 | На рассмотрении |
24.2.3. Каждый образец штепсельной розетки или вводного устройства должен быть прикреплен к жесткой установочной панели как при нормальной эксплуатации. Кабельные вводы оставляют открытыми, а фиксирующие винты крышек и оболочек затягивают моментом, равным двум третям указанного в
таблице 15.
Крышки на штепсельных розетках оставляют закрытыми. Колпачки, которые предусмотрены для вводных устройств, должны быть установлены.
После испытания образцы не должны иметь повреждений с точки зрения настоящего стандарта, в частности, ни одна из частей не должна отсоединяться, или не должно ослабляться крепление.
Водонепроницаемые соединители и соединители со степенью защиты IPX7 и выше должны выдерживать соответствующее испытание по
разделу 18.
Соединители в оболочках из термопластичного материала должны выдерживать испытание по
19.4.
Примечание. Можно пренебречь небольшими вмятинами, трещинами, зазубринами, которые не влияют на защиту от поражения электрическим током или на влагостойкость. В случае сомнения выполняют соответствующие испытания по
разделам 18 и
19.
24.3. В соединителях со съемным проводником устанавливают гибкий кабель легчайшего типа наименьшего поперечного сечения для соответствующего номинала, указанного в
таблице 10.
Соединители с несъемным проводником испытывают в состоянии поставки.
Свободный конец кабеля длиной 2,25 м прикрепляют к стене на высоте 75 см от пола, как показано на
рисунке 8.
Образец располагают так, чтобы кабель был в горизонтальном положении и свободно свисал на бетонный пол. Это выполняют восемь раз, каждый раз поворачивая кабель на 45° вокруг точки фиксации.
После испытания образцы не должны иметь повреждений с точки зрения настоящего стандарта, в частности, ни одна из частей не должна отсоединяться, или не должно ослабляться крепление.
Водонепроницаемые соединители или соединители со степенью защиты IPX7 и выше должны выдерживать соответствующее испытание по
разделу 18.
Соединители в оболочках из термопластичного материала должны выдерживать испытание по
19.4.
Примечание. Можно пренебречь мелкими зазубринами и вмятинами, не влияющими на защиту от поражения электрическим током или влагостойкость.
24.4. Соединители с несъемными проводниками подвергают испытанию на вращение в установке, аналогичной показанной на
рисунке 9.
Образец прикрепляют к колебательному элементу установки так, что когда образец находится на середине своей траектории, ось гибкого кабеля в том месте, где он входит в образец, была вертикальна и проходила через ось колебания.
Колебательный элемент располагают таким образом, чтобы гибкий кабель производил минимальное боковое движение, в то время как колебательный элемент испытательной установки проходит свою полную траекторию.
На кабель подвешивают груз таким образом, чтобы прикладываемое усилие было таким, как указано в таблице 13.
Таблица 13
Предпочтительный номинальный ток, А | Усилие, Н |
Серия I | Серия II |
16 | 20 | 20 |
32 | 30 | 25 |
Ток, равный номинальному току соединителя, проходит через проводники, напряжение между которыми равно номинальному напряжению. Колебательный элемент движется взад и вперед под углом 90° (45° по обе стороны от вертикали), число вращений составляет 20000, а скорость - 60 вращений в минуту.
После испытания образцы не должны иметь повреждений с точки зрения настоящего стандарта.
Примечание. Один изгиб - это одно движение вперед или назад. Для соединителей на номинальный ток более 32 А методика испытания - на рассмотрении.
24.5. Ввинчивающийся уплотнитель должен соответствовать металлическому стержню, диаметр которого (мм) равен ближайшему целому числу, меньшему внутреннего диаметра уплотнения (мм). Затем уплотнитель затягивают соответствующим гаечным ключом. Усилие, значение которого приведено в таблице 14, прикладывают в течение 1 мин к гаечному ключу в точке, отстоящей на 25 см от оси уплотнителя.
Таблица 14
┌───────────────────────┬─────────────────────────────────────────────────┐
│Диаметр испытательного │ Усилие, Н │
│ стержня, мм ├────────────────────────┬────────────────────────┤
│ │Металлические уплотнения│Уплотнения из литьевого │
│ │ │ материала │
├───────────────────────┼────────────────────────┼────────────────────────┤
│До 20 включ. │ 30 │ 20 │
│Св. 20 до 30 включ. │ 40 │ 30 │
│ " 30 │ 50 <1> │ 40 │
├───────────────────────┴────────────────────────┴────────────────────────┤
│ <1> Значения предварительные. │
└─────────────────────────────────────────────────────────────────────────┘
После испытания уплотнения и корпуса образцов не должны иметь повреждений, влияющих на нормальную работу соединителя.
25. Винты, токоведущие части и соединения
25.1. Электрические контактные и другие соединения должны выдерживать механические нагрузки, возникающие при нормальной эксплуатации.
Винты, обеспечивающие контактное нажатие, и винты, применяемые при монтаже соединителей и имеющие номинальный диаметр менее 3,5 мм, должны ввинчиваться в металлические гайку или пластину.
Соответствие проверяют осмотром, а винты и гайки, обеспечивающие контактное нажатие или служащие для монтажа соединителей, - следующим испытанием.
Винты и гайки затягивают и отпускают:
- десять раз - винты, закручиваемые в резьбу из изоляционного материала;
- пять раз - гайки и винты из других материалов.
Винты, ввинчиваемые в резьбу из изоляционного материала, должны полностью выниматься и каждый раз вновь вставляться.
Закручивание и выкручивание винтов и гаек следует проводить так, чтобы резьба из изоляционного материала не перегревалась от трения.
При испытании зажимных винтов и гаек в зажим вводят медный проводник наибольшего поперечного сечения по
таблице 3, жесткий (одно- или многожильный) для штепсельных розеток или вводных устройств и гибкий для вилок и переносных розеток.
Испытание проводят отверткой или ключом. Максимальный крутящий момент, прикладываемый для затягивания, равен указанному в таблице 15 при условии его увеличения на 20% для винтов, закрепляемых в резьбе, сделанной в отверстии, полученном методом давления, и при условии, что длина выдавленной части превышает 80% начальной толщины детали.
┌────────────┬────────────────────────┬───────────────────────────────────┐
│Метрическая │ Номинальный диаметр │ Крутящий момент, Н x м │
│стандартная │ резьбы, мм ├───────────┬───────────┬───────────┤
│ резьба, мм │ │ I │ II │ III │
├────────────┼────────────────────────┼───────────┼───────────┼───────────┤
│ 2,5 │До 2,8 включ. │ 0,2 │ 0,4 │ 0,4 │
│ 3,0 │От 2,8 до 3,0 включ. │ 0,25 │ 0,5 │ 0,5 │
│ - │" 3,0 " 3,2 " │ 0,3 │ 0,6 │ 0,6 │
│ 3,5 │" 3,2 " 3,6 " │ 0,4 │ 0,8 │ 0,8 │
│ 4,0 │" 3,6 " 4,1 " │ 0,7 │ 1,2 │ 1,2 │
│ 4,5 │" 4,1 " 4,7 " │ 0,8 │ 1,8 │ 1,8 │
│ 5,0 │" 4,7 " 5,3 " │ 0,8 │ 2,0 │ 2,0 │
│ 6,0 │" 5,3 " 6,0 " │ 1,2 │ 2,5 │ 3,0 │
│ 8,0 │" 6,0 " 8,0 " │ 2,5 │ 3,5 │ 6,0 │
│ 10,0 │" 8,0 " 10,0 " │ - │ 4,0 │ 10,0 │
│ 12,0 │" 10,0 " 12,0 " │ - │ - │ 14,0 │
│ 14,0 │" 12,0 " 15,0 " │ - │ - │ 19,0 │
│ 16,0 │" 15,0 " 20,0 " │ - │ - │ 25,0 │
│ 20,0 │" 20,0 " 24,0 " │ - │ - │ 36,0 │
│ 24,0 │" 24,0 │ - │ - │ 50,0 │
└────────────┴────────────────────────┴───────────┴───────────┴───────────┘
В отдельных случаях, по указанию изготовителя, при испытании к зажимным винтам прикладывают момент выше значений, указанных в
таблице 15.
Значения крутящего момента приведены в графе I для винтов без головки, которые, будучи затянутыми, не выступают из отверстия, и винтов, которые не могут быть затянуты отверткой, лезвие которой шире, чем диаметр винта.
Значения крутящего момента приведены в графе II для других винтов и гаек, затягиваемых отверткой, а в графе III - для винтов и гаек, затягиваемых иным способом, кроме отвертки.
После каждого ослабления зажимного винта или гайки для нового подсоединения должен использоваться новый проводник.
Если винт имеет шестигранную головку с приспособлением для затягивания отверткой, а значения в графах II и III отличаются, испытание проводят дважды: сначала прикладывают момент, указанный в графе III, к шестигранной головке, а затем на другом комплекте образцов - момент, указанный в графе II, отверткой. Если значения в графах II и III одинаковые, проводят только испытание с отверткой.
После испытания зажимных винтов и гаек зажимной узел не должен претерпевать изменений, влияющих на его дальнейшую эксплуатацию.
Примечание. Для закрытых резьбовых зажимов с прижимом гайкой номинальный диаметр равен диаметру болта со шлицем.
Для закрытых резьбовых зажимов с прижимом гайкой, в которых гайка затягивается не отверткой и для которых номинальный диаметр винта более 10 мм, значение момента - на рассмотрении.
К винтам и гайкам, которые используют для подсоединения устройства, относятся зажимы под винты и гайки, сборочные винты, винты для крепления крышек и т.п., а не соединения для ввинчиваемых изоляционных трубок и не винты для крепления штепсельных розеток и вводных устройств к установочной поверхности.
Форма лезвия испытательной отвертки должна соответствовать шлицу испытуемого винта.
Винты и гайки не должны затягиваться рывками.
Примечание. Повреждение корпусов не принимают во внимание. Винтовые соединения должны быть частично проверены испытаниями по
разделам 21 и
24.
25.2. Винты, ввинчиваемые в резьбу из изоляционного материала, которые используют во время монтажа соединителя, должны иметь резьбу не менее 3 мм плюс одна треть номинального диаметра винта или 8 мм; выбирают меньшее значение.
Должно быть гарантировано правильное вхождение винта в резьбовое отверстие.
Соответствие проверяют осмотром, измерением и испытанием вручную.
Примечание. Требование относительно правильности вхождения соблюдается, если исключено наклонное вхождение винта, например, направлением винта посредством фиксированного паза или выемки в резьбовом отверстии или использованием винта со снятой ведущей резьбой.
25.3. Электрические контактные соединения должны иметь такую конструкцию, чтобы контактное нажатие не передавалось через изоляционный материал, кроме керамики, слюды или другого материала с не менее подходящими характеристиками, если в металлических частях недостаточно гибкости для компенсации сжатия или ползучести изоляционного материала.
Соответствие проверяют осмотром.
Примечание. Пригодность материала оценивают с точки зрения его размерной стабильности.
25.4. Винты и заклепки, которые применяют как для электрических, так и для механических соединений, должны быть предохранены от самоотвинчивания.
Соответствие проверяют осмотром и испытанием вручную.
Примечание. Пружинные шайбы могут обеспечить достаточную блокировку.
Для заклепок блокировка обеспечивается применением некруглой оси или насечкой.
Герметизирующий компаунд, размягчающийся при нагревании, обеспечивает блокировку только у винтовых соединений, которые не подвергаются кручению при нормальной эксплуатации.
25.5. Токоведущие части, кроме зажимов, должны быть выполнены из:
- меди;
- сплава, содержащего по крайней мере 50% меди
- или другого металла, не менее коррозиестойкого, чем медь, и имеющего равноценные механические характеристики.
Соответствие проверяют осмотром и, при необходимости, химическим анализом.
Примечание. Требования к зажимам включены в
раздел 11.
25.6. Контакты, которые при нормальной работе подвергаются трению, должны быть из коррозиестойкого металла.
Пружины, обеспечивающие эластичность контактных гнезд, должны быть из коррозиестойкого металла или металла, обеспечивающего аналогичную защиту от коррозии.
Соответствие проверяют осмотром и, при необходимости, химическим анализом.
Примечание. Испытание на определение коррозиестойкости или адекватности защиты от коррозии - на рассмотрении.
26. Пути утечки, воздушные зазоры и расстояния по изоляции
26.1. Пути утечки, воздушные зазоры и расстояния по изоляции должны быть не менее указанных в таблице 16.
Таблица 16
┌─────────────────────────────────────┬───────────────────────────────────┐
│ Пути утечки, воздушные зазоры │ Напряжение по изоляции │
│ и расстояния по изоляции │ соединителя, В │
│ ├─────────┬───────┬────────┬────────┤
│ │ До 50 │Св. 50 │Св. 415 │Св. 500 │
│ │ включ. │до 415 │ до 500 │ │
│ │ │включ. │ включ. │ │
├─────────────────────────────────────┼─────────┼───────┼────────┼────────┤
│Пути утечки: │ │ │ │ │
│ 1 между частями под напряжением │ 3 │ 4 │ 6 │ 10 │
│разной полярности │ │ │ │ │
│ 2 между частями под напряжением │ 3 │ 4 │ 6 │ 10 │
│и доступными металлическими частями; │ │ │ │ │
│заземляющими контактами, крепежными │ │ │ │ │
│винтами и аналогичными │ │ │ │ │
│приспособлениями; наружными винтами, │ │ │ │ │
│кроме винтов на закрепляющей │ │ │ │ │
│поверхности вилок и изолированных │ │ │ │ │
│от заземляющих контактов │ │ │ │ │
├─────────────────────────────────────┼─────────┼───────┼────────┼────────┤
│Воздушные зазоры: │ │ │ │ │
│ 3 между частями под напряжением │ 2,5 │ 4 │ 6 │ 8 │
│разной полярности │ │ │ │ │
│ 4 между частями под напряжением │ 2,5 │ 4 │ 6 │ 8 │
│и доступными металлическими частями, │ │ │ │ │
│заземляющими контактами, крепежными │ │ │ │ │
│винтами и аналогичными │ │ │ │ │
│приспособлениями; наружными винтами, │ │ │ │ │
│кроме винтов на закрепляющей │ │ │ │ │
│поверхности вилок и изолированных │ │ │ │ │
│от заземляющих контактов │ │ │ │ │
│ 5 между частями под напряжением │ 4 │ 6 │ 10 │ 10 │
│и металлическими корпусами, если они │ │ │ │ │
│не покрыты изоляционным материалом; │ │ │ │ │
│поверхностью, на которой смонтирована│ │ │ │ │
│нижняя часть штепсельной розетки │ │ │ │ │
│ 6 между частями под напряжением │ 4 │ 5 │ 10 │ 10 │
│и нижней частью любой выемки для │ │ │ │ │
│проводников в нижней части розетки │ │ │ │ │
├─────────────────────────────────────┼─────────┼───────┼────────┼────────┤
│Расстояния по изоляции: │ │ │ │ │
│ 7 между частями под напряжением │ 2,5 │ 4 │ 6 │ 6 │
│и покрытыми слоем изолирующего │ │ │ │ │
│компаунда толщиной по крайней мере │ │ │ │ │
│2,5 мм и поверхностью, на которой │ │ │ │ │
│лежит основание штепсельной розетки │ │ │ │ │
│ 8 между частями под напряжением │ 2,5 │ 4 │ 5 │ 5 │
│и покрытыми слоем изолирующего │ │ │ │ │
│компаунда толщиной по крайней мере │ │ │ │ │
│2 мм и нижней частью любой выемки для│ │ │ │ │
│проводников в основании штепсельной │ │ │ │ │
│розетки │ │ │ │ │
└─────────────────────────────────────┴─────────┴───────┴────────┴────────┘
Соответствие проверяют измерением.
Для соединителей со съемным кабелем измерения выполняют на образце с подключенными проводниками наибольшего поперечного сечения из указанных в
таблице 3, а также без проводников.
Для соединителей с несъемным кабелем измерения выполняют на образце в состоянии поставки.
Штепсельные и переносные розетки проверяют в сочлененном положении, а также в расчлененном положении без вилки.
Примечание. Щель шириной менее 1 мм при определении пути утечки не учитывают. Воздушный зазор менее 1 мм во внимание не принимают.
К поверхности, на которой расположено основание штепсельной розетки, относится любая поверхность, с которой контактирует основание штепсельной розетки при ее установке. Если основание снабжено металлической пластиной на задней стороне, то эту пластину не считают установочной поверхностью.
26.2. Изолирующий компаунд не должен выходить за края полости, в которую его заливают.
Соответствие проверяют осмотром.
27. Теплостойкость, огнестойкость и трекингостойкость
27.1. Соединители должны быть теплостойкими.
Соответствие проверяют испытаниями по 27.2 и
27.3.
27.2. Образцы выдерживают в течение 1 ч в нагревательном шкафу при температуре (100 +/- 5) °C.
Соединители не должны претерпевать никаких изменений, влияющих на их дальнейшую эксплуатацию; изолирующий компаунд не должен растекаться до такой степени, чтобы оголились токоведущие части.
Маркировка должна легко читаться.
Примечание. Легким смещением изолирующего компаунда можно пренебречь.
27.3. Части из изоляционного материала подвергают испытанию давлением шарика с помощью установки, показанной на
рисунке 10.
Поверхность испытуемой части помещают в горизонтальное положение, стальной шарик диаметром 5 мм прижимают к поверхности с силой 20 Н.
Испытание проводят в нагревательном шкафу при температуре:
(125 +/- 5) °C - для частей, несущих токоведущие части разборных соединителей;
(80 +/- 3) °C - для других частей.
Через 1 ч шарик снимают и измеряют диаметр вмятины. Для деформируемых материалов этот диаметр не должен превышать 2 мм.
Примечание. Испытание для эластомерных материалов - в стадии рассмотрения.
Испытание не проводят на частях из керамического материала.
27.4. Наружные части из изоляционного материала и изолирующие детали, несущие токоведущие части, должны быть из термостойких и негорючих материалов.
Соответствие проверяют испытанием раскаленной проволокой в соответствии с
ГОСТ 27483 с учетом требований настоящего стандарта.
| | ИС МЕГАНОРМ: примечание. В официальном тексте документа, видимо, допущена опечатка: рисунок 11б отсутствует. Возможно, имеется в виду рисунок 11b. | |
Кусок сосновой доски толщиной примерно 10 мм, покрытый одним слоем папиросной бумаги, помещают на расстоянии (200 +/- 5) мм ниже места, где раскаленную проволоку прикладывают к соединителю.
Температура на конце раскаленной проволоки:
(650 +/- 10) °C - для частей из изоляционного материала, на которых не крепят токоведущие части и части заземляющей цепи, даже если они контактируют с ними;
Примечание. Испытания не проводят на прокладках и изолирующих компаундах.
(850 +/- 15) °C - для частей из изоляционного материала, необходимых для закрепления токоведущих частей и частей заземляющей цепи.
Длительность прикладывания усилия - (30 +/- 1) с. Величина усилия - 1 Н.
До начала испытания соединители выдерживают в течение 24 ч при температуре от 15 до 35 °C и относительной влажности от 45 до 75%.
Раскаленную проволоку прикладывают в следующих местах:
- в середине наружной части из каждого материала, за исключением прокладок и изолирующих компаундов;
- в середине изолирующей части из каждого материала, несущей токоведущие части.
Раскаленную проволоку прикладывают к плоским поверхностям, а не к пазам, отверстиям, узким углублениям или острым краям, и, если возможно, на расстоянии не менее 9 мм от краев соединителя. Глубина проникания проволоки в соединитель должна быть ограничена 7 мм.
Испытание проводят на одном образце. В случае сомнения в результатах испытания, проводят повторное испытание еще на двух образцах.
Соединители считают выдержавшими испытание раскаленной проволокой, если:
- нет видимого пламени или тления;
- пламя или тление образца или прилегающих к нему частей исчезает в течение 30 с после отвода проволоки, а прилегающие части не сгорели полностью.
Не должно иметь место возгорание папиросной бумаги.
27.5. Изоляционные части, находящиеся под напряжением, должны быть из трекингостойкого материала.
Для материалов, кроме керамики, соответствие проверяют следующим испытанием.
Испытуемую часть с плоской поверхностью размером по крайней мере 15 x 15 мм помещают в горизонтальное положение.
Два электрода из платины или другого достаточно коррозиестойкого материала, размеры которых указаны на
рисунке 12, помещают на поверхности образца, при этом закругленные края электродов находятся в контакте с образцом по всей их длине.
Усилие прижима каждого электрода к поверхности испытуемого образца ~= 1 Н.
Электроды включают в электрическую цепь переменного тока напряжением 175 В частотой 50 - 60 Гц, в основном синусоидальной формы. Полное сопротивление цепи при короткозамкнутых электродах регулируют реостатом так, что ток составляет (1,0 +/- 0,1) А, а

равен 0,9 - 1,0. В цепь включают реле максимального тока с временем срабатывания по крайней мере 0,5 с.
Поверхность образца смачивают каплями раствора нашатыря в дистиллированной воде для заполнения пространства между электродами. Раствор имеет объемное удельное сопротивление 400 Ом при температуре 25 °C и концентрации около 0,1%. Капли имеют объем

и падают с высоты 30 - 40 мм.
Интервал времени между падением капель - (30 +/- 5) с.
До того, как упадут 50 капель, не должно происходить короткого замыкания или пробоя.
Примечание. До начала каждого испытания необходимо проверить, чтобы электроды были чистыми, правильной формы и правильно установлены.
В случае сомнения испытание повторяют на новом комплекте образцов. Испытание не проводят на соединителях с номинальным рабочим напряжением не более 50 В.
Применение этого испытания - в стадии рассмотрения.
Стальные части, в том числе корпуса, должны иметь защиту от коррозии.
Примечание. Если коррозия представляет проблему для электрических частей, рекомендуется степень защиты для соединителей IP67.
Для специфических условий эксплуатации изготовителем должны быть даны специальные указания относительно коррозиестойкости изделия.
Соответствие проверяют следующим испытанием.
Со всех испытуемых деталей снимают смазку путем погружения в четыреххлористый углерод, трихлорэтан или в другое обезжиривающее средство на 10 мин. Затем части погружают на 10 мин в 10%-ный раствор хлористого аммиака в воде при температуре (20 +/- 5) °C.
Без сушки, после стряхивания капель, детали помещают на 10 мин в ящик, содержащий насыщенный влагой воздух при температуре (20 +/- 5) °C.
После того, как детали подсохнут в течение 10 мин в нагревательном шкафу при температуре (100 +/- 5) °C, их поверхность не должна иметь следов ржавчины.
Примечание. Во внимание не принимают следы ржавчины на острых краях и желтую пленку, снимаемую трением.
В небольших винтовых пружинах и недоступных деталях, подверженных трению и т.п., слой смазки может обеспечить достаточную защиту от коррозии. Такие детали подвергают испытанию только в случае, если нет сомнения в эффективности жировой пленки. В этом случае испытание выполняют без предварительного снятия смазки.
29. Устойчивость к воздействию токов короткого замыкания
29.1. Штепсельные розетки и вилки должны выдерживать минимальное значение ожидаемого тока короткого замыкания 10 кА или большее значение, указанное изготовителем.
Соответствие проверяют испытанием каждой штепсельной розетки и вилки на новом образце, удовлетворяющем настоящему стандарту.
29.2. Номинальные параметры и условия испытаний
Испытание проводят на новых штепсельной розетке и вилке, смонтированных как при нормальной эксплуатации и подсоединенных согласно указаниям
29.3.
Разное число полюсов для одного и того же номинального тока и одинаковой конструкции рассматривают в качестве типопредставителя.
| | ИС МЕГАНОРМ: примечание. Взамен ГОСТ Р 50339.0-92 Постановлением Госстандарта России от 26.12.2003 N 387-ст с 1 января 2005 года введен в действие ГОСТ Р 50339.0-2003. | |
Устройством защиты от короткого замыкания должен быть плавкий предохранитель типа gG общего назначения, соответствующий требованиям ГОСТ Р 50339.0,
ГОСТ Р 50339.1 и имеющий номинальные параметры, аналогичные параметрам штепсельных розеток и вилок.
В случае, когда предохранитель с номинальным током, равным номинальному току испытуемых штепсельной розетки и вилки, не существует, должен использоваться предохранитель со следующим

по величине номинальным значением. Технические характеристики предохранителя, а также значение его тока отсечки должны быть указаны в протоколе испытаний.
Предохранитель (F1) должен быть установлен между источником питания и испытуемыми штепсельной розеткой и вилкой.
Испытательное напряжение должно быть аналогично номинальному рабочему напряжению испытуемых штепсельной розетки и вилки.
Для этого испытания не указывают ни значение коэффициента мощности, ни значение постоянной времени.
Допускаемые при испытании отклонения:
- тока ............ 95 - 105%;
- напряжения ...... 100 - 105%;
- частоты ......... 95 - 105%.
a) На
рисунках 16 -
18 показаны схемы цепей, используемых при испытании:
- однофазных двухполюсных соединителей переменного или постоянного тока
(рисунок 16);
- трехфазных трехполюсных соединителей переменного тока
(рисунок 17);
- трехфазных четырехполюсных четырехпроводных соединителей переменного тока
(рисунок 18).
b) Источник S питает цепь, включающую резисторы R1, катушки индуктивности X и испытуемые соединители D.
Во всех случаях источник питания должен быть достаточно мощным, чтобы позволить провести проверку характеристик, заданных изготовителем.
c) В каждой испытательной цепи (
рисунки 16 -
18) резисторы и катушки индуктивности включены между источником питания S и испытуемым соединителем D. Положение замыкающего устройства A и токочувствительных устройств (I1, I2, I3) может быть различным.
Должна существовать только одна точка испытательной цепи, которая заземлена; это может быть замкнутый накоротко проводник испытательной цепи нулевой точки источника питания или любая другая соответствующая точка.
d) Все части соединителей, нормально заземленные при эксплуатации, включая заземляющий контакт и блок-контакт, корпуса или экраны, должны быть изолированы от земли и подсоединены к точке, как показано на
рисунках 16 -
18.
Это соединение должно содержать плавкий элемент F2, состоящий из медного проводника диаметром 0,8 мм и длиной по крайней мере 50 мм или плавкого элемента 30/35 А для обнаружения тока короткого замыкания.
Подсоединение испытуемых соединителей должно выполняться медными проводниками, имеющими площадь поперечного сечения, указанную в
таблице 3, а длину - как можно меньше, но не более 1 м с каждой стороны.
29.4. Калибровка
Калибровку испытательной цепи выполняют размещением временных соединений B с незначительным полным сопротивлением как можно ближе к выводам, предназначенным для подсоединения испытуемых соединителей.
29.5. Методика испытаний
Временные соединения B заменяют испытуемыми соединителями. Цепь замыкают на пиковое значение ожидаемого тока, по крайней мере равное условному току короткого замыкания, выдерживаемому испытуемыми соединителями.
29.6. Поведение испытуемых соединителей
Во время испытания соединители не должны ни представлять опасности для оператора, ни повреждать соседнее оборудование.
Между полюсами не должно быть ни дуги, ни перекрытия, а также не должно быть расплавления предохранителя (F2) в цепи обнаружения повреждения открытых токопроводящих частей.
29.7. Правила приемки
Соединители должны оставаться механически работоспособными.
Не допускается приваривание контактов, способное помешать операции размыкания с использованием обычных средств управления.
| | ИС МЕГАНОРМ: примечание. В официальном тексте документа, видимо, допущена опечатка: подпункт б) в пунктах 19.2.1 и 19.2.2 отсутствует. | |
Сразу же после испытания соединители должны выдержать испытания на электрическую прочность изоляции по
19.3 с соблюдением условий подачи напряжения между частями в соответствии с
19.2.1, б) или
19.2.2, б), что подходит.
30. Электромагнитная совместимость
30.1. Устойчивость к электромагнитным помехам
На работу соединителей при нормальной эксплуатации, с точки зрения области применения настоящего стандарта, не влияют электромагнитные помехи.
30.2. Излучение электромагнитных помех
Соединители в пределах области распространения настоящего стандарта, предназначенные для длительного использования, при нормальной эксплуатации не генерируют электромагнитные помехи.
(обязательное)
ДЕЙСТВИЯ И ОПИСАНИЕ ИСПЫТАТЕЛЬНОЙ УСТАНОВКИ
А.1. Маятник и опора
Повторяемость и воспроизводимость испытания на ударостойкость зависят от конструкции испытательной установки. Факторами, влияющими на получаемые результаты, являются положение центра удара маятника, общая масса маятника, радиус ударной части молотка, материал молотка и жесткость установочной панели. На примере установки маятник имеет такую конструкцию, что точка удара совпадает с центром удара. Любое изменение конструкции маятника не должно изменять центр удара. Кроме того, любое изменение массы маятника или момента инерции не должно менять ударную характеристику и угол отклонения.
Центр удара - это точка приложения полного момента количества движения тела, выраженного единичным вектором, равного

, где m - масса тела,

- скорость центра тяжести. Центр удара l можно вычислить по формуле
| | ИС МЕГАНОРМ: примечание. Формула дана в соответствии с официальным текстом документа. | |
l = I/md, (А.1)
где i - момент инерции вокруг оси вращения, кг x м2;
m - масса, кг;
d - расстояние от оси вращения до центра тяжести, м.
Изменение радиуса ударной части молотка и материала также влияет на ударную характеристику посредством изменения контактной площади удара и длительности импульса.
Установочная панель должна быть достаточно массивной и жесткой с тем, чтобы исключить влияние на результаты испытаний. Вследствие значительной массы, перемещение установочной панели незначительно. Жесткость основания обеспечивает отсутствие накопления или потери энергии при испытании на ударостойкость.
А.2. Энергия удара и угол отклонения
С точки зрения данного испытания, энергия удара определяется как потенциальная энергия маятника до его отклонения.

, (А.2)
где m - масса;
g - ускорение вследствие гравитации;

- вертикальное смещение центра тяжести маятника.
Угол отклонения, в градусах, от вертикали измерен во избежание путаницы относительно точки измерения высоты отклонения. Угол находят из тригонометрической зависимости между

и d.
А.3. Описание испытательной установки
Маятник, приведенный на
рисунках А.1 -
А.7, используют для получения ударной энергии желаемого уровня, соответствующего настоящему стандарту, а также уровней энергии, вопрос о которых в стадии рассмотрения. В частности, испытательная установка - это физический маятник, состоящий из шарнира, трубчатой стальной оси, конца оси, молотка или пятки, двух грузов массой по 0,25 кг; расстояние между осью вращения и ударной частью молотка составляет 1 м. Ударная часть молотка соответствует центру удара маятника. Положение грузов определяет сохранение положения центра удара.
Для испытаний грузы массой 0,5 и 1,0 кг устанавливают на конце оси маятника в самых нижнем и верхнем установочных отверстиях соответственно.
Рабочие параметры, определяющие действие маятника:
- с грузом массой 0,5 кг:
масса маятника ...................................... 1,44 кг
момент инерции ...................................... 1,17 кг x м2
расстояние до центра тяжести ........................ 0,776 м
- с грузом массой 1,0 кг:
масса маятника ...................................... 1,93 кг
момент инерции ...................................... 1,61 кг x м2
расстояние до центра тяжести ........................ 0,833 м.
Таблица А.1
Углы отклонения маятника при испытании на ударостойкость
┌───────────────────┬───────────────────┬─────────────────────────────────┐
│ Энергия удара, Дж │ Масса груза, кг │ Угол отклонения (от вертикали) │
├───────────────────┼───────────────────┼─────────────────────────────────┤
│ 1 │ 0,5 │ 25° │
├───────────────────┤ ├─────────────────────────────────┤
│ 2 │ │ 35° │
├───────────────────┼───────────────────┼─────────────────────────────────┤
│ 3 │ 1,0 │ 36° │
├───────────────────┤ ├─────────────────────────────────┤
│ 4 │ │ 42° │
├───────────────────┤ ├─────────────────────────────────┤
│ 5 │ │ 47° │
├───────────────────┤ ├─────────────────────────────────┤
│ 6 │ │ 52° │
└───────────────────┴───────────────────┴─────────────────────────────────┘
(обязательное)
ДОПОЛНИТЕЛЬНЫЕ ТРЕБОВАНИЯ
И МЕТОДЫ ИСПЫТАНИЙ, УЧИТЫВАЮЩИЕ ПОТРЕБНОСТИ ЭКОНОМИКИ СТРАНЫ
И ТРЕБОВАНИЯ ДЕЙСТВУЮЩИХ ГОСУДАРСТВЕННЫХ СТАНДАРТОВ
Б.1. Виды климатических исполнений - по
ГОСТ 15150.
Виды климатических исполнений и номинальные значения климатических факторов должны устанавливаться в стандартах и технических условиях на соединители и их составные части конкретных серий и типов.
Б.2. Маркировка соединителей и их составных частей - в соответствии с
ГОСТ 18620 и настоящим стандартом.
Б.3. Номинальные значения механических внешних воздействующих факторов - по
ГОСТ 17516.1 и должны устанавливаться в стандартах и технических условиях на соединители и их составные части конкретных серий и типов.
Б.4. Допускается присоединять проводники к выводам соединителей и их составных частей пайкой.
Требования по выполнению пайки и режим пайки должны устанавливаться в технической документации на соединители и их составные части конкретных серий.
Б.5. Конструкция соединителей должна соответствовать требованиям безопасности по
ГОСТ 12.2.007.0.
Классы соединителей по способу защиты человека от поражения электрическим током должны быть установлены в стандартах и технических условиях на соединители и их составные части конкретных серий.
Б.6. Механическая износостойкость соединителей не должна быть менее числа циклов, устанавливаемых в стандартах и технических условиях на соединители и их составные части конкретных серий и типов, и выбирается из следующего ряда: 4000, 6300, 10000, 15000, 20000 циклов.
Механическую износостойкость проверяют на стенде с помощью приспособления, имитирующего ручное сочленение-расчленение, или вручную.
Соединители и их составные части считают выдержавшими испытание, если после произведенного числа циклов, заданных в стандартах и технических условиях на соединители и их составные части конкретных серий и типов, они соответствуют
разделу 21.
Б.7. Транспортирование и хранение соединителей и их составных частей - по
ГОСТ 23216.
Условия транспортирования и хранения и допустимые сроки сохраняемости должны устанавливаться в стандартах и технических условиях на соединители и их составные части конкретных серий.
Б.8. Упаковка и временная противокоррозионная защита для условий транспортирования и хранения по
ГОСТ 23216 должна устанавливаться в стандартах и технических условиях на соединители и их составные части конкретных серий.
Б.9. Виды испытаний соединителей и их составных частей - по
ГОСТ 16504.
Для проверки соответствия соединителей и их составных частей требованиям настоящего стандарта, а также стандартов и технических условий на соединители и их составные части конкретных серий и типов изготовитель проводит приемо-сдаточные испытания, а при постановке на производство - квалификационные.
Испытания на воздействие климатических, механических внешних воздействующих факторов проводят по
ГОСТ 16962.1,
ГОСТ 16962.2, и они должны устанавливаться в стандартах и технических условиях на соединители и их составные части конкретных серий и типов.
Б.10. Гарантии изготовителя
Изготовитель гарантирует соответствие соединителей и их составных частей требованиям настоящего стандарта при соблюдении условий эксплуатации, транспортирования и хранения, установленных настоящим стандартом.
Гарантийный срок эксплуатации - не менее двух лет со дня ввода в эксплуатацию и устанавливается в стандартах и технических условиях на соединители и их составные части конкретных серий и типов.
1 - панельная розетка; 2 - вилка; 3 - гибкий кабель;
4 - кабельная розетка; 5 - прибор; 6 - приборный ввод
Рисунок 1. Схема применения соединителя
Неуказанные предельные отклонения:
- угловых размеров: ... -1°
- линейных размеров:
до 25 мм ... -0,05
св. 25 мм ... +/- 0,2.
Материал пальца: термообработанная углеродистая сталь.
Оба шарнира пальца могут изгибаться под углом

, но только в одном направлении.
Использование штифта и канавки - один из вариантов ограничения угла изгиба шарнира на угол 90°. Поэтому размеры данных деталей и их предельные отклонения на рисунке не указаны. Реальная конструкция пальца должна обеспечивать угол изгиба в шарнире

.
Рисунок 2. Стандартный испытательный палец
1 - трубка; 2 - образец
Внутренний диаметр трубки 15 мм.
По внутренней стенке изогнутой по дуге трубки выполнены отверстия диаметром 0,4 мм, расстояния между центрами отверстий 50 мм.
Трубка отклоняется в обе стороны от вертикали на угол 60°.
Рисунок 4. Разбрызгиватель
Рисунок 5. Схема испытаний на отключающую способность
и нормальную эксплуатацию
1 - испытуемый образец; 2 - колено;
3 - эксцентрик; 4 - груз
Рисунок 6. Устройство для испытания крепления кабеля
в соединителе
1 - панель из фанеры; 2 - маятник; 3 - образец;
4 - монтажная плита; 5 - нижняя плита;
6 - фиксирующие штыри; 7 - винты крепления
Рисунок 7. Установка для испытаний на ударостойкость
Рисунок 8. Устройство для испытания вилок
и кабельных розеток на механическую прочность
1 - устройство крепления образца; 2 - ось колебаний;
3 - груз
Рисунок 9. Устройство для испытания на изгиб
1 - стальной шарик; 2 - образец
Рисунок 10. Установка для испытаний давлением шарика
1 - фиксатор образца; 2 - каретка; 3 - шнур натяжения;
4 - основание; 5 - груз; 6 - скос; 7 - шкала измерения
пламени; 8 - шкала измерения глубины проникновения;
9 - раскаленная петля; 10 - отверстие в основании
для падения продуктов горения
Рисунок 11a. Испытательная установка (вариант)
1 - раскаленная петля, запаянная в стойки; 2 - термопара;
3 - стойка
Рисунок 11b. Раскаленная петля и закрепленная термопара
1 - электрод; 2 - образец
Рисунок 12. Конструкция и положение на образце электродов
для испытаний на стойкость к скользящим токам
Максимальные сечения проводников и соответствующие им щупы
Сечения проводников, мм2 | Диаметр d, мм |
Гибких | Жестких многожильных и одножильных | Номин. | Пред. откл. |
1,5 | 1,5 | 2,4 | -0,05 |
2,5 | 4,0 | 2,8 | -0,05 |
4,0 | 6,0 | 3,6 | -0,06 |
6,0 | 10,0 | 4,3 | -0,06 |
10,0 | - | 5,3 | -0,06 |
16,0 | 25,0 | 6,9 | -0,07 |
50,0 | 70,0 | 12,0 | -0,08 |
70,0 | - | 14,0 | -0,08 |
- | 150,0 | 18,0 | -0,08 |
150,0 | 185,0 | 20,0 | -0,08 |
Материал щупов - сталь.
Рисунок 13. Щупы (калибры) для испытаний возможности
присоединения к выводам проводников максимального сечения
Рисунок 14. Примеры выводов
1 - панель; 2 - гильза; 3 - диск; 4 - груз
Рисунок 15. Установка для испытаний проводников на изгиб
S - питание; Ur1, Ur2, Ur3 - датчики напряжения;
V - вольтметр; A - замыкатель; R1 - регулируемое
сопротивление; N - нейтраль (искусственная нейтраль);
F2 - плавкий элемент; X - регулируемая индуктивность;

- токоограничивающее сопротивление; D - испытуемый аппарат
(с присоединенными проводниками); F1 - предохранители;
B - перемычки для настройки контура; I1, I2 - датчики тока;
T - точка заземления (на стороне нагрузки или питания);
r - корректирующее сопротивление; P - заземляющий контакт
Примечания. 1. Регулируемые элементы настройки контура X и R1 могут располагаться как на низкой, так и на высокой стороне питания, замыкатель A должен располагаться только на низкой стороне.
2. Датчики напряжения могут включаться также между фазой и нейтралью.
Рисунок 16. Схема испытательной цепи для проверки
устойчивости двухфазного соединителя к току короткого
замыкания в цепях переменного или постоянного тока
S - питание; Ur1, Ur2, Ur3, Ur4, Ur5, Ur6 - датчики
напряжения; V - вольтметр; A - замыкатель; R1 - регулируемое
сопротивление; N - нейтраль (искусственная нейтраль);
F2 - плавкий элемент; X - регулируемая индуктивность;

- токоограничивающее сопротивление; D - испытуемый
аппарат (с присоединенными проводниками);
F1 - предохранители; B - перемычки для настройки контура;
I1, I2, I3 - датчики тока; T - точка заземления
(на стороне нагрузки или питания); r - корректирующее
сопротивление; P - заземляющий контакт
Примечания. 1. Регулируемые элементы настройки контура X и R1 могут располагаться как на низкой, так и на высокой стороне питания, замыкатель A должен располагаться только на низкой стороне.
2. Датчики напряжения могут включаться также между фазой и нейтралью.
Рисунок 17. Схема испытательной цепи для проверки
устойчивости трехфазного соединителя
к току короткого замыкания
S - питание; Ur1, Ur2, Ur3, Ur4, Ur5, Ur6 - датчики
напряжения; V - вольтметр; A - замыкатель; R1 - регулируемое
сопротивление; N - нейтраль (искусственная нейтраль);
F2 - плавкий элемент; X - регулируемая индуктивность;

- токоограничивающее сопротивление; D - испытуемый
аппарат (с присоединенными проводниками);
F1 - предохранители; B - перемычки для настройки контура;
I1, I2, I3 - датчики тока; T - точка заземления
(на стороне нагрузки или питания); r - корректирующее
сопротивление; P - заземляющий контакт
Примечания. 1. Регулируемые элементы настройки контура X и R1 могут располагаться как на низкой, так и на высокой стороне питания, замыкатель A должен располагаться только на низкой стороне.
2. Датчики напряжения могут включаться также между фазой и нейтралью.
| | ИС МЕГАНОРМ: примечание. Нумерация рисунков дана в соответствии с официальным текстом документа. | |
Рисунок 17. Схема испытательной цепи для проверки
устойчивости четырехфазного соединителя
к току короткого замыкания
1 - алюминиевая опора; 2 - стальная труба (диаметр 10 мм,
толщина стенки 1 мм); 3 - стальной брус (квадрат 19 x 19 мм,
длина 120 мм); 4 - набор грузов; 5 - ударный диск
(стальной круг диаметром 50 мм)
Примечание. Набор грузов состоит из двух грузов по 0,25 кг (масса 0,5 кг) или четырех грузов по 0,25 кг (масса 1 кг). Материал грузов - сталь.
Рисунок А.1. Установка для испытаний на удар. Общий вид
Таблица А.1
Угол отклонения груза при ударе
Уровень энергии удара, Дж | Масса груза, кг | Угол отклонения (от вертикали) |
1 | 0,5 | 25° |
2 | 0,5 | 35° |
3 | 1,0 | 36° |
4 | 1,0 | 42° |
5 | 1,0 | 47° |
6 | 1,0 | 52° |
Таблица А.2.1
Число грузов в наборе и размеры отверстий груза
Размеры отверстий, мм | Число грузов |
Для набора грузов массой 0,5 кг | Для набора грузов массой 1 кг |
Диаметр 8,4 | - | 2 |
Резьба М8 x 1,25 | 1 | 1 |
Диаметр 8,4, углубление под головку болта диаметром 14,25 и глубиной 8 | 1 | 1 |
Таблица А.2.2
Число болтов в наборе для крепления грузов
Размеры болтов, мм | Число болтов |
Для набора грузов массой 0,5 кг | Для набора грузов массой 1 кг |
М8 x 1,25 x 43 | 1 | - |
М8 x 1,25 x 75 | - | 1 |
Примечания. 1. Материал грузов и болтов - сталь.
2. Болты должны быть с головкой под внутренний шестигранник. Допускается применять винты с головкой диаметром не более 13,5 мм.
Примечание. Материал детали - сталь.
Рисунок А.3. Установка для испытаний на удар.
Конструкция бруса крепления грузов и ударного диска
Примечание. Материал детали - сталь.
Рисунок А.4. Установка для испытаний на удар.
Конструкция ударного диска
Примечание. Материал детали - стальная труба с толщиной стенки 1 мм.
Рисунок А.5. Установка для испытаний на удар.
Конструкция трубы
Примечание. Материал детали - алюминий.
Рисунок А.6. Установка для испытаний на удар.
Конструкция подвеса
1 - крепежное отверстие; 2 - отверстие для монтажа
аппаратов утопленного исполнения; 3 - отверстия
для соединения штифтами (в т.ч. клиновыми)
Материал плит - сталь.
Примечание. Допускается отверстие 2 не выполнять.
Рисунок А.7. Установка для испытаний на удар.
Конструкции нижней и монтажной плиты
(справочное)
БИБЛИОГРАФИЯ <*>
--------------------------------
<*> Международные стандарты МЭК и их переводы находятся во Всероссийском научно-исследовательском институте классификации, терминологии и информации по стандартизации и качеству (ВНИИКИ).
Адрес: 103001, МОСКВА, Гранатный пер., 4.
[1] МЭК 60050-84. Международный электротехнический словарь. Глава 441. Аппаратура распределения и управления и плавкие предохранители
[2] МЭК 60664-1-92. Координация изоляции в оборудовании низковольтных систем. Часть 1. Принципы устройства, требования и испытания
[3] МЭК 60228-78. Проводники изолированных кабелей.