Главная // Актуальные документы // ГОСТ Р (Государственный стандарт)СПРАВКА
Источник публикации
М.: Стандартинформ, 2008
Примечание к документу
Документ утратил силу с 1 января 2014 года в связи с изданием
Приказа Росстандарта от 22.07.2013 N 403-ст. Взамен введен в действие
ГОСТ 30804.4.4-2013.
Документ включен в
Перечень национальных стандартов, содержащих правила и методы исследований (испытаний) и измерений, в том числе правила отбора образцов, необходимые для применения и исполнения технического
регламента о безопасности объектов внутреннего водного транспорта и осуществления оценки соответствия (
Распоряжение Правительства РФ от 29.06.2011 N 1100-р).
Введен в действие с 1 июля 2008 года.
Название документа
"ГОСТ Р 51317.4.4-2007 (МЭК 61000-4-4:2004). Национальный стандарт Российской Федерации. Совместимость технических средств электромагнитная. Устойчивость к наносекундным импульсным помехам. Требования и методы испытаний"
(утв. Приказом Ростехрегулирования от 27.12.2007 N 540-ст)
"ГОСТ Р 51317.4.4-2007 (МЭК 61000-4-4:2004). Национальный стандарт Российской Федерации. Совместимость технических средств электромагнитная. Устойчивость к наносекундным импульсным помехам. Требования и методы испытаний"
(утв. Приказом Ростехрегулирования от 27.12.2007 N 540-ст)
Утвержден и введен в действие
Приказом Ростехрегулирования
от 27 декабря 2007 г. N 540-ст
НАЦИОНАЛЬНЫЙ СТАНДАРТ РОССИЙСКОЙ ФЕДЕРАЦИИ
СОВМЕСТИМОСТЬ ТЕХНИЧЕСКИХ СРЕДСТВ ЭЛЕКТРОМАГНИТНАЯ
УСТОЙЧИВОСТЬ К НАНОСЕКУНДНЫМ ИМПУЛЬСНЫМ ПОМЕХАМ
ТРЕБОВАНИЯ И МЕТОДЫ ИСПЫТАНИЙ
Electromagnetic compatibility of technical equipment.
Immunity to nanosecond impulsive disturbance.
Requirements and test methods
IEC 61000-4-4:2004
Electromagnetic compatibility (EMC) - Part 4-4:
Testing and measurement techniques -
Electrical fast transient/burst immunity test
(MOD)
ГОСТ Р 51317.4.4-2007
(МЭК 61000-4-4:2004)
Группа Э02
Дата введения
1 июля 2008 года
Цели и принципы стандартизации в Российской Федерации установлены Федеральным
законом от 27 декабря 2002 г. N 184-ФЗ "О техническом регулировании", а правила применения национальных стандартов Российской Федерации -
ГОСТ Р 1.0-2004 "Стандартизация в Российской Федерации. Основные положения".
1. Разработан ЗАО "Научно-испытательный центр "САМТЭС" и Техническим комитетом по стандартизации ТК 30 "Электромагнитная совместимость технических средств" на основе собственного аутентичного перевода стандарта, указанного в
пункте 4.
2. Внесен Техническим комитетом по стандартизации ТК 30 "Электромагнитная совместимость технических средств".
3. Утвержден и введен в действие Приказом Федерального агентства по техническому регулированию и метрологии от 27 декабря 2007 г. N 540-ст.
| | ИС МЕГАНОРМ: примечание. Дополнительные положения и требования, выделенные курсивом в официальном тексте документа, в электронной версии документа отмечены знаком "&". | |
4. Настоящий стандарт является модифицированным по отношению к международному стандарту МЭК 61000-4-4:2004 "Электромагнитная совместимость (ЭМС) - Часть 4-4: Методы испытаний и измерений - Испытания на устойчивость к электрическим быстрым переходным процессам/пачкам" (IEC 61000-4-4:2004 "Electromagnetic compatibility (EMC) - Part 4-4: Testing and measurement techniques - Electrical fast transient/burst immunity test"). При этом дополнительные положения и требования, включенные в текст стандарта для учета потребностей национальной экономики Российской Федерации и особенностей российской национальной стандартизации, выделены в тексте стандарта курсивом.
Наименование настоящего стандарта изменено относительно наименования указанного международного стандарта для приведения в соответствие с ГОСТ Р 1.5-2004 (
пункт 3.5).
При применении настоящего стандарта рекомендуется использовать вместо ссылочных международных стандартов соответствующие им национальные стандарты Российской Федерации, сведения о которых приведены в дополнительном
Приложении В.
Информация об изменениях к настоящему стандарту публикуется в ежегодно издаваемом информационном указателе "Национальные стандарты", а текст изменений и поправок - в ежемесячно издаваемых информационных указателях "Национальные стандарты". В случае пересмотра (замены) или отмены настоящего стандарта соответствующее уведомление будет опубликовано в ежемесячно издаваемом информационном указателе "Национальные стандарты". Соответствующая информация, уведомления и тексты размещаются также в информационной системе общего пользования - на официальном сайте Федерального агентства по техническому регулированию и метрологии в сети Интернет.
Предисловие к МЭК 61000-4-4:2004
Международный стандарт МЭК 61000-4-4:2004 разработан подкомитетом 77В "Высокочастотные электромагнитные помехи" Технического комитета МЭК ТК 77 "Электромагнитная совместимость".
МЭК 61000-4-4:2004 (второе издание) отменяет и заменяет первое издание МЭК 61000-4-4:1995 и изменения 1 (2000) и 2 (2001) к первому изданию.
В текст МЭК 61000-4-4:2004 внесены изменения по отношению к стандарту МЭК 61000-4-4:1995. Настоящий стандарт уточняет и проясняет требования к имитаторам помех, испытательным установкам и методы испытаний. В настоящем стандарте принято, что при проведении испытаний необходимо воздействие помех только общего режима.
Настоящий стандарт является частью 4-4 серии стандартов МЭК 61000.
Введение к МЭК 61000-4-4:2004
Стандарты серии МЭК 61000 публикуются отдельными частями в соответствии со следующей структурой:
- часть 1. Основы:
общее рассмотрение (введение, фундаментальные принципы), определения, терминология;
- часть 2. Электромагнитная обстановка:
описание электромагнитной обстановки, классификация электромагнитной обстановки, уровни электромагнитной совместимости;
- часть 3. Нормы:
нормы помехоэмиссии, нормы помехоустойчивости (в случаях, если они не являются предметом рассмотрения техническими комитетами, разрабатывающими стандарты на продукцию);
- часть 4. Методы испытаний и измерений:
методы измерений, методы испытаний;
- часть 5. Руководства по установке и помехоподавлению:
руководства по установке, руководства по помехоподавлению;
- часть 6. Общие стандарты;
- часть 9. Разное.
Каждая часть подразделяется на разделы, которые могут быть опубликованы как международные стандарты либо как технические условия или технические отчеты. Некоторые из указанных разделов опубликованы. Другие будут опубликованы с указанием номера части, за которым следует дефис, а затем второй номер, указывающий раздел (например, 61000-6-1).
Настоящий международный стандарт устанавливает требования помехоустойчивости и методы испытаний, относящиеся к электрическим быстрым переходным процессам/пачкам.
Настоящий стандарт распространяется на электротехнические, электронные &и радиоэлектронные& изделия и оборудование (далее - технические средства) и устанавливает требования к техническим средствам (ТС) по устойчивости к повторяющимся наносекундным импульсным помехам (НИП) и процедуры испытаний.
Целью настоящего стандарта является установление общих правил проведения воспроизводимых оценок качества функционирования ТС при воздействии НИП на порты электропитания, сигналов, управления и заземления.
Примечание. В соответствии с
[1] настоящий стандарт представляет собой основополагающий стандарт в области электромагнитной совместимости, предназначенный для применения техническими комитетами МЭК, разрабатывающими стандарты на ТС, несущими ответственность за обоснование необходимости применения требований настоящего стандарта к помехоустойчивости ТС конкретного вида, а также за выбор соответствующих степеней жесткости испытаний на помехоустойчивость и критериев качества функционирования.
Стандарт устанавливает степени жесткости испытаний ТС на устойчивость к НИП и методы испытаний, в том числе:
- форму испытательного напряжения;
- номенклатуру степеней жесткости испытаний;
- требования к испытательному оборудованию;
- процедуры верификации испытательного оборудования;
- состав испытательных установок;
- порядок проведения испытаний.
В стандарте установлены методы испытаний ТС в лабораторных условиях и на месте эксплуатации после окончательной установки ТС.
В настоящем стандарте использованы ссылки на следующие стандарты:
&
ГОСТ Р 8.568-97. Государственная система обеспечения единства измерений. Аттестация испытательного оборудования. Основные положения
Примечание. При пользовании настоящим стандартом целесообразно проверить действие ссылочных стандартов в информационной системе общего пользования - на официальном сайте Федерального агентства по техническому регулированию и метрологии в сети Интернет или по ежегодно издаваемому информационному указателю "Национальные стандарты", который опубликован по состоянию на 1 января текущего года, и по соответствующим ежемесячно издаваемым информационным указателям, опубликованным в текущем году. Если ссылочный документ заменен (изменен), то при пользовании настоящим стандартом следует руководствоваться заменяющим (измененным) стандартом. Если ссылочный документ отменен без замены, то положение, в котором дана ссылка на него, применяется в части, не затрагивающей эту ссылку.
В настоящем стандарте применены термины по &
ГОСТ 30372&,
[2], а также следующие термины с соответствующими определениями:
3.1. Пачка импульсов: последовательность ограниченного числа импульсов ограниченной длительности.
3.2. Калибровка: совокупность операций, устанавливающих посредством ссылки на стандарты зависимость, существующую при определенных условиях, между показанием прибора и результатом измерения.
3.3. Связь: взаимодействие между цепями при передаче энергии от одной цепи к другой.
3.4. Общий режим (связи): одновременная связь со всеми линиями относительно пластины заземления.
3.5. Клещи связи: устройство, предназначенное для подачи помех на испытуемую электрическую цепь без гальванического соединения с данной цепью.
3.6. Устройство связи: электрическая цепь, предназначенная для передачи энергии из одной цепи в другую.
3.7. Устройство развязки: электрическая цепь, предназначенная для предотвращения воздействия НИП, подаваемых на испытуемое ТС, на другие устройства, оборудование или системы, не подвергаемые испытаниям.
3.8. Ухудшение качества функционирования: нежелательное изменение качества функционирования ТС в сравнении с уровнем качества функционирования, установленным изготовителем.
Примечание. Термин "ухудшение" может применяться как к временным, так и постоянным нарушениям работы.
3.9. &Наносекундные импульсные помехи, НИП: импульсные помехи, длительность которых лежит в пределах от одной наносекунды до одной микросекунды.&
3.10. Электромагнитная совместимость: способность ТС функционировать удовлетворительно в их электромагнитной обстановке, не создавая недопустимых электромагнитных помех другим ТС в этой обстановке.
3.11. Пластина заземления: плоская токопроводящая поверхность, потенциал которой используется в качестве общего нулевого потенциала.
3.12. Устойчивость к электромагнитной помехе, помехоустойчивость: способность ТС функционировать без ухудшения качества в присутствии электромагнитных помех.
3.13. Порт: граница между ТС и внешней электромагнитной средой.
3.14. Время нарастания: интервал времени между моментами, когда мгновенное значение импульса достигает вначале 10%, а затем 90% пикового значения.
3.15. Переходный: термин, обозначающий явление или величину, изменяющиеся между двумя соседними стационарными состояниями за интервал времени, короткий по сравнению с полной рассматриваемой шкалой времени.
3.16. Верификация: совокупность операций, проводимых при проверке системы испытательного оборудования, например испытательного генератора НИП (далее - ИГ) и соединительных кабелей, для демонстрации функционирования испытательной системы в соответствии с требованиями, установленными в
разделе 6.
Примечания. 1. Методы, применяемые при верификации, могут отличаться от методов калибровки.
2. Процедуры по
6.1.2 и
6.2.2 рассматриваются как способ обеспечения правильного функционирования ИГ и других составляющих испытательной установки, при котором на ИТС подается испытательное напряжение установленной формы.
Испытание на устойчивость к НИП представляет собой испытание ТС при воздействии пачек импульсов наносекундной длительности, подаваемых на порты электропитания, заземления, сигналов и управления. Существенными особенностями данных испытаний являются высокая амплитуда, малое время нарастания, высокая частота повторения и низкая энергия воздействующих импульсов.
Испытания должны продемонстрировать устойчивость ТС к НИП, возникающим в результате коммутационных процессов (прерываний индуктивных нагрузок, размыканий контактов реле и т.п.).
5. Степени жесткости испытаний
Предпочтительные степени жесткости испытаний ТС, применимые при воздействии НИП на порты электропитания, заземления, сигналов и управления, установлены в таблице 1.
Таблица 1
Степени жесткости испытаний
┌───────────────┬─────────────────────────────────────────────────────────┐
│ Степень │ Выходное напряжение ИГ в режиме холостого хода │
│ жесткости │ и частота повторения импульсов │
│ испытаний ├───────────────────────────┬─────────────────────────────┤
│ │ Порты электропитания, │Порты ввода/вывода сигналов, │
│ │ защитного заземления │ передачи данных, управления │
│ ├───────────┬───────────────┼─────────────┬───────────────┤
│ │ Амплитуда │ Частота │ Амплитуда │ Частота │
│ │импульсов, │ повторения │импульсов, кВ│ повторения │
│ │ кВ │импульсов, кГц │ │импульсов, кГц │
├───────────────┼───────────┼───────────────┼─────────────┼───────────────┤
│ 1 │ 0,5 │ 5 или 100 │ 0,25 │ 5 или 100 │
├───────────────┼───────────┼───────────────┼─────────────┼───────────────┤
│ 2 │ 1 │ 5 или 100 │ 0,5 │ 5 или 100 │
├───────────────┼───────────┼───────────────┼─────────────┼───────────────┤
│ 3 │ 2 │ 5 или 100 │ 1 │ 5 или 100 │
├───────────────┼───────────┼───────────────┼─────────────┼───────────────┤
│ 4 │ 4 │ 5 или 100 │ 2 │ 5 или 100 │
├───────────────┼───────────┼───────────────┼─────────────┼───────────────┤
│ X <*> │Специальная│ Специальная │ Специальная │ Специальная │
├───────────────┴───────────┴───────────────┴─────────────┴───────────────┤
│ <*> X - открытая степень жесткости испытаний, для которой выходное│
│напряжение ИГ и частота повторения импульсов должны быть установлены в│
│технических документах на ТС. │
│ │
│ Примечания. 1. При испытаниях традиционно используют частоту│
│повторения импульсов 5 кГц, однако частота повторения 100 кГц более│
│соответствует действительности. Технические комитеты, разрабатывающие│
│стандарты на ТС, должны определить частоту повторения импульсов с учетом│
│условий применения группы ТС или ТС конкретного вида. │
│ 2. Для ТС некоторых видов отсутствует четкое различие между портами│
│электропитания и ввода/вывода сигналов. В этом случае технические│
│комитеты, разрабатывающие стандарты на ТС, должны разграничить их для│
│целей испытаний. │
└─────────────────────────────────────────────────────────────────────────┘
Значение выходного испытательного напряжения в режиме холостого хода должно отображаться на ИГ.
Рекомендации по выбору степеней жесткости испытаний приведены в
Приложении А.
6. Испытательное оборудование
Процедуры верификации, установленные в
6.1.2 и
6.2.2, являются руководством по обеспечению правильной работы ИГ, устройств связи/развязки и других устройств, обеспечивающей подачу на ИТС испытательного напряжения установленной формы.
6.1. Испытательный генератор
Упрощенная схема ИГ приведена на рисунке 1. Элементы схемы

и

выбраны так, чтобы ИГ генерировал НИП в режиме холостого хода и при резистивной нагрузке сопротивлением 50 Ом. Эффективное выходное полное сопротивление ИГ должно быть равно 50 Ом.
U - источник высокого напряжения;

- зарядный резистор;

- накопительный конденсатор;

- резистор цепи
формирования длительности импульса;

- согласующий
резистор;

- разделительный конденсатор
Рисунок 1. Упрощенная схема ИГ
Основными элементами ИГ являются:
- источник высокого напряжения;
- зарядный резистор;
- накопительный конденсатор;
- высоковольтный переключатель;
- резистор цепи формирования длительности импульса;
- согласующий резистор;
- разделительный конденсатор.
6.1.1. Технические характеристики ИГ
ИГ должен иметь следующие характеристики:
- пределы изменения выходного напряжения при нагрузке сопротивлением 1000 Ом - по крайней мере от 0,25 до 4 кВ;
- пределы изменения выходного напряжения при нагрузке сопротивлением 50 Ом - по крайней мере от 0,125 до 2 кВ.
ИГ должен иметь возможность работать в режиме короткого замыкания.
Другие характеристики ИГ:
Полярность импульсов ............... положительная и отрицательная
Тип выходного соединителя ......... коаксиальный, 50 Ом
Емкость разделительного
конденсатора ......... 10 нФ +/- 20%
Частота повторения импульсов ....... значения, указанные в
таблице 2,
+/- 20%
Работа ИГ по отношению к фазе
напряжения электропитания .......... асинхронная
Длительность пачки импульсов
(см.
рисунок 2) .................... 15 мс +/- 20% при частоте
повторения 5 кГц,
0,75 мс +/- 20% при частоте
100 кГц
Период следования пачек
(см.
рисунок 2) .................... 300 мс +/- 20%
Форма импульса на выходе ИГ при
нагрузке 50 Ом ..................... время нарастания импульса

,
длительность импульса

(по уровню 50%),
пиковое значение напряжения -
Форма импульса на выходе ИГ при
нагрузке 1000 Ом ................... время нарастания импульса

,
длительность импульса

(допустимые отклонения от -15
до +100 нс) (по уровню 50%),
пиковое значение напряжения -
к таблице 2)
Сопротивление нагрузки при проверке
характеристик ИГ ................... 50 Ом +/- 2%, 1000 Ом +/- 2%
параллельно с емкостью <= 6 пф.
Измерение проводят:
сопротивления - при постоянном
токе; емкости - на низких частотах
измерителем емкости общего
применения.
Таблица 2
Пиковые значения выходного напряжения ИГ
и частота повторения импульсов
┌──────────────┬───────────────────────────────────────────┬──────────────┐
│ Значение │ Пиковое значение выходного напряжения ИГ │ Частота │
│испытательного├────────────────┬─────────────┬────────────┤ повторения │
│напряжения, кВ│ в режиме │при нагрузке │при нагрузке│импульсов, кГц│
│ │ холостого │ 1000 Ом, V │ 50 Ом, V │ │
│ │хода, V (режим│ p │ p │ │
│ │ p │(1000 Ом), кВ│ (50 Ом), кВ│ │
│ │холостого хода),│ │ │ │
│ │ кВ │ │ │ │
├──────────────┼────────────────┼─────────────┼────────────┼──────────────┤
│ 0,25 │ 0,25 │ 0,24 │ 0,125 │ 5 или 100 │
├──────────────┼────────────────┼─────────────┼────────────┼──────────────┤
│ 0,5 │ 0,5 │ 0,48 │ 0,25 │ 5 или 100 │
├──────────────┼────────────────┼─────────────┼────────────┼──────────────┤
│ 1 │ 1 │ 0,95 │ 0,5 │ 5 или 100 │
├──────────────┼────────────────┼─────────────┼────────────┼──────────────┤
│ 2 │ 2 │ 1,9 │ 1 │ 5 или 100 │
├──────────────┼────────────────┼─────────────┼────────────┼──────────────┤
│ 4 │ 4 │ 3,8 │ 2 │ 5 или 100 │
└──────────────┴────────────────┴─────────────┴────────────┴──────────────┘
Примечания. 1. Применение нагрузочного резистора сопротивлением 1000 Ом снижает напряжение ИГ на 5% в сравнении со значением испытательного напряжения, как показано в колонке

(1000 Ом). Значение

(1000 Ом) равно значению

(режим холостого хода), умноженному на коэффициент 1000/1050 [отношение сопротивления испытательной нагрузки 1000 Ом и общего сопротивления цепи (1000 +/- 50) Ом].
2. При сопротивлении нагрузки 50 Ом измеренное выходное напряжение равно половине напряжения в режиме холостого хода.
Рисунок 3. Форма импульса напряжения на выходе
ИГ при нагрузке 50 Ом
Для обеспечения воспроизводимости результатов испытаний, полученных с применением различных ИГ, должна проводиться верификация ИГ.
При верификации руководствуются приведенными ниже правилами.
К выходу ИГ подключают коаксиальную нагрузку сопротивлением 50 и 1000 Ом. Выходное напряжение контролируют с помощью осциллографа. Ширина полосы пропускания осциллографа и испытательной нагрузки на уровне 3 дБ должна быть не менее 400 МГц. Полное сопротивление испытательной нагрузки 1000 Ом может быть комплексным. В пачке должны быть проверены время нарастания импульса, длительность импульса и частота повторения импульсов. Должен быть также проведен мониторинг длительности и частоты повторения пачек.
Для каждого из значений испытательного напряжения по
таблице 2 измеряют выходное напряжение ИГ при нагрузке 50 Ом [

(50 Ом)]. Измеренное напряжение должно быть равно [0,5 x

(режим холостого хода)] +/- 10%.
При этих же значениях испытательного напряжения измеряют выходное напряжение ИГ при нагрузке 1000 Ом [

(1000 Ом)]. Измеренное напряжение должно быть равно

(режим холостого хода) +/- 20%.
Примечание. Необходимо проведением измерений подтвердить, что рассеянная емкость не превышает установленного минимального значения.
6.2. Устройство связи/развязки для портов электропитания переменного и постоянного тока
Устройство связи/развязки предназначено для подачи НИП на порты электропитания переменного и постоянного тока испытуемого ТС (далее - ИТС).
Схема устройства связи/развязки для подачи НИП на порты электропитания переменного и постоянного тока (на примере трехфазной сети электропитания переменного тока) приведена на рисунке 4.

- фазные провода; N - нейтральный провод;
PE - защитное заземление;

- индуктивность развязки;

- конденсатор связи
Рисунок 4. Пример устройства связи/развязки для подачи НИП
на порты электропитания переменного и постоянного тока
Форма сигнала ИГ на выходе устройства связи/развязки должна контролироваться при верификации в соответствии с 6.2.2.
6.2.1. Характеристики устройства связи/развязки
Устройство связи/развязки должно иметь следующие характеристики:
емкость конденсаторов связи ..................... 33 нФ;
режим связи ..................................... общий.
6.2.2. Верификация характеристик устройства связи/развязки
Измерительная аппаратура для верификации характеристик устройства связи/развязки должна соответствовать требованиям
6.1.2.
При верификации контролируют форму сигнала на выходе общего режима устройства связи/развязки при выходном напряжении ИГ 4 кВ и при подключении одного нагрузочного резистора сопротивлением 50 Ом. ИГ подключают к устройству связи/развязки. На выходе устройства связи/развязки (соединяемом с ИТС, см.
рисунок 4) подключают нагрузку 50 Ом. Пиковое значение напряжения и форму сигнала регистрируют. Верификацию проводят для каждого пути связи/развязки.
Время нарастания импульса напряжения от 10% до 90% пикового значения должно быть 5 нс +/- 30%. Длительность импульса при нагрузке 50 Ом (по уровню 50%) должна быть 50 нс +/- 30%. Пиковое значение напряжения должно соответствовать
таблице 2 при допустимом отклонении +/- 10%.
Остаточное напряжение испытательного импульса, измеренное на входах устройства связи/развязки (при отключенных ИТС и сети электропитания), не должно превышать 10% значения испытательного напряжения.
Примечание. Для соответствия требованиям настоящего стандарта устройств связи/развязки, разработанных в соответствии с
[3], требуются лишь незначительные изменения.
6.3. Емкостные клещи связи
Емкостные клещи связи обеспечивают возможность подачи НИП на испытуемые цепи без подключения к контактам цепей, экранам кабелей или каким-либо иным частям ИТС. Емкость связи клещей зависит от диаметра кабеля, его материала и наличия экрана кабеля.
Емкостные клещи связи состоят из пластин связи (выполненных из стали с гальваническим покрытием, латуни, меди или алюминия), предназначенных для укладки в них кабелей испытуемой цепи (плоских или круглых), размещенных на пластине заземления площадью не менее 1 м2. Пластина заземления должна выступать за границы клещей связи не менее чем на 0,1 м с каждой стороны.
Емкостные клещи должны иметь на каждом конце высоковольтный коаксиальный соединитель для подключения ИГ. ИГ подключают к тому концу клещей связи, который расположен ближе к ИТС.
При испытаниях емкостные клещи связи с уложенным в них кабелем должны быть возможно более плотно закрыты, чтобы обеспечить максимальную емкость связи между кабелем и клещами.
Конструкция емкостных клещей связи приведена на рисунке 5. Данная конструкция определяет входное сопротивление и частотную характеристику клещей.
Примечание. Минимальное расстояние между пластинами связи и любыми другими проводящими конструкциями, за исключением испытуемого кабеля и пластины заземления, должно быть 0,5 м.
Рисунок 5. Конструкция емкостных клещей связи
Характеристики емкостных клещей связи:
типовое значение емкости связи между кабелем
и емкостными клещами .......................... от 100 до 1000 пФ;
диаметр укладываемых круглых кабелей .......... от 4 до 40 мм;
пробивное напряжение изоляции ................. 5 кВ (испытательный
импульс &1/50 мкс&).
Метод испытаний с использованием емкостных клещей связи применяют для подачи НИП на линии, подключаемые к портам ввода/вывода сигналов и портам связи. Применение данного метода для портов электропитания переменного и постоянного тока допускается в случае, если использование устройства связи/развязки в соответствии с
6.2 не представляется возможным.
&Первичную и периодическую аттестацию ИГ и устройств связи/развязки проводят в соответствии с требованиями
ГОСТ Р 8.568.&
7. Испытательная установка
В зависимости от места проведения испытаний различают:
- испытания ТС для подтверждения соответствия, проводимые в испытательных лабораториях;
- испытания ТС на месте эксплуатации, проводимые после их окончательной установки.
Предпочтительными являются испытания, проводимые в испытательных лабораториях.
ТС при испытаниях должно быть размещено в соответствии с инструкциями изготовителя по установке (при наличии).
7.1. Испытательное оборудование
Испытательная установка включает в себя следующее испытательное оборудование (см.
рисунок 6):
- ИГ;
- устройство связи (в составе устройства связи/развязки или емкостные клещи связи);
- устройство развязки;
- пластину заземления.
Рисунок 6. Схема испытаний ТС на устойчивость к НИП
7.2. Испытательная установка для испытаний, проводимых в испытательной лаборатории
7.2.1. Условия проведения испытаний
Ниже установлены требования к испытаниям, проводимым в испытательных лабораториях.
Условия окружающей среды должны быть такими, как указано в
8.1.
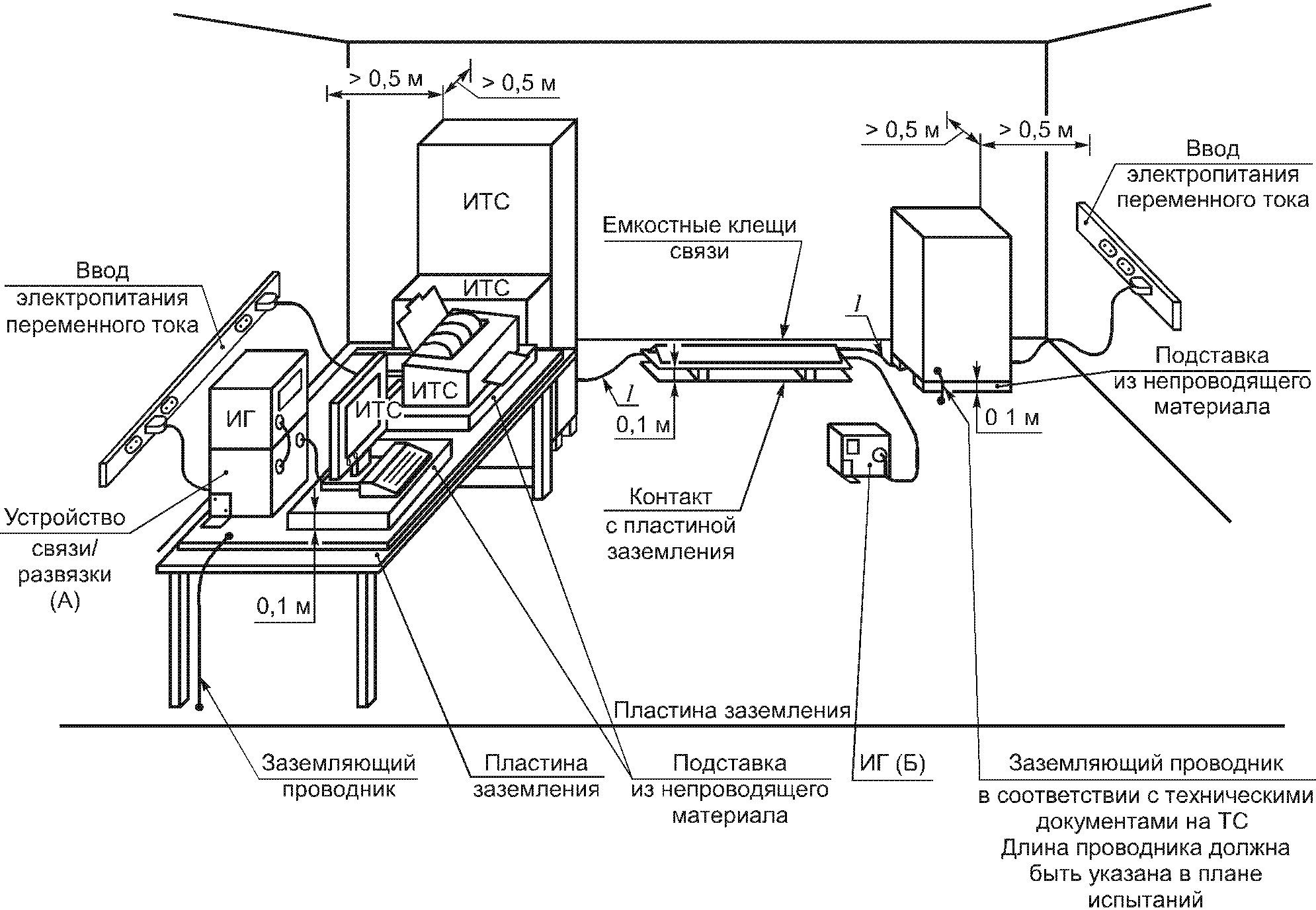
Испытуемые ТС, в том числе предназначенные для стационарного напольного или настольного применения, установки на стенах и потолках помещений, а также монтажа в составе другого оборудования, должны быть размещены на пластине заземления и изолированы от нее подставкой из непроводящего материала толщиной (0,1 +/- 0,01) м (см.
рисунок 7).
А - размещение устройства связи/развязки для подачи НИП
на линии электропитания; Б - размещение ИГ для подачи НИП
на сигнальные линии
Примечание. Длина кабеля l между емкостными клещами связи и ИТС должна быть (0,5 +/- 0,05) м.
Рисунок 7. Испытательная установка для испытаний ТС
на устойчивость к НИП в испытательной лаборатории
(общая схема)
Настольные ИТС размещают над пластиной заземления на высоте (0,1 +/- 0,01) м (см. рисунок 7). ТС, устанавливаемые обычно на потолке или стенах, испытывают как настольные.
ИГ и устройство связи/развязки размещают непосредственно на пластине заземления и электрически соединяют с ней.
Пластина заземления должна представлять собой металлический лист (медный или алюминиевый) толщиной не менее 0,25 мм; допускается изготовление пластины заземления из других металлов при толщине листа не менее 0,65 мм. Минимальные размеры пластины заземления должны быть 1 x 1 м. Фактические размеры пластины заземления зависят от размеров ИТС. Пластина заземления должна выступать за границы ИТС не менее чем на 0,1 м с каждой стороны.
Пластина заземления должна быть соединена с защитным заземлением.
ИТС должно быть установлено для выполнения функций по назначению. К портам ИТС должны быть подключены линии электропитания, сигналов, управления в соответствии с техническими документами изготовителя.
Минимальное расстояние между ИТС и любыми другими проводящими конструкциями, за исключением пластины заземления (например, стеной экранированной комнаты), должно быть более 0,5 м.
Подключаемые к ИТС кабели размещают на подставке из непроводящего материала на высоте 0,1 м над пластиной заземления. Кабели, на которые не подают испытательное напряжение, размещают при максимальном удалении от испытуемого кабеля с тем, чтобы минимизировать связь между кабелями.
ИТС должно быть подключено к системе заземления в соответствии с техническими документами изготовителя. Дополнительное заземление не допускается. Заземляющие проводники, подключенные к пластине заземления, должны иметь минимальную индуктивность.
Для подачи испытательного напряжения используют устройство связи/развязки или емкостные клещи связи. Испытательное напряжение должно подаваться на все порты ИТС, включая порты для подключения линий, соединяющих отдельные образцы ТС, подвергаемые испытаниям, если позволяет длина соединительных кабелей.
Для защиты вспомогательного оборудования и электрических сетей следует использовать устройства развязки.
При использовании емкостных клещей связи минимальное расстояние между пластинами связи клещей и любыми другими проводящими конструкциями, за исключением пластины заземления под клещами связи, должно быть 0,5 м.
Если иное не установлено в стандарте на группу ТС или ТС конкретного вида, длина сигнальных кабелей и кабелей электропитания между устройством связи и ИТС должна быть (0,5 +/- 0,05) м.
Если ИТС имеет несъемный кабель электропитания длиной более (0,5 +/- 0,05) м, то часть кабеля избыточной длины должна быть свернута в плоское кольцо и уложена над пластиной заземления на высоте 0,1 м с использованием подставки из непроводящего материала.
Примеры испытательных установок для испытаний, проводимых в испытательной лаборатории, приведены на
рисунках 7 и
8. На
рисунке 8 показано применение дополнительной пластины заземления, подключенной к шасси ИТС.
Примечание. Допускается установка емкостных клещей связи на стене экранированного помещения или на другой заземленной поверхности. Емкостные клещи связи соединяют с корпусом ИТС. При испытаниях напольных ИТС значительных размеров с кабелями, выводимыми наверху, допускается установка клещей связи на высоте 10 см над центром ИТС. При этом кабели, подключаемые к емкостным клещам связи, пропускают через центр пластины заземления клещей.
Рисунок 8. Пример установки для испытания
оборудования в стойке
7.2.2. Методы подачи НИП на ИТС
Метод подачи НИП на ИТС зависит от вида порта ИТС, как указано ниже.
7.2.2.1. Порты электропитания
Пример испытательной установки с подачей НИП на порт электропитания ИТС с помощью устройства связи/развязки приведен на
рисунке 9. Метод подачи НИП на порты электропитания с помощью устройств связи/развязки является предпочтительным для данных портов. Если применение устройства связи/развязки затруднительно, например, при потребляемом переменном токе более 100 А, допускается использование альтернативного метода непосредственной подачи НИП с помощью конденсаторов связи емкостью 33 нФ. Применение емкостных клещей связи при этом не рекомендуется из-за значительно меньшей эффективности связи в сравнении с подачей сигналов с помощью конденсаторов связи 33 нФ.

- фазные провода; N - нейтральный провод;
PE - защитное заземление;

- индуктивность развязки;

- конденсатор связи
Примечание. Длина кабелей электропитания между устройством связи/развязки и ИТС может быть увеличена до 1 м, если это установлено в стандарте на группу ТС или ТС конкретного вида.
Рисунок 9. Пример установки для испытаний ТС с подачей НИП
на порты электропитания постоянного или переменного тока
Примечания. 1. При проведении испытаний одновременно двух ТС длины кабелей

и

между емкостными клещами связи и ИТС должны быть равны (0,5 +/- 0,05) м.
2. При проведении испытаний одного ТС между емкостными клещами связи и не испытуемым ТС необходимо установить устройство развязки.
3. ИГ должен быть соединен с пластиной заземления.
Рисунок 10. Пример установки для испытаний ТС с подачей НИП
с помощью емкостных клещей связи
7.2.2.2. Порты ввода/вывода сигналов и порты связи
Применение метода подачи НИП на порты ввода/вывода сигналов и порты связи ИТС с использованием емкостных клещей связи представлено на
рисунках 7 и
9. При использовании емкостных клещей связи необходимо обеспечить соответствующую развязку вспомогательного оборудования и ТС, не подлежащих испытаниям, от воздействия НИП.
7.2.2.3. Порты заземления корпусов ИТС
Испытательной точкой на корпусе ИТС должна быть клемма защитного заземления PE. Напряжение НИП подают на порт защитного заземления через конденсатор связи емкостью 33 нФ (см.
рисунок 11).

- фазные провода; N - нейтральный провод;
PE - защитное заземление
Примечание. При подаче НИП на порт заземления разделительный конденсатор емкостью 33 нФ применяют при необходимости.
Рисунок 11. Пример установки для испытаний стационарного
напольного ТС на месте эксплуатации с подачей НИП на порты
электропитания переменного и постоянного тока и порт
защитного заземления
7.3. Испытательная установка для испытаний, проводимых на месте эксплуатации
Испытания ТС на устойчивость к НИП на месте эксплуатации являются дополнительными по отношению к испытаниям в лаборатории и должны проводиться только по согласованию между изготовителем и потребителем. При проведении данных испытаний необходимо учитывать возможность повреждения или нанесения иного ущерба ИТС и другому оборудованию, размещенному вблизи ИТС.
ТС испытывают после их окончательной установки на месте эксплуатации в соответствии с техническими документами изготовителя и монтажной организации. Испытания проводят без применения устройств связи/развязки с тем, чтобы с максимальным приближением воспроизвести реальную электромагнитную обстановку.
Если во время проведения испытаний оборудование или системы, не являющиеся испытуемым ТС, подвергаются нежелательному воздействию, необходимо по согласованию между изготовителем и потребителем использовать устройства развязки.
7.3.1. Испытания при подаче НИП на порты электропитания и заземления
7.3.1.1. Стационарные напольные ИТС
Напряжение НИП должно быть подано между пластиной заземления и всеми клеммами электропитания переменного или постоянного тока одновременно и между пластиной заземления и клеммой защитного или функционального заземления на корпусе ИТС.
Пример испытательной установки приведен на
рисунке 11.
Пластину заземления минимального размера 1 x 1 м, в соответствии с
7.2.1, укладывают рядом с ИТС и соединяют с контактом защитного заземления на розетке электропитания. ИГ устанавливают на пластине заземления. Длина "горячего" провода от коаксиального выхода ИГ к порту ИТС должна быть (0,5 +/- 0,05) м. Это соединение должно быть неэкранированным и хорошо изолированным. Если необходимо применение разделительного конденсатора, его емкость должна быть равна 33 нФ. Все остальные подключения ИТС должны быть выполнены в соответствии с техническими документами изготовителя и монтажной организации.
7.3.1.2. Подвижные ИТС, подключаемые к сети гибким кабелем с вилкой
Напряжение НИП должно быть подано между контактом защитного заземления и всеми контактами электропитания одновременно на розетке электропитания (см.
рисунок 12).

- фазные провода; N - нейтральный провод;
PE - защитное заземление;

- индуктивность развязки;

- конденсатор связи
Примечание. Длина кабеля электропитания между устройством связи/развязки и ИТС может быть увеличена до 1 м, если это установлено в стандарте на группу ТС или ТС конкретного вида.
Рисунок 12. Пример установки для испытаний ТС,
подключаемых к сети электропитания гибким кабелем с вилкой,
на месте эксплуатации с подачей НИП на порты электропитания
переменного тока и порт защитного заземления
7.3.2. Испытания при подаче НИП на порты ввода/вывода сигналов и порты связи
Для подачи НИП на порты ввода/вывода сигналов и порты связи следует по возможности использовать емкостные клещи связи. Однако, если клещи связи не могут быть использованы из-за размеров клещей или условий прокладки кабелей в кабельных соединениях, их можно заменить проводящей лентой или фольгой, которую навивают на испытуемые кабели. Емкость такого устройства связи с применением фольги или ленты должна быть эквивалентна емкости стандартных клещей связи.
Альтернативным способом является также подключение ИГ к портам ввода/вывода сигналов ИТС через конденсатор емкостью 100 пФ, заменяющий распределенную емкость клещей связи или устройства с фольгой или лентой.
Непосредственная подача НИП на сигнальные проводники коаксиальных или экранированных кабелей ввода/вывода сигналов не допускается.
При наличии в ИТС значительного числа однотипных портов выбирают для испытаний представительное число кабелей при условии, что эти кабели идентифицированы.
Заземление коаксиального кабеля ИГ должно быть выполнено в непосредственной близости от точки подключения ИГ к проводящей ленте или фольге. Выбранный способ подачи НИП не должен ухудшать условий экранирования ИТС.
Пример испытательной установки при подаче НИП на месте эксплуатации ТС на порты ввода/вывода сигналов и порты связи приведен на рисунке 13.
Рисунок 13. Пример установки для испытаний ТС на месте
эксплуатации с подачей НИП на порты ввода/вывода сигналов
без использования емкостных клещей связи
Результаты испытаний с применением отдельного конденсатора связи могут отличаться от результатов, полученных при использовании емкостных клещей связи или фольги. Поэтому испытательные уровни, установленные в
разделе 5, могут быть изменены техническим комитетом, разрабатывающим стандарты на ТС, с учетом характеристик установки и условий проведения испытаний. При проведении испытаний на месте эксплуатации подача НИП на кабели, подходящие к ТС, может по согласованию между изготовителем и пользователем осуществляться при одновременной укладке нескольких кабелей в емкостные клещи связи.
Перед началом каждого испытания должна быть проверена работоспособность испытательного оборудования. Допускается, чтобы данная проверка была ограничена проверкой наличия НИП на выходе устройства связи, подключенного к ИГ.
Методы испытаний включают в себя:
- контроль условий в испытательной лаборатории;
- предварительную проверку функционирования ИТС;
- проведение испытаний;
- оценку результатов испытаний.
8.1. Условия испытаний в испытательной лаборатории
Для уменьшения влияния параметров окружающей среды на результаты испытаний испытания должны проводиться при климатических условиях и условиях электромагнитной обстановки, указанных в 8.1.1 и
8.1.2.
8.1.1. Климатические условия
Если техническим комитетом, разрабатывающим стандарты на ТС, не установлено иное, климатические условия в испытательной лаборатории должны находиться в пределах, определенных для испытаний функционирования ИТС и испытательного оборудования их изготовителями.
Испытания не проводят при высокой относительной влажности воздуха, приводящей к конденсации влаги на ИТС или испытательном оборудовании.
8.1.2. Электромагнитная обстановка
Электромагнитная обстановка в испытательной лаборатории не должна влиять на функционирование ИТС и результаты испытаний.
8.2. Проведение испытаний
Испытания проводят в соответствии с планом испытаний, который должен включать в себя проверку функционирования ИТС в соответствии с техническими документами изготовителя.
ТС должно быть испытано в режимах функционирования, соответствующих назначению ТС.
План испытаний устанавливает:
- вид испытаний;
- степень жесткости испытаний;
- полярность испытательного напряжения (подача НИП обеих полярностей является обязательной);
- внутренний или внешний способ запуска ИГ;
- длительность подачи НИП не менее 1 мин.
Примечание. Подача НИП в течение 1 мин рекомендуется для ускорения испытаний, так как в реальных условиях появление пачки НИП представляет собой отдельное случайное явление. Пачки НИП не должны быть синхронизированы с сигналами ИТС. Для исключения возможной синхронизации следует подачу НИП проводить в течение шести периодов по 10 с каждый, разделяемых паузой 10 с. Технические комитеты, разрабатывающие стандарты на ТС, могут установить другую длительность подачи НИП при испытаниях на помехоустойчивость.
- число воздействий пачек НИП;
- порты ИТС, подвергаемые испытаниям;
- представительные режимы функционирования ИТС;
- последовательность подачи импульсных помех на порты ИТС (подача НИП на все порты по очереди, подача на кабели, подключенные более чем к одному порту и т.д.);
- состав вспомогательного оборудования.
9. Оценка результатов испытаний
Результаты испытаний должны быть классифицированы, исходя из прекращения выполнения функций или ухудшения качества функционирования ИТС в сравнении с установленным уровнем функционирования, определенным изготовителем ТС или заказчиком испытаний, или согласованным между изготовителем и пользователем ТС.
Рекомендуется следующая классификация критериев качества функционирования ТС при испытаниях на помехоустойчивость:
A - нормальное функционирование в соответствии с требованиями, установленными изготовителем, заказчиком испытаний или пользователем;
B - временное прекращение выполнения функции или ухудшение качества функционирования, которые исчезают после прекращения помехи и не требуют вмешательства оператора для восстановления работоспособности;
C - временное прекращение выполнения функции или ухудшение качества функционирования, восстановление которых требует вмешательства оператора;
D - прекращение выполнения функции или ухудшение качества функционирования, которые не могут быть восстановлены из-за повреждения ТС (компонентов) или программного обеспечения, или потери данных.
В документах изготовителя могут быть указаны нарушения функционирования ТС при воздействии помех, которые рассматриваются как незначительные и допустимые.
Настоящая классификация может быть использована в качестве руководства при установлении критериев качества функционирования ТС при испытаниях на устойчивость к НИП техническими комитетами по стандартизации, ответственными за разработку общих стандартов, стандартов на группы ТС и ТС конкретного вида, а также в качестве основы для соглашений между изготовителями и пользователями, касающихся критериев качества функционирования (например, в случаях отсутствия соответствующих общих стандартов, стандартов на группы ТС или ТС конкретного вида).
Протокол испытаний должен включать в себя всю информацию, необходимую для воспроизведения испытаний.
В частности, в протоколе указывают:
- пункты, перечисленные в плане испытаний в соответствии с
разделом 8;
- идентификацию ИТС и любого связанного с ним оборудования, например марку изготовителя, тип ТС, серийный номер;
- идентификацию средств испытаний, например фабричное клеймо, тип продукции, серийный номер;
- особые климатические условия или условия электромагнитной обстановки в испытательной лаборатории;
- специфические условия, необходимые для проведения испытаний;
- уровень функционирования, определенный изготовителем, заказчиком или пользователем;
- критерий качества функционирования при испытаниях на помехоустойчивость, установленный в общих стандартах, стандартах на группы ТС и ТС конкретного вида;
- любые изменения функционирования ИТС, наблюдаемые во время или после воздействия электромагнитной помехи, и длительность этих изменений;
- заключение о соответствии или несоответствии ИТС требованиям устойчивости к электромагнитной помехе (на основе критерия качества функционирования, установленного в общих стандартах, стандартах на группы ТС и ТС конкретного вида, или согласованного изготовителем и пользователем);
- любые специальные условия эксплуатации, например, относящиеся к длинам или типам кабелей, экранированию или заземлению, или условиям функционирования ТС, необходимые для обеспечения соответствия ТС требованиям устойчивости к электромагнитной помехе.
В отношении неопределенности измерений при испытаниях на устойчивость к НИП достаточно указать в протоколе испытаний, что отклонения характеристик испытательного оборудования соответствуют требованиям настоящего стандарта. Однако при проверке соответствия характеристик установленным допустимым отклонениям необходимо учитывать неопределенность калибровки.
(справочное)
ИНФОРМАЦИЯ О НАНОСЕКУНДНЫХ ИМПУЛЬСНЫХ ПОМЕХАХ
А.1. Введение
Пачки импульсов наносекундной длительности возникают при коммутации индуктивных нагрузок. Эти переходные процессы, обычно относящиеся к НИП, могут характеризоваться следующими параметрами:
- длительностью пачки импульсов, которая определена энергией в индукторе до начала коммутации;
- частотой повторения отдельных переходных процессов;
- изменяющейся амплитудой переходных процессов, составляющих пачку импульсов, которая определяется механическими и электрическими характеристиками переключающего устройства (скоростью операции разрывания цепи, способностью контакта в открытом состоянии выдерживать напряжение).
Обычно параметры НИП не определяются единственным образом характеристиками коммутирующего контакта или коммутируемой нагрузки.
А.2. Амплитуда выбросов
Напряжение выбросов, измеряемое на проводниках линии, может иметь то же значение, как в точке гальванического соединения этой линии с переключающим контактом. Для линий электропитания и некоторых управляющих цепей это может иметь место вблизи переключающего контакта (на расстоянии не более 1 м).
При передаче помехи через индуктивную или емкостную связь амплитуда помехи будет представлять собой часть напряжения помехи, измеренного на контактах.
А.3. Время нарастания
Необходимо отметить, что с увеличением расстояния от источника форма выброса меняется из-за потерь при распространении, дисперсии и отражений, вызванных подключенными нагрузками. Время нарастания 5 нс является компромиссным для ИГ, учитывая эффект затухания высокочастотных компонентов при распространении выброса.
Более короткое время нарастания, например 1 нс, приводит к испытаниям меньшей жесткости, и целесообразность его применения в основном относится к оборудованию с короткими соединениями, применяемому поблизости от источника НИП.
Примечание. Реальное время нарастания в источнике НИП для напряжения от 500 В до 4 кВ и выше очень близко ко времени нарастания тока электростатического разряда (воздушного), так как механизм разряда является одинаковым.
А.4. Длительность импульса
Реальная длительность импульса значительно отличается от установленной в настоящем стандарте.
А.5. Частота повторения импульсов
Частота повторения импульсов зависит от многих параметров, например:
- постоянной времени цепи заряда (сопротивления, индуктивности и распределенной емкости коммутируемой индуктивной нагрузки);
- постоянной времени коммутирующей цепи, включая полное сопротивление линии, соединяющей нагрузку с переключающим устройством;
- скорости разрыва цепи;
- напряжения, выдерживаемого переключающим устройством.
Отсюда следует, что частота повторения импульсов является переменной величиной, причем обычными являются ее изменения в пределах десяти раз или более.
Примечание. На практике значение частоты повторения импульсов 100 кГц может рассматриваться как компромиссное решение, обеспечивающее проведение испытаний с учетом наиболее важных параметров НИП.
А.6. Число импульсов в пачке и длительность пачки
Эти параметры зависят от энергии, накопленной коммутируемой индуктивной нагрузкой, а также от напряжения, выдерживаемого коммутирующим устройством.
Число импульсов в пачке непосредственно зависит от частоты повторения импульсов и длительности пачек. Длительность пачки по результатам измерений близка к 2 мс, за исключением применения герметизированного ртутного контакта, который используется не так часто, как другие типы контактов.
Примечание. Для испытаний при частоте повторения импульсов 100 кГц выбрана длительность пачки 0,75 мс. Соответственно 75 - число импульсов в пачке.
(справочное)
ВЫБОР СТЕПЕНЕЙ ЖЕСТКОСТИ ИСПЫТАНИЙ
Степени жесткости испытаний выбирают, исходя из условий эксплуатации ТС в соответствии с
разделом 5.
Испытания на помехоустойчивость проводят при выбранных степенях жесткости испытаний для обеспечения качества функционирования ТС в предполагаемых условиях эксплуатации.
Для испытаний портов ввода/вывода сигналов и информационных портов ИТС используют НИП с амплитудой, равной половине амплитуды НИП, подаваемых на порты электропитания.
Степени жесткости испытаний целесообразно устанавливать с учетом приведенных ниже рекомендаций.
а) Степень жесткости 1. Хорошо защищенная электромагнитная обстановка
Условия установки и эксплуатации ТС характеризуются:
- подавлением НИП в коммутируемых цепях электропитания и управления;
- разделением между линиями силового электропитания (переменного и постоянного тока) и управляющими и измерительными цепями;
- применением экранированных кабелей электропитания с экранами, заземленными с обоих концов, и фильтрацией подаваемого электропитания.
Примером условий, соответствующих степени жесткости 1, может служить электромагнитная обстановка в компьютерных залах.
Для данной степени жесткости испытания в испытательных лабораториях ограничивают воздействием НИП на порты электропитания, испытания в условиях эксплуатации - воздействием на порты заземления ТС.
б) Степень жесткости 2. Защищенная электромагнитная обстановка
Условия установки и эксплуатации ТС характеризуются:
- частичным подавлением НИП в цепях силового электропитания и управления, которые переключаются только с помощью реле (не контакторами);
- разделением цепей, связанных с более жестким уровнем электромагнитной обстановки, от других цепей;
- физическим разделением неэкранированных кабелей силового электропитания и управления от кабелей ввода/вывода сигналов.
Примером условий, соответствующих степени жесткости 2, может служить электромагнитная обстановка в помещениях для средств измерения, контроля и управления на промышленном предприятии или электростанции.
в) Степень жесткости 3. Типовая промышленная электромагнитная обстановка
Условия установки и эксплуатации ТС характеризуются:
- отсутствием подавления НИП в цепях силового электропитания и управления, которые переключаются только с помощью реле (не контакторами);
- недостаточным разделением силовых цепей от других цепей, связанных с более жестким уровнем электромагнитной обстановки;
- недостаточным разделением между кабелями силового электропитания, управления, сигнальными и коммуникационными;
- наличием системы заземления, использующей проводящие каналы, проводники заземления в кабельных желобах (соединенных с системой защитного заземления) и контура заземления.
Примером условий, соответствующих степени жесткости 3, может служить электромагнитная обстановка промышленных предприятий.
г) Степень жесткости 4. Тяжелая промышленная электромагнитная обстановка
Условия установки и эксплуатации ТС характеризуются:
- отсутствием подавления НИП в цепях силового электропитания, управляющих и питающих цепях, которые переключаются как с помощью реле, так и контакторов;
- отсутствием разделения цепей, связанных с более жестким уровнем электромагнитной обстановки, от других цепей;
- отсутствием разделения между кабелями силового электропитания, управления и кабелями ввода/вывода;
- использованием общих многожильных кабелей для цепей управления и цепей ввода/вывода.
Примером условий, соответствующих степени жесткости 4, может служить электромагнитная обстановка промышленного наружного технологического оборудования, в котором не приняты меры снижения помех, а также электромагнитная обстановка электростанций и релейных помещений на подстанциях воздушных линий высокого напряжения, газовых силовых подстанций с рабочим напряжением до 500 кВ.
д) Степень жесткости 5. Специальные условия эксплуатации
В зависимости от большей или меньшей степени разделения источников помех, цепей электропитания и ввода/вывода ТС, других условий электромагнитной обстановки выбирают более высокую или более низкую степень жесткости, чем указано выше. Следует учитывать, что линии от ТС, работающих в более жестких условиях электромагнитной обстановки, могут оказаться в помещении с менее жесткими условиями.
(справочное)
ССЫЛОЧНЫХ МЕЖДУНАРОДНЫХ СТАНДАРТОВ
НАЦИОНАЛЬНЫМ СТАНДАРТАМ РОССИЙСКОЙ ФЕДЕРАЦИИ,
ИСПОЛЬЗОВАННЫМ В НАСТОЯЩЕМ СТАНДАРТЕ
В КАЧЕСТВЕ НОРМАТИВНЫХ ССЫЛОК
Таблица В.1
┌─────────────────────────────┬───────────────────────────────────────────┐
│ Обозначение ссылочного │ Обозначение и наименование ссылочного │
│ национального стандарта │ международного стандарта и условное │
│ Российской Федерации │ обозначение его соответствия ссылочному │
│ │ национальному стандарту │
├─────────────────────────────┼───────────────────────────────────────────┤
├─────────────────────────────┼───────────────────────────────────────────┤
│ │электротехнический словарь - Глава 161: │
│ │Электромагнитная совместимость" (NEQ) │
├─────────────────────────────┴───────────────────────────────────────────┤
│ Примечание. В настоящем стандарте использовано следующее условное│
│обозначение степени соответствия стандартов: │
│ NEQ - неэквивалентные стандарты. │
└─────────────────────────────────────────────────────────────────────────┘
[1] МЭК 107:1998. Электромагнитная совместимость. Руководство по разработке публикаций МЭК в области электромагнитной совместимости
[2] МЭК 60050-161:1990. Международный электротехнический словарь. Глава 161: Электромагнитная совместимость
[3] МЭК 61000-4-4:1995. Электромагнитная совместимость (ЭМС). Часть 4: Методы испытаний и измерений. Раздел 4: Испытания на устойчивость к электрическим быстрым переходным процессам/пачкам.