Главная // Актуальные документы // ГОСТ Р (Государственный стандарт)СПРАВКА
Источник публикации
М.: ИПК Издательство стандартов, 2000
Примечание к документу
Документ утратил силу с 1 июня 2017 года в связи с изданием
Приказа Росстандарта от 20.10.2016 N 1456-ст. Взамен введен в действие
ГОСТ IEC 61000-4-12-2016.
С 1 июля 2003 года до вступления в силу технических регламентов акты федеральных органов исполнительной власти в сфере технического регулирования носят рекомендательный характер и подлежат обязательному исполнению только в части, соответствующей целям, указанным в
пункте 1 статьи 46 Федерального закона от 27.12.2002 N 184-ФЗ.
Введен в действие с 1 января 2001 года.
Название документа
"ГОСТ Р 51317.4.12-99 (МЭК 61000-4-12-95). Совместимость технических средств электромагнитная. Устойчивость к колебательным затухающим помехам. Требования и методы испытаний"
(принят и введен в действие Постановлением Госстандарта РФ от 24.12.1999 N 704-ст)
"ГОСТ Р 51317.4.12-99 (МЭК 61000-4-12-95). Совместимость технических средств электромагнитная. Устойчивость к колебательным затухающим помехам. Требования и методы испытаний"
(принят и введен в действие Постановлением Госстандарта РФ от 24.12.1999 N 704-ст)
Принят и введен в действие
Постановлением Госстандарта РФ
от 24 декабря 1999 г. N 704-ст
ГОСУДАРСТВЕННЫЙ СТАНДАРТ РОССИЙСКОЙ ФЕДЕРАЦИИ
СОВМЕСТИМОСТЬ ТЕХНИЧЕСКИХ СРЕДСТВ ЭЛЕКТРОМАГНИТНАЯ
УСТОЙЧИВОСТЬ К КОЛЕБАТЕЛЬНЫМ ЗАТУХАЮЩИМ ПОМЕХАМ
ТРЕБОВАНИЯ И МЕТОДЫ ИСПЫТАНИЙ
Electromagnetic compatibility
of technical equipment.
Oscillatory waves immunity.
Requirements and test methods
ГОСТ Р 51317.4.12-99
(МЭК 61000-4-12-95)
Группа Э02
Дата введения
1 января 2001 года
1. Разработан и внесен Техническим комитетом по стандартизации в области электромагнитной совместимости технических средств (ТК 30).
2. Принят и введен в действие Постановлением Госстандарта России от 24 декабря 1999 г. N 704-ст.
3. Настоящий стандарт содержит аутентичный текст международного стандарта МЭК 61000-4-12 (1995-05), изд. 1 "Электромагнитная совместимость (ЭМС). Часть 4. Методы испытаний и измерений. Раздел 12. Испытания на устойчивость к колебательным волнам" с дополнительными требованиями, отражающими потребности экономики страны.
4. Введен впервые.
Стандарт МЭК 61000-4-12-95 является частью стандартов МЭК серии 61000 согласно следующей структуре:
Часть 1. Основы
Общее рассмотрение (введение, фундаментальные принципы)
Определения, терминология
Часть 2. Электромагнитная обстановка
Описание электромагнитной обстановки
Классификация электромагнитной обстановки
Уровни электромагнитной совместимости
Часть 3. Нормы
Нормы помехоэмиссии
Нормы помехоустойчивости (в той степени, в какой они не являются предметом рассмотрения техническими комитетами, разрабатывающими стандарты на продукцию)
Часть 4. Методы испытаний и измерений
Методы измерений
Методы испытаний
Часть 5. Руководства по установке и помехоподавлению
Руководства по установке
Руководства по помехоподавлению
Часть 6. Общие стандарты
| | ИС МЕГАНОРМ: примечание. Нумерация частей дана в соответствии с официальным текстом документа. | |
Часть 9. Разное
Каждая часть подразделяется на разделы, которые могут быть опубликованы как международные стандарты либо как технические отчеты.
Указанные стандарты и технические отчеты будут опубликованы в хронологическом порядке и соответственно пронумерованы.
Настоящая часть представляет собой международный стандарт, который устанавливает требования помехоустойчивости и методы испытаний применительно к колебательным затухающим помехам.
Настоящий стандарт распространяется на электротехнические, электронные &и радиоэлектронные& изделия и оборудование (далее в тексте - технические средства) и устанавливает требования и методы испытаний технических средств (ТС) на устойчивость к воздействию на них в условиях эксплуатации колебательных затухающих помех (КЗП) следующих видов:
а) одиночных КЗП, возникающих в низковольтных силовых линиях и в линиях управления и сигнализации ТС, получающих электропитание от низковольтных распределительных электрических сетей и систем электроснабжения промышленных предприятий;
б) повторяющихся КЗП, возникающих в основном в силовых линиях и линиях управления и сигнализации на электрических подстанциях высокого (&выше 35 кВ&) и среднего (&6 - 35 кВ&) напряжения.
Примечание. В соответствии с частотами, рассматриваемыми в настоящем стандарте, возникновение повторяющихся КЗП связано со срабатыванием одного отдельного выключателя.
Целью настоящего стандарта является установление требований помехоустойчивости и общей основы для оценки в лабораторных условиях качества функционирования ТС, предназначенных для применения в жилых, коммерческих и промышленных зонах, а также на электростанциях.
Стандарт устанавливает:
- формы испытательных напряжений и токов;
- степени жесткости испытаний;
- требования к испытательному оборудованию;
- рабочие места для испытаний;
- методы испытаний.
Настоящий стандарт не устанавливает испытаний, применяемых для конкретных ТС или систем. Его главной задачей является обеспечение всех заинтересованных технических комитетов, разрабатывающих стандарты на продукцию, общими ссылочными данными. Технические комитеты по стандартизации (или изготовители ТС) несут ответственность за выбор видов и степеней жесткости испытаний, применяемых для ТС.
&Установленные настоящим стандартом требования должны быть приведены в стандартах на ТС конкретного вида и в технической документации на ТС.
Требования настоящего стандарта являются обязательными.
| | ИС МЕГАНОРМ: примечание. Дополнительные требования к стандарту МЭК 61000-4-12, выделенные курсивом в официальном тексте документа, в электронной версии документа отмечены знаком "&". | |
Содержание стандарта МЭК 61000-4-12-95 набрано прямым шрифтом, дополнительные требования к стандарту МЭК 61000-4-12, отражающие потребности экономики страны,- курсивом.&
&В настоящем стандарте использованы ссылки на следующие стандарты:
ГОСТ Р 8.568-97. Государственная система обеспечения единства измерений. Аттестация испытательного оборудования. Основные положения
ГОСТ 13109-97. Электрическая энергия. Совместимость технических средств электромагнитная. Нормы качества электрической энергии в системах электроснабжения общего назначения
ГОСТ Р 51318.22-99 (СИСПР 22-97). Совместимость технических средств электромагнитная. Радиопомехи индустриальные от оборудования информационных технологий. Нормы и методы испытаний.&
КЗП, воздействующие на ТС, могут нарушать надежную работу ТС и систем. С учетом периодичности возникновения КЗП подразделяют на помехи с малой частотой повторения (одиночные КЗП) и с высокой частотой повторения (повторяющиеся КЗП, пачки).
Одиночные КЗП воздействуют на цепи (порты подключения кабелей) ТС в результате процессов коммутации в силовых линиях и линиях управления и сигнализации, а также молниевых разрядов. Одиночный характер и форма затухающего колебания являются наиболее важными признаками КЗП этого вида.
Повторяющиеся КЗП воздействуют на цепи (порты подключения кабелей) ТС в результате процессов коммутации, связанных с повторяющимся зажиганием электрической дуги, типичных для электростанций и электрических подстанций высокого и среднего напряжения, а также для промышленных электрических установок значительной мощности. Относительно малое время нарастания, форма затухающего колебания, высокая частота повторения помех и длительность пачки являются наиболее важными признаками КЗП этого вида.
Типовые формы КЗП, применяемых при испытаниях ТС на помехоустойчивость, установлены в
6.1.1 и
6.1.2. Сведения о возникновении КЗП и выборе вида испытаний приведены в
Приложении А.
Технические комитеты по стандартизации должны установить, какой из регламентированных в настоящем стандарте видов КЗП соответствует условиям эксплуатации ТС и принять решение о применимости испытаний на помехоустойчивость.
4.1. ИТС - испытуемое техническое средство.
4.2. Порт - &граница между ТС и внешней электромагнитной средой (зажим, разъем, клемма, стык связи и т.п.).&
4.3. Связь - взаимодействие между электрическими цепями, передача энергии из одной цепи в другую.
4.4. Устройство связи - электрическое устройство, предназначенное для передачи КЗП из одной цепи в другую.
4.5. Устройство развязки - электрическое устройство, предназначенное для предотвращения воздействия КЗП, подаваемых на ИТС, на оборудование или системы, не подвергаемые испытаниям.
4.6. Время нарастания (длительность фронта) импульса - интервал времени между моментами, когда мгновенное значение импульса впервые достигает 10 и 90% пикового значения.
4.7. Пачка (импульсов или колебаний) - последовательность ограниченного числа отдельных импульсов или колебаний ограниченной продолжительности.
4.8. &Низковольтная распределительная электрическая сеть - распределительная электрическая сеть энергоснабжающей организации (электрическая сеть общего назначения) или низковольтная электрическая сеть потребителя электрической энергии, предназначенная для питания различных приемников электрической энергии в местах их размещения.&
5. Степени жесткости испытаний
Степени жесткости испытаний ТС при воздействии одиночных и повторяющихся КЗП на порты электропитания, сигнальные порты и порты управления (порты ввода-вывода) приведены в таблицах 1 и
2 соответственно.
Таблица 1
Степени жесткости испытаний для одиночных КЗП
┌─────────┬───────────────────────────────┬───────────────────────────────┐
│ Степень │ Испытательное напряжение │ Испытательное напряжение │
│жесткости│ при подаче помехи по схеме │ при подаче помехи по схеме │
│испытаний│ "провод-земля", кВ │ "провод-провод", кВ │
├─────────┼───────────────────────────────┼───────────────────────────────┤
│ 1 │ 0,5 │ 0,25 │
│ 2 │ 1 │ 0,5 │
│ 3 │ 2 │ 1 │
│ 4 │ 4 │ 2 │
│ X <*> │ Специальное │ Специальное │
├─────────┴───────────────────────────────┴───────────────────────────────┤
│ <*> Открытая степень жесткости испытаний, которая может быть│
│установлена &в стандартах на ТС конкретного вида& и в технической│
│документации на ТС. │
└─────────────────────────────────────────────────────────────────────────┘
Таблица 2
Степени жесткости испытаний для повторяющихся КЗП
┌─────────┬──────────────────────────────┬────────────────────────────────┐
│ Степень │ Испытательное напряжение │ Испытательное напряжение │
│жесткости│ при подаче помехи по схеме │ при подаче помехи по схеме │
│испытаний│ "провод-земля", кВ │ "провод-провод", кВ │
├─────────┼──────────────────────────────┼────────────────────────────────┤
│ 1 │ 0,5 │ 0,25 │
│ 2 │ 1 │ 0,5 │
│ 3 │ 2 <*> │ 1 │
│ 4 │ - │ - │
│ X <**> │ Специальное │ Специальное │
├─────────┴──────────────────────────────┴────────────────────────────────┤
│ <*> Испытательное напряжение увеличивают до 2,5 кВ при испытаниях ТС,│
│применяемых на электрических подстанциях. │
│ <**> Открытая степень жесткости испытаний, которая может быть│
│установлена &в стандартах на ТС конкретного вида& и в технической│
│документации на ТС. │
└─────────────────────────────────────────────────────────────────────────┘
Для портов электропитания, сигнальных портов и портов управления могут быть установлены разные степени жесткости испытаний. Степени жесткости испытаний, устанавливаемые для портов электропитания, не должны превышать степени жесткости испытаний для сигнальных портов и портов управления более чем на одну ступень.
Применимость двух испытаний одновременно - на устойчивость к одиночным КЗП и повторяющимся КЗП - должна быть установлена в стандартах на ТС конкретного вида.
Порядок проведения испытаний для КЗП каждого вида указан в
8.2.
Сведения о выборе степеней жесткости испытаний приведены в
Приложении Б.
6. Испытательное оборудование
6.1. Испытательные генераторы
Настоящий раздел устанавливает требования, являющиеся общими для испытательных генераторов (ИГ) одиночных и повторяющихся КЗП.
Дополнительные требования к ИГ каждого вида приведены в
6.1.1 и
6.1.2.
ИГ должны быть способны функционировать в режиме короткого замыкания.
Выход ИГ не должен быть заземлен и величины емкости между каждым выходным зажимом ИГ и заземлением должны различаться менее чем на 10%. Это условие подлежит выполнению при подаче помехи на сигнальные порты и порты управления ИТС по схеме "провод-провод" и не является необходимым при воздействии помехи на порты электропитания и при подаче помехи на сигнальные порты и порты управления по схеме "провод-земля".
Если выход ИГ заземлен, проводят мероприятия в соответствии с
8.2.
В ИГ должны быть предусмотрены меры по предупреждению эмиссии значительных помех, которые могут быть созданы в электрической сети или могут повлиять на результаты испытаний.
Сведения о значениях выходного сопротивления ИГ приведены в
Приложении В.
6.1.1. Характеристики ИГ одиночных КЗП
ИГ одиночных КЗП должен иметь следующие характеристики:
Время нарастания напряжения
(первый пик), мкс ..................... 0,5 +/- 20% (режим холостого
хода) &(сопротивление нагрузки
более 10 кОм)&
Время нарастания тока (первый пик),
мкс ................................... 1 +/- &20%& (режим короткого
замыкания) &(сопротивление
нагрузки менее 0,1 Ом)&
Частота колебаний, кГц ................ 100 +/- 10%
Степень затухания (уменьшение
амплитуды каждого пика по отношению
к предыдущему пику), % ................ 60 +/- &10&
Частота повторения КЗП, 1/мин ......... (1 - 60) +/-&10%&
Выходное сопротивление, Ом ............ (12, 30, 200) +/- 20%
(изменяется переключателем)
Напряжение в режиме холостого хода
(пиковое значение), кВ ................. (0,25 - 4) +/- 10%
Ток в режиме короткого замыкания
(минимальное пиковое значение), А,
для ИГ с выходным сопротивлением:
12 Ом .............................. 333 +/- 20%
30 Ом .............................. 133 +/- 20%
200 Ом ............................. 20 +/- 20%
Диапазон изменения фазового сдвига
между напряжениями ИГ и сети
электропитания с дискретностью
10 град, град ......................... 0 - 360 &(погрешность установки
+/- 5 град)&
Полярность первого полупериода
помехи ................................ Положительная и отрицательная
Типовая форма одиночной КЗП (напряжение в режиме холостого хода и ток в режиме короткого замыкания) приведена на рисунке 1, структурная схема ИГ одиночных КЗП - на
рисунке 2.
Значения выходного сопротивления ИГ при проведении испытаний установлены в
8.2.
Рисунок 1. Типовая форма одиночной КЗП
(напряжение в режиме холостого хода
и ток в режиме короткого замыкания)

- время нарастания (0,5 мкс для напряжения в режиме
холостого хода, 1 мкс для тока в режиме короткого
замыкания); T - период колебаний (10 мкс)
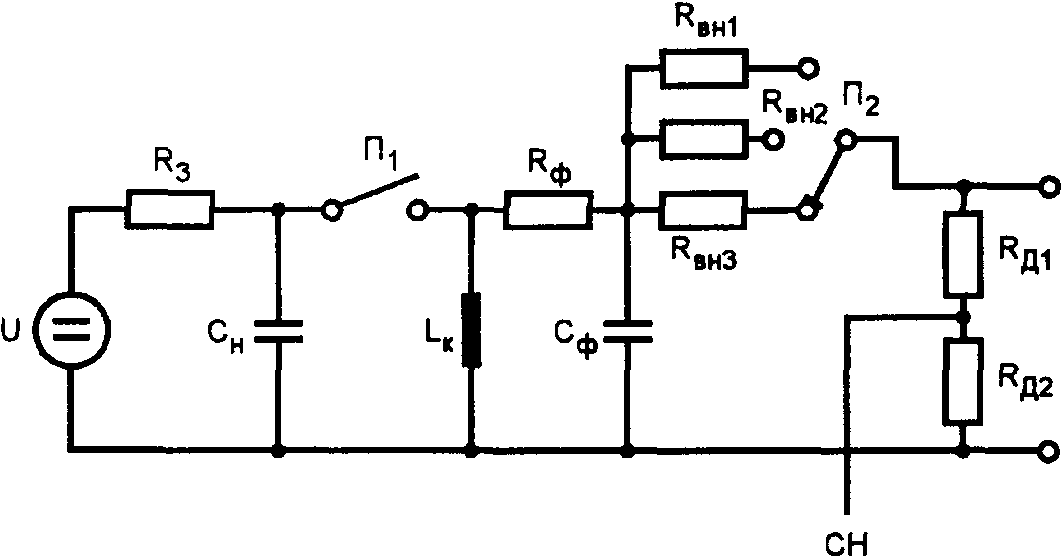
Рисунок 2. Структурная схема ИГ одиночных КЗП
U - источник высокого напряжения;

- зарядный резистор;

- накопительный конденсатор;

- высоковольтный ключ;

- индуктивность колебательного контура;

- резистор
фильтра;

- конденсатор фильтра;

- резистор 12 Ом;

- резистор 30 Ом;

- резистор 200 Ом;

- селектор
выходного сопротивления;

- резисторы делителя
напряжения; СН - сигнал для наблюдения
6.1.2. Характеристики ИГ повторяющихся КЗП
ИГ повторяющихся КЗП должен иметь следующие характеристики:
Время нарастания напряжения (первый пик), нс .. 75 +/- 20%
Частоты колебаний, МГц ........................ 0,1 +/- 10%
1 +/- 10%
Частота повторения КЗП, Гц .....................40 +/- 10% при частоте
колебаний 100 кГц,
400 +/- 10% при
частоте колебаний 1 МГц
Дополнительная частота повторения КЗП, Гц ..... Частота колебаний
в кГц, умноженная
Степень затухания ............................. Уменьшение пиковой
величины между третьим
и шестым периодами
на 50 +/- &10%&
Длительность пачки, с, не менее ............... 2 +/- &10%&
Выходное сопротивление, Ом .................... 200 +/- 20%
Напряжение холостого хода (пиковое
напряжение), кВ ............................... (0,25 - 2,5) +/- 10%
Полярность первого полупериода помехи ......... Положительная
и отрицательная.
Типовая форма повторяющейся КЗП приведена на рисунке 3, структурная схема ИГ повторяющихся КЗП - на
рисунке 4.
Рисунок 3. Типовая форма повторяющихся КЗП

- время нарастания напряжения (75 нс);
T - период колебаний (10 мкс для частоты 0,1 МГц,
1 мкс для частоты 1 МГц)
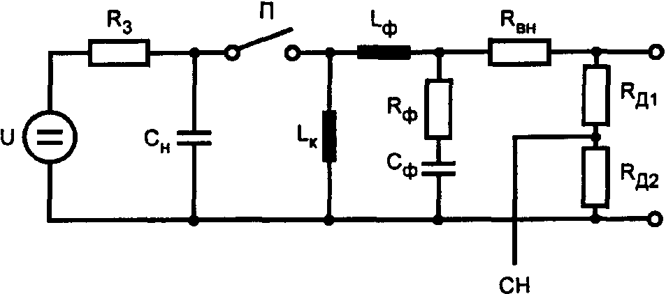
Рисунок 4. Структурная схема ИГ повторяющихся КЗП
U - источник высокого напряжения;

- зарядный резистор;

- накопительный конденсатор; П - высоковольтный ключ;

- индуктивность колебательного контура;

- индуктивность фильтра;

- резистор фильтра;

- конденсатор фильтра;

- резистор выходного
сопротивления;

- резисторы делителя напряжения;
СН - сигнал для наблюдения
&Напряжение и напряженность поля индустриальных радиопомех, создаваемых включенным ИГ одиночных и повторяющихся КЗП при отсутствии генерации КЗП, не должна превышать значений, установленных в
ГОСТ Р 51318.22 для оборудования класса Б.&
6.2. Проверка характеристик ИГ КЗП
Для обеспечения воспроизводимости испытаний с применением различных ИГ КЗП наиболее существенные характеристики ИГ должны быть проверены.
Проверке соответствия значениям, указанным в
6.1.1 и
6.1.2, подлежат:
- время нарастания (напряжения и тока);
- частота колебаний;
- степень затухания;
- частота повторения;
- напряжение холостого хода;
- ток короткого замыкания.
Проверка может осуществляться с применением пробника напряжения или тока и осциллографа с полосой пропускания не менее 20 МГц, обеспечивающих необходимую погрешность измерения.
&ИГ КЗП должен быть аттестован по
ГОСТ 8.568. При аттестации определяют действительные значения всех характеристик ИГ КЗП, указанных в
6.1, включая напряжение и напряженность поля индустриальных радиопомех.&
6.3. Устройство связи/развязки
Устройство связи/развязки, с одной стороны, обеспечивает возможность подачи испытательного напряжения по схеме "провод-провод" или "провод-земля" на порты электропитания, сигнальные порты и порты управления ИТС, и с другой стороны, исключает воздействие КЗП на вспомогательное оборудование, применяемое при проведении испытаний. Устройство связи/развязки не должно оказывать существенного влияния на установленные параметры ИГ, например, на параметры тока.
Требования, являющиеся общими для устройств связи/развязки при воздействии КЗП на порты электропитания, сигнальные порты и порты управления приведены ниже; дополнительные требования установлены в
6.3.1 и
6.3.2.
Устройство связи должно иметь следующие значения емкости связи в зависимости от выбранного при испытаниях выходного сопротивления ИГ КЗП:
- 0,5 мкФ для выходного сопротивления 200 Ом;
- не менее 3 мкФ для выходного сопротивления 30 Ом;
- не менее 10 мкФ для выходного сопротивления 12 Ом.
При указанных значениях емкости конденсатора связи ослабление КЗП в устройстве связи должно быть менее 1 дБ.
&Примечание. Характеристики устройств связи при воздействии КЗП на сигнальные порты и порты управления (порты ввода-вывода) находятся на рассмотрении.&
В некоторых случаях конденсатор связи заменяют устройствами связи иного типа, такими как газовые разрядники, кремниевые диоды и т.д.
&Требования к применяемым при испытаниях на устойчивость к КЗП устройствам связи иным, чем устройство емкостной связи, устанавливают в стандарте на ТС конкретного вида.&
Устройство связи/развязки должно иметь зажим заземления.
Проверка характеристик устройств связи/развязки, установленных в
6.3.1 и
6.3.2, должна осуществляться с применением пробника напряжения или тока и осциллографа с полосой пропускания не менее 20 МГц или других измерительных приборов, обеспечивающих необходимую погрешность аттестации.
&Устройство связи/развязки должно быть аттестовано по
ГОСТ 8.568. При аттестации определяют действительные значения всех характеристик устройства связи/развязки, указанных в 6.3.1,
6.3.2.&
6.3.1. Устройство связи/развязки для портов электропитания переменного и постоянного тока
Характеристики устройства связи/развязки должны быть следующими:
Ослабление помехи в устройстве развязки
при подаче по схеме "провод-земля", дБ, не менее ... 20
Ослабление помехи в устройстве развязки при
подаче по схеме "провод-провод", дБ, не менее ...... 30
Электрическая прочность изоляции конденсаторов
связи при испытании импульсным напряжением
1/50 мкс, кВ, не менее ............................. 5
Ток нагрузки ....................................... Соответствует
номинальному
потребляемому
току ИТС
Число фаз .......................................... 1 или 3
(в зависимости
от требований).
6.3.2. Устройство связи/развязки для сигнальных портов и портов управления (портов ввода-вывода)
Устройство связи/развязки должно иметь те же характеристики, что указаны в
6.3.1, со следующим отличием:
Ослабление помехи в устройстве развязки при подаче
по схемам "провод-земля" и "провод-провод", дБ, .... не менее 30.
Затухание, вносимое устройством развязки при минимальном значении ослабления помехи, может быть недостаточным для защиты вспомогательных источников сигналов, в связи с чем могут быть необходимы дополнительные защитные устройства &(см.
7.2).&
Устройство связи/развязки может конструктивно состоять из отдельных блоков или представлять собой единую конструкцию.
7. Рабочее место для испытаний
На рабочем месте для испытаний должно находиться следующее оборудование:
- пластина заземления, проводники заземления;
- ИТС;
- ИГ КЗП;
- измерительные приборы;
- устройство связи/развязки;
- вспомогательное оборудование.
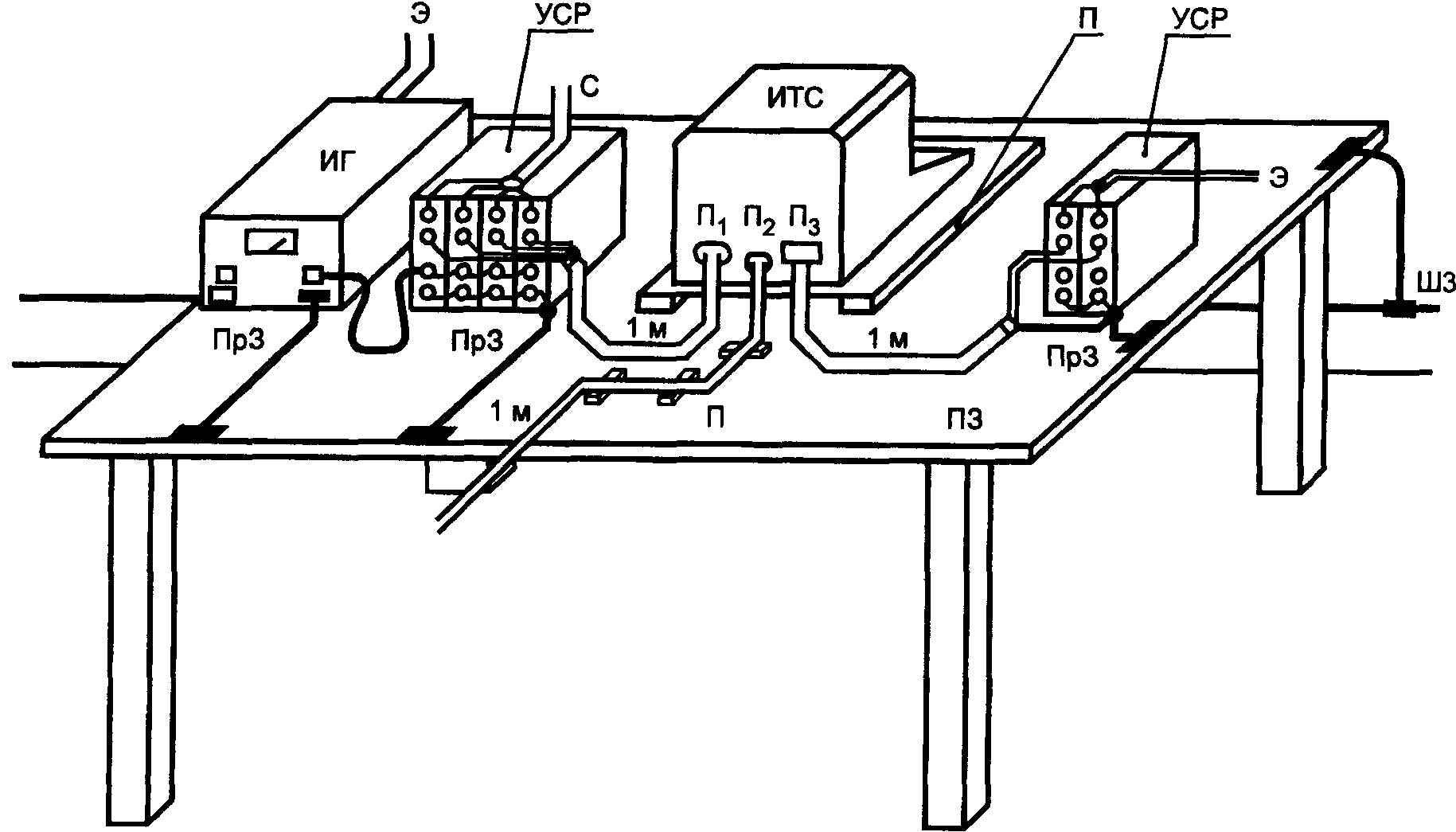
Схемы рабочих мест для испытаний настольных ТС приведены на рисунке 5, напольных ТС - на
рисунке 6.
Рисунок 5. Схема рабочего места для испытаний
настольных ТС с использованием пластины заземления
Примечание. Проводники заземления должны быть такими короткими, как практически достижимо.
ШЗ - шина защитного заземления; Э - к сети электропитания;

- порт ввода-вывода;

- порт связи;

- порт
электропитания; С - к источнику сигналов; ПрЗ - проводник
заземления; ПЗ - пластина заземления; УСР - устройство
связи/развязки; П - изоляционная прокладка
Рисунок 6. Схема рабочего места для испытаний
напольных ТС с использованием пластины заземления
Примечание. Проводники заземления должны быть такими короткими, как практически достижимо.
ШЗ - шина защитного заземления; Э - к сети электропитания;

- порт ввода-вывода;

- порт связи;

- порт
электропитания; С - к источнику сигналов; ПрЗ - проводник
заземления; ПЗ - пластина заземления; УСР - устройство
связи/развязки; О - изоляционная опора
При проведении испытаний ИТС должно быть подключено к системе защитного заземления в соответствии с технической документацией на ИТС и требованиями к заземлению испытательного оборудования.
Защитное заземление ИГ КЗП, устройства связи/развязки, ИТС и вспомогательного оборудования на рабочем месте для испытаний осуществляют с использованием пластины заземления или проводников заземления.
Частные требования приведены в 7.1.1 и
7.1.2.
7.1.1. Пластина заземления
Если используется пластина заземления, она должна представлять собой медный или алюминиевый лист толщиной не менее 0,25 мм. Допускается использовать другие металлы, но при этом толщина листа должна быть не менее 0,65 мм. ИТС и вспомогательное оборудование размещают на пластине заземления и соединяют с ней.
Минимальные размеры пластины заземления должны составлять 1 x 1 м. Фактические размеры зависят от размеров ИТС. Пластина заземления должна выступать за контур ИТС и вспомогательного оборудования не менее чем на 0,1 м с каждой стороны.
Пластина заземления должна быть соединена с системой защитного заземления испытательной лаборатории (см. рисунки 7а -
14а).
Рисунок 7. Испытания при воздействии
на порт электропитания переменного/постоянного тока
(однофазная электрическая сеть,
подача помехи по схеме "провод-земля")
Рисунок 7а. Схема рабочего места с пластиной заземления
L - фазный провод; N - нейтральный провод;
PE - защитное заземление
Рисунок 7б. Схема рабочего места с проводниками заземления
Рисунок 8. Испытания при воздействии на порт электропитания
переменного тока (трехфазная электрическая сеть, подача
помехи по схеме "провод-земля")
Рисунок 8а. Схема рабочего места с пластиной заземления

- фазные провода
Рисунок 8б. Схема рабочего места с проводниками заземления
Рисунок 9. Испытания при воздействии на порт ввода-вывода
[одна линия управления (сигнализации), подача помехи
по схеме "провод-земля"]
Рисунок 9а. Схема рабочего места с пластиной заземления
С - подача сигналов; УС - устройство связи
Рисунок 9б. Схема рабочего места с проводниками заземления
Рисунок 10. Испытания при воздействии на порт ввода-вывода
[группа линий управления (сигнализации) с общим обратным
проводником, подача помехи по схеме "провод-земля"]
Рисунок 10а. Схема рабочего места с пластиной заземления
Рисунок 10б. Схема рабочего места с проводниками заземления
Рисунок 11. Испытания при воздействии на порт
электропитания переменного/постоянного тока (однофазная
электрическая сеть, подача помехи по схеме "провод-провод")
Рисунок 11а. Схема рабочего места с пластиной заземления
Рисунок 11б. Схема рабочего места с проводниками заземления
Рисунок 12. Испытания при воздействии на порт
электропитания переменного тока (трехфазная электрическая
сеть, подача помехи по схеме "провод-провод")
Рисунок 12а. Схема рабочего места с пластиной заземления
Рисунок 12б. Схема рабочего места с проводниками заземления
Рисунок 13. Испытания при воздействии на порт ввода-вывода
[одна линия управления (сигнализации), подача помехи
по схеме "провод-провод"]
Рисунок 13а. Схема рабочего места с заземляющей пластиной
Рисунок 13б. Схема рабочего места с проводниками заземления
Рисунок 14. Испытания при воздействии на порт ввода-вывода
[группа линий управления (сигнализации) с общим обратным
проводником, подача помехи по схеме "провод-провод"]
Рисунок 14а. Схема рабочего места с пластиной заземления
Рисунок 14б. Схема рабочего места с проводниками заземления
7.1.2. Проводники заземления
Испытания настольных ИТС могут быть проведены без применения пластины заземления, если это необходимо по требованиям безопасности, установленным для ИТС. В этом случае необходимо обеспечить, чтобы токи, возникающие при воздействии КЗП, не проходили бы по проводникам (включая проводники защитного заземления), общим с другим оборудованием, применяемым при испытаниях. Для выполнения этого требования три устройства - ИГ КЗП, устройство связи/развязки и ИТС должны быть подключены к системе защитного заземления в общей точке, а именно, в точке подключения проводника заземления к зажиму заземления устройства связи/развязки (
рисунки 7б -
14б). Необходимо также, чтобы при подключенном к системе защитного заземления корпусе ИГ КЗП выход ИГ был незаземленным.
ИТС должно быть установлено и подключено к сети электропитания и линиям управления и сигнализации в соответствии с технической документацией на ИТС. Расстояние между ИТС и любыми проводящими предметами (например, стенами экранированного помещения), исключая пластину заземления, должно составлять не менее 0,5 м. Цепи электропитания и ввода-вывода ИТС должны быть подключены к электрической сети, линиям управления и сигнализации через устройство связи/развязки. В качестве источников сигналов, обеспечивающих функционирование ИТС, допускается применение имитаторов.
Для ослабления влияния помех на источники сигналов, при необходимости, применяют фильтры.
При испытаниях используют силовые и сигнальные кабели, имеющиеся в составе ИТС или предусмотренные технической документацией на ИТС. При отсутствии требований к кабелям применяют неэкранированные кабели, пригодные по условиям прохождения сигналов.
Устройство связи/развязки должно быть соединено с ИТС кабелем длиной 1 м.
Линии связи (передачи данных) должны быть подключены к ИТС с использованием предназначенных для этого кабелей, предусмотренных технической документацией на ИТС; указанные кабели прокладывают над пластиной заземления с применением изоляционных опор толщиной 0,1 м на длине не менее 1 м от ИТС.
Частные требования при испытаниях настольных и напольных ИТС приведены ниже.
а) Настольные ИТС
Настольные ИТС устанавливают на деревянном столе высотой 0,8 м. ИТС и кабели должны быть изолированы от пластины заземления (при ее использовании) изоляционной прокладкой толщиной 0,5 мм. ИТС, подключаемые к системе защитного заземления кабелем электропитания (например, терминалы, мониторы и т.д.), должны быть заземлены с помощью проводника, подключаемого к зажиму заземления устройства связи/развязки.
Схема рабочего места для испытаний настольных ТС с использованием пластины заземления приведена на
рисунке 5.
б) Напольные ИТС
При использовании пластины заземления напольные ИТС и кабели должны быть изолированы от нее изоляционной опорой толщиной (0,1 +/- 0,01) м. Изоляционная опора может быть выполнена из сухого дерева. ИТС должно быть подключено к системе защитного заземления в соответствии с технической документацией на ИТС. Корпус ИТС должен быть подключен к системе защитного заземления проводником заземления минимальной длины, соединяющим зажим заземления ИТС с зажимом на пластине заземления.
Дополнительное заземление ИТС не допускается.
Схема рабочего места для испытаний напольных ИТС с использованием пластины заземления приведена на
рисунке 6.
7.3. Устройство связи/развязки
Устройство связи/развязки должно быть размещено в непосредственной близости от ИТС и соединено с ИТС проводниками длиной 1 м. Устройство связи/развязки должно быть подключено к пластине заземления проводником заземления минимальной длины.
ИТС испытывают с кабелем электропитания длиной 1 м. Если длина кабеля превышает 1 м, допускается излишек длины кабеля размещать в виде плоской катушки диаметром 0,2 м на высоте 0,1 м над плоскостью заземления.
ИТС, снабженные несъемными кабелями, испытывают с имеющимися кабелями.
ИТС, снабженные съемными кабелями, имеющими разъемы на концах, предусмотренными технической документацией на ТС, испытывают с кабелями, указанными в технической документации. Если в технической документации на ТС предусмотрено применение кабелей различной длины, применяют кабели минимальной длины.
ИГ КЗП размещают в непосредственной близости к устройству связи/развязки и соединяют с ним кабелем длиной 1 м. ИГ КЗП соединяют с пластиной заземления в месте расположения ИГ или с защитным заземлением испытательной лаборатории проводником минимально возможной длины. При воздействии КЗП на порты связи руководствуются положениями, приведенными в
8.2.1 в).
Испытания включают:
- проверку условий испытаний в испытательной лаборатории;
- предварительную проверку качества функционирования ИТС;
- проведение испытаний;
- оценку результатов испытаний.
8.1. Условия испытаний в испытательной лаборатории
Чтобы минимизировать влияние окружающей среды на результаты испытаний, испытания должны быть проведены в климатических условиях и в условиях электромагнитной обстановки, установленных в 8.1.1 и
8.1.2.
8.1.1. Климатические условия
&Испытания на соответствие требованиям настоящего стандарта проводят при нормальных климатических условиях:
- температуре окружающего воздуха (25 +/- 10) °C;
- относительной влажности воздуха 45 - 80%;
- атмосферном давлении 84 - 106,7 кПа (630 - 800 мм рт. ст.), если иные требования не установлены в стандартах на группы ТС или ТС конкретного вида.&
8.1.2. Электромагнитная обстановка
Электромагнитная обстановка в испытательной лаборатории не должна влиять на результаты испытаний.
8.2. Проведение испытаний
Испытания проводят в соответствии с программой испытаний, предусматривающей проверку качества функционирования ИТС. ИТС испытывают в режиме функционирования, предусмотренного в технической документации на ТС.
Программа проведения испытаний должна устанавливать:
- вид испытаний;
- степени жесткости испытаний;
- тип ИГ КЗП и значения выходного сопротивления ИГ для испытаний каждого вида;
- полярность КЗП (необходимы обе полярности);
- число воздействующих КЗП;
- продолжительность испытаний;
- порты ИТС, подлежащие испытаниям;
- схемы подачи КЗП ("провод-земля", "провод-провод", между корпусами);
- последовательность подачи КЗП на порты ИТС;
- фазовые углы подачи помехи на порты электропитания (только для одиночных КЗП);
- представительные режимы функционирования ИТС;
- состав вспомогательного оборудования.
Испытания проводят при номинальных значениях напряжения электропитания и номинальных уровнях подаваемых на ИТС сигналов. На рабочем месте для испытаний перед подачей КЗП проводят предварительную проверку качества функционирования ИТС.
Перед проведением испытаний проверяют характеристики ИГ КЗП для подтверждения их соответствия требованиям, установленным в
6.1. Испытательное напряжение подают после установки ИТС в соответствии с
7.2.
Испытания осуществляют в соответствии со стандартом на ТС конкретного вида или, при его отсутствии, с технической документацией на ТС, в которых должно быть регламентировано применение одиночных или повторяющихся КЗП, или помех обоих видов одновременно. Не допускается подача КЗП при степенях жесткости испытаний, частоте повторения помех и значениях выходного сопротивления ИГ КЗП больших, чем установленные в стандарте на ТС конкретного вида или в технической документации на ТС.
а) Испытания при подаче помехи по схеме "провод-земля"
Испытательное напряжение подают с использованием устройства связи/развязки между каждой цепью ИТС и защитным заземлением. Один из зажимов ИГ КЗП подключают к защитному заземлению (пластине заземления). Другой зажим ИГ КЗП должен быть подключен одиночным проводником ко всем входным зажимам устройства связи/развязки, которые должны быть соединены между собой.
Если цепи ИТС, подвергаемые испытаниям, имеют более двух зажимов, испытательное напряжение прикладывают одновременно между всеми зажимами цепи и защитным заземлением (пластиной заземления).
Примеры применения этих требований для различных портов ИТС приведены на перечисленных ниже рисунках:
-
рисунок 7 - для порта электропитания переменного/постоянного тока (однофазная электрическая сеть, подача помехи по схеме "провод-земля");
-
рисунок 8 - для порта электропитания переменного тока (трехфазная электрическая сеть, подача помехи по схеме "провод-земля");
-
рисунок 9 - для порта ввода-вывода [одна линия управления (сигнализации), подача помехи по схеме "провод-земля"];
-
рисунок 10 - для порта ввода-вывода [группа линий управления (сигнализации) с общим обратным проводником, подача помехи по схеме "провод-земля"].
Каждый рисунок содержит схемы рабочих мест для испытаний с использованием пластины заземления (
рисунки 7а,
8а,
9а и
10а) и с использованием проводников заземления (
рисунки 7б,
8б,
9б и
10б) соответственно.
б) Испытания при подаче помехи по схеме "провод-провод"
Испытательное напряжение подают с использованием устройства связи/развязки между зажимами ИТС &(исключая зажим защитного заземления) &для каждой представительной комбинации зажимов. Выходные зажимы ИГ КЗП должны быть незаземленными.
Примеры применения этих требований для различных портов ИТС приведены на перечисленных ниже рисунках:
-
рисунок 11 - для порта электропитания переменного/постоянного тока (однофазная электрическая сеть, подача помехи по схеме "провод-провод");
-
рисунок 12 - для порта электропитания переменного тока (трехфазная электрическая сеть, подача помехи по схеме "провод-провод");
-
рисунок 13 - для порта ввода/вывода [одна линия управления (сигнализации), подача помехи по схеме "провод-провод"];
-
рисунок 14 - для порта ввода-вывода [группа линий управления (сигнализации) с общим обратным проводником, подача помехи по схеме "провод-провод"].
Каждый рисунок содержит схемы рабочих мест для испытаний с использованием пластины заземления (
рисунки 11а,
12а,
13а и
14а) и с использованием проводников заземления (
рисунки 11б,
12б,
13б и
14б) соответственно.
Если выход ИГ КЗП заземлен на корпус, применяют следующие правила:
- электропитание ИГ КЗП, ИТС и измерительных приборов (например, осциллографа, подключенного к выходным зажимам ИТС) осуществляют с использованием изолирующего трансформатора с переходной емкостью не более 10 пФ;
- ИГ КЗП устанавливают на деревянном столе (или столе из другого непроводящего материала) высотой 0,8 м;
- ИГ КЗП не подключают к системе защитного заземления при одновременном принятии мер для исключения прикосновений персонала к ИГ.
Условия проведения испытаний при подаче КЗП на ИТС по схеме "провод-провод" с использованием ИГ КЗП, выход которого заземлен, приведены на рисунке 15. Если ИГ КЗП применяется таким образом, особое внимание должно быть уделено обеспечению безопасности.
Рисунок 15. Условия испытаний при подаче помехи по схеме
"провод-провод" с использованием ИГ КЗП,
выход которого заземлен
ШЗ - шина защитного заземления; Э - к сети электропитания;

- порт ввода-вывода;

- порт электропитания;

- порт связи; С - к источнику сигналов;
ПрЗ - проводник заземления;
ПЗ - пластина заземления; УСР - устройство
связи/развязки; О - изоляционная опора;
ИТ - изолирующий трансформатор
&Испытания ТС, электропитание которых может осуществляться от однофазной двухпроводной сети, проводят при подаче помех по схеме "провод-провод".
Испытания ТС, электропитание которых может осуществляться от однофазной трехпроводной сети, проводят при подаче помехи по схеме "провод-провод" и "провод-земля".
Испытания ТС, электропитание которых осуществляется от трехфазной трехпроводной или четырехпроводной сети, проводят при подаче помехи по схеме "провод-провод".
Испытания ТС, электропитание которых осуществляется от трехфазной пятипроводной сети, проводят при подаче помехи по схеме "провод-провод" и "провод-земля".&
8.2.1. Проведение испытаний на устойчивость к одиночным КЗП
На ИТС должно быть подано не менее пяти КЗП положительной полярности и не менее пяти КЗП отрицательной полярности при минимальном интервале между воздействиями, равном 1 с. Число воздействий и интервал между ними зависят от выходного сопротивления ИГ КЗП и применяемых в ИТС и вспомогательном оборудовании средств защиты от импульсных помех.
В технической документации на ТС должны быть определены значения выходного сопротивления ИГ КЗП для различных портов ИТС и интервал между воздействиями КЗП.
Интервал между воздействиями КЗП должен составлять:
- 10 с - для испытаний при выходном сопротивлении ИГ КЗП 12 Ом;
- 6 с - для испытаний при выходном сопротивлении ИГ КЗП 30 Ом;
- 1 с - для испытаний при выходном сопротивлении ИГ КЗП 200 Ом.
Сведения о максимальной частоте повторения КЗП приведены в Приложении А,
раздел А.1.
Другие указания должны быть приведены в стандартах на ТС конкретного вида или в технической документации на ТС.
&Выходное сопротивление ИГ КЗП, количество воздействий КЗП, интервал между воздействиями, частота повторения помех и порядок синхронизации КЗП по отношению к частоте сети должны быть указаны в стандартах на ТС конкретного вида и в технической документации на ТС.&
а) Испытания при подаче помех на порты электропитания
Испытательное напряжение подают с использованием устройств связи/развязки.
Выходное сопротивление ИГ КЗП должно составлять:
- при испытаниях ИТС, подключаемых непосредственно к главному электрическому фидеру, - 12 Ом;
- при испытаниях ИТС, подключаемых к электрической сети с помощью штепсельной розетки, - 30 Ом.
б) Испытания при подаче помех на порты ввода-вывода
Испытательное напряжение подают с использованием устройств связи/развязки, подходящих по условиям прохождения сигналов к портам ИТС. Если устройство связи/развязки снижает уровень сигнала, применяют метод, установленный в
8.2.1 в). Выходное сопротивление ИГ КЗП должно составлять 200 Ом, если при испытаниях не применяют защитные устройства или фильтры в цепи сигнала; при их применении выходное сопротивление ИГ КЗП должно составлять 12 или 30 Ом.
Различные значения выходного сопротивления ИГ КЗП выбирают таким образом, чтобы испытательное напряжение на зажимах ИТС в условиях нагрузки не уменьшалось более чем на 50% в сравнении с напряжением, предусмотренным установленной степенью жесткости испытаний.
в) Испытания при подаче помех на порты связи
Испытания при подаче помех на порты связи ИТС с использованием устройств связи/развязки могут привести (при значительных скоростях обмена данными) к снижению уровня сигналов. Если это имеет место, испытательное напряжение должно быть подано между корпусами взаимосвязанных ТС (ИТС 1 и ИТС 2), как показано на рисунке 16. Выходное сопротивление ИГ КЗП должно в этом случае составлять 12 Ом.
Рисунок 16. Испытания систем, имеющих порты линий связи
с широкополосными сигналами (выход ИГ КЗП заземлен)
При использовании кабелей, экран которых заземляется на одном конце кабеля, незаземленный конец экрана должен быть подключен к корпусу ИТС через конденсатор связи емкостью 0,5 мкФ. Стандартная длина кабелей при проведении испытаний такого рода должна составлять 10 м. Сигнальные кабели подключают в соответствии с технической документацией на ИТС, в том числе в части применения мер защиты от помех.
Если ИТС 1 представляет собой вспомогательное оборудование (имитатор), предварительно проверяют устойчивость имитатора к воздействию помех. При недостаточной помехоустойчивости имитатора и отсутствии возможностей повышения его помехоустойчивости испытания осуществляют с целью подтверждения следующих характеристик функционирования ИТС:
- порт связи при испытаниях не повреждается;
- связь нарушается только в течение времени воздействия испытательного напряжения;
- качество функционирования ИТС при выполнении функций, не относящихся к связи, не ухудшается.
8.2.2. Проведение испытаний на устойчивость к повторяющимся КЗП
Испытания проводят, как правило, при частотах колебаний 100 кГц и 1 МГц.
Испытательное напряжение обеих полярностей подают на порты электропитания, ввода-вывода и связи ИТС в соответствии с требованиями стандарта на ТС конкретного вида. Помехи не синхронизируют с частотой сети. Продолжительность воздействия КЗП должна быть не мене 2 с. Интервал между двумя последовательными испытаниями должен составлять не менее 1 с.
В соответствии с требованиями стандарта на ТС конкретного вида могут быть проведены испытания ТС при частоте колебаний от 30 кГц до 10 МГц и продолжительности испытаний, отличающейся от указанной выше. &В этом случае частота повторения КЗП должна быть равна частоте колебаний в кГц, умноженной на 0,4 (см.
6.1.2)&. Для испытаний такого рода могут быть необходимы специальные ИГ КЗП и устройства связи/развязки. Сведения об указанных средствах испытаний должны быть отражены в программе испытаний.
&Частота колебаний, продолжительность воздействия КЗП и интервал между воздействиями должны быть указаны в стандартах на ТС конкретного вида и технической документации на ТС.&
9. Результаты испытаний и протокол испытаний
Данный раздел определяет порядок оценки результатов испытаний и подготовки протокола испытаний, относящихся к настоящему стандарту.
Многообразие и различия ТС и систем, подлежащих испытаниям, затрудняют установление результатов воздействия КЗП на ТС и системы.
Результаты испытаний должны быть классифицированы на основе следующих критериев качества функционирования ИТС, если иные требования не установлены в стандартах на ТС конкретного вида или в технической документации на ТС:
А - нормальное функционирование в соответствии с технической документацией на ТС конкретного вида;
В - временное ухудшение качества функционирования или прекращение выполнения установленной функции с последующим восстановлением нормального функционирования, осуществляемым без вмешательства оператора;
С - временное ухудшение качества функционирования или прекращение выполнения установленной функции, которые требуют вмешательства оператора или перезапуска системы;
Д - ухудшение качества функционирования или прекращение выполнения установленной функции, которые не подлежат восстановлению из-за повреждения оборудования (компонентов), нарушения программного обеспечения или потери данных.
ИТС не должно становиться опасным или ненадежным в результате воздействия помех видов, регламентированных в настоящем стандарте. Основное правило для признания результатов испытаний положительными заключается в том, что ИТС должно быть устойчиво к помехе для всех периодов воздействия помех и по окончании испытаний должно удовлетворять функциональным требованиям, установленным в технической документации на ИТС. Некоторые эффекты воздействия помех могут быть установлены в технической документации на ИТС как незначительные и, следовательно, приемлемые.
Протокол испытаний должен включать условия испытаний и результаты испытаний.
(справочное)
СВЕДЕНИЯ О КЗП. ВЫБОР ВИДА ИСПЫТАНИЙ
Одиночные КЗП представляют собой переходные процессы в форме затухающих колебаний, возникающие в низковольтных линиях в результате переключений в электрических сетях и коммутации нагрузок, при авариях и пробоях изоляции в системах электроснабжения, и при молниевых разрядах. Указанные процессы являются наиболее распространенным видом помех в электрических сетях (высокого, среднего и низкого напряжения), а также в линиях передачи сигналов и управления.
Одиночные КЗП характерны как для жилых, так и для промышленных зон. Они пригодны для проверки помехоустойчивости ТС по отношению к колебательным переходным процессам, представляющим собой процессы, характеризующиеся малым временем нарастания импульса, которое составляет от 10 нс до долей микросекунды, и последующими колебаниями, длительность которых может составлять от 10 до 100 мкс. Время нарастания импульса и продолжительность колебаний могут изменяться в зависимости от параметров среды распространения помехи.
Распространение в линиях (электропитания и передачи сигналов) помех, имеющих резкий фронт и колебательный характер, сопровождается отражениями, обусловленными несогласованностью полных сопротивлений, подключением защитных устройств, линейных фильтров и т.д. При указанных отражениях возникают колебания, частота которых зависит от скорости распространения волны. Факторами, влияющими на характер процесса, являются также распределенные емкости таких элементов, как электродвигатели, обмотки трансформаторов и т.д. Фронт импульса имеет тенденцию к сглаживанию вследствие частотных характеристик линий, по которым распространяется помеха; этот фактор в большей степени влияет на импульсы с малым временем возрастания (порядка 10 нс) и в меньшей степени - на импульсы с временем возрастания порядка долей микросекунды.
В целом, как показывают результаты исследований, представительным для большинства условий эксплуатации является колебательный переходный процесс на портах ТС, имеющий время нарастания 0,5 мкс и частоту колебаний 100 кГц.
Другой причиной возникновения одиночных КЗП являются импульсные напряжения и токи молниевых разрядов, характеризуемые односторонней формой. При непрямом воздействии указанных разрядов на линии (вследствие индуктивной связи между линиями) их влияние пропорционально производной от первичного импульса. Механизм связи приводит, с учетом частотного спектра первичного импульса, к возникновению колебаний, характеристики которых, помимо условий распространения помехи по низковольтным электрическим линиям, зависят также от параметров устройств заземления и характеристик металлических конструкций, по которым распространялся ток молнии.
В отношении первичных импульсов, являющихся причиной возникновения одиночных КЗП, документы МЭК устанавливают стандартные параметры импульса 1/50 мкс. Испытания на устойчивость к одиночным КЗП с применением ИГ с малым выходным сопротивлением и испытания на устойчивость к стандартным импульсам 1/50 мкс &(испытания на устойчивость к микросекундным импульсным помехам большой энергии)& могут рассматриваться как взаимодополняющие друг друга.
Ниже приведены сведения о параметрах одиночных КЗП, относящиеся к проведению испытаний.
а) Частота повторения
Частота повторения КЗП непосредственно зависит от вероятности явлений, вызывающих появление КЗП. Указанная вероятность является большей для таких явлений, как переключения электрических нагрузок, и меньшей для возникновения аварийных ситуаций и молниевых разрядов. В реальных условиях частота повторения КЗП может изменяться от 1/с до 1/мес или 1/год. Для целей испытаний, учитывая, что существует предельное число воздействий, которые могут быть поданы на ИТС, частота повторения КЗП порядка 1/с может считаться приемлемой в отношении таких явлений, как переключения электрических нагрузок, имеющих большую вероятность возникновения.
Частота повторения КЗП при проведении испытаний может быть увеличена для сокращения продолжительности испытаний. Выбор частоты повторения должен быть осуществлен с учетом указанных в технической документации на ИТС параметров устройств защиты от импульсных помех, применяемых при проведении испытаний.
б) Фазовый угол
Аварийные нарушения функционирования ТС, вызванные воздействием одиночных КЗП на порты электропитания переменного тока, могут зависеть от фазового угла воздействия помехи по отношению к частоте сети электропитания. Если при воздействии КЗП возникает разряд в устройстве защиты от помех, то электрический ток, проходящий от подключенного источника электропитания через устройство защиты, продолжается в течение и после окончания испытательного разрядного тока.
Для полупроводниковых элементов указанное явление возникает в зависимости от состояния проводимости во время воздействия КЗП устройств ИТС, которые содержат полупроводниковые элементы, и определяется такими параметрами полупроводниковых элементов, как характеристики восстановления и качество функционирования после пробоя.
в) Изменение полярности
Чувствительность полупроводниковых элементов к времени воздействия и полярности импульсов является одной из причин выбора переходных колебательных помех в качестве испытательных воздействий для оценки помехоустойчивости, так как указанные помехи могут нарушить функционирование полупроводниковых элементов с большей вероятностью, чем импульсы односторонней формы. Для изучения вопросов пробоя полупроводниковых элементов при различных условиях нагрузки и воздействия импульсных перенапряжений проводят соответствующие исследования. Приведенные ниже результаты относятся к воздействию импульсов различной полярности на полупроводниковые диоды. При подаче КЗП в момент времени, соответствующий максимальному значению обратного напряжения на полупроводниковом диоде, среднее напряжение пробоя составляет 1800 В. При подаче КЗП в моменты времени, соответствующие фазовым углам 30 и 90 град. после начала проводимости, уменьшение среднего напряжения пробоя составляет 33 и 50% соответственно. Аналогичные исследования подтверждают, что значения напряжения пробоя в условиях приложения импульсных обратных напряжений в течение периода проводимости зачастую меньше, чем в условиях приложения тех же импульсных напряжений в период блокирования.
А.2. Повторяющиеся КЗП
Возникновение повторяющихся КЗП связано с переключением высоковольтных шин на открытых электрических подстанциях высокого и среднего напряжения и с операциями переключений в электрических сетях промышленных предприятий.
На электрических станциях включение и выключение высоковольтных шин приводит к малому времени нарастания переходного колебательного процесса, имеющему величину порядка нескольких десятков наносекунд. На величину максимального напряжения повторяющихся КЗП оказывают влияние отражения, обусловленные несогласованностью полных сопротивлений высоковольтных шин, по которым распространяются помехи. По этой причине результирующие напряжение и ток помехи в высоковольтных шинах характеризуются основной частотой колебаний, которая зависит от длины цепи и времени распространения.
Частота колебаний повторяющихся КЗП может изменяться приблизительно от 100 кГц до нескольких мегагерц для открытых электрических подстанций в зависимости от влияния параметров, указанных выше, и длины высоковольтных шин, которая может составлять от нескольких десятков до нескольких сотен метров (максимальная длина может достигать 400 м). Поэтому частота повторяющихся КЗП, равная 1 МГц, может рассматриваться в качестве представительной для большинства условий эксплуатации и, вместе с тем, частота 100 кГц рассматривается как соответствующая условиям больших электрических подстанций высокого напряжения.
Частота повторения КЗП может изменяться от нескольких герц до нескольких килогерц в зависимости от расстояния между контактами разъединителя, т.е. при малом расстоянии между контактами частота повторения максимальна, а при расстоянии между контактами, близком к тому, при котором происходит прекращение электрической дуги, частота повторения минимальна и равна (для каждой фазы) удвоенной частоте сети.
Выбранные частоты повторения 40 и 400 Гц являются, следовательно, компромиссными значениями, учитывающими различную продолжительность помех, вероятность различных частот повторения и влияние энергии воздействующих помех на ИТС.
На промышленных предприятиях повторяющиеся КЗП могут генерироваться в результате коммутационных переходных процессов. Время нарастания импульса и частота колебаний повторяющихся КЗП, выбранные для проведения испытаний на помехоустойчивость, находятся в удовлетворительном соответствии с частотными характеристиками систем электроснабжения промышленных предприятий.
А.3. Выбор видов испытаний
Выбор вида испытаний (на устойчивость к одиночным или повторяющимся КЗП или тем и другим) осуществляют с учетом характеристик помех, определяющих электромагнитную обстановку при эксплуатации ТС.
Испытания на устойчивость к одиночным КЗП имитируют воздействие на ИТС одиночного переходного колебательного процесса с малыми вероятностью его появления и частотой повторения; указанные испытания позволяют проконтролировать взаимодействие между испытуемой цепью ИТС и окружающей электромагнитной обстановкой, но в меньшей степени обеспечивают обнаружение нарушений функционирования ИТС при воздействии помех.
Испытания на устойчивость к повторяющимся КЗП имитируют воздействие на ИТС периодически повторяющихся колебательных переходных процессов, что облегчает обнаружение нарушений функционирования ИТС в различных условиях применения.
(справочное)
ВЫБОР СТЕПЕНЕЙ ЖЕСТКОСТИ ИСПЫТАНИЙ
Степени жесткости испытаний на устойчивость к КЗП выбирают в соответствии с условиями размещения ТС при эксплуатации и параметрами окружающей электромагнитной обстановки. Указанные степени жесткости испытаний установлены в
разделе 5 настоящего стандарта.
Испытания на помехоустойчивость проводят в соответствии с указанными степенями жесткости испытаний с тем, чтобы оценить качество функционирования ТС в условиях эксплуатации. При этом учитывают первичные явления, вызывающие появление КЗП, и условия установки ТС, которые определяют классы электромагнитной обстановки.
Б.1. Одиночные КЗП
Выбор степени жесткости испытаний должен осуществляться применительно к конкретным условиям установки и эксплуатации ТС на основе анализа явлений, вызывающих возникновение КЗП, в том числе операций коммутации в силовых и сигнальных линиях и непрямого воздействия молниевых разрядов. Степени жесткости испытаний устанавливают с учетом указанных ниже условий.
Степень жесткости испытаний 1
Операции коммутации:
- порты электропитания подключены к местному защищенному источнику электроснабжения (системе бесперебойного питания, преобразователю мощности);
- сигнальные порты и порты управления (порты ввода-вывода) подключены к кабелям, проложенным параллельно кабелям электропитания, соответствующим рассматриваемому классу электромагнитной обстановки.
Молниевые разряды:
- ТС установлены в специальных помещениях для управления.
Степень жесткости испытаний 2
Операции коммутации:
- порты электропитания ТС непосредственно подключены к распределительным электрическим сетям жилых районов;
- порты электропитания ТС, установленных на промышленных предприятиях и на электростанциях, развязаны от силовых электрических сетей с использованием изолирующих трансформаторов, защитных устройств и т.д.;
- сигнальные порты и порты управления (порты ввода-вывода) подключены к кабелям, проложенным параллельно кабелям электропитания, соответствующим рассматриваемому классу электромагнитной обстановки.
Молниевые разряды:
- порты электропитания и ввода-вывода подключены к экранированным кабелям.
Степень жесткости испытаний 3
Операции коммутации:
- порты электропитания ТС непосредственно подключены к электрическим сетям электростанций и промышленных предприятий;
- сигнальные порты и порты управления (порты ввода-вывода) подключены к кабелям, проложенным параллельно кабелям электропитания, соответствующим рассматриваемому классу электромагнитной обстановки.
Молниевые разряды:
- порты электропитания ТС подключены к неэкранированным кабелям;
- порты электропитания и ввода-вывода ТС подключены к кабелям, проложенным на открытой местности с применением экранирующих конструкций (например, металлических кожухов).
Степень жесткости испытаний 4
Операции коммутации:
- порты электропитания ТС подключены к сетям электропитания электростанций и промышленных предприятий, характеризующихся значительными индуктивными нагрузками;
- сигнальные порты и порты управления (порты ввода-вывода) подключены к кабелям, проложенным параллельно кабелям электропитания, соответствующим рассматриваемому классу электромагнитной обстановки.
Молниевые разряды:
- порты электропитания и ввода-вывода ТС подключены к неэкранированным кабелям, проложенным на открытой местности.
Степень жесткости испытаний X:
- специальные условия размещения и установки ТС.
Б.2. Повторяющиеся КЗП
Степени жесткости испытаний на устойчивость к КЗП выбирают с учетом первичных явлений, вызывающих появление КЗП.
Испытаниям на устойчивость к повторяющимся КЗП подлежат в основном ТС, предназначенные для установки на электрических подстанциях высокого и среднего напряжения и на промышленных предприятиях, имеющих собственные электростанции (трансформаторные подстанции).
Уровень возникающих напряжений помех определяется длиной высоковольтных шин, действующими в них напряжениями, наличием и длиной кабелей, расположенных параллельно высоковольтным шинам, степенью их экранирования и параметрами системы заземления.
При выборе степеней жесткости испытаний необходимо для уменьшения, по возможности, числа влияющих факторов принять во внимание, что рабочее напряжение электрических подстанций, на которых эксплуатируются ТС, находится в определенных пределах (например, от 150 до 800 кВ). Учитывая это, выбор степеней жесткости испытаний осуществляют с учетом состава подключаемого оборудования, его размещения, качества экранирования кабелей и параметров системы заземления.
Исходя из практического опыта установки ТС с использованием экранированных кабелей, экраны которых соединены на обоих концах с системой защитного заземления, рекомендуется следующий порядок выбора степеней жесткости испытаний на устойчивость к повторяющимся КЗП:
- степень жесткости испытаний 1 - порты ТС подключены к кабелям, не выходящим за пределы помещения для управления;
- степень жесткости испытаний 2 - ТС установлены в контролируемых помещениях и залах релейной защиты. Порты ТС подключены к кабелям, соединенным с оборудованием, расположенным в помещениях управления и залах релейной защиты;
- степень жесткости испытаний 3 - ТС установлены в помещениях релейной защиты. Порты ТС подключены к кабелям, соединенным с оборудованием, расположенным в этих помещениях. Для указанных ТС при степени жесткости 3 применяют напряжение помехи 2,5 кВ;
- степень жесткости испытаний 4 - не применяют для испытаний ТС, предназначенных для эксплуатации на электростанциях и электрических подстанциях высокого напряжения. Если выбор указанной степени жесткости считается необходимым, должны быть приняты соответствующие методы помехоподавления;
- степень жесткости испытаний X - специальные условия размещения и установки ТС.
(справочное)
ВЫХОДНОЕ СОПРОТИВЛЕНИЕ ИГ КЗП
Выходное сопротивление ИГ КЗП должно в максимальной степени соответствовать полному сопротивлению линии (электропитания, передачи сигналов, управления, связи). Это положение справедливо для подачи помехи по схемам "провод-земля" и "провод-провод".
Полное сопротивление линии определяется многими факторами, в том числе типом кабелей, частотным спектром помехи и длиной линии, что затрудняет установление одной величины, пригодной для различных условий.
В этой связи в
[1] приведены сведения, относящиеся к измеренным значениям полного сопротивления (максимальное, среднее и минимальное значения) линий электропитания в диапазоне частот от 20 кГц до 30 МГц. Измерения проводятся между фазным и защитным проводниками в низковольтных распределительных сетях.
КЗП, рассматриваемые в настоящем стандарте, имеют частотные составляющие в полосе от нескольких десятков до нескольких сотен килогерц для одиночных КЗП и до 5 МГц для повторяющихся КЗП.
Для диапазона частот от 100 кГц до 5 МГц в
[1] приведены следующие средние значения:
- от 10 до 30 Ом на частоте 100 кГц;
- около 80 Ом на частоте 1 МГц;
- от 100 до 150 Ом на частоте 10 МГц.
Сведения о критериях, принятых при выборе выходного сопротивления ИГ КЗП, приведены ниже.
В будущем возможно проведение корректировки выбранных величин выходного сопротивления ИГ КЗП и принятие единственного значения выходного сопротивления, составляющего, например, 50 Ом. Это значение может позволить применять стандартное устройство связи/развязки для испытаний на устойчивость к кондуктивным помехам различного вида и исключить сложную оценку условий эксплуатации при выборе выходного сопротивления ИГ.
В.1. Одиночные КЗП
Выходное сопротивление ИГ для испытаний при подаче КЗП на порты электропитания установлено равным 12 и 30 Ом. Эти значения применимы для коротких и длинных линий при питании ТС от распределительной электрической сети. Они представляют собой технический компромисс, так как учитывают необходимость испытывать ИТС, подключенные в обычных условиях к сетям с низким сопротивлением, соответствующим значениям, указанным в
[1]. Кроме того, при указанных значениях выходного сопротивления возможны испытания устройств защиты от импульсных помех, таких как варисторы на основе оксидов металлов и т.д., примененных в конструкции ИТС. При этом значения тока короткого замыкания ИГ КЗП обеспечивают, с учетом номинальных значений тока и рассеиваемой мощности устройств защиты, проведение неразрушающих испытаний.
Для испытаний при подаче одиночных КЗП на сигнальные порты и порты управления (порты ввода-вывода) компромиссом является выбор значения выходного сопротивления ИГ КЗП, равного 200 Ом, учитывая, что характеристическое сопротивление применяемых кабелей (скрученных пар) составляет от 120 до 150 Ом в частотном диапазоне свыше 100 кГц при длине кабелей порядка 100 м.
Возможно проведение корректировки выбранной величины выходного сопротивления ИГ КЗП, в том числе и для аналогичных испытаний с использованием повторяющихся КЗП, для которых выходное сопротивление ИГ КЗП установлено равным 200 Ом. Фактически, при подаче испытательных напряжений на ИТС при входном сопротивлении порядка нескольких сотен или тысяч Ом различия при использовании ИГ КЗП с выходным сопротивлением 200 Ом или 120 - 150 Ом отсутствуют.
Для испытаний ТС при подаче КЗП на порты ввода-вывода, к которым подключены группы электрических цепей, включающих устройства защиты от импульсных помех, применение ИГ КЗП с выходным сопротивлением 12 или 30 Ом представляется приемлемым по тем же причинам, что и применение ИГ с указанным выходным сопротивлением при подаче КЗП на порты электропитания.
В.2. Повторяющиеся КЗП
Выходное сопротивление ИГ КЗП устанавливают равным 200 Ом, хотя реальное сопротивление кабелей (скрученных пар) близко к величине 150 Ом. Причина, по которой величина выходного полного сопротивления ИГ КЗП выбрана равной 200 Ом, заключается в нежелательности изменения существующего положения, связанного с техническими характеристиками изделий, применяемых на электрических подстанциях высокого напряжения.
(справочное)
БИБЛИОГРАФИЯ
[1] МЭК 816-84. Руководство по методам измерения переходных процессов малой длительности в низковольтных силовых и сигнальных линиях.