Главная // Актуальные документы // ГОСТ Р (Государственный стандарт)СПРАВКА
Источник публикации
М.: ИПК Издательство стандартов, 1996
Примечание к документу
Утратил силу с 1 января 2013 года в связи с изданием
Приказа Росстандарта от 13.12.2011 N 926-ст. Взамен введен в действие
ГОСТ Р 50571.5.54-2011/МЭК 60364-5-54:2002.
С 1 июля 2003 года до вступления в силу технических регламентов акты федеральных органов исполнительной власти в сфере технического регулирования носят рекомендательный характер и подлежат обязательному исполнению только в части, соответствующей целям, указанным в
пункте 1 статьи 46 Федерального закона от 27.12.2002 N 184-ФЗ.
По вопросу проектирования и монтажа электроустановок жилых и общественных зданий см. также
СП 31-110-2003.
Введен в действие с 1 января 1997 года.
Название документа
"ГОСТ Р 50571.10-96 (МЭК 364-5-54-80). Электроустановки зданий. Часть 5. Выбор и монтаж электрооборудования. Глава 54. Заземляющие устройства и защитные проводники"
(утв. Постановлением Госстандарта РФ от 10.07.1996 N 449)
"ГОСТ Р 50571.10-96 (МЭК 364-5-54-80). Электроустановки зданий. Часть 5. Выбор и монтаж электрооборудования. Глава 54. Заземляющие устройства и защитные проводники"
(утв. Постановлением Госстандарта РФ от 10.07.1996 N 449)
Принят и введен в действие
Постановлением Госстандарта РФ
от 10 июля 1996 г. N 449
ГОСУДАРСТВЕННЫЙ СТАНДАРТ РОССИЙСКОЙ ФЕДЕРАЦИИ
ЭЛЕКТРОУСТАНОВКИ ЗДАНИЙ
ЧАСТЬ 5
ВЫБОР И МОНТАЖ ЭЛЕКТРООБОРУДОВАНИЯ
ГЛАВА 54
ЗАЗЕМЛЯЮЩИЕ УСТРОЙСТВА И ЗАЩИТНЫЕ ПРОВОДНИКИ
Electrical installations of buildings.
Part 5. Selection and erection of electrical equipment.
Chapter 54. Earthing arrangements and protective conductors
ГОСТ Р 50571.10-96
(МЭК 364-5-54-80)
Введен впервые
Дата введения
1 января 1997 года
1. Подготовлен и внесен Техническим комитетом по стандартизации ТК 337 "Электрооборудование жилых и общественных зданий".
2. Принят и введен в действие Постановлением Госстандарта России от 10 июля 1996 г. N 449.
3. Настоящий стандарт, за исключением таблицы 54Д, содержит полный аутентичный текст международного стандарта МЭК 364-5-54 (1980) "Электроустановки зданий. Часть 5. Выбор и монтаж электрооборудования. Глава 54. Заземляющие устройства и защитные проводники" и Поправку N 1 (июль 1982 г.) к этому стандарту.
Настоящий стандарт является частью комплекса государственных стандартов на электроустановки зданий, разрабатываемых на основе стандартов Международной Электротехнической Комиссии МЭК 364 "Электроустановки зданий".
Требования стандарта должны учитываться при разработке и пересмотре стандартов, норм и правил на устройство, испытания, сертификацию и эксплуатацию электроустановок.
Для удобства пользования стандартом при ссылках на него в другой нормативной документации, взаимосвязанной с комплексом стандартов МЭК 364, в настоящем стандарте сохранена нумерация разделов и пунктов, принятая в стандарте МЭК 364-5-54(1980).
Настоящий стандарт устанавливает требования к заземляющим устройствам и защитным проводникам электроустановок.
Область применения стандарта - по ГОСТ Р
50571.1.
Требования настоящего стандарта являются обязательными.
В настоящем стандарте использованы ссылки на следующие стандарты:
ГОСТ 10434-82. Соединения контактные электрические. Классификация. Общие технические требования
ГОСТ 22782.0-81. Электрооборудование взрывозащищенное. Общие технические требования и методы испытаний
ГОСТ Р 50571.3-94. Электроустановки зданий. Часть 4. Требования по обеспечению безопасности. Защита от поражения электрическим током.
541.1. Эксплуатационные характеристики заземляющего устройства должны удовлетворять требованиям безопасности и обеспечивать нормальную работу электроустановки.
542.1. Заземляющие устройства
542.1.1. Заземляющие устройства могут быть объединенными или раздельными для защитных или функциональных целей в зависимости от требований, предъявляемых электроустановкой.
542.1.2. Заземляющие устройства должны быть выбраны и смонтированы таким образом, чтобы:
- значение сопротивления растеканию заземляющего устройства соответствовало требованиям обеспечения защиты и работы установки в течение периода эксплуатации;
- протекание тока замыкания на землю и токов утечки не создавало опасности, в частности, в отношении нагрева, термической и динамической стойкости;
- были обеспечены необходимая прочность или дополнительная механическая защита в зависимости от заданных внешних факторов по
ГОСТ Р 50571.2.
542.1.3. Должны быть приняты меры по предотвращению повреждения металлических частей из-за электролиза.
542.2.1. В качестве заземлителей могут быть использованы находящиеся в соприкосновении с землей:
- металлические стержни или трубы;
- металлические полосы или проволока;
- металлические плиты, пластины или листы;
- фундаментные заземлители;
- стальная арматура железобетона;
Примечание. Возможность использования в качестве заземлителей предварительно напряженной арматуры в железобетоне должна быть обоснована расчетными данными;
- стальные трубы водопровода в земле при выполнении условий
542.2.5;
- другие подземные сооружения, отвечающие требованиям
542.2.6.
Примечание. Эффективность заземлителя зависит от конкретных грунтовых условий, и поэтому в зависимости от этих условий и требуемого значения сопротивления растеканию должны быть выбраны количество и конструкция заземлителей. Значение сопротивления растеканию заземлителя может быть рассчитано или измерено.
542.2.2. Тип заземлителей и глубина их заложения должны быть такими, чтобы высыхание и промерзание грунта не вызывали превышения значения сопротивления растеканию заземлителя свыше требуемого значения.
542.2.3. Материал и конструкция заземлителей должны быть устойчивыми к коррозии.
542.2.4. При проектировании заземляющих устройств следует учитывать возможное увеличение их сопротивления растеканию, обусловленное коррозией.
542.2.5. Металлические трубы водопровода могут использоваться в качестве естественных заземляющих устройств при условии получения разрешения от водоснабжающей организации, а также при условии, что приняты надлежащие меры по извещению эксплуатационного персонала электроустановки о намечаемых изменениях в водопроводной системе.
Примечание. Желательно, чтобы надежность заземляющих устройств не зависела от других систем.
542.2.6. Металлические трубы других систем, не относящихся к упомянутой в 542.2.5 (например, с горючими жидкостями или газами, систем центрального отопления и т.п.), не должны использоваться в качестве заземлителей для защитного заземления.
Примечание. Это требование не исключает их включения в систему уравнивания потенциалов в соответствии с
ГОСТ Р 50571.3.
542.2.7. Свинцовые и другие металлические оболочки кабелей, не подверженные разрушению коррозией, могут использоваться в качестве заземлителей при наличии разрешения владельца кабеля и при условии, что будут приняты надлежащие меры по извещению эксплуатационного персонала электроустановки о всяких изменениях, касающихся кабелей, которые могут повлиять на его пригодность к использованию в качестве заземлителя.
542.3. Заземляющие проводники
542.3.1. Заземляющие проводники должны удовлетворять требованиям
543.1, и, если они проложены в земле, их сечение должно соответствовать значениям, указанным в табл. 54А.
Таблица 54А
Наименьшие размеры заземляющих проводников,
проложенных в земле
Заземляющие проводники | Сечение, мм2 |
Защищенные от коррозии: - имеющие механическую защиту - не имеющие механической защиты | Согласно требованиям 543.116 по меди и стали |
Не защищенные от коррозии и не имеющие механической защиты | 25 по меди, 50 по стали |
542.3.2. Заземляющий проводник должен быть надежно присоединен к заземлителю и иметь с ним удовлетворяющий требованиям
ГОСТ 10434 электрический контакт. При использовании зажимов они не должны повреждать ни заземлитель (например, трубы), ни заземляющие проводники.
542.4. Главные заземляющие зажимы или шины
542.4.1. В каждой установке должен быть предусмотрен главный заземляющий зажим или шина и к нему (или к ней) должны быть присоединены:
- заземляющие проводники;
- защитные проводники;
- проводники главной системы уравнивания потенциалов (см.
Приложение В);
- проводники рабочего заземления (если оно требуется).
542.4.2. В доступном месте следует предусматривать возможность разъема (отсоединения) заземляющих проводников для измерения сопротивления растеканию заземляющего устройства. Эта возможность может быть обеспечена при помощи главного заземляющего зажима или шины. Конструкция зажима должна позволять его отсоединение только при помощи инструмента, быть механически прочной и обеспечивать непрерывность электрической цепи.
Примечание. Требования к защитным проводникам для систем уравнивания потенциалов см. в
разделе 547.
543.1. Наименьшие площади поперечного Сечения защитных проводников должны быть:
- рассчитаны в соответствии с 543.1.1 или
- выбраны в соответствии с
543.1.2.
В обоих случаях следует учитывать требования
543.1.3.
Примечание. Заземляющий зажим оборудования установки должен допускать возможность подключения защитных проводников.
543.1.1. Площадь поперечного сечения защитного проводника S, мм2, должна быть не меньше значения, определяемого следующей формулой (применяется только для времени отключения не более 5 с):

,
где I - действующее значение тока короткого замыкания, протекающего через устройство защиты при пренебрежимо малом переходном сопротивлении, А;
t - выдержка времени отключающего устройства, с;
Примечание. Следует учитывать ограничение тока сопротивлением цепи и ограничивающую способность (интеграл Джоуля) устройства защиты.
k - коэффициент, значение которого зависит от материала защитного проводника, его изоляции и начальной и конечной температур. (Формула для расчета k дана в
Приложении А). Значение k для защитных проводников в различных условиях указаны в таблицах 54В -
54Е.
Если в результате применения формулы получается нестандартное сечение, следует использовать проводники ближайшего большего стандартного сечения.
Примечания. 1. Необходимо, чтобы сечение, рассчитанное таким образом, соответствовало условиям, определяемым сопротивлением цепи "фаза - нуль".
2. Значение максимальной температуры для электроустановок во взрывоопасных зонах устанавливают по
ГОСТ 22782.0.
3. Следует учитывать максимально допустимые температуры зажимов.
Таблица 54В
Значения коэффициента k для изолированных защитных
проводников, не входящих в кабель, и для неизолированных
проводников, касающихся оболочки кабелей
Параметр | Тип изоляции защитных проводников или кабелей |
Поливинилхлорид (ПВХ) | Шитый полиэтилен, этиленпропиленовая резина | Бутиловая резина |
Конечная температура, °С | 160 | 250 | 220 |
Коэффициент k для проводника: - медного - алюминиевого - стального | 143 95 52 | 176 116 64 | 166 110 60 |
Примечание. Начальная температура проводника принята равной 30 °С. |
Таблица 54С
Значение коэффициента k для защитного
проводника, входящего в многожильный кабель
Параметр | Материал изоляции |
Поливинилхлорид (ПВХ) | Шитый полиэтилен, этиленпропиленовая резина | Бутиловая резина |
Начальная температура, °С Конечная температура, °С | 70 160 | 90 250 | 85 220 |
Коэффициент k для проводника: - медного - алюминиевого | 115 76 | 143 94 | 134 89 |
Таблица 54D
Значение коэффициента k при использовании
в качестве защитного проводника оболочки или брони кабеля
Параметр | Материал изоляции |
Поливинилхлорид (ПВХ) | Шитый полиэтилен, этиленпропиленовая резина | Бутиловая резина |
Начальная температура, °С Конечная температура, °С | 60 160 | 80 250 | 75 220 |
Коэффициент k <*> для проводника: - алюминиевого - свинцового - стального | 81 22 44 | 98 27 54 | 93 26 51 |
<*> Значения коэффициента k для проводников, изготовленных из алюминия, свинца или стали, которые в МЭК 364-5-54-80 не указаны. |
Таблица 54E
Значение коэффициента k для неизолированных
проводников для условий, когда указанные температуры
не создают опасности повреждения близлежащих материалов
Материал проводника | Условия | Проводники |
проложенные открыто и в специально отведенных местах | нормальной среде | пожароопасной среде |
Медь | Максимальная температура, °С | 500 <*> | 200 | 150 |
k | 228 | 159 | 138 |
Алюминий | Максимальная температура, °С | 300 <*> | 200 | 150 |
k | 125 | 105 | 91 |
Сталь | Максимальная температура, °С | 500 <*> | 200 | 150 |
k | 82 | 58 | 50 |
<*> Указанные температуры допускаются только при условии, что они не ухудшают качество соединений. Примечание. Начальная температура проводника принята равной 30° С. |
543.1.2. Сечение защитных проводников должно быть не менее значений, приведенных в таблице 54F. В этом случае не требуется проверять сечение на соответствие
543.1.1.
Если при расчете получают значение сечения, отличное от приведенного в таблице, следует выбирать из таблицы ближайшее большее значение.
Таблица 54F
В миллиметрах в квадрате
┌───────────────────────────────┬────────────────────────────────┐
│ Сечение фазных проводников │ Наименьшее сечение защитных │
│ │ проводников │
├───────────────────────────────┼────────────────────────────────┤
│ S <= 16 │ S │
│ 16 < S <= 35 │ 16 │
│ S > 35 │ S/2 │
└───────────────────────────────┴────────────────────────────────┘
Значения таблицы 54F действительны только в случае, если защитные проводники изготовлены из того же материала, что и фазные проводники. В противном случае сечения защитных проводников выбирают таким образом, чтобы их проводимость была равной проводимости, получаемой в результате применения таблицы.
543.1.3. Во всех случаях сечение защитных проводников, не входящих в состав кабеля, должно быть не менее:
2,5 мм2 - при наличии механической защиты;
4 мм2 - при отсутствии механической защиты.
Примечание. При выборе и прокладке защитных проводников следует учитывать внешние воздействующие факторы по
ГОСТ Р 50571.2.
543.2. Типы защитных проводников
543.2.1. В качестве защитных проводников могут быть использованы:
- жилы многожильных кабелей;
- изолированные или неизолированные провода в общей оболочке с фазными проводами;
- стационарно проложенные неизолированные или изолированные проводники;
- металлические покровы кабелей, например, алюминиевые оболочки кабелей, экраны, броня некоторых кабелей;
- металлические трубы или металлические оболочки для проводников;
- некоторые проводящие элементы, не являющиеся частью электроустановки (сторонние проводящие части), например, металлические строительные конструкции зданий и конструкции производственного назначения (подкрановые пути, галереи, шахты лифтов и т.п.).
543.2.2. Оболочки или рамы комплектных устройств заводского изготовления или кожуха комплектных шинопроводов, имеющиеся в составе установки, могут использоваться в качестве защитных проводников при условии, что они одновременно удовлетворяют следующим требованиям:
а) электрическая непрерывность цепи осуществлена таким образом, что обеспечивается ее защита от механических, химических и электрохимических повреждений;
б) их проводимость не менее приведенной в
543.1;
в) они должны обеспечивать возможность подключения других защитных проводников в любом предусмотренном для этого месте.
543.2.3. Металлические защитные покровы (неизолированные или изолированные) некоторых систем электропроводок, в частности, оболочки кабелей с минеральной изоляцией, а также металлические трубы электропроводок и электротехнические короба могут быть использованы в качестве защитных проводников для соответствующих цепей, если они одновременно отвечают требованиям
543.2.2 а,
б. Использование других труб и оболочек в качестве защитных проводников не допускается.
543.2.4. Сторонние проводящие части (СПЧ) могут использоваться в качестве защитных проводников, если они одновременно отвечают следующим требованиям:
а) электрическая непрерывность цепи обеспечивается либо их конструкцией, либо соответствующими соединениями, защищающими ее от механических, химических и электрохимических повреждений;
б) их проводимость не менее приведенной в
543.1;
в) их демонтаж невозможен, если не предусмотрены меры по сохранению непрерывности цепи и ее проводимости;
г) они сконструированы или, при необходимости, приспособлены для этой цели.
Допускается использование металлических труб водопровода при наличии разрешения организации, ответственной за эксплуатацию водопровода. Использование труб системы газоснабжения в качестве защитных проводников запрещается.
543.2.5. Использование СПЧ в качестве РЕN-проводника запрещается.
543.3. Обеспечение электрической непрерывности защитных проводников
543.3.1. Защитные проводники должны быть надлежащим образом защищены от механических и химических повреждений, а также от электродинамических усилий.
543.3.2. Соединения защитных проводников должны быть доступны для осмотра и испытания, за исключением соединений, заполненных компаундом или герметизированных.
543.3.3. Запрещается включать коммутационные аппараты в цепи защитных проводников, однако могут иметь место соединения, которые могут быть разобраны при помощи инструмента для целей испытания.
543.3.4. В случае использования устройства контроля непрерывности цепи заземления включать его обмотку последовательно (в рассечку) с защитным проводником запрещается.
543.3.5. Не допускается использовать открытые проводящие части оборудования в качестве защитных проводников для другого электрооборудования, за исключением случаев, предусмотренных
543.2.2.
Примечание. Требования к защите для систем ТN, ТТ и IТ - по
ГОСТ Р 50571.3.
544.1. Защитные проводники, используемые совместно с устройствами защиты от сверхтока
При использовании устройства защиты от сверхтока для защиты от поражения электрическим током необходимо прокладывать защитные проводники в общей оболочке с фазными проводниками или в непосредственной близости к ним.
544.2. Заземлители и защитные проводники для устройств защиты, срабатывающих при отклонении или исчезновении напряжения
544.2.1. Должен быть предусмотрен дополнительный заземлитель, не связанный электрически с другими заземленными металлическими частями, такими как металлоконструкции, металлические трубы, металлические оболочки кабелей. Это условие считают выполненным, если вспомогательный заземлитель установлен на определенном расстоянии от заземленных металлических частей.
544.2.2. Заземляющий проводник, идущий от вспомогательного заземлителя, должен быть изолированным во избежание соприкосновения его с защитным проводником системы защитного заземления или с соединенными с ним или другими проводящими частями, которые могут находиться в соприкосновении с системой защитного заземления.
Примечание. Это требование необходимо соблюдать во избежание случайного шунтирования датчика напряжения.
544.2.3. Защитный проводник должен быть соединен с корпусами только того электрического оборудования, которое должно отключаться в случае срабатывания защитного устройства.
Рабочее заземление должно быть выполнено таким образом, чтобы обеспечивалась нормальная работа электрооборудования, а также нормальная и надежная работа электроустановки.
546. СОВМЕЩЕННОЕ ЗАЗЕМЛЯЮЩЕЕ УСТРОЙСТВО
ДЛЯ РАБОЧЕГО И ЗАЩИТНОГО ЗАЗЕМЛЕНИЯ
В случае, когда заземление требуется как для защиты, так и для нормальной работы электроустановки, в первую очередь следует соблюдать требования, предъявляемые к мерам защиты.
546.2.1. В системах ТN для стационарно проложенных кабелей, имеющих площадь поперечного сечения не менее 10 мм2 по меди или 16 мм2 по алюминию, единственная жила может использоваться в качестве РЕN-проводника при условии, что рассматриваемая часть установки не защищена устройствами защитного отключения, реагирующими на дифференциальный ток.
546.2.2. Во избежание блуждающих токов изоляция РЕN-проводника должна быть рассчитана на самое высокое напряжение, которое может быть к нему приложено.
Примечание. РЕN-проводник не требуется изолировать внутри комплектных устройств управления и распределения электроэнергии.
546.2.3. В случаях, когда, начиная с какой-либо точки установки, нулевой рабочий и нулевой защитный проводники разделены, запрещается объединять эти проводники за этой точкой по ходу энергии. В месте разделения необходимо предусмотреть отдельные зажимы или шины нулевого рабочего и защитного проводников. РЕN-проводник должен подключаться к зажиму, предназначенному для защитного проводника.
547. ПРОВОДНИКИ СИСТЕМЫ УРАВНИВАНИЯ ПОТЕНЦИАЛОВ
547.1. Наименьшие площади поперечного сечения
547.1.1. Главные проводники системы уравнивания потенциалов.
Сечение главного проводника системы уравнивания потенциалов должно быть не менее половины наибольшего сечения защитного проводника установки, но не менее 6 мм2. Однако не требуется применять проводники сечением более 25 мм2 по меди или равноценное ему, если проводник изготовлен из другого металла.
547.1.2. Дополнительные проводники системы уравнивания потенциалов.
Сечение дополнительного проводника системы уравнивания потенциалов, соединяющего две открытые проводящие части электрооборудования, нормально не находящихся под напряжением, должно быть не менее сечения наименьшего из защитных проводников, подключенных к этим частям.
Сечение дополнительного проводника системы уравнивания потенциалов, соединяющего заземляемые части электрооборудования и металлические конструкции строительного и производственного назначения, должно быть не менее половины сечения защитного проводника электрооборудования, подключенного к данной заземляющей части.
Дополнительные проводники системы уравнивания потенциалов должны, при необходимости, удовлетворять требованиям
543.1. Связь для уравнивания потенциалов может быть обеспечена либо металлоконструкциями строительного и производственного назначения, либо дополнительными проводниками, либо сочетанием того и другого.
547.1.3. Шунтирование расходомеров.
В случае использования труб водопровода здания в качестве заземляющих или защитных проводников необходимо предусматривать шунтирование расходомеров при помощи проводника надлежащего сечения в зависимости от того, используется ли он в качестве защитного проводника системы уравнивания потенциалов или проводника рабочего заземления.
(обязательное)
МЕТОД ОПРЕДЕЛЕНИЯ КОЭФФИЦИЕНТА k (см.
543.1.1)
Коэффициент k определяют по формуле

,
где

- объемная теплоемкость материала проводника, Дж/(°С x мм3);

- величина, обратная температурному коэффициенту сопротивления при 0 °С для проводника, °С;

- удельное электрическое сопротивление материала проводника при 20 °С, Ом х мм;

- начальная температура проводника, °С;

- конечная температура проводника, °С.
Материал | B, °С | Q , Дж/(°С х мм3) c | ро , Ом х мм 20 | __________ |Q (B + 20) | c \ | --------- \| ро 20 |
Медь Алюминий Свинец Сталь | 234,5 228 230 202 | -3 3,45 х 10 -3 2,5 х 10 -3 1,45 х 10 -3 3,8 х 10 | -6 17,241 х 10 -6 28,264 х 10 -6 214 х 10 -6 138 х 10 | 226 148 42 78 |
(обязательное)
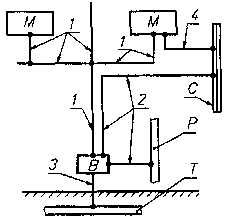
ЗАЗЕМЛЯЮЩИЕ И ЗАЩИТНЫЕ ПРОВОДНИКИ
1 - защитный проводник; 2 - главный проводник системы уравнивания
потенциалов; 3 - заземляющий проводник; 4 - дополнительный проводник
системы уравнивания потенциалов; В - главный зажим (болт) заземления;
М - заземляемая часть электрооборудования (открытая проводящая часть);
С - металлоконструкция здания (сторонняя проводящая часть);
Р - металлический стояк (труба) водопровода; Т - заземлитель