Главная // Актуальные документы // ГОСТ Р (Государственный стандарт)
СПРАВКА
Источник публикации
М.: ИПК Издательство стандартов, 2003
Примечание к документу
Отдельные положения данного документа включены в Перечень документов в области стандартизации, в результате применения которых на добровольной основе обеспечивается соблюдение требований Федерального закона от 22.07.2008 N 123-ФЗ "Технический регламент о требованиях пожарной безопасности" (Приказ Росстандарта от 13.02.2023 N 318).

Отдельные положения данного документа включены в Перечень документов в области стандартизации, в результате применения которых на добровольной основе обеспечивается соблюдение требований Федерального закона от 22.07.2008 N 123-ФЗ "Технический регламент о требованиях пожарной безопасности" (Приказ Росстандарта от 14.07.2020 N 1190).

Отдельные положения данного документа включены в Перечень документов в области стандартизации, в результате применения которых на добровольной основе обеспечивается соблюдение требований Федерального закона от 22.07.2008 N 123-ФЗ "Технический регламент о требованиях пожарной безопасности" (Приказ Росстандарта от 03.06.2019 N 1317).

Документ включен в Перечень документов в области стандартизации, в результате применения которых на добровольной основе обеспечивает соблюдение требований Федерального закона от 27.12.2009 N 347-ФЗ "Технический регламент о безопасности низковольтного оборудования" (Приказ Росстандарта от 14.09.2010 N 3546).

Документ включен в Перечень документов в области стандартизации, содержащих правила и методы исследований (испытаний) и измерений, в том числе правила отбора образцов, необходимых для применения и исполнения Федерального закона от 27.12.2009 N 347-ФЗ и осуществления оценки соответствия (Распоряжение Правительства РФ от 29.07.2010 N 1284-р).

Документ включен в Перечень национальных стандартов и сводов правил, в результате применения которых на добровольной основе обеспечивается соблюдение требований Федерального закона от 22.07.2008 N 123-ФЗ "Технический регламент о требованиях пожарной безопасности" (Приказ Ростехрегулирования от 30.04.2009 N 1573).

Документ был включен в Перечень национальных стандартов, содержащих правила и методы исследований (испытаний) и измерений, в том числе правила отбора образцов, необходимые для применения и исполнения Федерального закона от 22.07.2008 N 123-ФЗ и осуществления оценки соответствия (Распоряжение Правительства РФ от 10.03.2009 N 304-р).

С 1 июля 2003 года до вступления в силу технических регламентов акты федеральных органов исполнительной власти в сфере технического регулирования носят рекомендательный характер и подлежат обязательному исполнению только в части, соответствующей целям, указанным в пункте 1 статьи 46 Федерального закона от 27.12.2002 N 184-ФЗ.

Введен в действие с 1 января 1998 года.
Название документа
"ГОСТ Р МЭК 598-2-20-97. Светильники. Часть 2. Частные требования. Раздел 20. Гирлянды световые"
(принят и введен в действие Постановлением Госстандарта РФ от 12.03.1997 N 94)
(ред. от 01.01.2003)

"ГОСТ Р МЭК 598-2-20-97. Светильники. Часть 2. Частные требования. Раздел 20. Гирлянды световые"
(принят и введен в действие Постановлением Госстандарта РФ от 12.03.1997 N 94)
(ред. от 01.01.2003)


Содержание


Принят и введен в действие
Постановлением Госстандарта РФ
от 12 марта 1997 г. N 94
ГОСУДАРСТВЕННЫЙ СТАНДАРТ РОССИЙСКОЙ ФЕДЕРАЦИИ
СВЕТИЛЬНИКИ
ЧАСТЬ 2
ЧАСТНЫЕ ТРЕБОВАНИЯ
РАЗДЕЛ 20
ГИРЛЯНДЫ СВЕТОВЫЕ
Luminaires. Part 2. Particular requirements.
Section 20. Lighting chains
ГОСТ Р МЭК 598-2-20-97
Список изменяющих документов
(в ред. Изменения N 1, принятого в январе 2003 г.)
Группа Е83
ОКС 29.140.40
ОКП 34 6129
96 3810
Дата введения
1 января 1998 года
Предисловие
1. Разработан и внесен Всероссийским научно-исследовательским, проектно-конструкторским светотехническим институтом им. С.И. Вавилова (ООО "ВНИСИ").
2. Принят и введен в действие Постановлением Госстандарта России от 12 марта 1997 г. N 94.
3. Настоящий стандарт представляет собой аутентичный текст международного стандарта МЭК 598-2-20 (1996) "Светильники. Часть 2. Частные требования. Раздел 20. Гирлянды световые" с Изменением N 1 (1998 г.).
4. Введен впервые.
5. Издание (октябрь 2003 г.) с Изменением N 1, принятым в январе 2003 г. (ИУС 4-2003).
20.1. Область распространения
Настоящий стандарт содержит требования к световым гирляндам, состоящим из последовательно или параллельно соединенных ламп накаливания, для внутреннего или наружного использования на напряжение питания не более 250 В.
Стандарт следует применять совместно с теми разделами ГОСТ Р МЭК 60598-1, на которые даны ссылки.
Примечания. 1. Елочная гирлянда - пример световой гирлянды, содержащей последовательно соединенные лампы.
Гирлянда для освещения лыжных трасс или прогулочных дорожек - пример световой гирлянды с параллельно соединенными лампами.
2. Для гирлянд, оснащенных втычными ламповыми патронами, применяются соответствующие требования настоящего стандарта.
3. В некоторых странах используется термин "цепочка" вместо "гирлянда".
20.1.1. Обязательные ссылки
В следующих нормативных документах содержатся положения, на которые в виде ссылок указывается в тексте настоящего стандарта.
На дату издания настоящего стандарта были указаны действующие редакции. Все нормативные документы подвергают пересмотру и частичным согласованным изменениям, поэтому необходимо учитывать возможность применения для настоящего стандарта более поздних изданий нормативных документов, указанных ниже. Члены МЭК и ИСО ведут регистрацию действующих международных стандартов.
ГОСТ 7396.1-89 (МЭК 83-75). Соединители электрические штепсельные бытового и аналогичного назначения. Основные размеры
ГОСТ 14254-96 (МЭК 529-89). Степени защиты, обеспечиваемые оболочками (Код IP)
ГОСТ Р МЭК 227-7-98. Кабели с поливинилхлоридной изоляцией на номинальное напряжение до 450/750 В включительно. Кабели гибкие экранированные и неэкранированные с двумя и более токопроводящими жилами
ГОСТ Р МЭК 245-5-97. Кабели с резиновой изоляцией на номинальное напряжение до 450/750 В включительно. Лифтовые кабели
ГОСТ Р 51318.14.1-99. Совместимость технических средств электромагнитная. Радиопомехи индустриальные от бытовых приборов, электрических инструментов и аналогичных устройств. Нормы и методы испытаний
ГОСТ Р 51325.1-99. Соединители электрические бытового и аналогичного назначения. Часть 1. Общие требования и методы испытаний
ГОСТ Р МЭК 60227-1-99 <*>. Кабели с поливинилхлоридной изоляцией на номинальное напряжение до 450/750 В включительно. Общие требования
ГОСТ Р МЭК 60227-2-99 <*>. Кабели с поливинилхлоридной изоляцией на номинальное напряжение до 450/750 В включительно. Методы испытаний
ГОСТ Р МЭК 60227-3-2002. Кабели с поливинилхлоридной изоляцией на номинальное напряжение до 450/750 В включительно. Кабели без оболочки для стационарной прокладки
ГОСТ Р МЭК 60227-4-2002. Кабели с поливинилхлоридной изоляцией на номинальное напряжение до 450/750 В включительно. Кабели в оболочке для стационарной прокладки
ИС МЕГАНОРМ: примечание.
Взамен ГОСТ Р МЭК 60227-5-2002 Приказом Ростехрегулирования от 26.06.2009 N 221-ст с 1 января 2010 года введен в действие ГОСТ Р МЭК 60227-5-2009.
ГОСТ Р МЭК 60227-5-2002. Кабели с поливинилхлоридной изоляцией на номинальное напряжение до 450/750 В включительно. Гибкие кабели (шнуры)
ГОСТ Р МЭК 60227-6-2002. Кабели с поливинилхлоридной изоляцией на номинальное напряжение до 450/750 В включительно. Лифтовые кабели и кабели для гибких соединений
ИС МЕГАНОРМ: примечание.
ГОСТ Р МЭК 60238-99 утратил силу с 1 января 2015 года в связи с введением в действие ГОСТ IEC 60238-2012 (Приказ Росстандарта от 21.12.2012 N 1943-ст).
ГОСТ Р МЭК 60238-99 <**>. Патроны резьбовые для ламп
ГОСТ Р МЭК 60245-1-97 <*>. Кабели с резиновой изоляцией на номинальное напряжение до 450/750 В включительно. Общие требования
ГОСТ Р МЭК 60245-2-2002 <*>. Кабели с резиновой изоляцией на номинальное напряжение до 450/750 В включительно. Методы испытаний
ИС МЕГАНОРМ: примечание.
ГОСТ Р МЭК 60245-3-97 утратил силу с 1 января 2013 года в связи с введением в действие ГОСТ IEC 60245-3-2011 (Приказ Росстандарта от 13.12.2011 N 1414-ст).
ГОСТ Р МЭК 60245-3-97. Кабели с резиновой изоляцией на номинальное напряжение до 450/750 В включительно. Кабели с нагревостойкой кремнийорганической изоляцией
ИС МЕГАНОРМ: примечание.
Взамен ГОСТ Р МЭК 60245-4-2002 Приказом Ростехрегулирования от 08.04.2008 N 76-ст с 1 января 2009 года введен в действие ГОСТ Р МЭК 60245-4-2008.
ГОСТ Р МЭК 60245-4-2002. Кабели с резиновой изоляцией на номинальное напряжение до 450/750 В включительно. Шнуры и гибкие кабели
ИС МЕГАНОРМ: примечание.
ГОСТ Р МЭК 60245-6-97 утратил силу с 1 января 2013 года в связи с введением в действие ГОСТ IEC 60245-6-2011 (Приказ Росстандарта от 13.12.2011 N 1417-ст).
ГОСТ Р МЭК 60245-6-97. Кабели с резиновой изоляцией на номинальное напряжение до 450/750 В включительно. Кабели для электродной дуговой сварки
ИС МЕГАНОРМ: примечание.
ГОСТ Р МЭК 60245-7-97 утратил силу с 1 января 2013 года в связи с введением в действие ГОСТ IEC 60245-7-2011 (Приказ Росстандарта от 13.12.2011 N 1418-ст).
ГОСТ Р МЭК 60245-7-97. Кабели с резиновой изоляцией на номинальное напряжение до 450/750 В включительно. Кабели с нагревостойкой этиленвинилацетатной резиновой изоляцией
ИС МЕГАНОРМ: примечание.
Взамен ГОСТ Р МЭК 60245-8-2002 Приказом Ростехрегулирования от 08.04.2008 N 77-ст с 1 января 2009 года введен в действие ГОСТ Р МЭК 60245-8-2008.
ГОСТ Р МЭК 60245-8-2002. Кабели с резиновой изоляцией на номинальное напряжение до 450/750 В включительно. Шнуры для областей применения, требующих высокой гибкости
ГОСТ Р МЭК 60598-1-2003. Светильники. Часть 1. Общие требования и методы испытаний
ИС МЕГАНОРМ: примечание.
ГОСТ Р МЭК 60811-3-1-94 утратил силу с 1 января 2013 года в связи с введением в действие ГОСТ IEC 60811-3-1-2011 (Приказ Росстандарта от 13.12.2011 N 1443-ст).
ГОСТ Р МЭК 60811-3-1-94. Специальные методы испытаний поливинилхлоридных компаундов изоляции и оболочек электрических и оптических кабелей. Испытание под давлением при высокой температуре. Испытание на стойкость к растрескиванию
--------------------------------
<*> См. также ГОСТ 26413.0-85.
<**> См. также ГОСТ 2746-90.
(Измененная редакция, Изм. N 1).
20.2. Общие требования к испытаниям
Применяют положения раздела 0 ГОСТ Р МЭК 60598-1. Испытания, подробно описанные в каждом соответствующем разделе ГОСТ Р МЭК 60598-1, должны проводиться в последовательности, указанной в настоящем стандарте.
20.3. Определения
В настоящем стандарте применяют определения, приведенные в разделе 1 ГОСТ Р МЭК 60598-1, а также следующие:
20.3.1. Разборная световая гирлянда: гирлянда, конструкция которой позволяет заменять ее элементы.
20.3.2. Неразборная световая гирлянда: гирлянда, конструкция которой не позволяет отделить от нее детали, сохранив возможность ее использования.
20.3.3. Запаянная гирлянда: гирлянда, заключенная в жесткую или гибкую изолирующую прозрачную трубку или шланг, запаянная на концах и не имеющая мест сочленений.
20.4. Классификация
Гирлянды должны классифицироваться в соответствии с требованиями раздела 2 ГОСТ Р МЭК 60598-1 совместно с требованиями 20.4.1 и 20.4.2 настоящего стандарта.
20.4.1. По защите от поражения электрическим током гирлянды должны иметь класс защиты II или III.
20.4.2. По степени защиты от попадания пыли и влаги гирлянды для наружного применения следует классифицировать как дождезащищенные, брызгозащищенные, струезащищенные или водонепроницаемые.
20.5. Маркировка
Применяют положения раздела 3 ГОСТ Р МЭК 60598-1 совместно с требованиями 20.5.1 и 20.5.2 настоящего стандарта.
20.5.1.
a) Гирлянды, имеющие последовательно соединенные лампы, должны иметь маркировку, содержащую тип или электрические характеристики ламп и нормируемое для всей гирлянды напряжение.
b) Гирлянды должны быть снабжены следующими предупредительными надписями:
1) "Не вводите и не извлекайте лампы из патрона без отключения гирлянды от сети питания";
2) "Для последовательно включенных ламп немедленно заменяйте перегоревшие лампы лампами такого же напряжения и мощности, чтобы не допустить перегрева". Это требование не применимо к запаянным гирляндам;
3) "Не включайте нераспакованные гирлянды";
4) в гирляндах с последовательно соединенными лампами, имеющими предохранитель для обеспечения требований 20.12.3 настоящего стандарта, - "Не заменяйте перегоревшую лампу на лампу без предохранителя", см. подпункт е).
c) Обычные гирлянды должны дополнительно сопровождаться информацией о том, что их можно использовать только внутри помещений.
d) Гирлянды, не предназначенные для присоединения друг к другу, должны дополнительно снабжаться следующей предупредительной надписью:
"Не соединять электрически с другой гирляндой".
e) Гирлянды с лампами, имеющими предохранитель для обеспечения требований 20.12.3 настоящего стандарта, должны сопровождаться информацией о способах, позволяющих отличить лампу с предохранителем (см. 20.5.3 настоящего стандарта).
Примечание. Лампа с предохранителем - это лампа, спроектированная так, что цепь в случае короткого замыкания обрывается при помощи специального плавкого предохранителя, имеющегося в лампе, или другим способом, например при помощи специального тела накала.
20.5.2. Следующая информация должна быть маркирована на патроне для ламп или на кабеле, или на прочной несъемной оболочке, или на бирке, прикрепленной к кабелю:
a) наименование;
b) символ класса защиты II или III (который применим);
c) степень защиты от попадания пыли и влаги, если защита имеется;
d) нормируемое напряжение для гирлянд класса защиты III.
Предупреждение о том, что гирлянда не должна быть присоединена к источнику питания (электрической сети) в упаковке, должно быть нанесено на упаковку.
Если обычная световая гирлянда, кроме класса защиты III, имеет упаковку для хранения (когда не используется), то на упаковке должна быть нанесена предупредительная надпись: "Только для использования в помещениях". Другая дополнительная маркировка по 3.2 ГОСТ Р МЭК 60598-1, такая как нормируемое напряжение и максимальная нормируемая мощность, должна быть нанесена на упаковку или на бирку, помещенную в упаковку.
(Измененная редакция, Изм. N 1).
20.5.3. Лампы с предохранителем, используемые для удовлетворения требованиям 20.12.3 настоящего стандарта, должны иметь удобные способы их отличия, например специальный цвет.
20.6. Конструкция
Применяют положения раздела 4 ГОСТ Р МЭК 60598-1 совместно с требованиями 20.6.1 - 20.6.10 настоящего стандарта.
ИС МЕГАНОРМ: примечание.
ГОСТ Р МЭК 60238-99 утратил силу с 1 января 2015 года в связи с введением в действие ГОСТ IEC 60238-2012 (Приказ Росстандарта от 21.12.2012 N 1943-ст).
20.6.1. Резьбовые патроны для ламп Е10, Е14 и Е27 должны удовлетворять требованиям ГОСТ Р МЭК 60238.
Патроны Е5 и подобные малогабаритные патроны для ламп втычного типа должны также удовлетворять требованиям соответствующих пунктов ГОСТ Р МЭК 60238.
В гирляндах с параллельно соединенными лампами патроны для ламп Е27 и В22 с изолированными лепестковыми контактами должны удовлетворять требованиям настоящего стандарта.
20.6.2. Пункт 4.6 ГОСТ Р МЭК 60598-1, относящийся к клеммным колодкам, не применяют.
20.6.3. Пункт 4.7 ГОСТ Р МЭК 60598-1, относящийся к контактным зажимам и сетевым соединительным устройствам, применяют совместно со следующим требованием.
Способ присоединения наружной или внутренней проводки к элементам гирлянды должен обеспечивать надежный электрический контакт в течение всего срока службы этого элемента.
20.6.4. Применяют только требования пунктов 4.11.4 и 4.11.5 ГОСТ Р МЭК 60598-1, касающиеся электрических соединений и токопроводящих деталей.
20.6.5. Уплотнения, используемые для обеспечения определенной степени защиты от попадания пыли и влаги в гирлянду для наружного использования, должны быть стойкими к воздействию внешней среды. Такие уплотнения должны оставаться на гирлянде при замене лампы и возвращаться в исходное положение (без зазоров) при установке новой лампы.
Проверку проводят внешним осмотром и пробным монтажом.
В настоящее время не определены специальные требования к проверке стойкости уплотнений к воздействию внешней среды.
ИС МЕГАНОРМ: примечание.
ГОСТ Р МЭК 60238-99 утратил силу с 1 января 2015 года в связи с введением в действие ГОСТ IEC 60238-2012 (Приказ Росстандарта от 21.12.2012 N 1943-ст).
20.6.6. Проверку соответствия требованиям к механической прочности по 4.13 ГОСТ Р МЭК 60598-1 резьбовых патронов для ламп и малогабаритных патронов втычного типа проводят при помощи испытаний, указанных в разделе 15 ГОСТ Р МЭК 60238.
Испытания проводят на трех образцах патрона без лампы. После испытаний патроны должны соответствовать требованиям 4.13 ГОСТ Р МЭК 60598-1.
20.6.7. Патроны для ламп Е5, Е10 и аналогичные малогабаритные патроны втычного типа должны использоваться только тогда, когда нормируемое напряжение каждой лампы не превышает:
25 В - для патронов Е5 и аналогичных малогабаритных;
60 В - для патронов Е10 и аналогичных малогабаритных,
а максимальная нормируемая мощность гирлянд не превышает:
50 Вт - для гирлянд, использующих патроны Е5 или аналогичные малогабаритные;
100 Вт - для гирлянд, использующих патроны Е10 или аналогичные малогабаритные.
Проверку проводят внешним осмотром.
Применение на добровольной основе пункта 20.6.8 обеспечивает соблюдение требований Федерального закона от 22.07.2008 N 123-ФЗ "Технический регламент о требованиях пожарной безопасности" (Приказ Росстандарта от 16.04.2014 N 474).
20.6.8. Сопротивления, если они имеются, для шунтирования тела накала лампы у гирлянд с последовательно соединенными лампами должны быть встроены в лампу. Защита от поражения электрическим током и огнестойкость не должны ухудшаться при работе этих сопротивлений.
Проверку проводят внешним осмотром и, если необходимо, испытанием, при котором тело накала лампы обрывается.
Применение на добровольной основе пункта 20.6.9 обеспечивает соблюдение требований Федерального закона от 22.07.2008 N 123-ФЗ "Технический регламент о требованиях пожарной безопасности" (Приказ Росстандарта от 16.04.2014 N 474).
20.6.9. Проблесковые огни, являющиеся неотъемлемой частью гирлянды, должны быть заключены в невоспламеняемый изоляционный материал и надежно прикреплены к кабелю гирлянды.
Проверку проводят внешним осмотром и, для невоспламеняемого изоляционного материала, испытанием по 20.15.
20.6.10. Не используется.
20.6.11. Патроны для заменяемых ламп втычного типа должны иметь корпус из изоляционного материала.
Проверку проводят внешним осмотром.
20.6.12. Цоколь (при наличии) и стеклянная колба заменяемой лампы втычного типа не должны вращаться относительно патрона для ламп.
Проверку проводят в течение 1 мин приложением к колбе лампы вращающего момента 0,025 Н x м.
(Измененная редакция, Изм. N 1).
20.6.13. Заменяемые лампы втычного типа должны легко вставляться и выниматься, но лампа должна оставаться в установленном положении при приложении растягивающего усилия 3 Н.
Проверку проводят пробным монтажом и испытанием на растяжение.
20.6.14. Запаянные гирлянды должны иметь необходимую механическую прочность.
Для жестких запаянных гирлянд проверку осуществляют, проводя на испытуемой трубке по 45 раз каждое из следующих испытаний по очереди:
a) прикладывают в концах трубки без резких толчков растягивающее усилие 60 Н в течение 1 мин;
b) прикладывают к концам трубки в наиболее нежелательном направлении (альтернативно в случае сомнения) без резких рывков крутящий момент 0,15 Н x м в течение 1 мин.
Для гибких запаянных гирлянд проверку проводят испытаниями по перечислениям a) и b), указанными выше, и следующим испытанием.
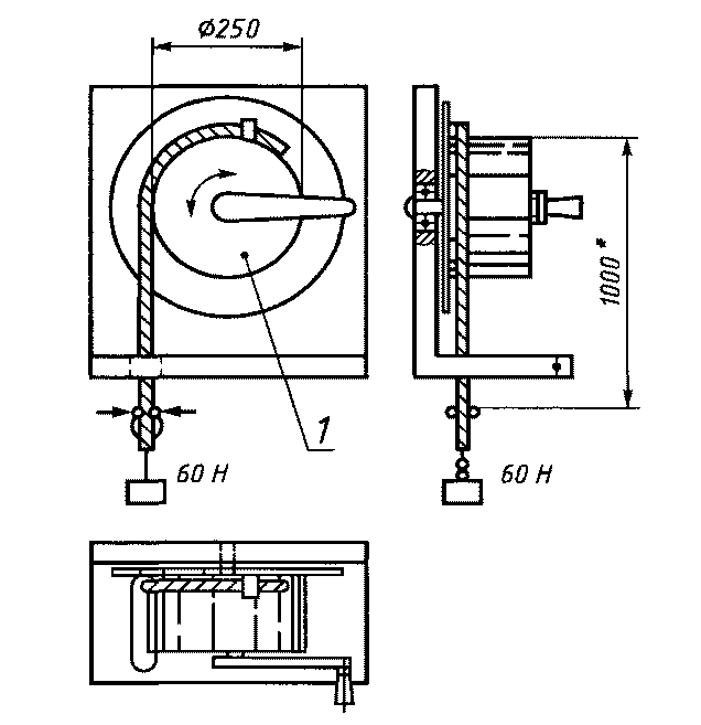
Наматывают трубку на цилиндр диаметром 250 мм с растягивающим усилием 60 Н:
- для гирлянд, имеющих степень защиты IP20 и менее, - 10 раз при температуре (25 +/- 5) °С;
- для гирлянд, имеющих степень защиты выше IP20, - 10 раз при температуре (25 +/- 5) °С, затем 10 раз при температуре минус (15 +/- 5) °С.
После испытаний трубка не должна иметь повреждений, нарушающих безопасность гирлянды, и должна быть проверена электрическая прочность изоляции по 20.14 между токоведущими частями и трубкой гирлянды.
Примечания. 1. Отказ в работе ламп во время испытания не является браковочным признаком.
2. Пример испытательного устройства для наматывания гибкой трубки приведен на рисунке 3.
1 - деревянный цилиндр
--------------------------------
<*> Расстояние между точками закрепления гибкой трубки и грузом в начале испытания.
Рисунок 3. Пример испытательного устройства
для наматывания гибкой трубки
20.7. Пути утечки и воздушные зазоры
ИС МЕГАНОРМ: примечание.
ГОСТ Р МЭК 60238-99 утратил силу с 1 января 2015 года в связи с введением в действие ГОСТ IEC 60238-2012 (Приказ Росстандарта от 21.12.2012 N 1943-ст).
Применяют положения раздела 11 ГОСТ Р МЭК 60598-1, за исключением резьбовых патронов для ламп и малогабаритных патронов втычного типа, к которым применяют требования раздела 17 ГОСТ Р МЭК 60238.
20.8. Заземление
Не применяют положения раздела 7 ГОСТ Р МЭК 60598-1.
20.9. Контактные зажимы
Применяют положения раздела 15 ГОСТ Р МЭК 60598-1.
20.10. Внешние провода и провода внутреннего монтажа
20.10.1. Не применяют требования 5.2.2 ГОСТ Р МЭК 60598-1.
Внутренние и внешние кабели гирлянд, за исключением запаянных, а также внешние кабели запаянных гирлянд должны быть не хуже, чем кабели с кодовым обозначением:
- для обычных гирлянд, использующих последовательно соединенные патроны для ламп, - 60227 IEC 43 по комплексу ГОСТ Р МЭК 60227;
- для световых гирлянд класса защиты III, использующих параллельно соединенные патроны для ламп, - 60227 IEC 42 по комплексу ГОСТ Р МЭК 60227 с максимально нормируемой мощностью более 50 Вт;
- для обычных гирлянд класса защиты II, использующих параллельно соединенные патроны для ламп, - 60227 IEC 52 по комплексу ГОСТ Р МЭК 60227;
- для других гирлянд, использующих последовательно соединенные патроны для ламп, - 60245 IEC 57 по комплексу ГОСТ Р МЭК 60245;
- для других гирлянд, использующих параллельно соединенные патроны для ламп, - 60245 IEC 57 по комплексу ГОСТ Р МЭК 60245;
- для других гирлянд, где длина кабеля между сетевой штепсельной вилкой и ближайшим патроном превышает 3 м для этой части кабеля, - 60245 IEC 66 по комплексу ГОСТ Р МЭК 60245.
Номинальное сечение проводов должно быть не менее:
a) 0,5 мм2 - для обычных гирлянд с патронами для ламп Е5 или Е10, или другими малогабаритными патронами;
b) 0,75 мм2 - для других гирлянд с патронами для ламп Е5 или Е10, или другими малогабаритными патронами, а также для гирлянд с патронами Е14, Е27, В15 или В22 с последовательно соединенными лампами;
c) 1,5 мм2 - для гирлянд с патронами для ламп Е14, Е27, В15 или В22 с параллельно соединенными лампами.
Внутренние и внешние кабели световых гирлянд класса защиты III с нормируемой мощностью не более 50 Вт и внутренние провода запаянных гирлянд могут иметь площадь поперечного сечения менее 0,4 мм2 при условии, что обеспечивается допустимая токовая нагрузка и механическая прочность. Для запаянных гирлянд класса защиты III допускается применять проводники без изоляции при условии, что приняты соответствующие меры предосторожности, обеспечивающие удовлетворение требованиям 5.3.1 ГОСТ Р МЭК 60598-1.
Проверку проводят внешним осмотром, измерением и расчетом.
(Измененная редакция, Изм. N 1).
20.10.2. Для гирлянд с одножильным кабелем испытание, указанное в 5.2.10.1 ГОСТ Р МЭК 60598-1, проводят следующим образом.
К кабелю прикладывают 50 раз растягивающее усилие 30 Н. Испытание на воздействие крутящего момента не проводят.
20.10.3. Штепсельные вилки гирлянд должны соответствовать требованиям ГОСТ 7396.1.
Гирлянды для наружного использования должны быть снабжены либо брызгозащищенной вилкой, либо иметь соответствующее неразъемное соединение со стационарной проводкой при помощи распределительной коробки.
Длина кабеля между штепсельной вилкой и первым патроном для ламп должна быть не менее 1,5 м.
Проверку проводят измерением.
Примечания. 1. Патроны для ламп в неразборных гирляндах с параллельно соединенными лампами могут быть присоединены к плоскому кабелю при помощи контактной шпильки или острия, проходящих через изоляцию кабеля и обеспечивающих электрический контакт с проводником.
2. Национальные правила в некоторых странах не разрешают применять штепсельную вилку по ГОСТ 7396.1.
20.11. Защита от поражения электрическим током
Применяют положения раздела 8 ГОСТ Р МЭК 60598-1 совместно с требованиями 20.11.1 - 20.11.3 настоящего стандарта.
20.11.1. Для гирлянд с устройством для крепления ламп, отличными от Е10 или большего размера, защита от поражения электрическим током должна быть по меньшей мере эквивалентна той, которая установлена для гирлянд с патронами для ламп Е10.
Если штепсельная вилка гирлянды включает в себя средства для отсоединения одного конца гирлянды от действующей установки, соединитель на конце кабеля должен иметь такой вход, чтобы диаметр входного отверстия и расстояние от торца до токоведущих частей были равными соответствующим размерам, указанным на рисунке 1. Две части соединителя не должны разъединяться при приложении растягивающего усилия 10 Н.
Рисунок 1. Пример приемлемого соединения для гирлянды
Для металлических деталей патронов и цоколя байонетных ламп проверку проводят стандартным испытательным щупом, как указано в ГОСТ 14254.
При проверке недоступности цоколей байонетных ламп должна быть вставлена лампа с самым длинным цоколем.
Примечание. Уплотнения, указанные в 20.6.5 настоящего стандарта, могут обеспечить защиту от случайного прикосновения к байонетному цоколю лампы.
Для штепсельных вилок с устройством для отсоединения одного конца гирлянды степень защиты от поражения электрическим током должна быть такой, чтобы не было возможности касания контакта с помощью стандартного испытательного щупа, указанного в ГОСТ 14254. Как правило, контакт представляет собой штырь, закрепленный в корпусе вилки, причем штырь полностью укрыт корпусом вилки или защищен любым другим способом.
20.11.2. Гирлянды должны быть электрически изолированы от фольги или других металлических украшений, с которыми их используют.
Проверку проводят при помощи плоского щупа шириной 8 мм и толщиной 0,5 мм, с закругленным наконечником, имеющим радиус скругления 4 мм. Должна отсутствовать возможность касания щупом токоведущих частей, когда он прикладывается в любом положении с усилием не более 0,5 Н, причем гирлянда должна быть оснащена лампами, с которыми она поставляется изготовителем.
20.11.3. Контакт патрона для ламп должен быть надежно закреплен в корпусе патрона, но не при помощи силы трения, а другим способом, исключающим смещение контактов патрона, при котором могут стать доступными токоведущие детали гирлянды. Примером правильного способа закрепления является применение зажимов на контактах патрона.
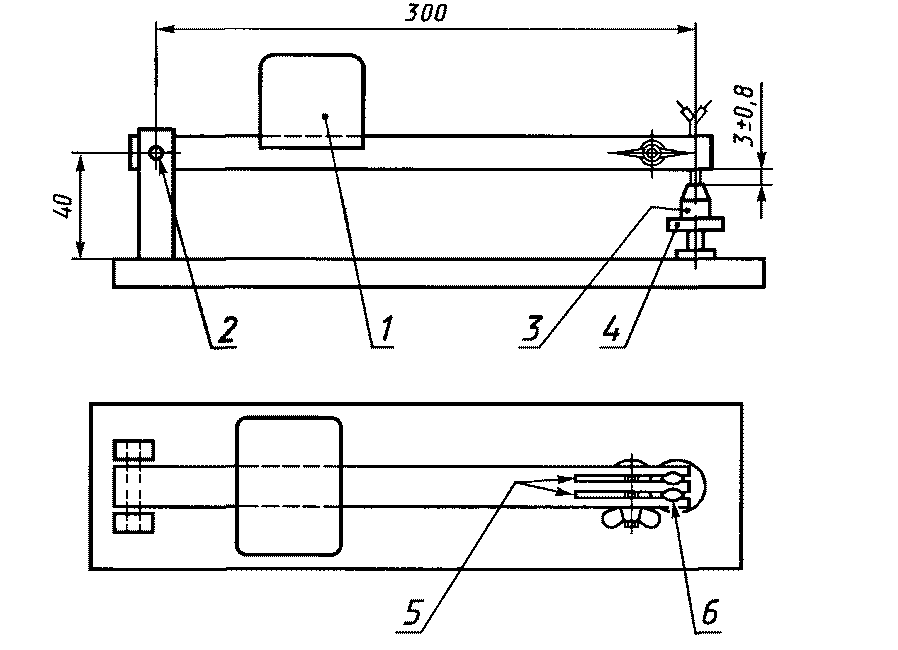
Проверку проводят внешним осмотром и следующим испытанием.
Шесть патронов для ламп нагревают в течение 7 ч в соответствии с требованиями 12.3 ГОСТ Р МЭК 60598-1 в положении, при котором достигается самая высокая температура. После охлаждения патронов до комнатной температуры лампы накаливания удаляют и к каждому присоединенному проводу прикладывают растягивающее усилие 15 Н в течение 1 мин.
После этого к двум проводам, соединенным вместе, прикладывают растягивающее усилие 30 Н в течение 1 мин. Усилия прикладывают на расстоянии (3,0 +/- 0,8) мм от точек ввода проводов в патрон, как бы пытаясь выдернуть контакты из патрона.
Во время испытаний контакты не должны смещаться более чем на 0,8 мм. Пример устройства, пригодного для проведения этого испытания, приведен на рисунке 2.
1 - двигающийся груз; 2 - ось; 3 - патрон для лампы;
4 - держатель патрона для лампы с регулировкой по высоте,
обеспечивающий горизонтальное положение рычага
при первоначальном приложении усилия; 5 - отверстия
для проводов; 6 - прорези в рычаге для облегчения
зажима проводов, выходящих из патрона
Рисунок 2. Пример испытательного устройства для проверки
надежности контактов патрона для ламп
Применение на добровольной основе пункта 20.12 обеспечивает соблюдение требований Федерального закона от 22.07.2008 N 123-ФЗ "Технический регламент о требованиях пожарной безопасности" (Приказ Росстандарта от 16.04.2014 N 474).
20.12. Испытания на старение и тепловые испытания
Применяют положения раздела 12 ГОСТ Р МЭК 60598-1 совместно с требованиями 20.12.1 - 20.12.3 настоящего стандарта.
Светильники с классификацией IP, превышающей IP20, должны подвергаться соответствующим испытаниям по 12.4 - 12.6 ГОСТ Р МЭК 60598-1 после испытаний по 9.2, но до испытаний по 9.3 ГОСТ Р МЭК 60598-1, указанных в 20.13 настоящего стандарта.
20.12.1. Требования 12.3.1d и 12.4.1d ГОСТ Р МЭК 60598-1 заменяют на следующее.
Испытания проводят при напряжении, при котором мощность равна 1,05 мощности, измеренной при нормированном напряжении гирлянды.
20.12.2. Требования 12.3.1e и 12.4.1g ГОСТ Р МЭК 60598-1 применяют, за исключением того, что в запаянных гирляндах лампы не подлежат замене.
20.12.3. Работа с устройствами для шунтирования тела накала лампы в случае, указанном в 20.6.8 настоящего стандарта, не должна быть причиной, из-за которой любая деталь гирлянды могла бы достичь температуры, ухудшающей ее безопасность.
Проверку проводят, вызывая срабатывание шунтирующего устройства на каждой лампе, при этом лампы не заменяют. Температура компонентов гирлянды должна достичь установившегося теплового режима перед тем, как каждое шунтирующее устройство срабатывает.
Температура патронов для ламп и кабелей не должна превышать допустимых значений, приведенных в таблицах 12.1 и 12.2 ГОСТ Р МЭК 60598-1.
Если защитное устройство (например предохранитель лампы) срабатывает во время испытания, самую высокую достигнутую температуру принимают за окончательную.
20.13. Защита от пыли и влаги
Применяют положения раздела 9 ГОСТ Р МЭК 60598-1 совместно со следующим требованием. Для светильников с классификацией IP, превышающей IP20, порядок испытаний, приведенный в разделе 9 ГОСТ Р МЭК 60598-1, должен быть таким, как это указано в 20.12 настоящего стандарта.
Гирлянды должны быть полностью укомплектованы и готовы к эксплуатации, лампы вставлены, патроны для ламп должны быть в произвольном положении в течение испытаний, описанных в 9.2 ГОСТ Р МЭК 60598-1.
20.14. Сопротивление и электрическая прочность изоляции
Применяют положения раздела 10 ГОСТ Р МЭК 60598-1.
Применение на добровольной основе пункта 20.15 обеспечивает соблюдение требований Федерального закона от 22.07.2008 N 123-ФЗ "Технический регламент о требованиях пожарной безопасности" (Приказ Росстандарта от 16.04.2014 N 474).
20.15. Теплостойкость, огнестойкость и сопротивление
токам поверхностного разряда
ИС МЕГАНОРМ: примечание.
ГОСТ Р МЭК 60811-3-1-94 утратил силу с 1 января 2013 года в связи с введением в действие ГОСТ IEC 60811-3-1-2011 (Приказ Росстандарта от 13.12.2011 N 1443-ст).
Применяют положения раздела 13 ГОСТ Р МЭК 60598-1, за исключением того, что для гибких трубок запаянных гирлянд испытание по 13.2.1 ГОСТ Р МЭК 60598-1 заменяют испытанием по разделу 8 ГОСТ Р МЭК 60811-3-1.
Приложение А
(Справочное)
ИСПЫТАНИЕ ПРИ ПОМОЩИ ВРАЩАЮЩЕГОСЯ БАРАБАНА
(Применяется только для гирлянд класса защиты II).
Требований нет.