Главная // Актуальные документы // ГОСТ Р (Государственный стандарт)СПРАВКА
Источник публикации
М.: ИПК Издательство стандартов, 2001
Примечание к документу
По сведениям, размещенным на Информационном портале Росстандарта по адресу https://uvedns.gostinfo.ru/, данный документ утрачивает силу с 01.09.2025 в связи с изданием Приказа Росстандарта от 29.08.2024 N 1137-ст. Взамен вводится в действие ГОСТ IEC 61000-4-16-2023.
С 1 июля 2003 года до вступления в силу технических регламентов акты федеральных органов исполнительной власти в сфере технического регулирования носят рекомендательный характер и подлежат обязательному исполнению только в части, соответствующей целям, указанным в
пункте 1 статьи 46 Федерального закона от 27.12.2002 г. N 184-ФЗ.
Документ
введен в действие с 1 января 2002 года.
Название документа
"ГОСТ Р 51317.4.16-2000 (МЭК 61000-4-16-98). Государственный стандарт Российской Федерации. Совместимость технических средств электромагнитная. Устойчивость к кондуктивным помехам в полосе частот от 0 до 150 кГц. Требования и методы испытаний"
(принят и введен в действие Постановлением Госстандарта России от 01.12.2000 N 322-ст)
"ГОСТ Р 51317.4.16-2000 (МЭК 61000-4-16-98). Государственный стандарт Российской Федерации. Совместимость технических средств электромагнитная. Устойчивость к кондуктивным помехам в полосе частот от 0 до 150 кГц. Требования и методы испытаний"
(принят и введен в действие Постановлением Госстандарта России от 01.12.2000 N 322-ст)
Принят и введен в действие
от 1 декабря 2000 г. N 322-ст
ГОСУДАРСТВЕННЫЙ СТАНДАРТ РОССИЙСКОЙ ФЕДЕРАЦИИ
СОВМЕСТИМОСТЬ ТЕХНИЧЕСКИХ СРЕДСТВ ЭЛЕКТРОМАГНИТНАЯ
УСТОЙЧИВОСТЬ К КОНДУКТИВНЫМ ПОМЕХАМ
В ПОЛОСЕ ЧАСТОТ ОТ 0 ДО 150 кГц
ТРЕБОВАНИЯ И МЕТОДЫ ИСПЫТАНИЙ
Electromagnetic compatibility
of technical equipment. Immunity to conducted
disturbances in the frequency range
0 to 150 kHz. Requirement and test methods
ГОСТ Р 51317.4.16-2000
(МЭК 61000-4-16-98)
Группа Э02
Дата введения
1 января 2002 года
1. Разработан ВНИИАЭС, ЭНИЦ-ИНВЕСТ, Техническим комитетом по стандартизации в области электромагнитной совместимости технических средств (ТК 30) и Техническим комитетом по стандартизации "Атомная техника" (ТК 322).
Внесен Министерством Российской Федерации по атомной энергии.
2. Принят и введен в действие
Постановлением Госстандарта России от 1 декабря 2000 г. N 322-ст.
3. Настоящий стандарт содержит аутентичный текст международного стандарта МЭК 61000-4-16 (1998-01), изд. 1 "Электромагнитная совместимость (ЭМС). Часть 4-16. Методы испытаний и измерений. Испытания на устойчивость к кондуктивным помехам, представляющим собой общие несимметричные напряжения, в полосе частот от 0 до 150 кГц" с дополнительными требованиями, отражающими потребности экономики страны.
4. Введен впервые.
Стандарт МЭК 61000-4-16-98 является частью стандартов МЭК серии 61000 согласно следующей структуре:
Часть 1. Основы
Общее рассмотрение (введение, фундаментальные принципы)
Определения, терминология
Часть 2. Электромагнитная обстановка
Описание электромагнитной обстановки
Классификация электромагнитной обстановки
Уровни электромагнитной совместимости
Часть 3. Нормы
Нормы помехоэмиссии
Нормы помехоустойчивости (в тех случаях, когда они не являются предметом рассмотрения техническими комитетами, разрабатывающими стандарты на продукцию)
Часть 4. Методы испытаний и измерений
Методы измерений
Методы испытаний
Часть 5. Руководства по установке и помехоподавлению
Руководства по установке
Руководства по помехоподавлению
Часть 6. Общие стандарты
| | ИС МЕГАНОРМ: примечание. Нумерация частей дана в соответствии с официальным текстом документа. | |
Часть 9. Разное
Каждая часть подразделяется на разделы, которые могут быть опубликованы как международные стандарты либо как технические отчеты.
Настоящая часть представляет собой международный стандарт, который устанавливает требования и методы испытаний, относящиеся к устойчивости при воздействии кондуктивных помех, представляющих собой общие несимметричные напряжения, в полосе частот от 0 до 150 кГц.
Настоящий стандарт устанавливает требования и методы испытаний электротехнических, электронных и радиоэлектронных изделий и оборудования (далее в тексте - технические средства) на устойчивость к кондуктивным электромагнитным помехам (далее в тексте - помехи), представляющим собой общие несимметричные напряжения, в полосе частот от 0 до 150 кГц, подобные тем, которые возникают при протекании электрического тока в силовых кабелях, расположенных поблизости от технических средств (ТС), и токов утечки в системах заземления, а также общую основу для оценки устойчивости ТС при воздействии кондуктивных помех указанного вида на порты электропитания, сигнализации, управления и связи.
Стандарт распространяется на ТС, подключаемые к низковольтным распределительным электрическим сетям и промышленным электрическим сетям при частоте питающего напряжения 50 Гц.
Стандарт устанавливает:
- формы испытательных напряжений;
- степени жесткости испытаний;
- требования к испытательному оборудованию;
- состав рабочих мест для испытаний;
- методы испытаний.
Стандарт не применяют для ТС, подключаемых к электрическим сетям переменного тока частотой 400 Гц, и для ТС, у которых длина кабелей, подключаемых к портам, составляет менее 20 м в соответствии с технической документацией на ТС.
Стандарт не применяют также при установлении требований устойчивости ТС к кондуктивным помехам, наводимым радиочастотными электромагнитными полями (
см. ГОСТ Р 51317.4.6), и к гармоникам и интергармоникам напряжения в сетях электропитания переменного тока, включая сигналы, передаваемые по силовым линиям, представляющим собой симметричные напряжения (
см. ГОСТ Р 51317.2.5, ГОСТ Р 51317.3.8, [1], [2]).
Для портов некоторых видов, например, предназначенных для подключения линий с высокой степенью симметрии, дополнительные требования к проведению испытаний на помехоустойчивость могут быть установлены в стандартах на группы ТС.
Нарушения функционирования ТС при воздействии кондуктивных помех, представляющих собой общие несимметричные напряжения в полосе частот от 0 до 150 кГц, в основном могут иметь место в промышленных зонах. Технические комитеты по стандартизации должны рассмотреть, существуют ли основания для применения требований, установленных в настоящем стандарте, в разрабатываемых стандартах на продукцию.
Степени жесткости испытаний на устойчивость к кондуктивным помехам, представляющим собой общие несимметричные напряжения в полосе частот от 0 до 150 кГц, и методы испытаний устанавливают в стандартах на ТС конкретного вида и в технической документации на ТС в соответствии с настоящим стандартом.
Требования настоящего стандарта являются обязательными.
Содержание стандарта МЭК 61000-4-16-98 набрано прямым шрифтом, дополнительные требования к стандарту МЭК 61000-4-16, отражающие потребности экономики страны, - курсивом.
В настоящем стандарте использованы ссылки на [1] - [3] и следующие стандарты:
ГОСТ Р 8.568-97. Государственная система обеспечения единства измерений. Аттестация испытательного оборудования. Основные положения
ГОСТ Р 51317.2.5-2000 (МЭК 61000-2-5-95). Совместимость технических средств электромагнитная. Электромагнитная обстановка. Классификация электромагнитных помех в местах размещения технических средств
ГОСТ Р 51317.3.8-99 (МЭК 61000-3-8-97). Совместимость технических средств электромагнитная. Передача сигналов по низковольтным электрическим сетям. Уровни сигналов, полосы частот и нормы электромагнитных помех
ГОСТ Р 51317.4.6-99 (МЭК 61000-4-6-96). Совместимость технических средств электромагнитная. Устойчивость к кондуктивным помехам, наведенным радиочастотными электромагнитными полями. Требования и методы испытаний
| | ИС МЕГАНОРМ: примечание. Приказом Ростехрегулирования от 27.12.2006 N 471-ст с 1 июля 2007 года введен в действие ГОСТ Р 51317.6.1-2006 | |
ГОСТ Р 51317.6.1-99 (МЭК 61000-6-1-95). Совместимость технических средств электромагнитная. Устойчивость к электромагнитным помехам технических средств, применяемых в жилых, коммерческих зонах и производственных зонах с малым энергопотреблением. Требования и методы испытаний
ГОСТ Р 51317.6.2-99 (МЭК 61000-6-2-95). Совместимость технических средств электромагнитная. Устойчивость к электромагнитным помехам технических средств, применяемых в промышленных зонах. Требования и методы испытаний
ГОСТ Р 51318.22-99 (СИСПР 22-97). Совместимость технических средств электромагнитная. Радиопомехи индустриальные от оборудования информационных технологий. Нормы и методы испытаний.
Кондуктивные помехи, представляющие собой общие несимметричные напряжения в полосе частот от 0 до 150 кГц, могут оказывать неблагоприятное влияние на функционирование ТС и систем, применяемых в жилых, коммерческих зонах и производственных зонах с малым энергопотреблением, но в основном на ТС и систем, применяемых в промышленных зонах, в том числе на электростанциях.
| | ИС МЕГАНОРМ: примечание. Приказом Ростехрегулирования от 27.12.2006 N 471-ст с 1 июля 2007 года введен в действие ГОСТ Р 51317.6.1-2006. | |
Примечание. Условия отнесения ТС к применяемым в жилых, коммерческих зонах и производственных зонах с малым энергопотреблением - по ГОСТ Р 51317.6.1, в промышленных зонах - по ГОСТ Р 51317.6.2.
Требования устойчивости к кондуктивным помехам, представляющим собой общие несимметричные напряжения в полосе частот от 0 до 150 кГц, устанавливают только для тех портов ТС, на которые в условиях эксплуатации могут воздействовать указанные помехи.
Основными источниками указанных помех являются:
- силовые распределительные системы, в том числе постоянного тока и частотой 50 Гц (при этом должны быть учтены помехи на основной частоте сети и частотах существенных гармоник и интергармоник);
- силовое электронное оборудование (например, силовые преобразователи), которые могут инжектировать помехи в линии электропитания и в системы заземления, а также в сигнальные линии и линии управления.
Помехи на основной частоте сети или на частотах гармоник основной частоты обычно генерируются силовыми распределительными системами при коротких замыканиях и других нарушениях работы распределительных систем и в результате протекания токов утечки в системах заземления.
Помехи на частотах выше области гармоник основной частоты сети (до 150 кГц) обычно генерируются силовыми электронными установками, применяемыми в основном в промышленных зонах, в том числе на электростанциях.
За счет кондуктивной, емкостной и индуктивной связи источника помех с линиями силового электропитания, линиями сигнализации, управления и связи кондуктивные помехи, представляющие собой общие несимметричные напряжения в полосе частот от 0 до 150 кГц, воздействуют на порты ТС. Учитывая, что указанные выше механизмы связи не могут быть полностью исключены, необходимо, чтобы ТС имели необходимый уровень устойчивости к воздействию указанных помех.
В зависимости от источника возникновения кондуктивные помехи, представляющие собой общие несимметричные напряжения в полосе частот от 0 до 150 кГц, подразделяют на два вида:
- постоянное напряжение и напряжение частотой 50 Гц;
- напряжения в полосе частот от 15 Гц до 150 кГц (включая гармоники основной частоты сети).
Настоящий стандарт устанавливает общие требования помехоустойчивости и методы испытаний применительно к помехам обоих указанных выше видов. Применимость требований должна быть установлена в стандарте на группу ТС или ТС конкретного вида.
Дополнительные сведения о кондуктивных помехах, представляющих собой общие несимметричные напряжения в полосе частот от 0 до 150 кГц, приведены в
Приложении А.
4.1. Порт - граница между ТС и внешней электромагнитной средой (зажим, разъем, клемма, стык связи и т.п.) (рисунок 1).
Рисунок 1. Примеры портов ТС
Примечание. Положения ключей относятся к различной конфигурации портов ТС.
4.2. Вспомогательное ТС - ТС, применяемое для создания сигналов, обеспечивающих нормальное функционирование испытуемого ТС (ИТС), или для проверки качества функционирования ИТС при испытаниях на помехоустойчивость.
4.3. Связь - взаимодействие между электрическими цепями, передача энергии из одной цепи в другую.
4.4. Устройство связи - электрическое устройство, предназначенное для передачи помехи из одной цепи в другую.
4.5. Устройство развязки - электрическое устройство, предназначенное для предотвращения воздействия помехи, подаваемой на ИТС, на вспомогательные ТС и другие устройства, не подвергаемые испытаниям.
4.6. Устойчивость к электромагнитной помехе (помехоустойчивость) -
способность ТС сохранять заданное качество функционирования при воздействии на него внешних помех с регламентируемыми значениями параметров в отсутствие дополнительных средств защиты от помех, не относящихся к принципу действия или построения технического средства (по ГОСТ 30372/ГОСТ Р 50397).
4.7. Симметричное напряжение - напряжение между любыми двумя проводниками из заданной группы активных проводников.
4.8. Общее несимметричное напряжение - среднее значение фазных напряжений между каждым из проводников, входящих в определенную группу, и землей.
5. Степени жесткости испытаний
Степени жесткости испытаний на помехоустойчивость при воздействии на порты ТС кондуктивных помех, представляющих собой общие несимметричные напряжения в полосе частот от 0 до 150 кГц, вызываемых различными источниками, установлены в
5.1 и
5.2. Степени жесткости испытаний приведены применительно к воздействию помех следующих видов: постоянного тока; на частоте 50 Гц; в полосе частот от 15 Гц до 150 кГц.
Применимость требований устойчивости к помехам различного вида должна быть установлена в стандартах на ТС конкретного вида.
При проведении испытаний помеха должна быть подана на порты электропитания, сигнальные порты, порты управления и связи ТС как общее несимметричное напряжение (уровень симметричного напряжения, возникающего при этом на указанных портах, зависит от степени асимметрии испытуемой цепи относительно земли).
Рекомендации по выбору степеней жесткости испытаний приведены в
Приложении Б.
5.1. Степени жесткости испытаний при воздействии помех постоянного тока и на частоте 50 Гц
Степени жесткости испытаний на устойчивость при воздействии длительных и кратковременных помех приведены в таблицах 1 и
2.
Таблица 1
Степени жесткости испытаний на устойчивость
при воздействии длительных помех
постоянного тока и на частоте 50 Гц
┌──────────────────────────────┬─────────────────────────────────┐
│ Степень жесткости испытаний │ Испытательное напряжение, В
<1>│
├──────────────────────────────┼─────────────────────────────────┤
│ 1 │ 1 │
│ 2 │ 3 │
│ 3 │ 10 │
│ 4 │ 30 │
│ X <2> │ Специальное │
├──────────────────────────────┴─────────────────────────────────┤
│ <1> Среднеквадратическое значение напряжения холостого хода.│
│ <2> Открытая степень жесткости испытаний, которая может│
│быть установлена в стандартах на ТС конкретного вида и│
│в технической документации на ТС. │
└────────────────────────────────────────────────────────────────┘
Таблица 2
Степени жесткости испытаний на устойчивость
при воздействии кратковременных помех
постоянного тока и на частоте 50 Гц
┌──────────────────────────────┬─────────────────────────────────┐
│ Степень жесткости испытаний │ Испытательное напряжение, В
<1>│
├──────────────────────────────┼─────────────────────────────────┤
│ 1 │ 3 │
│ 2 │ 10 │
│ 3 │ 30 │
│ 4 │ 100 │
│ X <2> │ Специальное │
├──────────────────────────────┴─────────────────────────────────┤
│ <1> Среднеквадратическое значение напряжения холостого хода.│
│ <2> Открытая степень жесткости испытаний, которая может│
│быть установлена в стандартах на ТС конкретного вида и│
│в технической документации на ТС. │
└────────────────────────────────────────────────────────────────┘
При испытаниях на устойчивость к кратковременным помехам время воздействия помехи должно составлять 1 с. В стандартах на ТС конкретного вида может быть установлено иное время воздействия помехи.
Испытания на помехоустойчивость проводят при воздействии длительных и кратковременных помех постоянного тока и (или) на частоте 50 Гц с учетом электромагнитной обстановки в условиях эксплуатации ТС. Степень жесткости испытаний не должна превышать установленной в стандарте на ТС конкретного вида.
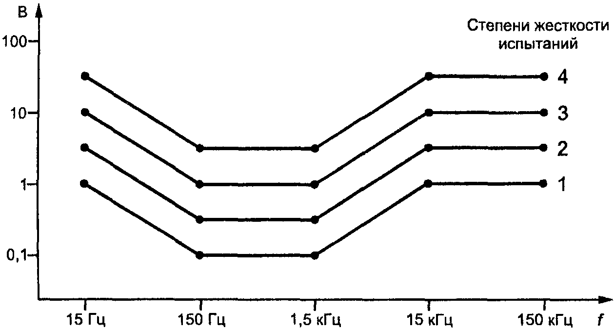
5.2. Степени жесткости испытаний в полосе частот от 15 Гц до 150 кГц
Степени жесткости испытаний приведены в таблице 3.
Таблица 3
Степени жесткости испытаний на устойчивость
к длительным помехам в полосе частот от 15 Гц до 150 кГц
┌─────────┬──────────────────────────────────────────────────────┐
│ Степень │ Испытательное напряжение, В
<1>, в полосе частот │
│жесткости├───────────┬────────────────┬────────────┬────────────┤
│испытаний│15 - 150 Гц│150 Гц - 1,5 кГц│1,5 - 15 кГц│15 - 150 кГц│
│ │ │ │ │ │
├─────────┼───────────┼────────────────┼────────────┼────────────┤
│ 1 │ 1 - 0,1 │ 0,1 │ 0,1 - 1 │ 1 │
│ 2 │ 3 - 0,3 │ 0,3 │ 0,3 - 3 │ 3 │
│ 3 │ 10 - 1 │ 1 │ 1 - 10 │ 10 │
│ 4 │ 30 - 3 │ 3 │ 3 - 30 │ 30 │
│ X <2> │Специальное│ Специальное │ Специальное│ Специальное│
├─────────┴───────────┴────────────────┴────────────┴────────────┤
│ <1> Среднеквадратическое значение напряжения холостого хода.│
│ <2> Открытая степень жесткости испытаний, которая может│
│быть установлена в стандартах на ТС конкретного вида и│
│в технической документации на ТС. │
└────────────────────────────────────────────────────────────────┘
В зависимости от частоты испытательное напряжение изменяется следующим образом: в полосе частот от 15 до 150 Гц уменьшается с коэффициентом 20 дБ/декада; в полосе частот от 150 Гц до 1,5 кГц является постоянным; в полосе частот от 1,5 до 15 кГц возрастает с коэффициентом 20 дБ/декада; в полосе частот от 15 до 150 кГц является постоянным.
Зависимость испытательного напряжения от частоты приведена на рисунке 2.
Рисунок 2. Зависимость испытательного напряжения от частоты
Требования устойчивости к помехам на частотах ниже 15 Гц не устанавливают (исключая помехи постоянного тока, см.
5.1), так как на указанных частотах помехи не считаются существенными.
6. Испытательное оборудование
6.1. Испытательные генераторы (ИГ)
Характеристики ИГ, обеспечивающих проведение испытаний на помехоустойчивость при воздействии помех каждого из указанных выше видов, приведены в
6.1.1,
6.1.2 и
6.1.3.
В ИГ должны быть предусмотрены меры по предупреждению значительных помех, которые при их эмиссии в электрическую сеть могут повлиять на результаты испытаний.
6.1.1. Характеристики ИГ помех постоянного тока
ИГ включает, как правило, источник питания постоянного тока с регулируемым выходным напряжением и управляемый переключатель, обеспечивающий коммутацию напряжения для обеспечения испытаний при воздействии кратковременных помех.
Характеристики ИГ длительных помех должны быть следующими:
Форма испытательного напряжения .......... Постоянное напряжение
(уровень пульсаций менее 5%)
Выходное напряжение
при холостом ходе, В ..................... 1 - 30
Пределы допускаемой погрешности
установки выходного напряжения, % ........ +/- 30
Выходное сопротивление, Ом ............... 50
Пределы допускаемой погрешности
выходного сопротивления, % ............... +/- 10.
Характеристики ИГ кратковременных помех должны быть следующими:
Форма испытательного напряжения .......... Постоянное напряжение
(уровень пульсаций менее 5%)
Выходное напряжение
при холостом ходе, В ..................... 10 - 300
Пределы допускаемой погрешности
установки выходного напряжения, % ........ +/- 30
Выходное сопротивление, Ом ............... 50
Пределы допускаемой погрешности
выходного сопротивления, % ............... +/- 10
Длительность возрастания и спада
выходного напряжения при включении
и выключении помехи, мкс ................. 1 - 5.
Схема ИГ помех постоянного тока приведена на рисунке 3.
Рисунок 3. Схема ИГ помех постоянного тока
6.1.2. Характеристики ИГ помех на частоте 50 Гц
ИГ включает, как правило, управляемый трансформатор, подключаемый к сети электропитания, изолирующий трансформатор и управляемый переключатель, обеспечивающий коммутацию напряжения для обеспечения испытаний при воздействии кратковременных помех.
Характеристики ИГ длительных помех должны быть следующими:
Форма испытательного напряжения ............. Синусоидальное напряжение
(коэффициент нелинейных
искажений менее 10%)
Выходное напряжение при холостом ходе
(среднеквадратическое значение), В .......... 1 - 30
Пределы допускаемой погрешности
установки выходного напряжения, % ........... +/- 30
Выходное сопротивление, Ом .................. 50
Пределы допускаемой погрешности
выходного сопротивления, % .................. +/- 10
Частота помехи .............................. Основная частота сети
электропитания.
Характеристики ИГ кратковременных помех должны быть следующими:
Форма испытательного напряжения ............. Синусоидальное напряжение
(коэффициент нелинейных
искажений менее 10%)
Выходное напряжение при холостом ходе
(среднеквадратическое значение), В .......... 10 - 300
Пределы допускаемой погрешности
установки выходного напряжения, % ........... +/- 30
Выходное сопротивление, Ом .................. 50
Пределы допускаемой погрешности
выходного сопротивления, % .................. +/- 10
Частота помехи .............................. Основная частота сети
электропитания
Фазовый угол включения и выключения
напряжения помехи, град. .................... 0
Пределы допускаемой погрешности
установки фазового угла включения
и выключения напряжения помехи, % ........... +/- 5.
Схема ИГ помех на частоте 50 Гц приведена на рисунке 4.
Рисунок 4. Схема ИГ помех на частоте 50 Гц
6.1.3. Характеристики ИГ помех в полосе частот 15 Гц - 150 кГц
ИГ включает, как правило, генератор сигналов, обеспечивающий перекрытие заданной полосы частот. ИГ должен иметь возможность автоматизированной перестройки частоты со скоростью не более

и ручную перестройку частоты. В случае применения синтезаторов частоты ИГ должен быть программируемым для установки шага перестройки частоты, составляющего 10% предыдущего значения частоты и времени задержки на частоте.
Характеристики ИГ должны быть следующими:
Форма испытательного напряжения ............. Синусоидальное напряжение
(коэффициент нелинейных
искажений менее 1%)
Выходное напряжение при холостом ходе
(среднеквадратическое значение), В .......... 0,1 - 30
Пределы допускаемой погрешности установки
выходного напряжения, % ..................... +/- 10
Выходное сопротивление, Ом .................. 50
Пределы допускаемой погрешности выходного
сопротивления, % ............................ +/- 10
Частота помехи .............................. 15 Гц - 150 кГц
Пределы допускаемой погрешности установки
частоты помехи, % ........................... +/- 10.
6.2. Проверка характеристик ИГ
Для обеспечения воспроизводимости результатов испытаний, проводимых с применением различных ИГ, наиболее существенные характеристики ИГ должны быть проверены. Проверке соответствия значениям, указанным в
6.1, подлежат:
- форма испытательного напряжения;
- погрешность установки выходного напряжения;
- выходное сопротивление ИГ;
- длительность возрастания и спада выходного напряжения при включении и выключении помехи;
- погрешность установки частоты помехи.
При проверке должна быть использована измерительная система с полосой частот не менее 1 МГц. Погрешность измерений должна составлять менее 5%.
Напряжение и напряженность поля индустриальных радиопомех, создаваемых ИГ, предназначенным для создания кондуктивных помех в полосе от 15 Гц до 150 кГц, не должны превышать значений, установленных в ГОСТ Р 51318.22 для оборудования класса Б.
| | ИС МЕГАНОРМ: примечание. В официальном тексте документа, видимо, допущена опечатка: пункты 6.2.1 и 6.2.2 отсутствуют. | |
ИГ должен быть аттестован по ГОСТ Р 8.568. При аттестации определяют действительные значения всех характеристик ИГ, установленных в 6.1.1, 6.1.2, 6.2.1 и 6.2.2.
6.3. Устройства связи/развязки
Устройства связи обеспечивают подачу испытательного напряжения, представляющего собой общее несимметричное напряжение, на порты электропитания, сигнальные и контрольные порты и порты связи ИТС. Устройства развязки предотвращают воздействие испытательного напряжения на вспомогательные ТС при проведении испытаний.
6.3.1. Устройства связи
6.3.1.1. Устройства связи для портов электропитания, сигнальных и контрольных портов
Устройство связи для каждого проводника, подключаемого к портам электропитания, сигнальным и контрольным портам, представляет собой последовательно соединенные резистор R и конденсатор C. Устройства связи для каждого проводника соединяют параллельно для образования устройства связи порта. Емкость конденсатора C должна быть равна 1 мкФ, сопротивление резистора R должно составлять 100n Ом, где n - число проводников (n должно быть больше или равно 2). Значения емкости и сопротивления устройства связи для каждого проводника должны иметь погрешность не более 1%. Для помех постоянного тока конденсаторы C должны быть замкнуты накоротко.
Примечание. При подаче помех постоянного тока на сигнальные порты сопротивление цепи связи может привести к существенному уменьшению напряжения полезного сигнала.
При подаче напряжений помех на экранированные кабели помеха подается непосредственно на экран кабеля без использования устройств связи.
6.3.1.2. Устройства связи для портов связи
Для портов связи и других портов, предназначенных для подключения к симметричным линиям (одиночным парам или множественным парам), устройство связи должно представлять собой Т-образную цепь, принципиальная схема которой приведена на
рисунке 5. Емкость конденсатора C должна составлять 4,7 мкФ, сопротивление резистора R - 200 Ом, индуктивность катушки L - 2 x 38 мГн при бифилярной обмотке. Параметры элементов Т-образной цепи должны быть установлены с такой погрешностью, чтобы подача общего несимметричного напряжения помехи при испытаниях не приводила к появлению недопустимого симметричного напряжения на портах ИТС.
Примечание. При необходимости использования Т-образной цепи при отношении подаваемого общего несимметричного напряжения помехи к образуемому симметричному напряжению на портах ИТС более 80 дБ в стандартах на ТС конкретного вида должны быть определены альтернативные методы связи.
Рисунок 5. Схема Т-образной цепи для подачи помехи на порты
связи и другие порты, предназначенные для подключения
к симметричным линиям
Примечание. R = 200 Ом; C = 4,7 мкФ (конденсатор должен быть закорочен при подаче помехи постоянного тока); L = 2 x 38 мГн (бифилярная обмотка).
6.3.2. Устройства развязки
Основной характеристикой устройства развязки является ослабление общего несимметричного напряжения помехи в полосе частот от 0 до 150 кГц.
6.3.2.1. Требования к устройствам развязки
Характеристики устройства развязки должны быть следующими:
Электрическая прочность изоляции
(вход-выход и вход/выход-земля), кВ ............ 1 (напряжение частотой
50 Гц в течение 1 мин)
Ослабление общего несимметричного
напряжения, дБ ................................. 60.
Требования к электрической прочности изоляции устройства развязки могут быть снижены при проведении испытаний со степенями жесткости ниже 4.
Требование настоящего раздела применяют также к сложным устройствам, таким как блоки электропитания, объединенные с изолирующим трансформатором и преобразователем "переменный ток - постоянный ток". Для симметричных линий Т-образная цепь с характеристиками, приведенными в
6.3.1.2, обеспечивает эффективную развязку в полосе частот от 10 до 150 кГц. Применение устройств развязки необходимо также на частотах ниже 10 кГц.
7. Рабочее место для испытаний
На рабочем месте для испытаний должно находиться следующее оборудование:
- проводники заземления;
- ИТС;
- ИГ;
- устройства связи/развязки.
7.1. Проводники заземления
При испытаниях особое внимание должно быть уделено защитному заземлению ИТС, ИГ и вспомогательного оборудования. ИТС должно быть подключено к системе защитного заземления в соответствии с технической документацией на ИТС. ИГ и устройства связи/развязки должны быть подключены к пластине заземления или к общей шине защитного заземления. Длина проводников, соединяющих ИГ и устройства связи/развязки с пластиной заземления или общей шиной защитного заземления, не должна превышать 1 м.
ИТС должно быть установлено и функционировать в соответствии с технической документацией на ИТС. Подключение портов ТС к источникам питания, линиям управления, сигнализации и связи осуществляют через устройства развязки (см.
6.3.2). Для подачи сигналов, необходимых для обеспечения функционирования ИТС, могут быть использованы вспомогательные ТС или имитаторы.
При испытаниях используют силовые и сигнальные кабели, имеющиеся в составе ИТС, или предусмотренные технической документацией на ИТС. Если в технической документации на ИТС не установлены требования к кабелям, применяют неэкранированные кабели, пригодные по условиям прохождения сигналов. Длина соединительных кабелей не критична при проведении испытаний, за исключением экранированных кабелей. Если в технической документации на ИТС установлены максимальные длины экранированных кабелей, при испытаниях должны применяться кабели указанной длины; в остальных случаях длина кабелей должна составлять 20 м.
ИГ должен быть подключен к устройству связи или резистору связи в соответствии с требованиями
раздела 8.
7.4. Применение устройств развязки
Устройства развязки должны быть подключены между всеми портами ИТС, подлежащими испытаниям, и соответствующими источниками электропитания или сигналов.
Примечание. Для обеспечения использования имеющихся кабелей ИТС без их нарушения устройства развязки размещают у конца кабеля поблизости от соответствующего порта вспомогательного ТС.
В случае экранированных кабелей (например, коаксиальных) ИГ должен быть непосредственно подключен к экрану кабеля. Применение дополнительных резисторов или конденсаторов в этом случае не требуется.
Испытания включают:
- предварительную проверку качества функционирования ИТС;
- проведение испытаний;
- оценку результатов испытаний.
8.1. Условия испытаний в испытательной лаборатории
Чтобы минимизировать влияние окружающей среды на результаты испытаний, испытания должны быть проведены в климатических условиях и в условиях электромагнитной обстановки, установленных в 8.1.1 и
8.1.2.
8.1.1. Климатические условия
Испытания на соответствие требованиям настоящего стандарта проводят при нормальных климатических условиях:
- температуре окружающего воздуха (25 +/- 10) °C;
- относительной влажности воздуха 45 - 80%;
- атмосферном давлении 84 - 106,7 кПа (630 - 800 мм рт. ст.), если иные требования не установлены в стандартах на ТС конкретного вида.
8.1.2. Электромагнитная обстановка
Электромагнитная обстановка в испытательной лаборатории не должна влиять на результаты испытаний.
8.2. Проведение испытаний
Конфигурация, расположение, установка и порядок включения ИТС должны соответствовать его типовому применению.
Испытания проводят в соответствии с программой испытаний, которая должна устанавливать:
- вид испытаний;
- степени жесткости испытаний;
- продолжительность испытаний;
- порты ИТС, подлежащие воздействию;
- представительные режимы функционирования ИТС;
- состав вспомогательных ТС.
Испытания проводят при номинальных значениях напряжения электропитания и номинальных уровнях подаваемых на ИТС сигналов.
Испытания проводят в следующей последовательности:
- предварительная проверка качества функционирования ИТС на рабочем месте для испытаний;
- подключение устройств связи/развязки к портам, подлежащим воздействию;
- проверка, при необходимости, уровней напряжений помех;
- подача напряжений помех и контроль качества функционирования ИТС.
Расположение элементов ИТС и вспомогательных ТС на рабочем месте для испытаний может оказывать влияние на условия функционирования ИТС, что должно быть учтено при оценке результатов испытаний.
Испытательное напряжение должно быть подано на ИТС в течение времени, достаточного для оценки качества функционирования ИТС. При подаче кратковременных помех (длительностью 1 с) испытания должны быть повторены несколько раз для обеспечения достоверной оценки качества функционирования ИТС.
Испытания в полосе частот от 15 Гц до 150 кГц начинают от частоты 15 Гц. При плавной автоматизированной или ручной перестройке частоты ее скорость не должна превышать

. При шаговой перестройке частоты шаг перестройки частоты должен составлять 10% предыдущего значения частоты.
Качество функционирования ИТС должно непрерывно контролироваться. Любые ухудшения качества функционирования должны быть отмечены в протоколе испытаний.
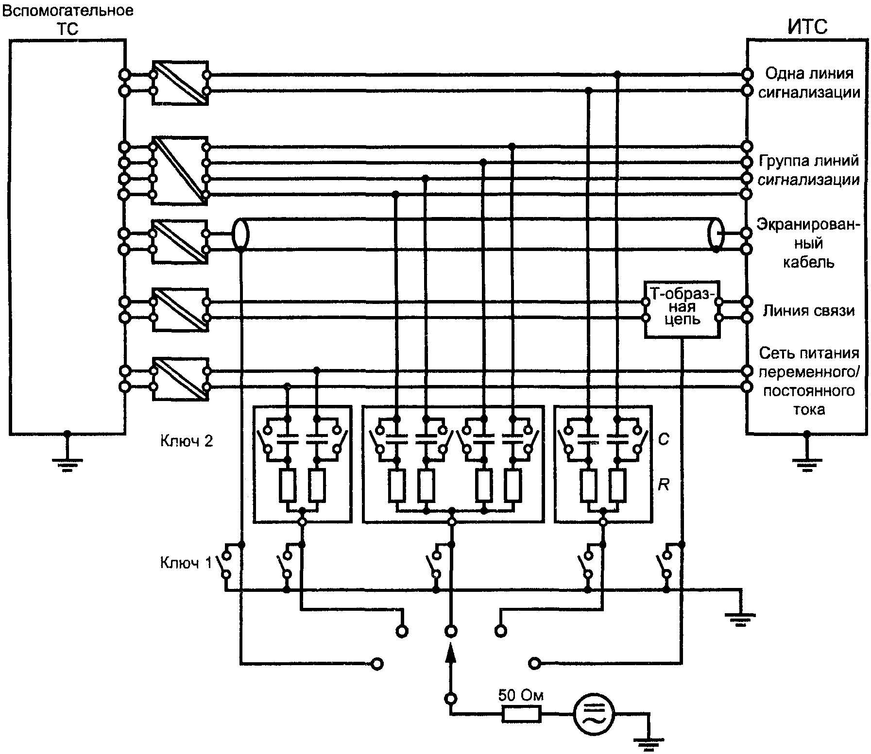
ИГ подключают к каждому порту ИТС по очереди. Входные зажимы устройств связи/развязки, подключенных к портам ИТС, не подвергаемым воздействиям, должны быть заземлены (см. рисунок 6).
Рисунок 6. Общая схема проведения испытаний
Примечания. 1. C = 1,0 мФ (конденсатор должен быть закорочен при подаче помехи постоянного тока); R = 100 Ом x n (n - число проводников, подключаемых к порту ТС).
2. Ключ 1 предназначен для подключения к заземлению проводников, не используемых при проведении испытаний.
Если ТС имеет значительное число идентичных портов или порты со значительным числом идентичных соединений, для испытаний должно быть выбрано достаточное число указанных портов (соединений), чтобы воспроизвести действительные условия функционирования ТС и обеспечить проверку соединений всех видов.
Порты, к которым подключают неэкранированные кабели, должны быть испытаны при подаче напряжений помех непосредственно на зажимы портов.
В случае экранированных кабелей (например, коаксиальных) выход ИГ должен быть непосредственно подключен к экрану кабеля.
При испытаниях портов, имеющих более двух выводов, испытательное напряжение должно быть подано одновременно между всеми выводами порта и землей (т.е. представлять собой общее несимметричное напряжение).
Для портов, предназначенных для подключения к симметричным линиям, испытательное напряжение должно быть подано с использованием Т-образной цепи (см.
6.3.1.2).
В течение испытаний с подачей постоянного напряжения полярность прикладываемого напряжения должна быть изменена.
Общая схема подачи испытательного напряжения на ИТС приведена на
рисунке 6.
9. Результаты испытаний и протокол испытаний
Данный раздел устанавливает порядок оценки результатов испытаний и подготовки протокола испытаний, относящихся к настоящему стандарту.
Многообразие и различия ТС и систем, подлежащих испытаниям, затрудняют установление единых результатов воздействия колебаний напряжения электропитания на ТС и системы.
Результаты испытаний должны быть классифицированы на основе следующих критериев качества функционирования ИТС, если иные требования не установлены в стандартах на ТС конкретного вида:
A - нормальное функционирование в соответствии с технической документацией на ТС конкретного вида;
B - временное ухудшение качества функционирования или прекращение выполнения установленной функции с последующим восстановлением нормального функционирования, осуществляемым без вмешательства оператора;
C - временное ухудшение качества функционирования или прекращение выполнения установленной функции, которые требуют вмешательства оператора или перезапуска системы;
D - ухудшение качества функционирования или прекращение выполнения установленной функции, которые не подлежат восстановлению из-за повреждения оборудования (компонентов), нарушения программного обеспечения или потери данных.
ИТС не должно становиться опасным или ненадежным в результате воздействия помех, регламентированных в настоящем стандарте.
Основное правило для признания результатов испытаний положительными заключается в том, что ИТС должно быть устойчиво к помехе для всех периодов воздействия помех и по окончании испытаний должно удовлетворять функциональным требованиям, установленным в технической документации на ИТС.
Некоторые эффекты воздействия помех могут быть установлены в технической документации на ИТС как незначительные и, следовательно, приемлемые.
Протокол испытаний должен включать условия и результаты испытаний.
(справочное)
СВЕДЕНИЯ ОБ ИСТОЧНИКАХ ПОМЕХ И ВИДАХ СВЯЗИ
А.1. Источники помех
Кондуктивные помехи, представляющие собой общие несимметричные напряжения основной частоты сети и ее гармоник, могут быть образованы при аварийных режимах в распределительных электрических сетях и протекании токов утечки в системах заземления.
Источниками помех постоянного тока, представляющих собой общие несимметричные напряжения, могут являться сети электропитания постоянного тока, используемые на промышленных предприятиях, электростанциях и центрах связи, особенно когда либо положительный, либо отрицательный зажим порта электропитания ТС заземлен.
Источниками помех указанного вида являются также электрифицированные железные дороги.
Характеристики наведенных помех рассмотрены в ГОСТ Р 51317.2.5.
Помехи различных видов могут одновременно воздействовать на порты ТС с разными уровнями. При возникновении аварийных ситуаций в системах электроснабжения уровни помех могут превышать уровни помех, установленные для нормальных условий эксплуатации, до 10 раз. Вместе с тем помехи при аварийных условиях сетей электропитания являются кратковременными (имеют длительность до 1 с). Помехи на частоте сети и ее гармониках могут воздействовать на сигнальные порты и порты управления ТС, если степень подавления общих несимметричных напряжений недостаточна.
Помехи на частотах до 1 - 2 кГц обусловлены в основном гармониками сети электропитания. На более высоких частотах помехи в основном связаны с силовым электронным оборудованием, которое при коммутации вызывает токи в системе заземления, что может приводить к появлению общих несимметричных напряжений помех.
А.2. Виды связи
Кондуктивные помехи в полосе частот от 0 до 150 кГц воздействуют на порты ТС за счет емкостной, индуктивной и кондуктивной связи источника помех с силовыми линиями, линиями сигнализации, управления и связи.
Емкостную связь не учитывают там, где проводники имеют потенциал земли. Индуктивная связь, обусловленная магнитным полем источника помех, может приводить к возникновению значительных помех в силовых и сигнальных кабелях.
Кондуктивная связь (общее несимметричное сопротивление) может непосредственно влиять на силовые и сигнальные линии. Этот вид связи может рассматриваться как наиболее существенный.
Эквивалентные полные сопротивления связи могут иметь значительный разброс значений в зависимости от расположения источника помех и объекта воздействия помех. В наихудшем случае общего несимметричного сопротивления эквивалентное полное сопротивление связи может иметь величину порядка нескольких Ом. В других случаях полное сопротивление может на несколько порядков превышать эту величину, например, в случае симметричных линий, подверженных емкостной связи.
Практический опыт показывает, что испытания на помехоустойчивость при воздействии кондуктивных помех видов, указанных в
разделе 5, на различные порты ТС могут быть осуществлены наиболее эффективно при использовании источника помех с выходным сопротивлением 150 Ом.
(информационное)
ВЫБОР СТЕПЕНЕЙ ЖЕСТКОСТИ ИСПЫТАНИЙ
В настоящем стандарте установлены общие требования устойчивости ТС к кондуктивным помехам различных видов, представляющим собой общие несимметричные напряжения в полосе частот от 0 до 150 кГц, и соответствующие методы испытаний. Применимость требований устойчивости к помехе каждого вида, степени жесткости испытаний и критерии качества функционирования должны быть установлены в стандарте на группу ТС или ТС конкретного вида.
Степени жесткости испытаний на устойчивость к помехе должны быть выбраны в соответствии с условиями размещения ТС при эксплуатации и параметрами окружающей электромагнитной обстановки. Общие положения по применению требований устойчивости к помехе каждого вида и выбору степеней жесткости испытаний могут быть определены на основе ГОСТ Р 51317.2.5, устанавливающего классификацию электромагнитных помех в различных местах размещения ТС.
На основании практического опыта рекомендуется следующий порядок выбора степеней жесткости испытаний.
Б.1. Степень жесткости испытаний 1
Хорошо защищенная электромагнитная обстановка, характеризующаяся следующими признаками:
- ТС подключены к системе электропитания, отделенной от распределительной электрической сети, например, с помощью изолирующих трансформаторов;
- электронные устройства подсоединены к отдельной шине заземления, подключенной к общей системе заземления.
Примером может служить электромагнитная обстановка в компьютерных залах.
Б.2. Степень жесткости испытаний 2
Защищенная электромагнитная обстановка, характеризующаяся следующими признаками:
- ТС подключены к распределительной электрической сети;
- электронные устройства подсоединены к общей системе заземления.
Примером может служить электромагнитная обстановка в помещениях управления промышленных предприятий и электростанций.
Б.3. Степень жесткости испытаний 3
Типичная электромагнитная обстановка в промышленных зонах, характеризующаяся следующими признаками:
- ТС подключены к низковольтным электрическим сетям и линиям среднего напряжения;
- электронные устройства подсоединены к общей системе заземления;
- используются силовые преобразователи, инжектирующие значительные токи в систему заземления.
Примером может служить электромагнитная обстановка на промышленных предприятиях и электростанциях.
Б.4. Степень жесткости испытаний 4
Жесткая электромагнитная обстановка, характеризующаяся следующими признаками:
- ТС подключены к низковольтным электрическим сетям и линиям среднего напряжения;
- электронные устройства подсоединены к системе заземления высоковольтного оборудования и систем;
- используются силовые преобразователи, инжектирующие значительные токи в систему заземления.
Примером может служить электромагнитная обстановка на электрических подстанциях высокого напряжения и на электростанциях.
Б.5. Степень жесткости испытаний X
Особые условия размещения и установки ТС.
(справочное)
БИБЛИОГРАФИЯ
[1] МЭК 61000-4-13 <*>. Электромагнитная совместимость (ЭМС). Часть 4-13. Методы испытаний и измерений. Устойчивость к низкочастотным гармоникам и интергармоникам напряжения, включая сигналы, передаваемые по силовым линиям, воздействующим на порты электропитания переменного тока
--------------------------------
<*> Документ готовится к опубликованию.
[2] РД 50-713-92. Совместимость технических средств электромагнитная. Электромагнитная обстановка. Виды низкочастотных кондуктивных помех и сигналов, передаваемых по силовым линиям, в системах электроснабжения общего назначения
[3] РД 50-714-92 (МЭК 61000-2-2). Совместимость технических средств электромагнитная. Уровни электромагнитной совместимости в низковольтных системах электроснабжения общего назначения в части низкочастотных кондуктивных помех и сигналов, передаваемых по силовым линиям.