Главная // Актуальные документы // ГОСТ Р (Государственный стандарт)
СПРАВКА
Источник публикации
М.: ИПК Издательство стандартов, 2005
Примечание к документу
Текст данного документа приведен с учетом поправки, опубликованной в "ИУС", N 10, 2016.

Документ введен в действие с 1 июля 2005 года.

Взамен ГОСТ Р 1.9-95.
Название документа
"ГОСТ Р 1.9-2004. Стандартизация в Российской Федерации. Знак соответствия национальным стандартам Российской Федерации. Изображение. Порядок применения"
(утв. Приказом Ростехрегулирования от 30.12.2004 N 157-ст)

"ГОСТ Р 1.9-2004. Стандартизация в Российской Федерации. Знак соответствия национальным стандартам Российской Федерации. Изображение. Порядок применения"
(утв. Приказом Ростехрегулирования от 30.12.2004 N 157-ст)


Содержание


Утвержден и введен в действие
Приказом Ростехрегулирования
от 30 декабря 2004 г. N 157-ст
ФЕДЕРАЛЬНОЕ АГЕНТСТВО
ПО ТЕХНИЧЕСКОМУ РЕГУЛИРОВАНИЮ И МЕТРОЛОГИИ
НАЦИОНАЛЬНЫЙ СТАНДАРТ РОССИЙСКОЙ ФЕДЕРАЦИИ
СТАНДАРТИЗАЦИЯ В РОССИЙСКОЙ ФЕДЕРАЦИИ
ЗНАК СООТВЕТСТВИЯ НАЦИОНАЛЬНЫМ СТАНДАРТАМ
РОССИЙСКОЙ ФЕДЕРАЦИИ
ИЗОБРАЖЕНИЕ. ПОРЯДОК ПРИМЕНЕНИЯ
Standardization in the Russian Federation.
Mark of comformity to national standards
of the Russian Federation.
Representation. Application order
ГОСТ Р 1.9-2004
Группа Т50
Дата введения
1 июля 2005 года
Предисловие
Цели и принципы стандартизации в Российской Федерации установлены Федеральным законом от 27 декабря 2002 г. N 184-ФЗ "О техническом регулировании", а правила применения национальных стандартов Российской Федерации - ГОСТ Р 1.0-2004 "Стандартизация в Российской Федерации. Основные положения".
Сведения о стандарте
1. Разработан Федеральным государственным унитарным предприятием Всероссийский научно-исследовательский институт стандартизации (ФГУП ВНИИстандарт).
2. Внесен Управлением технического регулирования и стандартизации Федерального агентства по техническому регулированию и метрологии.
3. Утвержден и введен в действие Приказом Федерального агентства по техническому регулированию и метрологии от 30 декабря 2004 г. N 157-ст.
4. В настоящем стандарте реализованы положения статьи 14 (п. 1), статьи 15 (п. 2), статей 18 - 20, статьи 21 (п. 1), статьи 22 Федерального закона "О техническом регулировании".
5. Взамен ГОСТ Р 1.9-95.
1. Область применения
1.1. Настоящий стандарт разработан на основании статей 14 и 22 Федерального закона (далее - ФЗ) "О техническом регулировании" [1] и устанавливает требования к изображению знака соответствия национальным стандартам Российской Федерации (межгосударственным стандартам, введенным в действие для применения в Российской Федерации в качестве национальных стандартов Российской Федерации), а также порядок его применения.
1.2. Действие настоящего стандарта распространяется на:
- субъекты хозяйственной деятельности [юридические лица и (или) индивидуальные предприниматели], производящие продукцию (оказывающие услуги), осуществившие в инициативном порядке добровольное подтверждение соответствия продукции и (или) услуг (далее - продукции) требованиям национальных стандартов Российской Федерации (далее - национальные стандарты) и заявившие о своем намерении применять на добровольной основе знак соответствия национальным стандартам Российской Федерации (далее - знак соответствия национальным стандартам);
- субъекты хозяйственной деятельности и организации, заключившие договоры (контракты) на поставку продукции, маркированной знаком соответствия национальным стандартам;
- органы сертификации и испытательные лаборатории, осуществляющие подтверждение соответствия продукции требованиям национальных стандартов в форме добровольной сертификации;
- организации, осуществляющие выдачу разрешения на право применения знака соответствия национальным стандартам, ведение реестра продукции, маркированной знаком соответствия национальным стандартам, и инспекционный контроль за его использованием.
2. Нормативные ссылки
В настоящем стандарте использованы ссылки на следующие стандарты и классификаторы:
ГОСТ 1.1-2002. Межгосударственная система стандартизации. Термины и определения
ГОСТ Р 1.12-2004. Стандартизация в Российской Федерации. Термины и определения
ОК 002-93. Общероссийский классификатор услуг населению
ОК 005-93. Общероссийский классификатор продукции
ОК 007-93. Общероссийский классификатор предприятий и организаций.
Примечание. При пользовании настоящим стандартом целесообразно проверить действие ссылочных стандартов и классификаторов в информационной системе общего пользования - на официальном сайте федерального органа исполнительной власти Российской Федерации в сфере стандартизации в сети Интернет или по ежегодно издаваемому информационному указателю "Национальные стандарты", который опубликован по состоянию на 1 января текущего года, и по соответствующим ежемесячно издаваемым информационным указателям, опубликованным в текущем году. Если ссылочный документ заменен (изменен), то при пользовании настоящим стандартом следует руководствоваться замененным (измененным) документом. Если ссылочный документ отменен без замены, то положение, в котором дана ссылка на него, применяется в части, не затрагивающей эту ссылку.
3. Термины и определения
В настоящем стандарте применены термины по ГОСТ 1.1 и ГОСТ Р 1.12, а также следующие термины с соответствующими определениями:
3.1. соответствие национальному стандарту (национальным стандартам): Соблюдение изготовителем (производителем) всех установленных в конкретном национальном стандарте (национальных стандартах) требований к продукции.
3.2. подтверждение соответствия национальному стандарту (национальным стандартам): Документальное удостоверение соответствия продукции положениям (требованиям) национального стандарта (национальных стандартов).
3.3. заявитель: Юридическое или физическое лицо, в инициативном порядке осуществившее добровольное подтверждение соответствия продукции положениям (требованиям) национального стандарта (национальных стандартов) и добровольно заявившее о своем намерении применять знак соответствия национальным стандартам.
3.4. разрешение на право применения знака соответствия национальным стандартам: Документ выданный федеральным органом исполнительной власти Российской Федерации в сфере стандартизации <*> (или от его имени уполномоченным им органом), посредством которого заявителю, обеспечившему добровольное подтверждение соответствия продукции конкретному национальному стандарту (национальным стандартам), предоставляется право применять знак соответствия национальным стандартам в пределах, установленных настоящим стандартом.
--------------------------------
<*> Функции федерального органа исполнительной власти в сфере стандартизации осуществляет Федеральное агентство по техническому регулированию и метрологии в соответствии с Положением о Федеральном агентстве по техническому регулированию и метрологии, утвержденным постановлением Правительства Российской Федерации от 17 июня 2004 г. N 294 [2].
4. Общие положения
4.1. Знак соответствия национальному стандарту подтверждает применение национального стандарта.
4.2. Деятельность по применению знака соответствия национальным стандартам осуществляется на основе ФЗ "О техническом регулировании".
4.3. Организацию работ по применению знака соответствия национальным стандартам осуществляет федеральный орган исполнительной власти Российской Федерации в сфере стандартизации (далее - федеральный орган исполнительной власти в сфере стандартизации).
4.4. Знак соответствия национальным стандартам является формой доведения до приобретателей и других заинтересованных сторон информации о соответствии конкретной продукции требованиям национального стандарта (национальных стандартов) на эту продукцию.
4.5. Подтверждение соответствия продукции национальному стандарту (национальным стандартам) осуществляется по инициативе заявителя добровольно, в форме добровольной сертификации.
4.6. Применение знака соответствия национальному стандарту осуществляется заявителем на добровольной основе любым удобным для заявителя способом в порядке, установленном настоящим стандартом.
4.7. Применение знака соответствия национальным стандартам направлено на достижение следующих целей:
- информирование приобретателей о проведении подтверждения соответствия конкретной продукции требованиям национального стандарта, для компетентного выбора ими продукции и получения необходимой уверенности, что предлагаемая им продукция соответствует всем требованиям, установленным национальным стандартом на эту продукцию;
- повышение доверия приобретателей к реализуемой на рынке продукции конкретного изготовителя;
- повышение конкурентоспособности продукции на российском и международном рынках;
- реклама продукции, соответствующей не только требованиям безопасности, но и требованиям, обеспечивающим качество продукции.
5. Изображение знака соответствия национальным стандартам.
Форма, размеры и технические требования
5.1. Изображение и форма знака соответствия национальным стандартам должны соответствовать приведенным на рисунках А.1 - А.4 (Приложение А).
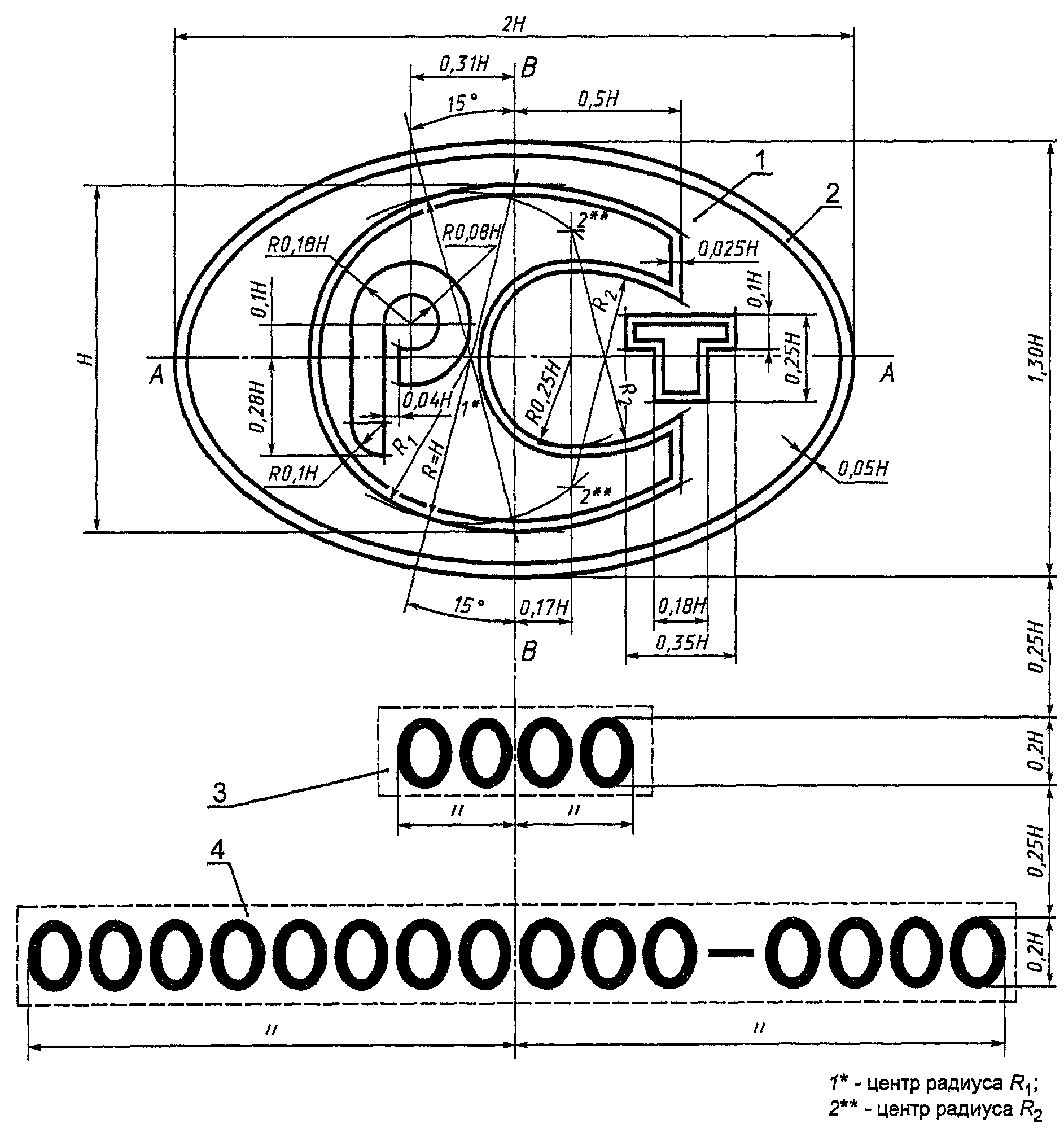
5.2. Размеры знака соответствия национальным стандартам определяет субъект хозяйственной деятельности (юридическое лицо или индивидуальный предприниматель), получивший право на его применение, установлением базового размера H, приведенного на рисунке Б.1 (Приложение Б).
Базовый размер H должен быть не менее 4 мм. Размеры знака соответствия национальным стандартам должны гарантировать четкость и различимость его элементов невооруженным глазом.
5.3. Код органа, выдавшего разрешение на право применения знака соответствия национальным стандартам, наносят на расстоянии 0,25 H под графическим изображением знака соответствия национальным стандартам по рисунку Б.1 (Приложение Б), симметрично относительно вертикальной оси ВВ знака, шрифтом, приведенным на рисунке В.1 (Приложение В), высотой 0,2 H.
5.4. Обозначение национального стандарта, соответствие которому документально удостоверено, наносят на расстоянии 0,25 H под кодом органа, выдавшего разрешение на право применения знака соответствия национальным стандартам, по рисунку Б.1 (Приложение Б), симметрично относительно вертикальной оси ВВ знака, шрифтом, приведенным на рисунке В.1 (Приложение В), высотой 0,2 H.
5.5. Изображение знака соответствия национальным стандартам должно быть четко отличимым от поверхности, на которую оно нанесено.
5.6. Знак соответствия национальным стандартам выполняют различными технологическими способами, обеспечивающими его четкое и ясное изображение.
6. Порядок применения знака соответствия
национальным стандартам
6.1. Знак соответствия национальным стандартам применяется в случае документального подтверждения соответствия конкретной продукции всем требованиям национального стандарта (национальных стандартов) на эту продукцию.
6.2. Применением знака соответствия национальным стандартам является маркирование им непосредственно продукции, тары (упаковки), сопроводительной технической документации, прилагаемой к продукции, поступающей к приобретателю при реализации.
6.3. Применением знака соответствия национальным стандартам является также использование этого знака в рекламе, проспектах, на официальных бланках и вывесках, при демонстрации экспонатов на выставках и ярмарках - в связи со ссылкой на право маркирования соответствующей продукции этим знаком, изготовление этого знака или технических средств для его воспроизведения или иное введение в хозяйственный оборот.
6.4. Маркирование продукции знаком соответствия национальным стандартам осуществляется на добровольной основе по инициативе субъектов хозяйственной деятельности - изготовителей (производителей) продукции и в случае, если необходимость маркирования продукции знаком соответствия национальным стандартам установлена в договоре (контракте) на поставку продукции.
6.5. Знаком соответствия национальным стандартам может маркироваться продукция, на которую имеются национальные стандарты:
- общих технических условий (технических условий);
- общих технических требований (технических требований).
6.6. Маркирование продукции знаком соответствия национальным стандартам не исключает:
- необходимости проведения обязательной сертификации этой продукции или принятия декларации о соответствии (если в отношении продукции имеются требования технических регламентов);
- возможности добровольной сертификации продукции для установления соответствия стандартам организаций, системам добровольной сертификации, условиям договора, предусмотренной ФЗ "О техническом регулировании";
- возможности маркирования этой продукции знаком обращения на рынке и знаком соответствия системы добровольной сертификации, предусмотренными ФЗ "О техническом регулировании".
6.7. Основанием для применения знака соответствия национальным стандартам (в том числе для маркирования) является выданное федеральным органом исполнительной власти в сфере стандартизации или от его имени другим уполномоченным им органом "Разрешение на право применение знака соответствия национальным стандартам" (далее - разрешение). Форма разрешения приведена в Приложении Г.
6.8. Разрешение выдается на основании заявки на выдачу разрешения на право применения знака соответствия национальным стандартам, поданной заявителем [юридическим лицом или индивидуальным предпринимателем, изготавливающим (производящим) продукцию] в федеральный орган исполнительной власти в сфере стандартизации или уполномоченный им орган. Форма заявки приведена в Приложении Д.
С подачей заявки следует представить документы, подтверждающие соответствие национальному стандарту продукции, в отношении которой подана заявка (см. Приложение Д, пункт 4).
6.9. Оценка достаточности и объективности представленных заявителем (изготовителем) документов, подтверждающих соответствие конкретной продукции национальным стандартам на эту продукцию, и выдача разрешения осуществляются в порядке, установленном федеральным органом исполнительной власти в сфере стандартизации с учетом результатов проведения проверки и анализа документов:
- добровольной сертификации продукции на соответствие национальным стандартам и других видов добровольной сертификации продукции, предусмотренных ФЗ "О техническом регулировании" (при их проведении);
- обязательной сертификации продукции и (или) декларирования соответствия продукции, в отношении которой установлены требования технических регламентов;
- государственного контроля и надзора (не более чем полугодовой давности) за продукцией, в отношении которой установлены требования технических регламентов.
6.10. Работа по выдаче разрешения, оценке достаточности и объективности представленных заявителем доказательств и инспекционный контроль за соблюдением условий проведения маркирования продукции знаком соответствия национальным стандартам осуществляются на условиях договора между заявителем и федеральным органом исполнительной власти в сфере стандартизации или уполномоченной им организацией.
6.11. Федеральный орган исполнительной власти в сфере стандартизации организует учет выданных разрешений и ведение реестра, в который вносит субъекты хозяйственной деятельности, получившие разрешения на выпускаемую ими продукцию, которая может маркироваться знаком соответствия национальным стандартам.
6.12. Продукция, на которую выдано разрешение, маркируется знаком соответствия национальным стандартам. Знак наносят на продукцию, тару (упаковку), сопроводительную техническую документацию, прилагаемую к продукции.
6.13. Маркировка продукции знаком соответствия национальным стандартам может представлять собой только его изображение, нанесенное на продукцию, тару (упаковку), товарно-сопроводительную документацию, или специально изготовленное изделие с изображением знака соответствия национальным стандартам, прикрепленное к продукции.
Изделие - носитель знака соответствия национальным стандартам закрепляют на продукции или таре (упаковке) способом, исключающим возможность оспаривания принадлежности этого изделия к маркированной им продукции и возможности повторного использования изделия-носителя.
6.14. Маркирование продукции знаком соответствия национальным стандартам осуществляет ее изготовитель на основании полученного им разрешения. При приостановлении или прекращении действия разрешения маркирование знаком соответствия национальным стандартам не допускается.
6.15. Исполнение знака соответствия национальным стандартам должно быть контрастным фону поверхности, на которую он нанесен.
Изображение знака соответствия национальным стандартам может быть плоским, рельефным или голографическим.
6.16. Маркирование продукции знаком соответствия национальным стандартам следует осуществлять любыми технологическими способами, обеспечивающими четкое изображение этого знака, его стойкость к внешним воздействующим факторам, а также сохраняемость изображения знака в течение установленного срока службы (годности) продукции.
6.17. Знак соответствия национальным стандартам наносят на несъемную часть каждой единицы продукции; при нанесении на упаковку знак наносят на каждую упаковочную единицу продукции рядом с обозначением нормативного документа, по которому выпускается продукция, или рядом с маркировкой товарным знаком изготовителя или знаком обращения на рынке, или знаком соответствия системы добровольной сертификации; при нанесении на сопроводительную техническую документацию знак наносят на свободном поле, как правило, в месте, где приведены сведения о сертификации продукции. Место нанесения знака на продукцию, тару (упаковку) и документацию устанавливает изготовитель, получивший право его применения.
6.18. Знак соответствия национальным стандартам наносят полностью согласно его изображению, приведенному на рисунках А.1 - А.4 (Приложение А) в зависимости от фона поверхности, на которую наносится знак. Не допускается наносить отдельные элементы его изображения.
6.19. При невозможности нанесения знака соответствия национальным стандартам непосредственно на продукцию (например, для газообразных, жидких и сыпучих материалов и веществ, мелких изделий) его наносят на тару или упаковку. При необходимости используют специальные технические средства, такие как ярлыки, ленты, выполненные как встроенная часть продукции (для канатов, кабелей и т.д.).
6.20. В технической документации, прилагаемой к продукции, маркированной знаком соответствия национальным стандартам (формуляр, паспорт, инструкция по эксплуатации, этикетка и др.), указывают номер и дату выдачи разрешения.
6.21. При несоответствии конкретных единиц продукции всем установленным требованиям национального стандарта на эту продукцию и возможности ее использования по иному назначению, допускающему наличие такого несоответствия, маркирование продукции знаком соответствия национальным стандартам не проводят. Если маркирование такой продукции осуществлялось в составе технологического процесса, маркировка должна быть удалена.
Приложение А
(обязательное)
ИЗОБРАЖЕНИЕ И ФОРМА
ЗНАКА СООТВЕТСТВИЯ НАЦИОНАЛЬНЫМ СТАНДАРТАМ
Рисунок А.1
Рисунок А.2
Рисунок А.3
Рисунок А.4
Приложение Б
(обязательное)
ГРАФИЧЕСКОЕ ИЗОБРАЖЕНИЕ
ЗНАКА СООТВЕТСТВИЯ НАЦИОНАЛЬНЫМ СТАНДАРТАМ
1 - графическое изображение знака соответствия национальным стандартам;
2 - овал (эллипс) с центром в точке пересечения осей АА и ВВ;
3 - код органа, выдавшего разрешение на право применения знака соответствия национальным стандартам;
4 - обозначение национального стандарта
Рисунок Б.1
Приложение В
(обязательное)
ШРИФТ
ДЛЯ НАНЕСЕНИЯ КОДА ОРГАНА, ВЫДАВШЕГО РАЗРЕШЕНИЕ
НА ПРАВО ПРИМЕНЕНИЯ ЗНАКА СООТВЕТСТВИЯ НАЦИОНАЛЬНЫМ
СТАНДАРТАМ, И ОБОЗНАЧЕНИЯ НАЦИОНАЛЬНОГО СТАНДАРТА
Рисунок В.1
Приложение Г
(обязательное)
ФОРМА РАЗРЕШЕНИЯ
НА ПРАВО ПРИМЕНЕНИЯ ЗНАКА
СООТВЕТСТВИЯ НАЦИОНАЛЬНЫМ СТАНДАРТАМ
РАЗРЕШЕНИЕ <*>
на право применения знака соответствия
национальным стандартам
Регистрационный номер _______________ от "____" 20___ г.
_____________________________________________________
наименование органа, выдавшего разрешение
предоставляет право на применение знака соответствия национальным
стандартам для маркирования продукции ____________________________
наименование, код ОКП,
______________________________, выпускаемой ______________________
вид, марка серийно, партия
по _______________________________________________________________
наименование и реквизиты технической документации изготовителя
и соответствующей национальному стандарту (стандартам) ___________
обозначение
__________________________________________________________________
и наименование национального стандарта
и использование его в рекламе, проспектах, при демонстрации
экспонатов на выставках и ярмарках в связи со ссылкой на право
маркирования этой продукции знаком соответствия национальным
стандартам.
Разрешение выдано ________________________________________________
полное и сокращенное наименование юридического
__________________________________________________________________
лица или индивидуального предпринимателя (держателя лицензии)
Юридический адрес ________________________________________________
Телефон _________________ Факс ______________ Телекс _____________
Электронная почта ___________________________
Срок действия разрешения до _____________________ 20_____ г.
Руководитель (заместитель руководителя)
органа, выдавшего разрешение
Личная подпись Расшифровка подписи
Дата
М.П.
Разрешение продлено до "______" 20___ г.
Личная подпись Расшифровка подписи
Дата
М.П.
--------------------------------
<*> Оригинал должен иметь сетку голубого цвета и защиту от подделок.
Оборотная сторона разрешения
Разрешение выдано на основании
┌────────────────────┬────────────────────┬──────────────────────┐
│Номер сертификата, │ Наименование │Регистрационный номер │
│протокол испытаний, │ органа, │ органа по │
│ дата регистрации │ проводившего │ сертификации, │
│ (утверждения) │ сертификацию, │ испытательной │
│ │ испытания │ лаборатории │
├────────────────────┼────────────────────┼──────────────────────┤
│ │ │ │
Держатель разрешения обязан:
1. Применять знак соответствия национальным стандартам в соответствии с ГОСТ Р 1.9-2004.
2. Обеспечить соответствие реализуемой продукции всем требованиям национального стандарта (национальных стандартов) на эту продукцию.
3. Маркировать продукцию [изделие и (или) тару (упаковку), сопроводительную документацию] знаком соответствия национальным стандартам только при фактическом соответствии ее всем требованиям национального стандарта.
Немедленно прекратить маркирование этим знаком в случае приостановления действия или аннулирования разрешения, приостановления или аннулирования сертификатов соответствия по результатам обязательной (если она проводилась) и (или) добровольной сертификации на соответствие национальным стандартам.
4. Обеспечить беспрепятственный доступ к объектам контроля лиц, уполномоченных на проведение инспекционного контроля за продукцией, маркированной знаком соответствия национальным стандартам, и создать необходимые условия для инспекционного контроля, обеспечить его оплату в соответствии с установленным порядком.
5. Предпринимать необходимые меры по защите знака соответствия национальным стандартам и разрешения от несанкционированного использования.
6. Незамедлительно извещать орган, выдавший разрешение, о конструктивных и технологических изменениях продукции в процессе ее производства, а также изменениях юридического адреса и платежных реквизитов.
В случае ненадлежащего исполнения указанных в настоящем разрешении обязанностей, а также в случае приостановления действия или аннулирования сертификатов соответствия по результатам обязательной сертификации и (или) добровольной сертификации на соответствие национальным стандартам действие разрешения приостанавливается или разрешение аннулируется в установленном порядке федеральным органом исполнительной власти в сфере стандартизации.
Держатель разрешения
________________________
должность
Личная подпись Расшифровка подписи
Дата
М.П.
Приложение Д
(обязательное)
ФОРМА ЗАЯВКИ
НА ВЫДАЧУ РАЗРЕШЕНИЯ НА ПРАВО ПРИМЕНЕНИЯ
ЗНАКА СООТВЕТСТВИЯ НАЦИОНАЛЬНЫМ СТАНДАРТАМ
Регистрационный номер ________________ __________________________
наименование и адрес
Дата регистрации _____________________ __________________________
уполномоченного органа
ЗАЯВКА
на выдачу разрешения на право применения знака
соответствия национальным стандартам
1. ___________________________________________________________
наименование изготовителя (юридического лица или
__________________________________________________________________
индивидуального предпринимателя)
__________________________________________________________________
полное и сокращенное, юридический адрес, код ОКПО <*>
Телефон ______ Факс _______ Телекс ______ Электронная почта ______
в лице ___________________________________________________________
ФИО руководителя, юридического лица
__________________________________________________________________
или индивидуального предпринимателя
заявляет, что ____________________________________________________
наименование продукции (услуги), код ОКП (ОКУН) <**>
__________________________________________________________________
выпускается серийно или партия (каждое изделие
_________________________________________________________________,
при единичном производстве)
изготавливаемая по _______________________________________________
наименование и реквизиты
_________________________________________________________________,
технической документации изготовителя,
соответствует всем требованиям национального стандарта
(стандартов) _____________________________________________________
__________________________________________________________________
обозначение национального стандарта
и просит выдать разрешение на право применения знака соответствия
национальным стандартам в отношении продукции, указанной в заявке,
на срок ____________________________.
2. Заявитель обязуется:
- выполнять требования ГОСТ Р 1.9-2004;
- выполнять условия рассмотрения и выдачи разрешения;
- обеспечить стабильность характеристик продукции,
маркированной знаком соответствия национальным стандартам;
- оплатить все расходы, непосредственно связанные с выдачей
разрешения на применение знака соответствия национальным
стандартам и инспекционным контролем за продукцией, маркированной
этим знаком.
3. Дополнительные сведения ___________________________________
_________________________________________.
4. Приложения <***>:
1)копия сертификата соответствия N, выданного по результатам
добровольной сертификации на соответствие национальным стандартам;
2)копии сертификатов соответствия N, выданных по результатам
добровольной сертификации на соответствие стандартам организаций
(при ее проведении);
3)копия сертификата соответствия N, выданного по результатам
обязательной сертификации на соответствие требованиям технических
регламентов (при ее проведении);
4) копия декларации о соответствии (если декларирование
проводилось) с копиями доказательных материалов;
5) копия сертификата системы качества N;
6) копии протоколов испытаний, подтверждающих соответствие
продукции требованиям национальных стандартов, на ________ листах.
Руководитель
организации-изготовителя
(индивидуальный Личная подпись Расшифровка подписи
предприниматель)
Главный бухгалтер Личная подпись Расшифровка подписи
Дата М.П.
--------------------------------
<*> По общероссийскому классификатору ОК 007.
<**> По общероссийским классификаторам ОК 005 или ОК 002 соответственно.
<***> Перечень приложений указан в общем виде и может отличаться для конкретной продукции.
БИБЛИОГРАФИЯ
[1] Федеральный закон от 27 декабря 2002 г. N 184-ФЗ "О техническом регулировании".
[2] Постановление Правительства Российской Федерации от 17 июня 2004 г. N 294 "О Федеральном агентстве по техническому регулированию и метрологии".