Главная // Актуальные документы // ГОСТ Р (Государственный стандарт)СПРАВКА
Источник публикации
М.: Стандартинформ, 2016
Примечание к документу
Документ
введен в действие с 01.08.2016.
Название документа
"ГОСТ Р 56738-2015 (МЭК 60076-3:2013). Национальный стандарт Российской Федерации. Трансформаторы силовые и реакторы. Требования и методы испытаний электрической прочности изоляции"
(утв. и введен в действие Приказом Росстандарта от 20.11.2015 N 1905-ст)
"ГОСТ Р 56738-2015 (МЭК 60076-3:2013). Национальный стандарт Российской Федерации. Трансформаторы силовые и реакторы. Требования и методы испытаний электрической прочности изоляции"
(утв. и введен в действие Приказом Росстандарта от 20.11.2015 N 1905-ст)
Утвержден и введен в действие
агентства по техническому
регулированию и метрологии
от 20 ноября 2015 г. N 1905-ст
НАЦИОНАЛЬНЫЙ СТАНДАРТ РОССИЙСКОЙ ФЕДЕРАЦИИ
ТРАНСФОРМАТОРЫ СИЛОВЫЕ И РЕАКТОРЫ
ТРЕБОВАНИЯ И МЕТОДЫ ИСПЫТАНИЙ
ЭЛЕКТРИЧЕСКОЙ ПРОЧНОСТИ ИЗОЛЯЦИИ
Power transformers and reactors. Requirements
and methods for dielectric tests
IEC 60076-3:2013
Power transformers - Part 3: Insulation levels, dielectric
tests and external clearances in air
(MOD)
ГОСТ Р 56738-2015
(МЭК 60076-3:2013)
Дата введения
1 августа 2016 года
1 ПОДГОТОВЛЕН Обществом с ограниченной ответственностью "Ц СВЭП" (ООО "Ц СВЭП") и Федеральным государственным унитарным предприятием "Всероссийский электротехнический институт имени В.И. Ленина" (ФГУП ВЭИ) на основе собственного перевода на русский язык англоязычной версии стандарта, указанного в
пункте 4
2 ВНЕСЕН Техническим комитетом по стандартизации ТК 016 "Электроэнергетика"
3 УТВЕРЖДЕН И ВВЕДЕН В ДЕЙСТВИЕ
Приказом Федерального агентства по техническому регулированию и метрологии от 20 ноября 2015 г. N 1905-ст
4 Настоящий стандарт является модифицированным по отношению к международному стандарту МЭК 60076-3:2013 "Трансформаторы силовые. Часть 3. Уровни изоляции, испытания изоляции на пробой и наружные воздушные зазоры" (IEC 60076-3:2013 "Power transformers - Part 3: Insulation levels, dielectric tests and external clearances in air", MOD) путем изменения содержания отдельных структурных элементов, которые выделены вертикальной линией, расположенной на полях этого текста, а также путем изменения отдельных фраз (слов, значений показателей, ссылок), которые выделены в тексте курсивом. Оригинальный текст структурных элементов примененного международного стандарта и объяснения причин внесения технических отклонений приведены в дополнительном
приложении ДБ.
Приложение ДА дополняет основные разделы с учетом особенностей российской национальной стандартизации и практики испытаний. Кроме того, потребности национальной экономики Российской Федерации и особенности российской национальной стандартизации учтены в дополнительных подпунктах, абзацах, терминологических статьях, которые выделены путем заключения их в рамки из тонких линий, а информация с объяснением причин включения этих положений приведена в указанных пунктах (подпунктах или после соответствующих абзацев или статей) в виде примечаний. При этом дополнительные слова (фразы, показатели, ссылки), включенные в текст стандарта для учета потребностей национальной экономики Российской Федерации и особенностей российской национальной стандартизации, выделены полужирным курсивом.
При применении настоящего стандарта рекомендуется использовать вместо ссылочных международных стандартов соответствующие им национальные стандарты Российской Федерации, сведения о которых приведены в дополнительном
приложении ДВ.
Наименование настоящего стандарта изменено относительно наименования указанного международного стандарта для приведения в соответствие с ГОСТ Р 1.5-2012
(пункт 3.5)
5 ВВЕДЕН ВПЕРВЫЕ
Правила применения настоящего стандарта установлены в ГОСТ Р 1.0-2012 (раздел 8). Информация об изменениях к настоящему стандарту публикуется в годовом (по состоянию на 1 января текущего года) информационном указателе "Национальные стандарты", а официальный текст изменений и поправок - в ежемесячно издаваемом информационном указателе "Национальные стандарты". В случае пересмотра (замены) или отмены настоящего стандарта соответствующее уведомление будет опубликовано в ближайшем выпуске ежемесячного информационного указателя "Национальные стандарты". Соответствующая информация, уведомление и тексты размещаются также в информационной системе общего пользования - на официальном сайте Федерального агентства по техническому регулированию и метрологии в сети Интернет (www.gost.ru)
Настоящий стандарт устанавливает требования и методы испытаний электрической прочности изоляции силовых трансформаторов и реакторов, а также рекомендуемые размеры внешних воздушных промежутков
(раздел 16).
Методы испытаний электрической прочности изоляции, установленные в настоящем стандарте, применимы для внутренней изоляции, а также изоляции цепей управления и вспомогательных цепей. Методы испытаний электрической прочности внешней изоляции - по ГОСТ Р 55194. Примечание - См. ДБ.1 (приложение ДБ). |
В
приложении Д изложены некоторые принципы, использованные для определения правил проведения испытаний, уровней изоляции и внешних воздушных промежутков с учетом
класса напряжения электрооборудования Uкл.
Настоящий стандарт распространяется на силовые трансформаторы
(автотрансформаторы), линейные регулировочные трансформаторы, шунтирующие, токоограничивающие и дугогасящие реакторы климатических исполнений У, УХЛ, ХЛ, Т и ТС, категорий размещения 1, 2, 3 и 4 по ГОСТ 15150, предназначенные для работы в установках трехфазного переменного тока частотой 50 Гц классов напряжения от 3 кВ и выше и разработанные после 1 января 2016 г.
Стандарт не распространяется на: - трансформаторы и реакторы, работающие в испытательных, медицинских, рентгеновских, радиотехнических, автономных подвижных и других специальных установках; - вентильные обмотки преобразовательных трансформаторов и преобразовательные реакторы; - детали трансформаторов и реакторов (например, устройства переключения ответвлений обмоток и связанные с ними устройства, в т.ч. устройства переключения, поставляемые отдельно от трансформаторов); - изоляцию присоединения (узел вне бака трансформатора) кабеля к обмотке масляного силового трансформатора; - внешнюю изоляцию трансформаторов и реакторов и внутреннюю изоляцию сухих трансформаторов и реакторов, подвергающуюся вредным воздействиям газов, испарений и химических отложений. Примечание - Дополнительное по отношению к МЭК 60076-3:2013 положение введено с целью учета особенностей российской национальной стандартизации. |
Стандарт устанавливает требования и методы испытаний электрической прочности изоляции, а также рекомендуемые минимальные размеры внешних воздушных промежутков между соседними токоведущими частями и между токоведущими частями и землей для использования в случаях, когда эти размеры не указаны заказчиком.
Для силовых трансформаторов и реакторов, на которые имеются отдельные нормативные документы (далее - НД), настоящий стандарт применяется только в той области, которая специально указана перекрестными ссылками в этих отдельных НД.
В настоящем стандарте использованы нормативные ссылки на следующие межгосударственные и национальные стандарты:
ГОСТ 15150-69 Машины, приборы и другие технические изделия. Исполнения для различных климатических районов. Категории, условия эксплуатации, хранения и транспортирования в части воздействия климатических факторов внешней среды
ГОСТ 30830-2002 (МЭК 60076-1:1993) Трансформаторы силовые. Часть 1. Общие положения
ГОСТ Р 55187-2012 Вводы изолированные на номинальные напряжения свыше 1000 В переменного тока. Общие технические условия
ГОСТ Р 55193-2012 Электрооборудование и электроустановки переменного тока на напряжение 3 кВ и выше. Методы измерения при испытаниях высоким напряжением
ГОСТ Р 55194-2012 Электрооборудование и электроустановки переменного тока на напряжения от 1 до 750 кВ. Общие методы испытаний электрической прочности изоляции
ГОСТ Р 55195-2012 Электрооборудование и электроустановки переменного тока на напряжение от 1 до 750 кВ. Требования к электрической прочности изоляции
Примечание - При пользовании настоящим стандартом целесообразно проверить действие ссылочных стандартов в информационной системе общего пользования - на официальном сайте Федерального агентства по техническому регулированию и метрологии в сети Интернет или по ежегодному информационному указателю "Национальные стандарты", который опубликован по состоянию на 1 января текущего года, и по выпускам ежемесячного информационного указателя "Национальные стандарты" за текущий год. Если заменен ссылочный стандарт, на который дана недатированная ссылка, то рекомендуется использовать действующую версию этого стандарта с учетом всех внесенных в данную версию изменений. Если заменен ссылочный стандарт, на который дана датированная ссылка, то рекомендуется использовать версию этого стандарта с указанным выше годом утверждения (принятия). Если после утверждения настоящего стандарта в ссылочный стандарт, на который дана датированная ссылка, внесено изменение, затрагивающее положение, на которое дана ссылка, то это положение рекомендуется применять без учета данного изменения. Если ссылочный стандарт отменен без замены, то положение, в котором дана ссылка на него, рекомендуется применять в части, не затрагивающей эту ссылку.
В настоящем стандарте применены термины по
ГОСТ 30830,
ГОСТ Р 55194 и ГОСТ Р 55195, а также следующие термины с соответствующими определениями:
3.1 наибольшее рабочее напряжение обмотки, Uн.р: Наибольшее напряжение частотой 50 Гц, неограниченно длительное приложение которого к зажимам разных фаз обмотки трансформатора (реактора) допустимо по условиям работы ее изоляции.
3.2 класс напряжения обмотки, Uкл: Номинальное междуфазное напряжение электрической сети, для подключения к которой предназначена обмотка трансформатора (реактора). Примечание - Класс напряжения обмотки определяет наибольшее рабочее напряжение этой обмотки трансформатора и нормируемые для нее уровни изоляции. 3.3 переменное напряжение повышенного уровня: Испытательное переменное напряжение, прикладываемое к изоляции во время испытаний длительным переменным напряжением с измерением интенсивности частичных разрядов непосредственно до одночасовой выдержки длительного переменного напряжения, значение которого превышает значение длительного переменного напряжения. Примечание - Приведенные выше термины и определения 3.2 и 3.3, дополнительные по отношению к МЭК 60076-3:2013, введены с целью учета особенностей российской национальной стандартизации в части требований к электрической прочности изоляции. |
Требования и соответствующие испытания электрической прочности изоляции силовых трансформаторов (реакторов) установлены применительно к конкретным обмоткам и их выводам (зажимам).
Для заполненных жидким диэлектриком и газонаполненных трансформаторов
(реакторов) требования установлены для внутренней
и внешней изоляции. Любые дополнительные требования или испытания внешней изоляции, которые считаются необходимыми, подлежат согласованию между изготовителем и заказчиком. Если заказчик не указывает каких-либо конкретных требований к внешним воздушным промежуткам, то применяются положения
раздела 16. Если заказчик намерен выполнить присоединения к трансформатору способом, который может сократить предусмотренные в трансформаторе воздушные промежутки, это должно быть указано в запросе.
Высоковольтные вводы подлежат отдельным типовым и приемо-сдаточным испытаниям в соответствии с
ГОСТ Р 55187, в т.ч. подходящими уровнями испытательных напряжений вводов для конкретных уровней испытательных напряжений трансформатора, которые проверяют их изоляцию относительно земли, как внешнюю, так и внутреннюю.
Для трансформаторов, предназначенных для эксплуатации на высоте установки над уровнем моря свыше 1000 м, требуется соответствующий выбор внешних воздушных промежутков. В этом случае может потребоваться применение вводов, имеющих более высокие уровни изоляции, чем требуется для работы на более низких высотах установки (см.
раздел 16 настоящего стандарта,
ГОСТ Р 55195 и ГОСТ Р 55187).
Изготовитель может при необходимости экранировать выводы высоковольтных вводов во время проведения испытаний электрической прочности изоляции, но любое экранирование заземленных частей, расположенных вблизи выводов высоковольтных вводов, должно быть штатной составной частью трансформатора, за исключением случая, когда такое экранирование необходимо только во время измерений интенсивности частичных разрядов (далее - ЧР).
Вводы и переключающие устройства, используемые в трансформаторах, указывают, разрабатывают и испытывают согласно соответствующим НД. Испытания электрической прочности изоляции собранного трансформатора представляют собой проверку правильности применения и установки этих компонентов. В случае переключающих устройств, которые согласно НД могут не подвергаться приемо-сдаточным испытаниям электрической прочности изоляции на заводе-изготовителе, испытания, проведенные в соответствии с данным стандартом, также служат в качестве приемо-сдаточных испытаний электрической прочности изоляции этих составных частей.
Температура окружающего воздуха и изоляционной системы трансформатора (реактора) во время испытаний должна быть не менее 10 °C. При этом типовые испытания изоляции обмоток приложенным кратковременным переменным напряжением и изоляции линейного вывода кратковременным переменным напряжением должны проводиться: - для силовых трансформаторов и шунтирующих реакторов, заполненных жидким диэлектриком, - при температуре верхних слоев жидкого диэлектрика 60 - 75 °C; - для сухих силовых трансформаторов - непосредственно после нагревания обмоток до установившейся температуры при номинальном токе; - в остальных случаях - при температуре изоляционной системы, равной температуре окружающего воздуха в пределах от 10 до 40 °C. Примечание - См. ДБ.2 (приложение ДБ). |
Трансформатор должен быть полностью собран так, как и в условиях эксплуатации, в части всех элементов, которые могут повлиять на электрическую прочность изоляции трансформатора. Если иное не оговорено между заказчиком и изготовителем, при проведении испытаний допускается не устанавливать систему охлаждения и не обеспечивать циркуляцию изоляционной жидкости или газа. По требованию заказчика для контроля во время испытаний может быть установлено оборудование для сбора или обнаружения свободных газов, образующихся в результате повреждения изоляции. При этом в случае обнаружения свободного газа во время любого испытания должны быть исследованы характер и причины образования газа, а любые дальнейшие действия должны быть согласованы между изготовителем и заказчиком.
Примечание 1 - На время проведения испытаний не следует устанавливать на трансформатор штатные внешние устройства защиты от перенапряжений, такие как ограничители перенапряжений, нелинейные и вентильные разрядники; для исключения срабатываний штатные защитные искровые промежутки, установленные на трансформаторе, могут быть демонтированы или может быть увеличено их расстояние.
Примечание 2 - Для трансформаторов большой мощности принято выполнять отбор проб масла для анализа растворенных газов до и после испытаний электрической прочности изоляции.
Наполненные жидким диэлектриком трансформаторы должны быть испытаны с жидким диэлектриком того же типа (например, минеральное, растительное или силиконовое масло) и той же спецификации (применительно к свойствам, которые могут отразиться на проведении испытаний), как и при эксплуатации.
Примечание 3 - Некоторые заказчики могут потребовать, чтобы в трансформаторах с направленным потоком масла во время испытаний длительным переменным напряжением с измерением интенсивности ЧР (ДПН) была обеспечена циркуляция изоляционной жидкости с целью выявления возможности статической электризации, но это очень специфические требования, которые не предусматриваются данным стандартом.
Трансформаторы с кабельным присоединением или прямым присоединением к устройствам в металлических оболочках с элегазовой изоляцией должны быть спроектированы таким образом, чтобы при необходимости на период испытаний изоляции могли быть сделаны временные соединения с помощью вспомогательных вводов. По соглашению между изготовителем и заказчиком для проведения испытаний штатные вводы типа "жидкий диэлектрик-элегаз" могут быть заменены подходящими вводами типа "жидкий диэлектрик-воздух"; в этом случае конструкция нижней части ввода внутри трансформатора, включая расположение токоведущих частей и изоляционные расстояния заменяющего ввода внутри трансформатора, должна быть такой же (в пределах установленных отклонений размеров вводов, обусловленных производственными допусками), как и у штатного ввода.
В случае, если изготовитель для ограничения переходных перенапряжений предполагает применение нелинейных элементов (например, ограничителей перенапряжений или разрядников), встраиваемых в трансформатор или устройство регулирования напряжения под нагрузкой (РПН) или устанавливаемых снаружи, это должно быть доведено до заказчика на этапе конкурса и заказа и должно быть показано на электрической схеме на табличке трансформатора.
В случае, если в эксплуатации при включении трансформатора под напряжение некоторые его выводы следует оставлять ненагруженными, то необходимо рассмотреть возможность появления на них наведенного напряжения, возникающего на неподключенных выводах трансформатора (см.
приложение Б). При проведении испытаний напряжениями грозового импульса все неиспытываемые линейные выводы и выводы нейтрали соединяют с землей (см.
раздел 13).
5 Наибольшее рабочее напряжение и уровни изоляции
Значение наибольшего рабочего напряжения Uн.р (см. раздел 3) и уровни изоляции для линейного конца и нейтрали каждой обмотки установлены ГОСТ Р 55195 в зависимости от класса напряжения обмотки Uкл, а также режима заземления нейтрали. Правила для испытаний электрической прочности изоляции зависят от класса напряжения обмотки Uкл. В случае противоречий между отдельными правилами испытаний различных обмоток трансформатора правило для обмотки высшего напряжения следует применять ко всему трансформатору. Примечание - См. ДБ.3 (приложение ДБ). |
Для последовательной обмотки (например, автотрансформаторов или фазоповоротных трансформаторов), у которой номинальное напряжение меньше номинального напряжения сети, значение Uн.р должно быть установлено, исходя из номинального напряжения сети высшего напряжения, к которой подключается эта обмотка.
Стандартные значения
Uн.р приведены в
ГОСТ Р 55195. Если не указано иное, для обмотки трансформатора следует использовать значение
Uн.р, равное или ближайшее большее к номинальному напряжению обмотки.
Примечание 1 - Для однофазных трансформаторов, предназначенных для соединения в звезду для образования трехфазной группы, номинальное напряжение обмоток указывается как линейное номинальное напряжение, деленное на

, например,

. В этом случае выбор
Uн.р производят по значению линейного напряжения, т.е.
Uн.р =
525 кВ (см. также
ГОСТ Р 55195). Такой же подход используют для однофазных трансформаторов, предназначенных для применения в однофазных системах, для которых максимальное значение напряжения относительно земли умножается на

для получения эквивалентного
Uн.р с целью определения испытательных напряжений.
Примечание 2 - Для обмоток трансформаторов, предназначенных для применения в электрических железных дорогах, где используются два противоположных фазных напряжения, значение Uн.р определяется по линейному напряжению, если не указано иное.
Примечание 3 - Может случиться так, что напряжения некоторых отпаек будут выбраны немного большими, чем стандартное значение Uн.р, при этом сеть, к которой будет подключена эта обмотка, имеет наибольшее рабочее напряжение, которое не превышает это стандартное значение Uн.р. Поскольку требования к изоляции должны быть согласованы с фактическими условиями работы, именно это стандартное значение может быть принято в качестве Uн.р для трансформатора, а не ближайшее большее значение.
Примечание 4 - В некоторых случаях с исключительными условиями эксплуатации может быть оправдано задание другой комбинации испытательных напряжений. Для таких случаев общие руководящие указания могут быть найдены в
[1].
Примечание 5 - В некоторых случаях соединенные в треугольник обмотки могут быть заземлены одним из своих выводов. В таких случаях для обмоток могут потребоваться испытательные напряжения выше тех, что соответствуют наибольшему рабочему напряжению для электрооборудования Uн.р, при этом значения испытательных напряжений должны быть предметом соглашения между изготовителем и заказчиком.
Класс напряжения, значение
Uн.р и уровень изоляции (нормированные значения испытательных напряжений) каждой обмотки определяют электрическую прочность изоляции трансформатора, которая должна быть подтверждена испытаниями по методам согласно настоящему стандарту (см.
раздел 7).
Значение
Uн.р и уровень изоляции, установленные для каждой обмотки трансформатора, являются частью информации, которая должна предоставляться с запросом предложений и заказом. Для обмотки с неполной изоляцией нейтрали заказчиком также могут быть указаны установленные значения
испытательных напряжений вывода нейтрали (см.
7.4).
Уровень изоляции должен быть указан следующим образом:
Uн.р/КИ/ПГИ/СГИ/КПЧ с соответствующими значениями (см.
примеры ниже) для линейных зажимов каждой обмотки.
Здесь и далее в примерах приняты следующие сокращения:
КИ - значение нормированного испытательного напряжения коммутационного импульса для линейных выводов с наибольшим из значений Uн.р;
ПГИ - значение нормированного испытательного напряжения полного грозового импульса для выводов каждой отдельной обмотки;
СГИ - значение нормированного испытательного напряжения срезанного грозового импульса для выводов каждой отдельной обмотки, если для нее проводится испытание срезанным грозовым импульсом;
КПЧ - значение нормированного испытательного кратковременного (одноминутного) переменного напряжения промышленной частоты относительно земли для выводов каждой обмотки.
Примечание 6 - Значение КПЧ - это наибольшее значение переменного напряжения, на которое рассчитана изоляция трансформатора и которое требуется получить при испытаниях;
ВН - высшее напряжение;
НН - низшее напряжение;
СН - среднее напряжение.
Если для линейных выводов или вывода нейтрали какой-либо обмотки значение того или иного нормированного испытательного напряжения (КИ, ПГИ или СГИ) не установлено, то их аббревиатура из обозначения уровня изоляции исключается. Например, для выводов без установленного значения напряжения коммутационного импульса и напряжения срезанного грозового импульса обозначение будет следующим:
Uн.р/ПГИ/КПЧ с соответствующими значениями.
Если вывод нейтрали имеет тот же уровень изоляции, что и линейный вывод, то уровень изоляции вывода нейтрали допускается не указывать отдельно.
Нормированные испытательные напряжения для всех обмоток должны указываться на табличке данных трансформатора (реактора).
Принципы стандартного сокращенного обозначения поясняют примеры, приведенные ниже.
Пример 1 - Двухобмоточный трансформатор с номинальными напряжениями обмоток 35/11 кВ со схемой и группой соединения обмоток У/Д-11; обмотка ВН имеет Uн.р = 40,5 кВ, обмотка НН - Uн.р = 12 кВ; обе обмотки с полной изоляцией нейтрали имеют уровень изоляции a по ГОСТ Р 55195. На табличке должно быть указано: ВН Uн.р 40,5/ПГИ 190/СГИ 220/КПЧ 80 кВ НН Uн.р 12/ПГИ 75/СГИ 90/КПЧ 28 кВ Пример 2 - Трансформатор с номинальными напряжениями обмоток 230/38,5/22 кВ со схемой и группой соединения обмоток Ун/Ун/Д-0-11. Режим работы нейтрали обмотки ВН - глухое заземление. Обмотка ВН - с неполной изоляцией нейтрали; Uн.р = 252 кВ; нейтраль ВН: Uн.р - не применимо, значение ПГИ - не установлено, значение КПЧ - 85 кВ. Обмотка СН - с полной изоляцией нейтрали; Uн.р = 40,5 кВ, уровень изоляции a по ГОСТ Р 55195. Обмотка НН - с полной изоляцией нейтрали; Uн.р = 12 кВ, уровень изоляции a по ГОСТ Р 55195. На табличке должно быть указано: ВН Uн.р 252/ПГИ 750/СГИ 835/КПЧ 325 кВ ВН нейтраль Uн.р - /КПЧ 85 кВ СН Uн.р 40,5/ПГИ 190/СГИ 220/КПЧ 80 кВ НН Uн.р 24/ПГИ 125/СГИ 150/КПЧ 50 кВ Примечание - См. ДБ.4 (приложение ДБ). |
6 Трансформаторы с пересоединяемыми обмотками
Если не указано иное, обмотки, для которых предусмотрена возможность соединения для работы более чем в одной конфигурации, должны быть испытаны в каждой конфигурации.
7 Испытания электрической прочности изоляции
Электрическая прочность изоляции трансформаторов (реакторов) подтверждается испытаниями, общее описание которых приведено ниже.
-
Испытание напряжением полного грозового импульса линейных выводов (ПГИ) (см.
13.2)
Испытание предназначено для проверки способности трансформатора (реактора) выдерживать в эксплуатации переходные процессы с быстрым подъемом напряжения, как правило, связанные с разрядами молний. Испытание подтверждает электрическую прочность изоляции испытуемого трансформатора путем приложения импульсов напряжения к его линейным выводам. Напряжение полного грозового импульса характеризуется наличием высокочастотных составляющих, его приложение вызывает неравномерные воздействия в изоляции испытуемой обмотки, отличные от тех, что возникают при воздействии переменного напряжения.
-
Испытание напряжением срезанного грозового импульса линейных выводов (СГИ) (см.
13.3)
В дополнение к назначению испытания ПГИ это испытание также предназначено для проверки способности изоляции трансформатора выдерживать высокочастотные воздействия, которые могут возникнуть в эксплуатации. При испытании к изоляции трансформатора прикладывают напряжение грозового импульса, срезанного на спаде для обеспечения очень высокой скорости изменения напряжения. Напряжение срезанного грозового импульса имеет большее максимальное значение и содержит составляющие более высокой частоты, чем напряжение полного грозового импульса. Испытание СГИ проводится по процедуре, совмещающей испытание напряжениями полного и срезанного грозовых импульсов.
Примечание 1 - Испытания ПГИ и СГИ устанавливаются отдельно для каждой обмотки. Если приемо-сдаточное испытание ПГИ требуется согласно данному стандарту для обмотки высшего напряжения, это не влечет за собой автоматически необходимость проведения приемо-сдаточных испытаний ПГИ для других обмоток, например, с Uкл <= 150 кВ (Uн.р <= 172 кВ), если заказчиком специально не оговорены приемо-сдаточные испытания ПГИ и СГИ для этих обмоток.
-
Испытание напряжением грозового импульса вывода нейтрали (ГИВН) (см.
13.4)
Испытание предназначено для проверки импульсным испытательным напряжением электрической прочности изоляции вывода нейтрали и связанной с ним обмотки (обмоток) относительно земли и других обмоток, а также продольной изоляции испытываемой обмотки.
-
Испытание напряжением коммутационного импульса линейного вывода (КИ) (см.
раздел 14)
Испытание предназначено для проверки способности трансформатора выдерживать в эксплуатации переходные процессы с медленным подъемом напряжения, как правило, связанные с коммутациями при эксплуатации. При испытании проверяется электрическая прочность изоляции линейного вывода и связанной с ним обмотки (обмоток) относительно земли и других обмоток, а также междуфазной изоляции и продольной изоляции испытуемой обмотки (обмоток) при воздействии напряжения коммутационного импульса. Испытания трехфазных трансформаторов проводятся пофазно. Напряжение индуктируется в обмотках трансформатора. Линейные выводы при испытании, как правило, не закорачиваются; линейные выводы испытуемой фазы во время испытаний подвергаются воздействию напряжения, примерно пропорционального отношению числа витков. Распределение напряжения в испытуемой фазе аналогично распределению при испытании индуктированным переменным напряжением.
-
Испытание приложенным кратковременным переменным напряжением (ПКПН) (см.
раздел 10)
Испытание предназначено для проверки электрической прочности изоляции линейных выводов, выводов нейтрали и связанных с ними обмоток относительно земли и других обмоток при воздействии нормированного испытательного одноминутного переменного напряжения. Испытательное напряжение подается одновременно на все выводы обмотки, включая нейтраль, таким образом, напряжение на продольной изоляции обмотки отсутствует.
-
Испытание линейного вывода кратковременным переменным напряжением (ЛКПН) (см.
раздел 12)
Испытание предназначено для проверки электрической прочности изоляции каждого линейного вывода относительно земли при воздействии нормированного испытательного одноминутного переменного напряжения. Во время испытания испытательное напряжение индуктируется (полностью или частично) на одном и более линейном выводе либо (для шунтирующих реакторов без вторичных обмоток) прикладывается от внешнего источника или создается с использованием резонансной схемы. Испытание позволяет получить на линейных выводах обмоток, имеющих неполную изоляцию нейтрали, испытательные одноминутные переменные напряжения, установленные для этих линейных выводов.
-
Испытание индуктированным кратковременным переменным напряжением (ИКПН) (см.
11.2)
Испытание предназначено для проверки электрической прочности изоляции каждого линейного вывода и связанной с ним обмотки (обмоток) относительно земли и других обмоток, продольной изоляции испытуемой обмотки (обмоток), а также изоляции между фазами при воздействии кратковременного переменного напряжения. Для проведения испытания выводы трансформатора соединяют так же, как при эксплуатации. Во время испытания симметричные напряжения индуктируются на всех линейных выводах и между витками, напряжение на нейтрали отсутствует. Испытание трехфазных трансформаторов проводится при трехфазном питании.
-
Испытание длительным переменным напряжением с измерением интенсивности частичных разрядов (ДПН) (см.
11.3)
Испытание предназначено для подтверждения отсутствия в трансформаторе опасных частичных разрядов при нормальных условиях эксплуатации. Испытательное напряжение прикладывают так же, как при эксплуатации трансформатора. Во время испытания симметричные напряжения индуктируются на всех линейных выводах и между витками, напряжение на нейтрали отсутствует. Испытание трехфазных трансформаторов проводится при трехфазном питании,
при этом допускается пофазное испытание при однофазном питании (см. примечание 2 к 7.3.3.1, г).
-
Испытание изоляции цепей управления и вторичных цепей (ИВЦ) (см.
раздел 9)
Испытание проверяет изоляцию цепей управления и вторичных цепей трансформатора, не подключенных к обмоткам.
-
Испытание напряжением грозовых импульсов двух и более соединенных вместе выводов (ГИМВ) (см.
13.1.4.3)
Испытание проверяет способность изоляции трансформатора выдерживать внутренние повышения напряжения, которые могут произойти, если два или более выводов одновременно подвергаются воздействию грозовых импульсов. Испытание применимо только для некоторых типов трансформаторов, в которых либо имеются последовательные обмотки, которые могут быть замкнуты в эксплуатации (например, фазоповоротный трансформатор с включенной обходной перемычкой), либо имеется возможность появления в эксплуатации грозовых импульсов одновременно на двух и более выводах.
Примечание 2 - Это испытание также называют "двухстороннее испытание грозовыми импульсами".
7.2 Требования к испытаниям электрической прочности изоляции
7.2.1 Общие положения
Требования к испытаниям электрической прочности изоляции, а именно необходимые испытания и уровни испытательных напряжений, зависят от класса напряжения Uкл обмотки трансформатора (реактора). Необходимые испытания приведены в таблице 1, а конкретные требования - в 7.3. Примечание - См. ДБ.5 (приложение ДБ). |
Таблица 1 Требования и категории испытаний электрической прочности изоляции обмоток трансформаторов и шунтирующих реакторов | |
Вид испытания | Категория испытания обмоток для класса напряжения обмотки Uкл и наибольшего рабочего напряжения Uн.р |
Uкл <= 35 кВ Uн.р <= 40,5 кВ (полная изоляция нейтрали) | 35 < Uкл <= 150 кВ 40,5 < Uн.р <= 172 кВ (неполная изоляция нейтрали) | Uкл > 150 кВ Uн.р > 172 кВ (неполная изоляция нейтрали) |
Испытание напряжением полного грозового импульса линейных выводов (ПГИ) | Типовое | Типовое | Типовое/приемо-сдаточное <1> |
Испытание напряжением срезанного грозового импульса линейных выводов (СГИ) | | Типовое | Типовое |
Испытание напряжением грозового импульса вывода нейтрали (ГИВН) | | | |
Испытание напряжением грозовых импульсов двух и более соединенных вместе выводов (ГИМВ) | | - | - |
Испытание напряжением коммутационного импульса линейного вывода (КИ) | - | - | |
Испытание приложенным кратковременным переменным напряжением (ПКПН) | Приемо-сдаточное | Приемо-сдаточное | Приемо-сдаточное |
Испытание индуктированным кратковременным переменным напряжением (ИКПН) <7> | Приемо-сдаточное | - | - |
Испытание линейного вывода кратковременным переменным напряжением (ЛКПН) | - | Приемо-сдаточное | |
Испытание длительным переменным напряжением с измерением интенсивности частичных разрядов (ДПН) | - | - | Приемо-сдаточное |
Испытание изоляции цепей управления и вторичных цепей (ИВЦ) | Приемо-сдаточное | Приемо-сдаточное | Приемо-сдаточное |
<1> Приемо-сдаточное испытание для линейных выводов обмоток шунтирующих реакторов с неполной изоляцией нейтрали (при отсутствии технической возможности провести испытание ЛКПН), линейных выводов обмоток ВН и СН силовых трансформаторов (автотрансформаторов) классов напряжения 750 кВ и выше и обмоток ВН генераторных трансформаторов для атомных электростанций; типовое испытание во всех остальных случаях. <2> Не применимо к трансформаторам классов напряжения от 3 до 20 кВ с облегченной изоляцией. <3> Испытание напряжениями полного и срезанного (за исключением трансформаторов с облегченной изоляцией) грозовых импульсов соединенных в звезду обмоток классов напряжения от 3 до 35 кВ с полной изоляцией нейтрали при выведенной нейтрали; не применимо во всех остальных случаях. <4> Испытание напряжением полного грозового импульса обмоток с неполной изоляцией нейтрали, допускающей работу с ее разземлением; не применимо во всех остальных случаях. <5> Для соединенных в звезду обмоток трехфазных трансформаторов с полной изоляцией нейтрали при невыведенной нейтрали - испытание напряжением полного грозового импульса трех соединенных вместе линейных выводов обмоток; не применимо во всех остальных случаях. <6> Не применимо к трансформаторам (автотрансформаторам) и шунтирующим реакторам класса напряжения до 220 кВ включительно. <7> Для трансформаторов и дугогасящих реакторов классов напряжения до 35 кВ включительно. <8> Для линейных выводов обмоток шунтирующих реакторов с неполной изоляцией нейтрали - при наличии технической возможности (см. 7.3.4). |
Примечание - См. ДБ.6 (приложение ДБ). |
Любые дополнительные испытания сверх требований данного стандарта и нормированных уровней испытательных напряжений должны быть указаны заказчиком в момент запроса предложений и заказа, а также в условиях договора на поставку, поскольку они могут повлиять на конструкцию трансформатора (см.
приложение В).
Следует использовать
ГОСТ Р 55194 для уточнения подробностей проведения испытаний. В случаях, когда допуски на параметры и значения при испытаниях не указаны в данном стандарте, следует использовать значения по
ГОСТ Р 55194.
7.2.2 Нормированные испытательные напряжения
Требования к электрической прочности изоляции - по ГОСТ Р 55195. Нормированные испытательные напряжения силовых трансформаторов и реакторов, установленные в ГОСТ Р 55195, приведены ниже, в таблицах 2 - 4. Примечание - См. ДБ.7 (приложение ДБ). |
Таблица 2 Испытательные напряжения силовых трансформаторов классов напряжения 3 - 220 кВ | |
Класс напряжения, кВ | | Испытательное напряжение внутренней и внешней изоляции, кВ |
грозовых импульсов | кратковременное переменное | длительное переменное |
одноминутное (ПКПН, ЛКПН) | при плавном подъеме | внутренней изоляции |
каждого линейного зажима (поочередно) | трех соединенных вместе линейных зажимов <1>, <2> | | внутренней изоляции | внешней изоляции (воздушных промежутков) в сухом состоянии |
полный импульс | срезанный импульс | полный импульс | полный импульс | срезанный импульс | линейного зажима относительно земли и других обмоток | между линейными зажимами разных фаз <1> | | линейного зажима относительно земли | между линейными зажимами разных фаз <1> | | линейного зажима обмотки ВН относительно земли |
1 | 2 | 3 | 4 | 5 | 6 | 7 | 8 | 9 | 10 | 11 | 12 | 13 | 14 |
3 | (а) | 20 | - | 20 | 20 | - | 10 | - | 10 | - | - | - | - |
а | 40 | 50 | 40 | 40 | 50 | 10 | - | 10 | 26 | - | 26 | - |
б | 40 | 50 | 40 | 40 | 50 | 18 | - | 18 | 26 | - | 26 | - |
6 | (а) | 40 | - | 40 | 40 | - | 20 | - | 20 | - | - | - | - |
а | 60 | 70 | 60 | 60 | 70 | 20 | - | 20 | 34 | - | 34 | - |
б | 60 | 70 | 60 | 60 | 70 | 25 | - | 25 | 34 | - | 34 | - |
10 | (а) | 60 | - | 60 | 60 | - | 28 | - | 28 | - | - | - | - |
а | 75 | 90 | 75 | 75 | 90 | 28 | - | 28 | 45 | - | 45 | - |
б | 75 | 90 | 75 | 75 | 90 | 35 | - | 35 | 45 | - | 45 | - |
15 | (а) | 75 | - | 75 | 75 | - | 38 | - | 38 | - | - | - | - |
а | 95 | 115 | 95 | 95 | 115 | 38 | - | 38 | 60 | - | 60 | - |
б | 95 | 115 | 95 | 95 | 115 | 45 | - | 45 | 60 | - | 60 | - |
20 | (а) | 95 | - | 95 | 95 | - | 50 | - | 50 | - | - | - | - |
а | 125 | 150 | 105 | 125 | 150 | 50 | - | 50 | 70 | - | 70 | - |
б | 125 | 150 | 105 | 125 | 150 | 55 | - | 55 | 70 | - | 70 | - |
24 | а | 150 | 175 | - | 150 | 175 | 60 | - | 60 | 80 | - | 80 | - |
б | 150 | 175 | - | 150 | 175 | 65 | - | 65 | 80 | - | 80 | - |
27 | а | 170 | 200 | - | 170 | 200 | 65 | - | 65 | 90 | - | 90 | - |
б | 170 | 200 | - | 170 | 200 | 70 | - | 70 | 90 | - | 90 | - |
35 | а | 190 | 220 | 140 | 190 | 220 | 80 | - | 80 | 105 | - | 105 | - |
б | 190 | 220 | 140 | 190 | 220 | 85 | - | 85 | 105 | - | 105 | - |
110 | а | 480 | 550 | - | 200 | - | 200 | 200 | 100 | 280 | - | 135 | - |
150 | а | 550 | 600 | - | 275 | - | 230 | 275 | 130 | 320 | 415 | 195 | - |
220 | а | 750 | 835 | - | 400 | - | 325 | 395 | 200 | 465 | 600 | 280 | 220 |
<1> Для трехфазных трансформаторов. <2> Для соединенных в звезду обмоток с полной изоляцией нейтрали при невыведенной нейтрали. <3> Для соединенных в звезду обмоток классов напряжения от 3 до 35 кВ с полной изоляцией нейтрали при выведенной нейтрали и для обмоток классов напряжения от 110 до 220 кВ с неполной изоляцией нейтрали, допускающей работу с ее разземлением. <4> Для обмоток классов напряжения от 3 до 35 кВ с полной изоляцией нейтрали при испытании приложенным напряжением одновременно с изоляцией линейного зажима и для обмоток классов напряжения от 110 до 220 кВ с неполной изоляцией нейтрали, допускающей работу с ее разземлением. <5> Условия применения уровней изоляции указаны в ГОСТ Р 55195-2012 (пункт 4.17). |
Примечание - См. ДБ.7 (приложение ДБ). |
Таблица 3 Испытательные напряжения силовых трансформаторов классов напряжения 330 - 750 кВ | |
Класс напряжения, кВ | | Испытательное напряжение внутренней и внешней изоляции, кВ |
грозовых импульсов | коммутационного импульса | переменное |
каждого линейного зажима (поочередно) | внутренней изоляции | внешней изоляции (воздушных промежутков) в сухом состоянии | кратковременное одноминутное (ПКПН, ЛКПН) | длительное |
полный импульс | срезанный импульс | каждого линейного зажима (поочередно) | между линейными зажимами разных фаз <2> | каждого линейного зажима относительно земли | между линейными зажимами разных фаз <2> | линейного зажима относительно земли | между линейными зажимами разных фаз <2> | линейного зажима обмотки ВН относительно земли |
1 | 2 | 3 | 4 | 5 | 6 | 7 | 8 | 9 | 10 | 11 |
330 | а | 950 | 1050 | 850 | 1275 | 850 | 1275 | 395 | 525 | 295 |
б | 1050 | 1150 | 950 | 1425 | 950 | 1425 | 460 | 575 | 295 |
500 | а | 1300 | 1400 | 1050 | 1575 | 1050 | 1575 | 570 | 800 | 425 |
б | 1550 | 1650 | 1230 | 1845 | 1230 | 1845 | 630 | 830 | 425 |
750 | а | 1800 | 1950 | 1425 | 2140 | 1425 | 2400 | 750 | 1100 | 635 |
б | 2100 | 2250 | 1550 | 2325 | 1550 | 2550 | 800 | 1250 | 635 |
<1> Условия применения уровней изоляции указаны в ГОСТ Р 55195-2012 (пункт 4.17). <2> Для трехфазных трансформаторов. |
Примечание - См. ДБ.7 (приложение ДБ). |
Таблица 4 Испытательные напряжения реакторов | |
Класс напряжения, кВ | | Испытательное напряжение внутренней и внешней изоляции, кВ |
грозовых импульсов | коммутационного импульса шунтирующих реакторов внутренней и внешней изоляции относительно земли в сухом состоянии | кратковременное переменное | длительное переменное внутренней изоляции шунтирующих реакторов |
шунтирующих | токоограничивающих и дугогасящих | одноминутное (ПКПН, ЛКПН) | при плавном подъеме внешней изоляции (воздушных промежутков) шунтирующих реакторов в сухом состоянии |
шунтирующих и дугогасящих | токоограничивающих |
полный импульс | срезанный импульс | полный импульс | относительно земли и других обмоток | | относительно земли | |
1 | 2 | 3 | 4 | 5 | 6 | 7 | 8 | 9 | 10 | 11 | 12 |
3 | (а) | 20 | - | 20 | - | 10 | - | 10 | - | - | - |
а | 40 | 50 | 40 | - | 10 | - | 10 | 26 | - | - |
б | 40 | 50 | 40 | - | 18 | - | 20 | 26 | - | - |
6 | (а) | 40 | - | 40 | - | 20 | - | 20 | - | - | - |
а | 60 | 70 | 60 | - | 20 | - | 20 | 34 | - | - |
б | 60 | 70 | 60 | - | 25 | - | 28 | 34 | - | - |
10 | (а) | 60 | - | 60 | - | 28 | - | 28 | - | - | - |
а | 75 | 90 | 75 | - | 28 | - | 28 | 45 | - | - |
б | 75 | 90 | 75 | - | 35 | - | 38 | 45 | - | - |
15 | (а) | 75 | - | 75 | - | 38 | - | 38 | - | - | - |
а | 95 | 115 | 95 | - | 38 | - | 38 | 60 | - | - |
б | 95 | 115 | 95 | - | 45 | - | 50 | 60 | - | - |
20 | (а) | 95 | - | 95 | - | 50 | - | 50 | - | - | - |
а | 125 | 150 | 125 | - | 50 | - | 50 | 70 | - | - |
б | 125 | 150 | 125 | - | 55 | - | 65 | 70 | - | - |
24 | а | - | - | 150 | - | 60 | - | 60 | - | - | - |
б | - | - | 150 | - | 65 | - | 75 | - | - | - |
27 | а | - | - | 170 | - | 65 | - | 65 | - | - | - |
б | - | - | 170 | - | 70 | - | 80 | - | - | - |
35 | а | 190 | 220 | 190 | - | 80 | - | 80 | 105 | - | - |
б | 190 | 220 | 190 | - | 85 | - | 95 | 105 | - | - |
110 | а | 480 | 550 | 480 | - | 200 | 200 | 200 | 280 | - | - |
150 | а | 550 | 600 | 650 | - | 230 | 275 | 275 | 320 | 415 | - |
220 | а | 750 | 835 | 950 | - | 325 | 395 | 395 | 465 | 600 | - |
330 | а | 1050 | 1175 | - | 850 | 395 | 525 | - | - | - | 295 |
б | 1175 | 1300 | - | 950 | 460 | 575 | - | - | - | 295 |
500 | а | 1425 | 1550 | - | 1050 | 570 | 800 | - | - | - | 425 |
б | 1675 | 1800 | - | 1230 | 630 | 830 | - | - | - | 425 |
750 | а | 1950 | 2100 | - | 1425 | 750 | 1100 | - | - | - | 635 |
б | 2250 | 2400 | - | 1675 | 900 | 1250 | - | - | - | 635 |
<1> Для трехфазных реакторов. <2> Условия применения уровней изоляции указаны в ГОСТ Р 55195-2012 (пункт 4.17). |
Примечание - См. ДБ.7 (приложение ДБ). |
7.2.3 Последовательность испытаний
Испытания должны быть проведены в последовательности, указанной ниже:
а) испытания напряжением грозовых импульсов (ПГИ, СГИ, ГИВН, ГИМВ);
б) испытание напряжением коммутационного импульса (КИ);
в) испытание приложенным кратковременным переменным напряжением (ПКПН);
г) испытание линейного вывода кратковременным переменным напряжением (ЛКПН);
д) испытание индуктированным кратковременным переменным напряжением (ИКПН);
е) испытание длительным переменным напряжением с измерением интенсивности частичных разрядов (ДПН).
Примечание - Это полный перечень испытаний, не все испытания из перечисленных могут быть применимы к конкретному трансформатору.
По согласованию между изготовителем и заказчиком испытание напряжением коммутационного импульса может проводиться до испытаний напряжениями грозовых импульсов.
Если выполняется испытание ДПН, то по согласованию между изготовителем и заказчиком последовательность проведения испытаний может быть изменена, за исключением того, что испытание ДПН должно быть последним испытанием электрической прочности изоляции.
7.3 Требования к испытаниям отдельных трансформаторов и реакторов 7.3.1 Испытания трансформаторов классов напряжения до 35 кВ включительно 7.3.1.1 Приемо-сдаточные испытания а) Испытание приложенным кратковременным переменным напряжением (ПКПН) Испытание приложенным кратковременным переменным напряжением должно проводиться по методике согласно разделу 10 на каждой отдельной обмотке трансформатора. Испытательные напряжения - согласно 7.2.2. Примечание - Предполагается, что трансформаторы классов напряжения до 35 кВ включительно имеют обмотки с полной изоляцией нейтрали, чтобы выдержать это испытание. б) Испытание индуктированным кратковременным переменным напряжением (ИКПН) Испытание индуктированным кратковременным переменным напряжением должно проводиться по методике согласно 11.2 при испытательном напряжении, равном  (относительно земли). 7.3.1.2 Типовые испытания а) Испытания напряжениями полного и срезанного грозовых импульсов линейных выводов (ПГИ и СГИ) Испытание изоляции обмоток трансформаторов с нормальной изоляцией напряжениями полного и срезанного грозовых импульсов должно быть проведено для линейных выводов по методике, указанной в 13.3. Испытательные напряжения - согласно 7.2.2. Примечание - Методика 13.3 предполагает совмещение испытаний ПГИ и СГИ в одной последовательности испытания. При необходимости испытания ПГИ и СГИ могут быть выполнены отдельно друг от друга, в этом случае в части последовательности испытаний следует руководствоваться указаниями 13.2. Испытание изоляции обмоток трансформаторов с облегченной изоляцией напряжением полного грозового импульса должно быть проведено для линейных выводов по методике, указанной в 13.2. Испытательные напряжения - согласно 7.2.2. б) Испытания напряжениями полного и срезанного грозовых импульсов вывода нейтрали для соединенных в звезду обмоток при выведенной нейтрали (ПГИ и СГИ) Испытание изоляции обмоток трансформаторов с нормальной изоляцией напряжениями полного и срезанного грозовых импульсов должно быть проведено для вывода нейтрали по методике, указанной в 13.3. Испытательные напряжения - согласно 7.2.2. Испытание изоляции обмоток трансформаторов с облегченной изоляцией напряжением полного грозового импульса должно быть проведено для вывода нейтрали по методике, указанной в 13.2. Испытательные напряжения - согласно 7.2.2. в) Испытание напряжением полного грозового импульса трех соединенных вместе линейных выводов для обмоток со схемой соединения звезда с невыведенной нейтралью (ГИМВ) Испытание изоляции обмоток трансформаторов с нормальной и облегченной изоляцией напряжением полного грозового импульса при невыведенной нейтрали должно быть проведено путем приложения напряжения к трем электрически соединенным между собой линейным выводам обмоток по методике, указанной в 13.2. Испытательные напряжения - согласно 7.2.2. 7.3.2 Испытания трансформаторов классов напряжения 110 - 150 кВ 7.3.2.1 Приемо-сдаточные испытания а) Испытание приложенным кратковременным переменным напряжением (ПКПН) Испытание приложенным кратковременным переменным напряжением должно быть проведено для каждой отдельной обмотки трансформатора согласно методике, указанной в разделе 10. Для обмоток с неполной изоляцией нейтрали испытания должны быть проведены испытательными напряжениями, установленными для выводов нейтрали этих обмоток (см. 7.4.2). б) Испытание линейного вывода кратковременным переменным напряжением (ЛКПН) Для обмоток с неполной изоляцией нейтрали испытание должно быть проведено при испытательном напряжении согласно 7.2.2 по методике, указанной в разделе 12. 7.3.2.2 Типовые испытания а) Испытания напряжениями полного и срезанного грозовых импульсов линейных выводов (ПГИ и СГИ) Испытание напряжением полного и срезанного грозовых импульсов должно быть проведено для линейных выводов по методике, указанной в 13.3. Испытательные напряжения - согласно 7.2.2. Примечание - Методика 13.3 предполагает совмещение испытаний напряжениями ПГИ и СГИ в одной последовательности испытания. При необходимости испытания напряжениями ПГИ и СГИ могут быть выполнены отдельно друг от друга, в этом случае в части последовательности испытаний следует руководствоваться указаниями 13.2. б) Испытание напряжением грозового импульса вывода нейтрали (ГИВН) Вывод нейтрали должен быть испытан напряжением полного грозового импульса по методике 13.4. Испытательные напряжения - согласно 7.2.2. 7.3.3 Испытания трансформаторов классов напряжения 220 кВ и выше 7.3.3.1 Приемо-сдаточные испытания а) Испытания напряжением полного грозового импульса изоляции линейных выводов обмоток ВН и СН трансформаторов (автотрансформаторов) классов напряжения 750 кВ и выше и обмоток ВН генераторных трансформаторов для атомных электростанций (ПГИ) Испытание напряжением полного грозового импульса должно быть проведено для линейных выводов обмоток по методике, указанной в 13.2. Испытательные напряжения - согласно 7.2.2. б) Испытание приложенным кратковременным переменным напряжением (ПКПН) Испытание приложенным кратковременным переменным напряжением должно быть проведено для каждой отдельной обмотки трансформатора согласно методике, указанной в разделе 10. Для обмоток с неполной изоляцией нейтрали испытания должны быть проведены испытательными напряжениями, установленными для выводов нейтрали этих обмоток (см. 7.4.2). в) Испытание линейного вывода кратковременным переменным напряжением (ЛКПН) Для обмоток с неполной изоляцией нейтрали испытание должно проводиться при испытательном напряжении согласно 7.2.2 с использованием методики, указанной в разделе 12. г) Испытание длительным переменным напряжением с измерением интенсивности частичных разрядов (ДПН) Испытание должно проводиться в соответствии с методикой, изложенной в 11.3, при переменном напряжении повышенного уровня  (относительно земли, см. рисунок 1) и длительном переменном напряжении согласно 7.2.2. Примечания 1 Если при испытании переменное напряжение повышенного уровня между линейными выводами обмотки ВН трехфазных трансформаторов не меньше нормированного испытательного кратковременного переменного напряжения междуфазной изоляции, то испытание ДПН также является испытанием междуфазной изоляции обмотки ВН кратковременным (одноминутным) переменным напряжением. В случае если значение переменного напряжения повышенного уровня между линейными выводами обмотки ВН менее нормированного испытательного кратковременного (одноминутного) переменного напряжения междуфазной изоляции, с целью совмещения испытания ЛКПН междуфазной изоляции и ДПН уровень повышенного напряжения может быть увеличен до значения, обеспечивающего нормированное испытательное кратковременное (одноминутное) переменное напряжение между линейными выводами обмотки ВН трехфазных трансформаторов. 2 Переменное напряжение повышенного уровня между фазами трехфазных трансформаторов при трехфазном возбуждении может превышать испытательное кратковременное (одноминутное) переменное напряжение, нормированное для междуфазной изоляции (см. 7.2.2). Во избежание переиспытания междуфазной изоляции испытание ДПН может быть проведено пофазно с заземлением доступных выводов нейтралей. 7.3.3.2 Типовые испытания а) Испытание напряжениями полного и срезанного грозовых импульсов линейных выводов (ПГИ и СГИ) Испытание напряжениями полного и срезанного грозовых импульсов должно быть проведено для линейных выводов по методике, указанной в 13.3. Испытательные напряжения - согласно 7.2.2. Примечание - Методика 13.3 предполагает совмещение испытаний ПГИ и СГИ в одной последовательности испытания. При необходимости испытания ПГИ и СГИ могут быть выполнены отдельно друг от друга, в этом случае в части последовательности испытаний следует руководствоваться указаниями 13.2. б) Испытание напряжением коммутационного импульса трансформаторов классов напряжения 330 кВ и выше (КИ) Испытание напряжением коммутационного импульса должно быть проведено для линейных выводов по методике, указанной в разделе 14. Испытательные напряжения - согласно 7.2.2. в) Испытание напряжением грозового импульса вывода нейтрали для трансформаторов, допускающих работу с разземлением нейтрали (ГИВН) Вывод нейтрали должен быть испытан напряжением полного грозового импульса по методике 13.4. Испытательные напряжения - согласно 7.2.2. Примечание - См. ДБ.8 (приложение ДБ). |
7.3.4 Испытания шунтирующих реакторов Испытания шунтирующих реакторов - согласно 7.3.1 - 7.3.3 в зависимости от значения Uкл. В случае отсутствия технической возможности допускается не проводить испытание ЛКПН для линейных выводов обмоток шунтирующих реакторов с неполной изоляцией нейтрали, при этом в рамках приемо-сдаточных испытаний должно быть выполнено испытание напряжением полного грозового импульса внутренней изоляции линейных выводов (ПГИ). Соответствие изоляции линейного конца обмотки шунтирующих реакторов относительно земли и между фазами нормированным испытательным кратковременным (одноминутным) переменным напряжениям должно быть подтверждено расчетом. 7.3.5 Испытания дугогасящих и токоограничивающих реакторов 7.3.5.1 Приемо-сдаточные испытания а) Испытание напряжением грозового импульса токоограничивающих реакторов (ГИ) Испытание продольной изоляции токоограничивающих реакторов напряжением грозового импульса должно быть проведено поочередно для линейных выводов по методике, указанной в 13.1 и 13.2. Испытания изоляции токоограничивающих реакторов, в т.ч. сухих, должны проводиться импульсами отрицательной полярности. Неиспытываемые выводы должны быть заземлены непосредственно или через шунт для измерения тока. Ввиду малой индуктивности реактора длительность полного грозового импульса может быть меньше стандартной, при этом не требуется увеличение испытательного напряжения по 13.2.1. Испытательные напряжения - согласно 7.2.2. б) Испытание приложенным кратковременным переменным напряжением (ПКПН) Не применимо к сухим токоограничивающим реакторам, устанавливаемым на опорных изоляторах (см. 7.3.5.2, в). Испытание приложенным переменным напряжением должно проводиться по методике согласно разделу 10 на каждой отдельной обмотке реактора. Испытательные напряжения - согласно 7.2.2. в) Испытание индуктированным кратковременным переменным напряжением обмотки ВН дугогасящих реакторов с полной изоляцией нейтрали (ИКПН) Испытание индуктированным кратковременным переменным напряжением должно проводиться по методике согласно 11.2 при испытательном напряжении (относительно земли), равном двойному номинальному напряжению. 7.3.5.2 Типовые испытания а) Испытание напряжением полного грозового импульса (ПГИ) Испытание внутренней изоляции напряжением полного грозового импульса должно быть проведено поочередно для линейных выводов по методике, указанной в 13.1 и 13.2. При испытании токоограничивающих реакторов для обеспечения требуемой формы стандартного полного грозового импульса неиспытываемые выводы могут быть заземлены через сопротивление. Испытания изоляции сухих токоограничивающих реакторов должны проводиться импульсами как положительной, так и отрицательной полярности. Испытательные напряжения - согласно 7.2.2. б) Испытание приложенным переменным напряжением сухих токоограничивающих реакторов в сборе с опорными изоляторами (ПКПН) Испытание приложенным переменным напряжением должно проводиться по методике согласно разделу 10 на каждой отдельной обмотке реактора. Для сухих токоограничивающих реакторов, устанавливаемых в сборе на опорных изоляторах, такое испытание представляет собой испытание изоляции опорной конструкции. Испытательные напряжения - согласно 7.2.2. Примечание - Дополнительные по отношению к МЭК 60076-3:2013 положения 7.3.4 и 7.3.5 введены с целью учета потребностей российской национальной стандартизации в части требований к испытаниям электрических реакторов и учитывают практику МЭК 60076-6:2007 и особенности национальной стандартизации. |
7.4 Испытательные напряжения вывода нейтрали обмотки
7.4.1 Трансформаторы классов напряжения до 35 кВ включительно Вывод нейтрали, при его наличии, должен быть испытан приложенным переменным напряжением, напряжениями полного и срезанного грозовых импульсов, установленными для линейных выводов обмотки. Примечание - Для выполнения этого требования обмотки трансформаторов с Uкл до 35 кВ включительно должны быть с полной изоляцией нейтрали. 7.4.2 Трансформаторы классов напряжения свыше 35 кВ 7.4.2.1 Вывод нейтрали для глухого заземления Если вывод нейтрали при эксплуатации предназначен для соединения с землей наглухо, непосредственно или через трансформатор тока, без включения какого-либо сопротивления, то значение испытательного приложенного кратковременного (одноминутного) переменного напряжения должно быть 85 кВ. В случае необходимости может быть установлен больший уровень изоляции. Испытание изоляции нейтрали напряжениями полного и срезанного грозовых импульсов не требуется. 7.4.2.2 Вывод нейтрали не для глухого заземления Значения испытательных напряжений полного грозового импульса и приложенного одноминутного переменного напряжения вывода нейтрали трансформаторов классов напряжения 110 - 220 кВ, допускающих работу с разземлением нейтрали, указаны в 7.2.2. Электрическая прочность изоляции вывода нейтрали должна быть подтверждена испытаниями согласно 13.4 и разделу 10 соответственно. При необходимости по соглашению между изготовителем и заказчиком могут быть установлены испытательные напряжения вывода нейтрали трансформаторов классов напряжения 110 кВ и выше, отличные от ГОСТ Р 55195, например, для трансформаторов, допускающих работу с заземленной через резистор или реактор нейтралью для ограничения токов однофазного короткого замыкания на землю. В этом случае значения Uкл и испытательных напряжений для вывода нейтрали должны быть указаны заказчиком в запросе и заказе, а также в договоре поставки. Значение Uкл для вывода нейтрали зависит от того, предназначен ли трансформатор для работы без соединения нейтрали с землей или с соединением нейтрали с землей через резистор или реактор (см. приложение Г). Значения Uкл и испытательных напряжений должны быть преимущественно выбраны по таблице 2 ( таблице 5.1 ГОСТ Р 55195-2012). Во всех случаях значение Uкл должно быть не менее 15 кВ. Если для вывода нейтрали указано испытание напряжением грозового импульса, то значение нормированного испытательного напряжения должно быть установлено в запросе и заказе, а также в договоре поставки и подтверждено испытанием согласно 13.4. Испытание напряжением срезанного грозового импульса не применимо для вывода нейтрали. Примечание - См. ДБ.9 (приложение ДБ). |
8 Испытание электрической прочности изоляции трансформаторов, бывших в эксплуатации
Любой трансформатор, который должен рассматриваться как соответствующий данному стандарту, так же как и новый трансформатор (например, трансформатор после гарантийного ремонта или капитального ремонта с перемоткой обмоток, направленного на восстановление трансформатора до состояния "как новый"), должен по завершении ремонта или ремонтных работ подвергаться всем приемо-сдаточным испытаниям, требуемым для трансформатора согласно данному стандарту, при 100% значениях нормированных испытательных напряжений.
Любой трансформатор, ремонтируемый с целью восстановления его функциональности (например, после пробоя изоляции, произошедшего после многих лет эксплуатации) и рассматриваемый как соответствующий настоящему стандарту, для проверки выполнения ремонта подлежит испытаниям, установленным в настоящем стандарте, при испытательных напряжениях в диапазоне от 80 до 100% нормируемых значений. В общем случае любая новая часть ремонтируемого трансформатора должна быть испытана 100% уровнем испытательных напряжений. При этом 80% уровень испытательных напряжений может рассматриваться как приемлемый для проверки того, что используемые детали или компоненты пригодны для дальнейшего использования. Если проводится испытание одновременно старых и новых деталей и компонентов, испытательные напряжения должны быть предметом соглашения сторон. Испытание длительным переменным напряжением с измерением интенсивности частичных разрядов (ДПН) должно быть выполнено при 100% нормируемом уровне напряжения. Допустимые уровни частичных разрядов могут быть скорректированы в зависимости от обстоятельств испытаний и подлежат согласованию сторон.
9 Испытание изоляции цепей управления и вспомогательных цепей (ИВЦ)
Изоляция цепей управления и вспомогательных цепей, а также их элементов должна быть испытана приложенным одноминутным переменным напряжением относительно земли согласно ГОСТ Р 55195-2012 (пункт 4.14). Испытание считают успешным, если не произошло падения (среза) испытательного напряжения и не выявлено других признаков полного разряда. Испытания должны быть проведены на заводе-изготовителе. Испытание может быть проведено на месте установки трансформатора, если изготовителю надлежит выполнить монтаж трансформатора на месте установки. Цепи управления и вспомогательные цепи, отключаемые или демонтируемые на время транспортировки трансформатора, которые были испытаны на заводе нормированным приложенным переменным напряжением, после монтажа на месте установки должны быть повторно испытаны приложенным переменным напряжением согласно ГОСТ Р 55195-2012 (пункт 4.14). Изоляция вспомогательных цепей вторичных обмоток трансформаторов тока должна быть испытана приложенным одноминутным переменным напряжением относительно земли согласно ГОСТ Р 55195-2012 (пункт 4.14). Испытания должны быть проведены на заводе-изготовителе. Если амплитудное значение напряжения между выводами разомкнутых вторичных обмоток трансформаторов тока превышает амплитудное значение нормированного испытательного напряжения вспомогательных цепей по ГОСТ Р 55195-2012 (пункт 4.14), испытание соответствующих вторичных цепей должно быть выполнено приложенным переменным напряжением 4 кВ. Испытание считают успешным, если не произошло падения (среза) испытательного напряжения и не выявлено других признаков полного разряда. Примечание - См. ДБ.10 (приложение ДБ). Изоляция двигателей и других комплектующих должна соответствовать требованиям отдельных стандартов на эти элементы. Как правило, требования к изоляции этих элементов ниже, чем требования к изоляции вторичных цепей, и поэтому при испытании необходимо отключить вторичные цепи от этих элементов. Примечание - Общепринятой практикой является проверка сопротивления изоляции вторичных цепей постоянным напряжением 1 кВ в течение 1 мин на месте установки до включения под напряжение. |
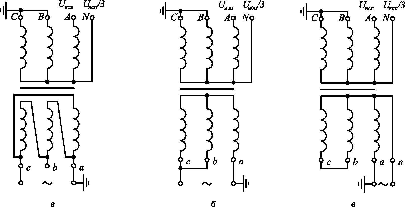
10 Испытание приложенным кратковременным переменным напряжением (ПКПН)
Испытание должно быть проведено последовательно на каждой отдельной обмотке трансформатора.
Испытательное напряжение должно быть приложено в течение 60 с между всеми соединенными вместе доступными выводами испытуемой обмотки и всеми доступными выводами других обмоток, магнитопроводом, рамой и баком или корпусом трансформатора, соединенными с землей.
Испытание должно быть выполнено однофазным переменным напряжением, имеющим практически синусоидальную форму и частоту не менее 80% от номинальной. При испытаниях должно быть измерено амплитудное значение напряжения. Амплитудное значение, деленное на

, должно соответствовать нормированному значению испытательного напряжения
с учетом допуска по ГОСТ Р 55194-2012 (пункт 7.2.3).
Примечание - Практически синусоидальная форма напряжения означает, что амплитудное значение, деленное на

, не отличается от действующего значения напряжения более чем на 5% (см.
ГОСТ Р 55194), вместе с тем более широкие отклонения могут быть приняты допустимыми.
Испытание начинают с напряжения не выше 1/3 испытательного напряжения, затем напряжение должно быть поднято до испытательного напряжения настолько быстро, насколько это позволяет считывание показаний измерительного прибора. По окончании испытания напряжение должно быть быстро снижено до значения не выше 1/3 испытательного напряжения, после чего напряжение отключают.
Испытание считается успешным, если не произошло падения (среза) испытательного напряжения.
Для обмоток с неполной изоляцией нейтрали испытание проводят испытательным напряжением, установленным для нейтрали.
В трансформаторах, в которых обмотки с разными значениями Uкл соединены вместе внутри трансформатора (например, автотрансформаторы), испытательное напряжение должно быть определено, исходя из изоляции общей нейтрали этих обмоток и соответствующего значения Uкл.
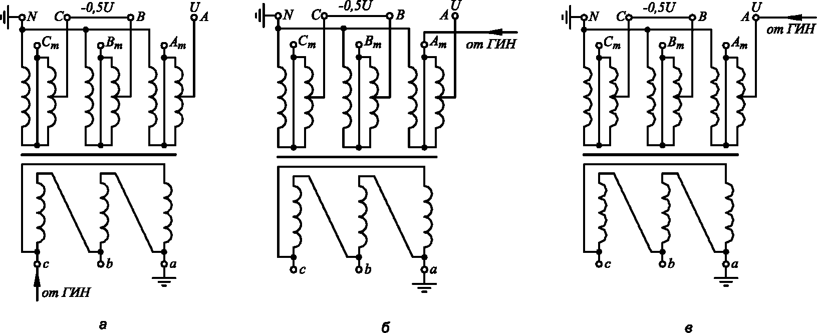
11 Испытания индуктированным кратковременным и длительным переменным напряжением (ИКПН и ДПН)
Испытания должны быть проведены с заземлением всех доступных выводов нейтралей и любых других выводов, которые в эксплуатации имеют потенциал земли. Для трехфазных трансформаторов должно применяться симметричное трехфазное испытательное напряжение. Любой линейный вывод, не подключенный к источнику питания, должен быть оставлен не соединенными с другими выводами или землей.
Примечание - В случае когда напряжение индуктируется в обмотке без нейтрали, напряжение относительно земли на каждом из выводов этой обмотки будет определяться емкостью относительно земли и других обмоток. Перекрытие на землю одного из линейных выводов во время испытаний может привести к появлению на других выводах обмотки напряжений, превышающих уровень испытательного приложенного переменного напряжения. С учетом возможности такого повышения напряжения могут потребоваться соответствующие меры предосторожности.
Во время испытания испытательное напряжение на выводах обмотки без регулирования напряжения должно быть таким, чтобы кратность напряжений между витками и между фазами соответствовала кратности испытательного напряжения к номинальному напряжению. Напряжение должно быть измерено либо на выводах обмотки высшего напряжения, если это выполнимо, либо на выводах обмотки, подключенной к источнику питания.
Для трансформаторов, имеющих регулирование напряжения, испытание должно быть проведено на основном ответвлении, если иное не указано или не согласовано с заказчиком.
Если заказчик для обмоток низшего напряжения требует определенное испытательное напряжение, большее чем определяемое настоящим разделом, то это должно быть четко указано в запросе и заказе, а также в договоре поставки, и должно быть достигнуто соглашение по методу испытаний и испытательным напряжениям, которые появятся на обмотках высшего напряжения и которые, соответственно, могут превышать установленное испытательное напряжение.
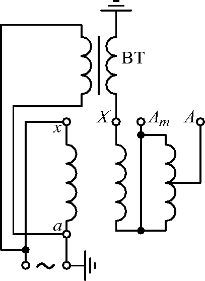
Испытание должно быть выполнено с возбуждением трансформатора так же, как и при эксплуатации. Напряжение может быть индуктировано в трансформаторе с помощью любой из обмоток, специальной обмотки или ответвлений, предусмотренных для целей испытания.
Переменное напряжение должно быть приложено к выводам одной из обмоток трансформатора. Форма напряжения должна быть практически синусоидальной, а его частота должна быть существенно выше номинальной частоты, чтобы избежать чрезмерного тока намагничивания во время испытания.
При проведении испытания должно измеряться амплитудное значение напряжения (согласно
ГОСТ Р 55194), деленное на

, и действующее значение индуктируемого испытательного напряжения, и в качестве значения испытательного напряжения принимается наименьшее из этих значений.
При проведении испытания должны быть выполнены требования к форме кривой переменного напряжения согласно ГОСТ Р 55194-2012 (пункт 7.2.2). Примечание - Дополнительное по отношению к МЭК 60076-3:2013 положение введено с целью учета особенностей российской национальной стандартизации в части формы кривой испытательного переменного напряжения. |
11.2 Испытание индуктированным кратковременным переменным напряжением (ИКПН)
Если не указано иное, длительность выдержки нормированного испытательного напряжения должна быть равна 60 с при частоте напряжения, не превышающей двойную номинальную частоту. Если частота напряжения при испытании превышает более чем в два раза номинальную частоту (но не более 400 Гц), длительность выдержки испытательного напряжения в секундах должна составлять
Испытание начинают с напряжения не выше 1/3 испытательного напряжения, затем напряжение должно быть поднято до испытательного напряжения настолько быстро, насколько это позволяет считывание показаний измерительного прибора. В конце испытания напряжение должно быть быстро снижено до значения не выше 1/3 испытательного напряжения, после чего напряжение отключают.
Испытание считается успешным, если не произошло падения (среза) испытательного напряжения и не выявлены недопустимые повреждения изоляции, устанавливаемые на основе рассмотрения комплекса признаков, например, изменения показаний приборов (амперметра, вольтметра), частичного повреждения изоляции, отмечаемого по звуку разрядов в баке и выделению газов или дыма, интенсивности частичных разрядов (если такие измерения проводились).
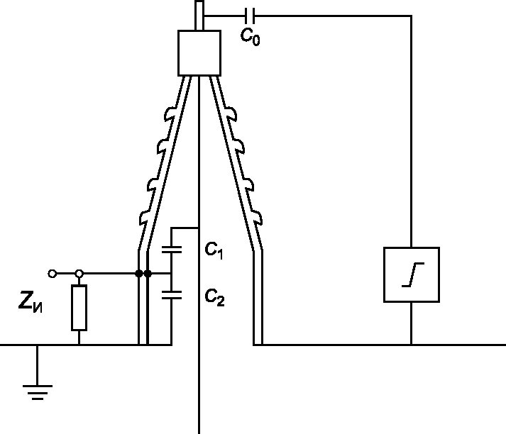
11.3 Испытание длительным переменным напряжением с измерением интенсивности частичных разрядов (ДПН)
11.3.1 Общие указания
Допускается на время проведения испытаний заменить высоковольтные вводы на вводы, свободные от частичных разрядов, если предполагается, что для конкретного типа высоковольтных вводов, указанного заказчиком, их собственный уровень частичных разрядов не позволит обеспечить точные измерения интенсивности частичных разрядов во внутренней изоляции трансформатора.
11.3.2 Длительность выдержки и частота напряжения
Если не указано иное, длительность выдержки переменного напряжения повышенного уровня должна составлять 60 с в случае Uкл <= 750 кВ и 300 с в случае Uкл > 750 кВ при частоте напряжения, не превышающей двойную номинальную частоту. Если частота напряжения при испытании превышает более чем в два раза номинальную частоту (но не более 400 Гц), длительность выдержки напряжения в секундах должна составлять
или
Длительность испытания, за исключением длительности выдержки переменного напряжения повышенного уровня, не должна зависеть от частоты напряжения при испытании.
11.3.3 Порядок проведения испытания
Порядок проведения испытания должен быть следующим:
а) Трансформатор должен быть включен под напряжение не выше

.
б) Напряжение должно быть поднято до значения

, при этом должен быть измерен и записан фоновый уровень ЧР.
в) Напряжение должно быть поднято до значения

и выдержано в течение не менее 1 мин и настолько долго, насколько это необходимо для получения стабильных измерений уровня ЧР.
г) Должен быть измерен и записан уровень ЧР.
д) Напряжение должно быть поднято до нормированного значения длительного переменного напряжения и выдержано в течение не менее 5 мин и настолько долго, насколько это необходимо для получения стабильных измерений уровня ЧР.
е) Должен быть измерен и записан уровень ЧР.
ж) Напряжение должно быть поднято до значения переменного напряжения повышенного уровня и выдержано в течение времени согласно
11.3.2.
и) Непосредственно по истечении времени согласно
11.3.2 напряжение должно быть плавно снижено до нормированного значения длительного переменного напряжения.
к) Должен быть измерен и записан уровень ЧР.
л) После измерения уровня ЧР должно быть выдержано напряжение измерения ЧР в течение не менее 1 ч.
м) В течение одночасового периода испытаний уровень ЧР должен измеряться и записываться каждые 5 мин.
н) После выполнения последнего измерения уровня ЧР в течение одночасового периода испытаний напряжение должно быть снижено до значения

и выдержано в течение не менее 1 мин и настолько долго, насколько это необходимо для получения стабильных измерений уровня ЧР.
п) Должен быть измерен и записан уровень ЧР.
р) Напряжение должно быть снижено до значения

, при этом должен быть измерен и записан фоновый уровень ЧР.
с) Напряжение должно быть снижено до значения менее

.
т) Напряжение должно быть отключено от трансформатора.
Уровень ЧР должен непрерывно регистрироваться по крайней мере одним измерительным каналом в течение всего испытания.
Во время испытания должны фиксироваться уровни напряжений возникновения и погасания ЧР любой значимой интенсивности с целью последующей оценки результатов испытаний в случае, если не выполнены все критерии успешности испытания.
Примечание - Также для анализа результатов может быть полезна запись фазовой диаграммы ЧР (характерного образа ЧР, получаемого путем отображения совокупности значений фазового угла, кажущегося заряда и количества импульсов частичных разрядов за определенный период времени) любой значимой активности ЧР.
Значения переменного напряжения повышенного уровня и длительного переменного напряжения установлены в
7.3.3.1.
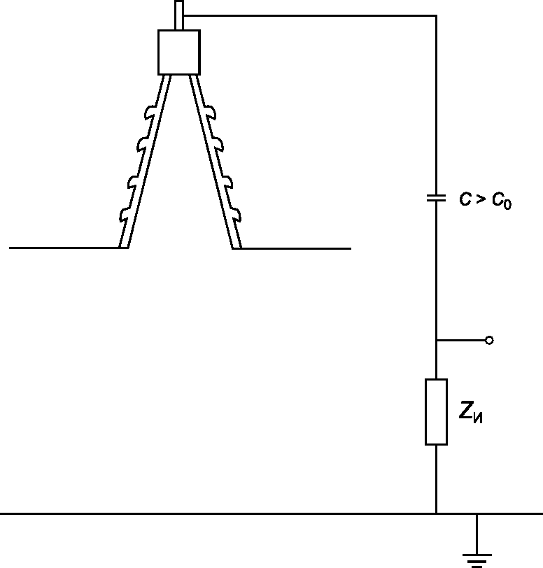
Основные параметры последовательности испытания показаны на
рисунке 1.
Рисунок 1 - Временная последовательность приложения
испытательного напряжения при испытании длительным
переменным напряжением с измерением интенсивности
частичных разрядов (ДПН)
11.3.4 Измерение интенсивности частичных разрядов
Измерения интенсивности ЧР должны проводиться по методу согласно
ГОСТ Р 55191.
Каждый канал измерения ЧР, включая связанный с ним высоковольтный ввод или конденсатор связи, должен быть откалиброван в зависимости от кажущегося заряда в соответствии с методом, установленным в
ГОСТ Р 55191.
Результаты измерений интенсивности ЧР должны быть приведены в пикокулонах (пКл) и должны соответствовать наибольшему установившемуся уровню повторяющихся импульсов, отображаемому измерительным прибором.
Редкие всплески высокого уровня ЧР могут не приниматься во внимание.
Для каждого этапа проведения испытания, требующего измерений уровня ЧР, эти измерения должны быть выполнены и записаны во время испытаний на всех линейных выводах трансформатора, оснащенных высоковольтными вводами классов напряжения 110 кВ и выше. Однако если имеется более шести таких линейных выводов, то допускается выполнять только шесть измерений (включая по одному измерению на каждый вывод обмотки высшего напряжения), если не указано иное.
Примечание - Высоковольтные вводы
классов напряжения 110 кВ и выше имеют измерительные выводы согласно
ГОСТ Р 55187, которые могут быть использованы для измерения интенсивности ЧР. В случае если для трансформаторов
классов напряжения ниже 110 кВ испытание длительным переменным напряжением с измерением интенсивности частичных разрядов (ДПН) указано как специальное испытание, то метод измерения интенсивности ЧР должен быть согласован между изготовителем и заказчиком.
11.3.5 Критерии успешности испытания
Испытание может считаться успешным, если измеренный фоновый уровень ЧР не превышает 50 пКл в начале и конце испытания. При испытаниях шунтирующих реакторов может быть принят допустимым фоновый уровень ЧР до 100 пКл.
Примечание - Более высокий фоновый уровень ЧР для шунтирующих реакторов связан с техническими сложностями фильтрации сигналов от источника питания в случаях, когда необходимо обеспечить большие токи и высокие напряжения.
Испытание считается успешным, если выполняются все следующие условия:
а) не произошло падения (среза) испытательного напряжения;
б) ни один из уровней ЧР, зафиксированных в течение одночасового периода, не превышает 250 пКл;
в) уровни ЧР, измеренные в течение одночасового периода, не показывают какой-либо тенденции к росту и не имеют резкого устойчивого роста в течение последних 20 мин испытания;
г) уровни ЧР, измеренные в течение одночасового периода, не увеличиваются более чем на 50 пКл;
д) уровень ЧР, измеренный на уровне напряжения

после одночасового периода, не превышает 100 пКл.
Если критерии в) или г) не выполнены, одночасовой период может быть продлен. В таком случае эти критерии будут считаться выполненными, если они выполняются непрерывно на протяжении одного часа.
Испытание рассматривают как неразрушающее, если не происходит пробоя изоляции и если высокая интенсивность ЧР не наблюдается в течение длительного периода времени. Невыполнение критериев успешности испытаний в части ЧР не должно служить основанием для немедленной отбраковки, но должно приводить к согласованию между изготовителем и заказчиком дальнейших исследований по выявлению причин. Указания по проведению таких исследований приведены в
приложении А.
12 Испытание линейного вывода кратковременным переменным напряжением (ЛКПН)
Испытание должно быть выполнено таким образом, чтобы напряжение между испытуемым выводом и землей было равным нормированному испытательному напряжению. Линейные выводы испытуемой обмотки должны быть испытаны поочередно. Длительность выдержки, частота и порядок приложения напряжения должны быть такими же, как и для испытания индуктированным кратковременным переменным напряжением (см.
11.2).
Для трансформаторов с обмоткой низшего (среднего) напряжения с неполной изоляцией нейтрали, имеющей регулировочные ответвления, положение переключающего устройства должно быть выбрано так, чтобы одновременно обеспечить требуемые испытательные напряжения на линейных выводах обмоток как высшего, так и низшего (среднего) напряжения. Для трансформаторов с обмоткой низшего (среднего) напряжения с полной изоляцией нейтрали, которая подлежит испытанию приложенным переменным напряжением, положение переключателя выбирается по усмотрению изготовителя.
Испытание считают успешным, если не произошло падения (среза) испытательного напряжения и не выявлены недопустимые повреждения изоляции, устанавливаемые на основе рассмотрения комплекса признаков, например, изменения показаний приборов (амперметра, вольтметра), частичного повреждения изоляции, отмечаемого по звуку разрядов в баке и выделению газов или дыма, интенсивности частичных разрядов (если такие измерения проводились).
Примечание - Данное испытание предназначено исключительно для того, чтобы испытать изоляцию относительно земли линейных выводов обмоток трансформаторов с неполной изоляцией нейтрали. Оно не предназначено для испытания междуфазной изоляции или витковой изоляции, и потому схема испытания может быть выполнена в любом удобном виде, например, с напряжением подпора в нейтрали для снижения напряжения на витковой изоляции. Как правило, такое испытание для трехфазного трансформатора выполняют как три однофазных испытания. В обычных условиях испытание напряжением коммутационного импульса полностью охватывает цель данного испытания. По требованию заказчика во время данного испытания может быть выполнено измерение интенсивности частичных разрядов.
13 Испытание напряжениями грозовых импульсов (ПГИ, СГИ, ГИВН, ГИМВ)
13.1 Требования к испытаниям напряжениями грозовых импульсов
13.1.1 Общие требования
Общие определения терминов, связанных с импульсными испытаниями, и требования к испытательным схемам приведены в
ГОСТ Р 55194. Общие определения терминов, связанных с функциональными испытаниями, и текущие проверки на поверенных измерительных приборах приведены в
ГОСТ Р 55193. Дополнительная информация приведена в
[2].
Для наполненных жидким диэлектриком трансформаторов испытания проводят при отрицательной полярности напряжения, так как это снижает риск случайных внешних перекрытий в испытательной схеме. Заказчик может указать о необходимости приложения импульсов положительной полярности (одного, нескольких или всех). Если заказчику требуется проведение испытания импульсами положительной полярности, то это должно быть указано в запросе и заказе, а также договоре поставки. Если при испытаниях используются импульсы отрицательной и положительной полярности, то могут потребоваться дополнительные опорные импульсы, при этом последовательность испытаний должна быть согласована между изготовителем и заказчиком.
Испытания изоляции сухих силовых трансформаторов и реакторов напряжениями грозовых импульсов должны проводиться импульсами как положительной, так и отрицательной полярности. Примечание - Дополнительное по отношению к МЭК 60076-3:2013 положение введено с целью учета особенностей российской национальной стандартизации в части испытаний сухих трансформаторов и реакторов. |
Интервал времени между приложениями импульсов противоположной полярности должен быть достаточным для растекания остаточного заряда.
13.1.2 Положение переключателя ответвлений
Если диапазон регулирования напряжения составляет не более +/- 5% и номинальная мощность трансформатора составляет не более 2500 кВА, то импульсные испытания должны быть проведены на номинальном ответвлении трансформатора.
Если диапазон регулирования напряжения составляет свыше +/- 5% или номинальная мощность трансформатора составляет свыше 2500 кВА, то, если не оговорено иное, испытания должны быть проведены для номинального и двух крайних положений переключателя ответвлений, разных для каждой фазы трехфазного трансформатора или для однофазных единиц, которые будут образовывать трехфазную группу.
Альтернативно, если указано заказчиком и в особых случаях, например при испытании единичного однофазного трансформатора, трансформатора с несколькими переключающими устройствами или трансформатора с несимметричным диапазоном регулирования, следует использовать положение переключателя ответвлений с наибольшими импульсными воздействиями в обмотках. Соответствующее положение переключателя ответвлений может быть определено путем проведения расчетов или импульсного обмера (осциллографирования при воздействии импульсов низкого напряжения). Если для разных частей внутренней изоляции наибольшие воздействия имеют место на разных положениях переключателя ответвлений, то по соглашению сторон испытания могут быть проведены в этих положениях, разных для каждой фазы трехфазного трансформатора.
Примечание - Особое внимание следует обратить на различие между положениями переключателя ответвлений, в которых происходит переключение предызбирателя для реверсирования регулировочной части обмотки или для переключения грубых ступеней регулирования, поскольку эти положения дают разные воздействия на внутреннюю изоляцию.
В случае испытания трансформатора с обмотками грубого и тонкого регулирования, имеющего переключающее устройство с нелинейным элементом или искровым разрядником, которые могут срабатывать при испытании трансформатора на определенном положении переключателя ответвлений, может быть выбрано другое положение переключателя ответвлений. Соответствующие указания приведены в
[2].
13.1.3 Регистрация во время испытаний
Приложенное испытательное напряжение должно быть записано с помощью измерительной системы, соответствующей
ГОСТ Р 55193. Полученные записи должны четко отображать форму импульса приложенного напряжения (длительность фронта, длительность импульса и максимальное значение).
В протоколе испытаний должны быть представлены записанная кривая и максимальное значение записанной кривой (согласно
ГОСТ Р 55194).
Также в протоколе испытаний должно быть приведено значение испытательного напряжения
Ut, получаемое путем применения какой-либо фильтрации или коррекции выброса на фронте (см.
ГОСТ Р 55194).
Для регистрации колебаний в обмотках должен быть использован по крайней мере один измерительный канал. В большинстве случаев наилучшую чувствительность обнаружения повреждений обеспечивает осциллографирование тока испытываемой обмотки на землю (тока в нейтрали) или тока неиспытываемой закороченной обмотки
(см. ДА.1.2). Примерами других пригодных для регистрации величин являются ток между баком и землей и напряжение, наведенное на неиспытываемой обмотке. Выбранный метод обнаружения повреждений должен быть согласован между изготовителем и заказчиком,
если в запросе, заказе или договоре поставки заказчиком установлены особые требования в части метода обнаружения повреждений.
Дополнительные рекомендации по обнаружению повреждений, приемлемой длительности регистрации и пр. могут быть найдены в
[2].
13.1.4 Схемы испытаний
13.1.4.1 Схемы испытаний линейных выводов
Последовательность импульсных испытаний применяется поочередно к каждому линейному выводу испытуемой обмотки. Другие линейные выводы трансформатора при этом должны быть заземлены непосредственно или, если это необходимо для обеспечения требуемой формы импульса, через сопротивление. Значение сопротивления не должно превышать волновое сопротивление присоединяемой в эксплуатации линии (если заказчик предоставил соответствующее значение) или 400 Ом, в зависимости от того, что меньше. Во всех случаях, напряжение, возникающее во время импульсных испытаний на других линейных выводах относительно земли, не должно превышать 75% испытательного напряжения грозового импульса для обмоток, соединенных в звезду, или 50% для обмоток, соединенных в треугольник. На каждом выводе должно быть использовано минимально возможное значение сопротивления, обеспечивающее получение требуемой формы импульса.
Если обмотка имеет вывод нейтрали, он должен быть заземлен непосредственно или через малое сопротивление, как, например, шунт для измерения тока. Бак трансформатора должен быть заземлен. Если требуемая форма импульса не может быть получена без использования резистора между нейтралью и землей, то должна быть выполнена дополнительная последовательность импульсных испытаний. В этом случае в первой последовательности импульсные испытания обмотки проводят на полное напряжение без резистора в нейтрали, при этом требуемая форма импульса может быть не получена, а во второй последовательности испытаний с резистором в нейтрали достигается требуемая форма импульса. Если требуется проведение испытания напряжением срезанного грозового импульса, такое испытание может не проводиться повторно во второй последовательности испытаний.
Если трансформатор снабжен внутренними нелинейными элементами, например ограничителями перенапряжений, которые будут ограничивать напряжение на внутренних частях трансформатора во время импульсного испытания, то распространяются положения
13.2.3. При испытаниях должны быть включены все внутренние нелинейные элементы, которые будут включены в условиях эксплуатации. Внешние нелинейные элементы и другие внешние элементы для регулирования напряжения, например конденсаторы, должны быть отключены на время проведения испытаний.
Схема испытаний и измерительная схема должны оставаться неизменными во время приложений опорного импульса и импульсов нормированного испытательного напряжения.
Исключения из данной общей процедуры приведены в
13.3.2 и
13.3.3.
Примечание - Если по требованию заказчика необходимо проведение импульсного испытания изоляции обмотки низшего напряжения с Uкл ниже 1 кВ, то такое испытание, как правило, проводят путем подачи напряжения на соединенные вместе выводы обмотки низшего напряжения (в т.ч. нейтрали этой обмотки) при заземлении выводов обмотки высшего напряжения.
13.1.4.2 Схемы испытаний вывода нейтрали
Грозовые импульсы напряжения прикладывают непосредственно к выводу нейтрали, при этом все остальные выводы трансформатора заземляют.
Если трансформатор снабжен внутренними нелинейными элементами, например ограничителями перенапряжений, которые будут ограничивать напряжение на внутренних частях трансформатора во время импульсного испытания, то распространяются положения
13.2.3. При испытаниях должны быть включены все внутренние нелинейные элементы, которые будут включены в условиях эксплуатации. Внешние нелинейные элементы должны быть отключены на время проведения испытаний.
Для трансформаторов, имеющих регулирование напряжения в нейтрали, при проведении испытаний должно быть выбрано ответвление с наибольшим коэффициентом трансформации, если иное не согласовано между изготовителем и заказчиком.
Схема испытаний и измерительная схема должны оставаться неизменными во время приложений опорного импульса и импульсов нормированного испытательного напряжения.
13.1.4.3 Схемы испытаний напряжением грозовых импульсов двух и более соединенных вместе выводов (ГИМВ)
Заказчик должен указать выводы трансформатора, которые должны быть соединены вместе для проведения данного испытания.
Грозовые импульсы напряжения должны быть приложены одновременно к указанным линейным выводам трансформатора, включенным вместе, при этом остальные выводы должны быть заземлены. Уровни испытательных напряжений и детали проведения испытания должны быть согласованы между изготовителем и заказчиком. Испытание должно быть проведено поочередно для каждой из фаз.
Примечание - Во время испытания возникающие внутри обмотки напряжения могут существенно превосходить напряжения на выводах трансформатора.
13.2 Испытание напряжением полного грозового импульса (ПГИ)
13.2.1 Параметры импульса, определение значения испытательного напряжения и допуски
Испытательный импульс напряжения должен быть стандартным полным грозовым импульсом с длительностью фронта 1,2 мкс +/- 30% и длительностью импульса 50 мкс +/- 20%.
При приемо-сдаточном испытании изоляции токоограничивающих реакторов напряжением грозового импульса длительность импульса и отрицательный допуск на длительность фронта не нормируются. Примечание - Дополнительное по отношению к МЭК 60076-3:2013 положение введено с целью учета особенностей российской национальной стандартизации в части требований к испытаниям электрической прочности изоляции токоограничивающих реакторов. |
Значение испытательного напряжения должно быть определено согласно ГОСТ Р 55194 (значение, получаемое после применения функции испытательного напряжения). Наибольшее относительное значение выброса на фронте согласно ГОСТ Р 55194 не должно превышать 10%. Примечание - См. ДБ.10 (приложение ДБ). |
Допуск на испытательное напряжение составляет +/- 3%.
Необходимо, чтобы изготовитель на стадии размещения заявки выполнил оценку пригодности испытательного оборудования для обеспечения формы импульса в пределах установленных допусков для конкретной комбинации трансформатора и испытательного оборудования и имел достаточные основания ожидать выполнения требований. В случаях, когда изготовитель полагает, что обеспечение формы импульса является не реализуемым на практике ввиду характеристик трансформатора и что неизбежны отклонения от установленных параметров импульса, предусмотренных ниже, то это должно быть четко указано в договоре. По запросу заказчику должно быть предоставлено значение эффективной энергии импульса генератора.
Примечание 1 - Минимальная энергия генератора импульсов, необходимая для выполнения требования по длительности импульса (50 мкс) при импульсных испытаниях трансформатора, может быть определена с использованием следующего выражения (данное выражение носит исключительно рекомендательный характер и может приводить к заниженной оценке необходимой энергии; в качестве альтернативы может быть использована информация из предыдущего опыта испытаний аналогичных трансформаторов, при ее наличии):
где Eмин - минимальная необходимая энергия импульсного генератора, Дж;
f - номинальная частота трансформатора, Гц;
t2 - длительность импульса в секундах, t2 = 50·10-6 с;
z - сопротивление короткого замыкания со стороны испытываемых выводов трансформатора (см.
ГОСТ 30830 и ГОСТ Р 52719), %;
U - номинальное линейное напряжение обмотки, В;
UПГИ - испытательное напряжение полного грозового импульса испытываемой обмотки, В;

- коэффициент эффективности импульсного генератора;

;
Sном - номинальная мощность трансформатора (на три фазы), к которой приведено значение сопротивления короткого замыкания z, В·А.
Допустимо увеличение длительности фронта полного грозового импульса для уменьшения выбросов в случае, когда для обмоток, подлежащих испытанию напряжением срезанного грозового импульса, невозможно обеспечить стандартную форму импульса из-за малой индуктивности обмоток или большой емкости на землю, а получаемая форма импульса содержит наложенные колебания такие, что относительное значение выброса превышает 5%. Во всех случаях для
Uкл <=
750 кВ длительность фронта не должна превышать 2,5 мкс. Если относительное значение выброса превышает 5% при уровне напряжения, соответствующем нормированному напряжению полного грозового импульса, то значение испытательного напряжения определяется согласно
ГОСТ Р 55194. Допустимо применять рекомендации
приложения Б ГОСТ Р 55194-
2012 к оценке параметров грозового импульса независимо от величины выброса.
Примечание 2 - Вышеприведенные указания предоставляют два пути решения проблемы выбросов с относительным значением более 5%. Может быть увеличена длительность фронта, при этом если она превысит значение 1,2 мкс + 30%, то потребуется проведение испытания напряжением срезанного грозового импульса для обеспечения воздействия высокой частоты. Альтернативно или в дополнение может быть увеличено максимальное значение напряжения грозового импульса (максимальное значение записанной кривой) посредством применения функции испытательного напряжения согласно
ГОСТ Р 55194 в случае, если выброс превышает 5%, а частота наложенных колебаний превышает 100 кГц.
Для трансформаторов с
Uкл >
750 кВ возможны случаи, когда длительность фронта менее 2,5 мкс не может быть достигнута из-за очень высокой входной емкости на землю. В этих случаях

длительность фронта может быть принята по соглашению между изготовителем и заказчиком.
Если минимально допустимая длительность импульса не достигнута, то может быть принята более короткая длительность импульса, но при этом испытательное напряжение должно быть увеличено на 1% для каждых 2 мкс отклонения длительности импульса от 40 мкс. В этом случае минимально допустимая длительность составляет 20 мкс. В случае обмоток низшего напряжения генераторных трансформаторов, для которых электрическое соединение выполнено таким образом, что в эксплуатации исключено появление грозовых импульсов, это требование может быть изменено по соглашению сторон.
Примечание 3 - При приемо-сдаточном испытании токоограничивающих реакторов указанное выше увеличение испытательного напряжения не требуется. Примечание 4 - Дополнительное по отношению к МЭК 60076-3:2013 примечание 3 введено с целью учета особенностей российской национальной стандартизации в части требований к испытаниям электрической прочности изоляции токоограничивающих реакторов. |
Дополнительные указания могут быть найдены в
[2].
13.2.2 Испытание трансформаторов без встроенных нелинейных элементов
13.2.2.1 Последовательность испытания
Последовательность испытания должна содержать:
а) один опорный импульс напряжением от 50 до 70% нормированного испытательного напряжения;
б) три последующих импульса напряжением 100% нормированного испытательного напряжения.
Если во время любого из указанных выше приложений напряжения происходит перекрытие во внешней изоляции или разряд в искровом промежутке, включенном параллельно вводу трансформатора, или если не удается выполнить запись по какому-либо измерительному каналу, такое приложение напряжения не должно приниматься во внимание, и должно быть выполнено повторное приложение напряжения.
Примечание - При испытании к трансформатору могут быть приложены дополнительные импульсы с максимальным значением, не превышающим уровень напряжения опорного импульса, такие дополнительные импульсы не требуется приводить в протоколе испытаний.
13.2.2.2 Критерии успешности испытания
Испытание считают успешным, если отсутствуют существенные отличия между осциллограммами напряжения и тока, записанными при опорном импульсе напряжения, и осциллограммами, записанными при нормированном испытательном напряжении.
Примечание - Детальная интерпретация записанных осциллограмм и выявление различий между незначительными расхождениями и расхождениями, указывающими на повреждение, требуют наличия высокой квалификации и опыта. Дополнительная информация приведена в
[2].
Если возникло падение (срез) напряжения, а между изготовителем и заказчиком достигнуто соглашение не считать испытание неуспешным, то последовательность испытания должна быть завершена, и затем должна быть повторно выполнена полная последовательность испытания с использованием исходного опорного импульса. Если при этом отмечено последующее падение (срез) напряжения или отклонение, то испытание считают неуспешным.
Дополнительные наблюдения в процессе испытания (необычные звуки и т.д.) могут быть использованы для интерпретации осциллографических записей, однако сами по себе они не являются доказательствами отрицательного результата испытаний.
13.2.3 Испытания трансформаторов со встроенными нелинейными элементами
13.2.3.1 Последовательность испытания
Нелинейные элементы или ограничители перенапряжений, встроенные в трансформатор для ограничения переходных перенапряжений, могут срабатывать во время испытания, что может привести к различиям между осциллограммами, записанными при разных уровнях напряжения. Существует пороговое напряжение, при котором начинают появляться различия, обусловленные нелинейными элементами, и последовательность испытания должна включать по меньшей мере одну запись ниже этого порогового напряжения.
Последовательность испытания должна содержать:
а) один опорный импульс напряжением от 50 до 60% нормированного испытательного напряжения;
б) один опорный импульс напряжением от 60 до 75% нормированного испытательного напряжения;
в) один опорный импульс напряжением от 75 до 90% нормированного испытательного напряжения;
г) три последующих импульса напряжением 100% нормированного испытательного напряжения;
д) сравнительный импульс напряжением по возможности таким же, как в
в);
е) сравнительный импульс напряжением по возможности таким же, как в
б);
ж) сравнительный импульс напряжением по возможности таким же, как в
а).
Напряжения опорных импульсов должны отличаться друг от друга по меньшей мере на 10% от нормированного испытательного напряжения.
Если осциллограммы, полученные при приложениях нормированного испытательного напряжения, не отличаются от соответствующих осциллограмм, полученных для опорного импульса наименьшего напряжения, то допускается не прикладывать указанные выше
импульсы д),
е) и
ж).
Примечание - При испытании к трансформатору могут быть приложены дополнительные импульсы с максимальным значением, не превышающим уровень напряжения опорного импульса, такие дополнительные импульсы не требуется приводить в протоколе испытаний.
Если во время любого из указанных выше приложений напряжения происходит перекрытие во внешней изоляции или разряд в искровом промежутке, включенном параллельно вводу трансформатора, или если не удается выполнить запись по какому-либо измерительному каналу, такое приложение напряжения не должно приниматься во внимание, и должно быть выполнено повторное приложение напряжения.
13.2.3.2 Критерии успешности испытания
Испытание считают успешным, если отсутствуют существенные отличия между осциллограммами напряжения и тока, записанными при опорных импульсах напряжения, и осциллограммами, записанными при нормированном испытательном напряжении.
Если это условие не выполнено, то должно быть сделано сравнение осциллограмм напряжения и тока для следующих импульсов:
- всех импульсов 100% уровня напряжения.
Испытание считают успешным, если отсутствуют существенные отличия между сравниваемыми осциллограммами (за исключением тех, что могут быть объяснены небольшими различиями в значениях испытательного напряжения), а любые отличия между следующими друг за другом осциллограммами являются монотонно возрастающими и согласуются с надлежащей работой нелинейных элементов.
Примечание - Дополнительная информация приведена в
[2].
Если возникло падение (срез) напряжения, а между изготовителем и заказчиком достигнуто соглашение не считать испытание неуспешным, то последовательность испытания должна быть завершена, и затем должна быть повторно выполнена полная последовательность испытания с использованием исходного опорного импульса. Если при этом отмечено последующее падение (срез) напряжения или отклонение, то испытание считают неуспешным.
Дополнительные наблюдения в процессе испытания (необычные звуки и т.д.) могут быть использованы для интерпретации осциллографических записей, однако сами по себе они не являются доказательствами отрицательного результата испытаний.
13.3 Испытание напряжением срезанного грозового импульса (СГИ)
13.3.1 Параметры импульса Форма полных грозовых импульсов должна быть согласно 13.2.1. Срезанный грозовой импульс должен иметь предразрядное время от 3 до 6 мкс. Время до первого перехода напряжения через ноль непосредственно после среза должно быть как можно меньше. Испытание должно быть выполнено без преднамеренно включенного в цепи среза демпфирующего сопротивления, но если при приложении сниженного напряжения коэффициент перехода через нуль K0 (отношение максимального значения первого полупериода колебаний после среза к максимальному значению срезанного импульса) превышает 0,6 для трансформаторов и реакторов класса напряжения до 330 кВ включительно и 0,3 для трансформаторов и реакторов класса напряжения 500 кВ и выше, то в цепи среза может быть включено минимально возможное сопротивление для снижения коэффициента K0 до значения не менее 0,6 в первом случае и не менее 0,3 во втором. Предразрядное время может быть принято равным от 2 до 3 мкс при условии, что максимальное значение грозового импульса достигается до момента среза. Примечания 1 Трансформаторы обычно проектируют таким образом, чтобы они выдерживали срезанный грозовой импульс с максимальным значением первого полупериода колебаний после среза, равным 60 и 30% от максимального значения импульса для трансформаторов и реакторов класса напряжения до 330 кВ включительно и класса напряжения 500 кВ и выше соответственно. Если трансформатор должен быть испытан третьей стороной, максимальное значение первого полупериода колебаний после среза должно быть ограничено этим значением. 2 См. ДБ.11 (приложение ДБ). |
Как правило, при испытаниях напряжением срезанного грозового импульса используют те же параметры генератора импульсов и измерительного оборудования, что и при испытании напряжением полного грозового импульса, и добавляют лишь срезающее устройство.
При записи осциллограмм срезанных грозовых импульсов могут быть использованы развертки по времени, отличные от используемых для полных грозовых импульсов.
Рекомендуется использовать управляемое срезающее устройство с регулируемым предразрядным временем, при этом допустимо применение стержневого
или шарового разрядника
(см. также ГОСТ Р 55194-2012, пункт 5.2.2).
Максимальное значение напряжения срезанного грозового импульса должно быть согласно
7.2.2.
13.3.2 Испытание трансформаторов без встроенных нелинейных элементов
13.3.2.1 Последовательность испытания
Испытание совмещают в одну последовательность с испытанием напряжением полного грозового импульса. Если не указано иное, порядок приложения импульсов должен быть следующий:
а) один опорный полный грозовой импульс напряжением от 50 до 70% нормированного испытательного напряжения полного грозового импульса;
б) один полный грозовой импульс напряжением 100% нормированного испытательного напряжения полного грозового импульса;
в) три срезанных грозовых импульса напряжением 100% нормированного испытательного напряжения срезанного грозового импульса; Примечание - См. ДБ.12 (приложение ДБ). |
г) два полных грозовых импульса напряжением 100% нормированного испытательного напряжения полного грозового импульса.
При испытании срезанным грозовым импульсом применяют те же измерительные каналы и осциллографические записи, что и при испытании полным грозовым импульсом.
Примечание - При испытании к трансформатору могут быть приложены дополнительные полные или срезанные грозовые импульсы с максимальным значением, не превышающим напряжение опорного импульса, такие дополнительные импульсы не требуется приводить в протоколе испытаний.
Если во время любого из указанных выше приложений напряжения происходит перекрытие во внешней изоляции или разряд в искровом промежутке, включенном параллельно вводу трансформатора, или если не удается выполнить запись по какому-либо измерительному каналу, такое приложение напряжения не должно приниматься во внимание, и должно быть выполнено повторное приложение напряжения.
Для всех последовательных приложений срезанных грозовых импульсов должно быть использовано по возможности одинаковое предразрядное время.
13.3.2.2 Критерии успешности испытания
Испытание считают успешным, если отсутствуют существенные отличия между осциллограммами напряжения и тока, записанными при опорном импульсе напряжения, и осциллограммами, записанными при нормированном испытательном напряжении, включая срезанные грозовые импульсы до момента среза. Отличия в срезанных грозовых импульсах после момента среза могут быть вызваны незначительными изменениями в работе и времени срабатывания срезающего устройства.
Примечание - Детальная интерпретация записанных осциллограмм и выявление различий между незначительными расхождениями и расхождениями, указывающими на повреждение, требуют наличия высокой квалификации и опыта. Дополнительная информация приведена в
[2].
Если возникло падение (срез) напряжения, а между изготовителем и заказчиком достигнуто соглашение не считать испытание неуспешным, то последовательность испытания должна быть завершена, и затем должна быть повторно выполнена полная последовательность испытания с использованием исходного опорного импульса. Если при этом отмечено последующее падение (срез) напряжения или отклонения, то испытание считают неуспешным.
Дополнительные наблюдения в процессе испытания (необычные звуки и т.д.) могут быть использованы для интерпретации осциллографических записей, однако сами по себе они не являются доказательствами отрицательного результата испытаний.
13.3.3 Испытание трансформаторов со встроенными нелинейными элементами
13.3.3.1 Последовательность испытания
Испытание совмещают в одну последовательность с испытанием напряжением полного грозового импульса.
Нелинейные элементы или ограничители перенапряжений, встроенные в трансформатор для ограничения переходных перенапряжений, могут срабатывать во время испытания, что может привести к различиям между осциллограммами, записанными при разных уровнях напряжения. Существует пороговое напряжение, при котором начинают появляться различия, обусловленные нелинейными элементами, и последовательность испытания должна включать по меньшей мере одну запись ниже этого порогового напряжения.
Последовательность испытания должна содержать:
а) один опорный полный грозовой импульс напряжением от 50 до 60% нормированного испытательного напряжения полного грозового импульса;
б) один опорный полный грозовой импульс напряжением от 60 до 75% нормированного испытательного напряжения полного грозового импульса;
в) один опорный полный грозовой импульс напряжением от 75 до 90% нормированного испытательного напряжения полного грозового импульса;
г) один полный грозовой импульс напряжением 100% нормированного испытательного напряжения полного грозового импульса;
д) три срезанных грозовых импульса напряжением 100% нормированного испытательного напряжения срезанного грозового импульса; Примечание - См. ДБ.13 (приложение ДБ). |
е) два полных грозовых импульса напряжением 100% нормированного испытательного напряжения полного грозового импульса;
ж) сравнительный полный грозовой импульс напряжением по возможности таким же, как в
в);
и) сравнительный полный грозовой импульс напряжением по возможности таким же, как в
б);
к) сравнительный полный грозовой импульс напряжением по возможности таким же, как в
а).
Напряжения опорных импульсов должны отличаться друг от друга по меньшей мере на 10% от нормированного испытательного напряжения.
Если осциллограммы, полученные при приложениях нормированного испытательного напряжения, не отличаются от соответствующих осциллограмм, полученных для опорного импульса наименьшего напряжения, то допускается не прикладывать указанные выше
импульсы ж),
и) и
к).
Интервал времени между приложением последнего срезанного грозового импульса и следующего за ним полного грозового импульса должен быть минимально возможным.
Примечание - При испытании к трансформатору могут быть приложены дополнительные полные или срезанные грозовые импульсы с максимальным значением, не превышающим 75% нормированного испытательного напряжения. Такие дополнительные импульсы не требуется приводить в протоколе испытаний.
Если во время любого из указанных выше приложений напряжения происходит перекрытие во внешней изоляции или разряд в искровом промежутке, включенном параллельно вводу трансформатора, или если не удается выполнить запись по какому-либо измерительному каналу, такое приложение напряжения не должно приниматься во внимание, и должно быть выполнено повторное приложение напряжения.
При испытании срезанным грозовым импульсом применяют те же измерительные каналы и осциллографические записи, что и при испытании полным грозовым импульсом.
Для всех последовательных приложений срезанных грозовых импульсов должно быть использовано по возможности одинаковое предразрядное время.
13.3.3.2 Критерии успешности испытания
Испытание считают успешным, если отсутствуют существенные отличия между осциллограммами напряжения и тока, записанными при опорном импульсе напряжения, и осциллограммами, записанными при нормированном испытательном напряжении, включая срезанные грозовые импульсы до момента среза. Отличия в срезанных грозовых импульсах после момента среза могут быть вызваны незначительными изменениями в работе и времени срабатывания срезающего устройства.
Если это условие не выполнено, то должно быть сделано сравнение осциллограмм напряжения и тока для следующих импульсов:
- всех полных грозовых импульсов 100% уровня напряжения;
- всех срезанных грозовых импульсов до момента среза.
Испытание считают успешным, если отсутствуют существенные отличия между сравниваемыми осциллограммами (за исключением тех, что могут быть объяснены небольшими различиями в значениях испытательного напряжения), а любые отличия между следующими друг за другом осциллограммами являются монотонно возрастающими и согласуются с надлежащей работой нелинейных элементов.
Примечание 1 - Дополнительная информация приведена в
[2].
Если возникло падение (срез) напряжения, а между изготовителем и заказчиком достигнуто соглашение не считать испытание неуспешным, то последовательность испытания должна быть завершена, и затем должна быть повторно выполнена полная последовательность испытания с использованием исходного опорного импульса. Если при этом отмечено последующее падение (срез) напряжения или отклонения, то испытание считают неуспешным.
Дополнительные наблюдения в процессе испытания (необычные звуки и т.д.) могут быть использованы для интерпретации осциллографических записей, однако сами по себе они не являются доказательствами отрицательного результата испытаний.
Примечание 2 - Информация, приведенная в
[2] в части оценки формы импульса, основана на визуальном анализе полученных осциллографических записей. При определенных обстоятельствах более целесообразно выполнить оценку параметров формы нестандартных импульсов вручную, чем полагаться полностью на программные средства.
13.4 Испытание напряжением грозового импульса вывода нейтрали (ГИВН)
13.4.1 Общие указания
Полный грозовой импульс с напряжением, указанным для нейтрали, должен быть приложен непосредственно к выводу нейтрали, при этом остальные выводы трансформатора должны быть заземлены.
13.4.2 Параметры импульса
Параметры полных грозовых импульсов должны быть согласно
13.2.1, за исключением длительности фронта, для которой допускается увеличение до 13 мкс.
13.4.3 Последовательность испытания
Последовательность испытания должна быть согласно
13.2.2.1 для трансформаторов без встроенных нелинейных элементов и согласно
13.2.3.1 для трансформаторов со встроенными нелинейными элементами.
13.4.4 Критерии успешности испытания
Критерии успешности испытания должны быть согласно
13.2.2.2 для трансформаторов без встроенных нелинейных элементов и согласно
13.2.3.2 для трансформаторов со встроенными нелинейными элементами.
14 Испытание напряжением коммутационного импульса (КИ)
При испытании напряжением коммутационного импульса возникающие в обмотках трансформатора напряжения примерно пропорциональны отношению числа витков.
Значение напряжения при испытании напряжением коммутационного импульса должно определяться обмоткой с наибольшим значением
Uкл. Если имеется возможность регулирования отношения числа витков между обмотками путем переключения ответвлений, должны быть использованы те ответвления, при которых напряжение на обмотке с меньшим значением
Uкл будет как можно ближе к соответствующему значению
согласно 7.2.2. Напряжение на обмотке с меньшим значением
Uкл может быть меньше нормируемого для этой обмотки испытательного напряжения, что является допустимым. Если для обмоток с меньшим значением
Uкл согласно 7.2.2 нет нормированного значения испытательного напряжения, то изготовитель может выбрать любое положение переключателя ответвлений для испытаний, если иное не указано заказчиком.
В трехфазных трансформаторах напряжение, возникающее между линейными выводами во время испытания, должно быть примерно в 1,5 раза больше напряжения между линейным выводом и выводом нейтрали.
Импульсы напряжения прикладывают либо непосредственно от импульсного генератора к линейному выводу обмотки высшего напряжения, либо к обмотке низшего или среднего напряжения так, чтобы требуемое испытательное напряжение индуктировалось в обмотке высшего напряжения. При этом напряжение, возникающее при испытании между линейным выводом обмотки высшего напряжения и землей, должно быть равным нормированному испытательному напряжению. Испытательное напряжение должно быть измерено на линейном выводе обмотки высшего напряжения.
Трехфазный трансформатор должен быть испытан пофазно.
Выведенная нейтраль соединенных в звезду обмоток должна быть заземлена непосредственно или через малое сопротивление, как, например, шунт для измерения тока. При испытании таких обмоток на двух неиспытываемых линейных выводах возникает напряжение противоположной полярности с максимальным значением, примерно равным половине испытательного напряжения, потому эти неиспытываемые выводы не следует заземлять, но допустимо соединить вместе. Для ограничения напряжения противоположной полярности на уровне около 50% от испытательного напряжения допускается включение демпфирующего резистора с большим сопротивлением (от 5 до 20 кОм) между неиспытываемыми линейными выводами и землей.
Примечания 1 При испытании трехфазных трансформаторов с пятистержневым магнитопроводом в соответствии с указаниями данного подраздела напряжение на двух неиспытываемых линейных выводах может превышать 50%, в результате чего напряжение на междуфазной изоляции обмотки высшего напряжения может быть свыше 150% от нормированного испытательного напряжения относительно земли и, таким образом, превысить нормированное испытательное напряжение междуфазной изоляции. Для предотвращения воздействия на междуфазную изоляцию напряжения сверх нормированного рекомендуется проводить испытания изоляции относительно земли отдельно от испытаний междуфазной изоляции, например, с использованием схем испытаний, приведенных в приложении ДА (см. ДА.2). 2 Дополнительное по отношению к МЭК 60076-3:2013 примечание 1 введено с целью учета особенностей российской национальной стандартизации в части требований к электрической прочности изоляции. |
Для обмоток, соединенных в треугольник, линейный вывод, соответствующий концу обмотки испытываемой фазы, при испытании должен быть заземлен непосредственно или через малое сопротивление, при этом другие выводы должны быть незамкнуты. Испытания трехфазных трансформаторов должны быть выполнены таким образом, чтобы для разных фаз заземлялись разные выводы треугольника. Обмотки, предназначенные для соединения в треугольник и имеющие более трех выведенных наружу выводов, должны быть собраны в треугольник для проведения испытания.
Если для однофазного трансформатора, имеющего одну или более обмоток, оба конца которых в эксплуатации будут подключены к линии, указано проведение испытания напряжением коммутационного импульса, то такое испытание должно применяться к обоим концам обмотки.
Для обмоток, соединенных в звезду и не имеющих выведенной или заземленной нейтрали, не всегда возможно обеспечить требуемое испытательное напряжение посредством заземления одного или нескольких линейных выводов, в этом случае схема испытаний должна быть согласована между изготовителем и заказчиком.
Защитные искровые промежутки, установленные на вводах трансформатора, могут быть демонтированы либо может быть увеличено расстояние между их электродами для исключения их срабатывания во время испытаний.
Испытания внутренней изоляции проводят, как правило, при отрицательной полярности напряжения для снижения риска случайных перекрытий в испытательной схеме.
Импульс напряжения должен иметь время подъема (
Tп по
ГОСТ Р 55194) не менее 100 мкс, время свыше 90% нормированного максимального значения (
T90 по
ГОСТ Р 55194) не менее 200 мкс и длительность импульса (
Tи по
ГОСТ Р 55194) не менее 1000 мкс.
Примечание 1 - Параметры импульса отличны от стандартного апериодического коммутационного импульса 250/2500 мкс по
ГОСТ Р 55194, поскольку стандартный апериодический коммутационный импульс предназначен для испытания оборудования, не имеющего насыщающихся магнитных цепей. Время подъема
Tп принято достаточно большим для обеспечения практически линейного распределения напряжения вдоль обмоток.
В процессе испытания может происходить уменьшение длительности импульса за счет остаточной намагниченности магнитопровода, что может быть устранено путем создания в стержне магнитопровода остаточной намагниченности, имеющей обратный знак по отношению к магнитному потоку, создаваемому при приложении испытательного напряжения. Как правило, это выполняется путем подачи импульсов противоположной полярности с напряжением, не превышающим 70% от нормированного испытательного напряжения, но могут быть использованы и другие методы. Допустима длительность импульса менее 1000 мкс, если при этом было достигнуто полное обратное насыщение сердечника.
Примечание 2 - Во время испытания в магнитной цепи создается значительный магнитный поток. Импульс напряжения может сохранять свою форму до того момента, пока в стержне не будет достигнуто насыщение стали и не произойдет резкого снижения магнитного сопротивления магнитопровода трансформатора.
При испытании объектов, не имеющих магнитопровода или имеющих магнитопровод с воздушными зазорами, допустима длительность импульса менее 1000 мкс (см. также
[2]).
14.4 Последовательность испытания
Последовательность испытания должна состоять из одного опорного импульса напряжением от 50 до 70% нормированного испытательного напряжения и трех импульсов нормированного испытательного напряжения. Перед приложением каждого импульса нормированного испытательного напряжения должно быть выполнено приложение достаточного количества импульсов обратной полярности, чтобы обеспечить аналогичное намагничивание магнитопровода перед приложением каждого такого импульса и сделать длительности импульсов примерно равными, насколько это возможно.
Примечание - Если при приложении нормированного испытательного напряжения не происходит насыщения магнитопровода, то приложение импульсов обратной полярности не требуется.
При испытании должно быть выполнено осциллографирование импульса напряжения на испытываемом линейном выводе и тока, протекающего между испытываемой обмоткой и землей. Если во время любого из указанных выше приложений напряжения происходит перекрытие во внешней изоляции или разряд в искровом промежутке, включенном параллельно вводу трансформатора, или если не удается выполнить запись по какому-либо измерительному каналу, такое приложение напряжения не должно приниматься во внимание, и должно быть выполнено повторное приложение напряжения.
14.5 Критерии успешности испытания
Испытание считают успешным, если не произошло падения (среза) испытательного напряжения и отсутствуют резкие изменения в осциллограммах напряжения или тока.
Дополнительные наблюдения в процессе испытания (необычные звуки и т.д.) могут быть использованы для интерпретации осциллографических записей, однако сами по себе они не являются доказательствами отрицательного результата испытаний.
Примечание - Следующие друг за другом осциллограммы могут отличаться в связи с влиянием насыщения магнитопровода на длительность импульса.
15 Действия в случае неуспешных испытаний
Если трансформатор не выдержал одно из испытаний электрической прочности изоляции, то после устранения повреждений должна быть повторена полная последовательность испытаний электрической прочности изоляции при нормированных значениях испытательных напряжений. Однако в случаях, когда есть основания полагать, что некоторые части трансформатора, которые были проверены полностью, не были затронуты повреждением или ремонтом, то по усмотрению заказчика эти части могут не испытываться повторно. Особое внимание следует уделять возможности загрязнения или переходных процессов внутри трансформатора, вызванных повреждениями отдельных элементов, которые могут приводить к повреждениям других элементов трансформатора.
Если трансформатор не удовлетворяет критериям успешности испытания, и установлено, что причиной тому является повреждение высоковольтного ввода, то при условии, что заказчику доказано, что трансформатор не пострадал при повреждении ввода, допустимо заменить этот ввод и незамедлительно продолжить испытания трансформатора до завершения.
Если критерии успешности не выполняются в определенном испытании в результате внешнего по отношению к трансформатору перекрытия, то данное испытание может быть повторено, и в случае успешности последовательность испытаний может быть завершена, при этом повторение ранее выполненных успешных испытаний не требуется.
16 Внешние воздушные промежутки
Этот раздел стандарта применим в случаях, когда размеры внешних воздушных промежутков не указаны заказчиком. Если размеры воздушных промежутков указаны заказчиком, изготовитель может применить более высокие значения, если это требуется по условию проведения испытаний.
Под размером внешнего воздушного промежутка понимается кратчайшее расстояние между любой металлической частью ввода трансформатора, находящейся под напряжением, и любой другой частью трансформатора, определяемое по линии, не проходящей через тело изолятора (высоковольтного ввода).
Данный стандарт не применим для выбора воздушных промежутков между частями самих вводов. Для того чтобы ввод выдержал установленные для него испытания, необходимая его длина может быть больше указанных в данном стандарте размеров внешних воздушных промежутков.
Настоящий стандарт не учитывает риска проникновения птиц и других животных.
Указанные в данном стандарте размеры воздушных промежутков относительно земли основаны на приведенных в
[1] значениях для системы электродов "стержень-плоскость" при напряжении полного грозового импульса менее 850 кВ и системы электродов "провод-плоскость" при больших напряжениях полного грозового импульса. Следует применять наибольший из размеров воздушных промежутков, определяемых по напряжениям коммутационного и полного грозового импульсов. Размеры воздушных промежутков между фазами основаны на значениях, приведенных в
[1] для системы электродов "провод-провод" и соответствующих отношению значений напряжения коммутационного импульса между фазами и относительно земли, равному 1,5. В связи с этим предполагается, что в случае нормированного испытательного напряжения полного грозового импульса 850 кВ и более концы высоковольтных вводов и любые соединения, как правило, имеют скругленные формы электродов.
Предполагается, что зажимы проводников и соответствующие экранирующие электроды имеют подходящую скругленную форму, такую, что они не уменьшают напряжение полного разряда внешней изоляции. Также предполагается, что расположение присоединенных проводников не сокращает расчетные размеры воздушных промежутков, предусмотренные в трансформаторе. Конструкция должна обеспечивать присоединение необходимых проводников к выводам высоковольтных вводов, не приводя при этом к сокращению размеров воздушных промежутков, приведенных в настоящем стандарте.
Если заказчиком предусмотрено выполнение соединений с трансформатором особым образом, который приведет к снижению расчетных размеров воздушных промежутков, это должно быть указано в запросе и договоре поставки.
В случае сравнительно небольшого оборудования на большие номинальные напряжения, а также в случае ограничений по месту для установки может быть технически сложным обеспечить размеры воздушных промежутков, отвечающие требованиям настоящего стандарта. Принцип, заложенный в настоящем стандарте, состоит в том, чтобы обеспечить минимальные некритичные размеры воздушных промежутков, которые отвечают требованиям без какой-либо необходимости дальнейшего их рассмотрения или подтверждения при различных состояниях системы и при разных климатических условиях. Другие размеры воздушных промежутков, основанные на существующей практике, подлежат согласованию между изготовителем и заказчиком.
Размеры воздушных промежутков определяют по нормированным испытательным напряжениям
внешней изоляции трансформатора, если иное не указано в запросе и заказе. В случае если размеры воздушных промежутков трансформатора равны или превышают значения, указанные в настоящем стандарте, и высоковольтные вводы имеют правильно выбранные параметры согласно
ГОСТ Р 55187, то внешняя изоляция трансформатора считается удовлетворяющей требованиям настоящего стандарта без дополнительных испытаний.
Примечание 1 - В отличие от внутренней изоляции внешняя изоляция характеризируется зависимостью импульсной электрической прочности от полярности напряжения. Испытания, нормированные для внутренней изоляции трансформатора, не подтверждают автоматически того, что внешняя изоляция соответствует установленным требованиям. Рекомендуемые размеры воздушных промежутков выбраны по положительной полярности напряжения как наиболее определяющей.
Примечание 2 - В некоторых странах нормированные размеры воздушных промежутков могут отличаться, если они были выбраны, лишь исходя из выдерживаемых значений напряжения полного грозового импульса и переменного напряжения.
Примечание 3 - В случае применения меньших воздушных промежутков, чем указано в данном разделе стандарта, должны быть проведены типовые испытания на конструкции, имитирующей фактические размеры воздушных промежутков, с использованием испытательных напряжений и методов испытаний, нормированных для внешней изоляции трансформатора по ГОСТ Р 55195 и ГОСТ Р 55194 соответственно (см. ДБ.15, приложение ДБ). |
Если трансформатор предназначен для эксплуатации на высоте установки над уровнем моря свыше 1000 м, требуемые размеры воздушных промежутков должны быть увеличены на 1% на каждые 100 м сверх 1000 м.
Требования установлены для следующих воздушных промежутков:
- от вводов до заземленных частей и нейтрали;
- между вводами разных фаз одной обмотки;
- между вводами обмотки высшего напряжения и обмотки низшего напряжения (см.
16.2).
Из вышеуказанного следует, что рекомендуемые значения размеров воздушных промежутков являются, по сути, минимальными значениями. Конструктивные размеры воздушных промежутков, представляющие собой номинальные значения с учетом нормальных производственных допусков, должны быть выбраны так, чтобы фактические размеры воздушных промежутков были не меньше нормированных значений. Конструктивные размеры воздушных промежутков должны быть указаны на габаритном чертеже.
Эти положения должны быть приняты в качестве доказательства того, что трансформатор соответствует требованиям настоящего стандарта или требуемым уточненным значениям, которые могут быть согласованы в конкретном договоре на поставку оборудования.
16.2 Размеры воздушных промежутков
Минимальные размеры воздушных промежутков приведены в
таблице 5 для каждого из значений
класса напряжения Uкл, а также испытательных напряжений грозового и коммутационного импульсов.
Таблица 5 Минимальные размеры воздушных промежутков | |
Класс напряжения обмотки Uкл, кВ | Напряжение полного грозового импульса (ПГИ), кВ | Напряжение коммутационного импульса (КИ), кВ | Минимальные размеры воздушных промежутков, мм |
до заземленных частей | между фазами |
<= 1,0 | - | - | - | - |
3 | 40 | - | 60 | 60 |
6 | 60 | - | 90 | 90 |
10 | 75 | - | 120 | 120 |
15 | 95 | - | 160 | 160 |
20 | 125 | - | 220 | 220 |
24 | 150 | - | 280 | 280 |
27 | 170 | - | 320 | 320 |
35 | 190 | - | 360 | 360 |
110 | 480 | - | 900 | 1000 |
150 | 550 | - | 1100 | 1200 |
220 | 750 | - | 1500 | 1700 |
330 | 950 | 850 | 1900 | 2600 |
1050 | 950 | 2200 | 3100 |
500 | 1300 | 1050 | 2600 | 3600 |
1550 | 1230 | 3600 | 5000 |
750 | 1800 | 1425 | 4200 | 5800 |
2100 | 1550 | 4900 | 6700 |
1150 | 2250 | 1800 | 6300 | - |
Примечание - См. ДБ.16 (приложение ДБ). |
Приведенные минимальные размеры воздушных промежутков между фазами относятся только к промежуткам между линейными выводами одной обмотки. Размеры воздушных промежутков до заземленных частей относятся ко всем остальным промежуткам, включая промежутки до линейных выводов других обмоток и вывода нейтрали.
(справочное)
РУКОВОДСТВО ПО ИЗМЕРЕНИЮ ИНТЕНСИВНОСТИ ЧАСТИЧНЫХ РАЗРЯДОВ
В ТРАНСФОРМАТОРАХ
А.1 Общие сведения
Данное приложение в первую очередь применимо для измерений интенсивности частичных разрядов, выполняемых в процессе проведения испытания длительным переменным напряжением с измерением интенсивности частичных разрядов (ДПН) согласно
11.3, но может быть также применимо для любых других измерений интенсивности частичных разрядов.
Согласно ГОСТ Р 55191 под частичным разрядом (ЧР) понимается электрический разряд, который шунтирует лишь часть изоляции между электродами, находящимися под разными потенциалами. В трансформаторе такой частичный разряд вызывает переходное изменение напряжения относительно земли на каждом внешне доступном выводе обмотки.
Для измерения интенсивности частичных разрядов измерительные элементы подключают между заземленным баком и выводами трансформатора, как правило, через измерительный вывод высоковольтного ввода или через отдельный соединительный конденсатор, как описано в
А.2.
Фактический заряд, проходящий в месте частичного разряда, не может быть измерен непосредственно, вместо него на выводе трансформатора измеряется кажущийся заряд
q согласно
ГОСТ Р 55191, используя подходящую калибровку (см.
А.2).
| | ИС МЕГАНОРМ: примечание. В официальном тексте документа, видимо, допущена опечатка: пункт А.5 отсутствует. | |
Отдельный частичный разряд приводит к различным значениям кажущегося заряда на разных выводах трансформатора. Сравнение одновременно полученных показаний на разных выводах может дать информацию о местонахождении источника частичного разряда внутри трансформатора (см. А.5).
Методика приемо-сдаточных испытаний, приведенная в
11.3, предполагает необходимость измерения кажущегося заряда на линейных выводах обмоток.
А.2 Подключение измерительных и калибровочных цепей - процедура калибровки
Методы измерения и требования к измерительному оборудованию установлены в
ГОСТ Р 55191.
Принцип калибровки состоит в определении изменения напряжения на одном из выводов трансформатора, вызываемого подачей на этот вывод калиброванного значения заряда. Изменение напряжения измеряется с помощью последовательно включенного соединительного конденсатора (как правило, ввода конденсаторного типа) и измерительного элемента. Стандартным подключением при испытании трансформаторов является подключение измерительного элемента непосредственно к измерительному выводу ввода.
Измерительное оборудование может быть подключено к измерительному элементу с помощью соответствующего коаксиального кабеля. Волновое сопротивление кабеля и согласованное с ним входное сопротивление измерительного прибора могут являться частью сопротивления измерительного элемента. В некоторых системах используют оптоволоконные кабели между измерительным элементом и записывающим оборудованием. Как правило, измерительный элемент, кабель и измерительный прибор поставляются вместе, за счет чего достигается оптимизация показателей системы в целом.
При измерении интенсивности частичных разрядов на одном из линейных выводов обмотки обычной практикой является включение сопротивления измерительного элемента
Zи между измерительным выводом соответствующего ввода конденсаторного типа и заземленным фланцем этого ввода (см.
рисунок А.1). Если конструкцией ввода не предусмотрен измерительный вывод, можно изолировать фланец ввода относительно бака и использовать его в качестве измерительного вывода. Емкости между центральной трубой и измерительным выводом ввода и между измерительным выводом и землей работают как емкостной делитель напряжения для сигнала частичного разряда. Калибровка выполняется путем подачи калибровочного сигнала между верхней контактной клеммой ввода и землей. Для учета влияния фильтрующих цепей (если они используются) и дополнительной емкости элементов испытательной схемы в процессе калибровки к контактной клемме ввода должна быть подключена по возможности большая часть испытательной схемы, не находящаяся под напряжением.

Рисунок А.1 - Схема для калибровки измерения интенсивности
частичных разрядов с использованием измерительного
вывода ввода конденсаторного типа
Если измерения интенсивности ЧР должны быть сделаны на выводе трансформатора, на котором установлен высоковольтный ввод без измерительного вывода или изолированного фланца, то используют отдельный высоковольтный соединительный конденсатор. Для измерений необходим соединительный конденсатор, свободный от частичных разрядов, а его емкость
C должна быть достаточно большой по сравнению с емкостью калибровочного генератора
C0 (дополнительные требования - см.
ГОСТ Р 55191). Измерительный элемент (с защитным искровым промежутком) подключается между выводом низкого напряжения конденсатора и землей (см.
рисунок А.2).
Рисунок А.2 - Схема измерения интенсивности
частичных разрядов с использованием высоковольтного
соединительного конденсатора
Калибровка всей измерительной системы производится путем введения известного заряда через вывод трансформатора. В соответствии с
ГОСТ Р 55191 калибровочный генератор состоит из генератора прямоугольных импульсов с короткими фронтами и включенного последовательно с его выходом конденсатора с известной емкостью
C0.
Емкость
C0 должна быть небольшой по сравнению с
C1 (см.
ГОСТ Р 55191 для дополнительных требований относительно времени подъема и выбора
C0). Если генератор подключен между выводом трансформатора и землей, вводимый заряд от генератора импульсов будет равен:
q0 = U0C0,
где q0 - калибровочный кажущийся заряд;
U0 - напряжение калибровочных импульсов, выбранное для обеспечения необходимого значения q0;
C0 - значение емкости последовательного конденсатора.
Уровень калибровочного заряда q0 должен соответствовать установленному предельному уровню частичных разрядов (как правило, в диапазоне от 50 до 200% от предельного значения). Для проверки работы измерительного прибора могут быть полезны дополнительные измерения с помощью калибровочного генератора при различных значениях q0.
Удобным является применение калибровочного генератора с частотой повторения импульсов, синхронизированной с промышленной частотой, поскольку в таком случае результирующий импульс может быть отображен на измерительном приборе, также синхронизованном с промышленной частотой.
Во избежание ошибок соединительные провода между выводом трансформатора и калибровочным генератором, а также между калибровочным генератором и землей (на фланце ввода) должны быть настолько короткими, насколько это возможно. Желательно, чтобы калибровочный генератор имел питание от батареи и небольшие габариты для удобного использования на выводах трансформатора.
Этот метод калибровки обеспечивает измерение на выводе трансформатора кажущегося заряда, являющегося основной характеристикой частичных разрядов в данном стандарте, но не дает фактической интенсивности частичных разрядов, происходящих вдали от вывода, поскольку путь распространения сигнала от места разряда к выводу при калибровке не учитывается.
А.3 Измерительные приборы и частотные диапазоны
Характеристики измерительных приборов должны соответствовать
ГОСТ Р 55191.
Графическое отображение любого обнаруженного частичного разряда, как правило, является полезным, в частности, потому, что это позволяет различить реальные частичные разряды в трансформаторе от помех. Такое различение основано на анализе частоты повторения, момента времени появления ЧР на кривой напряжения, различий в полярности и др.
Во время испытания уровень частичных разрядов должен наблюдаться непрерывно либо через короткие промежутки времени. Непрерывная запись сигнала не является обязательной.
Системы измерения частичных разрядов классифицируются как узкополосные и широкополосные системы. Узкополосные системы работают с полосой пропускания около 10 кГц или менее на определенной частоте настройки (например, измерители радиопомех). Широкополосные системы используют относительно большое соотношение между нижней и верхней границей частотного диапазона, например, 50 и 800 кГц.
При использовании узкополосной системы помех от местных радиостанций можно избежать путем соответствующей настройки средней частоты диапазона, при этом требуется дополнительная проверка того, что резонансные явления в обмотках трансформатора вблизи частоты измерения не оказывают сильного влияния на результаты измерений. Узкополосный прибор должен работать на частоте не выше 500 кГц, предпочтительно менее 300 кГц, что связано со следующими причинами. Во-первых, передача импульса разряда сопровождается сильным затуханием высокочастотных компонентов. Во-вторых, при подаче калибровочного импульса на линейный вывод импульс, скорее всего, будет возбуждать локальные колебания на выводе и вблизи него, что усложнит калибровку в случае, когда используется средняя частота диапазона выше 500 кГц.
Широкополосная измерительная система является менее критичной в части затуханий и реакции на различные формы импульсов, но является более восприимчивой к помехам при проведении испытаний в помещениях, не имеющих электромагнитного экранирования. Для уменьшения помех от внешних воздействий, например радиопередающих устройств, могут быть использованы заграждающие фильтры или другие типы фильтров.
Выбор диапазона частот для измерений не влияет на общую картину импульсов частичных разрядов и статистическое поведение разряда, которые могут быть использованы для определения источника разрядов.
Как итог, предпочтение следует отдавать широкополосным измерительным системам ввиду большей вероятности обнаружения частичных разрядов, при этом полоса пропускания должна быть не менее 100 кГц. В определенных случаях для устранения помех может потребоваться применение узкополосных систем. Следует обратить особое внимание на выбор средней частоты диапазона для обеспечения приемлемой чувствительности к частичным разрядам в трансформаторе.
А.4 Действия при неуспешном испытании
Критерии успешности испытаний в части уровня ЧР приведены в
11.3.5. Если при испытании не произошло среза (падения) напряжения, но испытание было неуспешным по причине превышения допустимых значений уровня ЧР, то такое испытание должно первоначально рассматриваться как неразрушающее, а объект испытаний не должен быть немедленно отбракован на основании такого результата. При этом должны быть выполнены дальнейшие исследования в целях идентификации и определения местоположения источника частичного разряда.
Следующим важным моментом является то, сохранялись ли при напряжении ниже рабочего частичные разряды, которые были инициированы во время приложения испытательного напряжения и коррелируют с фазой напряжения, поскольку такие частичные разряды с большой степенью вероятности будут губительны для трансформатора в эксплуатации.
В первую очередь следует провести анализ испытательной схемы, чтобы найти какой-либо явный признак не относящихся к объекту испытаний источников частичных разрядов. После этого следует провести обсуждение между изготовителем и заказчиком, чтобы принять решение о необходимости дальнейших дополнительных испытаний или других действий для того, чтобы подтвердить наличие серьезных частичных разрядов или удовлетворительное для эксплуатации состояние трансформатора.
Ниже приведены некоторые предложения, которые могут быть полезными во время вышеуказанных действий.
- Следует установить, коррелируют показания измерений уровня ЧР с последовательностью испытания или они являются лишь совпадением и вызваны сигналами от источников, отличных от частичных разрядов. Для этого целесообразно выполнить осциллографирование и запись фазовых диаграмм частичных разрядов. Например, сигналы от внешних возмущений могут быть идентифицированы по их несинхронности с испытательным напряжением.
- Следует установить, не передаются ли сигналы, воспринимаемые как частичные разряды, от источника питания. В таких случаях может быть полезной установка фильтров нижних частот на подводящих проводах, соединяющих источник питания с испытуемым трансформатором.
- Следует установить, находится источник частичных разрядов внутри трансформатора или снаружи него (объекты с плавающим потенциалом в испытательном зале, токоведущие части в воздухе или острые кромки на заземленных частях трансформатора). Поскольку данное испытание направлено на проверку внутренней изоляции трансформатора, допускается и рекомендуется применение электростатического экранирования во внешней изоляции трансформатора.
- Следует установить возможное расположение источника (или источников) применительно к электрической схеме трансформатора, для чего могут быть полезны пофазное испытание и испытание приложенным напряжением. Существует несколько известных и опубликованных методов локации источников частичных разрядов. Один из методов - метод градуировочной матрицы основан на корреляции показаний и калибровки для разных пар выводов трансформатора (в дополнение к обязательной регистрации показаний между линейным выводом и землей,
см. приложение ДА, ДА.4.2). Также в случае применения широкополосной измерительной системы возможно сравнение характерных форм импульсов во время испытаний с соответствующими калибровочными осциллограммами. Отдельным случаем является выявление частичных разрядов в изоляции ввода конденсаторного типа.
- Следует установить расположение источника (или источников) внутри бака акустическим или ультразвуковым методом обнаружения.
- Следует установить место и характер источника, используя ультравысокочастотные электромагнитные датчики, введенные в бак.
- Следует установить возможную физическую природу источника на основе выводов, сделанных, исходя из изменений сигналов в зависимости от уровня испытательного напряжения, эффекта гистерезиса, картины следования импульсов частичных разрядов относительно кривой испытательного напряжения, развития частичных разрядов во времени и пр.
- Частичные разряды в изоляционных системах могут быть вызваны недостаточной сушкой или недостаточной пропиткой жидким диэлектриком, что, как правило, может быть выявлено по фазовой диаграмме частичных разрядов. В этом случае могут быть применены повторная технологическая обработка трансформатора или перерыв в испытании на некоторое время с последующим повторением испытания.
- Даже ограниченное действие частичного разряда относительно высокой интенсивности может привести к локальному разложению масла или жидкого диэлектрика и временному снижению напряжений погасания и зажигания частичных разрядов, но исходные условия могут восстановиться самостоятельно за несколько часов.
- Относительно небольшое изменение уровня частичных разрядов с увеличением напряжения, фазовая диаграмма частичных разрядов, характерная для плавающих частиц примесей в электрическом поле, и отсутствие увеличения уровня со временем могут быть приняты в качестве доказательств того, что трансформатор пригоден для эксплуатации. В этом случае может быть согласовано повторение испытания, возможно, с увеличением длительности его проведения и, возможно, с повышением уровня напряжения, поскольку это может снизить уровень частичных разрядов с течением времени.
- Как правило, после выемки активной части из бака (или снятии колокола бака) не обнаруживаются следы частичных разрядов, за исключением случаев, когда трансформатор подвергался в течение длительного периода времени воздействию частичных разрядов с интенсивностью, значительно превышающей допустимый уровень. К такой процедуре можно прибегнуть лишь в крайнем случае, когда другие средства улучшения характеристик трансформатора или определения источника частичных разрядов не дали должного результата.
(справочное)
ПЕРЕНАПРЯЖЕНИЯ, НАВЕДЕННЫЕ НА ОБМОТКЕ НИЗШЕГО НАПРЯЖЕНИЯ
С ОБМОТКИ ВЫСШЕГО НАПРЯЖЕНИЯ
Б.1 Общие сведения
Проблема наведенных перенапряжений в контексте электрических сетей рассмотрена в
[3]. Сведения, приведенные ниже, затрагивают только вопросы, связанные с самим трансформатором при особых условиях эксплуатации. Рассматриваемые наведенные перенапряжения представляют собой выбросы напряжения или перенапряжения переходного режима.
Примечание - Определение воздействий на обмотки низшего напряжения является обязанностью заказчика. Если такая информация не может быть предоставлена, изготовитель может предоставить информацию об ожидаемых наведенных напряжениях при разомкнутых выводах обмотки низшего напряжения, а также о параметрах резисторов или конденсаторов, которые необходимы для ограничения напряжений в пределах допустимых значений.
Б.2 Передача импульсного напряжения
Б.2.1 Общие сведения
Рассмотрение наведенных перенапряжений для конкретной установки трансформатора в общем случае оправдано только для крупных генераторных трансформаторов, которые обладают большим коэффициентом трансформации, и для крупных сетевых трансформаторов высокого напряжения, имеющих третичные обмотки с низким напряжением.
Следует рассмотреть наведенные напряжения на третичной обмотке однофазных автотрансформаторов при их соединении в трехфазную группу, поскольку такие автотрансформаторы испытывают отдельно друг от друга.
Для подтверждения того, что наведенные напряжения не превышают указанный уровень, или того, что применение специальных средств ограничения перенапряжений не требуется, может быть выполнено осциллографирование наведенных напряжений с использованием генератора повторяющихся импульсов низкого напряжения. В качестве альтернативы такие измерения могут быть выполнены при пониженном напряжении во время импульсных испытаний.
Удобно различать два механизма передачи импульсов, а именно емкостную передачу напряжения и индуктивную передачу напряжения.
Б.2.2 Емкостная передача напряжения
Емкостная передача перенапряжения на обмотку низшего напряжения может в первом приближении быть описана как емкостное деление напряжения. Простейшая эквивалентная схема относительно выводов обмотки низшего напряжения состоит из источника электродвижущей силы (ЭДС) и последовательно включенной проходной емкости
Ct (см.
рисунок Б.1).
Рисунок
Б.1 - Схемы замещения
для емкостного наведения напряжения
Эквивалентная ЭДС есть доля s от набегающего импульса напряжения на стороне обмотки высшего напряжения. Ct имеет порядок 10-9 Ф; s и Ct не являются четко определенными величинами и зависят от формы фронта импульса напряжения. Их значения могут быть определены путем осциллографирования. Предварительный расчет значений этих величин не является достоверным.
Подключение выводов вторичных обмоток к распределительным устройствам, коротким кабелям или дополнительным конденсаторам (емкостью несколько нФ), которое эквивалентно включению сосредоточенной емкости Cs непосредственно к выводам этих обмоток (даже в течение первой микросекунды), уменьшает максимальные значения наведенных перенапряжений. Более длинные кабели или шины могут быть представлены их волновым сопротивлением. Получаемая форма перенапряжений на вторичных обмотках, как правило, имеет вид коротких (микросекундных) импульсов, соответствующих фронту набегающей волны перенапряжения.
Б.2.3 Индуктивная передача напряжения
Индуктивная передача импульса напряжения зависит от протекания импульсного тока в обмотке высшего напряжения.
При отсутствии внешней нагрузки на вторичной обмотке переходное напряжение, как правило, имеет характер наложенных затухающих колебаний с частотой, определяемой индуктивностью рассеяния и емкостью обмотки.
Снижение индуктивно передаваемых компонент перенапряжения может быть осуществлено путем демпфирования колебаний с помощью ограничителя перенапряжений или путем изменения колебательного процесса с помощью емкостной нагрузки. При использовании конденсаторов значение их емкости, как правило, должно быть порядка десятых долей мкФ; в этом случае они будут также автоматически устранять емкостно передаваемые компоненты, поскольку индуктивность соединительной цепи сравнительно невелика.
Параметры трансформатора, которые участвуют в индуктивной передаче перенапряжений, более четко определены и менее зависят от скорости нарастания (или частоты) напряжения по сравнению с теми, что участвуют в емкостной передаче. Для дополнительной информации см. техническую литературу по данной теме.
Б.3 Наведенные перенапряжения промышленной частоты
Существует опасность перенапряжений промышленной частоты вследствие емкостного деления напряжения, когда обмотка низшего напряжения, расположенная рядом с обмоткой высшего напряжения, не соединена с землей или соединена с землей посредством высокоомного сопротивления, в то время как обмотка высшего напряжения находится под напряжением.
Риск повреждения очевиден для обмоток однофазных трансформаторов, но он также может быть для обмоток трехфазных трансформаторов, когда напряжение первичной обмотки становится несимметричным, как это происходит при замыканиях на землю. В особых случаях могут возникнуть условия резонанса.
Третичные и компенсационные обмотки крупных трансформаторов также подвержены тому же риску. Заказчик обязан не допускать ситуаций, когда третичная обмотка в эксплуатации случайно оставляется соединенной с землей через очень большое сопротивление. Следует предусмотреть постоянное подключение компенсационной обмотки к земле (баку), выполняемое снаружи или внутри бака.
Перенапряжения определяются значениями емкостей между обмотками и между обмотками и землей. Эти емкости могут быть измерены на низкой частоте относительно выводов трансформатора в различных комбинациях, кроме того, они могут быть вычислены с достаточной точностью.
(справочное)
ИНФОРМАЦИЯ ОБ ИЗОЛЯЦИИ ТРАНСФОРМАТОРА И ИСПЫТАНИЯХ
ЕЕ ЭЛЕКТРИЧЕСКОЙ ПРОЧНОСТИ, КОТОРУЮ СЛЕДУЕТ ПРЕДОСТАВЛЯТЬ
ПРИ ЗАПРОСЕ И ЗАКАЗЕ
В.1 Общие сведения
Для каждой обмотки трансформатора в запросе и заказе должна быть предоставлена следующая информация в соответствии со значением Uкл обмотки.
Примечание - Несмотря на то что значения КИ и ИКПН могут быть указаны для обмотки низшего напряжения трансформатора, эти значения могут не быть достигнуты в процессе испытания в зависимости от коэффициента трансформации трансформатора.
Рекомендуется, чтобы схемы и методики испытаний были согласованы во время размещения заказа или на стадии анализа конструкции, в особенности схемы испытаний индуктированным напряжением сложных трансформаторов, имеющих обмотку высшего напряжения с неполной изоляцией нейтрали (см.
примечание к разделу 12), и методика импульсных испытаний обмоток низшего напряжения большой мощности и вывода нейтрали (см.
13.3). Применение нелинейных защитных устройств, встроенных в трансформатор, должно быть указано заводом-изготовителем при запросе и на этапе заказа и должно быть показано в табличке на схеме соединения обмоток.
В.2 Трансформаторы и обмотки с Uкл <= 35 кВ Во всех случаях: - значение наибольшего рабочего напряжения Uн.р; - значение номинального напряжения обмотки Uном; - значение испытательного приложенного кратковременного переменного напряжения (ПКПН); - значение испытательного напряжения полного грозового импульса (ПГИ); - значение испытательного напряжения срезанного грозового импульса (СГИ). В особых случаях: - требуется ли измерение интенсивности частичных разрядов, должно ли это измерение быть сделано одновременно с испытанием индуктированным кратковременным переменным напряжением или отдельно от него и должно ли это измерение быть сделано только на одной единице оборудования, предназначенной для проведения типовых испытаний, или на всех единицах; должна быть указана продолжительность выдержки напряжения при измерении интенсивности частичных разрядов, если она меньше чем один час; - требуется ли проведение импульсных испытаний на всех единицах оборудования, поставляемых по заказу, а не только на одной единице той же конструкции; - размеры воздушных промежутков, если они отличаются от указанных в разделе 16. В.3 Трансформаторы и обмотки с 35 кВ < Uкл <= 150 кВ Во всех случаях: - значение наибольшего рабочего напряжения Uн.р; - значение номинального напряжения обмотки Uном; - значение испытательного приложенного кратковременного переменного напряжения (ПКПН); - значение испытательного переменного напряжения линейных выводов (ЛКПН); - значение испытательного напряжения полного грозового импульса линейных выводов (ПГИ); - значение испытательного напряжения срезанного грозового импульса линейных выводов (СГИ). Для трансформаторов, допускающих работу с разземлением нейтрали: - значение испытательного напряжения полного грозового импульса вывода нейтрали (ГИВН). В особых случаях: - требуется ли испытание длительным переменным напряжением с измерением интенсивности частичных разрядов (ДПН); - требуется ли проведение импульсных испытаний на всех единицах оборудования, поставляемых по заказу, а не только на одной единице той же конструкции; - размеры воздушных промежутков, если они отличаются от указанных в разделе 16. В.4 Трансформаторы и обмотки с Uкл > 150 кВ Во всех случаях: - значение наибольшего рабочего напряжения Uн.р; - значение номинального напряжения обмотки Uном; - значение испытательного напряжения полного грозового импульса линейных выводов (ПГИ); - значение испытательного напряжения срезанного грозового импульса линейных выводов (СГИ); - значение испытательного напряжения коммутационного импульса линейных выводов (КИ); - значение испытательного приложенного кратковременного переменного напряжения (ПКПН); - значение испытательного кратковременного переменного напряжения линейных выводов (ЛКПН). В особых случаях: - требуется ли применение более высоких уровней напряжения для испытаний длительным переменным напряжением с измерением интенсивности частичных разрядов; - требуется ли испытание напряжением грозового импульса вывода нейтрали (ГИВН) и каким должно быть значение испытательного напряжения; - требуется ли проведение импульсных испытаний на всех единицах оборудования, поставляемых по заказу, а не только на одной единице той же конструкции; - размеры воздушных промежутков, если они отличаются от указанных в разделе 16. Примечание - См. ДБ.17 (приложение ДБ). |
(справочное)
ВЫБОР УРОВНЯ ИЗОЛЯЦИИ НЕЙТРАЛИ
Г.1 Общие сведения
Рекомендации настоящего приложения позволяют определить минимальные значения испытательных напряжений для нейтрали обмотки трансформатора с неполной изоляцией, которая не соединена с землей наглухо. Так, для ограничения токов коротких замыканий или по другим причинам вывод нейтрали может быть соединен с землей через значительное сопротивление (например, дугогасящий реактор, заземляющий реактор или резистор).
Выбор испытательных напряжений вывода нейтрали трансформатора, предназначенного для использования совместно с отдельным трансформатором для регулирования напряжения нейтрали, не охвачен этим приложением.
Когда вывод нейтрали не соединен с землей наглухо, устройства защиты от перенапряжений должны быть установлены между нейтралью и землей с целью ограничения переходных перенапряжений. В обязанности заказчика входят выбор устройства защиты от перенапряжений, определение его импульсного защитного уровня и указание соответствующего испытательного импульсного напряжения для нейтрали трансформатора.
Примечание - Для целей проведения испытания линейного вывода кратковременным переменным напряжением изготовитель может спроектировать обмотку с неполной изоляцией на больший уровень изоляции нейтрали, чем это установлено.
Испытательное кратковременное переменное напряжение нейтрали должно быть не менее наибольшего действующего значения напряжения, возникающего на нейтрали при коротких замыканиях в системе. Испытательное напряжение грозового импульса нейтрали должно быть выбрано с некоторым запасом по отношению к остающемуся напряжению защитного устройства, при этом оба этих напряжения должны быть не менее максимального напряжения, возникающего в системе при коротких замыканиях. Далее приведены формулы для расчета максимальных напряжений на нейтрали, заземленной через сопротивление.
Г.2 Расчет тока короткого замыкания в нейтрали
Максимальный ток короткого замыкания в нейтрали Iк.з двухобмоточного трехфазного трансформатора со схемой и группой соединения обмоток Yн/Yн-0 (однофазное замыкание на землю на стороне соединенной в звезду вторичной обмотки) может быть рассчитан по следующей формуле:
где
E - фазное напряжение, равное

, В;
Z1с - сопротивление прямой последовательности сети, Ом;
Z2с - сопротивление обратной последовательности сети, Ом;
Z0с - сопротивление нулевой последовательности сети, Ом;
Z1т - сопротивление прямой последовательности трансформатора, Ом;
Z2т - сопротивление обратной последовательности трансформатора, Ом;
Z0т - сопротивление нулевой последовательности трансформатора, Ом;
ZN - сопротивление, включенное между нейтралью и землей, Ом;
Zк.з - сопротивление в месте короткого замыкания (принимается равным нулю), Ом.
Примечание - В соответствии с общепринятой практикой для расчета наихудшего случая за основу могут быть приняты следующие значения:

,
Z1с = 0,
Z2с = 0,
Z0с = 0 и
Zк.з = 0.
В случае двухобмоточного трансформатора со схемой и группой соединения обмоток Yн/D-11 наибольший ток короткого замыкания в нейтрали Iк.з будет иметь место при однофазном замыкании на первичной стороне и может быть рассчитан по следующей формуле: Примечания 1 Вышеприведенная формула получена в допущении о том, что Z0с << Z0т + 3ZN и Zк.з = 0. 2 Данное дополнение к МЭК 60076-3:2013 введено с целью учета особенностей российской национальной стандартизации и практики в части схем и групп соединения обмоток трехфазных трансформаторов классов напряжения 110 кВ и выше. |
Г.3 Минимальный уровень изоляции
Г.3.1 Минимальное значение приложенного переменного напряжения
Минимальный уровень приложенного кратковременного переменного напряжения нейтрали должен быть выбран в
соответствии с 7.2.2, исходя из того, что он должен быть не ниже напряжения
UN КПЧ, определяемого по формуле:
UN КПЧ = Iк.зZN.
Г.3.2 Минимальное значение напряжения полного грозового импульса
Уровень испытательного напряжения полного грозового импульса должен быть выбран так, чтобы обеспечить запас над рабочим уровнем защитного устройства, который должен быть выбран так, чтобы защитное устройство не срабатывало при коротких замыканиях в системе. Наибольший асимметричный пик напряжения в этих условиях определяется как
где Kv - коэффициент асимметрии напряжения.
В случае чисто активного
ZN коэффициент
Kv соответствует ударному коэффициенту
Kуд, установленному в
ГОСТ Р 52719. Для индуктивного
ZN коэффициент
Kv будет ниже из-за меньшего влияния апериодической составляющей тока. Коэффициент
Kv может быть принят равным 2 для наихудшего случая - трансформатора с очень большим отношением X/R и небольшого активного
ZN, но на практике будет менее 2. В случае чисто индуктивного
ZN коэффициент
Kv может быть принят равным 1,05, что соответствует наихудшему случаю с трансформатором, имеющим отношение X/R около 7. Рекомендуется рассчитывать
UN max с использованием модели системы.
Г.4 Пример
Трансформатор со схемой соединения обмоток Yн/D-11 с номинальным напряжением обмотки высшего напряжения (ВН) 158 кВ (Uн.р = 172 кВ), номинальной мощностью 100 МВА, сопротивлением прямой последовательности 12% при 100 МВА и сопротивлением нулевой последовательности 10,8% и нейтралью обмотки ВН, заземленной через реактор с сопротивлением 39 Ом, для случая бесконечной мощности короткого замыкания сети будет иметь следующий ток в нейтрали обмотки ВН при однофазном замыкании на землю в сети ВН, характеризующейся отношением Z0с/Z1с = 3: что дает напряжение на нейтрали UN КПЧ = Iк.зZN = 1250·39 = 48,8 кВ, таким образом, минимальное значение приложенного кратковременного переменного напряжения нейтрали из таблицы 2 ( таблицы 5.1 ГОСТ Р 55195-2012) составляет 50 кВ. Принимая Kv = 1,05 для индуктивного сопротивления в нейтрали, наибольшее напряжение на нейтрали при коротком замыкании в сети будет равно: Поскольку защитное устройство не должно срабатывать при амплитудном напряжении 72,4 кВ, его наибольший уровень длительно допустимого переменного напряжения должен быть не менее  . Подходящий ограничитель перенапряжений для этого напряжения (при условии его допустимости в течение 10 с) имеет остающееся напряжение 130 кВ при импульсе тока 10 кА. С учетом некоторого запаса уровень испытательного напряжения полного грозового импульса для нейтрали может быть принят равным 150 кВ. Испытательному напряжению полного грозового импульса 150 кВ соответствуют Uкл = 24 кВ, Uн.р = 26,5 кВ и кратковременное (одноминутное) переменное напряжение 60 кВ, и эти значения следует указать для нейтрали. Примечание - В данном примере устранена неточность в расчете тока короткого замыкания в нейтрали, которая имеет место в оригинальном тексте МЭК 60076-3:2013 в связи с применением формулы, справедливой для трансформатора со схемой и группой соединения обмоток Yн/Yн-0, для расчета тока в нейтрали трансформатора со схемой и группой соединения обмоток Yн/D-11. Также уточнены значения отдельных величин с учетом российской национальной стандартизации и практики. Оригинальный текст МЭК 60076-3:2013 - см. ДБ.18 (приложение ДБ). |
(справочное)
БАЗОВЫЕ ПРИНЦИПЫ ДЛЯ УСТАНОВЛЕНИЯ ИСПЫТАНИЙ
ЭЛЕКТРИЧЕСКОЙ ПРОЧНОСТИ ИЗОЛЯЦИИ,
УРОВНЕЙ ИЗОЛЯЦИИ И ВНЕШНИХ ВОЗДУШНЫХ ПРОМЕЖУТКОВ
Д.1 Общие замечания
Настоящий стандарт направлен на то, чтобы изоляция относительно земли и между фазами, в т.ч. изоляция нейтрали относительно земли, а также продольная изоляция обмоток трансформаторов была надлежащим образом испытана.
Для достижения этой цели в зависимости от уровня напряжения и типа трансформатора были выбраны различные виды испытаний, а также установлены испытательные напряжения (
см. 7.2.2), скоординированные надлежащим образом.
В настоящем приложении приведены принципы, которые преобладали во время разработки данного стандарта. В общем виде разработка стандарта была выполнена с целью упрощения необходимых испытаний и уточнения требований, не увеличивая или уменьшая общий уровень испытаний, который рассматривается как обеспечивающий хороший результат на протяжении многих лет применения.
Д.2 Испытания
Д.2.1 Испытание трансформаторов с Uкл <= 35 кВ Эти трансформаторы включают в себя распределительные трансформаторы, которые часто выпускаются в больших количествах для одной определенной конструкции. Испытания таких трансформаторов должны оставаться быстрыми и недорогими. Поскольку все трансформаторы и обмотки с Uкл не более 35 кВ производятся с полной изоляцией нейтрали, изоляция линейных выводов и вывода нейтрали относительно земли проверяется одновременно во время испытания приложенным кратковременным переменным напряжением (ПКПН). В связи с этим испытание индуктированным кратковременным переменным напряжением (ИКПН) требуется только для проверки витковой изоляции, и испытание приложением двойного номинального напряжения признано обеспечивающим достаточный запас. Конструкция изоляции относительно земли и между фазами и продольная изоляция обмоток проверяется при испытаниях напряжением полного и срезанного грозовых импульсов (ПГИ и СГИ), но для ограничения объема испытательного оборудования, необходимого для испытаний этой категории трансформаторов, импульсные испытания сохранены в качестве типовых испытаний, без перевода их в разряд приемо-сдаточных испытаний. Испытание длительным переменным напряжением с измерением интенсивности частичных разрядов (ДПН) рассматривается также как слишком дорогое и слишком длительное для общего применения на этих трансформаторах, и более того, его цели покрывают испытания ИКПН и ПКПН. Д.2.2 Испытание трансформаторов с 110 кВ <= Uкл <= 150 кВ Трансформаторы этого среднего диапазона, как правило, производятся на заказ, и из-за большей передаваемой мощности установлены требования более тщательной проверки их качества. Для обмоток с неполной изоляцией нейтрали уровень испытательного напряжения ограничен электрической прочностью изоляции нейтрали, потому испытание приложенным переменным напряжением (ПКПН) недостаточно для подтверждения электрической прочности линейных выводов относительно земли. В связи с этим испытание линейного вывода кратковременным переменным напряжением (ЛКПН) является приемо-сдаточным испытанием. Изоляция относительно земли и между фазами также испытывается типовыми испытаниями напряжением полного и срезанного грозовых импульсов (ПГИ и СГИ). Д.2.3 Испытание трансформаторов с Uкл >= 220 кВ Данная категория трансформаторов охватывает крупные трансформаторы для магистральных сетей и генераторные трансформаторы. В связи с ограниченным количеством выпускаемых единиц и необходимостью более тщательной проверки качества этих крупных и ответственных трансформаторов установлены следующие испытания. Проверка изоляции относительно земли приложенным кратковременным переменным напряжением (ПКПН) нормирована в качестве приемо-сдаточного испытания. Испытание линейного вывода кратковременным переменным напряжением (ЛКПН) также установлено в качестве приемо-сдаточного испытания. Испытание длительным переменным напряжением с измерением интенсивности частичных разрядов (ДПН) служит для проверки качества витковой изоляции, изоляции относительно земли и между фазами, при этом выводы трансформатора соединяются так же, как и в условиях эксплуатации. Испытание напряжением коммутационного импульса (КИ) используется для проверки электрической прочности изоляции относительно земли и между фазами и установлено в качестве типового испытания для трансформаторов классов напряжения 330 кВ и выше. Испытания напряжениями полного и срезанного грозовых импульсов для этих трансформаторов установлены в качестве типовых испытаний. Исключение составляют испытания напряжением полного грозового импульса линейных выводов обмоток ВН и СН силовых трансформаторов (автотрансформаторов) классов напряжения 750 кВ и выше и обмоток ВН генераторных трансформаторов для атомных электростанций, установленные в качестве приемо-сдаточных испытаний. Примечание - См. ДБ.19 (приложение ДБ). |
Д.3 Испытательные напряжения
Для согласования с существующей практикой уровни изоляции МЭК 60076-3:2013 (таблицы 2 и 3) были исключены и заменены соответствующей ссылкой на ГОСТ Р 55195; для удобства использования в настоящий стандарт включены таблицы 2 - 4, повторяющие таблицы 5.1 - 5.3 ГОСТ Р 55195-2012 и содержащие нормированные испытательные напряжения силовых трансформаторов и реакторов. Для испытания длительным переменным напряжением с измерением интенсивности частичных разрядов (ДПН) значение напряжения повышенного уровня  соответствует значению  , увеличенному на 5% с целью учета перехода от Uн.р к Uном и гармонизации с МЭК 60076-3:2013. Примечание - См. ДБ.20 (приложение ДБ). |
Д.4 Внешние воздушные промежутки
Значения, приведенные в
таблице 5 для воздушных промежутков до заземленных частей, являются наибольшими из нормированных в
[1] для соответствующих уровней испытательных напряжений полного грозового или коммутационного импульсов. При выборе размеров воздушных промежутков для напряжения грозового импульса не более 750 кВ за основу был принят промежуток "стержень-плоскость", для больших значений напряжения полного грозового импульса - промежуток "провод-плоскость". В тех случаях, когда требуемые значения отсутствуют в
[1], они были получены путем линейной интерполяции с округлением до ближайшего значения, кратного 10 мм или 100 мм.
Значения, приведенные в
таблице 5 для воздушных промежутков между фазами, получены по значениям для промежутка "провод-провод", указанным в
[1], путем пересчета напряжений относительно земли к напряжениям между фазами с коэффициентом пересчета равным 1,5, который соответствует трансформаторам, имеющим соединенные в треугольник обмотки. В случаях, когда требуемые значения отсутствуют в
[1], использована интерполяция полиномами третьего порядка зависимостей, полученных с коэффициентом пересчета 1,5. Так, например, для испытательного напряжения коммутационного импульса 1425 кВ относительно земли по
[1] соответствует воздушный промежуток 7200 мм и отношение напряжений между фазами и относительно земли, равное 1,7; такой промежуток может быть принят в качестве эквивалентного для напряжения между фазами 1615 кВ и отношения междуфазных и фазных напряжений, равного 1,5.
(рекомендуемое)
РЕКОМЕНДАЦИИ ПО ПРОВЕДЕНИЮ ИСПЫТАНИЙ
ДА.1 Испытание напряжениями грозовых импульсов
ДА.1.1 Схемы испытаний
ДА.1.1.1 Схема испытаний должна обеспечивать образование на испытуемом выводе объекта импульса напряжения требуемой формы и максимального значения. Схема испытаний приведена на
рисунке ДА.1.1.
1 - генератор импульсных напряжений; 2 - срезающий
разрядник; 3 - демпфирующее сопротивление; 4 - испытываемый
объект; 5 - измерительное устройство (делитель напряжения);
6 - провод, соединяющий заземленный бак с заземлением
срезающего разрядника
Рисунок ДА.1.1 - Схема испытаний
Демпфирующее сопротивление между испытательным объектом и срезающим устройством включается только в том случае, если значение
K0 превышает значения, указанные в
13.3.1.
Осциллографирование формы и максимального значения импульса производится с делителя напряжения 5
(рисунок ДА.1.1).
В состав испытательной схемы входят главная цепь и цепь среза. Измерительная цепь содержит цепи измерения и регистрирования приложенного напряжения, а также цепь измерения и регистрирования напряжений на измерительных элементах, служащих для оценки результата испытания.
Для генерирования импульсов применяют типовые многоступенчатые генераторы импульсных грозовых напряжений. Рекомендуется применять генераторы импульсных напряжений, принцип работы которых позволяет полностью заряжать главные конденсаторы на всех ступенях.
Большая крутизна токов при испытании, особенно вызванная срезом импульса и возникающая в испытательной цепи, вызывает вследствие индуктивности заземлений образование разностей потенциалов между заземленными частями элементов испытательной схемы. Для ограничения возмущающего воздействия этого явления на ход испытания рекомендуется заземлять цепь возврата импульсного тока от испытываемого объекта и срезающего разрядника к генератору импульсных напряжений (т.е. главной цепи и цепи среза) путем соединения его с системой заземлений испытательного зала вблизи испытываемого объекта проводом с небольшой индуктивностью. Место подключения цепи возврата тока к системе заземлений считают "землей отнесения E".
Делитель импульсного напряжения заземляют на "землю отнесения E". Активные сопротивления, заземляющие неиспытываемые выводы обмоток и измерительные элементы, рекомендуется заземлять на бак (металлический кожух) испытываемого объекта вблизи заземленного вывода.
Таблица ДА.1.1
Класс напряжения объекта испытания, кВ | Размеры петли среза, м |
l | h | H |
От 3 до 15 включ. | От 3 до 5 | | Высота до верхней точки ввода плюс 0,5 м, но не менее h без учета сноски |
20 и 35 | " 3 " 10 | " 2,5 " 4,0 |
110 | От 5 до 15 | | Высота до верхней точки ввода, но не менее h без учета сноски |
150 и 220 | " 10 " 30 | " 6,0 " 9,0 |
330 и выше | " 15 " 40 | " 7,5 " 12,0 |
<*> Размер допускается больше указанного, но не более 4 м (классы напряжения от 3 до 15 кВ включительно) или не более 12 м (классы напряжения от 110 до 220 кВ включительно), если это увеличение обусловлено высотой срезающего разрядника, применяемого в данной испытательной установке при испытании объектов более высоких классов напряжений. |
ДА.1.1.3 При отсутствии технической возможности выдержать размеры петли среза, указанные в
таблице ДА.1.1, допускается проводить испытание при расстоянии
l (от испытываемого объекта до срезающего устройства), отличающемся от приведенных в
таблице ДА.1.1, если измерениями при низком напряжении грозовыми импульсами показано, что это не приводит к существенному снижению значения длительности импульсных напряжений на наиболее нагруженных участках внутренней изоляции испытываемого объекта.
ДА.1.1.4 При испытании линейных регулировочных автотрансформаторов рекомендуется применять схемы, приведенные на
рисунке ДА.1.2.
ВН - обмотка высшего напряжения; ПО - последовательная
обмотка; ВО - обмотка возбуждения; РО - регулировочная
обмотка; РАТ - регулировочный автотрансформатор
Рисунок ДА.1.2 - Схемы испытаний
линейных регулировочных автотрансформаторов
Последовательные обмотки испытываются приложением напряжения к каждому из вводов при заземлении неиспытываемых вводов.
Если концы регулировочной обмотки и обмотки возбуждения не выведены, то изоляция этих обмоток испытывается одновременно с испытанием изоляции обмотки высшего напряжения и последовательной обмотки. Положение переключающего устройства в этом случае следует выбрать таким, чтобы перенапряжения в регулировочной обмотке и обмотке возбуждения имели наибольшее значение.
Если имеются выводы начала и конца регулировочной обмотки и обмотки возбуждения, то эти обмотки следует испытывать при воздействии напряжений полного грозового импульса на их выводы (
рисунок ДА.1.2, в). Если один из концов при работе глухо заземляется, то испытание со стороны этого конца проводить не следует.
Если к выводам регулировочной обмотки и обмотки возбуждения подключены защитные разрядники, то при испытании их следует отключить.
ДА.1.2 Выбор схем обнаружения повреждений при испытаниях напряжениями грозовых импульсов
ДА.1.2.1 Выбор схем обнаружения повреждений (см.
таблицу ДА.1.2) производят в зависимости от конструкции испытываемого объекта и вида воздействия (полный грозовой импульс, срезанный грозовой импульс).
Таблица ДА.1.2
Выбор схем обнаружения повреждений
Число фаз | Нейтраль испытуемой обмотки | Схема обнаружения повреждений |
Полный импульс | Срезанный импульс |
1 | Доступна | | |
3 | То же | | |
3 | Недоступна | | |
1 | Испытание нейтрали | | |
3 | То же | | |
ДА.1.2.2 Для трансформаторов, имеющих параллельно включенные обмотки, разнесенные на разные стержни трансформатора, может оказаться целесообразным применение балансных схем обнаружения повреждений
(рисунок ДА.1.6).
ДА.1.2.3 Для трансформаторов с переплетенными обмотками схемы
рисунков ДА.1.3 -
ДА.1.5 могут оказаться неэффективными. Значительное увеличение чувствительности схем может быть получено при использовании в качестве измерительного элемента параллельного LC-контура.
Параметры контура могут быть определены экспериментальным путем при проверке схем обнаружения повреждений. Ориентировочно резонансная частота контура находится в пределах 10 кГц - 2 МГц.
Применение LC-контура в качестве измерительного элемента допускается только в том случае, если схемы
рисунков ДА.1.3 -
ДА.1.5 не обеспечивают необходимой чувствительности.
ДА.1.2.4 При выборе схем обнаружения повреждений для линейных регулировочных трансформаторов необходимо учитывать, что одновременно могут испытываться обмотки, расположенные на разных стержнях.
Электромагнитная и электростатическая связь между этими обмотками очень мала, поэтому необходимо снимать несколько осциллограмм, чтобы обеспечить надежную регистрацию повреждений во всех обмотках, испытываемых одновременно.
Для определения повреждений изоляции при испытаниях может быть применена одна из схем обнаружения повреждений
рисунка ДА.1.7 или их комбинация.
ДА.1.2.5 В качестве измерительного элемента в схемах
рисунков ДА.1.3 -
ДА.1.7 рекомендуется использовать малоиндуктивный резистор. Если на осциллограмме имеются нежелательные высокочастотные составляющие, то параллельно резистору подключается конденсатор. Емкость конденсатора подбирается при проверке схем обнаружения повреждений по
ДА.1.2.6. Допускается кроме указанных схем обнаружения повреждения
рисунков ДА.1.3 -
ДА.1.7 применять другие схемы, если проверка согласно
ДА.1.2.6 показывает их эффективность.
ДА.1.2.6 Каждая выбранная схема обнаружения повреждений должна быть проверена, если нет опыта применения ее на объектах аналогичной конструкции.
Проверка схемы обнаружения повреждений производится на активной части трансформатора или реактора при напряжении, безопасном для изоляции активной части трансформатора или реактора в воздухе, но не превышающем 20 кВ.
Источником импульсного напряжения может быть импульсный генератор повторяющихся импульсов, частота повторений которых должна быть такой, чтобы переходные процессы в обмотке, вызванные предыдущим импульсом, заканчивались до прихода последующего импульса.
Проверку схем обнаружения повреждений рекомендуется производить при полностью собранной измерительной схеме, которая должна соответствовать выбранной схеме испытаний грозовыми импульсами.
Для получения осциллограмм напряжение на вход осциллографа подается коаксиальным кабелем с измерительного элемента, место подключения к обмотке которого зависит от выбранной схемы обнаружения повреждений.
Имитация пробоя на одном из участков изоляции обмотки производится подсоединением к этому участку шарового или газонаполненного разрядника.
Допускается имитация пробоя закорачиванием данного участка. Однако такая имитация пробоя не дает полного представления о повреждении изоляции обмотки, т.к. при таком методе отсутствуют высокочастотные составляющие в переходном процессе, возникающем в обмотке при пробое изоляции. Этот способ допустим только для медленных разверток (осциллографирование собственных колебаний обмотки или принужденной составляющей тока).
На чувствительность схем обнаружения повреждений влияет значение сопротивления измерительного элемента, с которого напряжение подается на осциллограф.
Поэтому при проверке схем и при испытаниях рекомендуется применять близкие по значению сопротивления измерительных элементов.
При выборе схем обнаружения повреждений в первую очередь проверяется чувствительность схем при имитации пробоя на участках обмотки, где пробои наиболее вероятны, т.е. где имеют место наименьшие запасы электрической прочности изоляции.
Из проверенных схем обнаружения повреждений предпочтение отдается схемам, в которых при повреждении изоляции изменения формы кривой напряжений на измерительных элементах наиболее четко выражены.
ДА.1.3 Оформление результатов испытаний
Результаты испытаний изоляции трансформатора или реактора напряжениями грозовых импульсов оформляются протоколом испытаний.
Протокол испытаний должен содержать:
- тип испытуемого объекта и его номинальную мощность;
- типы, номинальные напряжения и схемы соединения обмоток;
- тип переключателя ответвлений и пределы регулирования;
- испытательные напряжения обмоток;
- схему испытаний испытуемого объекта с указанием параметров генератора импульсов высоковольтной схемы, схемы измерения высокого напряжения и схемы обнаружения повреждений;
- положения переключающего устройства при испытании;
- атмосферные условия испытаний;
- осциллограммы опорных грозовых импульсов напряжения и соответствующих им колебаний в обмотках;
- осциллограммы грозовых импульсов нормированного испытательного напряжения и соответствующих им колебаний в обмотках;
- заключение о результатах испытаний объекта.
ДА.2 Испытание напряжением коммутационного импульса
ДА.2.1 Схемы испытаний
ДА.2.1.1 Испытание изоляции обмоток однофазных силовых трансформаторов (автотрансформаторов) рекомендуется проводить по одной из схем
рисунка ДА.2.1.
ГИН - генератор импульсного напряжения
(генератор коммутационных импульсов)
Рисунок ДА.2.1 - Испытание однофазного трансформатора
ДА.2.1.2 Испытание изоляции трехфазных силовых трансформаторов с неразветвленной магнитной системой рекомендуется проводить пофазно по схемам
рисунка ДА.2.2.
Рисунок ДА.2.2 - Пофазное испытание
трехфазного трансформатора
ДА.2.1.3 Испытание изоляции относительно земли трехфазных силовых трансформаторов с разветвленной магнитной системой рекомендуется проводить пофазно по схемам
рисунков ДА.2.3,
а,
ДА.2.3,
б и
ДА.2.4,
а. Испытание изоляции между фазами трехфазных силовых трансформаторов с разветвленной магнитной системой рекомендуется проводить по схемам
рисунков ДА.2.3,
в,
ДА.2.3,
г и
ДА.2.4,
б, при этом рекомендуется проведение измерений напряжений на средней и одной из крайних фаз обмотки ВН для определения напряжения на междуфазной изоляции, поскольку напряжение на крайних фазах в общем случае может отличаться от 50% напряжения средней фазы обмотки ВН.
Рисунок ДА.2.3 - Пофазное испытание изоляции относительно
земли (а, б) и испытание изоляции между фазами (в, г)
трехфазного трансформатора с пятистержневым магнитопроводом
и незамкнутой в треугольник обмоткой НН
Рисунок ДА.2.4 - Пофазное испытание изоляции относительно
земли (а) и испытание изоляции между фазами (б) трехфазного
трансформатора с пятистержневым магнитопроводом и замкнутой
в треугольник обмоткой НН
ДА.2.1.4 Возможно испытание изоляции относительно земли одновременно двух фаз трехфазных силовых трансформаторов по схеме
рисунка ДА.2.5.
Рисунок ДА.2.5 - Одновременное испытание изоляции
относительно земли крайних фаз A и C трансформатора
ДА.2.1.5 Испытание изоляции трехфазных силовых автотрансформаторов с неразветвленной магнитной системой рекомендуется проводить пофазно по схемам
рисунка ДА.2.6.
Рисунок ДА.2.6 - Пофазное испытание
трехобмоточного автотрансформатора
ДА.2.1.6 Испытание изоляции трехфазных силовых автотрансформаторов с разветвленной магнитной системой рекомендуется проводить аналогично испытанию двухобмоточных трехфазных силовых трансформаторов согласно рекомендациям
ДА.2.1.3, при этом напряжение коммутационного импульса может быть приложено к линейному выводу обмотки СН альтернативно приложению к линейным выводам обмоток ВН или НН.
ДА.2.1.7 При испытании внутренней изоляции трехфазных силовых трансформаторов допускается усиление внешней изоляции, например, за счет экранирования потенциальных частей вводов на время испытаний.
ДА.2.1.8 Для исключения помех от короны при измерении частичных разрядов на вводы испытываемого трансформатора (реактора) рекомендуется устанавливать электростатические экраны. Выбор экранов - согласно
ДА.4.1.
ДА.2.2 Оформление результатов испытаний
Результаты испытаний трансформатора коммутационным импульсом оформляются протоколом испытаний.
Протокол испытаний должен содержать:
- тип испытуемого объекта и его номинальную мощность;
- номинальные напряжения, число витков и схемы соединения обмоток;
- номинальную индукцию;
- ток холостого хода и потери холостого хода при номинальном напряжении;
- напряжение короткого замыкания;
- схему испытаний испытуемого объекта с указанием параметров высоковольтной схемы, схемы измерения высокого напряжения;
- положения переключающего устройства при испытании;
- схемы осциллографирования тока нейтрали;
- атмосферные условия испытаний;
- осциллограммы опорных импульсов напряжения и соответствующего им тока нейтрали;
- осциллограммы импульсов нормированного испытательного напряжения и соответствующего им тока нейтрали.
ДА.3 Испытание линейных выводов кратковременным переменным напряжением
ДА.3.1 Схемы испытаний
ДА.3.1.1 При испытании кратковременным переменным напряжением линейных выводов обмоток силовых трансформаторов с неполной изоляцией нейтрали схема испытания выбирается таким образом, чтобы испытать по возможности одновременно следующие промежутки:
- между линейным концом высшего напряжения (ВН) и землей;
- между линейным концом ВН и ближайшими к нему точками соседних обмоток низшего напряжения (НН) и среднего напряжения (СН), нормально электрически не соединенных с обмоткой ВН;
- между линейным концом СН и землей - в случае автотрансформатора и трехобмоточного трансформатора с обмоткой СН класса 110 кВ и выше;
- между линейными концами соседних фаз ВН, расположенных снаружи других обмоток.
ДА.3.1.2 Испытание трансформаторов напряжением, индуктированным полностью или частично в испытываемом трансформаторе, рекомендуется проводить пофазно с использованием одной из следующих схем или их сочетания:
- с приложением к нейтрали подпорного напряжения от одной из обмоток испытываемого трансформатора
(рисунок ДА.3.6);
- с заземлением линейных выводов обмотки СН неиспытываемых фаз
(рисунок ДА.3.7) в случае испытания трехфазных автотрансформаторов.
Рисунок ДА.3.1 - Пофазное испытание
трехфазного трансформатора
Рисунок ДА.3.2 - Пофазное испытание трансформатора
с пятистержневым магнитопроводом и незамкнутой
в треугольник обмоткой низшего напряжения
(испытание остальных фаз аналогично)
Рисунок ДА.3.3 - Одновременное испытание крайних фаз A и C
Рисунок ДА.3.4 - Испытание однофазного автотрансформатора
с подпорным напряжением в нейтрали
Рисунок ДА.3.5 - Испытание фазы B
с подпорным напряжением в нейтрали
Рисунок ДА.3.6 - Испытание фазы B с подпором от обмотки
испытываемого трансформатора
Рисунок ДА.3.7 - Испытание фазы A трехобмоточного
автотрансформатора (испытание остальных фаз аналогично)
Схемы
рисунков ДА.3.1,
ДА.3.2 и
ДА.3.3 рекомендуются для двух, или трехобмоточных трансформаторов без автотрансформаторной связи ВН-СН.
При испытании рекомендуется применять схемы с максимально возможной кратностью возбуждения, т.е. либо без подпорного напряжения в нейтрали, либо при минимально возможной величине этого напряжения. В последнем случае рекомендуется по мере возможности получать подпорное напряжение от одной из обмоток испытываемого трансформатора (схемы
рисунков ДА.3.1,
ДА.3.6 и
ДА.3.7). Допускается применение и других схем, если это требуется по условиям испытаний.
ДА.3.1.3 После пофазного испытания линейных выводов кратковременным переменным напряжением трехфазных трансформаторов требуется дополнительное испытание междуфазной изоляции нормированным напряжением (например, при трехфазном возбуждении), если при пофазном испытании расчетное испытательное напряжение между фазами будет менее нормированного значения. Такое испытание междуфазной изоляции линейных выводов может быть совмещено с испытанием длительным переменным напряжением с измерением интенсивности частичных разрядов при условии, что напряжение повышенного уровня составляет не менее испытательного переменного напряжения для междуфазной изоляции, деленного на

.
ДА.3.1.4 При испытаниях во избежание опасных для изоляции электростатических потенциалов на обмотках низших напряжений этим обмоткам должен быть сообщен потенциал земли.
Для этого заземляется средняя точка обмотки НН или средняя точка питающей обмотки промежуточного трансформатора (
рисунки ДА.3.2,
ДА.3.3 и
ДА.3.5).
Однако если линейный конец обмотки ВН испытываемого трансформатора расположен геометрически на ее конце, то заземляется конец обмотки НН, противолежащий линейному концу ВН испытываемой фазы. При испытании автотрансформаторов заземляется конец обмотки НН, противолежащий линейному концу СН испытываемой фазы (
рисунки ДА.3.4 и
ДА.3.7).
Конец обмотки НН заземляется также в случае, если эта обмотка используется для создания подпорного напряжения в нейтрали ВН
(рисунок ДА.3.6).
ДА.3.1.5 При испытании трансформаторов с расщепленными обмотками НН возбуждается одна из ее частей, остальным ее частям сообщается потенциал земли путем заземления одного из выводов каждой из частей. При одинаковом номинальном напряжении частей (НН1 и НН2) обмоток обе части обмотки НН допускается соединять параллельно, при этом заземляется конец обмотки НН, противолежащий линейному концу обмотки ВН испытываемой фазы.
ДА.3.1.6 Для трехобмоточных силовых трансформаторов без автотрансформаторной связи обмоток испытание изоляции между линейным концом обмотки ВН и ближайшими к нему точками соседней обмотки, расположенной на том же стержне магнитопровода трансформатора и нормально электрически не соединенной с обмоткой ВН, допускается проводить отдельно от испытания изоляции линейного конца ВН относительно земли.
ДА.3.1.7 Для защиты испытываемой изоляции от случайного чрезмерного повышения напряжения параллельно испытываемому объекту рекомендуется присоединять через резистор шаровой разрядник с пробивным напряжением, равным 115 - 120% нормированного испытательного напряжения. При испытаниях с измерением интенсивности частичных разрядов защитный шаровой разрядник рекомендуется присоединять параллельно обмотке НН испытываемого трансформатора или не присоединять вообще.
ДА.3.2 Оформление результатов испытаний
В протоколах типовых и приемо-сдаточных испытаний изоляции трансформатора или реактора кратковременным переменным напряжением должны быть представлены:
- схемы соединения обмоток испытываемого трансформатора при пофазном испытании;
- положения переключающего устройства при испытании;
- кратности возбуждения, расчетные и измеренные значения испытательных напряжений относительно земли и между фазами;
- результаты измерения частичных разрядов, если эти измерения проводились.
ДА.4 Испытания длительным переменным напряжением с измерением интенсивности частичных разрядов
ДА.4.1 Экранирование для снижения уровня помех от короны
С целью снижения уровня помех от короны, возникающей на металлических частях трансформатора, находящихся под высоким электрическим потенциалом, на незаземленных металлических узлах и деталях испытательной установки и на заземленных металлических узлах и деталях с острыми кромками необходимо устанавливать электростатические экраны на все элементы и узлы конструкции испытательной установки, являющиеся источником короны.
На верхнюю часть испытательных вводов испытываемого трансформатора необходимо устанавливать электростатические экраны, обеспечивающие отсутствие короны при испытательном напряжении. Рекомендуемые размеры электростатических экранов в зависимости от класса напряжения испытываемого трансформатора приведены в
таблице ДА.4.1.
Таблица ДА.4.1
Рекомендуемые размеры электростатических экранов
и соединительных шин
Класс напряжения, кВ | Диаметр сферы электростатического экрана, мм | Диаметр соединительных шин, мм |
110 | 500 | - |
150 | 750 | 60 |
220 | 750 | 100 |
330 | 1000 | 150 |
500 | 1800 | 250 |
750 | 2500 | 300 |
Допускается на вводы трансформаторов классов напряжений до 220 кВ включительно устанавливать электростатические экраны тороидальной формы, если обеспечивается отсутствие короны при испытательном напряжении.
Расстояние между электростатическими экранами соседних вводов трехфазных трансформаторов (или однофазных трансформаторов с двумя и более выводами обмоток высшего и среднего напряжений) должно обеспечивать достаточную электрическую прочность при испытательном напряжении. Расстояния от установленных на вводы испытываемого трансформатора электростатических экранов до посторонних окружающих предметов и конструкций должны составлять не менее 150% от высоты ввода.
Допускается не закрывать электростатическими экранами металлические заземленные предметы, если обеспечивается надежное измерение минимального значения кажущегося заряда частичных разрядов, установленного стандартом или техническими условиями на трансформатор.
С целью снижения уровня помех от короны к вводам высшего и среднего напряжений испытываемого трансформатора соединительные шины не присоединяются. В случае необходимости применения соединительных шин (например, при подключении соединительного конденсатора) размеры поперечного сечения этих шин не должны быть меньше приведенных в
таблице ДА.4.1.
ДА.4.2 Локация источников частичных разрядов по методу градуировочной матрицы
Для локации частичных разрядов необходимо подключить измерительные элементы к каждому из выводов обмоток испытываемого трансформатора или испытываемой фазы. Для подключения измерительных элементов к выводам, находящимся при испытаниях под высоким напряжением, следует использовать емкость вводов или отдельные соединительные конденсаторы.
В нейтраль испытуемых обмоток и в цепь заземления выводов испытываемых обмоток, которые при испытаниях заземляются, включаются измерительные элементы, представляющие собой резисторы с активным сопротивлением достаточной мощности или индуктивности значением 200 - 300 мкГн.
Перед проведением локации частичных разрядов составляют градуировочную матрицу подачей известного градуировочного заряда относительно земли на все выводы испытываемого трансформатора поочередно и записываются показания приборов для измерения кажущегося заряда частичных разрядов на каждом измерительном элементе.
Градуировочный заряд может подаваться также между выводами испытываемого трансформатора.
В результате измерений получают градуировочную матрицу, которая является основой для анализа результатов измерений при проведении испытаний трансформатора с целью локации частичных разрядов.
Сравнивая соотношения кажущегося заряда частичных разрядов на разных измерительных элементах, полученных при локации частичных разрядов, с соотношениями на измерительных элементах градуировочной матрицы, определяют место источника частичных разрядов.
Если источник частичных разрядов находится в изоляции ввода высокого напряжения, то градуировочный импульс подается между верхним выводом и измерительным выводом этого ввода.
В качестве примера ниже представлены результаты локации частичных разрядов в изоляции трехфазного трансформатора. Схема измерений частичных разрядов приведена на
рисунке ДА.4.1.
Рисунок ДА.4.1 - Схема измерений частичных разрядов
Результаты измерений частичных разрядов и градуировочная матрица приведены в
таблице ДА.4.2. Градуировочная матрица составлялась при подаче заряда 500 пКл.
Таблица ДА.4.2
Градуировочная матрица и результаты измерений
частичных разрядов
Приложение напряжения | Показания прибора на измерительных элементах, пКл |
R1 | R2 | R3 | L |
В - земля | 5 | 500 | 5 | 20 |
N - земля | 26 | 1 | 26 | 500 |
НН - земля | 13 | 5 | 13 | 90 |
Испытание длительным переменным напряжением | 30 | 8 | 30 | 200 |
Сравнивая результаты измерений частичных разрядов при длительном испытательном напряжении с градуировочной матрицей, можно заметить, что соотношение показаний прибора на измерительных элементах при испытаниях близко к соотношению показаний при подаче градуировочного импульса на НН испытываемого трансформатора. При испытаниях обмотка не возбуждалась симметричным напряжением, поэтому для выяснения, на каком из отводов возникает разряд, отводы поочередно заземлялись. При заземлении отвода b показания приборов не изменялись, при заземлении отвода y - резко уменьшались. Таким образом было установлено, что разряд находится в районе отвода у обмотки НН.
ДА.4.3 Оформление результатов испытаний
Результаты измерений интенсивности частичных разрядов следует оформлять протоколом. В протоколе испытаний должны быть приведены:
- схемы соединения обмоток испытываемого трансформатора при испытании;
- положения переключающего устройства при испытании;
- кратности возбуждения, расчетные или измеренные значения испытательных напряжений относительно земли и между фазами;
Таблица ДА.4.3
Форма для представления результатов измерения интенсивности
частичных разрядов
Этап испытания | Ступень напряжения | Длительность выдержки | Напряжение относительно земли, кВ | Измеренная интенсивность ЧР, пКл |
Фаза A | Фаза B | Фаза C |
ВН | СН | ВН | СН | ВН | СН | ВН | СН |
Регистрация фонового уровня ЧР до испытания | | - | | | | | | | | |
Подъем до напряжения повышенного уровня Uп.у | | 1 мин | | | | | | | | |
Uдл | 5 мин | | | | | | | | |
Uп.у | | | | | | | | | |
Снижение до длительного напряжения Uдл | Uдл | 0 | | | | | | | | |
Выдержка длительного напряжения Uдл | Uдл | 5 мин | | | | | | | | |
Uдл | 10 мин | | | | | | | | |
Uдл | 15 мин | | | | | | | | |
Uдл | 20 мин | | | | | | | | |
Uдл | 25 мин | | | | | | | | |
Uдл | 30 мин | | | | | | | | |
Uдл | 35 мин | | | | | | | | |
Uдл | 40 мин | | | | | | | | |
Uдл | 45 мин | | | | | | | | |
Uдл | 50 мин | | | | | | | | |
Uдл | 55 мин | | | | | | | | |
Uдл | 60 мин | | | | | | | | |
Снижение | | 1 мин | | | | | | | | |
Регистрация фонового уровня ЧР после испытания | | - | | | | | | | | |
(справочное)
ОРИГИНАЛЬНЫЙ ТЕКСТ ПОЛОЖЕНИЙ МЭК 60076-3:2013, КОТОРЫЕ
ПРИМЕНЕНЫ В НАСТОЯЩЕМ СТАНДАРТЕ С ИЗМЕНЕНИЕМ ИХ СОДЕРЖАНИЯ
ДЛЯ УЧЕТА ТЕХНИЧЕСКИХ ОСОБЕННОСТЕЙ ОБЪЕКТА СТАНДАРТИЗАЦИИ,
ПРИНЯТЫХ В РОССИЙСКОЙ ФЕДЕРАЦИИ
Уровни изоляции и испытания электрической прочности изоляции, установленные в настоящем стандарте, применимы только для внутренней изоляции. Несмотря на очевидность того, что значения нормированных испытательных напряжений, которые установлены для внутренней изоляции трансформатора, также должны рассматриваться как ориентир для его внешней изоляции, это может и не быть справедливо во всех случаях. Повреждение несамовосстанавливающейся внутренней изоляции является катастрофическим и, как правило, приводит к выходу трансформатора из строя на длительное время, в то время как перекрытие во внешней изоляции может привести лишь к кратковременному прерыванию энергоснабжения, не причиняя непоправимых повреждений. По этой причине может случиться так, что для внутренней изоляции с целью повышения безопасности заказчиком будут установлены более высокие уровни испытательных напряжений, чем для внешней изоляции других компонентов в системе. В случае, когда принято такое отличие, размеры внешних воздушных промежутков должны быть скорректированы, чтобы полностью соответствовать требованиям испытаний внутренней изоляции.
Температура изоляционной системы во время испытаний должна быть не менее 10 °C, при этом температура может быть выше, чем указано в МЭК 60076-1.
ДБ.3 Наибольшее рабочее напряжение и нормированный уровень изоляции
Значение наибольшего рабочего напряжения электрооборудования
Uн.р (см.
раздел 3) установлено как для линейного конца, так и для нейтрали каждой обмотки, см. МЭК 60076-1.
Правила для испытаний электрической прочности изоляции зависят от значения Uн.р. В случае противоречий между отдельными правилами испытаний различных обмоток правило для обмотки с наибольшим Uн.р следует применять ко всему трансформатору.
ДБ.4 Примеры стандартного сокращенного обозначения уровней изоляции
Пример 1
Трансформатор с номинальным напряжением обмоток 66/11 кВ; обмотка ВН имеет Uн.р = 72,5 кВ, обмотка НН - Uн.р = 12 кВ; обе обмотки с полной изоляцией нейтрали соединены в звезду; на табличке должно быть указано:
ВН Uн.р 72,5/ПГИ 325/КПЧ 140 кВ
НН Uн.р 12/ПГИ 75/КПЧ 28 кВ
Пример 2
Обмотка ВН, линейный вывод: Uн.р = 245 кВ; обмотка соединена в звезду, номинальное напряжение 220 кВ;
Обмотка ВН, нейтраль: Uн.р = 52 кВ;
Обмотка СН, линейный вывод: Uн.р = 72,5 кВ; полная изоляция, обмотка соединена в звезду (СГИ не установлено);
Обмотка НН, линейный вывод: Uн.р = 24 кВ; обмотка соединена в треугольник (СГИ не требуется).
На табличке должно быть указано:
ВН Uн.р 245/КИ 750/ПГИ 950/СГИ 1045/КПЧ 395 кВ
Нейтраль ВН Uн.р 52/ПГИ 250/КПЧ 95 кВ
СН Uн.р 72,5/ ПГИ 325/КПЧ 140 кВ
НН Uн.р 24 /ПГИ 125/КПЧ 50 кВ
ДБ.5 Требования к испытаниям электрической прочности изоляции - общие положения
Требования к испытаниям электрической прочности изоляции, а именно необходимые испытания и уровни испытательных напряжений, зависят от наибольшего рабочего напряжения
Uн.р обмотки высшего напряжения определенного трансформатора. Необходимые испытания приведены в
таблице ДБ.1, а конкретные требования - в
ДБ.3.
Примечание - Испытание напряжением грозовых импульсов двух и более соединенных вместе выводов является специальным испытанием нескольких конкретных типов трансформаторов независимо от Uн.р и потому для наглядности не включено в таблицу.
ДБ.6 Требования и категории испытаний электрической прочности изоляции обмоток трансформаторов
Требования и категории испытаний электрической прочности изоляции обмоток трансформаторов приведены в
таблице ДБ.1.
Таблица ДБ.1
Требования и категории испытания электрической прочности
изоляции обмоток трансформаторов
Наибольшее рабочее напряжение Uн.р | Uн.р <= 72,5 кВ | 72,5 кВ < Uн.р <= 170 кВ | Uн.р > 170 кВ |
Изоляция обмоток | Полная | Полная | Неполная | Полная и неполная |
Испытание напряжением полного грозового импульса линейных выводов (ПГИ) | Типовое | Приемо-сдаточное | Приемо-сдаточное | Не применимо (включено в СГИ) |
Испытание напряжением срезанного грозового импульса линейных выводов (СГИ) | Специальное | Специальное | Специальное | Приемо-сдаточное |
Испытание напряжением грозового импульса вывода нейтрали (ГИВН) | Специальное | Специальное | Специальное | Специальное |
Испытание напряжением коммутационного импульса линейного вывода (КИ) | Не применимо | Специальное | Специальное | Приемо-сдаточное |
Испытание приложенным кратковременным переменным напряжением (ПКПН) | Приемо-сдаточное | Приемо-сдаточное | Приемо-сдаточное | Приемо-сдаточное |
Испытание индуктированным кратковременным переменным напряжением (ИКПН) | Приемо-сдаточное | Приемо-сдаточное | Приемо-сдаточное | Не применимо |
Испытание длительным переменным напряжением с измерением интенсивности частичных разрядов (ДПН) | | | | Приемо-сдаточное |
Испытание линейного вывода кратковременным переменным напряжением (ЛКПН) | Не применимо | Специальное | | Специальное |
Испытание изоляции вторичных цепей (ИВЦ) | Приемо-сдаточное | Приемо-сдаточное | Приемо-сдаточное | Прием-сдаточное |
<a> Требования испытания ИКПН могут быть объединены с требованиями испытания ДПН таким образом, чтобы требовалось проведение только одного испытания. <b> По соглашению между изготовителем и заказчиком испытание ЛКПН для этой категории трансформаторов может быть заменено испытанием напряжением коммутационного импульса. |
ДБ.7 Нормированные испытательные напряжения
Уровни нормированных испытательных напряжений, определяемые, исходя из наибольшего рабочего напряжения электрооборудования
Uн.р для обмотки, приведены в
таблице ДБ.2. Выбор между различными уровнями испытательных напряжений в этой таблице зависит от уровня возможных в системе перенапряжений и важности конкретной установки. Рекомендации могут быть найдены в МЭК 60071-1.
Таблица ДБ.2
Уровни испытательных напряжений
Наибольшее рабочее напряжение Uн.р, кВ | Напряжение полного грозового импульса (ПГИ), кВ | Напряжение срезанного грозового импульса (СГИ), кВ | Напряжение коммутационного импульса (КИ), кВ | Приложенное переменное кратковременное напряжение (ПКПН) или кратковременное переменное напряжение линейного вывода (ЛКПН), кВ |
< 1,1 | - | - | - | 3 |
3,6 | 20 | 22 | - | 10 |
40 | 44 | - | 10 |
7,2 | 60 | 66 | - | 20 |
| | - | 20 |
12 | 75 | 83 | - | 28 |
95 | 105 | - | 28 |
| | - | |
17,5 | 95 | 105 | - | 38 |
| | - | 38 |
24 | 125 | 138 | - | 50 |
145 | 160 | - | 50 |
| | - | 50 |
36 | 170 | 187 | - | 70 |
| | - | 70 |
52 | 250 | 275 | - | 95 |
72,5 | 325 | 358 | - | 140 |
| | - | 140 |
100 | 450 | 495 | | 185 |
123 | 550 | 605 | | 230 |
145 | 550 | 605 | | 230 |
650 | 715 | | 275 |
170 | 650 | 715 | | 275 |
750 | 825 | | 325 |
245 | 850 | 935 | | 360 |
950 | 1045 | | 395 |
1050 | 1155 | | 460 |
300 | 950 | 1045 | 750 | 395 |
1050 | 1155 | 850 | 460 |
362 | 1050 | 1155 | 850 | 460 |
1175 | 1290 | 950 | 510 |
420 | 1175 | 1290 | 950 | 510 |
1300 | 1430 | 1050 | 570 |
1425 | 1570 | | 630 |
550 | 1300 | 1430 | 1050 | 570 |
1425 | 1570 | 1175 | 630 |
1550 | 1705 | | 680 |
| | | - |
800 | 1800 | 1980 | 1425 | - |
1950 | 2145 | 1550 | - |
| | | - |
2100 | 2310 | | - |
1100 | 1950 | 2145 | 1425 | - |
2250 | 2475 | 1800 | - |
1200 | 2250 | 2475 | 1800 | - |
<a> Эти значения не указаны в МЭК 60071-1:2011 для конкретного значения Uн.р, но включены либо потому, что они представляют принятую практику в некоторых частях мира, либо потому, что представляют собой значение испытательного напряжения коммутационного импульса, скоординированного со значением полного грозового импульса. |
Все приведенные испытательные напряжения соответствуют напряжениям относительно земли.
Если не указано иное, для определенного значения
Uн.р должны быть приняты значения испытательных напряжений, наименьшие из приведенных в
таблице ДБ.2, которые представляют собой минимальные уровни испытательных напряжений. В целом значения, приведенные в каждой строке
таблицы ДБ.2, являются скоординированными. Если для некоторой обмотки заказчиком указано лишь напряжение полного грозового импульса, значения других испытательных напряжений должны быть определены по строке
таблицы ДБ.2, соответствующей этому напряжению полного грозового импульса. Заказчик для конкретного значения
Uн.р может указать любое значение испытательного напряжения выше минимального по каждому из видов испытаний, при этом желательно, чтобы это были стандартные значения, хотя и не обязательно значения из одной строки
таблицы ДБ.2. Если требуется более высокий уровень испытательных напряжений, это должно быть указано в запросе и заказе.
Если при особых обстоятельствах минимальные уровни, указанные в
таблице ДБ.2, по мнению заказчика являются слишком высокими, то могут быть использованы значения
таблицы ДБ.3. Значения, указанные в
таблице ДБ.3, могут быть использованы только в случае, если были приняты особые меры предосторожности для исключения перенапряжений, превосходящих электрическую прочность изоляции трансформатора, и либо были завершены обширные исследования, либо используемые значения представляют собой значения, проверенные существующей практикой, применимой для конкретной установки.
Примечание - Определенные условия эксплуатации, особенно где включение трансформатора под напряжение осуществляется со стороны удаленного конца кабеля или длинной воздушной линии, могут привести к тяжелым воздействиям частых и повторяющихся перенапряжений. В таких случаях более высокие значения испытательных напряжений грозового и коммутационного импульсов и других испытаний могут быть согласованы между изготовителем и заказчиком для отдельных трансформаторов. Например, обмотки с Uн.р < 1,1 кВ могут быть испытаны при значениях напряжений, соответствующих обмотке с Uн.р = 3,6 кВ. Конкретная вольт-секундная характеристика перенапряжений является важной при выборе типа испытаний и испытательных напряжений, необходимых для обеспечения удовлетворительной работы.
Таблица ДБ.3
Уровни испытательных напряжений, используемые
в особых случаях
Наибольшее рабочее напряжение Uн.р, кВ | Напряжение полного грозового импульса (ПГИ), кВ | Напряжение срезанного грозового импульса (СГИ), кВ | Напряжение коммутационного импульса (КИ), кВ | Приложенное кратковременное переменное напряжение (ПКПН) или кратковременное переменное напряжение линейного вывода (ЛКПН), кВ |
7,2 | 40 | 44 | - | 20 |
12 | 60 | 66 | - | 28 |
17,5 | 75 | 83 | - | 38 |
24 | 95 | 105 | - | 50 |
36 | 145 | 160 | - | 70 |
| | | | |
| | | | |
| | | | 230 |
245 | | | | |
| | | |
300 | 850 | 935 | 750 | 395 |
362 | 950 | 1045 | 850 | 395 |
420 | 1050 | 1155 | 850 | 460 |
550 | 1175 | 1290 | 950 | 510 |
<a> Эти значения не указаны в МЭК 60071-1:2011 для конкретного значения Uн.р, но включены, так как они представляют существующую практику в некоторых частях мира. <b> Эти значения требуют специального рассмотрения, см. МЭК 60071-1:2011. |
В частности, зарегистрированы повреждения трансформаторов при Uн.р = 36 кВ и ниже в случае, когда трансформатор коммутировался вакуумным выключателем с удаленного конца кабельной линии, поскольку могли существовать условия резонанса, вызывающего повторные зажигания и повторяющиеся переходные процессы. В некоторых случаях повышение уровня изоляции может оказаться недостаточным и следует рассмотреть другие методы, такие как установка RC-цепей. Более детальная информация может быть найдена в IEEE C57.142:2010 и докладе СИГРЭ 12-14 (1984).
ДБ.8 Требования к испытаниям отдельных трансформаторов
ДБ.8.1 Испытания трансформаторов с Uн.р <= 72,5 кВ
ДБ.8.1.1 Приемо-сдаточные испытания
а) Испытание приложенным кратковременным переменным напряжением (ПКПН)
Испытание приложенным кратковременным переменным напряжением должно проводиться по методике согласно
разделу 10 на каждой отдельной обмотке трансформатора. Испытательные напряжения приведены в
таблице ДБ.2.
Примечание - Предполагается, что трансформаторы с Uн.р <= 72,5 кВ имеют обмотки с полной изоляцией нейтрали, чтобы выдержать это испытание.
б) Испытание индуктированным кратковременным переменным напряжением (ИКПН)
Испытание индуктированным кратковременным переменным напряжением должно проводиться по методике согласно
11.2 при испытательном напряжении

(относительно земли). По согласованию с заказчиком данное испытание может быть заменено на испытание ДПН с напряжением повышенного уровня равным

(см. 7.3.1.3,
а).
ДБ.8.1.2 Типовые испытания
Испытание напряжением полного грозового импульса (ПГИ)
Испытание напряжением полного грозового импульса должно быть проведено для линейных выводов по методике, указанной в
13.1 и
13.2. Испытательные напряжения приведены в
таблице ДБ.2.
ДБ.8.1.3 Специальные испытания
а) Испытание длительным переменным напряжением с измерением интенсивности частичных разрядов (ДПН)
Если указано заказчиком, испытание должно проводиться в соответствии с методикой, изложенной в
11.3, при напряжении повышенного уровня

(относительно земли) и длительном переменном напряжении

(относительно земли). Если указано заказчиком, более высокие уровни напряжений могут быть использованы в качестве альтернативы. В частности, могут использоваться напряжение повышенного уровня

и длительное переменное напряжение

, если эти значения больше.
Если используется напряжение повышенного уровня

, это испытание может заменить приемо-сдаточное испытание индуктированным кратковременным переменным напряжением.
Длительность выдержки напряжения при измерениях интенсивности частичных разрядов рекомендуется принимать равной 5 мин. По согласованию между изготовителем и заказчиком может быть принята меньшая длительность выдержки.
б) Испытание напряжением срезанного грозового импульса линейных выводов (СГИ)
Если указано заказчиком, испытание напряжением полного грозового импульса должно быть заменено испытанием напряжением срезанного грозового импульса по методике, приведенной в
13.1 и
13.3.
Расширение объема испытаний напряжением грозовых импульсов путем добавления импульсов, срезанных на спаде, рекомендуется в качестве специального испытания в тех случаях, когда трансформатор подключен напрямую к комплектному распределительному устройству с элегазовой изоляцией (КРУЭ) с помощью высоковольтного ввода типа "жидкий диэлектрик-элегаз" или в случаях, когда трансформатор защищен искровыми промежутками.
в) Испытание напряжением грозового импульса вывода нейтрали (ГИВН)
Если указано заказчиком, испытание напряжением полного грозового импульса должно быть проведено на выводе нейтрали по методике, изложенной в
13.1 и
13.4. Как правило, такое испытание требуется, если нейтраль трансформатора в эксплуатации не соединена наглухо с землей.
г) Испытание напряжением грозовых импульсов двух и более соединенных вместе выводов (ГИМВ)
Если указано заказчиком, дополнительное испытание напряжением грозовых импульсов, прикладываемым одновременно к двум и более выводам, должно быть проведено по методике согласно
13.1 и схеме испытаний согласно
13.1.4.3. Если не указано иное, испытание проводят напряжением полного грозового импульса.
ДБ.8.2 Испытания трансформаторов с 72,5 кВ < Uн.р <= 170 кВ
ДБ.8.2.1 Приемо-сдаточные испытания
а) Испытание напряжением полного грозового импульса (ПГИ)
Испытание напряжением полного грозового импульса должно быть проведено для линейных выводов по методике, указанной в
разделе 13. Испытательные напряжения приведены в
таблице ДБ.2.
б) Испытание приложенным кратковременным переменным напряжением (ПКПН)
Испытание приложенным кратковременным переменным напряжением должно быть проведено для каждой отдельной обмотки трансформатора согласно методике, указанной в
разделе 10. Для обмоток с полной изоляцией нейтрали испытания должны быть проведены испытательными напряжениями согласно
таблице ДБ.2. Для обмоток с неполной изоляцией нейтрали испытания должны быть проведены испытательными напряжениями, установленными для выводов нейтрали этих обмоток (см.
ДБ.9.2).
в) Испытание индуктированным кратковременным переменным напряжением (ИКПН)
Испытание индуктированным кратковременным переменным напряжением должно проводиться по методике согласно
11.2 при испытательном напряжении

(относительно земли). По согласованию с заказчиком данное испытание может быть заменено на испытание ДПН с напряжением повышенного уровня, равным

(см. 7.3.2.1,
е).
г) Испытание линейного вывода кратковременным переменным напряжением для трансформаторов, содержащих обмотки с неполной изоляцией нейтрали (ЛКПН)
Для обмоток с неполной изоляцией нейтрали это испытание должно проводиться при испытательном напряжении, указанном в
таблице ДБ.2 в графе для приложенного переменного напряжения или кратковременного переменного напряжения линейного вывода, с использование методики, указанной в
разделе 12. Это испытание может быть исключено, если по соглашению между изготовителем и заказчиком проводится испытание напряжением коммутационного импульса.
д) Испытание длительным переменным напряжением с измерением интенсивности частичных разрядов (ДПН)
Испытание должно проводиться в соответствии с методикой, изложенной в
11.3, при напряжении повышенного уровня

(относительно земли) и длительном переменном напряжении

(относительно земли). Если указано заказчиком, более высокие уровни напряжений могут быть использованы в качестве альтернативы. В частности, могут использоваться напряжение повышенного уровня

и длительное переменное напряжение

, если эти значения больше.
Если используется напряжение повышенного уровня

, это испытание может заменить приемо-сдаточное испытание индуктированным кратковременным переменным напряжением.
ДБ.8.2.2 Специальные испытания
а) Испытание напряжением коммутационного импульса (КИ)
Если указано заказчиком, испытание напряжением коммутационного импульса должно быть проведено для линейных выводов по методике, указанной в
разделе 14. Испытательные напряжения приведены в
таблице ДБ.2. В случае проведения этого испытания по соглашению между изготовителем и заказчиком испытание линейного вывода кратковременным переменным напряжением (ЛКПН) может быть исключено.
б) Испытание напряжением срезанного грозового импульса линейных выводов (СГИ)
Если указано заказчиком, испытание напряжением полного грозового импульса должно быть заменено испытанием напряжением срезанного грозового импульса по методике, указанной в
13.1 и
13.3.
Расширение объема испытаний напряжением грозовых импульсов путем добавления импульсов, срезанных на спаде, в качестве специального испытания рекомендуется в тех случаях, когда трансформатор подключен напрямую к комплектному распределительному устройству с элегазовой изоляцией (КРУЭ) с помощью высоковольтного ввода типа "жидкий диэлектрик-элегаз" или в случаях, когда трансформатор защищен искровыми промежутками.
в) Испытание линейного вывода кратковременным переменным напряжением (ЛКПН)
Если указано заказчиком, для обмоток с полной изоляцией нейтрали это испытание должно проводиться испытательным напряжением, установленным в
таблице ДБ.2 для кратковременного переменного напряжения линейного вывода, используя методику, приведенную в
разделе 12.
г) Испытание напряжением грозового импульса вывода нейтрали (ГИВН)
Если указано заказчиком, вывод нейтрали должен быть испытан напряжением полного грозового импульса. Как правило, такое требование устанавливают для трансформаторов, нейтрали которых при эксплуатации не соединены наглухо с землей.
д) Испытание напряжением грозовых импульсов двух и более соединенных вместе выводов (ГИМВ)
Если указано заказчиком, дополнительное испытание напряжением грозовых импульсов, прикладываемым одновременно к двум и более выводам, должно быть проведено по методике согласно
13.1 и схеме испытаний согласно
13.1.4.3. Если не указано иное, испытание проводят напряжением полного грозового импульса.
ДБ.8.3 Испытания трансформаторов с Uн.р > 170 кВ
ДБ.8.3.1 Приемо-сдаточные испытания
а) Испытание напряжением срезанного грозового импульса (СГИ)
Испытание напряжением срезанного грозового импульса должно быть проведено для линейных выводов по методике, указанной в
разделе 13. Испытательные напряжения приведены в
таблице ДБ.2.
б) Испытание напряжением коммутационного импульса (КИ)
Испытание напряжением коммутационного импульса должно быть проведено для линейных выводов по методике, указанной в
разделе 14. Испытательные напряжения приведены в
таблице ДБ.2.
в) Испытание приложенным кратковременным переменным напряжением (ПКПН)
Испытание приложенным кратковременным переменным напряжением должно быть проведено для каждой отдельной обмотки трансформатора согласно методике, указанной в
разделе 10. Для обмоток с полной изоляцией нейтрали испытания должны быть проведены испытательными напряжениями согласно
таблице ДБ.2. Для обмоток с неполной изоляцией нейтрали испытания должны быть проведены испытательными напряжениями, установленными для выводов нейтрали этих обмоток (см.
7.4.2).
г) Испытание длительным переменным напряжением с измерением интенсивности частичных разрядов (ДПН)
Испытание должно проводиться в соответствии с методикой, изложенной в
11.3, при напряжении повышенного уровня

(относительно земли) и длительном переменном напряжении

(относительно земли). Если указано заказчиком, более высокие уровни напряжений могут быть использованы в качестве альтернативы. В частности, могут использоваться напряжение повышенного уровня

и длительное переменное напряжение

, если эти значения больше.
Примечание - Напряжение повышенного уровня между фазами трехфазных трансформаторов может превышать кратковременное переменное напряжение относительно земли, указанное в
таблице ДБ.2.
ДБ.8.3.2 Специальные испытания
а) Испытание напряжением грозового импульса вывода нейтрали (ГИВН)
Если указано заказчиком, вывод нейтрали должен быть испытан напряжением полного грозового импульса. Как правило, такое требование устанавливают для трансформаторов, нейтрали которых при эксплуатации не соединены наглухо с землей.
б) Испытание линейного вывода кратковременным переменным напряжением (ЛКПН)
Если указано заказчиком, это испытание должно проводиться испытательным напряжением, установленным в
таблице ДБ.2 в графе для приложенного переменного напряжения линейного вывода, используя методику, приведенную в
разделе 12.
в) Испытание напряжением грозовых импульсов двух и более соединенных вместе выводов (ГИМВ)
Если указано заказчиком, дополнительное испытание напряжением грозовых импульсов, прикладываемым одновременно к двум и более выводам, должно быть проведено по методике согласно
13.1 и схеме испытаний согласно
13.1.4.3. Если не указано иное, испытание проводят напряжением полного грозового импульса (ПГИ).
ДБ.9 Наибольшее рабочее напряжение Uн.р и испытательные напряжения вывода нейтрали обмотки
ДБ.9.1 Трансформаторы с Uн.р <= 72,5 кВ
Вывод нейтрали должен быть испытан приложенным переменным напряжением, установленным для линейных выводов обмотки. Если заказчиком указано о необходимости проведения испытаний напряжением грозового импульса, значение испытательного напряжения должно быть указано при запросе и заказе.
Примечание - Для выполнения этого требования обмотки трансформаторов Uн.р <= 72,5 кВ должны быть с полной изоляцией нейтрали.
ДБ.9.2 Трансформаторы с Uн.р > 72,5 кВ
ДБ.9.2.1 Вывод нейтрали для глухого заземления
Если вывод нейтрали при эксплуатации предназначен для соединения с землей наглухо, непосредственно или через трансформатор тока, без включения какого-либо сопротивления, то значение испытательного приложенного переменного напряжения должно быть не менее 38 кВ (Uн.р >= 17,5 кВ). В случае необходимости может быть установлен больший уровень изоляции.
Испытание изоляции нейтрали напряжением грозового импульса не требуется, но может быть установлено при необходимости.
ДБ.9.2.2 Вывод нейтрали не для глухого заземления
Значения
Uн.р и испытательных напряжений для вывода нейтрали должны быть указаны заказчиком в запросе и заказе. Значение
Uн.р для вывода нейтрали зависит от того, предназначен ли трансформатор для работы без соединения нейтрали с землей или с соединением нейтрали с землей через резистор или реактор (см.
приложение Г). Значения
Uн.р и испытательных напряжений должны быть преимущественно выбраны по
таблице ДБ.2. Во всех случаях значение
Uн.р должно быть не менее 17,5 кВ.
Если для вывода нейтрали указано испытание напряжением грозового импульса, то значение нормированного испытательного напряжения должно быть установлено в запросе и заказе и подтверждено испытанием согласно
13.4. Испытание напряжением срезанного грозового импульса не применимо для вывода нейтрали.
ДБ.10 Изоляция цепей управления и вспомогательных цепей (ИВЦ)
Изоляция цепей управления и вспомогательных цепей, а также их элементов должна быть испытана приложенным одноминутным переменным напряжением 2 кВ относительно земли. Испытание считают успешным, если не произошло падения (среза) испытательного напряжения и не выявлено других признаков полного разряда. Испытания должны быть проведены на заводе-изготовителе. Испытание может быть проведено на месте установки трансформатора, если изготовителю надлежит выполнить монтаж трансформатора на месте установки. Цепи управления и вспомогательные цепи, отключаемые или демонтируемые на время транспортировки трансформатора, которые были испытаны на заводе приложенным переменным напряжением 2 кВ, после монтажа на месте установки должны либо быть повторно испытаны приложенным переменным напряжением 2 кВ, либо пройти измерение сопротивления изоляции постоянным напряжением 1 кВ, при этом измеренное значение сопротивления изоляции должно быть не менее 1 МОм.
Вспомогательные цепи вторичных обмоток трансформаторов тока должны быть испытаны приложенным переменным напряжением 2,5 кВ относительно земли в течение 1 мин. Испытания должны быть проведены на заводе-изготовителе. Если действующее значение напряжения насыщения трансформатора тока превышает 2 кВ, испытание должно быть выполнено приложенным переменным напряжением 4 кВ. Испытание считают успешным, если не произошло падения (среза) испытательного напряжения и не выявлено других признаков полного разряда.
ДБ.11 Испытание напряжением полного грозового импульса (ПГИ): параметры импульса, определение значения испытательного напряжения и допуски
Значение испытательного напряжения должно быть определено согласно МЭК 60060-1 (значение, получаемое после применения функции испытательного напряжения). Если наибольшее относительное значение выброса на фронте составляет не более 5%, значение испытательного напряжения может быть принято равным максимальному значению импульса по МЭК 60060-1.
ДБ.12 Испытание напряжением срезанного грозового импульса (СГИ): параметры импульса
Форма полных грозовых импульсов должна быть согласно
13.2.1. Срезанный грозовой импульс должен иметь предразрядное время от 3 до 6 мкс. Время до первого перехода напряжения через ноль непосредственно после среза должно быть как можно меньше. Испытание должно быть выполнено без преднамеренно включенного в цепи среза демпфирующего сопротивления, но если при приложении сниженного напряжения максимальное значение первого полупериода колебаний после среза превышает 30% от максимального значения импульса, то в цепи среза может быть включено минимально возможное сопротивление для снижения максимального значения первого полупериода колебаний ниже 30%.
По соглашению между изготовителем и заказчиком может быть принято предразрядное время от 2 до 3 мкс при условии, что максимальное значение грозового импульса достигается до момента среза.
Примечание - Трансформаторы обычно проектируют таким образом, чтобы они выдерживали срезанный грозовой импульс с максимальным значением первого полупериода колебаний после среза, равным 30% от максимального значения импульса. Если трансформатор должен быть испытан третьей стороной, максимальное значение первого полупериода колебаний после среза должно быть ограничено этим значением.
ДБ.13 Испытания трансформаторов без встроенных нелинейных элементов
Последовательность испытания включает:
- два срезанных грозовых импульса напряжением 100% нормированного испытательного напряжения срезанного грозового импульса.
ДБ.14 Испытания трансформаторов со встроенными нелинейными элементами
Последовательность испытания включает:
- два срезанных грозовых импульса напряжением 100% нормированного испытательного напряжения срезанного грозового импульса.
ДБ.15 Испытания внешней изоляции трансформаторов
В случае применения меньших воздушных промежутков, чем указано в данном разделе стандарта, может потребоваться проведение типовых испытаний на конструкции, имитирующей фактические размеры воздушных промежутков, с использованием общих методов согласно
разделам 10 -
14 настоящего стандарта и испытательных напряжений, нормированных для трансформатора, или испытаний, установленных в других стандартах (например, МЭК 62271-1) и применимых к подключенному электрооборудованию подстанции.
ДБ.16 Требования к размерам воздушных промежутков
Минимальные размеры воздушных промежутков приведены в
таблице ДБ.4.
Таблица ДБ.4
Минимальные размеры воздушных промежутков
Наибольшее рабочее напряжение электрооборудования Uн.р, кВ | Напряжение полного грозового импульса (ПГИ), кВ | Напряжение коммутационного импульса (КИ), кВ | Минимальные размеры воздушных промежутков, мм |
до заземленных частей | между фазами |
< 1,1 | - | - | - | - |
3,6 | 20 | - | 60 | 60 |
40 | - | 60 | 60 |
7,2 | 60 | - | 90 | 90 |
| - | 120 | 120 |
12 | 75 | - | 120 | 120 |
90 | - | 160 | 160 |
| - | | |
17,5 | 95 | - | 160 | 160 |
| - | 220 | 220 |
24 | 125 | - | 220 | 220 |
145 | - | 270 | 270 |
| - | | |
36 | 170 | - | 320 | 320 |
| - | 380 | 380 |
52 | 250 | - | 480 | 480 |
72,5 | 325 | - | 630 | 630 |
| - | 630 | 630 |
100 | 450 | | 900 | 900 |
123 | 550 | | 1100 | 1100 |
145 | 550 | | 1100 | 1100 |
650 | | 1300 | |
170 | 650 | | 1300 | |
750 | | 1500 | |
245 | 850 | | 1600 | |
950 | | 1700 | 2300 |
1050 | | 1900 | 2600 |
300 | 950 | 750 | 1700 | 2300 |
1050 | 850 | 1900 | 2600 |
362 | 1050 | 850 | 1900 | 2600 |
1175 | 950 | 2200 | 3100 |
420 | 1175 | 950 | 2200 | 3100 |
1300 | 1050 | 2600 | 3600 |
1425 | | 3100 | 4200 |
550 | 1300 | 1050 | 2600 | 3600 |
1425 | 1175 | 3100 | 4200 |
1550 | | 3600 | |
| | | |
800 | 1800 | 1425 | 4200 | |
1950 | 1550 | 4900 | |
| | | |
2100 | | 5600 | |
1100 | 1950 | 1425 | | |
2250 | 1800 | 6300 | |
1200 | 2250 | 1800 | 6300 | |
<a> Эти значения не указаны в МЭК 60071-1:2011 для отдельных значений Uн.р, но включены либо потому, что они представляют практику, распространенную в некоторых частях мира, либо для некоторых значений напряжения коммутационного импульса и размеров воздушных промежутков, потому что они представляют собой скоординированные значения для определенного значения напряжения полного грозового импульса. <b> Для данного уровня изоляции не установлены размеры воздушных промежутков, поскольку этот уровень изоляции не применим к воздушной изоляции в соответствии с МЭК 60071-1. <c> Для трансформаторов с данным уровнем изоляции не установлены размеры междуфазных воздушных промежутков, поскольку такие трансформаторы обычно имеют однофазное исполнение. |
ДБ.17 Информация об изоляции трансформатора и испытаниях ее электрической прочности, которую следует предоставлять при запросе и заказе
ДБ.17.1 Трансформаторы и обмотки с Uн.р <= 72,5 кВ
Во всех случаях:
- значение наибольшего рабочего напряжения Uн.р;
- значение номинального напряжения обмотки Uном;
- значение испытательного приложенного кратковременного переменного напряжения (ПКПН);
- значение испытательного напряжения полного грозового импульса (ПГИ).
В особых случаях:
- требуется ли измерение интенсивности частичных разрядов, должно ли это измерение быть сделано одновременно с испытанием индуктированным кратковременным переменным напряжением или отдельно от него и должно ли это измерение быть сделано только на одной единице оборудования, предназначенной для проведения типовых испытаний, или на всех единицах; должна быть указана продолжительность выдержки напряжения при измерении интенсивности частичных разрядов, если она меньше чем один час;
- требуются ли импульсные испытания на любой или на всех единицах оборудования, поставляемых по заказу, а не только на первой единице той же конструкции;
- требуются ли испытания напряжением срезанного грозового импульса и должны ли эти испытания быть проведены только на первой единице оборудования или на всех единицах;
- требуется ли испытание напряжением грозовых импульсов вывода нейтрали и должно ли это испытание быть проведено только на первой единице или на всех единицах;
- требуется ли испытание напряжением грозовых импульсов, приложенным одновременно к нескольким линейным выводам, и должно ли это испытание быть выполнено только на первой единице оборудования или на всех единицах;
- размеры воздушных промежутков, если они отличаются от указанных в
разделе 16.
Значения
Uн.р, ПГИ и ПКПН должны быть предпочтительно выбраны из одной строки
таблицы ДБ.2, поскольку в этом случае они будут являться скоординированным набором значений, однако допустимо выбирать значения из разных строк в пределах одного значения
Uн.р или большего значения
Uн.р, чтобы соответствовать существующей практике координации изоляции. Значение СГИ, если указано проведение этого испытания, должно быть взято из той же строки
таблицы ДБ.2, что и значение ПГИ. Любое сочетание значений, взятых из разных строк, может привести к излишним запасам в конструкции по некоторым параметрам.
ДБ.17.2 Трансформаторы и обмотки с 72,5 кВ < Uн.р <= 170 кВ
Во всех случаях:
- значение наибольшего рабочего напряжения Uн.р;
- значение номинального напряжения обмотки Uном;
- значение испытательного приложенного кратковременного переменного напряжения (ПКПН);
- значение испытательного напряжения полного грозового импульса (ПГИ).
Дополнительно для трансформаторов, имеющих обмотки с неполной изоляцией нейтрали:
- значение испытательного кратковременного переменного напряжения линейного вывода или уровень испытательного напряжения коммутационного импульса, если это испытание указано в качестве альтернативы.
В особых случаях:
- требуется ли применение более высокого уровня напряжения для испытания длительным переменным напряжением с измерением интенсивности частичных разрядов и может ли это испытание быть совмещено с испытанием индуктированным кратковременным переменным напряжением (ИКПН);
- требуются ли испытания напряжением срезанного грозового импульса и должны ли эти испытания быть проведены только на первой единице оборудования или на всех единицах;
- требуется ли испытание напряжением грозовых импульсов вывода нейтрали и должно ли это испытание быть проведено только на первой единице оборудования или на всех единицах;
- отличается ли требуемое испытательное индуктированное кратковременное переменное напряжение от двойного номинального напряжения;
- требуется ли испытание напряжением коммутационного импульса, должно ли это испытание быть проведено только на первой единице оборудования или на всех единицах и заменяет ли испытание напряжением коммутационного импульса (КИ) испытание линейного вывода кратковременным переменным напряжением (ЛКПН);
- требуется ли испытание напряжением грозовых импульсов, приложенным одновременно к нескольким линейным выводам, и должно ли это испытание быть выполнено только на первой единице оборудования или на всех единицах;
- требуется ли испытание линейного вывода кратковременным переменным напряжением для трансформаторов, имеющих обмотки с неполной изоляцией нейтрали, и если это так, каким должно быть испытательное напряжение;
- размеры воздушных промежутков, если они отличаются от указанных в
разделе 16.
Значения
Uн.р, ПГИ, ПКПН, а также ЛКПН и КИ (если установлены) должны быть предпочтительно выбраны из одной строки
таблицы ДБ.2, поскольку в этом случае они будут являться скоординированным набором значений, однако допустимо выбирать значения из разных строк в пределах одного значения
Uн.р или большего значения
Uн.р, чтобы соответствовать существующей практике координации изоляции. Значение СГИ, если указано проведение этого испытания, должно быть взято из той же строки
таблицы ДБ.2, что и значение ПГИ. Любое сочетание значений, взятых из разных строк, может привести к излишним запасам в конструкции по некоторым параметрам.
ДБ.17.3 Трансформаторы и обмотки с Uн.р > 170 кВ
Во всех случаях:
- значение наибольшего рабочего напряжения Uн.р;
- значение номинального напряжения обмотки Uном;
- значение испытательного напряжения полного грозового импульса (ПГИ);
- значение испытательного напряжения коммутационного импульса (КИ);
- значение испытательного приложенного кратковременного переменного напряжения (ПКПН).
В особых случаях:
- требуется ли применение более высокого напряжения для испытаний длительным переменным напряжением с измерением интенсивности частичных разрядов;
- требуется ли испытание напряжением грозовых импульсов вывода нейтрали и должно ли это испытание быть проведено только на первой единице оборудования или на всех единицах;
- требуется ли испытание напряжением грозовых импульсов, приложенным одновременно к нескольким линейным выводам, и должно ли это испытание быть выполнено только на первой единице оборудования или на всех единицах;
- требуется ли испытание линейного вывода кратковременным переменным напряжением для трансформаторов, имеющих обмотки с неполной изоляцией нейтрали, и если это так, каким должно быть испытательное напряжение;
- размеры воздушных промежутков, если они отличаются от указанных в
разделе 16.
Значения
Uн.р, ПГИ, КИ, ПКПН и ЛКПН (если установлено) должны быть предпочтительно выбраны из одной строки
таблицы ДБ.2, поскольку в этом случае они будут являться скоординированным набором значений, однако допустимо выбирать значения из разных строк в пределах одного значения
Uн.р или большего значения
Uн.р, чтобы соответствовать существующей практике координации изоляции. Значение СГИ должно быть взято из той же строки
таблицы ДБ.2, что и значение ПГИ. Любое сочетание значений, взятых из разных строк, может привести к излишним запасам в конструкции по некоторым параметрам.
ДБ.18 Выбор уровня изоляции нейтрали - пример
Трансформатор со схемой соединения обмоток Yн/Д-11 с номинальным напряжением обмотки высшего напряжения (ВН) 155 кВ (Uн.р = 170 кВ), номинальной мощностью 100 МВА, сопротивлением прямой последовательности 12% при 100 МВА и сопротивлением нулевой последовательности 10,8%, и нейтралью обмотки ВН, заземленной через реактор с сопротивлением 39 Ом, для случая бесконечной мощности короткого замыкания сети будет иметь следующий ток в нейтрали обмотки ВН при однофазном замыкании на землю в сети ВН:
что дает напряжение на нейтрали
UN КПЧ = Iк.зZN = 1468·39 = 57243 В,
таким образом, минимальное значение приложенного переменного напряжения нейтрали из
таблицы ДБ.2 составляет 70 кВ.
Принимая Kv = 1,05 для индуктивного сопротивления в нейтрали, наибольшее напряжение на нейтрали при коротком замыкании в сети будет
Поскольку защитное устройство не должно срабатывать при амплитудном напряжении 85 кВ, его наибольший уровень длительно допустимого переменного напряжения должен быть не менее

. Подходящий ограничитель перенапряжений для этого напряжения (при условии его допустимости в течение 10 с) имеет остающееся напряжение 140 кВ при импульсе тока 10 кА. С учетом некоторого запаса уровень испытательного напряжения полного грозового импульса для нейтрали может быть принят равным 170 кВ.
Испытательному напряжению полного грозового импульса 170 кВ соответствует Uн.р, равное 36 кВ, и это значение следует указать для нейтрали.
ДБ.19 Базовые принципы для установления испытаний электрической прочности изоляции, уровней изоляции и внешних воздушных промежутков: испытания
ДБ.19.1 Испытание трансформаторов с Uн.р <= 72,5 кВ
Эти трансформаторы включают в себя распределительные трансформаторы, которые часто выпускаются в больших количествах для одной определенной конструкции. Испытания таких трансформаторов должны оставаться быстрыми и недорогими.
Поскольку все трансформаторы и обмотки с Uн.р не более 72,5 кВ производятся с полной изоляцией обмоток, изоляция линейных выводов и вывода нейтрали относительно земли проверяется одновременно во время испытания приложенным кратковременным переменным напряжением (ПКПН).
В связи с этим испытание индуктированным кратковременным переменным напряжением (ИКПН) требуется только для проверки витковой изоляции, и, как и в предыдущем издании, испытание двойным номинальным напряжением признано обеспечивающим достаточный запас.
Конструкция изоляции относительно земли и между фазами также проверяется при испытаниях напряжением грозового импульса (ПГИ), но для ограничения объема испытательного оборудования, необходимого для испытаний этой категории трансформаторов, импульсные испытания сохранены в качестве типовых испытаний, без перевода их в разряд приемо-сдаточных испытаний.
Испытание напряжением срезанного грозового импульса (СГИ) в общем случае не рассматривается как необходимое. Это испытание определено как специальное, выполняемое по требованию заказчика лишь в тех случаях, когда имеются особенно тяжелые условия эксплуатации.
Испытание индуктированным переменным напряжением с измерением интенсивности частичных разрядов (ДПН) рассматривается также как слишком дорогое и слишком длительное для общего применения на этих трансформаторах, и более того, его цели покрывают испытания ИКПН и ПКПН. Это испытание определено как специальное испытание, выполняемое по требованию заказчика, возможно, с сокращением продолжительности испытания в тех случаях, когда имеются особые условия эксплуатации.
ДБ.19.2 Испытание трансформаторов с 72,5 кВ < Uн.р <= 170 кВ
Трансформаторы этого среднего диапазона, как правило, производятся на заказ, и из-за большей передаваемой мощности установлены требования более тщательной проверки их качества. Поскольку обмотки могут быть как с полной, так и с неполной изоляцией нейтрали, перечень испытаний составлен так, чтобы охватить оба случая.
Электрическая прочность изоляции нейтрали относительно земли и изоляция линейных выводов относительно земли в случае обмоток с полной изоляцией нейтрали проверяется испытанием приложенным переменным напряжением (ПКПН). Для обмоток с неполной изоляцией нейтрали уровень испытательного напряжения ограничен электрической прочностью изоляции нейтрали, потому испытание приложенным переменным напряжением недостаточно для подтверждения электрической прочности линейных выводов относительно земли. В связи с этим испытание линейного вывода кратковременным переменным напряжением (ЛКПН) является приемо-сдаточным испытанием для трансформаторов, имеющих обмотки с неполной изоляцией нейтрали, но может быть заменено по соглашению между изготовителем и заказчиком на испытание напряжением коммутационного импульса (КИ), таким образом, этот класс трансформаторов может быть испытан так же, как и более крупные трансформаторы.
Изоляция относительно земли и между фазами также испытывается приемо-сдаточным испытанием напряжением полного грозового импульса (ПГИ). Для рассматриваемого диапазона значений Uн.р испытание напряжением срезанного грозового импульса является специальным испытанием, которое может быть установлено по требованию заказчика в случае специфичных условий эксплуатации.
Для проверки витковой и междуфазной изоляции, испытание индуктированным кратковременным переменным напряжением (ИКПН), равным двойному номинальному напряжению, и испытание длительным переменным напряжением с измерением интенсивности частичных разрядов (ДПН) установлены как приемо-сдаточные испытания. Для того чтобы сократить время на испытания и не воспроизводить дважды одни и те же электрические воздействия в изоляции трансформатора, предусмотрена возможность совмещения этих испытаний, поскольку расширение испытания ДПН дает схожие воздействия, что и ИКПН, а оба испытания проводятся при соединении выводов трансформатора аналогично тому, как это будет в условиях эксплуатации.
ДБ.19.3 Испытание трансформаторов с Uн.р > 170 кВ
Данная категория трансформаторов охватывает крупные трансформаторы для магистральных сетей и генераторные трансформаторы. В связи с ограниченным количеством выпускаемых единиц и необходимостью проверки качества этих крупных и ответственных трансформаторов установлены следующие испытания.
Проверка изоляции относительно земли приложенным кратковременным переменным напряжением нормирована в качестве приемо-сдаточного испытания.
Испытание длительным переменным напряжением с измерением интенсивности частичных разрядов (ДПН) служит для проверки качества витковой изоляции, изоляции относительно земли и между фазами, при этом выводы трансформатора соединяются так же, как и в условиях эксплуатации. Испытание напряжением коммутационного импульса (КИ) используется для проверки электрической прочности изоляции относительно земли и между фазами. В связи с этим полагается, что отдельное испытание индуктированным кратковременным переменным напряжением не является необходимым, но уровень повышенного напряжения в испытании ДПН при желании может быть увеличен, например, до двойного номинального напряжения.
Испытание напряжением грозовых импульсов, включая срезанный грозовой импульс, для этих трансформаторов установлены в качестве приемо-сдаточного испытания, поскольку считается важным доказать способность трансформатора выдерживать импульсные напряжения, в т.ч. содержащие более высокочастотные составляющие.
Испытание линейного вывода кратковременным переменным напряжением (ЛКПН) может быть указано как специальное испытание, если заказчик требует проведения дополнительного испытания переменным напряжением изоляции линейных выводов относительно земли. Это испытание является производным от испытания индуктированным кратковременным переменным напряжением.
ДБ.20 Базовые принципы для установления испытаний электрической прочности изоляции, уровней изоляции и внешних воздушных промежутков: испытательные напряжения
Испытательные напряжения, приведенные в
таблице ДБ.2, установлены на основе стандарта по координации изоляции МЭК 60071-1. Из
таблицы ДБ.2 исключены все приведенные в стандарте МЭК 60071-1 уровни изоляции, которые ниже допустимых пределов, но введена
таблица ДБ.3, содержащая более низкие уровни изоляции, которые могут быть использованы для согласования с существующей практикой.
Таблица ДБ.2, как и прежде, дает диапазон возможных значений испытательных напряжений для каждого значения
Uн.р, чтобы обеспечить возможность соответствия спецификации трансформатора требованиям отдельных энергетических систем, при этом предусматривает меньшее число стандартных уровней изоляции.
При установлении значений, приведенных в
таблице ДБ.2, было использовано общее правило, основанное на характеристиках изоляции, содержащей твердую изоляцию на основе целлюлозы и минеральное масло. Исследования, проводимые для этого типа изоляции, показали, что выдерживаемое напряжение коммутационного импульса (КИ) обычно лежит в пределах от 0,8 до 0,85 от выдерживаемого напряжения полного грозового импульса. Значения испытательных напряжений полного грозового и коммутационного импульсов в стандарте IEEE C57.12.00-2010 основаны на коэффициенте 0,83.
В
таблице ДБ.2 значения были округлены в большую сторону во всех случаях, когда это не приводило к чрезмерному отклонению от общего правила.
Индуктированное кратковременное переменное напряжение (ИКПН) относительно земли, как правило, составляет около 50% от испытательного напряжения коммутационного импульса, т.е. примерно от 40 до 43% испытательного напряжения полного грозового импульса (ПГИ). Значения, указанные в
таблице ДБ.2, были установлены с помощью этого основного принципа и стандартных значений для испытательного переменного напряжения по МЭК 60071-1. За исключением
Uн.р менее 36 кВ, где используемая практика несколько отличается, в целом общее правило соблюдается с некоторыми отклонениями для отражения существующей практики.
Значение

для длительного переменного напряжения представляет собой увеличенное на 5% значение

, которое используется в стандарте IEEE C57.12.00-2010. Значение

для напряжения повышенного уровня соответствует значению

, увеличенному на 5% с целью учета перехода от
Uн.р к
Uном и гармонизации с IEEE C57.12.00-2010.
(справочное)
СВЕДЕНИЯ О СООТВЕТСТВИИ ССЫЛОЧНЫХ МЕЖГОСУДАРСТВЕННЫХ
И НАЦИОНАЛЬНЫХ СТАНДАРТОВ МЕЖДУНАРОДНЫМ СТАНДАРТАМ,
ИСПОЛЬЗОВАННЫМ В КАЧЕСТВЕ ССЫЛОЧНЫХ В ПРИМЕНЕННОМ
МЕЖДУНАРОДНОМ СТАНДАРТЕ
Таблица ДВ.1
Обозначение ссылочного межгосударственного стандарта | Степень соответствия | Обозначение и наименование ссылочного международного стандарта |
ГОСТ 30830-2002 | MOD | IEC 60076-1 "Силовые трансформаторы. Часть 1. Общие положения" |
| | ИС МЕГАНОРМ: примечание. В официальном тексте документа, видимо, допущена опечатка: имеется в виду ГОСТ Р 52719-2007, а не ГОСТ Р 52719-2008. | |
|
| NEQ | IEC 60076-1 "Силовые трансформаторы. Часть 1. Общие положения" |
| NEQ | IEC 60137 "Вводы изолированные для переменных напряжений свыше 1000 В" |
| MOD | IEC 60270 "Техника испытаний высоким напряжением. Измерения частичных разрядов" |
| MOD | IEC 60060-2 "Техника испытаний высоким напряжением. Часть 2. Измерительные системы" |
| NEQ | IEC 60060-1 "Техника испытаний высоким напряжением. Часть 1. Общие определения и требования к испытаниям" |
Примечание - В настоящей таблице использованы следующие условные обозначения степени соответствия стандартов: - MOD - модифицированные стандарты; - NEQ - неэквивалентные стандарты. |
| МЭК 60071-1 | Insulation co-ordination - Part 1: Definitions, principles and rules (Координация изоляции. Часть 1. Определения, принципы и правила) |
| МЭК 60076-4 | Power transformers - Part 4: Guide to the lightning impulse and switching impulse testing - Power transformers and reactors (Силовые трансформаторы. Часть 4. Руководство по испытаниям электрической прочности изоляции силовых трансформаторов и реакторов напряжениями грозовых и коммутационных импульсов) |
| МЭК 60071-2 | Insulation co-ordination - Part 2: Application guide (Координация изоляции. Часть 2. Руководство по применению) |
УДК 621.314.222.6:006.354 | | | MOD |
Ключевые слова: трансформаторы, реакторы, электрическая прочность изоляции, требования и методы испытаний, классы напряжения электрооборудования, испытательные напряжения |