Главная // Актуальные документы // ГОСТ Р (Государственный стандарт)
СПРАВКА
Источник публикации
М.: Стандартинформ, 2012
Примечание к документу
Отдельные положения данного документа включены в Перечень стандартов, в результате применения которых на добровольной основе обеспечивается соблюдение требований Технического регламента Таможенного союза "Электромагнитная совместимость технических средств" (ТР ТС 020/2011) и в Перечень стандартов, содержащих правила и методы исследований (испытаний) и измерений, в том числе правила отбора образцов, необходимые для применения и исполнения требований технического регламента Таможенного союза "Электромагнитная совместимость технических средств" (ТР ТС 020/2011) и осуществления оценки (подтверждения) соответствия продукции (Решение Комиссии Таможенного союза от 09.12.2011 N 879).

Документ введен в действие с 1 июня 2012 года.
Название документа
"ГОСТ Р 51522.2.2-2011 (МЭК 61326-2-2:2005). Национальный стандарт Российской Федерации. Совместимость технических средств электромагнитная. Электрическое оборудование для измерения, управления и лабораторного применения. Часть 2-2. Частные требования к портативному оборудованию, применяемому для испытаний, измерений и мониторинга в низковольтных распределительных системах электроснабжения. Испытательные конфигурации, рабочие условия и критерии качества функционирования"
(утв. и введен в действие Приказом Росстандарта от 07.11.2011 N 511-ст)

"ГОСТ Р 51522.2.2-2011 (МЭК 61326-2-2:2005). Национальный стандарт Российской Федерации. Совместимость технических средств электромагнитная. Электрическое оборудование для измерения, управления и лабораторного применения. Часть 2-2. Частные требования к портативному оборудованию, применяемому для испытаний, измерений и мониторинга в низковольтных распределительных системах электроснабжения. Испытательные конфигурации, рабочие условия и критерии качества функционирования"
(утв. и введен в действие Приказом Росстандарта от 07.11.2011 N 511-ст)


Содержание


Утвержден и введен в действие
Приказом Федерального
агентства по техническому
регулированию и метрологии
от 7 ноября 2011 г. N 511-ст
НАЦИОНАЛЬНЫЙ СТАНДАРТ РОССИЙСКОЙ ФЕДЕРАЦИИ
СОВМЕСТИМОСТЬ ТЕХНИЧЕСКИХ СРЕДСТВ ЭЛЕКТРОМАГНИТНАЯ
ЭЛЕКТРИЧЕСКОЕ ОБОРУДОВАНИЕ ДЛЯ ИЗМЕРЕНИЯ, УПРАВЛЕНИЯ
И ЛАБОРАТОРНОГО ПРИМЕНЕНИЯ
ЧАСТЬ 2-2
ЧАСТНЫЕ ТРЕБОВАНИЯ К ПОРТАТИВНОМУ ОБОРУДОВАНИЮ,
ПРИМЕНЯЕМОМУ ДЛЯ ИСПЫТАНИЙ, ИЗМЕРЕНИЙ И МОНИТОРИНГА
В НИЗКОВОЛЬТНЫХ РАСПРЕДЕЛИТЕЛЬНЫХ СИСТЕМАХ ЭЛЕКТРОСНАБЖЕНИЯ.
ИСПЫТАТЕЛЬНЫЕ КОНФИГУРАЦИИ, РАБОЧИЕ УСЛОВИЯ И КРИТЕРИИ
КАЧЕСТВА ФУНКЦИОНИРОВАНИЯ
Electromagnetic compatibility of technical equipment.
Electrical equipment for measurement, control and laboratory
use. Part 2-2. Particular requirements for portable test,
measuring and monitoring equipment used in low-voltage
distribution systems. Test configurations, operational
conditions and performance criteria
IEC 61326-2-2:2005
Electrical equipment for measurement, control
and laboratory use - EMC requirements - Part 2-2:
Particular requirements - Test configurations, operational
conditions and performance criteria for portable test,
measuring and monitoring equipment used in low-voltage
distribution systems
(MOD)
ГОСТ Р 51522.2.2-2011
(МЭК 61326-2-2:2005)
Группа Э02
ОКС 25.040.40
33.100
17.220
Дата введения
1 июня 2012 года
Предисловие
Цели и принципы стандартизации в Российской Федерации установлены Федеральным законом от 27 декабря 2002 г. N 184-ФЗ "О техническом регулировании", а правила применения национальных стандартов Российской Федерации - ГОСТ Р 1.0-2004 "Стандартизация в Российской Федерации. Основные положения".
Сведения о стандарте
1. Подготовлен ЗАО "Научно-испытательный центр "САМТЭС" и Техническим комитетом по стандартизации ТК 30 "Электромагнитная совместимость технических средств" на основе собственного аутентичного перевода на русский язык международного стандарта, указанного в пункте 4.
2. Внесен Техническим комитетом по стандартизации ТК 30 "Электромагнитная совместимость технических средств".
3. Утвержден и введен в действие Приказом Федерального агентства по техническому регулированию и метрологии от 7 ноября 2011 г. N 511-ст.
4. Настоящий стандарт является модифицированным по отношению к международному стандарту МЭК 61326-2-2:2005 "Электрическое оборудование для измерения, управления и лабораторного применения. Требования электромагнитной совместимости. Часть 2-2. Частные требования. Испытательные конфигурации, рабочие условия и критерии качества функционирования для портативного испытательного и измерительного оборудования и устройств мониторинга, применяемых в низковольтных распределительных системах" (IEC 61326-2-2:2005 "Electrical equipment for measurement, control and laboratory use - EMC requirements - Part 2-2: Particular requirements - Test configurations, operational conditions and performance criteria for portable test, measuring and monitoring used in low-voltage distribution systems"). При этом дополнительные положения и требования, включенные в текст стандарта для учета потребностей национальной экономики Российской Федерации и особенностей российской национальной стандартизации, выделены в тексте стандарта курсивом.
Наименование настоящего стандарта изменено относительно наименования указанного международного стандарта для приведения в соответствие с ГОСТ Р 1.5-2004 (пункт 3.5).
Перечень национальных стандартов Российской Федерации, разработанных на основе международных стандартов серии МЭК 61326, приведен в дополнительном Приложении ДА.
При применении настоящего стандарта рекомендуется использовать вместо ссылочных международных стандартов соответствующие им национальные стандарты Российской Федерации и межгосударственные стандарты, сведения о которых приведены в дополнительном Приложении ДБ.
5. Введен впервые.
Информация об изменениях к настоящему стандарту публикуется в ежегодно издаваемом информационном указателе "Национальные стандарты", а текст изменений и поправок - в ежемесячно издаваемых информационных указателях "Национальные стандарты". В случае пересмотра (замены) или отмены настоящего стандарта соответствующее уведомление будет опубликовано в ежемесячно издаваемом информационном указателе "Национальные стандарты". Соответствующая информация, уведомления и тексты размещаются также в информационной системе общего пользования - на официальном сайте Федерального агентства по техническому регулированию и метрологии в сети Интернет.
Предисловие к МЭК 61326-2-2:2005
Международный стандарт МЭК 61326-2-2:2005 разработан Подкомитетом 65А "Системные аспекты" Технического комитета МЭК 65 "Измерение и управление производственными процессами".
Серия стандартов МЭК 61326 "Электрическое оборудование для измерения, управления и лабораторного применения. Требования ЭМС" отменяет и заменяет МЭК 61326:2002.
Серия стандартов МЭК 61326 состоит из следующих частей:
- часть 1. Общие требования (Приложения A, B МЭК 61326:2002 включены в основной текст МЭК 61326-1);
- часть 2-1. Чувствительное испытательное и измерительное оборудование, незащищенное в отношении электромагнитной совместимости (Приложение D МЭК 61326:2002);
- часть 2-2. Портативное испытательное, измерительное оборудование и оборудование для мониторинга, используемое в низковольтных распределительных системах (Приложение E МЭК 61326:2002);
- часть 2-3. Преобразователи со встроенной или удаленной обработкой сигналов (Приложение F МЭК 61326:2002);
- часть 2-4. Устройства для мониторинга изоляции, соответствующие требованиям МЭК 61557-8, и оборудование для определения мест нарушения изоляции, соответствующее требованиям МЭК 61557-9;
- часть 2-5. Испытательное и измерительное оборудование с интерфейсами в соответствии с коммуникационным профилем семейства 3, профиль 3/2;
- часть 2-6. Медицинское оборудование для диагностики "in vitro";
- часть 3-1. Требования устойчивости к электромагнитным помехам для систем, связанных с безопасностью, и для оборудования, предназначенного для выполнения функций, связанных с безопасностью (функциональная безопасность). Общепромышленные применения;
- часть 3-2. Требования устойчивости к электромагнитным помехам для систем, связанных с безопасностью, и для оборудования, предназначенного для выполнения функций, связанных с безопасностью (функциональная безопасность). Промышленные применения в заданной электромагнитной обстановке.
Перечень национальных стандартов, разработанных на основе международных стандартов серии МЭК 61326, приведен в дополнительном Приложении ДА.
1. Область применения
Настоящий стандарт устанавливает частные требования электромагнитной совместимости к электрическому оборудованию для испытаний и измерений (далее - оборудование), относящемуся к области применения ГОСТ Р 51522.1, которое:
- применяется для испытаний, измерений и мониторинга в низковольтных распределительных системах электроснабжения;
- получает электропитание от батарей и/или от измерительной цепи;
- является портативным.
К оборудованию относят: детекторы напряжения, мультиметры, тестеры изоляции, тестеры непрерывности заземления, тестеры сопротивления заземления, тестеры сопротивления петли, тестеры устройств защитного отключения, управляемых дифференциальным током, тестеры фазовой последовательности.
Настоящий стандарт применяют совместно с ГОСТ Р 51522.1.
Настоящий стандарт регламентирует испытательные конфигурации, рабочие условия и критерии качества функционирования оборудования при испытаниях на помехоустойчивость.
Изготовитель оборудования должен определить зоны, для применения в которых предназначено оборудование, и/или установить в соответствии с ГОСТ Р 51522.1 требования устойчивости оборудования к электромагнитным помехам.
Примечание. Частные требования электромагнитной совместимости к электрическому оборудованию для испытаний и измерений, относящемуся к области применения ГОСТ Р 51522.1, предназначенному для мониторинга изоляции в соответствии с [1] и определения мест нарушения изоляции в соответствии с [2], установлены в ГОСТ Р 51522.2.4.
2. Нормативные ссылки
В настоящем стандарте использованы нормативные ссылки на следующие стандарты:
ГОСТ 30372-95/ГОСТ Р 50397-92 Совместимость технических средств электромагнитная. Термины и определения
ГОСТ Р 51317.4.3-2006 (МЭК 61000-4-3:2006) Совместимость технических средств электромагнитная. Устойчивость к радиочастотному электромагнитному полю. Требования и методы испытаний
ГОСТ Р 51317.4.6-99 (МЭК 61000-4-6-96) Совместимость технических средств электромагнитная. Устойчивость к кондуктивным помехам, наведенным радиочастотными электромагнитными полями. Требования и методы испытаний
ГОСТ Р 51522.1-2011 (МЭК 61326-1:2005) Совместимость технических средств электромагнитная. Электрическое оборудование для измерения, управления и лабораторного применения. Часть 1. Общие требования и методы испытаний
ГОСТ Р 51522.2.4-2011 (МЭК 61326-2-4:2006) Совместимость технических средств электромагнитная. Электрическое оборудование для измерения, управления и лабораторного применения. Часть 2-4. Частные требования к устройствам мониторинга изоляции и определения мест нарушения изоляции. Испытательные конфигурации, рабочие условия и критерии качества функционирования
ГОСТ Р МЭК 61557-1-2005 Сети электрические распределительные низковольтные напряжением до 1000 В переменного тока и 1500 В постоянного тока. Электробезопасность. Аппаратура для испытания, измерения или контроля средств защиты. Часть 1. Общие требования.
Примечание. При пользовании настоящим стандартом целесообразно проверить действие ссылочных стандартов в информационной системе общего пользования - на официальном сайте Федерального агентства по техническому регулированию и метрологии в сети Интернет или по ежегодно издаваемому информационному указателю "Национальные стандарты", который опубликован по состоянию на 1 января текущего года, и по соответствующим ежемесячно издаваемым информационным указателям, опубликованным в текущем году. Если ссылочный стандарт заменен (изменен), то при пользовании настоящим стандартом следует руководствоваться заменяющим (измененным) стандартом. Если ссылочный стандарт отменен без замены, то положение, в котором дана ссылка на него, применяется в части, не затрагивающей эту ссылку.
3. Термины и определения
В настоящем стандарте применены термины по ГОСТ Р 50397, ГОСТ Р 51522.1 и ГОСТ Р МЭК 61557-1.
4. Общие положения
Испытания оборудования на соответствие требованиям ЭМС проводят по ГОСТ Р 51522.1.
5. План испытаний на соответствие требованиям
электромагнитной совместимости
5.1. Общие положения
Применяют требования ГОСТ Р 51522.1.
5.2. Конфигурация испытуемого оборудования
Применяют требования ГОСТ Р 51522.1, а также подраздела 5.2.4.101, указанного ниже.
5.2.4.101. Порты ввода-вывода, применяемые для целей испытаний и измерений
К портам ввода-вывода, применяемым для проведения испытаний и измерений, должны быть подключены испытательные/измерительные проводники, поставляемые вместе с испытуемым оборудованием (ИО) или рекомендуемые изготовителем.
Если испытательные/измерительные проводники не определены, применяют типичные.
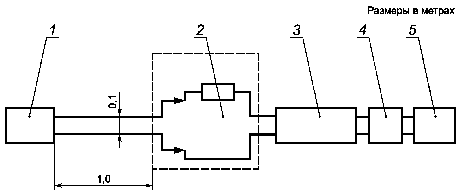
Испытательные/измерительные проводники подключают и размещают в типичной конфигурации для каждого рабочего режима ИО в соответствии с рисунком 1.
Если испытательные/измерительные проводники поставляются или рекомендуются длиной свыше 1 м, они должны быть свернуты так, чтобы объект испытаний или измерений находился (по горизонтали) на расстоянии 1 м от ИО.
Испытательные/измерительные проводники должны размещаться горизонтально на столе на расстоянии 0,1 м друг от друга.
Вспомогательное оборудование, применяемое для создания и мониторинга сигнала объекта испытаний, должно быть подключено в соответствии с рисунком 1 через двое последовательно соединенных электромагнитных клещей связи, как установлено в ГОСТ Р 51317.4.6, рисунок А.3, и/или через дополнительные устройства развязки.
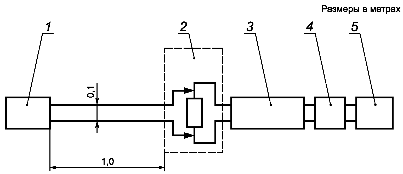
Измерение напряжений проводят с использованием резистора сопротивлением (1000 +/- 100) Ом (объекта испытаний), подключенного последовательно с одним из испытательных/измерительных проводников, как показано на рисунке 2.
Измерение тока проводят с использованием резистора сопротивлением (100 +/- 10) Ом (объекта испытаний), подключенного параллельно испытательным/измерительным проводникам, как показано на рисунке 3.
Для других измерений объект испытаний должен быть установлен изготовителем ИО. При этом сведения об объекте испытаний приводят в протоколе испытаний.
Вид спереди
Вид сверху
1 - вспомогательное оборудование; 2 - ИО; 3 - объект
испытаний; 4 - электромагнитные клещи связи
Рисунок 1. Схема рабочего места для испытаний портативного
оборудования, применяемого для испытаний, измерений
и мониторинга, на устойчивость к радиочастотному
электромагнитному полю (см. ГОСТ Р 51317.4.3)
1 - ИО; 2 - объект испытаний; 3 - электромагнитные
клещи связи; 4 - устройство развязки (при необходимости);
5 - вспомогательное оборудование
(например, источник сигнала)
Рисунок 2. Пример соединений при измерении напряжения
1 - ИО; 2 - объект испытаний; 3 - электромагнитные
клещи связи; 4 - устройство развязки (при необходимости);
5 - вспомогательное оборудование
(например, источник сигнала)
Рисунок 3. Пример соединений при измерении тока
5.3. Условия функционирования испытуемого оборудования
Применяют требования ГОСТ Р 51522.1, а также подраздела 5.3.101, указанного ниже.
5.3.101. Условия функционирования
Оборудование, применяемое для испытаний и измерений, должно функционировать в режиме или комбинации режимов, обеспечивающих наибольшую чувствительность, если нет других режимов, при которых наблюдают минимальную помехоустойчивость при использовании оборудования по назначению. Каждая функция многофункционального оборудования должна проверяться отдельно.
5.4. Установление критериев качества функционирования
Применяют требования ГОСТ Р 51522.1.
5.5. Описание испытаний
Применяют требования ГОСТ Р 51522.1.
6. Требования устойчивости к электромагнитным помехам
6.1. Условия проведения испытаний
Применяют требования ГОСТ Р 51522.1.
6.2. Требования к испытаниям на помехоустойчивость
Применяют требования ГОСТ Р 51522.1, а также подразделов 6.2.101, 6.2.102, указанных ниже.
6.2.101. Электростатические разряды
Применяют значения параметров испытательного воздействия по ГОСТ Р 51522.1, Приложение A, при критерии качества функционирования B.
Электростатические разряды подают на корпус, терминалы испытуемого оборудования и пластины связи. Подача электростатического разряда на внутренние контакты экранированных портов или кабельных соединителей не допускается.
6.2.102. Радиочастотное электромагнитное поле
Применяют значения параметров испытательного воздействия по ГОСТ Р 51522.1, Приложение A, начиная с 80 МГц. Если максимальный размер ИО менее 0,3 м, то испытания проводят с его одной стороны в соответствии с рисунком 1, что должно быть отражено в протоколе испытаний.
6.3. Вероятностные аспекты
Применяют требования ГОСТ Р 51522.1.
6.4. Критерии качества функционирования
Применяют требования ГОСТ Р 51522.1, а также подраздела 6.4.1.101, указанного ниже.
6.4.1.101. Критерий качества функционирования A
Во время проведения испытаний ИО должно нормально функционировать при установленных уровнях помех. При этом допускается повышение погрешности средства измерений по сравнению со значением погрешности, указанным в руководстве пользователя. Изменения погрешности средства измерений не должны превышать пятикратного значения погрешности, указанного в руководстве пользователя, и не должны быть более 20% значения измеряемой величины при измерении в пределах от 50% до 100% полной шкалы.
7. Требования по ограничению эмиссии электромагнитных помех
Применяют требования ГОСТ Р 51522.1.
8. Результаты испытаний и протокол испытаний
Применяют требования ГОСТ Р 51522.1.
9. Инструкции по эксплуатации
Применяют требования ГОСТ Р 51522.1.
Приложение ДА
(справочное)
ПЕРЕЧЕНЬ НАЦИОНАЛЬНЫХ СТАНДАРТОВ РОССИЙСКОЙ ФЕДЕРАЦИИ,
РАЗРАБОТАННЫХ НА ОСНОВЕ МЕЖДУНАРОДНЫХ СТАНДАРТОВ
СЕРИИ МЭК 61326
Ниже представлен перечень национальных стандартов, разработанных на основе применения международных стандартов серии МЭК 61326:
ГОСТ Р 51522.1-2011 (МЭК 61326-1:2005) Совместимость технических средств электромагнитная. Электрическое оборудование для измерения, управления и лабораторного применения. Часть 1. Общие требования и методы испытаний (MOD)
ГОСТ Р 51522.2.1-2011 (МЭК 61326-2-1:2005) Совместимость технических средств электромагнитная. Электрическое оборудование для измерения, управления и лабораторного применения. Часть 2-1. Частные требования к чувствительному испытательному и измерительному оборудованию, незащищенному в отношении электромагнитной совместимости. Испытательные конфигурации, рабочие условия и критерии качества функционирования (MOD)
ГОСТ Р 51522.2.2-2011 (МЭК 61326-2-2:2005) Совместимость технических средств электромагнитная. Электрическое оборудование для измерения, управления и лабораторного применения. Часть 2-2. Частные требования к портативному оборудованию, применяемому для испытаний, измерений и мониторинга в низковольтных распределительных системах электроснабжения. Испытательные конфигурации, рабочие условия и критерии качества функционирования (MOD)
ГОСТ Р 51522.2.4-2011 (МЭК 61326-2-4:2006) Совместимость технических средств электромагнитная. Электрическое оборудование для измерения, управления и лабораторного применения. Часть 2-4. Частные требования к устройствам мониторинга изоляции и определения мест нарушения изоляции. Испытательные конфигурации, рабочие условия и критерии качества функционирования (MOD).
Приложение ДБ
(справочное)
СВЕДЕНИЯ О СООТВЕТСТВИИ ССЫЛОЧНЫХ НАЦИОНАЛЬНЫХ СТАНДАРТОВ
РОССИЙСКОЙ ФЕДЕРАЦИИ И МЕЖГОСУДАРСТВЕННЫХ СТАНДАРТОВ
МЕЖДУНАРОДНЫМ СТАНДАРТАМ, ИСПОЛЬЗОВАННЫМ В КАЧЕСТВЕ
ССЫЛОЧНЫХ В ПРИМЕНЕННОМ МЕЖДУНАРОДНОМ СТАНДАРТЕ
Таблица ДБ.1
Обозначение ссылочного национального стандарта
Степень соответствия
Обозначение и наименование ссылочного международного стандарта
ГОСТ 30372-95/ГОСТ Р 50397-92
NEQ
МЭК 60050-161:1990 "Международный электротехнический словарь. Глава 161. Электромагнитная совместимость"
MOD
МЭК 61000-4-3:2006 "Электромагнитная совместимость (ЭМС). Часть 4-3. Методы испытаний и измерений. Испытания на устойчивость к излученному радиочастотному электромагнитному полю"
MOD
МЭК 61000-4-6-96 "Электромагнитная совместимость (ЭМС). Часть 4. Методы испытаний и измерений. Раздел 6. Испытания на устойчивость к кондуктивным помехам, наведенным радиочастотными полями"
MOD
МЭК 61326-1:2005 "Электрическое оборудование для измерения, управления и лабораторного применения. Требования электромагнитной совместимости. Часть 1. Общие требования"
MOD
МЭК 61326-2-4:2006 "Электрическое оборудование для измерения, управления и лабораторного применения. Требования электромагнитной совместимости. Часть 2-4. Частные требования. Испытательные конфигурации, рабочие условия и критерии качества функционирования для устройств мониторинга изоляции в соответствии с МЭК 61557-8 и оборудования для определения мест нарушения изоляции в соответствии с МЭК 61557-9"
IDT
МЭК 61557-1:1997 "Электрическая безопасность в низковольтных распределительных системах напряжением до 1000 В переменного тока и 1500 В постоянного тока. Оборудование для испытаний, измерений или мониторинга средств защиты. Часть 1: Общие требования"
Примечание - В настоящей таблице использованы следующие условные обозначения степени соответствия стандартов:
- IDT - идентичные стандарты;
- MOD - модифицированные стандарты;
- NEQ - неэквивалентные стандарты.
Библиография
[1]
МЭК 61557-8:2007
Электрическая безопасность в низковольтных распределительных системах напряжением до 1000 В переменного тока и 1500 В постоянного тока. Оборудование для испытаний, измерений или мониторинга средств защиты. Часть 8. Устройства мониторинга изоляции для ИТ систем
(IEC 61557-8:2007)
(Electrical safety in low voltage distribution systems up to 1000 V a.c. and 1500 V d.c. - Equipment for testing, measuring or monitoring of protective measures - Part 8: Insulation monitoring devices for IT systems)
[2]
МЭК 61557-9:2007
Электрическая безопасность в низковольтных распределительных системах напряжением до 1000 В переменного тока и 1500 В постоянного тока. Оборудование для испытаний, измерений или мониторинга средств защиты. Часть 9. Оборудование для обнаружения мест нарушения изоляции в ИТ системах
IEC 61557-9:2009
(Electrical safety in low voltage distribution systems up to 1000 V a.c. and 1500 V d.c. - Equipment for testing, measuring or monitoring of protective measures - Part 9: Equipment for insulation fault location in IT systems)