Главная // Актуальные документы // ГОСТ Р (Государственный стандарт)
СПРАВКА
Источник публикации
М.: Стандартинформ, 2019
Примечание к документу
Отдельные положения данного документа включены в Перечень международных и региональных (межгосударственных) стандартов (п.п. 86, 103, 251), а в случае их отсутствия - национальных (государственных) стандартов, в результате применения которых на добровольной основе обеспечивается соблюдение требований технического регламента Таможенного союза "О безопасности средств индивидуальной защиты" (ТР ТС 019/2011), и Перечень международных и региональных (межгосударственных) стандартов (п.п. 274, 305, 587), а в случае их отсутствия - национальных (государственных) стандартов, содержащих правила и методы исследований (испытаний) и измерений, в том числе правила отбора образцов, необходимые для применения и исполнения требований технического регламента Таможенного союза "О безопасности средств индивидуальной защиты" (ТР ТС 019/2011) и осуществления оценки соответствия объектов технического регулирования (Решение Коллегии Евразийской экономической комиссии от 03.03.2020 N 30).

Отдельные положения данного документа были включены в Перечень стандартов (п.п. 81, 97, 235), в результате применения которых на добровольной основе обеспечивается соблюдение требований технического регламента Таможенного союза "О безопасности средств индивидуальной защиты" (ТР ТС 019/2011), и Перечень документов в области стандартизации (п.п. 281, 309, 579), содержащих правила и методы исследований (испытаний) и измерений, в том числе правила отбора образцов, необходимые для применения и исполнения требований технического регламента Таможенного союза "О безопасности средств индивидуальной защиты" (ТР ТС 019/2011) и осуществления оценки соответствия объектов технического регулирования (Решение Комиссии Таможенного союза от 09.12.2011 N 878).

Документ введен в действие с 01.12.2013.
Название документа
"ГОСТ Р 12.4.274-2012. Национальный стандарт Российской Федерации. Система стандартов безопасности труда. Средства индивидуальной защиты органов дыхания. Аппараты изолирующие со сжатым воздухом, открытым контуром, капюшоном (самоспасатели). Технические требования. Методы испытаний. Маркировка"
(утв. и введен в действие Приказом Росстандарта от 29.11.2012 N 1836-ст)

"ГОСТ Р 12.4.274-2012. Национальный стандарт Российской Федерации. Система стандартов безопасности труда. Средства индивидуальной защиты органов дыхания. Аппараты изолирующие со сжатым воздухом, открытым контуром, капюшоном (самоспасатели). Технические требования. Методы испытаний. Маркировка"
(утв. и введен в действие Приказом Росстандарта от 29.11.2012 N 1836-ст)


Содержание


Утвержден и введен в действие
Приказом Федерального агентства
по техническому регулированию
и метрологии
от 29 ноября 2012 г. N 1836-ст
НАЦИОНАЛЬНЫЙ СТАНДАРТ РОССИЙСКОЙ ФЕДЕРАЦИИ
СИСТЕМА СТАНДАРТОВ БЕЗОПАСНОСТИ ТРУДА.
СРЕДСТВА ИНДИВИДУАЛЬНОЙ ЗАЩИТЫ ОРГАНОВ ДЫХАНИЯ
АППАРАТЫ ИЗОЛИРУЮЩИЕ СО СЖАТЫМ ВОЗДУХОМ,
ОТКРЫТЫМ КОНТУРОМ, КАПЮШОНОМ (САМОСПАСАТЕЛИ)
ТЕХНИЧЕСКИЕ ТРЕБОВАНИЯ.
МЕТОДЫ ИСПЫТАНИЙ.
МАРКИРОВКА
Occupational safety standards system. Personal respiratory
protective means. Self-contained open-circuit compressed air
breathing apparatus incorporating a hood for escape.
Technical requirements. Test methods. Marking
(EN 1146:2005, NEQ)
ГОСТ Р 12.4.274-2012
ОКС 13.340.30
Дата введения
1 декабря 2013 года
Предисловие
1 РАЗРАБОТАН Открытым акционерным обществом "КАМПО" (ОАО "КАМПО")
2 ВНЕСЕН Техническим комитетом по стандартизации средств индивидуальной защиты ТК 320 "СИЗ"
3 УТВЕРЖДЕН И ВВЕДЕН В ДЕЙСТВИЕ Приказом Федерального агентства по техническому регулированию и метрологии от 29 ноября 2012 г. N 1836-ст
4 Настоящий стандарт разработан с учетом основных нормативных положений европейского регионального стандарта ЕН 1146:2005 "Средства индивидуальной защиты органов дыхания. Автономный дыхательный аппарат с открытым контуром, со сжатым воздухом, с капюшоном для эвакуации (самоспасатели). Требования, испытание, маркировка" (EN 1146:2005 "Respiratory protective devices - Self-contained open-circuit compressed air breathing apparatus incorporating a hood for escape - Requirements, testing, marking", NEQ)
5 ВВЕДЕН ВПЕРВЫЕ
6 ПЕРЕИЗДАНИЕ. Июнь 2019 г.
Правила применения настоящего стандарта установлены в статье 26 Федерального закона от 29 июня 2015 г. N 162-ФЗ "О стандартизации в Российской Федерации". Информация об изменениях к настоящему стандарту публикуется в ежегодном (по состоянию на 1 января текущего года) информационном указателе "Национальные стандарты", а официальный текст изменений и поправок - в ежемесячном информационном указателе "Национальные стандарты". В случае пересмотра (замены) или отмены настоящего стандарта соответствующее уведомление будет опубликовано в ближайшем выпуске ежемесячного информационного указателя "Национальные стандарты". Соответствующая информация, уведомление и тексты размещаются также в информационной системе общего пользования - на официальном сайте Федерального агентства по техническому регулированию и метрологии в сети Интернет (www.gost.ru)
1 Область применения
Настоящий стандарт распространяется на изолирующие аппараты со сжатым воздухом, открытым контуром, капюшоном (самоспасатели), предназначенные для защиты органов дыхания и зрения человека от вредного воздействия непригодной для дыхания токсичной и задымленной газовой среды при эвакуации из зданий, сооружений и производственных объектов различного назначения.
Настоящий стандарт устанавливает технические требования, методы испытаний и требования к маркировке самоспасателей.
Настоящий стандарт не распространяется на следующие специальные средства индивидуальной защиты органов дыхания:
- для подводных работ;
- пожарные;
- военные;
- медицинские;
- авиационные;
- для горноспасательных подземных работ.
Настоящий стандарт пригоден для целей сертификации.
2 Нормативные ссылки
В настоящем стандарте использованы нормативные ссылки на следующие стандарты:
ГОСТ 2.103 Единая система конструкторской документации. Стадии разработки
ГОСТ 15150 Машины, приборы и другие технические изделия. Исполнения для различных климатических районов. Категории, условия эксплуатации, хранения и транспортирования в части воздействия климатических факторов внешней среды
ГОСТ 16504 Система государственных испытаний продукции. Испытания и контроль качества продукции. Основные термины и определения
ГОСТ Р 8.568 Государственная система обеспечения единства измерений. Аттестация испытательного оборудования. Основные положения
ГОСТ Р 12.4.186-2012 <1> Система стандартов безопасности труда. Средства индивидуальной защиты органов дыхания. Аппараты изолирующие автономные со сжатым воздухом. Технические требования. Методы испытаний. Маркировка. Правила отбора образцов
--------------------------------
<1> Действует ГОСТ 12.4.238-2015.
ГОСТ Р 12.4.189-99 <1> Система стандартов безопасности труда. Средства индивидуальной защиты органов дыхания. Маски. Общие технические условия
--------------------------------
<1> Действует ГОСТ 12.4.293-2015 (EN 136:1998).
ГОСТ Р 12.4.252-2009 (ЕН 138:1994) <2> Система стандартов безопасности труда. Средства индивидуальной защиты органов дыхания. Дыхательные аппараты со шлангом подачи чистого воздуха, используемые с масками и полумасками. Общие технические требования. Методы испытаний. Маркировка
--------------------------------
<2> Действует ГОСТ 12.4.236-2012 (EN 138:1994).
ГОСТ Р 12.4.278-2012 Система стандартов безопасности труда. Средства индивидуальной защиты органов дыхания. Аппараты с сжатым воздухом и открытым контуром, с полумаской, используемой только для избыточного давления. Технические требования. Методы испытаний. Маркировка
ГОСТ Р 15.201 <3> Система разработки и постановки продукции на производство. Продукция производственно-технического назначения. Порядок разработки и постановки продукции на производство
--------------------------------
<3> Действует ГОСТ Р 15.301-2016.
ГОСТ Р 51652 <4> Спирт этиловый ректификованный из пищевого сырья. Технические условия
--------------------------------
<4> Действует ГОСТ 5962-2013.
ГОСТ Р 53259-2009 Техника пожарная. Самоспасатели изолирующие со сжатым воздухом для защиты людей от токсичных продуктов горения при эвакуации из задымленных помещений во время пожара. Общие технические требования. Методы испытаний
Примечание - При пользовании настоящим стандартом целесообразно проверить действие ссылочных стандартов в информационной системе общего пользования - на официальном сайте Федерального агентства по техническому регулированию и метрологии в сети Интернет или по ежегодному информационному указателю "Национальные стандарты", который опубликован по состоянию на 1 января текущего года, и по выпускам ежемесячного информационного указателя "Национальные стандарты" за текущий год. Если заменен ссылочный стандарт, на который дана недатированная ссылка, то рекомендуется использовать действующую версию этого стандарта с учетом всех внесенных в данную версию изменений. Если заменен ссылочный стандарт, на который дана датированная ссылка, то рекомендуется использовать версию этого стандарта с указанным выше годом утверждения (принятия). Если после утверждения настоящего стандарта в ссылочный стандарт, на который дана датированная ссылка, внесено изменение, затрагивающее положение, на которое дана ссылка, то это положение рекомендуется применять без учета данного изменения. Если ссылочный стандарт отменен без замены, то положение, в котором дана ссылка на него, рекомендуется применять в части, не затрагивающей эту ссылку.
3 Термины и определения
В настоящем стандарте применены следующие термины с соответствующими определениями:
3.1 самоспасатель со сжатым воздухом, с капюшоном: Автономный изолирующий резервуарный дыхательный аппарат, предназначенный для использования в целях эвакуации, в котором запас воздуха хранится в баллонах в сжатом состоянии и подается в капюшон через редуктор, обеспечивающий постоянную подачу. При работе самоспасателя вдох осуществляется из баллонов, а выдох - в атмосферу.
3.2 подвесная система самоспасателя: Составная часть самоспасателя, предназначенная для фиксации его на теле человека, состоящая, как правило, из спинки (основания), системы ремней (плечевых, поясных, концевых) с пряжками для регулирования и фиксации.
3.3 время защитного действия; ВЗД: Период, в течение которого сохраняется защитная способность самоспасателя при испытании на стенде - имитаторе внешнего дыхания человека и с участием испытателей-добровольцев при легочной вентиляции 35 дм3/мин и температуре окружающей среды (25 +/- 2) °C.
3.4 дыхательный режим: Совокупность взаимосвязанных значений следующих параметров: легочной вентиляции (в кубических дециметрах в минуту), частоты дыхания (мин-1) и дыхательного объема (в кубических дециметрах).
3.5 легочная вентиляция: Объем воздуха, прошедший при дыхании через легкие человека за 1 мин.
3.6 дыхательный объем: Объем воздуха, прошедший через легкие человека за один вдох (глубина одного вдоха).
3.7 капюшон: Лицевая часть, обеспечивающая подачу очищенного воздуха или дыхательной смеси к органам дыхания и закрывающая голову.
4 Классификация
Самоспасатели классифицируют в зависимости от времени защитного действия при легочной вентиляции 35 дм3/мин (синусоидальный поток 20 циклов в минуту по 1,75 дм3 за один цикл).
Время защитного действия самоспасателей должно быть не менее чем от 5 мин до не более чем 30 мин с шагом 5 мин в зависимости от времени, необходимого для эвакуации.
Классификация самоспасателя должна быть отражена в его маркировке, например "CI 10" - для самоспасателя, время защитного действия которого составляет 10 мин.
Примечание - Следует учитывать, что ВЗД зависит от значения легочной вентиляции.
5 Технические требования
5.1 Требования назначения
5.1.1 Самоспасатель должен быть работоспособным в диапазоне температур окружающей среды минус 15 °C - плюс 60 °C.
По согласованию с потребителем допускается выпуск самоспасателей с другим диапазоном рабочих температур.
Испытания проводят в соответствии с 11.11.3.
5.1.2 В состав самоспасателя должны входить:
- подвесная система;
- баллон(ы) с запорным устройством или вентилем;
- редуктор (регулятор) с предохранительным клапаном или без него;
- лицевая часть - капюшон;
- индикатор давления;
- соединительные шланги.
В состав самоспасателя могут входить сигнальное устройство, контейнер (футляр) для хранения и переноски, соединение для подключения к линии подачи воздуха.
Капюшон может быть оборудован оголовьем.
В состав самоспасателя не должны входить:
- устройство дополнительной подачи воздуха;
- дополнительное соединение среднего давления.
Испытания проводят в соответствии с 11.2.
5.1.3 Воздуховодная система самоспасателя, за исключением капюшона (дыхательный шланг, включая соединения с баллоном и с капюшоном), должна быть герметичной при избыточном и вакуумметрическом давлениях 750 Па. Изменение давления не должно превышать 30 Па за 1 мин.
Испытания проводят в соответствии с 11.13.
5.1.4 Коэффициент подсоса под капюшон за время защитного действия не должен превышать в среднем 0,05%.
Испытания проводят в соответствии с 11.14.
5.1.5 Содержание диоксида углерода во вдыхаемом воздухе не должно превышать значений, указанных в таблице 1.
Таблица 1
Максимальное содержание диоксида углерода
Время защитного действия, мин
Содержание диоксида углерода, % (по объему)
5
2,2
10
1,8
>= 15
1,5
Испытания проводят в соответствии с 11.11.4.
5.2 Требования эргономики
5.2.1 Конструкцией подвесной системы должно быть предусмотрено обеспечение быстрого, легкого и правильного надевания самоспасателя без посторонней помощи, в том числе в сложных условиях, например в темноте, ограниченном пространстве.
Испытания проводят в соответствии с 11.12.
5.2.2 Самоспасатель должен размещаться на теле пользователя таким образом, чтобы его руки оставались свободными.
Испытания проводят в соответствии с 11.12.
5.3 Конструктивные требования
5.3.1 В состоянии готовности к применению баллон(ы) самоспасателя должен(ы) быть полностью заряжен(ы), а капюшон надежно закреплен на самоспасателе.
Испытания проводят в соответствии с 11.2 и 11.12.
5.3.2 Конструкцией самоспасателя должна быть предусмотрена невозможность надевания капюшона без предварительного включения подачи воздуха.
Испытания проводят в соответствии с 11.12.
5.3.3 В самоспасателе должно быть лишь одно запорное устройство (вентиль) для доступа ко всему запасу сжатого воздуха, которое должно срабатывать автоматически или легко открываться рукой.
Испытания проводят в соответствии с 11.2 и 11.12.
5.3.4 При наличии контейнера для хранения, в котором самоспасатель постоянно установлен, запорное устройство баллона должно автоматически открываться при вынимании самоспасателя из контейнера.
Испытания проводят в соответствии с 11.2 и 11.12.
5.3.5 Все органы управления самоспасателем (вентили, рычаги, кнопки и др.) должны быть легко доступны, удобны для приведения их в действие и надежно защищены от механических повреждений и случайного срабатывания.
Испытания проводят в соответствии с 11.2 и 11.12.
5.3.6 Вентиль (при наличии) должен быть выполнен таким образом, чтобы нельзя было полностью вывернуть его шпиндель во время эксплуатации.
Испытания проводят в соответствии с 11.2 и 11.12.
5.3.7 Соединение для подключения самоспасателя к линии подачи воздуха (при наличии) должно быть герметичным.
Испытания проводят в соответствии с 11.12.
5.3.8 Детали самоспасателя для подачи сжатого воздуха должны быть надежно защищены от попадания посторонних включений, которые могут содержаться в сжатом воздухе.
Испытания проводят в соответствии с 11.1 и 11.2.
5.3.9 Масса самоспасателя не должна превышать:
- 7,5 кг - для готового к применению самоспасателя без футляра для переноски;
- 5,0 кг - для самоспасателя, предназначенного для ношения на человеке не менее 8 ч, включая футляр для переноски.
Испытания проводят в соответствии с 11.3.
5.3.10 Конструкцией замка футляра для хранения и переноски (при наличии) должно быть предусмотрено исключение возможности непреднамеренного открытия.
Испытания проводят в соответствии с 11.12.
5.3.11 Неправомочное вскрытие футляра самоспасателя должно быть очевидно при внешнем осмотре.
Испытания проводят в соответствии с 11.2.
5.3.12 Самоспасатель должен быть сконструирован таким образом, чтобы не мешать рабочей деятельности при использовании в соответствии с инструкциями изготовителя.
Испытания проводят в соответствии с 11.12.
5.3.13 Самоспасатели не должны иметь выступающих частей или острых краев, которые могут мешать при движении в узких проемах или причинять вред пользователю.
Испытания проводят в соответствии с 11.2 и 11.12.
5.3.14 Органы управления самоспасателем должны приводиться в действие при силе не более 80 Н.
Испытания проводят в соответствии с 11.4.
5.3.15 Остальные требования к конструкции самоспасателя применяют в соответствии с ГОСТ Р 12.4.186-2012 (пункт 4.5.2), ГОСТ Р 12.4.278-2012 (пункты 4.3.2 и 4.3.3).
Испытания проводят в соответствии с 11.1, 11.2 и 11.12.
5.4 Требования к материалам
5.4.1 Для самоспасателей, предназначенных для работы во взрывоопасных средах, в целях предотвращения электростатических зарядов на неметаллической поверхности футляра для переноски сопротивление электрической изоляции не должно превышать 109 Ом. Используемые материалы, насколько это возможно, должны обладать антистатическими свойствами.
Испытания проводят в соответствии с 11.10.
5.4.2 Материал футляра для переноски и его замка должен быть надежно защищен от коррозии.
Испытания проводят в соответствии с 11.2.
5.4.3 Остальные требования к материалам - в соответствии с ГОСТ Р 12.4.252-2009 (пункты 5.1.1 - 5.1.4).
Испытания проводят в соответствии с 11.2.
5.5 Требования к капюшону
5.5.1 Требования к смотровому стеклу
5.5.1.1 Смотровое стекло должно быть надежно прикреплено к капюшону.
Испытания проводят в соответствии с 11.2.
5.5.1.2 Смотровое стекло не должно искажать изображение в процессе эксплуатации.
Испытания проводят в соответствии с 11.12.
5.5.1.3 Запотевание смотрового стекла не должно ухудшать зрительное восприятие.
Испытания проводят в соответствии с 11.12.
5.5.1.4 Применяемые средства от запотевания должны быть совместимы с компонентами капюшона и не должны причинять вреда глазам и коже при нормальных условиях использования.
Испытания проводят в соответствии с 11.12.
5.5.1.5 Смотровое стекло не должно существенно ограничивать поле зрения.
Испытания проводят в соответствии с 11.15.
5.5.1.6 Смотровое окно или стекло капюшона должно выдерживать удар стального шара массой (45 +/- 2) г диаметром приблизительно 22 мм, падающего с высоты (1,30 +/- 0,01) м.
Испытания проводят в соответствии с 11.16.
5.5.2 Требования к прочности материала и швов капюшона (кроме смотрового стекла и шейного обтюратора)
5.5.2.1 Материал капюшона должен быть стойким к растрескиванию при испытаниях на изгиб в течение не менее 5000 циклов.
Испытания проводят в соответствии с 11.17.
5.5.2.2 Материал капюшона должен выдерживать разрывную нагрузку не менее 20 Н.
Испытания проводят в соответствии с 11.18.
5.5.2.3 Швы капюшона должны выдерживать разрывную нагрузку не менее 30 Н.
Испытания проводят в соответствии с 11.19.
5.5.3 Требование к клапанам выдоха
5.5.3.1 Самоспасатель может быть снабжен одним или более клапанами выдоха.
Испытания проводят в соответствии с 11.2.
5.5.3.2 Капюшон, имеющий шейный обтюратор с завязками, должен иметь как минимум один клапан выдоха.
Испытания проводят в соответствии с 11.2.
5.5.3.3 Клапаны выдоха должны нормально функционировать при любом положении головы пользователя.
Испытания проводят в соответствии с 11.12.
5.5.3.4 Клапаны должны быть удобны при обслуживании.
Испытания проводят в соответствии с 11.12.
5.5.3.5 Клапаны выдоха должны быть надежно защищены от грязи и механических повреждений или быть устойчивыми к ним.
Испытания проводят в соответствии с 11.2.
5.5.3.6 Клапан выдоха должен быть работоспособен после прохождения непрерывного потока выдоха 300 дм3/мин в течение (60 +/- 5) с.
Испытания проводят в соответствии с 11.20.
5.5.3.7 Соединение между гнездом клапана выдоха и капюшоном должно выдерживать по оси силу натяжения 50 Н в течение (10 +/- 3) с.
Испытания проводят в соответствии с 11.21.
5.6 Требования к соединительным узлам
5.6.1 Соединительные узлы самоспасателя должны легко поддаваться разборке для очистки, осмотра и испытаний. Все имеющиеся съемные элементы следует надежно закреплять без использования специальных инструментов, если это не оговорено отдельно в руководстве по эксплуатации. При замене съемных элементов все виды уплотнений должны оставаться на своих местах.
Испытания проводят в соответствии с 11.2 и 11.12.
5.6.2 Соединения по линиям высокого, среднего и низкого давлений не должны быть взаимозаменяемы.
Испытания проводят в соответствии с 11.2 и 11.12.
5.6.3 Соединение для подключения дыхательного аппарата с линией подачи сжатого воздуха (при наличии) должно быть легкодоступным и сконструировано таким образом, чтобы легко отсоединялось без посторонней помощи.
Испытания проводят в соответствии с 11.2 и 11.12.
5.7 Требования к шлангам самоспасателя
5.7.1 В процессе эксплуатации шланги самоспасателя должны позволять свободное движение головы, не должны ограничивать или перекрывать подачу воздуха под давлением подбородка или руки.
Испытания проводят в соответствии с 11.12.
5.7.2 Шланги самоспасателя, включая соединения, должны выдерживать осевую силу натяжения 50 Н в течение (10 +/- 3) с.
Испытания проводят в соответствии с 11.9.
5.8 Требования по сопротивлению дыханию
5.8.1 Сопротивление дыханию самоспасателя, включая капюшон, на вдохе и выдохе при давлении в баллоне(ах) от максимального рабочего до 5 МПа при нормальной температуре окружающей среды должно быть не более значений, указанных в таблице 2.
Таблица 2
Легочная вентиляция, дм3/мин
Сопротивление дыханию, Па, не более
50 (синусоидальный поток 25 циклов в минуту по 2,0 дм3 за один цикл)
500
100 (синусоидальный поток 40 циклов в минуту по 2,5 дм3 за один цикл)
1000
Испытания проводят в соответствии с 11.11.3.
5.8.2 При температуре минус (15 +/- 3) °C и легочной вентиляции 50 дм3/мин сопротивление дыханию самоспасателя не должно превышать:
- 500 Па - на вдохе;
- 700 Па - на выдохе.
Испытания проводят в соответствии с 11.11.3.
5.8.3 При температуре (60 +/- 3) °C и легочной вентиляции 50 дм3/мин сопротивление дыханию самоспасателя не должно превышать:
- 500 Па - на вдохе;
- 700 Па - на выдохе.
Испытания проводят в соответствии с 11.11.3.
5.9 Требования к баллонам
5.9.1 Баллон должен иметь "Разрешение на применение баллонов", выданное Федеральной службой по экологическому, технологическому и атомному надзору, оформленное в установленном порядке.
Испытания проводят в соответствии с 11.1.
5.10 Требования к редуктору
5.10.1 Предохранительный клапан редуктора (при наличии) должен быть спроектирован так, чтобы выдерживать поток воздуха 400 дм3/мин при среднем давлении, не превышающем 3 МПа.
Испытания проводят в соответствии с 11.22.1.1 и 11.22.2.
5.10.2 При работающем предохранительном клапане (при наличии) сопротивление вдоху и выдоху не должно превышать 2,5 кПа.
Испытания проводят в соответствии с 11.22.1.2 и 11.22.2.
5.10.3 При отсутствии предохранительного клапана следует соблюдать требования к сопротивлению дыханию в соответствии с 5.10.2.
Испытания проводят в соответствии с 11.22.2.
ИС МЕГАНОРМ: примечание.
В официальном тексте документа, видимо, допущена опечатка: стандарт имеет номер ГОСТ Р 12.4.186-2012, а не ГОСТ 12.4.186-2012.
5.10.4 Остальные требования к редуктору - в соответствии с ГОСТ 12.4.186-2012 (пункты 4.12.1, 4.12.2 и 4.12.4).
Испытания проводят в соответствии с 11.1, 11.2 и 11.22.3.
5.11 Требования к индикатору давления
5.11.1 Индикатор давления должен позволять контролировать показания при открытом и закрытом запорном устройстве (вентиле).
Испытания проводят в соответствии с 11.2 и 11.12.
5.11.2 Верхний предел шкалы индикатора давления должен превышать рабочее давление в баллоне не менее чем на 5 МПа.
Испытания проводят в соответствии с 11.1 и 11.2.
5.11.3 Стекло индикатора давления должно быть выполнено из прозрачного небьющегося материала и не должно разрушаться во время эксплуатации.
Испытания проводят в соответствии с 11.2 и 11.12.
5.11.4 Индикатор давления должен быть снабжен предохранительным клапаном (устройством) для защиты пользователя от травм.
Испытания проводят в соответствии с 11.1 и 11.2.
5.12 Требования стойкости к внешним воздействиям
5.12.1 Требования по сохранению самоспасателем работоспособности после вибронагрузки - в соответствии с ГОСТ Р 12.4.186-2012 (пункт 4.3.1).
Испытания проводят в соответствии с 11.5.1.
5.12.2 Требования по сохранению самоспасателем работоспособности после воздействия транспортных ударных нагрузок - в соответствии с ГОСТ Р 12.4.186-2012 (пункт 4.3.2).
Испытания проводят в соответствии с 11.5.2.
5.12.3 Самоспасатель должен сохранять работоспособность после воздействия климатических факторов:
- температуры (70 +/- 3) °C в сухой атмосфере в течение (72 +/- 3) ч;
- температуры (70 +/- 3) °C при относительной влажности (90 +/- 5)% в течение (72 +/- 3) ч;
- температуры минус (50 +/- 3) °C в сухой атмосфере в течение (24 +/- 1) ч.
Испытания проводят в соответствии с 11.5.3.
5.12.4 Капюшон самоспасателя должен быть устойчивым к воздействию дезинфицирующих растворов, рекомендуемых изготовителем, а также ректификованного этилового спирта по ГОСТ Р 51652.
Испытания проводят в соответствии с 11.6.
5.12.5 Самоспасатель (включая капюшон) должен выдерживать воздействие открытого пламени температурой (800 +/- 50) °C в течение (5,0 +/- 0,2) с и не должен продолжать гореть более (5,0 +/- 0,2) с после вывода из зоны пламени.
Испытания проводят в соответствии с 11.7 и 11.8.
6 Требования надежности
6.1 Вероятность сохранения исправности самоспасателя за время нахождения его в состоянии ожидания применения в течение двух лет должна быть не менее 0,98.
Испытания проводят в соответствии с 11.23.
6.2 Вероятность безотказной работы самоспасателя за время защитного действия должна быть не менее 0,98.
Испытания проводят в соответствии с 11.23.
6.3 Срок службы самоспасателя должен быть не менее пяти лет.
Испытания проводят в соответствии с 11.23.
7 Маркировка
7.1 Каждый самоспасатель должен иметь заводской знак со следующими данными:
- условным обозначением самоспасателя;
- номером технических условий или номером стандарта, в соответствии с которым он изготовлен;
- наименованием предприятия-изготовителя или его товарным знаком;
- серийным номером изделия;
- обозначением в соответствии с классификацией;
- датой изготовления (год и месяц);
- наименованием страны-изготовителя.
Проверку проводят в соответствии с 11.2.
7.2 Заводской знак с маркировкой следует крепить к самоспасателю в месте, защищенном от механических повреждений.
Проверку проводят в соответствии с 11.2.
7.3 Сборочные узлы и детали, значительно влияющие на безопасность, следует маркировать так, чтобы их можно было идентифицировать (см. приложение А).
При невозможности нанесения маркировки непосредственно на сборочные узлы и детали информация должна содержаться в руководстве по эксплуатации.
Проверку проводят в соответствии с 11.2.
7.4 При хранении в герметичной емкости для транспортирования необходимо поставить маркировку на емкость.
Маркировка должна быть как можно более четко различимой и прочной.
Проверку проводят в соответствии с 11.2.
7.5 Самоспасатель должен быть маркирован как используемый только в целях эвакуации, например с помощью графического изображения (пиктограмм).
Проверку проводят в соответствии с 11.2.
7.6 На самоспасателе должна быть нанесена маркировка максимального давления в баллоне(ах).
Проверку проводят в соответствии с 11.2.
7.7 На контейнере (футляре) для транспортирования должна быть нанесена легко обнаруживаемая картинка (пиктограмма), показывающая процедуру надевания, размером не менее 3 x 3 см.
Пиктограмма может поставляться отдельно, если на футляре для транспортирования недостаточно места.
Проверку проводят в соответствии с 11.2.
8 Требования к содержанию эксплуатационной документации
8.1 Руководство по эксплуатации самоспасателя должно содержать следующие сведения:
- назначение самоспасателя;
- условия эксплуатации;
- комплектность;
- основные технические характеристики;
- состав самоспасателя;
- устройство и принцип действия составных частей;
- проверку, регулирование и обслуживание самоспасателя;
- установки (приборы), которыми изготовитель рекомендует осуществлять проверки самоспасателя;
- требования безопасности;
- правила пользования самоспасателем;
- возможные неисправности самоспасателя и методы их устранения;
- необходимые указания по обучению пользователей самоспасателя.
Проверку проводят в соответствии с 11.1.
8.2 Паспорт на самоспасатель должен содержать следующие сведения:
- данные об изготовителе;
- основные технические характеристики;
- комплектность;
- отметку о приемке изделия;
- гарантийные обязательства изготовителя на самоспасатель, которые должны быть не менее 12 мес;
- гарантийные обязательства изготовителя на редуктор, которые должны быть не менее трех лет.
Примечание - Эксплуатационная документация на самоспасатель должна быть на русском языке.
Проверку проводят в соответствии с 11.1.
9 Требования безопасности
9.1 Требования безопасности к самоспасателю должны быть изложены в соответствующих разделах руководства по эксплуатации самоспасателя и баллона.
9.2 Сжатый воздух, предназначенный для заполнения баллонов, должен соответствовать требованиям, приведенным в таблице 3.
Таблица 3
Наименование показателя
Значение показателя
Содержание окиси углерода, см33, не более
15,0
Содержание масла, мг/м3, не более
0,5
Содержание двуокиси углерода, см33, не более
500,0
Влагосодержание, мг/м3, не более (при давлении от 19,6 до 29,4 МПа)
25,0
10 Правила приемки
10.1 Стадии и этапы разработки и приемки
Самоспасатель должен пройти все стадии и этапы разработки и приемки, предусмотренные ГОСТ Р 15.201 и ГОСТ 2.103.
10.2 Виды испытаний
Для контроля качества аппаратов проводят следующие испытания:
- предварительные (заводские);
- приемочные;
- квалификационные;
- приемо-сдаточные;
- периодические;
типовые.
Определения видов испытаний по ГОСТ 16504.
10.2.1 Предварительные испытания
10.2.1.1 Предварительные испытания аппаратов проводит предприятие-изготовитель с целью предварительной оценки соответствия опытных образцов самоспасателя требованиям технического задания, а также определения готовности опытных образцов к приемочным испытаниям.
10.2.1.2 Программа и методика предварительных и приемочных испытаний должны включать в себя проверку всех показателей и характеристик, указанных в настоящем стандарте, а также другие требования и методы испытаний в соответствии с техническим заданием на конкретный тип самоспасателя.
10.2.1.3 К лабораторным испытаниям с участием испытателей допускаются только те аппараты, которые прошли испытания с использованием приборов и испытания на стенде - имитаторе внешнего дыхания человека.
10.2.2 Приемочные испытания
10.2.2.1 Приемочные испытания аппаратов проводит предприятие-изготовитель с целью оценки всех определенных техническим заданием характеристик самоспасателя, а также для принятия решения вопроса о возможности постановки самоспасателя на серийное производство.
10.2.2.2 Приемочным испытаниям подвергают опытные образцы самоспасателя.
10.2.3 Квалификационные испытания
10.2.3.1 Квалификационные испытания аппаратов проводит предприятие-изготовитель с целью определения готовности предприятия к серийному производству аппаратов.
10.2.3.2 Квалификационные испытания проводят по отдельной программе и методике испытаний, утвержденной предприятием-изготовителем.
10.2.4 Приемо-сдаточные испытания
10.2.4.1 Приемо-сдаточные испытания проводят в порядке и объеме, установленными в технической документации изготовителя.
10.2.4.2 Приемо-сдаточным испытаниям подвергают каждый самоспасатель.
10.2.5 Периодические испытания
10.2.5.1 Периодические испытания аппаратов проводят один раз в два года с целью контроля стабильности качества аппаратов.
10.2.5.2 Периодические испытания проводят в порядке и объеме, установленными в технической документации изготовителя.
10.2.6 Типовые испытания
10.2.6.1 Типовые испытания аппаратов проводят с целью оценки эффективности и целесообразности внесения изменений в конструкцию аппаратов.
10.2.6.2 Программа и методика типовых испытаний должна содержать проверку тех характеристик и параметров, на которые могут повлиять данные изменения.
10.2.6.3 Программу и методику типовых испытаний разрабатывает предприятие-изготовитель.
10.2.6.4 Результаты типовых испытаний оформляют протоколом с заключением о целесообразности внесения изменений.
11 Методы испытаний
Испытания проводят при нормальных климатических условиях по ГОСТ 15150, требование относится ко всем пунктам методов, за исключением специально оговоренных.
Испытательное оборудование должно быть аттестовано в соответствии с ГОСТ Р 8.568.
Средства измерений должны быть утвержденного типа и быть поверены в соответствии с [1].
Допускается применять другие средства измерений, обеспечивающие необходимую точность измерений.
11.1 Проверка документов на самоспасатель
Результат проверки считают положительным, если при рассмотрении документов на самоспасатель установлено соответствие их содержания требованиям настоящего стандарта.
11.2 Проверка внешнего вида, комплектности и маркировки
Результат проверки считают положительным, если при визуальном осмотре самоспасателя установлено его соответствие требованиям настоящего стандарта.
11.3 Проверка массы
11.3.1 Проверку массы готового к применению самоспасателя без футляра для переноски и самоспасателя, предназначенного для ношения на человеке не менее 8 ч, включая футляр для переноски, проводят в соответствии с ГОСТ Р 12.4.186-2012 (пункт 8.3).
Результат проверки считают положительным, если выполнено требование 5.3.9.
11.4 Проверка силы срабатывания органов управления
Определяют силу, которую необходимо приложить к органам управления самоспасателем (кнопкам, рычагам, маховикам и др.) для их включения (выключения). Проверку проводят в соответствии с ГОСТ Р 12.4.186-2012 (пункт 8.4).
Результат проверки считают положительным, если значение силы, необходимой для включения (выключения) органов управления самоспасателем, не превышает 80 Н, что соответствует требованию 5.3.14.
11.5 Проверка по определению стойкости самоспасателя к механическим и климатическим воздействиям
11.5.1 Проверку сохранения работоспособности аппарата после воздействия вибронагрузки проводят в соответствии с ГОСТ Р 12.4.186-2012 (пункт 8.18.1).
Результат считают положительным, если выполнено требование 5.12.1.
11.5.2 Проверку сохранения работоспособности аппарата после воздействия транспортных ударных нагрузок проводят в соответствии с ГОСТ Р 12.4.186-2012 (пункт 8.18.2).
Результат считают положительным, если выполнены требования 5.12.2.
11.5.3 Проверку сохранения работоспособности аппарата после воздействия на него климатических факторов проводят в соответствии с ГОСТ Р 12.4.186-2012 (пункт 8.18.3), но при температурах и времени выдержки, указанных в требованиях 5.12.3.
Результат считают положительным, если выполнены требования 5.12.3.
11.6 Проверка устойчивости капюшона к воздействию дезинфицирующих растворов
Проверку проводят в соответствии с ГОСТ Р 12.4.186-2012 (пункт 8.19).
Результат проверки считают положительным, если после протирок спиртом отсутствуют визуально наблюдаемые разрушения поверхностных слоев капюшона, что соответствует требованию 5.12.4.
11.7 Проверка устойчивости самоспасателя к воздействию открытого пламени температурой (800 +/- 50) °C
Проверку проводят в соответствии с ГОСТ Р 12.4.186-2012 (пункт 8.20).
Результат проверки считают положительным, если после ее окончания отсутствуют разрушения составных частей подвесной системы самоспасателя, составные части не поддерживают горения или тления более (5,0 +/- 0,2) с, что соответствует требованию 5.12.5, а также выполнено требование 5.1.3.
11.8 Проверка устойчивости капюшона к воздействию открытого пламени температурой (800 +/- 50) °C
ИС МЕГАНОРМ: примечание.
В официальном тексте документа, видимо, допущена опечатка: стандарт имеет номер ГОСТ Р 53259-2009, а не ГОСТ Р 53259-2012.
Проверку проводят в соответствии с ГОСТ Р 53259-2012 (пункт 8.10).
Результат проверки считают положительным, если после ее окончания капюшон не поддерживает горения или тления более (5,0 +/- 0,2) с, отсутствует разрушение капюшона, что соответствует требованию 5.1.3 и 5.12.5.
11.9 Проверка прочности шлангов
11.9.1 Средства измерений
Для проведения испытаний необходимы следующие средства измерений:
- динамометр с пределом измерений 100 Н и погрешностью не более 2%;
- секундомер с погрешностью не более 1 с.
11.9.2 Проведение испытаний
Испытания проводят на шланге, снятом с самоспасателя.
К шлангу в осевом направлении прикладывают силу 50 Н в течение (10 +/- 3) с.
Результат проверки считают положительным, если шланг не отделился от заделок и соединения не расстыковались, что соответствует требованию 5.7.2.
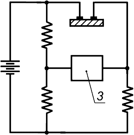
11.10 Проверка сопротивления электрической изоляции неметаллических контейнеров для транспортирования и хранения аппаратов
Сопротивление испытывают на контейнере для транспортирования и хранения аппаратов, если позволяет размер, или на испытательном образце, состоящем из прямоугольной пластины, имеющей размеры согласно рисунку 1, на котором поверхность двух параллельных электродов окрашена с помощью проводящей краски с растворителем, который не оказывает существенного влияния на сопротивление электрической изоляции.
Размеры в миллиметрах
Рисунок 1 - Испытательный образец с окрашенными электродами
для тестирования сопротивления электрической изоляции
Приемлемые методы испытаний приведены в приложении Б.
Испытательный образец должен иметь неповрежденную поверхность и быть очищен дистиллированной водой, а затем изопропиловым спиртом (или любым другим растворителем, который может смешиваться с водой и не воздействует на материал испытательного образца), потом еще раз - дистиллированной водой перед сушкой. Не дотрагиваясь голыми руками, его затем кондиционируют в течение 24 ч при температуре (23 +/- 2) °C и относительной влажности (50 +/- 5)%.
Испытание проводят при одинаковых условиях окружающей среды.
В течение 1 мин между электродами подают постоянное напряжение, равное (500 +/- 10) В.
Во время испытания напряжение должно быть достаточно стабильным, чтобы зарядный ток из-за колебаний напряжения был незначительным в сравнении с током, проходящим через испытательный образец. В некоторых случаях это требует использования батарей или аккумуляторов.
Сопротивление электрической изоляции - это коэффициент постоянного напряжения, применяемого на электродах к суммарному току, проходящему между ними, после того, как напряжение применялось в течение 1 мин.
Результат проверки считают положительным, если выполнено требование 5.4.1.
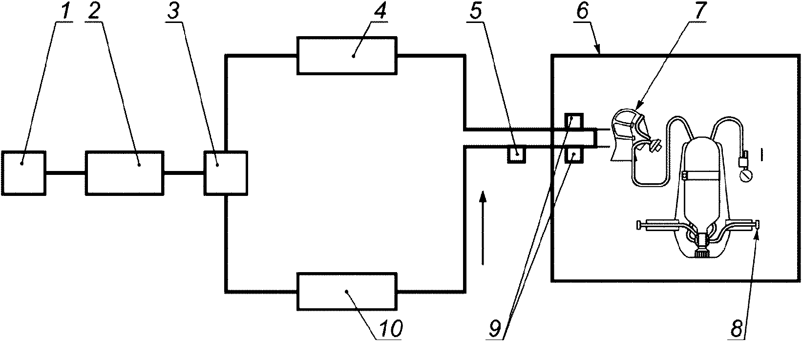
11.11 Испытания самоспасателя на стенде - имитаторе внешнего дыхания человека
11.11.1 Оборудование
Для проведения испытаний необходим стенд - имитатор внешнего дыхания человека, описание которого дано в приложении В.
11.11.2 Подготовка к испытаниям
При подготовке самоспасателя к испытаниям допускается вмешательство в его конструкцию, необходимое для определения некоторых параметров, при условии, что это не нарушит нормальной работы самоспасателя. Допускается присоединение к лицевой части приспособления для отбора проб газовоздушной смеси.
Самоспасатель снаряжают и проверяют в соответствии с инструкцией по эксплуатации.
Стенд настраивают на дыхательный режим, соответствующий условиям конкретного испытания.
Значения показателей режимов работы стенда во время испытаний должны соответствовать значениям, приведенным в таблице 4, с учетом допусков, приведенных в приложении В.
Таблица 4
Наименование показателя
Работа
средней тяжести
тяжелая
очень тяжелая
Легочная вентиляция, дм3/мин
30,0
35,0
50,0
60,0
100,0
Дыхательный объем, дм3
1,50
1,75
2,00
2,40
2,50
Частота дыхания, мин-1
20,0
20,0
25,0
25,0
40,0
Самоспасатель помещают в климатическую камеру в вертикальном положении, лицевую часть надевают на муляж головы человека (см. рисунок 2), подключенный к стенду, и закрывают камеру.
Размеры в миллиметрах
1 - патрубок для измерения сопротивления дыхания;
2 - патрубок для измерения диоксида углерода
Рисунок 2 - Муляж головы человека (голова "Шеффилда")
11.11.3 Проведение испытаний
Испытания проводят при различных условиях дыхания и значениях температуры воздуха в климатической камере (минус 15 °C и плюс 60 °C).
Испытания самоспасателя проводят при каждом из трех дыхательных режимов, характеризующихся совокупностью показателей, приведенных в таблице 4.
Число испытаний для каждого режима, определяемого совокупностью дыхательного режима и значения температуры, приведено в таблице 4.
Перед испытанием самоспасатель выдерживают в климатической камере при соответствующей температуре в течение (30 +/- 1) мин.
При испытаниях самоспасателя при температуре минус 15 °C предварительную выдержку в климатической камере проводят без лицевой части. Лицевую часть надевают на муляж головы человека и подключают ее к самоспасателю после его выдержки в климатической камере при соответствующей температуре.
После предварительной выдержки самоспасателя в климатической камере открывают вентиль баллона самоспасателя и включают стенд.
При работе стенда через равные промежутки времени, но не реже чем через 10 мин, регистрируют в протоколе следующие параметры работы проверяемого самоспасателя:
- давление воздуха в баллоне;
- давление воздуха в подмасочном пространстве на вдохе и выдохе (сопротивление дыханию).
По окончании испытания в протоколе регистрируют:
- работоспособность самоспасателя;
- фактическое время защитного действия;
- давление открытия клапана выдоха.
Испытания проводят до исчерпания защитной способности самоспасателя, которое определяют:
- уменьшением давления воздуха в баллоне до 2,0 МПа или
- несоответствием требованиям 5.8.
При испытании самоспасателя при легочной вентиляции 100 дм3/мин (синусоидальный поток 40 циклов в минуту по 2,5 дм3 за один цикл) проводят проверку избыточного давления в подмасочном пространстве лицевой части, сопротивления дыханию на выдохе, давления срабатывания сигнального устройства.
Испытания самоспасателя при легочной вентиляции 100 дм3/мин проводят в течение (5 +/- 1) мин.
Результат проверки считают положительным, если выполнены требования 5.1.1, 5.8.1 - 5.8.3.
11.11.4 Проверка содержания диоксида углерода на вдохе в лицевой части
Проверку проводят при испытаниях самоспасателя на стенде - имитаторе внешнего дыхания человека. Концентрацию диоксида определяют с помощью газоанализатора диоксида углерода в диапазоне 0% - 5% (об.) с погрешностью не более 0,3%.
Результат проверки считают положительным, если при проведении испытаний содержание диоксида углерода соответствует требованиям 5.1.5.
11.12 Испытания самоспасателя с участием испытателей
11.12.1 Испытания аппарата с участием испытателей-добровольцев дополняют основную оценку аппарата, полученную при испытаниях на приборах и на стенде - имитаторе дыхания. Испытания проводят с целью определения:
- комфортности дыхания;
- особенностей работы составных частей и систем аппарата;
- удобства пользования аппаратом.
11.12.2 Испытания аппарата с участием испытателей проводят с целью оценки требований эргономики и удобства при выполнении движений, имитирующих действия оператора при выполнении различных работ.
Испытания проводят по методикам, разработанным в инициативном порядке. Результат проверки считают положительным, если самоспасатель соответствует требованиям 5.2, 5.3.1 - 5.3.8, 5.3.10 - 5.3.13, 5.3.15, 5.5.1.2 - 5.5.1.4, 5.5.3.3, 5.5.3.4, 5.6.1 - 5.6.3, 5.7.1, 5.11.1.
11.13 Проверка герметичности воздуховодной системы самоспасателя
11.13.1 Оборудование и средства измерений
Для проведения испытаний необходимы следующие оборудование и средства измерений:
- мановакуумметр с пределом измерений до 1000 Па с погрешностью не более 20 Па;
- насос, создающий избыточное и вакуумметрическое давление до 1000 Па;
- секундомер с погрешностью не более 1 с.
11.13.2 Проведение испытаний
К воздуховодной системе самоспасателя (исключая капюшон) присоединяют мановакуумметр и насос и создают им избыточное давление 750 Па. Делают выдержку (1,0 +/- 0,1) мин для стабилизации давления в системе. Включают секундомер и через (1,0 +/- 0,1) мин регистрируют изменение давления в воздуховодной системе самоспасателя. Затем создают насосом вакуумметрическое давление 750 Па и таким же образом регистрируют его изменение в воздуховодной системе самоспасателя.
Результат проверки считают положительным, если изменение давления не превышает 30 Па в минуту, что соответствует требованию 5.1.3.
11.14 Проверка коэффициента подсоса под капюшон самоспасателя в течение времени защитного действия
Проверку проводят в соответствии с ГОСТ Р 53259-2009 (пункт 8.17).
Результат проверки считают положительным, если самоспасатель соответствует требованию 5.1.4.
11.15 Проверка площади поля зрения смотрового окна капюшона
Проверку проводят в соответствии с ГОСТ Р 12.4.189-99 (пункт 7.18).
Результат проверки считают положительным, если самоспасатель соответствует требованию 5.5.1.5.
11.16 Проверка прочности смотрового окна или стекла капюшона самоспасателя
11.16.1 Подготовка к испытаниям
Испытаниям подлежат два образца в состоянии после поставки.
11.16.2 Проведение испытаний
Капюшон надевают на муляж головы человека и размещают таким образом, чтобы стальной шарик диаметром приблизительно 22 мм, массой (45 +/- 2) г падал вертикально с высоты (1,30 +/- 0,01) м в центр смотрового окна или стекла самоспасателя, при этом оно не должно иметь каких-либо повреждений, вызывающих опасность травмирования пользователя.
Результат проверки считают положительным, если выполнено требование 5.5.1.6.
11.17 Проверка стойкости материала капюшона к растрескиванию при испытаниях на изгиб
Испытаниям подлежат два образца в состоянии после поставки.
Капюшоны укладывают на край стола, совершают изгиб материала капюшона по часовой стрелке на 90° по краю стола и возврат его в исходное положение. После 5000 циклов проводят внешний осмотр изделий. Признаков повреждения материала капюшона не должно быть видно.
Результат проверки считают положительным, если выполнено требование 5.5.2.1.
11.18 Проверка прочности на разрыв образцов материала капюшона
11.18.1 Оборудование
Для проведения испытаний необходима разрывная машина с пределом измерений не менее 50 Н и погрешностью не более 2%.
11.18.2 Подготовка к испытаниям
Вырезают из материала капюшона под углом 90° друг к другу (в продольном и поперечном направлениях) две прямоугольные полоски 50 x 200 мм.
11.18.3 Проведение испытаний
Устанавливают захваты на расстоянии (200 +/- 1) мм друг от друга и зажимают испытуемый образец по центру в захватах.
Приводят в действие движущийся захват со скоростью (100 +/- 10) мм/мин и растягивают испытуемый образец до разрыва, при этом фиксируют разрывную нагрузку.
Результат проверки считают положительным, если выполнено требование 5.5.2.2.
11.19 Проверка прочности швов капюшона
11.19.1 Оборудование
Для проведения испытаний необходима разрывная машина с пределом измерений не менее 50 Н и погрешностью не более 2%.
11.19.2 Подготовка испытаний
Вырезают из материала капюшона прямоугольную полоску 50 x 200 мм со швом.
11.19.3 Проведение испытаний
Устанавливают захваты на расстоянии (200 +/- 1) мм друг от друга и зажимают испытуемый образец по центру в захватах.
Приводят в действие движущийся захват со скоростью (100 +/- 10) мм/мин и растягивают испытуемый образец до разрыва, при этом фиксируют место разрыва образца и разрывную нагрузку.
Результат проверки считают положительным, если выполнено требование 5.5.2.3.
11.20 Проверка работоспособности клапанов выдоха после прохождения непрерывного потока воздуха 300 дм3/мин в течение (60 +/- 5) с
11.20.1 Средства измерений
Для проведения испытаний необходимы следующие средства измерений:
- ротаметр РМ-25 с верхним пределом измерений 25 м3/ч (до 420 дм3/мин по воздуху) и погрешностью не более 2,5%;
- секундомер с погрешностью не более 1 с.
11.20.2 Проведение испытаний
Надевают капюшон на манекен головы человека. К патрубку выдоха муляжа подсоединяют выходной штуцер ротаметра. Патрубок вдоха муляжа заглушают. К входному штуцеру ротаметра подсоединяют источник сжатого воздуха. Создают расход воздуха в капюшон 300 дм3/мин, контролируемый по ротаметру, в течение (60 +/- 5) с.
Результат проверки считают положительным, если выполнено требование 5.5.3.6.
11.21 Проверка прочности соединения между гнездом клапана выдоха и капюшоном
11.21.1 Средства измерений
Для проведения испытаний необходимы следующие средства измерений:
- динамометр с пределом измерений 100 Н и погрешностью не более 2%;
- секундомер с погрешностью не более 1 с.
11.21.2 Проведение испытаний
Надевают капюшон на манекен головы человека. К гнезду клапана выдоха с помощью приспособления присоединяют динамометр и прикладывают силу 50 Н вдоль оси гнезда клапана в течение (10 +/- 3) с.
Результат проверки считают положительным, если при внешнем осмотре не обнаружено неисправностей капюшона, что соответствует требованию 5.5.3.7.
11.22 Проверка конструкции предохранительного клапана редуктора
11.22.1 Проверка самоспасателя с редуктором, имеющим предохранительный клапан
11.22.1.1 Средства измерений
Для проведения испытаний необходимы следующие средства измерений:
- ротаметр РМ-25 с верхним пределом измерений 25 м3/ч (до 420 дм3/мин по воздуху) и погрешностью не более 2,5%;
- манометр с верхним пределом измерений до 4,0 МПа и погрешностью не более 0,06 МПа;
- мановакуумметр с пределом измерений до 2500 Па и погрешностью не более 20 Па.
11.22.1.2 Проведение испытаний
Регулятор давления подсоединяют через тройник к полости низкого давления проверяемого редуктора и манометру. Ротаметр подсоединяют к выходу предохранительного клапана. Медленно повышая давление подачи воздуха, создают расход 400 дм3/мин через предохранительный клапан проверяемого редуктора и определяют давление по манометру.
Затем регулятор давления и манометр подсоединяют к легочному автомату с полумаской аппарата, надетой на муляж головы человека. Муляж головы соединяют с искусственными легкими, отрегулированными на легочную вентиляцию 50 дм3/мин, и мановакуумметром, измеряющим сопротивление дыханию. Регулятором давления создают вышеопределенное давление, включают искусственные легкие и фиксируют сопротивление дыханию.
Результат проверки считают положительным, если выполнены требования 5.10.1 и 5.10.2.
11.22.2 Проверка самоспасателя с редуктором без предохранительного клапана
11.22.2.1 Средства измерений
Для проведения испытаний необходимы следующие средства измерений:
- ротаметр РМ-25 с верхним пределом измерений 25 м3/ч (до 420 дм3/мин по воздуху) и погрешностью не более 2,5%;
- манометр с верхним пределом измерений до 4,0 МПа и погрешностью не более 0,06 МПа;
- мановакуумметр с пределом измерений до 2500 Па и погрешностью не более 20 Па.
11.22.2.2 Проведение испытаний
Регулятор давления подсоединяют через тройник к полости низкого давления проверяемого редуктора и к манометру. Ротаметр подсоединяют к выходу предохранительного клапана. Медленно повышая давление подачи воздуха, создают расход 400 дм3/мин через предохранительный клапан проверяемого редуктора и определяют давление по манометру.
Затем отсоединяют ротаметр и подключают шланг самоспасателя к капюшону, надетому на муляж головы человека. Муляж головы соединяют с искусственными легкими, отрегулированными на легочную вентиляцию 50 дм3/мин, и мановакуумметром, измеряющим сопротивление дыханию. Регулятором давления создают вышеопределенное давление, включают искусственные легкие и фиксируют сопротивление дыханию.
Результат проверки считают положительным, если выполнено требование 5.10.3.
11.22.3 Проверку исключения возможности поступления воздуха под высоким давлением в полости редуцированного давления в случае неисправности редуктора проводит разработчик аппарата в инициативном порядке в течение всего комплекса испытаний по подтверждению ресурса и срока службы аппарата.
Результат проверки считают положительным, если выполнены требования 5.10.4.
11.23 Испытания на надежность
Проверку проводят в соответствии с ГОСТ Р 12.4.186-2012 (пункт 8.27).
Результат проверки считают положительным, если выполнены требования 6.1 - 6.3.
Приложение А
(рекомендуемое)
МАРКИРОВКА
Рекомендуемые сборочные узлы и детали, подлежащие идентификации маркировкой, представлены в таблице А.1.
Таблица А.1
Деталь/сборочный узел
Маркировка деталей
Дата изготовления
Обозначение нормативного документа
Редуктор давления
+
+
Дыхательный шланг (при наличии)
+
+
Лепесток клапана выдоха
+
+
Капюшон
+
+
Ременное крепление
-
-
Индикатор давления
+
-
Соединительный шланг среднего давления (при наличии)
-
+
Баллон
Согласно соответствующим стандартам
Вентиль
Согласно соответствующим стандартам
<1> Соответствующую информацию о деталях, которые нельзя маркировать, необходимо включать в информацию, предоставляемую изготовителем.
Примечание - Знак "+" означает, что маркировка требуется; знак "-" означает, что маркировка не требуется.
Детали сборочных узлов не подлежат маркировке, когда сборочный узел можно идентифицировать. Детали, не поставляемые в качестве запасных частей изготовителем, не подлежат маркировке, но соответствующая информация должна быть указана в информации, предоставляемой изготовителем.
Приложение Б
(справочное)
МЕТОДЫ ИЗМЕРЕНИЯ СОПРОТИВЛЕНИЯ ЭЛЕКТРИЧЕСКОЙ ИЗОЛЯЦИИ
ЕМКОСТИ ДЛЯ ТРАНСПОРТИРОВАНИЯ
Б.1 Метод вольтметра-амперметра
Силу тока измеряют напрямую посредством микроамперметра или гальванометра (см. рисунок Б.1), или косвенно посредством усилителя постоянного тока, который показывает ток, путем измерения перепада напряжения, который он определяет в известном сопротивлении [(см. рисунок Б.2, а)]. Напряжение измеряют вольтметром. В некоторых случаях соотношение напряжения - силы тока измеряют инструментом, показывающим сопротивление напрямую [(см. рисунок Б.2, б)].
1 - гальванометр с шунтом; 4 - вольтметр
Рисунок Б.1 - Схема для измерения силы тока с помощью
микроамперметра или гальванометра
а)
б)
2 - усилитель постоянного тока; 4 - вольтметр; 5 - омметр
Рисунок Б.2 - Схема для измерения силы тока с помощью
усилителя постоянного тока
Б.2 Сравнительный метод
Искомое сопротивление сравнивают с известным путем определения соотношения значений силы токов при применении того же самого напряжения по очереди к двум сопротивлениям [(см. рисунок Б.3, а)] или при уравновешивании двух сопротивлений на мосте Уитстона [(см. рисунок Б.3, б)].
Для всех этих методов искомое сопротивление должно быть большим относительно какого-либо калиброванного сопротивления, включенного последовательно с ним, чтобы быть предоставленным практически всему напряжению.
а) Определение соотношения значений силы токов
при одинаковом напряжении, применяемом по очереди
к двум сопротивлениям
б) Метод моста Уитстона
1 - гальванометр с шунтом; 3 - детектор; 4 - вольтметр
Рисунок Б.3 - Схема для измерения сопротивления
электрической изоляции сравнительным методом
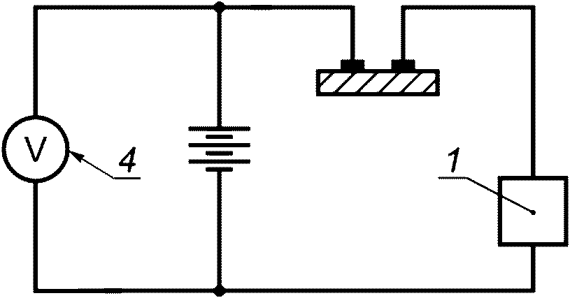
Приложение В
(рекомендуемое)
СТЕНД - ИМИТАТОР ВНЕШНЕГО ДЫХАНИЯ ЧЕЛОВЕКА
Стенд - имитатор внешнего дыхания человека предназначен для объективной оценки самоспасателя при работе с различной дыхательной нагрузкой и в различных внешних микроклиматических условиях.
Принципиальная схема стенда показана на рисунке В.1.
1 - привод насоса "искусственные легкие"; 2 - насос
"искусственные легкие"; 3 - клапанная коробка с клапанами
вдоха и выдоха; 4 - осушитель; 5 - датчики температуры;
6 - климатическая камера; 7 - "Шеффилдский" муляж головы
человека; 8 - дыхательный аппарат; 9 - датчики сопротивления
дыханию; 10 - термостат с увлажнителем
Рисунок В.1 - Принципиальная схема стенда - имитатора
внешнего дыхания человека
При испытании самоспасателя на стенде определяют время защитного действия, условия дыхания, параметры основных систем и устройств.
Стенд имитирует вентиляционную функцию легких. Для имитации вентиляционной функции легких стенд создает пульсирующий поток газа с изменением объемного расхода, близким к синусоидальному, и равной продолжительностью фаз вдоха и выдоха.
Стенд имитирует температурно-влажностный режим выдоха путем нагревания и увлажнения выдыхаемой газовоздушной смеси.
Мгновенные значения объемного расхода не должны отличаться от синусоидальных более чем на 4%.
Объем дыхательного цикла должен быть 1,5 - 2,5 дм3, частота дыхания должна быть 20 - 40 мин-1.
Температура и относительная влажность газовоздушной смеси на выдохе из муляжа должны быть (36,5 +/- 0,5) °C и (95 +/- 3)% соответственно.
В состав стенда должна входить климатическая камера, где поддерживается температура в пределах от минус 50 °C до плюс 60 °C с отклонением от заданного значения не более 2 °C.
Стенд должен быть укомплектован контрольно-измерительными приборами, позволяющими устанавливать и контролировать параметры дыхательной нагрузки и регистрировать сопротивление дыханию в самоспасателе в диапазоне минус 1000 - плюс 1000 Па с погрешностью не более 20 Па.
При включении стенда на холостой ход трехходовые краны устанавливают в положение, при котором имитатор дыхания соединяется по воздуховодной системе стенда с окружающей средой. В этом положении испытуемый самоспасатель отключен от имитатора дыхания. Подключение мановакуумметра проводят к штуцеру на муляже. Избыточное давление воздуха под лицевой частью измеряют в подмасочном пространстве лицевой части.
Приложение Г
(обязательное)
ПРОТОКОЛ ИСПЫТАНИЯ САМОСПАСАТЕЛЯ НА СТЕНДЕ - ИМИТАТОРЕ
ВНЕШНЕГО ДЫХАНИЯ ЧЕЛОВЕКА
Протокол N ______
____________________________________________________________
наименование организации, проводившей испытания,
подразделение
____________________________________________________________
место проведения испытания, организация, подразделение,
город, дата
1 Общие сведения
1.1 Наименование самоспасателя и его обозначение ____________________
1.2 Изготовитель __________________________________________________
1.3 Обозначение нормативного документа, в соответствии с которым изготовлен самоспасатель __________
_________________________________________________________________
1.4 Номер самоспасателя ___________________________________________
1.4.1 Номер редуктора _____________________________________________
1.4.2 Тип и номер легочного автомата ________________________________
1.5 Дата изготовления самоспасателя ________________________________
1.6 Рабочее давление в баллоне, МПа ________________________________
1.7 Вместимость, л ________________________________________________
1.8 Лицевая часть _________________________________________________
2 Параметры самоспасателя до испытания
Наименование параметра
Значение параметра
1 Герметичность магистралей высокого и редуцированного давлений (падение давления за 1 мин), МПа
2 Среднее избыточное давление под лицевой частью при нулевом расходе, Па
3 Условия испытаний
Наименование показателя
Заданное значение
Фактическое значение
1 Температура воздуха в камере, °C
2 Легочная вентиляция, дм3/мин
3 Частота дыхания, мин-1
4 Запись наблюдений в процессе испытания
Время от начала опыта, мин
Давление воздуха в баллоне, МПа
Давление воздуха под лицевой частью на вдохе, Па
Сопротивление дыханию на выдохе, Па
Фактическое сопротивление дыханию на выдохе, Па
Минимальное значение
Среднее значение
Максимальное значение
_____________________________________________________________________
Время защитного действия самоспасателя, мин ____________________________
Дополнительные данные _______________________________________________
5 Замечания _________________________________________________________
_____________________________________________________________________
Ответственный за испытание
___________________
личная подпись
______________________
расшифровка подписи
БИБЛИОГРАФИЯ
[1]
"Порядок проведения поверки средств измерений, требования к знаку поверки и содержанию свидетельства о поверке", утвержденный приказом Минпромторга России от 2 июля 2015 г. N 1815
УДК 614.894:006.354
ОКС 13.340.30
Ключевые слова: аппарат изолирующий, сжатый воздух, открытый контур, капюшон, самоспасатель, сопротивление дыханию, избыточное давление, время защитного действия, легочная вентиляция, лицевая часть, технические требования, методы испытаний, маркировка