Главная // Актуальные документы // ГОСТ Р (Государственный стандарт)СПРАВКА
Источник публикации
М.: ФГБУ "Институт стандартизации", 2023
Примечание к документу
Документ
введен в действие с 30.04.2024.
Название документа
"ГОСТ Р 71121-2023 (ИСО 13628-11:2007). Национальный стандарт Российской Федерации. Нефтяная и газовая промышленность. Проектирование и эксплуатация систем подводной добычи. Часть 11. Системы гибких трубопроводов для подводного и морского применения"
(утв. и введен в действие Приказом Росстандарта от 29.11.2023 N 1489-ст)
"ГОСТ Р 71121-2023 (ИСО 13628-11:2007). Национальный стандарт Российской Федерации. Нефтяная и газовая промышленность. Проектирование и эксплуатация систем подводной добычи. Часть 11. Системы гибких трубопроводов для подводного и морского применения"
(утв. и введен в действие Приказом Росстандарта от 29.11.2023 N 1489-ст)
Утвержден и введен в действие
Приказом Федерального
агентства по техническому
регулированию и метрологии
от 29 ноября 2023 г. N 1489-ст
НАЦИОНАЛЬНЫЙ СТАНДАРТ РОССИЙСКОЙ ФЕДЕРАЦИИ
НЕФТЯНАЯ И ГАЗОВАЯ ПРОМЫШЛЕННОСТЬ
ПРОЕКТИРОВАНИЕ И ЭКСПЛУАТАЦИЯ СИСТЕМ ПОДВОДНОЙ ДОБЫЧИ
ЧАСТЬ 11
СИСТЕМЫ ГИБКИХ ТРУБОПРОВОДОВ ДЛЯ ПОДВОДНОГО
И МОРСКОГО ПРИМЕНЕНИЯ
Petroleum and natural gas industry. Design and operation
of subsea production systems. Part 11. Flexible pipe systems
for subsea and marine applications
(ISO 13628-11:2007, MOD)
ГОСТ Р 71121-2023
(ИСО 13628-11:2007)
Дата введения
30 апреля 2024 года
1 ПОДГОТОВЛЕН Обществом с ограниченной ответственностью "Газпром 335" (ООО "Газпром 335") по заказу Общества с ограниченной ответственностью "ЛУКОЙЛ-Нижневолжскнефть" (ООО "ЛУКОЙЛ-Нижневолжскнефть") на основе официального перевода на русский язык англоязычной версии указанного в
пункте 4 стандарта, который выполнен ООО "Газпром 335"
2 ВНЕСЕН Техническим комитетом по стандартизации ТК 023 "Нефтяная и газовая промышленность"
3 УТВЕРЖДЕН И ВВЕДЕН В ДЕЙСТВИЕ Приказом Федерального агентства по техническому регулированию и метрологии от 29 ноября 2023 г. N 1489-ст
4 Настоящий стандарт является модифицированным по отношению к международному стандарту ИСО 13628-11:2007 "Нефтяная и газовая промышленность. Проектирование и эксплуатация систем подводной добычи. Часть 11. Системы гибких трубопроводов для подводного и морского применения" (ISO 13628-11:2007 "Petroleum and natural gas industries - Design and operation of subsea production systems - Part 11: Flexible pipe systems for subsea and marine applications", MOD) путем внесения технических отклонений, объяснение которых приведено во введении к настоящему стандарту.
Сведения о соответствии ссылочных национальных и межгосударственных стандартов международным стандартам, использованным в качестве ссылочных в примененном международном стандарте, приведены в дополнительном
приложении ДА.
Сопоставление структуры настоящего стандарта со структурой указанного международного стандарта приведено в дополнительном
приложении ДБ
5 ВВЕДЕН ВПЕРВЫЕ
Правила применения настоящего стандарта установлены в статье 26 Федерального закона от 29 июня 2015 г. N 162-ФЗ "О стандартизации в Российской Федерации". Информация об изменениях к настоящему стандарту публикуется в ежегодном (по состоянию на 1 января текущего года) информационном указателе "Национальные стандарты", а официальный текст изменений и поправок - в ежемесячном информационном указателе "Национальные стандарты". В случае пересмотра (замены) или отмены настоящего стандарта соответствующее уведомление будет опубликовано в ближайшем выпуске ежемесячного информационного указателя "Национальные стандарты". Соответствующая информация, уведомление и тексты размещаются также в информационной системе общего пользования - на официальном сайте Федерального агентства по техническому регулированию и метрологии в сети Интернет (www.rst.gov.ru)
Создание и развитие отечественных технологий и техники для освоения шельфовых нефтегазовых месторождений должно быть обеспечено современными стандартами, устанавливающими требования к проектированию, строительству и эксплуатации систем подводной добычи. Для решения данной задачи Министерством промышленности и торговли Российской Федерации и Федеральным агентством по техническому регулированию и метрологии реализуется "Программа по обеспечению нормативной документацией создания отечественной системы подводной добычи для освоения морских нефтегазовых месторождений". В объеме работ программы предусмотрена разработка национальных и предварительных национальных стандартов, областью применения которых являются системы подводной добычи углеводородов.
Подготовка настоящего стандарта, в соответствии с основами национальной стандартизации и принципами гармонизации документов национальной системы стандартизации с международной, осуществлена на основе применения действующего международного стандарта, отражающего передовой зарубежный опыт, лучшие мировые практики и современные методики проектирования и эксплуатации систем подводной добычи.
Целью настоящего стандарта является обеспечение безопасности эксплуатации систем подводной добычи за счет установления общих требований и принципов в отношении проектирования, выбора материалов, изготовления, испытаний, маркировки, транспортирования, хранения, монтажа, технического обслуживания и вывода из эксплуатации систем гибких трубопроводов, применяемых в системах подводной добычи углеводородов.
Положения, учитывающие особенности национальной стандартизации и специфику национальной практики в области проектирования и эксплуатации систем гибких трубопроводов, применяемых в системах подводной добычи углеводородов, приведены в дополнительных структурных элементах:
3.1 "арамидное волокно",
3.2 "гибкий трубопровод",
3.3 "гибкий райзер",
3.6 "интегрированный шлангокабель",
3.7 "каландрированный эластомер",
3.8 "оператор амплитудной характеристики",
3.9 "раструб",
3.11 "схема нагружения",
3.12 "статический расчет",
3.13 "термический анализ",
6.2.1.2 в составе
раздела 6 "Проектирование гибкого трубопровода",
9.2.2.4 в составе
раздела 9 "Методы расчета, нагрузки и воздействия" и
13.1.2 в составе
раздела 13 "Демонтаж и повторное применение".
Дополнительные положения заключены в рамки из тонких линий.
Подпункты 6.2.1.2 и
9.2.2.4 добавлены в целях учета при проектировании гибкого трубопровода действующих национальных стандартов.
Пункт 13.1.2 добавлен в целях учета постановления Правительства Российской Федерации, содержащего требования к составу и содержанию проекта организации работ по сносу объекта капитального строительства.
Для улучшения понимания пользователями некоторых положений настоящего стандарта, а также для учета требований российских нормативных правовых актов, нормативно-технических документов и отечественной специфики проектирования, строительства и эксплуатации систем подводной добычи углеводородов в текст внесены изменения и дополнения, выделенные курсивом.
Настоящий стандарт устанавливает требования и рекомендации по проектированию, изготовлению, испытаниям, укладке и эксплуатации систем гибких трубопроводов, предназначенных для применения в составе систем подводной добычи углеводородов.
Настоящий стандарт не распространяется на гибкие трубопроводы, применяемые для трубопроводной обвязки скважин, линий глушения скважин и гидравлических линий системы управления подводной добычей углеводородов.
В настоящем стандарте использованы нормативные ссылки на следующие стандарты:
ГОСТ ISO 36 Резина и термоэластопласты. Определение прочности связи с тканями
ГОСТ 4651 (ISO 604:2002) Пластмассы. Метод испытания на сжатие
ГОСТ Р 53678 (ИСО 15156-2:2003) Нефтяная и газовая промышленность. Материалы для применения в средах, содержащих сероводород, при добыче нефти и газа. Часть 2. Углеродистые и низколегированные стали, стойкие к растрескиванию, и применение чугунов
ГОСТ Р 53679 (ИСО 15156-1:2001) Нефтяная и газовая промышленность. Материалы для применения в средах, содержащих сероводород, при добыче нефти и газа. Часть 1. Общие принципы выбора материалов, стойких к растрескиванию
ГОСТ Р 59299 (ИСО 13628-3:2000) Нефтяная и газовая промышленность. Проектирование и эксплуатация систем подводной добычи. Часть 3. Системы проходных выкидных трубопроводов (TFL)
ГОСТ Р 59304 Нефтяная и газовая промышленность. Системы подводной добычи. Термины и определения
ГОСТ Р 59305 (ИСО 13628-1:2005) Нефтяная и газовая промышленность. Проектирование и эксплуатация систем подводной добычи. Часть 1. Общие требования и рекомендации
ГОСТ Р 59306 (ИСО 13628-10:2005) Нефтяная и газовая промышленность. Проектирование и эксплуатация систем подводной добычи. Часть 10. Технические условия на гибкую трубу многослойной структуры со связующими слоями
ГОСТ Р 59309 (ИСО 13628-2:2006) Нефтяная и газовая промышленность. Проектирование и эксплуатация систем подводной добычи. Часть 2. Гибкие трубные системы многослойной структуры без связующих слоев для подводного и морского применения
ГОСТ Р ИСО 13628-4 Нефтяная и газовая промышленность. Проектирование и эксплуатация подводных эксплуатационных систем. Часть 4. Подводное устьевое оборудование и фонтанная арматура
В настоящем стандарте применены термины по
ГОСТ Р 59304 и
ГОСТ Р 59305, а также следующие термины с соответствующими определениями:
3.1 арамидное волокно (aramid fiber): Волокно для армирования полимерных композитов, образованное из линейных волокнообразующих полиамидов. |
гибкий трубопровод (flexible pipe): Трубопровод из композиционного многослойного материала, обеспечивающий сохранение своих рабочих параметров при создании значительных углов изгиба в пространстве, без увеличения изгибающих напряжений. |
3.3 гибкий райзер (flexible riser): Гибкая труба, соединяющая платформу/модуль плавучести/судно с выкидным трубопроводом, морским подводным оборудованием или другой платформой, где райзер может быть свободно подвешен (свободный, провисающий), закреплен в нескольких точках (модули плавучести, цепи), закреплен по всей длине или заключен в трубу (I- или J-трубы). |
3.4 график Аррениуса (Arrhenius plot): График функции, представляющей обратную зависимость срока службы полимерных материалов от температуры их эксплуатации.
3.5 захваты типа "китайский палец" (Chinese fingers): Стальная оплетка или плетеный арматурный рукав, который может устанавливаться на гибкую трубу и плотно затягиваться для удерживания или натяжения трубы.
3.6 интегрированный шлангокабель; ISU (integrated service umbilical, ISU): Шлангокабель, который изготавливается интегрированным с гибким трубопроводом. |
3.7 каландрированный эластомер (calendered elastomer): Эластомер с глянцевой поверхностью, получаемой в результате соответствующей обработки. |
3.8 оператор амплитудной характеристики (response amplitude operator): Передаточная функция, отражающая связь между амплитудой и фазой волны и амплитудой и фазой вызванного этой волной перемещения судна. |
раструб (bellmouth): Часть направляющей трубы в форме расширения, предназначенная для предупреждения перегибов гибкой трубы. |
3.10 система гибких трубопроводов (flexible pipe system): Сооружение, состоящее из гибких трубопроводов, герметично соединенных между собой, предназначенное для транспортировки жидких и газообразных сред.
схема нагружения (load case): Постоянные и переменные нагрузки, а также направления и точки их приложения, рассматриваемые во время проектирования или проверки. |
3.12 статический расчет (static analysis): Определение предельных деформаций и внутренних усилий (сил и моментов) в гибком трубопроводе при конкретной комбинации воздействий, изменения расчетных значений которых в течение расчетного срока службы пренебрежимо малы. |
термический анализ (thermal analysis): Группа физико-химических методов анализа, в которых измеряется какое-либо физическое свойство вещества как функция от температуры или времени при помещении вещества в условия контролируемой температурной программы. |
3.14 устройство натяжения (tensioner): Механическое устройство, используемое для поддержания или создания натяжения трубы в процессе укладки.
4 Сокращения и обозначения
В настоящем стандарте использованы следующие сокращения и условные обозначения:
СПД - системы подводной добычи;
CPE - хлорированный полиэтилен (chlorinated polyethylene);
CR - полихлоропрен (polychloroprene);
DA - динамическое применение (dynamic application);
DBS - дибутилсебацинат (dibutyl sebacate);
DOF - степени свободы (degrees of freedom);
EPDM - этилен-пропилен-диен-мономер каучук (ethylene propylenediene monomer rubber);
FAT - заводское приемочное испытание (factory acceptance test);
FPS - плавучая система добычи (floating production system);
FPSO - плавучий нефтегазодобывающий комплекс, предназначенный для приема, подготовки, хранения и отгрузки продукции (floating production storage and offloading);
HDPE - полиэтилен высокой плотности (high density polyethylene);
HIC - водородное растрескивание (hydrogen-induced cracking);
HNBR - гидрированный бутадиен-нитрильный каучук (hydrogenated nitrile rubber);
ID - внутренний диаметр (inside diameter);
MBR - минимальный радиус изгиба (minimum bend radius);
MDPE - полиэтилен средней плотности (medium density polyethylene);
MWL - средний уровень воды (mean water level);
NBR - бутадиен-нитрильный каучук (nitrile butadiene rubber);
NR - натуральный каучук (natural rubber);
OD - наружный диаметр (outer diameter);
PA - полиамид (polyamide);
PE - полиэтилен (polyethylene);
PP - полипропилен (polypropylene);
PU - полиуретан (polyurethane);
PVC - поливинилхлорид (polyvinyl chloride);
PVDF - поливинилиденфторид (polyvinylidene fluoride);
RAO - оператор амплитуды отклика (response amplitude operator);
REF - концевой фитинг райзера (riser end fitting);
ROV - дистанционно управляемое устройство (remotely operated vehicle);
SA - статическое применение (static application);
SBR - радиус изгиба при хранении (storage bend radius);
SSC - сульфидное растрескивание под напряжением (sulfide stress cracking);
TFL - проходной выкидной трубопровод (through flowline);
UV - ультрафиолет (ultraviolet);
UNS - универсальная система обозначений металлов и сплавов (unified number system);
VIV - вибрация, вызываемая вихреобразованием (vortex-induced vibration);
XLPE - полиэтилен с межмолекулярными связями (cross-linked polyethylene);
Cd - коэффициент гидродинамического сопротивления;
Cm - коэффициент гидродинамической инерции.
5 Описание систем гибких трубопроводов
5.1.1 Раздел 5 содержит описание систем гибких трубопроводов, конструкции гибких труб и вспомогательного оборудования.
5.1.2 Гибкие трубопроводы изготавливают по техническим условиям заказчика с применением различных методов производства.
5.2 Системы гибких трубопроводов
5.2.1 Решение о применении систем гибких трубопроводов при обустройстве морского нефтегазового месторождения принимают с учетом схемы обустройства месторождения, области применения и технических характеристик гибких трубопроводов.
5.2.2 При оценке целесообразности применения гибких трубопроводов в системах подводной добычи углеводородов учитывают:
- характер транспортируемых сред, например пластового флюида с высоким содержанием H2S;
- условия окружающей среды;
- ограничения, возникающие при укладке труб;
- повторяющиеся циклические колебания давления и температуры большой амплитуды;
- перемещения плавучей морской платформы или технологического судна.
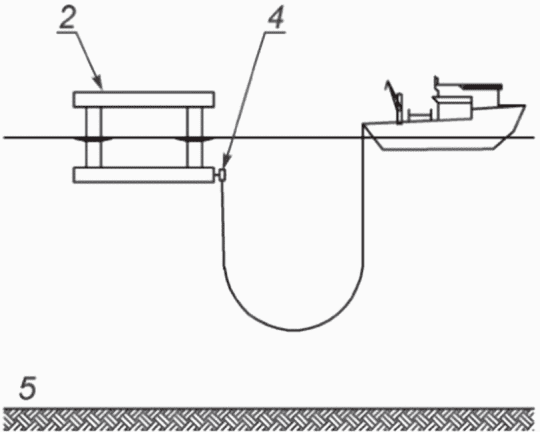
5.2.3 Системы гибких трубопроводов применяют как при статических, так и при динамических нагрузках (см.
рисунки 1 и
2), и для выполнения следующих функций:
- добычи пластового флюида;
- закачивания воды и химических реагентов;
- транспортировки нефти и газа;
- транспортировки устьевых химических реагентов и гидравлических жидкостей.
| |
a) Начальная схема разработки месторождения | b) Расположение выкидных трубопроводов для разработки освоенного месторождения |
| |
c) Гибкая труба, соединенная с J-образной трубой | d) Гибкая труба, соединенная с манифольдом |
1 - J-образная труба; 2 - гибкая труба; 3 - жесткая труба;
4 - манифольд; 5 - гибкая трубная вставка;
6 - жесткий стальной выкидной трубопровод
Рисунок
1 - Примеры применения гибких труб в условиях
статических нагрузок
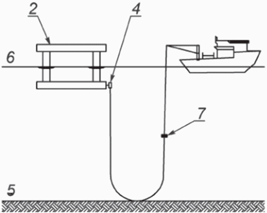
| |
a) FPS | b) FPS с жестким райзером |
|
c) Плавучее швартовное устройство для танкера/терминала |
1 - гибкий райзер; 2 - подводный буй; 3 - жесткий райзер;
4 - якорная цепь
Рисунок
2 - Примеры применения гибких труб в условиях
динамических нагрузок
5.2.4 При проектировании гибкие трубопроводы рассчитываются на основные и особые сочетания нагрузок.
5.2.5 В статических условиях применения гибкие трубопроводы используются, как правило, в качестве трубопроводов-шлейфов или райзеров морских нефтегазопромысловых сооружений. Их применение обусловлено простотой монтажа и высокими противокоррозионными свойствами. Кроме того, при использовании гибких труб может быть достигнуто снижение нагрузок и моментов при монтаже и на концевые соединения. К примерам упрощения конструкции выкидных линий или монтажа при использовании гибких труб относится следующее:
- отказ от концевых соединений подводных выкидных трубопроводов, для которых необходимы дорогостоящие или сложные операции, такие как определение точных координат положения трубных вставок или использование крупногабаритного оборудования для обеспечения соосности при расположении выкидных трубопроводов;
- возникновение ситуаций, приводящих к масштабным перемещениям и повреждению выкидных трубопроводов из-за оползней, может быть уменьшено за счет использования ненатянутых участков гибких труб;
- условия применения, в которых размещение промыслового оборудования и выкидных трубопроводов изменяется в зависимости от характеристик продуктивности месторождения, что может определить необходимость извлечения и повторного использования выкидных трубопроводов;
- укладка на морское дно без его предварительной подготовки;
- в условиях применения на больших глубинах или в суровых условиях окружающей среды, где использование гибких труб экономически эффективно по сравнению с использованием стальных трубопроводов.
5.2.6 Гибкие трубопроводы, как правило, имеют внутренний диаметр в интервале от 50 до 500 мм, при этом гибкие трубы многослойной структуры со связующими слоями низкого давления могут иметь внутренний диаметр до 910 мм. Длина секции гибкого трубопровода ограничивается возможностью его транспортирования.
5.2.7 Функциональные требования к гибкому выкидному трубопроводу, как правило, такие же, как и к стальному выкидному трубопроводу.
5.2.7.1 Динамические нагрузки в гибких трубах возникают, если в процессе эксплуатации происходят перемещения участков гибкой трубы относительно друг друга, например при соединении гибкими трубопроводами плавучих морских платформ или судов с подводным оборудованием СПД.
5.2.7.2 На
рисунке 3 схематично представлены типовые конфигурации райзеров. Обычно критическими секциями в конфигурациях райзера являются верхняя (или нижняя), где возникают высокие растягивающие нагрузки (и значительные изгибы); вертикальные колена, где возникают значительные изгибы (при незначительном натяжении); и прогиб волновой секции плавучести, где возникают значительные изгибы (при незначительном натяжении).
|
a) Свободное провисание |
| |
b) Крутой S-подъем | c) Плавный S-подъем |
| |
d) Крутая волна | e) Плавная волна |
Рисунок
3 - Типовые конфигурации гибких райзеров
5.2.7.3 Представленные условия динамического применения гибких труб имеют место только на этапе эксплуатации. Однако с появлением забойных двигателей гибкие трубы могут использоваться так же как буровые райзеры.
5.2.7.4 Кроме райзерных систем, которые используют гибкую трубу, используются также системы, объединяющие использование гибких и жестких труб на пути движения потока. В комбинированных райзерных системах, как правило, используют нижнюю жесткую секцию райзера и верхнюю гибкую секцию райзера.
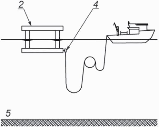
5.2.8 Кроме выкидных трубопроводов и райзеров допускается использовать, как дополнительную категорию, соединительные трубопроводы, как для статических, так и для динамических применений. К примерам гибких труб, используемых в качестве соединительных трубопроводов, относятся (см.
рисунок 4):
a) статические условия применения:
1) внутрипромысловые соединения устьевой арматуры и манифольдов,
2) соединение надводной устьевой арматуры с трубной обвязкой на платформах на натяжных связях;
b) динамические условия применения:
1) соединение стационарной устьевой платформы с плавучими морскими нефтегазопромысловыми сооружениями,
2) трубопроводы FPSO с турелями.
|
a) Гибкая труба как трубопровод для перекачивания флюидов |
| |
b) Гибкая труба, соединенная с устьевой елкой | c) Гибкая труба, соединенная с манифольдом |
1 - плавучее морское нефтегазопромысловое сооружение;
2 - соединительный трубопровод; 3 - устьевая платформа;
4 - закрепленный конец; 5 - палубная трубная обвязка;
6 - концевой фитинг; 7 - устьевая елка; 8 - подвижный конец;
9 - устьевой модуль; 10 - решетчатая палуба; 11 - палуба
устьевой елки; 12 - жесткий райзер; 13 - манифольд;
14 - устьевая арматура
Рисунок
4 - Примеры применения гибких труб в качестве
соединительных трубопроводов
5.2.9 Функции соединительных трубопроводов (за исключением внутренних трубопроводов турелей) аналогичны райзерным системам. Соединительные трубопроводы, как правило, более подвержены волновым нагрузкам, и их конфигурация различается в зависимости от условий соединения. Для использования соединительных трубопроводов в динамических условиях следует оценивать технические характеристики их компонентов.
5.3 Конструкция гибких труб
5.3.1 Общие сведения
5.3.1.1 Гибкая труба сочетает низкую жесткость на изгиб с высокой осевой жесткостью на растяжение, что достигается за счет сложной комбинированной конструкции стенки трубы. Это больше относится к гибким трубам многослойной структуры без связующих слоев, чем к гибким трубам многослойной структуры со связующими слоями. Двумя основными компонентами являются спиральные армирующие слои и полимерные герметизирующие слои, которые обеспечивают значительно меньший допустимый радиус изгиба, чем у стальных труб при аналогичном объеме и давлении. Обычно гибкие трубы проектируются специально для каждого применения и не являются серийной продукцией, несмотря на то, что гибкие трубы могут быть сгруппированы в соответствии с особенностями конструкции, и, следовательно, с условиями применения. Это позволяет оптимизировать трубы для каждого применения.
5.3.2 Конструкция гибкой трубы многослойной структуры без связующих слоев
5.3.2.1 На
рисунке 5 показано типовое поперечное сечение гибкой трубы. Основные слои этого поперечного сечения определены в
5.3.2.2 - 5.3.2.6.
a) Гибкая труба многослойной структуры со связующими слоями
b) Гибкая труба многослойной структуры без связующих слоев
1 - слой, работающий на растяжение; 2 - противоизносный
слой; 3 - наружная оболочка; 4 - слой, работающий на сжатие;
5 - наружный армирующий слой, работающий на растяжение;
6 - противоизносный слой; 7 - внутренний армирующий слой,
работающий на растяжение; 8 - дублирующий армирующий слой,
обеспечивающий стойкость к давлению; 9 - армирующий слой,
обеспечивающий стойкость к давлению, из проволоки с замковым
соединением; 10 - внутренняя оболочка, работающая
под давлением; 11 - каркас; 12 - слой,
предотвращающий выдавливание
Рисунок
5 - Схематичное представление
типовых поперечных сечений гибкого райзера
5.3.2.2 Каркас представляет собой слой из металлической проволоки с замковым соединением, который обеспечивает сопротивление смятию. На
рисунке 6 показан пример профиля каркаса.
a) Z-образный (армирующий профиль, обеспечивающий
стойкость к давлению)
b) C-образный (армирующий профиль, обеспечивающий
стойкость к давлению)
c) T-образный 1 (армирующий профиль, обеспечивающий
стойкость к давлению)
d) T-образный 2 (армирующий профиль, обеспечивающий
стойкость к давлению)
e) Профиль каркаса
1 - зажим; 2 - T-образная проволока
Рисунок
6 - Профили из проволоки с замковым соединением
для армирования, обеспечивающего стойкость к давлению,
и для каркаса
5.3.2.3 Внутренняя оболочка, работающая под давлением, представляет собой слой экструдированного полимера, который обеспечивает герметичность для пластового флюида.
5.3.2.4 Армирование, обеспечивающее стойкость к давлению, представляет собой слой из металлической проволоки с замковым соединением, который удерживает внутреннюю оболочку, работающую под давлением, и воспринимает нагрузки от внутреннего давления системы в радиальном направлении. На
рисунке 6 приведены некоторые примеры профилей армирующей проволоки, обеспечивающей стойкость к давлению. В условиях высокого давления также может использоваться дублирующий армирующий слой, обеспечивающий стойкость к давлению (обычно без замкового соединения проволоки).
5.3.2.5 Для армирующих слоев, работающих на растяжение, обычно используется плоская, круглая или фасонная металлическая проволока в два или четыре слоя крестовой намотки под углом от 20° до 60°. Меньший угол используется для конструкций трубы, включающей армирующий слой, обеспечивающий стойкость к давлению. Если армирующий слой, обеспечивающий стойкость к давлению, не используется, армирующие слои, работающие на растяжение, накладываются крест-накрест под углом 55°, чтобы получить торсионно сбалансированную трубу и уравновесить окружную и осевую нагрузки.
5.3.2.6 Наружная оболочка изготовлена из экструдированного полимера, который обеспечивает герметичность по отношению к внешней среде.
5.3.3 Конструкция гибкой трубы многослойной структуры со связующими слоями
5.3.3.1 Типовая гибкая труба многослойной структуры со связующими слоями состоит из нескольких слоев эластомерного материала, намотанных или экструдированных по отдельности и затем соединенных вместе с помощью связующих материалов или под действием температуры и/или давления для сплавления их в единую конструкцию. На
рисунке 5 показан пример конструкции трубы многослойной структуры со связующими слоями.
5.3.3.2 Каркас представляет собой слой из металлической проволоки с замковым соединением, который обеспечивает сопротивление смятию.
5.3.3.3 Внутренний слой представляет собой намотанный или экструдированный эластомерный слой, который обеспечивает герметичность для пластового флюида.
5.3.3.4 Армирующий слой обычно выполняется в виде спиральной намотки стальных кордов, покрытых эластомерным компаундом, который используется для восприятия растягивающих нагрузок и нагрузок от внутреннего давления на трубу. Стальные корды, как правило, укладывают под углом 55°, чтобы получить торсионно сбалансированную трубу и, дополнительно, уравновесить окружную и осевую нагрузки в слое, возникающие под действием давления. В отдельных случаях такой угол может быть увеличен или уменьшен, в зависимости от необходимых прочностных характеристик трубы. Например, может быть использован больший угол, если необходимо обеспечить более высокую прочность в окружном направлении за счет снижения прочности на растяжение и осевой жесткости трубы.
5.3.3.5 Наружный слой представляет собой намотанный или экструдированный эластомерный слой, который обеспечивает герметичность для внешней среды и защиту от воздействия окружающей среды, коррозии, абразивного и механического повреждения.
Примечание - Концепция отдельных слоев в конструкции трубы многослойной структуры со связующими слоями является условной, поскольку поперечное сечение законченной трубы представляет связанную композитную конструкцию.
5.3.4 Классификация гибких труб
5.3.4.1 В настоящее время гибкие трубы многослойной структуры без связующих слоев, в общем случае, могут быть разделены на три отдельные группы. Эта классификация представлена в
таблице 1. Внутри этих групп существуют различия между трубами для применения в статических и динамических условиях, основным различием является наличие противоизносных слоев для использования в динамических условиях, если это необходимо для удовлетворения критерия срока эксплуатации.
Таблица 1
Описание групп стандартных гибких труб.
Трубы многослойной структуры без связующих слоев
N слоя | Основная функция слоя | Группа продуктов I: труба с гладким проходным каналом | Группа продуктов II: труба с негладким проходным каналом | Группа продуктов III: армированная труба с негладким проходным каналом |
1 | Защита от смятия | Армирующий слой (слои), обеспечивающий(ие) стойкость к давлению | Каркас | Каркас |
2 | Герметичность для пластового флюида | Внутренняя оболочка, работающая под давлением | Внутренняя оболочка, работающая под давлением | Внутренняя оболочка, работающая под давлением |
3 | Сопротивление окружному напряжению | Армирующий слой (слои), обеспечивающий(ие) стойкость к давлению | - | Армирующий слой (слои), обеспечивающий(ие) стойкость к давлению |
4 | Герметичность для внешней среды | Промежуточная оболочка | - | - |
5 | Сопротивление растягивающим напряжениям | Армирование, работающее на растяжение, с крестовой намоткой | Армирование, работающее на растяжение, с крестовой намоткой | Армирование, работающее на растяжение, с крестовой намоткой |
6 | Герметичность для внешней среды | Наружная оболочка | Наружная оболочка | Наружная оболочка |
Примечания 1 Конструкции всех труб могут включать ненесущие слои, такие как противоизносные слои, ленты, технологические вспомогательные слои и т.п. 2 Внешний каркас допускается применять в целях защиты. 3 Слой, обеспечивающий стойкость к давлению, возможно разделить на слой (слои) из проволоки с замковым соединением и дублирующий слой (слои). 4 Число армирующих слоев с крестовой намоткой может быть различным, однако обычно их два или четыре. 5 В трубу допускается добавлять термоизоляцию. 6 Внутренняя оболочка, работающая под давлением, и наружная оболочка могут состоять из нескольких подслоев. 7 Группа продуктов III обычно используется в условиях более высоких давлений, чем II. 8 Промежуточную оболочку для труб с гладким проходным каналом добавляют по усмотрению, если нет внешнего давления или внешнее давление не превышает давления смятия внутренней оболочки, работающей под давлением, для заданного применения. |
5.3.4.2 Классификация гибких труб многослойной структуры со связующими слоями представлена в
таблице 2. Гибкие трубы с гладким проходным каналом (группа продуктов I, многослойной структуры без связующих слоев, и группа продуктов IV, многослойной структуры со связующими слоями) часто используются для закачивания воды или при работе с дегазированной пластовой нефтью.
Таблица 2
Описание групп стандартных гибких труб.
Трубы многослойной структуры со связующими слоями
N слоя | Основная функция слоя | Группа продуктов IV: труба с гладким проходным каналом | Группа продуктов V: труба с негладким проходным каналом |
1 | Защита от смятия | - | Каркас |
2 | Герметичность для пластового флюида | Внутренний слой | Внутренний слой |
3 | Сопротивление окружному напряжению | Армирующий слой (слои) | Армирующий слой (слои) |
4 | Герметичность для внешнего флюида и защита | Покрывающий слой | Покрывающий слой |
Примечания 1 Конструкции всех труб могут включать ненесущие слои, такие как слои заполнителя и брекерная ткань. 2 Для целей защиты допускается добавлять наружный каркас. 3 Число армирующих слоев крестовой намотки может быть различным, однако обычно их два, четыре или шесть. |
5.3.5 Концевые фитинги
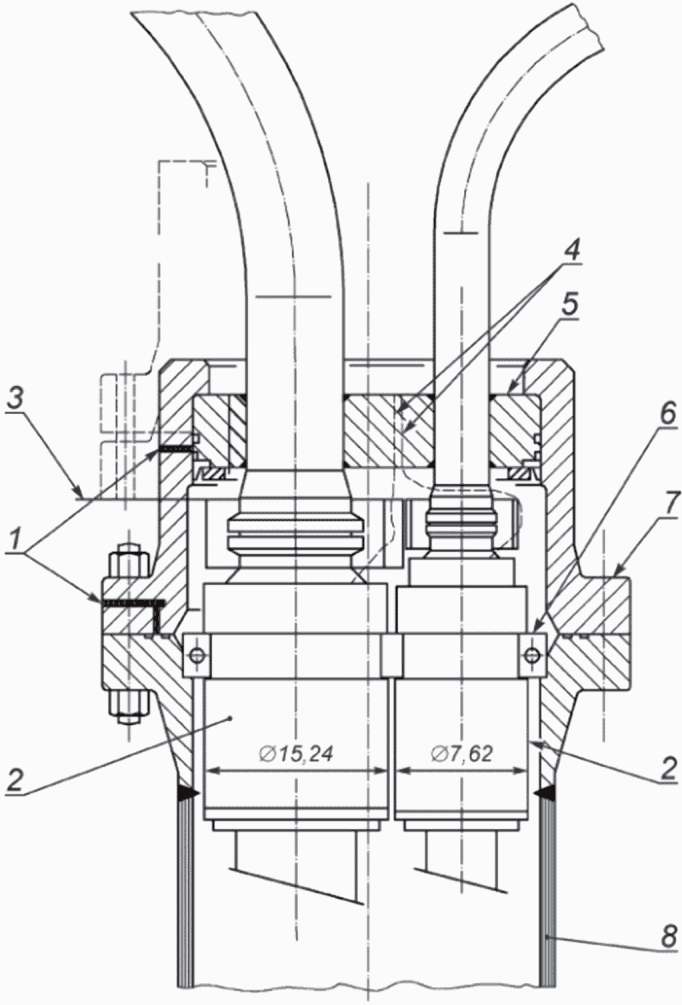
5.3.5.1 На
рисунке 7 показан типовой концевой фитинг для трубы многослойной структуры без связующих слоев. Концевые фитинги могут быть соединены с трубой при ее изготовлении или установлены в полевых условиях. Концевые фитинги гибких труб имеют два назначения:
a) соединять все несущие элементы в конструкции трубы, чтобы осевые нагрузки и изгибающие моменты могли быть переданы на концевой соединитель, не оказывая отрицательного воздействия на слои, удерживающие пластовый флюид;
b) обеспечивать герметичный переход между телом трубы и соединителем.
1 - монтажный фланец; 2 - корпус концевого фитинга
(внутренняя оболочка); 3 - корпус концевого фитинга
(наружная оболочка); 4 - армирующий слой, работающий
на растяжение (залитый эпоксидным материалом);
5 - армирующий слой, обеспечивающий стойкость к давлению;
6 - наружная оболочка; 7 - внутренняя оболочка, работающая
под давлением (и защитные слои); 8 - шейка концевого
фитинга; 9 - торцевое уплотнение; 10 - замыкающее кольцо
каркаса; 11 - радиальное уплотнение; 12 - каркас
Рисунок
7 - Типовой концевой фитинг гибкой трубы
многослойной структуры без связующих слоев
5.3.5.2 Концевые соединители могут быть неотъемлемой составной частью концевого фитинга или закрепляться на нем. Существуют различные концевые соединители, такие как болтовые фланцы, бугельные соединения, фирменные соединители и сварные соединения (два концевых фитинга, сваренные вместе для соединения трубных сегментов в более длинную секцию). Выбор концевых соединителей зависит от требований к рабочим характеристикам и техническому обслуживанию.
5.3.6 Интегрированные шлангокабели
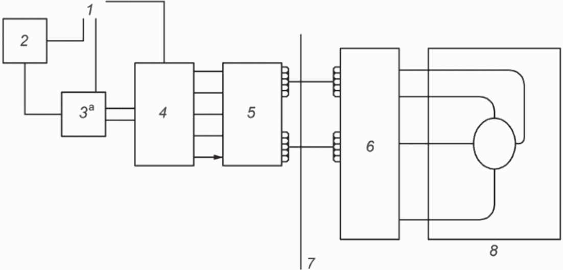
5.3.6.1 Функциональные возможности гибких труб и шлангокабелей могут комбинироваться, образовывая ISU. На
рисунке 8 представлена схема типового ISU. Центральная труба представляет собой гибкую трубу стандартной конструкции и обеспечивает осевую несущую способность конструкции. Компоненты шлангокабеля (электрические, гидравлические и управляющие линии) по спирали (или синусоидально) свиваются вокруг центральной трубы.
1 - силовой электрический кабель; 2 - наружная оболочка;
3 - лента; 4 - наружная оболочка трубы; 5 - армирующий слой,
работающий на растяжение; 6 - внутренний армирующий слой,
работающий на растяжение; 7 - армирующий слой,
обеспечивающий стойкость к давлению; 8 - внутренняя
оболочка, работающая под давлением; 9 - каркас;
10 - кабель передачи электрических сигналов;
11 - заполнитель; 12 - оптический кабель;
13 - гидравлический шланг; 14 - противоизносная лента
Рисунок
8 - Схематичное представление типового ISU
5.3.6.2 Между линиями шлангокабеля расположены прокладки (заполнители) для повышения сопротивления ISU воздействию раздавливающих нагрузок. Конструкция покрыта защитной наружной оболочкой. В некоторых случаях между управляющими линиями и наружной оболочкой добавляется слой спирального или синусоидального армирования. Этот слой повышает соотношение масса-диаметр ISU, что снижает динамические перемещения, минимизируя тем самым возможность взаимодействия с другими райзерами. Этот слой также защищает управляющие линии от внешнего повреждения.
5.3.7 Многоканальные конструкции
5.3.7.1 Концепция многоканальности предусматривает соединение нескольких гибких труб и/или компонентов шлангокабеля в единую конструкцию, снижая таким образом число трубопроводов при обустройстве месторождения и число I-образных и J-образных труб. На
рисунке 9 показаны некоторые примеры многоканальных конструкций шлангокабеля.
A - заполнитель
--------------------------------
<a> Линейная масса, без заполнения 181 кг/м; минимальный радиус изгиба 2,4 м.
<b> Линейная масса, без заполнения 201 кг/м; минимальный радиус изгиба 2,5 м.
<c> Линейная масса, без заполнения 249 кг/м; минимальный радиус изгиба 2,9 м.
Рисунок
9 - Примеры многоканальных конструкций шлангокабеля
5.3.7.2 Проектирование многоканальной конструкции
5.3.7.2.1 Наиболее целесообразной формой многоканальной конструкции является круглое поперечное сечение, поскольку это обеспечивает оптимальные гидродинамические характеристики, эффективное использование пространства и удобное манипулирование при укладке и извлечении.
5.3.7.2.2 Рекомендуется максимальное использование стандартных компонентов (гибких труб и шлангокабелей).
5.3.7.2.3 Внутренние компоненты, в зависимости от технологии изготовления, по возможности обеспечивают осевую несущую способность конструкции. Осевая несущая способность может быть обеспечена армирующими слоями. Следует оценить стабильность конструкции (различные удлинения компонентов) и балансировку на кручение многоканальной конструкции в различных условиях нагружения (разные уровни давления и изгиба).
5.3.7.2.4 Сопротивление на раздавливание многоканальной конструкции должно обеспечивать применение различных способов укладки.
5.3.7.2.5 Максимальный наружный диаметр ограничивается техническими характеристиками экструзионного процесса изготовления наружной оболочки.
5.3.7.2.6 Особое внимание следует уделять минимизации крутящих нагрузок, возникающих в отдельных компонентах во время намотки.
5.3.7.2.7 Рекомендуется использовать симметричную конструкцию, чтобы обеспечить равномерность механических свойств и предупредить изменение конфигурации конструкции под воздействием динамических нагрузок.
5.3.7.3 Концевая заделка многоканальной конструкции обычно использует стандартные концевые фитинги, объединенные коробчатой конструкцией.
5.4 Вспомогательное оборудование
5.4.1 Общие сведения
Вспомогательное оборудование для систем гибких трубопроводов приводится в
5.4.2 - 5.4.9.
5.4.2 Устройства для ограничения изгиба
5.4.2.1 На
рисунке 10 показаны два типа широко используемого устройства для ограничения изгиба: элементы жесткости на изгиб и раструбы. Третьим типом является ограничитель изгиба. Элементы жесткости на изгиб и раструбы, как правило, используются в динамических условиях. Однако они также могут использоваться и в условиях статического применения. Примером последнего является использование элементов жесткости на изгиб на выкидных трубопроводах для предупреждения перегибов у концевых фитингов в процессе укладки.
1 - понтон; 2 - I-образная труба; 3 - раструб;
4 - гибкий райзер; 5 - элемент жесткости на изгиб
Рисунок
10 - Устройства для ограничения изгиба
Устройства для ограничения изгиба следует проектировать таким образом, чтобы не допустить изгиб трубы на расстоянии от концевого фитинга, равном примерно одному OD. Далее допускается постепенное увеличение изгиба с плавным изменением изгибающего момента в пределах ограничений по критерию MBR.
5.4.2.2 В трубах многослойной структуры со связующими слоями устройства для ограничения изгиба могут быть выполнены в составе конструкции трубы. Это обеспечивается экструдированием или намоткой дополнительных слоев эластомера и затем отверждением структуры для формирования единой конструкции устройства ограничения изгиба и трубы.
5.4.3 Ограничители изгиба
5.4.3.1 Ограничители изгиба предназначены для того, чтобы механически удерживать изгиб гибкой трубы в пределах допустимого MBR, и в настоящее время используются только в статических условиях применения. Пример ограничителя изгиба показан на
рисунке 11. Ограничители изгиба используются для удерживания свободного пролета гибкой трубы в местах, где существует возможность повреждения конструкции трубы в результате перегиба. Типовой областью применения являются соединения устьевой арматуры, выходы J-образных труб и переходники жестких труб. Ограничители также допускается использовать для предупреждения перегибов во время укладки.
|
a) Ограничители изгиба, покрывающие гибкую трубу |
| |
b) Ограничитель изгиба в положении блокировки | c) Вид сбоку |
1 - концевой фитинг; 2 - опорная муфта;
3 - ограничитель изгиба
Рисунок
11 - Схема ограничителя изгиба
5.4.3.2 Ограничитель состоит из связанных друг с другом разъемных колец, которые скрепляются вместе вокруг трубы таким образом, чтобы не оказывать никакого воздействия на трубу до тех пор, пока не будет достигнут заданный радиус изгиба, при котором они блокируются. Неразъемные кольца допустимы в случаях, если ограничитель устанавливается до концевого фитинга. Блокировка ограничителя не допускает дальнейшего изгиба трубы, и дополнительные нагрузки воспринимает ограничитель изгиба. Следует уделять особое внимание тому, чтобы блокировка колец не повреждала наружную оболочку трубы, т.е. в конструкции ограничителя должна быть гладкая опора без острых кромок.
5.4.3.3 Элементы ограничителя изгиба могут быть изготовлены из металлических материалов, устойчивых к ползучести эластомеров или армированного стеклопластика. Следует обеспечить, чтобы все материалы отбирались для заданных условий окружающей среды и имели достаточную коррозионную стойкость.
5.4.4 Соединители
5.4.4.1 Конструкция концевых фитингов гибких труб позволяет использовать различные концевые соединители, такие как болтовые фланцы, бугельные соединения и фирменные соединители. Соединители обычно приваривают к концевому фитингу до подсоединения к гибкой трубе либо изготавливают как неотъемлемую часть концевого фитинга.
5.4.4.2 Гибкая труба и концевой фитинг также могут соединяться непосредственно со стальной трубой, например, с помощью сварки. Однако если концевой фитинг уже соединен с гибкой трубой, сварной шов не следует выполнять в непосредственной близости от концевого фитинга (примерно от 0,5 до 0,8 м), поскольку избыточный нагрев концевого фитинга может оказывать негативное влияние на заделку слоев или уплотнения.
5.4.4.3 В динамических условиях применения райзеров, где аварийное разъединение является эксплуатационным требованием, в качестве соединителей допускается использовать системы быстрого отсоединения и быстроразъемные соединения. На
рисунке 12 приведен пример системы быстрого отсоединения. Основными характеристиками систем аварийного разъединения обычно являются следующие:
- отсекающая шаровая арматура в верхней и нижней половинах конструкции;
- возможность разъединения при полных проектных нагрузках и внутреннем давлении;
- минимальный размер и масса конструкции;
- полнопроходной канал для выполнения работ с использованием внутритрубного инструмента;
- герметичное соединение с первичными торцевыми герметизирующими уплотнениями, позволяющее не допускать повреждения уплотнений во время разъединения/повторного соединения и при динамических нагрузках;
- шаровая арматура связана с разъединяющим механизмом для обеспечения закрытия при разъединении (может требоваться не для всех условий применения);
- упрощенная опорная конструкция (направляющие устройства), обеспечивающая простое и надежное повторное соединение;
- возможность проведения периодических испытаний разъединяющего механизма без расстыковки райзера или разрушения первичных уплотнений (или, если это практически неосуществимо, потребуется альтернативная процедура испытаний, включающая повторное испытание первичных уплотнений после повторного соединения).
1 - верхняя шаровая запорная арматура; 2 - опорная
конструкция; 3 - устройство аварийного разъединения;
4 - нижняя шаровая запорная арматура; 5 - стыковочный фланец
райзера; 6 - внутренняя оболочка, работающая под давлением;
7 - первичное уплотнение; 8 - приводы шаровой запорной
арматуры; 9 - стыковочный фланец жесткого трубопровода
Рисунок
12 - Пример системы быстрого отсоединения
5.4.4.4 В системе разъединения может быть установлена арматура аварийного закрытия на одной или обеих сторонах сопряжения. Возможны случаи, когда отсутствует потребность в такой арматуре. Важные факторы, которые необходимо рассматривать при принятии решения об установке арматуры аварийного закрытия, включают:
- транспортируемый флюид;
- риск разъединения;
- экологические факторы;
- верхнюю запорную арматуру.
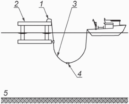
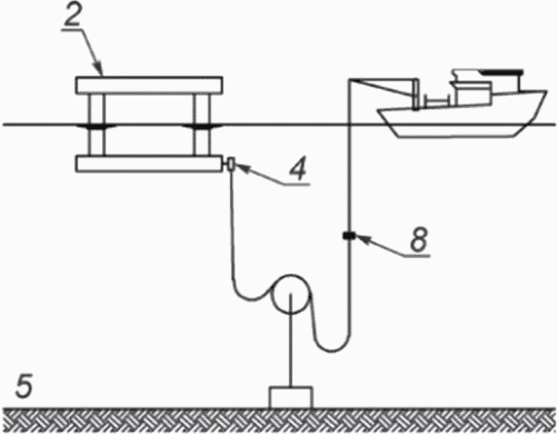
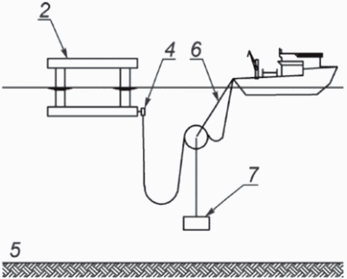
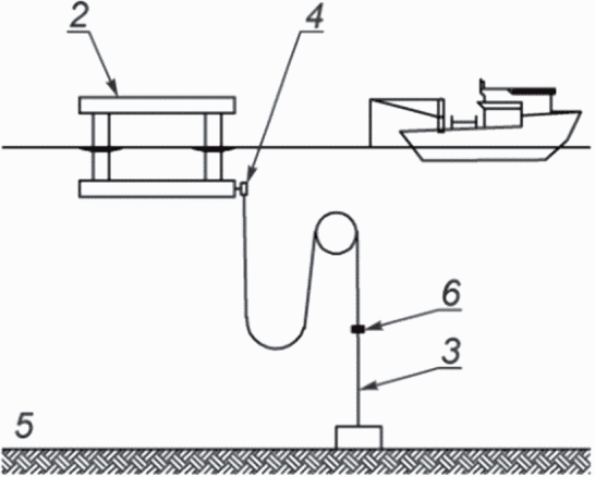
5.4.5 Системы с подводным буем/аркой
5.4.5.1 Системы с подводным буем/аркой используются для создания S-образной конфигурации райзера, включая плавную, крутую и обратную конфигурации. Системы обычно состоят из одного или нескольких блоков плавучести, удерживаемых стальной конструкцией, на которой расположены отдельные желоба (арки) для каждого райзера. На
рисунке 13 показаны типовые системы подводных буев/арок. Блоки плавучести могут представлять собой либо стальные емкости, либо быть изготовлены из модулей синтактической пены.
a) Вариант 1 - спаренные буи
b) Вариант 2 - отдельный буй
c) Вариант 3 - стационарный арочный ложемент
1 - буи; 2 - ложементы; 3 - место крепления натяжной связи;
4 - райзеры; 5 - буй; 6 - хомут райзера; 7 - гибкий райзер;
8 - арочные ложементы; 9 - опорная конструкция
Примечание - Буи могут представлять собой стальные емкости или конструкции из синтактической пены.
Рисунок
13 - Типовые системы подводных буев/арок
5.4.5.2 S-образная конфигурация райзера, в альтернативном варианте, может быть создана за счет использования закрепленной опоры вместо плавучего буя [см.
рисунок 13 c)].
5.4.5.3 Система с подводным буем/арочным ложементом удерживается на месте основанием райзера, с которым она соединена с использованием натяжных связей (плавная S), или гибкими райзерами (крутая S). Системы с подводным буем/арочным ложементом обычно проектируются для поддержания от двух до шести райзеров, однако это число теоретически не ограничено. Райзеры фиксируются на арочном ложементе.
5.4.6 Модули плавучести
5.4.6.1 Модули плавучести используются для создания волнообразных конфигураций райзера (плавной, крутой и гибкой). На
рисунке 14 представлен пример типового модуля плавучести. В зависимости от плавучести и требований к установке для создания волнообразной конфигурации необходимо определенное число модулей с размерами (длина и диаметр), как правило, в два-три раза превышающими OD трубы. Число модулей в большей степени определяется массой райзера, глубиной погружения, требованиями к смещению и вопросами изготовления/обслуживания. Модули закрепляются на райзере индивидуально, поэтому в конструкции следует обеспечить, чтобы они не перемещались вдоль трубы или не повреждали ее. Некоторые гибкие трубы многослойной структуры со связующими слоями снабжают встроенными эластомерными хомутами с определенным интервалом по длине трубы для унификации крепления вспомогательного оборудования. Такие хомуты, как правило, изготавливают вместе с трубой.
1 - гибкая труба; 2 - модуль плавучести; 3 - хомут;
4 - вид сбоку; 5 - поперечное сечение
Рисунок
14 - Пример типового модуля плавучести
5.4.6.2 Модуль плавучести обычно включает внутренний хомут и элемент плавучести из синтактической пены. Полимерная оболочка (например, полиуретановая) обеспечивает защиту от ударов и абразивного воздействия. Внутренний хомут закрепляется болтами непосредственно на гибкой трубе, элемент плавучести располагается вокруг хомута. Элемент плавучести обычно состоит из двух частей, которые надежно соединяются друг с другом. Плотность синтактической пены подбирается с учетом заданной глубины погружения и срока службы. Обычно плотность составляет 350 кг/м3.
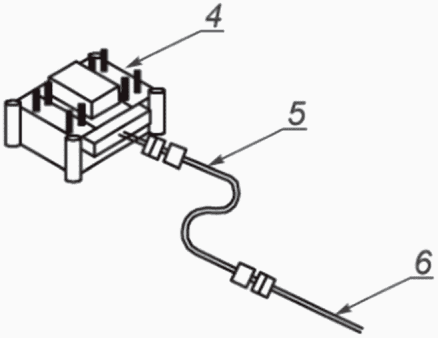
5.4.7 Хомуты
5.4.7.1 При использовании гибких труб хомуты допускается использовать для присоединения к трубе вспомогательного оборудования, таких как модули плавучести, подводные арки, натяжные связи и ограничители изгиба. Кроме того, хомуты возможно использовать для взаимного закрепления нескольких труб, например связок трубопроводов (см.
рисунок 15). Основным компонентом хомутов связок трубопроводов является распорное устройство или корпус, который может состоять из двух полусекций. На корпусе имеются цилиндрические углубления, в которые устанавливаются отдельные линии трубопроводов. Узел собирается с помощью болтов или комплекта кольцевых стяжек. В качестве альтернативы для стационарно размещаемых связок трубопроводов допускается использовать стяжные ремни, которые необходимы только на период монтажа.
1 - хомут райзера; 2 - вид спереди; 3 - вид сбоку
Рисунок
15 - Пример хомута для крепления связки
гибких райзеров
5.4.7.2 Следует не допускать избыточного контактного давления. Если необходимо высокое контактное давление, устанавливают защитный кожух для распределения прикладываемой нагрузки. Следует также обеспечить, чтобы в конструкции хомута отсутствовали острые кромки, которые могут привести к локальным перегибам трубы.
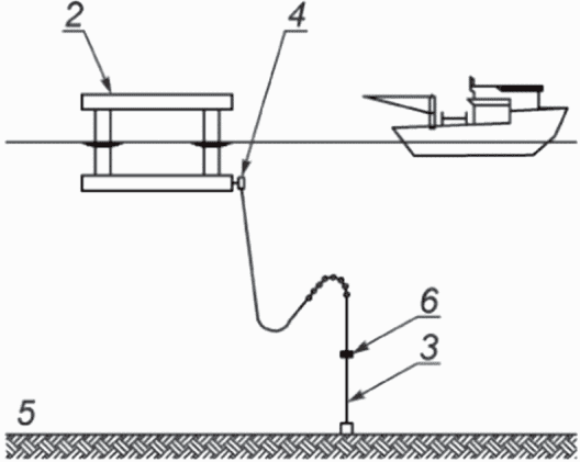
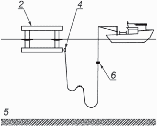
5.4.8 Основания для райзера и натяжных связей
5.4.8.1 Основания райзера используются для соединения гибких райзеров с выкидными трубопроводами, а также могут быть необходимы для удержания систем с подводным буем/аркой (конфигурация крутая S). Основания для натяжных связей используются только для крепления систем с подводным буем/аркой (конфигурация плавная S).
5.4.8.2 Основанием райзера может быть гравитационная конструкция, свайная конструкция или вакуумная/якорная плита. Выбор гравитационной или свайной конструкции зависит от действующих нагрузок и состояния грунта. На
рисунке 16 показана типовая конструкция основания райзера. В качестве альтернативы гибкая труба может быть соединена напрямую с манифольдом и в этом случае манифольд будет являться основанием райзера.
1 - точки подсоединения гибкого райзера; 2 - трубные вставки
для подсоединения выкидных трубопроводов; 3 - бетонная плита
Рисунок
16 - Пример типовой конструкции основания райзера
5.4.9 Конструкции подвешивания райзера
5.4.9.1 Верхнее соединение гибкого райзера допускается подвешивать на опорной конструкции (например, на платформе, танкере или полупогружной платформе) как снаружи, так и внутри.
Как правило, гибкий райзер протягивается через I-образную трубу и подвешивается в верхней части I-образной трубы на внутреннем соединении (см.
рисунок 17).
1 - контрольное отверстие; 2 - гибкий райзер;
3 - верх палубы; 4 - выпускной трубопровод кольцевого
пространства; 5 - крышка; 6 - разъемная плита;
7 - защитное ограждение; 8 - J-образная труба
Рисунок
17 - Пример типовой конструкции подвешивания райзера
В зависимости от конструкции подвешивания гибкого райзера отличаются нагрузки: внутреннее соединение воспринимает только осевые нагрузки, а внешнее соединение подвергается осевым, изгибающим и срезающим/поперечным нагрузкам.
5.4.9.2 Основными ограничениями при проектировании конструкции подвешивания райзера являются ограничения по нагрузке, пространственные ограничения и требования к трубной вставке.
5.4.9.3 При проектировании конструкции подвешивания для внутренних соединений следует учитывать вес райзера внутри I-образной трубы.
5.4.9.4 Критические нагрузки для некоторых конструкций подвешивания возникают во время монтажа при втягивании гибкого райзера в I-образную трубу.
5.4.9.5 Перегиб райзера у основания I-образной трубы предотвращается использованием устройства ограничения изгиба (элемент жесткости или раструб).
5.4.9.6 Ограничитель конструктивно удерживается I-образной трубой и может создавать значительные нагрузки на I-образную трубу, которую следует рассчитывать на такие нагрузки. Эти нагрузки могут значительно увеличиваться при использовании коротких трубных вставок (таких, как между элементом жесткости на изгиб и основанием I-образной трубы), и это следует принимать во внимание при проектировании I-образных труб.
5.4.9.7 В некоторых случаях к морской воде, находящейся в I-образной трубе, добавляют ингибиторы коррозии, для чего необходимо изолировать нижнюю часть I-образной трубы, чтобы не допустить потери ингибитора. Если целесообразно, в конструкции системы установки и соединения райзера следует учитывать требования к герметизации I-образной трубы. Необходимо проверять совместимость ингибитора коррозии в I-образной трубе с материалами гибкой трубы райзера.
6 Проектирование гибкого трубопровода
a) процесс проектирования;
b) режимы разрушения;
c) критерии проектирования;
d) воздействия.
6.2 Процесс проектирования
6.2.1 Условия применения гибкого трубопровода
6.2.1.1 Процесс проектирования зависит от условий применения трубы, что определяет различия процессов проектирования для следующих двух типовых условий применения гибких труб:
- статического условия;
- динамического условия.
6.2.2 Проектирование для статических условий применения
6.2.2.1 Основные этапы проектирования для статических условий применения гибких труб представлены блок-схемой на
рисунке 18:
- этап 1 - выбор материалов;
- этап 2 - проектирование конфигурации поперечного сечения;
- этап 3 - проектирование конфигурации системы;
- этап 4 - детальное проектирование и расчет срока службы;
- этап 5 - проектирование монтажных работ.
Рисунок
18 - Блок-схема основных этапов проектирования
для статических условий
6.2.2.2 На этапе 1 выполняют выбор материалов с учетом внутренней среды, функциональных требований и характеристик материалов. Выбирают материалы, совместимые с транспортируемым флюидом.
6.2.2.3 На этапе 2 выбирают конфигурацию поперечного сечения и размеры с учетом функциональных требований к трубе и накопленного опыта по выбору структуры слоев. Проектные расчеты поперечного сечения и проверки обычно выполняет изготовитель с использованием соответствующего программного обеспечения, которое прошло валидацию данными испытаний.
6.2.2.4 Этап 3 предусматривает выбор конфигурации системы. В случае выкидного трубопровода эта задача обычно не вызывает затруднений; осложнения обычно возникают при проектировании концевых секций и соблюдении требований к определению внешних границ зоны относительного перемещения. Однако в некоторых ситуациях требования к проектированию могут определяться результатами термического анализа, потери устойчивости и анализа стабильности.
6.2.2.5 Этап 4 включает детальное проектирование вспомогательного оборудования и защиты от коррозии. На этом этапе также выполняется оценка срока службы трубы и компонентов.
6.2.2.6 Этап 5 завершает процесс проектирования и содержит выбор и проектирование системы монтажа, включая судно, оборудование, методологию и условия окружающей среды. Этап 5, как правило, имеет решающее значение для конструкции применяемой гибкой трубы, поэтому целесообразно выполнять предварительный анализ технических решений гибких трубопроводов на этапе предпроектных работ.
6.2.3 Проектирование для динамических условий применения
6.2.3.1 Проектирование для динамических условий применения состоит из следующих основных этапов на
рисунке 19:
- этап 1 - выбор материалов;
- этап 2 - проектирование конфигурации поперечного сечения;
- этап 3 - проектирование конфигурации системы;
- этап 4 - динамический анализ и проектирование;
- этап 5 - детальное проектирование и расчет срока службы;
- этап 6 - проектирование монтажных работ.
Рисунок
19 - Блок-схема основных этапов проектирования
для динамических условий применения
6.2.3.2 На этапе 1 выполняется выбор материалов, как для выкидного трубопровода, с учетом внутренней среды (транспортируемый продукт), функциональных требований и свойств материалов. В этом случае выбирают материалы, совместимые с транспортируемым флюидом и динамическими условиями применения гибкой трубы.
6.2.3.3 На этапе 2 выбирают конфигурацию поперечного сечения и размеры, выполняют проектные расчеты и проверки, такие же, как для выкидного трубопровода.
6.2.3.4 Этап 3 предусматривает выбор конфигурации системы. Эта задача учитывает выбор конфигурации трубы. Проектирование конфигурации системы также предусматривает оценку применения вспомогательного оборудования, такого как объединенные или распределенные модули плавучести.
6.2.3.5 Этап 4 предусматривает динамическое проектирование райзера или райзерной системы. Обычно это подразумевает динамические характеристики райзера относительно комплекса воздействующих режимов нагружения, определяемых функциональными нагрузками, нагрузками от воздействия окружающей среды и случайными нагрузками на систему.
6.2.3.6 Этап 5 включает детальное проектирование вспомогательного оборудования и защиты от коррозии. Оценку срока эксплуатации трубы и компонентов также выполняют на этапе 5.
6.2.3.7 Этап 6, проектирование монтажных работ, завершает процесс проектирования и в основном соответствует аналогичному этапу проектирования для статических условий применения. Сложность системы, устанавливаемой для райзеров, обычно значительно выше, чем для выкидного трубопровода.
6.2.4 Проектирование концевых фитингов
6.2.4.1 Общие сведения
Проектирование концевых фитингов для гибких труб является критически важным. На
рисунке 7 показан типовой концевой фитинг для гибкой трубы многослойной структуры без связующих слоев. Проектирование концевого фитинга должно соответствовать требованиям
ГОСТ Р 59309 и
ГОСТ Р 59306.
6.2.4.2 Гибкая труба многослойной структуры без связующих слоев
6.2.4.2.1 При проектировании концевого фитинга для гибких труб многослойной структуры без связующих слоев следует учитывать возможные повреждения трубы. Особенно актуальными являются высокое давление, глубоководные условия и потенциальная возможность вытягивания внутренней оболочки, работающей под давлением, из внутреннего уплотнения. При этом целесообразно учитывать следующее ключевые проблемы:
- потерю пластификатора из внутренней оболочки, работающей под давлением;
- изменения размеров оболочки из-за потери пластификатора и других явлений;
- коэффициент трения между уплотнением и смежными слоями;
- ползучесть и снятие напряжений материала оболочки;
- коэффициент теплового расширения для материала оболочки;
- изменение свойств материала оболочки на протяжении срока эксплуатации;
- требования к составным слоям внутренней оболочки, работающей под давлением;
- возможность поддержки внутреннего каркаса внутренней оболочкой, работающей под давлением, при сбросе давления в трубе для вертикальных райзеров.
Примечание - Сброс давления приводит к отсутствию поддержки от армирования на давление, снижение давления приводит к незначительным фрикционным нагрузкам между оболочкой и удерживающим армированием на давление.
- число и амплитуду температурных циклов;
- интенсивность охлаждения концевого фитинга и тела основной трубы во время циклов изменения температуры;
- изменения свойств полимерных материалов под действием температуры;
- вытягивание армирующей проволоки;
- ухудшение свойств эпоксидных материалов;
- коррозию;
- способность восприятия давления и растяжения;
- сопротивление поступлению морской воды;
- сопротивление вытягиванию наружной оболочки во время монтажа.
6.2.4.2.2 Проектирование внутреннего обжимного/уплотняющего устройства концевого фитинга, в особенности для труб на основе PVDF, является критически важным для условий применения райзера. Эффективность уплотнения может быть снижена значительными температурными циклами, высоким коэффициентом теплового расширения, потерей пластификатора или использованием многослойной структуры для внутренней оболочки, работающей под давлением, из PVDF. Проект концевого фитинга следует верифицировать высокотемпературными циклическими испытаниями (см.
приложение A). Необходимо предусматривать, чтобы такие испытания соответствовали условиям эксплуатации, включая термические и динамические нагрузки и влияние потери пластификатора, если применимо. Для новых проектов следует также рассматривать испытания опытного образца (см.
раздел 10).
6.2.4.3 Гибкая труба многослойной структуры со связующими слоями
При проектировании концевого фитинга для гибких труб многослойной структуры со связующими слоями следует учитывать возможные повреждения трубы в условиях воздействия высокого внутреннего давления и внешнего гидростатического давления, которые создают возможность вытягивания усиливающих кордов, а также нарушение механической целостности гидравлического уплотнения. Следующие изменения в гибком трубопроводе являются ключевыми:
- изменения в теле трубы, в частности, свойств материалов внутреннего слоя на протяжении срока эксплуатации;
- изменения размеров тела трубы из-за высокой эластичности эластомерного материала тела трубы;
- связывание материалов внутренних слоев и связывание внутреннего слоя с телом гибкой трубы;
- вытягивание армирования;
- ухудшение свойств эпоксидных материалов;
- коррозия;
- способность восприятия давления и растяжения;
- сопротивление поступлению морской воды;
- механическая целостность интегрированного уплотнительного элемента;
- обжимное действие избыточного давления;
- количество и амплитуда циклов изменения температуры и давления;
- добавление встроенных элементов жесткости на изгиб.
При проектировании гибкой трубы учитывают возможные ухудшения свойств материалов трубы в условиях эксплуатации. Возможные ухудшения свойств материалов трубы в условиях эксплуатации должны учитываться при выборе материалов.
В
таблицах 3 и
4 приведены перечни режимов разрушения труб, которые в явной форме рассматриваются при типовом проектировании труб многослойной структуры без связующих слоев и со связующими слоями соответственно и определяют механизмы разрушения и соответствующие стратегии проектирования/проектные решения. Проектные решения должны во всех случаях соответствовать
ГОСТ Р 59309 и
ГОСТ Р 59306. Некоторые режимы, показанные в
таблице 3 и
таблице 4, учитываются в процессе совершенствования конструкции.
Таблица 3
Контрольный перечень режимов разрушения для предварительного
проектирования конструкции гибкой трубы многослойной
структуры без связующих слоев
Общий режим разрушения трубы для учета | Возможные механизмы разрушения | SA или DA | |
Смятие | 1) Смятие каркаса и/или армирования, обеспечивающего стойкость к давлению, из-за избыточного натяжения | SA, DA | 1) Увеличение толщины штрипса каркаса, армирования, обеспечивающего стойкость к давлению, или внутренней оболочки, работающей под давлением (смятие трубы с гладким проходным каналом). |
2) Смятие каркаса и/или армирования, обеспечивающего стойкость к давлению, из-за избыточного внешнего давления | SA, DA | 2) Изменение конфигурации или проекта монтажа для снижения нагрузок. |
3) Смятие каркаса и/или армирования, обеспечивающего стойкость к давлению, из-за нагрузок при монтаже или овальности вследствие нагрузок при монтаже | SA, DA | 3) Добавление промежуточной герметичной оболочки (трубы с гладким проходным каналом). |
4) Смятие внутренней оболочки, работающей под давлением, в трубе с гладким проходным каналом | SA, DA | 4) Увеличение момента инерции сечения каркаса или армирования на давление |
Разрыв от внутреннего давления <a> | 1) Разрушение армирования, обеспечивающего стойкость к давлению, из-за избыточного внутреннего давления | SA, DA | 1) Изменение конструкции, например изменение угла свивки, профиля проволоки и т.п. |
2) Разрушение армирования, работающего на растяжение, вследствие избыточного внутреннего давления | SA, DA | 2) Увеличение толщины проволоки или выбор более прочного материала, если практически осуществимо. |
| | 3) Добавление дополнительных армирующих слоев, обеспечивающих стойкость к давлению или работающих на растяжение |
Разрушение при растяжении <a> | 1) Разрушение армирования, работающего на растяжение, вследствие избыточного растяжения | SA, DA | 1) Увеличение толщины проволоки или выбор более прочного материала, если практически осуществимо. |
2) Смятие каркаса и/или армирования, обеспечивающего стойкость к давлению, и/или внутренней оболочки, работающей под давлением, из-за избыточного растяжения | SA, DA | 2) Изменение проекта для уменьшения нагрузки. |
3) Повреждение от зацепления орудием тралового лова или якорем, вызвавшего перегиб или разрушение при растяжении | SA, DA | 3) Добавление двух или более армирующих слоев. 4) Укладка трубы в траншею |
Разрушение при сжатии | 1) Выпучивание армирующей проволоки на растяжение | SA, DA | 1) Запрет использования конфигурации райзера, которая приводит к избыточному сжатию трубы. |
2) Сжатие, ведущее к обратному выгибу и избыточному изгибу (см. также режим разрушения при обратном выгибе в 8.3.4) | SA, DA | 2) Использование дополнительной опоры/фиксации для армирования на растяжение, например ленты и/или дополнительной наружной оболочки |
| 1) Смятие каркаса и/или армирования, обеспечивающего стойкость к давлению, или внутренней оболочки, работающей под давлением | SA, DA | Изменение проекта конфигурации для уменьшения нагрузки |
2) Разрушение внутренней оболочки, работающей под давлением | SA, DA |
3) Раскрытие армирующих слоев, обеспечивающих стойкость к давлению или работающих на растяжение | SA, DA |
4) Трещина в наружной оболочке | SA, DA |
Разрушение при кручении <a> | 1) Разрушение армирующей проволоки, работающей на растяжение | SA, DA | 1) Изменение проекта системы для уменьшения крутящих нагрузок. |
2) Смятие каркаса и/или внутренней оболочки, работающей под давлением | SA, DA | 2) Изменение проекта поперечного сечения (например, изменение угла свивки проволоки, добавление дополнительного слоя сверху армирующей проволоки и т.п.) для увеличения допустимого крутящего момента |
3) Выдавливание армирующей проволоки, работающей на растяжение | SA, DA |
Усталостное разрушение | 1) Усталость армирующей проволоки, работающей на растяжение | DA | 1) Увеличение толщины проволоки или выбор альтернативного материала, чтобы усталостные напряжения были совместимы с требованиями срока эксплуатации. |
2) Усталость армирующей проволоки, обеспечивающей стойкость к давлению | DA | 2) Изменение проекта для уменьшения усталостных нагрузок |
Эрозия | Эрозия внутреннего каркаса | SA, DA | 1) Выбор альтернативного материала. 2) Увеличение толщины каркаса. 3) Увеличение MBR |
Коррозия | 1) Коррозия внутреннего каркаса | SA, DA | 1) Выбор альтернативного материала. |
2) Коррозия армирования, обеспечивающего стойкость к давлению или работающего на растяжение, контактирующего с морской водой, если применимо | SA, DA | 2) Применение системы катодной защиты. |
3) Коррозия армирования, обеспечивающего стойкость к давлению или работающего на растяжение, контактирующего с проникающим продуктом | SA, DA | 3) Увеличение толщины слоя. 4) Добавление покрытия или смазки |
<a> При рабочем проектировании гибкой трубы разрыв от внутреннего давления, разрушение при растяжении, перегибе и кручении не рассматриваются в отдельности. Примечание - Дефекты, имеющие большое значение при проектировании концевого фитинга, см. в таблицах 30 - 32. |
Таблица 4
Перечень режимов разрушения для предварительного
проектирования конструкции гибкой трубы многослойной
структуры со связующими слоями
Общий режим разрушения трубы для учета | Возможные механизмы разрушения | SA или DA | Технические решения |
Смятие | 1) Смятие каркаса из-за избыточного натяжения | SA, DA | 1) Увеличение толщины штрипса каркаса или тела трубы (смятие трубы с гладким проходным каналом). |
2) Смятие каркаса из-за избыточного внешнего давления | SA, DA | 2) Изменение проекта для снижения нагрузок. |
3) Смятие каркаса из-за нагрузок при монтаже или овальность из-за нагрузок при монтаже 4) Смятие канала трубы с гладким проходным каналом | SA, DA | 3) Увеличение осевого момента инерции сечения каркаса |
Разрыв от внутреннего давления <a> | Разрушение армирования из-за избыточного внутреннего давления | SA, DA | 1) Изменение проекта, например изменение угла свивки, типа корда и т.п. 2) Увеличение толщины корда или выбор более прочного материала, если практически осуществимо. 3) Увеличение числа армирующих слоев |
Разрушение при растяжении <a> | 1) Разрушение армирования из-за избыточного растяжения | SA, DA | 1) Увеличение толщины корда или выбор более прочного материала, если практически осуществимо. |
2) Смятие каркаса и/или оболочки тела трубы из-за избыточного растяжения | SA, DA | 2) Изменение проекта для уменьшения нагрузки. |
3) Повреждение от зацепления орудием тралового лова или якорем, вызвавшего перегиб или разрушение при растяжении | SA, DA | 3) Увеличение числа армирующих слоев. 4) Укладка трубы в траншею |
Разрушение при сжатии | Сжатие, ведущее к обратному выгибу и избыточному изгибу (см. также режим разрушения при обратном выгибе в 8.3.4) | SA, DA | Изменение конфигурации трубопроводной системы для уменьшения нагрузки, которая приводит к избыточному сжатию трубы |
| 1) Смятие каркаса или тела трубы | SA, DA | Изменение конфигурации трубопроводной системы для уменьшения нагрузки |
2) Разрушение внутреннего слоя | SA, DA |
3) Трещина/раздир в наружной оболочке | SA, DA |
Разрушение при кручении <a> | 1) Разрушение армирующей проволоки на растяжение | SA, DA | 1) Изменение конфигурации трубопроводной системы для уменьшения крутящих нагрузок. |
2) Смятие каркаса и/или внутреннего слоя | SA, DA | 2) Изменение конструкции гибкой трубы (например, изменение угла навивки проволоки, добавление дополнительного слоя армирования и т.п.) для увеличения допустимого крутящего момента |
3) Выдавливание армирующей проволоки на растяжение | SA, DA |
Усталостное разрушение | 1) Усталость армирующей проволоки на растяжение | DA | 1) Увеличение толщины проволоки или выбор альтернативного материала, чтобы усталостные напряжения были совместимы с требованиями срока эксплуатации. |
2) Усталость армирующей проволоки, обеспечивающей стойкость к давлению | DA | 2) Изменение проекта для уменьшения усталостных нагрузок |
Эрозия | Эрозия внутреннего каркаса или внутреннего слоя | SA, DA | 1) Изменение выбора материала. 2) Увеличение толщины каркаса. 3) Увеличение MBR |
Коррозия | 1) Коррозия внутреннего каркаса | SA, DA | 1) Изменение выбора материала. |
2) Коррозия армирования, обеспечивающего стойкость к давлению или работающего на растяжение, контактирующего с морской водой | SA, DA | 2) Изменение проекта системы катодной защиты. |
3) Коррозия армирования, обеспечивающего стойкость к давлению или работающего на растяжение | SA, DA | 3) Увеличение толщины слоя. 4) Увеличение числа армирующих слоев |
<a> При рабочем проектировании гибкой трубы разрыв от внутреннего давления, разрушение при растяжении, перегибе и кручении не рассматриваются в отдельности. |
6.4 Критерии проектирования
6.4.1 Гибкая труба многослойной структуры без связующих слоев
6.4.1.1 Общие сведения
6.4.1.1.1 Критерии проектирования гибких труб многослойной структуры без связующих слоев приведены в
ГОСТ Р 59309 с учетом следующего:
- деформации (полимерной оболочки);
- ползучести (внутренней оболочки, работающей под давлением);
- напряжения (металлических слоев и концевого фитинга);
- гидростатического смятия (нагрузки, приводящей к потере устойчивости);
- механического смятия (напряжений, создаваемых армирующими слоями);
- кручения;
- разрушающего смятия и овализации (во время монтажа);
- сжатия (осевого и эффективного);
- факторов, определяющих срок эксплуатации.
6.4.1.1.2 В критериях проектирования следует рассматривать все характеристики материала, например чувствительность к условиям ползучести, усталости, избыточной деформации и трещинообразованию.
6.4.1.1.3 Существует упрощенный подход к определению характеристик трубы и расчетных нагрузок в отдельных слоях (осевая жесткость, жесткость при изгибе и кручении и т.п.). Такие упрощенные методологии могут использоваться для предварительного сравнения проектных нагрузок с критериями проектирования. Для расчетов проектирования необходимо использовать верифицированную (испытаниями опытного образца) методологию согласно
ГОСТ Р 59309.
6.4.1.2 Деформация
6.4.1.2.1 Определяющим параметром проектирования оболочки, работающей под давлением, и наружной оболочки является допустимая величина деформации.
ГОСТ Р 59309 определяет допустимые значения деформации для большинства обычно используемых материалов. Допустимую деформацию для материалов, не указанных в
ГОСТ Р 59309, определяет изготовитель.
6.4.1.2.2 Допустимые значения деформации верифицируются путем испытаний материалов, выполненных в соответствующих условиях эксплуатации и старения. Коэффициент запаса прочности, обычно применяемый к результатам таких испытаний, исходит из допустимой деформации материала на протяжении срока эксплуатации, с учетом старения и ухудшения характеристик в соответствующих условиях эксплуатации.
6.4.1.2.3 Расчет MBR, предусматривающий исключение блокировки армирующей проволоки, изложен в
ГОСТ Р 59309.
6.4.1.3 Ползучесть
6.4.1.3.1 При нормальных условиях эксплуатации внутренняя оболочка, работающая под давлением, под воздействием давления и температуры продавливается в зазоры армирующих слоев, обеспечивающих стойкость к давлению или работающих на растяжение. Если оболочка достаточно тонкая или зазор достаточно большой, внутренняя оболочка, работающая под давлением, будет продавливаться до разрушения (утечки). Актуальной проблемой является также ползучесть оболочки на уплотнении концевого фитинга (см.
таблицу 5).
Таблица 5
Допустимые уровни деструкции для труб многослойной структуры
без связующих слоев
Компонент | Снижение параметров | Рекомендации |
Каркас | 1) Коррозия | 1) Допускается ограниченная коррозия с учетом того, что сохраняются структурные характеристики и функциональные требования. |
2) Эрозия | 2) Допускается ограниченная эрозия с учетом того, что сохраняются структурные характеристики и функциональные требования |
Внутренняя оболочка, работающая под давлением | 1) Ползучесть | 1) Допускается ограниченная ползучесть с учетом того, что - сохраняются структурные характеристики для перекрытия зазоров, - не возникают трещины, - нет блокировки каркаса или армирующих слоев на давление, - нет утечек, - сохраняется уплотнение на концевых фитингах. |
2) Термическая/химическая деструкция | 2) Способность в течение срока службы оставаться в пределах заданных коэффициентов эффективности с максимальным зазором между слоями. Не допускается появление утечек. Повышенная проницаемость допускается, если система рассчитана на повышенный уровень проницаемости. Важными факторами, которые необходимо учитывать, являются повышение интенсивности накопления повреждения армирования (коррозия, HIC, SSC) и ограничения возможностей системы вентиляции газа. Достаточно, чтобы способность к деформации без разрушения соответствовала ГОСТ Р 59309. |
3) Трещинообразование | 3) В динамических условиях применения трещинообразование не допускается |
Армирование, обеспечивающее стойкость к давлению и работающее на растяжение | 1) Коррозия | 1) Допускается только общая коррозия; не допускается возникновение трещин. |
2) Дезорганизация или блокировка армирующей проволоки | 2) Не допускается дезорганизация армирующей проволоки при изгибе с минимальным радиусом изгиба. |
3) Усталость и износ | |
Противоизносный слой | Износ | Не допускается износ по толщине слоя на протяжении срока эксплуатации |
Промежуточная оболочка | Термическая деструкция | Соблюдение функциональных требований |
Термоизоляция | Термическая деструкция | Сохранение изоляционной способности на уровне равном или превышающем заданное значение |
Наружная оболочка | 1) Общая деструкция | 1) Достаточно, чтобы способность к деформации без разрушения соответствовала ГОСТ Р 59309. |
2) Радиальная деформация (ослабление) | 2) Не допускается ослабление, которое приводит к дезорганизации армирующей проволоки или разрушению при деформации материала наружной оболочки. |
3) Прорыв | 3) Не допускается образование прорывов, кроме случаев, когда конструкция трубы в условиях затопления кольцевого пространства показывает соответствие проектным требованиям и требованиям остаточной эксплуатационной долговечности |
Концевой фитинг и сопряжение каркас/оболочка | Коррозия | Не допускается коррозия, которая приводит к ухудшению эксплуатационных характеристик, возможности утечки или повреждению какого-либо уплотнения или блокирующего механизма |
6.4.1.3.2 При проектировании внутренней оболочки, работающей под давлением (толщины стенки), следует учитывать ползучесть. К основным факторам, которые требуют рассмотрения, относятся свойства материала, толщина слоя, геометрия армирования, обеспечивающего стойкость к давлению и работающего на растяжение, температура и давление. В настоящее время используют две методологии определения толщины стенки, необходимой, чтобы не допустить разрушения при ползучести:
a) физические испытания для определения необходимой толщины стенки;
b) расчет методом конечных элементов с калибровкой по данным испытаний величины зазоров для определения необходимой толщины стенки.
6.4.1.4 Напряжение
Критерии расчетных напряжений (коэффициенты использования), приведенные в
ГОСТ Р 59309, установлены для того, чтобы обеспечить приемлемые коэффициенты запаса прочности на разрушение. Эти коэффициенты задают максимальное номинальное действующее напряжение пропорционально конструкционной прочности стальных материалов. Коэффициенты использования дают неявную поправку на наличие остаточных напряжений в проволоке.
6.4.1.5 Гидростатическое смятие
6.4.1.5.1 Коэффициенты использования, связанные с потерей устойчивости внутреннего каркаса под действием гидростатического давления, определены
ГОСТ Р 59309 в зависимости от глубины воды, с более высоким значением коэффициента использования (более низким значением коэффициента запаса прочности), допустимым для применения в глубоководных условиях. Коэффициент запаса прочности (обратная величина значения коэффициента использования) связан скорее с абсолютным, чем с относительным, запасом между глубиной смятия и проектной глубиной.
6.4.1.5.2 Расчеты на гидростатическое смятие следует выполнять как для неповрежденной наружной оболочки, так и для нарушенной внешней оболочки (с поступлением морской воды в кольцевое пространство), при сопротивлении гидростатическому смятию, равном минимальному из двух значений давления смятия. Аналитические методы расчета сопротивления смятию следует основывать на принятой исходной овальности. Овальность выбирает изготовитель на основе пределов допусков изготовления и остаточной овальности после монтажа. Если нет других данных, необходимо использовать минимальную овальность 0,2%.
6.4.1.5.3 Сопротивление смятию для труб с гладким проходным каналом также необходимо рассчитывать только на основе сопротивления внутренней оболочки, работающей под давлением; кроме того, могут использоваться стандартные аналитические методы. Если отношение давления смятия к проектному давлению ниже необходимого значения, следует указать, какое внутреннее давление достаточно для предотвращения смятия (например, линия заполнена жидкостью при гидростатическом давлении). В качестве альтернативы следует предусмотреть непроницаемую промежуточную оболочку для обеспечения того, чтобы поддерживать в армировании, обеспечивающем стойкость к давлению, необходимое сопротивление смятию.
6.4.1.5.4 При проектировании трубы, включающей армирующий слой, обеспечивающий стойкость к давлению, этот слой поддерживает каркас и значительно увеличивает прочность трубы на смятие. Использование методологии расчетов прочности на смятие (проектной глубины воды) для гибкой трубы с учетом армирующего слоя, обеспечивающего стойкость к давлению, следует верифицировать документально оформленными испытаниями опытного образца.
6.4.1.6 Механическое смятие
6.4.1.6.1 Коэффициенты использования, которые связаны с механическим смятием внутреннего каркаса под действием избыточного растяжения, определены в
ГОСТ Р 59309 и идентичны коэффициентам использования для армирования, работающего на растяжение и обеспечивающего стойкость к давлению.
6.4.1.6.2 При расчетах на механическое смятие допускается принимать во внимание влияние всех удерживающих стальных слоев.
6.4.1.7 Кручение
6.4.1.7.1 Следует обеспечить, чтобы гибкая труба обладала достаточной прочностью на кручение и выдерживала крутящие нагрузки, возникающие при монтаже и в условиях эксплуатации, без каких-либо повреждений конструкции. Жесткость при кручении показывает сопротивление гибкой трубы скручиванию вокруг своей оси при приложении крутящего момента и является эксплуатационной характеристикой трубы.
6.4.1.7.2 Максимальное допустимое кручение возникает при следующих двух обстоятельствах, в зависимости от направления действующего кручения:
- наружный армирующий слой на растяжение поворачивается по направлению намотки и сжимается вокруг внутреннего слоя (в этом случае допустимое растяжение вызывает избыточное напряжение армирования на растяжение) с созданием напряжения, соответствующего конструкционной прочности;
- внутренний армирующий слой на растяжение поворачивается против направления намотки и прижимается к наружным слоям, создавая зазор между двумя армирующими слоями на растяжение, в таком случае разрушающее кручение создает зазор между армирующими слоями на растяжение, равный половине толщины армирующей проволоки на растяжение. Допустимое кручение в этом случае следует рассчитывать из разрушающего кручения с использованием коэффициента запаса прочности не менее 1,0.
6.4.1.8 Разрушающее смятие и овальность
6.4.1.8.1 Во время операций укладки натяжение гибкой трубы, как правило, контролируется устройством натяжения или лебедкой. Нагрузка, действующая на гибкую трубу при натяжении ее с помощью устройства натяжения или при разматывании/наматывании гибкой трубы под натяжением (возможно через V-образный шкив), должна контролироваться так, чтобы не допустить смятия конструкции или избыточного напряжения металлических слоев. При проектировании гибкой трубы важно принимать во внимание растягивающие нагрузки и разрушающее воздействие на конструкцию во время монтажа.
6.4.1.8.2 Возможность технической реализации монтажа гибкой трубы с использованием выбранной процедуры следует оценивать, учитывая следующие воздействия:
a) разрушение гибкой трубы при радиальном сжатии в устройстве натяжения;
b) разрушающее воздействие блока или шкива при укладке;
c) повреждающее натяжение гибкой трубы в верхней части свободной подвески.
6.4.1.8.3 Сминающую нагрузку рассчитывают на основе прочности внутреннего каркаса и удерживающих слоев, обеспечивающих стойкость к давлению (армирование, обеспечивающее стойкость к давлению, и плоская стальная спираль), если применимо. Для расчета сминающей нагрузки рекомендуются два альтернативных подхода, которые были откалиброваны по результатам натурных испытаний:
a) расчет методом конечных элементов;
b) аналитико-эмпирические уравнения.
6.4.1.8.4 Следует рассмотреть следующие случаи нагрузки, если применимо:
a) наматывание/разматывание гибкой трубы на шкиве под действием максимальной осевой нагрузки;
b) радиальное сжатие в устройстве натяжения гибкой трубы под действием расчетной максимальной осевой нагрузки.
6.4.1.8.5 При расчете максимально допустимого натяжения при монтаже необходимо использовать меньшее из двух следующих ограничений:
a) следует предусмотреть, чтобы осевое натяжение или радиальное сжатие в гибкой трубе оставалось меньшим, чем то, которое приводит к напряжениям, соответствующим конструкционной прочности армирования, обеспечивающего стойкость к давлению или работающего на растяжение;
b) следует предусмотреть, чтобы действующее натяжение или радиальное сжатие в гибкой трубе оставалось меньшим, чем то, которое приводит к механическому смятию, умноженному на коэффициент использования для монтажа, определенный в
ГОСТ Р 59309.
6.4.1.8.6 Кроме того, важно предусмотреть, чтобы максимальная остаточная овальность трубы при обоих методах монтажа была меньше значения исходной овальности, используемого для расчетов на гидростатическое смятие.
6.4.1.9 Сжатие
6.4.1.9.1 Гибкая труба может подвергаться сжатию двух видов: эффективному сжатию (отрицательное действующее растяжение) и осевому (истинное сжатие стенки) сжатию. Эффективное сжатие приводит к увеличению деформаций в трубе, а осевое сжатие потенциально может привести к потере устойчивости в армирующем слое на растяжение. Поведение гибкой трубы под действием сжимающей нагрузки определяется температурой трубы.
6.4.1.9.2 При проектировании гибких трубных систем следует проверять возможность возникновения обоих видов сжатия. В случае возникновения эффективного сжатия, верифицируют следующие критерии проектирования:
- обеспечивают, чтобы эффективное сжатие было меньше, чем сжатие, приводящее к нарушению критерия MBR;
- обеспечивают, чтобы в трубе не возникало стержневой потери продольной устойчивости.
6.4.1.9.3 Значение максимального осевого сжатия для гибкой трубы многослойной структуры без связующих слоев следует рассчитывать как значение, которое приводит к образованию разрыва между армирующими волокнами и нижележащим слоем, равным половине толщины армирующих волокон. Допустимое осевое сжатие на напряжение и устойчивость рассчитывают из значения максимального осевого сжатия с использованием коэффициента запаса прочности не менее чем 1,0, кроме того, необходимо, чтобы любое осевое сжатие, которому подвергается труба, было меньше, чем допустимое. Следует также выполнить оценку потери устойчивости проволоки на растяжение.
6.4.1.10 Факторы, определяющие срок эксплуатации
Критерии расчетов на усталость определены в
ГОСТ Р 59309. Кроме того, для оценки срока эксплуатации следует определить допустимые уровни деструкции. Рекомендации по ним приведены в
таблице 5.
6.4.2 Гибкие трубы многослойной структуры со связующими слоями
6.4.2.1 Критерии проектирования для гибких труб многослойной структуры со связующими слоями приведены в
ГОСТ Р 59306 с учетом следующего:
- деформации (эластомерные слои);
- напряжения и нагрузки (армирующие слои, каркас и концевой фитинг);
- гидростатического смятия (нагрузка, приводящая к потере устойчивости);
- механического смятия (напряжения, создаваемые армирующими слоями);
- разрушающего смятия и овальности (во время монтажа);
- факторов, определяющих срок эксплуатации.
6.4.2.2 Критерии вводят для обеспечения расчета на разрушение в дополнение к критериям, определенным в
ГОСТ Р 59306.
6.4.2.3 Критерии, определенные в
ГОСТ Р 59306, применимы к материалам, которые используются для гибких труб со связующими слоями в настоящее время. Если используют новые материалы, следует вводить критерии проектирования, которые обеспечивают уровень надежности не ниже, чем определено в
ГОСТ Р 59306. В критериях проектирования необходимо рассматривать все характеристики материала, такие как старение, усталость и избыточная деформация.
6.4.2.4 Существуют упрощенные подходы к характеристикам труб (осевой жесткости, жесткости при изгибе и кручении и т.п.) и к расчету нагрузок для отдельных материалов трубы (армирующего корда, эластомера тела трубы и т.п.). Такие упрощенные методологии могут использоваться для предварительного сравнения проектных нагрузок с критериями проектирования. Для расчетов технического проектирования используют верифицированную (испытаниями опытного образца) методологию согласно
ГОСТ Р 59306.
6.4.2.5 Из-за комплексной природы гибких труб многослойной структуры со связующими слоями, следует предусмотреть, чтобы верифицированные методологии проектирования учитывали взаимодействие между металлическими и эластомерными компонентами и распределение нагрузки между различными слоями и компонентами, в частности в зоне, смежной с концевым фитингом.
6.4.2.6 Изготовители гибких труб многослойной структуры со связующими слоями используют два разных типа методологии проектирования. Некоторые изготовители используют аналитические методы или расчет методом конечных элементов для учета распределения нагрузки между различными компонентами, образующими трубу многослойной структуры со связующими слоями. Другие используют стандартные аналитические методы, исходя из геометрических характеристик трубы, которые необходимо учитывать, с эмпирическими коэффициентами эффективности. Коэффициенты эффективности рассчитываются на основе испытаний опытных образцов, например испытаний на разрыв от внутреннего давления и на растяжение.
6.4.2.7 ГОСТ Р 59306 определяет допустимые значения деформации эластомерных слоев как максимум 50% расчетной максимальной деформации для состаренного материала. Благодаря более широкой деформационной способности эластомерных материалов, используемых при изготовлении гибких труб многослойной структуры со связующими слоями, этот критерий проектирования является не настолько определяющим, как для термопластичных материалов, используемых при изготовлении гибких труб многослойной структуры без связующих слоев.
6.4.2.8 ГОСТ Р 59306 предусматривает расчет MBR для предотвращения повреждения внутреннего или наружного каркасов из проволоки с замковым соединением, при их наличии.
6.4.2.9 Критерии проектирования на напряжения и нагрузку (коэффициенты использования), приведенные в
ГОСТ Р 59306, устанавливают допустимые коэффициенты запаса прочности на разрушение. Эти коэффициенты определяют максимальное номинальное действующее напряжение или нагрузку пропорционально конструкционной прочности стальных материалов. Коэффициенты использования дают неявную поправку на наличие остаточных напряжений в проволоке.
Примечание - Опубликованные коэффициенты использования относятся к стальным материалам. Эти значения не могут быть основой для каких-либо заключений о допустимых напряжениях для новых материалов.
6.4.2.10 Коэффициенты использования, связанные с потерей устойчивости внутреннего каркаса под действием гидростатического давления, определены в
ГОСТ Р 59306 в зависимости от глубины воды, с более высоким значением коэффициента использования (более низким значением коэффициента запаса прочности), допустимым для применения в глубоководных условиях. Коэффициент запаса прочности (обратная величина значения коэффициента использования) связан скорее с абсолютным, чем с относительным, запасом между глубиной смятия и проектной глубиной.
6.4.2.11 Аналитические методы для расчета сопротивления смятию следует основывать на принятой исходной овальности. Овальность выбирает изготовитель на основе пределов допусков изготовления и остаточной овальности после монтажа. Если нет других данных, следует использовать минимальную овальность 0,2%.
6.4.2.12 Сопротивление смятию для труб с гладким проходным каналом также рассчитывают на основе сопротивления тела трубы, при этом можно использовать стандартные аналитические методы. Если отношение давления смятия к проектному давлению ниже необходимого значения и труба не рассчитана на случаи смятия, следует указать, какое внутреннее давление достаточно для предотвращения смятия (например, путем проверки, что трубопровод заполнен жидкостью под гидростатическим давлением).
6.4.2.13 Критерии расчетов на усталость определены в
ГОСТ Р 59306. Кроме того, для оценки срока эксплуатации необходимо определить допустимые уровни деструкции (см.
таблицу 6).
Таблица 6
Допустимые уровни деструкции для труб
многослойной структуры со связующими слоями
Компонент | Деструкция | Рекомендации |
| | ИС МЕГАНОРМ: примечание. Текст в графе "Рекомендации" дан в соответствии с официальным текстом документа. | |
|
Каркас | 1) Коррозия 2) Эрозия | Допускается ограниченная коррозия (эрозия) с учетом того, что сохраняются структурные характеристики и функциональные требования. 1) То же, что и для коррозии |
Внутренний слой | 1) Вспучивание, расслоение | 1) Не допускается вспучивание, расслоение или появление каналов утечки из-за быстрого сброса давления газа. Повреждения в результате процесса рассечения следует игнорировать. |
2) Термическая/химическая деструкция | 2) Не допускается появление утечек. Повышенная проницаемость допускается, если система рассчитана на повышенный уровень проницаемости. В дополнение к вышеуказанному, допускается ограниченная деструкция при обеспечении сохранения уплотнений на концевом фитинге |
Армирующие слои | 1) Коррозия | 1) Не допускается коррозия, которая приводит к повышению коэффициента использования кордов в армирующем слое за пределами допустимых значений. |
2) Усталость и износ | |
Покрывающий слой | Общая деструкция | Достаточно, чтобы способность к деформации без разрушения соответствовала проектным требованиям |
Концевой фитинг | Коррозия | Не допускается коррозия, которая приводит к ухудшению эксплуатационных характеристик, утечке или повреждению уплотнения или блокирующего механизма |
6.5.1 Общие сведения
6.5.1.1 Гибкие трубопроводы рассчитывают на воздействия в соответствии с функциональными требованиями.
6.5.1.2 Все расчетные сочетания нагрузок для гибких трубопроводов, включая изготовление, хранение, транспортировку, испытания, монтаж, эксплуатацию, извлечение и случайные события, должны быть указаны изготовителем в исходных данных для проектирования, определенных в
ГОСТ Р 59309 и
ГОСТ Р 59306. В исходных данных для проектирования следует составить варианты схем нагружения, которые определяют все нормальные, аномальные, монтажные и усталостные условия нагружения в соответствии с требованиями, указанными заказчиком в соответствии с
ГОСТ Р 59309 и
ГОСТ Р 59306.
6.5.1.3 Таблица 7 содержит рекомендованные значения годовой вероятности события для монтажных, нормальных и аномальных нагрузок для 20-летнего срока эксплуатации. Для других сроков эксплуатации эти значения могут различаться. При комбинировании значений годовой вероятности волн и течений для 100-летних условий следует учитывать следующие две комбинации нагрузок, кроме случаев, когда доступны более конкретные данные:
a) волна с вероятностью возникновения один раз в 100 лет в комбинации с течением с вероятностью возникновения один раз в 10 лет;
b) волна с вероятностью возникновения один раз в 10 лет в комбинации с течением с вероятностью возникновения один раз в 100 лет.
Таблица 7
Рекомендации по значениям годовой вероятности
для возможности укладки, нормальной и аварийной
эксплуатации на период 20 лет
| Условия эксплуатации |
Укладка | Эксплуатация |
Нормальная эксплуатация <b> | Аварийная эксплуатация <b> |
Функциональная | Ожидаемое, заданное или экстремальное значение | Ожидаемое, заданное или экстремальное значение | Ожидаемое, заданное или экстремальное значение |
Окружающая среда | Вероятность превышения в соответствии с сезоном и продолжительностью периода монтажа | Вероятность превышения > 10-2 | Вероятность превышения от 10-2 до 10-4 |
Возможность прекращения работ | Если прекращение работ предусматривается, то на работы необходимо запланировать период, погодные условия при котором в три раза превышают планируемую продолжительность укладки Если прекращение работ не предусматривается, необходимо обеспечить сокращение продолжительности времени выполнения операции до периода, подтвержденного надежным прогнозом погоды | Воздействия нагрузок от окружающей среды могут быть снижены, так что вероятность совпадения явлений составит > 10-2 в комбинации со случайной нагрузкой | Воздействия нагрузок от окружающей среды могут быть уменьшены, так что вероятность совпадения явлений составит > 10-4 в комбинации со случайной нагрузкой |
Случайная | В соответствии с методом монтажа | В соответствии с нормальными условиями эксплуатации, т.е. вероятность > 10-2 | Конкретное решение. Вероятность от 10-2 до 10-4 |
<b> Вероятность 10 -2 и 10 -4 эквивалентна периоду повторяемости 100 лет и 10 000 лет соответственно. |
6.5.1.4 Требования к анализу воздействий для случайного события следует основывать на оценке вероятности возникновения события. Случайные события, обычно рассматриваемые для статических условий применения, включают удар от столкновения с орудием тралового лова и падающими объектами. Для динамических условий применения обычно рассматриваются такие случайные события, как обрыв одной или нескольких якорных оттяжек и частичная потеря плавучести. Кроме того, для определения эксплуатационной надежности конструкции в динамических условиях применения следует рассматривать возникновение воздействий при экстремальных явлениях (таких, как события с вероятностью наступления, равной или меньшей, чем 10-4).
6.5.1.5 Варианты воздействий состоят из нагрузок, которые рассматривают при расчете прочности конструкции и процесса проектирования. Конкретные случаи нагрузки формируют исходные данные для пяти этапов общего процесса проектирования трубы следующим образом:
- проектирование конфигурации поперечного сечения (локальный расчет);
- проектирование конфигурации системы (статический общий и локальный расчет);
- динамический расчет и проектирование;
- детальное проектирование и расчет срока эксплуатации (окончательный локальный расчет и оценка срока эксплуатации);
- проектирование морских операций.
6.5.1.6 Все этапы процесса проектирования включают общий или локальный (поперечное сечение) расчет гибкой трубы. Главной задачей общего анализа является проверка соблюдения основных критериев проектирования (таких как MBR, допустимое натяжение и стабильность динамических перемещений) и определение критических комбинаций нагрузок. Затем выполняют локальный расчет нагрузок для подтверждения, что такие общие критические комбинации нагрузок не превышают критерии, установленные в
ГОСТ Р 59309 и
ГОСТ Р 59306.
6.5.2 Проектирование конфигурации поперечного сечения
Результаты предварительного локального расчета (чтобы определить давление разрыва, реакцию на давление FAT, MBR, глубину погружения для смятия, разрушающее натяжение, термические свойства, вес в морской воде, отношение натяжение - вес и т.п.) предоставляют информацию для сравнения с проектными требованиями (глубина воды и проектное давление) и выполнения предварительного проектирования поперечного сечения. Такой предварительный проект поперечного сечения может быть далее изменен с учетом результатов остальных этапов процесса проектирования. В частности, для глубоководных условий применения на начальном этапе процесса проектирования может быть необходимым рассмотрение нагрузок, возникающих при монтаже.
6.5.3 Проектирование конфигурации системы
6.5.3.1 В исходные данные для проектирования включают нагрузки, возникающие в статических условиях. Гибкая труба подвергается расчету при всех функциональных нагрузках, нагрузках от воздействия окружающей среды и комбинациях случайных нагрузок от внутренней среды (давление, температура, состав флюида) и окружающей среды, определенных
ГОСТ Р 59309 и
ГОСТ Р 59306.
6.5.3.2 Примеры случаев нагрузок для общего статического расчета, которые формируют исходные данные для этого процесса, включают термический анализ, случаи нагрузки для обратного выгиба (только для статических выкидных трубопроводов), случаи нагрузок с учетом стабильности после установки на дно (только для выкидных трубопроводов) и/или случаи статической нагрузки общей конфигурации. В
таблице 8 показан типовой пример случая нагрузки для общего статического расчета для этого этапа проектирования. На данном этапе проектирования расчет требуется только для статических условий применения гибкого трубопровода. Расчет для динамических условий применения гибкого трубопровода выполняется на этапе 4, показанном на
рисунке 19. В расчет случаев нагружения для статических условий применения гибкого трубопровода следует включать все соответствующие испытания, случаи нагрузки при монтаже и эксплуатации.
Примеры
1 Случай A - проектное давление, среднее натяжение, изгиб до максимально ожидаемой искривленности.
2 Случай B - отсутствие внутреннего флюида, наружное гидростатическое давление при максимальной глубине воды, поврежденная наружная оболочка.
3 Случай C - максимальное осевое сжатие.
Таблица 8
Типовые случаи нагрузки для общего статического расчета
Случай нагрузки | Описание | Применение |
A | Общий статический расчет при проектном давлении, эксплуатационном внутреннем флюиде, среднем смещении судна, отсутствии течения | DA |
B | Общий статический расчет при проектном давлении, эксплуатационном внутреннем флюиде, 100-летней повторяемости линейного приближающего течения, 100-летней повторяемости смещения судна под малым углом | DA |
C | Общий статический расчет при проектном давлении, эксплуатационном внутреннем флюиде, 100-летней повторяемости удаляющего течения, 100-летней повторяемости смещения судна под большим углом | DA |
D | Общий статический расчет при проектном давлении, эксплуатационном внутреннем флюиде, 100-летней повторяемости поперечного течения, 100-летней повторяемости поперечного смещения судна | DA |
E | Термический анализ | SA, DA |
F | Анализ устойчивости после установки на дно | SA |
G | Анализ обратного выгиба | SA |
6.5.4 Динамический анализ и проектирование
6.5.4.1 Случаи нагрузки на этом этапе относятся только к динамическим условиям применения райзера (или соединительного трубопровода) и включают все динамические нагрузки для общего проектирования системы. Трубы снова подвергают расчету при всех функциональных нагрузках, нагрузках от воздействия окружающей среды и комбинированных случайных нагрузках, определяемых внутренней и внешней средой.
6.5.4.2 Все случаи динамических эксплуатационных и случайных нагрузок обычно комбинируют внутренние статические с внешними динамическими нагрузками от воздействия окружающей среды (такими, как волна, течение и движения верхней части райзера) и рассматриваются как часть динамического анализа. Следует проанализировать случаи нагрузки, достаточные для охвата всего спектра реакций с учетом движений и сил. Анализ чувствительности выполняют для оценки влияния изменений ключевых параметров, включая внутренний флюид, обрастание морскими организмами, периоды волны, влияние VIV и т.п. Варианты схем нагружения определяются особенностями местных условий.
6.5.4.3 В
таблице 9 представлены варианты динамических схем нагружения при применении FPSO/FPS. Каждую из схем нагружения следует проанализировать для различных сочетаний нагрузок воздействия окружающей среды.
Таблица 9
Варианты динамических схем нагружения
при применении FPSO/FPS
Схема нагружения | | Тип нагрузки | | | Описание |
A | Нормальные условия эксплуатации | Функциональные и от воздействия окружающей среды | 0,55 Армирования, обеспечивающего стойкость к давлению | 1,5 | Эксплуатационные условия внутреннего флюида, неповрежденная причальная система и условия окружающей среды со 100-летней повторяемостью |
0,67 Армирования, работающего на растяжение | - | - |
B | Нормальные условия эксплуатации | Функциональные, от воздействия окружающей среды и случайные | 0,85 | 1,25 | Отсутствие внутреннего флюида, одна поврежденная якорная оттяжка и условия окружающей среды со 100-летней повторяемостью |
C | Аварийные условия эксплуатации | Функциональные, от воздействия окружающей среды и случайные | 0,85 | 1,25 | Отсутствие внутреннего флюида, две поврежденных якорных оттяжки и условия окружающей среды с 10-летней повторяемостью |
<a> "Нормальные" и "аварийные" условия эксплуатации следует определять по нормативным требованиям. <b> Критерием напряжения является допустимая нагрузка в зависимости от несущей способности конструкции. <c> Критерий MBR является коэффициентом запаса прочности на MBR при хранении. |
6.5.4.4 Таблица 10 содержит варианты динамических схем нагружения для сочетаний функциональных нагрузок и нагрузок воздействий окружающей среды в условиях регулярного волнения при применении FPSO/FPS. Указанные схемы также применимы для условий нерегулярного волнения. Рекомендации по типам анализа см. в
9.4.1.
Таблица 10
Варианты динамических схем нагружения для сочетаний
функциональных нагрузок и нагрузок воздействий окружающей
среды в условиях регулярного волнения при применении
FPSO/FPS
Параметр | |
Приближение FPSO/FPS к основанию райзера <c> | Приближение FPSO/FPS к основанию райзера | Удаление FPSO/FPS от основания райзера <d> | Удаление FPSO/FPS от основания райзера | Пересечение FPSO/FPS плоскости райзера <e> | Пересечение FPSO/FPS плоскости райзера |
Глубина воды | min MWL | min MWL | max MWL | max MWL | max MWL | max MWL |
Внутреннее давление | Рабочее | Рабочее | Рабочее | Рабочее | Рабочее | Рабочее |
Осадка судна | В грузу | В грузу | С балластом | С балластом | С балластом | С балластом |
| Приближение к основанию райзера | Приближение к основанию райзера | Удаление от основания райзера | Удаление от основания райзера | Пересечение плоскости райзера | Пересечение плоскости райзера |
Течение | Повторяемость один раз в 10 лет | Повторяемость один раз в 10 лет | Повторяемость один раз в 10 лет | Повторяемость один раз в 10 лет | Повторяемость один раз в 10 лет | Повторяемость один раз в 10 лет |
Высота регулярной волны <g> | min (повторяемость один раз в 100 лет) | max (повторяемость один раз в 100 лет) | min (повторяемость один раз в 100 лет) | max (повторяемость один раз в 100 лет) | min (повторяемость один раз в 100 лет) | max (повторяемость один раз в 100 лет) |
<a> В перечень случаев нагрузки должны быть включены соответствующие смещения судна. <b> Аналогичные варианты воздействия должны быть разработаны для случаев нагрузки B и C в таблице 9. <c> Приближающий случай имеет окружающую среду и смещение, ориентированные вдоль плоскости райзера в направлении соединения на дне моря. <d> Удаляющий случай имеет окружающую среду и смещение, ориентированные вдоль плоскости райзера в направлении от соединения на дне моря. <e> Поперечный случай имеет окружающую среду и смещение, ориентированные перпендикулярно плоскости райзера. <f> Смещение судна включает допуски монтажа. Исходный относится к состоянию якорной системы. <g> Соответствующие периоды регулярных волн следует выбирать, чтобы зафиксировать пиковую реакцию райзера в пределах диапазона возможных периодов. |
6.5.4.5 Для оценки потенциального взаимного влияния между различными компонентами системы следует разработать совокупность случаев нагрузок. Рекомендации по проблемам взаимного влияния приведены в
8.4.2. В случае нагрузки необходимо включать нормальные условия эксплуатации (условия однолетней и 100-летней повторяемости) с соответствующими условиями случайных нагрузок.
6.5.5 Детальное проектирование и расчет срока службы
6.5.5.1 На этом этапе проектирования проверяют конечный локальный анализ случаев нагрузки для динамических условий применения с использованием нагрузок, которые определены во время предварительного общего динамического анализа. Для всех положений трубы следует проводить локальный анализ, с учетом нагрузок, рассчитанных при общем анализе для соответствующих условий на протяжении жизненного цикла трубы (таких как FAT, монтаж, нормальные и аномальные условия эксплуатации). Типовые примеры случаев нагрузки для локального анализа на этом этапе проектирования:
Примеры
1 Случай A - проектное давление, максимальное верхнее натяжение под действием шторма с 10-летней повторяемостью, изгиб трубы до эксплуатационного MBR.
2 Случай B - отсутствие внутреннего давления, максимальное верхнее натяжение под действием волны со 100-летней повторяемостью, изгиб трубы до эксплуатационного MBR.
3 Случай C - минимальное проектное давление, максимальное осевое сжатие.
6.5.5.2 Расчеты срока эксплуатации гибкого трубопровода выполняют с учетом деструкции полимера, коррозии металлических слоев и усталостного анализа. Расчет сопротивления усталости выполняют за исключением случаев, когда напряжения в слое, обеспечивающем стойкость к давлению и работающем на растяжение (труба многослойной структуры без связующих слоев) и армирующем корде (труба многослойной структуры со связующими слоями), ниже предела выносливости для всех случаев нагружения. При усталостном анализе труба рассматривается при всех комбинациях усталостных нагрузок, определенных в исходных данных для проектирования. Комбинации определяются внутренней средой и усталостной (обычно состояние моря) компонентой внешней окружающей средой.
6.5.5.3 Следует предусмотреть, чтобы выбранные значения состояния моря представляли диаграмму разброса данных о волнах для данной области.
6.5.6 Проектирование укладки
6.5.6.1 На этом этапе процесса проектирования выполняется анализ гибкой трубы для проверки возможности технической реализации предлагаемого метода укладки. При рассмотрении воздействий следует учитывать все соответствующие функциональные нагрузки, нагрузки от воздействия окружающей среды и случайные нагрузки, связанные с методом укладки, судном, временем года и испытательным давлением. В
таблице 11 приведены воздействия при укладке гибкого трубопровода.
Таблица 11
Воздействия при укладке гибкого трубопровода
Случаи нагрузки | Описание |
A | Статический анализ: давление гидравлического испытания |
| Статический анализ: условия укладки с внутренним флюидом, максимальная скорость течения при укладке, смещение судна |
| Динамический анализ: условия укладки с внутренним флюидом, максимальная скорость течения и экстремальная высота волны при укладке, эквивалентное смещение судна |
| Динамический анализ: давление гидравлического испытания, максимальная скорость течения и экстремальная высота волны при укладке, смещение судна |
E | Статический анализ: углубление дна после монтажа |
<a> Обычно выполняется для нескольких направлений воздействия нагрузки, таких как 0°, 45°, 90°, 135° и 180°. |
6.5.6.2 Следует предусмотреть, чтобы воздействия для райзерных систем охватывали все этапы процесса монтажа. В случае волнового воздействия выполняют расчет пустой секции райзера от модулей плавучести до соединения с подводным оборудованием. Монтаж райзера с внутренним флюидом согласовывают с заказчиком и определяют в исходных данных для проектирования. Для нормальных и экстремальных условий окружающей среды допускается промывка гибких трубопроводов морской водой, если это допускает материал внутреннего слоя.
6.5.6.3 Варианты локальных воздействий при укладке следует выбирать на основе результатов общего анализа. В
таблице 12 показаны примеры локальных нагрузок при укладке. Результаты этого анализа необходимо сравнивать с критериями проектирования, определенными
ГОСТ Р 59309 и
ГОСТ Р 59306 для условий монтажа. Также следует проанализировать дополнительные критерии на разрушающее смятие и овальность, приведенные в
6.4.1.8 и
6.4.2.
Таблица 12
Пример локальных нагрузок при укладке
Случаи нагрузки | Описание |
A | Давление гидравлического испытания на месте, максимальное верхнее натяжение в условиях гидравлического испытания |
B | Условия укладки с внутренним флюидом, максимальное верхнее натяжение для условий укладки, MBR для условий укладки |
| Максимальное верхнее натяжение, максимальное радиальное сжатие от стингера или устройств натяжения |
| Максимальное верхнее натяжение, минимальное радиальное сжатие от стингера |
<a> Случаи нагрузки C и D используются для проверки двух критических нагрузок для вертикального монтажа с устройствами натяжения. <b> Проверка возможности смятия каркаса. <c> Проверка проскальзывания трубы из-за недостаточного трения между наружной оболочкой и наружным армирующим слоем на растяжение (только для труб многослойной структуры без связующих слоев). |
Раздел 7 дополняет требования к материалам, приведенные в
ГОСТ Р 59306 и
ГОСТ Р 59309, и дает общие рекомендации по выбору материалов с учетом условий применения гибких труб. Определены обычно используемые материалы гибких труб и приведены их эксплуатационные характеристики. Рассматриваются альтернативные материалы, включая композитные. Даны рекомендации по совместимости с флюидами и испытаниям на устойчивость к старению полимерных/эластомерных и стальных материалов.
7.2 Материалы для трубы многослойной структуры без связующих слоев
7.2.1 Общие характеристики
7.2.1.1 Возможность применения материалов определяется несколькими факторами, включая состав транспортируемого флюида, температуру, давление и изменение параметров в процессе эксплуатации.
7.2.1.2 Материалы и их свойства рассматривают с учетом возможных режимов разрушения, чтобы определить ключевые требования к материалу каждого слоя трубы.
7.2.2 Термопластичные полимерные материалы
7.2.2.1 В
таблице 13 приведены термопластичные полимерные материалы, как правило, используемые в гибких трубах многослойной структуры без связующих слоев. Для наружной оболочки в случае высокой температуры или динамических условий применяют PA-11.
Таблица 13
Типовые полимерные материалы для гибких труб
многослойной структуры без связующих слоев
Слой | |
Внутренняя оболочка, работающая под давлением | HDPE, XLPE, PA-11, PVDF |
Промежуточные оболочки | HDPE, XLPE, PA-11, PVDF |
Наружная оболочка | HDPE, PA-11 |
| PP, PVC, PU |
<a> Вместо HDPE допускается использовать MDPE. <b> В качестве изоляции используют твердый материал, пену или синтетическую пену. |
XLPE, специальная марка PE, получена путем образования перекрестных связей для улучшения характеристик базового материала. Образование перекрестных связей может быть обеспечено различными фирменными методами. Продукты, полученные такими методами, должны быть квалифицированы изготовителями гибких труб перед использованием в производстве гибких труб.
PVDF представляет собой термопластичный материал с достаточно высоким модулем по сравнению с HDPE и пластифицированным PA-11. Кроме того, его эластичность значительно ниже, чем у PA-11. Существует несколько путей повышения гибкости и эластичности, таких как добавление пластификатора, добавление модификатора полимеризации, добавление сополимера PVDF, использование сополимера или комбинация этих способов. При проектировании трубы необходимо учитывать пластификацию, потери пластификатора и снижение гибкости.
7.2.2.2 В
таблице 14 приведены рекомендации по выбору полимеров для использования в гибких трубах на основе 20-летнего срока эксплуатации. Для детального проектирования необходима апробированная модель старения, подтверждающая требования к сроку эксплуатации полимера согласно
ГОСТ Р 59309.
Таблица 14
Рекомендации по выбору полимеров для использования
в гибких трубах на основе 20-летнего срока эксплуатации
Полимерный материал | Минимальная действующая температура <a>, °C | Максимальная рабочая температура <a>, °C | Пределы обводненности <a>, % | Комментарии |
HDPE | -50 | +60 | от 0 до 100 | Высокая прочность на растяжение и ударная вязкость при низких температурах |
XLPE | -50 | +90 | от 0 до 100 | Может использоваться при высокой степени обводненности. Максимальная температура зависит от рабочего давления, со снижением температуры для давления выше 13,8 МПа |
PA-11 | -20 | - | 0 | - |
-20 | от 0 до 100 |
PVDF | -20 | +130 | от 0 до 100 | Материал может быть чувствителен к распространению трещин в зависимости от исходного размера дефекта и уровня напряжения |
<a> Данная таблица показывает только общие пределы и не является обязательной для конкретных условий применения. Диапазоны температур для каждого материала также зависят от состава транспортируемых флюидов. Например, максимальная температура для PA-11 значительно ниже при обводненности. Также более высокие температуры возможны для многих полимеров, если необходимый срок эксплуатации меньше 20 лет, поскольку высокие температуры обычно ускоряют процессы старения. Это положение действует не для всех полимерных материалов, и характеристики старения следует основывать на данных испытаний. С согласия поставщика скачки температуры выше установленных максимальных значений также могут быть допустимы на относительно короткое время. |
7.2.2.3 В
таблице 15 приведены характеристики совместимости полимерных материалов гибких трубопроводов с транспортируемыми флюидами. Совместимость материала с транспортируемым флюидом также зависит от температуры.
Таблица 15
Типовые характеристики совместимости с флюидами
и вспучивания для полимерных материалов
гибких термопластичных труб
Полимерный материал | Общие характеристики совместимости <a> | Характеристики вспучивания <b>, <c> |
HDPE | Высокая динамика старения и устойчивость к кислотам, морской воде и нефти. Слабая стойкость к аминам и чувствительность к окислению. Восприимчивость к растрескиванию под воздействием окружающей среды (среда включает спирты и жидкие углеводороды) | Высокая стойкость к вспучиванию только при низких значениях температуры и давления |
XLPE | Высокая динамика старения и устойчивость к морской воде, слабым кислотам (часто в зависимости от концентрации и дозировки) и пластовому флюиду с высокой степенью обводнения. Слабая стойкость к аминам и концентрированным кислотам (часто в зависимости от концентрации и дозировки) и чувствительность к окислению. В меньшей степени, чем HDPE, чувствительность к растрескиванию под воздействием окружающей среды (среда включает спирты и жидкие углеводороды) | Более высокая стойкость к вспучиванию, чем HDPE, с положительными результатами, полученными при превышении 20,68 МПа и 60 °C |
PA-11 | Высокая динамика старения и устойчивость к сырой нефти. Высокая стойкость к растрескиванию под воздействием окружающей среды | Высокая стойкость к вспучиванию до 68,95 МПа и 100 °C |
| | ИС МЕГАНОРМ: примечание. В официальном тексте документа, видимо, допущена опечатка: пункт 7.5.3.5 отсутствует. | |
|
| Ограниченная стойкость к кислотам при высокой температуре; ограниченная стойкость к бромидам. Слабая стойкость к высоким температурам в присутствии жидкой воды | Ограниченная стойкость к воде, даже в незначительных количествах. Стойкость снижается со снижением pH. Срок эксплуатации с учетом температуры см. в 7.5.3.5 |
PVDF | Высокое сопротивление старению и к растрескиванию под воздействием окружающей среды | Высокая стойкость к вспучиванию до 68,95 МПа и 130 °C |
Совместимость с большинством добываемых или нагнетаемых в скважину флюидов при высоких температурах, включая спирты, кислоты, хлористые растворители, алифатические и ароматические углеводороды и сырую нефть | - |
Низкая стойкость к высококонцентрированным аминам, концентрированным серным и азотным кислотам и гидроокиси натрия (рекомендуется pH < 8,5) | - |
<a> Изготовителю следует верифицировать применимость материала в конкретных условиях. <b> Характеристики вспучивания зависят от транспортируемого флюида, давления, скорости сброса давления, температуры, марки материала. Обычно более низкое давление допускает более высокие температуры и наоборот. <c> Представленные значения являются ссылочными. Реальные значения необходимо подтверждать испытаниями. |
7.2.2.4 Воздействие газа
7.2.2.4.1 Газ в транспортируемых флюидах является важнейшим фактором при выборе материалов для полимерных слоев. Основные проблемы связаны со стойкостью к вспучиванию и проницаемостью материала внутренних слоев гибкой трубы. В
таблице 15 приведены типовые характеристики стойкости к вспучиванию для полимерных материалов внутренних слоев, работающих под давлением.
7.2.2.4.2 Интенсивность проникновения газа зависит от многих факторов (см.
9.2.2), при этом учитывают состав транспортируемого флюида.
7.2.3 Металлические материалы
7.2.3.1 Общие сведения
Требования к свойствам металлических материалов - по
ГОСТ Р 59309. Эти свойства следует сравнивать с требованиями для каждого конкретного случая применения, с учетом критических режимов разрушения.
7.2.3.2 Каркас
7.2.3.2.1 Для каркасного слоя обычно используют следующие материалы:
a) углеродистую сталь;
b) ферритную нержавеющую сталь (AISI 409 и AISI 430);
c) аустенитную нержавеющую сталь (AISI 304, AISI 304L, AISI 316 и AISI 316L);
d) высоколегированную нержавеющую сталь (Duplex UNS S31803);
e) сплавы на никелевой основе (например, N08825).
7.2.3.2.2 Выбор материала для каркаса зависит от состава внутреннего флюида и предполагаемых условий использования гибкой трубы.
7.2.3.2.3 Материал для каркаса выбирают с учетом транспортируемого флюида (углеродистая сталь используется для некоррозионной окружающей среды, а высоколегированная нержавеющая сталь - в высококоррозионных условиях эксплуатации). Как правило, применяют аустенитные стали 304L и 316L. Высокое содержание молибдена (от 2,7% до 3,0% по массе) может быть применено для материала AISI 316L с целью улучшения противокоррозионных свойств.
7.2.3.2.4 При выборе материала для каркаса основными рассматриваемыми параметрами являются температура флюида, содержание CO
2, H
2S, хлоридов и кислорода. Другие параметры, которые следует рассмотреть, это pH, содержание воды, свободной серы и ртути во внутреннем флюиде. Материал каркаса, эксплуатируемый в условиях кислой среды, должен быть устойчив к воздействию HIC и SSC в соответствии с
ГОСТ Р 53679.
7.2.3.2.5 Если транспортируемый флюид насыщен кислородом (воздухом) (например, при нагнетании морской воды) и необходим каркас, допускается рассмотреть возможность использования для каркаса неметаллических материалов (например, полимеров, композитных материалов). Однако необходимо предусмотреть валидацию неопробованной технологии проведением испытаний.
7.2.3.2.6 Применяемый флюид для гидравлического испытания не должен влиять на свойства материала каркаса гибкой трубы. Для каркаса из углеродистой стали следует удалить из воды, используемой для гидравлического испытания, растворенный кислород, даже из питьевой воды. Кроме того, может быть необходимым рассмотрение использования биоцида и, для особенно агрессивной среды, ингибитора коррозии.
7.2.3.3 Армирующие слои, обеспечивающие стойкость к давлению и работающие на растяжение.
7.2.3.3.1 Типовым материалом, используемым для армирующих слоев, обеспечивающих стойкость к давлению и работающих на растяжение, является углеродистая сталь с содержанием углерода в зависимости от проектных требований. Сталь с высоким содержанием углерода используют там, где необходима высокая прочность и позволяют условия окружающей среды. Для эксплуатации в кислой среде сталь также может подвергаться термообработке (закаленная и отпущенная сталь).
7.2.3.3.2 Химический состав стальных материалов для армирования, обеспечивающего стойкость к давлению и работающего на растяжение, следует рассматривать для подтверждения пригодности к конкретным условиям применения. В технических условиях изготовителя материала необходимо определять предельное содержание компонентов и различия между применением в некислой и кислой средах. Для некоторых условий применения следует также рассматривать минимизацию содержания марганца и выполнение обработки плавки кальцием.
7.2.3.3.3 Свариваемость проволоки определяют проведением испытаний с определением и документальным оформлением приемочных критериев. В случаях, если после сварки не выполняется термообработка, для оценки свариваемости материала указывают максимальное эквивалентное содержание углерода. Максимальный углеродный эквивалент CE, выраженный в массовых процентах, определяют по уравнению (или аналогичным)

(1)
7.2.4 Концевые фитинги
7.2.4.1 Для первичных металлических компонентов концевых фитингов, как правило, используется сталь AISI 4130 или легированная нержавеющая сталь (Duplex или 6Mo). На концевых фитингах обычно используются следующие коррозионно-стойкие покрытия:
a) электролитическое никелирование, толщиной не менее 75 мкм;
b) наплавки из никель-хромового сплава Inconel 625 (UNS N 06625), толщиной не менее 3 мм;
c) системы эпоксидных покрытий;
d) фторполимерные покрытия.
7.2.4.2 Выбор материала и противокоррозионного покрытия для концевых фитингов зависит от условий применения, в частности, от условий внутренней и внешней среды. Следует предусмотреть, чтобы материалы и покрытия концевых фитингов соответствовали требованиям
ГОСТ Р 59309.
7.3 Материалы для трубы многослойной структуры со связующими слоями
7.3.1 Общие сведения
7.3.1.1 В
7.3 в общих случаях определены материалы, как правило, используемые в производстве гибких труб многослойной структуры со связующими слоями, и эксплуатационные характеристики этих материалов, такие как диапазоны допустимых температур и совместимость с флюидами. Эластомерные материалы идентифицируются через их первичный эластомерный компонент, например NBR. При этом определяется только первичный компонент, и каждая компания использует фирменные составы или смеси, рецептура которых обычно не передается другим сторонам.
7.3.1.2 Приведенные для различных материалов характеристики могут не соответствовать заданным условиям применения, поскольку применимость конкретного материала определяется несколькими факторами, включая состав транспортируемого флюида, температуру, давление, состав смеси и изменение параметров на протяжении срока эксплуатации по
ГОСТ Р 59306. Поэтому заказчику следует указать изготовителю проектные и эксплуатационные значения всех соответствующих параметров по
ГОСТ Р 59306.
7.3.1.3 Материалы и их свойства следует рассматривать относительно возможных режимов разрушения, чтобы определить ключевые требования к материалу каждого слоя трубы.
7.3.2 Эластомерные полимерные материалы
7.3.2.1 В
таблице 16 приведены эластомерные материалы, как правило, используемые в гибких трубах многослойной структуры со связующими слоями. Эластомерные материалы составляют примерно 40% - 65% окончательной смеси компаунда с остальными наполнителями, к которым относятся углеродная сажа, антиоксиданты, катализаторы, пластификаторы и отверждающие вещества. Конечные свойства заполнителя зависят от окончательной смеси всех веществ. Например, более высокое содержание углеродной сажи в смеси компаунда определяет более низкое электрическое сопротивление в дополнение к обычно более высокой прочности на разрыв (несмотря на то, что структура и размер частиц углеродной сажи также играют значительную роль). NBR широко используется как материал внутреннего слоя, поскольку обладает низкой проницаемостью для газов, таких как N
2 и O
2. Однако сам NBR зависит от процентного содержания акрилонитрита в эластомере. Оно обычно составляет от 17% до 50%. Чем выше содержание акрилонитрита в NBR, тем выше термостойкость и нефтестойкость и ниже эластичность материала при низкой температуре.
Таблица 16
Типовые эластомерные материалы для использования
в гибких трубах многослойной структуры со связующими слоями
Применение | Материал |
Внутренний слой | NBR, HNBR, CR, NR, EPDM |
Покрытие | CR, CPE |
Заполнитель | Различные |
Изоляция | PVC, PE, пенопласт с закрытыми порами, стекловолокно |
CPE является типичным эластомером для покрытий труб многослойной структуры со связующими слоями. Его характеристики обеспечивают его применимость для относительно высокоабразивных условий окружающей среды, где он может подвергаться воздействию морской воды и озона.
Типовые свойства (диапазон рабочих температур, совместимость с флюидом и проницаемость для флюида) для основных эластомерных материалов приведены в
7.3.2.2 - 7.3.2.4. Поскольку любой материал заполнителя изготовлен из эластомерного материала и нескольких других материалов, свойства изменяются в зависимости от типа смеси. Кроме того, для большинства условий применения свойства/характеристики эластомерных материалов взаимозависимы. Например, допустимая максимальная рабочая температура может зависеть от транспортируемого флюида.
7.3.2.2 Температура и совместимость эластомеров с флюидом
В
таблице 17 приведены температурные пределы и совместимость с флюидом для термоусадочных эластомеров, используемых для внутренней оболочки в гибких трубах многослойной структуры со связующими слоями.
Таблица 17
Температура и совместимость термоусадочных эластомеров
с флюидом эластомеров
Эластомер | Температура хрупкости, °C | Максимальная рабочая температура при продолжительной работе, °C | Комментарии |
NBR | от -20 до +40 | 125 | Свойства зависят от содержания акрилонитрила. Отличная стойкость к углеводородам. Очень хорошая прочность на разрыв и динамические свойства. Хорошая непроницаемость и термостойкость. Низкая стойкость к погодным условиям и озону |
HNBR | от -40 до +50 | 150 | Хорошая стойкость к углеводородам. Очень хорошая прочность на разрыв и динамические свойства. Хорошая непроницаемость и очень хорошая стойкость к погодным условиям и озону |
CR | от -30 до +40 | 100 | Умеренная стойкость к углеводородам. Хорошая прочность на разрыв и умеренные динамические свойства. Хорошая непроницаемость и термостойкость. Очень хорошая стойкость к погодным условиям и озону |
Примечание - Данная таблица показывает только общие пределы и может быть неприменима к конкретным условиям. Диапазон температур для каждого материала также зависит от состава транспортируемого флюида. Например, максимальная рабочая температура для NBR может быть снижена до 20 °C, если транспортируемый флюид имеет относительно высокое содержание ароматических углеводородов. |
7.3.2.3 Совместимость с флюидом
В
таблице 17 приведены типовые характеристики совместимости с флюидом для эластомерных материалов, используемых в гибких трубах многослойной структуры со связующими слоями.
Примечание - Совместимость с флюидом в значительной степени зависит от температуры.
7.3.2.4.1 При выборе материала эластомерных слоев необходимо учитывать воздействие газа, если гибкая труба многослойной структуры со связующими слоями используется для транспортировки флюида, содержащего газ. Основная проблема связана со стойкостью к вспучиванию и продолжающемуся отверждению внутреннего слоя трубы и остального материала тела трубы. Обычно эластомерные материалы более чувствительны к вспучиванию, чем термопластичные материалы, используемые в трубах многослойной структуры без связующих слоев. Это связано с относительно более высокой газопроницаемостью и меньшим сопротивлением разрыву эластомерных материалов относительно термопластичных материалов. При производстве это компенсируется тем, что гибкие трубы многослойной структуры со связующими слоями, изготовленные из эластомерных материалов, имеют внутренний стальной каркас из спирально намотанной ленты, и поэтому внутренний слой не так восприимчив к вспучиванию, как показывают результаты лабораторных испытаний самого эластомера. При использовании в условиях эксплуатации тело трубы многослойной структуры со связующими слоями под воздействием H2S может подвергаться непрерывному отверждению, поскольку сера является связующим реагентом для многих эластомеров. Это может привести к снижению локальной гибкости и повышению общей жесткости райзера.
7.3.2.4.2 Интенсивность проникновения газа через эластомерный материал зависит от многих факторов, включая внутреннее и внешнее давление, площадь поверхности, толщину внутреннего слоя и коэффициент проницаемости. Основной проблемой для рассмотрения в связи с проникновением газа является предрасположенность к вспучиванию при быстром сбросе давления, вероятность проникновения компонентов транспортируемого флюида через тело трубы и их воздействие на эластомерные и стальные армирующие слои.
7.3.3 Металлические материалы
7.3.3.1 Требования к свойствам металлических материалов приведены в
ГОСТ Р 59306. Эти свойства следует сравнивать с требованиями для каждого конкретного случая применения с учетом критических режимов разрушения, определенных в
14.3.
7.3.3.2 Для каркасного слоя обычно используют следующие материалы:
a) углеродистую сталь;
b) ферритную нержавеющую сталь (AISI 409 и AISI 430);
c) аустенитную нержавеющую сталь (AISI 304, AISI 304L, AISI 316, AISI 316L);
d) высоколегированную нержавеющую сталь (например, Duplex UNS S31803);
e) сплавы на никелевой основе (например, N08825).
7.3.3.3 Выбор материала для каркаса зависит от состава внутреннего флюида и предполагаемых условий использования гибкой трубы.
7.3.3.4 Как правило, используются такие материалы, как аустенитные стали 304L и 316L. Высокое содержание молибдена (от 2,7% до 3,0% по массе) может быть указано для материала AISI 316L, чтобы улучшить его противокоррозионные характеристики.
7.3.3.5 При выборе материала для каркаса основными рассматриваемыми параметрами являются температура флюида, содержание CO
2, H
2S, хлоридов и кислорода. Другие параметры, которые следует рассмотреть, - это pH, содержание воды, свободной серы и ртути во внутреннем флюиде. При эксплуатации в условиях кислой среды важно предусмотреть соответствие материала каркаса требованиям
ГОСТ Р 53679.
7.3.3.6 Если транспортируемый флюид насыщен кислородом (воздухом), например при нагнетании морской воды, и необходим каркас, допускается рассмотреть возможность использования для каркаса неметаллических материалов (например, полимеров, композитных материалов). Однако необходимо предусмотреть валидацию неопробованной технологии проведением испытаний.
7.3.3.7 Следует предусмотреть, чтобы флюид гидравлического испытания был безвредным для материала каркаса. Как минимум, для каркаса из углеродистой стали следует удалить из воды, используемой для гидростатического испытания, растворенный кислород, даже из питьевой воды. Кроме того, может быть необходимым рассмотрение использования биоцида и, для особенно агрессивной среды, ингибитора коррозии.
7.3.3.8 Типовым материалом для корда первичных армирующих слоев является углеродистая сталь. Для высокопрочного корда используют сталь с высоким содержанием углерода.
7.3.3.9 Химический состав стальных материалов для армирующих слоев следует рассматривать для подтверждения пригодности для конкретных условий применения.
7.3.3.10 В технических условиях изготовителя материала определяют предельное содержание следующих элементов: углерода, марганца, фосфора, серы, кремния и меди. Для некоторых условий применения следует также рассматривать минимизацию содержания марганца и выполнение обработки плавки кальцием.
7.3.4 Концевые фитинги
7.3.4.1 Для первичных металлических компонентов концевых фитингов обычно используется сталь AISI 4130 или легированная нержавеющая сталь (например, duplex или 6Mo). На концевых фитингах обычно используются следующие коррозионно-стойкие покрытия:
a) электролитическое никелирование, толщиной не менее 75 мкм;
b) наплавки из никель-хромового сплава Inconel 625 (UNS N 06625), толщиной не менее 3 мм;
c) системы эпоксидных покрытий;
d) фторполимерные покрытия;
e) цинковые покрытия.
7.3.4.2 Выбор материала и противокоррозионного покрытия для концевых фитингов зависит от условий применения, в частности, от условий внутренней и внешней среды. Следует предусмотреть, чтобы материалы и покрытия концевых фитингов соответствовали требованиям
ГОСТ Р 59306.
7.4 Альтернативные материалы
7.4.1 Алюминий
7.4.1.1 В некоторых конструкционных слоях гибкой трубы, включая каркас, армирование, обеспечивающее стойкость к давлению и работающее на растяжение вместо стали, могут использоваться алюминиевые материалы. Основным преимуществом алюминия является то, что по сравнению со сталью он обеспечивает снижение массы от 30% до 60% при аналогичных прочностных характеристиках.
7.4.1.2 Должны учитываться коррозионные свойства алюминиевых материалов, а также стойкость к износу, стойкость к SSC и HIC, усталость и свариваемость.
7.4.2 Композитные материалы
7.4.2.1 Композитная армирующая проволока, работающая на растяжение, может использоваться в качестве замены стальной армирующей проволоки в трубах многослойной структуры без связующих слоев. Композитная армирующая проволока может иметь толщину от 1 до 2 мм со спиральной намоткой в несколько слоев, эквивалентную стальному слою. В качестве альтернативы она может быть такой же толщины, что и эквивалентная стальная армирующая проволока до 8 мм.
7.4.2.2 Композитные материалы предлагают целый ряд полезных свойств для армирующей проволоки на растяжение, по сравнению со стальными, включая следующие:
- высокое отношение прочность - масса;
- хорошее сопротивление усталости (нечувствительны к надрезу);
- хорошие ударную вязкость и жесткость (в зависимости от материала);
- невосприимчивость к коррозии и деструкции под действием большинства нефтепромысловых химических реагентов и морской воды;
- высокую жесткость или модуль (в одном направлении).
7.4.2.3 Основным потенциалом для использования гибких труб многослойной структуры с армированием на растяжение из композитных материалов является их использование в глубоководных условиях, где снижение массы может быть существенным по сравнению с трубами со стальным армированием на растяжение (плотность композитных материалов составляет примерно 25% от плотности стали). Кроме того, существует возможность использования композитных материалов в условиях высокого давления и кислой среды. Определение срока эксплуатации в условиях развивающихся технологий композитных материалов в настоящее время ограничивает их использование.
7.4.2.4 Армирующие волокна, используемые в композитных материалах, включают стекловолокно, углеродные и арамидные волокна. Композитные материалы с использованием стекловолокна более экономичны, чем при использовании углеродных волокон. Однако материал с углеродными волокнами обладает лучшими прочностными свойствами и характеристиками. В композитных материалах со стекловолокном и углеродным волокном армирующие волокна ориентированы параллельно продольной оси проволоки. Используемый материал содержит эпоксидные смолы, смолы сложных виниловых эфиров и термопластичные полимеры.
7.4.2.5 Следует рассмотреть потенциальные проблемы износа между армирующими слоями и между отдельными армирующими проволоками, которые подвергаются относительному смещению и высокому контактному давлению.
7.4.2.6 Следует оценить влияние повреждений на эксплуатационные характеристики композитной проволоки. Необходимо идентифицировать и изучить механизмы разрушения.
7.4.2.7 Эффективное закрепление композитных материалов в концевом фитинге трубы следует подтвердить соответствующими испытаниями. Следует тщательно оценить технологии соединения отдельных композитных проволок.
7.4.2.8 Для оценки влияния флюидов, проникающих в композитные материалы, проводят экспериментальные исследования. Следует исследовать чувствительность стекловолоконных композитных материалов к коррозионному растрескиванию под напряжением в морской воде. Важно определить возможность гальванической коррозии композитных материалов с углеродными волокнами. Использование стекловолоконных композитных материалов в воде при высокой температуре ограничено, и его необходимо верифицировать путем проведения испытаний.
7.4.2.9 Следует определять структуру композитного материала после воздействия соответствующих нагрузок и условий окружающей среды путем сканирующей электронной микроскопии, которая может использоваться для обнаружения микротрещин и расслоений.
7.4.2.10 Как правило, композитная проволока проходит предварительное формование во время изготовления, а не во время наматывания на трубу. Этот процесс может приводить к снижению эксплуатационных свойств в сравнении со свойствами неформованной проволоки, что следует проверить испытаниями. Если композитная проволока предварительно не сформирована, то при ее наматывании на трубу возникают изгибающие напряжения. Снижение эксплуатационных характеристик оценивают путем проведения анализа и испытаний этих дополнительных изгибающих напряжений.
7.4.2.11 Композитные материалы необходимо квалифицировать на заключительном этапе обработки путем испытаний при условиях, соответствующих фактическим условиям эксплуатации. Изготовителю и заказчику следует согласовать процедуру испытаний с учетом применимых международных стандартов. Для композитных материалов, используемых в производстве гибких труб, определяют следующие свойства и характеристики:
- прочность на разрыв и удлинение;
- модуль упругости;
- плотность;
- усталостные свойства, включая предел выносливости (усталость при растяжении, изгибе и фреттинг-коррозии);
- характеристики ползучести;
- сопротивление разрушению;
- характеристики старения (снижение свойств материала с течением времени);
- микробную (бактериальную) деструкцию;
- коэффициент Пуассона;
- сопротивление износу и абразивную стойкость;
- химическую стойкость (к ингибиторам коррозии и т.п.).
7.4.3 Арамидные волокна
7.4.3.1 Возможным альтернативным материалом для гибких труб являются синтетические волокна, такие как арамидное волокно. Такое волокно может использоваться вместо стальных армирующих слоев, обеспечивая значительное уменьшение массы и потенциальное улучшение эксплуатационных характеристик при эксплуатации в кислой среде. Кроме того, арамидные волокна обладают следующими, полезными для гибких труб, характеристиками:
- отсутствием коррозии;
- хорошей химической стойкостью к пластовому флюиду;
- хорошими усталостными свойствами;
- хорошими свойствами ползучести;
- низкой чувствительностью к температуре.
7.4.3.2 Использование арамидных волокон может рассматриваться в следующих областях:
- временной и температурной зависимости механических свойств;
- заделках концевых фитингов;
- характеристиках старения (чувствительность к UV);
- анизотропном поведении;
- требованиях к гибкости при статическом и динамическом изгибе;
- чувствительности к надрезу;
- стойкости к растрескиванию под напряжением при воздействии окружающей среды.
7.5 Процедуры испытания полимеров/эластомеров
7.5.1 Совместимость с флюидом
7.5.1.2 Лабораторные испытания образцов экструдированного полимера или образцов каландрированного или экструдированного эластомера могут проводиться для определения общей несовместимости. Испытания следует проводить в проектных условиях с учетом следующих рекомендаций:
- флюид, используемый при проведении испытаний, содержит компоненты проектного внутреннего флюида, которые, возможно, оказывают неблагоприятное влияние на полимер, в частности, морская вода, пластовый флюид, H2S, CO2 и закачиваемые химические реагенты, кроме того, необходимо обеспечить, чтобы pH флюида соответствовал проектным условиям;
- максимальная рабочая температура;
- атмосферное давление для жидкости и проектное или более высокое давление для газов;
- отсутствие воздействий, при этом если существует вероятность растрескивания под напряжением, то выполняют испытания с превышением допустимых деформаций;
- минимальное время воздействия 300 ч для ускоренного испытания (при повышенной температуре);
- следует использовать образец, толщина которого составляет минимум 3 мм, длину образца определяют в соответствии с испытательным оборудованием и удерживают образец погруженным во все фазы, если испытательный флюид многофазный;
- критические параметры и критерии приемки следует устанавливать на базе оцениваемого полимера/эластомера и конкретных условий применения; при оценке/измерении учитывают параметры прочности на разрыв, удлинение, внешний вид, абсорбцию (приращение массы) и десорбцию (потеря массы).
Испытания в течение 2000 ч при рабочей температуре дают представление о возможных проблемах принципиальной совместимости, но могут быть недостаточны для квалификации термопластичного материала на необходимый срок службы 20 лет или более.
7.5.1.3 Сера может освобождаться из H2S при реакции со стальными компонентами или эластомерными материалами в трубах многослойной структуры со связующими слоями и вызывать процесс образования поперечных связей и затвердевание. Следует оценивать влияние освобождающейся серы на металлические и эластомерные компоненты.
7.5.2 Испытание на старение
7.5.2.1 Старение полимера/эластомера гибких трубопроводов зависит от транспортируемого продукта, температуры, давления и внешних условий, таких как излучение UV. Процесс старения характеризуется изменением свойств, что проявляется как снижение прочности или вязкости и охрупчивание или размягчение. Кроме того, физические свойства полимера/эластомера могут существенно меняться в результате миграции пластификатора.
7.5.2.2 Целью выполнения испытаний на старение является разработка приемлемого прогноза старения и модели мониторинга, которые могут включать графики Аррениуса. Они представляют срок эксплуатации материала как функцию, обратную температуре, представленную на линейно-логарифмической шкале. Некоторые материалы (например, PA-11) были признаны более пригодными для построения графика Аррениуса, чем другие материалы (например, PVDF). Графики Аррениуса полезны при экстраполяции ускоренных испытаний на старение при высоких температурах на более низкие температуры и более длительное время. Это особенно относится к случаям, когда механизм старения не изменяется или рассматривается любой вид перехода фаз за пределами диапазона температур.
7.5.2.3 С помощью графика Аррениуса определяют механизм экспоненциальной деструкции для критического времени воздействия tcrit при заданном значении температуры T

(2)
где A - экспоненциальный коэффициент;
e - математическая постоянная, число Непера (или число Эйлера), равное 2,7182;
Ea - постоянная, отражающая энергию активации химического процесса деструкции нижележащего слоя, Дж/моль;
T - температура, К;
R - универсальная газовая постоянная.
7.5.2.4 Критерии старения следует устанавливать до начала испытаний. Критерии старения следует основывать на измеряемых эксплуатационных характеристиках в конце срока службы трубы.
7.5.2.5 На
рисунке 20 показан график ожидаемого срока службы PA-11 под воздействием углеводорода/воды. График построен на основе данных, измеренных при температуре выше 100 °C и экстраполированных до диапазона температур в условиях применения. В динамических условиях применения трубы для оценки старения PA-11 использовалась температура потока флюида. В некоторых статических условиях применения, где не ожидается, что труба будет подвергаться существенным знакопеременным деформациям, используется средняя температура внутренней оболочки, работающей под давлением, с учетом радиального распределения температуры.
X - температура в градусах Цельсия; Y - срок эксплуатации
в годах;

- углеводород, насыщенный водой;

- углеводород, не насыщенный водой
Рисунок
20 - Срок эксплуатации PA-11 под воздействием
углеводорода/воды относительно температуры
(экстраполированные данные для pH, равного 7)
7.5.2.6 Процесс старения PA-11 в большой степени зависит от содержания воды и pH транспортируемого флюида. На
рисунке 20 показаны два графика, один для углеводорода, насыщенного водой, и другой для углеводорода, не насыщенного водой. Современный опыт показывает, что старение при воздействии углеводорода/воды выше точки насыщения очень похоже на график "насыщенности", и поэтому этот график может использоваться для всех значений обводненности, которых достигает насыщение углеводорода в условиях добычи. Аналогично график "ненасыщенности" может использоваться для значений обводненности, которые не достигают насыщения в условиях добычи. Предполагалось, что переход может происходить примерно при 80% насыщения.
7.5.2.7 Если температура транспортируемого флюида постоянна на протяжении всего срока эксплуатации трубы, расчетный срок эксплуатации можно определить напрямую из
рисунка 20. Деструкцию на протяжении общего срока эксплуатации для разных температур и значений обводненности следует рассчитывать путем интеграции периодов воздействия при разных температурах и значениях обводненности.
7.5.2.8 Этот подход к накопленному повреждению по Палмгрену-Майнеру (Palmgren-Miner) предполагает консервативную оценку проектного срока эксплуатации.
7.5.3 Испытание эпоксидного материала на сопротивление сдвигу
7.5.3.1 Испытание эпоксидного материала на сопротивление сдвигу рассматривается в качестве альтернативы испытанию на сжатие
ГОСТ 4651 при определении устойчивости к сдвигу эпоксидных смол, используемых для закрепления армирующего корда в некоторых концевых фитингах труб многослойной структуры со связующими слоями.
7.5.3.2 ГОСТ Р 59306 содержит общие требования к выполнению испытаний эпоксидных материалов на сопротивление сдвигу.
7.5.3.3 Испытание эпоксидных материалов на сопротивление сдвигу включает испытание образцов отвердевшей эпоксидной смолы путем сдвига образца при разных температурах, при этом определяется устойчивость материала к сдвигу в зависимости от температуры. Испытания следует проводить в рабочих условиях с соблюдением следующих рекомендаций:
- выбирают размер образца с учетом испытательного оборудования и проводят испытания как минимум для трех образцов при каждом значении температуры;
- образец испытывают как при минимальной, так и при максимальной рабочей температуре и в достаточно узком диапазоне температур между ними, необходимом, чтобы определить для материала соотношение "сопротивление сдвигу/температура";
- обеспечивают, чтобы образцы отливались и затвердевали в таких же условиях температуры и влажности, в каких в основном будет заливаться концевой фитинг;
- эпоксидную смолу смешивают в соответствии с техническими условиями изготовителя и медленно заливают в подготовленную форму, чтобы не допустить образования воздушных пузырьков;
- образцы эпоксидных материалов отбирают из партии, используемой для заполнения концевого фитинга, если испытания на сопротивление сдвигу необходимы как часть процесса обеспечения качества при изготовлении трубы.
7.6 Требования к испытаниям металлических материалов
7.6.1 Общие положения
В
7.6.2 - 7.6.6 рассматриваются требования к определительным испытаниям для металлических материалов гибких труб и приводятся рекомендации по проведению испытаний и интерпретации результатов, которые дополняют требования ГОСТ Р 59309 и ГОСТ Р 59306.
7.6.2 Стойкость к SSC и HIC
7.6.2.1 Водород поступает в стальные компоненты на подверженных коррозии поверхностях во влажной среде, содержащей H2S. В зависимости от типа стали, ее микроструктуры и распределения включений, водород может вызвать увеличение внутреннего расслоения, приводящего к HIC или хрупкому разрушению, названному SSC.
- использование среды при постоянном pH между 3,5 и 3,8 для определения уровней пороговых напряжений в случае возникновения SSC;
- испытания на SSC в действующих условиях эксплуатации при напряжении образцов, равном 0,9 от фактического предела текучести образца.
7.6.2.3 Результаты этих двух испытаний используются для определения возможности применения стального материала в заданных условиях применения. При проведении таких испытаний учитывают следующее:
a) рекомендуются следующие процедуры испытаний для обоих типов испытаний на SSC, описанных выше:
1) для армирующих проволок, обеспечивающих стойкость к давлению, труб многослойной структуры без связующих слоев (включая проволоки с замковым соединением и плоские проволоки дублирующего слоя) следует проводить испытания по методу кольца, там, где это технически осуществимо, для труб диаметром менее 15,24 см; в противном случае следует проводить четырехточечное испытание на изгиб кольцевого образца,
2) для армирующих проволок, работающих на растяжение, труб многослойной структуры без связующих слоев, в зависимости от диаметра проволоки, используют четырехточечное испытание на изгиб кольцевого образца,
3) для корда армирующего слоя следует наносить покрывающий или герметизирующий состав, максимальную толщину которого следует предусмотреть не больше, чем минимальная проектная толщина герметизирующего состава в конструкции трубы;
b) испытания на SSC в действующих условиях эксплуатации могут не показать какой-либо чувствительности материала к HIC и/или HIC под напряжением, и поэтому следует выполнить процедуры контроля для обеих этих характеристик и предусмотреть выполнение таких проверок для HIC при проведении испытаний на SSC;
c) сварные образцы испытывают для квалификации технологии сварки проволок, используемых в трубах многослойной структуры без связующих слоев;
d) следует предусмотреть, чтобы процедуры испытаний обеспечивали постоянство важнейших параметров испытаний, включая уровни напряжений и деформации, pH, температуру и парциальное давление H2S;
e) считается, что материал не прошел испытания, если имеются признаки образования трещин, распознаваемые при визуальном, микроскопическом или магнитно-порошковом исследовании, за исключением вспучивания поверхности;
f) рекомендуется проводить испытания при температуре (20 +/- 3) °C, поскольку эта температура считается наиболее неблагоприятной для воздействия водорода.
7.6.2.4 Перечисленные испытания применимы к трубам, как для статических, так и для динамических условий применения. Кроме того, для динамических условий применения необходимо проводить испытания на усталость и коррозионную усталость.
7.6.3.1 В
7.6.3 рассматривается сплошная или питтинговая коррозия, которая относится к коррозии армирующей проволоки труб многослойной структуры без связующих слоев. Армирование, обеспечивающее стойкость к давлению и работающее на растяжение, не имеет прямых контактов с транспортируемым флюидом и подвергается воздействию проникающих флюидов, таких как газообразные CO
2 и H
2S, и морской воды, если нарушена целостность внешней оболочки.
7.6.3.2 Причиной сплошной коррозии в присутствии бескислородной морской воды является CO2. Такую сплошную коррозию следует принимать во внимание при выборе толщины армирующей проволоки. Коррозию от насыщенной кислородом воды в непосредственной близости от раздиров наружной оболочки контролируют системой катодной защиты. Следует предусмотреть невозможность возникновения питтинговой коррозии в проектных условиях окружающей среды и в условиях напряжений, которая может привести к тому, что коэффициент использования превысит проектные критерии или нарушит требования к сроку эксплуатации.
7.6.4 Эрозия
7.6.4.1 Вынос песка в процессе добычи может вызывать эрозию каркасного слоя гибких труб. Кроме того, песок может удалять защитные пленки на каркасе, усиливая таким образом коррозию. Поэтому следует рассчитывать эрозию и интенсивность эрозии и коррозии с учетом данных испытаний. Расчетами следует подтвердить следующее:
a) сопротивление гидростатическому смятию эродированной и корродированной трубы не ниже проектных требований для заданного срока эксплуатации;
b) прочность на растяжение эродированной и корродированной трубы не ниже проектных требований.
7.6.4.2 Интенсивность эрозии значительно выше в сильно искривленных зонах. К важнейшим параметрам, оказывающим влияние на интенсивность эрозии, относятся скорость флюида, содержание и размер выносимого песка, геометрия каркаса и стальной материал. Парциальное давление CO2 и температура флюида оказывают существенное влияние на эрозионные/коррозионные характеристики каркаса.
7.6.5 Усталостная прочность
7.6.5.1 Для динамических условий применения требуется надлежащая усталостная прочность материала стальной проволоки. При анализе на усталость (см.
9.2.4) следует показать, что все напряжения находятся ниже предела выносливости материала.
7.6.5.2 Первоочередной целью S-N-испытаний считают определение предела выносливости материала с учетом соответствующих условий окружающей среды. Допускается использовать данные предварительных испытаний в более жестких условиях. Отмечается, что снижение предела выносливости ожидается в условиях эксплуатации в кислой среде.
7.6.5.3 При испытаниях следует учитывать изменения прочности и твердости материала. Более мягкие материалы обычно показывают более низкие значения предела усталости на воздухе, но данные изменения могут происходить в коррозионных условиях среды.
7.6.5.4 Стандартные S-N-испытания для проволоки труб многослойной структуры без связующих слоев проводятся для образцов без надреза. Следует также рассматривать выполнение испытаний для образцов с надрезом или использование результатов натурных испытаний для валидации, если предполагается питтинговая коррозия, износ, сплошная коррозия или другие источники повреждений.
В результате испытаний получают график нижних значений S-N для поврежденной питтинговой коррозией или изношенной проволоки либо для проволоки с дефектами изготовления.
7.6.5.5 Рекомендуется надрез в виде 60° V, глубиной 0,2 мм и радиусом канавки 0,025 мм, который представляет типичные поверхностные дефекты, обнаруженные при натурных испытаниях в кислой среде и также представляющие наихудший случай для царапин, повреждений и коррозии, возникающих во время изготовления и эксплуатации. Надрез следует выполнить по всей окружности для образцов типа круглый стержень. Для плоской проволоки это должен быть односторонний надрез.
7.6.5.6 Для измерения напряжений, как правило, применяют тензодатчики. Частота циклических нагрузок при испытании должна соответствовать частоте циклов нагружения в условиях эксплуатации. При испытаниях допускается более высокая частота, если влияние более высокой частоты документально оформлено. Рекомендуемая максимальная частота составляет 0,5 Гц.
7.6.5.7 Для того, чтобы достоверно экстраполировать график S-N для уровней напряжений ниже предела выносливости, необходимо иметь в распоряжении достаточные данные S-N. График S-N может иметь меньший уклон для уровней напряжений ниже предела выносливости.
7.6.5.8 Пределом выносливости следует устанавливать уровень напряжений, при котором образцы выдерживают 1 x 107 циклов без видимых усталостных трещин. Напряжение предела выносливости относится только к анализу усталостной долговечности, который не включает циклы с напряжениями выше предела выносливости.
7.6.5.9 Гибкие райзеры многослойной структуры без связующих слоев обычно рассчитаны на то, что наружная оболочка никогда не повреждается (отсутствие заполнения кольцевого пространства морской водой). При анализе срока эксплуатации для динамических условий применения следует рассчитывать период времени до разрушения армирования, обеспечивающего стойкость к давлению в случае заполнения кольцевого пространства морской водой через повреждение в наружной оболочке.
7.6.6 Водородное охрупчивание
Высокопрочная сталь с катодной защитой может подвергаться водородному охрупчиванию.
ГОСТ Р 59309 определяет необходимые испытания для подтверждения удовлетворительных характеристик высокопрочных проволок с катодной защитой в трубах многослойной структуры без связующих слоев.
8 Проектирование системы гибких трубопроводов
8.1.1 Раздел 8 относится к общей системе гибких трубопроводов, а не к собственно гибкой трубе.
Раздел 8 содержит рекомендации по следующим вопросам, связанным с проектированием системы:
- общим требованиям к проектированию системы;
- требованиям к проектированию выкидных трубопроводов;
- требованиям к проектированию райзера;
- плавучим трубам;
- проектированию вспомогательного оборудования;
- системные сопряжения.
8.2 Общие требования к системе
8.2.1 Общие сведения
В
8.2.2 - 8.2.9 рассматриваются требования, общие для всех систем гибких трубопроводов.
8.2.2 Транспортируемый флюид
8.2.2.1 Скорость транспортируемого флюида имеет значение, особенно в случае присутствия в транспортируемом флюиде абразивных материалов, которые могут привести к износу внутреннего слоя трубы. Значения скорости флюидов в выкидных трубопроводах и райзерных системах зависят от перепада давления в системе и шероховатости внутренней поверхности гибких трубопроводов.
8.2.2.2 Значение шероховатости гибких трубопроводов с гладкой и негладкой внутренней поверхностью отличается из-за каркасной конструкции труб с негладкой внутренней поверхностью. Применяют следующие типовые значения эквивалентной шероховатости:
- для трубопроводов с негладкой внутренней поверхностью - ID/250 мм;
- трубопроводов с гладкой внутренней поверхностью - 0,005 мм.
8.2.2.3 При необходимости более точное значение эквивалентной шероховатости может быть определено при испытаниях.
8.2.2.4 При проектировании систем гибких трубопроводов следует рассматривать влияние изменения плотности внутреннего флюида на протяжении срока эксплуатации проекта особенно для райзерных систем, где изменение плотности флюида может изменить конфигурацию райзера. В случае двухфазного потока необходимо рассмотреть эффект вибрации, вызываемой фазовыми пробками между флюидами.
8.2.3 Защита от коррозии
8.2.3.1 Металлические компоненты гибких трубных систем, подвергающиеся воздействию коррозионных флюидов, следует предусматривать в коррозионно-стойком либо защищенном от коррозии исполнении. Защита от коррозии может быть обеспечена одним или несколькими из следующих методов:
a) покрытиями;
b) применением ингибиторов коррозии;
c) применением специальных металлических материалов или оболочек;
d) определением припусков на коррозию;
e) катодной защиты.
8.2.4 Термоизоляция
8.2.4.1 Если температура флюида внутри системы должна поддерживаться на заданном уровне, в поперечном сечении гибкой трубы могут быть добавлены термоизоляционные слои для обеспечения дополнительной термоизоляции. Следует предусмотреть совместимость используемого изоляционного материала с флюидом кольцевого пространства, действию которого возможно он будет подвергаться. Обычно при использовании таких изоляционных материалов устанавливают ограничения давления и температуры, которые необходимо учитывать в процессе их выбора.
8.2.4.2 Для обеспечения заданного коэффициента термоизоляции проект гибкой трубы может включать сопротивление передаче тепла от окружающей среды. Заглубление или размещение в траншее с последующей засыпкой обеспечивает значительное сопротивление теплопередаче и может минимизировать или исключить необходимость использования термоизоляционных слоев.
8.2.5 Вентиляция газа. Труба многослойной структуры без связующих слоев
8.2.5.1 Вентиляция позволяет газу, который проникает через внутреннюю оболочку гибкой трубы, работающую под давлением, выйти наружу и таким образом предупредить повышение давления газа в кольцевом пространстве системы гибкой трубы.
8.2.5.2 Система вентиляции газа состоит из трубок малого диаметра, соединяющих кольцевое пространство трубы с газовыпускной арматурой в концевых фитингах трубы.
8.2.6 Требования к средствам очистки и диагностирования и TFL
8.2.6.1 Заказчику при подготовке задания на проектирование следует указать, будут ли через гибкий трубопровод проходить средства очистки и диагностирования или инструмент. Если для системы гибких трубопроводов необходимо использование средств внутритрубной очистки и диагностирования, рекомендуется предусмотреть использование обводных линий (параллельных труб) или подводных камер приема внутритрубного снаряда, которое может оказать влияние на конструкцию системы гибких трубопроводов.
8.2.6.2 Для труб с гладким проходным каналом допускается использовать поролоновые или PU внутритрубные средства очистки. Для труб с негладким проходным каналом могут использоваться щеточные средства очистки и диагностирования, поролоновые или PU внутритрубные снаряды. Внутритрубные снаряды скребки не применяют для гибких трубопроводов.
8.2.6.3 Гибкие трубы, предусматривающие работу с TFL, следует изготавливать с внутренним слоем, который не препятствует прохождению инструментов TFL или не подвергается при этом существенным повреждениям. Для работы с TFL труба должна соответствовать требованиям
ГОСТ Р 59299.
8.2.7 Огнестойкость
ГОСТ Р 59309 и
ГОСТ Р 59306 приводят ряд положений для рассмотрения вопросов огнестойкости гибкой трубы. Для оценки огнестойкости гибкой трубы целесообразно проводить испытания. Огнестойкость может быть обеспечена за счет нанесения изолирующего защитного покрытия поверх наружной оболочки трубы. Также отдельно рассматривают воздействие огня на сопряжение трубы с концевым фитингом.
8.2.8 Связки трубопроводов
8.2.8.1 Гибкую трубу необходимо надлежащим образом защитить от задиров тела трубы и металлических компонентов и от потенциальной передачи высокой температуры от стальных компонентов к гибкой трубе, если гибкая труба закреплена на стальном трубопроводе или другой стальной конструкции.
8.2.8.2 Там, где на гибкой трубе закрепляется шлангокабель или трубопровод меньшего диаметра, систему связки следует проектировать с учетом следующего:
- гидродинамического взаимодействия, включая экранирование, затвердевание, гидроупругие вибрации, подъем и обрастание морскими организмами;
- относительных перемещений трубопроводов;
- относительных изменений длины двух трубопроводов (в частности, за счет разных коэффициентов расширения гибких и стальных трубопроводов);
- нагрузок от креплений;
- нагрузок и износа гибкой трубы;
- ползучести и долговременной деструкции материалов трубы и крепления;
- изменения геометрии поперечного сечения трубы под действием внутреннего давления, напряжения, внешнего давления, изгиба и кручения.
8.2.9 Конструкция соединителя
8.2.9.1 Следует предусмотреть совместимость материала, из которого должны изготавливаться соединители, с материалами гибкой трубы и любых сопряжений трубопроводов верхнего строения и подводных трубопроводов.
8.2.9.2 Если конструкция соединителя предусматривает функции освобождения, до начала изготовления необходимо определить и детально проработать основные принципы закрытия.
8.2.9.3 Проект системы и усталостные нагрузки следует четко определить до начала проектирования соединителя. Любая незащищенная от внешних воздействий арматура, открытая или закрытая, должна быть в состоянии выдерживать давления испытания гибкой трубы на прочность или на герметичность, если оно выполняется через соединитель.
8.3 Требования к проектированию выкидных трубопроводов
8.3.1 Подводные и надводные трассы гибких трубопроводов
8.3.1.1 Трассы гибких трубопроводов следует выбирать с учетом вероятности и последствий всех видов повреждений трубы. Важно учитывать следующие факторы:
- монтаж;
- схемы и условия маршрутов на морском дне и на поверхности;
- укладку в траншею или засыпку породой (если применимо);
- размещение поверх установленного оборудования или трубопроводов;
- изменение внутреннего диаметра трубы;
- точность расположения конструкций;
- точность позиционирования судна-трубоукладчика;
- конфигурацию в натянутом состоянии;
- движение судов;
- рыбохозяйственную деятельность;
- морские работы;
- коррозионное воздействие окружающей среды;
- спуск на воду спасательных шлюпок;
- якорную систему и систему швартовки других установок и судов.
8.3.1.2 Трассы прокладки гибких трубопроводов следует выбирать таким образом, чтобы
- минимизировать необходимость подготовки морского дна;
- минимизировать пересечения труб;
- обеспечить пространство для отдельной траншеи, если необходимо;
- минимизировать длину трубы.
8.3.1.3 Трассы прокладки выкидных трубопроводов определяют на ранних стадиях проектирования на основании схемы расположения подводного оборудования (расположения устьев скважин, манифольдов и т.п.).
8.3.2 Защита
8.3.2.1 Необходимо предусматривать защиту трубы от повреждений, вызываемых различными объектами, такими как рыбопромысловое оборудование, якорные системы и системы швартовых тросов, и требования к ней определять и согласовывать между заказчиком и изготовителем.
8.3.2.2 Ударную энергию и геометрию объектов следует указывать в исходных данных для проектирования. Ударные нагрузки квалифицируют для применения как в нормальных, так и в аномальных условиях эксплуатации по результатам анализа условий обеспечения безопасности. Для оборудования, работающего под давлением, устанавливают следующие требования:
- при нормальных условиях эксплуатации не допускают необратимых деформаций;
- при аварийных условиях эксплуатации не допускают утечек.
8.3.2.3 При технической и экономической оценке рекомендуемого метода защиты следует рассматривать следующее:
- условия морского дна или грунта;
- монтаж трубы и защитных сооружений;
- расширение трубы под действием температуры и давления;
- изгиб как результат обратного выгиба;
- контроль и техническое обслуживание;
- извлечение трубы.
8.3.3 Устойчивость после установки на дно
8.3.3.1 Общие сведения
Устойчивость секции выкидного трубопровода после размещения на морском дне или грунте напрямую связана с ее весом (в погруженном состоянии), силами воздействия окружающей среды и сопротивлением, создаваемым грунтом. В оценке устойчивости следует показать, что вес (в погруженном состоянии) незаглубленного выкидного трубопровода достаточен для удовлетворения необходимых критериев устойчивости. Устойчивость трубопровода необходимо учитывать как для условий монтажа, так и для условий эксплуатации. Следует оценивать плавучесть и погружения гибкого трубопровода при критических параметрах внутреннего флюида. При выполнении оценки устойчивости рассматривают следующие проблемы:
- боковое смещение от установленного положения в результате расширения, оседания или гидродинамических эффектов;
- геометрические ограничения окружающей системы;
- расстояние до других труб, конструкций или препятствий;
- плотность внутреннего флюида и ее изменение в ходе эксплуатации;
- натяжение трубопровода, искривленность и кручение;
- взаимодействие с боковой потерей устойчивости в результате воздействия осевых усилий;
- усталостное разрушение;
- износ или старение наружной оболочки;
- повреждение протекторных анодов;
- нагрузку на концевые соединения.
Следует подтвердить пригодность оснований с учетом абразивного износа покрытия трубы и повреждений от выступов, если необходимо использовать их для обеспечения устойчивости. Если предусматривается подсыпка породы, следует предусмотреть использование горной породы такой формы и размеров, которые не повреждают трубу во время прокладывания.
8.3.3.2 Методы анализа
Допускается использовать следующие методы анализа устойчивости:
- динамический анализ, включающий полное динамическое моделирование трубопровода на дне моря и моделирование сопротивления грунта, гидродинамических усилий, граничных условий и динамического отклика;
- обобщенный анализ устойчивости, основанный на совокупности безразмерных графиков устойчивости, построенных на серии прогонов модели динамического отклика;
- упрощенный анализ устойчивости, основанный на псевдостатическом балансе сил, воздействующих на трубу.
8.3.3.3 Критерии устойчивости
Критерии устойчивости определяются проектировщиком системы гибких трубопроводов.
8.3.4.1 Общие сведения
8.3.4.1.1 Гибкая труба, уложенная в траншею, может быть восприимчива к обратному выгибу от продольного расширения выкидного трубопровода, вызванного нагрузками от внутреннего давления и температуры. Внутреннее давление является главным фактором, приводящим к возникновению обратного выгиба гибкой трубы.
8.3.4.1.2 Оптимальное значение угла свивки слоев в целях исключения продольного расширения трубы должно составлять 55°.
8.3.4.1.3 Гибкий выкидной трубопровод может допускать потерю устойчивости при условии, что не нарушаются критерии проектирования, приведенные в
8.3.4.4. Возможность обратного выгиба можно оценить с использованием аналитических или экспериментальных методов. К параметрам, которые оказывают влияние на возникновение обратного выгиба гибкого выкидного трубопровода и которые следует рассматривать при любом исследовании обратного выгиба, относятся следующие:
- распределение рабочего давления и температуры в выкидном трубопроводе, включая условия гидравлического испытания;
- вертикальные отклонения от основного положения трубопровода;
- изменения противодействия выпучиванию грунта вдоль трубопровода, такие как изменение высоты и состояния слоя покрывающего грунта, продольное трение грунта, жесткость грунта на кручение, и их влияние на сопротивление изгибу трубы;
- стойкость к выпучиванию в зависимости от подъемного смещения трубы;
- характеристики жесткости поперечного сечения трубы в зависимости от давления и температуры; в частности, осевая жесткость на сжатие и жесткость трубы на изгиб;
- ослабление, с течением времени, начального предварительного напряжения натяжения свивки трубы.
8.3.4.2 Методы предупреждения
8.3.4.2.1 К мерам для предупреждения или ограничения развития обратного выгиба относятся следующие:
- заглубление трубы в траншее;
- засыпка породой;
- широкая и открытая траншея, позволяющая горизонтальные перемещения;
- укладка трубы с внутренним давлением для обеспечения предварительного натяжение трубопровода до заглубления;
- оптимизация угла свивки армирования, работающего на растяжение.
8.3.4.2.2 Целесообразным путем предварительного натяжения гибкого трубопровода является закрепление трубы (например, подсыпкой породы), когда она испытывает осевое расширение под действием внутреннего давления. При оценке окончательного эффективного предварительного натяжения в трубопроводе, учитывают следующее:
- нагрузки от остаточного осевого сжатия из-за сопротивления трению между трубой и морским дном;
- ослабление нагрузок предварительного натяжения в результате возможного распрямления образовавшихся петель (боковой потери устойчивости);
- ползучесть материала трубы с течением времени.
8.3.4.3 Методы анализа
8.3.4.3.1 Для анализа обратного выгиба гибкого трубопровода следует учитывать изменение рельефа морского дна.
8.3.4.3.2 Воздействие на трубу нагрузок от температуры и давления создает осевое сжимающее усилие на трубу и приводит к выгибу в новой сбалансированной форме, которая характеризуется длиной волны выгиба и амплитудой выгиба, создавая при этом увеличение амплитуды подъема в верхней точке.
8.3.4.4 Критерии проектирования
8.3.4.4.1 Критерии проектирования обратного выгиба определяют на основе следующего:
- труба не имеет изгибов с радиусом меньше минимально допустимого радиуса изгиба;
- труба не отклоняется за пределы траншеи или обваловки;
- ограничения смещений, определяемые траншеей и засыпкой, не создают в конструкции трубы напряжений или нагрузок, которые не соответствуют требованиям к проектированию;
- процесс обратного выгиба не создает в трубе режимов разрушения;
- существует необходимый запас прочности на случай потери устойчивости.
8.3.4.4.2 Смещение вверх должно быть ограничено значением 0,75lult, где lult - глубина заглубления, чтобы не допустить воздействия механизма обратной ползучести, возникающего из-за изменений температуры и давления в течение срока эксплуатации.
8.3.4.4.3 При построении зависимости от температуры (или давления) в сравнении со смещением вверх, для обеспечения необходимого коэффициента безопасности относительно разрушения в результате потери устойчивости, расстояние между кривыми равновесия предварительного и последующего выгиба в заданных проектных условиях не должно быть менее 0,1 м.
8.3.4.4.4 После укладки гибкого трубопровода, подверженного обратному выгибу, должны быть проверены следующие проектные требования:
a) вертикальные отклонения проложенного трубопровода от проектного профиля;
b) глубина заглубления и высота/ширина обвалования.
8.3.4.4.5 Для ввода в эксплуатацию трубопровода, уложенного в траншею с естественной отсыпкой, необходимо подготовить документацию, подтверждающую наличие естественной отсыпки. При укладке трубопровода открытым способом следует проверить размещение трубопровода после его ввода в эксплуатацию.
8.3.5 Пересечение трубопроводов
8.3.5.1 Между гибкой трубой, пересекающей другую гибкую трубу, или стальную трубу, или находящийся в эксплуатации шлангокабель предусматривают размещение соответствующей защиты, за исключением случаев, когда может быть показано, что MBR и другие критерии проектирования не нарушаются. Защита может представлять собой мешки с песком, стабилизирующие подушки, мостовые конструкции или маты с низким коэффициентом трения. Если несколько трубопроводов прокладывают в одной траншее, в процессе монтажа следует минимизировать число пересечений.
8.3.5.2 При пересечении труб, транспортирующих жидкость и газ, трубу, транспортирующую газ, следует размещать выше трубы, транспортирующей жидкость, кроме случаев, когда труба, транспортирующая жидкость, легче трубы, транспортирующей газ, с учетом содержимого. В любых защитных устройствах важно учитывать возможные перемещения пересекающихся труб, если они допускают перемещения.
8.3.5.3 Если несколько труб контактируют при постоянных или частых перемещениях, предусматривают защитные втулки, изготовленные из металла или полимера. Следует предусмотреть, чтобы втулки имели достаточные размеры для покрытия максимального диапазона относительных перемещений и имели достаточную толщину, рассчитанную на ожидаемый износ. Требования к втулкам определяют на этапе проектирования системы гибких трубопроводов.
8.4 Требования к проектированию райзера
8.4.1 Конфигурация райзера
8.4.1.1 Значительной частью проектирования гибких райзерных систем является определение параметров конфигурации, чтобы райзер мог выдерживать максимальные нагрузки от воздействия волн, на которые он рассчитан. Проект райзера с учетом требований безопасности исключает несоблюдение критериев максимально допустимого натяжения или минимально допустимого радиуса изгиба, определенных в
ГОСТ Р 59309 и
ГОСТ Р 59306, при воздействии таких экстремальных нагрузок от волн и течений. Хорошо проработанная конфигурация райзера с наименьшими затратами обеспечивает безопасность и согласуется с перемещениями судна. Райзер, оснащенный системой компенсации качки, снижает требования к системе позиционирования технологического судна.
8.4.1.2 Значительные повороты райзера в комбинации с высокими натяжениями в местах соединения райзер/судно или райзер/дно моря также создают нежелательную реакцию райзера на нагрузки, вызываемые состоянием моря. В этом случае необходимы увеличенные элементы жесткости на изгиб у концевых фитингов райзера, чтобы не допустить превышения критерия минимально допустимого изгиба гибкого трубопровода.
8.4.1.3 Гибкие райзеры обычно используются в одной из пяти стандартных конфигураций, схематично показанных на
рисунке 3:
- свободно подвешенная;
- плавная S;
- крутая S;
- плавная волна;
- крутая волна.
8.4.1.4 Свободно подвешенная конфигурация является простейшей и обычно наименее затратной конфигурацией райзера. При волновых перемещениях судна (в особенности при вертикальной качке) эти перемещения передаются гибкому райзеру, вследствие чего возможны потеря устойчивости гибкого райзера и изгиб гибкого райзера с радиусом менее допустимого предела.
8.4.1.5 S-конфигурации дают возможность гибким трубопроводам всплывать к судну в связке на отдельном буе. Как правило, буи в конфигурации "крутая S" более восприимчивы к неустойчивости при кручении, чем в конфигурации "плавная S".
Включение подводного буя (см.
рисунок 13) в конфигурацию райзера выполняет две основных функции:
- предотвращение влияния перемещений судна на подводное оборудование системы соединений гибких трубопроводов;
- удерживание буем части веса райзера и снижение статического натяжения в месте присоединения к судну.
Изменение точки касания морского дна определяется боковыми перемещениями подводного буя. Увеличение размера буя соответственно увеличивает боковые восстанавливающие усилия через натяжные связи буя, что, в свою очередь, уменьшает боковые перемещения буя. Однако большие размеры буя делают его более восприимчивым к возрастанию гидродинамической нагрузки.
8.4.2 Взаимодействие райзера
8.4.2.1 В проект райзерной системы следует включать оценку или анализ взаимодействия райзера (включая гидродинамическое взаимодействие) с другими райзерами и между райзерами и швартовыми якорями, корпусом судна, морским дном и другими объектами.
8.4.2.2 Райзерные системы следует проектировать с учетом контроля взаимодействия, которое может повредить райзер или другие элементы райзерной системы. Следует рассматривать гидродинамические взаимодействия нескольких райзеров, включая экранирование. Следует также рассматривать воздействие обрастания морскими организмами.
8.4.2.3 При проектировании могут быть выбраны два условия для контроля взаимодействия райзера:
- контакт между райзером и другим объектом допускается, но требуется анализ и оценка последствий такого контакта;
- контакт между райзером и другим объектом не допускается.
8.4.2.4 Объектами взаимодействия с гибким райзером могут быть корпус судна и другой райзер.
8.4.2.5 Не допускается взаимодействие между соседними гибкими райзерами в зоне воздействия волн и течений.
8.4.3 Несущие конструкции
8.4.3.1 Несущие конструкции, используемые для удержания гибких труб, следует проектировать таким образом, чтобы труба не подвергалась избыточному износу, изгибу или сдавливанию.
8.4.3.2 Конструкции гибких трубных систем следует проектировать таким образом, чтобы обеспечить возможность перемещения гибкой трубы. Несущие стальные компоненты проектируют в соответствии со стандартами для сталей, используемых в морских сооружениях.
8.4.4 Крепления трубы
Силы взаимодействия между трубой и любым креплением следует определять относительно возникающих прогибов трубы. Надлежащее внимание следует уделять подводным буям с точки зрения их общего поведения в системе так, чтобы минимизировать возникающие динамические воздействия на трубу.
8.4.5 Основания райзера
Основания райзера следует располагать в общей системе таким образом, чтобы при любом случае нагружения не нарушался проектный MBR трубы и чтобы максимально облегчить возможность перемещения верхнего конца гибкой трубы. В проекте райзерной системы важно учитывать монтажный допуск для основания райзера.
8.4.6 Соединительный трубопровод и трубные вставки
8.4.6.1 Каждый гибкий соединительный трубопровод и трубную вставку оценивают в соответствии со случаями нагрузки, определенными в исходных данных для проектирования. Оценка должна учитывать состояние дна моря и устойчивость трубы.
8.4.6.2 Необходимо предусмотреть такую конфигурацию трубной вставки, чтобы она создавала минимальные нагрузки на гибкую трубу, уделив особое внимание расположению в зоне непосредственной близости от концевого фитинга. Трубные вставки и системы следует изготавливать таким образом, чтобы во время монтажа и эксплуатации обеспечивалась достаточная гибкость за счет длины трубы.
8.5 Вспомогательное оборудование
8.5.1 Общие сведения
В
8.5 представлены требования к проектированию типового вспомогательного
оборудования системы гибких трубопроводов.
8.5.2 Соединители и жесткие компоненты гибких труб
8.5.3 Элементы жесткости на изгиб
ГОСТ Р 59309 и
ГОСТ Р 59306 содержат рекомендации по проектированию, выбору материала, изготовлению, испытаниям и маркировке.
8.5.4 Ограничители изгиба
ГОСТ Р 59309 и
ГОСТ Р 59306 содержат рекомендуемые процедуры по проектированию, выбору материала, изготовлению, испытаниям и маркировке ограничителей изгиба.
8.5.5 Раструбы
8.5.5.1 При проектировании раструба учитывают вертикальные отклонения гибкого райзера и его допустимое значение радиуса изгиба. При этом учитывают вызываемые раструбом напряжения в структурных слоях гибкого райзера для оценки его срока эксплуатации.
8.5.5.2 Простейшая форма раструба имеет постоянный радиус по всей длине. Эта форма, однако, не обеспечивает наилучшей защиты от усталости. Поэтому предпочтительнее использовать большой радиус в верхней секции, где труба имеет регулярный контакт с раструбом, и меньший радиус в нижней секции, где контакт возникает периодически только в экстремальных условиях.
8.5.5.3 Форму раструба с линейным изменением искривления по длине определяют как функцию s, как показано в формулах:

(3)

(4)

(5)
где

- угол между осью раструба и касательной в точке S на криволинейной стенке;
K(s) - искривленность криволинейной стенки в точке S;

- угол входа гибкого трубопровода в раструб;
Kb - искривленность на нижнем входе, равна 1/rb;
s - длина дуги гибкого райзера, взаимодействующего с раструбом;
sb - длина раструба, измеренная вдоль криволинейной стенки;

- отношение между минимальной (верхней) и максимальной (нижней) искривленностью.
8.5.5.4 На
рисунке 21 схематично представлены параметры, используемые при проектировании раструба.
--------------------------------
<a> s = 0,

,

,
где

- отношение между минимальной (верхней) и максимальной (нижней) искривленностью.
<b>
s =
ls,

,
K =
Kb,
rb = 1/
Kb,
где rb - минимально допустимый радиус изгиба;
ls - длина раструба, измеренная вдоль криволинейной стенки.
X - продольная или вертикальная ось; Y - боковая
или горизонтальная ось;

- угол между осью X
и касательной в точке криволинейной стенки; Lb - длина
раструба, измеренная по оси X; Db - диаметр нижнего конца
раструба; Do - диаметр верхнего конца раструба
Рисунок
21 - Параметры, используемые при определении
формы раструба
8.5.5.5 В общем, как необходимая длина, так и диаметр раструба, зависят от угла входа, длина также зависит от отношения между минимальной (верхней) и максимальной (нижней) искривленностью.
8.5.5.6 Следует предусмотреть, чтобы угол входа

был как минимум на 5° больше, чем

, определяемый всеми проектными случаями нагрузок, с учетом всех видов воздействия, включая поворот судна.
8.5.6 Устройства крепления
8.5.6.1 Постоянные устройства крепления следует проектировать в соответствии с требованиями к несущим конструкциям. Если применяются такие крепления, то до установки проводят надлежащие испытания аналогичных креплений на образцах предлагаемых труб в смоделированных условиях с полным документальным оформлением.
8.5.6.2 Важно предусмотреть, чтобы крепления не создавали локальных или избирательных нагрузок на конструкцию трубы и не нарушали конструктивную целостность на протяжении срока эксплуатации. Также следует предусмотреть, чтобы крепления не увеличивали усталость, абразивность или механический износ трубы за пределами ограничений, установленных соответствующими коэффициентами использования. Для креплений выбирают материалы с высокой устойчивостью к ползучести, пригодные для использования в условиях длительного воздействия определенной окружающей среды.
8.5.7 Модули плавучести
8.5.7.1 Требуется определить силы взаимодействия между трубой и модулем плавучести, возникающие в результате отклонения трубы. При проектировании показывают, что перемещение модулей плавучести вдоль трубы исключено.
Например, следует предусмотреть усилие зажима, достаточное для того, чтобы обеспечить между зажимом и трубой более высокое трение, чем максимальные продольные нагрузки на модули плавучести, включая коэффициент запаса прочности не менее 1,0.
8.5.7.2 При выборе стального или полимерного материала рассматривается следующее:
- применимость относительно глубины воды;
- срок эксплуатации относительно глубины воды;
- итоговый размер и воздействие динамических нагрузок на трубу;
- прочность;
- опыт применения в сходных условиях;
- надежность;
- характеристики обслуживания.
8.5.7.3 Конструкцию арочного ложемента проектируют в соответствии с
8.4.3. При закреплении на райзере модулей плавучести следует принимать во внимание гидродинамические силы, собственный вес, силы инерции, силу удара при слеминге и влияние давления на контактное давление крепления модуля.
8.5.7.4 При выполнении своей функции на протяжении срока эксплуатации модули плавучести должны сохранять достаточную плавучесть; необходима долговременная стойкость к гидростатическому давлению. Все материалы конструкции следует выбирать на основе требований условий окружающей среды с достаточной коррозионной стойкостью в течение заданного срока эксплуатации.
Следует предусмотреть, чтобы повреждение одного отдельного элемента плавучести не приводило к недопустимой потере плавучести для системы гибких трубопроводов. Это может потребовать установки перегородок в стальных блоках плавучести. Необходимо обеспечивать, чтобы после потери 10% распределенной плавучести или одного отсека подводного буя/арочной системы, конфигурация райзера оставалась пригодной для выполнения заданной цели.
8.5.7.5 Материалы (например, пенопласт) для модулей плавучести квалифицируют проведением испытаний. Следует оценивать абсорбцию воды и ползучесть под действием гидростатического давления на протяжении срока эксплуатации.
8.5.8 Основание райзера
Рекомендации к проектированию основания райзера, включая систему трубопроводов, опорные конструкции и фундамент, приведены в
[1]. Трубу и J-образную трубу следует располагать таким образом, чтобы не было воздействия изгибающих моментов на концевые фитинги трубы, рассчитанной на статические нагрузки. К рассматриваемому вопросу можно отнести следующее:
- гравитационную или свайную конструкцию;
- средства изоляции/системы трубопроводов;
- процедуру ликвидации в аварийной ситуации;
- конфигурацию райзера.
8.5.9 Временное грузоподъемное оборудование
Временное грузоподъемное оборудование следует проектировать в соответствии с
[2]. Подъемный механизм
и такелажные скобы, как правило, следует проектировать для использования в динамических условиях.
8.5.10 Проектирование натяжных связей
Прочность натяжной связи (например, для S-образной конфигурации райзера) проектируют таким образом, чтобы она позволила трубе отделиться от натяжной связи до разрушения конструкции трубы (кроме случаев, если предусмотрено разрушение трубы, или на соединении натяжной связи предусмотрена ограничивающая нагрузку муфта). Натяжную связь следует рассчитывать на все события с вероятностью наступления выше, чем 10-4.
8.6.1 Общие положения
Вопросы сопряжений следует рассматривать на ранних этапах проекта, поскольку они могут оказывать серьезное влияние на трубу и проект системы. Четкое определение сопряжения позволяет разработку оптимального общего решения для системы. Связанные с этим вопросы описаны в
8.6.2 - 8.6.9.
8.6.2 Размещение соединения
Соединение райзера выше или ниже уровня воды существенно влияет на проектирование, монтаж и использование (мониторинг условий).
8.6.3 Выбор устройства ограничения изгиба
Выбор раструбов или элементов жесткости на изгиб важно рассмотреть перед проектированием сопряжения с верхним строением.
Примечание - Для раструбов необходимо гораздо больше пространства, чем для элементов жесткости.
8.6.4 Размещение устройства ограничения изгиба
Следует рассмотреть возможность использования трубной вставки, если устройство ограничения изгиба расположено у концевого фитинга или на конце I-образной трубы.
8.6.5 Условия монтажа выкидных трубопроводов
Необходимо предусматривать использование внутритрубных инспекционных снарядов. Для этого требуется, чтобы система очистки и диагностирования была спроектирована с учетом обеспечения доступа внутритрубных инспекционных приборов. Это также применимо к случаям, когда может потребоваться возможность запуска средства очистки и диагностирования с верхнего соединения гибкой трубы.
8.6.6 Проектирование соединения
При проектировании соединений следует предусматривать возможность использования внутритрубных инспекционных снарядов.
8.6.7 Соединители
Необходимо определить детали (например, высота и расположение фланцев, подсоединение оборудования с привлечением или без привлечения водолазов, технические условия для фланцев и бугелей).
8.6.8 I-образные и J-образные трубы
Использование I-образных и J-образных труб оказывает влияние на параметры монтажа гибких труб, и это важно учитывать при проектировании трубопроводов. Любые требования к трубным вставкам на концах I-образных труб существенно влияют на нагрузки на I-образную трубу.
8.6.9 Подводные соединения
Использование конфигурации райзера с горизонтальными соединениями (например, свободная S) может упростить монтаж и конструкцию основания райзера.
9 Методы расчета, нагрузки и воздействия
Раздел 9 содержит рекомендации по методам расчета гибких труб, определяет нагрузки, обычно действующие в условиях применения труб, и предоставляет инструкции по оценке реакции трубы или системы на эти нагрузки.
9.2.1 Локальный анализ
9.2.1.1 Локальный анализ поперечного сечения является сложным вопросом, в особенности для комбинированных нагрузок, из-за структуры композитных слоев гибкой трубы. Локальный анализ необходим, чтобы связать общие нагрузки с напряжениями и деформациями в трубе. Расчетные напряжения и деформации сравниваются с заданными критериями проектирования для случаев нагрузки, обозначенных в исходных данных для проектирования.
9.2.1.2 Для предварительной оценки нагрузок на гибкий трубопровод допускается использовать упрощенные уравнения. Для детального проектирования необходимы более точные методы расчета, учитывающие все соответствующие воздействия.
9.2.1.3 Действие нагрузок в поперечном сечении стенки трубы может быть документально оформлено по результатам испытаний опытного образца. Также допускается использовать различные методы численного анализа для прогнозирования локальных напряжений, которые могут быть подтверждены испытаниями опытного образца.
9.2.1.4 Расчетные формулы следует связывать с определенным типом конструкции трубы и допускается подтверждать для определенных конструкций результатами тензометрии при испытаниях опытного образца. Обоснование результатов экстраполяции необходимо документально оформить. При рассмотрении использования аналитических методов следует рассматривать состояние действующих нагрузок в трубе, особенно в отношении комбинированных нагрузок.
9.2.2 Оценка условий эксплуатации стенки трубопровода
9.2.2.1 Стенка трубы, как в многослойной конструкции со связующими слоями, так и в многослойной конструкции без связующих слоев, представляет собой пространство, заполненное первичными армирующими элементами.
9.2.2.2 Оценка условий эксплуатации стенки гибкой трубы выполняется для определения требований к отводу газа и режимов разрушения металлических материалов. При проектировании гибких труб следует рассматривать следующие характеристики условий эксплуатации для стенки трубы:
a) проникающие газ и жидкости;
b) поступление наружного флюида (морской воды).
9.2.2.3 Полимеры, используемые для внутренней оболочки, работающей под давлением, позволяют флюидам проникать в стенку трубы. Эта интенсивность проникновения незначительна относительно пропускной способности трубы. Проникновение газа из транспортируемого продукта в стенку трубы рассчитывают с использованием квалифицированной процедуры. Интенсивность проникновения зависит от значений внутреннего и внешнего давления, площади поверхности, толщины оболочки и коэффициента проницаемости.
Примечание - Коэффициент проницаемости зависит от материала, газового компонента и температуры.
9.2.2.4 Для трубопроводов, эксплуатируемых в сернистых соединениях, необходимо предусматривать применение соответствующих конструкционных материалов в соответствии с ГОСТ Р 53678 и ГОСТ Р 53679. |
9.2.2.5 После переходного периода достигается условие равновесия, при котором значения парциального давления в стенке трубы более низкие или, как максимум, равны значениям парциального давления в проходном канале трубы, с фактическим значением, зависящим от давления, температуры, полимерных материалов.
9.2.2.6 Для исходной аппроксимации парциальное давление H2S в стенке трубы может быть принято равным парциальному давлению в проходном канале трубы. Предполагается, что это консервативно, так как давление в стенке трубы ограничено давлением отвода газа в заданном месте с учетом наружного давления морской воды. Могут иметь место различия в составе флюида в проходном канале трубы и стенке трубы из-за разной интенсивности проникновения H2S и других компонентов.
9.2.2.7 Если требуется проведение испытаний, используют более высокое парциальное давление H2S или давление, равное расчетному значению давления.
9.2.2.8 Стенку гибкой трубы многослойной структуры без связующих слоев, предназначенной для статических условий применения, следует рассматривать при условии заполнения трубопровода морской водой. Наружную оболочку гибкой трубы многослойной структуры без связующих слоев, предназначенную для динамических условий применения, следует квалифицировать как водонепроницаемую. Также необходимо рассчитать срок эксплуатации гибкого трубопровода в условиях его заполнения морской водой.
9.2.3 Общий расчет
9.2.3.1 Общие сведения
9.2.3.1.1 Общий расчет выполняют для оценки общего воздействия нагрузок на трубу на всех этапах монтажа, эксплуатации и извлечения, если применимо. В общем расчете оценивают статическую конфигурацию и предельную реакцию на смещение, искривленность и воздействия окружающей среды.
9.2.3.1.2 Воздействия общей нагрузки, как правило, подтверждают численными методами анализа, например методом конечных элементов. При расчете следует учитывать трехмерную динамическую реакцию, стохастическую реакцию (нерегулярное волнение моря) и нелинейные воздействия. Компьютерную модель и результаты следует документально оформить.
9.2.3.1.3 При предварительном проектировании конфигурации допускается использование статических и псевдостатических методов расчета. Изменяющиеся во времени нагрузки (например, волны) следует моделировать с динамическим анализом на этапе рабочего проектирования с внимательным рассмотрением влияния инерции.
9.2.3.1.4 Критические фазы при монтаже и эксплуатации можно оценивать с применением методики пошагового интегрирования по времени. Рассматриваемые волновые условия могут быть описаны детерминистическими или стохастическими методами. Конструкционное демпфирование может приниматься во внимание с демпфированием пропорционального типа, используемым без инерционного компонента.
9.2.3.1.5 При расчете следует учитывать характеристики трубы и эксплуатационные данные. Для некоторых условий применения характеристики жесткости трубы на изгиб являются критическими, например для легких трубопроводов, которые подвергаются резким динамическим перемещениям, или зона касания с морским дном - в нижней части свободно провисающей секции в конфигурации свободной S. Необходимо, чтобы в таких случаях точно оценивалась жесткость на изгиб для определения возможности потери устойчивости или нарушения проектных критериев MBR. К параметрам жесткости трубы на изгиб относятся число, толщина (включая припуски) и материал полимерных слоев, средняя температура в слоях (труба имеет большую жесткость при более низкой температуре), нелинейные характеристики материала (состаренный и не подвергнутый старению материал) и внутреннее давление. Влияние армирующих слоев на растяжение на жесткость обычно можно не учитывать, поскольку армирующая проволока может смещаться, когда труба изгибается с большой кривизной.
9.2.3.1.6 Необходимо учитывать реакцию райзера при его взаимодействии с морским дном. При этом, как правило, используют полное нелинейное уравнение.
9.2.3.1.7 Чтобы проверить возможность потери устойчивости трубы, необходимо рассматривать минимальное эффективное натяжение. Как правило, требуется, чтобы эффективное натяжение было положительным. Следует показать, что какое-либо эффективное сжатие допустимо для трубы.
9.2.3.2 Статический расчет
9.2.3.2.1 Целью статического расчета является определение начальной статической геометрии конфигурации трубы. Проектными параметрами, выбираемыми для статического расчета, обычно являются длина (длины), масса, требования плавучести и расположение точки касания с дном моря и подводного буя (буев). На этапе статического анализа обычно рассматриваются такие нагрузки, как плотность, плавучесть, внутренний флюид, смещение судна и нагрузки от течения.
9.2.3.2.2 Для гибких райзеров следует рассмотреть три следующих экстремальных случая:
- анализ близкого расположения;
- анализ дальнего расположения;
- максимальное боковое отклонение.
9.2.3.3 Динамический расчет
9.2.3.3.1 Следующим этапом процесса проектирования (только для динамических условий применения) является выполнение динамического расчета системы, чтобы оценить общие динамические характеристики. Рассматриваются компоновка системы и положение судна, выбранные на основе статического анализа, и серия случаев динамической нагрузки. Эти случаи нагрузки объединяют различные условия волн и течений, положения и перемещения судна, условия содержимого райзера для обеспечения общей оценки возможности использования райзера в условиях эксплуатации и экстремальных условиях окружающей среды. Рекомендации по выбору случаев нагрузки см. в
6.5.
9.2.3.3.2 На этапе динамического расчета для получения характеристик райзера влияние перемещений судна следует рассматривать в комбинации с силами воздействия волн и течений. Гидродинамические силы можно рассчитать на основе уравнения Морисона согласно
9.3.1.2. Перемещения судна могут быть получены из данных модельных испытаний, данных компьютерного моделирования и с использованием операторов амплитудной характеристики судна и параметров волнения.
9.2.3.3.3 Расчет в частотной области обычно нецелесообразен из-за геометрической нелинейности, обычно связанной с динамическим поведением гибких райзеров. Следовательно, расчет гибкого райзера обычно выполняют моделированием во временной области.
9.2.3.3.4 Этапы статического и динамического расчета часто взаимосвязаны, поскольку для определения предварительных размеров и компоновки необходимо несколько этапов последовательного приближения.
9.2.3.3.5 Точность и сходимость любых результатов, полученных при динамическом анализе, следует тщательно проверить перед использованием их при проектировании. Особое внимание уделяют адекватности выбора сетки и пошаговому отслеживанию изменений во времени, применяемых при анализе. Чувствительность характеристик к направлению подхода волн и периоду волны следует оценивать для рассмотрения наиболее неблагоприятных условий нагрузки.
9.2.3.3.6 Для динамического расчета могут использоваться как регулярные волны, так и нерегулярное волнение моря во временной области или в частотной области. Подход "регулярные волны/временная область" рекомендуется для предварительного определения размеров конфигурации райзера. Определяющие результаты анализа регулярных волн следует верифицировать периодами нерегулярного волнения, чтобы подтвердить, что результирующие параметры получены с достаточной точностью. Аналогично определяющие результаты анализа в частотной области следует верифицировать анализом во временной области, чтобы подтвердить, что результирующие параметры получены с достаточной точностью.
9.2.3.3.7 Как правило, из динамического расчета необходимы следующие значимые динамические параметры во всех точках структурной, граничной и геометрической неоднородности райзера, а именно в верхней части райзера, зоне плавучести и зоне соединения с подводным оборудованием, а также на фланцевых соединениях:
- максимальный и минимальный углы райзера;
- максимальное эффективное натяжение и/или сжатие;
- минимальный радиус изгиба;
- перемещение и искривленность райзера в точке касания с морским дном;
- смещение буя и натяжение натяжной связи;
- натяжение райзера и угол выхода на удерживающем буе;
- эффективное натяжение, изгибающий момент, сила сдвига и смещение на фланцевых соединениях;
- положение на уровне морского дна;
- натяжение в зоне соединения с подводным оборудованием;
- расстояния между райзерами для случаев одновременного использования нескольких райзеров;
- расстояние от опорной конструкции или морского дна;
- расстояние между райзерами и швартовыми тросами.
Значения угла и натяжения райзера в конечных точках могут использоваться при проектировании устройств ограничения изгиба для предупреждения перегиба райзера в этих точках. Значения измерений угла в случае соединения с судном следует учитывать при относительном вращении (килевая качка) судна.
9.2.3.4 Программный комплекс
Для анализа райзера применяют специализированные программные комплексы, использующие методы конечных элементов. Результаты расчетов в программных комплексах необходимо верифицировать.
Отчет, обобщающий верификацию, валидацию и подтверждение версии программных инструментов, предполагаемых к использованию, предоставляют заказчику на рассмотрение и утверждение. Необходимо, чтобы этот отчет обновлялся по мере разработки новых версий, которые расширяют основных функциональные возможности или изменяют методологию и математические модели.
9.2.3.5 Принципы моделирования
9.2.3.5.1 Для точности результатов определяющими являются следующие параметры моделирования:
- размер сетки в зависимости от радиуса искривленности, полученной по результатам анализа;
- выбор Cd и Cm для расчетов волновой нагрузки;
- выбор граничных условий;
- выбор временного шага и продолжительности для динамического анализа;
- тип конечного элемента;
- выбор модели и коэффициентов демпфирования.
9.2.3.5.2 В некоторых случаях желательно выполнить несколько прогонов программы для проверки чувствительности результатов к этим параметрам.
9.2.3.6 Оценка составных конфигураций
9.2.3.6.1 Райзеры, используемые на эксплуатационных объектах, во многих ситуациях объединяются в пучок. Существуют следующие три типа пучков:
- свободный пучок;
- объединенный пучок;
- многоствольные райзеры.
9.2.3.6.2 Райзеры в свободном пучке свободно перемещаются независимо друг от друга и соединены только в конечных точках и в месте крепления подводного буя. При анализе свободного пучка все райзеры следует рассматривать индивидуально в отдельной модели (модели отдельных райзеров или эквивалентные модели не рекомендованы для детального проектирования). Модель свободного пучка важно разработать достаточно детально, чтобы можно было рассчитать все перемещения и нагрузки в райзерах, подводном буе и натяжных связях. Гидродинамическое взаимодействие райзеров минимально при условии, что они разделены расстоянием более чем в пять раз превышающим их диаметр, кроме случаев, когда для синхронизации турбулентности или других искажений обтекания не используется райзерная решетка достаточного размера.
9.2.3.6.3 Райзерные трубы в объединенном пучке соединены вместе через короткие интервалы таким образом, что они перемещаются как единый блок. Общее натяжение в пучках райзеров с неодинаковыми свойствами распределяется в зависимости от осевой жесткости отдельных райзеров. Также, асимметричная конфигурация пучка создает несимметричные гидродинамические нагрузки, которые могут привести к торсионному скручиванию пучка райзеров. При моделировании таких пучков рекомендуется следующее:
- общее перемещение пучка сравнивается с ожидаемым перемещением отдельных райзеров;
- относительные перемещения отдельных райзеров в пучке рассматриваются таким образом, что возможности переплетения и наружного износа райзеров были сведены к минимуму;
- оценивается распределение натяжения в конечных точках; для предварительного проектирования может приниматься консервативное предположение, что самая большая труба в пучке воспринимает всю нагрузку.
9.2.4 Оценка срока эксплуатации
9.2.4.1 Общие сведения
9.2.4.1.1 Проектный срок эксплуатации трубы должен быть определен и документально оформлен. Проектный срок эксплуатации может основываться на продолжительности конкретного проекта или применения, или может быть связан с программой замены. В конструкции гибкой трубы следует уделять внимание сроку эксплуатации или замене вспомогательного оборудования, как части общей политики срока эксплуатации.
9.2.4.1.2 Определение срока эксплуатации трубы также может быть связано с программой технического контроля в процессе эксплуатации. Метод контроля и периодичность контроля должны быть документально оформлены с подтверждением возможности применения в конкретных условиях применения (см.
раздел 14).
9.2.4.1.3 При оценке срока эксплуатации следует рассматривать следующее:
- коррозию металлических материалов и другие режимы разрушения (SSC, HIC, эрозия, водородное охрупчивание);
- износ металлического материала;
- усталость металлического материала;
- деструкцию полимерного/эластомерного материала;
- износ/абразивное истирание полимеров/эластомеров;
- конструкцию концевого фитинга.
9.2.4.1.4 Режимы износа и усталостного разрушения обычно рассматриваются только для динамических условий применения. Могут быть выбраны такие металлические материалы, которые не подвергаются коррозии, или, в качестве альтернативы, допускается рассчитывать скорость коррозии с учетом прогнозируемой среды кольцевого пространства и использовать ее в проектных расчетах. Для армирующих проволок могут быть необходимы испытания на коррозионную усталость. При выборе материала следует рассматривать и другие возможные механизмы разрушения, включая SSC, HIC, эрозию и водородное охрупчивание.
9.2.4.1.5 Износ и усталость в металлических слоях рассматривают в
9.2.4.2. Деструкция полимерного/эластомерного слоя и износ/абразивное истирание полимерного/эластомерного слоя рассматриваются при выборе материала для конкретных условий применения и оценки старения/испытаний на старение. Концевой фитинг следует проектировать, обеспечивая соответствие требованиям
ГОСТ Р 59309 и
ГОСТ Р 59305, выбору материала и анализу на усталость.
9.2.4.1.6 Усталостное разрушение следует рассчитывать для всех критических точек по длине арки райзера. Особое внимание уделяют определению демпфирования райзера. Критические точки определяются на конструкционных, граничных и геометрических границах раздела конфигурации райзера в зонах элемента жесткости на изгиб, точки касания с морским дном и резких перегибов. В каждой критической области следует оценивать следующие источники усталостного разрушения:
- перемещения, вызванные частотой волны, для всех волновых систем, определенных в критериях гидрометеорологических условий;
- перемещения судна как медленный дрейф (второго порядка);
- частоту вибрации райзера, вызванной вихреобразованием (VIV), в условиях установившегося потока;
- перемещения под действием VIV райзерной колонны, которая удерживает гибкий райзер в гибридных райзерных системах, и/или корпуса судна;
- вибрацию во время монтажа и обслуживания;
- пробковый режим течения флюида.
9.2.4.2 Оценка усталости и износа
9.2.4.2.1 Гибкие трубы являются сложными конструкциями для оценки усталости и износа. Существует ряд потенциальных механизмов роста показателей усталости и износа, которые могут быть критическими для каждого типа трубы. Расчеты на усталость для гибких райзеров содержат существенные неопределенности из-за упрощенности данных о длительно действующих нагрузках и в математических моделях и сложности процессов учета износа и накопления усталости. Если применимо, используют программу мониторинга условий эксплуатации и технического состояния.
9.2.4.2.2 К потенциальным механизмам разрушения для армирующих проволок на растяжение относятся следующие:
- износ между слоями и прядями отдельных кордов;
- усталость армирующих проволок в сухой и коррозионной среде кольцевого пространства;
- усталость отдельных проволок при фреттинг-коррозии - труба многослойной структуры без связующих слоев;
- износ или фреттинг-коррозия между прядями внутри кордов;
- коррозия армирующих проволок.
9.2.4.2.3 При изгибе гибкой трубы многослойной структуры без связующих слоев армирующие слои скользят друг относительно друга, создавая потенциальную возможность износа. Скорость износа является функцией давления в зоне контакта, коэффициентов износостойкости и степени скольжения (связанной с изгибом). С использованием экспериментальных данных разработаны модели для моделирования таких режимов разрушения. Как правило, для решения данной проблемы используют полимерные/эластомерные противоизносные слои между армирующими слоями. При выполнении оценки срока эксплуатации следует подтвердить функциональные эксплуатационные характеристики этих слоев, особенно для применения в условиях высоких температур. Также скольжение происходит между отдельными прядями в армирующих кордах.
9.2.4.2.4 При оценке на усталость следует показать, что экстремальные напряжения в армированиях на растяжение труб многослойной структуры без связующих слоев и в усиливающих слоях труб многослойной структуры со связующими слоями находятся ниже предела выносливости материала [линия Гудмана (Goodman) на
рисунке 22], или следует выполнить расчеты на усталостное разрушение. Диаграмму Хейга строят на основе соответствующих данных испытаний с учетом свойства материала, диаметра и профиля проволоки, характеристик окружающей среды в условиях эксплуатации. На
рисунке 22 приведен пример классической диаграммы Хейга, показывающий области накопления усталости и области без накопления усталости.
X - среднее напряжение

; Y - переменное напряжение

;
1 - область накопления усталости; 2 - область без накопления
усталости; 3 - линия Гудмана
Рисунок
22 - Пример диаграммы Хейга
9.2.4.2.5 Расчеты усталостных разрушений допускается выполнять на основе ограниченного числа классов состояния моря при условии, что выбор таких классов основан на консервативных критериях. Усталостную долговечность возможно рассчитывать на основе S-N-подхода к усталости при предположении линейного накопления повреждения. Данные S-N следует получать в соответствии с требованиями
ГОСТ Р 59309 и
ГОСТ Р 59306. Расчеты выполняют для критических зон райзера, таких как точки присоединения и зоны резких перегибов, на основе комбинации средних и переменных напряжений.
9.2.4.2.6 Условия, приводящие к усталости при фреттинг-коррозии, могут вызвать значительное снижение предела выносливости отдельных армирующих проволок или кордов, особенно в областях с низкими напряжениями/длительным сроком эксплуатации. Линия Гудмана на диаграмме Хейга для армирующих проволок в условиях фреттинг-коррозии может располагаться значительно ниже. Поэтому возможность усталости при фреттинг-коррозии следует подвергать тщательному исследованию.
9.2.4.2.7 Трещины, вызываемые усталостью при фреттинг-коррозии, зарождаются на поверхностях прерывистого скольжения, первоначально за счет переменной поверхностной силы (трения), передаваемой на область скольжения. К важнейшим параметрам относятся поверхностные реакции (окисление и другие виды влияния окружающей среды), поступление воды (в результате повреждения наружной оболочки) и смазка. Сила касательных напряжений, увеличивающая размер трещины, ослабевает, когда трещина достигает длины примерно 1 мм. Трещины могут останавливаться в этой точке при отсутствии нормальных напряжений в проволоке. Трещины могут продолжать расти при переменных нормальных напряжениях и в конечном итоге приводить к значительному снижению усталостной долговечности, особенно в областях с низкими напряжениями/длительным сроком эксплуатации. Это подчеркивает требования к динамическим осевым напряжениям при проведении усталостных испытаний опытных образцов.
9.2.4.2.8 Армирование, обеспечивающее стойкость к давлению, из проволоки с замковым соединением также может подвергаться усталостным разрушениям при фреттинг-коррозии или износу, и поэтому такой возможный режим разрушения следует рассматривать при оценке срока эксплуатации. Отдельное разрушение проволоки армирующего слоя, обеспечивающего стойкость к давлению, может быть критическим для всей трубы. Для прогнозирования срока эксплуатации армирующих профилей из проволоки с замковым соединением можно использовать теоретические модели. Эти модели следует подтвердить результатами экспериментальных исследований. К основным параметрам нагружения, рассматриваемым в армирующем слое, обеспечивающем стойкость к давлению, относятся следующие:
- статическое напряжение и контактное давление от воздействия внутреннего давления и осевого натяжения;
- динамические напряжения, скольжение и силы трения в результате изгиба;
- комбинированное влияние коррозии, износа и усталости.
9.2.4.2.9 Критическим параметром при расчетах усталости армирования, обеспечивающего стойкость к давлению, является остаточное напряжение в проволоке после предварительной формовки. Следует рассчитывать остаточное напряжение, например, с использованием метода конечных элементов. Если усталость в этом слое представляет проблему, можно рассмотреть использование влияния гидравлического испытания на изменение состояния остаточного напряжения в проволоках, повышая таким образом усталостные характеристики слоя. Необходимо предусмотреть, чтобы давление испытания не создавало напряжение в трубе, превышающее критерии, определенные в
ГОСТ Р 59309 и
ГОСТ Р 59306. Изготовитель обязан документально оформить результаты испытаний для предварительно формованных проволок для верификации повышения конструкционной прочности.
9.2.5 Расчет компонентов
9.2.5.1 На этапе проектирования выполняют расчет вспомогательного оборудования: модулей плавучести, подводных арок/буев, натяжных связей и элементов жесткости на изгиб.
9.2.5.2 Необходимо, чтобы компоненты в системе гибких трубопроводов проектировались с учетом тех же параметров проектирования, что и гибкая труба, включая случаи нагрузки (общие нагрузки), сроки и условия эксплуатации.
9.2.5.3 Взаимовлияние компонентов, которое относится к взаимному трению или соударению компонентов системы, также включают в расчет вспомогательного оборудования. Взаимодействие между трубами в пучке представляет одну из потенциальных проблем - взаимовлияние. Возможные соударения между компонентами системы, например между буями или цепями и райзерами, представляет другую потенциальную проблему.
9.2.5.4 Возможное "флюгерное перемещение" системы подводного буя/арки является критически важным аспектом для некоторых конфигураций гибкого райзера. Как правило, следует уделять внимание обеспечению того, чтобы несимметричные гидродинамические нагрузки не приводили к флюгерному перемещению системы буя/арки и скручиванию райзера за пределами допустимых уровней. При проектировании конфигурации райзера и буя/арочной системы важно исключить возможности возникновения таких проблем.
9.3.1 Гидродинамические нагрузки
9.3.1.1 Волновая кинематика
9.3.1.1.1 При установлении происхождения гидродинамических сил, прежде всего, необходимо определить скорости и ускорения частиц воды, вызванные волнением: волновую кинематику. Общепринятая практика предусматривает моделирование волны с использованием линейной теории волны Эйри.
9.3.1.1.2 Линейная теория волны рассчитывает только кинематику для волн, неподдающихся измерению высот. Имеют алгоритмы растяжения для расширения теории до конечных высот волны. Реакция райзера обычно не восприимчива к теории растяжения, возможно, кроме небольших глубин воды. Существенное увеличение кинематики волны может происходить рядом с большими сооружениями (например, колоннами полупогружного основания) и там, где целесообразно, это может потребовать рассмотрения при проектировании райзера. Одним из методов моделирования такого увеличения является использование повышенных гидродинамических коэффициентов для соответствующих областей.
9.3.1.2 Уравнение Морисона
9.3.1.2.1 Общепринятой практикой моделирования гидродинамических сил, воздействующих на гибкие трубы, является использование уравнения Морисона, которое в значительной степени основано на эмпирических данных. Первоначально формула была выведена для расчета гидродинамических сил, воздействующих на вертикальные стационарные сваи для небольших глубин воды только для волновых нагрузок. После этого она была распространена на применение к произвольно ориентируемым подвижным сооружениям (например, райзерам) с учетом волновых нагрузок и нагрузок от течения. Поперечную нагрузку на единицу длины fm, обусловленную взаимодействием флюид-конструкции, как правило, определяют по формуле

(6)
где VRN - нормальная относительная скорость флюида;

- нормальное ускорение частиц воды;

- нормальное ускорение конструкции;
Dd - эффективный диаметр гидравлического сопротивления;
Cd - коэффициент гидравлического сопротивления;
Cm - коэффициент инерции;

- плотность морской воды.
9.3.1.2.2 Формула (6) представляет наиболее распространенное расширение исходного уравнения Морисона.
Компонент инерции исходного уравнения Морисона заменен двумя компонентами: один пропорционален нормальному ускорению частиц воды, другой - нормальному ускорению конструкции, поскольку сила инерции движущегося цилиндра в волновом поле включает в себя составляющую гидродинамической "присоединенной массы", представляющую собой дополнительную инерцию или сопротивление движению, обусловленные жидкостью, "увлеченной" движущимся компонентом, в дополнение к силе, действующей на стационарный компонент в ускоряющемся флюиде.
Скорость флюида с точки зрения динамического сопротивления заменена напрямую скоростью флюида относительно конструкции (включая течение). Обоснованность этого остается открытой, но такой подход широко используется.
9.3.1.3 Ограничения уравнения Морисона
Ускорение потока флюида для члена уравнения инерция - сила оценивается по осевой линии райзера. Поэтому члены уравнения конвективного ускорения более высокого порядка во внимание не принимаются.
Инерция, присоединенная масса и коэффициенты гидравлического сопротивления являются неизменяемыми во времени. Допускается использовать изменяемые во времени переменные.
Гидродинамические силы определяются компонентами ускорения и скорости, нормальными к осевой линии райзера. Осевую составляющую трехмерной гидродинамической силы возможно учесть приблизительно путем расчета тангенциальной силы гидравлического сопротивления как функцию квадрата тангенциальной составляющей скорости.
Реакция райзера находится в соответствии с набегающим потоком. Подъемную силу не принимают во внимание. Пульсирующую подъемную силу и силу гидравлического сопротивления как результат вихревого потока также не принимают во внимание. При этом для коротких соединительных трубопроводов или "натянутых" конфигураций реакцию на вихревой поток следует учитывать.
Сила, воздействующая на компонент в непосредственной близости к другому компоненту, подвергается воздействию поля скоростей попутного потока, обусловленного взаимодействием и экранирующим эффектом. Возможно, что попутный поток первого компонента динамически влияет на компонент, расположенный за ним. Следовательно, возможно, что смежные крупные компоненты экранируют более мелкие компоненты и способствуют снижению гидродинамической силы. Такие эффекты, которые обычно оказывают влияние только на составляющую силы гидравлического сопротивления, очень сложно ввести в уравнение Морисона.
Если несколько райзеров расположены близко друг к другу, существует тенденция, что часть массы флюида, заключенного между ними, начинает действовать как часть конструкции. Это приводит к увеличению сил "присоединенной массы", которые могут быть эмпирически смоделированы увеличением Cm, а также корректируют силы инерции, которые не следует изменять.
9.3.1.4 Коэффициенты гидравлического сопротивления и инерции
Коэффициенты гидравлического сопротивления Cd и инерции Cm, используемые в уравнении Морисона, являются эмпирическими коэффициентами, которые были получены на базе результатов многочисленных экспериментов. Эти эксперименты показали хорошую согласованность между измеренными силами и силами, рассчитанными по уравнению Морисона.
Теоретически силы гидравлического сопротивления и инерции являются функцией числа Рейнольдса (Reynold), числа Келегана-Карпентера (Keulegan-Carpenter), геометрических характеристик конструкции и шероховатости поверхности, и их необходимо рассматривать как изменяющиеся вдоль трубопровода и во времени, что делает вычисление гидродинамического сопротивления практически невыполнимым, поэтому при расчете райзера используют постоянный коэффициент.
В расчете гибких труб Cm обычно принимают равным 2,0, a Cd изменяется от 0,7 до 1,2. Рекомендуется выполнять исследование восприимчивости для исследования влияния выбранных коэффициентов на результаты общего расчета. Выбор гидродинамических коэффициентов для системных компонентов больших размеров (например, блоков плавучести) может быть критически важным, поэтому его следует оценивать. Факторами, которые также следует рассмотреть, являются потенциальное воздействие VIV на гидродинамические коэффициенты и обрастание морскими организмами.
Для волновых конфигураций райзеров, которые используют распределенные модули плавучести, секция плавучести подвергается воздействию значительных касательных, а также поперечных гидродинамических сил.
9.3.2 Гравитационные нагрузки и силы плавучести
При расчете гибкого трубопровода следует учитывать гравитационные нагрузки и силы плавучести от всех компонентов системы, включая подводные буи и грузы для стабилизации оттяжек. Важно принимать во внимание нагрузки от обрастания морскими организмами и обледенения.
9.3.3 Нагрузки от продуктового флюида
При расчете гибкого райзера следует учитывать массу продуктового флюида и его плотность. Изменения плотности продуктового флюида на протяжении срока эксплуатации могут оказывать значительное влияние на конфигурации райзерной системы.
9.3.4 Нагрузки от взаимодействия с морским дном и грунтом
Как правило, при расчете взаимодействия с морским дном учитывают силы трения. Это необходимо для анализа устойчивости выкидных трубопроводов и анализа перемещений секций райзера, уложенных на морском дне (свободная конфигурация). Коэффициенты жесткости грунта и трения приведены в
таблице 18.
Таблица 18
Типовые коэффициенты жесткости грунта и трения
для гибких труб
Тип морского дна | Направление | Жесткость, кН/м2 | Коэффициент трения |
Глина | Осевое | от 50 до 100 | 0,2 |
Боковое | | |
Вертикальное | от 100 до 5 000 | - |
Песок | Осевое | от 100 до 200 | 0,6 |
Боковое | | 0,8 |
Вертикальное | от 200 до 10 000 | - |
<a> Значение возрастает с увеличением сопротивления смещению недренированного грунта. <b> Значение возрастает с увеличением плотности грунта. <c> Значение возрастает со снижением сопротивления смещению грунта. |
9.3.5 Нагрузки от температуры и давления
Удлинение, вызванное температурой и давлением, обычно имеет отношение к выкидным трубопроводам, проложенным в траншеях, где возникает возможность обратного выгиба. Кроме того, короткие соединительные выкидные трубопроводы многослойной структуры без связующих слоев могут испытывать значительные сжимающие нагрузки от воздействия температуры и давления. В этих случаях для предупреждения выдавливания может потребоваться армирование трубы с помощью дополнительных полимерных слоев.
9.3.6 Нагрузки, вызываемые вихреобразованием
9.3.6.1 Восприимчивость гибких райзеров к вихревым потокам была объектом многих экспериментальных исследований, которые показали, что, несмотря на то, что VIV возникают в моделируемых райзерах, значения амплитуды вибрации недостаточны, чтобы вызывать усталостные повреждения. Это может быть отнесено к следующему:
- относительно низкие значения амплитуды вибрации, возможно, в результате внутреннего конструкционного демпфирования;
- сложность набегания потока на типовые гибкие райзерные системы и сложность получения согласованных вихрей в плавающем наклонном райзере;
- гидродинамическое демпфирование.
9.3.6.2 Многие факторы, способствующие образованию VIV, сложны для точного моделирования при лабораторных испытаниях. При натурных испытаниях, особенно для глубоководных райзеров, влияние VIV может стать более значительным, благодаря следующему:
- повышенному влиянию конструкционного демпфирования на снижение натяжения;
- повышению коэффициента гидродинамического сопротивления от VIV;
- наличие сильных течений в некоторых глубоководных областях.
В результате вышеперечисленного влияние VIV как на конструкционную прочность компонентов, так и на общее поведение райзера, в частности, в отношении возможности взаимовлияния, следует рассматривать отдельно для каждого конкретного случая.
9.4.1 Методики регулярного и нерегулярного волнения
9.4.1.1 Целью выполнения динамического анализа является прогнозирование максимального срока эксплуатации или экстремальной реакции системы гибких трубопроводов. Для этого обычно используются два подхода: методики регулярного и нерегулярного волнения.
9.4.1.2 Методика регулярного волнения основана на детерминированном описании волновой среды состояния моря с использованием высоты и периода отдельной волны для моделирования состояния моря. Такие параметры получают из статистических данных о волнах или простых физических расчетов. Преимущество методики состоит в том, что выполняется прямой расчет реакции, при периодическом вводе, как правило, выдаются периодические выходные данные без необходимости последующей дополнительной статистической обработки.
9.4.1.3 В методике нерегулярного волнения следует рассматривать выполнение анализа числа волновых периодов для определения критической реакции системы для периодов короткой и длинной волны. Например, короткий период может создать критические нагрузки на соединения судна, а длинный период - более значительные перемещения в системах подводных буев.
9.4.1.4 Методика регулярного волнения содержит неопределенности, так как не учитывает нерегулярные волнения.
9.4.1.5 Методика нерегулярного волнения основана на стохастическом описании волновой среды. Состояние моря моделируется как спектр волн с энергией, распределенной по диапазонам частот. Наиболее используемыми общими спектральными характеристиками являются спектральная модель Пьерсона-Московица (полностью развитое волнение) и спектральная модель JONSWAP (развивающееся волнение). Ответная реакция в этом случае также является стохастической, и необходима последующая статистическая обработка для определения проектного значения реакции. Как правило, следует рассматривать трехчасовую продолжительность нерегулярного волнения.
9.4.1.6 Допускается не выполнять трехчасовое моделирование, когда продолжительность моделируемой волнограммы составляет не менее 30 мин при условии, что сгенерированное состояние моря квалифицируется относительно теоретически известных статистических свойств гауссова процесса.
9.4.2 Составление уравнений движения
9.4.2.1 Составление уравнений движения для решения задач оценки ответной реакции включает рассмотрение следующих основных проблем:
- реакция 2D относительно 3D;
- 3D волновая кинематика;
- использование теории малых углов в сравнении с теорией больших углов;
- моделирование эффектов промежуточного касания и трения с морским дном.
Упрощением для некоторых видов расчета райзера является использование двухмерного анализа, в котором перемещение судна, волны, течение и любые начальные смещения райзера рассматриваются в одной и той же плоскости. Во многих случаях, особенно для вертикальных райзеров, это допущение является приемлемым.
9.4.2.2 Для неколлинеарных нагрузок от волн и течений в условиях открытого моря нет прямых решений с использованием двухмерных методик. В некоторых случаях допускается использование двумерных уравнений с приближением. Однако некоторые задачи по своей природе являются трехмерными, и поэтому необходим трехмерный расчет.
9.4.2.3 Использование теории малых углов упрощает решение благодаря аппроксимации составляющей искривленности, которая ограничивает его использование для случаев, когда максимальное изменение угла менее 10°. Выражение для больших углов должно использоваться для видов расчета, где максимальное изменение угла превышает 10°.
9.4.2.4 Ограничение морского дна может моделироваться как жесткая поверхность или эластичное основание. Использование любого метода следует оценивать для конкретного случая применения. Как правило, модель жесткой поверхности является удовлетворительной, но зависит от коэффициента эластичности донного грунта.
9.4.2.5 Осевое и боковое сопротивление перемещениям трубы при соприкосновении с грунтом возможно моделировать с помощью модели с постоянным трением или гистерезисной модели. Сила трения в гистерезисной модели постоянно возрастает, поскольку труба скользит по дну моря, до максимального значения, зависящего от нормальной силы и коэффициента трения; если движение меняется на противоположное, нарастание начинается в противоположном направлении. Однако гистерезисная модель сложна для применения на практике, поскольку необходима предыстория деформаций. По этой причине может использоваться постоянное трение, если отсутствует надлежащая гистерезисная модель. В этом случае рекомендуется оценивать точность результатов с использованием исследований чувствительности.
9.4.3 Решение уравнений движения
9.4.3.1 Пространственное решение
9.4.3.1.1 Пространственное решение уравнений движения может быть основано на аналитических методах или аппроксимируемых численных методах. Используемые численные методы основаны на конечных элементах или на конечных разностях.
Численные решения уравнений равновесия обычно получают при объединении уравнений для каждого элемента, входящего в состав райзера, в систему уравнений, описывающих соотношения сил перемещения для всех DOF. Путем комбинирования всех уравнений для элементов, соединенных в отдельный узел, при соблюдении требований к равновесию в узле и совместимости между элементами, получаются уравнения, связанные с силами при всех общих DOF к смещению в каждой DOF в узле. Объединение всех таких уравнений для N общих DOF ведет к системе N связанных алгебраических уравнений. Эти уравнения могут быть представлены в матричном виде, как показано в уравнении

(7)
где [Mm] - матрица массы;
[MC] - матрица демпфирования;
[MK] - матрица жесткости;
{R} - вектор нагрузки;

- вектор ускорения;

- вектор скорости;
{x} - вектор смещения.
9.4.3.2 Временное решение
9.4.3.2.1 Частотная область
Анализ в частотной области может использоваться, если нет нелинейностей, которые оказывают значительное влияние на реакцию системы. Частотную область используют для расчета усталости, поскольку он допускает корректные статистические оценки сил в трубе.
Основным преимуществом анализа в частотной области является снижение вычислительных затрат для линейных систем с очень простым однозначным выводом. Ограничениями анализа в частотной области являются трудности и дополнительные трудности, связанные с моделированием нелинейного поведения.
Важным условием анализа в частотной области является корректная линеаризация сил гидравлического сопротивления волны и течения и точный выбор частот. Следует предусмотреть, чтобы используемые в анализе частоты обеспечивали адекватное определение энергетического спектра волнения моря, характеристик реакции судна и частоты собственных колебаний райзера.
9.4.3.2.2 Временной интервал
Нелинейное поведение, рассматриваемое при расчете гибкого райзера, включая значительные деформации, нелинейные нагрузки и взаимодействие с морским дном, может быть непосредственно смоделировано во временном интервале. Временной интервал также может использоваться для оценки относительной точности эквивалентного анализа в частотной области и их проверки для использования при проектировании.
Для анализа во временном интервале необходимо определение окружающей среды и действующих нагрузок (например, перемещений судна) как функции времени, обычно путем имитации динамики изменения волн во времени. Для анализа во временном интервале особенно необходимо нахождение положения равновесия в дискретно заданный момент времени, учитывая инерцию, демпфирование и действующие нагрузки.
Уравнение равновесия может быть решено с использованием методов неявного или явного интегрирования. Явные методы используются для реакции в момент

на базе условий равновесия в момент времени
t. Неявные методы используются для реакции на

на базе равновесия в момент времени

. В этом случае возможны осложнения, связанные с вычислительными затратами для выполнения интегрирования. Для явных методов обычно необходимо меньше расчетов для временного шага, но часто для получения точного решения требуется устанавливать более короткие временные шаги. Для неявных методов необходимы существенные вычислительные затраты на каждом временном шаге (например, разложение матрицы коэффициентов), но допускается использовать большие временные шаги, и обычно они используются для расчета гибкого райзера.
Все методы имеют определенную степень ошибки интегрирования, которая связана с частотой и амплитудой суммарной реакции. В некоторых ситуациях незначительные погрешности в отдельной частоте могут накапливаться и приводить к числовому "размаху" реакции. Важно определять и понимать эти ошибки при выполнении анализа во временном интервале, особенно для имитации данных за продолжительный период и определения статистики для предельных случаев.
9.4.3.2.3 Модальный анализ
Модальный анализ может применяться для определения форм колебаний и частоты собственных колебаний райзерной системы. Он может использоваться для определения:
- частоты собственных колебаний райзерной системы для анализа VIV; следует предусматривать, чтобы число режимов было достаточным для определения реакции райзера в самом высоком диапазоне частот VIV;
- основы для выбора периодов волны для расчета на прочность/взаимодействие/усталость/установку при рассмотрении с RAO движения/скорости/ускорения подвески райзера.
Важным условием при модальном анализе является моделирование нелинейностей, таких как влияние морского дна в плавных конфигурациях райзера.
9.4.4 Принципы моделирования
9.4.4.1 Дискретизация модели
9.4.4.1.1 Для приведения дифференциальных уравнений равновесия к системе связанных алгебраических уравнений, которые могут быть решены численными методами, обычно используются методы конечных элементов и конечных разностей. Дискретизация райзера должна быть выполнена очень аккуратно, чтобы не допустить погрешностей вычисления в результате выбора слишком крупной сетки при разработке модели, которая может быть проанализирована с допустимым объемом вычислительных затрат.
9.4.4.1.2 Окончательный приемлемый уровень дискретизации зависит от численного представления изменения натяжения, пространственных изменений физических свойств райзера, амплитуды действующих нагрузок, частотной составляющей действующих нагрузок и необходимой точности результатов. Обычно более крупная сетка приемлема для определения приблизительных решений для перемещений, вызванных в основном перемещениями судна, а более мелкая сетка применяется для точного определения напряжений в зоне заплеска или в зонах неоднородности, например опорных точках.
9.4.4.2 Выбор частотного содержания
9.4.4.2.1 Частотное содержание входных данных спектра волнения моря точно представляется для анализа нерегулярного волнения моря. Применимы следующие комментарии:
- следует предусмотреть, чтобы общий разброс частот охватывал все частоты со значительной энергией;
- следует предусмотреть, чтобы дискретизация спектра (т.е. число используемых частот) точно представляла состояние моря. Дискретизация может быть основана на подходе равновеликих площадей или на подходе равных приращений частоты, но рекомендуется применять подход равновеликих площадей.
9.4.4.2.2 Для анализа во временном интервале спектр волнения моря преобразуется в динамику изменения волн во времени и может быть получен несколькими методами, включая метод Монте Карло (Monte Carlo) и методы цифровой фильтрации. Реализованный спектр (на основе временной диаграммы) следует сравнить с входным спектром для точности метода обобщения.
9.4.4.3 Выбор временного шага
9.4.4.3.1 Временной шаг, используемый для анализа во временном интервале, зависит от метода решения и программного обеспечения. Для всех методов необходимо, чтобы временной шаг был достаточно небольшим для точного отражения значащих частот нагрузок или реакций. Это аналогично надлежащей пространственной дискретизации модели и правильному выбору частот в методе частотных областей. Использование больших временных шагов может привести к ускорению анализа, что будет достаточно точно для представленных частот, однако из-за этого существует вероятность упустить важные высокочастотные составляющие.
9.4.4.3.2 Используемая схема дискретизации по времени может быть основана на фиксированной или переменной величине дискретного шага. Рекомендуется использовать фиксированные шаги. Тем не менее переменные временные шаги могут привести к значительному снижению вычислительных затрат. Результаты анализа с переменным временным шагом следует проверять, чтобы подтвердить, что изменения временного шага не ведут к получению недостоверных результатов.
9.4.5 Эффективное натяжение
9.4.5.1 Эффективное натяжение является важнейшим параметром в расчете райзера. Выражение для эффективного натяжения представлено уравнением

(8)
где

- осевая (фактически действующая на стенку) сила;
Pi - внутреннее давление;
Po - внешнее давление;
Ai - площадь внутреннего поперечного сечения трубы;
Ao - площадь внешнего поперечного сечения трубы.
9.4.5.2 Эффективное натяжение оказывает реальное влияние на смещение натянутого райзера, и

целесообразно рассматривать как физическую величину. Однако эффективное натяжение не является физической растягивающей нагрузкой и не является внутренней силой какого-либо вида. Эффективное натяжение является сочетанием составляющих приложенных нагрузок в пределах уравнения движения. Результаты динамического анализа, как правило, представляют эффективное натяжение, а не фактическое натяжение.
9.4.5.3 Следует учитывать различие при составлении модели для анализа, а также не допустить неправильной интерпретации результатов расчета райзера. Например, боковая сила в любом поперечном сечении райзера равна силе сдвига плюс действующее растяжение, умноженное на угол наклона. Этот расчет действителен только потому, что равен общему давлению по окружности трубы и дополняет сдвигающий и боковой компонент натяжения.
9.4.5.4 Низкое натяжение райзера не свидетельствует о потере его устойчивости. Прямым следствием низкого натяжения райзера является снижение его жесткости. При этом возможное эффективное сжатие должно учитываться при проектировании трубопровода (см. критерии проектирования в
разделе 6).
10 Испытания опытного образца
10.1.1 Раздел 10 содержит методические указания по определению требований к испытаниям опытного образца и предоставляет процедуры выполнения таких испытаний. Требования к заводским приемочным испытаниям и испытаниям материалов приведены в
ГОСТ Р 59309 и
ГОСТ Р 59306.
Документация испытаний опытного образца предназначается для рассмотрения независимым агентом по верификации как часть методологии верификации проекта трубы в соответствии с
ГОСТ Р 59309 и
ГОСТ Р 59306.
10.1.2 Требования к испытаниям опытного образца являются объектом соглашения между изготовителем и заказчиком и могут определяться рекомендациями, приведенными в
разделе 10. В качестве альтернативы испытаниям опытного образца изготовитель может предоставить объективные подтверждения того, что продукт удовлетворяет проектным требованиям. Объективное подтверждение определяется как документально оформленный промысловый опыт, данные испытаний, технические публикации, результаты расчета методом конечных элементов или расчеты, подтверждающие требования к техническим характеристикам, и может использоваться, если для данной конструкции предполагается незначительное расширение области применения.
10.1.3 Число и диапазон испытаний опытного образца, которые могут быть выполнены для гибких труб, значительны. Испытания опытного образца обычно являются разрушающими и поэтому требуют больших затрат на их выполнение. Экономические и/или временные аспекты могут сделать невозможным проведение натурных испытаний опытного образца для каждой конструкции трубы.
10.1.4 Для условий применения при высоких температурах определяющее значение имеет конструкция механизма уплотнения концевого фитинга для труб многослойной структуры без связующих слоев. Процедуры испытаний, используемые в настоящее время, приведены в
приложении A и
приложении B для статических и динамических условий применения. Эти протоколы могут быть заменены по результатам испытаний. Особое внимание следует уделять подготовке поверхности и толщине, а также хранению масла и содержанию кислорода.
10.1.5 Выбранная совокупность испытаний для квалификации конструкции опытного образца обычно включает испытания материалов и FAT, как определено в
ГОСТ Р 59309 и
ГОСТ Р 59306.
10.2 Программы проектно-конструкторских работ
10.2.1 Для новых или неапробированных конструкций гибких труб рекомендуется проведение испытаний, как минимум, опытного образца класса I. Следует устанавливать следующие цели испытаний опытного образца:
- опробование или валидацию новых или неапробированных конструкций труб;
- валидацию методологии проектирования изготовителя для новой конструкции трубы.
10.2.2 Требования к используемой изготовителем методологии проектирования определены в
ГОСТ Р 59309. В методологии проектирования следует предусматривать оценку разрушающей нагрузки для конкретного испытания опытного образца.
10.2.3 Основой для снижения требований к испытанию опытного образца является необходимость повышения уровней достоверности методологии проектирования. Все выполняемые испытания следует использовать для валидации методологии проектирования. Вполне допустимо использовать проверенные аналитические методы для экстраполяции соответствующих результатов испытаний, принимая во внимание изменение параметров, рассматриваемых в рекомендациях
раздела 10.
10.3 Классификация испытаний опытного образца
Испытания опытного образца разделяются на три класса следующим образом:
- класс I - стандартные испытания опытного образца как наиболее часто используемые;
- класс II - специальные испытания опытного образца, проводимые регулярно для подтверждения специальных аспектов технических характеристик, таких как условия установки и эксплуатации;
- класс III - испытания, проводимые только для подтверждения эксплуатационных характеристик трубы.
В
таблице 19 перечислены испытания, которые проводятся в соответствии с данной классификацией. Нагрузки, применяемые в динамических испытаниях на усталость, указанные как испытания класса II, могут быть отдельными или комбинированными. Выбор зависит от условий применения; рекомендуется проведение испытания на комбинированные изгибающие и осевые нагрузки.
Таблица 19
Классификация испытаний опытного образца
Класс | Тип | Описание | Условия испытаний/комментарии |
I | Стандартные испытания опытного образца | Испытания на давление разрыва | Прямолинейного трубопровода |
Испытания на осевое растяжение | При атмосферном давлении |
Испытание на смятие | С перфорированной или отсутствующей наружной оболочкой |
II | Специальные испытания опытного образца | Динамическое испытание на усталость | Испытания на изгиб, растяжение, кручение, циклические изменения давления, изгиб с вращением или комбинированные усталостные испытания на изгиб и растяжение |
Испытание на прочность на раздавливание | Испытания в условиях укладки |
Комбинированное испытание на изгиб и растяжение | Испытания в условиях укладки |
Испытания на эксплуатацию в кислой среде | Определение деструкции стальной проволоки |
Испытание на огнестойкость | - |
Испытания на эрозию | Определение деструкции каркаса |
Испытания TFL | Включает также испытание с использованием внутритрубного снаряда |
Вакуумное испытание | Испытание прочности сцепления для труб многослойной структуры со связующими слоями |
Испытания керосином | Определение проникновения или утечки углеводородов через внутренний слой трубы |
Испытания на адгезию | Проверка прочности сцепления труб многослойной структуры со связующими слоями |
Натурные испытания на вспучивание | Определение применимости труб многослойной структуры со связующими слоями для добычи газа |
III | Испытания для определения характеристик и другие испытания опытного образца | Испытание на сопротивление изгибу | До MBR (неразрушающее) |
Испытание жесткости при кручении | До допустимого крутящего момента (неразрушающее) |
Испытание на абразивное истирание | Испытание на наружное истирание |
Испытание на резкое падение давления | - |
Испытание на осевое сжатие | Прочность на обратный выгиб и сжатие |
Испытание термических характеристик | В сухом и затопленном состоянии |
Температурные испытания | Циклическое воздействие высоких и низких температур |
Испытания в арктических условиях | Испытания при низких температурах |
Испытания на воздействие погодных условий | Стойкость к UV |
Испытания на конструкционное демпфирование | Испытания для определения характеристик |
| | ИС МЕГАНОРМ: примечание. В официальном тексте документа, видимо, допущена опечатка: пункт 9.7 отсутствует. Возможно, имеется в виду пункт 10.7. | |
Процедуры испытаний класса I и класса II приведены в
10.6 и
9.7 соответственно. Следует предусматривать, чтобы процедуры испытаний класса III соответствовали техническим условиям заказчика или изготовителя.
10.4 Требования к испытанию
10.4.1 Общие сведения
В требованиях к испытаниям опытного образца следует учитывать, является ли конструкция трубы новой или испытания относятся к новым условиям применения, а также каковы критические режимы разрушения и их последствия. Кроме того, следует рассматривать масштабные ограничения и применимые испытания. Эти положения рассматриваются в
10.4.2 - 10.4.5.
10.4.2 Новая конструкция трубы
10.4.2.1 Новая конструкция трубы определяется изменением условий применения трубы и процессом изготовления трубы (конструктивные слои, оболочка, работающая под давлением или концевой фитинг).
10.4.2.2 Таблицы 20 и
21 соответственно, определяют модификации конструкции и условия применения гибкого трубопровода, а также рекомендации по испытаниям опытного образца. Требования к испытаниям опытного образца новой конструкции в значительной степени зависят от условий применения, и это следует учитывать. Например, существует различие между условиями применения статического выкидного трубопровода низкого давления и райзера высокого давления.
Таблица 20
Модификации конструкции гибкого трубопровода
N п/п | Модификация конструкции | Рекомендация по требованию для испытаний опытного образца |
1 | Внутренний/наружный диаметр | Необходимо при изменениях квалифицированных ранее конструкций для верификации путем испытаний опытного образца; см. 10.4.4 |
2 | Число и порядок слоев | Необходимо только для значительных изменений в конструктивных слоях |
3 | Конструкция металлического слоя | Необходимо при существенном изменении профиля поперечного сечения или типа материала. Требуется квалификация материала |
4 | Полимерные/эластомерные слои | Необходимы только квалификационные испытания материала |
5 | Угол намотки | Применимо только для изменений угла  , выходящих за следующие пределы, где  измеряется относительно продольной оси: - каркас или армирование, обеспечивающее стойкость к давлению (многослойная структура без связующих слоев):  ; - армирующие слои на растяжение (многослойная структура без связующих слоев) и усиливающие слои (многослойная структура со связующими слоями):  |
6 | Концевой фитинг | Необходимо при изменениях конструкции концевого фитинга, в частности: - замена системы крепления армирующего слоя; - замена эпоксидного материала; - замена внутренней/наружной системы гидравлического уплотнения (крепление наружной оболочки/внутреннего слоя) |
7 | Лубрикант (многослойной структуры без связующих слоев) | Необходима квалификация материала |
Примечание - Приведенные выше рекомендации могут отличаться для разных условий применения, например выкидных трубопроводов и райзеров. |
Таблица 21
Изменение условий применения гибкого трубопровода
N п/п | Изменение условий применения трубы | Требования к испытанию опытного образца |
1 | Транспортируемый флюид | Обычно не требуется. Совместимость с транспортируемым флюидом обычно определяется при испытании материала. При этом для необычных условий транспортируемых флюидов могут потребоваться испытания опытного образца. В частности, при испытаниях опытного образца требуется рассматривать следующее: - применение в условиях кислой и коррозионной сред; - применение в условиях высоких или низких температур; - применение в условиях высокого давления |
2 | Срок эксплуатации | Не требуется для статических условий применения, поскольку испытания материалов обычно более приемлемы. Не требуется для динамических условий применения, если результаты предыдущих испытаний можно экстраполировать на требуемый срок эксплуатации |
3 | Окружающая среда | В зависимости от условий окружающей среды. Не требуется, если можно выполнить интерполяцию результатов предыдущих испытаний |
10.4.3 Режимы разрушения
В требованиях к испытаниям опытного образца следует рассматривать критичность и последствия разрушения трубы. В частности, следует идентифицировать возможные дефекты, последствия таких дефектов и причины их возникновения. В
таблице 22 приведены испытания опытного образца, которые могут быть использованы для верификации конструкции трубы на наличие некоторых потенциальных дефектов и режимы разрушения. Эту таблицу следует использовать при определении требований к испытаниям опытного образца.
Таблица 22
Возможные режимы разрушения гибких труб и соответствующие
наиболее важные испытания опытного образца
Компонент трубы | Режим разрушения | Испытание опытного образца |
Каркасный слой | 1) Режимы разрушения при смятии: | |
- под действием наружного и/или давлений; | Испытание на смятие. |
- под действием давления армирующего слоя; | Испытание на растяжение. |
- под действием нагрузок при установке. | Комбинированное испытание на изгиб и растяжение, испытание на прочность на раздавливание. |
2) Износ. | Испытание на эрозию. |
3) Разрушение материала | Испытания материалов |
Оболочка, работающая под давлением, или внутренний слой труб многослойной структуры со связующими слоями | 1) Разрушение под действием давления. | Испытание на разрыв от внутреннего давления. |
2) Продавливание за счет ползучести. | Испытание на разрыв от внутреннего давления и температурное испытание. |
3) Разрушение материала. | Испытания материалов. |
4) Износ. | Испытание на эрозию. |
5) Усталость | Динамическое испытание на усталость |
Конструктивные слои | 1) Конструктивное разрушение под действием нагрузок: | |
- натяжение; | Испытание на растяжение. |
- сжатие; | Испытание на осевое сжатие. |
- давление. | Испытание на разрыв от внутреннего давления. |
2) Износ и усталость. | Динамическое испытание на усталость. |
3) Выпучивание. | Испытание на осевое сжатие. |
4) Склеивание/расслоение эластомеров. | Испытание на адгезию. |
5) Разрушение материала | Испытания материалов |
Изолирующие слои | 1) Нарушение изоляции из-за затопления. | Испытание термических характеристик. |
2) Разрушающие нагрузки при установке | Испытание на прочность на раздавливание |
Концевой фитинг | 1) Вытягивание оболочки, работающей под давлением/внутреннего слоя. | Температурное испытание. |
2) Крепление армирующего слоя. | Динамическое испытание, испытание на растяжение. |
3) Разрушение эпоксидного материала | Динамическое испытание, температурное испытание |
10.4.4 Масштабирование результатов испытаний
10.4.4.1 Масштабирование результатов испытаний может использоваться для верификации группы гибких трубопроводов, которые представлены в
таблице 1 и
таблице 2. Уровни расчетных напряжений относительно механических свойств материала следует определять на основе одинаковых критериев в использовании или накопленном усталостном повреждении. Рекомендуются следующие условия для масштабирования результатов испытаний:
- испытываемая труба может быть использована для квалификации труб, имеющих равное или более низкое номинальное давление;
- испытание одной трубы из группы продуктов распространяется на трубы с внутренним диаметром на 5,08 см больше или меньше, чем размер испытанной трубы;
- диапазон температур, верифицируемых испытанием гибких трубопроводов, может включать все значения температуры, которые полностью входят в диапазон эксплуатации конкретного транспортируемого продукта;
- применяются стойкие к транспортируемой среде материалы внутренней оболочки гибких трубопроводов.
10.4.4.2 Сравнительное масштабирование также может быть основано на произведении давления на внутренний диаметр (P·Di), при этом испытываемая труба квалифицирует трубы с более низкими значениями P·Di, с учетом ограничений по внутреннему диаметру.
10.4.5 Применимые испытания опытного образца
10.4.5.1 В
10.4.5 описаны испытания опытного образца, которые применимы к модификациям конструкции и изменениям условий применения, перечисленным в
10.4.2. В
таблицах 23 и
24 перечислены требования к испытаниям опытного образца класса I и класса II соответственно, как определено в
таблице 19. Эти требования относятся к рекомендациям, приведенным в
10.4.2 - 10.4.4, включительно.
Таблица 23
Рекомендации по испытаниям опытного образца класса I
Модификация конструкции или изменение условий применения | Рекомендуемые испытания опытного образца класса I |
Разрыв | Растяжение | Смятие |
Внутренний/наружный диаметр | X | X | X |
Число или порядок слоев | X | X | - |
Внутренний каркас | - | - | X |
Внутреннее давление | X | - | X |
Армирующий слой, обеспечивающий стойкость к давлению | X | - | X |
Армирующий слой, работающий на растяжение | - | X | - |
Угол намотки | X | X | - |
Конструкция концевого фитинга | X | X | - |
Таблица 24
Рекомендации по испытаниям опытного образца класса II
Модификация конструкции или изменение условий применения | Рекомендуемые испытания опытного образца класса II |
Новая конструкция или более сложные условия динамических нагрузок | Динамическое испытание на усталость |
Новая система установки или глубина воды | Испытание на прочность на раздавливание |
Установка новой конструкции или на большей глубине с использованием горизонтальной схемы укладки | Комбинированное испытание на изгиб и растяжение |
Эксплуатация в условиях кислой среды | Испытания на эксплуатацию в кислой среде |
Критические требования к огневой защите и неиспытанная конструкция | Испытание на огнестойкость или расчетное время выживания при пожаре |
Значительный вынос песка при эксплуатации и серьезные последствия разрушения | Испытание на эрозию |
10.4.5.2 При изменении транспортируемого флюида, срока эксплуатации или окружающей среды не требуется проведение испытаний опытного образца класса I, но могут потребоваться испытания материалов в соответствии с
ГОСТ Р 59309 и
ГОСТ Р 59306.
10.5.1 Образец для испытаний
10.5.1.1 Испытания опытного образца следует выполнять с использованием полноразмерных продуктов, которые представляют заданные размеры соответствующих компонентов конечного продукта, подлежащего верификации. Это не относится к длине гибкой трубы, за исключением концевых фитингов. Минимальная длина, за исключением концевых фитингов, должна составлять не менее 3 м или 10·Di, кроме случаев, когда для образцов для испытаний следует выполнять испытания FAT.
10.5.1.2 Размеры трубы, предназначенной для испытания опытного образца, должны находиться в пределах диапазона допусков на размеры, указанные для стандартной изготавливаемой трубы.
10.5.1.3 Необходимо обеспечивать, чтобы образцы для испытаний представляли фактический продукт в заводском исполнении, с учетом проектных и технологических процедур. Следует рассматривать возможные различия между образцом и изготовленной трубой, если образец подготовлен с частичным использованием ручных процедур (например, не из производственного цикла). Рассмотрение этого может быть необходимо при воспроизведении некоторых критических результатов испытаний на образцах продукции для верификации производственного оборудования и технологий.
10.5.1.4 Все испытания следует выполнять с установленными концевыми фитингами, идентичными тем, которые использовались при квалификации продукции.
10.5.2 Испытательное оборудование
Все испытательное оборудование и контрольно-измерительные приборы следует регулярно калибровать, не реже одного раза в год. Действующий сертификат и сертификаты калибровки для всех видов испытательного оборудования следует включать в протокол испытаний.
10.5.3 Методика испытаний
10.5.3.1 Если во время испытаний значения параметров (например, температура или давление) должны быть постоянными, значения параметров следует стабилизировать до начала испытаний. Стабилизация для параметров давления и температуры определяется следующим образом:
- изменение давления в течение 1 ч в пределах +/- 1% давления испытания;
- изменение температуры в течение 1 ч в пределах +/- 2,5 °C температуры испытания.
10.5.3.2 Изготовителю следует оценивать необходимость предварительного воздействия циклического давления на образец до начала испытаний, если подгонка конструкции (приработка) может повлиять на результаты. Например, при испытании на предельное внутреннее давление, где необходимы измерения деформации, обычно достаточны минимум три цикла (от нуля до давления испытания), выполненные следующим образом:
- первый цикл для подгонки конструкции (приработки);
- второй цикл для точных измерений;
- третий цикл для проверки измерений второго цикла.
10.5.3.3 Требования к приложению нагрузки различны для разных типов испытаний и рассматриваются в описаниях конкретных испытаний. Следует обеспечивать, чтобы скорость приложения нагрузки соответствовала скорости в условиях заводских приемочных испытаний и приемочных испытаний на месте установки, во время монтажа и в условиях эксплуатации. Следует обеспечивать, чтобы максимальная скорость приложения нагрузки не превышала 5% от предполагаемой максимальной нагрузки в минуту.
10.5.4 Проверка после испытаний
В случаях, когда происходит разрушение образца, следует выполнить рассечение трубы. Оценку разрушения и аномалии оформляют документально. Все соответствующие элементы следует сфотографировать. В протокол проверки включают состояния любых обнаруженных в испытанном образце повреждений и указывают, являются ли эти повреждения результатом нарушения критериев проектирования.
10.5.5 Документация
10.5.5.1 Перед испытаниями изготовитель обязан подготовить для заказчика детальное описание технологии испытаний, в которую следует включать, как минимум, следующие элементы:
- тип проводимых испытаний;
- программу и продолжительность испытаний;
- описание испытаний (включая схемы и параметры комплекта оборудования);
- тип и размер образцов для испытаний;
- описание оборудования (включая точность, калибровку и чувствительность);
- формы представления данных для заполнения во время испытаний;
- критерии приемки;
- прогнозируемые результаты и режимы разрушений, где применимо;
- перечень методик контроля качества;
- документально оформленные размеры и прочность материала в заводском исполнении.
10.5.5.2 После проведения испытаний изготовителю следует предоставить заказчику для утверждения детальный протокол испытаний. В протокол испытаний включают как минимум следующее:
- полученные данные и окончательные результаты;
- протокол проверки после испытаний;
- результаты сопоставления прогнозируемых и полученных значений;
- выводы.
10.5.6 Доступность результатов
Следует обеспечить, чтобы все результаты испытаний были доступны для верификации. Испытания проводят таким образом, чтобы результаты и протоколы испытаний могли быть приняты вместо проведения повторных испытаний для других условий применения.
10.5.7 Промежуточные результаты
Результаты всех испытаний, включая результаты промежуточных этапов, следует сравнивать с аналитическими результатами из программы проектно-конструкторских работ изготовителя. Следует рассмотреть возможные несоответствия и сообщить о них заказчику. Если возможно, промежуточные результаты также используют для определения таких свойств трубы, как осевая жесткость или жесткость на изгиб.
10.5.8 Достоверность результатов испытаний
Результаты испытаний являются достоверными, кроме случаев, когда значительные изменения процесса (методики испытаний, конструкции или технологии изготовления) делают эти результаты недействительными.
10.5.9 Ускоренные испытания
10.5.9.1 Ускоренные испытания могут проводиться путем повышения, по согласованию с заказчиком, следующих параметров:
- частоты циклов;
- внутреннего давления;
- амплитуды перемещения;
- температуры.
10.5.9.2 Изготовитель должен предусматривать, что при ускоренных испытаниях изменение параметров не окажет существенного влияния на результаты испытаний.
10.5.10 Многократные испытания
Отдельные образцы могут подвергаться многократным испытаниям без разрушения образцов (например, испытания на изгиб, на жесткость при кручении и FAT), выполняемым до испытаний с разрушением образца. Необходимо тщательно оценивать последовательность испытаний, чтобы не допустить влияния результатов предыдущих испытаний на результаты последующих испытаний.
10.5.11 Повторяемость результатов
При испытании отдельных образцов следует определять пределы квалификационных требований к проектным параметрам и параметрам допусков на изготовление, которые влияют на технические характеристики и которые следует учитывать при определении допустимых условий применения. При применении результатов испытаний в процессе проектирования и расчета используют значения критических параметров.
10.6 Процедуры. Типовые испытания опытного образца
10.6.1 Общие сведения
В
10.6.2 - 10.6.4 приведены описания процедуры типовых испытаний класса I для опытного образца, т.е. испытания на разрыв от внутреннего давления, на растяжение и на смятие.
10.6.2 Испытание на разрыв от внутреннего давления
10.6.2.1 Описание
На
рисунке 23 показана установка для испытания на разрыв от внутреннего давления. Испытание на разрыв от внутреннего давления следует проводить на образце прямой конфигурации. Необходимо обеспечить, чтобы минимальная длина образца для испытаний без концевых фитингов составляла либо двойную длину шага наружных армирующих проволок/кордов для прямой конфигурации, либо тройную длину шага наружных армирующих проволок для изогнутой трубы. В качестве испытательного флюида, как правило, используется вода.
1 - устройство измерения линейных размеров; 2 - образец;
3 - термопара (по усмотрению); 4 - горячая вода
(по усмотрению) 60 °C; 5 - вода при температуре
окружающей среды; 6 - счетчик и контроллер
(по усмотрению); 7 - циркуляционный насос
(по усмотрению); 8 - насос; 9 - датчик давления;
10 - датчик температуры
Рисунок
23 - Схема установки для испытания на разрыв
от внутреннего давления
10.6.2.2 Процедура
Требования к цикличности измерения давления (см.
10.5.3) следует рассмотреть до начала испытаний на разрыв. Первые 50% ожидаемой нагрузки должны прикладываться с максимальной скоростью 1%/с без выдержки до приложения оставшейся нагрузки со скоростью 5%/мин без выдержки. Разрушение определяется по внезапному падению давления. Необходимо зарегистрировать давление разрыва, режим и место разрушения. Во время испытания следует контролировать внутреннее давление, скручивание и удлинение трубы.
10.6.2.3 Критерии приемки
10.6.2.4 Дополнительные условия
Следует выполнить оценку влияния растяжения и изгиба на давление разрыва.
10.6.2.5 Альтернативные решения
Испытание на разрыв от внутреннего давления может проводиться для образца, изогнутого до его проектного MBR.
10.6.3 Испытание на осевое растяжение
10.6.3.1 Описание
На
рисунке 24 показана установка для испытания на осевое растяжение. Испытание на осевое растяжение следует выполнять на незаполненном образце с возможностью скручивания. Важно обеспечить, чтобы минимальная длина образца для испытаний без концевых фитингов составляла двойную длину шага наружных армирующих проволок/кордов. Для контроля уменьшения внутреннего диаметра во время испытаний допускается использовать одно или несколько средств очистки и диагностирования.
a) Испытание на растяжение с возможностью скручивания
b) Испытание на растяжение без возможности скручивания
1 - датчик растяжения; 2 - натяжной домкрат; 3 - датчики
угла поворота; 4 - датчики относительного удлинения;
5 - вертлюг; 6 - направляющие устройства поступательного
перемещения; 7 - соединительная тяга
Примечания
1 Испытание может проводиться при температуре окружающей среды, проектном давлении или при наличии обоих условий.
2 Датчики деформации используются по усмотрению. Если они используются, они показывают только состояние поверхности или состояние слоя, на котором они установлены. Они не предназначены для представления общего напряженного состояния трубы.
Рисунок
24 - Схема установки для испытания
на осевое растяжение
10.6.3.2 Процедура
Один конец образца закрепляется, а к другому концу прикладывается растягивающая нагрузка со скоростью, указанной в
10.5.3. Следует обеспечивать такое воздействие нагрузки, чтобы не допускать динамического усиления. Действие нагрузки следует завершить примерно в течение 5 мин. Следует зарегистрировать разрушающее растяжение, режим и место разрушения. Дополнительно постоянно регистрируют действующую нагрузку, удлинение и скручивание образца. Разрушение определяют по падению нагрузки или резкому удлинению.
10.6.3.3 Критерии приемки
Требуется, чтобы измеренное разрушающее растяжение превышало проектные требования, определенные в
ГОСТ Р 59309 и
ГОСТ Р 59306. Не должно происходить разрушение самого концевого фитинга или разрушение в результате вытягивания армирующей проволоки/слоя из концевого фитинга.
10.6.3.4 Дополнительные условия
Необходимо выполнить оценку влияния внутреннего давления и крепления концов для предотвращения скручивания на разрушающее растяжение.
10.6.3.5 Альтернативные решения
Испытания на осевое растяжение могут быть выполнены для трубы, заполненной водой, при проектном или более низком внутреннем давлении. В этом случае во время испытания следует непрерывно контролировать внутреннее давление, при этом внезапное падение давления (указывающее на повреждение внутреннего уплотнения) или снижение растягивающей нагрузки рассматривается как разрушение образца. Испытание также может выполняться для образца с закреплением концов, препятствующим скручиванию.
10.6.4 Испытание на смятие
10.6.4.1 На
рисунке 25 показана установка для испытания на смятие. Испытательное оборудование следует располагать таким образом, чтобы концевые фитинги (или загерметизированные концевые заглушки) не подвергались воздействию наружного давления или, если подвергаются, чтобы между двумя концами была установлена жесткая штанга для компенсации нагрузок на концевые заглушки. Жесткая штанга может не потребоваться, если изготовитель подтвердит, что конструкция трубы соответствует требованиям сжимающих нагрузок. Проводят испытания с образцом прямой конфигурации. Следует использовать образец, минимальная длина которого без учета концевых фитингов составляет 5·D.
b) Установка 2
1 - датчик давления; 2 - устройство для измерения объема;
3 - источник давления
<b>
--------------------------------
<a> Образец трубы в установке 1 имеет повышенную жесткость в осевом направлении.
<b> Емкость под давлением и источник давления должны быть в состоянии работать при давлении смятия трубы.
Рисунок 25 - Схема установки для испытания на смятие
Перед проведением испытания снимают или перфорируют наружную оболочку, чтобы вода могла проникнуть в кольцевое пространство до начала испытаний. Внутреннее давление в образце должно быть равно давлению окружающей среды, при этом образец может быть пустым или заполненным (частично или полностью) водой. Обычно в качестве испытательного флюида используется вода. Нет необходимости, чтобы образец включал армирующие слои на растяжение или наружную оболочку. Если образец имеет промежуточные слои, их также следует удалить или перфорировать, кроме случаев, когда основой конструкции трубы является непроницаемая промежуточная оболочка.
10.6.4.2 Процедура
Внешнее давление может прикладываться со скоростью максимум 10,34 МПа/мин до разрушения трубы. Разрушение определяется по резкому изменению объема, или, в зависимости от используемого оборудования, по резкому падению давления. Следует зарегистрировать давление смятия, режим и место разрушения.
10.6.4.3 Критерии приемки
10.6.4.4 Дополнительные условия
Следует выполнить оценку влияния изгиба и осевого растяжения на давление смятия, включая наружную оболочку.
10.6.4.5 Альтернативные решения
Образец может включать концевые фитинги. Испытание выполняют с герметичной наружной оболочкой или с опорой, не допускающей осевое сжатие трубы. Также испытание допускается выполнять с приложением осевой растягивающей нагрузки.
10.7 Процедуры. Специальные испытания опытного образца
10.7.1 Общие сведения
В
10.7.2 - 10.7.12 приведены рекомендуемые процедуры для испытаний опытных образцов класса II, а именно испытания на динамическую усталость, прочность на раздавливание, комбинированное растяжение с изгибом, эксплуатацию в условиях кислой среды, огнестойкость, эрозию, TFL, вакуум, керосин, сцепление и натурные испытания на вспучивание.
10.7.2 Динамическое испытание на усталость
10.7.2.1 Описание
10.7.2.1.1 На
рисунке 26 показана общая схема программы динамического испытания, включая конструкцию райзера и устройства ограничения изгиба. Типовая испытательная установка показана на
рисунке 27. Образец подвешивают вертикально или растягивают горизонтально от качающегося рычага, который может создавать циклические вращения. Растягивающая нагрузка прикладывается к противоположному концу. Существуют два типа динамических испытаний, моделирование условий эксплуатации и валидация срока эксплуатации на модели. Целью испытания, моделирующего условия эксплуатации, является определение конструкционной целостности верхней секции гибкой трубы, включая концевой фитинг и устройство ограничения изгиба, при смоделированных условиях эксплуатации. Целью валидации срока эксплуатации на модели является приложение нагружения, которое приведет к накоплению повреждения, равному 1,0 на основании анализа срока эксплуатации для конструкционного слоя, обеспечивающее стойкость к давлению или работающее на растяжение.
Примечание - Целью данной технологической схемы является представление проектирования гибкого райзера и элемента жесткости на изгиб и определение динамической квалификационной программы.
--------------------------------
<a> Конструкция элемента жесткости на изгиб может быть изменена для опытного образца с целью изменения уровней напряжений в трубе.
Рисунок
26 - Описание программы динамического испытания
на усталость
Рисунок
27 - Типовая установка для испытания
на динамическую усталость
10.7.2.1.2 Следует выбирать минимальную длину испытательного образца, исключая концевые фитинги, в соответствии со следующим:
a) следует обеспечить, чтобы длина между нижним концевым фитингом и нижней частью устройства защиты от изгиба была не менее чем в три раза больше шага наружных армирующих проволок/кордов;
b) следует обеспечить, чтобы длина между верхним концевым фитингом и верхней частью устройства защиты от изгиба равнялась как минимум одному шагу наружных армирующих проволок, если концевой фитинг не соединен с элементом жесткости на изгиб.
10.7.2.1.3 К обоим концам испытательного образца следует присоединить концевые фитинги и к верхнему концевому фитингу присоединить элемент жесткости на изгиб. В качестве альтернативы допускается испытывать трубу без элемента жесткости на изгиб, если испытательная установка включает надлежащий раструб. Образец подвергают максимальному рабочему внутреннему давлению и консервативной растягивающей нагрузке по отношению к динамическим условиям окружающей среды.
10.7.2.2 Процедура
10.7.2.2.1 Циклическое нагружение верхней части райзера следует разделить на блоки испытаний, каждый с различной угловой амплитудой, частотой и количеством циклов. Изготовителю следует указать частоту для каждого сочетания нагрузок. Обычно частота увеличивается с уменьшением размаха угла. Высокая частота может уменьшить общее время испытания, но вызвать недопустимое увеличение температуры в верхней части райзера из-за трения между слоями. На скорость циклического нагружения влияют локальные условия испытательного участка, включая требования к температуре, оборудованию и охлаждению. Для определения скорости циклического нагружения рекомендуется выполнение термоанализа. В качестве примера, в
таблице 25 приведена типовая программа циклических испытаний.
Таблица 25
Программа динамического испытания образца на усталость
Номер блока | Средний угол, ° | Амплитуда цикла, ° | Минимальный угол, ° | Максимальный угол, ° | Относительное число циклов <a> |
1 | 5,0 | 1,25 | 3,75 | 6,25 | 1,000 |
2 | 5,0 | 2,50 | 2,50 | 7,50 | 0,550 |
3 | 5,0 | 3,75 | 1,25 | 8,75 | 0,250 |
4 | 5,0 | 5,00 | 0,00 | 10,00 | 0,075 |
5 | 5,0 | 7,50 | -2,50 | 12,50 | 0,025 |
6 | 5,0 | 10,00 | -5,00 | 15,00 | 0,010 |
7 | 5,0 | 15,00 | -10,00 | 20,00 | 0,001 |
<a> До перехода к другому блоку испытаний следует прикладывать не более 25% циклов любого блока, содержащего более 1% общего количества циклов. |
10.7.2.2.2 При моделировании условий эксплуатации общее число циклов во всех блоках следует принимать приблизительно от 2·10
6 до 4·10
6. Число циклов в каждом блоке зависит от условий применения (перемещения судна и условий окружающей среды). В
таблице 25 приведен пример относительного распределения циклов по блокам. Следует выбирать сочетания нагрузок так, чтобы наиболее восприимчивый к усталости конструкционный слой накапливал при испытании повреждение, большее или равное повреждению, накапливаемому за весь период эксплуатации. При сравнении повреждения при испытании с повреждением в промысловых условиях следует учитывать различие в среде кольцевого пространства между испытательными и эксплуатационными условиями. Нагрузку следует прикладывать произвольно или группами заданного процентного отношения от всех блоков нагружения. Можно проводить периодический неразрушающий контроль для проверки повреждения конструкционных слоев в зоне изгиба. При валидационном испытании срока эксплуатации на модели прикладывается приблизительно 400 000 циклов с одним размахом угла, натяжением и внутренним давлением. Этот блок выбирается на основе достижения накопленного повреждения 1,0 в слое, наиболее чувствительном к повреждению. На основании результатов оценки эксплуатационного срока службы, условия испытания можно отрегулировать для достижения накопленного повреждения 1,0 в любых конструкционных слоях.
10.7.2.2.3 При испытании, моделирующем условия эксплуатации, последний блок, представляющий наибольшую циклическую амплитуду, обычно представляет экстремальные рабочие условия. Для представления этих условий требуется ограниченное количество циклов, что целесообразно выполнять в конце программы испытания. Блок с наибольшей амплитудой применяется в конце, так как теоретически он может улучшить усталостные свойства трубы из-за деформационного упрочнения армирующих проволок. Если можно показать, что деформационное упрочнение не происходит, то блоки с наибольшими амплитудами могут применяться как в начале, так и в конце испытания для выполнения более консервативного испытания.
10.7.2.2.4 Следует непрерывно регистрировать следующие переменные:
- количество циклов;
- внутреннюю температуру;
- внешнюю температуру окружающей среды;
- внутреннее давление;
- приложенную нагрузку растяжения;
- фактические приложенные углы.
10.7.2.2.5 Окончание первоначального испытания на динамическую усталость определяется как разрушение трубы (или элемента жесткости на изгиб) или, в качестве альтернативы, успешное завершение всех циклов. Если усталостное разрушение трубы не происходит, то затем образец следует подвергнуть испытанию под давлением, равным как минимум 1,25 проектного давления с приложением растягивающей нагрузки. После завершения испытания перед приложением дополнительного динамического нагружения, трубу следует подвергнуть неразрушающему контролю для верификации технического состояния конструкционных слоев. В
таблице 28 приведены предлагаемые методы неразрушающего контроля. При испытании, моделирующем условия эксплуатации, можно продолжить динамическое испытание на усталость при наличии заметного повреждения в одном из конструкционных слоев, которое не привело к разрушению слоя трубы. Оно может быть также продолжено при испытании по валидации срока эксплуатации на модели, если по результатам неразрушающего контроля не было выявлено заметного повреждения.
10.7.2.2.6 Следует провести послойное разрезание испытанного образца для регистрации технического состояния и наличия деструкции конструкции трубы на участке, включая участок с наибольшим изменением кривизны. Слои, в которых имеются признаки повреждения, следует подвергнуть детальному контролю.
10.7.2.3 Критерии приемки. Моделирование условий эксплуатации
Следует предусмотреть, чтобы труба прошла серию испытаний без утечки или разрушения конструкционных слоев трубы, как определено в
таблице 26. При наличии заметного повреждения любого из конструкционных слоев, испытание следует продолжить на дополнительные 25% накопленного повреждения слоя, который имел заметное повреждение. Другие дефекты, которые могут рассматриваться, как влияющие на целостность конструкции трубы, см. в
таблицах 27 и
28. Испытываемая труба, которая прошла испытание, моделирующее условия эксплуатации, может подвергнуться некоторой деструкции слоев относительно их исходного состояния. Приемочные критерии по каждому слою следует четко согласовать между заказчиком и изготовителем до завершения первоначального испытания.
Таблица 26
Критерии приемки. Моделирование условий эксплуатации
Слой | Определение разрушения | Заметное повреждение |
Внутренний каркас | Сквозная трещина в стенке или потеря взаимного сцепления элементов, что может привести к смятию трубы или повреждению оболочки, работающей под давлением, при изгибе трубы до SBR в любой плоскости | Деформация профиля, потеря поперечного сечения |
Армирование, обеспечивающее стойкость к давлению | Сквозная трещина в стенке или потеря взаимного сцепления элементов, что может привести к разрушению оболочки, работающей под давлением, при изгибе трубы до SBR в любой плоскости | Изменение формы профиля, приводящее к уменьшению срока службы ниже срока эксплуатации |
- | Несквозные трещины в стенке на участках с наибольшим переменным напряжением |
Армирование на растяжение | Дисбаланс кручения выше 1°/м в условиях гидроиспытания (один конец свободно поворачивается). | В любом слое разрушено менее 5% армирующих проволок |
Осевая жесткость трубы снизилась на 20% от значения в начале испытания. | - |
В любом слое разрушено более 5% армирующих проволок | - |
10.7.2.4 Дополнительные условия
Результатом данного испытания являются гистограмма искривления, указывающая число циклов на класс без повреждения конструкции трубы, концевого фитинга или элемента жесткости на изгиб, и документация по разрезанию образца. Следует также представить сравнение прогнозируемых и фактических результатов, подготовленных на основе оценки срока эксплуатации. Эта информация может использоваться для оценки ресурса конкретной конструкции райзера для прогнозируемой истории перемещения судна и условий окружающей среды.
10.7.2.5 Альтернативные решения
Целью данного испытания является усталость верхнего соединения райзера. Если другие секции райзера рассматриваются как критические, такие как вертикальное колено райзера или участок касания провисающих райзеров с морским дном, то потребуются альтернативные испытательные установки. В данной конфигурации испытания могут изменяться следующие параметры:
- внутреннее давление;
- внутренняя температура;
- средний угол;
- амплитуда цикла;
- количество циклов.
Дополнительно возможно регистрировать деформацию проволок армирования на растяжение/армирующих кордов наружной оболочки около элемента жесткости на изгиб.
10.7.3 Испытание на прочность на раздавливание
10.7.3.1 Описание
При испытании на прочность на раздавливание определяется пригодность конкретной конструкции для установки с использованием устройств натяжения. Обычно используются три или четыре натяжных ремня.
Испытательная установка должна представлять систему натяжных устройств конкретного установочного судна. Количество ремней и геометрия башмаков должны быть сопоставимы. При приложении растягивающих нагрузок минимальная длина образца должна быть в два раза больше длины шага проволок армирования наружной оболочки.
10.7.3.2 Процедура
Следует установить на испытательную установку образец гибкой трубы пустым, без внутреннего давления. Раздавливающая нагрузка повышается от нуля до 110% проектной несущей способности трубы на сжатие со скоростью не более 1% максимальной нагрузки в секунду (1%/с). Следует поддерживать постоянную сжимающую нагрузку (в пределах +/- 2%) в течение не менее 1 ч. Овальность трубы измеряется в нагруженном состоянии и после полной разгрузки. Испытательные нагрузки следует основывать на нагрузке, предполагаемой в процессе установки, с учетом коэффициента безопасности. Радиальная нагрузка зависит от массы трубы, глубины и других факторов.
10.7.3.3 Критерии приемки
Допустимая овальность трубы в нагруженном состоянии составляет 3%, а в ненагруженном состоянии 0,2%. Значение величины в ненагруженном состоянии может быть увеличено, если в расчетах на смятие использовалось более высокое значение; см.
6.4.2.4.
10.7.3.4 Дополнительные условия
Следует оценить влияние растягивающей нагрузки на прочность гибкой трубы на раздавливание.
10.7.3.5 Альтернативные решения
Испытание на прочность на раздавливание может выполняться с приложением растягивающей нагрузки. Рекомендуется до приложения сжимающей нагрузки прикладывать растягивающую нагрузку, величиной, как минимум равной проектной растягивающей нагрузке при установке со скоростью, не превышающей 1% нагрузки в секунду. Кроме того, сжимающая нагрузка может ступенчато повышаться до тех пор, пока не будет превышен приемочный критерий, чтобы определить максимальную сжимающую нагрузку трубы.
10.7.4 Комбинированное испытание на изгиб и растяжение
10.7.4.1 Описание
10.7.4.1.1 Комбинированное испытание на изгиб и растяжение проводят для верификации установки конкретной конструкции гибкой трубы с горизонтальным расположением. Данное испытание моделирует прохождение трубы по шкиву судна-трубоукладчика. В данном испытании не требуется включение в образец заводских концевых фитингов. Необходимо только, чтобы концевые устройства были способны передавать гибкой трубе растягивающую нагрузку. Повреждение из-за разрезания игнорируют.
10.7.4.1.2 Следует установить образец для испытаний пустым, при атмосферном внутреннем давлении, на специальное устройство, которое имитирует шкив укладки трубы установочного судна с идентичным радиусом изгиба и поперечным профилем. Образец следует также соединить с соответствующим устройством для приложения растягивающей нагрузки. Следует обеспечить, чтобы прямая секция трубы, соединенная с устройством для приложения растягивающей нагрузки, была не менее длины трубы, изогнутой на шкиве.
10.7.4.2 Процедура
10.7.4.2.1 Осевая нагрузка прикладывается до 110% проектного растяжения со скоростью не более 1% проектной нагрузки на растяжение в секунду. Следует принять допустимое изменение проектного растяжения +/- 2%. Эта нагрузка удерживается в течение не менее 1 ч.
10.7.4.2.2 Наружный диаметр трубы измеряется в двух местах через 90° по окружности трубы в изогнутой секции трубы, при этом одно измерение выполняется на контактной поверхности трубы. Растягивающая нагрузка сбрасывается, и измерения трубы повторяются.
10.7.4.3 Критерии приемки
Допускаются следующие изменения наружного диаметра:
- нагруженное состояние: +/- 3%;
- ненагруженное состояние: +/- 1%.
10.7.4.4 Дополнительные условия
Следует оценить влияние на деформацию трубы различных радиусов изгиба шкива и растягивающих нагрузок.
10.7.4.5 Альтернативные решения
После завершения выше описанного испытания растягивающая нагрузка может ступенчато повышаться со скоростью не более 1% проектного растяжения при установке в секунду до тех пор, пока не будет превышен приемочный критерий. Это значение определяет разрушающую растягивающую нагрузку при установке.
10.7.5 Испытание на эксплуатацию в кислой среде
10.7.5.1 Описание
10.7.5.1.1 В дополнение к стендовым испытаниям стальных материалов проволоки/корда для верификации эксплуатационных характеристик при эксплуатации в кислой среде могут также проводиться натурные испытания трубы. Такие испытания допускается использовать для создания реальных условий эксплуатации в кислой среде в кольцевом пространстве трубы (многослойной структуры без связующих слоев), содержащем стальные проволоки, и на поверхности корда трубы (многослойной структуры со связующими слоями), а также для моделирования условий нагружения проволоки при сгибании трубы.
10.7.5.1.2 Данное испытание, как правило, проводят при имитации кольцевого пространства для трубы многослойной структуры без связующих слоев, увлажненного соленой водой для испытания при условии разрушения или пресной водой для моделирования нормальных рабочих условий, принимая, что прекращение работы вызвало конденсацию. Обычно при испытаниях труб многослойной структуры со связующими слоями используются обрезиненные корды.
10.7.5.1.3 Допускается использовать два метода:
a) прямое нагнетание требуемой концентрации H2S/CO2 в кольцевое пространство;
b) нагнетание требуемой концентрации H2S/CO2 в канал трубы и обеспечение достижения равновесного состояния канала/поверхности кордов с использованием проницаемости внутренней оболочки, работающей под давлением.
Примечание - Метод b) применим только для труб многослойной структуры со связующими слоями.
10.7.5.1.4 Для любого случая, приведенного в
10.7.5.1.3, необходимо провести предварительную оценку равновесных состояний канала/поверхности кордов на основе диффузионной/коррозионной модели, согласованной с изготовителем гибкой трубы.
10.7.5.1.5 Вероятно, что для ускорения стабилизации при достижении равновесного состояния в приемлемый промежуток времени (от 2 до 3 мес) в начальный период потребуется искусственное повышение концентрации, за исключением случаев высокой концентрации H2S. Следует также выполнить предварительную оценку процесса стабилизации с использованием диффузионной/коррозионной модели, согласованной с изготовителем.
10.7.5.1.6 При проведении общей квалификации характеристики испытательного флюида моделируют условия эксплуатации для трубной продукции. Испытание следует планировать так, чтобы получить насыщение H2S и CO2 стальных компонентов в кольцевом пространстве или на поверхности корда до уровня, как минимум равного проектному парциальному давлению [в кольцевом пространстве/канале трубы (многослойной структуры со связующими слоями)]. Необходимо обеспечить, чтобы давление внутреннего флюида соответствовало проектному давлению.
10.7.5.1.7 Рекомендуется, чтобы температура флюида составляла приблизительно 25 °C, кроме случаев, если ожидаемая рабочая температура значительно ниже, в таких условиях используют рабочую температуру. Следует обеспечить, чтобы образец для испытаний включал концевые фитинги, идентичные тем, которые предлагаются для применения.
10.7.5.1.8 Предпочтительнее проводить испытания при нагнетании в канал трубы, так как диффузия H2S и CO2 правильно моделирует трубы в условиях эксплуатации.
10.7.5.1.9 Испытания райзеров могут проводиться в два этапа: вначале нагнетание H2S/CO2 при статической трубе, затем, при достижении желаемого равновесия, сгибание трубы с созданием заданных переменных напряжений. Переменные напряжения должны соответствовать блокам размахов напряжений, смоделированным в программе на динамическую усталость и настроенным таким образом, чтобы создать заданный уровень усталостного повреждения в проволоках/кордах.
10.7.5.1.10 После завершения натурного испытания при воздействии динамического изгиба полученное усталостное разрушение можно оценить путем усталостных испытаний на воздухе образцов проволоки для определения "остаточного срока службы". Испытываемую трубу устанавливают в соответствующее устройство для натурного испытания эксплуатации в кислой среде. Это устройство обычно состоит из бетонного бункера или закрытого помещения с вытяжной вентиляцией в соответствии с местным законодательством по безопасности труда и охране здоровья.
10.7.5.2 Процедура
10.7.5.2.1 Воздействие H2S и CO2 на армирующие проволоки/корды гибкой трубы достигается путем прокачивания через образец трубы флюида с предварительно заданной скоростью (вода с растворенными газовыми компонентами через кольцевое пространство или нефть с газовыми компонентами через проходной канал).
10.7.5.2.2 Для определения потребления H2S и CO2 необходим отбор проб флюида на выходе трубы (кольцевого пространства/проходного канала). При прокачивании через проходной канал требуется также отбор проб из кольцевого пространства.
10.7.5.2.3 После достижения равновесия испытательный раствор непрерывно прокачивается в течение заданного периода времени для определения скорости коррозии или усталостных характеристик.
10.7.5.2.4 По завершении испытания на воздействие трубу следует вначале подвергнуть испытанию под давлением, а затем разрезать на сектора.
10.7.5.2.5 В этот момент важно принять решение о необходимости данных испытания на разрыв от внутреннего давления, которые могут быть наиболее подходящими для статических выкидных трубопроводов, или данных по остаточной усталостной долговечности. В последнем случае, который относится к райзерам для применения в динамических условиях, трубу следует разрезать на сектора, а образцы проволоки испытать на стенде на остаточную усталостную долговечность для сравнения с новыми проволоками, не подвергавшимися воздействию.
10.7.5.2.6 Испытание на разрыв от внутреннего давления проводят, повышая давление на 20% проектного значения давления испытания (или с меньшими шагами, если необходимо) с минимальным периодом выдержки 3 ч между шагами. Следует обеспечить, чтобы жидкость в трубе не содержала H2S при соблюдении мер предосторожности для работы с H2S, так как при разрыве происходит освобождение газа.
10.7.5.2.7 Для моделирования динамических условий эксплуатации изгибание трубы целесообразно создавать при установке ее на горизонтальную раму для изгибания. Для контроля искривления может потребоваться установка элементов жесткости на изгиб на одном или двух концах трубы. Изгибание трубы рассчитывают таким образом, чтобы создавать надлежащие нагрузки на растяжение для усталости проволок или армирующих кордов на растяжение на участке максимального искривления трубы в дополнение к реальным нагрузкам в армировании на давление (без связующих слоев).
10.7.5.3 Критерии приемки
10.7.5.3.1 Натурные испытания на эксплуатацию в кислой среде являются ответственной задачей, и их следует рассматривать как часть программы разработки изделия, как часть квалификации изделия для конкретного проекта. Продолжительность испытания со сложной интерпретацией результатов может превысить календарный год.
10.7.5.3.2 Статические испытания трубы допускается оценивать на базе снижения прочности на внутреннее давление во времени из-за коррозии, которая после достижения равновесия принимается линейной во времени. Это относится к условию, что общая коррозия развивается быстрее, чем точечная коррозия. Если имеет место последнее, то средняя глубина и скорость точечной коррозии может использоваться для прогнозирования ожидаемого срока эксплуатации.
Определять динамические испытания трубы достаточно трудно, так как комбинация условий нагружения и коррозионных явлений является еще более сложным явлением. Изготовителю и пользователю следует совместно разработать взаимоприемлемую модель прогнозирования срока эксплуатации.
10.7.5.4 Дополнительные условия
10.7.5.4.1 До испытаний следует принять согласованную с изготовителем и пользователем аналитическую модель скорости коррозии и условий нагружения (включая оценку среды кольцевого пространства и срока службы).
10.7.6 Испытание на огнестойкость
10.7.6.1 Описание
10.7.6.1.1 Целью испытания на огнестойкость является определение времени выживания для гибкой трубы в конкретной пожарной ситуации. Огнестойкость может учитываться при проектировании конструкции трубы или может быть обеспечена с помощью дополнительной пассивной противопожарной защиты.
10.7.6.1.2 Испытание на огнестойкость может выполняться при температуре огня 700 °C и продолжительности пожара 30 мин.
10.7.6.1.3 Трубу испытывают при проектном давлении. Внутренним флюидом трубы может быть вода или другой согласованный флюид. Следует обеспечить неподвижность флюида для моделирования наихудших условий нагружения. В образце для испытаний используют концевые фитинги, предназначенные для эксплуатации.
10.7.6.2 Процедура
10.7.6.2.1 В трубе создается проектное давление. Испытание на огнестойкость следует начать, как только стабилизируется давление. Заданным условиям испытания должны подвергаться как тело гибкой трубы, так и концевые фитинги. Давление, превышающее проектное давление, может сбрасываться.
10.7.6.2.2 Разрушение трубы принимается как падение давления ниже 90% давления испытания. Время выживания определяется как время от начала пожара до разрушения трубы.
10.7.6.3 Критерии приемки
Время выживания должно превышать проектные требования.
10.7.6.4 Альтернативные решения
Температуру пламени устанавливают по наихудшим вероятным условиям пожарной нагрузки. Стандартные значения температуры пламени для горящего факела составляют приблизительно 1 100 °C, а для пожара пролива около 1 000 °C, в частности, для трубы, охваченной пламенем. Если труба не охвачена пламенем, то значения температуры пламени могут составлять от 400 °C до 600 °C.
10.7.7 Испытания на эрозию
10.7.7.1 Описание
10.7.7.1.1 На
рисунке 28 показана типовая установка для испытания на эрозию. Образец для испытаний следует фиксировать с минимальным радиусом изгиба под углом 90°. Значения скорости эрозии возможно определить по уменьшению толщины (локальная скорость эрозии) или по потере массы (средняя скорость эрозии) внутреннего каркаса.
1 - вода; 2 - песок
Рисунок
28 - Пример типовой установки для испытания
на эрозию
10.7.7.1.2 Состав внутреннего флюида должен соответствовать проектным требованиям. Следует учитывать следующее:
- скорость потока;
- содержание песка;
- размер частиц;
- температуру;
- давление;
- содержание коррозионного газа.
10.7.7.2 Процедура
Следует обеспечить, чтобы испытательный флюид циркулировал в гибкой трубе не менее семи дней. После завершения испытания измерение эрозии следует выполнять как минимум в пяти точках вокруг изгиба (рекомендуемые точки измерения: 0°, 15°, 30°, 45° и 90°).
10.7.7.3 Критерии приемки
Скорость эрозии должна соответствовать проектным требованиям к трубе и сроку ее эксплуатации.
10.7.7.4 Дополнительные условия
Следует оценить влияние состава испытательного флюида, скорости потока и радиуса изгиба трубы.
10.7.7.5 Альтернативные решения
Для определения скорости эрозии при воздействии коррозии можно испытать влияние коррозионных флюидов на скорость эрозии.
10.7.8 TFL-испытание
10.7.8.1 Целью TFL-испытания является верификация того, что закачиваемые инструменты TFL надлежащим образом проходят через гибкую трубу, и определение скорости износа гибкой трубы из-за неоднократного прохождения инструмента. Испытательная установка моделирует процесс прохождения трубы TFL с использованием гибкой трубы длиной 45,72 м.
10.7.8.2 Труба соединяется с насосной и манифольдной установкой, которая обеспечивает измеряемую гидравлическую энергию и средства изменения направления флюида в трубе. Гибкая труба укладывается в двух конфигурациях: в форме широкой "U" с радиусом изгиба 3,66 м и в форме узкой "U" с радиусом изгиба 1,52 м (измеренные от осевой линии).
10.7.8.3 Перед соединением в трубу вводится закачиваемая инструментальная колонна TFL. Следует обеспечить, чтобы инструментальная колонна TFL состояла из четырех "поднимающих" движителей, четырех "опускающих" движителей и спускаемого инструмента. Спускаемым инструментом может быть оправка TFL или два шаблона с "острыми заплечиками", в которых подпружиненные шплинты первого шаблона ориентированы на 90° относительно шплинтов второго шаблона. Оба спускаемых инструмента следует циклически пропускать через обе испытательные конфигурации трубы несколько раз.
10.7.8.4 Необходимо, чтобы инструментальная колонна TFL с оправкой свободно проходила через трубу в любом направлении. После завершения испытаний проверяют инструментальные колонны и внутреннюю поверхность трубы на наличие нежелательного износа или повреждения.
10.7.8.5 Если известны специализированные спускаемые инструменты (такие как скребок для очистки от парафина, зонд для размыва песка или инструмент "для установки газлифтной арматуры"), то эти инструменты также рекомендуется пропускать через испытательную петлю.
10.7.9 Вакуумное испытание
10.7.9.1 Описание
10.7.9.1.1 Вакуумное испытание предназначено только для гибких труб многослойной структуры со связующими слоями. Целью вакуумного испытания является определение соответствия прочности сцепления внутреннего слоя с другими слоями трубы.
10.7.9.1.2 Вакуумное испытание не применимо к трубам, в которых используется внутренний стальной взаимосвязанный каркас. Кроме того, вакуумное испытание может быть практически невыполнимым для труб длиной более 11 м или труб малого диаметра.
10.7.9.2 Процедура
10.7.9.2.1 Вакуумное испытание проводят при давлении 85 кПа по манометру и выдержке 10 мин.
10.7.9.2.2 На одном из концов испытательного образца следует оборудовать прозрачное пластмассовое окно, чтобы можно было выполнять визуальный контроль внутренней поверхности с применением надлежащего источника света с лучом на одном конце, направленным на другой конец.
10.7.9.3 Критерии приемки
10.7.9.3.1 Не должно быть смятия внутреннего слоя, нарушения адгезии между слоями в теле трубы, вспучиваний и других видов деформации.
10.7.9.3.2 Трубу следует проверять на наличие любых наружных и внутренних деформаций.
10.7.9.4 Альтернативные решения
Это испытание можно проводить в течение 24 ч после испытания керосином для определения сопротивления трубы проникновению и перемещению флюидов или газов. Вакуумное испытание "вытягивает" керосин из тела трубы, если произошло значительное его проникновение или миграция.
10.7.10 Испытание керосином
10.7.10.1 Описание
10.7.10.1.1 Настоящее испытание опытного образца предназначено только для гибких труб многослойной структуры со связующими слоями. Целью испытания керосином является обнаружение какого-либо проникновения или утечки углеводородной жидкости через внутренний слой трубы.
10.7.10.1.2 Дополнительно, для обнаружения любого остаточного керосина, который мог проникнуть в тело трубы, сразу после данного испытания проводят вакуумное испытание.
10.7.10.1.3 Настоящее испытание в первую очередь предназначено только для гибких труб многослойной структуры со связующими слоями без внутреннего взаимосвязанного стального каркаса.
10.7.10.2 Процедура
| | ИС МЕГАНОРМ: примечание. Текст дан в соответствии с официальным текстом документа. | |
10.7.10.2.1 Трубу следует укладывают прямо и заполняют керосином, удалив весь воздух. Затем в трубе следует повысить давление до проектного значения и выдерживать при этом давлении в течение 24 ч.
10.7.10.2.2 До начала проведения испытания необходимо предусмотреть циклическое изменение давления для облегчения стабилизации давления в течение 24 ч.
10.7.10.3 Критерии приемки
Через 24 ч следует сбросить давление в трубе, удалить содержимое, высушить и обследовать на наличие каких-либо вздутий, утечек или отделения внутреннего слоя от каркаса или от концевого фитинга.
10.7.10.4 Дополнительные условия
До испытаний следует подготовить аналитическую модель проникновения флюидов или газов, согласованную с изготовителем и потребителем.
10.7.10.5 Альтернативные решения
После завершения испытания керосином проводят вакуумное испытание для дальнейшего обнаружения проникновения и миграции флюидов или газов в тело трубы.
10.7.11 Испытание на адгезию
10.7.11.1 Описание
10.7.11.1.1 Данное испытание опытного образца предназначено только для гибких труб многослойной структуры со связующими слоями. Испытание на адгезию используется для верификации прочности связей в изготовленной трубе.
10.7.11.1.2 Испытания на адгезию проводят на образцах, изготовленных из материалов, взятых из реального производственного процесса, и на образцах, представляющих каждый десятый шланг соответственно (в случае заданных длин).
10.7.11.1.3 Следует обеспечить, чтобы образцы имели такое же поперечное сечение, что и изготавливаемая труба, и были изготовлены в то же время, что и изготавливаемая труба, или по согласованию между заказчиком и изготовителем. Для облегчения данного испытания опытный образец может включать корды армирующего слоя, намотанные в радиальном направлении (т.е. угол свивки 90° к продольной оси трубы). Отверждение следует выполнять в условиях, аналогичных изготавливаемой трубе.
10.7.11.2 Процедура
Испытания на адгезию выполняют по
ГОСТ ISO 36 с использованием образцов штрипсов.
10.7.11.3 Приемка
Измеренная адгезионная прочность должна быть не меньше 6 Н/мм.
10.7.12 Натурное испытание на вспучивание
10.7.12.1 Описание
10.7.12.1.1 Натурное испытание на вспучивание выполняют для определения пригодности конкретной конструкции трубы для эксплуатации в среде, содержащей газ, и таким образом квалифицируют материалы, используемые при эксплуатации.
10.7.12.1.2 Давление, скорость сброса давления, температура и тип флюида должны соответствовать условиям эксплуатации. Предпочтительнее использовать инертный газ с молекулярной структурой, аналогичной ожидаемому транспортируемому газу, и с минимальным содержанием CO2 5%.
10.7.12.1.3 Необходимо, чтобы испытываемая труба была длиной не менее 3 м, включая концевые фитинги, или длиной, достаточной для исключения какого-либо положительного влияния концевых фитингов на результаты.
10.7.12.2 Процедура
10.7.12.2.1 Изготовителю следует иметь документально оформленные процедуры для обеспечения того, что испытательный газ заполнит 100% внутреннего объема трубы. После заполнения трубы испытательным газом следует постепенно повышать давление до проектного давления со скоростью не более, чем в испытательной процедуре изготовителя, и выдерживать для стабилизации в течение не менее 2 ч. Если необходимо, давление должно считаться стабилизированным при падении давления меньше чем на 1% в течение 1 ч. Для обеспечения стабилизации циклически восстанавливают давление до этого значения. Затем трубу следует выдерживать при этом давлении для обеспечения насыщения тела трубы газом в течение периода времени не меньше, чем указано в испытательной процедуре изготовителя.
10.7.12.2.2 После достижения насыщения тела трубы следует сбросить давление в трубе со скоростью, равной ожидаемой скорости сброса давления или же минимум 7000 кПа/мин.
10.7.12.2.3 Процедуры, приведенные в
10.7.12.2.1 и
10.7.12.2.2, следует повторять согласно предполагаемому количеству циклов или минимум 60 циклов.
10.7.12.3 Критерии приемки
После завершения испытания концевые фитинги отрезают от испытанной трубы, тело трубы разрезают пополам в продольном направлении, а половину оболочек разрезают в радиальном направлении приблизительно на три равные длины. Следует удалить каркасный слой для обнажения поверхности эластомера под ним. Необходимо, чтобы при проверке всех поверхностей шести отобранных образцов без увеличения в эластомерных слоях не должно быть признаков расслоения, вспучивания или пустот.
10.7.12.4 Дополнительные условия
Время пропитывания следует рассчитывать на основе измеренной проницаемости эластомера рассматриваемым газом.
10.7.12.5 Альтернативные решения
В качестве альтернативы этому испытанию, допускается проводить лабораторные испытания на сопротивление вспучиванию, учитывающие проектные требования, относящиеся, в частности, к состоянию флюида, давлению, температуре, количеству и скорости сброса давления.
Кроме того, после завершения натурных испытаний на вспучивание часть опытного образца может использоваться для измерения адгезии эластомера к концевому фитингу. Натурное испытание на вспучивание может проводиться для трубы в программе натурного испытания на усталость.
| | ИС МЕГАНОРМ: примечание. В официальном тексте документа, видимо, допущена опечатка: имеется в виду ГОСТ Р 59309, а не ГОСТ 59309. | |
11.1.1 Гибкие трубные системы многослойной структуры без связующих слоев изготавливают в соответствии с положениями настоящего раздела с учетом
ГОСТ 59309.
| | ИС МЕГАНОРМ: примечание. В официальном тексте документа, видимо, допущена опечатка: имеется в виду ГОСТ Р 59306, а не ГОСТ 59306. | |
11.1.2 Гибкие трубы многослойной структуры со связующими слоями изготавливают в соответствии с положениями настоящего раздела с учетом
ГОСТ 59306.
11.2 Изготовление. Труба многослойной структуры без связующих слоев
11.2.1 Общие положения
Изготовление труб гибких многослойной структуры без связующих слоев состоит из двух основных этапов:
- изготовления тела гибкой трубы;
- сборки и монтажа концевых фитингов.
11.2.2 Производственные технологические процессы
11.2.2.1 Общие положения
Основными технологическими процессами изготовления тела гибкой трубы являются следующие:
a) формование каркаса;
b) экструзия полимера;
c) намотка армирующих слоев, обеспечивающих стойкость к давлению;
d) намотка армирующих слоев, работающих на растяжение;
e) намотка ленты.
11.2.2.2 Формование каркаса
В технологическом процессе формования каркаса плоские металлические штрипсы втягиваются в формовочную головку, в которой они принимают форму трубы из проволок с замковым соединением; см.
рисунок 6.
11.2.2.3 Экструзия полимера
11.2.2.3.1 Экструдированные компоненты в гибкой трубе включают полимерные оболочки (работающая под давлением, промежуточная или наружная оболочка) и плотные противоизносные слои. Установки и оборудование линии экструзии полимера обычно включают следующее (для конструкции с негладким проходным каналом):
- разматываемую катушку (или контейнер) с внутренним каркасным слоем;
- гусеничный механизм (перед экструдером);
- экструдер;
- закалочные ванны (горячая и холодная вода);
- гусеничный механизм (после экструдера);
- приемную катушку (или контейнер).
11.2.2.4 Намотка армирования, обеспечивающего стойкость к давлению
11.2.2.4.1 Машина для намотки армирования, обеспечивающего стойкость к давлению, наматывает проволоки с замковым соединением вокруг внутренней оболочки, обеспечивающей стойкость к давлению; см.
рисунок 7. Разматываемые/приемные катушки (контейнеры) и гусеничные механизмы используются для управления подачей трубы через машину для намотки.
11.2.2.4.2 Армирование, обеспечивающее стойкость к давлению, из проволоки с замковым соединением укладывается одним или двумя слоями с углом укладки около 90°. Плоский дублирующий слой может также наматываться поверх слоя из проволоки с замковым соединением с использованием аналогичного технологического процесса.
11.2.2.5 Намотка армирования, работающего на растяжение
11.2.2.5.1 Машина намотки армирования на растяжение принимает плоскую, круглую или профилированную проволоку, предварительно формирует и наматывает ее на поверхность трубы. В одном слое обычно используется от 30 до 80 проволок. Как правило, проволоки укладываются под углом от 20° до 60°. Проволоки хранятся на отдельных барабанах, соединенных с намоточной машиной. При подаче проволоки барабаны вращаются вместе с намоточной машиной.
11.2.2.5.2 Для создания двойных крестообразных армирующих слоев на растяжение, применяемых в большинстве конструкций, могут использоваться две машины последовательно или одна машина дважды. Эти машины могут периодически останавливаться для перезагрузки барабанов и приваривания новых проволок.
11.2.2.6 Намотка ленты
Машины для намотки ленты применяются для формирования противоизносных, технологических или изоляционных слоев. Эти машины обычно используются последовательно с одним из других технологических процессов.
11.2.3 Концевые фитинги
11.2.3.1 Концевой фитинг является критической частью гибкой трубы. Необходима правильно рассчитанная переходная зона для сопряжения всех компонентов стенки трубы с фланцем или соединителем, несущим все нагрузки стенки трубы.
11.2.3.2 Армирующие слои, обеспечивающие стойкость к давлению, и работающие на растяжение закрепляются в оконечном устройстве трубопровода таким образом, чтобы образовалось надежное соединение в радиальном и осевом направлениях. Герметичность наружных и внутренних уплотнительных слоев (полимерные оболочки) обеспечивается уплотнительным устройством, которое также обеспечивает радиальное и осевое крепление. Зона около концевого фитинга не имеет такой гибкости, как остальная часть трубы. Эта зона, соответствующая длине пары оборотов армирования на растяжение, не обладает такой же способностью искривления (гибкостью), как основная секция трубы.
11.2.3.3 На
рисунке 7 показан типовой концевой фитинг трубы многослойной структуры без связующих слоев. Большинство компонентов концевого фитинга закрепляют вручную с помощью специальных инструментов и устройств. Поэтому контроль качества является наиболее важным элементом всех технологических процессов изготовления концевого фитинга.
11.2.3.4 Основными этапами данного технологического процесса являются:
- разделение отдельных слоев трубы;
- монтирование внутреннего уплотнительного узла и основного корпуса концевого фитинга;
- зажим армирующего слоя, обеспечивающего стойкость к давлению;
- закрепление армирующих элементов на растяжение вокруг корпуса;
- монтирование внешнего кожуха;
- монтирование наружного блокирующего узла (герметизация наружной оболочки);
- заполнение пустоты в концевом фитинге эпоксидной смолой и возможность дать ей затвердеть.
11.2.3.5 При необходимости установки на конце гибкой трубы элементов жесткости на изгиб их, как правило, монтируют на трубе до концевого фитинга и затем подтягивают и крепят к концевому фитингу после его установки.
11.2.4 Допуски
11.2.4.1 Указания по выбору допусков на изготовление приведены в
ГОСТ Р 59309.
11.2.4.2 Для гибких труб многослойной структуры без связующих слоев длиной до 100 м допуск на длину принимают +1 м. Для труб многослойной структуры без связующих слоев длиной более 100 м допуск на длину может быть увеличен до +1%. Обычно, данный допуск для труб многослойной структуры со связующими слоями может быть +/- 1%. Для некоторых проектов применимы дополнительные требования к допуску на длину, включая описанные в
11.2.4.3 - 11.2.4.6.
11.2.4.3 Для некоторых условий применения (таких, как соединительные трубопроводы) может потребоваться уменьшение допусков.
11.2.4.4 В некоторых условиях применения могут возникнуть проблемы, если длина слишком большая, например для длинных выкидных трубопроводов максимальный допуск +1% может быть слишком большим из-за недостаточного пространства у концевого соединения для размещения дополнительной длины. Это может быть более критичным для трубы, уложенной в траншею.
11.2.4.5 Следует учитывать возможные проблемы, создаваемые отдельными райзерами, имеющими различную длину, если два или более райзеров скрепляются вместе (такие как шлангокабели для некоторых условий применения).
11.2.4.6 При расчете требуемой длины выкидного трубопровода важно учитывать все параметры, включая волнообразную поверхность трассы, точность расположения конечных точек, установочные допуски, допуски на изготовление и ориентацию выкидного трубопровода относительно компонента (например, труба может быть уложена петлей вокруг компонента, как устье скважины, и соединена под углом 90° к основному направлению выкидного трубопровода).
11.2.4.7 Рекомендованный допуск на габаритный наружный диаметр гибкой трубы составляет +/- 3%. Допуск на внутренний диаметр следует принимать равным +2% для каркасных слоев, которые изготавливаются не по шаблону. Для внутренних полимерных оболочек, которые не экструдируются на внутренний каркас, рекомендуется допуск на внутренний диаметр +2%.
11.2.4.8 Изготовитель устанавливает и контролирует допуски для каждого слоя трубы. Рекомендации по критическим аспектам допусков на размеры слоев гибкой трубы приведены в
таблице 27.
Таблица 27
Критические аспекты при выборе допусков на изготовление
труб многослойной структуры без связующих слоев
Рекомендации для выбранных параметров |
Слой | Толщина | Диаметр слоя (внутренний и наружный) | Другие параметры |
Внутренний каркас | Минимальное значение должно соответствовать проектным требованиям, учитывая потенциальную эрозию/коррозию в течение периода эксплуатации. Толщину штрипсов следует контролировать по техническим условиям изготовителя на материалы | Минимальный ID должен обеспечивать свободный проход для такого оборудования, как средства очистки и диагностирования. Максимальный OD должен учитывать влияние на сопротивление смятию и допуски других слоев | Следует обеспечивать, чтобы максимальная овальность не превышала значение, использованное при расчете сопротивления смятию |
Внутренняя оболочка, работающая под давлением | Минимальную толщину следует определять на основе ГОСТ Р 59309 | Максимальный OD должен учитывать влияние армирующего слоя, обеспечивающего стойкость к давлению, на кольцевую жесткость в соответствии с ГОСТ Р 59309 | Обработку поверхности и текстуру контролируют так, чтобы исключить появление потенциальных дефектов, которые могут развиваться по толщине слоя |
Армирующий слой, обеспечивающий стойкость к давлению | Толщину следует контролировать в соответствии с техническими условиями изготовителя. В минимальной толщине следует учитывать влияние на сопротивление окружным напряжениям в соответствии с ГОСТ Р 59309 | Максимальный OD должен учитывать влияние на кольцевую жесткость в соответствии с ГОСТ Р 59309. В изменении OD по длине следует учитывать распределение нагрузки по длине при установке с использованием устройства натяжения | OD следует контролировать так, чтобы зазоры между армирующим слоем, обеспечивающим стойкость к давлению, и внутренней оболочкой, работающей под давлением, не влияли на распределение нагрузок между каркасом и армирующим слоем, обеспечивающим стойкость к давлению, при внешнем радиальном сжатии и гидростатическом нагружении. Следует обеспечить использование максимального зазора в соответствии с ГОСТ Р 59309 |
Промежуточная оболочка/противоизносные слои | В динамических условиях применения необходимо обеспечить, чтобы в течение срока эксплуатации для минимальной толщины был исключен износ оболочки. Там, где промежуточная оболочка должна выдерживать гидростатическую нагрузку, для минимальной толщины следует исключить возможность разрушения оболочки (потерю герметичности) в течение срока эксплуатации | В максимальном значении следует учитывать влияние суммирования допусков на последующие слои | - |
Армирующий слой, работающий на растяжение | Минимальную толщину необходимо контролировать по техническим условиям изготовителя материала. В минимальной толщине следует учитывать влияние на сопротивление окружным и растягивающим напряжениям в соответствии с ГОСТ Р 59309 | В значении максимального диаметра следует учитывать влияние суммирования допусков на последующие слои и обеспечивать плоскую укладку проволоки на растяжение относительно трубы | Необходимо обеспечить допустимое использование изменения углов намотки в соответствии с ГОСТ Р 59309. Максимальный зазор между проволоками следует определять с учетом влияния концентрации окружных напряжений в армировании, обеспечивающем стойкость к давлению (локальный изгиб армирования на давление в пределах зазоров). При отсутствии армирования, обеспечивающего стойкость к давлению, максимальный зазор следует определять по ГОСТ Р 59309 |
Изоляционный слой | Минимальную толщину контролируют по техническим условиям изготовителя материала. Минимальная толщина должна обеспечивать общий коэффициент теплопередачи для трубы меньше указанного максимума | В значении максимального наружного диаметра следует учитывать влияние суммирования допусков на последующие слои и обеспечивать плоскую укладку проволоки на растяжение относительно трубы | - |
Наружная оболочка | Необходимо предусмотреть, чтобы минимальная толщина обеспечивала водонепроницаемость в течение периода эксплуатации, включая концевые фитинги. Следует также учитывать передачу окружных нагрузок на нижележащие слои в процессе установки с использованием устройства натяжения. В изменении толщины по длине трубы следует учитывать влияние концентрации напряжений и возможное уменьшение толщины в процессе установки | В значении максимального наружного диаметра следует учитывать влияние на компоновку, нагружение при установке, гидродинамическое нагружение и крепление вспомогательного оборудования, например хомутов модулей плавучести | - |
Наружный каркас | При специальном применении в минимальной толщине следует учитывать требования к защите от абразивного и ударного воздействия | В значении максимального наружного диаметра следует учитывать влияние на компоновку, нагружение при установке и гидродинамическое нагружение | - |
11.2.4.9 Изготовителю следует проверять допуски на допустимый зазор между смежными проволоками для армирующих слоев, обеспечивающих стойкость к давлению и работающих на растяжение, или на допустимый средний зазор для группы проволок относительно технических условий изготовителя.
11.3 Изготовление. Труба многослойной структуры со связующими слоями
Изготовление гибких труб многослойной структуры со связующими слоями включает следующие три основных этапа:
a) изготовление тела гибкой трубы;
b) сборку и монтаж концевых фитингов;
c) отверждение гибкой трубы.
11.3.1 Производственные технологические процессы
11.3.1.1 Общие положения
Основными технологическими процессами изготовления тела гибкой трубы являются следующие:
a) формование каркаса;
b) подготовка компаунда и каландрирование;
c) намотка эластомера;
d) намотка армирующего слоя.
В зависимости от конструкции трубы и применения технологический процесс a) может не потребоваться.
11.3.1.2 Формование каркаса
Плоские металлические штрипсы втягиваются в формовочную головку, в которой они принимают форму взаимосвязанной спиральной трубы; см.
рисунок 6. Некоторые изготовители труб многослойной структуры со связующими слоями не выполняют эту операцию, предпочитая вместо этого приобретение предварительно изготовленных каркасов.
11.3.1.3 Подготовка компаунда и каландрирование
11.3.1.3.1 Технологический процесс приготовления компаунда включает в себя точное взвешивание каждого компонента, смешивание компонентов в заданном порядке и при заданных значениях температуры в большом смесителе типа Бенбери ("Banbury") до образования однородного консистентного компаунда.
11.3.1.3.2 Технологический процесс каландрирования включает в себя многократное пропускание приготовленного компаунда между валиками до тех пор, пока компаунд не приобретет форму гладкого, ровного листа без поверхностных дефектов или вздутий. Этот лист может быть разделен на более мелкие штрипсы с последующей намоткой на катушки для хранения, или разрезан для хранения в виде небольших плоских листов. Трение, возникающее при продавливании компаунда через валики при каландрировании, вызывает повышение температуры. Эту температуру следует контролировать, чтобы исключить избыточное отверждение в процессе каландрирования. Как правило, перед хранением компаунд пропускают через ванну, содержащую антиадгезионное вещество. Как альтернатива, материал компаунда может храниться с проложенными между слоями листами пластика.
11.3.1.3.3 В процессе каландрирования или экструзионного процесса в лист компаунда могут быть включены стальные корды армирующего слоя. Это облегчает намотку армирующего слоя на трубу и ускоряет данный этап производства. Для облегчения применения эти листы обычно хранятся на катушках.
11.3.1.4 Намотка эластомера
11.3.1.4.1 Как правило, изготавливаемая труба формируется путем намотки листов каландрированного компаунда на шаблон или взаимосвязанный стальной каркас. Технологический процесс намотки продолжается с использованием различных компаундов в соответствии с требованиями технических условий к поперечному сечению, включая каландрированный армирующий корд до тех пор, пока труба не будет сформирована полностью.
11.3.1.4.2 Контроль технологического процесса намотки имеет большое значение для качества конечного продукта, так как неравномерные перекрытия и зазоры в процессе намотки могут привести к неравномерности по поперечному сечению трубы.
11.3.1.4.3 Для формирования поперечного сечения трубы может также использоваться экструзия эластомера.
11.3.1.5 Намотка усиливающего армирования
11.3.1.5.1 Усиливающий корд может наматываться на тело трубы двумя способами. Первый способ заключается в простом применении машины для намотки армирования, в которой корд размещается на отдельных барабанах, соединенных с намоточной машиной. При прохождении трубы через машину барабаны вращаются вместе с намоточной машиной, подавая в нее корд. В некоторых случаях вращается труба, в то время как намоточная машина перемещается горизонтально. Второй способ аналогичен способу, при котором наматываются листы эластомера. Корд подвергается предварительному каландрированию и хранится в виде узких длинных штрипсов на катушках. Эти штрипсы затем наматываются на тело трубы при ее вращении и подаче трубы или намоточной машины с предварительно заданной скоростью.
11.3.1.5.2 Для нанесения двойной крестообразной намотки армирующего корда можно использовать две (или несколько) последовательно установленных машин, или дважды использовать одну машину (или несколько машин).
11.3.1.5.3 Контроль технологического процесса намотки имеет большое значение для поддержания качества конечного продукта.
11.3.2 Концевые фитинги
11.3.2.1 Концевой фитинг является критической частью гибкой трубы. Необходима правильно рассчитанная переходная зона для сопряжения всех компонентов стенки трубы с фланцем или соединителем, несущим все нагрузки стенки трубы.
11.3.2.2 Корд усиливающего армирующего слоя крепится в оконечном устройстве трубопровода таким образом, чтобы обеспечить надежное соединение в радиальном и осевом направлениях. Герметичность наружных и внутренних уплотнительных слоев (эластомерной наружной оболочки или внутреннего слоя) обеспечивается путем отверждения слоя на концевом фитинге, что также обеспечивает радиальное и осевое крепление.
11.3.2.3 В некоторых случаях концевой фитинг возможно обжать на теле трубы. При этом используется внутренний и наружный стальной элемент концевого фитинга, который заключает тело трубы в капсулу и в процессе ротационного сжатия обжимает тело трубы достаточно плотно, чтобы обеспечить крепление и герметизацию внутреннего слоя, наружной оболочки и корда в армирующем слое. Поверхность концевого фитинга, контактирующая с телом трубы, может быть гладкой или зубчатой. Зубчатый концевой фитинг предназначен для контакта с кордом армирующего слоя и, таким образом, обеспечивает более прочное механическое сцепление.
11.3.2.4 Зона перед концевым фитингом может не обладать такой гибкостью, как остальная часть трубы. Эта зона, соответствующая длине двух оборотов армирующего корда, не обладает такой способностью к искривлению (гибкостью), как основная секция трубы.
11.3.2.5 При необходимости установки на конце гибкой трубы элементов жесткости на изгиб, обычно их монтируют на трубе до концевого фитинга и затем подтягивают и крепят к концевому фитингу после его установки. В качестве альтернативы собственную жесткость трубы можно создать в процессе изготовления путем намотки дополнительных эластомерных слоев.
11.3.2.6 Перед монтажом концевого фитинга гибкая труба может быть полностью или частично отверждена. В качестве альтернативы концевой фитинг может монтироваться до отверждения и отверждаться вместе с трубой. Различие в технологических процессах состоит частично в различных значениях температуры и времени, требуемых для отверждения компаунда эластомера и эпоксидной смолы.
11.3.3 Процесс отверждения
11.3.3.1 Отверждение эластомера гибких труб многослойной структуры со связующими слоями, как правило, выполняется обработкой трубы теплом и давлением в присутствии отверждающих реагентов. Тепло может подводиться с помощью паровой сушилки или электрической индуктивностью. Давление обычно прикладывается путем плотного обматывания трубы нейлоном до начала отверждения.
11.3.3.2 В процессе отверждения эластомерный компаунд необратимо изменяет свои свойства, и эластомерный материал, формирующий поперечное сечение трубы, вначале растекается, а затем формирует единое композитное поперечное сечение.
11.3.3.3 Композитное поперечное сечение с минимальными поверхностными дефектами формируется при соблюдении надлежащих технологических процедур изготовления в соответствии с документально оформленными процедурами изготовителя по отверждению. Тем не менее, вместе с трубой следует изготовить образец, идентичный конструкции трубы, который в соответствии с техническими условиями изготовителя разрезается и проверяется на наличие пустот. В качестве приемочного критерия следует принять отсутствие видимых пустот.
11.3.4 Допуски
11.3.4.1 Для труб многослойной структуры со связующими слоями обычно допуск на длину следует принимать +1%. Для некоторых проектов могут возникать дополнительные требования к допуску на длину, включая следующие:
- для некоторых условий применений, таких как трубные гибкие соединители, может потребоваться уменьшение допусков;
- в некоторых условиях применения возникают проблемы, если длина слишком большая. Это может быть более критичным для трубы, уложенной в траншею.
Пример - Для длинных выкидных трубопроводов максимальный допуск +1% может быть слишком большим из-за недостаточного пространства у концевого соединения для размещения дополнительной длины;
- следует учитывать возможные проблемы, создаваемые отдельными райзерами различной длины, если два или более райзеров скрепляются вместе (шлангокабели для некоторых условий применения);
- при расчете требуемой длины выкидного трубопровода следует точно учитывать все параметры, включая волнообразную поверхность трассы, точность расположения конечных точек, установочные допуски, допуски на изготовление и ориентацию выкидного трубопровода относительно компонента.
Пример - Труба может быть уложена петлей вокруг компонента (на устье скважины) и соединена под углом 90° с основным направлением выкидного трубопровода.
11.3.4.2 Рекомендованный допуск на габаритный наружный диаметр гибкой трубы составляет +/- 3%. Допуск на внутренний диаметр следует принимать равным +2% для каркасных слоев, которые изготовляют не по шаблону. Для внутренних слоев, которые не наносятся на внутренний каркас, рекомендуется допуск на внутренний диаметр +2%.
11.3.4.3 Изготовителю следует устанавливать и контролировать допуски для каждого слоя трубы. Рекомендации по критическим аспектам допусков на размеры слоев гибкой трубы приведены в
таблице 28.
Таблица 28
Критические аспекты при выборе допусков на изготовление
труб многослойной структуры со связующими слоями
Рекомендации по выбранным параметрам |
Слой | Толщина | Диаметр слоя (внутренний и наружный) | Другие параметры |
Внутренний каркас | Минимальное значение должно соответствовать проектным требованиям ГОСТ Р 59306, учитывая потенциальную эрозию/коррозию в течение периода эксплуатации. Толщину штрипсов следует контролировать по техническим условиям изготовителя на материалы | Минимальный ID должен обеспечивать свободный проход для такого оборудования, как калибровочные внутритрубные снаряды. В максимальном OD следует учитывать влияние на сопротивление смятию и суммирование допусков других слоев | Следует обеспечивать, чтобы максимальная овальность была меньше той, которая использовалась при расчете сопротивления смятию |
Внутренний слой | Минимальную толщину следует определять на основе требований ГОСТ Р 59306 | В максимальном OD следует учитывать влияние суммирования допусков последующих слоев | Обработку поверхности и текстуру контролируют так, чтобы исключить появление потенциальных дефектов, которые могут развиваться в теле трубы |
Армирующий слой | Минимальную толщину следует контролировать по техническим условиям изготовителя на материалы. В минимальной толщине учитывают влияние на сопротивление окружным и осевым напряжениям в соответствии с ГОСТ Р 59306 | В максимальном диаметре следует учитывать влияние суммирования допусков последующих слоев | Следует обеспечить использование допустимого изменения углов свивки в соответствии с ГОСТ Р 59306 |
Изоляционный слой | Минимальную толщину следует контролировать по техническим условиям изготовителя на материалы | В максимальном наружном диаметре следует учитывать влияние суммирования допусков на последующие слои и обеспечивать плоскую укладку изоляции относительно трубы | - |
Наружная оболочка | Следует предусмотреть, чтобы минимальная толщина обеспечивала водонепроницаемость в течение периода эксплуатации, включая концевые фитинги. Следует также учитывать передачу окружных нагрузок на нижележащие слои в процессе установки с использованием устройства натяжения. В изменении толщины по длине трубы важно учитывать влияние концентрации напряжений и возможное уменьшение толщины во время установки | В значении максимального наружного диаметра следует учитывать влияние на компоновку, нагружение при установке, гидродинамическое нагружение и крепление вспомогательного оборудования, например хомутов модулей плавучести | - |
Наружный каркас | При специальном применении в минимальной толщине следует учитывать требование к защите абразивного и ударного воздействия | В значении максимального наружного диаметра следует учитывать влияние на компоновку, нагружение при установке и гидродинамическое нагружение | - |
11.3.4.4 Изготовителю следует проверять соответствие допусков на упрочняющие армирующие слои величине допустимого зазора между смежными проволоками или соответствие допустимого среднего зазора по группе проволок требованиям технических условий изготовителя.
11.4.1 Общие сведения
В
ГОСТ Р 59309 и
ГОСТ Р 59306 указаны минимальные требования к маркировке гибких труб. Дополнительная маркировка полезна для определенных условий использования, поскольку может более точно идентифицировать трубу и ее предусмотренное применение во время эксплуатации.
Следует использовать систему маркировки, которая достаточно устойчива к абразивному воздействию при установке и эксплуатации, с высотой букв и цифр не менее 10 мм. Необходимо обеспечить, чтобы все элементы маркировки были достаточно четкими для считывания и/или распознавания в месте установки с использованием ROV и соответствовали требуемому сроку эксплуатации в проектных условиях окружающей среды. Это не относится к маркировке, которая требуется только для целей установки (например, кольцевые ленты для измерения длины или обозначения расположения хомутов или модулей плавучести), и поэтому обладающей устойчивостью, достаточной только для процедур установки.
11.4.2 Гибкая труба
11.4.2.1 Паспортные таблички (рекомендуется материал AISI 316) надежно закрепляют на обоих концах трубы. Следует не допускать, чтобы паспортную табличку закрывало вспомогательное оборудование, например элемент жесткости на изгиб или ограничитель изгиба. В дополнение к требованиям
ГОСТ Р 59309 и
ГОСТ Р 59306 рекомендуется учитывать виды маркировки, перечисленные в
таблице 29.
Таблица 29
Рекомендации по маркировке гибкой трубной продукции
| Гибкая труба | Концевой фитинг | Примечания |
| X | X | |
Серийный номер | X | X | Требования ГОСТ Р 59309 и ГОСТ Р 59306; в процессе изготовления следует обеспечивать полную прослеживаемость всех материалов, процессов и испытаний |
Название и марка изготовителя | X | X | |
Дата изготовления | X | X | |
Проектное давление | X | X | |
MBR хранения | X | NA | |
Эксплуатация в некислой и кислой средах | X | X | Обозначается буквами SW (некислая среда) или SO (кислая среда) |
Статические или динамические условия использования | X | X | Обозначается буквами S (статический выкидной трубопровод, райзер или гибкий трубный соединитель) или D (динамический райзер или гибкий трубный соединитель) |
Внутренний диаметр | X | X | Выраженный в миллиметрах |
Наружный диаметр | X | NA | Выраженный в миллиметрах |
Расчетная температура | X | X | Минимальное и максимальное расчетные значения температуры, выраженные в градусах Цельсия |
Длина | X | X | Длина гибкой трубы, включая концевые фитинги |
Состояние концевого фитинга | NA | X | Обозначается буквами OEF (оригинальный концевой фитинг) или REF (замененный концевой фитинг) |
<a> Маркировка трубы и концевого фитинга может вноситься в паспортную табличку, закрепленную на концевом фитинге. |
11.4.2.2 Линейные отметки длины, обычно каждые 10 м, следует наносить на трубу и выделять цветной кольцевой полосой на наружной оболочке для определения длины трубы. Необходимо обеспечить, чтобы маркировка указывала направление измерения длины.
11.4.2.3 Для разных условий использования райзера также учитывают следующие рекомендации:
a) следует наносить однозначную и логичную маркировку для идентификации райзеров или размещения креплений вспомогательного оборудования, например хомутов модулей плавучести;
b) если целесообразно, следует отметить точку касания с морским дном.
11.4.3 Концевые фитинги
Как правило, паспортная табличка с маркировкой трубы закрепляется на концевом фитинге и относится как к трубе, так и концевым фитингам. Поэтому отдельная маркировка для трубы и концевого фитинга обычно не требуется. Если имеется возможность замены концевого фитинга, то следует принимать во внимание маркировку концевого фитинга, приведенную в
таблице 29. Особое внимание уделяют предотвращению повреждения антикоррозионной защиты концевого фитинга идентификационной маркировкой.
11.4.4 Система соединения
Системы соединения гибких трубопроводов следует маркировать в соответствии с
ГОСТ Р 59305.
11.5.1 Общие сведения
11.5.1.1 Гибкие трубы можно хранить несколькими способами, из которых наиболее распространены катушки, контейнеры и упаковочные клети или поддоны. В частности, при маркировке катушек и контейнеров следует указывать изготовителя, серийный номер, диаметр фланца и катушки, ширину, сухую массу и грузовместимость.
11.5.1.2 Гибкую трубу хранят в условиях, которые не влияют на ее эксплуатационные характеристики. В частности, рекомендуется следующее:
a) поддерживать температуру хранения в пределах, допустимых для конструкции гибкой трубы и концевых фитингов;
b) защитить соединения концевых фитингов от повреждения области уплотнения, резьбы и других зон, чувствительных к повреждению:
1) обеспечить, чтобы крепление концевого фитинга не могло ослабеть и повредить трубу,
2) обеспечить, чтобы крепление концевого фитинга не повредило трубу при перегибе секции, прилегающей к фитингу;
c) накрывать гибкую трубу, чтобы предупредить деструкцию материалов, чувствительных к воздействию ультрафиолетового солнечного излучения;
d) при длительном хранении накрывать концевые срезы гибкой трубы;
e) если после проведения испытания под давлением гибкая труба хранится длительное время, то следует учитывать возможное воздействие испытательного флюида на материалы гибкой трубы;
f) длительное хранение трубы может привести к устойчивой искривленности трубы из-за полимерных слоев, что потребует принятия соответствующих мер при планировании монтажных работ.
11.5.1.3 Необходимо свести к минимуму перемещение изделий при хранении. В процессе хранения гибкой трубы следует предусмотреть выполнение полной и тщательной программы контроля. Акты контроля предоставляют заказчику.
11.5.1.4 Ремонты, проводимые в процессе хранения, выполняют под стационарным или временным укрытием вместе с устройствами контроля условий окружающей среды, обычно обеспечиваемых при изготовлении. Работы, проводимые на площадке хранения, следует строго контролировать и выполнять таким образом, чтобы не повредить или не загрязнить размещенную на хранение продукцию. Важно обеспечить приемку заказчиком места хранения, которое следует располагать таким образом, чтобы не допустить повреждения трубы.
11.5.2 Катушки
11.5.2.1 Катушки, вращающиеся вокруг горизонтальной оси, наиболее широко используются при хранении гибкой трубы большой длины. Катушки с приводом от лебедки могут также использоваться для поддержания натяжения трубы в процессе установки и извлечения. Следует обеспечивать, чтобы натяжение, прикладываемое к трубе в процессе намотки, было достаточным для предупреждения ослабления при хранении, что может привести к повреждению в процессе последующей размотки. При выборе катушки для хранения гибкой трубы важно обращать внимание на следующие параметры:
a) радиус катушки равен или превышает требования MBR для хранения гибкой трубы;
b) размер катушки соответствует длине гибкой трубы, включая концевые фитинги и вспомогательное оборудование;
c) конструкция катушки рассчитана на массу гибкой трубы и ее содержимого;
d) если катушка предназначена для использования при морских операциях по укладке, то катушка, ее конструкция и расчетные характеристики учитывают нагрузки, возникающие при перемещениях судна и натяжении гибкого трубопровода в процессе монтажа.
11.5.2.2 Необходимо обеспечивать, чтобы при изготовлении катушек все поверхности, контактирующие с гибкой трубой, не имели острых краев, заусенцев или надрезов, которые могли бы повредить гибкую трубу. Это также относится к перегородкам, которые используются для разделения катушки на отдельные секции.
11.5.3 Контейнеры
Контейнеры или барабаны, вращающиеся вокруг вертикальной оси, часто используются для хранения гибкой трубы очень большой длины. Обычно контейнеры используются только для хранения, и они не способны поддерживать какое-либо значительное натяжение гибкой трубы. Поэтому, при укладке гибкой трубы из контейнера, как правило, требуется система натяжения. В других отношениях расчетные параметры и требования к производству аналогичны требованиям к катушкам.
11.5.4 Упаковочные клети/поддоны
Упаковочные клети или поддоны обычно используют для хранения прямых или свернутых гибких труб небольшой длины. При хранении в свернутом состоянии важно соблюдать критерий MBR для хранения. Следует прочно закреплять гибкую трубу в упаковочной клети или на поддоне, чтобы не допустить повреждений из-за абразивного воздействия. Необходимо обеспечивать, чтобы упаковочные клети или поддоны не имели острых краев, заусенцев или надрезов, которые могли бы повредить трубу.
12 Погрузочно-разгрузочные работы, транспортирование и укладка
В
разделе 12 представлены руководства и рекомендации по погрузочно-разгрузочным работам, транспортировке и укладке систем гибких труб. В
12.4 рассматриваются общие вопросы укладки, примеры процедур укладки и окончательный ввод в эксплуатацию.
12.2 Погрузочно-разгрузочные работы
12.2.1 Общие сведения
12.2.1.1 Для предупреждения повреждений при погрузочно-разгрузочных работах и транспортировке следует принимать меры предосторожности, перечисленные в
12.2.1.2 - 12.2.1.4.
12.2.1.2 Следует принимать меры предосторожности, не допускающие повреждение гибких труб при протаскивании по полу, на острых краях погрузочно-разгрузочного оборудования или при возникновении недопустимых нагружений на кручение/изгиб в результате неправильных процедур при перемещении с катушки (или контейнера) на катушку (или контейнер).
12.2.1.3 Следует надежно закреплять гибкую трубу на удерживающей ее катушке, контейнере или упаковочной клети. Обычно концевые фитинги требуют дополнительного крепления с помощью тросов, канатных строп, ремней, регулируемых ручных лебедок или хомутов, а также защиты с помощью мягкого упаковочного материала для того, чтобы предохранить смежные трубные слои и не допустить сползание или последующее смещение.
12.2.1.4 Для погрузочно-разгрузочных и подъемных работ для гибких труб на суше и в море используются следующие временные или постоянные устройства:
- краны и A-образные рамы;
- катушки, барабаны, контейнеры и поддоны;
- подъемные рамы и лотковые опоры;
- гусеничные направляющие/натяжные устройства;
- вытягивающие головки;
- лебедки;
- датчики нагрузки;
- стингеры и ограничители изгиба;
- грузовые траверсы;
- монтажно-тяговые механизмы и принадлежности;
- грузоподъемные канаты, стропы и стяжные ремни;
- захваты типа "китайский палец";
- управляющие линии;
- скобы;
- шкивы;
- крюки с карабином;
- подъемные обухи.
Все виды погрузочно-разгрузочного оборудования используют в соответствии со следующими рекомендациями в дополнение к апробированной практике работы в морских условиях:
- оборудование используют в соответствии с правилами и нормами соответствующих международных и национальных стандартов.
Примечание - Могут применяться сертификационные требования;
- защищают от повреждения и порчи в нерабочем состоянии;
- контролируют на наличие признаков повреждения и порчи перед началом использования;
- при планировании применения в морских условиях рассчитывают и предусматривают для динамических условий использования.
12.2.2 Натяжные устройства и оборудование для укладки стальных труб
12.2.2.1 Если для установки гибких труб используют оборудование для укладки стальных труб или другой тип оборудования, которое не предназначено для работы с гибкими трубами, то следует документально оформить детальные расчеты того, что сминающие нагрузки на трубу не превышают проектные требования
ГОСТ Р 59309 и
ГОСТ Р 59306. Следует также показать, что сжимающие нагрузки устройства натяжения достаточны для сопротивления натяжению в трубе.
12.2.2.2 Как правило, расчеты верифицируют испытаниями конкретного оборудования или башмака и конфигурации нагружения, которое соответствующим образом моделирует фактически используемое оборудование, а также верифицируют создание соответствующих нагрузок при установке или подтверждают это надлежащим испытанием или использованием оборудования.
12.2.3 Катушки, барабаны, контейнеры и поддоны
Удерживающие и приводные рамы, башмаки, лотковые опоры и бобины, входящие в состав компоновки, следует проектировать и сертифицировать для морских динамических условий применения, включая подъем как отдельно, так и всей компоновки, если необходимо. В соответствующих случаях необходимо оценивать возможность повреждения или смятия труб на катушках и барабанах из-за превышения массы вышележащих слоев. При использовании в процессе укладки катушек и барабанов приводные устройства следует оснащать:
- полностью управляемым торможением;
- ручным управлением автоматических устройств натяжения;
- устройством контроля обратного натяжения, например для повторного наматывания.
12.2.4 Стингеры. Поворотные и стационарные
12.2.4.1 Стационарные или поворотные ограничители изгиба (такие, как арки и стингеры), используемые как средства установки и манипулирования, проектируют с соблюдением рекомендаций изготовителя гибких труб и в соответствии с применимыми международными или национальными стандартами. Все это оборудование следует поддерживать в рабочем состоянии. Не допускается наличие острых кромок, коррозии или абразивного повреждения поверхностей, имеющих контакт с гибкой трубой. В некоторых случаях может использоваться смачивание стингера для уменьшения трения с поверхностью трубы.
12.2.4.2 Если используются такие параметры натяжения или установки, при которых загрузочные мостки могут повредить какую-либо конструкционную или компонентную деталь гибкой трубы, вместо стингера следует использовать ролики большого диаметра или конвейер, блок или другое аналогичное оборудование. В качестве альтернативы допускается использовать вертикальную систему укладки. Использование стингеров, состоящих из набора небольших роликов, обычно не допускается.
12.2.5 Захваты типа "китайский палец"
При использовании захватов типа "китайский палец" их подбирают с учетом материала гибких труб, предварительно получив одобрение выбранной конструкции от изготовителя гибкой трубы. При использовании для укладки гибких труб следует обеспечить, чтобы захваты типа "китайский палец" обладали необходимой степенью машинной обработки поверхности для предупреждения повреждения покрытия трубы.
12.3.1 Общие положения
В 12.3 рассматриваются любые перемещения частично или полностью изготовленного продукта, которые не являются частью процедуры изготовления. Транспортные устройства выбирают таким образом, чтобы минимизировать погрузочно-разгрузочные работы и возможность повреждения. При необходимости использования следует предусмотреть, чтобы крановое оборудование прошло полную процедуру сертификации и имело номинальные характеристики, соответствующие требованиям подъема.
12.3.1.1 До транспортировки изготовителю и заказчику следует согласовать между собой процедуры проверки действительности разрешения на транспортировку. Если транспортировка осуществляется по международному маршруту, необходимо рассмотреть все правила и нормы, действующие в странах по маршруту следования.
12.3.2 Погрузка
12.3.2.1 Погрузка распространяется на период от момента непосредственно перед подъемом или перемещением гибких труб на борт судна и до момента непосредственно после отхода судна от причала. До и после погрузки все гибкие трубы следует подвергать визуальному контролю. Такой контроль проводят изготовитель, заказчик и представители транспортной компании или компании, осуществляющей укладку, при их привлечении. Необходимо, чтобы контроль был полностью оформлен документально и подписан вышеперечисленными сторонами.
12.3.2.2 Все гибкие трубы следует упаковывать и грузить в соответствии с требованиями
ГОСТ Р 59309 и
ГОСТ Р 59306 и, если необходимо, обеспечивать их защиту в дальнейшем при работе на палубе. В процессе отгрузки эту защиту и упаковку необходимо сохранять. Транспортному судну не следует покидать причал до тех пор, пока заказчик не подготовит приемочный сертификат отгрузки, если иное не оговорено изготовителем и заказчиком.
12.3.3 Морское раскрепление
Морское раскрепление проектируют для конечной транспортируемой массы в динамических условиях, соответствующих транспортному судну и навигационному пути. До отчаливания все морские крепления полностью сертифицируют на соответствие надлежащим нормам проектирования. Все конструкции следует утвердить у заказчика до погрузки.
12.3.4 Намотанная гибкая труба
12.3.4.1 Намотанная гибкая труба в этом контексте относится к трубам, которые размещаются в катушках, барабанах или в контейнерах. Гибкие трубы следует размещать в катушке таким образом, чтобы концевые фитинги или другие принадлежности не подвергали гибкую трубу недопустимому локальному нагружению. Неизолированные концевые фитинги или другие принадлежности не допускается располагать на незащищенной трубе.
12.3.4.2 В процессе подъема важно контролировать и регистрировать массу с использованием датчиков нагрузки. Катушку следует закрепить на приводной или опорной раме, чтобы не допустить ее вращения до начала подъема. Если применимо, на катушке следует указывать, что труба заполнена жидкостью, а также влияние массы жидкости на общую массу.
12.3.5 Сбухтованная гибкая труба
Сбухтованная гибкая труба относится к трубам, отгружаемым и закрепляемым на палубе в бухтах (в упаковке или без нее). Гибкие трубы следует наматывать в бухты таким образом, чтобы удаление упаковочных лент не приводило к их неконтролируемому освобождению. До начала транспортирования необходимо выполнить надежное морское раскрепление бухт гибких труб на палубе судна. Расположение груза на палубе должно обеспечивать минимизацию возникновения опасных ситуаций при перегрузке.
12.3.6 Ненамотанная гибкая труба
12.3.6.1 Ненамотанную на катушку гибкую трубу закрепляют на палубе и обеспечивают надлежащую защиту от механических повреждений.
12.3.6.2 Гибкие трубы располагают на палубе в пределах доступа для палубного судового крана или подъемного оборудования, чтобы в процессе установки минимизировать их перетаскивание по палубе или через объекты. До отчаливания гибкие трубы следует надлежащим образом закреплять для морской транспортировки и обеспечивать их надежную защиту от повреждений при выполнении обычной работы на палубе.
12.4.1 Анализ процесса укладки
12.4.1.1 При анализе процесса укладки следует учитывать план действий при возникновении различных ситуаций. Динамический анализ процесса установки используют для определения максимального состояния моря и профиля течения, приемлемых для работ на палубе и выполнения работ по установке для конкретного судна. Нагрузки следует принимать для установленного максимального состояния моря в течение планируемых работ.
12.4.1.2 При использовании устройств натяжения следует проверять случаи нагружения при установке, чтобы минимальные и максимальные нагрузки устройства натяжения не нарушали критерии проектирования трубы. Необходимо проверить максимальную нагрузку (с нагрузкой натяжения при подвеске трубы) на возможность смятия трубы, при этом следует обеспечивать, чтобы минимальная нагрузка устройства натяжения
Fmin, необходимая для удержания трубы и определяемая по
уравнению (9), была больше усилия, необходимого для предупреждения проскальзывания трубы.

(9)
где

- максимальное натяжение в трубе;

- коэффициент трения между наружной оболочкой трубы и башмаками устройства натяжения;

- коэффициент трения между наружной оболочкой трубы и нижележащим армирующим слоем.
12.4.2 Мониторинг
Следует проводить постоянный мониторинг подводных работ с использованием камер, установленных на водолазном оборудовании и/или ROV, как согласовано клиентом и подрядчиком, выполняющим установку. В регистрируемых материалах следует идентифицировать все видимые маркировки, подтвердить схемы прокладки и конфигурации, а также состояние болтовых фланцев, соединителей, ограничителей изгиба, элементов жесткости на изгиб и модулей плавучести. Все регистрируемые материалы сохраняют в виде журнала и однозначно маркируют для хранения и поиска.
12.4.3 Укладка намотанных гибких труб
Там, где это возможно, разматываемые катушки располагают на одной линии со стингерами. Следует обеспечивать, чтобы использование роликов, одноточечной оснастки или шкивов не создавало недопустимые нагрузки на конструкцию гибкой трубы. Допускается использовать устройства отклонения трубы, которые обеспечивают соответствие критериям MBR. Следует минимизировать одноточечные контакты и выполнять детальные расчеты для подтверждения того, что ни в одной из точек контакта не возникают недопустимые нагрузки.
12.4.4 Укладка гибких труб, намотанных на барабан
Рекомендации, приведенные в
12.4.3, также применимы для укладки гибких труб с барабанов.
12.4.5 Укладка сбухтованных гибких труб
До начала развертывания витков за борт крепежные ленты заменяют временной оснасткой для развертывания, если крепежные ленты не могут быть использованы при установке. Там, где возможно, следует разместить свернутую гибкую трубу на вращающейся платформе, а спускающее устройство оборудовать соответствующим вертлюгом. Следует медленно поднимать трубу краном в вертикальное положение, позволяя ей свободно разворачиваться на вертлюге. Водолазам не следует использовать острые инструменты для удаления временной оснастки.
12.4.6 Укладка ненамотанных гибких труб
Несвернутые гибкие трубы спускают за борт с помощью крана, используя многоточечный подъемник. При использовании загрузочных мостков или лебедок следует уделять внимание тому, чтобы не повредить гибкую трубу или концевые фитинги. Труба может быть также развернута прямо на палубе и поднята за один конец. В любом случае важно обеспечивать, чтобы при выполнении установочных процедур не нарушались критерии MBR.
12.4.7 Развертывание и подсоединение
12.4.7.1 Нагрузки и деформации в процессе развертывания должны находиться в пределах допустимых ограничений. В процессе установки следует контролировать значения радиуса изгиба или использовать метод и параметры укладки, обеспечивающие соблюдение критериев MBR, например, путем мониторинга точки касания с морским дном с помощью ROV и использования маяка-ответчика для поддержания минимального расстояния укладки от судна, что обеспечивает конфигурацию, которая не нарушает критерий MBR. К гибким трубам не допускается прикладывать избыточное растяжение в процессе развертывания через стальную трубу или J-образную трубу, учитывая при этом максимальную силу трения от протаскивания. В процессе этих операций требуется обратное натяжение.
12.4.7.2 Следует организовать последовательность операций подсоединения таким образом, чтобы обеспечить минимальную потерю ингибирующего флюида после снятия глухих фланцев, если сразу после соединения не выполняется заполнение ингибированной водой. Как правило, не допускается прокладывать гибкие трубы вокруг препятствий, которые ограничивают естественное перемещение. Тем не менее это может быть применимо, если процедуры, оборудование и гибкая труба предназначены для этого использования. Использование защитных покрытий от размыва следует рассматривать как предпочтительное по сравнению с физическим ограничением, если размыв представляет проблему.
12.4.7.3 Рекомендуется, чтобы выкидные линии соединялись с их терминальными точками (устье скважины, манифольд) под прямыми углами относительно основного направления укладки. Это позволяет компенсировать избыточную длину и расширения трубопровода концевой петлей в точке соединения. Такая концевая петля может также использоваться при недооценке длины выкидной линии.
12.4.8 Прокладка траншеи и заглубление
Если при установке в условиях мягкого морского дна предполагается заглубление гибкой трубы, то необходимо предусмотреть использование устройства трассировки труб для облегчения подтверждения трассы на конечную дату укладки. Если труба размещается в траншее с твердым морским дном или проходит в траншее над валуном, то предусматривают укладку песчаной подушки или использование аналогичного метода для удержания гибкой трубы над острыми краями или углами в случае, если возможно нарушение критерия MBR или повреждение наружной оболочки.
12.4.9 Судно и оборудование
12.4.9.1 Необходимо обеспечивать, чтобы судно и оборудование были в хорошем и исправном состоянии и прошли проверку до начала использования судна. Следует откалибровать все измерительное оборудование, в особенности для измерения нагрузки. Для всего подъемного оборудования следует иметь надлежащую сертификацию.
12.4.9.2 Необходимо предусмотреть, чтобы процедуры монтажа и управляющие системы обеспечивали контроль натяжения трубы, если натяжение трубы распределено между устройствами натяжения, приводными механизмами катушки и барабана.
12.4.9.3 Как правило, в судовой комплекс следует включать следующее оборудование для мониторинга гибкой трубы в процессе установки:
- ROV для контроля конфигурации;
- оборудование, измеряющее натяжение, для максимального верхнего натяжения;
- оборудование, измеряющее угол выхода;
- измеритель сжимающей нагрузки для гусеничного устройства натяжения.
12.4.10 Процедуры укладки
12.4.10.1 Общие сведения
Процедура укладки, используемая для каждой гибкой трубы, зависит от конфигурации системы и особенностей системных компонентов. Горизонтальная укладка с использованием стингеров схематично показана на
рисунке 29. Допускается также использовать вертикальную установку, схематично показанную на
рисунке 30.
a) Низкое натяжение
<a> 
b) Высокое натяжение
<b> 
1 - гибкая труба; 2 - монтажная катушка; 3 - стингер;
4 - монтажное судно; 5 - MWL; 6 - устройства натяжения
--------------------------------
<a> Для систем низкого натяжения противонатяжение обеспечивается с помощью установочного барабана или лебедки.
<b> Для систем высокого натяжения поддерживается слабина трубы за устройствами натяжения.
Рисунок
29 - Схема горизонтальной укладки
1 - монтажная мачта; 2 - гусеничные устройства натяжения;
3 - гибкая труба; 4 - судовая шахта
--------------------------------
<a> Модули плавучести, аноды и т.п. устанавливаются в этом месте.
Рисунок
30 - Схема вертикальной укладки
12.4.10.1.2 Гибкие трубы могут устанавливаться заполненными, свободно заполняемыми или пустыми. Изготовителю и подрядчику, выполняющему установку, следует определить условия установки. Для некоторых труб может потребоваться установка с заполнением или свободным заполнением для предупреждения смятия трубы или обеспечения устойчивости устанавливаемого трубопровода. В этом случае необходимо согласовать с изготовителем пригодность материала каркаса (для конструкций с негладким проходным каналом).
12.4.10.1.3 При выборе стратегии установки необходимо рассматривать вопросы, которые могут повлиять на программу, и риски, включая следующие:
- предварительную установку райзеров до подвешивания;
- количество и размер устанавливаемого вспомогательного оборудования, включая модули плавучести;
- типы основания, если имеются, и системы якорного крепления (гравитационная, свайная или вакуумная);
- натяжение в трубопроводе;
- системы соединения, такие как соединения райзер/выкидной трубопровод;
- максимальные условия окружающей среды (окно установки);
- сопряжения с установкой других систем, таких как якорные оттяжки;
- выполнение работ с помощью или без помощи водолазов;
- требования установочного судна, включая количество, размер и расходы мобилизации или демобилизации;
- требования к прокладке траншеи или защите;
- установку связок труб или многоколонных трубопроводов;
- подводные работы в зависимости от надводных работ;
- идентификацию компонентов или оборудования, выполняемую на суше, для минимизации морских операций;
- операции с ROV;
- приемлемые допуски установки.
12.4.10.2 Выкидные трубопроводы
На
рисунке 31 показана типовая процедура установки гибкого выкидного трубопровода. Выкидной трубопровод сопрягается со сваей или грузом для стабилизации оттяжек вблизи от начального основания выкидного трубопровода и укладывается на морском дне в направлении конечного основания выкидного трубопровода. Последняя часть выкидного трубопровода укладывается в определенной форме с припуском по длине. Надувные блоки плавучести затем могут крепиться к концам выкидного трубопровода, которые после подтягиваются лебедкой к основаниям выкидного трубопровода для соединения.
Рисунок 32 иллюстрирует пример установки гибкого выкидного трубопровода через J-образную трубу. При втягивании через J-образную трубу может предварительно устанавливаться уплотнительная пробка для герметизации J-образной трубы у нижнего раструба для предупреждения потери ингибиторов коррозии.
a) Вертикальная проекция | b) Втягивающий трос |
c) Горизонтальная проекция | d) Горизонтальная проекция после установки |
1 - втягивающий трос; 2 - гибкая труба; 3 - MWL;
4 - основание выкидного трубопровода; 5 - уложенная труба
--------------------------------
<a> Укладка первого фланца на морское дно.
Рисунок
31 - Типовая процедура установки
выкидного трубопровода
a) Установочное судно, перемещаемое к платформе | b) Предварительно установленный возвратный канат с последующим втягивающим тросом, передающийся от платформы к судну |
c) Втягивающий трос, прикрепляемый к концу гибкой трубы, и начало операции втягивания | d) Достижение гибкой трубы верха J-образной трубы и прикрепление концевых фитингов к конструкции подвески |
1 - платформа; 2 - установочное судно; 3 - J-образная труба;
4 - возвратный канат; 5 - втягивающий трос; 6 - гибкая труба
Рисунок
32 - Схема операции втягивания
через J-образную трубу
12.4.10.3 Конфигурации райзера
Рисунки 33 -
37 показывают типовые системы укладки и процедуры установки гибких райзеров с конфигурациями плавного S-подъема, крутого S-подъема, плавной волны, крутой волны и свободно подвешенной конфигурации. Эти рисунки показывают гибкую трубу, устанавливаемую с соединением первого конца с судном. Этот метод не обязательно должен подходить для всех условий применения и может меняться. Судно представлено схематично как полупогружное, но это не имеет отношения к конкретной установке.
a) Втягивание REF | b) Установка подводного буя |
c) Подача за борт нижнего концевого фланца райзера | d) Система после установки |
1 - втягивающая лебедка; 2 - FPS; 3 - втягивающий трос;
4 - REF; 5 - морское дно; 6 - укладочный трос; 7 - груз
для подводного буя; 8 - фланец райзера; 9 - гибкий райзер
Рисунок
33 - Типовая процедура установки райзера
в конфигурации плавного S-подъема
a) Втягивание REF | b) Установка подводного буя |
c) Установка нижнего концевого фланца райзера | d) Система после установки |
1 - втягивающая лебедка; 2 - FPS; 3 - втягивающий трос;
4 - REF; 5 - морское дно; 6 - фланец райзера
Рисунок 34 - Типовая процедура установки райзера
в конфигурации крутого S-подъема
a) Втягивание REF | b) Установка подводного буя |
c) Установка нижнего концевого фланца райзера | d) Система после установки |
1 - втягивающая лебедка; 2 - FPS; 3 - втягивающий трос;
4 - REF; 5 - морское дно; 6 - фланец райзера
Рисунок 35 - Типовая процедура установки райзера
в конфигурации плавной волны
a) Втягиваемый REF | b) Установка подводных модулей |
c) Установка нижнего концевого фланца райзера | d) Система после установки |
1 - втягивающая лебедка; 2 - FPS; 3 - втягивающий трос;
4 - REF; 5 - морское дно; 6 - фланец райзера;
7 - гибкий райзер
Примечания
1 Рассматриваемая процедура основывается на первоначальном подсоединении к FPS и последующей укладке от FPS. Эта процедура также может быть изменена.
2 Процедура горизонтальной укладки может быть заменена на процедуру вертикальной укладки.
Рисунок 36 - Типовая процедура установки райзера
в конфигурации крутой волны
a) Втягивание REF | b) Укладка райзера при свободном подвешивании |
c) Установка нижнего концевого фланца райзера | d) Система после установки |
1 - втягивающая лебедка; 2 - FPS; 3 - втягивающий трос;
4 - REF; 5 - морское дно; 6 - средний уровень моря;
7 - фланец райзера; 8 - гибкий райзер;
9 - точка касания
Рисунок
37 - Типовая процедура установки райзера
при свободном подвешивании
12.4.11 Установка с помощью или без помощи водолазов
Выбор установки с помощью или без помощи водолазов зависит от многих факторов, включая следующие:
- вопросы обеспечения безопасности;
- глубину воды;
- требования и руководящие указания законодательных органов;
- свободное пространство для операций подсоединения (если с турелью должны соединяться несколько райзеров, то пространство для водолазов может быть недостаточным);
- экономические факторы (соединительное оборудование, работающее по безлюдной технологии, может иметь значительную стоимость);
- условия окружающей среды;
- надежность оборудования (технические риски);
- требования плана-графика (например, операции без привлечения водолазов могут быть выполнены значительно быстрее).
12.5 Предварительные пусконаладочные работы и ввод в эксплуатацию
12.5.1 Общие сведения
12.5.1.1 Этот процесс предусматривает испытание и мониторинг гибких труб после подсоединения и завершения всей системы, в которой гибкий райзер и/или гибкие выкидные трубопроводы являются неотъемлемой частью. Если в период ввода в эксплуатацию гибкая труба была повреждена, то следует отремонтировать повреждение и повторить операции ввода в эксплуатацию. Решение о ремонтопригодности трубы следует принимать по согласованию с изготовителем трубы и заказчиком.
12.5.1.2 Заказчик предоставляет технические условия на испытания. Следует принимать во внимание рекомендации изготовителя по испытанию, а испытание проводить до выполнения засыпки гибких труб.
12.5.2 Внутритрубное диагностирование
12.5.2.1 Указания, представленные в
12.5.1.2, следует применять в случае, если при вводе в эксплуатацию требуется внутритрубное диагностирование гибкой трубы. В гибких трубах без металлического каркасного слоя не допускается использовать очистные устройства в виде металлических щеток. Металлические щетки могут использоваться, если внутренний слой включает в себя стальной каркас, с учетом того, что материалы совместимы и щетка не повреждает каркас. Не следует использовать металлические очистные устройства.
12.5.2.2 Используют шаблоны, обеспечивая при этом проектирование дисков таким образом, чтобы любые препятствия, выступающие в пределах контролируемого диаметра, отмечались необратимой деформацией. Необходимо, чтобы проходной шаблон был утвержден изготовителем гибкой трубы (см.
ГОСТ Р 59309 и
ГОСТ Р 59306)
.
12.5.2.3 Сочлененные средства очистки и диагностирования следует использовать только в тех случаях, если собственная масса трубы или установленный созданный радиус изгиба достаточно большой для прохождения сегментных длин средства. Если возможно, для труб без металлического каркаса используют средства очистки и диагностирования, выполненные из полимерных материалов, но допускается использовать и другие типы внутритрубных снарядов при условии их принятия изготовителем гибкой трубы.
12.5.3 Испытание на гидростатическое давление
12.5.3.1 Общие сведения
12.5.3.1.1 Испытание на гидростатическое давление может выполняться отдельно на гибкой трубе или как испытание системы, если гибкая труба является частью общей системы. Система гибких трубопроводов может включать манифольды, елки, арматурные компоновки, муфты, уплотнения и т.д. Все компоненты в системе следует верифицировать на сопротивление максимальному давлению испытания. Процедуру испытания установки используют в соответствии с
ГОСТ Р 59309 и
ГОСТ Р 59306 (испытание на гидростатическое давление).
12.5.3.1.2 При испытании на гидростатическое давление следует принимать во внимание следующие рекомендации:
a) если гибкая труба была установлена без какого-либо предполагаемого повреждения, то необходимо только испытание на утечку (с рекомендуемым давлением, равным 1,1 проектного давления), так как ранее уже было проведено испытание на целостность конструкции;
b) может потребоваться испытание на целостность конструкции (с рекомендуемым давлением, равным 1,25 проектного давления), если труба была повреждена, отремонтирована, заменены концевые фитинги, извлечена и повторно установлена без гидравлического FAT-испытания или по другой причине, которая была признана существенной;
c) период выдержки для испытания следует принимать равным 24 ч, если не рекомендуется иначе (см.
12.5.3.5);
d) требования регламентирующих органов могут превышать значения давления испытания, рекомендованные в
a) и
b), что следует уточнить с соответствующими органами;
e) конструкцию гибкой трубы проверяют на соответствие допустимым критериям при испытании на давление при комплексном нагружении, включая нагрузки от максимального давления испытания (которое находится между 1,04 и 1,1 от номинального, как указано в
12.5.3.3), функциональные нагрузки (включая массу и плавучесть трубы, содержание и принадлежности), соответствующие нагрузки от окружающей среды и любые имеющие отношение случайные нагрузки;
12.5.3.1.3 Там, где применимо, в процедуре испытания на гидростатическое давление следует идентифицировать следующее:
- требования предварительного испытания внутренним снарядом;
- подробную информацию о среде заполнения;
- скорости создания и сброса давления;
- критерии стабилизации;
- подробную информацию по изоляции давления;
- оценку воздушных включений;
- возможную неидентифицируемую потерю давления;
- метод расчета колебаний давления;
- подробную информацию по визуальному контролю;
- подробную информацию по регистрации данных;
- требования контроля;
- приемочные критерии.
12.5.3.1.4 Все вентиляционные отверстия труб многослойной структуры без связующих слоев следует открыть в концевых фитингах, которые не погружены в морскую воду во время испытания. Испытание на гидростатическое давление включает в себя следующие основные задачи:
- испытание контрольно-измерительной аппаратуры и соединений;
- повышение давления в трубопроводе;
- период стабилизации;
- период выдержки;
- сброс давления.
12.5.3.1.5 Рекомендации по этим задачам и приемочным критериям, измерительному оборудованию и протоколам испытаний приведены в
12.5.3.2 -
12.5.3.9.
12.5.3.2 Испытание контрольно-измерительной аппаратуры и соединений
Испытание на давление следует проводить на испытательном оборудовании и соединениях при давлении не меньше 104% от номинального давления испытания гибкой трубы. Продолжительность этого испытания 0,5 ч.
12.5.3.3 Повышение давления
Повышение давления в трубе следует выполнять с постоянной и контролируемой скоростью, указанной изготовителем. Слишком высокая скорость может привести к превышению периодов стабилизации. Стандартной максимальной скоростью является 18 МПа/ч. Давление следует поднимать до значения не больше, чем 110% номинального давления испытания.
Примечание - Различные изготовители задают коэффициенты от 104% до 110% номинального давления испытания; любой коэффициент в этом диапазоне приемлем, если он документально оформлен и постоянно используется на всем протяжении проектных и испытательных работ.
Не допускается превышение содержания воздуха выше 0,5% для труб с гладкими проходными каналами и 1,0% для труб с негладкими проходными каналами. Если содержание воздуха превышает вышеприведенные значения, то на концах трубы следует выполнить отвод воздуха и продолжить опрессовку.
12.5.3.4 Стабилизация
Период стабилизации выдерживают в течение 10 ч после окончания повышения давления. Этот период стабилизации может быть увеличен, если имеется существенное падение давления после первых 10 ч из-за процесса стабилизации или термостабилизации в гибкой трубе. Этот период может быть также уменьшен, если трубопровод стабилизировался. Стабилизация определяется как изменение давления в течение 1 ч меньше чем на 1% от значения давления испытания. В процессе стабилизации регистрируют график давления и составляют отчет о давлении, подводной температуре и температуре испытательного флюида (регистрация давления через каждые 0,5 ч и регистрация температуры через каждые 2 ч).
12.5.3.5.1 После завершения периода стабилизации можно начинать период выдержки, рассчитанный на 24 ч. В течение периода выдержки следует с интервалом 0,5 ч регистрировать значения давления, подводной температуры и температуры испытательного флюида. В течение периода выдержки давление должно быть больше или равно номинальному давлению испытания. Не допускается падение давления более 4% номинального давления испытания.
12.5.3.5.2 Период выдержки для испытания на утечку может быть уменьшен до 6 ч, если во время испытания всю гибкую трубу, включая оба концевых фитинга, возможно визуально контролировать на утечку.
12.5.3.5.3 Если после начала испытания давление снизилось ниже давления испытания, то следует повторить опрессовку трубопровода. В этом случае период выдержки рассматривается как начавшийся с этого момента.
12.5.3.6 Сброс давления
Сброс давления выполняют с постоянной и контролируемой скоростью. Изготовителю следует определить максимальную скорость сброса давления. Повышенная скорость сброса давления может привести к разрушению трубы. Стандартной максимальной скоростью является 108 МПа/ч.
12.5.3.7 Критерии приемки качества
12.5.3.7.1 Как минимум рекомендуются следующие приемочные критерии:
- давление испытания сохраняет значение в течение периода испытаний;
- испытываемая труба не подвергается значительным изменениям формы;
- труба сохраняет целостность.
12.5.3.7.2 Если потеря давления указывает на возможность утечки, то следует оценить наличие утечек во всех компонентах системы гибких трубопроводов, так как утечки чаще могут происходить через арматуру, уплотнения и т.д., чем в самой трубе.
12.5.3.8 Измерительное оборудование
Измерительное оборудование, используемое при испытании на давление, калибруют как минимум каждые шесть месяцев. Оборудование следует поддерживать в рабочем состоянии и использовать только по назначению, для которого каждый элемент был разработан и предназначен. Испытательное оборудование, включая соответствующую подробную информацию, необходимо указать в документации испытаний, и его следует откалибровать со следующими уровнями точности:
- манометры гидростатического давления: от 0,0% до 0,5%;
- грузопоршневые манометры: от 0,0% до 0,1%;
- устройства регистрации давления: +/- 0,5%;
- все другое измерительное оборудование: +/- 1,0%.
12.5.3.9 Протоколы испытаний
12.5.3.9.1 В протоколах испытаний рекомендуется регистрировать следующие данные:
- дату и время;
- подробную информацию о месте, условиях и расположении;
- персонал, проводящий испытание и обеспечивающий безопасность проведения работ;
- подробную информацию о среде заполнения;
- подробную информацию об оборудовании и сертификации;
- диаграммы регистрации давления, показывающие результаты непрерывной регистрации;
- результаты периодической регистрации давления как минимум каждые 30 мин;
- результаты периодической регистрации температуры окружающей среды как минимум каждые 30 мин;
- результаты периодической регистрации температуры среды заполнения как минимум каждые 30 мин;
- результаты визуального контроля.
12.5.3.9.2 После ввода в эксплуатацию следует выполнить обследование и видеорегистрацию для верификации соответствия установки системы гибких труб проекту.
12.5.4 Осушение трубы
12.5.4.1 В некоторых случаях предъявляют требования к количеству воды, которое может быть оставлено в гибкой трубе после испытания на гидростатическое давление. Примером этого являются газоэкспортные гибкие райзеры, соединенные с магистральными экспортными трубопроводами, к которым предъявляют требования по содержанию влаги в газе. Для райзера требуется труба с негладкими проходными каналами. В этой конструкции слой с взаимосвязанным каркасом образует большую ловушку для воды, которая после гидравлического испытания может нарушать требования к содержанию влаги в газе. Вакуумное осушение гибкого райзера является дорогостоящей операцией, требующей больших затрат времени для работ, имеющих критическое значение для выполнения графика реализации проекта.
12.5.4.2 Может быть разработан специальный арматурный модуль для придонного конца для обеспечения сухой установки и подсоединения. Кроме того, заводское гидравлическое испытание может быть выполнено с использованием гликоля вместо воды, а райзер в процессе транспортировки и установки может находиться под избыточным давлением азота для обеспечения степени сухости.
13 Демонтаж и повторное применение
13.1.1 Раздел 13 содержит требования и рекомендации по демонтажу и повторному применению гибкого трубопровода, также приведены требования к контролю и испытаниям гибкого трубопровода перед повторным применением. Рекомендации по демонтажу гибкого трубопровода могут применяться при ликвидации
систем подводной добычи.
13.1.2 Для ликвидации оборудования и сооружений систем подводной добычи разрабатывается проектная документация, содержащая сведения о результатах обследования ликвидируемого объекта, перечень мероприятий по выводу его из эксплуатации, описание и обоснование способов демонтажа и т.д., разрабатываемая в соответствии с [3]. |
13.2.1 Общие положения. Труба многослойной структуры со связующими слоями и без связующих слоев
13.2.1.1 Гибкая труба может быть извлечена из-за прекращения ее применения в конкретном месте или из-за повреждения трубы. Операция по извлечению в основном выполняется в обратном порядке относительно операции по установке. Следует выполнить предварительное обследование трубы для оценки ее технического состояния и выявления каких-либо потенциальных проблем, таких как:
- заглубление трубы; может потребоваться гидромониторный размыв заглубленной трубы для предупреждения скручивания трубы в процессе извлечения;
- трубные пересечения и сопряженные трубопроводы; следует убедиться в том, что в процессе операций по извлечению они не будут повреждены;
- сильное обрастание морскими организмами; может быть прорезана наружная оболочка при контакте трубы с поддерживающими арками, башмаками изгиба и устройствами натяжения.
13.2.1.2 Следует подготовить процедуру по извлечению трубы для сохранения целостности трубы в процессе операции. В зависимости от обстоятельств для операции по извлечению трубы рассматривают те же условия, что и в общем и локальном расчете при первоначальной установке (такие, как заводненная труба или пустая, ограничения из-за условий окружающей среды, нагрузки, создаваемые оборудованием, и принятые во внимание конфигурации).
13.2.1.3 Следует учитывать законодательство и нормативы по охране окружающей среды. Особое внимание уделяют утечкам продуктового флюида для предупреждения загрязнения окружающей среды. Следует оценить потенциальную возможность наличия опасных элементов в трубе, таких как радиоактивные материалы, ртутные соединения и т.п., и определить надлежащие меры безопасности и оборудование. Может потребоваться очистка и промывка трубы ингибированной морской водой до ее отсоединения и извлечения.
13.2.1.4 Следует провести специальный анализ рисков, связанных с привлечением персонала. Для всех операций следует проводить идентификацию опасных ситуаций и анализ безопасного ведения работ. Закупорка парафином представляет основную угрозу для безопасности и окружающей среды. Если возможна закупорка парафином, то извлечение трубы может быть небезопасным.
13.2.1.5 В процедурах по извлечению трубы важно предусмотреть способ идентификации трубы. С этой целью следует использовать надлежащий визуальный способ идентификации (например, с применением ROV). Заглубленная труба требует специальных процедур для предупреждения возможного повреждения трубы или другого подводного оборудования при работе тральщика, используемого для раскрытия трубы.
13.2.1.6 Для предупреждения повреждения или разрушения трубы в процессе извлечения следует соблюдать все ограничения для трубы, действующие в процессе установки и при погрузочно-разгрузочных работах (такие, как MBR, максимально допустимое скручивание, максимальная сдавливающая нагрузка и натяжение и рекомендации по наматыванию/разматыванию и хранению). При определении критериев процесса извлечения следует учитывать степень старения трубы (уменьшенная несущая способность конструкции).
13.2.1.7 Натяжение, действующее на трубу при извлечении, больше, чем при укладке, вследствие трения о стингер. Перед извлечением, в зависимости от натяжения и конфигурации райзера, может потребоваться опорожнение трубы.
13.2.1.8 Операции извлечения можно моделировать с использованием применимого программного обеспечения. При моделировании следует учитывать соответствующие факторы (такие, как состояние моря, профиль течения, перемещения судна) и возможные ограничения при извлечении, включая материал заглубления (грунт, глина или порода), защитные подушки и конструкции.
13.2.1.9 В процессе извлечения необходимо постоянно контролировать нагрузки, деформации и абразивный износ трубы. Следует осуществлять проверку трубы в процессе ее извлечения. Любое повреждение важно идентифицировать на наружной оболочке трубы с использованием соответствующих указателей. Следует консультироваться с изготовителем по процедурам очистки и хранения.
13.2.2 Труба многослойной структуры без связующих слоев
13.2.2.1 Необходимо оценить потенциальную коррозийность и токсичность флюидов в кольцевом пространстве трубы. При извлечении трубы любые вентиляционные порты концевых фитингов и арматуру, содержащие такие флюиды, следует сразу заблокировать до тех пор, пока эти флюиды не будут отведены безопасным способом. Одним из способов отвода флюидов является нагнетание воздуха или азота через один из концевых фитингов и выпуск их через другой концевой фитинг.
13.2.2.2 В процессе извлечения особое внимание следует уделять предупреждению разрыва наружной оболочки от избыточного дифференциального давления между кольцевым пространством и наружной поверхностью трубы. Избыточное дифференциальное давление может также привести к отслоению наружной оболочки и проблемам (включая повреждение наружной оболочки), если труба извлекается с использованием устройств натяжения или если используются "китайские пальцы" (создаваемое сжатие может быть недостаточным для удерживания натяжения с помощью трения). Следует контролировать скорость подъема для обеспечения возможности сброса избыточного давления через вентиляционную арматуру концевого фитинга в процессе извлечения. Если кольцевое пространство содержит токсичные флюиды, то для безопасности персонала следует контролировать систему сброса давления.
13.2.2.3 Необходимо рассчитывать допустимую скорость подъема на основании технического состояния системы сброса газа. Предохранительная газовыпускная арматура, которая не эксплуатировалась в течение продолжительного периода времени, может быть заблокирована из-за отложений, обрастания морскими организмами, коррозии и т.п. Перед извлечением трубы следует освободить засоренный клапан, если это практически осуществимо. До извлечения можно предусмотреть рассверливание разрывных мембран в наружной оболочке для сохранения целостности наружной оболочки.
13.2.3 Труба многослойной структуры со связующими слоями
13.2.3.1 Для плавучего/погружного типа труб многослойной структуры со связующими слоями, которые всплывают в пустом состоянии (заполненные воздухом), извлечение трубопровода следует осуществлять, предусматривая его всплытие на поверхность и наматывание на катушку с поверхности воды. Относительно выполнения операций вытеснения воды, ограничений и работы с внутренними снарядами необходимо консультироваться с изготовителем.
13.2.3.2 В процессе наматывания на катушку труб многослойной структуры со связующими слоями, которые состоят из нескольких секций, следует уделять внимание защите сопрягаемых трубных слоев от повреждения при контакте с концевым фитингом. Относительно упаковки конкретных концевых фитингов необходимо консультироваться с его изготовителем.
13.2.3.3 При извлечении труб (сминающихся) многослойной структуры со связующими слоями с гладкими проходными каналами следует уделять особое внимание предупреждению избыточного скручивания трубы на катушке. Для контроля скручивания в процессе извлечения предусматривают поддержание номинального давления в трубе. Скручивания, возникающие на катушке, освобождают путем обратной перемотки трубы при номинальном давлении. Если при заполнении воздухом труба всплывает, то скручивание может быть также освобождено путем стягивания трубы с катушки на водную поверхность, создания в ней повышенного давления воздуха и обратной намотки ее на катушку с поверхности воды. Не допускается хранить или повторно использовать трубу в скрученном состоянии.
13.2.3.4 Трубы многослойной структуры со связующими слоями с гладкими проходными каналами могут подвергаться большому удлинению при натяжении, в особенности если труба не под давлением. При извлечении следует уделять внимание минимизации удлинения, возникающего на катушке. Если на катушке возникло избыточное удлинение, то перед хранением и повторным использованием трубы следует снять удлинение путем обратной перемотки трубы при внутреннем давлении. В качестве альтернативы если при заполнении воздухом труба всплывает, то она может быть стянута с извлекающего барабана на водную поверхность, опрессована воздухом, затем повторно намотана на катушку с поверхности воды.
13.3 Повторное использование
13.3.1 Общие положения
13.3.1.1 Для процесса повторного использования гибкой трубы в новых условиях применения рекомендуются как минимум следующие этапы:
- извлечение трубы;
- контроль и ремонт;
- требования к испытаниям;
- установка.
| | ИС МЕГАНОРМ: примечание. В официальном тексте документа, видимо, допущена опечатка: этапы a) и b) в пункте 13.3.1.1 отсутствуют. Возможно, имеются в виду первое и второе перечисления пункта 13.3.1.1. | |
13.3.1.2 Раздел 12 содержит руководящие указания по установке, а
13.2 содержит руководство по извлечению труб. Оставшиеся этапы в этом процессе рассматриваются в
13.3.2 -
13.3.5. Извлеченную трубу, предназначенную для статических условий применения, не следует повторно использовать в динамических условиях применения. Для определения возможности повторного использования трубы
этапы a) и
b), указанные в
13.3.1.1, выполняют до ее извлечения.
13.3.2.1 Пользователю следует подготовить детальный отчет о предшествующем использовании для оценки возможности повторного использования трубы. В отчете указывают глубину воды, характеристики пластового флюида, дату установки, длину при эксплуатации, рабочее давление и температуру и любые непредвиденные события, которые могли повлиять на использование трубы.
13.3.2.2 Любые события, которые могли повредить трубопровод, и предшествующие ремонты трубы следует также документально оформлять и сохранять как данные истории эксплуатации трубопровода. Дополнительно следует поддерживать отчеты обо всех предшествующих работах по контролю и мониторингу, относящихся к трубопроводу.
13.3.3 Оценка трубопровода
13.3.3.1 Общие положения
13.3.3.1.1 При оценке трубы для повторного использования следует определить новые проектные условия, используя руководства заказчика в
ГОСТ Р 59309 и
ГОСТ Р 59306.
13.3.3.1.2 До повторного использования трубы следует выполнить ее общий расчет с учетом проектных характеристик трубы, новых условий использования, оставшегося срока эксплуатации и всех предшествующих условий, которые могли повлиять на ее характеристики. При оценке следует также принимать во внимание любые случайные повреждения, обнаруженные при контроле трубы после извлечения. При расчете оставшегося срока эксплуатации важно оценивать влияние коррозионных флюидов на конструкционные слои трубы. Дополнительно следует оценить состояние и оставшийся срок службы внутреннего слоя или полимерного/эластомерного материала внутренней оболочки, работающей под давлением.
13.3.3.1.3 Верификация трубы и оценка для повторного использования рассматриваются в
13.3.3.2 -
13.3.3.4 для следующих условий повторного использования:
- аналогичного использования;
- новых условий;
- специальных случаев.
13.3.3.2 Оценка для аналогичного использования
В этом случае труба предназначается для повторного использования в условиях, аналогичных первоначальным условиям, за исключением случаев, при которых труба подвергалась аномальным явлениям, повреждению или другим событиям, которые могли существенно снизить срок ее эксплуатации. Необходимо оценивать следующую информацию:
- новые условия использования, включая идентификацию любых значительных изменений при применении (уровни H2S или CO2);
- оставшийся срок эксплуатации;
- первоначальные данные, указанные изготовителем, включая несущую способность трубы (спецификация и проектный отчет).
13.3.3.2.1 Контроль трубы на наличие повреждений следует считать достаточным для утверждения о возможности повторного использования трубы, если новые условия использования (включая процедуру и оборудование для укладки и извлечения, условия окружающей среды и эксплуатационные условия) легко идентифицируются как эквивалентные или менее критические, чем первоначальные условия или первоначальные проектные критерии, и если оставшийся срок эксплуатации больше, чем срок, необходимый для нового месторасположения.
13.3.3.2.2 Следует уделять внимание процедурам и оборудованию, используемым для укладки и извлечения, особенно в глубоководных условиях применения, где условия укладки могут быть критическими.
13.3.3.3 Оценка для новых условий использования
13.3.3.3.1 Если новые условия использования не аналогичны первоначальным или если оценка, выполненная в соответствии с
13.3.3.2, не позволяет сделать окончательный вывод, рассматривают следующую информацию:
- общий расчет и расчет поперечных сечений (учитывая новое оборудование для укладки, новые условия эксплуатации, новые условия применения и т.д.);
- результаты испытаний опытного образца, если доступны (кратко- и долговременные испытания).
13.3.3.3.2 Внутренний слой и оболочка гибкой трубы, работающая под давлением, рассматриваемые для повторного использования, должны соответствовать характеристикам транспортируемого флюида с учетом аспектов химической совместимости, температуры, газовой проницаемости и старения. При оценке соответствия важно использовать модели старения и методы определения остаточного срока службы эластомера или полимера с надлежащими коэффициентами безопасности, где это возможно.
13.3.3.3.3 Если предполагаются условия эксплуатации в кислой среде, то металлические материалы следует квалифицировать на сопротивление SSC и HIC в новых проектных условиях. Следует надлежащим образом оценить уменьшение толщины эластомерных, полимерных и металлических слоев, которое могло произойти при предшествующем использовании из-за фреттинг-коррозии или абразивного износа.
13.3.3.4 Оценка специальных случаев
Если труба подвергается аномальным воздействиям, повреждению, критическим напряжениям или другим событиям, которые могут существенно уменьшить эксплуатационный срок службы гибкой трубы, может выполняться следующее:
- специальный локальный расчет;
- новые испытания опытного образца;
- регистрация аномальной эксплуатации, такой как воздействия, когда труба подвержена условиям, выходящим за пределы первоначального проекта (экстремальные нагрузки или температуры);
- регистрация дефектов или технического состояния, выявляемых при контроле в процессе эксплуатации или после извлечения (таких, как повреждение, коррозия или старение);
- регистрация предшествующих условий долговременного хранения трубы;
- испытания для квалификации материала (испытания на старение, испытания на совместимость, квалификационные испытания).
13.3.3.4.1 Специальный локальный расчет может быть полезен для оценки повреждения, такого как обрыв проволоки, коррозия, износ и т.п. Могут выполняться новые испытания опытного образца для подтверждения специальных характеристик, необходимых для повторного использования трубы в новых условиях (если новое оборудование для укладки создает высокое напряжение в трубе).
13.3.3.4.2 Результаты квалификационных испытаний материалов могут применяться для оценки оставшегося ресурса при воздействии эксплуатационного флюида или условий окружающей среды.
13.3.3.4.3 При выполнении общего и локального расчета следует применять квалифицированные методы для расчета трубы и системы в целом. При проведении расчета гибкой трубы операторы могут использовать свои собственные методы, методы, указанные изготовителем, или методы третьих сторон.
13.3.3.4.4 Необходимо выполнять расчет остаточного ресурса трубы. Для этого используют коэффициенты безопасности, указанные в
ГОСТ Р 59309 и
ГОСТ Р 59306. Информация о долговременных эксплуатационных характеристиках материалов в первоначальных условиях эксплуатации является существенной при принятии решения о повторном использовании трубы. Полезными источниками информации для этой цели являются эксплуатационный опыт работы с материалами и трубами, результаты ресурсных испытаний, выполненных при квалификации материалов, испытание опытного образца (разрушающее испытание образцов, отобранных из извлеченной трубы), контроль извлеченных труб, соответствующим образом квалифицированная методика неразрушающего контроля при мониторинге и калиброванные теоретически или по результатам испытаний модели для расчета эксплуатационного срока службы.
13.3.4 Контроль и ремонт
13.3.4.1 Общие сведения
Для любых операций контроля и/или ремонта следует привлекать технический персонал изготовителя.
13.3.4.2 Труба многослойной структуры без связующих слоев
13.3.4.2.1 Незащищенное армирование трубы может подвергнуться интенсивной коррозии при атмосферном воздействии в результате повреждения (возникшего, например, в процессе извлечения трубы). Поэтому рекомендуется немедленно защищать такие участки с использованием специальных антикоррозионных средств и с помощью покрытия их лентой или обвязкой, если их нельзя сразу отремонтировать.
13.3.4.2.2 При контроле важно оценить степень имеющейся коррозии и возможную коррозию на участках поврежденной наружной оболочки, допускающей поступление воды. Коррозия может уменьшить несущую способность армирования и негативно повлиять на его противоизносные характеристики. Участки трубы, где во время предшествующей эксплуатации трубы размещались разрывные мембраны, являются примером секции трубы, где может произойти значительное коррозионное повреждение. Для оценки критичности повреждения следует провести приемочные испытания (см.
13.3.5) и локальный расчет.
13.3.4.2.3 Для обеспечения возможности повторного использования может быть целесообразным отрезать критическое повреждение на локализованном участке и устанавливать концевые фитинги на концах оставшихся секций. Особое внимание следует уделять сопряжению между трубой и элементом жесткости на изгиб/ограничителем изгиба, где появление повреждения и коррозии наиболее вероятно.
13.3.4.2.4 Для ремонта наружной оболочки используют квалифицированные процедуры с привлечением квалифицированного персонала. В квалификацию ремонтных процедур включают испытания для подтверждения характеристик трубы. Следует учитывать долговременную деструкцию отремонтированного участка. В качестве альтернативы ремонту наружной оболочки может быть более удобным снятие всего слоя и повторная экструзия новой наружной оболочки.
13.3.4.2.5 Концевые фитинги следует подвергать детальному контролю. Важно оценивать систему коррозионной защиты для всех компонентов (корпус концевого фитинга, болты, гайки). Необходимо проверить посадочное место под прокладку на соответствие проектному стандарту для требуемой чистоты обработки поверхности. Если поверхность не отвечает требованиям, то следует принять решение о целесообразности повторной проточки канавки или замены фланца. При замене фланца, возможно, потребуется замена концевого фитинга, поскольку может быть невозможно приварить новый фланец. Предохранительную арматуру следует испытать и откалибровать или заменить.
13.3.4.2.6 Необходимо оценить долговременную деструкцию пластиковых компонентов концевых фитингов. От поставщика трубы следует получить данные об эксплуатационном сроке службы сохранения требуемых свойств смол и прокладок.
13.3.4.2.7 Если концевые фитинги удаляются, то крепление новых концевых фитингов следует выполнять с использованием процедуры, утвержденной поставщиком трубы или другим компетентным органом.
13.3.4.3 Труба многослойной структуры со связующими слоями
13.3.4.3.1 В процессе или после извлечения наружную поверхность трубы следует тщательно очистить и проконтролировать.
13.3.4.3.2 Если покрывающий слой трубы многослойной структуры со связующими слоями поврежден (например, в процессе извлечения трубы), то может возникнуть интенсивная коррозия обнаженных упрочняющих прядей. Поэтому рекомендуется немедленно защитить такой участок с применением антикоррозионных средств и покрытия его временным непроницаемым слоем.
13.3.4.3.3 Следует проверить на коррозию все участки с повреждением покрытия. Коррозия может создать интенсивную деструкцию филаментных проволочных кордов, используемых в трубе многослойной структуры со связующими слоями. Для оценки критичности повреждения проводят приемочные испытания и локальный расчет.
13.3.4.3.4 Может быть целесообразным отрезать критическое повреждение на локализованном участке и установить концевые фитинги на концах оставшихся секций. Новые концевые фитинги следует устанавливать с привлечением квалифицированного персонала и с использованием квалифицированных процедур. Трубы многослойной структуры, со связующими слоями, со встроенными концевыми фитингами, могут использовать временные ремонтные концевые фитинги, но, как правило, такой тип труб не может повторно стационарно подсоединяться.
13.3.4.3.5 Для всех видов ремонта наружного покрытия необходимо использовать квалифицированные процедуры с привлечением квалифицированного персонала. В квалификацию процедуры ремонта включают испытания для подтверждения характеристик трубы. Следует учитывать долговременную деструкцию отремонтированного участка.
13.3.4.3.6 Концевые фитинги следует подвергать детальному контролю. Необходимо оценивать систему коррозионной защиты для всех компонентов (корпус концевого фитинга, болты, гайки). Следует проверить посадочное место под прокладку на соответствие проектному стандарту для требуемой чистоты обработки поверхности. Если поверхность не отвечает требованиям, то принимают решение о целесообразности повторной проточки канавки или замены фланца. При замене фланца, возможно, потребуется замена концевого фитинга, поскольку может быть невозможно приварить новый фланец.
13.3.4.3.7 Необходимо оценить долговременную деструкцию пластиковых компонентов концевых фитингов. От поставщика трубы следует получить данные об эксплуатационном сроке службы смол и прокладок.
13.3.4.3.8 Для труб многослойной структуры, со связующими слоями и встроенными концевыми фитингами, необходимо визуально проконтролировать сопряжение между встроенным ниппелем и внутренним слоем с помощью зеркала или бороскопа. Следует тщательно оценить критичность любого признака расслоения внутреннего слоя, линейного смещения (проскальзывания) между ниппелем и внутренним слоем или просачивания нефти на сопряжении ниппеля и внутреннего слоя.
13.3.5 Требования к испытаниям
13.3.5.1 После подготовки трубы к повторному использованию ее следует подвергнуть заводским испытаниям, указанным в
ГОСТ Р 59309 или
ГОСТ Р 59306, или согласно требованиям потребителя (таким, как гидростатическое испытание, испытание шаблонами или контроль целостности электрической цепи). Следует обеспечить, чтобы давление гидростатического испытания соответствовало требованиям FAT, изложенным в
ГОСТ Р 59309. Если давление испытания снижается, то проектное давление следует уменьшить до 0,67 давления испытания.
13.3.5.2 Для хранения после проведения испытания под давлением может потребоваться промывка трубы и защита ее от коррозии. Допускается использовать другие методы испытания и контроля для обнаружения дефектов в трубе, таких как потеря материала из-за коррозии, трещины или технологические дефекты в конструкционных слоях.
13.3.5.3 При повторной укладке и вводе в эксплуатацию следует учитывать рекомендации, приведенные в
12.4 и
12.5.
14 Мониторинг целостности и технического состояния
В
разделе 14 приводятся руководящие указания и рекомендации по мониторингу целостности и технического состояния, включая возможные дефекты трубы, для гибких труб многослойной структуры без связующих слоев. В целом
раздел 14 не применим к гибким трубам многослойной структуры со связующими слоями.
14.2.1 Принципы контроля/мониторинга
14.2.1.1 Необходимо разработать детальную программу мониторинга целостности и технического состояния, основываясь на оценке режимов разрушения, которым подвергается гибкая труба, и риска, связанного с разрушением от каждого источника.
14.2.1.2 Система мониторинга проектируется для эксплуатации в течение расчетного промыслового срока службы или, если будет необходимо, для уменьшенного периода на одном или более райзерах, предназначенных для динамических условий, или выкидных трубопроводах для исследовательского или эксплуатационного использования. Следует полностью разрешить эти вопросы и завершить принятие эксплуатационных принципов до начала проектирования. Принципы мониторинга и контроля идентифицируют в исходных условиях проектного решения.
14.2.2 Общие сведения
Обычно в программу контроля и мониторинга следует включать условия применения гибкой трубы и вспомогательного оборудования.
14.2.3 Цели
Целями программы мониторинга целостности и технического состояния в процессе эксплуатации следует считать:
a) обнаружение возможной деструкции на достаточно ранней стадии для возможности принятия восстановительных действий и, таким образом:
1) защиту от аварий или сокращения срока службы,
2) защиту от загрязнения окружающей среды,
3) предотвращение простоев,
4) минимизацию рисков экономических потерь, возникающих при деструкции системы гибких трубопроводов или повреждении промыслового оборудования;
b) сохранение пригодности к использованию по назначению;
c) соответствие нормативным требованиям;
d) обеспечение мониторинга технологических параметров.
14.2.4 Разработка программы контроля/мониторинга
14.2.4.1 Необходимо идентифицировать возможные режимы разрушения для конкретной конструкции и условий применения гибкой трубы. При оценке возможных режимов разрушения следует учитывать функциональные и эксплуатационные требования, предъявляемые к системе гибких трубопроводов.
14.2.4.2 Необходимо выполнять анализ рисков для количественной оценки риска, относящегося к каждому режиму разрушения, обычно в зависимости от вероятности и последствий разрушения. При установлении стратегии контроля и мониторинга следует связывать степень требуемого мониторинга или контроля с рассчитанным уровнем риска.
14.2.4.3 Имеющиеся прямые или непрямые методы контроля трубы/доступа к трубе следует оценивать по их пригодности для предусмотренного применения выкидного трубопровода или райзера. В конструкции системы гибких трубопроводов и соответствующем надводном и подводном оборудовании следует предусмотреть надлежащие меры для облегчения мониторинга трубы. В этом отношении надводные трубопроводы проектируют для обеспечения доступа к внутренним инспекционным инструментам.
14.2.4.4 Требования базовых исследований учитывают для каждого метода, который выбирают как часть программы мониторинга целостности и технического состояния. Следует обеспечить подготовку для любого такого базового исследования перед тем, как ввести трубу в эксплуатацию, и регистрацию следует выполнять в течение всего срока службы системы гибких труб.
14.2.4.5 Мониторинг целостности следует начинать на заводе с тщательной инспекции, контроля качества и документирования технологии изготовления. Необходимо тщательно планировать операции по укладке для предупреждения повреждения от спуско-подъемного оборудования. Особое внимание должно уделяться первому базовому визуальному контролю после укладки для документирования минимальных аномалий или повреждений, которые могут указывать на необнаруженные проблемы и необходимость более частого мониторинга.
14.2.5 Пересмотр программы контроля и мониторинга
В течение срока службы промысловой системы гибких труб программу контроля и мониторинга следует подвергать регулярному, документально оформленному пересмотру. При этом пересмотре повторно оценивают методы и периодичность пересмотра на основе результатов контроля или мониторинга, опыта использования этой или аналогичных систем или дополнительных знаний о поведении гибких труб. Документально оформленные протоколы процесса пересмотра следует сохранять в течение срока службы промысловой системы или срока службы каждой гибкой трубы в промысловой системе, если какие-либо трубы используются повторно.
14.3 Режимы разрушения и возможные дефекты труб
14.3.1 Режим разрушения гибкой трубы описывает один возможный процесс, при котором гибкая труба может разрушиться. Одиночный режим разрушения обычно представляет последовательность развития дефектов трубы, которые могут привести к разрушению трубы. Идентификацию характерных режимов разрушения следует основывать на детальном знании поведения гибкой трубы.
14.3.2 Таблицы 30 -
32 идентифицируют возможные дефекты, влияющие на целостность систем гибких труб. Каждый дефект пронумерован, и указаны возможная причина и последствия этого дефекта.
Таблица 30
Возможные дефекты труб при статических условиях применения
Слой трубы | Номер дефекта | Дефект | Последствие | Возможная причина |
Каркас | 1.1 | Отверстие, щель, язвина или утоньшение | Уменьшенное сопротивление смятию и уменьшенная несущая способность на растяжение | a) эрозия от воздействия песка; b) щелевая, точечная или равномерная коррозия (и SSC/HIC); c) эксплуатация в чрезмерно кислой среде; d) повреждение внутренним снарядом |
1.2 | Деформация при раскрытии армирующего слоя | Локальное уменьшение сопротивления смятию и несущей способности на растяжение | a) избыточный изгиб; b) избыточное натяжение при изгибе; c) повреждение внутренним снарядом |
1.3 | Смятие или овальность | Заблокированный или уменьшенный канал | a) избыточное натяжение; b) избыточное давление, возникшее между слоями в многослойной конструкции оболочки на давление при сбросе давления в канале трубы; c) наружное избыточное давление (возможное отверстие в наружной оболочке); d) большая начальная овальность (дефект изготовления); e) избыточное нагружение или деформация при укладке; f) большой радиальный зазор между армированием, обеспечивающим стойкость к давлению, и внутренней оболочкой, работающей под давлением (дефект изготовления); g) боковой удар или точечный контакт |
Внутренняя оболочка, работающая под давлением | 2.1 | Трещина или отверстие | Утечка среды в кольцевое пространство, и/или разрыв наружной оболочки, и/или разрыв трубы/утечка | a) отверстие, пузырь, включение или другой дефект изготовления; b) разрыв армирования, обеспечивающего стойкость к давлению; c) раскрытие армирования, обеспечивающего стойкость к давлению; d) старение (охрупчивание); e) температура выше расчетных уровней; f) дефект каркаса; g) давление выше расчетных уровней; h) повреждение средством очистки и диагностирования; i) трещинообразование от окружающей среды; j) эрозия (трубы с гладким проходным каналом); k) состав продукта выходит за проектные пределы |
2.2 | Разрыв | Разрушение трубы | a) изгиб трубы (сторона натяжения); b) смятие (утечка через наружную оболочку, низкое внутреннее давление, смятый каркас); c) старение и охрупчивание; d) разрушение армирования, обеспечивающего стойкость к давлению |
2.3 | Смятие | Восстанавливаемое, но пластическое вытягивание | Избыточное снижение давления продукта или избыточное внешнее давление относительно внутреннего давления (отсутствие каркаса или смятие каркаса) |
2.4 | Охрупчивание при старении | Уменьшенная эластичность и повышенная восприимчивость к образованию трещин | Изменения свойств материала (деструкция), возникающие от воздействия флюида |
2.5 | Избыточная ползучесть (экструзия) полимера в металлический слой | Возможность разрыва в виде отверстия или трещины | a) работа при давлении и/или температуре вне их пределов; b) ненадлежащий выбор материала; c) ненадлежащая толщина стенки |
2.6 | Вспучивание | Возможность разрыва в виде отверстия или трещины | a) быстрое разрушение при работе с давлением и/или температурой вне их пределов; b) быстрое разрушение при ненадлежащем выборе материала |
Армирующий слой, обеспечивающий стойкость к давлению | 3.1 | Обрыв отдельных или нескольких проволок | Уменьшенная несущая способность конструкции, или разрыв трубы (от внутреннего давления), или экструзия/утечка оболочки, работающей под давлением | a) коррозия; b) SSC; c) HIC; d) избыточное внутреннее давление; e) разрушение армирующего слоя, работающего на растяжение/дублирующего армирующего слоя, обеспечивающего стойкость к давлению (избыточное натяжение/давление); f) раскрытие армирующего слоя; g) дефект изготовления (сварки) |
3.2 | Раскрытие армирующего слоя | Уменьшенная несущая способность конструкции или разрыв трубы (от внутреннего давления) или экструзия/утечка оболочки, работающей под давлением | a) избыточный изгиб; b) избыточное натяжение; c) удар; d) разрушение армирования, работающего на растяжение, или дублирующего армирования, обеспечивающего стойкость к давлению; e) радиальное сжатие при укладке; f) избыточное натяжение при укладке |
3.3 | Смятие или овальность | Уменьшенный канал | a) боковой удар; b) точечный контакт; c) избыточное натяжение (при работе); d) радиальное сжатие при укладке |
3.4 | Коррозия | Разрушение армирования, обеспечивающего стойкость к давлению | a) эксплуатация в кислой среде/коррозия в кольцевом пространстве; b) поступление морской воды в кольцевое пространство |
Дублирующий армирующий слой, обеспечивающий стойкость к давлению | 4.1 | Обрыв (отдельных или всех проволок) | Уменьшенная несущая способность конструкции или разрыв трубы (от внутреннего давления) | a) коррозия; b) SSC; c) HIC; d) избыточное внутреннее давление; e) разрушение армирования, работающего на растяжение, или дублирующего армирования, обеспечивающего стойкость к давлению; f) дефект изготовления (сварки) |
4.2 | Овальность | Уменьшенный канал | a) боковой удар; b) точечный контакт; c) избыточное натяжение |
4.3 | Образование пучков | Неравномерная основа армирующего слоя, обеспечивающего стойкость к давлению, разрушение | Дефект изготовления |
4.4 | Коррозия | Разрушение армирования, обеспечивающего стойкость к давлению | a) эксплуатация в кислой среде/коррозия в кольцевом пространстве; b) поступление морской воды в кольцевое пространство |
Армирующие слои, работающие на растяжение | 5.1 | Обрыв нескольких проволок | Уменьшенная несущая способность конструкции или разрыв трубы (от внутреннего давления) | a) коррозия; b) SSC; c) HIC; d) избыточное натяжение или внутреннее давление; e) дефект изготовления (сварки); f) случайный удар |
5.2 | Выдавливание или образование пучков | Уменьшенная несущая способность на растяжение | a) скручивание; b) сжатие |
5.3 | Образование узлов | Уменьшенная несущая способность на растяжение | a) боковой удар; b) точечный контакт; c) петля в трубопроводе из-за дефекта конструкции, изготовления или ошибки при укладке |
5.4 | Коррозия | Разрыв армирования на растяжение | a) эксплуатация в кислой среде/коррозия в кольцевом пространстве; b) поступление морской воды в кольцевое пространство |
5.5 | Обрыв отдельной проволоки | Уменьшенная несущая способность на растяжение | a) коррозия; b) SSC; c) HIC; d) перенапряжение армирования (избыточное натяжение или внутреннее давление); e) ненадлежащий зажим или сопряжение; f) дефект изготовления (сварки); g) случайный удар |
Изолирующий слой | 7.1 | Раздавленный слой | Ненадлежащая изоляция | a) раздавливание при укладке; b) наружное избыточное давление |
7.2 | Проникновение воды внутрь слоя | Ненадлежащая изоляция | Отверстие во внешней оболочке или другом непроницаемом слое между внешней оболочкой и изолирующим слоем |
7.3 | Засорение трубы | Отложение парафина | Ненадлежащая конструкция |
Наружная оболочка | 8.1 | Отверстие, раздир, разрыв или трещина | Поступление морской воды (если дефект сквозной через стенку) | a) дефект изготовления; b) раздир при укладке; c) точечный контакт, удар или срезание; d) ненадлежащий зажим или сопряжение; e) нарастание давления в кольцевом пространстве; f) заблокированная вентиляционная арматура; g) утечка/отверстие во внутренней оболочке, работающей под давлением; h) избыточный изгиб плюс наличие дефекта; i) старение, воздействие атмосферных условий (UV-радиация) |
8.2 | Поступление морской воды | Коррозия проволок армирования, обеспечивающего стойкость к давлению, или армирования, работающего на растяжение (особенно зона переменного смачивания) или смятие (гладкий проходной канал), или заводненный изоляционный слой | Отверстие, раздир, разрыв или трещина в наружной оболочке |
Концевой фитинг | 9.1 | Вытягивание внутренней оболочки, работающей под давлением | Утечка среды в кольцевое пространство, разрушение | a) потеря трения (деформация каркаса и т.п.); b) раздир; c) усадка оболочки из-за циклического воздействия температуры; d) ползучесть |
9.2 | Вытягивание проволок армирования, работающего на растяжение (все проволоки) | Разрушение, разрыв от внутреннего давления | a) обрыв проволок в концевом фитинге; b) разрушение эпоксидного материала (эксплуатация в кислой среде); c) разрушение эпоксидного материала (высокотемпературное старение); d) потеря трения; e) избыточное натяжение |
9.3 | Вытягивание наружной оболочки | Поступление морской воды (гидростатическое давление) | a) избыточное давление в кольцевом пространстве; b) ползучесть |
9.4 | Блокировка вентиляционной арматуры | Разрыв наружной оболочки от внутреннего давления (если это происходит со всей вентиляционной арматурой) | a) шлам; b) обрастание морскими организмами; c) разрушение механизма (коррозия и т.п.); d) ошибки производства |
9.5 | Утечка на вентиляционной арматуре | Возможно поступление морской воды в кольцевое пространство | a) коррозия; b) разрушение механизма (разрушение уплотнения и т.д.) |
9.6 | Вытягивание отдельных армирующих элементов на растяжение | Уменьшенная несущая способность конструкции | a) обрыв проволок в концевом фитинге; b) разрушение эпоксидного материала (эксплуатация в кислой среде); c) разрушение эпоксидного материала (высокотемпературное старение); d) потеря трения; e) избыточное натяжение |
9.7 | Разрушение уплотнительной системы (уплотнительные кольца и т.п.) | Утечка среды в кольцевое пространство, возможная блокировка вентиляционной арматуры, возможный разрыв наружной оболочки от внутреннего давления и утечка трубы (разрушение) | a) ошибки производства - неэффективное уплотнение внутренней оболочки, работающей под давлением; b) ненадлежащая конструкция; c) избыточное внутреннее давление; d) избыточное натяжение или кручение; e) ненадлежащая укладка; f) избыточно низкая температура продукта |
9.8 | Трещина или разрыв армирующего слоя, обеспечивающего стойкость к давлению, или дублирующего армирующего слоя, обеспечивающего стойкость к давлению | Возможный разрыв трубы от внутреннего давления или уменьшенная несущая способность на давление | a) коррозия; b) SSC; c) HIC; d) избыточное внутреннее давление; e) разрушение армирующего слоя, работающего на растяжение (избыточное натяжение или внутреннее давление) |
9.9 | Трещина или разрыв армирующего слоя, работающего на растяжение | Возможное прогрессивное вытягивание и разрушение трубы или уменьшенная несущая способность конструкции | a) коррозия; b) SSC; c) HIC; d) избыточное внутреннее давление; e) разрушение армирующего слоя, работающего на растяжение (избыточное натяжение или внутреннее давление) |
9.10 | Разрушение конструкции корпуса концевого фитинга или фланца | Разрыв от внутреннего давления/катастрофическое разрушение трубы | a) избыточное внутреннее давление; b) неадекватная конструкция; c) избыточные растягивающие или крутящие нагрузки; d) гидростатическое смятие; e) коррозия/химическая деструкция; f) хрупкий разрыв; g) усталость |
9.11 | Растрескивание оболочки, работающей под давлением | Разрыв от внутреннего давления/катастрофическое разрушение трубы | Усталость из-за циклического воздействия термических напряжений |
Таблица 31
Возможные дефекты труб при динамических условиях применения
Слой трубы | Номер дефекта | Дефект | Последствие | Возможная причина |
Каркас | 1.1 - 1.3 | Как в таблице 30 для статических условий применения | Как в таблице 30 для статических условий применения | Как в таблице 30 для статических условий применения |
1.4 | Кольцевое растрескивание/износ | Уменьшенное сопротивление смятию и уменьшенная несущая способность на растяжение или разрыв оболочки, работающей под давлением | a) усталость плюс щелевая, питтинговая или сплошная коррозия; b) износ или трение каркас-по-каркасу |
Внутренняя оболочка, работающая под давлением | 2.1 - 2.6 | Как в таблице 30 для статических условий применения | Как в таблице 30 для статических условий применения | Как в таблице 30 для статических условий применения |
2.7 | Разрыв | Разрушение трубы | Усталостное растрескивание |
2.8 | Износ/высечки | Нет нежелательного последствия, образования трещины или отверстия во внутренней оболочке, работающей под давлением | a) абразивный износ между внутренней оболочкой, работающей под давлением, и каркасом; b) абразивный износ между внутренней оболочкой, работающей под давлением, и армирующим слоем на давление |
Армирующий слой, обеспечивающий стойкость к давлению | 3.1 - 3.4 | Как в таблице 30 для статических условий применения | Как в таблице 30 для статических условий применения | Как в таблице 30 для статических условий применения |
3.5 | Обрыв отдельной или нескольких проволок | Уменьшенная несущая способность конструкции, разрыв трубы (от внутреннего давления) или экструзия/утечка через внутреннюю оболочку, работающую под давлением | a) износ между проволоками; b) износ от контакта с дублирующим слоем, обеспечивающим стойкость к давлению; c) растрескивание вдоль проволоки; d) усталостное разрушение; e) дефект сварки |
3.6 | Трещина продольной проволоки | Возможно удлинение до критического размера дефекта | Износ между проволоками и местная концентрация напряжений |
Дублирующий армирующий слой, обеспечивающий стойкость к давлению | 4.1 - 4.4 | Как в таблице 30 для статических условий применения | Как в таблице 30 для статических условий применения | Как в таблице 30 для статических условий применения |
4.5 | Обрыв отдельной или нескольких проволок | Уменьшенная несущая способность конструкции или разрыв трубы (от внутреннего давления) | a) износ от контакта с армирующим слоем, обеспечивающим стойкость к давлению; b) усталостное разрушение |
Армирующие слои, работающие на растяжение | 5.1 - 5.5 | Как в таблице 30 для статических условий применения | Как в таблице 30 для статических условий применения | Как в таблице 30 для статических условий применения |
5.6 | Обрыв нескольких проволок | Уменьшенная несущая способность конструкции или разрыв трубы (от внутреннего давления) | a) износ между армирующими слоями (зазор в противоизносном слое, потеря смазочного масла); b) усталость при фреттинг-коррозии; c) усталостное разрушение по трещине или надрезу; d) усталостное разрушение |
5.7 | Обрыв отдельной проволоки | Уменьшенная несущая способность конструкции или разрыв трубы (от внутреннего давления) | a) износ между армирующими слоями (зазор в противоизносном слое, потеря смазочного масла); b) усталость при фреттинг-коррозии; c) усталостное разрушение по трещине или надрезу; d) усталостное разрушение |
Противоизносный слой | 6.1 | Износ, растрескивание | Радиальный контакт армирующих слоев, износ | a) относительное перемещение между слоями; b) температура и среда кольцевого пространства; c) дефект изготовления |
6.2 | Образование пучков | Радиальный контакт армирующих слоев, износ | Дефект изготовления |
Изоляционный слой | 7.1 - 7.3 | Как в таблице 30 для статических условий применения | Как в таблице 30 для статических условий применения | Как в таблице 30 для статических условий применения |
Наружный слой | 8.1 - 8.2 | Как в таблице 30 для статических условий применения | Как в таблице 30 для статических условий применения | Как в таблице 30 для статических условий применения |
8.3 | Износ, раздир | Возможен разрыв из-за давления кольцевого пространства, возможно образование отверстия из-за износа или ускоренная коррозия металлических армирующих слоев | Абразивный контакт с морским дном, другими трубопроводами или поверхностями |
Концевой фитинг | 9.1 - 9.11 | Как в таблице 30 для статических условий применения | Как в таблице 30 для статических условий применения | Вытягивание оболочки, работающей под давлением, и растрескивание из-за собственного веса слоя и инерции |
Таблица 32
Возможные дефекты труб при статических
и динамических условиях применения
Слой трубы | Номер дефекта | Дефект | Последствие | Возможная причина |
Устройства ограничения изгиба (элементы жесткости и раструбы) | 10.1 | Трещина в элементе жесткости | Возможен избыточный изгиб трубы | a) усталость элемента жесткости; b) избыточный изгиб элемента жесткости; c) деструкция материала |
10.2 | Разрыв элемента жесткости | Возможен избыточный изгиб трубы или раздир внешней оболочки | a) усталость элемента жесткости; b) избыточный изгиб элемента жесткости; c) абразивный износ или ударное повреждение; d) деструкция материала |
10.3 | Разрушение опорной конструкции элемента жесткости | Возможен избыточный изгиб трубы или раздир внешней оболочки | a) избыточный изгиб у элемента жесткости и перегрузка обвязки или опоры; b) ударное повреждение; c) конструкционная усталость конструкции опоры или обвязки |
10.4 | Деформация раструба или ненадлежащий размер | Избыточный изгиб трубы | a) ошибка в конструкции раструба или изготовлении; b) избыточный изгиб трубы вокруг раструба; c) ударное повреждение раструба; d) "концевая заделка" трубы |
10.5 | Ненадлежащее функционирование элемента жесткости | Избыточный изгиб трубы | a) ненадлежащая конструкция или ненадежность конструкции (жесткость в зависимости от температуры); b) ненадлежащее изготовление (отвердение PU) |
Ограничители изгиба | 11.1 | Нарушение блокировки | Возможен избыточный изгиб трубы | a) избыточный изгиб в трубе; b) дефектный или поврежденный ограничитель |
11.2 | Нарушение положения | Возможен избыточный изгиб трубы | a) ненадлежащее закрепление ограничителя (ограничителей) изгиба; b) удар или абразивный износ |
11.3 | Потеря ограничителя (ограничителей) изгиба | Возможен избыточный изгиб трубы | a) ненадлежащий хомут(ы) или поврежденный хомут(ы); b) повреждение от абразивного износа или удара |
Модули плавучести | 12.1 | Нарушение положения | Возможны избыточный изгиб трубы, избыточное натяжение или раздир наружной оболочки | a) дефектные модули плавучести; b) повреждение от абразивного износа или удара; c) ненадлежащий хомут(ы) или поврежденный хомут(ы) |
12.2 | Потеря или разрушение модуля (модулей) плавучести | Возможны избыточный изгиб трубы, избыточное натяжение или раздир наружной оболочки | a) ненадлежащий хомут(ы) или поврежденный хомут(ы); b) повреждение от абразивного износа или удара |
12.3 | Уменьшенная плавучесть | Возможны избыточный изгиб трубы, избыточное натяжение или контакт с морским дном (абразивный износ, сжатие, избыточный изгиб или удар) на участке изгиба трубопровода | a) дефектные модули плавучести; b) повреждение от абразивного износа или удара; c) ненадлежащий хомут(ы) или поврежденный хомут(ы); d) гидростатическое сжатие, водопоглощение или ползучесть |
Подводные буи | 13.1 | Нарушение положения | Возможны избыточный изгиб трубы или избыточное натяжение, разрушение армирующих слоев, обеспечивающих стойкость к давлению или работающих на растяжение | a) дефектный буй; b) абразивный износ, ударное повреждение от упавшего объекта, удар орудия тралового лова; c) ненадлежащий хомут(ы) или поврежденный хомут(ы) |
13.2 | Потеря буя | Вероятны избыточный изгиб трубы или избыточное натяжение, разрушение армирующих слоев, обеспечивающих стойкость к давлению или работающих на растяжение | a) недостаточный запас прочности обвязки и якорей; b) повреждение натяжных связей или буя от упавшего объекта, удар орудия тралового лова; c) усталость натяжных связей или креплений; d) затопление буя; e) разрушение материала буя |
13.3 | Уменьшенная плавучесть | Возможны избыточный изгиб трубы или избыточное натяжение, разрушение армирующих слоев, обеспечивающих стойкость к давлению или работающих на растяжение | a) дефектный буй; b) абразивное или ударное повреждение; c) ненадлежащие или поврежденные хомуты; d) затопление буя; e) деструкция материала буя; f) гидростатическое сжатие, водопоглощение или ползучесть |
Хомуты | 14.1 | Разрыв | Потеря модуля плавучести или ограничителя изгиба. Проскальзывание или перемещение райзера на подводном буе | a) дефектный буй; b) абразивное или ударное повреждение; c) водородное охрупчивание болтов при анодной защите; d) материалы, недостаточно стойкие к морской воде, используемые без анодной защиты |
14.2 | Повреждение | Уменьшенная удерживающая способность | Абразивное или ударное повреждение |
14.3 | Деструкция | Возможен разрыв | Старение или ползучесть пластика или коррозия металлического хомута |
Основания райзера | 15.1 | Повреждение соединения с райзером | Возможны повреждение концевого фитинга или утечка на соединении | Ударное повреждение от упавшего объекта, плавучего якоря или орудия тралового лова |
15.2 | Смещение | Возможны избыточный изгиб трубы или избыточное натяжение | Ударное повреждение от упавшего объекта, плавучего якоря или орудия тралового лова |
Опорные конструкции райзера | 16.1 | Разрегулировка райзеров | Возможны избыточный изгиб трубы, избыточное натяжение или раздир наружной оболочки | Ненадлежащий или поврежденный хомут(ы) |
16.2 | Разрушение конструкции или смещение самой опорной конструкции | Возможны избыточный изгиб трубы, избыточное натяжение или раздир наружной оболочки | a) нагрузки превышают проектные значения; b) ненадлежащие конструкция или изготовление; c) ударное повреждение от упавшего объекта, плавучего якоря или орудия тралового лова |
Катодная защита | 17.1 | Нарушение | Катодная защита в нерабочем состоянии с риском сильной коррозии | a) ударное повреждение от упавшего объекта, плавучего якоря или орудия тралового лова; b) разрушение крепления |
17.2 | Разрыв в электрической цепи | Катодная защита в нерабочем состоянии с риском сильной коррозии | a) ненадлежащее качество изготовления; b) ударное повреждение от упавшего объекта или орудия тралового лова |
17.3 | Выработка анода | Катодная защита в нерабочем состоянии с риском сильной коррозии | Расходование анода превышает проектные предположения |
Подстилающие слои или мешки с песком | 18.1 | Нарушение | Свободные пролеты, возможен избыточный изгиб, или непредусмотренное взаимодействие, или абразивный износ | a) избыточный подъем из-за перемещения райзера; b) избыточный подъем или горизонтальное перемещение из-за случайного нагружения |
Насыпная порода или засыпка траншеи | 19.1 | Потеря покрытия | Возможны свободные пролеты трубы и избыточный изгиб, воздействие орудия тралового лова или другое ударное повреждение | Постепенное подъемное перемещение трубы к поверхности |
Расположение гибкой трубы | 20.1 | Обратный выгиб или ползучесть заглубленной трубы | Возможны избыточный изгиб и местное раскрытие армирования, обеспечивающего стойкость к давлению, воздействие орудия тралового лова или другое ударное повреждение | a) осевое сжатие (удлинение из-за воздействия температуры и/или давления); b) ненадлежащая укладка при заглублении трубы |
20.2 | Трубная петля | Возможны избыточный изгиб или избыточное перекручивание | a) избыточное кручение при укладке; b) избыточная длина трубы при укладке |
| | ИС МЕГАНОРМ: примечание. В официальном тексте документа, видимо, допущена опечатка: дефекты 8.2 и 8.5 в таблице 33 отсутствуют. | |
|
| 20.3 | Нарушение расположения трубы (по сравнению с проектной или исполнительной схемой) | Возможны избыточный изгиб, избыточное натяжение, овальность или раздир наружной оболочки | a) дрейф на якоре; b) выход FPS или FPSO за наружные проектные пределы; c) боковой удар орудием тралового лова или другой боковой удар; d) точечный контакт (раздир наружной оболочки, см. таблицу 33, дефект 8.2; и таблицу 33, дефекты 8.2 и 8.5) |
20.4 | Свободные пролеты трубы | Возможен избыточный изгиб | a) укладка трассы через конструкцию, резко выступающую на морском дне; b) потеря покрытия трубы, проложенной в траншее или засыпанной породой |
20.5 | Взаимодействие райзера | Возможно повреждение устройств плавучести, хомутов или ограничителей изгиба, возможны избыточный изгиб, или ударное повреждение, или износ/абразивное истирание наружной оболочки трубы | a) экстремальные условия окружающей среды превышают проектные значения; b) ненадлежащее проектирование при обеспечении требуемого зазора; c) потеря модулей плавучести или зажимных устройств, поддерживающих разделение труб; d) дрейф на якоре; e) избыточная амплитуда перемещения судна |
Таблица 33
Методы мониторинга текущей целостности
и технического состояния
N метода | Метод мониторинга | Описание | Цель |
1 | Визуальный контроль: (i) наружный | С помощью ROV или ручного способа оценка утечки или видимой деформации, повреждения трубы или наружной оболочки | Определение общей целостности видимых секций трубы и общей компоновки системы гибких трубопроводов |
(ii) внутренний | С помощью съемочного устройства, вводимого в канал трубы | Проверка технического состояния внутреннего каркаса или внутренней оболочки, работающей под давлением |
2 | Испытание под давлением (гидростатическое) | Давление, прикладываемое к трубе, и снижение, измеряемое во времени; обнаруженные утечки и аномалии | Определение способности трубы выдерживать нагрузки от давления, обычно превышающего максимально допустимое рабочее давление, в течение заданного времени |
3 | Разрушающий контроль отобранных образцов | Обычно применяется для испытания пробных образцов на старение внутренней оболочки, работающей под давлением, при котором пробные образцы на старение подвергаются воздействию среды потока в ловушках для отбора проб в виде трубных вставок и периодически извлекаются для разрушающего испытания | Прогнозировать состояние старения или деструкции внутренней оболочки, работающей под давлением, путем экстраполяции результатов испытания на растяжение и других испытаний образцов термопласта, извлеченных из фактических условий потока |
4 | Мониторинг нагрузки, деформации и окружающей среды | Измеряемые параметры включают ветер, волны или условия течения, перемещения судна, температуру, давление и состав продукта, нагрузки и деформацию конструкции (или гибкой трубы) | Используется для верификации конструкции или оценки оставшегося срока службы. Фактические нагрузки и условия окружающей среды могут сравниваться с прогнозируемыми в процессе проектирования, тем самым устанавливая степень консерватизма в конструкции. Расчеты срока эксплуатации могут также прогнозировать оставшийся срок службы на основе измеренных условий окружающей среды или нагрузок |
5 | Неразрушающий контроль труб при эксплуатации | Может включать измерение при радиографическом или индукционном контроле стальных слоев | Определение в процессе эксплуатации технического состояния стальных армирующих слоев, работающих на растяжение и обеспечивающих стойкость к давлению |
6 | Работы по калибровке | Калибровочные шаблоны для определения овальности трубы | Контроль повреждения внутреннего профиля трубы |
7 | Трубная вставка/испытываемые трубы: (i) Мониторинг технического состояния с помощью диэлектрического зондирования или ультразвукового контроля | Опции: применяется для оценки старения в процессе эксплуатации образца внутренней оболочки, работающей под давлением, установленного в жесткой испытываемой трубной вставке, который предназначен для имитации условий потока; испытываемую трубу желательно установить последовательно с потоком | Прогнозирование состояния старения или деструкции внутренней оболочки, работающей под давлением, путем экстраполяции результатов измерений в процессе эксплуатации материала образца, подвергаемого воздействию фактических условий потока |
| (ii) Испытываемая труба | Использование гибкой (или жесткой с внутренним макетом) испытываемой трубы, установленной последовательно или параллельно потоку, которая периодически извлекается для разрушающего или неразрушающего контроля | Контроль состояния старения или деструкции внутреннего каркаса, оболочки, работающей под давлением, и/или армирующих слоев на давление и растяжение гибкой трубы |
8 | Мониторинг кольцевого пространства: (i) Мониторинг диффузии газа (ii) Вакуумное испытание кольцевого пространства | Измерение флюида кольцевого пространства (pH, химический состав, объем) | Прогнозирование деструкции стальных армирующих слоев на давление или растяжение, условия старения внутренней оболочки, работающей под давлением, или восприимчивости среды кольцевого пространства к такой деструкции |
14.3.3 Таблицы 30 и
31 относятся к условиям применения райзера и гибких выкидных трубопроводов, соответственно отдельно классифицируются дефекты в каждом слое трубы.
Таблица 32 относится к дефектам, связанным с системными компонентами и принадлежностями трубы, повреждение которых может повлиять на техническое состояние и целостность самой гибкой трубы.
14.4.1 В
таблице 33 перечислены существующие методы, доступные для мониторинга гибких труб во время эксплуатации. До настоящего времени визуальный контроль и периодическое испытание на давление были наиболее распространенными формами мониторинга при эксплуатации, используемыми для демонстрации сохранения пригодности к использованию по назначению.
14.4.2 Неразрушающий контроль труб при эксплуатации включает в себя технологии с отбором и без отбора проб, которые были подтверждены на промысле и соответственно квалифицированы как методы измерений.
14.4.3 Старение неметаллических компонентов и коррозия или эрозия металлических компонентов могут подвергаться мониторингу путем установки в поток коротких испытываемых труб или купонов, размещаемых в купонных камерах для отбора проб. В течение срока службы компонента испытываемый материал может извлекаться с заданной периодичностью и подвергаться разрушающему или неразрушающему контролю. На
рисунке 38 показано извлекаемое жесткое расположение испытываемой трубы (последовательно или параллельно потоку), которая использует натурную модель внутренних слоев гибкой трубы. Это позволяет вентилировать газ через предохранительную арматуру.
a) Параллельно | b) Последовательно |
1 - испытываемая труба
--------------------------------
<a> Направление потока.
Рисунок
38 - Схема возможного расположения
испытываемой трубы
14.4.4 Диэлектрическое зондирование внутренних оболочек, работающих под давлением, следует использовать только при квалификации его для материала и диапазонов температуры и давления, применимых к условиям эксплуатации. На
рисунке 39 схематично представлен метод измерения, применимый для мониторинга надводных внутренних оболочек на давление, работающих под давлением, размещенных на верхних строениях платформ.
1 - источник переменного тока; 2 - совместимый
персональный компьютер; 3 - мультиметр; 4 - мультиплексор;
5 - распределительный щит; 6 - интерфейсный блок;
7 - взрывоопасная зона открытой палубы; 8 - зондируемая
трубная вставка в эксплуатационном потоке
--------------------------------
<a> Мультиметр должен измерять индуктивность, емкость и сопротивление.
Рисунок
39 - Схематическое представление надводного
диэлектрического зондирования и контрольно-измерительной
аппаратуры для мониторинга термопластичности
14.4.5 При мониторинге диффузии газов кольцевого пространства гибкой трубы измеряется состав газа, отбираемого через вентиляционную арматуру на концевом фитинге трубы, обычно в верхней части райзера. Целью является установление взаимосвязи результатов с потенциальной коррозией металлических слоев (включая SSC и HIC) или степенью старения внутренней оболочки, работающей под давлением, что может обеспечить раннее предупреждение о деструкции, при которой может быть нарушена целостность трубы.
14.4.6 Мониторинг нагрузок, деформации и окружающей среды включает методы, которые измеряют следующее:
- натяжение трубы;
- прогиб;
- кручение;
- изгиб;
- состав внутреннего продукта;
- внутреннее давление и температуру;
- перемещения судна и условия окружающей среды.
14.5.1 Область применения рекомендаций
Несмотря на то, что методы и периодичность требуемого мониторинга и контроля рекомендуется определять на основе результатов документально оформленного анализа рисков, далее приведены некоторые общие комментарии по существующим измерениям при контроле и мониторинге.
14.5.2 Общие рекомендации
14.5.2.1 Подводный визуальный контроль может проводиться с использованием водолазов или ROV. Подводный и надводный визуальный контроль следует периодически проводить для выявления наличия видимого повреждения гибких трубопроводов от аварий, деструкции в процессе эксплуатации или повреждения при укладке. Там, где возможно, райзеры и выкидные трубопроводы необходимо контролировать после аварийных ситуаций, которые могли привести к возможным повреждениям. Трубные системы следует повторно контролировать после ремонтных работ для подтверждения того, что любые виды ремонта труб или компонентов или замена выполнены надлежащим образом. Визуальный контроль также следует проводить в случае повторного соединения после аварийного или планового отсоединения труб. Визуальный контроль применяют для идентификации следующих возможных проблем:
a) степени и типа обрастания морскими организмами;
b) общей целостности и технического состояния трубы, включая утечки;
c) целостности и технического состояния наружной оболочки или внешнего каркаса трубы;
d) заметных продуктов разрушения;
e) наличия размывов и оценки длины свободных пролетов;
f) технического состояния концевых фитингов;
g) технического состояния системы катодной защиты;
h) любого идентифицируемого повреждения, искривления или деструкции;
i) любого идентифицируемого нарушения компоновки трубы и нарушения или потери вспомогательного оборудования;
j) взаимодействия с другими подводными техническими устройствами;
k) петли и резкие перегибы.
14.5.2.2 Дефекты необходимо документально оформлять с точки зрения типа, размера, расположения (идентификация трубы и географические координаты расположения дефектов), глубины и времени обнаружения. Следует оценивать влияние дефектов на конструкционную целостность или герметичность конструкции. Допускается также проводить акустическое обследование для идентификации расположения заглубленных труб и глубины заглубления.
14.5.2.3 Наружную поверхность труб следует контролировать на наличие надрезов, углублений, абразивного износа, вспучиваний, мягких участков, отделение наружной оболочки или любые признаки отделения гибкой трубы от концевых фитингов. Любую тенденцию подвешенного трубопровода образовывать петли также следует отмечать, так как это может привести к перекручиванию при натяжении. Незащищенные поверхности концевых фитингов контролируют на наличие трещин или повышенную коррозию. Медленное проникновение химических реагентов или продукции через внутреннюю оболочку, работающую под давлением, первоначально может быть обнаружено по миграции продуктов вдоль трубопровода и их выделению через дренажную арматуру на концевом фитинге.
14.5.2.4 Расположение труб, выбранных для измерения, определяют в соответствии с жесткостью эксплуатационных условий с точки зрения нагружения, деформации, внутренних и наружных условий окружающей среды и там, где возможно прямое измерение секции трубы с использованием наружных или внутренних неразрушающих методов контроля. Для гибких райзеров к участкам критического проектного нагружения (один или более) могут относиться:
- верхнее концевое соединение для мониторинга натяжения, изгиба и прогиба;
- опорный буй до или после подводного погружения для обеспечения требуемого изгиба и исключения скручивания трубопровода;
- соединение райзера с основанием для мониторинга температуры, изгиба и давления.
14.5.2.5 Если практически осуществимо, то предусматривают, чтобы испытываемые трубы подвергались воздействию аналогичных давлений, напряжений и условий диффузионного переноса, фактически действующих в гибкой трубе. При мониторинге воздействия пластового флюида на полимер испытываемую трубу или камеру для отбора проб следует располагать в конце гибкой трубы, ближайшем к устью скважины, а также необходимо поддерживать температуру испытываемой трубы, равную температуре секции гибкой трубы, ближайшей к устью скважины. Для мониторинга эрозии радиус изгиба испытываемой трубы предусматривают меньше, чем минимальный радиус изгиба гибкой трубы при эксплуатации.
14.5.3 Периодичность контроля
14.5.3.1 Периодичность контроля следует устанавливать с учетом режимов разрушения труб. При определении периодичности контроля рассматривают следующие факторы:
- последствия разрушения по отношению к человеческой жизни, имуществу и окружающей среде;
- эксплуатационную критичность;
- степень инновации или отсутствие эксплуатационного опыта в аналогичных условиях;
- трубный продукт и условия эксплуатации, например эксплуатацию в кислой среде, высокое давление;
- текущее техническое состояние, предысторию контроля и эксплуатации трубы.
14.5.3.2 В программе контроля необходимо определять периодичность внешнего визуального контроля для гибких труб и предусматривать его выполнение непосредственно после предполагаемого повреждения, повторного соединения или укладки и до засыпки траншеи или подсыпания грунта.
(справочное)
ПРОТОКОЛ КВАЛИФИКАЦИОННОГО ИСПЫТАНИЯ
КОНЦЕВОГО ФИТИНГА ГИБКОЙ ТРУБЫ ПРИ ВЫСОКОЙ ТЕМПЕРАТУРЕ.
ПОЛИМЕРЫ, СОДЕРЖАЩИЕ ЛЕТУЧИЕ ВЕЩЕСТВА
A.1 Общие положения
Настоящая процедура является обобщением различных требований и задач многих операторов и изготовителей гибких труб. Она прежде всего предназначена для общей квалификации концевых фитингов, а не для конкретных проектных требований. В
разделе 7 рассматриваются вопросы, которые могут относиться к испытаниям, проводимым для конкретных проектов, и для интерпретации результатов испытаний, проведенных в соответствии с процедурой настоящего приложения для конкретных проектов. Процедура, приведенная в настоящем приложении, может также использоваться вместе с
приложением C для оценки эксплуатационных характеристик концевых фитингов под воздействием конкретных условий окружающей среды при добыче нефти. Дополнительно к механическим характеристикам, которые испытываются в соответствии с процедурой настоящего приложения, необходимы соответствующие испытания для квалификации химической и физической пригодности материалов концевого фитинга и оболочки, работающей под давлением. Процедура настоящего приложения не квалифицирует прочность или жесткость концевых фитингов. Рассмотрение других квалификационных испытаний см. в
разделе 7.
Испытание моделирует эксплуатационные характеристики конструкции концевого фитинга в условиях применения для конкретного проекта добычи нефти, если достигнутая при испытании корреляция изменения процента по объему с изменением процента по массе под уплотнительным кольцом больше, чем ожидаемое равновесное изменение процента по объему под уплотнительным кольцом в эксплуатационных условиях в течение 20 лет или в течение более короткого срока службы, основанного на испытаниях, как отмечено в приложении C.
Примечание - Конечный процент по массе пластификатора, имеющегося в полимере, зависит от условий использования трубы. При работе с нефтью конечное содержание пластификатора может составлять от 3,5% до 6%, а работа с газом в условиях высокой температуры может привести к полной потере пластификатора.
Пары идентичных образцов испытывают в идентичных условиях. Для достижения неограниченной квалификации для диапазона эксплуатационных условий, охватываемых условиями испытаний, необходимо, чтобы четыре концевых фитинга соответствовали приемочным критериям.
Процедура, приведенная в настоящем приложении, может использоваться для квалификации концевых фитингов. Процедура применима для флюидных барьеров из пластифицированного полимера. Их разработка основывается на поведении PVDF, пластифицированного DBS. Тем не менее процедура настоящего приложения не ограничивается этой комбинацией материалов.
A.2 Цель испытаний
A.2.1 Описанная ниже процедура представляет применимую в отрасли методологию для квалификации механических эксплуатационных характеристик как существующих, так и вновь разработанных конструкций концевых фитингов для гибких труб с внутренней оболочкой на давление из высокотемпературного полимера для типового срока эксплуатации 20 лет.
A.2.2 Процедура настоящего приложения применима для флюидных барьеров из пластифицированного полимера.
A.2.3 Процедура настоящего приложения применима для гибких труб при работе с нефтью, газом и при нагнетании воды.
A.3 Исходные данные
До начала испытания изготовитель обязан указать следующее:
a) номинальную рабочую температуру Thi и минимальную рабочую температуру Tlo, для которой квалифицируется концевой фитинг;
b) "первоначальное перемещение" из-за "приработки" или "взаимной притирки", которое прогнозируется на начальных стадиях испытания;
c) заданный процент по массе W, который равен или больше ожидаемой потери пластификатора под уплотнительным удерживающим кольцом в течение 20 лет эксплуатации при верхней температуре испытания;
d) время депластификации, как показано ниже:
- t1 - время при верхней температуре испытания Thi, необходимое для снижения W, среднего процента по массе пластификатора под уплотнительным удерживающим кольцом, на треть;
- t2 - добавочное время при верхней температуре испытания после t1, необходимое для снижения среднего процента по массе пластификатора под уплотнительным удерживающим кольцом на дополнительную одну треть от W для суммарного уменьшения на две трети от W;
- t3 - добавочное время при верхней температуре испытания после t2, необходимое для снижения среднего процента по массе пластификатора под уплотнительным удерживающим кольцом на последнюю треть от W, указывающее на полную потерю пластификатора.
A.4 Образцы для испытаний
A.4.1 Для проведения испытаний необходимы два образца. Образцы для испытаний должны представлять полностью изготовленные гибкие трубы со всеми слоями и конструктивными параметрами. Все концевые фитинги должны быть одной конструкции и собраны с применением одной и той же процедуры и одних и тех же технических условий по допускам на размеры. Длина трубы должна составлять 10 м или больше. Кольцевые каналы трубы следует провентилировать. Трубу изготавливают в соответствии со стандартной процедурой; в частности, гидростатическое испытание выполняют при температуре окружающей среды и при давлении, равном 1,5 номинального проектного давления.
A.4.2 В качестве альтернативы могут использоваться для испытаний два образца уменьшенной длины, которые должны включать:
a) все слои гибкой трубы до армирующего слоя, обеспечивающего стойкость к давлению; для представления оставшихся слоев гибкой трубы следует обеспечить количество тепла или наружную изоляцию армирующего слоя, обеспечивающего стойкость к давлению;
b) концевые фитинги, которые имеют идентичные конструкцию, размеры и характеристики по допускам для следующих функций:
1) крепление внутреннего каркаса,
2) крепление и герметизация внутренней оболочки, работающей под давлением, и любые защитные или ленточные слои, прилегающие к внутренней оболочке, работающей под давлением,
3) количество тепла и изоляция, которые характерны для натурного концевого фитинга.
Длина образца уменьшенной длины составляет от 1 до 2 м. При испытании растягивающее усилие, прикладываемое к уплотнению оболочки, работающей под давлением, в процессе циклического изменения температуры образца, должно быть равно или больше, чем у полноразмерного образца. Это обеспечивается с помощью фиксированных ограничителей на концевых фитингах. Ограничители защищают образец от изменения длины в процессе периодического изменения температуры.
A.4.3 Изготовитель обязан иметь детальную учетную документацию по материалам в заводском исполнении, размерам, натягам и зазорам всех деталей концевого фитинга и тела трубы, которые могут влиять на характеристики концевого фитинга в процессе испытания, доступную для просмотра представителями любой заинтересованной стороны. Учетная документация должна включать технологические чертежи с размерами и допусками для трубы и концевых фитингов и все процедуры и стандарты по изготовлению и организации материально-технического снабжения. Дополнительно учетная документация должна включать расчеты, относящиеся к исходным данным (первоначальное перемещение,

,
t1,
t2,
t3 и т.д.).
A.4.4 Внутри каждой испытываемой трубы должны быть установлены четыре контрольные сборки (см.
рисунок A.1). Каждая сборка может содержать квадратный образец изолирующего материала на давление с краевыми размерами как минимум в два раза шире уплотнительного удерживающего кольца. Изолирующий материал должен сжиматься между жесткой плитой, которая больше, чем образец материала, и жесткой балкой с шириной, как минимум равной уплотнительному удерживающему кольцу, и длиной, превышающей ширину образца материала. Процент сжатия образца материала должен быть равен сжатию, достигаемому под уплотнительным удерживающим кольцом (+/- 5%).
1 - образец материала; Lseal - ширина
уплотнительного удерживающего кольца
Рисунок A.1 - Контрольная сборка
A.4.5 По соглашению может допускаться применение альтернативных конфигураций контрольной сборки. Целью является идентификация содержания пластификатора и поглощение углеводородов на участке уплотнительного кольца. Это основано на предположении, что существует подтвержденная аналитическая или эмпирическая модель соотношения между пластификатором в основном теле трубы и состоянием пластификатора в уплотнительном удерживающем кольце. Разработка и валидация этой модели является необходимой частью предквалификационного исследования. Валидация включает в себя исследование барьерных условий в зоне уплотнения от разрезанного концевого фитинга после документально оформленного процесса депластификации.
A.5 Процедуры испытания
A.5.1 Схема испытания
A.5.1.1 Образцы для испытаний должны быть вначале установлены для статического циклического воздействия температуры, а затем в установку для динамических испытаний или альтернативное испытательное устройство, позволяющее изгибать верхний конец испытываемого райзера. Статические фазы (процедуры от 1 до 4, см.
A.5.4.1.1 -
A.5.4.1.4) могут выполняться на образцах, размещенных на полу производственного участка. Процедуры динамических испытаний должны выполняться для испытательного образца(ов), установленного(ых) в испытательное устройство, обеспечивающего(их) изгиб верхнего конца райзера, достаточный для подтверждения того, что исключены любые воздействия трения между слоями под циклическим воздействием температуры. Динамическое изгибание не требуется для испытательных образцов
длиной от 1 до 2 м, так как осевая жесткость отдельного слоя на окружную прочность весьма незначительна. Поэтому трение между оболочкой, работающей под давлением, и слоем на окружную прочность не влияет на нагрузку на крепление оболочки, работающей под давлением.
A.5.1.2 Внутри и снаружи каждого концевого фитинга, приблизительно в плоскости уплотнительного удерживающего кольца, должны быть установлены термопары. По усмотрению изготовителя для регистрации данных допускается применять дополнительные термопары.
A.5.1.3 Для облегчения депластификации внутренней полимерной оболочки(ек) испытываемые трубы должны быть заполнены экологически безопасной средой.
A.5.1.4 Между фиксированными ограничителями и испытательными образцами необходимо установить тензодатчики, чтобы можно было измерять осевые нагрузки, возникающие при циклическом воздействии температуры.
A.5.2 Температуры и давления испытаний
A.5.2.1 Изготовитель должен указать верхнее и нижнее значения температуры испытания (Thi и Tlo соответственно).
A.5.2.2 Процедура настоящего приложения может использоваться для квалификации без применения проектных запасов прочности. Максимальной рабочей температурой, на которую квалифицируется труба, должна быть средняя Thi, полученная в процессе выполнения программы испытания. Минимальной рабочей температурой, на которую квалифицируется труба, должна быть средняя Tlo.
Производственной целью для Thi является 130 °C. Целью для Tlo является минус 25 °C, но не выше 0 °C. Приемлемым значением для Tlo, исключая продувку, может быть от минус 5 °C до минус 8 °C.
A.5.2.3 Внутреннее давление должно изменяться по мере изменения температуры таким образом, чтобы при температуре окружающей среды оно было не меньше атмосферного давления, а создаваемое максимальное давление у верхнего фланца при максимальной температуре испытания составляло приблизительно 2 МПа. Необходимо предусмотреть предохранительную арматуру, чтобы в любое время внутреннее давление не падало ниже атмосферного (отсутствие вакуума).
A.5.2.4 Следует предусмотреть, чтобы скорости охлаждения были не ниже, чем прогнозируемые для типовых промысловых условий применения. Охлаждение должно контролироваться так, чтобы моделировать эти типовые промысловые условия. Допускается нагрев с меньшей скоростью, чем это прогнозируется для типовых промысловых условий применений, но меньшая скорость увеличивает время, необходимое для завершения процесса циклического воздействия температуры.
Примечание - Производственная база для скорости охлаждения была согласована как концевое устройство райзера на уровне палубы турели FPSO или полупогружного основания на воздухе. Воздействие "подвешивания" и "изоляции" рассматривается в
A.7.12.
A.5.3 Процедура циклического воздействия температуры
A.5.3.1 Натурное испытание
A.5.3.1.1 Каждый термический цикл должен состоять из пяти шагов, описываемых в
A.5.3.1.2 -
A.5.3.1.6.
A.5.3.1.2 Внутренняя температура трубы
Tint должна повышаться до верхней температуры испытания.
A.5.3.1.3 Температура испытания должна поддерживаться в течение следующих 24 ч после того, как внутренние и наружные термопары на трубе достигнут стабильной температуры.
Примечание - Период выдержки связан с поведением ползучести и релаксации рассматриваемого полимера. Период 24 ч достаточен для PVDF; для других полимеров может потребоваться другая продолжительность.
A.5.3.1.4 Испытываемая труба должна охлаждаться до тех пор, пока внутренние и наружные термопары не стабилизируются на температуре окружающей среды. В течение этого шага динамические трубы должны изгибаться, как минимум, два раза. Охлаждение должно проходить со скоростью, эквивалентной естественной конвекции с градиентом температуры восстановления на концевых фитингах.
A.5.3.1.5 Температура должна быть снижена до нижней температуры испытания Tlo путем контролируемого охлаждения до тех пор, пока не стабилизируются внутренние и наружные термопары.
A.5.3.1.6 Температура должна поддерживаться на уровне нижней температуры в течение 1 ч.
A.5.3.2 Испытание образцов от 1 м до 2 м
A.5.3.2.1 Каждый термический цикл должен состоять из пяти шагов, описанных в
A.5.3.2.2 -
A.5.3.2.6.
A.5.3.2.2 При установке ограничители необходимо отрегулировать так, чтобы осевая нагрузка была в пределах от нуля до 500 Н для образца при температуре окружающей среды.
A.5.3.2.3 Внутренняя температура трубы
Tint должна повышаться до верхней температуры испытания.
A.5.3.2.4 Внутренняя температура трубы должна поддерживаться при Thi в течение 24 ч после начала цикла нагрева.
A.5.3.2.5 Внутренняя температура трубы должна снижаться до нижней температуры испытания путем контролируемого охлаждения до тех пор, пока внутренняя температура не достигнет Tlo.
A.5.3.2.6 Внутреннюю температуру трубы следует поддерживать при
Tlo в течение 24 ч после начала цикла охлаждения. Цикл повторяется, начиная с
A.5.3.2.3.
A.5.4 Процедуры испытаний
A.5.4.1 Описания
Процедура 1 включает 10 циклов статического циклического воздействия температуры. Канал каждого концевого фитинга должен контролироваться после 5 и 10 циклов.
Трубы в процессе процедуры одного циклического воздействия температуры следует удерживать в горизонтальном положении, а фитинги могут быть приподняты для удобства заполнения, контроля и т.п., при этом трубы остаются свободными для расширения и коробления в результате нагрева и возникновения нагрузок.
A.5.4.1.2 Процедура 2
Процедура 2 заключается в депластификации при температуре испытания в течение периода времени не меньше t1. В конце процедуры выполняют испытание под давлением; одна из контрольных сборок должна быть изъята из испытательной трубы, и уровень депластификации в центре образца материала должен быть сопоставлен с прогнозами изготовителя. Если прогнозный объем депластификации не достигнут, то время депластификации для всех процедур повторно рассчитывают для достижения удаления заданных долей W, и настоящая процедура должна быть продолжена до истечения повторно рассчитанного времени. Если планируемая депластификация была превышена, то время депластификации повторно рассчитывают и соответственно уменьшают.
A.5.4.1.3 Процедура 3
Процедура 3 заключается в повторении процедуры 2 в течение времени не меньше чем t2, включая любую корректировку t2 для достижения планируемого уровня депластификации.
Процедура 4 заключается в повторении процедуры 2 в течение времени не меньше чем t3. Необходимо подтверждение достижения целевого процента по массе депластификации в испытательных образцах W до выполнения процедуры 5.
A.5.4.1.5 Процедура 5
A.5.4.1.5.1 Гибкие трубы для статических условий
Процедура 5 включает как минимум 40 циклов воздействия температуры.
Если было зарегистрировано какое-либо видимое перемещение по изменениям размеров в течение первых 40 циклов, то циклическое воздействие температуры должно быть продолжено до завершения 20 циклов без возникновения каких-либо изменений размеров или до тех пор, пока не будет установлен равномерный характер изменения.
Каждый концевой фитинг должен контролироваться после 10 (+/- 1) циклов и затем, после каждых 10 (+/- 1) циклов, если не происходят изменения, или после каждых пяти (+/- 1) циклов, если происходит видимое перемещение.
A.5.4.1.5.2 Гибкие трубы, предназначенные для динамических условий
Процедура 5 включает как минимум 40 циклов воздействия температуры в процессе изгиба трубы на определенный угол. Изгибание не требуется для образцов гибкой трубы длиной от 1 м до 2 м.
В процессе процедуры 5 должно выполняться изгибание как минимум одного конца испытываемой трубы путем подъема или изгибания в шарнирной раме до радиуса кривой, равного проектному минимальному радиусу конструкции трубы. Изгибание повторяют как минимум два раза в каждом термическом цикле, при этом температура трубы должна соответствовать температуре окружающей среды.
Циклическое воздействие температуры должно продолжаться до завершения 20 циклов при отсутствии каких-либо изменений размеров или до тех пор, пока не будет установлен равномерный характер изменения, если было зарегистрировано какое-либо видимое перемещение по изменениям размеров в течение первых 40 циклов.
Каждый концевой фитинг должен контролироваться после 10 (+/- 1) циклов и затем после каждых 10 (+/- 1) циклов, если не происходят изменения, или после каждых пяти (+/- 1) циклов, если происходит видимое перемещение.
A.5.4.1.6 Процедура 6
Процедура 6 заключается в разрезании концевых фитингов и измерении содержания пластификатора под уплотнительным удерживающим кольцом и при 2m и 4m (где m является толщиной несжатой оболочки) на любой из сторон от центра уплотнительного удерживающего кольца для подтверждения соответствия приемочному критерию. Если заданный процент пластификатора по массе W не достигнут под уплотнительным удерживающим кольцом в концевых фитингах первой трубы, то вторую трубу не допускается разрезать до тех пор, пока она не пройдет испытания в течение t2, повторно рассчитанного для достижения цели.
A.5.4.2 Общие сведения
Вторая испытываемая труба не должна подвергаться испытанию по процедуре 4 до тех пор, пока первая испытываемая труба не завершит процедуру 6 и время депластификации, t2, не будет подтверждено и откорректировано. Поэтому время депластификации второй испытываемой трубы (t2 и t3) должно быть откорректировано в соответствии с результатами испытания первой трубы.
Для облегчения испытания депластификация в процедурах 2, 3 и 4 может продолжаться, пока оцениваются контрольные сборки и корректируется время пластификации (t1, t2, t3).
A.5.5 Контроль и проведение испытаний
A.5.5.1 Контроль
Участки каналов каждого концевого фитинга следует контролировать на перемещение слоев. Измеряют и регистрируют положение флюидного барьера и любых защитных и металлических слоев, прилегающих к флюидному барьеру, который удерживается в концевом фитинге с помощью уплотнительного удерживающего кольца, относительно фиксированной базы отсчета. Для облегчения таких измерений может быть необходимо выполнить специальные "порты" или "окна" в каркасе или других слоях либо через корпус концевого фитинга.
A.5.5.2 Испытание под давлением
В конце каждой процедуры испытания каждая труба должна подвергаться испытанию на утечку в течение 2 ч при проектном давлении (или при значении, согласованном между сторонами) и комнатной температуре.
A.6 Критерии приемки
A.6.1 Заданный процент пластификатора по массе W должен быть удален под уплотнительным удерживающим кольцом как минимум в двух концевых фитингах; в других удаленное количество должно быть в пределах 0,5% по массе заданного значения.
A.6.2 Не допускаются утечки, трещины или вздутия.
A.6.3 Не допускаются признаки перемещения под уплотнительным удерживающим кольцом, или перемещения должны быть устойчивыми, прогнозируемыми и развиваться со скоростью, которая не станет причиной разрушения в течение 20 лет.
A.7 Технические вопросы. Рассмотрение параметров
A.7.1 Общие сведения
Комментарии представлены в
A.7.2 -
A.7.10. В
A.7.2 -
A.7.10 приведены рекомендации по квалификации, критериям или интерпретации результатов испытаний, относящихся к процедурам настоящего приложения. Хотя процедура, приведенная в настоящем приложении, в общем не зависит от материала, обсуждаемые ниже технические вопросы, по историческим соображениям, в некоторой степени, более характерны для PVDF.
A.7.2 Объемная стабильность
A.7.2.1 В соответствии с законами диффузии содержание пластификатора уменьшается до нуля. Если транспортируемой средой является газ или вода, то это является конечным состоянием. Если транспортируемой средой является нефть, то происходит поглощение некоторых компонентов сырой нефти в зависимости от состава сырой нефти и температуры. Для PVDF равновесие ожидается в пределах между 2% и 4% DBS по массе для температур между 110 °C и 130 °C, с более высоким уровнем репластификации при низких температурах. Необходимо, чтобы это было верифицировано при лабораторном испытании и сообщено отраслевому координационному комитету. Различия между типами сырой нефти (конденсатная, легкая, тяжелая, ароматическая или нет) были исследованы для нескольких типов сырой нефти для разработки эмпирической модели поведения. Другим основным параметром является температура.
A.7.2.2 Квалификация для работы с сырой нефтью может быть достигнута с помощью оценки относительно прогнозируемого равновесия для конкретных промысловых условий. В основном квалификационное испытание требуется для демонстрации стабильности в условиях более значительной депластификации, чем для конечного прогнозируемого значения в эксплуатационных условиях.
A.7.2.3 Оценка для работы с сырой нефтью может выполняться, как описано в
A.7.10, после приемки результатов испытания репластификации в сырой нефти, определенной в соответствии с процедурой, приведенной в
приложении C.
A.7.3 Число температурных циклов для квалификации
A.7.3.1 Для PVDF согласовано, что 10 (статических) циклов являются достаточными для "предварительной обработки" испытываемой трубы (создать в барьере прогнозируемую растягивающую нагрузку при охлаждении до самой низкой температуры испытания и уменьшить гистерезис в ответ на устойчивый уровень).
A.7.3.2 Основываясь на скорости ослабления до "разрушения" при работе предшествующей конструкции концевых фитингов и эмпирического соотношения 1:2 между циклами на промысле относительно циклов испытываемых труб, предлагают, что дополнительные 40 циклов (статических или динамических, в зависимости от применения трубы) после завершения заданного процесса депластификации являются достаточными для демонстрации пригодности к использованию по назначению. В качестве альтернативы, если циклическое воздействие температуры выполняется по этапам в ходе депластификации, конечные серии температурных циклов могут быть уменьшены до 20 циклов в случае, если общее минимальное число циклов составит 50.
A.7.3.3 Нулевое перемещение можно интерпретировать как постоянно-устойчивое. Если определено устойчивое перемещение, это может быть отражено с помощью линейной интерполяции на базе серии предварительно испытанных образцов (для подтверждения точности интерполяции рекомендуется промысловый мониторинг).
A.7.3.4 Моделирование применения в промысловых условиях со сроком службы 20 лет и условиях эксплуатации при частых температурных циклах может потребовать несколько дополнительных лет непрерывного циклического воздействия. Поэтому в реальности наиболее практическим подходом может быть принятие квалификации для срока службы, моделируемого при испытании, внедрение маркеров в PVDF-барьер и определение программы мониторинга для калибровки относительно данных натурного испытания.
A.7.4 Число и характер динамических изгибов для квалификации динамической трубы
A.7.4.1 Необходимо изогнуть как минимум один конец испытываемой трубы, что достаточно для освобождения трения внутренних слоев между слоями PVDF и каркаса/PVDF/армирования, обеспечивающего стойкость к давлению. Это будет достаточным для того, чтобы натяжение, возникающее в критических слоях PVDF, достигало обжатого уплотнения. Изгибание не требуется для образцов гибкой трубы от 1 м до 2 м.
A.7.4.2 Нет необходимости применять программу изгибов, как при механическом усталостном испытании райзера, поскольку элемент жесткости на изгиб уменьшает нагружение на концевом фитинге до изменяющейся растягивающей нагрузки, которая значительно ниже, чем нагружение, возникающее от воздействия температуры.
A.7.5 Масштабирование диаметра
Основными параметрами поведения барьера PVDF на участке уплотнительного кольца являются процент вдавливания и соответствующие напряжения в зоне обжатия. Если результаты испытания используются для других диаметров, следует обеспечивать постоянное вдавливание оболочки в радиальном направлении, как процент от толщины барьера. При расчете процента вдавливания или обжатия должны оцениваться следующие элементы:
- геометрия обжатия (обычно масштабируется для обеспечения аналогичного распределения напряжений);
- прогибание любых проложенных стальных поддерживающих вставок;
- допуски на изготовление и сборку; их следует уточнять, чтобы сравниваемые конструкции имели одинаковое минимальное сжатие барьера под обжимающим кольцом.
A.7.6 Количество концевых фитингов и альтернативные методы интерпретации
Несмотря на то что одной трубы (два концевых фитинга) может быть достаточно для идентификации механизма и обеспечения предварительной базы для квалификации, для верификации повторяемости результатов и интерпретации отклонений допусков изготовления необходимо второе испытание (одна труба, два концевых фитинга).
Возможно использование испытываемых труб с конструкциями концевых фитингов, которые достаточно близки, но не идентичны. Необходимо установить критерии принятия ограниченных различий концевых фитингов.
A.7.7 Масса каркаса
Внутренний слой PVDF (для райзеров) внедряется в спиральные промежутки каркаса. Масса каркаса переносится в этот слой PVDF через это внедрение. Если PVDF представляет однослойную конструкцию, то он также внедряется в спиральные промежутки армирования на давление. Таким образом, для статических линий любая массовая нагрузка распределяется вдоль длины подвешенной трубы.
Райзеры многослойной структуры имеют гладкую поверхность между слоями PVDF. Кроме тех случаев, когда внутреннее давление способно передавать массовую нагрузку (плюс нагрузки, возникающие от циклического воздействия температуры), нагрузка от массы и воздействия температуры (пропорционально толщине барьера) напрямую передается к верхнему концевому фитингу. На основе типовых примеров реальных эксплуатационных условий есть основания считать, что нагрузка от массы барьера увеличивает общую нагрузку от 10% до 15%.
A.7.8 Размерные допуски
Влияние размерных допусков на эксплуатационные характеристики индивидуально для конструкции концевого фитинга изготовителя. Трудно дать общие рекомендации кроме того, что должна быть возможность верифицировать, что допуски на сборку изготовленных концевых фитингов равны или лучше допусков, полученных для концевых фитингов испытываемых труб. Минимальный процент вдавливания барьера должен быть больше или равен проценту вдавливания для квалификационных образцов.
Для подтверждения верификации на базе испытаний необходимо, чтобы детальный проект, исходные данные для проектирования и допуски изготовителя были документально оформлены.
A.7.9 Предварительная депластификация
Предварительная депластификация оболочки PVDF до сборки может использоваться как средство для документального оформления минимального срока службы труб для транспортировки горячего газа или конденсата. Необходимая депластификация связана с текущим состоянием, достигнутым соответствующими испытываемыми трубами.
Пример - Квалификационные испытания труб успешно достигали концентрации пластификатора 5% от 12% (включая циклическое воздействие температуры для подтверждения стабильности концевых фитингов). Прогнозируемое равновесие для квалифицируемого конденсатного трубопровода составляет 2%. В этом случае была подтверждена потеря пластификатора 7%. Для подтверждения долговременной стабильности необходимо, чтобы концевые фитинги были предварительно депластифицированы до значения менее чем 9% (7% + 2%), с предварительной депластификацией более чем 3%.
A.7.10 Оценка срока службы труб для работы с сырой нефтью
При квалификации для долговременной эксплуатации изменение процента в объеме
V, соответствующее изменению процента по массе
W, полученное в испытываемой трубе, должно быть больше, чем значение, полученное при испытании на воздействие окружающей среды, описанное в
приложении C, для максимальной рабочей температуры трубы в заданной сырой нефти или эквивалентной среде. Срок службы должен определяться по скорости ползучести на базе температурных циклов в течение срока службы, если имеется признак перемещения барьера в концевом фитинге. Труба должна быть признана квалифицированной, если отсутствует признак перемещения барьера.
A.7.11 Промежуточная оценка срока службы
A.7.11.1 Процедура, изложенная в
A.7.11.2 -
A.7.11.5, может использоваться, если при испытании был достигнут заданный процент по массе DBS
WDBS в точке, необходимой для оценки интерполированного срока службы.
A.7.11.2 Необходимо определить изменение объема

, выраженное в процентах, и соответствующее изменение

в DBS, полученное при натурном испытании.
A.7.11.3 В соответствии с
приложением C должно быть определено изменение объема

, выраженное в процентах, для достижения равновесия для пластового флюида при максимальной рабочей температуре.
A.7.11.4 Должно быть определено время tVe для достижения равновесного объема Ve при ожидаемом профиле воздействия температуры, на основе кривой затухания, которая асимптотически рассматривает равновесный объем как предел.
A.7.11.5 Прогнозируемым сроком службы является время
tVe, подлежащее верификации в соответствии со следующим:
a) завершением (10 + 40) температурных циклов;
b) отсутствием перемещения барьера под обжатым уплотнением.
Для подтверждения точности tVe рекомендуется промысловый мониторинг.
A.7.12 Рассмотрение проектных условий
A.7.12.1 Общие сведения
Для каждого проекта необходимо оценить, какие элементы процедуры испытания являются или не являются репрезентативными для проектных условий и воздействий. Некоторые различия возможны в следующих областях:
a) подвешивание верхнего конца;
b) погружение и изоляция;
c) продувка системы.
A.7.12.2 Подвешивание верхнего конца
Методы и механические детали подвешивания концевых фитингов верхнего конца гибкой трубы могут влиять на скорость нагрева и охлаждения для концевого фитинга и оболочки, работающей под давлением, в зависимости от того, как конструкционная опора отводит тепло от концевого фитинга или укрывает его от ветра или других конвекционных или охлаждающих воздействий. Элементы жесткости на изгиб и другое вспомогательное оборудование также могут оказывать существенное влияние на локальные тепловые режимы.
A.7.12.3 Погружение/изоляция
Два элемента конструкции, прилегающие к концевому фитингу, могут оказывать влияние на экстремальные значения температуры и скорость нагрева и охлаждения. В частности, некоторые концевые фитинги изолируются для обеспечения защиты от огня, а другие концевые фитинги монтируются под водой. Наиболее вероятно, что первый будет испытывать более высокие температуры в установившемся режиме, более низкие скорости охлаждения и более высокие скорости нагрева. Наиболее вероятно, что погруженные концевые фитинги будут испытывать более низкие температуры в установившемся режиме, более высокие скорости охлаждения и более низкие скорости нагрева.
A.7.12.4 Продувка системы
В процессе технологических закрытий или других аварийных работ газовые эксплуатационные райзерные системы могут подвергаться быстрому сбросу давления или продувке. Из-за эффектов Джоуля-Томсона (Joule-Thomson) для природного газа такие продувки могут вызывать быстрое охлаждение до низких температур, которые значительно ниже температуры окружающей среды. Может быть важным учет теплоемкости газа при оценке скорости охлаждения и минимальной температуры, достигаемой в оболочке, работающей под давлением, в процессе продувки.
A.7.13 Другие процедуры испытаний
В дополнение к настоящей процедуре могут существовать другие процедуры, разработанные другими группами.
A.7.14 Оценка материалов и режимов разрушения
Настоящая процедура испытания относится к длительным непрерывным воздействиям высокой температуры с периодическими циклами охлаждения. В этих условиях возможно воздействие содержания летучих компонентов полимера оболочки, работающей под давлением и напряжений, которые могут возникать в оболочке в результате теплового расширения и сжатия. Тем не менее могут быть другие существенные факторы, которые необходимо учитывать при оценке материалов и режимов разрушения, которые могут влиять на эксплуатационные характеристики концевого фитинга. Одним из примеров таких факторов, которые необходимо учитывать при оценке материалов, является изменение кристаллического состояния полимера и соответствующее изменение свободного объема из-за продолжительных воздействий высокой температуры. Для полного понимания других воздействий может потребоваться дополнительное испытание образцов материала или концевых фитингов.
A.7.15 Число температурных циклов при испытании
Процедура настоящего приложения устанавливает для концевых фитингов 20 начальных и 20 конечных температурных циклов после достижения заданного состояния пластификации. Число циклов было выбрано на основе предыдущего опыта испытаний и ожидания, что условия нагружения и прочности могут быть надлежащим образом испытаны при конечных 20 циклах. Тем не менее следует понимать, что райзеры и другие гибкие трубы могут подвергаться значительно большему циклическому воздействию температуры в процессе "спуско-подъема" и других закрытий. Была проведена оценка, что типовая установка комплексной подготовки газа в Северном море может испытывать 1000 температурных циклов в течение типового 20-летнего срока службы. Рекомендуется дополнительное циклическое воздействие температуры, если имеется основание предполагать, что воздействие дополнительных циклов может в противном случае повлиять на стабильные эксплуатационные характеристики концевого фитинга.
(справочное)
ПРОЦЕДУРЫ КВАЛИФИКАЦИОННОГО ИСПЫТАНИЯ
КОНЦЕВОГО ФИТИНГА ГИБКОЙ ТРУБЫ ПРИ ВЫСОКОЙ ТЕМПЕРАТУРЕ.
ПОЛИМЕРЫ С НИЗКИМ СОДЕРЖАНИЕМ ЛЕТУЧИХ ВЕЩЕСТВ
B.1 Общие положения
Процедуры, приведенные в настоящем приложении, являются обобщением различных требований и целей многих операторов и изготовителей гибких труб. Прежде всего эти испытания предназначены для общей квалификации концевых фитингов, а не для конкретных проектных требований. В
разделе 7 рассматриваются вопросы, которые могут относиться к испытаниям, проводимым для конкретных проектов и для интерпретации результатов испытаний, выполненных в соответствии с процедурами настоящего приложения для конкретных проектов. Эти процедуры могут также использоваться вместе с
приложением D для оценки эксплуатационных характеристик концевых фитингов под воздействием конкретных условий сырой нефти. Дополнительно к механическим характеристикам, которые испытываются в соответствии с процедурами настоящего приложения, необходимы соответствующие испытания для квалификации химической и физической пригодности материалов концевого фитинга и оболочек, работающих под давлением. Эти процедуры не квалифицируют прочность или жесткость концевых фитингов. Рассмотрение других квалификационных испытаний см. в
разделе 7.
Пары идентичных образцов испытываются в идентичных условиях. Для достижения неограниченной квалификации для диапазона эксплуатационных условий, охватываемых условиями испытания, необходимо, чтобы четыре концевых фитинга соответствовали приемочным критериям.
Процедуры, приведенные в настоящем приложении, могут использоваться для квалификации концевых фитингов. Эти процедуры применимы для непластифицированных полимеров (имеющих около 2% по массе летучих компонентов). Для пластифицированных полимеров была разработана отдельная процедура.
B.2 Цель испытания
B.2.1 Процедуры испытаний, определенные в
B.5, представляют применимую в отрасли методологию для квалификации механических эксплуатационных характеристик как существующих, так и вновь разработанных конструкций концевых фитингов для гибких труб с внутренними оболочками на давление из высокотемпературного полимера для типового срока службы 20 лет.
B.2.2 Процедуры настоящего приложения применимы для флюидных барьеров из непластифицированного полимера.
B.2.3 Процедуры настоящего приложения применимы для гибких труб при работе с нефтью, газом или при нагнетании воды.
B.2.4 Эти процедуры основаны на концепциях, что исходный полимер теряет или поглощает летучие компоненты в процессе воздействия испытательной среды для достижения устойчивых состояний равновесия в свободном полимере или под уплотнительным удерживающим кольцом. Также принимается, что состояние равновесия на любом участке может характеризоваться следующим:
a) взвешиванием небольших образцов материала, взятых с участка;
b) отгонкой летучих компонентов образца при его нагреве до температуры немного выше температуры плавления полимера;
c) определением диапазона процентного изменения

в массе образца.
B.2.5 В этих процедурах принимается, что изменение объема

приблизительно пропорционально изменению процента по массе

и оба изменения являются результатом потери или поглощения летучих веществ с одинаковыми показателями плотности. Это предположение принимается для упрощения, которое позволяет использовать легко выполнимые измерения изменения массы, характерные для конкретных изменений объемов, которые могут иметь место под уплотнительным кольцом, где их невозможно измерять напрямую. Для некоторых материалов и видов воздействия может быть необходимым установление более сложных соотношений между изменениями объема и массы на основе дополнительных испытаний.
B.3 Исходные данные
B.3.1 До начала испытания изготовитель должен указать следующее:
a) номинальную рабочую температуру Thi, на которую квалифицируется конструкция концевого фитинга,
b) минимальную рабочую температуру Tlo, на которую квалифицируется конструкция концевого фитинга,
c) средний коэффициент линейного теплового расширения материала a между минимальной и номинальной рабочими температурами,
d) процент изменения объема,

, и процент изменения по массе,

, материала барьера (как было определено в процессе испытаний, выполненных в соответствии с
приложением D, как для свободных, так и для закрепленных участков), на которые испытание может квалифицировать конструкции концевых фитингов.
B.3.2 Следующий шаг для свободных участков полимера

сравнивается с

, что определяет два случая.

(
B.1)
Тепловое расширение в процессе температурных циклов является основным фактором. Для процедуры квалификации не требуются специальные измерения, включая контрольные сборки. Процедуры 2, 3 и 4, приведенные в
B.5.4, могут быть пропущены.

(
B.2)
Относительно большое изменение объема может оказывать влияние на долговременное сохранение целостности уплотнения, поэтому изготовитель должен указать значения для

и
t1 -
t3:
-

- 70% общего ожидаемого изменения массы образца под уплотнительным удерживающим кольцом за 20 лет;
- t1 - время при верхней температуре испытания, необходимое для изменения массы пластификатора на треть от W;
- t2 - шаг нарастания времени после t1 при верхней температуре испытания, необходимой для изменения массы пластификатора на дополнительную 1/3W для общего уменьшения на две трети от W;
- t3 - шаг нарастания времени после t2 при верхней температуре испытания, необходимой для изменения массы пластификатора на последнюю 1/3W, для потери полного W.
B.4 Образцы для испытаний
B.4.1 Для проведения испытаний требуются два образца. Образцы для испытаний должны представлять полностью изготовленные гибкие трубы со всеми слоями и конструктивными параметрами. Все концевые фитинги должны быть такой же конструкции и собраны с применением такой же процедуры и технических условий по допускам на размеры. Длина трубы должна составлять 10 м или больше. Кольцевые каналы трубы следует провентилировать. Трубу изготавливают в соответствии со стандартной процедурой, в частности, гидростатическое испытание должно быть выполнено при температуре окружающей среды и не должно превышать 1,5 номинального проектного давления.
B.4.2 В качестве альтернативы для испытаний допускается использовать два образца гибкой трубы длиной от 1 м до 2 м. Образец для испытаний должен включать следующее:
a) все слои гибкой трубы до армирующего слоя, обеспечивающего стойкость к давлению; для представления оставшихся слоев гибкой трубы следует обеспечить количество тепла или наружную изоляцию армирующего слоя, обеспечивающего стойкость к давлению;
b) концевые фитинги, которые имеют аналогичную конструкцию, размеры и характеристики по допускам для следующих функций:
1) крепления внутреннего каркаса;
2) крепления и герметизации внутренней оболочки, работающей под давлением, и любых защитных и ленточных слоев, прилегающих к внутренней оболочке, работающей под давлением;
3) теплопередачи и изоляции, которые характерны для концевого фитинга.
B.4.3 Изготовитель должен иметь детальную учетную документацию по материалам в заводском исполнении, размерам, натягам и зазорам всех деталей концевого фитинга и тела трубы, которые могут влиять на характеристики концевого фитинга в процессе испытания, доступную для просмотра представителями любой заинтересованной стороны. Учетная документация должна включать технологические чертежи с размерами и допусками для трубы и концевых фитингов и все процедуры и стандарты по изготовлению и организации материально-технического снабжения. Дополнительно учетная документация включает расчеты, относящиеся к исходным данным (первоначальное перемещение,

,
t1,
t2,
t3 и т.д.).
B.4.4 Только для случая II внутри каждой испытываемой трубы устанавливают четыре контрольные сборки (см.
рисунок B.1)
. Каждая сборка может содержать квадратный образец изолирующего материала на давление с краевыми размерами, как минимум в два раза шире уплотнительного удерживающего кольца. Материал барьера должен сжиматься между жесткой плитой, которая больше, чем образец материала, и жесткой балкой с шириной, как минимум равной уплотнительному удерживающему кольцу, и длиной, превышающей ширину образца материала. Процент сжатия образца материала должен быть равен сжатию, достигаемому под уплотнительным удерживающим кольцом (+/- 5%).
1 - образец материала; Lseal - ширина
уплотнительного удерживающего кольца
Рисунок
B.1 - Контрольная сборка
(только случай II)
B.4.5 По соглашению может допускаться применение альтернативных конфигураций контрольной сборки. Целью является идентификация содержания пластификатора и поглощение углеводородов на участке уплотнительного кольца. Предполагается, что каждый изготовитель разработал подтвержденную аналитическую или эмпирическую модель с использованием процедуры настоящего приложения для определения соотношения между летучими компонентами в трубе и в уплотнительном удерживающем кольце. Валидация включает в себя исследования барьерных условий в зоне уплотнения от разрезанного концевого фитинга после документально оформленного процесса воздействия.
B.5.1 Схема испытания
B.5.1.1 Образцы для испытаний необходимо вначале установить для статического циклического воздействия температуры, а затем в установку для динамических испытаний или альтернативное испытательное устройство, позволяющее изгибать верхний конец испытываемого райзера. Статические фазы, т.е. процедура 1 (см.
B.5.4.1.1) и процедура 4 (см.
B.5.4.1.4), могут выполняться на образцах, размещенных на полу производственного участка. Процедуры динамических испытаний должны выполняться для испытательного образца(ов), установленных в испытательное устройство, обеспечивающего изгиб верхнего конца райзера, достаточный для подтверждения того, что исключены любые воздействия трения между слоями под циклическим воздействием температуры. Динамическое изгибание не требуется для испытательных образцов
от 1 до 2 м, так как осевая жесткость отдельного слоя на окружную прочность весьма незначительна. Поэтому трение между внутренней оболочкой, работающей под давлением, и слоем на окружную прочность не влияет на нагрузку на креплении внутренней оболочки, работающей под давлением.
B.5.1.2 Внутри и снаружи концевого фитинга, приблизительно в плоскости уплотнительного удерживающего кольца, устанавливают термопары. По усмотрению изготовителя для регистрации данных могут применяться дополнительные термопары.
B.5.1.3 Образцы для испытаний должны быть заполнены нефтью, которая обеспечивает характерное значение изменения равновесного объема полимера. В течение всего испытания должны предприниматься надлежащие меры предосторожности.
B.5.1.4 Между фиксированными ограничителями и испытательными образцами должны быть установлены тензодатчики, чтобы можно было измерять осевые нагрузки, возникающие при циклическом воздействии температуры.
B.5.2 Температуры и давления испытания
B.5.2.1 Изготовитель должен указать верхнее (максимум) и нижнее (минимум) значения температуры испытания.
B.5.2.2 Предполагается, что процедуры настоящего приложения могут использоваться для квалификации без применения проектных запасов прочности. Максимальной рабочей температурой, на которую квалифицируется труба, должна быть средняя верхняя температура испытания. Минимальной рабочей температурой, на которую квалифицируется труба, должна быть средняя нижняя температура испытания.
Примечание - Производственной целью для верхней рабочей температуры является 130 °C. Производственной целью для нижней рабочей температуры может быть значение от минус 25 °C, но не выше 0 °C. Допустимым значением для нижней температуры для условий эксплуатации, за исключением продувки, может быть от минус 5 °C до минус 8 °C.
B.5.2.3 Внутреннее давление должно изменяться по мере изменения температуры таким образом, чтобы при температуре окружающей среды оно было не меньше атмосферного давления, а создаваемое максимальное давление у верхнего фланца при максимальной температуре испытания составляло приблизительно 2 МПа. Должна быть предусмотрена предохранительная арматура, чтобы в любое время внутреннее давление не падало ниже атмосферного (отсутствие вакуума).
B.5.2.4 Следует предусмотреть, чтобы скорости охлаждения были не ниже, чем прогнозируемые для типовых промысловых применений. Охлаждение должно контролироваться так, чтобы моделировать эти типовые промысловые условия. Допускается нагрев с меньшей скоростью, чем это прогнозируется для типовых промысловых применений, но меньшая скорость увеличивает время, необходимое для завершения процесса циклического воздействия температуры.
Примечание - Производственная база для скорости охлаждения была согласована как концевое устройство райзера на уровне палубы турели FPSO или полупогружного основания на воздухе. Воздействие "подвешивания" и "изоляции" рассматривается в
B.7.10.
B.5.3 Процедура циклического воздействия температуры
B.5.3.1 Натурное испытание
B.5.3.1.1 Каждый термический цикл должен состоять из пяти шагов, описанных в
B.5.3.1.2 -
B.5.3.1.6.
B.5.3.1.2 Внутренняя температура трубы должна повышаться до температуры испытания.
B.5.3.1.3 Температура испытания должна поддерживаться в течение следующих 24 ч после того, как внутренние и наружные термопары на трубе достигнут стабильной температуры.
B.5.3.1.4 Испытываемая труба охлаждается до тех пор, пока внутренние и наружные термопары стабилизируются на температуре окружающей среды. В течение этого шага динамические трубы должны изгибаться как минимум два раза. Охлаждение должно проходить со скоростью эквивалентной естественной конвекции с градиентом температуры восстановления на концевых фитингах.
B.5.3.1.5 Температуру необходимо снизить до нижней температуры испытания путем контролируемого охлаждения до тех пор, пока внутренние и наружные термопары не стабилизируются.
B.5.3.1.6 Температура должна поддерживаться на уровне нижней температуры в течение 1 ч.
Примечание - Период выдержки связан с поведением ползучести и релаксации рассматриваемого полимера. Период 24 ч применим для PVDF, для других полимеров могут потребоваться другие значения.
B.5.3.2 Испытание образцов гибкой трубы от 1 до 2 м
B.5.3.2.1 Каждый термический цикл должен состоять из пяти шагов, описанных в
B.5.3.2.2 -
B.5.3.2.6.
B.5.3.2.2 При монтаже ограничители должны быть отрегулированы так, чтобы осевая нагрузка была в пределах от 0 до 500 Н для образца при температуре окружающей среды.
B.5.3.2.3 Внутренняя температура трубы
Tint должна повышаться до температуры испытания.
B.5.3.2.4 Внутренняя температура трубы должна поддерживаться при Thi в течение 24 ч после начала цикла нагрева.
B.5.3.2.5 Внутренняя температура трубы должна снижаться до нижней температуры путем контролируемого охлаждения до тех пор, пока внутренняя температура трубы не достигнет Tlo.
B.5.3.2.6 Внутренняя температура трубы должна поддерживаться при
Tlo в течение 24 ч от начала цикла охлаждения. Цикл повторяется начиная с
B.5.3.2.3.
B.5.4 Процедуры испытаний
B.5.4.1 Описания
Процедура 1 включает 10 циклов статического циклического воздействия температуры. Канал каждого концевого фитинга контролируют после (5 +/- 1) и (10 +/- 1) циклов.
Трубы в процессе процедуры 1 циклического воздействия температуры следует удерживать в горизонтальном положении, а фитинги могут быть приподняты для удобства заполнения, контроля и т.п., при этом трубы остаются свободными для расширения и коробления в результате нагрева и возникновения нагрузок.
B.5.4.1.2 Процедура 2
Процедура 2 (только случай II) заключается в воздействии температуры испытания в течение периода времени не меньше t1. В конце процедуры 2 должно быть выполнено испытание под давлением; одна из контрольных сборок должна быть изъята из испытательной трубы и изменение массы в центре образца материала должно быть сопоставлено с прогнозами изготовителя. Если прогнозный объем изменения не достигнут, то время воздействия для всех процедур должно быть повторно рассчитано для достижения заданного изменения процента по массе W, и процедура 2 должна быть продолжена до завершения повторно рассчитанного времени. Если ожидаемое изменение было превышено, то время рассчитывают повторно.
| | ИС МЕГАНОРМ: примечание. Нумерация пунктов дана в соответствии с официальным текстом документа. | |
B.5.4.2.3 Процедура 3
Процедура 3 (только случай II) заключается в повторении процедуры 2 в течение времени не меньше, чем t2, включая любую корректировку t2 для достижения планируемого уровня изменения.
Процедура 4 (только случай II) заключается в повторении процедуры 2 в течение времени не меньше, чем
t3. Необходимо подтверждение достижения целевого

в контрольных сборках до начала выполнения процедуры 5.
B.5.4.1.5 Процедура 5
B.5.4.1.5.1 Статические нагрузки
Процедура 5 включает как минимум 40 циклов воздействия температуры.
Если было зарегистрировано какое-либо видимое перемещение по изменениям размеров в течение первых 40 циклов, циклическое воздействие температуры должно быть продолжено до завершения 20 циклов без возникновения каких-либо изменений размеров или до тех пор, пока не будет установлен равномерный характер изменения.
Каждый концевой фитинг должен контролироваться после (10 +/- 1) циклов и затем после каждых (10 +/- 1) циклов, если не происходят изменения, или после каждых (5 +/- 1) циклов, если происходит видимое перемещение.
B.5.4.1.5.2 Изгибание трубы
Процедура 5 включает как минимум 40 циклов воздействия температуры в процессе изгиба трубы. Изгибание не требуется для образцов гибкой трубы от 1 до 2 м.
Циклическое воздействие температуры должно продолжаться до завершения 20 циклов без возникновения каких-либо изменений размеров или до тех пор, пока не будет установлен равномерный характер перемещения, если было зарегистрировано какое-либо видимое перемещение по изменениям размеров в течение первых 40 циклов.
Каждый концевой фитинг должен контролироваться после (10 +/- 1) циклов и затем после каждых (10 +/- 1) циклов, если не происходят изменения, или после каждых (5 +/- 1) циклов, если происходит видимое перемещение.
В процессе процедуры 5 должно выполняться изгибание как минимум одного конца испытываемой трубы путем подъема или изгибания в шарнирной раме до радиуса кривой, равного проектному минимальному радиусу конструкции трубы. Изгибание должно повторяться как минимум два раза в каждом термическом цикле, при этом температура трубы должна соответствовать температуре окружающей среды.
B.5.4.1.5.3 Процедура 6
Процедура 6 заключается в разрезании концевых фитингов и измерении концентрации летучих элементов в полимере под уплотнительным удерживающим кольцом и при

и

(где

является толщиной несжатой оболочки) на любой из сторон от центра уплотнительного удерживающего кольца для подтверждения соответствия приемочному критерию. Если заданный процент изменения по массе

не достигнут под уплотнительным удерживающим кольцом в концевых фитингах первой трубы, то вторая труба не должна разрезаться до тех пор, пока она не пройдет испытания в течение
t3, повторно рассчитанного для достижения заданного значения.
B.5.4.2 Общие положения
Вторая испытываемая труба не должна подвергаться испытанию по процедуре 4 до тех пор, пока первая испытываемая труба не завершит процедуру 6 и общее время депластификации, (t1 + t2 + t3), не будет подтверждено или откорректировано. Поэтому время воздействия t2 и t3 для второй испытываемой трубы необходимо откорректировать в соответствии с результатами испытания первой трубы.
Для облегчения испытания депластификация в процедурах 2, 3 и 4 может продолжаться, пока оцениваются контрольные сборки и корректируется время воздействия, t1, t2 и t3.
B.5.5 Контроль и проведение испытаний
B.5.5.1 Контроль
Участки каналов каждого концевого фитинга следует контролировать на перемещение слоев. Важно измерять и регистрировать положение флюидного барьера и любых защитных или металлических слоев, прилегающих к флюидному барьеру, который удерживается в концевом фитинге с помощью уплотнительного удерживающего кольца, относительно фиксированной базы отсчета. Для облегчения таких измерений может быть необходимо выполнить специальные "порты" или "окна" в каркасе или других слоях или через корпус концевого фитинга.
B.5.5.2 Испытание под давлением
В конце каждой процедуры испытания каждая труба должна подвергаться испытанию на утечку в течение 2 ч при проектном давлении и комнатной температуре.
B.6 Критерии приемки
B.6.1 Заданный процент изменения по массе должен быть достигнут под уплотнительным удерживающим кольцом как минимум в двух концевых фитингах и быть в пределах 0,5% по массе в других.
B.6.2 Не допускаются утечки, трещины, расслоения, вздутия или деструкция.
B.6.3 Не допускаются признаки перемещения под уплотнительным удерживающим кольцом, или перемещения должны быть устойчивыми, прогнозируемыми и развивающимися со скоростью, которая не станет причиной разрушения в течение 20 лет.
B.7 Технические вопросы. Рассмотрение параметров
| | ИС МЕГАНОРМ: примечание. Текст дан в соответствии с официальным текстом документа. | |
B.7.1 Общие свет
Комментарии представлены в
B.7.2 -
B.7.13 как рекомендации по квалификации, критериям или интерпретации результатов испытания. Хотя процедуры, приведенные в настоящем приложении, предполагаются в общем независимыми, обсуждаемые ниже технические вопросы по историческим соображениям, в некоторой степени, более характерны для PVDF.
B.7.2 Объемная стабильность
Непластифицированные материалы набухают до некоторого равновесия, которое связано с воздействующей средой.
Концевой фитинг при сборке может быть подвергнут "избыточному сдавливанию" для имитации максимально ожидаемого условия набухания, а испытание может проводиться в нефти, "не вызывающей набухание", или используемый при испытании флюид следует верифицировать на то, что он создает большее набухание, чем рабочий флюид.
До квалификационных испытаний для калибровки реакции барьера следует проводить лабораторные испытания на набухание под воздействием окружающей среды, как в
приложении D.
В долгосрочной перспективе усадка будет больше, чем набухание (возникающее из-за поглощения флюида), если со временем материал барьера релаксирует при высокой температуре, включая реакцию на набухание. Следует принимать во внимание время релаксации для временного цикла при циклическом воздействии температуры, которое предварительно следует определять при лабораторном испытании.
B.7.3 Число температурных циклов для квалификации
B.7.3.1 На основе результатов испытаний пластифицированного PVDF согласовано, что 10 (статических) циклов являются достаточными для "предварительной обработки" испытываемой трубы (создать в барьере прогнозируемую растягивающую нагрузку при охлаждении до самой низкой температуры испытания) и уменьшения гистерезиса в ответ на устойчивый уровень.
B.7.3.2 Основываясь на скорости ослабления до "разрушения" при работе предшествующих конструкций концевых фитингов и эмпирического соотношения 1:2 между циклами на промысле относительно циклов испытываемых труб, предлагается считать, что дополнительные 40 циклов (статических или динамических, в зависимости от применения трубы) после завершения заданного процесса депластификации являются достаточными для демонстрации пригодности к использованию по назначению. В качестве альтернативы, если циклическое воздействие температуры выполняется по этапам в процессе воздействия, конечные серии температурных циклов могут быть уменьшены до 20 в случае, если общее число циклов составит минимум 50 циклов.
B.7.3.3 Нулевое перемещение можно интерпретировать как постоянно-устойчивое. Если определено устойчивое перемещение, это может быть отражено с помощью линейной интерполяции, на базе серии предварительно испытанных образцов.
B.7.3.4 Моделирование применения в промысловых условиях со сроком службы 20 лет и условиях эксплуатации при частых температурных циклах требует несколько дополнительных лет непрерывного циклического воздействия. Поэтому в реальности наиболее практическим подходом может быть принятие квалификации для срока службы, моделируемого при испытании, внедрение маркеров в PVDF барьер и определение программы мониторинга для калибровки относительно данных натурного испытания.
B.7.4 Число и природа динамических изгибов для квалификации динамической трубы
B.7.4.1 Необходимо изогнуть как минимум один конец испытываемой трубы, что достаточно для освобождения трения внутренних слоев между слоями PVDF и каркаса/PVDF/армирования, обеспечивающего стойкость к давлению. Это будет достаточным для того, чтобы натяжение, возникающее в критических слоях PVDF, достигало обжатого уплотнения. Изгибание не требуется для образцов от 1 до 2 м.
B.7.4.2 Нет необходимости применять программу изгибов как при механическом усталостном испытании райзера, поскольку элемент жесткости на изгиб уменьшает нагружение на концевом фитинге до изменяющейся растягивающей нагрузки, которая значительно ниже, чем нагружение, возникающее от температуры.
B.7.5 Масштабирование диаметра
Основными параметрами поведения полимерного барьера на участке уплотнительного кольца является процент вдавливания и соответствующие напряжения в зоне обжатия. Если результаты испытания используются для других диаметров, следует обеспечивать постоянное вдавливание оболочки в радиальном направлении как процент от толщины барьера. При расчете процента вдавливания или обжатия должны оцениваться следующие элементы:
a) геометрия обжатия (обычно масштабируется для обеспечения аналогичного распределения напряжений);
b) прогибание любых проложенных стальных поддерживающих вставок;
c) допуски на изготовление и сборку; их следует отрегулировать так, чтобы сравниваемые конструкции имели аналогичное минимальное сжатие барьера под обжимающим кольцом.
B.7.6 Количество концевых фитингов и альтернативные методы интерпретации
Несмотря на то, что одной трубы (два концевых фитинга) может быть достаточно для идентификации механизма и обеспечения предварительной базы для квалификации, для верификации повторяемости результатов и интерпретации изменчивости допусков изготовления необходимо второе испытание (одна труба, два концевых фитинга).
Возможно использование испытываемых труб с конструкциями концевых фитингов, которые достаточно близки, но не идентичны. Необходимо установить критерии принятия ограниченных различий концевых фитингов.
B.7.7 Вес каркаса
Внутренний слой PVDF (для райзеров с многослойными флюидными барьерами PVDF) внедряется в спиральные промежутки каркаса. Вес каркаса переносится в этот слой PVDF через эти внедрения. Если PVDF представляет однослойную конструкцию, то он также внедряется в спиральные промежутки армирования, обеспечивающего стойкость к давлению.
Райзеры многослойной структуры имеют гладкую поверхность между слоями PVDF. Кроме тех случаев, когда внутреннее давление способно передавать нагрузку от веса (плюс нагрузки, возникающие от циклического воздействия температуры), нагрузка от веса и воздействия температуры (пропорционально толщине барьера) напрямую передается к верхнему концевому фитингу. На основе типовых примеров реальных эксплуатационных условий есть основания считать, что нагрузка от веса барьера увеличивает общую нагрузку от 10% до 15%.
B.7.8 Размерные допуски
Влияние размерных допусков на эксплуатационные характеристики индивидуально для конструкции концевого фитинга изготовителя. Трудно дать общие рекомендации кроме того, что должна быть возможность верифицировать, что допуски на сборку изготовленных концевых фитингов равны или лучше допусков, полученных для концевых фитингов испытываемых труб. Минимальный процент вдавливания барьера должен быть больше или равен проценту вдавливания для квалификационных образцов.
Для подтверждения верификации на базе испытаний необходимо, чтобы детальный проект, исходные данные для проектирования и допуски изготовителя были документально оформлены.
B.7.9 Оценка срока службы труб для работы с сырой нефтью
При квалификации для долговременной эксплуатации изменение процента

, достигнутое в испытываемой трубе, должно быть больше 70% значения, полученного при испытании на воздействие окружающей среды, описанном в
приложении D, для максимальной рабочей температуры трубы в заданной сырой нефти или эквивалентной среде. Срок службы должен определяться по скорости ползучести на базе температурных циклов в течение срока службы, если имеется признак деформации барьера в концевом фитинге. Труба должна быть признана квалифицированной, если отсутствует деформация барьера.
B.7.10 Рассмотрение проектных условий
B.7.10.1 Общие положения
Для каждого проекта необходимо оценить, какие элементы процедурного испытания являются или не являются репрезентативными для проектных условий и воздействий.
B.7.10.2 Подвешивание верхнего конца
Методы и механические детали подвешивания концевых фитингов верхнего конца гибкой трубы могут влиять на скорость нагрева и охлаждения для концевого фитинга и оболочки, работающей под давлением, в зависимости от того, как конструкционная опора отводит тепло от концевого фитинга или укрывает его от ветра или других конвекционных или охлаждающих воздействий. Элемент жесткости на изгиб и другое вспомогательное оборудование также могут оказывать существенное влияние на локальные тепловые режимы.
B.7.10.3 Погружение/изоляция
Два элемента конструкции, прилегающие к концевому фитингу, могут оказывать влияние на экстремальные значения температуры и скорости нагрева и охлаждения. В частности, некоторые концевые фитинги изолируются для обеспечения защиты от огня, а другие концевые фитинги монтируются под водой. Наиболее вероятно, что первый будет испытывать более высокие температуры в установившемся режиме, более низкие скорости охлаждения и более высокие скорости нагрева. Наиболее вероятно, что погруженные концевые фитинги будут испытывать более низкие температуры в установившемся режиме, более высокие скорости охлаждения и более низкие скорости нагрева.
B.7.10.4 Продувка системы
В процессе технологических закрытий или других аварийных работ газовые эксплуатационные райзерные системы могут подвергаться быстрому сбросу давления и продувке. Из-за эффектов Джоуля-Томсона природного газа такие продувки могут вызывать быстрое охлаждение до низких температур, которые значительно ниже температуры окружающей среды. Может быть важным учет теплоемкости газа при оценке скорости охлаждения и минимальной температуры, достигаемой в оболочке, работающей под давлением, в процессе продувки.
B.7.11 Другие процедуры испытаний
Другие процедуры, разработанные другими группами, могут существовать в дополнение к настоящей процедуре.
B.7.12 Оценка материалов и режимов разрушения
Настоящая процедура испытания относится к длительным непрерывным воздействиям высокой температуры с периодическими циклами охлаждения. В этих условиях возможно воздействие содержания летучих компонентов полимера оболочки, работающей под давлением, и напряжений, которые могут возникать в оболочке в результате теплового расширения и сжатия. Тем не менее могут быть другие факторы, которые необходимо учитывать при оценке материалов и режимов разрушения, которые влияют на эксплуатационные характеристики концевого фитинга. Одним из примеров таких факторов, которые необходимо учитывать при оценке материалов, является изменение кристаллического состояния полимера и соответствующее изменение свободного объема из-за продолжительных воздействий высокой температуры. Для полного понимания других воздействий может потребоваться дополнительное испытание образцов материала или концевых фитингов.
B.7.13 Число температурных циклов при испытании
Процедура настоящего приложения устанавливает для концевых фитингов 20 начальных и 20 конечных температурных циклов после достижения заданного состояния пластификации. Число циклов было выбрано на основе предыдущего опыта испытаний и ожидания, что условия нагружения и прочности могут быть надлежащим образом испытаны при конечных 20 циклах. Тем не менее следует понимать, что райзеры и другие гибкие трубы могут подвергаться значительно большему циклическому воздействию температуры в процессе "спуско-подъема" и других закрытий. Была проведена оценка, что типовая установка комплексной подготовки газа в Северном море может испытывать 1000 температурных циклов в течение типового 20-летнего срока службы. Рекомендуется дополнительное циклическое воздействие температуры, если имеется основание предполагать, что воздействие дополнительных циклов может в противном случае повлиять на стабильные эксплуатационные характеристики концевого фитинга.
(справочное)
ПРОЦЕДУРА ИСПЫТАНИЯ ОБРАЗЦА ПОЛИВИНИЛИДЕНФТОРИДА (PVDF)
ПОД ВОЗДЕЙСТВИЕМ СЫРОЙ НЕФТИ
C.1 Общие сведения
Целью настоящей процедуры является измерение развития и конечного состояния депластификации и репластификации образцов PVDF, представляющих облицовочную оболочку гибкой трубы под воздействием добываемых жидких углеводородов.
МЕРЫ ПРЕДОСТОРОЖНОСТИ - Процедура, описываемая в настоящем приложении, включает нагрев и обслуживание горячего оборудования и углеводородных продуктов. Ответственность за обеспечение выполнения всех надлежащих процедур по обеспечению защиты персонала от травм или оборудования или технических средств от повреждения возлагается на физических лиц или организации, которые применяют настоящую процедуру.
C.2 Процедура испытания
C.2.1 Необходимые материалы
Необходимо четырнадцать образцов PVDF, каждый с размерами приблизительно 35 x 75 мм. Следует подготовить плоские и прямоугольные образцы с параллельными противоположными сторонами, перпендикулярными смежными сторонами и равномерной толщиной [предпочтительно между 0,5 и 3 мм]. Образцы должны быть одной марки и иметь одинаковое первоначальное количество пластификатора (от 0% до 2%), как при изготовлении оболочек на давление гибкой трубы, и должны быть отобраны из образцов экструдированных оболочек.
C.2.1.2 Воздействующий флюид
Для испытания 12 образцов, описанных в
C.2.1.1, требуется приблизительно 1 л жидкого углеводорода.
Следует рассмотреть использование как газообразных, так и жидких компонентов пластового флюида (в соответствующих пропорциях) с использованием автоклава, чтобы в процессе воздействия могло поддерживаться эксплуатационное давление. Хотя это влияние не было до конца оценено, имеются признаки, что некоторые углеводородные компоненты более эффективны по сравнению с другими при депластификации/репластификации PVDF; давление воздействия может также влиять на взаимодействие.
C.2.1.3 Лабораторные сосуды
В качестве лабораторных сосудов следует использовать инертные автоклавные сосуды для образцов емкостью 0,5 или 1 л, пригодные для использования с углеводородами при температуре 130 °C.
C.2.2 Точность измерения
Необходимо выполнять следующие измерения:
a) толщину измеряют до 0,01 мм;
b) массу измеряют до +/- 0,0001 г;
c) температуру регистрируют непрерывно и измеряют до +/- 3 °C;
d) объемы (используя закон Архимеда) измеряют до 0,005 мл.
C.2.3 Процедура
C.2.3.1 Подготавливают 12 чистых сухих образцов и однозначно маркируют каждый образец путем надреза краев или каким-либо другим способом, результат которого не может быть удален в процессе воздействия.
C.2.3.2 Удаляют с образцов любые отслоившиеся края и посторонние частицы, протирают их сухой тканью или бумажным полотенцем и помещают в сушильный шкаф на 24 ч перед выполнением следующих шагов.
C.2.3.3 Измеряют и регистрируют толщину

и массу
m1 каждого образца. Не следует касаться образцов голыми руками в процессе измерений. Рассчитывают объем
V1 каждого образца, используя закон Архимеда и соответствующие весы или пикнометр, и среднюю толщину

.
C.2.3.4 Помещают 12 образцов и приблизительно 1 л воздействующего флюида в закрытый контейнер, который пригоден для нагрева флюида до температуры T (в качестве альтернативы могут использоваться два отдельных контейнера по шесть образцов и приблизительно 0,5 л нефти в каждом). Нагревают и поддерживают температуру нефти при T. Помещают два оставшихся образца в вентилируемую термокамеру при 220 °C на 24 ч, измеряют массу m2 и объем V2 и рассчитывают первоначальный процент по массе пластификатора и максимальный процент изменения объема.
Для быстрого получения первоначальных результатов начальные эксперименты могут проводиться при значении T, равном 130 °C. Это также необходимо, чтобы идентифицировать соотношение равновесия пластификатор/сырая нефть при различных рабочих температурах. Поэтому для решения этого вопроса рекомендуется выполнить полный набор испытаний на воздействие внешней среды в заданном диапазоне температур. Особое внимание следует уделять подготовке поверхности и толщине, хранению нефти и содержанию кислорода.
C.2.3.5 Рассчитывают время нагрева t1 и t2, выраженное в часах, по уравнениям

(
C.1)

(
C.2)
где

- средняя толщина образца, мм.
Ожидается, что равновесие процесса депластификации и поглощения сырой нефти наступит приблизительно через t1.
C.2.3.6 Вынимают по два образца из нефтяной ванны во время
t1/4,
t1/2, 3/4·
t1 и
t1 соответственно. Промывают образцы слабым мыльным водным раствором, прополаскивают образцы в чистой воде и тщательно высушивают поверхность чистой сухой бумагой или тканевым полотенцем.
Помещают образцы в сушильный шкаф для охлаждения на 24 ч. После охлаждения измеряют и регистрируют длину, ширину, толщину и массу m2 и рассчитывают объем V2 каждого образца. Если образец деформирован, что затрудняет прямое измерение, его первоначально взвешивают на воздухе и затем подвешивают в воде; определяют объем по закону Архимеда. Рассчитывают процент изменения по массе и объему.
C.2.3.7 Вынимают два образца из нефтяной ванны, затем обрабатывают и выполняют расчет (см.
C.2.3.6) для времени (
t2 +
t1)/2 и
t2. Дают остыть в нефтяной ванне и утилизируют испытательную нефть после извлечения последних образцов. Не следует использовать испытательную нефть для дальнейших испытаний репластификации.
C.2.3.8 В качестве опции образцы, испытанные на этапах
C.2.3.6 и
C.2.3.7, после измерения могут использоваться дальше следующим образом:
a) приготавливают и однозначно маркируют шесть обычных инертных металлических чашек для образцов, пригодных для взвешивания образцов из
C.2.3.6 и
C.2.3.7, помещают образец в каждую чашку и определяют общую массу каждой чашки с образцом; помещают чашки и образцы в вакуумную или вентилируемую термокамеру при
220 °C;
b) после нагревания в течение 24 ч вынимают образцы из термокамеры и помещают их в сушильный шкаф для охлаждения на 24 ч, затем измеряют и регистрируют массу каждого образца.
C.2.3.9 Заполняют форму данных, приведенную в
C.2.4 для расчета чистой потери массы

летучих компонентов и чистое изменение объема

и подтверждают общий процент изменения массы

, соответствующий первоначальному содержанию пластификатора.
Измерения общего

для времени
t1, (
t2 +
t1)/2 и
t2 должны быть соизмеримыми для образцов (+/- 0,1%). Если это не наблюдается, то процедуру повторяют с дополнительными образцами и/или с учетом возможности расширения испытаний как минимум на два образца с более продолжительным временем
t2.
ID образца: | 1 | 2 | 3 | 4 | 5 | 6 | 7 | 8 | 9 | 10 | 11 | 12 |
Данные | | | | | | | | | | | | |
Время воздействия, в часах | | | | | | | | | | | | |
Толщина  | | | | | | | | | | | | |
Масса m2 | | | | | | | | | | | | |
Объем V2 | | | | | | | | | | | | |
Исходные данные | | | | | | | | | | | | |
Масса m1 | | | | | | | | | | | | |
Объем V1 | | | | | | | | | | | | |
Расчеты времени воздействия | | | | | | | | | | | | |
Потеря массы:  | | | | | | | | | | | | |
Изменение объема:  | | | | | | | | | | | | |
Процент потери по массе:  | | | | | | | | | | | | |
Процент изменения объема:  | | | | | | | | | | | | |
Конечные данные | | | | | | | | | | | | |
Масса чашки с образцом m7A | | | | | | | | | | | | |
Масса чашки с образцом m7B | | | | | | | | | | | | |
Масса оставшегося пластификатора: mPI = (m7A - m7B) | | | | | | | | | | | | |
Примечание - Значения, рассчитанные по этим данным, могут затем использоваться для построения графика общего содержания пластификатора и компонентов сырой нефти по времени. |
(справочное)
ПРОЦЕДУРА ИСПЫТАНИЯ ОБРАЗЦА ПОЛИМЕРА
ПОД ВОЗДЕЙСТВИЕМ СЫРОЙ НЕФТИ
D.1 Общие сведения
Целью настоящей процедуры является измерение развития, конечного состояния депластификации и репластификации образцов полимера, представляющего слои гибкой трубы под воздействием характерных добываемых жидких углеводородов.
D.2 Процедура испытания
D.2.1 Необходимые материалы
D.2.1.1 Образцы полимера
Необходимо четырнадцать образцов полимера, каждый с размерами приблизительно 35 x 75 мм. Следует подготовить плоские и прямоугольные образцы с параллельными противоположными сторонами, перпендикулярными смежными сторонами и равномерной толщиной в пределах между 0,5 и 3 мм. Образцы должны быть одной марки и иметь одинаковое первоначальное количество пластификатора (от 0% до 2%), как при изготовлении оболочек на давление гибкой трубы, и должны быть отобраны из образцов экструдированных оболочек.
D.2.1.2 Воздействующий флюид
Для испытания 12 образцов, описанных выше, требуется приблизительно 1 л жидкого углеводорода.
D.2.1.3 Лабораторные сосуды
В качестве лабораторных сосудов следует использовать инертные автоклавные сосуды для образцов емкостью 0,5 или 1 л, пригодные для использования с углеводородами при температуре 130 °C.
D.2.2 Точность измерения
D.2.2.1 Толщину измеряют до 0,01 мм.
D.2.2.2 Массу измеряют до +/- 0,0001 г.
D.2.2.3 Температуру регистрируют непрерывно и измеряют до +/- 3 °C.
D.2.2.4 Объемы (используя закон Архимеда) измеряют до 5 мл.
D.2.3 Процедура
D.2.3.1 Подготавливают 12 чистых сухих образцов и маркируют каждый образец путем надреза краев или каким-либо другим способом, результат которого не может быть удален в процессе воздействия.
D.2.3.2 Удаляют с образцов любые отслоившиеся края и посторонние частицы, протирают их сухой тканью или бумажным полотенцем и помещают их в сушильный шкаф на 24 ч до выполнения следующих шагов.
D.2.3.3 Измеряют и регистрируют толщину и массу
m1 каждого образца. Не следует касаться образцов голыми руками в процессе измерений. Рассчитывают объем
V1 каждого образца, используя закон Архимеда и соответствующие весы или пикнометр, и среднюю толщину образца

.
D.2.3.4 Помещают 12 образцов и приблизительно 1 л воздействующего флюида в закрытый контейнер, который пригоден для нагрева флюида до температуры T. В качестве альтернативы могут использоваться два отдельных контейнера по шесть образцов и приблизительно 0,5 л нефти в каждом. Нагревают и поддерживают температуру нефти при T. Помещают два оставшихся образца в вентилируемую термокамеру при 220 °C на 24 ч, измеряют массу m2 и объем V2 и рассчитывают первоначальный процент по массе пластификатора и максимальный процент изменения объема. Особое внимание следует уделять подготовке поверхности и толщине, хранению нефти и содержанию кислорода.
Для быстрого получения первоначальных результатов начальные эксперименты могут проводиться при T = 130 °C. Это также необходимо, чтобы идентифицировать соотношение равновесия пластификатор/сырая нефть при различных рабочих температурах. Поэтому для решения этого вопроса рекомендуется выполнить полный набор испытаний на воздействие внешней среды для диапазона температур.
D.2.3.5 Рассчитать время нагрева t1 и t2, выраженное в часах, по уравнениям:

(D.1)

(D.2)
где

- средняя толщина образца, выраженная в миллиметрах.
D.2.3.6 Вынимают по два образца из нефтяной ванны во время
t1/4,
t1/2, 3/4·
t1 и
t1 соответственно. Промывают образцы слабым мыльным водным раствором, прополаскивают образцы в чистой воде и тщательно осушают поверхность чистой сухой бумагой или тканевым полотенцем.
Помещают образцы в сушильный шкаф для охлаждения на 24 ч. После охлаждения измеряют и регистрируют длину, ширину, толщину и массу m2 и рассчитывают объем V2 каждого образца. Если образец деформирован, что затрудняет прямое измерение, взвешивают его первоначально на воздухе и затем подвешивают его в воде; определяют объем по принципу Архимеда. Рассчитывают процент изменения по массе и объему.
D.2.3.7 Вынимают два образца из нефтяной ванны, затем обрабатывают и выполняют расчет, как в
D.2.3.6, во время (
t2 +
t1)/2 и
t2. Дают остыть нефтяной ванне и утилизируют испытательную нефть после извлечения последних образцов. Не следует использовать испытательную нефть для дальнейших испытаний репластификации.
D.2.3.8 В качестве опции образцы, испытанные на этапах
D.2.3.6 и
D.2.3.7, сразу после измерений могут использоваться далее, как описано в
D.2.3.8.1 по
D.2.3.8.2.
D.2.3.8.1 Приготовляют и маркируют шесть обычных инертных металлических чашек для образцов, пригодных для взвешивания образцов из
D.2.3.6 и
D.2.3.7. Помещают образец в каждую чашку и определяют общую массу каждой чашки с образцом. Помещают чашки и образцы в вакуумную или вентилируемую термокамеру при 220 °C.
D.2.3.8.2 После нагревания в течение 24 ч вынимают образцы из термокамеры и помещают их в сушильный шкаф для охлаждения на 24 ч. После охлаждения образцов измеряют и регистрируют массу каждого образца.
D.2.3.9 Заполняют форму данных, приведенную в
D.2.4 для расчета чистой потери массы

летучих компонентов и чистого изменения объема

и подтверждают общий процент изменения массы
, в соответствии с первоначальным содержанием пластификатора.
Необходимо, чтобы измерения общего

для времени
t1, (
t2 +
t1)/2 и
t2 были соизмеримыми для образцов (+/- 0,1%). Если это не наблюдается, то следует повторить процедуру с дополнительными образцами и/или с учетом возможности расширения испытаний как минимум на два образца с более продолжительным временем
t2.
ID образца: | 1 | 2 | 3 | 4 | 5 | 6 | 7 | 8 | 9 | 10 | 11 | 12 |
Данные | | | | | | | | | | | | |
Время воздействия (часы) | | | | | | | | | | | | |
Толщина  | | | | | | | | | | | | |
Масса m2 | | | | | | | | | | | | |
Объем V2 | | | | | | | | | | | | |
Начальные данные | | | | | | | | | | | | |
Масса m1 | | | | | | | | | | | | |
Объем V1 | | | | | | | | | | | | |
Расчеты для времени воздействия | | | | | | | | | | | | |
Потеря массы:  | | | | | | | | | | | | |
Изменение объема:  | | | | | | | | | | | | |
Процент потери по массе:  | | | | | | | | | | | | |
Процент изменения объема:  | | | | | | | | | | | | |
Конечные данные | | | | | | | | | | | | |
Масса чашки с образцом m7A | | | | | | | | | | | | |
Масса чашки с образцом m7B | | | | | | | | | | | | |
Масса оставшегося пластификатора: mPI = (m7A - m7B) | | | | | | | | | | | | |
Примечание - Значения, рассчитанные по этим данным, могут затем использоваться для построения графика общего содержания пластификатора и компонентов сырой нефти по времени. |
(справочное)
СВЕДЕНИЯ О СООТВЕТСТВИИ ССЫЛОЧНЫХ НАЦИОНАЛЬНЫХ
И МЕЖГОСУДАРСТВЕННЫХ СТАНДАРТОВ МЕЖДУНАРОДНЫМ СТАНДАРТАМ,
ИСПОЛЬЗОВАННЫМ В КАЧЕСТВЕ ССЫЛОЧНЫХ В ПРИМЕНЕННОМ
МЕЖДУНАРОДНОМ СТАНДАРТЕ
Таблица ДА.1
Обозначение ссылочного национального, межгосударственного стандарта | Степень соответствия | Обозначение и наименование ссылочного международного стандарта |
(ISO 604:2002) | MOD | ISO 604:2002 "Пластмассы. Определение свойств при сжатии" |
| IDT | ISO 36:2020 "Резина вулканизованная или термопластик. Определение прочности связи с тканями" |
(ИСО 15156-1:2001) | MOD | ISO 15156-1:2001 "Промышленность нефтяная и газовая. Материалы для применения в средах, содержащих сероводород, при нефте- и газодобыче. Часть 1. Общие принципы выбора трещиностойких материалов" |
(ИСО 13628-3:2000) | MOD | ISO 13628-3:2000 "Нефтяная и газовая промышленность. Проектирование и эксплуатация систем подводной добычи. Часть 3. Системы проходных выкидных трубопроводов (TFL)" |
(ИСО 13628-10:2005) | MOD | ISO 13628-10:2005 "Нефтяная и газовая промышленность. Проектирование и эксплуатация систем подводной добычи. Часть 10. Технические условия на гибкую трубу многослойной структуры со связующими слоями" |
(ИСО 13628-2:2006) | MOD | ISO 13628-2:2006 "Нефтяная и газовая промышленность. Проектирование и эксплуатация систем подводной добычи. Часть 2. Системы гибких труб многослойной структуры без связующих слоев для подводного и морского применения" |
| IDT | ISO 13628-4:2010 "Нефтяная и газовая промышленность. Проектирование и эксплуатация систем подводной добычи. Часть 4. Подводное оборудование устья скважины и устьевой елки" |
Примечание - В настоящей таблице использованы следующие условные обозначения степени соответствия стандартов: - IDT - идентичные стандарты; - MOD - модифицированные стандарты. |
(справочное)
СОПОСТАВЛЕНИЕ СТРУКТУРЫ НАСТОЯЩЕГО СТАНДАРТА
СО СТРУКТУРОЙ ПРИМЕНЕННОГО В НЕМ МЕЖДУНАРОДНОГО СТАНДАРТА
Таблица ДБ.1
Структура настоящего стандарта | Структура международного стандарта ISO 13628-11:2007 |
| 1 Область применения |
| 2 Нормативные ссылки |
3 Термины и определения (3.1) 4 Сокращения и обозначения (3.2) | 3 Термины, сокращения, определения и условные обозначения 3.1 Термины и определения 3.2 Условные обозначения и сокращения |
5 Описание систем гибких трубопроводов (4) | 4 Описание системы, труб и компонентов |
| 4.1 Введение |
5.2 Системы гибких трубопроводов (4.2) | 4.2 Системы гибких трубопроводов |
5.3 Конструкция гибких труб (4.3) | 4.3 Описание гибкой трубы |
5.4 Вспомогательное оборудование (4.4) | 4.4 Вспомогательные компоненты |
6 Проектирование гибкого трубопровода (раздел 5) | 5 Факторы, которые необходимо учитывать при проектировании трубы |
| 5.1 Общие положения |
6.2 Процесс проектирования (5.2) | 5.2 Общий анализ проектирования |
6.3 Режимы разрушения (5.3) | 5.3 Режимы разрушения |
6.4 Критерии проектирования (5.4) | 5.4 Критерии проектирования |
| 5.5 Схемы нагружения |
| 6 Материалы |
| 6.1 Цель |
7.2 Материалы для трубы многослойной структуры без связующих слоев (6.2) | 6.2 Материалы. Трубы многослойной структуры без связующих слоев |
7.3 Материалы для трубы многослойной структуры со связующими слоями (6.3) | 6.3 Материалы. Трубы многослойной структуры со связующими слоями |
7.4 Альтернативные материалы (6.4) | 6.4 Альтернативные материалы |
7.5 Процедуры испытания полимеров/эластомеров (6.5) | 6.5 Процедуры испытания полимеров/эластомеров |
7.6 Требования к испытаниям металлических материалов (6.6) | 6.6 Требования к испытаниям металлических материалов |
8 Проектирование системы гибких трубопроводов (7) | 7 Факторы, которые необходимо учитывать при проектировании системы |
| 7.1 Общие положения |
8.2 Общие требования к системе (7.2) | 7.2 Общие требования к системе |
8.3 Требования к проектированию выкидных трубопроводов (7.3) | 7.3 Требования к проектированию выкидных трубопроводов |
8.4 Требования к проектированию райзера (7.4) | 7.4 Требования к проектированию райзера |
8.5 Вспомогательное оборудование (7.5) | 7.5 Вспомогательные компоненты |
8.6 Системные сопряжения (7.6) | 7.6 Системные сопряжения |
9 Методы расчета, нагрузки и воздействия (8) | 8 Факторы, которые необходимо учитывать при анализе |
| 8.1 Введение |
| 8.2 Методы расчета |
| 8.3 Нагрузки |
| 8.4 Оценка общей реакции |
10 Испытания опытного образца (9) | 9 Испытания опытного образца |
10.1 Общие сведения (9.1) | 9.1 Общие положения |
10.2 Программы проектно-конструкторских работ (9.2) | 9.2 Программы проектно-конструкторских работ |
10.3 Классификация испытаний опытного образца (9.3) | 9.3 Классификация испытаний опытного образца |
10.4 Требования к испытанию (9.4) | 9.4 Требования к испытанию |
10.5 Протокол испытаний (9.5) | 9.5 Протокол испытаний |
10.6 Процедуры. Типовые испытания опытного образца (9.6) | 9.6 Процедуры. Типовые испытания опытного образца |
10.7 Процедуры. Специальные испытания опытного образца (9.7) | 9.7 Процедуры. Специальные испытания опытного образца |
| 10 Изготовление |
11.1 Общие сведения (10.1) | 10.1 Общие положения |
11.2 Изготовление. Труба многослойной структуры без связующих слоев (10.2) | 10.2 Изготовление. Труба многослойной структуры без связующих слоев |
11.3 Изготовление. Труба многослойной структуры со связующими слоями (10.3) | 10.3 Изготовление. Труба многослойной структуры со связующими слоями |
| 10.4 Маркировка |
| 10.5 Хранение |
12 Погрузочно-разгрузочные работы, транспортирование и укладка | 11 Погрузочно-разгрузочные работы, транспортирование и укладка |
12.1 Общие сведения (11.1) | 11.1 Общие положения |
12.2 Погрузочно-разгрузочные работы (11.2) | 11.2 Погрузочно-разгрузочные работы |
12.3 Транспортирование (11.3) | 11.3 Транспортирование |
| 11.4 Укладка |
12.5 Предварительные пуско-наладочные работы и ввод в эксплуатацию (11.5) | 11.5 Предварительные пуско-наладочные работы и ввод в эксплуатацию |
13 Демонтаж и повторное применение (12) | 12 Извлечение и повторное использование |
13.1 Общие сведения (12.1) | 12.1 Общие положения |
| 12.2 Извлечение |
13.3 Повторное использование (12.3) | 12.3 Повторное использование |
14 Мониторинг целостности и технического состояния | 13 Мониторинг целостности и технического состояния |
14.1 Общие сведения (13.1) | 13.1 Общие положения |
14.2 Основные принципы (13.2) | 13.2 Основные принципы |
14.3 Режимы разрушения и возможные дефекты труб (13.3) | 13.3 Режимы разрушения и возможные дефекты труб |
14.4 Методы мониторинга (13.4) | 13.4 Методы мониторинга |
| 13.5 Рекомендации |
Приложение A Протокол квалификационного испытания концевого фитинга гибкой трубы при высокой температуре. Полимеры, содержащие летучие вещества (приложение A) | Приложение A Протокол квалификационного испытания концевого фитинга гибкой трубы при высокой температуре. Полимеры, содержащие летучие вещества |
Приложение B Процедуры квалификационного испытания концевого фитинга гибкой трубы при высокой температуре. Полимеры с низким содержанием летучих веществ (приложение C) | Приложение B Процедура испытания образца поливинилиденфторида (PVDF) под воздействием сырой нефти |
Приложение C Процедура испытания образца поливинилиденфторида (PVDF) под воздействием сырой нефти (приложение B) | Приложение C Процедуры квалификационного испытания концевого фитинга гибкой трубы при высокой температуре: полимеры с низким содержанием летучих веществ |
Приложение D Процедура испытания образца полимера под воздействием сырой нефти (приложение D) | Приложение D Процедура испытания образца полимера под воздействием сырой нефти |
Приложение ДА Сведения о соответствии ссылочных национальных и межгосударственных стандартов международным стандартам, использованным в качестве ссылочных в примененном международном стандарте | - |
Приложение ДБ Сопоставление структуры настоящего стандарта со структурой примененного в нем международного стандарта | - |
Примечание - После заголовков разделов (подразделов) настоящего стандарта приведены в скобках номера аналогичных им разделов (подразделов, пунктов) международного стандарта. |
| ИСО 19902:2020 | Нефтяная и газовая промышленность. Морские стационарные стальные сооружения (Petroleum and natural gas industries - Fixed steel offshore structures) |
| Правила по грузоподъемным устройствам морских судов, РМРС, СПб, 2022 |
| Требования к составу и содержанию проекта организации работ по сносу объекта капитального строительства (утверждены постановлением Правительства Российской Федерации от 26 апреля 2019 г. N 509) |
УДК 622.276.04:006.354 | |
Ключевые слова: нефтяная и газовая промышленность, проектирование, эксплуатация, системы подводной добычи, системы гибких трубопроводов, подводное и морское применение |